background image

  Catalog 43 

 

            131 Radio Circle, Mount Kisco, NY 10549

800.882.8020  

n

  914.666.2911  

n

  Fax: 914.666.0216

  Made in USA 

                               001.914.666.2911 

            www.zierick.com

  3

Surface Mount Connectors

As the industry’s first surface-

mountable connectors to be 

supplied on a continuous reel, 

our surface mount connectors are 

designed to be used as part  

of Zierick’s 

Surf-Shooter SMT™

 

(

Surface Mount Technology

) assembly 

system to simplify and reduce the 

cost of surface mount assembly. 

The complete 

Surf-Shooter SMT™

 

system (

consisting of connectors 

supplied on a continuous reel and  

a special feeder

) feeds, separates, and 

presents the continuous format, 

surface-mountable connectors to 

the pick-up head of the customer’s 

existing placement system.

The continuous format design  

of the stamped SMT connectors 

eliminates the need for hand  

placement or prepackaging that  

is typically used for surface mount 

connectors. It eliminates the need 

for putting the Zierick component 

in tape and reel, which costs  

more than the price of the  

component itself. Even odd-form 

components can be fed to the 

customer’s placement system on 

continuous reels, eliminating  

hand assembly.

63259 Zierick Cat.indd   3

10/30/12   1:33 PM

Zierieck-connectors_smt-html.html
background image

131 Radio Circle, Mount Kisco, NY 10549   

 

 

            Catalog 43

800.882.8020  

n

  914.666.2911  

n

  Fax: 914.666.0216

www.zierick.com   

 

001.914.666.2911 

 

        Made in USA

  4

SMT Pins and Posts

Features and Benefits

n

 

Individual pins can be randomly 

placed. 

 

n

 

Pins don’t float during reflow.

 

n

 

Pins are reliably perpendicular.

 

n

 

Zierick offers pins that are 

designed for .100

˚

 on-center 

applications.

 

n

 

Certain pins can be selectively 

plated.

 

n

 

Many can be produced in different 

lengths or with different materials 

for higher conductivity.

 

n

 

Others provide Z-Axis (axial) 

compliancy and/or can be used in 

parallel PCB stacking applications.

 

n

 

All are designed for automation 

using the customer’s existing pick  

and place equipment and a special 

feeder.

 

n

 

No time-consuming hand 

placement or costly fixturing  

is required.

Zierick’s SMT pins and posts are  

specially designed for high-reliability 

PCB interconnection applications. 

They are available in many lengths 

and diameters.

To reduce the applied cost and 

increase interconnection reliability, 

Zierick utilizes the capillary action 

of reflowing solder to prevent the  

component from floating and 

moving on top of the melted 

solder, and to improve solder joint 

strength. Pull-force tests reveal 

that a post with proper capillary 

action has much higher retention 

to the printed circuit board than a 

post without the capillary action 

feature.

The higher retention force is  

attributable to two conditions:

u

 

The first is the very thin layer of 

solder between the base of the 

pin and the solder pad. Solder 

is a weak alloy with a low yield 

stress. A thicker layer of solder 

will fail before a thinner layer.

u

 

As the solder paste reflows, flux 

and other active ingredients 

in the solder cause out-gassing. 

These gases get trapped under a 

relatively large surface like the 

base of the pin. The trapped gasses 

create voids in the solder that 

are clearly visible when the pin 

is pulled off or the solder joint is 

cross-sectioned. Pins that employ  

capillary action have fewer and  

smaller voids because the capillary 

tube provides a way for gasses to 

escape.

63259 Zierick Cat.indd   4

10/30/12   1:33 PM

Zierieck-connectors_smt-html.html
background image

  Catalog 43 

 

            131 Radio Circle, Mount Kisco, NY 10549

800.882.8020  

n

  914.666.2911  

n

  Fax: 914.666.0216

  Made in USA 

                               001.914.666.2911 

            www.zierick.com

  5

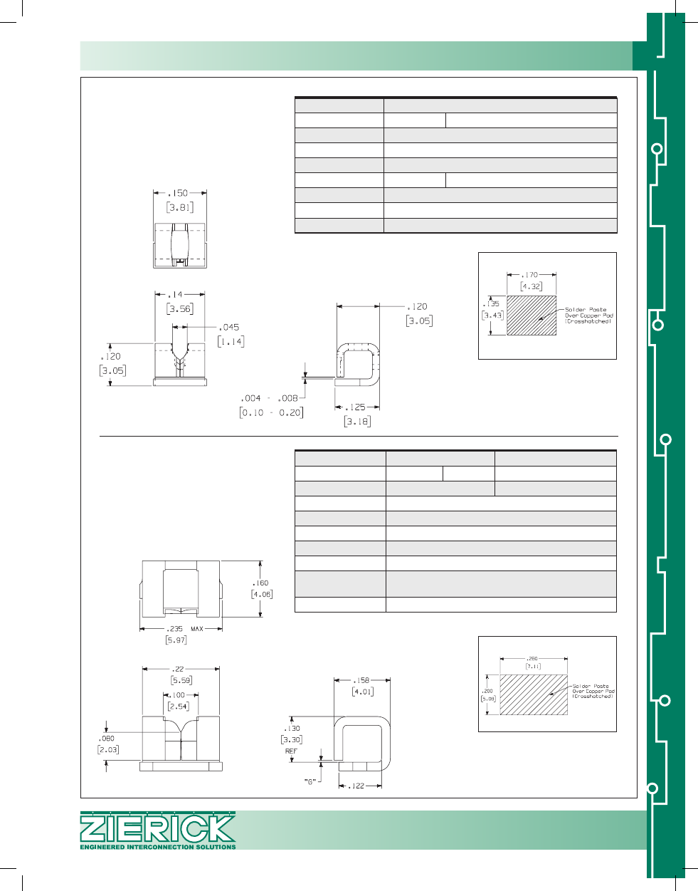
SMT 0.025" (0.635mm) Posts

Part Numbers 6239, 6240

U.S. Patent Nos. 5,632,629, 5,695,348, 

5,730,608, 5,816,868 and other  

U.S. and international patents
Zierick recommends .006” stencil  

thickness for most applications. For 

other stencil thicknesses, call Zierick’s 

product development department.

Reeled Part No.

 

6239 

6240

Pin Length (L)

 

0.250" (6.35mm) 

0.375" (9.53mm)

Material

 

0.012" (0.30mm) 

Thickness / Type 

Brass

Standard Finish

 

100% Tin over Copper

Current Rating

 

8 Amperes

Feeder System

 

Surf-Shooter SMT  

™ Continuous Strip Feeder

Part Numbers 1216, 6216, 

1222, 6222, 6246

U.S. Patent Nos. 5,632,629, 5,695,348, 

5,730,608, 5,816,868 and other  

U.S. and international patents
Zierick recommends .006" stencil  

thickness for most applications. For 

other stencil thicknesses, call Zierick’s 

product development department.

Loose Part No.

 

1216 

1222 

Reeled Part No.

 

6216 

6222 

6246

Pin Length (L)

 

0.375" (9.53mm) 

0.250" (6.35mm) 

0.375" (9.53mm)

Material 

0.012" (0.30mm)  

 

0.012" (0.30mm) CDA 155

Thickness / Type

 

Brass 

 

Copper

Standard Finish

 

100% Tin over Copper

Current Rating

 

8 Amperes

Feeder System 

Surf-Shooter SMT  

™ Continuous Strip Feeder

Recommended Solder Pad Geometry

Recommended Solder Pad Geometry

63259 Zierick Cat.indd   5

10/30/12   1:33 PM

Zierieck-connectors_smt-html.html
background image

131 Radio Circle, Mount Kisco, NY 10549   

 

 

            Catalog 43

800.882.8020  

n

  914.666.2911  

n

  Fax: 914.666.0216

www.zierick.com   

 

001.914.666.2911 

 

        Made in USA

  6

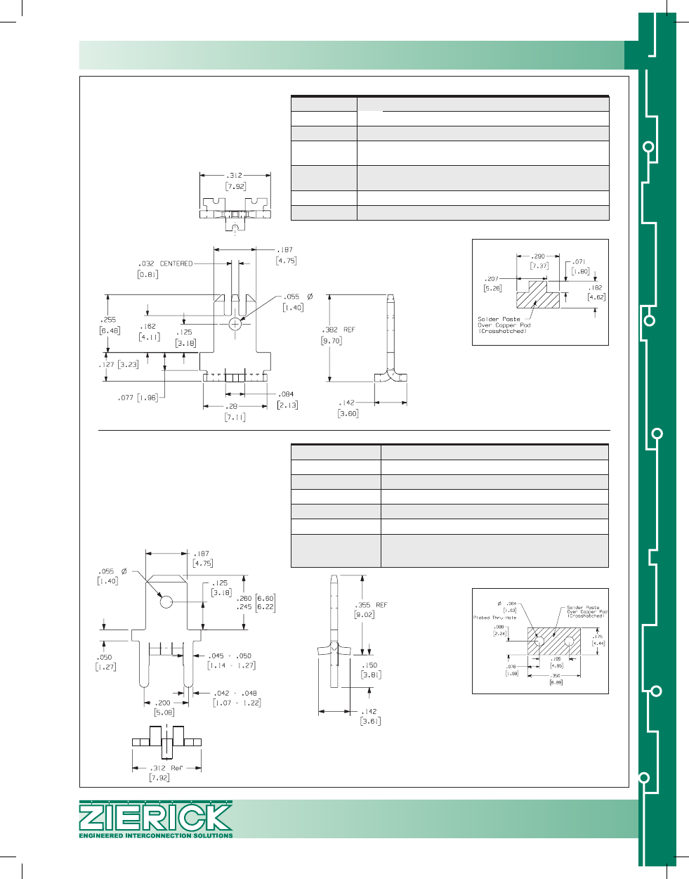
SMT Z-Axis Compliant Pin

Surface Mount Solid Pins

Part Numbers 1264, 6264

U.S. Patent Nos. 6,997,727 B1, 5,730,608, 

5,632,629, 5,695,348, 5,816,868 and other  

U.S. and international patents
Zierick recommends .006" stencil 

thickness for most applications. For 

other stencil thicknesses, call Zierick’s 

product development department.

Loose Part No.

 

1264

Reeled Part No.

 

6264

Total Length (Height)

 

0.375" (9.52mm)

Material Thickness / Type

 

0.012" (0.30mm) C15500 Copper & Silver

Standard Finish

 

100% Tin over Copper

Current Rating

 

8 Amperes

Feeder System

 

Surf-Shooter SMT  

 

Continuous Strip Feeder

Part Numbers  

A1-250, A1-375, A1-421,  

A1-500, A1-625, A1-750 

U.S. Patent Nos. 5,632,629, 5,816,868 and 

other U.S. and international patents
Zierick recommends .006" stencil  

thickness for most applications. For 

other stencil thicknesses, call Zierick’s 

product development department.

Loose Part No.

 

A1-250 

A1-375 

A1-421 

A1-500 

A1-625 

A1-750

Dim ‘L’

 

0.250" 

0.375" 

0.421" 

0.500" 

0.625" 

0.750"

 

(6.35mm)  (9.53mm) 

(10.69mm)  (12.70mm)  (15.88mm)  (19.05mm)

Pin Width

 

0.025" (0.64mm) Square

Standard Finish

 

100% Tin over Copper

Current Rating

 

8/Pin

Feeder System

 

Pin-Shooter SMT Loose Piece Feeder (Pin Shooter)

Recommended Solder Pad Geometry

Alternate Solder Pad Geometry

Recommended Solder Pad Geometry

63259 Zierick Cat.indd   6

10/30/12   1:33 PM

Zierieck-connectors_smt-html.html
background image

  Catalog 43 

 

            131 Radio Circle, Mount Kisco, NY 10549

800.882.8020  

n

  914.666.2911  

n

  Fax: 914.666.0216

  Made in USA 

                               001.914.666.2911 

            www.zierick.com

  7

SMT Solid Pins

Part Numbers  

A2-375-0, A2-495-0,  

A2-532-0, A2-670-0,  

A2-680-0, A3-595-0,  

A3-625-0, A3-680-0, 

A3-800-0, A4-375-0,  

A4-625-0, A4-680-0 

U.S. Patent Nos. 5,632,629,  

5,695,348, 5,730,608, 5,816,868  

and other U.S. and international 

patents
Zierick recommends .006" stencil  

thickness for most applications.  

For other stencil thicknesses, call 

Zierick’s product development  

department.

Part No. 

DESCRIPTION 

       L* 

      D 

       D1 

PAD 

CURRENT  

 

 

  

 

 

 

RATING

A2-375-0   0.040" (1.02mm) Dia x 

0.375" 

0.040" 

0.095" 

A  

15 Amperes 

 

0.375" (9.53mm) long 

(9.53mm) 

(1.02mm) 

±0.005" 

 

Solid Copper SMT 

 

 

(2.41mm 

 

Post; 100% Tin over 

 

 

±0.127mm) 

 

CDA 11000

A2-495-0   0.040" (1.02mm) Dia x 

0.495" 

0.040" 

0.095" 

15 Amperes 

 

0.495" (12.57mm) 

(12.57mm) 

(1.02mm) 

±0.005" 

 

 

 

long Solid Copper SMT 

 

 

(2.41mm 

 

 

 

Post; 100% Tin over 

 

 

±0.127mm) 

 

 

 

CDA 11000

A2-532-0   0.040" (1.02mm) Dia x 

0.532" 

0.040" 

0.095" 

15 Amperes 

 

0.532" (13.51mm) 

(13.51mm) 

(1.02mm) 

±0.005" 

 

 

 

long Solid Copper SMT 

 

 

(2.41mm 

 

 

 

Post; 100% Tin over 

 

 

±0.127mm) 

 

 

 

CDA 11000

A2-670-0   0.040" (1.02mm) Dia x 

0.670" 

0.040" 

0.095" 

15 Amperes 

 

0.670" (17.02mm) 

(17.02mm) 

(1.02mm) 

±0.005" 

 

 

 

long Solid Copper SMT 

 

 

(2.41mm 

 

 

 

Post; 100% Tin over 

 

 

±0.127mm) 

 

 

 

CDA 11000

A2-680-0   0.040" (1.02mm) Dia x 

0.680" 

0.040" 

0.095" 

15 Amperes 

 

0.680" (17.27mm) 

(17.27mm) 

(1.02mm) 

±0.005" 

 

 

 

long Solid Copper SMT 

 

 

(2.41mm 

 

 

 

Post; 100% Tin over 

 

 

±0.127mm) 

 

 

 

CDA 11000

A3-595-0   0.060" (1.52mm) Dia x 

0.595" 

0.060" 

0.120" 

20 Amperes 

 

0.595" (15.11mm) 

(15.11mm) 

(1.52mm) 

±0.005" 

 

 

 

long Solid Copper SMT 

 

 

(3.05mm 

 

 

 

Post; 100% Tin over 

 

 

±0.127mm) 

 

 

 

CDA 11000

A3-625-0   0.060" (1.52mm) Dia x 

0.625" 

0.060" 

0.120" 

20 Amperes 

 

0.625" (15.88mm) 

(15.88mm) 

(1.52mm) 

±0.005" 

 

 

 

long Solid Copper SMT 

 

 

(3.05mm 

 

 

 

Post; 100% Tin over 

 

 

±0.127mm) 

 

 

 

CDA 11000

A3-680-0   0.060" (1.52mm) Dia x 

0.680" 

0.060" 

0.120" 

20 Amperes 

 

0.680" (17.27mm) 

(17.27mm) 

(1.52mm) 

±0.005" 

 

 

 

long Solid Copper SMT 

 

 

(3.05mm 

 

 

 

Post; 100% Tin over 

 

 

±0.127mm) 

 

 

 

CDA 11000

A3-800-0   0.060" (1.52mm) Dia x 

0.800" 

0.060" 

0.120" 

20 Amperes 

 

0.800" (20.32mm) 

(20.32mm) 

(1.52mm) 

±0.005" 

 

 

 

long Solid Copper SMT 

 

 

(3.05mm 

 

 

 

Post; 100% Tin over 

 

 

±0.127mm) 

 

 

 

CDA 11000

A4-375-0   0.080" (2.03mm) Dia x 

0.375" 

0.080" 

0.140" 

25 Amperes 

 

0.375" (9.53mm) long 

(9.53mm) 

(2.03mm) 

±0.010" 

 

 

 

Solid Copper SMT 

 

 

(3.56mm 

 

 

 

Post; 100% Tin over 

 

 

±0.254mm) 

 

 

 

CDA 11000

A4-625-0   0.080" (2.03mm) Dia x 

0.625" 

0.080" 

0.140" 

25 Amperes 

 

0.625" (15.88mm) 

(15.88mm) 

(2.03mm) 

±0.010" 

 

 

 

long Solid Copper SMT 

 

 

(3.56mm 

 

 

 

Post; 100% Tin over 

 

 

±0.254mm) 

 

 

 

CDA 11000

A4-680-0   0.080" (2.03mm) Dia x 

0.680" 

0.080" 

0.140" 

25 Amperes 

 

0.680" (17.27mm) 

(17.27mm) 

(2.03mm) 

±0.010" 

 

 

 

long Solid Copper SMT 

 

 

(3.56mm 

 

 

 

Post; 100% Tin over 

 

 

±0.254mm) 

 

 

 

CDA 11000

Feeder System: Pin-Shooter SMT Loose Piece Feeder (Pin Shooter)

* Additional Pin  

   Lengths available  

   upon request.  

   Please consult  

   factory.

Pad A - Recommended Solder Pad Geometry

Pad C - Recommended Solder Pad Geometry

Pad B - Recommended Solder Pad Geometry

63259 Zierick Cat.indd   7

10/30/12   1:34 PM

Zierieck-connectors_smt-html.html
background image

131 Radio Circle, Mount Kisco, NY 10549   

 

 

            Catalog 43

800.882.8020  

n

  914.666.2911  

n

  Fax: 914.666.0216

www.zierick.com   

 

001.914.666.2911 

 

        Made in USA

  8

SMT Tabs / Quick Disconnect Terminals

Features and Benefits

n

 

Zierick Tabs / Quick Disconnects 

have high retention forces.

 

n

 

The shoulder provides a stand-off 

for the mating part from the PCB.

 

n

 

They retain typical through-hole 

Tab / Quick Disconnect features.

 

n

 

They don’t float during reflow.

 

n

 

All are designed for automation 

using the customer’s existing pick  

and place equipment and a special 

feeder, and require no time  

consuming hand placement  

or costly fixturing.

 

n

 

Most Tabs can be automated 

using standard tape feeders.

Zierick’s family of Surface Mount 

Tabs / Quick Disconnects is now 

easier than ever to use. They are  

supplied on reels for easy application  

by our 

Surf-Shooter SMT ™

 

Continuous 

Strip Feeders

, in loose piece for lower 

volumes, or in Surface Mount Tape 

Pockets.  Any Tab which is available 

in Tape can be purchased in Small 

Reels for prototyping.

Many of our Surface Mount Tabs  

/ Quick Disconnects have been  

designed for easy “gripper” pick-up  

from Tape Pockets, and can be  

placed by the customer’s existing 

placement systems.

For other requirements, please consult Zierick.

63259 Zierick Cat.indd   8

10/30/12   1:34 PM

Zierieck-connectors_smt-html.html
background image

  Catalog 43 

 

            131 Radio Circle, Mount Kisco, NY 10549

800.882.8020  

n

  914.666.2911  

n

  Fax: 914.666.0216

  Made in USA 

                               001.914.666.2911 

            www.zierick.com

  9

SMT Tabs / Quick Disconnect Terminals 0.187" (4.75mm)

Part Number 6291

Zierick recommends .006" stencil  

thickness for most applications. For 

other stencil thicknesses, call Zierick’s 

product development department.

Part Numbers 1278, 6278

Zierick recommends .006" stencil  

thickness for most applications. For 

other stencil thicknesses, call Zierick’s 

product development department.

Loose Part No.

 

1278

Strip

 

6278

Hole Dimension

 

0.055" (1.40mm)

Material

 

0.032" (0.81mm) 

Thickness / Type  

Brass

Standard Finish

 

Loose: 100% Tin over Copper

 

Reeled: 100% Tin over Copper

Current Rating

 

20 Amperes

Feeder System

 

Surf-Shooter SMT  

™ Continuous Strip Feeder

Recommended Solder Pad Geometry

Mating receptacle first withdrawal force may  
not exceed the UL310 spec. of 18 lbs. max.

A 2oz. PCB Copper trace recommended.

Loose Part No.

 

N/A

Reeled

 

6291

Hole Dimension

 

0.055" (1.408mm) hole

Material Thickness / Type

 

0.032" (0.81mm) Brass

Standard Finish

 

100% Tin over Copper

Current Rating

 

25 Amperes

Feeder System

 

Surf-Shooter SMT  

™ Continuous Strip Feeder

 

Model 9700 

 

Model 9700 XY

Recommended Solder Pad Geometry

63259 Zierick Cat.indd   9

10/30/12   1:34 PM

Zierieck-connectors_smt-html.html
background image

131 Radio Circle, Mount Kisco, NY 10549   

 

 

            Catalog 43

800.882.8020  

n

  914.666.2911  

n

  Fax: 914.666.0216

www.zierick.com   

 

001.914.666.2911 

 

        Made in USA

  10

SMT Tabs / Quick Disconnect Terminals 0.250" (6.35mm)

Part Numbers 1285, 6285, 

1285TG, 1285TG-SR

Zierick recommends .006" stencil  

thickness for most applications. For 

other stencil thicknesses, call Zierick’s 

product development department.

Loose Part No.

 

1285

Strip

 

6285

Taped

 

1285TG 

              1285TG-SR

Hole Dimension

 

0.070" (1.78mm) hole

Material Thickness / Type

 

0.032" (0.81mm) Brass

Standard Finish

 

100% Tin over Copper

Current Rating

 

25 Amperes

Feeder System

 

Surf-Shooter SMT  

™ Continuous Strip Feeder

 for PN 6285

 

Standard 24mm Tape Feeder for PN 1285TG

Part Number 6284

Zierick recommends .006" stencil  

thickness for most applications. For 

other stencil thicknesses, call Zierick’s 

product development department.

Loose Part No.

 

N/A

Reeled

 

6284

Hole Dimension

 

0.070" (1.78mm) hole

Material

 

0.032" (0.81mm) 

Thickness / Type

 

Brass

Standard Finish

 

100% Tin over Copper

Current Rating

 

25 Amperes

Feeder System

 

Surf-Shooter SMT  

™ Continuous Strip Feeder

 

Model 9700 

 

Model 9700 XY

Recommended Solder Pad Geometry

Recommended Solder Pad Geometry

Mating receptacle first withdrawal force may  
not exceed the UL310 spec. of 18 lbs. max.

A 2oz. PCB Copper trace recommended.

63259 Zierick Cat.indd   10

10/30/12   1:34 PM

Zierieck-connectors_smt-html.html
background image
Zierieck-connectors_smt-html.html
background image

131 Radio Circle, Mount Kisco, NY 10549   

 

 

            Catalog 43

800.882.8020  

n

  914.666.2911  

n

  Fax: 914.666.0216

www.zierick.com   

 

001.914.666.2911 

 

        Made in USA

  12

0.025" (.635mm) SMT Pin Headers

Recommended Solder Pad Geometry

63259 Zierick Cat.indd   12

10/30/12   1:34 PM

Zierieck-connectors_smt-html.html
background image

  Catalog 43 

 

            131 Radio Circle, Mount Kisco, NY 10549

800.882.8020  

n

  914.666.2911  

n

  Fax: 914.666.0216

  Made in USA 

                               001.914.666.2911 

            www.zierick.com

  13

SMT One Pin Headers

SMT Pin Headers

See available Part Numbers at  

www.zierick.com

Recommended Solder Pad Geometry

See available Part Numbers at www.zierick.com

63259 Zierick Cat.indd   13

10/30/12   1:34 PM

Zierieck-connectors_smt-html.html
background image

131 Radio Circle, Mount Kisco, NY 10549   

 

 

            Catalog 43

800.882.8020  

n

  914.666.2911  

n

  Fax: 914.666.0216

www.zierick.com   

 

001.914.666.2911 

 

        Made in USA

  14

SMT Matrix Pin Headers

SMT Horizontal Pin Headers

Recommended Solder Pad Geometry

See available Part Numbers at www.zierick.com

Recommended Solder Pad Geometry

See available Part Numbers at www.zierick.com

63259 Zierick Cat.indd   14

10/30/12   1:34 PM

Zierieck-connectors_smt-html.html
background image

  Catalog 43 

 

            131 Radio Circle, Mount Kisco, NY 10549

800.882.8020  

n

  914.666.2911  

n

  Fax: 914.666.0216

  Made in USA 

                               001.914.666.2911 

            www.zierick.com

  15

SMT Missing Pin Headers

SMT Variable Length Headers

Recommended Solder Pad Geometry

See available Part Numbers at www.zierick.com

Recommended Solder Pad Geometry

See available Part Numbers at www.zierick.com

63259 Zierick Cat.indd   15

10/30/12   1:34 PM

Zierieck-connectors_smt-html.html
background image

131 Radio Circle, Mount Kisco, NY 10549   

 

 

            Catalog 43

800.882.8020  

n

  914.666.2911  

n

  Fax: 914.666.0216

www.zierick.com   

 

001.914.666.2911 

 

        Made in USA

   16

SMT Board Stacking Connectors

Features and Benefits

n

 

Connectors can be made to 

different lengths and diameters. 

 

n

 

Self-centering and alignment 

problems are eliminated. 

 

n

 

Co-planarity is within .001 inch. 

 

n

 

The solder connection and joint 

strength is superior. 

 

n

 

Parts are available in bulk, pallets 

or SMT tape. 

 

n

 

The parts are designed for 

automation using the customer’s  

existing pick and place equipment 

and a special feeder – no time  

consuming hand placement  

or costly fixturing is required.

The Board Stacking Connector joins the  
mother and daughter board with surface  
mount technology on both boards.

Zierick’s Board Stacking Connector allows for more PCB design flexibility and more room for  
additional components. 

Zierick has applied the benefits 

of capillary action to our Board 

Stacking Connector. This unique 

connector surface mounts to both 

the bottom and the top of a PCB, 

allowing for the connection of  

a mother and daughter board  

without through-hole pins.  

The result is greater PCB design 

flexibility, more cost-efficiency 

and a higher quality connection.

Available in bulk or on SMT tape, 

the Board Stacking Connectors  

use minimal real estate, allowing  

additional components to be 

placed on the PCB. They are  

self-centering and offer co-planarity  

within 0.001", virtually eliminating 

any alignment problems. Plus, they 

have low contact resistance and a 

high current rating to meet today’s 

modular power requirements.

The Board Stacking Connector uses 

capillary action to provide superior 

solder joint strength for a more  

reliable connection. The connectors  

are first surface-mounted to the 

mother board.  After reflow the 

PCB with the connectors are 

surface-mounted to the daughter 

board.

63259 Zierick Cat.indd   16

10/30/12   1:34 PM

Zierieck-connectors_smt-html.html
background image

  Catalog 43 

 

            131 Radio Circle, Mount Kisco, NY 10549

800.882.8020  

n

  914.666.2911  

n

  Fax: 914.666.0216

  Made in USA 

                               001.914.666.2911 

            www.zierick.com

  17

Part Numbers  

1258-090-0, 1258-090-0-TH 

1258-090-0-TH-SR, 

1258-100-0, 1258-118-0, 

1258-118-0-T, 1258-140-0, 

1258-157-0, 1258-181-0 

1258-197-0, 1258-236-0

Zierick recommends .006" stencil  

thickness for most applications.  

For other stencil thicknesses, call 

Zierick’s product development  

department.

SMT Board Stacking Connectors

Recommended Solder Pad Geometry for  

Vertical Placement

Recommended Solder Pad Geometry for  

Horizontal Placement

SMT Application

Board Stacking Connectors in Trays

Sample Board

Loose  

Part No. 

1258-090-0 

1258-100-0  1258-118-0 

1258-140-0  1258-157-0  1258-181-0  1258-197-0 

1258-236-0

Taped

 

1258-090-0-TH 

n/a 

1258-118-0-T  n/a 

n/a 

n/a 

n/a 

n/a

Part No.

 

1258-090-0-TH-SR

Dimensions

 

.062 x .090 

.062 x .100  .062 x .118 

.062 x .140  .062 x .157  .062 x .181  .062 x .197 

.062 x .236 

 

long cylinder 

long cylinder  long cylinder 

long cylinder  long cylinder  long cylinder  long cylinder 

long cylinder

Finish  

Material

 

.000150" Min 100% Tin over .000100" Copper

Contact 

C36000 Brass Cylinder

 

Material

 

Consult factory for optional materials.

Termination  

Retention  

Force

 

3.5 lbs per terminal

Current  

Rating

 

10 Amperes

Other lengths may be available. Please consult factory.

63259 Zierick Cat.indd   17

10/30/12   1:34 PM

Zierieck-connectors_smt-html.html
background image

131 Radio Circle, Mount Kisco, NY 10549   

 

 

            Catalog 43

800.882.8020  

n

  914.666.2911  

n

  Fax: 914.666.0216

www.zierick.com   

 

001.914.666.2911 

 

        Made in USA

  18

SMT Fine Wire Connectors

Features and Benefits

n

 

This product features four wire 

housing holes and four individual 

piercing blades that can  

accommodate from 32 to 26 AWG 

solid, stranded, or tinsel wire.

 

n

 

It eliminates the need to solder 

wires to the PCB.

 

n

 

Four wires can be terminated 

simultaneously without being 

stripped first.

 

n

 

A more durable wire connection 

is assured.

 

n

 

The Fine Wire Connector uses 

minimal PCB real estate.

 

n

 

The plastic housing resists high 

reflow temperatures and provides 

excellent wire protection.

 

n

 

It can be automatically fed using 

standard tape and reel.

Another product in Zierick’s  

growing line of insulation piercing  

connectors is the Surface Mount  

Fine Wire Connector. This  

connector offers a cost-efficient, 

reliable solution for solid, stranded 

or tinsel wire terminations. By  

allowing reliable one-step multiple 

wire termination within a plastic 

housing, the connector reduces  

assembly costs and provides a  

more durable wire connection.

Design

Zierick’s Fine Wire Connector  

design builds on Insulation Piercing  

Connector (IPC) technology,  

which is the ideal method for  

wire termination. IPC technology  

allows multiple wires to be  

terminated simultaneously  

without being stripped first. This  

fine wire IPC connector features  

a unique design of four wire  

housing holes and four individual 

piercing blades that can accommo-

date solid, stranded or tinsel wire. 

The piercing blades are made to go 

in one direction only and maintain 

a continuous force on each wire.  

Its durable plastic housing provides 

excellent wire retention.

Assembly Process

First, these IPC connectors are 

surface mounted to the PCB. 

After reflow, the insulated wires 

are inserted into the holes of the 

housing. Force is then applied to 

the top of the plastic housing and 

the piercing blades cut through 

the insulation and penetrate into 

the wire core—completing the wire 

connection process.

Zierick’s Fine Wire Connectors can  
efficiently terminate a number of wires  
all at once. The reliability of the connector 
assures wire retention and eliminates the 
need to solder wires directly to the PCB.  
The piercing blades accommodate solid, 
stranded or tinsel wire, and are designed  
to maintain a continuous force on  
each wire.

63259 Zierick Cat.indd   18

10/30/12   1:34 PM

Zierieck-connectors_smt-html.html
background image

  Catalog 43 

 

            131 Radio Circle, Mount Kisco, NY 10549

800.882.8020  

n

  914.666.2911  

n

  Fax: 914.666.0216

  Made in USA 

                               001.914.666.2911 

            www.zierick.com

  19

Part Numbers  

IPC-4-35, IPC-4-35-T,  

IPC-4-35-T-SR,  

IPC-4-45, IPC-4-45-T,  

IPC-4-45-T-SR

Zierick recommends .006" stencil  

thickness for most applications.  

For other stencil thicknesses, call 

Zierick’s product development  

department.

SMT Fine Wire Connectors

Recommended Solder Pad Geometry

 

Physical

Loose Part No.

 

IPC-4-35 

IPC-4-45

Taped Part No.

 

IPC-4-35-T 

IPC-4-45-T

Small Reel Part No.

 

IPC-4-35-T-SR 

IPC-4-45-T-SR

Wire 

From 32 AWG to 28 AWG 

From 32 AWG to 26 AWG solid, stranded or

 

Accommodation

 

solid, stranded or tinsel wire;   tinsel wire; with 

 

with insulation diameter  

insulation diameter of 0.033" - 0.043"  

 

of 0.025" - 0.032" 

IPC-4-45 has an ID chamfer in the plastic housing.

Contact Plating

 

0.000150" Min 100% Tin over .000100 Min Copper

Termination Force

 

Approx. 80 lbs (for 4 wire)

Insulation Material

 

PPS GS-40 40% glass filled

Contact Material

 

CDA 260 Brass

UL Flammability Rating

  94V-0

 

Electrical

Current Rating/Wire Size

  28 AWG 2 Amp., 30-32 AWG 2 Amp.

Insulation Resistance

 

> 1 x 10

9

Q

 @ 500 VDC

Contact Resistance

 

< 20 m

Q

Withstanding Voltage

 

500 VRMS @ Sea Level

 

Environmental

Reflow Temperature

 

500°F Max, 260°C Max

Operating Temperature

  -67°F to 221°F, (-55°C to 105°C)

 

U.S. Patent No. 7,320,616

63259 Zierick Cat.indd   19

10/30/12   1:34 PM

Zierieck-connectors_smt-html.html
background image

Part Numbers 1227, 6227

Zierick recommends .006" stencil  

thickness for most applications. For 

other stencil thicknesses, call Zierick’s 

product development department.

Recommended Solder Pad Geometry

131 Radio Circle, Mount Kisco, NY 10549   

 

 

            Catalog 43

800.882.8020  

n

  914.666.2911  

n

  Fax: 914.666.0216

www.zierick.com   

 

001.914.666.2911 

 

        Made in USA

  20

SMT Insulation Displacement Connectors

Features and Benefits

n

 

IDCs are designed for demanding 

applications with shock, vibration, 

and elevated temperatures.

 

n

 

The need for hand soldering wires 

to the board is eliminated.

 

n

 

They are a surface mount version 

of a proven through-hole IDC.

 

n

 

They have a low profile.

 

n

 

They terminate a large range 

of wire gauges.

 

n

 

IDCs don’t float during reflow.

 

n

 

Zierick’s IDCs are designed for 

automation using the customer’s 

existing pick and place equipment 

and a standard tape feeder.

Zierick’s Surface Mount IDC was  

designed to be a more cost effective 

way to terminate a wire because it 

eliminates the need for hand  

soldering wires to the PCB. It was 

also designed to be automated by the 

customer’s existing pick and place 

equipment using standard taping  

methods. This is a surface mount 

version of a proven through-hole 

connector. It is re-usable, has a  

low profile, and is geographically  

stable. Our family of SMT IDCs  

can terminate a large range of 

stranded or solid wire gauges.  

It has a proven track record for 

withstanding shock and vibrations  

associated with automotive  

applications.

The Reverse Mount IDC was  

designed for through-board  

applications where the wires must  

be connected on the side opposite 

the other components on the PCB.

Loose Part No.

 

1227

Reeled Part No.

 

6227

Material Thickness /

 

0.032" (0.81mm)

Type

 

Brass

Standard

 

Finish

 

100% Tin over Copper

Current Rating 

20 Amperes

Feeder System

 

Surf-Shooter SMT  

™ Continuous Strip Feeder

Wire Gauge Range

 

#26-18 AWG Wire insertion tool required. Consult factory.

 

U.S. Patent No. 5,695,348 and other international patents

Actual Use

63259 Zierick Cat.indd   20

10/30/12   1:34 PM

Zierieck-connectors_smt-html.html
background image

  Catalog 43 

 

            131 Radio Circle, Mount Kisco, NY 10549

800.882.8020  

n

  914.666.2911  

n

  Fax: 914.666.0216

  Made in USA 

                               001.914.666.2911 

            www.zierick.com

  21

SMT Insulation Displacement Connectors

Part Numbers  

1245, 1245T, 1245T-SR, 

1296, 1296T

Zierick recommends .006" stencil  

thickness for most applications. For 

other stencil thicknesses, call Zierick’s 

product development department.

Part Numbers  

1235, 1235T, 1235T-SR

Zierick recommends .006" stencil  

thickness for most applications. For 

other stencil thicknesses, call Zierick’s 

product development department.

Recommended Solder Pad Geometry

For drawings of our taped parts,  

please search for this part number  

on our website, www.zierick.com.

Recommended Solder Pad Geometry

Loose Part No.

 

1235

Taped Part No.

 

1235T 

1235T-SR

Material Thickness / Type

  0.020" (0.51mm) Brass

Standard Finish

 

100% Tin over Copper

Current Rating

 

20 Amperes

Feeder System

 

N/A 

Standard 12mm Tape Feeder

Wire Gauge Range

 

#26-30 AWG

Wire Insertion Tool

 

WTPPS-1235-1: Pnuematic Production Tool

 

U.S. Patent No. 5,695,348 and other international patents

For drawings of our taped parts,  

please search for this part number  

on our website, www.zierick.com.

Loose Part No.

 

1245 

 

1296

Taped Part No.

 

1245T 

1245T-SR 

1296T

Gap Dimension “G”

 

0.005" (0.13mm) 

0.005 - 0.013" (0.13 - 0.33mm)

Material Thickness / Type

 

0.025" (0.64mm) Brass

Standard Finish

 

100% Tin over Copper

Feeder System

 

Standard 12mm Tape Feeder

Wire Gauge Range

 

#26-18 AWG

Current Rating

 

10 Amperes

Wire Insertion Tool

 

WTP-4ALL: Prototype Tool

 

WTPPS-1208-1: Pnuematic Production Tool

 

U.S. Patent No. 5,695,348 and other international patents

63259 Zierick Cat.indd   21

10/30/12   1:34 PM

Zierieck-connectors_smt-html.html
background image

131 Radio Circle, Mount Kisco, NY 10549   

 

 

            Catalog 43

800.882.8020  

n

  914.666.2911  

n

  Fax: 914.666.0216

www.zierick.com   

 

001.914.666.2911 

 

        Made in USA

  22

SMT Insulation Piercing Connectors

Features and Benefits

n

 

This Zierick product is the most 

economical way to terminate wire  

to a surface mount board.

 

n

 

It has a very small footprint.

 

n

 

It is capable of carrying high current.

 

n

 

No separate strain relief is required.

 

n

 

It has a high resistance to wire 

flexing and axial and radial pull 

forces.

 

n

 

It lends itself to high speed 

automated termination.

 

n

 

Designed to be bulk fed with a 

special feeder, thus eliminating  

the need for costly taping.

 

n

 

It is also available in taped format 

for low volume users.

This method of termination  

combines the advantages of  

crimping, insulation piercing, and 

surface mount technology into  

a highly reliable and economical 

way to terminate wires. The system  

consists of a surface mount terminal  

and a crimping machine which 

makes the termination.  

The terminal has a flat base and 

two side walls perpendicular to  

the base. Two insulation piercing  

contact spikes protrude from the 

flat base. Between the contact 

spikes there is a flat area to facilitate  

vacuum pick-up and terminal 

placement.  There are two deep 

score lines near the transition  

area between the side wall and  

the base of the terminal.  

Compared to conventional methods,  

this system is less expensive than a 

two piece pin/socket connection or  

an IDC (

insulation displacement 

connector

) type of connection which 

provides strain relief. It is also more 

cost effective than soldering wires 

to a board by hand. In comparison, 

it also takes up very little area on 

the pcb.  

The utilization of well proven 

crimping and insulation piercing 

technology guarantees the long 

term reliability of this connection.

63259 Zierick Cat.indd   22

10/30/12   1:34 PM

Zierieck-connectors_smt-html.html
background image

  Catalog 43 

 

            131 Radio Circle, Mount Kisco, NY 10549

800.882.8020  

n

  914.666.2911  

n

  Fax: 914.666.0216

  Made in USA 

                               001.914.666.2911 

            www.zierick.com

  23

SMT Insulation Piercing Connectors

Part Numbers  

1286, 1286T, 1286T-SR

Zierick recommends .006" stencil  

thickness for most applications. For 

other stencil thicknesses, call Zierick’s 

product development department.

Recommended Solder Pad Geometry

For drawings of our taped parts,  

please search for this part number  

on our website, www.zierick.com.

Loose Part No.

 

1286

Taped Part No.

 

1286T

Small Reel Part No.

 

1286T-SR

Wire Sizes (For Stranded Wire)

  16 AWG  18 AWG   

 

20 AWG

(Insulation Outside Diameter)

  .077 in.  .068 in. 

.078 in. 

.080 in.  .068 in.  .073 in.  .082 in.

Material Thickness / Type 

0.016" (0.41mm) CDA 260 Brass

Standard Finish

 

Pre-finished 100% Matte Tin over Copper. Edges will be bare.

Feeder System

 

Standard 12mm Tape Feeder for PN 1286T

Crimping System

 

Mini Press (for high volume applications)

 

Versa-Crimp (for low volume applications) 

 

WTC-1286-1 (for low volume and/or field terminations)

  

U.S. Patent No. 7,591,666 B2 and other U.S. and international patents

Part Numbers  

1293, 1293T, 1293T-SR

Zierick recommends .006" stencil  

thickness for most applications. For 

other stencil thicknesses, call Zierick’s 

product development department.

Recommended Solder Pad Geometry

Note: For side by side placement consult 

factory for center-to-center spacing.

Loose Part No.

 

1293

Taped Part No.

 

1293T

Small Reel Part No.

 

1293T-SR

Wire Sizes 

(For Stranded Wire)

 

12 AWG 

14 AWG 

 

16 AWG

(Insulation Outside Diameter)

  .125 in. 

.111 in. 

.130 in. 

.124 in.

Material Thickness / Type

 

0.020" (0.51mm) Pre-Plated Brass

Standard Finish

 

Pre-finished 100% Matte Tin over Copper. Edges will be bare.

Feeder System

 

Standard 16mm Tape Feeder for PN 1293T

Crimping System

 

Mini Press (for high volume applications)

 

Versa-Crimp (for low volume applications) 

 

WTC-1293-1 (for low volume and/or field terminations)

  

U.S. Patent No. 7,591,666 B2 and other U.S. and international patents

For drawings of our taped parts,  

please search for this part number  

on our website, www.zierick.com.

Note: For side by side placement consult 

factory for center-to-center spacing.

63259 Zierick Cat.indd   23

10/30/12   1:34 PM

Zierieck-connectors_smt-html.html
background image

131 Radio Circle, Mount Kisco, NY 10549   

 

 

            Catalog 43

800.882.8020  

n

  914.666.2911  

n

  Fax: 914.666.0216

www.zierick.com   

 

001.914.666.2911 

 

        Made in USA

  24

SMT Insulation Piercing Connectors

Part Numbers  

1295, 1295T, 1295T-SR

Zierick recommends .006" stencil  

thickness for most applications. For 

other stencil thicknesses, call Zierick’s 

product development department.

For drawings of our taped parts, please search for 

this part number on our website, www.zierick.com.

Recommended Solder Pad Geometry

Note: For side by side placement consult factory for 

center-to-center spacing.

Loose Part No.

 

1295

Taped Part No.

 

1295T

Small Reel Part No.

 

1295T-SR

Wire Sizes 

(For Stranded Wire)

 

20 AWG 

 

 

22 AWG

(Insulation Outside Diameter)

  .045 in. 

.050 in. 

.061 in. 

.053 in. 

.058 in.

Material Thickness / Type

 

0.012" (0.30mm) Pre-Plated Brass

Standard Finish

 

Pre-finished 100% Matte Tin over Copper. Edges will be bare.

Feeder System

 

Standard 16mm Tape Feeder

Crimping System

 

Mini Press (for high volume applications)

 

Versa-Crimp (for low volume applications) 

 

WTC-1295-1 (for low volume and/or field terminations)

  

U.S. Patent No. 7,591,666 B2 and other U.S. and international patents

63259 Zierick Cat.indd   24

10/30/12   1:34 PM

Zierieck-connectors_smt-html.html
background image

  Catalog 43 

 

            131 Radio Circle, Mount Kisco, NY 10549

800.882.8020  

n

  914.666.2911  

n

  Fax: 914.666.0216

  Made in USA 

                               001.914.666.2911 

            www.zierick.com

  25

SMT Zip Cord Connectors

Part Number  

1300-KAPTON-T

Features and Benefits

n

 

This Zierick product is one of 

the most economical ways to  

terminate wire to a surface  

mount board.

 

n

 

Part placement can be automated.

 

n

 

It has high resistance to shock 

and vibration.

 

n

 

There is no need to strip the cord.

 

n

 

The wire is terminated by using 

a Zierick crimping press.

 

n

 

The part is available in taped 

format.

This Surface Mount 

Zip Cord 

connector is comprised of two 

identical parts, turned so the  

connector spikes face each other. 

The parts are held in the correct 

configuration for the AWG of  

the Zip Cord, and placed in Tape 

Pockets for easy nozzle pick-up. 

Because of the variations of the outside 

diameter of the insulation and the 

diameter of the conductor, it is highly 

recommended that each wire be tested  

to insure a proper connection to the 

wire. Current rating is dependent on 

wire sizes. Consult factory. See the 

website for all pad layouts and new  

part numbers for different wire gauges.

Taped Part No.

 

1300-KAPTON-T

Wire Size

 

Approximately .100"x.200" 18 AWG paired conductor wire

Material Thickness / Type

 

.012 CDA-260 Brass

Standard Finish

 

Pre-finished 100% Matte Tin over Copper. Edges will be bare.

Crimping System

 

MP-1000 Crimping Machine (for high volume applications)

 

Versa-Crimp (for low volume applications)

Feeder System

 

Standard 24mm Tape Feeder

Zierick recommends .006” stencil thickness for most applications.  

For other stencil thicknesses, call Zierick’s product development department.

  Patent Pending

 

63259 Zierick Cat.indd   25

10/30/12   1:34 PM

1300-T

1300-T

Zierieck-connectors_smt-html.html
background image

Part Numbers 1302, 1302-2-HDR, 1302-2-HDR-T, 6302

131 Radio Circle, Mount Kisco, NY 10549
800.882.8020  

n

  914.666.2911  

n

  Fax: 914.666.0216 

 

            Catalog 43

www.zierick.com   

 

 

 

 

 

        Made in USA

  26

131 Radio Circle, Mount Kisco, NY 10549   

 

 

            Catalog 43

800.882.8020  

n

  914.666.2911  

n

  Fax: 914.666.0216

www.zierick.com   

 

001.914.666.2911 

 

        Made in USA

  26

SMT / THT Zip Cord Connectors

Features and Benefits

n

 

This Zierick product is one of the 

most economical ways to terminate 

wire to a printed circuit board.

 

n

 

Part placement can be automated.

 

n

 

It has high resistance to shock 

and vibration.

 

n

 

There is no need to strip the wire.

 

n

 

The wire is terminated by using 

a Zierick crimping press.

 

n

 

It is also available in taped format 

and taped header format for low 

volume users.

This Surface Mount Zip Cord  

connector is comprised of two 

identical parts, turned so the 

connector spikes face each other. 

The parts are placed into plated 

through-holes and can be used 

in either a conventional Surface 

Mount or Through-Hole  

Technology process.

In the Surface Mount process, a 

Zierick feeder can separate one part 

from a strip of parts and present 

each to a pick and place machine 

using a gripper. For Through-Hole 

applications, a Zierick THT Assem-

bly System canquickly insert these 

parts directly onto the PCB. The 

utilization of well proven crimp-

ing and insulation piercing tech-

nology guarantees the long term 

reliability of this connection.

Because of the variations of the outside 

diameter of the insulation and the 

diameter of the conductor, it is highly 

recommended that each wire be tested  

to insure a proper connection to the 

wire. Current rating is dependent on 

wire sizes. Consult factory. See the 

website for all pad layouts and new  

part numbers for different wire gauges.

Loose Part No.

 

1302 

1302-2-HDR

Reeled Part No.

 

6302

Taped Part No.

 

1302-2-HDR-T

Wire Size

 

Approximately .100" Thick x .200" Wide

Material Thickness / Type

 

.020 CDA-260 Brass

Standard Finish

 

Pre-finished 100% Matte Tin over Copper. Edges will be bare.

Feeder System

 

SMT Feeder for Loose Piece Terminals

 

Standard 16mm Tape Feeder

Crimping System

 

MP-1000 Crimping Machine (for high volume applications)

 

Versa-Crimp (for low volume applications)

Zierick recommends .006” stencil thickness for most applications.  

For other stencil thicknesses, call Zierick’s product development department.

                                     Patent Pending

 

63259 Zierick Cat.indd   26

10/30/12   1:34 PM

Zierieck-connectors_smt-html.html
background image

  Catalog 43 

 

            131 Radio Circle, Mount Kisco, NY 10549

800.882.8020  

n

  914.666.2911  

n

  Fax: 914.666.0216

  Made in USA 

                               001.914.666.2911 

            www.zierick.com

  27

Wire Grippers

Part Numbers  

1301, 1301TH, 6301

Zierick recommends .006" stencil  

thickness for most applications. For 

other stencil thicknesses, call Zierick’s 

product development department.

Part Numbers  

1262, 6262, 1262T,  

1262T-SR, 1262TH

Zierick recommends .006" stencil  

thickness for most applications. For 

other stencil thicknesses, call Zierick’s 

product development department.

Recommended Solder Pad Geometry

For drawings of our taped parts, please search for this part number on our 

website, www.zierick.com.

For drawings of our taped parts,  

please search for this part number  

on our website, www.zierick.com.

Loose Part No.

 

1262

Reeled Part No.

 

6262

Taped Part No.

 

1262T 

1262T-SR  1262TH

Mating Terminal Size

 

0.025" (0.64mm) square or0.032” (0.81mm) round pin

Material Thickness / Type

 

0.010" (0.25mm) Phosphor Bronze

Standard Finish

 

100% Tin over Copper

Current Rating

 

20 Amperes

Feeder System

 

Surf-Shooter SMT  

™ Continuous Strip Feeder

 

Standard 24mm Tape Feeder for PN 1262T and PN 1262TH

Recommended Solder Pad Geometry for Horizontal Mount

Recommended Solder Pad Geometry for Vertical Mount

Loose Part No.

 

1301

Reeled Part No.

 

6301

Taped Part No.

 

1301TH

Mating Terminal Size

 

0.025" (0.64mm) square or 0.025" (0.64mm) round pin

Material Thickness / Type

 

.008" (0.20mm) Phosphor Bronze

Standard Finish

 

100% Tin over Copper

Current Rating

 

10 Amperes

Feeder System

 

Surf-Shooter SMT  

™ Continuous Strip Feeder

 

Standard 24mm Tape Feeder for PN 1301TH

63259 Zierick Cat.indd   27

10/30/12   1:34 PM

Zierieck-connectors_smt-html.html
background image

Part Numbers 6233-001, 

6233-002, 6233-310-140, 

6233-585-200, 6233-787-140, 

6233-787-140-T

Zierick recommends .006" stencil  

thickness for most applications. For 

other stencil thicknesses, call Zierick’s 

product development department.

131 Radio Circle, Mount Kisco, NY 10549   

 

 

            Catalog 43

800.882.8020  

n

  914.666.2911  

n

  Fax: 914.666.0216

www.zierick.com   

 

001.914.666.2911 

 

        Made in USA

  28

SMT Jumpers

Part Numbers 1179, 1179T, 

1179T-SR, 6179

Zierick recommends .006" stencil  

thickness for most applications. For 

other stencil thicknesses, call Zierick’s 

product development department.

Recommended Solder Pad Geometry

For drawings of our taped parts, please search for 

this part number on our website, www.zierick.com.

Loose Part No.

 

1179 

1179T 

1179T-SR

Reeled Part No.

 

6179 

N/A

Material Thickness / Type

 

0.020" (0.51mm) CDA 11000 Copper

Standard Finish

 

100% Tin over Copper

Current Rating

 

25 Amperes

Feeder System

 

Surf-Shooter SMT  

™ Continuous

 

Standard 24mm 

 

Strip Feeder

 

Tape Feeder

Reeled Part No.

 

6233-001  6233-002  6233-310-140  6233-585-200  6233-787-140

Taped Part No.

 

 

 

 

 

6233-787-140-T

Dim ‘A’*

 

0.300" 

0.485" 

1.500" 

0.585" 

0.787"

 

(7.62mm)  (12.3mm)  (38.1mm) 

(14.9mm) 

(20.0mm)

Dim ‘B’*

 

0.075" 

0.075" 

0.075" 

0.200" 

0.140"

 

(1.91mm)  (1.91mm)  (1.91mm) 

(5.08mm) 

(3.56mm)

Material Thickness / Type

  0.020" (0.51mm) Copper

Standard Finish

 

100% Tin Over Copper

Feeder System

 

Standard 24mm Tape Feeder

 

Dim ‘A’* 

 

Dim ‘B’*

Minimum

 

0.300" (7.62mm) 

0.075" (1.91mm)

Maximum

 

1.500" (38.1mm) 

0.200" (5.08mm)

Recommended Solder Pad Geometry

For drawings of our taped parts, please search for 

this part number on our website, www.zierick.com.

*Where Dimension ‘A’ = jumper length and  

Dimension ‘B’ = jumper width. Different lengths 

and widths are available. Please consult factory.

63259 Zierick Cat.indd   28

10/30/12   1:34 PM

Zierieck-connectors_smt-html.html
background image

  Catalog 43 

 

            131 Radio Circle, Mount Kisco, NY 10549

800.882.8020  

n

  914.666.2911  

n

  Fax: 914.666.0216

  Made in USA 

                               001.914.666.2911 

            www.zierick.com

  29

SMT Receptacles

Zierick’s family of SMT receptacles  

provides a range of options designed  

to lower manufacturing costs, 

simplify assembly, and increase 

productivity. Zierick has expanded 

its Surface Mount product line to 

include Universal Tab Receptacles, 

Box Receptacles, Clips, and Bottom 

Entry Through-Board Sockets,  

increasing the options for  

flexibility and compatibility.

Universal Tab Receptacles Fuse Clips

Box Receptacles

Features and Benefits

n

 

These receptacles are forgiving for 

mating misalignment.

 

n

 

They mate with a range of tabs 

from  .025" to .032" thick and widths 

from  .110" wide and larger.

 

n

 

They have low insertion forces.

 

n

 

They have a high current rating 

of 30 Amps.

 

n

 

They can have a dozen mating cycles 

(a higher mating cycle version is 

available).

 

n

 

This product performs well in 

demanding automotive applications 

(shock, vibration, elevated  

temperature).

 

n

 

They may be used for top, bottom, 

or side entry.

 

n

 

They are designed for automation 

using the customer’s existing pick  

and place equipment and a special 

feeder for a continuous strip  

of components.

 

n

 

These parts can also be automatically 

“picked and placed” from tape and 

reel.

SMT Universal Tab Receptacles

Fuse Clips

63259 Zierick Cat.indd   29

10/30/12   1:34 PM

Zierieck-connectors_smt-html.html
background image

131 Radio Circle, Mount Kisco, NY 10549   

 

 

            Catalog 43

800.882.8020  

n

  914.666.2911  

n

  Fax: 914.666.0216

www.zierick.com   

 

001.914.666.2911 

 

        Made in USA

 30

SMT Top or Horizontal Entry Universal Tab Receptacles

SMT Bottom or Horizontal Entry Universal Tab Receptacles

Part Numbers  

1237, 1237T, 1237T-SR, 

1237-BMT, 1237-BMT-SR, 

1237T-KAPTON,  

1237T-KAPTON-SR,  

1237-BMT-KAPTON,  

1237-BMT-KAPTON-SR

Zierick recommends .006" stencil  

thickness for most applications. For 

other stencil thicknesses, call Zierick’s 

product development department.

Recommended Solder Pad Geometry

For drawings of our taped parts, please search for 

this part number on our website, www.zierick.com.

Part Numbers 1238, 1238T, 

1238T-SR, 1238-BMT, 

1238T-KAPTON, 

1238T-KAPTON-SR, 6238

Zierick recommends .006" stencil  

thickness for most applications. For 

other stencil thicknesses, call Zierick’s 

product development department.

Recommended Solder Pad Geometry

For drawings of  

our taped parts,  

please search for  

this part number  

on our website,  

www.zierick.com.

Loose Part No.

 

1238 

 

 

 

Reeled Part No.

 

6238

Taped Part No.

 

1238T 

1238-BMT 

1238T-KAPTON

 

1238T-SR 

 

1238T-KAPTON-SR

Mating Terminal Size

 

0.025" (0.64mm) to 0.032" (0.81mm) thick

Material Thickness / Type

  0.016" (0.41mm) Brass

Standard Finish

 

100% Tin over Copper

Current Rating

 

25 Amperes

Feeder System

 

Consult factory for 

Surf-Shooter SMT  

™ Continuous Strip Feeder

 P/N 6238

 

Standard 16mm Tape Feeder

Loose Part No.

 

1237

 

Reeled Part No.

 

6237

Taped Part No.

 

1237T 

1237-BMT 

1237T-KAPTON 

1237-BMT-KAPTON

 

1237T-SR

 

1237-BMT-SR 

1237T-KAPTON-SR 

1237-BMT-KAPTON-SR

Mating Terminal Size

 

0.025" (0.64mm) to 0.032" (0.81mm) thick

Material Thickness / Type

  0.016" (0.41mm) Brass

Standard Finish

 

100% Tin over Copper

Current Rating

 

25 Amperes

Feeder System

 

Consult factory for 

Surf-Shooter SMT  

™ Continuous Strip Feeder

 P/N 6237

 

Standard 16mm Tape Feeder

63259 Zierick Cat.indd   30

10/30/12   1:34 PM

KT,

KT-SR,

KT,

KT-SR,

1237T-KT 

1237T-KT-SR

1237-BMT-KT 

1237-BMT-KT-SR

1238T-KT 

1238T-KT-SR

1238T-KT 
1238T-KT-SR, 6238

Zierieck-connectors_smt-html.html
background image

  Catalog 43 

 

            131 Radio Circle, Mount Kisco, NY 10549

800.882.8020  

n

  914.666.2911  

n

  Fax: 914.666.0216

  Made in USA 

                               001.914.666.2911 

            www.zierick.com

  31

SMT Dual Entry Box Receptacle

SMT Box Receptacles

Features and Benefits

n

 

Zierick’s Box contacts offer low 

insertion forces.

 

n

 

The high pressure contact area 

assures a reliable gas tight connection.

 

n

 

They are forgiving for locational 

misalignment.

 

n

 

A dozen mating cycles can be ex-

pected (a higher mating cycle  

version is available).

 

n

 

They use a small footprint.

n

 

These parts are designed for 

automation using the customer’s 

existing pick and place equipment 

and a special feeder for a  

continuous strip of components.

 

n

 

These parts can also be automatically

“picked and placed” from tape and reel.

Part Numbers  

1266, 6266, 1266-TV, 

1266-TV-KAPTON

Zierick recommends .006" stencil  

thickness for most applications. For 

other stencil thicknesses, call Zierick’s 

product development department.

Loose Part No.

 

1266

Reeled Part No.

 

6266

Taped Part No.

 

1266-TV  1266-TV-Kapton

Mating Terminal Size

 

0.020" (0.51mm) to 0.032" (0.81mm) thick

Material Thickness / Type

 

0.008" (0.20mm) Phosphor Bronze

Standard Finish

 

100% Tin over Copper

Current Rating

 

20 Amperes

Feeder System

 

Surf-Shooter SMT  

™ Continuous Strip Feeder

 

 

Standard 16mm Tape Feeder for  

 

PNs 1266-TV and 1266-TV-Kapton

For drawings of our taped parts, please search for this 

part number on our website, www.zierick.com.

Recommended Solder Pad Geometry

Top Entry

Bottom Entry

63259 Zierick Cat.indd   31

10/30/12   1:34 PM

1266-TV-KT

1266-TV-KT

1266-TV-KT

Zierieck-connectors_smt-html.html
background image

131 Radio Circle, Mount Kisco, NY 10549   

 

 

            Catalog 43

800.882.8020  

n

  914.666.2911  

n

  Fax: 914.666.0216

www.zierick.com   

 

001.914.666.2911 

 

        Made in USA

  32

SMT Top or Bottom Entry Box Receptacles

Part Numbers  

1301, 1301TH, 6301

Zierick recommends .006" stencil  

thickness for most applications. For 

other stencil thicknesses, call Zierick’s 

product development department.

Part Numbers  

1262, 6262, 1262T, 1262T-

SR, 1262TH

Zierick recommends .006" stencil  

thickness for most applications. For 

other stencil thicknesses, call Zierick’s 

product development department.

Recommended Solder Pad Geometry 

For Horizontal Mount

For drawings of our taped parts, please 

search for this part number on our 

website, www.zierick.com.

Loose Part No.

 

1262 

Reeled Part No.

 

6262

Taped Part No.

 

1262T 

1262T-SR 

1262TH

Mating Terminal Size

 

0.025" (0.64mm) square or 0.032" (0.81mm) round pin

Material Thickness / Type

 

0.010" (0.25mm) Phosphor Bronze

Standard Finish

 

100% Tin over Copper

Current Rating

 

20 Amperes

Feeder System

 

Surf-Shooter SMT  

™ Continuous Strip Feeder

 

Standard 12mm Tape Feeder for PN 1262T and PN 1262TH

Recommended Solder Pad Geometry 

For Vertical Mount

Loose Part No.

 

1301

Reeled Part No.

 

6301

Taped Part No.

 

1301TH

Mating Terminal Size

 

0.025" (0.64mm) square or 0.025" (0.64mm) round pin

Material Thickness / Type

 

.008" (0.20mm) Phosphor Bronze

Standard Finish

 

100% Tin over Copper

Current Rating

 

10 Amperes

Feeder System

 

Surf-Shooter SMT  

™ Continuous Strip Feeder

 

Standard 24mm Tape Feeder for PN 1301TH

Recommended Solder Pad Geometry

For drawings of our taped parts, please search for this part number on 

our website, www.zierick.com.

VERTICAL POSITION  

FOR BOTTOM ENTRY

HORIZONTAL POSITION RECEPTACLE  

TO BE MOUNTED SEAM DOWN

VERTICLE POSITION  

FOR TOP ENTRY

63259 Zierick Cat.indd   32

10/30/12   1:34 PM

Zierieck-connectors_smt-html.html
background image

  Catalog 43 

 

            131 Radio Circle, Mount Kisco, NY 10549

800.882.8020  

n

  914.666.2911  

n

  Fax: 914.666.0216

  Made in USA 

                               001.914.666.2911 

            www.zierick.com

  33

SMT Vertical or Horizontal Box Receptacles

SMT Box Receptacles for High Temp Applications

Part Numbers 1277, 6277, 

1277-TH, 1277-TH-SR, 

1277-TV-G, 1277-TV-G-SR, 

1277-TV-N

Zierick recommends .006" stencil  

thickness for most applications. For 

other stencil thicknesses, call Zierick’s 

product development department.

Loose Part No.

 

1277

Reeled Part No.

 

6277

Taped Part No.

 

1277-TH 

1277-TH-SR 

1277-TV-G 

1277-TV-G-SR 

1277-TV-N

Mating Terminal Size

 

0.025" (0.64mm) square or round pin

Material Thickness / Type

  0.008" (0.20mm) Phosphor Bronze

Standard Finish

 

100% Tin over Copper

Current Rating

 

10 Amperes

Feeder System

 

Loose: Standard 16mm Tape Feeder for PN 1277-TH

 

Reeled: Consult Factory for Feeder 

 

Standard 24mm Tape Feeder for PN 1277-TV-G and PN 1277-TV-N

Recommended Solder Pad Geometry

For drawings of our taped parts, please search for this part number on 

our website, www.zierick.com.

VERTICAL POSITION  

FOR BOTTOM ENTRY

HORIZONTAL POSITION RECEPTACLE  

TO BE MOUNTED SEAM DOWN

VERTICLE POSITION  

FOR TOP ENTRY

Part Numbers 1275,  

6275, 1275T, 1275TH

Zierick recommends .006" stencil  

thickness for most applications. For 

other stencil thicknesses, call Zierick’s 

product development department.

Recommended Solder Pad Geometry

For drawings of our taped parts, please search for this part number on our 

website, www.zierick.com.

HORIZONTAL MOUNT

VERTICAL MOUNT

Loose Part No.

 

1275

Reeled Part No.

 

6275

Taped Part No.

 

1275T  1275TH

Mating Terminal Size

 

0.025" (0.64mm) and 0.032" (0.81mm) Round or Square

Mounting Type

 

Surface Mount

Material Thickness / Type

  0.010" (0.25mm) CDA 70250 High Performance Alloy

Standard Finish

 

Loose: 100% Tin over Copper

 

Reeled: 100% Tin over Copper

Mating Entry

 

Top and Bottom

Current Rating

 

20 Amperes

Resistance Rating

 

10m

Q

 Max

Temperature Rating

 

Up to 175°C

Feeder System

 

Surf-Shooter SMT  

™ Continuous Strip Feeder

 

Standard 24mm Tape Feeder

63259 Zierick Cat.indd   33

10/30/12   1:34 PM

Zierieck-connectors_smt-html.html
background image

131 Radio Circle, Mount Kisco, NY 10549   

 

 

            Catalog 43

800.882.8020  

n

  914.666.2911  

n

  Fax: 914.666.0216

www.zierick.com   

 

001.914.666.2911 

 

        Made in USA

  34

SMT Clips

Features and Benefits

n

 

Individual clips can be randomly 

placed.

 

n

 

Clips don’t float during reflow.

 

n

 

Clips are available in two gap widths  

-  0.165" gap for use with standard 

5mm fuses and 0.095" gap for use  

as a 1/8" (.125") pin receptacle.

 

n

 

The gap dimension / contact force 

can be optimized for specific  

applications depending on mating 

cycles, voltage current and  

operating environment.

 

n

 

It has a suitable force for fuse 

retention.

 

n

 

Clips are designed for automation 

using the customer’s existing pick and 

place equipment and a special feeder 

for a continuous strip of components.

 

n

 

These parts can also be automatically 

“picked and placed” from tape and 

reel.

Part Numbers 1230, 1230T, 

1230T-SR, 1184, 1184T, 

6230, 6184

Zierick recommends .006" stencil  

thickness for most applications. For 

other stencil thicknesses, call Zierick’s 

product development department.

Recommended Solder Pad Geometry

 

5mm Fuse  

 

 

Clip Connector

Loose Part No.

 

1230 

 

 

1184 

Reeled Part No.

 

6230 

 

 

6184

Taped Part No.

 

1230T 

1230T-SR 

 

1184T

Dim ‘A’

 

0.165" (4.19mm)  

 

0.090" (2.29mm)

Material Thickness / Type

  0.016" (0.41mm) Phosphor Bronze

Standard Finish

 

100% Tin over Copper

Current Rating

 

15 Amperes

Feeder System

 

Surf-Shooter SMT  ™ Continuous Strip Feeder

 

Standard 16mm Tape Feeder

 

U.S. Patent Nos. 5,695,348, 5,730,608 and other U.S. and international patents

For drawings of our taped parts, please search for 

this part number on our website, www.zierick.com.

63259 Zierick Cat.indd   34

10/30/12   1:34 PM

Zierieck-connectors_smt-html.html
background image

  Catalog 43 

 

            131 Radio Circle, Mount Kisco, NY 10549

800.882.8020  

n

  914.666.2911  

n

  Fax: 914.666.0216

  Made in USA 

                               001.914.666.2911 

            www.zierick.com

5mm Round Fuse Receptacles

 35

Part Numbers 1230,  

1230T, 1230T-SR, 6230

Zierick recommends .006" stencil  

thickness for most applications. For 

other stencil thicknesses, call Zierick’s 

product development department.

Loose Part No.

 

1230   

 

Reeled Part No.

 

6230

Taped Part No.

 

1230T   

 

1230T-SR

Dim ‘A’

 

0.165" (4.19mm)

Material Thickness / Type

 

0.016" (0.41mm) Phosphor Bronze

Standard Finish

 

100% Tin over Copper

Current Rating

 

15 Amperes

Feeder System

 

Surf-Shooter SMT  

™ Continuous Strip Feeder

 

Standard 16mm Tape Feeder

Recommended Solder Pad Geometry

For drawings of our taped parts, please search for this part number on 

our website, www.zierick.com.

Auto Fuse Receptacles

Part Numbers  

1237, 1237T, 1237T-SR, 

1237-BMT,1237-BMT-SR, 

1237T-KAPTON,  

1237T-KAPTON-SR,  

1237-BMT-KAPTON, 

1237-BMT-KAPTON-SR

Zierick recommends .006" stencil  

thickness for most applications. For 

other stencil thicknesses, call Zierick’s 

product development department.

Recommended Solder Pad Geometry

For drawings of our taped parts, please search for 

this part number on our website, www.zierick.com.

Optional use as  

Mini-Fuse Holder

Optional use as ATC 

(Auto) Fuse Holder

Loose Part No.

 

1237 

Reeled Part No.

 

6237

Taped Part No.

 

1237T 

1237-BMT 

1237T-KAPTON 

1237-BMT-KAPTON

 

1237T-SR

 

1237-BMT-SR 

1237T-KAPTON-SR 

1237-BMT-KAPTON-SR 

Mating Terminal Size

 

0.025" (0.64mm) to 0.032" (0.81mm) thick

Material Thickness / Type

  0.016" (0.41mm) Brass

Standard Finish

 

100% Tin over Copper

Current Rating

 

25 Amperes

Feeder System

 

Consult factory for 

Surf-Shooter SMT  

™ Continuous Strip Feeder

 P/N 6237

 

Standard 16mm Tape Feeder

 

U.S. Patent No. 5,730,608

63259 Zierick Cat.indd   35

10/30/12   1:34 PM

1237T-KT, 
1237T-KT-SR, 
1237-BMT-KT, 
1237-BMT-KT-SR

1237T-KT 

1237T-KT-SR

1237-BMT-KT 

1237-BMT-KT-SR

Zierieck-connectors_smt-html.html
background image

131 Radio Circle, Mount Kisco, NY 10549   

 

 

            Catalog 43

800.882.8020  

n

  914.666.2911  

n

  Fax: 914.666.0216

www.zierick.com   

 

001.914.666.2911 

 

        Made in USA

 36

SMT Bottom Entry Through-Board Sockets

Part Numbers  

1260, 1260T, 1260T-SR

Zierick recommends .006" stencil  

thickness for most applications. For 

other stencil thicknesses, call Zierick’s 

product development department.

Loose Part No.

 

1260

Taped Part Number

 

1260T

Small Reel Part No.

 

1260T-SR

Mating Pin Size

 

0.025" (0.64mm) Square or 0.025" (0.64mm) to 0.032" (0.81mm) Diameter Round Pins

Material Thickness / Type

  0.005"(0.13mm) CDA 17200 Beryllium Copper

Standard Finish

 

Bright Tin over Copper

Current Rating

 

7 Amperes

Feeder System

 

Standard 16mm Tape Feeder for Taped Parts

Recommended Solder Pad Geometry

For drawings of our taped parts, please search for this part 

number on our website, www.zierick.com.

Features and Benefits

n

 

Our Through-Board Sockets are 

designed to handle a high current,  

up to 7 Amps, depending on the  

application.

 

n

 

They have a small footprint.

 

n

 

They have a low profile.

 

n

 

Their superior capacity 

accommodates either power  

or signal connection  

(with appropriate plating).

 

n

 

The Sockets offer a high number 

of mating cycles.

 

n

 

They are available in tape or bulk.

 

n

 

They are ideal for demanding 

environments and high density  

applications.

63259 Zierick Cat.indd   36

10/30/12   1:34 PM

Zierieck-connectors_smt-html.html
background image

  Catalog 43 

 

            131 Radio Circle, Mount Kisco, NY 10549

800.882.8020  

n

  914.666.2911  

n

  Fax: 914.666.0216

  Made in USA 

                               001.914.666.2911 

            www.zierick.com

  37

SMT Bottom Entry Through-Board Sockets

Part Numbers  

1260-SQ, 1260-SQ-T

Zierick recommends .006" stencil  

thickness for most applications. For 

other stencil thicknesses, call Zierick’s 

product development department.

Loose Part No.

 

1260-SQ

Taped Part Number

 

1260-SQ-T

Mating Pin Size

 

0.025" (0.64mm) Square or 0.025" (0.64mm) to 0.032" (0.81mm) Diameter Round Pins

Material Thickness / Type

  0.005"(0.13mm) CDA 17200 Beryllium Copper

Standard Finish

 

Bright Tin over Copper

Current Rating

 

7 Amperes

Feeder System

 

Standard 16mm Tape Feeder for Taped Parts

Recommended Solder Pad Geometry

For drawings of our taped parts, please search for this 

part number on our website, www.zierick.com.

Features and Benefits

n

 

High Current Rating, up to 7 Amps. 

depending on application

 

n

 

Small footprint

 

n

 

Low profile

 

n

 

Can be either power or signal 

connection  

(with appropriate plating)

 

n

 

High number of mating cycles

 

n

 

Available in tape or bulk

 

n

 

Ideal for demanding environments

 

n

 

Square based socket for square 

mating pin applications

This square based socket is an upgraded 

version of our standard PN 1260, for 

square mating pin applications.   

PN 1260-SQ is consistently oriented  

in the tape pocket allowing the pick 

and place machine to place it in the 

same angular position each time.  

This means that a square pin will  

reliably contact with the receptacle  

the same way each time

.

63259 Zierick Cat.indd   37

10/30/12   1:34 PM

Zierieck-connectors_smt-html.html
background image

131 Radio Circle, Mount Kisco, NY 10549   

 

 

            Catalog 43

800.882.8020  

n

  914.666.2911  

n

  Fax: 914.666.0216

www.zierick.com   

 

001.914.666.2911 

 

        Made in USA

 38

SMT Bottom Entry Through-Board Sockets

Part Numbers  

1280, 1280T, 1280T-SR

Zierick recommends .006" stencil  

thickness for most applications. For 

other stencil thicknesses, call Zierick’s 

product development department.

Part Numbers  

1279, 1279T, 1279T-SR

Zierick recommends .006" stencil  

thickness for most applications. For 

other stencil thicknesses, call Zierick’s 

product development department.

Loose Part No.

 

1279

Taped Part Number

 

1279T

Small Reel Part No.

 

1279T-SR

Mating Pin Size

 

0.062–0.066" (1.57–1.68mm) Diameter Round Pins

Material Thickness / Type

 

0.005"(0.13mm) CDA 17200 Beryllium Copper

Standard Finish

 

Bright Tin over Copper

Current Rating

 

7 Amperes

Feeder System

 

Standard 16mm Tape Feeder for Taped Parts

Recommended Solder Pad Geometry

For drawings of our taped parts, please search for this part 

number on our website, www.zierick.com.

Loose Part No.

 

1280

Taped Part Number

 

1280T

Small Reel Part No.

 

1280T-SR

Mating Pin Size

 

0.038–0.044" (0.97–1.12mm) Diameter Round Pins

Material Thickness / Type

 

0.005"(0.13mm) CDA 17200 Beryllium Copper

Standard Finish

 

Bright Tin over Copper

Current Rating

 

7 Amperes

Feeder System

 

Standard 16mm Tape Feeder for Taped Parts

Recommended Solder Pad Geometry

For drawings of our taped parts, please search for  

this part number on our website, www.zierick.com.

63259 Zierick Cat.indd   38

10/30/12   1:34 PM