background image

Altera Corporation 

 

Section I–1

Preliminary

Section I. Cyclone FPGA

Family Data Sheet

This section provides designers with the data sheet specifications for 
Cyclone devices. The chapters contain feature definitions of the internal 
architecture, configuration and JTAG boundary-scan testing information, 
DC operating conditions, AC timing parameters, a reference to power 
consumption, and ordering information for Cyclone devices. 

This section contains the following chapters:

Chapter 1. Introduction

Chapter 2. Cyclone Architecture

Chapter 3. Configuration & Testing

Chapter 4. DC & Switching Characteristics

Chapter 5. Reference & Ordering Information

Revision History

The table below shows the revision history for 

Chapters 1

 through 

5

.

Chapter(s)

Date / Version

Changes Made

1

October 2003
v1.2

Added 64-bit PCI support information.

September 2003
v1.1

Updated LVDS data rates to 640 Mbps from 
311 Mbps.
Updated RSDS feature information.

May 2003
v1.0

Added document to Cyclone Device Handbook.

ac/Altera/FPGA_cyc-html.html
background image

Section I–2

 

Altera Corporation

Preliminary

Cyclone FPGA Family Data Sheet

Cyclone Device Handbook, Volume 1

2

February 2005 
v1.3

Updated JTAG chain limits. Added test vector 
information.
Corrected Figure 2-12.
Added a note to Tables 2-17 through 2-21 
regarding violating the setup or hold time.

October 2003
v1.2

Updated phase shift information.
Added 64-bit PCI support information.

September 2003
v1.1

Updated LVDS data rates to 640 Mbps from 
311 Mbps.

May 2003
v1.0

Added document to Cyclone Device Handbook.

3

February 2005 
V1.1

Updated JTAG chain limits. Added information 
concerning test vectors.

May 2003
v1.0

Added document to Cyclone Device Handbook.

4

February 2005 
v1.4

Updated information on Undershoot voltage. 
Updated Table 4-2.
Updated Table 4-3.
Updated the undershoot voltage from 0.5 V to 
2.0 V in Note 3 of Table 4-16.
Updated Table 4-17.

January 2004
v.1.3

Added extended-temperature grade device 
information. Updated Table 4-2.
Updated I

C C 0

 information in Table 4-3.

October 2003
v.1.2

Added clock tree information in Tab;e 4-19.
Finalized timing information for EP1C3 and 
EP1C12 devices. Updated timing information in 
Tables 4-25 through 4-26 and Tables 4-30 
through 4-51.
Updated PLL specifications in Table 4-52.

July 2003
v1.1

Updated timing information. Timing finalized for 
EP1C6 and EP1C20 devices. Updated 
performance information. Added PLL Timing 
section.

May 2003
v1.0

Added document to Cyclone Device Handbook.

5

February 2005 
v1.1

Updated Figure 5-1.

May 2003
v1.0

Added document to Cyclone Device Handbook.

Chapter(s)

Date / Version

Changes Made

ac/Altera/FPGA_cyc-html.html
background image

Altera Corporation 

 

1–1

October 2003

Preliminary

1. Introduction

Introduction

The Cyclone

TM

 field programmable gate array family is based on a 1.5-V, 

0.13-

µ

m, all-layer copper SRAM process, with densities up to 20,060 logic 

elements (LEs) and up to 288 Kbits of RAM. With features like phase-
locked loops (PLLs) for clocking and a dedicated double data rate (DDR) 
interface to meet DDR SDRAM and fast cycle RAM (FCRAM) memory 
requirements, Cyclone devices are a cost-effective solution for data-path 
applications. Cyclone devices support various I/O standards, including 
LVDS at data rates up to 640 megabits per second (Mbps), and 66- and 
33-MHz, 64- and 32-bit peripheral component interconnect (PCI), for 
interfacing with and supporting ASSP and ASIC devices. Altera also 
offers new low-cost serial configuration devices to configure Cyclone 
devices.

The following shows the main sections in the Cyclone FPGA Family Data 
Sheet:

Section

Page 

Features . . . . . . . . . . . . . . . . . . . . . . . . . . . . . . . . . . . . . . . . . . . . . 1–2

Functional Description . . . . . . . . . . . . . . . . . . . . . . . . . . . . . . . . 2–1
Logic Array Blocks. . . . . . . . . . . . . . . . . . . . . . . . . . . . . . . . . . . . 2–3
Logic Elements . . . . . . . . . . . . . . . . . . . . . . . . . . . . . . . . . . . . . . . 2–5
MultiTrack Interconnect . . . . . . . . . . . . . . . . . . . . . . . . . . . . . . 2–12
Embedded Memory. . . . . . . . . . . . . . . . . . . . . . . . . . . . . . . . . . 2–18
Global Clock Network & Phase-Locked Loops. . . . . . . . . . . 2–29
I/O Structure  . . . . . . . . . . . . . . . . . . . . . . . . . . . . . . . . . . . . . . . 2–39
Power Sequencing & Hot Socketing . . . . . . . . . . . . . . . . . . . . 2–55

IEEE Std. 1149.1 (JTAG) Boundary Scan Support . . . . . . . . . . 3–1
SignalTap II Embedded Logic Analyzer  . . . . . . . . . . . . . . . . . 3–5
Configuration . . . . . . . . . . . . . . . . . . . . . . . . . . . . . . . . . . . . . . . . 3–5

Operating Conditions . . . . . . . . . . . . . . . . . . . . . . . . . . . . . . . . . 4–1
Power Consumption . . . . . . . . . . . . . . . . . . . . . . . . . . . . . . . . . . 4–7
Timing Model . . . . . . . . . . . . . . . . . . . . . . . . . . . . . . . . . . . . . . . . 4–8

Software. . . . . . . . . . . . . . . . . . . . . . . . . . . . . . . . . . . . . . . . . . . . . 5–1
Device Pin-Outs . . . . . . . . . . . . . . . . . . . . . . . . . . . . . . . . . . . . . . 5–1
Ordering Information . . . . . . . . . . . . . . . . . . . . . . . . . . . . . . . . . 5–1

C51001-1.2

ac/Altera/FPGA_cyc-html.html
background image

1–2

 Altera 

Corporation

Preliminary

October 2003

Cyclone Device Handbook, Volume 1

Features

The Cyclone device family offers the following features:

2,910 to 20,060 LEs, see 

Table 1–1

Up to 294,912 RAM bits (36,864 bytes)

Supports configuration through low-cost serial configuration device

Support for LVTTL, LVCMOS, SSTL-2, and SSTL-3 I/O standards

Support for 66- and 33-MHz, 64- and 32-bit PCI standard

High-speed (640 Mbps) LVDS I/O support

Low-speed (311 Mbps) LVDS I/O support

311-Mbps RSDS I/O support

Up to two PLLs per device provide clock multiplication and phase 
shifting

Up to eight global clock lines with six clock resources available per 
logic array block (LAB) row

Support for external memory, including DDR SDRAM (133 MHz), 
FCRAM, and single data rate (SDR) SDRAM

Support for multiple intellectual property (IP) cores, including 
Altera

®

 MegaCore

®

 functions and Altera Megafunctions Partners 

Program (AMPP

SM

) megafunctions. 

Table 1–1. Cyclone Device Features

Feature

EP1C3

EP1C4

EP1C6

EP1C12

EP1C20

LEs

2,910

4,000

5,980

12,060

20,060

M4K RAM blocks (128

×

36 bits)

13

17

20

52

64

Total RAM bits

59,904

78,336

92,160

239,616

294,912

PLLs 

1

2

2

2

2

Maximum user I/O pins

(1)

104

301

185

249

301

Note to 

Table 1–1

:

(1)

This parameter includes global clock pins.

ac/Altera/FPGA_cyc-html.html
background image

Altera Corporation 

 

1–3

October 2003

Preliminary

Features

Cyclone devices are available in quad flat pack (QFP) and space-saving 
FineLine BGA

®

 packages (see 

Table 1–2

 through 

1–3

).

Table 1–2. Cyclone Package Options & I/O Pin Counts

Device

100-Pin TQFP 

(1)

144-Pin TQFP

 

(1)

(2)

240-Pin PQFP 

(1)

256-Pin 

FineLine BGA

324-Pin 

FineLine BGA

400-Pin 

FineLine BGA

EP1C3

65

104

EP1C4

249

301

EP1C6

98

185

185

EP1C12

173

185

249

EP1C20

233

301

Notes to 

Table 1–2

:

(1)

TQFP: thin quad flat pack.
PQFP: plastic quad flat pack.

(2)

Cyclone devices support vertical migration within the same package (i.e., designers can migrate between the 
EP1C3 device in the 144-pin TQFP package and the EP1C6 device in the same package)

Table 1–3. Cyclone QFP & FineLine BGA Package Sizes

Dimension

100-Pin 

TQFP

144-Pin 

TQFP

240-Pin 

PQFP

256-Pin 

FineLine 

BGA

324-Pin 

FineLine 

BGA

400-Pin 

FineLine 

BGA

Pitch (mm)

0.5

0.5

0.5

1.0

1.0

1.0

Area (mm

2

)

256

484

1,024

289

361

441

Length

×

width 

(mm

×

mm)

16

×

16

22

×

22

34.6

×

34.6

17

×

17

19

×

19

21

×

21

ac/Altera/FPGA_cyc-html.html
background image

1–4

 Altera 

Corporation

Preliminary

October 2003

Cyclone Device Handbook, Volume 1

ac/Altera/FPGA_cyc-html.html
background image

Altera Corporation 

 

2–1

February 2005

Preliminary

2. Cyclone Architecture

Functional 
Description

Cyclone devices contain a two-dimensional row- and column-based 
architecture to implement custom logic. Column and row interconnects of 
varying speeds provide signal interconnects between LABs and 
embedded memory blocks.

The logic array consists of LABs, with 10 LEs in each LAB. An LE is a 
small unit of logic providing efficient implementation of user logic 
functions. LABs are grouped into rows and columns across the device. 
Cyclone devices range between 2,910 to 20,060 LEs.

M4K RAM blocks are true dual-port memory blocks with 4K bits of 
memory plus parity (4,608 bits). These blocks provide dedicated true 
dual-port, simple dual-port, or single-port memory up to 36-bits wide at 
up to 200 MHz. These blocks are grouped into columns across the device 
in between certain LABs. Cyclone devices offer between 60 to 288 Kbits of 
embedded RAM.

Each Cyclone device I/O pin is fed by an I/O element (IOE) located at the 
ends of LAB rows and columns around the periphery of the device. I/O 
pins support various single-ended and differential I/O standards, such as 
the 66- and 33-MHz, 64- and 32-bit PCI standard and the LVDS I/O 
standard at up to 640 Mbps. Each IOE contains a bidirectional I/O buffer 
and three registers for registering input, output, and output-enable 
signals. Dual-purpose DQS, DQ, and DM pins along with delay chains 
(used to phase-align DDR signals) provide interface support with 
external memory devices such as DDR SDRAM, and FCRAM devices at 
up to 133 MHz (266 Mbps).

Cyclone devices provide a global clock network and up to two PLLs. The 
global clock network consists of eight global clock lines that drive 
throughout the entire device. The global clock network can provide 
clocks for all resources within the device, such as IOEs, LEs, and memory 
blocks. The global clock lines can also be used for control signals. Cyclone 
PLLs provide general-purpose clocking with clock multiplication and 
phase shifting as well as external outputs for high-speed differential I/O 
support.

Figure 2–1

 shows a diagram of the Cyclone EP1C12 device.

C51002-1.3

ac/Altera/FPGA_cyc-html.html
background image

2–2

 Altera 

Corporation

Preliminary

February 2005

Cyclone Device Handbook, Volume 1

Figure 2–1. Cyclone EP1C12 Device Block Diagram

The number of M4K RAM blocks, PLLs, rows, and columns vary per 
device

Table 2–1

 lists the resources available in each Cyclone device.

Logic Array

PLL

IOEs

M4K Blocks

EP1C12 Device

Table 2–1. Cyclone Device Resources

Device

M4K RAM

PLLs

LAB Columns

LAB Rows

Columns

Blocks

EP1C3

1

13

1

24

13

EP1C4

1

17

2

26

17

EP1C6

1

20

2

32

20

EP1C12

2

52

2

48

26

EP1C20

2

64

2

64

32

ac/Altera/FPGA_cyc-html.html
background image

Altera Corporation 

 

2–3

February 2005

Preliminary

Logic Array Blocks

Logic Array 
Blocks

Each LAB consists of 10 LEs, LE carry chains, LAB control signals, a local 
interconnect, look-up table (LUT) chain, and register chain connection 
lines. The local interconnect transfers signals between LEs in the same 
LAB. LUT chain connections transfer the output of one LE's LUT to the 
adjacent LE for fast sequential LUT connections within the same LAB. 
Register chain connections transfer the output of one LE's register to the 
adjacent LE's register within an LAB. The Quartus

®

II Compiler places 

associated logic within an LAB or adjacent LABs, allowing the use of 
local, LUT chain, and register chain connections for performance and area 
efficiency

Figure 2–2

 details the Cyclone LAB.

Figure 2–2. Cyclone LAB Structure

LAB Interconnects

The LAB local interconnect can drive LEs within the same LAB. The LAB 
local interconnect is driven by column and row interconnects and LE 
outputs within the same LAB. Neighboring LABs, PLLs, and M4K RAM 
blocks from the left and right can also drive an LAB's local interconnect 
through the direct link connection. The direct link connection feature 
minimizes the use of row and column interconnects, providing higher 

Direct link
interconnect from
adjacent block

Direct link
interconnect to
adjacent block

Row Interconnect

Column Interconnect

Local Interconnect

LAB

Direct link
interconnect from 
adjacent block

Direct link
interconnect to
adjacent block

ac/Altera/FPGA_cyc-html.html
background image

2–4

 Altera 

Corporation

Preliminary

February 2005

Cyclone Device Handbook, Volume 1

performance and flexibility. Each LE can drive 30 other LEs through fast 
local and direct link interconnects. 

Figure 2–3

 shows the direct link 

connection.

Figure 2–3. Direct Link Connection

LAB Control Signals

Each LAB contains dedicated logic for driving control signals to its LEs. 
The control signals include two clocks, two clock enables, two 
asynchronous clears, synchronous clear, asynchronous preset/load, 
synchronous load, and add/subtract control signals. This gives a 
maximum of 10 control signals at a time. Although synchronous load and 
clear signals are generally used when implementing counters, they can 
also be used with other functions.

Each LAB can use two clocks and two clock enable signals. Each LAB's 
clock and clock enable signals are linked. For example, any LE in a 
particular LAB using the 

labclk1

 signal will also use 

labclkena1

. If 

the LAB uses both the rising and falling edges of a clock, it also uses both 
LAB-wide clock signals. De-asserting the clock enable signal will turn off 
the LAB-wide clock.

Each LAB can use two asynchronous clear signals and an asynchronous 
load/preset signal. The asynchronous load acts as a preset when the 
asynchronous load data input is tied high.

LAB

Direct link
interconnect
to right

Direct link interconnect from
right LAB, M4K memory
block, PLL, or IOE output

Direct link interconnect from

left LAB, M4K memory

block, PLL, or IOE output

Local

Interconnect

Direct link

interconnect

to left

ac/Altera/FPGA_cyc-html.html
background image

Altera Corporation 

 

2–5

February 2005

Preliminary

Logic Elements

With the LAB-wide 

addnsub

 control signal, a single LE can implement a 

one-bit adder and subtractor. This saves LE resources and improves 
performance for logic functions such as DSP correlators and signed 
multipliers that alternate between addition and subtraction depending 
on data.

The LAB row clocks [5..0] and LAB local interconnect generate the LAB-
wide control signals. The MultiTrack

TM

 interconnect's inherent low skew 

allows clock and control signal distribution in addition to data. 

Figure 2–4

 

shows the LAB control signal generation circuit.

Figure 2–4. LAB-Wide Control Signals

Logic Elements

The smallest unit of logic in the Cyclone architecture, the LE, is compact 
and provides advanced features with efficient logic utilization. Each LE 
contains a four-input LUT, which is a function generator that can 
implement any function of four variables. In addition, each LE contains a 
programmable register and carry chain with carry select capability. A 
single LE also supports dynamic single bit addition or subtraction mode 
selectable by an LAB-wide control signal. Each LE drives all types of 
interconnects: local, row, column, LUT chain, register chain, and direct 
link interconnects. See 

Figure 2–5

.

labclkena1

labclk2

labclk1

labclkena2

asyncload

or labpre

syncload

Dedicated
LAB Row
Clocks

Local
Interconnect

Local
Interconnect

Local
Interconnect

Local
Interconnect

Local
Interconnect

Local
Interconnect

labclr1

labclr2

synclr

addnsub

6

ac/Altera/FPGA_cyc-html.html
background image

2–6

 Altera 

Corporation

Preliminary

February 2005

Cyclone Device Handbook, Volume 1

Figure 2–5. Cyclone LE 

Each LE's programmable register can be configured for D, T, JK, or SR 
operation. Each register has data, true asynchronous load data, clock, 
clock enable, clear, and asynchronous load/preset inputs. Global signals, 
general-purpose I/O pins, or any internal logic can drive the register's 
clock and clear control signals. Either general-purpose I/O pins or 
internal logic can drive the clock enable, preset, asynchronous load, and 
asynchronous data. The asynchronous load data input comes from the 

data3

 input of the LE. For combinatorial functions, the LUT output 

bypasses the register and drives directly to the LE outputs.

Each LE has three outputs that drive the local, row, and column routing 
resources. The LUT or register output can drive these three outputs 
independently. Two LE outputs drive column or row and direct link 
routing connections and one drives local interconnect resources. This 
allows the LUT to drive one output while the register drives another 
output. This feature, called register packing, improves device utilization 
because the device can use the register and the LUT for unrelated 

labclk1

labclk2

labclr2

labpre/aload

Carry-In1

Carry-In0

LAB Carry-In

Clock &

Clock Enable

Select

LAB Carry-Out

Carry-Out1

Carry-Out0

Look-Up

Table
(LUT)

Carry

Chain

Row, column,
and direct link 
routing

Row, column,
and direct link 
routing

Programmable
Register

PRN/ALD

CLRN

D

Q

ENA

Register Bypass

Packed
Register Select

Chip-Wide

Reset

labclkena1

labclkena2

Synchronous

Load and

Clear Logic

LAB-wide

Synchronous

Load

LAB-wide

Synchronous

Clear

Asynchronous

Clear/Preset/

Load Logic

data1

data2
data3

data4

LUT chain
routing to next LE

labclr1

Local Routing

Register chain
output

ADATA

addnsub

Register
Feedback

Register chain
routing from
previous LE

ac/Altera/FPGA_cyc-html.html
background image

Altera Corporation 

 

2–7

February 2005

Preliminary

Logic Elements

functions. Another special packing mode allows the register output to 
feed back into the LUT of the same LE so that the register is packed with 
its own fan-out LUT. This provides another mechanism for improved 
fitting. The LE can also drive out registered and unregistered versions of 
the LUT output.

LUT Chain & Register Chain

In addition to the three general routing outputs, the LEs within an LAB 
have LUT chain and register chain outputs. LUT chain connections allow 
LUTs within the same LAB to cascade together for wide input functions. 
Register chain outputs allow registers within the same LAB to cascade 
together. The register chain output allows an LAB to use LUTs for a single 
combinatorial function and the registers to be used for an unrelated shift 
register implementation. These resources speed up connections between 
LABs while saving local interconnect resources. 

“MultiTrack 

Interconnect” on page 2–12

 for more information on LUT chain and 

register chain connections.

addnsub Signal

The LE's dynamic adder/subtractor feature saves logic resources by 
using one set of LEs to implement both an adder and a subtractor. This 
feature is controlled by the LAB-wide control signal 

addnsub

. The 

addnsub

 signal sets the LAB to perform either A + B or A 

 B. The LUT 

computes addition; subtraction is computed by adding the two's 
complement of the intended subtractor. The LAB-wide signal converts to 
two's complement by inverting the B bits within the LAB and setting 
carry-in = 1 to add one to the least significant bit (LSB). The LSB of an 
adder/subtractor must be placed in the first LE of the LAB, where the 
LAB-wide 

addnsub

 signal automatically sets the carry-in to 1. The 

Quartus II Compiler automatically places and uses the adder/subtractor 
feature when using adder/subtractor parameterized functions.

LE Operating Modes

The Cyclone LE can operate in one of the following modes:

Normal mode

Dynamic arithmetic mode

Each mode uses LE resources differently. In each mode, eight available 
inputs to the LE

the four data inputs from the LAB local interconnect, 

carry-in0

 and 

carry-in1

 from the previous LE, the LAB carry-in 

from the previous carry-chain LAB, and the register chain 
connection

are directed to different destinations to implement the 

desired logic function. LAB-wide signals provide clock, asynchronous 

ac/Altera/FPGA_cyc-html.html
background image

2–8

 Altera 

Corporation

Preliminary

February 2005

Cyclone Device Handbook, Volume 1

clear, asynchronous preset/load, synchronous clear, synchronous load, 
and clock enable control for the register. These LAB-wide signals are 
available in all LE modes. The 

addnsub

 control signal is allowed in 

arithmetic mode. 

The Quartus II software, in conjunction with parameterized functions 
such as library of parameterized modules (LPM) functions, automatically 
chooses the appropriate mode for common functions such as counters, 
adders, subtractors, and arithmetic functions. If required, you can also 
create special-purpose functions that specify which LE operating mode to 
use for optimal performance.

Normal Mode

The normal mode is suitable for general logic applications and 
combinatorial functions. In normal mode, four data inputs from the LAB 
local interconnect are inputs to a four-input LUT (see 

Figure 2–6

). The 

Quartus II Compiler automatically selects the carry-in or the 

data3

 

signal as one of the inputs to the LUT. Each LE can use LUT chain 
connections to drive its combinatorial output directly to the next LE in the 
LAB. Asynchronous load data for the register comes from the 

data3

 

input of the LE. LEs in normal mode support packed registers.

Figure 2–6. LE in Normal Mode

Note to 

Figure 2–6

:

(1)

This signal is only allowed in normal mode if the LE is at the end of an adder/subtractor chain.

data1

4-Input

LUT

data2

data3
cin (from cout
of previous LE)

data4

addnsub (LAB Wide)

clock (LAB Wide)

ena (LAB Wide)

aclr (LAB Wide)

aload

(LAB Wide)

ALD/PRE

CLRN

D

Q

ENA

ADATA

sclear

(LAB Wide)

sload

(LAB Wide)

Register chain

connection

LUT chain
connection

Register
chain output

Row, column, and
direct link routing

Row, column, and
direct link routing

Local routing

Register Feedback

(1)

ac/Altera/FPGA_cyc-html.html
background image

Altera Corporation 

 

2–9

February 2005

Preliminary

Logic Elements

Dynamic Arithmetic Mode

The dynamic arithmetic mode is ideal for implementing adders, counters, 
accumulators, wide parity functions, and comparators. An LE in dynamic 
arithmetic mode uses four 2-input LUTs configurable as a dynamic 
adder/subtractor. The first two 2-input LUTs compute two summations 
based on a possible carry-in of 1 or 0; the other two LUTs generate carry 
outputs for the two chains of the carry select circuitry. As shown in 

Figure 2–7

, the LAB carry-in signal selects either the 

carry-in0

 or 

carry-in1

 chain. The selected chain's logic level in turn determines 

which parallel sum is generated as a combinatorial or registered output. 
For example, when implementing an adder, the sum output is the 
selection of two possible calculated sums:

data1 + data2 + carry-in0

or

data1 + data2 + carry-in1

The other two LUTs use the 

data1

 and 

data2

 signals to generate two 

possible carry-out signals

one for a carry of 1 and the other for a carry 

of 0. The 

carry-in0

 signal acts as the carry select for the 

carry-out0

 

output and 

carry-in1

 acts as the carry select for the 

carry-out1

 

output. LEs in arithmetic mode can drive out registered and unregistered 
versions of the LUT output.

The dynamic arithmetic mode also offers clock enable, counter enable, 
synchronous up/down control, synchronous clear, synchronous load, 
and dynamic adder/subtractor options. The LAB local interconnect data 
inputs generate the counter enable and synchronous up/down control 
signals. The synchronous clear and synchronous load options are LAB-
wide signals that affect all registers in the LAB. The Quartus II software 
automatically places any registers that are not used by the counter into 
other LABs. The 

addnsub

 LAB-wide signal controls whether the LE acts 

as an adder or subtractor.

ac/Altera/FPGA_cyc-html.html
background image

2–10

 Altera 

Corporation

Preliminary

February 2005

Cyclone Device Handbook, Volume 1

Figure 2–7. LE in Dynamic Arithmetic Mode

Note to 

Figure 2–7

:

(1)

The 

addnsub

 signal is tied to the carry input for the first LE of a carry chain only.

Carry-Select Chain

The carry-select chain provides a very fast carry-select function between 
LEs in dynamic arithmetic mode. The carry-select chain uses the 
redundant carry calculation to increase the speed of carry functions. The 
LE is configured to calculate outputs for a possible carry-in of 0 and carry-
in of 1 in parallel. The 

carry-in0

 and 

carry-in1

 signals from a lower-

order bit feed forward into the higher-order bit via the parallel carry chain 
and feed into both the LUT and the next portion of the carry chain. Carry-
select chains can begin in any LE within an LAB. 

The speed advantage of the carry-select chain is in the parallel pre-
computation of carry chains. Since the LAB carry-in selects the 
precomputed carry chain, not every LE is in the critical path. Only the 
propagation delays between LAB carry-in generation (LE 5 and LE 10) are 
now part of the critical path. This feature allows the Cyclone architecture 
to implement high-speed counters, adders, multipliers, parity functions, 
and comparators of arbitrary width. 

data1

LUT

data2
data3

addnsub

(LAB Wide)

clock (LAB Wide)

ena (LAB Wide)

aclr (LAB Wide)

ALD/PRE

CLRN

D

Q

ENA

ADATA

Register chain

connection

LUT

LUT

LUT

Carry-Out1

Carry-Out0

LAB Carry-In

Carry-In0

Carry-In1

(1)

sclear

(LAB Wide)

sload

(LAB Wide)

LUT chain
connection

Register
chain output

Row, column, and
direct link routing

Row, column, and
direct link routing

Local routing

aload

(LAB Wide)

Register Feedback

ac/Altera/FPGA_cyc-html.html
background image

Altera Corporation 

 

2–11

February 2005

Preliminary

Logic Elements

Figure 2–8

 shows the carry-select circuitry in an LAB for a 10-bit full 

adder. One portion of the LUT generates the sum of two bits using the 
input signals and the appropriate carry-in bit; the sum is routed to the 
output of the LE. The register can be bypassed for simple adders or used 
for accumulator functions. Another portion of the LUT generates carry-
out bits. An LAB-wide carry-in bit selects which chain is used for the 
addition of given inputs. The carry-in signal for each chain, 

carry-in0

 

or 

carry-in1

, selects the carry-out to carry forward to the carry-in 

signal of the next-higher-order bit. The final carry-out signal is routed to 
an LE, where it is fed to local, row, or column interconnects. 

Figure 2–8. Carry Select Chain

LE4

LE3

LE2

LE1

A1
B1

A2
B2

A3
B3

A4
B4

Sum1

Sum2

Sum3

Sum4

LE10

LE9

LE8

LE7

A7
B7

A8
B8

A9
B9

A10
B10

Sum7

LE6

A6
B6

Sum6

LE5

A5
B5

Sum5

Sum8

Sum9

Sum10

0

1

0

1

LAB Carry-In

LAB Carry-Out

LUT

LUT

LUT

LUT

data1

LAB Carry-In

data2

Carry-In0

Carry-In1

Carry-Out0

Carry-Out1

Sum

ac/Altera/FPGA_cyc-html.html
background image

2–12

 Altera 

Corporation

Preliminary

February 2005

Cyclone Device Handbook, Volume 1

The Quartus II Compiler automatically creates carry chain logic during 
design processing, or you can create it manually during design entry. 
Parameterized functions such as LPM functions automatically take 
advantage of carry chains for the appropriate functions.

The Quartus II Compiler creates carry chains longer than 10 LEs by 
linking LABs together automatically. For enhanced fitting, a long carry 
chain runs vertically allowing fast horizontal connections to M4K 
memory blocks. A carry chain can continue as far as a full column.

Clear & Preset Logic Control

LAB-wide signals control the logic for the register's clear and preset 
signals. The LE directly supports an asynchronous clear and preset 
function. The register preset is achieved through the asynchronous load 
of a logic high. The direct asynchronous preset does not require a NOT-
gate push-back technique. Cyclone devices support simultaneous preset/ 
asynchronous load and clear signals. An asynchronous clear signal takes 
precedence if both signals are asserted simultaneously. Each LAB 
supports up to two clears and one preset signal.

In addition to the clear and preset ports, Cyclone devices provide a chip-
wide reset pin (

DEV_CLRn

) that resets all registers in the device. An 

option set before compilation in the Quartus II software controls this pin. 
This chip-wide reset overrides all other control signals.

MultiTrack 
Interconnect

In the Cyclone architecture, connections between LEs, M4K memory 
blocks, and device I/O pins are provided by the MultiTrack interconnect 
structure with DirectDrive

TM

 technology. The MultiTrack interconnect 

consists of continuous, performance-optimized routing lines of different 
speeds used for inter- and intra-design block connectivity. The Quartus II 
Compiler automatically places critical design paths on faster 
interconnects to improve design performance.

DirectDrive technology is a deterministic routing technology that ensures 
identical routing resource usage for any function regardless of placement 
within the device. The MultiTrack interconnect and DirectDrive 
technology simplify the integration stage of block-based designing by 
eliminating the re-optimization cycles that typically follow design 
changes and additions.

The MultiTrack interconnect consists of row and column interconnects 
that span fixed distances. A routing structure with fixed length resources 
for all devices allows predictable and repeatable performance when 

ac/Altera/FPGA_cyc-html.html
background image

Altera Corporation 

 

2–13

February 2005

Preliminary

MultiTrack Interconnect

migrating through different device densities. Dedicated row 
interconnects route signals to and from LABs, PLLs, and M4K memory 
blocks within the same row. These row resources include:

Direct link interconnects between LABs and adjacent blocks

R4 interconnects traversing four blocks to the right or left

The direct link interconnect allows an LAB or M4K memory block to 
drive into the local interconnect of its left and right neighbors. Only one 
side of a PLL block interfaces with direct link and row interconnects. The 
direct link interconnect provides fast communication between adjacent 
LABs and/or blocks without using row interconnect resources.

The R4 interconnects span four LABs, or two LABs and one M4K RAM 
block. These resources are used for fast row connections in a four-LAB 
region. Every LAB has its own set of R4 interconnects to drive either left 
or right. 

Figure 2–9

 shows R4 interconnect connections from an LAB. R4 

interconnects can drive and be driven by M4K memory blocks, PLLs, and 
row IOEs. For LAB interfacing, a primary LAB or LAB neighbor can drive 
a given R4 interconnect. For R4 interconnects that drive to the right, the 
primary LAB and right neighbor can drive on to the interconnect. For R4 
interconnects that drive to the left, the primary LAB and its left neighbor 
can drive on to the interconnect. R4 interconnects can drive other R4 
interconnects to extend the range of LABs they can drive. R4 
interconnects can also drive C4 interconnects for connections from one 
row to another. 

ac/Altera/FPGA_cyc-html.html
background image

2–14

 Altera 

Corporation

Preliminary

February 2005

Cyclone Device Handbook, Volume 1

Figure 2–9. R4 Interconnect Connections

Notes to 

Figure 2–9

:

(1)

C4 interconnects can drive R4 interconnects.

(2)

This pattern is repeated for every LAB in the LAB row.

The column interconnect operates similarly to the row interconnect. Each 
column of LABs is served by a dedicated column interconnect, which 
vertically routes signals to and from LABs, M4K memory blocks, and row 
and column IOEs. These column resources include:

LUT chain interconnects within an LAB

Register chain interconnects within an LAB

C4 interconnects traversing a distance of four blocks in an up and 
down direction

Cyclone devices include an enhanced interconnect structure within LABs 
for routing LE output to LE input connections faster using LUT chain 
connections and register chain connections. The LUT chain connection 
allows the combinatorial output of an LE to directly drive the fast input 
of the LE right below it, bypassing the local interconnect. These resources 
can be used as a high-speed connection for wide fan-in functions from LE 
1 to LE 10 in the same LAB. The register chain connection allows the 
register output of one LE to connect directly to the register input of the 
next LE in the LAB for fast shift registers. The Quartus II Compiler 
automatically takes advantage of these resources to improve utilization 
and performance. 

Figure 2–10

 shows the LUT chain and register chain 

interconnects.

Primary
LAB (2)

R4 Interconnect

Driving Left

Adjacent LAB can
Drive onto Another
LAB's R4 Interconnect

C4 Column Interconnects (1)

R4 Interconnect
Driving Right

LAB

Neighbor

LAB

Neighbor

ac/Altera/FPGA_cyc-html.html
background image

Altera Corporation 

 

2–15

February 2005

Preliminary

MultiTrack Interconnect

Figure 2–10. LUT Chain & Register Chain Interconnects

The C4 interconnects span four LABs or M4K blocks up or down from a 
source LAB. Every LAB has its own set of C4 interconnects to drive either 
up or down. 

Figure 2–11

 shows the C4 interconnect connections from an 

LAB in a column. The C4 interconnects can drive and be driven by all 
types of architecture blocks, including PLLs, M4K memory blocks, and 
column and row IOEs. For LAB interconnection, a primary LAB or its 
LAB neighbor can drive a given C4 interconnect. C4 interconnects can 
drive each other to extend their range as well as drive row interconnects 
for column-to-column connections. 

LE 1

LE 2

LE 3

LE 4

LE 5

LE 6

LE 7

LE 8

LE 9

LE 10

LUT Chain

Routing to

Adjacent LE

Local

Interconnect

Register Chain
Routing to Adjacent
LE's Register Input

Local Interconnect
Routing Among LEs
in the LAB

ac/Altera/FPGA_cyc-html.html
background image

2–16

 Altera 

Corporation

Preliminary

February 2005

Cyclone Device Handbook, Volume 1

Figure 2–11. C4 Interconnect Connections

Note (1)

Note to 

Figure 2–11

:

(1)

Each C4 interconnect can drive either up or down four rows.

C4 Interconnect
Drives Local and R4
Interconnects
Up to Four Rows

Adjacent LAB can

drive onto neighboring
LAB's C4 interconnect

C4 Interconnect
Driving Up

C4 Interconnect
Driving Down

LAB

Row
Interconnect

Local

Interconnect

ac/Altera/FPGA_cyc-html.html
background image

Altera Corporation 

 

2–17

February 2005

Preliminary

MultiTrack Interconnect

All embedded blocks communicate with the logic array similar to LAB-
to-LAB interfaces. Each block (i.e., M4K memory or PLL) connects to row 
and column interconnects and has local interconnect regions driven by 
row and column interconnects. These blocks also have direct link 
interconnects for fast connections to and from a neighboring LAB.

Table 2–2

 shows the Cyclone device's routing scheme.

Table 2–2. Cyclone Device Routing Scheme

Source

Destination

LUT Chain

Re

gister Cha

in

Local Inte

rconn

ect

Direct L

ink 

Interconnect

R4

 In

terconnect

C4 Interconnect

LE

M4

K RAM Bloc

k

PLL

Col

u

mn IO

E

Ro

w I

O

E

LUT Chain

v

Register Chain

v

Local Interconnect

v

v

v

v

v

Direct Link 
Interconnect

v

R4 Interconnect

v

v

v

C4 Interconnect

v

v

v

LE

v

v

v

v

v

v

M4K RAM Block

v

v

v

v

PLL

v

v

v

Column IOE

v

Row IOE

v

v

v

ac/Altera/FPGA_cyc-html.html
background image

2–18

 Altera 

Corporation

Preliminary

February 2005

Cyclone Device Handbook, Volume 1

Embedded 
Memory

The Cyclone embedded memory consists of columns of M4K memory 
blocks. EP1C3 and EP1C6 devices have one column of M4K blocks, while 
EP1C12 and EP1C20 devices have two columns (see 

Table 1–1 on 

page 1–2

 for total RAM bits per density). Each M4K block can implement 

various types of memory with or without parity, including true dual-port, 
simple dual-port, and single-port RAM, ROM, and FIFO buffers. The 
M4K blocks support the following features:

4,608 RAM bits

200 MHz performance

True dual-port memory

Simple dual-port memory

Single-port memory

Byte enable

Parity bits

Shift register

FIFO buffer

ROM

Mixed clock mode

1

Violating the setup or hold time on the address registers could corrupt the 
memory contents. This applies to both read and write operations.

Memory Modes

The M4K memory blocks include input registers that synchronize writes 
and output registers to pipeline designs and improve system 
performance. M4K blocks offer a true dual-port mode to support any 
combination of two-port operations: two reads, two writes, or one read 
and one write at two different clock frequencies. 

Figure 2–12

 shows true 

dual-port memory.

Figure 2–12. True Dual-Port Memory Configuration

data

A

[ ]

address

A

[ ]

wren

A

   clock

A

clocken

A

q

A

[ ]

aclr

A

data

B

[ ]

address

B

[ ]

wren

B

clock

B

   

clocken

B

q

B

[ ]

aclr

B

A

B

ac/Altera/FPGA_cyc-html.html
background image

Altera Corporation 

 

2–19

February 2005

Preliminary

Embedded Memory

In addition to true dual-port memory, the M4K memory blocks support 
simple dual-port and single-port RAM. Simple dual-port memory 
supports a simultaneous read and write. Single-port memory supports 
non-simultaneous reads and writes. 

Figure 2–13

 shows these different 

M4K RAM memory port configurations.

Figure 2–13. Simple Dual-Port & Single-Port Memory Configurations

Note to 

Figure 2–13

:

(1)

Two single-port memory blocks can be implemented in a single M4K block as long 
as each of the two independent block sizes is equal to or less than half of the M4K 
block size.

The memory blocks also enable mixed-width data ports for reading and 
writing to the RAM ports in dual-port RAM configuration. For example, 
the memory block can be written in 

×

1 mode at port A and read out in 

×

16 

mode from port B.

The Cyclone memory architecture can implement fully synchronous 
RAM by registering both the input and output signals to the M4K RAM 
block. All M4K memory block inputs are registered, providing 
synchronous write cycles. In synchronous operation, the memory block 
generates its own self-timed strobe write enable (

wren

) signal derived 

from a global clock. In contrast, a circuit using asynchronous RAM must 
generate the RAM 

wren

 signal while ensuring its data and address 

signals meet setup and hold time specifications relative to the 

wren

 

data[ ]

wraddress[ ]

wren

   inclock

inclocken

inaclr

rdaddress[ ]

rden

q[ ]

outclock   

outclocken

outaclr

data[ ]

address[ ]

wren

   inclock

inclocken

inaclr

q[ ]

outclock   

outclocken

outaclr

Single-Port Memory 

(1)

Simple Dual-Port Memory

ac/Altera/FPGA_cyc-html.html
background image

2–20

 Altera 

Corporation

Preliminary

February 2005

Cyclone Device Handbook, Volume 1

signal. The output registers can be bypassed. Pseudo-asynchronous 
reading is possible in the simple dual-port mode of M4K blocks by 
clocking the read enable and read address registers on the negative clock 
edge and bypassing the output registers.

When configured as RAM or ROM, you can use an initialization file to 
pre-load the memory contents.

Two single-port memory blocks can be implemented in a single M4K 
block as long as each of the two independent block sizes is equal to or less 
than half of the M4K block size.

The Quartus II software automatically implements larger memory by 
combining multiple M4K memory blocks. For example, two 256

×

16-bit 

RAM blocks can be combined to form a 256

×

32-bit RAM block. Memory 

performance does not degrade for memory blocks using the maximum 
number of words allowed. Logical memory blocks using less than the 
maximum number of words use physical blocks in parallel, eliminating 
any external control logic that would increase delays. To create a larger 
high-speed memory block, the Quartus II software automatically 
combines memory blocks with LE control logic.

Parity Bit Support

The M4K blocks support a parity bit for each byte. The parity bit, along 
with internal LE logic, can implement parity checking for error detection 
to ensure data integrity. You can also use parity-size data words to store 
user-specified control bits. Byte enables are also available for data input 
masking during write operations.

Shift Register Support

You can configure M4K memory blocks to implement shift registers for 
DSP applications such as pseudo-random number generators, multi-
channel filtering, auto-correlation, and cross-correlation functions. These 
and other DSP applications require local data storage, traditionally 
implemented with standard flip-flops, which can quickly consume many 
logic cells and routing resources for large shift registers. A more efficient 
alternative is to use embedded memory as a shift register block, which 
saves logic cell and routing resources and provides a more efficient 
implementation with the dedicated circuitry.

The size of a 

w

 

×

 

m

 

×

 

n

 shift register is determined by the input data width 

(

w

), the length of the taps (

m

), and the number of taps (

n

). The size of a 

w

×

m

 

×

 

n

 shift register must be less than or equal to the maximum number 

of memory bits in the M4K block (4,608 bits). The total number of shift 

ac/Altera/FPGA_cyc-html.html
background image

Altera Corporation 

 

2–21

February 2005

Preliminary

Embedded Memory

register outputs (number of taps 

n

 

×

 width 

w

) must be less than the 

maximum data width of the M4K RAM block (

×

36). To create larger shift 

registers, multiple memory blocks are cascaded together.

Data is written into each address location at the falling edge of the clock 
and read from the address at the rising edge of the clock. The shift register 
mode logic automatically controls the positive and negative edge 
clocking to shift the data in one clock cycle. 

Figure 2–14

 shows the M4K 

memory block in the shift register mode.

Figure 2–14. Shift Register Memory Configuration

Memory Configuration Sizes

The memory address depths and output widths can be configured as 
4,096

×

 1, 2,048 

×

 2, 1,024 

×

 4, 512 

×

 8 (or 512 

×

 9 bits), 256 

×

 16 (or 256

×

18 

bits), and 128

×

32 (or 128

×

36 bits). The 128

×

32- or 36-bit configuration 

m

-Bit Shift Register

w

w

m

-Bit Shift Register

m

-Bit Shift Register

m

-Bit Shift Register

w

w

w

w

w

w

w

 

×

 

m

 

×

 

n

 Shift Register

n Number
of Taps

ac/Altera/FPGA_cyc-html.html
background image

2–22

 Altera 

Corporation

Preliminary

February 2005

Cyclone Device Handbook, Volume 1

is not available in the true dual-port mode. Mixed-width configurations 
are also possible, allowing different read and write widths. 

Tables 2–3

 

and 

2–4

 summarize the possible M4K RAM block configurations.

When the M4K RAM block is configured as a shift register block, you can 
create a shift register up to 4,608 bits (

w

 

×

 

m

 

×

 

n

).

Table 2–3. M4K RAM Block Configurations (Simple Dual-Port)

Read Port

Write Port

4K 

×

 

1

2K 

×

 

2

1K 

×

 4

512 

×

 8

256 

×

 16

128 

×

 32

512 

×

 9 256 

×

 18 128 

×

 36

4K

 

×

 1

v

v

v

v

v

v

2K

 

×

 2

v

v

v

v

v

v

1K

 

×

 4

v

v

v

v

v

v

512

 

×

 8

v

v

v

v

v

v

256

 

×

 16

v

v

v

v

v

v

128

 

×

 32

v

v

v

v

v

v

512

 

×

 9

v

v

v

256

 

×

 18

v

v

v

128

 

×

 36

v

v

v

Table 2–4. M4K RAM Block Configurations (True Dual-Port)

Port A

Port B

4K 

×

 

1

2K 

×

 

2

1K 

×

 

4

512 

×

 

8

256 

×

 

16

512 

×

 

9

256 

×

 

18

4K

 

×

 1

v

v

v

v

v

2K

 

×

 2

v

v

v

v

v

1K

 

×

 4

v

v

v

v

v

512

 

×

 8

v

v

v

v

v

256

 

×

 16

v

v

v

v

v

512

 

×

 9

v

v

256

 

×

 18

v

v

ac/Altera/FPGA_cyc-html.html
background image

Altera Corporation 

 

2–23

February 2005

Preliminary

Embedded Memory

Byte Enables

M4K blocks support byte writes when the write port has a data width of 
16, 18, 32, or 36 bits. The byte enables allow the input data to be masked 
so the device can write to specific bytes. The unwritten bytes retain the 
previous written value. 

Table 2–5

 summarizes the byte selection. 

Control Signals & M4K Interface

The M4K blocks allow for different clocks on their inputs and outputs. 
Either of the two clocks feeding the block can clock M4K block registers 
(

renwe

, address, byte enable, 

datain

, and output registers). Only the 

output register can be bypassed. The six 

labclk

 signals or local 

interconnects can drive the control signals for the A and B ports of the 
M4K block. LEs can also control the 

clock_a

clock_b

renwe_a

renwe_b

clr_a

clr_b

clocken_a

, and 

clocken_b

 signals, as 

shown in 

Figure 2–15

.

The R4, C4, and direct link interconnects from adjacent LABs drive the 
M4K block local interconnect. The M4K blocks can communicate with 
LABs on either the left or right side through these row resources or with 
LAB columns on either the right or left with the column resources. Up to 
10 direct link input connections to the M4K block are possible from the 
left adjacent LABs and another 10 possible from the right adjacent LAB. 
M4K block outputs can also connect to left and right LABs through 10 
direct link interconnects each. 

Figure 2–16

 shows the M4K block to logic 

array interface.

Table 2–5. Byte Enable for M4K Blocks

Notes (1)

(2)

byteena[3..0]

datain

 

 

×

 18

datain  

×

 36

[0] = 1

[8..0]

[8..0]

[1] = 1

[17..9]

[17..9]

[2] = 1

[26..18]

[3] = 1

[35..27]

Notes to 

Table 2–5

:

(1)

Any combination of byte enables is possible.

(2)

Byte enables can be used in the same manner with 8-bit words, i.e., in 

×

16 and 

×

32 

modes.

ac/Altera/FPGA_cyc-html.html
background image

2–24

 Altera 

Corporation

Preliminary

February 2005

Cyclone Device Handbook, Volume 1

Figure 2–15. M4K RAM Block Control Signals

Figure 2–16. M4K RAM Block LAB Row Interface

clocken_a

renwe_a

clock_a

alcr_a

alcr_b

renwe_b

Dedicated
LAB Row
Clocks

Local
Interconnect

Local
Interconnect

Local
Interconnect

Local
Interconnect

Local
Interconnect

clocken_b

clock_b

6

Local
Interconnect

Local
Interconnect

Local
Interconnect

Local
Interconnect

Local
Interconnect

dataout

M4K RAM

Block

datain

address

10

Direct link 
interconnect
from adjacent LAB

Direct link 
interconnect
to adjacent LAB

Direct link 
interconnect
from adjacent LAB

Direct link 
interconnect
to adjacent LAB

M4K RAM Block Local
Interconnect Region

C4 Interconnects

R4 Interconnects

LAB Row Clocks

Clocks

Byte enable

Control

Signals

6

ac/Altera/FPGA_cyc-html.html
background image

Altera Corporation 

 

2–25

February 2005

Preliminary

Embedded Memory

Independent Clock Mode

The M4K memory blocks implement independent clock mode for true 
dual-port memory. In this mode, a separate clock is available for each port 
(ports A and B). Clock A controls all registers on the port A side, while 
clock B controls all registers on the port B side. Each port, A and B, also 
supports independent clock enables and asynchronous clear signals for 
port A and B registers. 

Figure 2–17

 shows an M4K memory block in 

independent clock mode.

Figure 2–17. Independent Clock Mode

Notes (1)

(2)

Notes to 

Figure 2–17

:

(1)

All registers shown have asynchronous clear ports.

(2)

Violating the setup or hold time on the address registers could corrupt the memory contents. This applies to both 
read and write operations.

Input/Output Clock Mode

Input/output clock mode can be implemented for both the true and 
simple dual-port memory modes. On each of the two ports, A or B, one 
clock controls all registers for inputs into the memory block: data input, 

wren

, and address. The other clock controls the block's data output 

registers. Each memory block port, A or B, also supports independent 
clock enables and asynchronous clear signals for input and output 
registers. 

Figures 2–18

 and 

2–19

 show the memory block in input/output 

clock mode.

6

D

ENA

Q

D

ENA

Q

D

ENA

Q

data

A

[ ]

 address

A

[ ]

 Memory Block

256 ´ 16 (2)

512 ´ 8

1,024 ´ 4
2,048 ´ 2
4,096 ´ 1

Data In

Address A

Write/Read
Enable

Data Out

Data In

Address B

Write/Read

Enable

Data Out

clken

A

clock

A

D

ENA

Q

wren

A

6 LAB Row Clocks

q

A

[ ]

6

data

B

[ ]

address

B

[ ]

clken

B

clock

B

wren

B

q

B

[ ]

ENA

A

B

ENA

D

Q

D

ENA

Q

byteena

A

[ ]

Byte Enable A

Byte Enable B

byteena

B

[ ]

ENA

D

Q

ENA

D

Q

ENA

D

Q

D

Q

Write

Pulse

Generator

Write

Pulse

Generator

ac/Altera/FPGA_cyc-html.html
background image

2–26

 Altera 

Corporation

Preliminary

February 2005

Cyclone Device Handbook, Volume 1

Figure 2–18. Input/Output Clock Mode in True Dual-Port Mode

Note (1)

(2)

Notes to 

Figure 2–18

:

(1)

All registers shown have asynchronous clear ports.

(2)

Violating the setup or hold time on the address registers could corrupt the memory contents. This applies to both 
read and write operations.

6

D

ENA

Q

D

ENA

Q

D

ENA

Q

data

A

[ ]

 address

A

[ ]

 Memory Block

256 

×

 16 

(2)

512 

×

 8

1,024 

×

 4

2,048 

×

 2

4,096 

×

 1

Data In

Address A

Write/Read
Enable

Data Out

Data In

Address B

Write/Read

Enable

Data Out

clken

A

clock

A

D

ENA

Q

wren

A

6 LAB Row Clocks

q

A

[ ]

6

data

B

[ ]

address

B

[ ]

clken

B

clock

B

wren

B

q

B

[ ]

ENA

A

B

ENA

D

Q

ENA

D

Q

ENA

D

Q

D

Q

D

ENA

Q

byteena

A

[ ]

Byte Enable A

Byte Enable B

byteena

B

[ ]

ENA

D

Q

Write

Pulse

Generator

Write

Pulse

Generator

ac/Altera/FPGA_cyc-html.html
background image

Altera Corporation 

 

2–27

February 2005

Preliminary

Embedded Memory

Figure 2–19. Input/Output Clock Mode in Simple Dual-Port Mode

Notes (1)

(2)

Notes to 

Figure 2–19

:

(1)

All registers shown except the rden register have asynchronous clear ports.

(2)

Violating the setup or hold time on the address registers could corrupt the memory contents. This applies to both 
read and write operations.

6

D
ENA

Q

D

ENA

Q

D

ENA

Q

D

ENA

Q

D
ENA

Q

data[ ]

D
ENA

Q

wraddress[ ]

address[ ]

 Memory Block

256 ´ 16

512 ´ 8

1,024 ´ 4
2,048 ´ 2
4,096 ´ 1

Data In

Read Address

Write Address

Write Enable

Read Enable

Data Out

outclken

inclken

inclock

outclock

wren

rden

6 LAB Row 
Clocks

To MultiTrack
Interconnect

D
ENA

Q

byteena[ ]

Byte Enable

Write

Pulse

Generator

ac/Altera/FPGA_cyc-html.html
background image

2–28

 Altera 

Corporation

Preliminary

February 2005

Cyclone Device Handbook, Volume 1

Read/Write Clock Mode

The M4K memory blocks implement read/write clock mode for simple 
dual-port memory. You can use up to two clocks in this mode. The write 
clock controls the block's data inputs, 

wraddress

, and 

wren

. The read 

clock controls the data output, 

rdaddress

, and 

rden

. The memory 

blocks support independent clock enables for each clock and 
asynchronous clear signals for the read- and write-side registers. 

Figure 2–20

 shows a memory block in read/write clock mode.

Figure 2–20. Read/Write Clock Mode in Simple Dual-Port Mode

Notes (1)

(2)

Notes to 

Figure 2–20

:

(1)

All registers shown except the rden register have asynchronous clear ports.

(2)

Violating the setup or hold time on the address registers could corrupt the memory contents. This applies to both 
read and write operations.

6

D
ENA

Q

D

ENA

Q

D

ENA

Q

D

ENA

Q

D
ENA

Q

data[ ]

D
ENA

Q

wraddress[ ]

address[ ]

Memory Block

256 

×

 16

512 

×

 8

1,024 

×

 4

2,048 

×

 2

4,096 

×

 1

Data In

Read Address

Write Address

Write Enable

Read Enable

Data Out

rdclken

wrclken

wrclock

rdclock

wren

rden

6 LAB Row
Clocks

To MultiTrack
Interconnect

D
ENA

Q

byteena[ ]

Byte Enable

Write

Pulse

Generator

ac/Altera/FPGA_cyc-html.html
background image

Altera Corporation 

 

2–29

February 2005

Preliminary

Global Clock Network & Phase-Locked Loops

Single-Port Mode

The M4K memory blocks also support single-port mode, used when 
simultaneous reads and writes are not required. See 

Figure 2–21

. A single 

M4K memory block can support up to two single-port mode RAM blocks 
if each RAM block is less than or equal to 2K bits in size.

Figure 2–21. Single-Port Mode

Note (1)

Note to 

Figure 2–21

:

(1)

Violating the setup or hold time on the address registers could corrupt the memory contents. This applies to both 
read and write operations.

Global Clock 
Network & 
Phase-Locked 
Loops

Cyclone devices provide a global clock network and up to two PLLs for a 
complete clock management solution.

Global Clock Network

There are four dedicated clock pins (

CLK[3..0]

, two pins on the left side 

and two pins on the right side) that drive the global clock network, as 
shown in 

Figure 2–22

. PLL outputs, logic array, and dual-purpose clock 

(

DPCLK[7..0]

) pins can also drive the global clock network.

6

D
ENA

Q

D

ENA

Q

D

ENA

Q

D
ENA

Q

data[ ]

address[ ]

 RAM/ROM

256 

×

 16

512 

×

 8

1,024 

×

 4

2,048 

×

 2

4,096 

×

 1

Data In

Address

Write Enable

Data Out

outclken

inclken

inclock

outclock

Write

Pulse

Generator

wren

6 LAB Row
Clocks

To MultiTrack
Interconnect

ac/Altera/FPGA_cyc-html.html
background image

2–30

 Altera 

Corporation

Preliminary

February 2005

Cyclone Device Handbook, Volume 1

The eight global clock lines in the global clock network drive throughout 
the entire device. The global clock network can provide clocks for all 
resources within the device 

 IOEs, LEs, and memory blocks. The global 

clock lines can also be used for control signals, such as clock enables and 
synchronous or asynchronous clears fed from the external pin, or DQS 
signals for DDR SDRAM or FCRAM interfaces. Internal logic can also 
drive the global clock network for internally generated global clocks and 
asynchronous clears, clock enables, or other control signals with large 
fanout. 

Figure 2–22

 shows the various sources that drive the global clock 

network.

Figure 2–22. Global Clock Generation

Note (1)

Notes to 

Figure 2–22

:

(1)

The EP1C3 device in the 100-pin TQFP package has five 

DPCLK

 pins (

DPCLK2

DPCLK3

DPCLK4

DPCLK6

, and 

DPCLK7

).

(2)

EP1C3 devices only contain one PLL (PLL 1).

(3)

The EP1C3 device in the 100-pin TQFP package does not have dedicated clock pins 

CLK1

 and 

CLK3

.

8

Global Clock
Network

PLL1

PLL2

(2)

CLK0

CLK1 

(3)

CLK2

CLK3 

(3)

DPCLK1

DPCLK0

DPCLK4

DPCLK5

DPCLK2

DPCLK3

DPCLK7

DPCLK6

2

2

From logic
array

From logic

array

4

4

4

4

Cyclone Device

ac/Altera/FPGA_cyc-html.html
background image

Altera Corporation 

 

2–31

February 2005

Preliminary

Global Clock Network & Phase-Locked Loops

Dual-Purpose Clock Pins

Each Cyclone device except the EP1C3 device has eight dual-purpose 
clock pins, 

DPCLK[7..0]

 (two on each I/O bank). EP1C3 devices have 

five 

DPCLK

 pins in the 100-pin TQFP package. These dual-purpose pins 

can connect to the global clock network (see 

Figure 2–22

) for high-fanout 

control signals such as clocks, asynchronous clears, presets, and clock 
enables, or protocol control signals such as 

TRDY

 and 

IRDY

 for PCI, or 

DQS signals for external memory interfaces.

Combined Resources

Each Cyclone device contains eight distinct dedicated clocking resources. 
The device uses multiplexers with these clocks to form six-bit buses to 
drive LAB row clocks, column IOE clocks, or row IOE clocks. See 

Figure 2–23

Another multiplexer at the LAB level selects two of the six 

LAB row clocks to feed the LE registers within the LAB.

Figure 2–23. Global Clock Network Multiplexers

IOE clocks have row and column block regions. Six of the eight global 
clock resources feed to these row and column regions. 

Figure 2–24

 shows 

the I/O clock regions.

Clock [7..0]

Column I/O Region
IO_CLK]5..0]

LAB Row Clock [5..0]

Row I/O Region
IO_CLK[5..0]

 Global Clocks [3..0]

PLL Outputs [3..0]

Dual-Purpose Clocks [7..0]

Global Clock

Network

Core Logic [7..0]

ac/Altera/FPGA_cyc-html.html
background image

2–32

 Altera 

Corporation

Preliminary

February 2005

Cyclone Device Handbook, Volume 1

Figure 2–24. I/O Clock Regions

PLLs

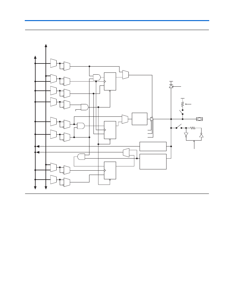
Cyclone PLLs provide general-purpose clocking with clock 
multiplication and phase shifting as well as outputs for differential I/O 
support. Cyclone devices contain two PLLs, except for the EP1C3 device, 
which contains one PLL.

Column I/O Clock Region

IO_CLK[5..0]

Column I/O Clock Region

IO_CLK[5..0]

6

6

I/O Clock Regions

I/O Clock Regions

8

Global Clock
Network

Row
I/O Regions

Cyclone Logic Array

6

6

LAB Row Clocks

labclk[5..0]

LAB Row Clocks

labclk[5..0]

LAB Row Clocks

labclk[5..0]

LAB Row Clocks

labclk[5..0]

LAB Row Clocks

labclk[5..0]

LAB Row Clocks

labclk[5..0]

6

6

6

6

ac/Altera/FPGA_cyc-html.html
background image

Altera Corporation 

 

2–33

February 2005

Preliminary

Global Clock Network & Phase-Locked Loops

Table 2–6

 shows the PLL features in Cyclone devices. 

Figure 2–25

 shows 

a Cyclone PLL.

Figure 2–25. Cyclone PLL

Note (1)

Notes to 

Figure 2–25

:

(1)

The EP1C3 device in the 100-pin TQFP package does not support external outputs or LVDS inputs. The EP1C6 
device in the 144-pin TQFP package does not support external output from PLL2.

(2)

LVDS input is supported via the secondary function of the dedicated clock pins. For PLL 1, the 

CLK0

 pin’s secondary 

function is 

LVDSCLK1p

 and the 

CLK1

 pin’s secondary function is 

LVDSCLK1n

. For PLL 2, the 

CLK2

 pin’s secondary 

function is 

LVDSCLK2p

 and the 

CLK3

 pin’s secondary function is 

LVDSCLK2n

.

(3)

PFD: phase frequency detector.

Table 2–6. Cyclone PLL Features

Feature

PLL Support

Clock multiplication and division

m

/(

n

 

×

 post-scale counter) 

(1)

Phase shift

Down to 125-ps increments 

(2)

(3)

Programmable duty cycle

Yes

Number of internal clock outputs

2

Number of external clock outputs

One differential or one single-ended 

(4)

Notes to 

Table 2–6

:

(1)

The 

m

 counter ranges from 2 to 32. The 

n

 counter and the post-scale counters 

range from 1 to 32.

(2)

The smallest phase shift is determined by the voltage-controlled oscillator (VCO) 
period divided by 8.

(3)

For degree increments, Cyclone devices can shift all output frequencies in 
increments of 45°. Smaller degree increments are possible depending on the 
frequency and divide parameters.

(4)

The EP1C3 device in the 100-pin TQFP package does not support external clock 
output. The EP1C6 device in the 144-pin TQFP package does not support external 
clock output from PLL2.

Charge

Pump

VCO

PFD 

(3)

Loop
Filter

CLK0 or

LVDSCLK1p 

(2)

CLK1 or

LVDSCLK1n 

(2)

÷

n

÷

m

t

t

Global clock

Global clock

I/O buffer

÷g0

÷g1

÷e

VCO Phase Selection

Selectable at Each PLL

Output Port

Post-Scale

Counters

ac/Altera/FPGA_cyc-html.html
background image

2–34

 Altera 

Corporation

Preliminary

February 2005

Cyclone Device Handbook, Volume 1

Figure 2–26

 shows the PLL global clock connections.

Figure 2–26. Cyclone PLL Global Clock Connections

Notes to 

Figure 2–26

:

(1)

PLL 1 supports one single-ended or LVDS input via pins 

CLK0

 and 

CLK1

.

(2)

PLL2 supports one single-ended or LVDS input via pins 

CLK2

 and 

CLK3

.

(3)

PLL1_OUT

 and 

PLL2_OUT

 support single-ended or LVDS output. If external output is not required, these pins are 

available as regular user I/O pins.

(4)

The EP1C3 device in the 100-pin TQFP package does not support external clock output. The EP1C6 device in the 
144-pin TQFP package does not support external clock output from PLL2.

Table 2–7

 shows the global clock network sources available in Cyclone 

devices.

CLK0

CLK1 

(1)

PLL1

PLL2

g0

g1

e

g0

g1

e

PLL1_OUT 

(3), (4)

CLK2

CLK3 

(2)

PLL2_OUT 

(3), (4)

G0

G2

G1

G3

G4

G6

G5

G7

Table 2–7. Global Clock Network Sources  (Part 1 of 2)

Source

GCLK0

GCLK1

GCLK2

GCLK3

GCLK4

GCLK5

GCLK6

GCLK7

PLL Counter 
Output

PLL1 G0

v

v

PLL1 G1

v

v

PLL2 G0 

(1)

v

v

PLL2 G1 

(1)

v

v

Dedicated 
Clock Input 
Pins

CLK0

v

v

CLK1 

(2)

v

v

CLK2 

v

v

CLK3 

(2)

v

v

ac/Altera/FPGA_cyc-html.html
background image

Altera Corporation 

 

2–35

February 2005

Preliminary

Global Clock Network & Phase-Locked Loops

Clock Multiplication & Division

Cyclone PLLs provide clock synthesis for PLL output ports using 

m

/(

n

×

post scale counter) scaling factors. The input clock is divided by 

a pre-scale divider, 

n

, and is then multiplied by the 

m

 feedback factor. The 

control loop drives the VCO to match f

IN

 

×

 

(

m

/

n

). Each output port has 

a unique post-scale counter to divide down the high-frequency VCO. For 
multiple PLL outputs with different frequencies, the VCO is set to the 
least-common multiple of the output frequencies that meets its frequency 
specifications. Then, the post-scale dividers scale down the output 
frequency for each output port. For example, if the output frequencies 
required from one PLL are 33 and 66 MHz, the VCO is set to 330 MHz (the 
least-common multiple in the VCO's range).

Each PLL has one pre-scale divider, 

n

, that can range in value from 1 to 

32. Each PLL also has one multiply divider, 

m

, that can range in value 

from 2 to 32. Global clock outputs have two post scale G dividers for 
global clock outputs, and external clock outputs have an E divider for 
external clock output, both ranging from 1 to 32. The Quartus II software 
automatically chooses the appropriate scaling factors according to the 
input frequency, multiplication, and division values entered.

Dual-Purpose 
Clock Pins

DPCLK0 

(3)

v

DPCLK1 

(3)

v

DPCLK2

v

DPCLK3

v

DPCLK4

v

DPCLK5 

(3)

v

DPCLK6

v

DPCLK7

v

Notes to 

Table 2–7

:

(1)

EP1C3 devices only have one PLL (PLL 1).

(2)

EP1C3 devices in the 100-pin TQFP package do not have dedicated clock pins 

CLK1

 and 

CLK3

.

(3)

EP1C3 devices in the 100-pin TQFP package do not have the 

DPCLK0

DPCLK1

, or 

DPCLK5

 pins.

Table 2–7. Global Clock Network Sources  (Part 2 of 2)

Source

GCLK0

GCLK1

GCLK2

GCLK3

GCLK4

GCLK5

GCLK6

GCLK7

ac/Altera/FPGA_cyc-html.html
background image

2–36

 Altera 

Corporation

Preliminary

February 2005

Cyclone Device Handbook, Volume 1

External Clock Inputs

Each PLL supports single-ended or differential inputs for source-
synchronous receivers or for general-purpose use. The dedicated clock 
pins (

CLK[3..0]

) feed the PLL inputs. These dual-purpose pins can also 

act as LVDS input pins. Se

Figure 2–25

.

Table 2–8

 shows the I/O standards supported by PLL input and output 

pins.

For more information on LVDS I/O support, see 

“LVDS I/O Pins” on 

page 2–54

.

External Clock Outputs

Each PLL supports one differential or one single-ended output for source-
synchronous transmitters or for general-purpose external clocks. If the 
PLL does not use these 

PLL_OUT

 pins, the pins are available for use as 

general-purpose I/O pins. The 

PLL_OUT

 pins support all I/O standards 

shown in 

Table 2–8

.

The external clock outputs do not have their own V

CC

 and ground voltage 

supplies. Therefore, to minimize jitter, do not place switching I/O pins 
next to these output pins. The EP1C3 device in the 100-pin TQFP package 

Table 2–8. PLL I/O Standards

I/O Standard

CLK Input

EXTCLK Output

3.3-V LVTTL/LVCMOS

v

v

2.5-V LVTTL/LVCMOS

v

v

1.8-V LVTTL/LVCMOS

v

v

1.5-V LVCMOS

v

v

3.3-V PCI

v

v

LVDS

v

v

SSTL-2 class I

v

v

SSTL-2 class II

v

v

SSTL-3 class I

v

v

SSTL-3 class II

v

v

Differential SSTL-2

v

ac/Altera/FPGA_cyc-html.html
background image

Altera Corporation 

 

2–37

February 2005

Preliminary

Global Clock Network & Phase-Locked Loops

does not have dedicated clock output pins. The EP1C6 device in the 
144-pin TQFP package only supports dedicated clock outputs from 
PLL 1.

Clock Feedback

Cyclone PLLs have three modes for multiplication and/or phase shifting:

Zero delay buffer mode

The external clock output pin is phase-

aligned with the clock input pin for zero delay. 

Normal mode

If the design uses an internal PLL clock output, the 

normal mode compensates for the internal clock delay from the input 
clock pin to the IOE registers. The external clock output pin is phase 
shifted with respect to the clock input pin if connected in this mode. 
You defines which internal clock output from the PLL should be 
phase-aligned to compensate for internal clock delay.

No compensation mode

In this mode, the PLL will not compensate 

for any clock networks.

Phase Shifting

Cyclone PLLs have an advanced clock shift capability that enables 
programmable phase shifts. You can enter a phase shift (in degrees or 
time units) for each PLL clock output port or for all outputs together in 
one shift. You can perform phase shifting in time units with a resolution 
range of 125 to 250 ps. The finest resolution equals one eighth of the VCO 
period. The VCO period is a function of the frequency input and the 
multiplication and division factors. Each clock output counter can choose 
a different phase of the VCO period from up to eight taps. You can use this 
clock output counter along with an initial setting on the post-scale 
counter to achieve a phase-shift range for the entire period of the output 
clock. The phase tap feedback to the m counter can shift all outputs to a 
single phase. The Quartus II software automatically sets the phase taps 
and counter settings according to the phase shift entered.

Lock Detect Signal

The lock output indicates that there is a stable clock output signal in 
phase with the reference clock. Without any additional circuitry, the lock 
signal may toggle as the PLL begins tracking the reference clock. 
Therefore, you may need to gate the lock signal for use as a system-
control signal. For correct operation of the lock circuit below –20 C, f

IN/N

 

> 200 MHz.

ac/Altera/FPGA_cyc-html.html
background image

2–38

 Altera 

Corporation

Preliminary

February 2005

Cyclone Device Handbook, Volume 1

Programmable Duty Cycle

The programmable duty cycle allows PLLs to generate clock outputs with 
a variable duty cycle. This feature is supported on each PLL post-scale 
counter (g0, g1, e). The duty cycle setting is achieved by a low- and high-
time count setting for the post-scale dividers. The Quartus II software 
uses the frequency input and the required multiply or divide rate to 
determine the duty cycle choices.

Control Signals

There are three control signals for clearing and enabling PLLs and their 
outputs. You can use these signals to control PLL resynchronization and 
the ability to gate PLL output clocks for low-power applications.

The 

pllenable

 signal enables and disables PLLs. When the 

pllenable

 

signal is low, the clock output ports are driven by ground and all the PLLs 
go out of lock. When the 

pllenable

 signal goes high again, the PLLs 

relock and resynchronize to the input clocks. An input pin or LE output 
can drive the 

pllenable

 signal.

The 

areset

 signals are reset/resynchronization inputs for each PLL. 

Cyclone devices can drive these input signals from input pins or from 
LEs. When 

areset

 is driven high, the PLL counters will reset, clearing 

the PLL output and placing the PLL out of lock. When driven low again, 
the PLL will resynchronize to its input as it relocks. 

The 

pfdena

 signals control the phase frequency detector (PFD) output 

with a programmable gate. If you disable the PFD, the VCO will operate 
at its last set value of control voltage and frequency with some drift, and 
the system will continue running when the PLL goes out of lock or the 
input clock disables. By maintaining the last locked frequency, the system 
has time to store its current settings before shutting down. You can either 
use their own control signal or gated locked status signals to trigger the 

pfdena

 signal.

f

For more information on Cyclone PLLs, see 

Chapter 6, Using PLLs in 

Cyclone Devices

.

ac/Altera/FPGA_cyc-html.html
background image

Altera Corporation 

 

2–39

February 2005

Preliminary

I/O Structure

I/O Structure

IOEs support many features, including:

Differential and single-ended I/O standards

3.3-V, 64- and 32-bit, 66- and 33-MHz PCI compliance

Joint Test Action Group (JTAG) boundary-scan test (BST) support

Output drive strength control

Weak pull-up resistors during configuration

Slew-rate control

Tri-state buffers

Bus-hold circuitry

Programmable pull-up resistors in user mode

Programmable input and output delays

Open-drain outputs

DQ and DQS I/O pins

Cyclone device IOEs contain a bidirectional I/O buffer and three registers 
for complete embedded bidirectional single data rate transfer. 

Figure 2–27

 shows the Cyclone IOE structure. The IOE contains one input 

register, one output register, and one output enable register. You can use 
the input registers for fast setup times and output registers for fast clock-
to-output times. Additionally, you can use the output enable (OE) register 
for fast clock-to-output enable timing. The Quartus II software 
automatically duplicates a single OE register that controls multiple 
output or bidirectional pins. IOEs can be used as input, output, or 
bidirectional pins.

ac/Altera/FPGA_cyc-html.html
background image

2–40

 Altera 

Corporation

Preliminary

February 2005

Cyclone Device Handbook, Volume 1

Figure 2–27. Cyclone IOE Structure

Note to 

Figure 2–27

:

(1)

There are two paths available for combinatorial inputs to the logic array. Each path 
contains a unique programmable delay chain.

The IOEs are located in I/O blocks around the periphery of the Cyclone 
device. There are up to three IOEs per row I/O block and up to three IOEs 
per column I/O block (column I/O blocks span two columns). The row 
I/O blocks drive row, column, or direct link interconnects. The column 
I/O blocks drive column interconnects. 

Figure 2–28

 shows how a row 

I/O block connects to the logic array. 

Figure 2–29

 shows how a column 

I/O block connects to the logic array.

Output Register

Output

Combinatorial

input 

(1)

Input

OE Register

OE

Input Register

Logic Array

D

Q

D

Q

D

Q

ac/Altera/FPGA_cyc-html.html
background image

Altera Corporation 

 

2–41

February 2005

Preliminary

I/O Structure

Figure 2–28. Row I/O Block Connection to the Interconnect

Notes to 

Figure 2–28

:

(1)

The 21 data and control signals consist of three data out lines, 

io_dataout[2..0]

, three output enables, 

io_coe[2..0]

, three input clock enables, 

io_cce_in[2..0]

, three output clock enables, 

io_cce_out[2..0]

three clocks, 

io_cclk[2..0]

, three asynchronous clear signals, 

io_caclr[2..0]

, and three synchronous clear 

signals, 

io_csclr[2..0]

.

(2)

Each of the three IOEs in the row I/O block can have one 

io_datain

 input (combinatorial or registered) and one 

comb_io_datain

 (combinatorial) input.

21

R4 Interconnects

C4 Interconnects

I/O Block Local 

Interconnect

21 Data and
Control Signals
from Logic Array (1)

io_datain[2..0] and
comb_io_datain[2..0] 

(2)

io_clk[5:0]

Row I/O Block

Contains up to

Three IOEs

Direct Link

Interconnect

to Adjacent LAB

Direct Link

Interconnect

from Adjacent LAB

LAB Local
Interconnect

LAB

Row

I/O Block

ac/Altera/FPGA_cyc-html.html
background image

2–42

 Altera 

Corporation

Preliminary

February 2005

Cyclone Device Handbook, Volume 1

Figure 2–29. Column I/O Block Connection to the Interconnect

Notes to 

Figure 2–29

:

(1)

The 21 data and control signals consist of three data out lines, 

io_dataout[2..0]

, three output enables, 

io_coe[2..0]

, three input clock enables, 

io_cce_in[2..0]

, three output clock enables, 

io_cce_out[2..0]

three clocks, 

io_cclk[2..0]

, three asynchronous clear signals, 

io_caclr[2..0]

, and three synchronous clear 

signals, 

io_csclr[2..0]

.

(2)

Each of the three IOEs in the column I/O block can have one 

io_datain

 input (combinatorial or registered) and 

one 

comb_io_datain

 (combinatorial) input.

21 Data &

Control Signals 

from Logic Array (1)

Column I/O 
Block Contains
up to Three IOEs

I/O Block

Local Interconnect

IO_datain[2:0] &

comb_io_datain[2..0]

(2)

R4 Interconnects

LAB Local
Interconnect

C4 Interconnects

21

LAB

LAB

LAB

io_clk[5..0]

Column I/O Block

ac/Altera/FPGA_cyc-html.html
background image

Altera Corporation 

 

2–43

February 2005

Preliminary

I/O Structure

The pin's datain signals can drive the logic array. The logic array drives 
the control and data signals, providing a flexible routing resource. The 
row or column IOE clocks, 

io_clk[5..0]

, provide a dedicated routing 

resource for low-skew, high-speed clocks. The global clock network 
generates the IOE clocks that feed the row or column I/O regions (see 

“Global Clock Network & Phase-Locked Loops” on page 2–29

). 

Figure 2–30

 illustrates the signal paths through the I/O block.

Figure 2–30. Signal Path through the I/O Block

Each IOE contains its own control signal selection for the following 
control signals: 

oe

ce_in

ce_out

aclr

/

preset

sclr

/

preset

clk_in

, and 

clk_out

Figure 2–31

 illustrates the control signal 

selection.

Row or Column

io_clk[5..0]

io_datain

comb_io_datain

io_dataout

io_coe

oe

ce_in

ce_out

io_cce_in

aclr/preset

io_cce_out

sclr

io_caclr

clk_in

io_cclk

clk_out

dataout

Data and

Control

Signal

Selection

IOE

To Logic

Array

From Logic

Array

To Other
IOEs

io_csclr

ac/Altera/FPGA_cyc-html.html
background image

2–44

 Altera 

Corporation

Preliminary

February 2005

Cyclone Device Handbook, Volume 1

Figure 2–31. Control Signal Selection per IOE

In normal bidirectional operation, you can use the input register for input 
data requiring fast setup times. The input register can have its own clock 
input and clock enable separate from the OE and output registers. The 
output register can be used for data requiring fast clock-to-output 
performance. The OE register is available for fast clock-to-output enable 
timing. The OE and output register share the same clock source and the 
same clock enable source from the local interconnect in the associated 
LAB, dedicated I/O clocks, or the column and row interconnects. 

Figure 2–32

 shows the IOE in bidirectional configuration.

clk_out

ce_in

clk_in

ce_out

aclr/preset

sclr/preset

Dedicated I/O
Clock [5..0]

Local
Interconnect

Local
Interconnect

Local
Interconnect

Local
Interconnect

Local
Interconnect

oe

io_coe

io_caclr

Local
Interconnect

io_csclr

io_cce_out

io_cce_in

io_cclk

ac/Altera/FPGA_cyc-html.html
background image

Altera Corporation 

 

2–45

February 2005

Preliminary

I/O Structure

Figure 2–32. Cyclone IOE in Bidirectional I/O Configuration

The Cyclone device IOE includes programmable delays to ensure zero 
hold times, minimize setup times, or increase clock to output times.

A path in which a pin directly drives a register may require a 
programmable delay to ensure zero hold time, whereas a path in which a 
pin drives a register through combinatorial logic may not require the 
delay. Programmable delays decrease input-pin-to-logic-array and IOE 
input register delays. The Quartus II Compiler can program these delays 

Chip-Wide Reset

OE Register

V

CCIO

Optional
PCI Clamp

Column or Row

Interconect

ioe_clk[5..0]

Input Register

Input Pin to

Input Register Delay

or Input Pin to

Logic Array Delay

Input Pin to

Logic Array Delay

Drive Strength Control

Open-Drain Output

Slew Control

sclr/preset

OE

clkout

ce_out

aclr/prn

clkin

ce_in

Output

Pin Delay

Programmable
Pull-Up
Resistor

Bus Hold

PRN

CLRN

D

Q

Output Register

PRN

CLRN

D

Q

PRN

CLRN

D

Q

V

CCIO

comb_datain

data_in

ENA

ENA

ENA

ac/Altera/FPGA_cyc-html.html
background image

2–46

 Altera 

Corporation

Preliminary

February 2005

Cyclone Device Handbook, Volume 1

to automatically minimize setup time while providing a zero hold time. 
Programmable delays can increase the register-to-pin delays for output 
registers. 

Table 2–9

 shows the programmable delays for Cyclone devices.

There are two paths in the IOE for a combinatorial input to reach the logic 
array. Each of the two paths can have a different delay. This allows you 
adjust delays from the pin to internal LE registers that reside in two 
different areas of the device. The designer sets the two combinatorial 
input delays by selecting different delays for two different paths under 
the 

Decrease input delay to internal cells

 logic option in the Quartus II 

software. When the input signal requires two different delays for the 
combinatorial input, the input register in the IOE is no longer available.

The IOE registers in Cyclone devices share the same source for clear or 
preset. The designer can program preset or clear for each individual IOE. 
The designer can also program the registers to power up high or low after 
configuration is complete. If programmed to power up low, an 
asynchronous clear can control the registers. If programmed to power up 
high, an asynchronous preset can control the registers. This feature 
prevents the inadvertent activation of another device's active-low input 
upon power up. If one register in an IOE uses a preset or clear signal then 
all registers in the IOE must use that same signal if they require preset or 
clear. Additionally a synchronous reset signal is available to the designer 
for the IOE registers.

External RAM Interfacing

Cyclone devices support DDR SDRAM and FCRAM interfaces at up to 
133 MHz through dedicated circuitry.

DDR SDRAM & FCRAM

Cyclone devices have dedicated circuitry for interfacing with DDR 
SDRAM. All I/O banks support DDR SDRAM and FCRAM I/O pins. 
However, the configuration input pins in bank 1 must operate at 2.5 V 
because the SSTL-2 V

CCIO

 level is 2.5 V. Additionally, the configuration 

Table 2–9. Cyclone Programmable Delay Chain

Programmable Delays

Quartus II Logic Option

Input pin to logic array delay

Decrease input delay to internal cells

Input pin to input register delay

Decrease input delay to input registers

Output pin delay

Increase delay to output pin

ac/Altera/FPGA_cyc-html.html
background image

Altera Corporation 

 

2–47

February 2005

Preliminary

I/O Structure

output pins (

nSTATUS

 and 

CONF_DONE

) and all the JTAG pins in I/O 

bank 3 must operate at 2.5 V because the V

CCIO

 level of SSTL-2 is 2.5 V. 

I/O banks 1, 2, 3, and 4 support DQS signals with DQ bus modes of 

 

×

 

8.

For 

 

×

 

8 mode, there are up to eight groups of programmable DQS and DQ 

pins, I/O banks 1, 2, 3, and 4 each have two groups in the 324-pin and 
400-pin FineLine BGA packages. Each group consists of one DQS pin, a 
set of eight DQ pins, and one DM pin (see 

Figure 2–33

). Each DQS pin 

drives the set of eight DQ pins within that group.

Figure 2–33. Cyclone Device DQ & DQS Groups in 

 

×

 

8 Mode

Note (1)

Note to 

Figure 2–33

:

(1)

Each DQ group consists of one DQS pin, eight DQ pins, and one DM pin.

Table 2–10

 shows the number of DQ pin groups per device.

DQ Pins

DQS Pin

DM Pin

Top, Bottom, Left, or Right I/O Bank

Table 2–10. DQ Pin Groups  (Part 1 of 2)

Device

Package

Number of  

×

 8 DQ 

Pin Groups

Total DQ Pin 

Count

EP1C3

100-pin TQFP 

(1)

3

24

144-pin TQFP

4

32

EP1C4

324-pin FineLine BGA

8

64

400-pin FineLine BGA

8

64

ac/Altera/FPGA_cyc-html.html
background image

2–48

 Altera 

Corporation

Preliminary

February 2005

Cyclone Device Handbook, Volume 1

A programmable delay chain on each DQS pin allows for either a 90° 
phase shift (for DDR SDRAM), or a 72° phase shift (for FCRAM) which 
automatically center-aligns input DQS synchronization signals within the 
data window of their corresponding DQ data signals. The phase-shifted 
DQS signals drive the global clock network. This global DQS signal clocks 
DQ signals on internal LE registers.

These DQS delay elements combine with the PLL’s clocking and phase 
shift ability to provide a complete hardware solution for interfacing to 
high-speed memory.

The clock phase shift allows the PLL to clock the DQ output enable and 
output paths. The designer should use the following guidelines to meet 
133 MHz performance for DDR SDRAM and FCRAM interfaces:

The DQS signal must be in the middle of the DQ group it clocks

Resynchronize the incoming data to the logic array clock using 
successive LE registers or FIFO buffers

LE registers must be placed in the LAB adjacent to the DQ I/O pin 
column it is fed by

Figure 2–34

 illustrates DDR SDRAM and FCRAM interfacing from the 

I/O through the dedicated circuitry to the logic array.

EP1C6

144-pin TQFP

4

32

240-pin PQFP

4

32

256-pin FineLine BGA

4

32

EP1C12

240-pin PQFP

4

32

256-pin FineLine BGA

4

32

324-pin FineLine BGA

8

64

EP1C20

324-pin FineLine BGA

8

64

400-pin FineLine BGA

8

64

Note to 

Table 2–10

:

(1)

EP1C3 devices in the 100-pin TQFP package do not have any DQ pin groups in 
I/O bank 1.

Table 2–10. DQ Pin Groups  (Part 2 of 2)

Device

Package

Number of  

×

 8 DQ 

Pin Groups

Total DQ Pin 

Count

ac/Altera/FPGA_cyc-html.html
background image

Altera Corporation 

 

2–49

February 2005

Preliminary

I/O Structure

Figure 2–34. DDR SDRAM & FCRAM Interfacing

Programmable Drive Strength

The output buffer for each Cyclone device I/O pin has a programmable 
drive strength control for certain I/O standards. The LVTTL and 
LVCMOS standards have several levels of drive strength that the designer 
can control. SSTL-3 class I and II, and SSTL-2 class I and II support a 
minimum setting, the lowest drive strength that guarantees the I

OH

/I

OL

 

V

CC

GND

PLL

Phase Shifted -90

˚ 

DQS

Adjacent LAB LEs

Global Clock

Resynchronizing
Global Clock

Programmable

Delay Chain

Output LE

Register

Output LE

Registers

DQ

Input LE

Registers

Input LE

Registers

LE

Register

LE

Register

t

Adjacent
LAB LEs

OE

OE LE

Register

OE LE

Register

OE

OE LE

Register

OE LE

Register

Output LE

Registers

Output LE

Register

DataA

DataB

clk

-90˚ clk

ac/Altera/FPGA_cyc-html.html
background image

2–50

 Altera 

Corporation

Preliminary

February 2005

Cyclone Device Handbook, Volume 1

of the standard. Using minimum settings provides signal slew rate 
control to reduce system noise and signal overshoot. 

Table 2–11

 shows the 

possible settings for the I/O standards with drive strength control.

Open-Drain Output

Cyclone devices provide an optional open-drain (equivalent to an open-
collector) output for each I/O pin. This open-drain output enables the 
device to provide system-level control signals (e.g., interrupt and write-
enable signals) that can be asserted by any of several devices.

Slew-Rate Control

The output buffer for each Cyclone device I/O pin has a programmable 
output slew-rate control that can be configured for low noise or high-
speed performance. A faster slew rate provides high-speed transitions for 
high-performance systems. However, these fast transitions may 
introduce noise transients into the system. A slow slew rate reduces 

Table 2–11. Programmable Drive Strength

I/O Standard

I

OH

/I

OL

 Current Strength Setting (mA)

LVTTL (3.3 V)

4

8

12

16

24

LVCMOS (3.3 V)

2

4

8

12

LVTTL (2.5 V)

2

8

12

16

LVTTL (1.8 V)

2

8

12

LVCMOS (1.5 V)

2

4

8

ac/Altera/FPGA_cyc-html.html
background image

Altera Corporation 

 

2–51

February 2005

Preliminary

I/O Structure

system noise, but adds a nominal delay to rising and falling edges. Each 
I/O pin has an individual slew-rate control, allowing the designer to 
specify the slew rate on a pin-by-pin basis. The slew-rate control affects 
both the rising and falling edges.

Bus Hold

Each Cyclone device I/O pin provides an optional bus-hold feature. The 
bus-hold circuitry can hold the signal on an I/O pin at its last-driven 
state. Since the bus-hold feature holds the last-driven state of the pin until 
the next input signal is present, an external pull-up or pull-down resistor 
is not necessary to hold a signal level when the bus is tri-stated. 

The bus-hold circuitry also pulls undriven pins away from the input 
threshold voltage where noise can cause unintended high-frequency 
switching. The designer can select this feature individually for each I/O 
pin. The bus-hold output will drive no higher than V

CCIO

 to prevent 

overdriving signals. If the bus-hold feature is enabled, the device cannot 
use the programmable pull-up option. Disable the bus-hold feature when 
the I/O pin is configured for differential signals.

The bus-hold circuitry uses a resistor with a nominal resistance (RBH) of 
approximately 7 k

 to pull the signal level to the last-driven state. 

Table 4–15 on page 4–6

 gives the specific sustaining current for each 

V

CCIO

 voltage level driven through this resistor and overdrive current 

used to identify the next-driven input level. 

The bus-hold circuitry is only active after configuration. When going into 
user mode, the bus-hold circuit captures the value on the pin present at 
the end of configuration.

Programmable Pull-Up Resistor

Each Cyclone device I/O pin provides an optional programmable pull-
up resistor during user mode. If the designer enables this feature for an 
I/O pin, the pull-up resistor (typically 25 k

) holds the output to the 

V

CCIO

 level of the output pin's bank. Dedicated clock pins do not have the 

optional programmable pull-up resistor.

ac/Altera/FPGA_cyc-html.html
background image

2–52

 Altera 

Corporation

Preliminary

February 2005

Cyclone Device Handbook, Volume 1

Advanced I/O Standard Support

Cyclone device IOEs support the following I/O standards:

3.3-V LVTTL/LVCMOS

2.5-V LVTTL/LVCMOS

1.8-V LVTTL/LVCMOS

1.5-V LVCMOS

3.3-V PCI

LVDS

SSTL-2 class I and II

SSTL-3 class I and II

Differential SSTL-2 class II (on output clocks only)

Table 2–12

 describes the I/O standards supported by Cyclone devices.

Cyclone devices contain four I/O banks, as shown in 

Figure 2–35

. I/O 

banks 1 and 3 support all the I/O standards listed in 

Table 2–12

. I/O 

banks 2 and 4 support all the I/O standards listed in 

Table 2–12

 except the 

3.3-V PCI standard. I/O banks 2 and 4 contain dual-purpose DQS, DQ, 
and DM pins to support a DDR SDRAM or FCRAM interface. I/O bank 
1 can also support a DDR SDRAM or FCRAM interface, however, the 

Table 2–12. Cyclone I/O Standards

I/O Standard

Type

Input Reference 

Voltage (V

REF

) (V)

Output Supply 

Voltage (V

CCIO

) (V)

Board 

Termination 

Voltage (V

TT

) (V)

3.3-V LVTTL/LVCMOS

Single-ended

N/A

3.3

N/A

2.5-V LVTTL/LVCMOS

Single-ended

N/A

2.5

N/A

1.8-V LVTTL/LVCMOS

Single-ended

N/A

1.8

N/A

1.5-V LVCMOS

Single-ended

N/A

1.5

N/A

3.3-V PCI 

(1)

Single-ended

N/A

3.3

N/A

LVDS 

(2)

Differential

N/A

2.5

N/A

SSTL-2 class I and II

Voltage-referenced

1.25

2.5

1.25

SSTL-3 class I and II

Voltage-referenced

1.5

3.3

1.5

Differential SSTL-2 

(3)

Differential

1.25

2.5

1.25

Notes to 

Table 2–12

:

(1)

EP1C3 devices support PCI by using the LVTTL 16-mA I/O standard and drive strength assignments in the 
Quartus II software. The device requires an external diode for PCI compliance.

(2)

EP1C3 devices in the 100-pin TQFP package do not support the LVDS I/O standard.

(3)

This I/O standard is only available on output clock pins (

PLL_OUT

 pins).

ac/Altera/FPGA_cyc-html.html
background image

Altera Corporation 

 

2–53

February 2005

Preliminary

I/O Structure

configuration input pins in I/O bank 1 must operate at 2.5 V. I/O bank 3 
can also support a DDR SDRAM or FCRAM interface, however, all the 
JTAG pins in I/O bank 3 must operate at 2.5 V.

Figure 2–35. Cyclone I/O Banks

Notes (1)

(2)

Notes to 

Figure 2–35

:

(1)

Figure 2–35

 is a top view of the silicon die.

(2)

Figure 2–35

 is a graphic representation only. Refer to the pin list and the Quartus II software for exact pin locations.

Each I/O bank has its own 

VCCIO

 pins. A single device can support 1.5-V, 

1.8-V, 2.5-V, and 3.3-V interfaces; each individual bank can support a 
different standard with different I/O voltages. Each bank also has dual-
purpose 

VREF

 pins to support any one of the voltage-referenced 

standards (e.g., SSTL-3) independently. If an I/O bank does not use 
voltage-referenced standards, the V

REF

 pins are available as user I/O pins.

Each I/O bank can support multiple standards with the same V

CCIO

 for 

input and output pins. For example, when V

CCIO

 is 3.3-V, a bank can 

support LVTTL, LVCMOS, 3.3-V PCI, and SSTL-3 for inputs and outputs.

I/O Bank 2

I/O Bank 3

I/O Bank 4

I/O Bank 1

All I/O Banks Support

  

3.3-V LVTTL/LVCMOS

 

 

2.5-V LVTTL/LVCMOS

  

1.8-V LVTTL/LVCMOS

  

1.5-V LVCMOS

  

LVDS

 

 

SSTL-2 Class I and II

  

SSTL-3 Class I and II

I/O Bank 3
Also Supports
the 3.3-V PCI
I/O Standard

I/O Bank 1

Also Supports

the 3.3-V PCI

I/O Standard

Individual

Power Bus

ac/Altera/FPGA_cyc-html.html
background image

2–54

 Altera 

Corporation

Preliminary

February 2005

Cyclone Device Handbook, Volume 1

LVDS I/O Pins

A subset of pins in all four I/O banks supports LVDS interfacing. These 
dual-purpose LVDS pins require an external-resistor network at the 
transmitter channels in addition to 100-

 termination resistors on 

receiver channels. These pins do not contain dedicated serialization or 
deserialization circuitry; therefore, internal logic performs serialization 
and deserialization functions.

Table 2–13

 shows the total number of supported LVDS channels per 

device density.

MultiVolt I/O Interface

The Cyclone architecture supports the MultiVolt I/O interface feature, 
which allows Cyclone devices in all packages to interface with systems of 
different supply voltages. The devices have one set of V

CC

 pins for 

internal operation and input buffers (V

CCINT

), and four sets for I/O 

output drivers (V

CCIO

).

The Cyclone V

CCINT

 pins must always be connected to a 1.5-V power 

supply. If the V

CCINT

 level is 1.5 V, then input pins are 1.5-V, 1.8-V, 2.5-V, 

and 3.3-V tolerant. The V

CCIO

 pins can be connected to either a 1.5-V, 1.8-V, 

Table 2–13. Cyclone Device LVDS Channels

Device

Pin Count

Number of LVDS Channels

EP1C3

100

(1)

144

34

EP1C4

324

103

400

129

EP1C6

144

29

240

72

256

72

EP1C12

240

66

256

72

324

103

EP1C20

324

95

400

129

Note to 

Table 2–13

:

(1)

EP1C3 devices in the 100-pin TQFP package do not support the LVDS I/O 
standard.

ac/Altera/FPGA_cyc-html.html
background image

Altera Corporation 

 

2–55

February 2005

Preliminary

Power Sequencing & Hot Socketing

2.5-V, or 3.3-V power supply, depending on the output requirements. The 
output levels are compatible with systems of the same voltage as the 
power supply (i.e., when V

CCIO

 pins are connected to a 1.5-V power 

supply, the output levels are compatible with 1.5-V systems). When V

CCIO

 

pins are connected to a 3.3-V power supply, the output high is 3.3-V and 
is compatible with 3.3-V or 5.0-V systems. 

Table 2–14

 summarizes 

Cyclone MultiVolt I/O support.

Power 
Sequencing & 
Hot Socketing

Because Cyclone devices can be used in a mixed-voltage environment, 
they have been designed specifically to tolerate any possible power-up 
sequence. Therefore, the V

CCIO

 and V

CCINT

 power supplies may be 

powered in any order. 

Signals can be driven into Cyclone devices before and during power up 
without damaging the device. In addition, Cyclone devices do not drive 
out during power up. Once operating conditions are reached and the 
device is configured, Cyclone devices operate as specified by the user.

Table 2–14. Cyclone MultiVolt I/O Support

Note (1)

V

CCIO

 (V)

Input Signal

Output Signal

1.5  V

1.8  V

2.5  V

3.3  V

5.0  V

1.5  V

1.8  V

2.5  V

3.3  V

5.0  V

1.5

v

v

v

 

(2)

v

 

(2)

v

1.8

v

v

v

v

 

(3)

v

2.5

v

v

v

 

(5)

v

 

(5)

v

3.3

v

 

(4)

v

v

 

(6)

v

 

(7)

v

 

(7)

v

 

(7)

v

v

 

(8)

Notes to 

Table 2–14

:

(1)

The PCI clamping diode must be disabled to drive an input with voltages higher than V

CCIO

.

(2)

When V

CCIO

 = 1.5-V and a 2.5-V or 3.3-V input signal feeds an input pin, higher pin leakage current is expected.

(3)

When V

CCIO

 = 1.8-V, a Cyclone device can drive a 1.5-V device with 1.8-V tolerant inputs.

(4)

When V

CCIO

 = 3.3-V and a 2.5-V input signal feeds an input pin, the V

CCIO

 supply current will be slightly larger 

than expected.

(5)

When V

CCIO

 = 2.5-V, a Cyclone device can drive a 1.5-V or 1.8-V device with 2.5-V tolerant inputs.

(6)

Cyclone devices can be 5.0-V tolerant with the use of an external resistor and the internal PCI clamp diode.

(7)

When V

CCIO

 = 3.3-V, a Cyclone device can drive a 1.5-V, 1.8-V, or 2.5-V device with 3.3-V tolerant inputs.

(8)

When V

CCIO

 = 3.3-V, a Cyclone device can drive a device with 5.0-V LVTTL inputs but not 5.0-V LVCMOS inputs.

ac/Altera/FPGA_cyc-html.html
background image

2–56

 Altera 

Corporation

Preliminary

February 2005

Cyclone Device Handbook, Volume 1

ac/Altera/FPGA_cyc-html.html
background image

Altera Corporation 

 

3–1

February 2005

Preliminary

3. Configuration & Testing

IEEE Std. 1149.1 
(JTAG) Boundary 
Scan Support

All Cyclone devices provide JTAG BST circuitry that complies with the 
IEEE Std. 1149.1a-1990 specification. JTAG boundary-scan testing can be 
performed either before or after, but not during configuration. Cyclone 
devices can also use the JTAG port for configuration together with either 
the Quartus

®

II software or hardware using either Jam Files (

.jam

) or Jam 

Byte-Code Files (

.jbc

).

Cyclone devices support reconfiguring the I/O standard settings on the 
IOE through the JTAG BST chain. The JTAG chain can update the I/O 
standard for all input and output pins any time before or during user 
mode. Designers can use this ability for JTAG testing before configuration 
when some of the Cyclone pins drive or receive from other devices on the 
board using voltage-referenced standards. Since the Cyclone device 
might not be configured before JTAG testing, the I/O pins might not be 
configured for appropriate electrical standards for chip-to-chip 
communication. Programming those I/O standards via JTAG allows 
designers to fully test I/O connection to other devices.

The JTAG pins support 1.5-V/1.8-V or 2.5-V/3.3-V I/O standards. The 
TDO pin voltage is determined by the V

CCIO

 of the bank where it resides. 

The bank V

CCIO

 selects whether the JTAG inputs are 1.5-V, 1.8-V, 2.5-V, or 

3.3-V compatible. 

Cyclone devices also use the JTAG port to monitor the operation of the 
device with the SignalTap

®

 II embedded logic analyzer. Cyclone devices 

support the JTAG instructions shown in 

Table 3–1

.

Table 3–1. Cyclone JTAG Instructions  (Part 1 of 2)

JTAG Instruction

Instruction Code

Description

SAMPLE

/

PRELOAD

00 0000 0101

Allows a snapshot of signals at the device pins to be captured and 
examined during normal device operation, and permits an initial 
data pattern to be output at the device pins. Also used by the 
SignalTap II embedded logic analyzer.

EXTEST

 

(1)

00 0000 0000

Allows the external circuitry and board-level interconnects to be 
tested by forcing a test pattern at the output pins and capturing test 
results at the input pins.

BYPASS

11 1111 1111

Places the 1-bit bypass register between the 

TDI

 and 

TDO

 pins, 

which allows the BST data to pass synchronously through selected 
devices to adjacent devices during normal device operation.

C51003-1.1

ac/Altera/FPGA_cyc-html.html
background image

3–2

 Altera 

Corporation

Preliminary

February 2005

Cyclone Device Handbook, Volume 1

USERCODE

00 0000 0111

Selects the 32-bit USERCODE register and places it between the 

TDI

 and 

TDO

 pins, allowing the USERCODE to be serially shifted 

out of 

TDO

.

IDCODE

00 0000 0110

Selects the IDCODE register and places it between 

TDI

 and 

TDO

allowing the IDCODE to be serially shifted out of 

TDO

.

HIGHZ

 

(1)

00 0000 1011

Places the 1-bit bypass register between the 

TDI

 and 

TDO

 pins, 

which allows the BST data to pass synchronously through selected 
devices to adjacent devices during normal device operation, while 
tri-stating all of the I/O pins.

CLAMP

 

(1)

00 0000 1010

Places the 1-bit bypass register between the 

TDI

 and 

TDO

 pins, 

which allows the BST data to pass synchronously through selected 
devices to adjacent devices during normal device operation while 
holding I/O pins to a state defined by the data in the boundary-scan 
register.

ICR instructions

Used when configuring a Cyclone device via the JTAG port with a 
MasterBlaster

TM

 or ByteBlasterMV

TM

 download cable, or when 

using a Jam File or Jam Byte-Code File via an embedded 
processor.

PULSE_NCONFIG

00 0000 0001

Emulates pulsing the 

nCONFIG

 pin low to trigger reconfiguration 

even though the physical pin is unaffected.

CONFIG_IO

00 0000 1101

Allows configuration of I/O standards through the JTAG chain for 
JTAG testing. Can be executed before, after, or during 
configuration. Stops configuration if executed during configuration. 
Once issued, the 

CONFIG_IO

 instruction will hold 

nSTATUS

 low 

to reset the configuration device. 

nSTATUS

 is held low until the 

device is reconfigured.

SignalTap II 
instructions

Monitors internal device operation with the SignalTap II embedded 
logic analyzer.

Note to 

Table 3–1

:

(1)

Bus hold and weak pull-up resistor features override the high-impedance state of 

HIGHZ

CLAMP

, and 

EXTEST

.

Table 3–1. Cyclone JTAG Instructions  (Part 2 of 2)

JTAG Instruction

Instruction Code

Description

ac/Altera/FPGA_cyc-html.html
background image

Altera Corporation 

 

3–3

February 2005

Preliminary

IEEE Std. 1149.1 (JTAG) Boundary Scan Support

The Cyclone device instruction register length is 10 bits and the 
USERCODE register length is 32 bits. 

Tables 3–2

 and 

3–3

 show the 

boundary-scan register length and device IDCODE information for 
Cyclone devices.

Table 3–2. Cyclone Boundary-Scan Register Length

Device

Boundary-Scan Register Length

EP1C3

339

EP1C4

930

EP1C6

582

EP1C12

774

EP1C20

930

Table 3–3. 32-Bit Cyclone Device IDCODE

Device

IDCODE (32 bits)

(1)

Version (4 Bits)

Part Number (16 Bits)

Manufacturer Identity 

(11 Bits)

LSB (1 Bit)

(2)

EP1C3

0000

0010 0000 1000 0001

000 0110 1110

1

EP1C4

0000

0010 0000 1000 0101

000 0110 1110

1

EP1C6

0000

0010 0000 1000 0010

000 0110 1110

1

EP1C12

0000

0010 0000 1000 0011

000 0110 1110

1

EP1C20

0000

0010 0000 1000 0100

000 0110 1110

1

Notes to 

Table 3–3

:

(1)

The most significant bit (MSB) is on the left.

(2)

The IDCODE’s least significant bit (LSB) is always 

1

.

ac/Altera/FPGA_cyc-html.html
background image

3–4

 Altera 

Corporation

Preliminary

February 2005

Cyclone Device Handbook, Volume 1

Figure 3–1

 shows the timing requirements for the JTAG signals.

Figure 3–1. Cyclone JTAG Waveforms

Table 3–4

 shows the JTAG timing parameters and values for Cyclone 

devices.

Table 3–4. Cyclone JTAG Timing Parameters & Values

Symbol

Parameter

Min

Max

Unit

t

J C P

TCK

 clock period

 100

ns

t

J C H

TCK

 clock high time

50

ns

t

J C L

TCK

 clock low time

50

ns

t

J P S U

JTAG port setup time

20

ns

t

J P H

JTAG port hold time

45

ns

t

J P C O

JTAG port clock to output

25

ns

t

J P Z X

JTAG port high impedance to valid output

25

ns

t

J P X Z

JTAG port valid output to high impedance

25

ns

t

J S S U

Capture register setup time

20

ns

t

J S H

Capture register hold time

45

ns

t

J S C O

Update register clock to output

35

ns

t

J S Z X

Update register high impedance to valid output

35

ns

t

J S X Z

Update register valid output to high impedance

35

ns

TDO

TCK

t

JPZX

t

JPCO

t

JPH

t

JPXZ

 t

JCP

 t

JPSU

 t

JCL

 t

JCH

TDI

TMS

Signal

to Be

Captured

Signal

to Be

Driven

t

JSZX

t

JSSU

t

JSH

t

JSCO

t

JSXZ

ac/Altera/FPGA_cyc-html.html
background image

Altera Corporation 

 

3–5

February 2005

Preliminary

SignalTap II Embedded Logic Analyzer

1

Cyclone devices must be within the first 17 devices in a JTAG 
chain. All of these devices have the same JTAG controller. If any 
of the Cyclone devices are in the 18th or after they will fail 
configuration. This does not affect the SignalTap

®

II logic 

analyzer. 

f

For more information on JTAG, see the following documents:

AN 39: IEEE Std. 1149.1 (JTAG) Boundary-Scan Testing in Altera 
Devices

Jam Programming & Test Language Specification

SignalTap II 
Embedded Logic 
Analyzer

Cyclone devices feature the SignalTap II embedded logic analyzer, which 
monitors design operation over a period of time through the IEEE 
Std. 1149.1 (JTAG) circuitry. A designer can analyze internal logic at 
speed without bringing internal signals to the I/O pins. This feature is 
particularly important for advanced packages, such as FineLine BGA 
packages, because it can be difficult to add a connection to a pin during 
the debugging process after a board is designed and manufactured.

Configuration

The logic, circuitry, and interconnects in the Cyclone architecture are 
configured with CMOS SRAM elements. Altera FPGAs are 
reconfigurable and every device is tested with a high coverage 
production test program so the designer does not have to perform fault 
testing and can instead focus on simulation and design verification.

Cyclone devices are configured at system power-up with data stored in 
an Altera configuration device or provided by a system controller. The 
Cyclone device's optimized interface allows the device to act as controller 
in an active serial configuration scheme with the new low-cost serial 
configuration device. Cyclone devices can be configured in under 120 ms 
using serial data at 20 MHz. The serial configuration device can be 
programmed via the ByteBlaster II download cable, the Altera 
Programming Unit (APU), or third-party programmers.

In addition to the new low-cost serial configuration device, Altera offers 
in-system programmability (ISP)-capable configuration devices that can 
configure Cyclone devices via a serial data stream. The interface also 
enables microprocessors to treat Cyclone devices as memory and 
configure them by writing to a virtual memory location, making 
reconfiguration easy. After a Cyclone device has been configured, it can 
be reconfigured in-circuit by resetting the device and loading new data. 
Real-time changes can be made during system operation, enabling 
innovative reconfigurable computing applications.

ac/Altera/FPGA_cyc-html.html
background image

3–6

 Altera 

Corporation

Preliminary

February 2005

Cyclone Device Handbook, Volume 1

Operating Modes

The Cyclone architecture uses SRAM configuration elements that require 
configuration data to be loaded each time the circuit powers up. The 
process of physically loading the SRAM data into the device is called 
configuration. During initialization, which occurs immediately after 
configuration, the device resets registers, enables I/O pins, and begins to 
operate as a logic device. Together, the configuration and initialization 
processes are called command mode. Normal device operation is called 
user mode.

SRAM configuration elements allow Cyclone devices to be reconfigured 
in-circuit by loading new configuration data into the device. With real-
time reconfiguration, the device is forced into command mode with a 
device pin. The configuration process loads different configuration data, 
reinitializes the device, and resumes user-mode operation. Designers can 
perform in-field upgrades by distributing new configuration files either 
within the system or remotely.

A built-in weak pull-up resistor pulls all user I/O pins to V

CCIO

 before 

and during device configuration.

The configuration pins support 1.5-V/1.8-V or 2.5-V/3.3-V I/O 
standards. The voltage level of the configuration output pins is 
determined by the V

CCIO

 of the bank where the pins reside. The bank 

V

CCIO

 selects whether the configuration inputs are 1.5-V, 1.8-V, 2.5-V, or 

3.3-V compatible.

Configuration Schemes

Designers can load the configuration data for a Cyclone device with one 
of three configuration schemes (see 

Table 3–5

), chosen on the basis of the 

target application. Designers can use a configuration device, intelligent 
controller, or the JTAG port to configure a Cyclone device. A low-cost 
configuration device can automatically configure a Cyclone device at 
system power-up.

ac/Altera/FPGA_cyc-html.html
background image

Altera Corporation 

 

3–7

February 2005

Preliminary

Configuration

Multiple Cyclone devices can be configured in any of the three 
configuration schemes by connecting the configuration enable (

nCE

) and 

configuration enable output (

nCEO

) pins on each device.

Table 3–5. Data Sources for Configuration

Configuration Scheme

Data Source

Active serial

Low-cost serial configuration device

Passive serial (PS)

Enhanced or EPC2 configuration device, 
MasterBlaster or ByteBlasterMV download cable, 
or serial data source

JTAG

MasterBlaster or ByteBlasterMV download cable 
or a microprocessor with a Jam or JBC file

ac/Altera/FPGA_cyc-html.html
background image

3–8

 Altera 

Corporation

Preliminary

February 2005

Cyclone Device Handbook, Volume 1

ac/Altera/FPGA_cyc-html.html
background image

Altera Corporation 

 

4–1

February 2005

Preliminary

4. DC & Switching

Characteristics

Operating 
Conditions

Cyclone devices are offered in both commercial, industrial, and extended 
temperature grades. However, industrial-grade and extended-
temperature-grade devices may have limited speed-grade availability.

Tables 4–1

 through 

4–16

 provide information on absolute maximum 

ratings, recommended operating conditions, DC operating conditions, 
and capacitance for Cyclone devices.

Table 4–1. Cyclone Device Absolute Maximum Ratings

Notes (1)

(2)

Symbol

Parameter

Conditions

Minimum

Maximum

Unit

V

CCINT

Supply voltage

With respect to ground 

(3)

–0.5

2.4

V

V

CCIO

–0.5

4.6

V

V

I

DC input voltage

–0.5

4.6

V

I

OUT

DC output current, per pin

–25

25

mA

T

STG

Storage temperature

No bias

–65

150

°

 C

T

AMB

Ambient temperature

Under bias

–65

135

°

 C

T

J

Junction temperature

BGA packages under bias

135

°

 C

Table 4–2. Cyclone Device Recommended Operating Conditions  (Part 1 of 2)

Symbol

Parameter

Conditions

Minimum

 Maximum

Unit

V

CCINT

Supply voltage for internal logic 
and input buffers

(4)

1.425

1.575

V

V

CCIO

Supply voltage for output buffers, 
3.3-V operation

(4)

3.00

3.60

V

Supply voltage for output buffers, 
2.5-V operation

(4)

2.375

2.625

V

Supply voltage for output buffers, 
1.8-V operation

(4)

1.71

1.89

V

Supply voltage for output buffers, 
1.5-V operation

(4)

1.4

1.6

V

V

I

Input voltage

(3)

(5)

–0.5

4.1

V

C51004-1.4

ac/Altera/FPGA_cyc-html.html
background image

4–2

 Altera 

Corporation

Preliminary

February 2005

Cyclone Device Handbook, Volume 1

V

O

Output voltage

0

V

CCIO

V

T

J

Operating junction temperature

For commercial 
use

0

85

° 

C

For industrial use

–40

100

° 

C

For extended-
temperature use

–40

125

° 

C

Table 4–3. Cyclone Device DC Operating Conditions

Note (6)

Symbol

Parameter

Conditions

Minimum

Typical

Maximum

Unit

I

I

Input pin leakage 
current

V

I

 = V

C C I O m a x

 to 0 V 

(8)

–10

10

µ

A

I

OZ

Tri-stated I/O pin 
leakage current

V

O

 = V

C C I O m a x

 to 0 V 

(8)

–10

10 

µ

A

I

CC0

V

CC

 supply current 

(standby) (All M4K 
blocks in power-
down mode

(7)

EP1C3

4

mA

EP1C4

6

mA

EP1C6

6

mA

EP1C12

8

mA

EP1C20

12

mA

R

CONF

Value of I/O pin pull-
up resistor before 
and during 
configuration

V

CCIO

 = 3.6 V at –40 

° 

(9)

17

k

V

CCIO

 = 3.3 V at 25 

° 

(9)

25

k

V

CCIO

 = 3.0 V at 125 

° 

(9)

40

k

Table 4–4. LVTTL Specifications

Symbol

Parameter

Conditions

Minimum

Maximum

Unit

V

CCIO

Output supply voltage

3.0

3.6

V

V

I H

High-level input voltage

1.7

4.1

V

V

IL

Low-level input voltage

–0.5

0.7

V

V

OH

High-level output voltage

I

OH

 = –4 to –24 mA 

(10)

2.4

V

V

OL

Low-level output voltage

I

OL

 = 4 to 24 mA 

(10)

0.45

V

Table 4–2. Cyclone Device Recommended Operating Conditions  (Part 2 of 2)

Symbol

Parameter

Conditions

Minimum

 Maximum

Unit

ac/Altera/FPGA_cyc-html.html
background image

Altera Corporation 

 

4–3

February 2005

Preliminary

Operating Conditions

Table 4–5. LVCMOS Specifications

Symbol

Parameter

Conditions

Minimum

Maximum

Unit

V

CCIO

Output supply voltage

3.0

3.6

V

V

IH

High-level input voltage

1.7

4.1

V

V

IL

Low-level input voltage

–0.5

0.7

V

V

OH

High-level output voltage

V

CCIO

 = 3.0, 

I

OH

 = –0.1 mA

V

CCIO

 – 0.2

V

V

OL

Low-level output voltage

V

CCIO

 = 3.0,

I

OL

 = 0.1 mA

0.2

V

Table 4–6. 2.5-V I/O Specifications

Symbol

Parameter

Conditions

Minimum

Maximum

Unit

V

CCIO

Output supply voltage

2.375

2.625

V

V

IH

High-level input voltage

1.7

4.1

V

V

IL

Low-level input voltage

–0.5

0.7

V

V

OH

High-level output voltage

I

OH

 = –0.1 mA

2.1

V

I

OH

 = –1 mA

2.0

V

I

OH

 = –2 to –16 mA 

(10)

1.7

V

V

OL

Low-level output voltage

I

OL

 = 0.1 mA

0.2

V

I

OH

 = 1 mA

0.4

V

I

OH

 = 2 to 16 mA 

(10)

0.7

V

Table 4–7. 1.8-V I/O Specifications

Symbol

Parameter

Conditions

Minimum

Maximum

Unit

V

CCIO

Output supply voltage

1.65

1.95

V

V

I H

High-level input voltage

0.65 

×

 V

CCIO

2.25

V

V

IL

Low-level input voltage

–0.3

0.35 

×

 V

CCIO

V

V

OH

High-level output voltage

I

OH

 = –2 to –8 mA 

(10)

V

CCIO

 – 0.45

V

V

OL

Low-level output voltage

I

OL

 = 2 to 8 mA 

(10)

0.45

V

ac/Altera/FPGA_cyc-html.html
background image

4–4

 Altera 

Corporation

Preliminary

February 2005

Cyclone Device Handbook, Volume 1

Table 4–8. 1.5-V I/O Specifications

Symbol

Parameter

Conditions

Minimum

Maximum

Unit

V

CCIO

Output supply voltage

1.4

1.6

V

V

I H

High-level input voltage

0.65 

×

 V

CCIO

V

CCIO

 + 0.3

V

V

IL

Low-level input voltage

–0.3

0.35 

×

 V

CCIO

V

V

OH

High-level output voltage

I

OH

 = –2 mA 

(10)

0.75 

×

 V

CCIO

V

V

OL

Low-level output voltage

I

OL

 = 2 mA 

(10)

0.25 

×

 V

CCIO

V

Table 4–9. 2.5-V LVDS I/O Specifications

Note (11)

Symbol

Parameter

Conditions

Minimum

Typical

Maximum

Unit

V

CCIO

I/O supply voltage

2.375

2.5

2.625

V

V

OD

Differential output voltage

R

L

 = 100 

250

550

mV

 V

OD

Change in V

OD

 between 

high and low

R

L

 = 100 

50

mV

V

OS

Output offset voltage

R

L

 = 100 

1.125

1.25

1.375

V

 V

OS

Change in V

OS

 between 

high and low

R

L

 = 100 

50

mV

V

TH

Differential input threshold

V

CM

 = 1.2 V

–100

100

mV

V

IN

Receiver input voltage 
range

0.0

2.4

V

R

L

Receiver differential input 
resistor

90

100

110

Table 4–10. 3.3-V PCI Specifications

Symbol

Parameter

Conditions

Minimum

Typical

Maximum

Unit

V

CCIO

Output supply voltage

3.0

3.3

3.6

V

V

IH

High-level input voltage

0.5 

×

 

V

CCIO

V

CCIO

 + 

0.5

V

V

IL

Low-level input voltage

–0.5

0.3 

×

 

V

CCIO

V

V

OH

High-level output voltage

I

OUT

 = –500 

µ

A

0.9 

×

 

V

CCIO

V

V

OL

Low-level output voltage

I

OUT

 = 1,500 

µ

A

0.1 

×

 

V

CCIO

V

ac/Altera/FPGA_cyc-html.html
background image

Altera Corporation 

 

4–5

February 2005

Preliminary

Operating Conditions

Table 4–11. SSTL-2 Class I Specifications

Symbol

Parameter

Conditions

Minimum

Typical

Maximum

Unit

V

CCIO

Output supply voltage

2.375

2.5

2.625

V

V

TT

Termination voltage

V

R E F

 – 0.04

V

R E F

V

R E F

 + 0.04

V

V

REF

Reference voltage

1.15

1.25

1.35

V

V

IH

High-level input voltage

V

R E F

 + 0.18

3.0

V

V

IL

Low-level input voltage

–0.3

V

R E F

 – 0.18

V

V

OH

High-level output voltage

I

OH

 = –8.1 mA 

(10)

V

TT

 + 0.57

V

V

OL

Low-level output voltage

I

OL

 = 8.1 mA 

(10)

V

T T

 – 0.57

V

Table 4–12. SSTL-2 Class II Specifications

Symbol

Parameter

Conditions

Minimum

Typical

Maximum

Unit

V

CCIO

Output supply voltage

2.3

2.5

2.7

V

V

TT

Termination voltage

V

R E F

 – 0.04

V

R E F

V

R E F

 + 0.04

V

V

REF

Reference voltage

1.15

1.25

1.35

V

V

IH

High-level input voltage

V

R E F

 + 0.18

V

CCIO

 + 0.3

V

V

IL

Low-level input voltage

–0.3

V

R E F

 – 0.18

V

V

OH

High-level output voltage

I

OH

 = –16.4 mA 

(10)

V

TT

 + 0.76

V

V

OL

Low-level output voltage

I

OL

 = 16.4 mA 

(10)

V

T T

 – 0.76

V

Table 4–13. SSTL-3 Class I Specifications

Symbol

Parameter

Conditions

Minimum

Typical

Maximum

Unit

V

CCIO

Output supply voltage

3.0

3.3

3.6

V

V

TT

Termination voltage

V

R E F

 – 0.05

V

R E F

V

R E F

 + 0.05

V

V

REF

Reference voltage

1.3

1.5

1.7

V

V

IH

High-level input voltage

V

R E F

 + 0.2

V

CCIO

 + 0.3

V

V

IL

Low-level input voltage

–0.3

V

R E F

 – 0.2

V

V

OH

High-level output voltage

I

OH

 = –8 mA 

(10)

V

TT

 + 0.6

V

V

OL

Low-level output voltage

I

OL

 = 8 mA 

(10)

V

T T

 – 0.6

V

ac/Altera/FPGA_cyc-html.html
background image

4–6

 Altera 

Corporation

Preliminary

February 2005

Cyclone Device Handbook, Volume 1

Table 4–14. SSTL-3 Class II Specifications

Symbol

Parameter

Conditions

Minimum

Typical

Maximum

Unit

V

CCIO

Output supply voltage

3.0

3.3

3.6

V

V

TT

Termination voltage

V

R E F

 – 0.05

V

R E F

V

R E F

 + 0.05

V

V

REF

Reference voltage

1.3

1.5

1.7

V

V

IH

High-level input voltage

V

R E F

 + 0.2

V

CCIO

 + 0.3

V

V

IL

Low-level input voltage

–0.3

V

R E F

 – 0.2

V

V

OH

High-level output voltage

I

OH

 = –16 mA 

(10)

V

T T

 + 0.8

V

V

OL

Low-level output voltage

I

OL

 = 16 mA 

(10)

V

TT

 – 0.8

V

Table 4–15. Bus Hold Parameters

Parameter

Conditions

V

C C I O

 Level

Unit

1.5  V

1.8  V

2.5  V

3.3  V

Min

Max

Min

Max

Min

Max

Min

Max

Low sustaining 
current

V

IN

 > V

IL

 

(maximum)

30

50

70

µ

A

High sustaining 
current

V

IN

 < V

IH

 

(minimum)

–30

–50

–70

µ

A

Low overdrive 
current

0 V < V

IN

 < 

V

CCIO

200

300

500

µ

A

High overdrive 
current

0 V < V

IN

 < 

V

CCIO

–200

–300

–500

µ

A

ac/Altera/FPGA_cyc-html.html
background image

Altera Corporation 

 

4–7

February 2005

Preliminary

Power Consumption

Power 
Consumption

Designers can use the Altera web power calculator to estimate the device 
power.

Cyclone devices require a certain amount of power-up current to 
successfully power up because of the nature of the leading-edge process 
on which they are fabricated

Table 4–17

 shows the maximum power-up 

current required to power up a Cyclone device. 

Table 4–16. Cyclone Device Capacitance

Note (12)

Symbol

Parameter

Typical

Unit

C

IO

Input capacitance for user I/O pin

4.0

pF

C

LVDS

Input capacitance for dual-purpose LVDS/user I/O pin

4.7

pF

C

VREF

Input capacitance for dual-purpose V

R E F

/user I/O pin.

12.0

pF

C

DPCLK

Input capacitance for dual-purpose 

DPCLK

/user I/O pin.

4.4

pF

C

CLK

Input capacitance for CLK pin.

4.7

pF

Notes to 

Tables 4–1

 through 

4–16

:

(1)

See the 

Operating Requirements for Altera Devices Data Sheet

.

(2)

Conditions beyond those listed in 

Table 4–1

 may cause permanent damage to a device. Additionally, device 

operation at the absolute maximum ratings for extended periods of time may have adverse affects on the device.

(3)

Minimum DC input is –0.5 V. During transitions, the inputs may undershoot to –2.0 V or overshoot to 4.6 V for 
input currents less than 100 mA and periods shorter than 20 ns.

(4)

Maximum V

CC

 rise time is 100 ms, and V

CC

 must rise monotonically.

(5)

All pins, including dedicated inputs, clock, I/O, and JTAG pins, may be driven before V

CCINT

 and V

CCIO

 

are 

powered.

(6)

Typical values are for T

A

 = 25

° 

C, V

CCINT

 = 1.5 V, and V

CCIO

 = 1.5 V, 1.8 V, 2.5 V, and 3.3 V.

(7)

V

I

 = ground, no load, no toggling inputs.

(8)

This value is specified for normal device operation. The value may vary during power-up. This applies for all 
V

CCIO

 settings (3.3, 2.5, 1.8, and 1.5 V).

(9)

Pin pull-up resistance values will lower if an external source drives the pin higher than V

CCIO

.

(10) Drive strength is programmable according to values in 

Table 4–14

.

(11) The Cyclone LVDS interface requires a resistor network outside of the transmitter channels.
(12) Capacitance is sample-tested only. Capacitance is measured using time-domain reflections (TDR). Measurement 

accuracy is within 

±

0.5 pF.

Table 4–17. Cyclone Maximum Power-Up Current (I

CCINT

) Requirements (In-Rush Current)  (Part 1 of 2)

Device

Commercial Specification

Industrial Specification

Unit

EP1C3

150

180

mA

EP1C4 150

180

mA

EP1C6 175

210

mA

EP1C12

300

360

mA

ac/Altera/FPGA_cyc-html.html
background image

4–8

 Altera 

Corporation

Preliminary

February 2005

Cyclone Device Handbook, Volume 1

Designers should select power supplies and regulators that can supply 
this amount of current when designing with Cyclone devices. This 
specification is for commercial operating conditions. Measurements were 
performed with an isolated Cyclone device on the board. Decoupling 
capacitors were not used in this measurement. To factor in the current for 
decoupling capacitors, sum up the current for each capacitor using the 
following equation:

I = C (dV/dt)

The exact amount of current that is consumed varies according to the 
process, temperature, and power ramp rate. If the power supply or 
regulator can supply more current than required, the Cyclone device may 
consume more current than the maximum current specified in 

Table 4–17

However, the device does not require any more current to successfully 
power up than what is listed in 

Table 4–17

.

The duration of the I

CCINT

 power-up requirement depends on the V

CCINT

 

voltage supply rise time. The power-up current consumption drops when 
the V

CCINT

 supply reaches approximately 0.75 V. For example, if the 

V

CCINT

 rise time has a linear rise of 15 ms, the current consumption spike 

drops by 7.5 ms.

Typically, the user-mode current during device operation is lower than 
the power-up current in 

Table 4–17

. Altera recommends using the 

Cyclone Power Calculator, available on the Altera web site, to estimate 
the user-mode I

CCINT

 consumption and then select power supplies or 

regulators based on the higher value.

Timing Model

The DirectDrive technology and MultiTrack interconnect ensure 
predictable performance, accurate simulation, and accurate timing 
analysis across all Cyclone device densities and speed grades. This 
section describes and specifies the performance, internal, external, and 
PLL timing specifications. 

EP1C20

500

600

mA

Notes to 

Table 4–17

:

(1)

The Cyclone devices (except for the EP1C20 device) meet the power up specification for Mini PCI.

(2)

The lot codes 9G0082 to 9G2999, or 9G3109 and later comply to the specifications in 

Table 4–17

 and meet the Mini 

PCI specification. Lot codes appear at the top of the device.

(3)

The lot codes 9H0004 to 9H29999, or 9H3014 and later comply to the specifications in this table and meet the Mini 
PCI specification. Lot codes appear at the top of the device.

Table 4–17. Cyclone Maximum Power-Up Current (I

CCINT

) Requirements (In-Rush Current)  (Part 2 of 2)

Device

Commercial Specification

Industrial Specification

Unit

ac/Altera/FPGA_cyc-html.html
background image

Altera Corporation 

 

4–9

February 2005

Preliminary

Timing Model

All specifications are representative of worst-case supply voltage and 
junction temperature conditions.

Preliminary & Final Timing

Timing models can have either preliminary or final status. The 
Quartus

®

II software issues an informational message during the design 

compilation if the timing models are preliminary. 

Table 4–18

 shows the 

status of the Cyclone device timing models.

Preliminary status means the timing model is subject to change. Initially, 
timing numbers are created using simulation results, process data, and 
other known parameters. These tests are used to make the preliminary 
numbers as close to the actual timing parameters as possible. 

Final timing numbers are based on actual device operation and testing. 
These numbers reflect the actual performance of the device under 
worst-case voltage and junction temperature conditions.

Performance

The maximum internal logic array clock tree frequency is limited to the 
specifications shown in 

Table 4–19

.

Table 4–18. Cyclone Device Timing Model Status

Device

Preliminary

Final

EP1C3

v

EP1C4

v

EP1C6

v

EP1C12

v

EP1C20

v

Table 4–19. Clock Tree Maximum Performance Specification

Parameter

Definition

-6 Speed Grade

-7 Speed Grade

-8 Speed Grade

Units

Min

Typ

Max

Min

Typ

Max

Min

Typ

Max

Clock tree 
f

M A X

Maximum frequency 
that the clock tree 
can support for 
clocking registered 
logic

405

320

275

MHz

ac/Altera/FPGA_cyc-html.html
background image

4–10

 Altera 

Corporation

Preliminary

February 2005

Cyclone Device Handbook, Volume 1

Table 4–20

 shows the Cyclone device performance for some common 

designs. All performance values were obtained with the Quartus II 
software compilation of library of parameterized modules (LPM) 
functions or megafunctions. These performance values are based on 
EP1C6 devices in 144-pin TQFP packages.

Internal Timing Parameters

Internal timing parameters are specified on a speed grade basis 
independent of device density. 

Tables 4–21

 through 

4–24

 describe the 

Cyclone device internal timing microparameters for LEs, IOEs, M4K 
memory structures, and MultiTrack interconnects.

Table 4–20. Cyclone Device Performance

Resource 

Used

Design Size & 

Function

Mode

Resources Used

Performance

LEs

M4K 

Memory 

Bits

M4K 

Memory 

Blocks

-6 Speed 

Grade 
(MHz)

-7 Speed 

Grade 
(MHz)

-8 Speed 

Grade 
(MHz)

LE

16-to-1 
multiplexer

-

21

-

 -

405.00

320.00

275.00

32-to-1 
multiplexer

-

44

-

 -

317.36

284.98

260.15

16-bit counter

-

16

-

 -

405.00

320.00

275.00

64-bit counter 

(1)

-

66

-

 -

208.99

181.98

160.75

M4K 
memory 
block

RAM 128 × 36 bit

Single port

-

4,608

1

256.00

222.67

197.01

RAM 128 × 36 bit

Simple 
dual-port 
mode

-

4,608

1

255.95

222.67

196.97

RAM 256 × 18 bit

True dual-
port mode

-

4,608

1

255.95

222.67

196.97

FIFO 128 × 36 bit

-

40

4,608

1

256.02

222.67

197.01

Shift register 
9 × 4 × 128

Shift 
register

11

4,536

1

255.95

222.67

196.97

Note to 

Table 4–20

:

(1)

The performance numbers for this function are from an EP1C6 device in a 240-pin PQFP package.

Table 4–21. LE Internal Timing Microparameter Descriptions  (Part 1 of 2)

Symbol

Parameter

t

SU

LE register setup time before clock

t

H

LE register hold time after clock

ac/Altera/FPGA_cyc-html.html
background image

Altera Corporation 

 

4–11

February 2005

Preliminary

Timing Model

t

CO

LE register clock-to-output delay

t

LUT

LE combinatorial LUT delay for data-in to data-out

t

CLR

Minimum clear pulse width

t

PRE

Minimum preset pulse width

t

CLKHL

Minimum clock high or low time

Table 4–22. IOE Internal Timing Microparameter Descriptions

Symbol

Parameter

t

SU

IOE input and output register setup time before clock

t

H

IOE input and output register hold time after clock

t

CO

IOE input and output register clock-to-output delay

t

PIN2COMBOUT_R

Row input pin to IOE combinatorial output

t

PIN2COMBOUT_C

Column input pin to IOE combinatorial output

t

COMBIN2PIN_R

Row IOE data input to combinatorial output pin

t

COMBIN2PIN_C

Column IOE data input to combinatorial output pin

t

CLR

Minimum clear pulse width

t

PRE

Minimum preset pulse width

t

CLKHL

Minimum clock high or low time

Table 4–21. LE Internal Timing Microparameter Descriptions  (Part 2 of 2)

Symbol

Parameter

ac/Altera/FPGA_cyc-html.html
background image

4–12

 Altera 

Corporation

Preliminary

February 2005

Cyclone Device Handbook, Volume 1

Table 4–23. M4K Block Internal Timing Microparameter Descriptions

Symbol

Parameter

t

M4KRC

Synchronous read cycle time

t

M4KWC

Synchronous write cycle time

t

M4KWERESU

Write or read enable setup time before clock

t

M4KWEREH

Write or read enable hold time after clock

t

M4KBESU

Byte enable setup time before clock

t

M4KBEH

Byte enable hold time after clock

t

M4KDATAASU

A port data setup time before clock

t

M4KDATAAH

A port data hold time after clock

t

M4KADDRASU

A port address setup time before clock

t

M4KADDRAH

A port address hold time after clock

t

M4KDATABSU

B port data setup time before clock

t

M4KDATABH

B port data hold time after clock

t

M4KADDRBSU

B port address setup time before clock

t

M4KADDRBH

B port address hold time after clock

t

M4KDATACO1

Clock-to-output delay when using output registers

t

M4KDATACO2

Clock-to-output delay without output registers

t

M4KCLKHL

Minimum clock high or low time

t

M4KCLR

Minimum clear pulse width

Table 4–24. Routing Delay Internal Timing Microparameter Descriptions

Symbol

Parameter

t

R4

Delay for an R4 line with average loading; covers a distance 
of four LAB columns

t

C4

Delay for an C4 line with average loading; covers a distance 
of four LAB rows

t

LOCAL

Local interconnect delay

ac/Altera/FPGA_cyc-html.html
background image

Altera Corporation 

 

4–13

February 2005

Preliminary

Timing Model

Figure 4–1

 shows the memory waveforms for the M4K timing parameters 

shown in 

Table 4–23

.

Figure 4–1. Dual-Port RAM Timing Microparameter Waveform

Internal timing parameters are specified on a speed grade basis 
independent of device density. 

Tables 4–25

 through 

4–28

 show the 

internal timing microparameters for LEs, IOEs, TriMatrix memory 
structures, DSP blocks, and MultiTrack interconnects. 

wrclock

wren

wraddress

data-in

reg_data-out

an-1

an

a0

a1

a2

a3

a4

a5

din-1

din

din4

din5

rdclock

a6

din6

unreg_data-out

rden

rdaddress

bn

b0

b1

b2

b3

doutn-2

doutn-1

doutn

doutn-1

doutn

dout0

t

WERESU

t

WEREH

t

DATACO1

t

DATACO2

t

DATASU

t

DATAH

t

WEREH

t

WERESU

t

WADDRSU

t

WADDRH

dout0

t

RC

Table 4–25. LE Internal Timing Microparameters  (Part 1 of 2)

Symbol

-6

-7

-8

Unit

Min

Max

Min

Max

Min

Max

t

SU

29

33

37

ps 

t

H

12

13

15

ps 

t

CO

173

198

224

ps 

t

LUT

454

522

590

ps 

ac/Altera/FPGA_cyc-html.html
background image

4–14

 Altera 

Corporation

Preliminary

February 2005

Cyclone Device Handbook, Volume 1

t

CLR

129

148

167

ps 

t

PRE

129

148

167

ps 

t

CLKHL

1,234

1,562

1,818

ps 

Table 4–26. IOE Internal Timing Microparameters

Symbol

-6

-7

-8

Unit

Min

Max

Min

Max

Min

Max

t

SU

348

400

452

ps

t

H

0

0

0

ps

t

CO

511

587

664

ps

t

PIN2COMBOUT_R

1,130

1,299

1,469

ps

t

PIN2COMBOUT_C

1,135

1,305

1,475

ps

t

COMBIN2PIN_R

2,627

3,021

3,415

ps

t

COMBIN2PIN_C

2,615

3,007

3,399

ps

t

CLR

280

322

364

ps

t

PRE

280

322

364

ps

t

CLKHL

1,234

1,562

1,818

ps

Table 4–27. M4K Block Internal Timing Microparameters  (Part 1 of 2)

Symbol

-6

-7

-8

Unit

Min

Max

Min

Max

Min

Max

t

M4KRC

4,379

5,035

5,691

ps

t

M4KWC

2,910

3,346

3,783

ps

t

M4KWERESU

72

82

93

ps

t

M4KWEREH

43

49

55

ps

t

M4KBESU

72

82

93

ps

t

M4KBEH

43

49

55

ps

t

M4KDATAASU

72

82

93

ps

t

M4KDATAAH

43

49

55

ps

Table 4–25. LE Internal Timing Microparameters  (Part 2 of 2)

Symbol

-6

-7

-8

Unit

Min

Max

Min

Max

Min

Max

ac/Altera/FPGA_cyc-html.html
background image

Altera Corporation 

 

4–15

February 2005

Preliminary

Timing Model

External Timing Parameters

External timing parameters are specified by device density and speed 
grade. 

Figure 4–2

 shows the timing model for bidirectional IOE pin 

timing. All registers are within the IOE.

t

M4KADDRASU

72

82

93

ps

t

M4KADDRAH

43

49

55

ps

t

M4KDATABSU

72

82

93

ps

t

M4KDATABH

43

49

55

ps

t

M4KADDRBSU

72

82

93

ps

t

M4KADDRBH

43

49

55

ps

t

M4KDATACO1

621

714

807

ps

t

M4KDATACO2

4,351

5,003

5,656

ps

t

M4KCLKHL

1,234

1,562

1,818

ps

t

M4KCLR

286

328

371

ps

Table 4–28. Routing Delay Internal Timing Microparameters

Symbol

-6

-7

-8

Unit

Min

Max

Min

Max

Min

Max

t

R4

261

300

339

ps

t

C4

338

388

439

ps

t

LOCAL

244

281

318

ps

Table 4–27. M4K Block Internal Timing Microparameters  (Part 2 of 2)

Symbol

-6

-7

-8

Unit

Min

Max

Min

Max

Min

Max

ac/Altera/FPGA_cyc-html.html
background image

4–16

 Altera 

Corporation

Preliminary

February 2005

Cyclone Device Handbook, Volume 1

Figure 4–2. External Timing in Cyclone Devices

All external I/O timing parameters shown are for 3.3-V LVTTL I/O 
standard with the maximum current strength and fast slew rate. For 
external I/O timing using standards other than LVTTL or for different 
current strengths, use the I/O standard input and output delay adders in 

Tables 4–40

 through 

4–44

.

Table 4–29

 shows the external I/O timing parameters when using global 

clock networks.

PRN

CLRN

D

Q

PRN

CLRN

D

Q

PRN

CLRN

D

Q

Dedicated
Clock

Bidirectional
Pin

Output Register

Input Register

OE Register

t

XZ

t

ZX

t

INSU

t

INH

t

OUTCO

Table 4–29. Cyclone Global Clock External I/O Timing Parameters

Notes (1)

(2)

  (Part 1 of 2)

Symbol

Parameter

Conditions

t

I N S U

Setup time for input or bidirectional pin using IOE input 
register with global clock fed by 

CLK

 pin

t

I N H

Hold time for input or bidirectional pin using IOE input 
register with global clock fed by 

CLK

 pin

t

O U T C O

Clock-to-output delay output or bidirectional pin using IOE 
output register with global clock fed by 

CLK

 pin

C

LOAD

 = 10 pF

t

I N S U P L L

Setup time for input or bidirectional pin using IOE input 
register with global clock fed by Enhanced PLL with default 
phase setting

t

I N H P L L

Hold time for input or bidirectional pin using IOE input 
register with global clock fed by enhanced PLL with default 
phase setting

ac/Altera/FPGA_cyc-html.html
background image

Altera Corporation 

 

4–17

February 2005

Preliminary

Timing Model

Tables 4–30

 through 

4–31

 show the external timing parameters on column 

and row pins for EP1C3 devices.

t

O U T C O P L L

Clock-to-output delay output or bidirectional pin using IOE 
output register with global clock enhanced PLL with default 
phase setting

C

LOAD

 = 10 pF

Notes to 

Table 4–29

:

(1)

These timing parameters are sample-tested only.

(2)

These timing parameters are for IOE pins using a 3.3-V LVTTL, 24-mA setting. Designers should use the Quartus II 
software to verify the external timing for any pin.

Table 4–29. Cyclone Global Clock External I/O Timing Parameters

Notes (1)

(2)

  (Part 2 of 2)

Symbol

Parameter

Conditions

Table 4–30. EP1C3 Column Pin Global Clock External I/O Timing 
Parameters

Symbol

-6 Speed Grade

-7 Speed Grade

-8 Speed Grade

Unit

Min

Max

Min

Max

Min

Max

t

I N S U

3.085

3.547

4.009

ns

t

I N H

0.000

0.000

0.000

ns

t

O U T C O

2.000

4.073

2.000

4.682

2.000

5.295

ns

t

I N S U P L L

1.795

2.063

2.332

ns

t

I N H P L L

0.000

0.000

0.000

ns

t

O U T C O P L L

0.500

2.306

0.500

2.651

0.500

2.998

ns

Table 4–31. EP1C3 Row Pin Global Clock External I/O Timing Parameters

Symbol

-6 Speed Grade

-7 Speed Grade

-8 Speed Grade

Unit

Min

Max

Min

Max

Min

Max

t

I N S U

3.157

3.630

4.103

ns

t

I N H

0.000

0.000

0.000

ns

t

O U T C O

2.000

3.984

2.000

4.580

2.000

5.180

ns

t

I N S U P L L

1.867

2.146

2.426

ns

t

I N H P L L

0.000

0.000

0.000

ns

t

O U T C O P L L

0.500

2.217

0.500

2.549

0.500

2.883

ns

ac/Altera/FPGA_cyc-html.html
background image

4–18

 Altera 

Corporation

Preliminary

February 2005

Cyclone Device Handbook, Volume 1

Tables 4–32

 through 

4–33

 show the external timing parameters on column 

and row pins for EP1C4 devices.

Table 4–32. EP1C4 Column Pin Global Clock External I/O Timing 
Parameters

Note (1)

Symbol

-6 Speed Grade

-7 Speed Grade

-8 Speed Grade

Unit

Min

Max

Min

Max

Min

Max

t

I N S U

2.471

2.841

3.210

ns

t

I N H

0.000

0.000

0.000

ns

t

O U T C O

2.000

3.937

2.000

4.526

2.000

5.119

ns

t

I N S U P L L

1.471

1.690

1.910

ns

t

I N H P L L

0.000

0.000

0.000

ns

t

O U T C O P L L

0.500

2.080

0.500

2.392

0.500

2.705

ns

Table 4–33. EP1C4 Row Pin Global Clock External I/O Timing 
Parameters

Note (1)

Symbol

-6 Speed Grade

-7 Speed Grade

-8 Speed Grade

Unit

Min

Max

Min

Max

Min

Max

t

I N S U

2.600

2.990

3.379

ns

t

I N H

0.000

0.000

0.000

ns

t

O U T C O

2.000

3.991

2.000

4.388

2.000

5.189

ns

t

I N S U P L L

1.300

1.494

1.689

ns

t

I N H P L L

0.000

0.000

0.000

ns

t

O U T C O P L L

0.500

2.234

0.500

2.569

0.500

2.905

ns

Note to 

Tables 4–32

 and 

4–33

:

(1)

Contact Altera Applications for EP1C4 device timing parameters.

ac/Altera/FPGA_cyc-html.html
background image

Altera Corporation 

 

4–19

February 2005

Preliminary

Timing Model

Tables 4–34

 through 

4–35

 show the external timing parameters on column 

and row pins for EP1C6 devices.

Tables 4–36

 through 

4–37

 show the external timing parameters on column 

and row pins for EP1C12 devices.

Table 4–34. EP1C6 Column Pin Global Clock External I/O Timing Parameters

Symbol

-6 Speed Grade

-7 Speed Grade

-8 Speed Grade

Unit

Min

Max

Min

Max

Min

Max

t

I N S U

2.691

3.094

3.496

ns

t

I N H

0.000

0.000

0.000

ns

t

O U T C O

2.000

3.917

2.000

4.503

2.000

5.093

ns

t

I N S U P L L

1.513

1.739

1.964

ns

t

I N H P L L

0.000

0.000

0.000

ns

t

O U T C O P L L

0.500

2.038

0.500

2.343

0.500

2.651

ns

Table 4–35. EP1C6 Row Pin Global Clock External I/O Timing Parameters

Symbol

-6 Speed Grade

-7 Speed Grade

-8 Speed Grade

Unit

Min

Max

Min

Max

Min

Max

t

I N S U

2.774

3.190

3.605

ns

t

I N H

0.000

0.000

0.000

ns

t

O U T C O

2.000

3.817

2.000

4.388

2.000

4.963

ns

t

I N S U P L L

1.596

1.835

2.073

ns

t

I N H P L L

0.000

0.000

0.000

ns

t

O U T C O P L L

0.500

1.938

0.500

2.228

0.500

2.521

ns

Table 4–36. EP1C12 Column Pin Global Clock External I/O Timing 
Parameters  (Part 1 of 2)

Symbol

-6 Speed Grade

-7 Speed Grade

-8 Speed Grade

Unit

Min

Max

Min

Max

Min

Max

t

I N S U

2.510

2.885

3.259

ns

t

I N H

0.000

0.000

0.000

ns

tO

U T C O

2.000

3.798

2.000

4.367

2.000

4.940

ns

t

I N S U P L L

1.588

1.824

2.061

ns

ac/Altera/FPGA_cyc-html.html
background image

4–20

 Altera 

Corporation

Preliminary

February 2005

Cyclone Device Handbook, Volume 1

Tables 4–38

 through 

4–39

 show the external timing parameters on column 

and row pins for EP1C20 devices.

t

I N H P L L

0.000

0.000

0.000

ns

t

O U T C O P L L

0.500

1.663

0.500

1.913

0.500

2.164

ns

Table 4–37. EP1C12 Row Pin Global Clock External I/O Timing Parameters

Symbol

-6 Speed Grade

-7 Speed Grade

-8 Speed Grade

Unit

Min

Max

Min

Max

Min

Max

t

I N S U

2.620

3.012

3.404

ns

t

I N H

0.000

0.000

0.000

ns

t

O U T C O

2.000

3.671

2.000

4.221

2.000

4.774

ns

t

I N S U P L L

1.698

1.951

2.206

ns

t

I N H P L L

0.000

0.000

0.000

ns

t

O U T C O P L L

0.500

1.536

0.500

1.767

0.500

1.998

ns

Table 4–38. EP1C20 Column Pin Global Clock External I/O Timing 
Parameters

Symbol

-6 Speed Grade

-7 Speed Grade

-8 Speed Grade

Unit

Min

Max

Min

Max

Min

Max

t

I N S U

2.417

2.779

3.140

ns

t

I N H

0.000

0.000

0.000

ns

t

O U T C O

2.000

3.724

2.000

4.282

2.000

4.843

ns

t

I N S U P L L

1.417

1.629

1.840

ns

t

I N H P L L

0.000

0.000

0.000

ns

t

O U T C O P L L

0.500

1.667

0.500

1.917

0.500

2.169

ns

Table 4–36. EP1C12 Column Pin Global Clock External I/O Timing 
Parameters  (Part 2 of 2)

Symbol

-6 Speed Grade

-7 Speed Grade

-8 Speed Grade

Unit

Min

Max

Min

Max

Min

Max

ac/Altera/FPGA_cyc-html.html
background image

Altera Corporation 

 

4–21

February 2005

Preliminary

Timing Model

External I/O Delay Parameters

External I/O delay timing parameters for I/O standard input and output 
adders and programmable input and output delays are specified by 
speed grade independent of device density. 

Tables 4–40

 through 

4–45

 show the adder delays associated with column 

and row I/O pins for all packages. If an I/O standard is selected other 
than LVTTL 24 mA with a fast slew rate, add the selected delay to the 
external t

CO

 and t

SU

 I/O parameters shown in 

Tables 4–25

 through 

4–28

.

Table 4–39. EP1C20 Row Pin Global Clock External I/O Timing Parameters

Symbol

-6 Speed Grade

-7 Speed Grade

-8 Speed Grade

Unit

Min

Max

Min

Max

Min

Max

t

I N S U

2.417

2.779

3.140

ns

t

I N H

0.000

0.000

0.000

ns

t

O U T C O

2.000

3.724

2.000

4.282

2.000

4.843

ns

t

X Z

3.645

4.191

4.740

ns

t

Z X

3.645

4.191

4.740

ns

t

I N S U P L L

1.417

1.629

1.840

ns

t

I N H P L L

0.000

0.000

0.000

ns

t

O U T C O P L L

0.500

1.667

0.500

1.917

0.500

2.169

ns

t

X Z P L L

1.588

1.826

2.066

ns

t

Z X P L L

1.588

1.826

2.066

ns

Table 4–40. Cyclone I/O Standard Column Pin Input Delay Adders  (Part 1 of 2)

I/O Standard

-6 Speed Grade

-7 Speed Grade

-8 Speed Grade

Unit

Min

Max

Min

Max

Min

Max

LVCMOS

0

0

0

ps

3.3-V LVTTL

0

0

0

ps

2.5-V LVTTL

27

31

35

ps

1.8-V LVTTL

182

209

236

ps

1.5-V LVTTL

278

319

361

ps

SSTL-3 class I

250

288

325

ps

SSTL-3 class II

250

288

325

ps

SSTL-2 class I

278

320

362

ps

ac/Altera/FPGA_cyc-html.html
background image

4–22

 Altera 

Corporation

Preliminary

February 2005

Cyclone Device Handbook, Volume 1

SSTL-2 class II

278

320

362

ps

LVDS

261

301

340

ps

Table 4–41. Cyclone I/O Standard Row Pin Input Delay Adders

I/O Standard

-6 Speed Grade

-7 Speed Grade

-8 Speed Grade

Unit

Min

Max

Min

Max

Min

Max

LVCMOS

0

0

0

ps

3.3-V LVTTL

0

0

0

ps

2.5-V LVTTL

27

31

35

ps

1.8-V LVTTL

182

209

236

ps

1.5-V LVTTL

278

319

361

ps

3.3-V PCI

(1)

0

0

0

ps

SSTL-3 class I

250

288

325

ps

SSTL-3 class II

250

288

325

ps

SSTL-2 class I

278

320

362

ps

SSTL-2 class II

278

320

362

ps

LVDS

261

301

340

ps

Table 4–42. Cyclone I/O Standard Output Delay Adders for Fast Slew Rate on Column Pins  (Part 1 of 2)

Standard

-6 Speed Grade

-7 Speed Grade

-8 Speed Grade

Unit

Min

Max

Min

Max

Min

Max

LVCMOS

2 mA

0

0

0

ps

4 mA

489

563

636

ps

8 mA

855

984

1,112

ps

12 mA

993

1,142

1,291

ps

3.3-V LVTTL

4 mA

0

0

0

ps

8 mA

347

400

452

ps

12 mA

858

987

1,116

ps

16 mA

819

942

1,065

ps

24 mA

993

1,142

1,291

ps

Table 4–40. Cyclone I/O Standard Column Pin Input Delay Adders  (Part 2 of 2)

I/O Standard

-6 Speed Grade

-7 Speed Grade

-8 Speed Grade

Unit

Min

Max

Min

Max

Min

Max

ac/Altera/FPGA_cyc-html.html
background image

Altera Corporation 

 

4–23

February 2005

Preliminary

Timing Model

2.5-V LVTTL

2 mA

329

378

427

ps

8 mA

661

761

860

ps

12 mA

655

754

852

ps

16 mA

795

915

1034

ps

1.8-V LVTTL

2 mA

4

4

5

ps

8 mA

208

240

271

ps

12 mA

208

240

271

ps

1.5-V LVTTL

2 mA

2,288

2,631

2,974

ps

4 mA

608

699

790

ps

8 mA

292

335

379

ps

SSTL-3 class I

410

472

533

ps

SSTL-3 class II

811

933

1,055

ps

SSTL-2 class I

485

558

631

ps

SSTL-2 class II

758

872

986

ps

LVDS

−998

−1,148

1,298

ps

Table 4–43. Cyclone I/O Standard Output Delay Adders for Fast Slew Rate on Row Pins  (Part 1 of 2)

Standard

-6 Speed Grade

-7 Speed Grade

-8 Speed Grade

Unit

Min

Max

Min

Max

Min

Max

LVCMOS

2 mA

0

0

0

ps

4 mA

489

563

636

ps

8 mA

855

984

1,112

ps

12 mA

993

1,142

1,291

ps

3.3-V LVTTL

4 mA

0

0

0

ps

8 mA

347

400

452

ps

12 mA

-858

987

1,116

ps

16 mA

819

942

1,065

ps

24 mA

993

1,142

1,291

ps

2.5-V LVTTL

2 mA

329

378

427

ps

8 mA

661

761

860

ps

12 mA

655

754

852

ps

16 mA

795

915

1,034

ps

Table 4–42. Cyclone I/O Standard Output Delay Adders for Fast Slew Rate on Column Pins  (Part 2 of 2)

Standard

-6 Speed Grade

-7 Speed Grade

-8 Speed Grade

Unit

Min

Max

Min

Max

Min

Max

ac/Altera/FPGA_cyc-html.html
background image

4–24

 Altera 

Corporation

Preliminary

February 2005

Cyclone Device Handbook, Volume 1

1.8-V LVTTL

2 mA

1,290

1,483

1,677

ps

8 mA

4

4

5

ps

12 mA

208

240

271

ps

1.5-V LVTTL

2 mA

2,288

2,631

2,974

ps

4 mA

608

699

790

ps

8 mA

292

335

379

ps

3.3-V PCI

(1)

877

1,009

1,141

ps

SSTL-3 class I

410

472

533

ps

SSTL-3 class II

811

933

1,055

ps

SSTL-2 class I

485

558

631

ps

SSTL-2 class II

758

872

986

ps

LVDS

998

1,148

1,298

ps

Table 4–44. Cyclone I/O Standard Output Delay Adders for Slow Slew Rate on Column Pins  (Part 1 of 2)

I/O Standard

-6 Speed Grade

-7 Speed Grade

-8 Speed Grade

Unit

Min

Max

Min

Max

Min

Max

LVCMOS

2 mA

1,800

2,070

2,340

ps

4 mA

1,311

1,507

1,704

ps

8 mA

945

1,086

1,228

ps

12 mA

807

928

1,049

ps

3.3-V LVTTL

4 mA

1,831

2,105

2,380

ps

8 mA

1,484

1,705

1,928

ps

12 mA

973

1,118

1,264

ps

16 mA

1,012

1,163

1,315

ps

24 mA

838

963

1,089

ps

2.5-V LVTTL

2 mA

2,747

3,158

3,570

ps

8 mA

1,757

2,019

2,283

ps

12 mA

1,763

2,026

2,291

ps

16 mA

1,623

1,865

2,109

ps

1.8-V LVTTL

2 mA

5,506

6,331

7,157

ps

8 mA

4,220

4,852

5,485

ps

12 mA

4,008

4,608

5,209

ps

Table 4–43. Cyclone I/O Standard Output Delay Adders for Fast Slew Rate on Row Pins  (Part 2 of 2)

Standard

-6 Speed Grade

-7 Speed Grade

-8 Speed Grade

Unit

Min

Max

Min

Max

Min

Max

ac/Altera/FPGA_cyc-html.html
background image

Altera Corporation 

 

4–25

February 2005

Preliminary

Timing Model

1.5-V LVTTL

2 mA

6,789

7,807

8,825

ps

4 mA

5,109

5,875

6,641

ps

8 mA

4,793

5,511

6,230

ps

SSTL-3 class I

1,390

1,598

1,807

ps

SSTL-3 class II

989

1,137

1,285

ps

SSTL-2 class I

1,965

2,259

2,554

ps

SSTL-2 class II

1,692

1,945

2,199

ps

LVDS

802

922

1,042

ps

Table 4–45. Cyclone I/O Standard Output Delay Adders for Slow Slew Rate on Row Pins  (Part 1 of 2)

I/O Standard

-6 Speed Grade

-7 Speed Grade

-8 Speed Grade

Unit

Min

Max

Min

Max

Min

Max

LVCMOS

2 mA

1,800

2,070

2,340

ps

4 mA

1,311

1,507

1,704

ps

8 mA

945

1,086

1,228

ps

12 mA

807

928

1,049

ps

3.3-V LVTTL

4 mA

1,831

2,105

2,380

ps

8 mA

1,484

1,705

1,928

ps

12 mA

973

1,118

1,264

ps

16 mA

1,012

1,163

1,315

ps

24 mA

838

963

1,089

ps

2.5-V LVTTL

2 mA

2,747

3,158

3,570

ps

8 mA

1,757

2,019

2,283

ps

12 mA

1,763

2,026

2,291

ps

16 mA

1,623

1,865

2,109

ps

1.8-V LVTTL

2 mA

5,506

6,331

7,157

ps

8 mA

4,220

4,852

5,485

ps

12 mA

4,008

4,608

5,209

ps

1.5-V LVTTL

2 mA

6,789

7,807

8,825

ps

4 mA

5,109

5,875

6,641

ps

8 mA

4,793

5,511

6,230

ps

3.3-V PCI

923

1,061

1,199

ps

Table 4–44. Cyclone I/O Standard Output Delay Adders for Slow Slew Rate on Column Pins  (Part 2 of 2)

I/O Standard

-6 Speed Grade

-7 Speed Grade

-8 Speed Grade

Unit

Min

Max

Min

Max

Min

Max

ac/Altera/FPGA_cyc-html.html
background image

4–26

 Altera 

Corporation

Preliminary

February 2005

Cyclone Device Handbook, Volume 1

Tables 4–46

 through 

4–47

 show the adder delays for the IOE 

programmable delays. These delays are controlled with the Quartus II 
software options listed in the Parameter column.

SSTL-3 class I

1,390

1,598

1,807

ps

SSTL-3 class II

989

1,137

1,285

ps

SSTL-2 class I

1,965

2,259

2,554

ps

SSTL-2 class II

1,692

1,945

2,199

ps

LVDS

802

922

1,042

ps

Note to 

Tables 4–40

 through 

4–45

:

(1)

EP1C3 devices do not support the PCI I/O standard.

Table 4–45. Cyclone I/O Standard Output Delay Adders for Slow Slew Rate on Row Pins  (Part 2 of 2)

I/O Standard

-6 Speed Grade

-7 Speed Grade

-8 Speed Grade

Unit

Min

Max

Min

Max

Min

Max

Table 4–46. Cyclone IOE Programmable Delays on Column Pins

Parameter

Setting

-6 Speed Grade

-7 Speed Grade

-8 Speed Grade

Unit

Min

Max

Min

Max

Min

Max

Decrease input delay to 
internal cells

Off

3,057

3,515

3,974

ps

Small

2,639

3,034

3,430

ps

Medium

2,212

2,543

2,875

ps

Large

155

178

201

ps

On

155

178

201

ps

Decrease input delay to 
input register

Off

3,057

3,515

3,974

ps

On

0

0

0

ps

Increase delay to output 
pin

Off

0

0

0

ps

On

552

634

717

ps

ac/Altera/FPGA_cyc-html.html
background image

Altera Corporation 

 

4–27

February 2005

Preliminary

Timing Model

Maximum Input & Output Clock Rates

Tables 4–48

 and 

4–49

 show the maximum input clock rate for column and 

row pins in Cyclone devices.  

Table 4–47. Cyclone IOE Programmable Delays on Row Pins

Parameter

Setting

-6 Speed Grade

-7 Speed Grade

-8 Speed Grade

Unit

Min

Max

Min

Max

Min

Max

Decrease input delay to 
internal cells

Off

3,057

3,515

3,974

ps

Small

2,639

3,034

3,430

ps

Medium

2,212

2,543

2,875

ps

Large

154

177

200

ps

On

154

177

200

ps

Decrease input delay to input 
register

Off

3,057

3,515

3,974

ps

On

0

0

0

ps

Increase delay to output pin

Off

0

0

0

ps

On

556

639

722

ps

Note 1: 

Table 4–47

(1)

EPC1C3 devices do not support the PCI I/O standard

Table 4–48. Cyclone Maximum Input Clock Rate for Column Pins

I/O Standard

-6 Speed 

Grade

-7 Speed 

Grade

-8 Speed 

Grade

Unit

LVTTL

464

428

387

MHz

2.5 V

392

302

207

MHz

1.8 V

387

311

252

MHz

1.5 V

387

320

243

MHz

LVCMOS

405

374

333

MHz

SSTL-3 class I

405

356

293

MHz

SSTL-3 class II

414

365

302

MHz

SSTL-2 class I

464

428

396

MHz

SSTL-2 class II

473

432

396

MHz

LVDS

567

549

531

MHz

ac/Altera/FPGA_cyc-html.html
background image

4–28

 Altera 

Corporation

Preliminary

February 2005

Cyclone Device Handbook, Volume 1

Tables 4–50

 and 

4–51

 show the maximum output clock rate for column 

and row pins in Cyclone devices.

Table 4–49. Cyclone Maximum Input Clock Rate for Row Pins

I/O Standard

-6 Speed 

Grade

-7 Speed 

Grade

-8 Speed 

Grade

Unit

LVTTL

464

428

387

MHz

2.5 V

392

302

207

MHz

1.8 V

387

311

252

MHz

1.5 V

387

320

243

MHz

LVCMOS

405

374

333

MHz

SSTL-3 class I

405

356

293

MHz

SSTL-3 class II

414

365

302

MHz

SSTL-2 class I

464

428

396

MHz

SSTL-2 class II

473

432

396

MHz

3.3-V PCI

(1)

464

428

387

MHz

LVDS

567

549

531

MHz

Note to 

Tables 4–48

 through 

4–49

:

(1)

EP1C3 devices do not support the PCI I/O standard. These parameters are only 
available on row I/O pins.

Table 4–50. Cyclone Maximum Output Clock Rate for Column Pins

I/O Standard

-6 Speed 

Grade

-7 Speed 

Grade

-8 Speed 

Grade

Unit

LVTTL

304

304

304

MHz

2.5 V

220

220

220

MHz

1.8 V

213

213

213

MHz

1.5 V

166

166

166

MHz

LVCMOS

304

304

304

MHz

SSTL-3 class I

100

100

100

MHz

SSTL-3 class II

100

100

100

MHz

SSTL-2 class I

134

134

134

MHz

SSTL-2 class II

134

134

134

MHz

LVDS

320

320

275

MHz

Note: 

Table 4–50

(1)

EP1C3 devices do not support the PCI I/O standard. 

ac/Altera/FPGA_cyc-html.html
background image

Altera Corporation 

 

4–29

February 2005

Preliminary

Timing Model

PLL Timing

Table 4–52

 describes the Cyclone FPGA PLL specifications.

Table 4–51. Cyclone Maximum Output Clock Rate for Row Pins

I/O Standard

-6 Speed 

Grade

-7 Speed 

Grade

-8 Speed 

Grade

Unit

LVTTL

296

285

273

MHz

2.5 V

381

366

349

MHz

1.8 V

286

277

267

MHz

1.5 V

219

208

195

MHz

LVCMOS

367

356

343

MHz

SSTL-3 class I

169

166

162

MHz

SSTL-3 class II

160

151

146

MHz

SSTL-2 class I

160

151

142

MHz

SSTL-2 class II

131

123

115

MHz

3.3-V PCI

(1)

66

66

66

MHz

LVDS

328

303

275

MHz

Note to 

Tables 4–50

 through 

4–51

:

(1)

EP1C3 devices do not support the PCI I/O standard. These parameters are only 
available on row I/O pins.

Table 4–52. Cyclone PLL Specifications 

Note (1)

  (Part 1 of 2)

Symbol

Parameter

Min

Max

Unit

f

IN

Input frequency (-6 speed 
grade)

15.625

464

MHz

Input frequency (-7 speed 
grade)

15.625

428

MHz

Input frequency (-8 speed 
grade)

15.625

387

MHz

f

IN

 DUTY

Input clock duty cycle

40.00

60

%

t

IN

 JITTER 

Input clock period jitter

±

 200

ps

f

OUT_EXT 

(external PLL 

clock output)

PLL output frequency 
(-6 speed grade)

15.625

320

MHz

PLL output frequency 
(-7 speed grade)

15.625

320

MHz

PLL output frequency 
(-8 speed grade)

15.625

275

MHz

ac/Altera/FPGA_cyc-html.html
background image

4–30

 Altera 

Corporation

Preliminary

February 2005

Cyclone Device Handbook, Volume 1

f

OUT

 (to global clock)

PLL output frequency 
(-6 speed grade)

15.625

405

MHz

PLL output frequency 
(-7 speed grade)

15.625

320

MHz

PLL output frequency 
(-8 speed grade)

15.625

275

MHz

t

OUT

 DUTY 

Duty cycle for external clock 
output (when set to 50

%

)

45.00

55

%

t

JITTER 

(2)

Period jitter for external clock 
output

±300 

(3)

ps

t

LOCK

 

(4)

Time required to lock from end 
of device configuration 

10.00

100

µ

s

f

VCO

PLL internal VCO operating 
range

500.00

1,000

MHz

Counter values

2 to 32

integer

N, G0, G1, E

Counter values

1

32

integer

Notes to 

Table 4–52

:

(1)

These numbers are preliminary and pending silicon characterization.

(2)

The t

JITTER

 specification for the 

PLL[2..1]_OUT

 pins are dependent on the I/O pins in its V

CCIO

 bank, how many 

of them are switching outputs, how much they toggle, and whether or not they use programmable current strength 
or slow slew rate.

(3)

f

OUT

 

 100 MHz. When the PLL external clock output frequency (f

OUT

) is smaller than 100 MHz, the jitter 

specification is 60 mUI.

(4)

f

IN/N

 must be greater than 200 MHz to ensure correct lock circuit operation below –20 C.

Table 4–52. Cyclone PLL Specifications 

Note (1)

  (Part 2 of 2)

Symbol

Parameter

Min

Max

Unit

ac/Altera/FPGA_cyc-html.html
background image

Altera Corporation 

 

5–1

February 2005

Preliminary

5. Reference & Ordering

Information

Software

Cyclone devices are supported by the Altera Quartus

®

II design software, 

which provides a comprehensive environment for system-on-a-
programmable-chip (SOPC) design. The Quartus II software includes 
HDL and schematic design entry, compilation and logic synthesis, full 
simulation and advanced timing analysis, SignalTap II logic analysis, and 
device configuration. See the Design Software Selector Guide for more 
details on the Quartus II software features.

The Quartus II software supports the Windows 2000/NT/98, Sun Solaris, 
Linux Red Hat v7.1 and HP-UX operating systems. It also supports 
seamless integration with industry-leading EDA tools through the 
NativeLink

®

 interface.

Device Pin-Outs

Device pin-outs for Cyclone devices are available on the Altera web site 
(

www.altera.com

) and in the 

Cyclone FPGA Device Handbook

.

Ordering 
Information

Figure 5–1

 describes the ordering codes for Cyclone devices. For more 

information on a specific package, refer to 

Chapter 6, Package 

Information for Cyclone Devices

.

Figure 5–1. Cyclone Device Packaging Ordering Information

Device Type

Package Type

6, 7, or 8 , with 6 bein

g

 the fastest

Number of pins for a particular packa

g

e

ES:

T:
Q:
F:

Thin quad flat pack (TQFP)
Plastic quad flat pack (PQFP)
FineLine BGA

EP1C: Cyclone

3
4
6
12
20

C:
I:

Commercial temperature (t

J

 = 0

˚

 C to 85

˚

 C)

Industrial temperature (t

J

 = -40

˚

 C to 100

˚

 C)

Optional Suffix

Family Signature

Operating Temperature

Speed Grade

Pin Count

En

g

ineerin

g

 sample

7

EP1C

20

C

400

F

ES

Indicates specific device options or 
shipment method.

N: Lead free devices

C51005-1.1

ac/Altera/FPGA_cyc-html.html
background image

5–2

 Altera 

Corporation

Preliminary

February 2005

Cyclone Device Handbook, Volume 1