background image

Altera Corporation 

 

Section I–1

Preliminary

Section I. Cyclone II

Device Family Data Sheet

This section provides information for board layout designers to 
successfully layout their boards for Cyclone

II devices. It contains the 

required PCB layout guidelines, device pin tables, and package 
specifications.

This section includes the following chapters:

Chapter 1. Introduction

Chapter 2. Cyclone II Architecture

Chapter 3. Configuration & Testing

Chapter 4. Hot Socketing, ESD & Power-On Reset

Chapter 5. DC Characteristics & Timing Specifications

Chapter 6. Reference & Ordering Information

ac/Altera/FPGA_cyc2-html.html
background image

Section I–2

 

Altera Corporation

Preliminary

Cyclone II Device Family Data Sheet

Cyclone II Device Handbook, Volume 1

Revision History

The table below shows the revision history for 

Chapters 1

 through 

6

.

Chapter(s)

Date / Version

Changes Made

1

November 
2004, v1.1

Updated 

Table 1–2

.

Updated bullet list in the 

“Features”

 section.

June 2004, 
v1.0

Added document to the Cyclone II Device 
Handbook.

2

November 
2004, v1.1

Updated 

Table 2–20

.

June 2004, 
v1.0

Added document to the Cyclone II Device 
Handbook.

3

November 
2004. v1.1

Updated 

Table 3–4

.

June 2004, 
v1.0

Added document to the Cyclone II Device 
Handbook.

4

June 2004, 
v1.0

Added document to the Cyclone II Device 
Handbook.

5

November 
2004, v1.1

Updated the 

“Differential I/O Standards”

 

section.

Updated 

Table 5–16

.

June 2004, 
v1.0

Added document to the Cyclone II Device 
Handbook.

6

November 
2004, v1.1

Updated 

Figure 6–1

.

June 2004, 
v1.0

Added document to the Cyclone II Device 
Handbook.

ac/Altera/FPGA_cyc2-html.html
background image

Altera Corporation 

 

 

1–1

November 2004

Preliminary

Chapter 1. Introduction

Introduction

Altera’s low-cost Cyclone

TM

II FPGA family is based on a 1.2-V, 90-nm 

SRAM process with densities over 68K logic elements (LEs) and up to 
1.1 Mbits of embedded RAM. With features like embedded 
18 × 18 multipliers to support high-performance DSP applications, 
phase-locked loops (PLLs) for system clock management, and high-speed 
external memory interface support for SRAM and DRAM devices, 
Cyclone II devices are a cost-effective solution for high-volume 
applications. Cyclone II devices support differential and single-ended 
I/O standards, including LVDS at data rates up to 805 megabits per 
second (Mbps) for the receiver and 622 Mbps for the transmitter, and 
64-bit, 66-MHz PCI and PCI-X for interfacing with processors and ASSP 
and ASIC devices. Altera also offers low-cost serial configuration devices 
to configure Cyclone II devices. The Cyclone II FPGA family offers 
commercial grade, industrial grade, and lead-free devices.

Features

The Cyclone II device family offers the following features:

High-density architecture with 4,608 to 68,288 LEs

M4K embedded memory blocks

Up to 1.1 Mbits of RAM available without reducing available 
logic

4,096 memory bits per block (4,608 bits per block including 
512 parity bits)

Variable port configurations of ×1, ×2, ×4, ×8, ×9, ×16, ×18, ×32, 
and ×36

True dual-port (one read and one write, two reads, or two 
writes) operation for ×1, ×2, ×4, ×8, ×9, ×16, and ×18 modes

Byte enables for data input masking during writes

Up to 250-MHz operation

Embedded multipliers

18- × 18-bit multipliers are each configurable as two 
independent 9- × 9-bit multipliers with up to 250-MHz 
performance

Optional input and output registers

Advanced I/O support

High-speed differential I/O standard support, including LVDS, 
RSDS, mini-LVDS, LVPECL, differential HSTL, and differential 
SSTL

Single-ended I/O standard support, including 2.5-V and 1.8-V 
SSTL class I and II, 1.8-V and 1.5-V HSTL class I and II, 3.3-V PCI 

CII51001-1.1

ac/Altera/FPGA_cyc2-html.html
background image

1–2

 

Preliminary

Altera Corporation

Cyclone II Device Handbook, Volume 1

November 2004

Features

and PCI-X 1.0, 3.3-, 2.5-, 1.8-, and 1.5-V LVCMOS, and 3.3-, 2.5-, 
and 1.8-V LVTTL

Peripheral component interconnect Special Interest Group (PCI 
SIG) 

PCI Local Bus Specification, Revision 3.0

 compliance for 

3.3-V operation at 33 or 66 MHz for 32- or 64-bit interfaces

100-MHz PCI-X 1.0 specification compatibility

High-speed external memory support, including DDR, DDR2, 
and SDR SDRAM, and QDRII SRAM

Three dedicated registers per I/O element (IOE): one input 
register, one output register, and one output-enable register

Programmable bus-hold feature

Programmable output drive strength feature

Programmable delays from the pin to the IOE or logic array

I/O bank grouping for unique V

CCIO

 and/or V

REF

 bank settings

MultiVolt

TM

 I/O standard support for 1.5-, 1.8-, 2.5-, and 3.3-V 

interfaces

Hot-socketing operation support

Tri-state with weak pull-up on I/O pins before and during 
configuration

Programmable open-drain outputs

Series on-chip termination support

Flexible clock management circuitry

Hierarchical clock network for up to 402.5-MHz performance

Up to four PLLs per device provide clock multiplication and 
division, phase shifting, programmable duty cycle, and external 
clock outputs, allowing system-level clock management and 
skew control

Up to 16 global clock lines in the global clock network that drive 
throughout the entire device

Device configuration

Fast serial configuration allows configuration times less than 
100 ms

Decompression feature allows for smaller programming file 
storage and faster configuration times

Supports multiple configuration modes: active serial, passive 
serial, and JTAG-based configuration

Supports configuration through low-cost serial configuration 
devices

Device configuration supports multiple voltages (either 3.3, 2.5, 
or 1.8 V)

Intellectual property

Altera megafunction support

Altera MegaCore

®

 function support

Altera Megafunctions Partners Program (AMPP

SM

megafunctions support

ac/Altera/FPGA_cyc2-html.html
background image

Altera Corporation 

 

Preliminary

1–3

November 2004

Cyclone II Device Handbook, Volume 1

Introduction

Table 1–1

 lists the Cyclone II device family features. 

Table 1–2

 lists the 

Cyclone II device package offerings and maximum user I/O pins.

Table 1–1. Cyclone II FPGA Family Features

Feature

EP2C5

EP2C8

EP2C20

EP2C35

EP2C50

EP2C70

LEs

4,608

8,256

18,752

33,216

50,528

68,416

M4K RAM blocks (4 Kbits 
plus 512 parity bits

26

36

52

105

129

250

Total RAM bits

119,808

165,888

239,616

483,840

594,432

1,152,000

Embedded multipliers 

(1)

13

18

26

35

86

150

PLLs

2

2

4

4

4

4

Maximum user I/O pins

142

182

315

475

450

622

Note to 

Table 1–1

:

(1)

This is the total number of 18 × 18 multipliers. For the total number of 9 × 9 multipliers per device, multiply the 
total number of 18 × 18 multipliers by 2.

Table 1–2. Cyclone II Package Options & Maximum User I/O Pins

Note (1)

Device

144-Pin TQFP 

(2)

208-Pin PQFP 

(3)

256-Pin 

FineLine BGA

484-Pin 

FineLine BGA

672-Pin 

FineLine BGA

896-Pin 

FineLine BGA

EP2C5 

(5)

89

142

(4)

EP2C8 

(5)

85

138

182

EP2C20 

(5)

(4)

152

315

EP2C35 

(5)

322

475

EP2C50 

(5)

294

450

EP2C70 

(5)

422

622

Notes to 

Table 1–2

:

(1)

Cyclone II devices support vertical migration within the same package (for example, designers can migrate 
between the EP2C20 device in the 484-pin FineLine BGA

®

 package and the EP2C35 and EP2C50 devices in the same 

package).

(2)

TQFP: thin quad flat pack.

(3)

PQFP: plastic quad flat pack.

(4)

Contact your local Altera sales representative for more information on this device.

(5)

The I/O pin counts for the EP2C5 and EP2C8 devices include 8 dedicated clock pins that can be used for data 
inputs. The I/O counts for the EP2C20, EP2C35, EP2C50, and EP2C70 devices include 16 dedicated clock pins that 
can be used for data inputs.

ac/Altera/FPGA_cyc2-html.html
background image

1–4

 

Preliminary

Altera Corporation

Cyclone II Device Handbook, Volume 1

November 2004

Features

ac/Altera/FPGA_cyc2-html.html
background image

Altera Corporation 

 

 

2–1

November 2004

Preliminary

Chapter 2. Cyclone II

Architecture

Functional 
Description

Cyclone™ II devices contain a two-dimensional row- and column-based 
architecture to implement custom logic. Column and row interconnects of 
varying speeds provide signal interconnects between logic array blocks 
(LABs), embedded memory blocks, and embedded multipliers.

The logic array consists of LABs, with 16 logic elements (LEs) in each 
LAB. An LE is a small unit of logic providing efficient implementation of 
user logic functions. LABs are grouped into rows and columns across the 
device. Cyclone II devices range in density from 4,608 to 68,416 LEs.

Cyclone II devices provide a global clock network and up to four phase-
locked loops (PLLs). The global clock network consists of up to 16 global 
clock lines that drive throughout the entire device. The global clock 
network can provide clocks for all resources within the device, such as 
input/output elements (IOEs), LEs, embedded multipliers, and 
embedded memory blocks. The global clock lines can also be used for 
other high fan-out signals. Cyclone II PLLs provide general-purpose 
clocking with clock synthesis and phase shifting as well as external 
outputs for high-speed differential I/O support.

M4K memory blocks are true dual-port memory blocks with 4K bits of 
memory plus parity (4,608 bits). These blocks provide dedicated true 
dual-port, simple dual-port, or single-port memory up to 36-bits wide at 
up to 250 MHz. These blocks are arranged in columns across the device 
in between certain LABs. Cyclone II devices offer between 119 to 
1,152 Kbits of embedded memory.

Each embedded multiplier block can implement up to either two 9 × 9-bit 
multipliers, or one 18 × 18-bit multiplier with up to 250-MHz 
performance. Embedded multipliers are arranged in columns across the 
device.

Each Cyclone II device I/O pin is fed by an IOE located at the ends of LAB 
rows and columns around the periphery of the device. I/O pins support 
various single-ended and differential I/O standards, such as the 66- and 
33-MHz, 64- and 32-bit PCI standard, PCI-X, and the LVDS I/O standard 
at a maximum data rate of 805 megabits per second (Mbps) for inputs and 
622 Mbps for outputs. Each IOE contains a bidirectional I/O buffer and 
three registers for registering input, output, and output-enable signals. 
Dual-purpose DQS, DQ, and DM pins along with delay chains (used to 

CII51002-1.1

ac/Altera/FPGA_cyc2-html.html
background image

2–2

 

Preliminary

Altera Corporation

Cyclone II Device Handbook, Volume 1

November 2004

Functional Description

phase-align double data rate (DDR) signals) provide interface support for 
external memory devices such as DDR, DDR2, and single data rate (SDR) 
SDRAM, and QDRII SRAM devices at up to 167 MHz. 

Figure 2–1

 shows a diagram of the Cyclone II EP2C20 device.

Figure 2–1. Cyclone II EP2C20 Device Block Diagram

The number of M4K memory blocks, embedded multiplier blocks, PLLs, 
rows, and columns vary per device. 

Table 2–1

 lists the resources available 

in each Cyclone II device.

PLL

PLL

IOEs

PLL

PLL

IOEs

IOEs

Logic
Array

Logic
Array

Logic
Array

Logic
Array

IOEs

M4K Blocks

M4K Blocks

Embedded
Multipliers

Table 2–1. Cyclone II Device Resources

Device

LAB Columns

LAB Rows

LEs

PLLs

M4K Memory 

Blocks

Embedded 

Multiplier 

Blocks

EP2C5

24

13

4,608

2

26

13

EP2C8

30

18

8,256

2

36

18

EP2C20

46

26

18,752

4

52

26

EP2C35

60

35

33,216

4

105

35

EP2C50

74

43

50,528

4

129

86

EP2C70

86

50

68,416

4

250

150

ac/Altera/FPGA_cyc2-html.html
background image

Altera Corporation 

 

Preliminary

2–3

November 2004

Cyclone II Device Handbook, Volume 1

Cyclone II Architecture

Logic Elements

The smallest unit of logic in the Cyclone II architecture, the LE, is compact 
and provides advanced features with efficient logic utilization. Each LE 
features:

A four-input look-up table (LUT), which is a function generator that 
can implement any function of four variables

A programmable register

A carry chain connection

A register chain connection

The ability to drive all types of interconnects: local, row, column, 
register chain, and direct link interconnects

Support for register packing

Support for register feedback

Figure 2–2

 shows a Cyclone II LE.

Figure 2–2. Cyclone II LE 

labclk1

labclk2

labclr2

LAB Carry-In

Clock &

Clock Enable

Select

LAB Carry-Out

Look-Up

Table
(LUT)

Carry

Chain

Row, Column,
And Direct Link 
Routing

Row, Column,
And Direct Link 
Routing

Programmable
Register

CLRN

D

Q

ENA

Register Bypass

Packed
Register Select

Chip-Wide

Reset

(DEV_CLRn)

labclkena1

labclkena2

Synchronous

Load and

Clear Logic

LAB-Wide

Synchronous

Load

LAB-Wide

Synchronous

Clear

Asynchronous

Clear Logic

data1
data2
data3

data4

labclr1

Local Routing

Register Chain
Output

Register
Feedback

Register Chain
Routing From
Previous LE

ac/Altera/FPGA_cyc2-html.html
background image

2–4

 

Preliminary

Altera Corporation

Cyclone II Device Handbook, Volume 1

November 2004

Logic Elements

Each LE’s programmable register can be configured for D, T, JK, or SR 
operation. Each register has data, clock, clock enable, and clear inputs. 
Signals that use the global clock network, general-purpose I/O pins, or 
any internal logic can drive the register’s clock and clear control signals. 
Either general-purpose I/O pins or internal logic can drive the clock 
enable. For combinatorial functions, the LUT output bypasses the register 
and drives directly to the LE outputs.

Each LE has three outputs that drive the local, row, and column routing 
resources. The LUT or register output can drive these three outputs 
independently. Two LE outputs drive column or row and direct link 
routing connections and one drives local interconnect resources, allowing 
the LUT to drive one output while the register drives another output. This 
feature, register packing, improves device utilization because the device 
can use the register and the LUT for unrelated functions. When using 
register packing, the LAB-wide synchronous load control signal is not 
available. See 

“LAB Control Signals” on page 2–8

 for more information.

Another special packing mode allows the register output to feed back into 
the LUT of the same LE so that the register is packed with its own fan-out 
LUT, providing another mechanism for improved fitting. The LE can also 
drive out registered and unregistered versions of the LUT output.

In addition to the three general routing outputs, the LEs within an LAB 
have register chain outputs. Register chain outputs allow registers within 
the same LAB to cascade together. The register chain output allows an 
LAB to use LUTs for a single combinatorial function and the registers to 
be used for an unrelated shift register implementation. These resources 
speed up connections between LABs while saving local interconnect 
resources. Se

“MultiTrack Interconnect” on page 2–10

 for more 

information on register chain connections.

LE Operating Modes

The Cyclone II LE operates in one of the following modes:

Normal mode

Arithmetic mode

Each mode uses LE resources differently. In each mode, six available 
inputs to the LE—the four data inputs from the LAB local interconnect, 
the LAB carry-in from the previous carry-chain LAB, and the register 
chain connection—are directed to different destinations to implement the 
desired logic function. LAB-wide signals provide clock, asynchronous 
clear, synchronous clear, synchronous load, and clock enable control for 
the register. These LAB-wide signals are available in all LE modes.

ac/Altera/FPGA_cyc2-html.html
background image

Altera Corporation 

 

Preliminary

2–5

November 2004

Cyclone II Device Handbook, Volume 1

Cyclone II Architecture

The Quartus II software, in conjunction with parameterized functions 
such as library of parameterized modules (LPM) functions, automatically 
chooses the appropriate mode for common functions such as counters, 
adders, subtractors, and arithmetic functions. If required, the designer 
can also create special-purpose functions that specify which LE operating 
mode to use for optimal performance.

Normal Mode

The normal mode is suitable for general logic applications and 
combinatorial functions. In normal mode, four data inputs from the LAB 
local interconnect are inputs to a four-input LUT (see 

Figure 2–3

). The 

Quartus II Compiler automatically selects the carry-in or the 

data3

 

signal as one of the inputs to the LUT. LEs in normal mode support 
packed registers and register feedback.

Figure 2–3. LE in Normal Mode

data1

Four-Input

LUT

data2

data3
cin (from cout 
of previous LE)

data4

clock (LAB Wide)

ena (LAB Wide)

aclr (LAB Wide)

CLRN

D

Q

ENA

sclear

(LAB Wide)

sload

(LAB Wide)

Register chain

connection

Register
chain output

Row, Column, and
Direct Link Routing

Row, Column, and
Direct Link Routing

Local routing

Register Feedback

Packed Register Input

ac/Altera/FPGA_cyc2-html.html
background image

2–6

 

Preliminary

Altera Corporation

Cyclone II Device Handbook, Volume 1

November 2004

Logic Elements

Arithmetic Mode

The arithmetic mode is ideal for implementing adders, counters, 
accumulators, and comparators. An LE in arithmetic mode implements a 
2-bit full adder and basic carry chain (see 

Figure 2–4

). LEs in arithmetic 

mode can drive out registered and unregistered versions of the LUT 
output. Register feedback and register packing are supported when LEs 
are used in arithmetic mode.

Figure 2–4. LE in Arithmetic Mode

The Quartus II Compiler automatically creates carry chain logic during 
design processing, or the designer can create it manually during design 
entry. Parameterized functions such as LPM functions automatically take 
advantage of carry chains for the appropriate functions.

The Quartus II Compiler creates carry chains longer than 16 LEs by 
automatically linking LABs in the same column. For enhanced fitting, a 
long carry chain runs vertically, which allows fast horizontal connections 
to M4K memory blocks or embedded multipliers through direct link 
interconnects. For example, if a design has a long carry chain in a LAB 
column next to a column of M4K memory blocks, any LE output can feed 
an adjacent M4K memory block through the direct link interconnect. 
Whereas if the carry chains ran horizontally, any LAB not next to the 
column of M4K memory blocks would use other row or column 
interconnects to drive a M4K memory block. A carry chain continues as 
far as a full column.

clock (LAB Wide)

ena (LAB Wide)

aclr (LAB Wide)

CLRN

D

Q

ENA

Register chain

connection

sclear

(LAB Wide)

sload

(LAB Wide)

Register
chain output

Row, column, and
direct link routing

Row, column, and
direct link routing

Local routing

Register Feedback

Three-Input

LUT

Three-Input

LUT

cin (from cout

of previous LE)

data2

data1

cout

ac/Altera/FPGA_cyc2-html.html
background image

Altera Corporation 

 

Preliminary

2–7

November 2004

Cyclone II Device Handbook, Volume 1

Cyclone II Architecture

Logic Array 
Blocks

Each LAB consists of:

16 LEs

LAB control signals

LE carry chains

Register chains

Local interconnect

The local interconnect transfers signals between LEs in the same LAB. 
Register chain connections transfer the output of one LE’s register to the 
adjacent LE’s register within an LAB. The Quartus

®

 II Compiler places 

associated logic within an LAB or adjacent LABs, allowing the use of 
local, and register chain connections for performance and area efficiency. 

Figure 2–5

 shows the Cyclone II LAB.

Figure 2–5. Cyclone II LAB Structure

Direct link
interconnect
from adjacent
block

Direct link
interconnect
to adjacent
block

Row Interconnect

Column 
Interconnect

Local Interconnect

LAB

Direct link
interconnect
from adjacent
block

Direct link
interconnect
to adjacent
block

ac/Altera/FPGA_cyc2-html.html
background image

2–8

 

Preliminary

Altera Corporation

Cyclone II Device Handbook, Volume 1

November 2004

Logic Array Blocks

LAB Interconnects

The LAB local interconnect can drive LEs within the same LAB. The LAB 
local interconnect is driven by column and row interconnects and LE 
outputs within the same LAB. Neighboring LABs, PLLs, M4K RAM 
blocks, and embedded multipliers from the left and right can also drive 
an LAB’s local interconnect through the direct link connection. The direct 
link connection feature minimizes the use of row and column 
interconnects, providing higher performance and flexibility. Each LE can 
drive 48 LEs through fast local and direct link interconnects. 

Figure 2–6

 

shows the direct link connection.

Figure 2–6. Direct Link Connection

LAB Control Signals

Each LAB contains dedicated logic for driving control signals to its LEs. 
The control signals include:

Two clocks

Two clock enables

Two asynchronous clears

One synchronous clear

One synchronous load

LAB

Direct link
interconnect
to right

Direct link interconnect from
right LAB, M4K memory
block, embedded multiplier,
PLL, or IOE output

Direct link interconnect from

left LAB, M4K memory

block, embedded multiplier,

PLL, or IOE output

Local

Interconnect

Direct link

interconnect

to left

ac/Altera/FPGA_cyc2-html.html
background image

Altera Corporation 

 

Preliminary

2–9

November 2004

Cyclone II Device Handbook, Volume 1

Cyclone II Architecture

This gives a maximum of seven control signals at a time. When using the 
LAB-wide synchronous load, the 

clkena

 of 

labclk1

 is not available. 

Additionally, register packing and synchronous load cannot be used 
simultaneously.

Each LAB can have up to four non-global control signals. Additional LAB 
control signals can be used as long as they are global signals.

Synchronous clear and load signals are useful for implementing counters 
and other functions. The synchronous clear and synchronous load signals 
are LAB-wide signals that affect all registers in the LAB.

Each LAB can use two clocks and two clock enable signals. Each LAB’s 
clock and clock enable signals are linked. For example, any LE in a 
particular LAB using the 

labclk1

 signal also uses 

labclkena1

. If the 

LAB uses both the rising and falling edges of a clock, it also uses both 
LAB-wide clock signals. De-asserting the clock enable signal turns off the 
LAB-wide clock.

The LAB row clocks [5..0] and LAB local interconnect generate the LAB-
wide control signals. The MultiTrack

 interconnect’s inherent low skew 

allows clock and control signal distribution in addition to data. 

Figure 2–7

 

shows the LAB control signal generation circuit.

Figure 2–7. LAB-Wide Control Signals

LAB-wide signals control the logic for the register’s clear signal. The LE 
directly supports an asynchronous clear function. Each LAB supports up 
to two asynchronous clear signals (

labclr1

 and 

labclr2

).

labclkena1

labclk2

labclk1

labclkena2

labclr1

Dedicated
LAB Row
Clocks

Local
Interconnect

Local
Interconnect

Local
Interconnect

Local
Interconnect

syncload

synclr

labclr2

6

ac/Altera/FPGA_cyc2-html.html
background image

2–10

 

Preliminary

Altera Corporation

Cyclone II Device Handbook, Volume 1

November 2004

MultiTrack Interconnect

A LAB-wide asynchronous load signal to control the logic for the 
register’s preset signal is not available. The register preset is achieved by 
using a NOT gate push-back technique. Cyclone II devices can only 
support either a preset or asynchronous clear signal.

In addition to the clear port, Cyclone II devices provide a chip-wide reset 
pin (

DEV_CLRn

) that resets all registers in the device. An option set before 

compilation in the Quartus II software controls this pin. This chip-wide 
reset overrides all other control signals.

MultiTrack 
Interconnect

In the Cyclone II architecture, connections between LEs, M4K memory 
blocks, embedded multipliers, and device I/O pins are provided by the 
MultiTrack interconnect structure with DirectDrive™ technology. The 
MultiTrack interconnect consists of continuous, performance-optimized 
routing lines of different speeds used for inter- and intra-design block 
connectivity. The Quartus II Compiler automatically places critical paths 
on faster interconnects to improve design performance.

DirectDrive technology is a deterministic routing technology that ensures 
identical routing resource usage for any function regardless of placement 
within the device. The MultiTrack interconnect and DirectDrive 
technology simplify the integration stage of block-based designing by 
eliminating the re-optimization cycles that typically follow design 
changes and additions.

The MultiTrack interconnect consists of row (direct link, R4, and R24) and 
column (register chain, C4, and C16) interconnects that span fixed 
distances. A routing structure with fixed-length resources for all devices 
allows predictable and repeatable performance when migrating through 
different device densities.

Row Interconnects

Dedicated row interconnects route signals to and from LABs, PLLs, M4K 
memory blocks, and embedded multipliers within the same row. These 
row resources include:

Direct link interconnects between LABs and adjacent blocks

R4 interconnects traversing four blocks to the right or left

R24 interconnects for high-speed access across the length of the 
device

ac/Altera/FPGA_cyc2-html.html
background image

Altera Corporation 

 

Preliminary

2–11

November 2004

Cyclone II Device Handbook, Volume 1

Cyclone II Architecture

The direct link interconnect allows an LAB, M4K memory block, or 
embedded multiplier block to drive into the local interconnect of its left 
and right neighbors. Only one side of a PLL block interfaces with direct 
link and row interconnects. The direct link interconnect provides fast 
communication between adjacent LABs and/or blocks without using row 
interconnect resources.

The R4 interconnects span four LABs, three LABs and one M4K memory 
block, or three LABs and one embedded multiplier to the right or left of a 
source LAB. These resources are used for fast row connections in a four-
LAB region. Every LAB has its own set of R4 interconnects to drive either 
left or right. 

Figure 2–8

 shows R4 interconnect connections from an LAB. 

R4 interconnects can drive and be driven by LABs, M4K memory blocks, 
embedded multipliers, PLLs, and row IOEs. For LAB interfacing, a 
primary LAB or LAB neighbor (see 

Figure 2–8

) can drive a given R4 

interconnect. For R4 interconnects that drive to the right, the primary 
LAB and right neighbor can drive on to the interconnect. For R4 
interconnects that drive to the left, the primary LAB and its left neighbor 
can drive on to the interconnect. R4 interconnects can drive other R4 
interconnects to extend the range of LABs they can drive. Additionally, 
R4 interconnects can drive R24 interconnects, C4, and C16 interconnects 
for connections from one row to another. 

Figure 2–8. R4 Interconnect Connections

Notes to 

Figure 2–8

:

(1)

C4 interconnects can drive R4 interconnects.

(2)

This pattern is repeated for every LAB in the LAB row.

Primary
LAB (2)

R4 Interconnect

Driving Left

Adjacent LAB can
Drive onto Another
LAB's R4 Interconnect

C4 Column Interconnects (1)

R4 Interconnect
Driving Right

LAB

Neighbor

LAB

Neighbor

ac/Altera/FPGA_cyc2-html.html
background image

2–12

 

Preliminary

Altera Corporation

Cyclone II Device Handbook, Volume 1

November 2004

MultiTrack Interconnect

R24 row interconnects span 24 LABs and provide the fastest resource for 
long row connections between non-adjacent LABs, M4K memory blocks, 
dedicated multipliers, and row IOEs. R24 row interconnects drive to 
other row or column interconnects at every fourth LAB. R24 row 
interconnects drive LAB local interconnects via R4 and C4 interconnects 
and do not drive directly to LAB local interconnects. R24 interconnects 
can drive R24, R4, C16, and C4 interconnects.

Column Interconnects

The column interconnect operates similar to the row interconnect. Each 
column of LABs is served by a dedicated column interconnect, which 
vertically routes signals to and from LABs, M4K memory blocks, 
embedded multipliers, and row and column IOEs. These column 
resources include:

Register chain interconnects within an LAB

C4 interconnects traversing a distance of four blocks in an up and 
down direction

C16 interconnects for high-speed vertical routing through the device

Cyclone II devices include an enhanced interconnect structure within 
LABs for routing LE output to LE input connections faster using register 
chain connections. The register chain connection allows the register 
output of one LE to connect directly to the register input of the next LE in 
the LAB for fast shift registers. The Quartus II Compiler automatically 
takes advantage of these resources to improve utilization and 
performance. 

Figure 2–9

 shows the register chain interconnects.

ac/Altera/FPGA_cyc2-html.html
background image

Altera Corporation 

 

Preliminary

2–13

November 2004

Cyclone II Device Handbook, Volume 1

Cyclone II Architecture

Figure 2–9. Register Chain Interconnects

The C4 interconnects span four LABs, M4K blocks, or embedded 
multipliers up or down from a source LAB. Every LAB has its own set of 
C4 interconnects to drive either up or down. 

Figure 2–10

 shows the C4 

interconnect connections from an LAB in a column. The C4 interconnects 
can drive and be driven by all types of architecture blocks, including 
PLLs, M4K memory blocks, embedded multiplier blocks, and column 
and row IOEs. For LAB interconnection, a primary LAB or its LAB 
neighbor (see 

Figure 2–10

) can drive a given C4 interconnect. C4 

interconnects can drive each other to extend their range as well as drive 
row interconnects for column-to-column connections.

LE 1

LE 2

LE 3

LE 4

LE 5

LE 6

LE 7

LE 8

LE 9

LE 10

LE 11

LE 12

LE13

LE 14

LE 15

LE 16

Carry Chain

Routing to

Adjacent LE

Local

Interconnect

Register Chain
Routing to Adjacent
LE's Register Input

Local Interconnect
Routing Among LEs
in the LAB

ac/Altera/FPGA_cyc2-html.html
background image

2–14

 

Preliminary

Altera Corporation

Cyclone II Device Handbook, Volume 1

November 2004

MultiTrack Interconnect

Figure 2–10. C4 Interconnect Connections

Note (1)

Note to 

Figure 2–10

:

(1)

Each C4 interconnect can drive either up or down four rows.

C4 Interconnect
Drives Local and R4
Interconnects
Up to Four Rows

Adjacent LAB can

drive onto neighboring
LAB's C4 interconnect

C4 Interconnect
Driving Up

C4 Interconnect
Driving Down

LAB

Row
Interconnect

Local

Interconnect

Primary

LAB

LAB

Neighbor

ac/Altera/FPGA_cyc2-html.html
background image

Altera Corporation 

 

Preliminary

2–15

November 2004

Cyclone II Device Handbook, Volume 1

Cyclone II Architecture

C16 column interconnects span a length of 16 LABs and provide the 
fastest resource for long column connections between LABs, M4K 
memory blocks, embedded multipliers, and IOEs. C16 column 
interconnects drive to other row and column interconnects at every 
fourth LAB. C16 column interconnects drive LAB local interconnects via 
C4 and R4 interconnects and do not drive LAB local interconnects 
directly. C16 interconnects can drive R24, R4, C16, and C4 interconnects.

Device Routing

All embedded blocks communicate with the logic array similar to LAB-
to-LAB interfaces. Each block (for example, M4K memory, embedded 
multiplier, or PLL) connects to row and column interconnects and has 
local interconnect regions driven by row and column interconnects. These 
blocks also have direct link interconnects for fast connections to and from 
a neighboring LAB.

Table 2–2

 shows the Cyclone II device’s routing scheme.

Table 2–2. Cyclone II Device Routing Scheme (Part 1 of 2)

Source

Destination

Register

 Chain

Loca

l Inter

connect

Direct Link 

Interconnect

R4 Interconn

ect

R2

4 Interconnect

C4 Intercon

nect

C16 Interconnect

LE

M4K RAM Bloc

k

Embe

dded Multiplier

PLL

Col

u

mn IO

E

Ro

w I

O

E

Register 
Chain

v

Local 
Interconnect

v

v

v

v

v

v

Direct Link 
Interconnect

v

R4 
Interconnect

v

v

v

v

v

R24 
Interconnect

v

v

v

v

C4 
Interconnect

v

v

v

v

v

C16 
Interconnect

v

v

v

v

ac/Altera/FPGA_cyc2-html.html
background image

2–16

 

Preliminary

Altera Corporation

Cyclone II Device Handbook, Volume 1

November 2004

Global Clock Network & Phase-Locked Loops

Global Clock 
Network & 
Phase-Locked 
Loops

Cyclone II devices provide global clock networks and up to four PLLs for 
a complete clock management solution. Cyclone II clock network features 
include:

Up to 16 global clock networks

Up to four PLLs

Global clock network dynamic clock source selection

Global clock network dynamic enable and disable

LE

v

v

v

v

v

M4K memory 
Block

v

v

v

v

Embedded 
Multipliers

v

v

v

v

PLL

v

v

v

Column IOE

v

v

Row IOE

v

v

v

v

Table 2–2. Cyclone II Device Routing Scheme (Part 2 of 2)

Source

Destination

Register Chain

Local Inte

rconn

ect

Direct Link 

Interconnect

R4 Interco

nnect

R24 Interconnect

C4 Interconnect

C16 Inter

connect

LE

M4K

 R

A

Bl

ock

Embedded Multiplier

PL

L

Col

u

mn IO

E

Row IO

E

ac/Altera/FPGA_cyc2-html.html
background image

Altera Corporation 

 

Preliminary

2–17

November 2004

Cyclone II Device Handbook, Volume 1

Cyclone II Architecture

Each global clock network has a clock control block to select from a 
number of input clock sources (PLL clock outputs, 

CLK[]

 pins, 

DPCLK[]

 

pins, and internal logic) to drive onto the global clock network. 

Table 2–3

 

lists how many PLLs, 

CLK[]

 pins, 

DPCLK[]

 pins, and global clock 

networks are available in each Cyclone II device. 

CLK[]

 pins are 

dedicated clock pins and 

DPCLK[]

 pins are dual-purpose clock pins.

Figures 2–11

 and 

2–12

 show the location of the Cyclone II PLLs, 

CLK[]

 

inputs, 

DPCLK[]

 pins, and clock control blocks. 

Table 2–3. Cyclone II Device Clock Resources

Device

Number of 

PLLs

Number of 

CLK Pins

Number of 

DPCLK Pins

Number of 

Global Clock 

Networks

EP2C5

2

8

8

8

EP2C8

2

8

8

8

EP2C20

4

16

20

16

EP2C35

4

16

20

16

EP2C50

4

16

20

16

EP2C70

4

16

20

16

ac/Altera/FPGA_cyc2-html.html
background image

2–18

 

Preliminary

Altera Corporation

Cyclone II Device Handbook, Volume 1

November 2004

Global Clock Network & Phase-Locked Loops

Figure 2–11. EP2C5 & EP2C8 PLL, CLK[], DPCLK[] & Clock Control Block Locations

Note to 

Figure 2–11

:

(1)

There are four clock control blocks on each side.

PLL 2

CLK[7..4]

DPCLK7

DPCLK6

CLK[3..0]

DPCLK0

DPCLK1

DPCLK10

DPCLK8

DPCLK2

GCLK[7..0]

GCLK[7..0]

DPCLK4

PLL 1

8

8

8

8

Clock Control

Block (1)

Clock Control

Block (1)

4

4

4

4

ac/Altera/FPGA_cyc2-html.html
background image

Altera Corporation 

 

Preliminary

2–19

November 2004

Cyclone II Device Handbook, Volume 1

Cyclone II Architecture

Figure 2–12. EP2C20 & Larger PLL, CLK[], DPCLK[] & Clock Control Block Locations

Notes to 

Figure 2–12

:

(1)

There are four clock control blocks on each side.

(2)

Only one of the corner 

CDPCLK

 pins in each corner can feed the clock control block at a time. The other 

CDPCLK

 pins 

can be used as general-purpose I/O pins.

Dedicated Clock Pins

Larger Cyclone II devices (EP2C20 and larger devices) have 16 dedicated 
clock pins (

CLK[15..0]

, four pins on each side of the device). Smaller 

Cyclone II devices (EP2C5 and EP2C8 devices) have eight dedicated clock 
pins (

CLK[7..0]

, four pins on left and right sides of the device). These 

CLK

 pins drive the global clock network (GCLK), as shown in 

Figures 2–11

 and 

2–12

.

PLL 4

PLL 3

PLL 2

CLK[7..4]

DPCLK7

CDPCLK5

CDPCLK4

DPCLK6

CLK[3..0]

DPCLK0

CDPCLK0

CDPCLK1

DPCLK1

CDPCLK7

DPCLK[9..8]

DPCLK[11..10]

CLK[11..8]

GCLK[15..0]

GCLK[15..0]

PLL 1

CDPCLK6

CDPCLK2

DPCLK[5..4]

DPCLK[3..2]

CLK[15..12]

CDPCLK3

Clock Control

Block (1)

Clock Control

Block (1)

16

16

16

16

2

2

4

4

4

4

4

4

4

2

2

4

(2)

(2)

(2)

(2)

ac/Altera/FPGA_cyc2-html.html
background image

2–20

 

Preliminary

Altera Corporation

Cyclone II Device Handbook, Volume 1

November 2004

Global Clock Network & Phase-Locked Loops

If the dedicated clock pins are not used to feed the global clock networks, 
they can be used as general-purpose input pins to feed the logic array 
using the MultiTrack interconnect. However, if they are used as general-
purpose input pins, they do not have support for an I/O register and 
must use LE-based registers in place of an I/O register.

Dual-Purpose Clock Pins

Cyclone II devices have either 20 dual-purpose clock pins, 

DPCLK[19..0]

 or 8 dual-purpose clock pins, 

DPCLK[7..0]

. In the 

larger Cyclone II devices (EP2C20 devices and higher), there are 
20

DPCLK

 pins; four on the left and right sides and six on the top and 

bottom of the device. The corner 

CDPCLK

 pins are first multiplexed before 

they drive into the clock control block. Since the signals pass through a 
multiplexer before feeding the clock control block, these signals incur 
more delay to the clock control block than other 

DPCLK

 pins that directly 

feed the clock control block. In the smaller Cyclone II devices (EP2C5 and 
EP2C8 devices), there are eight 

DPCLK

 pins; two on each side of the device 

(see 

Figures 2–11

 and 

2–12

).

A programmable delay chain is available from the 

DPCLK

 pin to its fan-

out destinations. To set the propagation delay from the 

DPCLK

 pin to its 

fan-out destinations, use the 

Input Delay from Dual-Purpose Clock Pin 

to Fan-Out Destinations

 assignment in the Quartus II software.

These dual-purpose pins can connect to the global clock network for 
high-fanout control signals such as clocks, asynchronous clears, presets, 
and clock enables, or protocol control signals such as 

TRDY

 and 

IRDY

 for 

PCI, or DQS signals for external memory interfaces.

Global Clock Network

The 16 or 8 global clock networks drive throughout the entire device. 
Dedicated clock pins (

CLK[]

), PLL outputs, the logic array, and dual-

purpose clock (

DPCLK[]

) pins can also drive the global clock network. 

The global clock network can provide clocks for all resources within the 
device, such as IOEs, LEs, memory blocks, and embedded multipliers. 
The global clock lines can also be used for control signals, such as clock 
enables and synchronous or asynchronous clears fed from the external 
pin, or DQS signals for DDR SDRAM or QDRII SRAM interfaces. Internal 
logic can also drive the global clock network for internally generated 
global clocks and asynchronous clears, clock enables, or other control 
signals with large fan-out.

ac/Altera/FPGA_cyc2-html.html
background image

Altera Corporation 

 

Preliminary

2–21

November 2004

Cyclone II Device Handbook, Volume 1

Cyclone II Architecture

Clock Control Block

There is a clock control block for each global clock network available in 
Cyclone II devices. The clock control blocks are arranged on the device 
periphery and there are a maximum of 16 clock control blocks available 
per Cyclone II device. The larger Cyclone II devices (EP2C20 devices and 
larger) have 16 clock control blocks, four on each side of the device. The 
smaller Cyclone II devices (EP2C5 and EP2C8 devices) have eight clock 
control blocks, four on the left and right sides of the device.

The control block has these functions:

Dynamic global clock network clock source selection 

Dynamic enable/disable of the global clock network 

In Cyclone II devices, the dedicated 

CLK[]

 pins, PLL counter outputs, 

DPCLK[]

 pins, and internal logic can all feed the clock control block. The 

output from the clock control block in turn feeds the corresponding global 
clock network. 

The following sources can be inputs to a given clock control block:

Four clock pins on the same side as the clock control block

Three PLL clock outputs from a PLL

Four 

DPCLK

 pins (including 

CDPCLK

 pins) on the same side as the 

clock control block

Four internally-generated signals

Of the sources listed, only two clock pins, two PLL clock outputs, one 

DPCLK

 pin, and one internally-generated signal are chosen to drive into a 

clock control block. 

Figure 2–13

 shows a more detailed diagram of the 

clock control block. Out of these six inputs, the two clock input pins and 
two PLL outputs can be dynamic selected to feed a global clock network. 
The clock control block supports static selection of 

DPCLK

 and the signal 

from internal logic.

ac/Altera/FPGA_cyc2-html.html
background image

2–22

 

Preliminary

Altera Corporation

Cyclone II Device Handbook, Volume 1

November 2004

Global Clock Network & Phase-Locked Loops

Figure 2–13. Clock Control Block

Notes to 

Figure 2–13

:

(1)

The 

CLKSWITCH

 signal can either be set through the configuration file or it can be dynamically set when using the 

manual PLL switchover feature. The output of the multiplexer is the input reference clock (f

IN

) for the PLL. 

(2)

The 

CLKSELECT[1..0]

 signals are fed by internal logic and can be used to dynamically select the clock source for 

the global clock network when the device is in user mode.

(3)

The static clock select signals are set in the configuration file and cannot be dynamically controlled when the device 
is in user mode.

(4)

Internal logic can be used to enabled or disabled the global clock network in user mode.

Global Clock Network Distribution

Cyclone II devices contains 16 global clock networks. The device uses 
multiplexers with these clocks to form six-bit buses to drive column IOE 
clocks, LAB row clocks, or row IOE clocks (see 

Figure 2–14

). Another 

multiplexer at the LAB level selects two of the six LAB row clocks to feed 
the LE registers within the LAB.

CLKSWITCH 

(1)

Static Clock Select 

(3)

Static Clock

Select 

(3)

Internal Logic

Clock Control Block

DPCLK or

CDPCLK

CLKSELECT[1..0] 

(2)

CLKENA 

(4)

inclk1
inclk0

CLK[

n

 + 3]

CLK[

n

 + 2]

CLK[

n

 + 1]

CLK[

n

]

f

IN

C0
C1
C2

PLL

Global
Clock

Enable/
Disable

(3)

ac/Altera/FPGA_cyc2-html.html
background image

Altera Corporation 

 

Preliminary

2–23

November 2004

Cyclone II Device Handbook, Volume 1

Cyclone II Architecture

Figure 2–14. Global Clock Network Multiplexers

LAB row clocks can feed LEs, M4K memory blocks, and embedded 
multipliers. The LAB row clocks also extend to the row I/O clock regions.

IOE clocks are associated with row or column block regions. Only six 
global clock resources feed to these row and column regions. 

Figure 2–15

 

shows the I/O clock regions. 

Clock [15 or 7..0]

Row I/O Region
IO_CLK [5..0]

Column I/O Region
IO_CLK [5..0]

LAB Row Clock 
LABCLK[5..0]

Global Clock

Network

ac/Altera/FPGA_cyc2-html.html
background image

2–24

 

Preliminary

Altera Corporation

Cyclone II Device Handbook, Volume 1

November 2004

Global Clock Network & Phase-Locked Loops

Figure 2–15. LAB & I/O Clock Regions

f

For more information on the global clock network and the clock control 
block, see the 

PLLs in Cyclone II Devices

 chapter in Volume 1 of the 

Cyclone II Device Handbook

.

Column I/O Clock Region

IO_CLK[5..0]

Column I/O Clock Region

IO_CLK[5..0]

6

6

I/O Clock Regions

I/O Clock Regions

8 or 16

Global Clock
Network

Row I/O Clock
Region
IO_CLK[5..0]

Cyclone Logic Array

6

6

LAB Row Clocks

labclk[5..0]

LAB Row Clocks

labclk[5..0]

LAB Row Clocks

labclk[5..0]

LAB Row Clocks

labclk[5..0]

LAB Row Clocks

labclk[5..0]

LAB Row Clocks

labclk[5..0]

6

6

6

6

6

6

6

6

6

6

ac/Altera/FPGA_cyc2-html.html
background image

Altera Corporation 

 

Preliminary

2–25

November 2004

Cyclone II Device Handbook, Volume 1

Cyclone II Architecture

PLLs

Cyclone II PLLs provide general-purpose clocking as well as support for 
the following features:

Clock multiplication and division

Phase shifting

Programmable duty cycle

Up to three internal clock outputs

One dedicated external clock output

Clock outputs for differential I/O support

Manual clock switchover

Programmable bandwidth

Gated lock signal

Three different clock feedback modes

Control signals

Cyclone II devices contain either two or four PLLs. 

Table 2–4

 shows the 

PLLs available for each Cyclone II device.

Table 2–5

 describes the PLL features in Cyclone II devices. 

Table 2–4. Cyclone II Device PLL Availability

Device

PLL1

PLL2

PLL3

PLL4

EP2C5

v

v

EP2C8

v

v

EP2C20

v

v

v

v

EP2C35

v

v

v

v

EP2C50

v

v

v

v

EP2C70

v

v

v

v

Table 2–5. Cyclone II PLL Features (Part 1 of 2)

Feature

Description

Clock multiplication and division

m

 / (

n

 × post-scale counter) 

m

 and post-scale counter values (C0 to C2) range from 1 to 32. 

n

 ranges 

from 1 to 4.

Phase shift

Cyclone II PLLs have an advanced clock shift capability that enables 
programmable phase shifts in increments of at least 45°. The finest 
resolution of phase shifting is determined by the voltage control oscillator 
(VCO) period divided by 8 (for example, 1/1000 MHz/8 = down to 125-ps 
increments). 

ac/Altera/FPGA_cyc2-html.html
background image

2–26

 

Preliminary

Altera Corporation

Cyclone II Device Handbook, Volume 1

November 2004

Global Clock Network & Phase-Locked Loops

Figure 2–16

 shows a block diagram of the Cyclone II PLL.

Programmable duty cycle

The programmable duty cycle allows PLLs to generate clock outputs with 
a variable duty cycle. This feature is supported on each PLL post-scale 
counter (C0-C2). 

Number of internal clock outputs

The Cyclone II PLL has three outputs which can drive the global clock 
network. One of these outputs (C2) can also drive a dedicated 

PLL

<

#

>

_OUT

 pin (single ended or differential). 

Number of external clock outputs 

The C2 output drives a dedicated 

PLL

<

#

>

_OUT

 pin. If the C2 output is not 

used to drive an external clock output, it can be used to drive the internal 
global clock network. The C2 output can concurrently drive the external 
clock output and internal global clock network. 

Manual clock switchover

The Cyclone II PLLs support manual switchover of the reference clock 
through internal logic. This enables a designer to switch between two 
reference input clocks during user mode for applications that may require 
clock redundancy or support for clocks with two different frequencies.

Programmable bandwidth

Cyclone II PLLs allow the designer to control the bandwidth over a finite 
range to customize the PLL characteristics for a particular application. 
Advanced control of the PLL bandwidth is provided through the 
programmable characteristics of the PLL loop, including loop filter and 
charge pump. The bandwidth range is determined after characterization.

Gated lock signal

The lock output indicates that there is a stable clock output signal in phase 
with the reference clock. Cyclone II PLLs include a programmable counter 
that holds the lock signal low for a user-selected number of input clock 
transitions, allowing the PLL to lock before enabling the locked signal. 
Either a gated locked signal or an ungated locked signal from the locked 
port can drive internal logic or an output pin.

Clock feedback modes

In zero delay buffer mode, the external clock output pin is phase-aligned 
with the clock input pin for zero delay. 
In normal mode, the PLL compensates for the internal global clock network 
delay from the input clock pin to the clock port of the IOE output registers 
or registers in the logic array.
In no compensation mode, the PLL does not compensate for any clock 
networks.

Control signals 

The 

pllenable

 signal enables and disables the PLLs. 

The 

areset

 signal resets/resynchronizes the inputs for each PLL. 

The 

pfdena

 signal controls the phase frequency detector (PFD) output 

with a programmable gate.

Table 2–5. Cyclone II PLL Features (Part 2 of 2)

Feature

Description

ac/Altera/FPGA_cyc2-html.html
background image

Altera Corporation 

 

Preliminary

2–27

November 2004

Cyclone II Device Handbook, Volume 1

Cyclone II Architecture

Figure 2–16. Cyclone II PLL

Note (1)

Notes to 

Figure 2–16

:

(1)

This input can be single-ended or differential. If a designer is using a differential I/O standard, then two 

CLK

 pins 

are used. LVDS input is supported via the secondary function of the dedicated 

CLK

 pins. For example, the 

CLK0

 

pin’s secondary function is 

LVDSCLK1p

 and the 

CLK1

 pin’s secondary function is 

LVDSCLK1n

. If a differential I/O 

standard is assigned to the PLL clock input pin, the corresponding 

CLK(n)

 pin is also completely used. The 

Figure 2–16

 shows the possible clock input connections (

CLK0

/

CLK1

) to PLL1. 

(2)

This counter output is shared between a dedicated external clock output I/O and the global clock network.

f

For more information on Cyclone II PLLs, see the PLLs in the 

Cyclone II 

Devices

 chapter in Volume 1 of the 

Cyclone II Device Handbook

.

Embedded 
Memory

The Cyclone II embedded memory consists of columns of M4K memory 
blocks. The M4K memory blocks include input registers that synchronize 
writes and output registers to pipeline designs and improve system 
performance. The output registers can be bypassed, but input registers 
cannot. 

PFD

Loop
Filter

Lock Detect

& Filter

VCO

Charge

Pump

÷c0

÷c1

÷c2

÷

m

÷

n

Global
Clock

Global
Clock

Global
Clock

to I/O or
general routing

PLL<

#>_OUT

Post-Scale

Counters

VCO Phase Selection

Selectable at Each

PLL Output Port

CLK1

CLK3

CLK2 

(1)

CLK0 

(1)

inclk0

inclk1

up

down

8

8

8

f

VCO

f

FB

f

IN

Reference

Input Clock

f

REF

 = f

IN 

/

n

(2)

Manual Clock

Switchover

Select Signal

ac/Altera/FPGA_cyc2-html.html
background image

2–28

 

Preliminary

Altera Corporation

Cyclone II Device Handbook, Volume 1

November 2004

Embedded Memory

Each M4K block can implement various types of memory with or without 
parity, including true dual-port, simple dual-port, and single-port RAM, 
ROM, and first-in first-out (FIFO) buffers. The M4K blocks support the 
following features:

4,608 RAM bits

250-MHz performance

True dual-port memory

Simple dual-port memory

Single-port memory

Byte enable

Parity bits

Shift register

FIFO buffer

ROM

Various clock modes

Address clock enable

Table 2–6

 shows the capacity and distribution of the M4K memory blocks 

in each Cyclone II device.

Table 2–7

 summarizes the features supported by the M4K memory.

Table 2–6. M4K Memory Capacity & Distribution in Cyclone II Devices

Device

M4K Columns

M4K Blocks

Total RAM Bits

EP2C5

2

26

119,808

EP2C8

2

36

165,888

EP2C20

2

52

239,616

EP2C35

3

105

483,840

EP2C50

3

129

594,432

EP2C70

5

250

1,152,000

Table 2–7. M4K Memory Features (Part 1 of 2)

Feature

Description

Maximum performance 

(1)

250 MHz

Total RAM bits per M4K block (including parity bits)

4,608

ac/Altera/FPGA_cyc2-html.html
background image

Altera Corporation 

 

Preliminary

2–29

November 2004

Cyclone II Device Handbook, Volume 1

Cyclone II Architecture

Configurations supported

4K × 1
2K × 2
1K × 4
512 × 8
512 × 9
256 × 16
256 × 18
128 × 32 (not available in true dual-port mode)
128 × 36 (not available in true dual-port mode)

Parity bits

One parity bit for each byte. The parity bit, along with 
internal user logic, can implement parity checking for 
error detection to ensure data integrity. 

Byte enable

M4K blocks support byte writes when the write port has 
a data width of 1, 2, 4, 8, 9, 16, 18, 32, or 36 bits. The 
byte enables allow the input data to be masked so the 
device can write to specific bytes. The unwritten bytes 
retain the previous written value. 

Packed mode

Two single-port memory blocks can be packed into a 
single M4K block if each of the two independent block 
sizes are equal to or less than half of the M4K block 
size, and each of the single-port memory blocks is 
configured in single-clock mode.

Address clock enable

M4K blocks support address clock enable, which is 
used to hold the previous address value for as long as 
the signal is enabled. This feature is useful in handling 
misses in cache applications.

Memory initialization file (

.mif

)

When configured as RAM or ROM, the designer can 
use an initialization file to pre-load the memory 
contents.

Power-up condition

Outputs cleared

Register clears

Output registers only

Same-port read-during-write

New data available at positive clock edge

Mixed-port read-during-write

Old data available at positive clock edge

Note to 

Table 2–7

:

(1)

Maximum performance information is preliminary until device characterization.

Table 2–7. M4K Memory Features (Part 2 of 2)

Feature

Description

ac/Altera/FPGA_cyc2-html.html
background image

2–30

 

Preliminary

Altera Corporation

Cyclone II Device Handbook, Volume 1

November 2004

Embedded Memory

Memory Modes

Table 2–8

 summarizes the different memory modes supported by the 

M4K memory blocks.

Table 2–8. M4K Memory Modes

Memory Mode

Description

Single-port memory

M4K blocks support single-port mode, used when 
simultaneous reads and writes are not required. 
Single-port memory supports non-simultaneous 
reads and writes.

Simple dual-port memory

Simple dual-port memory supports a 
simultaneous read and write.

Simple dual-port with mixed 
width 

Simple dual-port memory mode with different 
read and write port widths.

True dual-port memory

True dual-port mode supports any combination of 
two-port operations: two reads, two writes, or one 
read and one write at two different clock 
frequencies.

True dual-port with mixed 
width 

True dual-port mode with different read and write 
port widths.

Embedded shift register

M4K memory blocks are used to implement shift 
registers. Data is written into each address 
location at the falling edge of the clock and read 
from the address at the rising edge of the clock.

ROM

The M4K memory blocks support ROM mode. A 
MIF initializes the ROM contents of these blocks.

FIFO buffers

A single clock or dual clock FIFO may be 
implemented in the M4K blocks. Simultaneous 
read and write from an empty FIFO buffer is not 
supported.

ac/Altera/FPGA_cyc2-html.html
background image

Altera Corporation 

 

Preliminary

2–31

November 2004

Cyclone II Device Handbook, Volume 1

Cyclone II Architecture

Clock Modes

Table 2–9

 summarizes the different clock modes supported by the M4K 

memory.

Table 2–10

 shows which clock modes are supported by all M4K blocks 

when configured in the different memory modes. 

M4K Routing Interface

The R4, C4, and direct link interconnects from adjacent LABs drive the 
M4K block local interconnect. The M4K blocks can communicate with 
LABs on either the left or right side through these row resources or with 
LAB columns on either the right or left with the column resources. Up to 
16 direct link input connections to the M4K block are possible from the 
left adjacent LAB and another 16 possible from the right adjacent LAB. 
M4K block outputs can also connect to left and right LABs through each 
16 direct link interconnects. 

Figure 2–17

 shows the M4K block to logic 

array interface.

Table 2–9. M4K Clock Modes

Clock Mode

Description

Independent

In this mode, a separate clock is available for each port (ports A 
and B). Clock A controls all registers on the port A side, while 
clock B controls all registers on the port B side. 

Input/output

On each of the two ports, A or B, one clock controls all registers 
for inputs into the memory block: data input, 

wren

, and address. 

The other clock controls the block’s data output registers. 

Read/write

Up to two clocks are available in this mode. The write clock 
controls the block’s data inputs, 

wraddress

, and 

wren

. The read 

clock controls the data output, 

rdaddress

, and 

rden

Single

In this mode, a single clock, together with clock enable, is used to 
control all registers of the memory block. Asynchronous clear 
signals for the registers are not supported.

Table 2–10. Cyclone II M4K Memory Clock Modes

Clocking Modes

True Dual-Port 

Mode

Simple Dual-Port 

Mode

Single-Port Mode

Independent

v

Input/output

v

v

v

Read/write

v

Single clock

v

v

v

ac/Altera/FPGA_cyc2-html.html
background image

2–32

 

Preliminary

Altera Corporation

Cyclone II Device Handbook, Volume 1

November 2004

Embedded Multipliers

Figure 2–17. M4K RAM Block LAB Row Interface

f

For more information on Cyclone II embedded memory, see the 

Cyclone II Memory Blocks

 chapter in Volume 1 of the 

Cyclone II Device 

Handbook

.

Embedded 
Multipliers

Cyclone II devices have embedded multiplier blocks optimized for 
multiplier-intensive digital signal processing (DSP) functions, such as 
finite impulse response (FIR) filters, fast Fourier transform (FFT) 
functions, and discrete cosine transform (DCT) functions. Designers can 
use the embedded multiplier in one of two basic operational modes, 
depending on the application needs:

One 18-bit multiplier

Up to two independent 9-bit multipliers

dataout

M4K RAM

Block

datain

address

16

16

16

Direct link 
interconnect
from adjacent LAB

Direct link 
interconnect
to adjacent LAB

Direct link 
interconnect
from adjacent LAB

Direct link 
interconnect
to adjacent LAB

M4K RAM Block Local
Interconnect Region

C4 Interconnects

R4 Interconnects

LAB Row Clocks

Clocks

Byte enable

Control

Signals

6

ac/Altera/FPGA_cyc2-html.html
background image

Altera Corporation 

 

Preliminary

2–33

November 2004

Cyclone II Device Handbook, Volume 1

Cyclone II Architecture

Embedded multipliers can operate at up to 250 MHz (for the fastest speed 
grade) for 18 × 18 and 9 × 9 multiplications when using both input and 
output registers.

Each Cyclone II device has one to three columns of embedded multipliers 
that efficiently implement multiplication functions. An embedded 
multiplier spans the height of one LAB row. 

Table 2–11

 shows the number 

of embedded multipliers in each Cyclone II device and the multipliers 
that can be implemented.

The embedded multiplier consists of the following elements:

Multiplier block

Input and output registers

Input and output interfaces

Figure 2–18

 shows the multiplier block architecture.

Table 2–11. Number of Embedded Multipliers in Cyclone II Devices

Note (1)

Device

Embedded 

Multiplier Columns

Embedded 

Multipliers

9 × 9 Multipliers

18 × 18 Multipliers

EP2C5

1

13

26

13

EP2C8

1

18

36

18

EP2C20

1

26

52

26

EP2C35

1

35

70

35

EP2C50

2

86

172

86

EP2C70

3

150

300

150

Note to 

Table 2–11

:

(1)

Each device has either the number of 9 × 9-, or 18 × 18-bit multipliers shown. The total number of multipliers for 
each device is not the sum of all the multipliers.

ac/Altera/FPGA_cyc2-html.html
background image

2–34

 

Preliminary

Altera Corporation

Cyclone II Device Handbook, Volume 1

November 2004

Embedded Multipliers

Figure 2–18. Multiplier Block Architecture

Note to 

Figure 2–18

:

(1)

If necessary, these signals can be registered once to match the data signal path.

Each multiplier operand can be a unique signed or unsigned number. 
Two signals, 

signa

 and 

signb

, control the representation of each 

operand respectively. A logic 1 value on the 

signa

 signal indicates that 

data A is a signed number while a logic 0 value indicates an unsigned 
number. 

Table 2–12

 shows the sign of the multiplication result for the 

various operand sign representations. The result of the multiplication is 
signed if any one of the operands is a signed value. 

CLRN

D

Q

ENA

Data A

Data B

aclr

clock

ena

signa 

(1)

signb 

(1)

CLRN

D

Q

ENA

CLRN

D

Q

ENA

Data Out

Embedded Multiplier Block

Output

Register

Input

Register

Table 2–12. Multiplier Sign Representation

Data A (signa Value)

Data B (signb Value)

Result

Unsigned

Unsigned

Unsigned

Unsigned

Signed

Signed

Signed

Unsigned

Signed

Signed

Signed

Signed

ac/Altera/FPGA_cyc2-html.html
background image

Altera Corporation 

 

Preliminary

2–35

November 2004

Cyclone II Device Handbook, Volume 1

Cyclone II Architecture

There is only one 

signa

 and one 

signb

 signal for each dedicated 

multiplier. Therefore, all of the data A inputs feeding the same dedicated 
multiplier must have the same sign representation. Similarly, all of the 
data B inputs feeding the same dedicated multiplier must have the same 
sign representation. The 

signa

 and 

signb

 signals can be changed 

dynamically to modify the sign representation of the input operands at 
run time. The multiplier offers full precision regardless of the sign 
representation and can be registered using dedicated registers located at 
the input register stage.

Multiplier Modes 

Table 2–13

 summarizes the different modes that the embedded 

multipliers can operate in.

Embedded Multiplier Routing Interface

The R4, C4, and direct link interconnects from adjacent LABs drive the 
embedded multiplier row interface interconnect. The embedded 
multipliers can communicate with LABs on either the left or right side 
through these row resources or with LAB columns on either the right or 
left with the column resources. Up to 16 direct link input connections to 
the embedded multiplier are possible from the left adjacent LABs and 
another 16 possible from the right adjacent LAB. Embedded multiplier 

Table 2–13. Embedded Multiplier Modes 

Multiplier Mode

Description

18-bit Multiplier

An embedded multiplier can be configured to support a 
single 18 × 18 multiplier for operand widths up to 18 bits. 
All 18-bit multiplier inputs and results can be registered 
independently. The multiplier operands can accept 
signed integers, unsigned integers, or a combination of 
both. 

9-bit Multiplier

An embedded multiplier can be configured to support 
two 9 × 9 independent multipliers for operand widths up 
to 9-bits. Both 9-bit multiplier inputs and results can be 
registered independently. The multiplier operands can 
accept signed integers, unsigned integers or a 
combination of both. 
There is only one 

signa

 signal to control the sign 

representation of both data A inputs and one 

signb

 

signal to control the sign representation of both data B 
inputs of the 9-bit multipliers within the same dedicated 
multiplier.

ac/Altera/FPGA_cyc2-html.html
background image

2–36

 

Preliminary

Altera Corporation

Cyclone II Device Handbook, Volume 1

November 2004

Embedded Multipliers

outputs can also connect to left and right LABs through 18 direct link 
interconnects each. 

Figure 2–19

 shows the embedded multiplier to logic 

array interface.

Figure 2–19. Embedded Multiplier LAB Row Interface

There are five dynamic control input signals that feed the embedded 
multiplier: 

signa

signb

clk

clkena

, and 

aclr

signa

 and 

signb

 

can be registered to match the data signal input path. The same 

clk

clkena

, and 

aclr

 signals feed all registers within a single embedded 

multiplier. 

f

For more information on Cyclone II embedded multipliers, see the 

Embedded Multipliers in Cyclone II Devices

 chapter.

LAB

LAB

Row Interface

Block

Embedded Multiplier

16

[35..0]

[35..0]

Embedded Multiplier
to LAB Row Interface
Block Interconnect Region

36 Inputs per Row

36 Outputs per Row

R4 Interconnects

C4 Interconnects

C4 Interconnects

Direct Link Interconnect
from Adjacent LAB

18 Direct Link Outputs
to Adjacent LABs

Direct Link Interconnect
from Adjacent LAB

18

18

36

36

Control

5

18

18

16

LAB Block

Interconect Region

LAB Block

Interconect Region

ac/Altera/FPGA_cyc2-html.html
background image

Altera Corporation 

 

Preliminary

2–37

November 2004

Cyclone II Device Handbook, Volume 1

Cyclone II Architecture

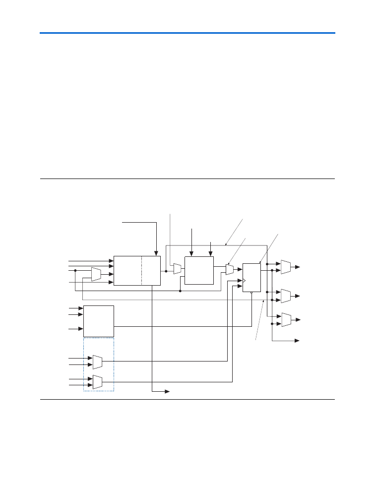
I/O Structure & 
Features

IOEs support many features, including:

Differential and single-ended I/O standards

3.3-V, 64- and 32-bit, 66- and 33-MHz PCI compliance

Joint Test Action Group (JTAG) boundary-scan test (BST) support

Output drive strength control

Weak pull-up resistors during configuration

Tri-state buffers

Bus-hold circuitry

Programmable pull-up resistors in user mode

Programmable input and output delays

Open-drain outputs

DQ and DQS I/O pins 

V

REF

 pins

Cyclone II device IOEs contain a bidirectional I/O buffer and three 
registers for complete embedded bidirectional single data rate transfer. 

Figure 2–20

 shows the Cyclone II IOE structure. The IOE contains one 

input register, one output register, and one output enable register. The 
designer can use the input registers for fast setup times and output 
registers for fast clock-to-output times. Additionally, the designer can use 
the output enable (OE) register for fast clock-to-output enable timing. The 
Quartus II software automatically duplicates a single OE register that 
controls multiple output or bidirectional pins. Designers can use IOEs as 
input, output, or bidirectional pins.

ac/Altera/FPGA_cyc2-html.html
background image

2–38

 

Preliminary

Altera Corporation

Cyclone II Device Handbook, Volume 1

November 2004

I/O Structure & Features

Figure 2–20. Cyclone II IOE Structure

Note to 

Figure 2–20

:

(1)

There are two paths available for combinatorial or registered inputs to the logic 
array. Each path contains a unique programmable delay chain.

The IOEs are located in I/O blocks around the periphery of the Cyclone II 
device. There are up to five IOEs per row I/O block and up to four IOEs 
per column I/O block (column I/O blocks span two columns). The row 
I/O blocks drive row, column (only C4 interconnects), or direct link 
interconnects. The column I/O blocks drive column interconnects. 

Figure 2–21

 shows how a row I/O block connects to the logic array. 

Figure 2–22

 shows how a column I/O block connects to the logic array.

Output Register

Output

Input 

(1)

OE Register

OE

Input Register

Logic Array

ac/Altera/FPGA_cyc2-html.html
background image

Altera Corporation 

 

Preliminary

2–39

November 2004

Cyclone II Device Handbook, Volume 1

Cyclone II Architecture

Figure 2–21. Row I/O Block Connection to the Interconnect

Notes to 

Figure 2–21

:

(1)

The 35 data and control signals consist of five data out lines, 

io_dataout[4..0]

, five output enables, 

io_coe[4..0]

, five input clock enables, 

io_cce_in[4..0]

, five output clock enables, 

io_cce_out[4..0]

five clocks, 

io_cclk[4..0]

, five asynchronous clear signals, 

io_caclr[4..0]

, and five synchronous clear 

signals, 

io_csclr[4..0]

.

(2)

Each of the five IOEs in the row I/O block can have two 

io_datain

 input (combinatorial or registered) inputs.

35

R4 & R24 Interconnects

C4 Interconnects

I/O Block Local 

Interconnect

35 Data and
Control Signals
from Logic Array (1)

io_datain0[4..0] 
io_datain1[4..0] 

(2)

io_clk[5..0]

Row I/O Block

Contains up to

Five IOEs

Direct Link

Interconnect

to Adjacent LAB

Direct Link

Interconnect

from Adjacent LAB

LAB Local
Interconnect

LAB

Row

I/O Block

ac/Altera/FPGA_cyc2-html.html
background image

2–40

 

Preliminary

Altera Corporation

Cyclone II Device Handbook, Volume 1

November 2004

I/O Structure & Features

Figure 2–22. Column I/O Block Connection to the Interconnect

Notes to 

Figure 2–22

:

(1)

The 28 data and control signals consist of four data out lines, 

io_dataout[3..0]

, four output enables, 

io_coe[3..0]

, four input clock enables, 

io_cce_in[3..0]

, four output clock enables, 

io_cce_out[3..0]

four clocks, 

io_cclk[3..0]

, four asynchronous clear signals, 

io_caclr[3..0]

, and four synchronous clear 

signals, 

io_csclr[3..0]

.

(2)

Each of the four IOEs in the column I/O block can have two 

io_datain

 input (combinatorial or registered) inputs.

28 Data &

Control Signals 

from Logic Array (1)

Column I/O 
Block Contains
up to Four  IOEs

I/O Block

Local Interconnect

io_datain0[3..0]
io_datain1[3..0] (2)

R4 & R24 Interconnects

LAB Local
Interconnect

C4 & C24 Interconnects

28

LAB

LAB

LAB

io_clk[5..0]

Column I/O Block

ac/Altera/FPGA_cyc2-html.html
background image

Altera Corporation 

 

Preliminary

2–41

November 2004

Cyclone II Device Handbook, Volume 1

Cyclone II Architecture

The pin’s 

datain

 signals can drive the logic array. The logic array drives 

the control and data signals, providing a flexible routing resource. The 
row or column IOE clocks, 

io_clk[5..0]

, provide a dedicated routing 

resource for low-skew, high-speed clocks. The global clock network 
generates the IOE clocks that feed the row or column I/O regions (see 

“Global Clock Network & Phase-Locked Loops” on page 2–16

). 

Figure 2–23

 illustrates the signal paths through the I/O block.

Figure 2–23. Signal Path through the I/O Block

Each IOE contains its own control signal selection for the following 
control signals: 

oe

ce_in

ce_out

aclr

/

preset

sclr

/

preset

clk_in

, and 

clk_out

Figure 2–24

 illustrates the control signal 

selection.

Row or Column

io_clk[5..0]

io_datain0

io_datain1

io_dataout

io_coe

oe

ce_in

ce_out

io_cce_in

aclr/preset

io_cce_out

sclr

io_caclr

clk_in

io_cclk

clk_out

dataout

Data and

Control

Signal

Selection

IOE

To Logic

Array

From Logic

Array

To Other
IOEs

io_csclr

ac/Altera/FPGA_cyc2-html.html
background image

2–42

 

Preliminary

Altera Corporation

Cyclone II Device Handbook, Volume 1

November 2004

I/O Structure & Features

Figure 2–24. Control Signal Selection per IOE

In normal bidirectional operation, the designer can use the input register 
for input data requiring fast setup times. The input register can have its 
own clock input and clock enable separate from the 

OE

 and output 

registers. The designer can use the output register for data requiring fast 
clock-to-output performance. The 

OE

 register is available for fast clock-to-

output enable timing. The 

OE

 and output register share the same clock 

source and the same clock enable source from the local interconnect in the 
associated LAB, dedicated I/O clocks, or the column and row 
interconnects. All registers share 

sclr

 and 

aclr

, but each register can 

individually disable 

sclr

 and 

aclr

Figure 2–25

 shows the IOE in 

bidirectional configuration.

clk_out

ce_in

clk_in

ce_out

aclr/preset

sclr/preset

Dedicated I/O
Clock [5..0]

Local
Interconnect

Local
Interconnect

Local
Interconnect

Local
Interconnect

Local
Interconnect

oe

io_coe

io_caclr

Local
Interconnect

io_csclr

io_cce_out

io_cce_in

io_cclk

ac/Altera/FPGA_cyc2-html.html
background image

Altera Corporation 

 

Preliminary

2–43

November 2004

Cyclone II Device Handbook, Volume 1

Cyclone II Architecture

Figure 2–25. Cyclone II IOE in Bidirectional I/O Configuration

The Cyclone II device IOE includes programmable delays to ensure zero 
hold times, minimize setup times, or increase clock to output times.

A path in which a pin directly drives a register may require a 
programmable delay to ensure zero hold time, whereas a path in which a 
pin drives a register through combinatorial logic may not require the 
delay. Programmable delays decrease input-pin-to-logic-array and IOE 
input register delays. The Quartus II Compiler can program these delays 
to automatically minimize setup time while providing a zero hold time. 

Chip-Wide Reset

OE Register

V

CCIO

Optional
PCI Clamp

Column

or Row

Interconect

ioe_clk[5..0]

Input Register

Input Pin to

Input Register Delay

or Input Pin to

Logic Array Delay

Drive Strength Control

Open-Drain Output

Slew Control

sclr/preset

OE

clkout

ce_out

aclr/prn

clkin

ce_in

Output

Pin Delay

Programmable
Pull-Up
Resistor

Bus Hold

PRN

CLRN

D

Q

Output Register

PRN

CLRN

D

Q

PRN

CLRN

D

Q

V

CCIO

data_in0

data_in1

ENA

ENA

ENA

ac/Altera/FPGA_cyc2-html.html
background image

2–44

 

Preliminary

Altera Corporation

Cyclone II Device Handbook, Volume 1

November 2004

I/O Structure & Features

Programmable delays can increase the register-to-pin delays for output 
registers. 

Table 2–14

 shows the programmable delays for Cyclone II 

devices.

There are two paths in the IOE for an input to reach the logic array. Each 
of the two paths can have a different delay. This allows the designer to 
adjust delays from the pin to internal LE registers that reside in two 
different areas of the device. The designer sets the two combinatorial 
input delays by selecting different delays for two different paths under 
the 

Input delay from pin to internal cells logic

 option in the Quartus II 

software. However, if the pin uses the input register, one of delays will be 
disregarded since the IOE only has two paths to internal logic. If the input 
register is used, the IOE uses one input path. The other input path is then 
available for the combinatorial path, and only one input delay 
assignment is applied.

The IOE registers in each I/O block share the same source for clear or 
preset. The designer can program preset or clear for each individual IOE, 
but both features cannot be used simultaneously. The designer can also 
program the registers to power up high or low after configuration is 
complete. If programmed to power up low, an asynchronous clear can 
control the registers. If programmed to power up high, an asynchronous 
preset can control the registers. This feature prevents the inadvertent 
activation of another device’s active-low input upon power up. If one 
register in an IOE uses a preset or clear signal then all registers in the IOE 
must use that same signal if they require preset or clear. Additionally a 
synchronous reset signal is available to the designer for the IOE registers. 

External Memory Interfacing 

Cyclone II devices support a broad range of external memory interfaces 
such as SDR SDRAM, DDR SDRAM, DDR2 SDRAM, and QDRII SRAM 
external memories. Cyclone II devices feature dedicated high-speed 
interfaces that transfer data between external memory devices at up to 
167 MHz/333 Mbps for DDR and DDR2 SDRAM devices and 
167 MHz/667 Mbps for QDRII SRAM devices. The programmable DQS 
delay chain allows designers to fine tune the phase shift for the input 
clocks or strobes to properly align clock edges as needed to capture data.

Table 2–14. Cyclone II Programmable Delay Chain

Programmable Delays

Quartus II Logic Option

Input pin to logic array delay

Input delay from pin to internal cells

Input pin to input register delay

Input delay from pin to input register

Output pin delay

Delay from output register to output pin

ac/Altera/FPGA_cyc2-html.html
background image

Altera Corporation 

 

Preliminary

2–45

November 2004

Cyclone II Device Handbook, Volume 1

Cyclone II Architecture

In Cyclone II devices, all the I/O banks support SDR and DDR SDRAM 
memory up to 167 MHz/333 Mbps. All I/O banks support DQS signals 
with the DQ bus modes of ×8/×9, or ×16/×18. 

Table 2–15

 shows the 

external memory interfaces supported in Cyclone II devices.

Cyclone II devices use data (DQ), data strobe (DQS), and clock pins to 
interface with external memory

Figure 2–26

 shows the DQ and DQS pins 

in the ×8/×9 mode. 

Table 2–15. External Memory Support in Cyclone II Devices

Note (1)

Memory Standard

I/O Standard

Maximum Bus 

Width

Maximum Clock 

Rate Supported 

(MHz)

Maximum Data 

Rate Supported 

(Mbps)

SDR SDRAM

LVTTL 

(2)

72

167

167

DDR SDRAM

SSTL-2 class I 

(2)

72

167

333 

(1)

SSTL-2 class II 

(2)

72

133

267 

(1)

DDR2 SDRAM

SSTL-18 class I 

(2)

72

167

333 

(1)

SSTL-18 class II 

(3)

72

125

250 

(1)

QDRII SRAM 

(4)

1.8-V HSTL class I 

(2)

36

167

668 

(1)

1.8-V HSTL class II 

(3)

36

100

400 

(1)

Notes to 

Table 2–15

:

(1)

The data rate is for designs using the Clock Delay Control circuitry.

(2)

The I/O standards are supported on all the I/O banks of the Cyclone II device.

(3)

The I/O standards are supported only on the I/O banks on the top and bottom of the Cyclone II device.

(4)

For maximum performance, Altera recommends using the 1.8-V HSTL I/O standard because of higher I/O drive 
strength. QDRII SRAM devices also support the 1.5-V HSTL I/O standard.

ac/Altera/FPGA_cyc2-html.html
background image

2–46

 

Preliminary

Altera Corporation

Cyclone II Device Handbook, Volume 1

November 2004

I/O Structure & Features

Figure 2–26. Cyclone II Device DQ & DQS Groups in ×8/×9 Mode

Notes (1)

(2)

Notes to 

Figure 2–26

:

(1)

Each DQ group consists of a DQS pin, DM pin, and up to nine DQ pins.

(2)

This is an idealized pin layout. For actual pin layout, refer to the pin table.

Cyclone II devices support the data strobe or read clock signal (DQS) 
used in DDR and DDR2 SDRAM. Cyclone II devices can use either 
bidirectional data strobes or unidirectional read clocks. The dedicated 
external memory interface in Cyclone II devices also includes 
programmable delay circuitry that can shift the incoming DQS signals to 
center align the DQS signals within the data window.

The DQS signal is usually associated with a group of data (DQ) pins. The 
phase-shifted DQS signals drive the global clock network, which is used 
to clock the DQ signals on internal LE registers.

Table 2–16

 shows the number of DQ pin groups per device.

DQ Pins

DQS Pin

DM Pin

DQ Pins

(2)

Table 2–16. Cyclone II DQS & DQ Bus Mode Support (Part 1 of 2)

Note (1)

Device

Package

Number of ×8 

Groups

Number of ×9 

Groups

Number of ×16 

Groups

Number of ×18 

Groups

EP2C5

144-pin TQFP 

(2)

3

3

0

0

208-pin PQFP 

(2)

7

4

3

3

EP2C8

144-pin TQFP

3

3

0

0

208-pin PQFP

7

4

3

3

256-pin FineLine BGA

8

4

4

4

EP2C20

256-pin FineLine BGA

8

4

4

4

484-pin FineLine BGA

16

8

8

8

EP2C35

484-pin FineLine BGA

16

8

8

8

672-pin FineLine BGA

16

8

8

8

ac/Altera/FPGA_cyc2-html.html
background image

Altera Corporation 

 

Preliminary

2–47

November 2004

Cyclone II Device Handbook, Volume 1

Cyclone II Architecture

Designers can use any of the DQ pins for the parity pins in Cyclone II 
devices. The Cyclone II device family supports parity in the ×8/×9, and 
×16/×18 mode. There is one parity bit available per eight bits of data pins. 

The data mask, DM, pins are required when writing to DDR SDRAM and 
DDR2 SDRAM devices. A low signal on the DM pin indicates that the 
write is valid. If the DM signal is high, the memory masks the DQ signals. 
In Cyclone II devices, the DM pins are assigned and are the preferred 
pins. Each group of DQS and DQ signals requires a DM pin. 

When using the Cyclone II I/O banks to interface with the DDR memory, 
at least one PLL with two clock outputs is needed to generate the system 
and write clock. The system clock is used to clock the DQS write signals, 
commands, and addresses. The write clock is shifted by –90° from the 
system clock and is used to clock the DQ signals during writes.

Figure 2–27

 illustrates DDR SDRAM interfacing from the I/O through 

the dedicated circuitry to the logic array.

EP2C50

484-pin FineLine BGA

16

8

8

8

672-pin FineLine BGA

16

8

8

8

EP2C70

672-pin FineLine BGA

16

8

8

8

896-pin FineLine BGA

16

8

8

8

Notes to 

Table 2–16

:

(1)

Numbers are preliminary until the devices are available.

(2)

EP2C5 and EP2C8 devices in the 144-pin TQFP package do not have any DQ pin groups in I/O bank 1.

Table 2–16. Cyclone II DQS & DQ Bus Mode Support (Part 2 of 2)

Note (1)

Device

Package

Number of ×8 

Groups

Number of ×9 

Groups

Number of ×16 

Groups

Number of ×18 

Groups

ac/Altera/FPGA_cyc2-html.html
background image

2–48

 

Preliminary

Altera Corporation

Cyclone II Device Handbook, Volume 1

November 2004

I/O Structure & Features

Figure 2–27. DDR SDRAM Interfacing

f

For more information on Cyclone II external memory interfaces, see the 

External Memory Interfaces

 chapter in Volume 1 of the 

Cyclone II Device 

Handbook

.

DQS

OE

VCC

PLL

GND

clk

DQ

OE

DataA

DataB

Resynchronizing
to System Clock

Global Clock

Clock Delay

Control Circuitry

-90˚ Shifted clk

Adjacent LAB LEs

Clock Control

Block

LE

Register

LE

Register

LE

Register

LE

Register

t

en/dis

Dynamic Enable/Disable

Circuitry

ENOUT

ena_register_mode

LE

Register

LE

Register

LE

Register

LE

Register

LE

Register

LE

Register

LE

Register

LE

Register

LE

Register

ac/Altera/FPGA_cyc2-html.html
background image

Altera Corporation 

 

Preliminary

2–49

November 2004

Cyclone II Device Handbook, Volume 1

Cyclone II Architecture

Programmable Drive Strength

The output buffer for each Cyclone II device I/O pin has a programmable 
drive strength control for certain I/O standards. The LVTTL, LVCMOS, 
SSTL-2 class I and II, SSTL-18 class I and II, HSTL-18 class I and II, and 
HSTL-1.5 class I and II standards have several levels of drive strength that 
the designer can control. Using minimum settings provides signal slew 
rate control to reduce system noise and signal overshoot. 

Table 2–17

 

shows the possible settings for the I/O standards with drive strength 
control.

Table 2–17. Programmable Drive Strength (Part 1 of 2)

I/O Standard

I

OH

/I

OL

 Current Strength Setting (mA)

Top & Bottom I/O Pins

Side I/O Pins

LVTTL (3.3 V)

4

4

8

8

12

12

16

16

20

20

24

24

LVCMOS (3.3 V)

4

4

8

8

12

12

16

20

24

LVTTL/LVCMOS (2.5 V)

4

4

8

8

12

16

LVTTL/LVCMOS (1.8 V)

2

2

4

4

6

6

8

8

10

10

12

12

ac/Altera/FPGA_cyc2-html.html
background image

2–50

 

Preliminary

Altera Corporation

Cyclone II Device Handbook, Volume 1

November 2004

I/O Structure & Features

LVCMOS (1.5 V)

2

2

4

4

6

6

8

SSTL-2 class I

8

8

12

12

SSTL-2 class II

16

16

20

24

SSTL-18 class I

4

4

6

6

8

8

10

10

12

SSTL-18 class II

8

16

18

HSTL-18 class I

4

4

6

6

8

8

10

10

12

12

HSTL-18 class II

16

18

20

HSTL-15 class I

4

4

6

6

8

8

10

12

HSTL-15 class II

16

Table 2–17. Programmable Drive Strength (Part 2 of 2)

I/O Standard

I

OH

/I

OL

 Current Strength Setting (mA)

Top & Bottom I/O Pins

Side I/O Pins

ac/Altera/FPGA_cyc2-html.html
background image

Altera Corporation 

 

Preliminary

2–51

November 2004

Cyclone II Device Handbook, Volume 1

Cyclone II Architecture

Open-Drain Output

Cyclone II devices provide an optional open-drain (equivalent to an 
open-collector) output for each I/O pin. This open-drain output enables 
the device to provide system-level control signals (that is, interrupt and 
write-enable signals) that can be asserted by any of several devices.

Slew Rate Control

Slew rate control is performed by using programmable output drive 
strength.

Bus Hold

Each Cyclone II device user I/O pin provides an optional bus-hold 
feature. The bus-hold circuitry can hold the signal on an I/O pin at its 
last-driven state. Since the bus-hold feature holds the last-driven state of 
the pin until the next input signal is present, an external pull-up or pull-
down resistor is not necessary to hold a signal level when the bus is tri-
stated.

The bus-hold circuitry also pulls undriven pins away from the input 
threshold voltage where noise can cause unintended high-frequency 
switching. The designer can select this feature individually for each I/O 
pin. The bus-hold output will drive no higher than V

CCIO

 to prevent 

overdriving signals.

1

If the bus-hold feature is enabled, the device cannot use the 
programmable pull-up option. Disable the bus-hold feature 
when the I/O pin is configured for differential signals. Bus hold 
circuitry is not available on the dedicated clock pins.

The bus-hold circuitry is only active after configuration. When going into 
user mode, the bus-hold circuit captures the value on the pin present at 
the end of configuration.

The bus-hold circuitry uses a resistor with a nominal resistance (R

BH

) of 

approximately 7 k

 to pull the signal level to the last-driven state. Refer 

to the 

DC Characteristics & Timing Specifications

 chapter in Volume 1 of the 

Cyclone II Device Handbook

 for the specific sustaining current for each 

V

CCIO

 voltage level driven through the resistor and overdrive current 

used to identify the next driven input level.

ac/Altera/FPGA_cyc2-html.html
background image

2–52

 

Preliminary

Altera Corporation

Cyclone II Device Handbook, Volume 1

November 2004

I/O Structure & Features

Programmable Pull-Up Resistor

Each Cyclone II device I/O pin provides an optional programmable pull-
up resistor during user mode. If the designer enables this feature for an 
I/O pin, the pull-up resistor (typically 25 k

) holds the output to the 

V

CCIO

 level of the output pin’s bank.

1

If the programmable pull-up is enabled, the device cannot use 
the bus-hold feature. The programmable pull-up resistors are 
not supported on the dedicated configuration, JTAG, and 
dedicated clock pins.

Advanced I/O Standard Support

Table 2–18

 shows the I/O standards supported by Cyclone II devices and 

which I/O pins support them.

Table 2–18. Cyclone II Supported I/O Standards & Constraints (Part 1 of 2)

I/O Standard

Type

V

CCIO

 Level

Top & Bottom 

I/O Pins

Side I/O Pins

Input

Output

CLK, 

DQS

User I/O 

Pins

CLK, 

DQS

PLL_OUT

User I/O 

Pins

3.3-V LVTTL and LVCMOS

Single ended

3.3 V/

2.5 V

3.3 V

v

v

v

v

v

2.5-V LVTTL and LVCMOS

Single ended

3.3 V/

2.5 V

2.5 V

v

v

v

v

v

1.8-V LVTTL and LVCMOS

Single ended

1.8 V/

1.5 V

1.8 V

v

v

v

v

v

1.5-V LVCMOS

Single ended

1.8 V/

1.5 V

1.5 V

v

v

v

v

v

SSTL-2 class I

Voltage 
referenced

2.5 V

2.5 V

v

v

v

v

v

SSTL-2 class II

Voltage 
referenced

2.5 V

2.5 V

v

v

v

v

v

SSTL-18 class I

Voltage 
referenced

1.8 V

1.8 V

v

v

v

v

v

SSTL-18 class II

Voltage 
referenced

1.8 V

1.8 V

v

v

(1)

(1)

(1)

HSTL-18 class I

Voltage 
referenced

1.8 V

1.8 V

v

v

v

v

v

HSTL-18 class II

Voltage 
referenced

1.8 V

1.8 V

v

v

(1)

(1)

(1)

ac/Altera/FPGA_cyc2-html.html
background image

Altera Corporation 

 

Preliminary

2–53

November 2004

Cyclone II Device Handbook, Volume 1

Cyclone II Architecture

HSTL-15 class I

Voltage 
referenced

1.5 V

1.5 V

v

v

v

v

v

HSTL-15 class II

Voltage 
referenced 

1.5 V

1.5 V

v

v

(1)

(1)

(1)

PCI and PCI-X 

(2)

Single ended

3.3 V

3.3 V

v

v

v

Differential SSTL-2 class I or 
class II

Pseudo 
differential 

(3)

(4)

2.5 V

v

2.5 V

(4)

(5)

 

(5)

 

Differential SSTL-18 class I 
or class II

Pseudo 
differential 

(3)

(4)

1.8 V

v

 

(6)

1.8 V

(4)

(5)

(5)

 

Differential HSTL-15 class I 
or class II

Pseudo 
differential 

(3)

(4)

1.5 V

v

 

(6)

1.5 V

(4)

(5)

(5)

 

Differential HSTL-18 class I 
or class II

Pseudo 
differential 

(3)

(4)

1.8 V

v

 

(6)

1.8 V

(4)

(5)

(5)

 

LVDS

Differential

2.5 V

2.5 V

v

v

v

v

v

RSDS and mini-LVDS 

(7)

Differential

(4)

2.5 V

v

v

v

LVPECL 

(

8

)

Differential

3.3 V/
2.5 V/
1.8 V/
1.5 V

(4)

v

v

Notes to 

Table 2–18

:

(1)

These pins support SSTL-18 class II and 1.8- and 1.5-V HSTL class II inputs.

(2)

PCI-X does not meet the IV curve requirement at the linear region. PCI-clamp diode is not available on top and 
bottom I/O pins.

(3)

Pseudo-differential HSTL and SSTL outputs use two single-ended outputs with the second output programmed 
as inverted. Pseudo-differential HSTL and SSTL inputs treat differential inputs as two single-ended HSTL and 
SSTL inputs and only decode one of them.

(4)

This I/O standard is not supported on these I/O pins.

(5)

This I/O standard is only supported on the dedicated clock pins.

(6)

PLL_OUT

 does not support differential SSTL-18 class II and differential 1.8 and 1.5-V HSTL class II.

(7)

mini-LVDS and RSDS are only supported on output pins.

(8)

LVPECL is only supported on clock inputs.

Table 2–18. Cyclone II Supported I/O Standards & Constraints (Part 2 of 2)

I/O Standard

Type

V

CCIO

 Level

Top & Bottom 

I/O Pins

Side I/O Pins

Input

Output

CLK, 

DQS

User I/O 

Pins

CLK, 

DQS

PLL_OUT

User I/O 

Pins

ac/Altera/FPGA_cyc2-html.html
background image

2–54

 

Preliminary

Altera Corporation

Cyclone II Device Handbook, Volume 1

November 2004

I/O Structure & Features

f

For more information on Cyclone II supported I/O standards, see the 

Selectable I/O Standards in Cyclone II Devices

 chapter in Volume 1 of the 

Cyclone II Device Handbook

.

High-Speed Differential Interfaces

Cyclone II devices can transmit and receive data through LVDS signals at 
a data rate of up to 622 Mbps and 805 Mbps, respectively. For the LVDS 
transmitter and receiver, the Cyclone II device’s input and output pins 
support serialization and deserialization through internal logic. 

The reduced swing differential signaling (RSDS) and mini-LVDS 
standards are derivatives of the LVDS standard. The RSDS and mini-
LVDS I/O standards are similar in electrical characteristics to LVDS, but 
have a smaller voltage swing and therefore provide increased power 
benefits and reduced electromagnetic interference (EMI). Cyclone II 
devices support the RSDS and mini-LVDS I/O standards at data rates up 
to 170 Mbps at the transmitter. For RSDS and mini-LVDS, the maximum 
internal clock frequency is 85 MHz.

A subset of pins in each I/O bank (on both rows and columns) support 
the high-speed I/O interface. The dual-purpose LVDS pins require an 
external-resistor network at the transmitter channels in addition to 100-

 

termination resistors on receiver channels. These pins do not contain 
dedicated serialization or deserialization circuitry. Therefore, internal 
logic performs serialization and deserialization functions.

Cyclone II pin tables list the pins that support the high-speed I/O 
interface. The number of LVDS channels supported in each device family 
member is listed in 

Table 2–19

.

Table 2–19. Cyclone II Device LVDS Channels (Part 1 of 2)

Device

Pin Count

Number of LVDS 

Channels 

(1)

EP2C5

144

33 (35)

208

58 (60)

EP2C8

144

31 (33)

208

55 (57)

256

77 (79)

EP2C20

256

56 (60)

484

132 (136)

EP2C35

484

135(139)

672

205 (209)

ac/Altera/FPGA_cyc2-html.html
background image

Altera Corporation 

 

Preliminary

2–55

November 2004

Cyclone II Device Handbook, Volume 1

Cyclone II Architecture

You can use I/O pins and internal logic to implement a high-speed I/O 
receiver and transmitter in Cyclone II devices. Cyclone II devices do not 
contain dedicated serialization or deserialization circuitry. Therefore, 
shift registers, internal PLLs, and IOEs are used to perform serial-to-
parallel conversions on incoming data and parallel-to-serial conversion 
on outgoing data.

The maximum internal clock frequency for a receiver is 402.5 MHz. The 
maximum internal clock frequency for a transmitter is 311 MHz. The 
maximum data rate of 805 Mbps is only achieved when DDIO registers 
are used. The LVDS standard does not require an input reference voltage, 
but it does require a 100-

 termination resistor between the two signals 

at the input buffer. An external resistor network is required on the 
transmitter side.

f

For more information on Cyclone II differential I/O interfaces, see the 

High-Speed Differential Interfaces in Cyclone II Devices

 chapter in Volume 1 

of the 

Cyclone II Device Handbook

.

Series On-Chip Termination

On-chip termination helps to prevent reflections and maintain signal 
integrity. This also minimizes the need for external resistors in high pin 
count ball grid array (BGA) packages. Cyclone II devices provide I/O 
driver on-chip impedance matching and on-chip series termination for 
single-ended outputs and bidirectional pins. 

EP2C50

484

122 (126)

672

193 (197)

EP2C70

672

164 (168)

896

261 (265)

Note to 

Table 2–19

:

(1)

The first number represents the number of bidirectional I/O pins which can be 
used as inputs or outputs. The number in parenthesis includes dedicated clock 
input pin pairs which can only be used as inputs.

Table 2–19. Cyclone II Device LVDS Channels (Part 2 of 2)

Device

Pin Count

Number of LVDS 

Channels 

(1)

ac/Altera/FPGA_cyc2-html.html
background image

2–56

 

Preliminary

Altera Corporation

Cyclone II Device Handbook, Volume 1

November 2004

I/O Structure & Features

Cyclone II devices support driver impedance matching to the impedance 
of the transmission line, typically 25 or 50

. When used with the output 

drivers, on-chip termination sets the output driver impedance to 25 or 
50

. Cyclone II devices also support I/O driver series termination 

(R

S

= 50 

) for SSTL-2 and SSTL-18. 

Table 2–20

 lists the I/O standards 

that support impedance matching and series termination.

1

The recommended frequency range of operation is pending 
silicon characterization.

On-chip series termination can be supported on any I/O bank. V

CCIO

 and 

V

REF

 must be compatible for all I/O pins in order to enable on-chip series 

termination in a given I/O bank. I/O standards that support different R

S

 

values can reside in the same I/O bank as long as their V

CCIO

 and V

REF

 are 

not conflicting.

1

When using on-chip series termination, programmable drive 
strength is not available. 

Impedance matching is implemented using the capabilities of the output 
driver and is subject to a certain degree of variation, depending on the 
process, voltage and temperature. The actual tolerance is pending silicon 
characterization. 

Table 2–20. I/O Standards Supporting Series Termination

Note (1)

I/O Standards

Target R

S

 (

)

V

CCIO

 (V)

3.3-V LVTTL and LVCMOS

25 

(2)

3.3

2.5-V LVTTL and LVCMOS

50 

(2)

2.5

1.8-V LVTTL and LVCMOS

50 

(2)

1.8

SSTL-2 class I 

50 

(2)

2.5

SSTL-18 class I 

50 

(2)

1.8

Notes to 

Table 2–20

:

(1)

Supported conditions are junction temperature (T

J

) = 0° to 85° C and 

V

CCIO

= V

CCIO

 ±50 mV.

(2)

These R

S

 values are nominal values. Actual impedance will vary across process, 

voltage, and temperature conditions. Tolerance is pending characterization.

ac/Altera/FPGA_cyc2-html.html
background image

Altera Corporation 

 

Preliminary

2–57

November 2004

Cyclone II Device Handbook, Volume 1

Cyclone II Architecture

I/O Banks

The I/O pins on Cyclone II devices are grouped together into I/O banks 
and each bank has a separate power bus. EP2C5 and EP2C8 devices have 
four I/O banks (see 

Figure 2–28

), while EP2C20, EP2C35, EP2C50, and 

EP2C70 devices have eight I/O banks (see 

Figure 2–29

). Each device I/O 

pin is associated with one I/O bank. To accommodate voltage-referenced 
I/O standards, each Cyclone II I/O bank has a 

VREF

 bus. Each bank in 

EP2C5, EP2C8, EP2C20, EP2C35, and EP2C50 devices supports two 

VREF

 

pins and each bank of EP2C70 supports three 

VREF

 pins. When using the 

VREF

 pins, each 

VREF

 pin must be properly connected to the appropriate 

voltage level. In the event these pins are not used as 

VREF

 pins, they may 

be used as regular I/O pins.

The top and bottom I/O banks (banks 2 and 4 in EP2C5 and EP2C8 
devices and banks 3, 4, 7, and 8 in EP2C20, EP2C35, EP2C50, and EP2C70 
devices) support all I/O standards listed in 

Table 2–18

, except the 

PCI/PCI-X I/O standards. The left and right side I/O banks (banks 1 and 
3 in EP2C5 and EP2C8 devices and banks 1, 2, 5, and 6 in EP2C20, EP2C35, 
EP2C50, and EP2C70 devices) support I/O standards listed in 

Table 2–18

except SSTL-18 class II, HSTL-18 class II, and HSTL-15 class II I/O 
standards. See 

Table 2–18

 for a complete list of supported I/O standards.   

The top and bottom I/O banks (banks 2 and 4 in EP2C5 and EP2C8 
devices and banks 3, 4, 7, and 8 in EP2C20, EP2C35, EP2C50, and EP2C70 
devices) support DDR2 memory up to 167 MHz/333 Mbps and QDR 
memory up to 167 MHz/668 Mbps. The left and right side I/O banks (1 
and 3 of EP2C5 and EP2C8 devices and 1, 2, 5, and 6 of EP2C20, EP2C35, 
EP2C50, and EP2C70 devices) only support SDR and DDR SDRAM 
interfaces. All the I/O banks of the Cyclone II devices support SDR 
memory up to 167 MHz/167 Mbps and DDR memory up to 
167 MHz/333 Mbps.

ac/Altera/FPGA_cyc2-html.html
background image

2–58

 

Preliminary

Altera Corporation

Cyclone II Device Handbook, Volume 1

November 2004

I/O Structure & Features

Figure 2–28. EP2C5 & EP2C8 I/O Banks

Notes (1)

(2)

I/O Bank 2

I/O Bank 3

I/O Bank 4

I/O Bank 1

All I/O Banks Support

  

3.3-V LVTTL/LVCMOS

 

 

 

2.5-V LVTTL/LVCMOS

  

1.8-V LVTTL/LVCMOS

  

1.5-V LVCMOS

  

LVDS

  

RSDS

  

mini-LVDS

  

LVPECL

 

 

SSTL-2 Class I and II

  

SSTL-18 Class I

  

HSTL-18 Class I

  

HSTL-15 Class I

 

 

Differential SSTL-2

  

Differential SSTL-18

  

Differential HSTL-18

  

Differential HSTL-15

I/O Bank 3
Also Supports the 
3.3-V PCI & PCI-X
I/O Standards

I/O Bank 1

Also Supports the

3.3-V PCI & PCI-X

I/O Standards

Individual

Power Bus

I/O Bank 2 Also Supports

the SSTL-18 Class II,

HSTL-18 Class II, & HSTL-15

Class II I/O Standards

I/O Bank 4 Also Supports

the SSTL-18 Class II,

HSTL-18 Class II, & HSTL-15

Class II I/O Standards

ac/Altera/FPGA_cyc2-html.html
background image

Altera Corporation 

 

Preliminary

2–59

November 2004

Cyclone II Device Handbook, Volume 1

Cyclone II Architecture

Figure 2–29. EP2C20, EP2C35, EP2C50 & EP2C70 I/O Banks

Notes (1)

(2)

Notes to 

Figure 2–28

 & 

2–29

:

(1)

This is a top view of the silicon die.

(2)

This is a graphic representation only. Refer to the pin list and the Quartus II software for exact pin locations.

Each I/O bank has its own 

VCCIO

 pins. A single device can support 

1.5-V, 1.8-V, 2.5-V, and 3.3-V interfaces; each individual bank can support 
a different standard with different I/O voltages. Each bank also has dual-
purpose 

VREF

 pins to support any one of the voltage-referenced 

standards (e.g., SSTL-2) independently. If an I/O bank does not use 
voltage-referenced standards, the 

VREF

 pins are available as user I/O 

pins.

I/O Bank 2

Regular I/O Block

Bank 8

Regular I/O Block

Bank 7

I/O Bank 3

I/O Bank 4

I/O Bank 1

I/O Bank 5

I/O Bank 6

Individual

Power Bus

All I/O Banks Support

  

3.3-V LVTTL/LVCMOS

 

 

 

2.5-V LVTTL/LVCMOS

  

1.8-V LVTTL/LVCMOS

  

1.5-V LVCMOS

  

LVDS

  

RSDS

  

mini-LVDS

 

 

SSTL-2 Class I and II

  

SSTL-18 Class I

  

HSTL-18 Class I

  

HSTL-15 Class I

I/O Banks 3 & 4 Also Support

the SSTL-18 Class II,

HSTL-18 Class II, & HSTL-15

Class II I/O Standards

I/O Banks 7 & 8 Also Support

the SSTL-18 Class II,

HSTL-18 Class II, & HSTL-15

Class II I/O Standards

I/O Banks 5 & 6 Also
Support the 3.3-V PCI
& PCI-X I/O Standards

I/O Banks 1 & 2 Also

Support the 3.3-V PCI

& PCI-X I/O Standards

ac/Altera/FPGA_cyc2-html.html
background image

2–60

 

Preliminary

Altera Corporation

Cyclone II Device Handbook, Volume 1

November 2004

I/O Structure & Features

Each I/O bank can support multiple standards with the same V

CCIO

 for 

input and output pins. For example, when V

CCIO

 is 3.3-V, a bank can 

support LVTTL, LVCMOS, and 3.3-V PCI for inputs and outputs. Voltage-
referenced standards can be supported in an I/O bank using any number 
of single-ended or differential standards as long as they use the same V

REF

 

and a compatible V

CCIO

 value.

MultiVolt I/O Interface

The Cyclone II architecture supports the MultiVolt I/O interface feature, 
which allows Cyclone II devices in all packages to interface with systems 
of different supply voltages. Cyclone II devices have one set of V

CC

 pins 

(

VCCINT

) that power the internal device logic array and input buffers that 

use the LVPECL, LVDS, HSTL, or SSTL I/O standards. Cyclone II devices 
also have four or eight sets of VCC pins (

VCCIO

) that power the I/O 

output drivers and input buffers that use the LVTTL, LVCMOS, or PCI 
I/O standards.

The Cyclone II 

VCCINT

 pins must always be connected to a 1.2-V power 

supply. If the V

CCINT

 level is 1.2 V, then input pins are 1.5-V, 1.8-V, 2.5-V, 

and 3.3-V tolerant. The 

VCCIO

 pins can be connected to either a 1.5-V, 

1.8-V, 2.5-V, or 3.3-V power supply, depending on the output 
requirements. The output levels are compatible with systems of the same 
voltage as the power supply (i.e., when 

VCCIO

 pins are connected to a 

1.5-V power supply, the output levels are compatible with 1.5-V systems). 
When 

VCCIO

 pins are connected to a 3.3-V power supply, the output high 

is 3.3-V and is compatible with 3.3-V systems. 

Table 2–21

 summarizes 

Cyclone II MultiVolt I/O support.

Table 2–21. Cyclone II MultiVolt I/O Support  (Part 1 of 2)

Note (1)

V

CCIO

 (V)

Input Signal

Output Signal

1.5 V

1.8 V

2.5 V

3.3 V

1.5 V

1.8 V

2.5 V

3.3 V

1.5

v

v

v

 

(2)

v

 

(2)

v

1.8

v

 

(4)

v

v

 

(2)

v

 

(2)

v

 

(3)

v

2.5

v

v

v

 

(5)

v

 

(5)

v

ac/Altera/FPGA_cyc2-html.html
background image

Altera Corporation 

 

Preliminary

2–61

November 2004

Cyclone II Device Handbook, Volume 1

Cyclone II Architecture

3.3

v

 

(4)

v

v

 

(6)

v

 

(6)

v

 

(6)

v

Notes to 

Table 2–21

:

(1)

The PCI clamping diode must be disabled to drive an input with voltages higher than V

CCIO

.

(2)

When V

CCIO

 = 1.5-V or 1.8-V and a 2.5-V or 3.3-V input signal feeds an input pin, higher pin leakage current is 

expected.

(3)

When V

CCIO

 = 1.8-V, a Cyclone II device can drive a 1.5-V device with 1.8-V tolerant inputs.

(4)

When V

CCIO

 = 3.3-V and a 2.5-V input signal feeds an input pin or when VCCIO = 1.8-V and a 1.5-V input signal 

feeds an input pin, the V

CCIO

 supply current will be slightly larger than expected. The reason for this increase is 

that the input signal level does not drive to the V

CCIO

 rail, which causes the input buffer to not completely shut off.

(5)

When V

CCIO

 = 2.5-V, a Cyclone II device can drive a 1.5-V or 1.8-V device with 2.5-V tolerant inputs.

(6)

When V

CCIO

 = 3.3-V, a Cyclone II device can drive a 1.5-V, 1.8-V, or 2.5-V device with 3.3-V tolerant inputs.

Table 2–21. Cyclone II MultiVolt I/O Support  (Part 2 of 2)

Note (1)

V

CCIO

 (V)

Input Signal

Output Signal

1.5 V

1.8 V

2.5 V

3.3 V

1.5 V

1.8 V

2.5 V

3.3 V

ac/Altera/FPGA_cyc2-html.html
background image

2–62

 

Preliminary

Altera Corporation

Cyclone II Device Handbook, Volume 1

November 2004

I/O Structure & Features

ac/Altera/FPGA_cyc2-html.html
background image

Altera Corporation 

 

 

3–1

November 2004

Preliminary

Chapter 3. Configuration &

Testing

IEEE Std. 1149.1 
(JTAG) Boundary 
Scan Support

All Cyclone

II devices provide JTAG BST circuitry that complies with 

the IEEE Std. 1149.1. JTAG boundary-scan testing can be performed either 
before or after, but not during configuration. Cyclone II devices can also 
use the JTAG port for configuration with the Quartus

®

II software or 

hardware using either Jam Files (

.jam

) or Jam Byte-Code Files (

.jbc

).

Cyclone II devices support IOE I/O standard reconfiguration through the 
JTAG BST chain. The JTAG chain can update the I/O standard for all 
input and output pins any time before or during user mode through the 

CONFIG_IO

 instruction. Designers can use this capability for JTAG 

testing before configuration when some of the Cyclone II pins drive or 
receive from other devices on the board using voltage-referenced 
standards. Since the Cyclone II device might not be configured before 
JTAG testing, the I/O pins may not be configured for appropriate 
electrical standards for chip-to-chip communication. Programming the 
I/O standards via JTAG allows designers to fully test I/O connections to 
other devices.

f

For information on I/O reconfiguration, see 

MorphIO: An I/O 

Reconfiguration Solution for Altera Devices White Paper

A device operating in JTAG mode uses four required pins: 

TDI

TDO

TMS

and 

TCK

. The 

TCK

 pin has an internal weak pull-down resister, while the 

TDI

 and 

TMS

 pins have weak internal pull-up resistors. The 

TDO

 output 

pin and all JTAG input pin voltage is determined by the V

CCIO

 of the bank 

where it resides. The bank V

CCIO

 selects whether the JTAG inputs are 1.5-, 

1.8-, 2.5-, or 3.3-V compatible. 

CII51003-1.1

ac/Altera/FPGA_cyc2-html.html
background image

3–2

 

Preliminary

Altera Corporation

Cyclone II Device Handbook, Volume 1

November 2004

IEEE Std. 1149.1 (JTAG) Boundary Scan Support

Cyclone II devices also use the JTAG port to monitor the logic operation 
of the device with the SignalTap

®

II embedded logic analyzer. Cyclone II 

devices support the JTAG instructions shown in 

Table 3–1

Table 3–1. Cyclone II JTAG Instructions (Part 

of 2)

JTAG Instruction

Instruction Code

Description

SAMPLE/PRELOAD

00 0000 0101

Allows a snapshot of signals at the device pins to be captured and 
examined during normal device operation, and permits an initial 
data pattern to be output at the device pins. Also used by the 
SignalTap II embedded logic analyzer.

EXTEST 

(1)

00 0000 1111

Allows the external circuitry and board-level interconnects to be 
tested by forcing a test pattern at the output pins and capturing test 
results at the input pins.

BYPASS

11 1111 1111

Places the 1-bit bypass register between the 

TDI

 and 

TDO

 pins, 

which allows the BST data to pass synchronously through selected 
devices to adjacent devices during normal device operation.

USERCODE

00 0000 0111

Selects the 32-bit 

USERCODE

 register and places it between the 

TDI

 and 

TDO

 pins, allowing the 

USERCODE

 to be serially shifted 

out of 

TDO

.

IDCODE

00 0000 0110

Selects the 

IDCODE

 register and places it between 

TDI

 and 

TDO

allowing the 

IDCODE

 to be serially shifted out of 

TDO

.

HIGHZ 

(1)

00 0000 1011

Places the 1-bit bypass register between the 

TDI

 and 

TDO

 pins, 

which allows the BST data to pass synchronously through selected 
devices to adjacent devices during normal device operation, while 
tri-stating all of the I/O pins.

CLAMP 

(1)

00 0000 1010

Places the 1-bit bypass register between the 

TDI

 and 

TDO

 pins, 

which allows the BST data to pass synchronously through selected 
devices to adjacent devices during normal device operation while 
holding I/O pins to a state defined by the data in the boundary-scan 
register.

ICR 

instructions

Used when configuring a Cyclone II device via the JTAG port with 
a USB Blaster

, ByteBlaster

II, MasterBlaster

 or 

ByteBlasterMV

 download cable, or when using a Jam File or JBC 

File via an embedded processor.

PULSE_NCONFIG

00 0000 0001

Emulates pulsing the 

nCONFIG

 pin low to trigger reconfiguration 

even though the physical pin is unaffected.

ac/Altera/FPGA_cyc2-html.html
background image

Altera Corporation 

 

Preliminary

3–3

November 2004

Cyclone II Device Handbook, Volume 1

Configuration & Testing

The Cyclone II device instruction register length is 10 bits and the 

USERCODE

 register length is 32 bits. 

Tables 3–2

 and 

3–3

 show the 

boundary-scan register length and device 

IDCODE

 information for 

Cyclone II devices.

CONFIG_IO

00 0000 1101

Allows configuration of I/O standards through the JTAG chain for 
JTAG testing. Can be executed before, after, or during 
configuration. Stops configuration if executed during configuration. 
Once issued, the 

CONFIG_IO

 instruction will hold 

nSTATUS

 low 

to reset the configuration device. 

nSTATUS

 is held low until the 

device is reconfigured.

SignalTap II 
instructions

Monitors internal device operation with the SignalTap II embedded 
logic analyzer.

Note to 

Table 3–1

:

(1)

Bus hold and weak pull-up resistor features override the high-impedance state of 

HIGHZ

CLAMP

, and 

EXTEST.

Table 3–1. Cyclone II JTAG Instructions (Part 

of 2)

JTAG Instruction

Instruction Code

Description

Table 3–2. Cyclone II Boundary-Scan Register Length

Device

Boundary-Scan Register Length

EP2C5

450

EP2C8

597

EP2C20

969

EP2C35

1,449

EP2C50

1,374

EP2C70

1,890 

Table 3–3. 32-Bit Cyclone II Device IDCODE  (Part 1 of 2)

Device

IDCODE (32 Bits

(1)

Version (4 Bits)

Part Number (16 Bits)

Manufacturer Identity (11 Bits)

LSB (1 Bit) 

(2)

EP2C5

0000

0010 0000 1011 0001

000  0110  1110

1

EP2C8

0000

0010 0000 1011 0010

000  0110  1110

1

EP2C20

0000

0010 0000 1011 0011

000  0110  1110

1

EP2C35

0000

0010 0000 1011 0100

000  0110  1110

1

ac/Altera/FPGA_cyc2-html.html
background image

3–4

 

Preliminary

Altera Corporation

Cyclone II Device Handbook, Volume 1

November 2004

IEEE Std. 1149.1 (JTAG) Boundary Scan Support

Figure 3–1

 shows the timing requirements for the JTAG signals.

Figure 3–1. Cyclone II JTAG Waveform

EP2C50

0000

0010 0000 1011 0101

000  0110  1110

1

EP2C70

0000

0010 0000 1011 0110

000  0110  1110

1

Notes to 

Table 3–3

:

(1)

The most significant bit (MSB) is on the left.

(2)

The IDCODE’s least significant bit (LSB) is always 1.

Table 3–3. 32-Bit Cyclone II Device IDCODE  (Part 2 of 2)

Device

IDCODE (32 Bits) 

(1)

Version (4 Bits)

Part Number (16 Bits)

Manufacturer Identity (11 Bits)

LSB (1 Bit) 

(2)

TDO

TCK

t

JPZX

t

JPCO

t

JPH

t

JPXZ

 t

JCP

 t

JPSU

 t

JCL

 t

JCH

TDI

TMS

Signal

to be

Captured

Signal

to be

Driven

t

JSZX

t

JSSU

t

JSH

t

JSCO

t

JSXZ

ac/Altera/FPGA_cyc2-html.html
background image

Altera Corporation 

 

Preliminary

3–5

November 2004

Cyclone II Device Handbook, Volume 1

Configuration & Testing

Table 3–4

 shows the JTAG timing parameters and values for Cyclone II 

devices.

f

For more information on JTAG, see the 

IEEE 1149.1 (JTAG) Boundary-Scan 

Testing for Cyclone II Devices

 chapter in the 

Cyclone II Handbook

 and 

Jam 

Programming & Test Language Specification

.

SignalTap II 
Embedded Logic 
Analyzer

Cyclone II devices support the SignalTap II embedded logic analyzer, 
which monitors design operation over a period of time through the IEEE 
Std. 1149.1 (JTAG) circuitry. A designer can analyze internal logic at speed 
without bringing internal signals to the I/O pins. This feature is 
particularly important for advanced packages, such as FineLine BGA

®

 

packages, because it can be difficult to add a connection to a pin during 
the debugging process after a board is designed and manufactured. 

f

For more information on the SignalTap II, see the 

Signal Tap

 chapter of 

the 

Quartus II Handbook, Volume 3

.

Table 3–4. Cyclone II JTAG Timing Parameters & Values

Symbol

Parameter

Min

Max

Unit

t

J C P

TCK

 clock period

 40

ns

t

J C H

TCK

 clock high time

20

ns

t

J C L

TCK

 clock low time

20

ns

t

J P S U

JTAG port setup time 

(2)

5

ns

t

J P H

JTAG port hold time

10

ns

t

J P C O

JTAG port clock to output 

(2)

13

ns

t

J P Z X

JTAG port high impedance to valid outpu

(2)

13

ns

t

J P X Z

JTAG port valid output to high impedance 

(2)

13

ns

t

J S S U

Capture register setup time 

(2)

5

ns

t

J S H

Capture register hold time

10

ns

t

J S C O

Update register clock to output

25

ns

t

J S Z X

Update register high impedance to valid output

25

ns

t

J S X Z

Update register valid output to high impedance

25

ns

Notes to 

Table 3–4

:

(1)

This information is preliminary.

(2)

This specification is shown for 3.3-V LVTTL/LVCMOS and 2.5-V LVTTL/LVCMOS operation of the JTAG pins. 
For 1.8-V LVTTL/LVCMOS and 1.5-V LVCMOS, the JTAG port and capture register clock setup time is 3 ns and 
port clock to output time is 15 ns.

ac/Altera/FPGA_cyc2-html.html
background image

3–6

 

Preliminary

Altera Corporation

Cyclone II Device Handbook, Volume 1

November 2004

Configuration

Configuration

The logic, circuitry, and interconnects in the Cyclone II architecture are 
configured with CMOS SRAM elements. Cyclone II devices are 
reconfigurable and are 100% tested prior to shipment. As a result, the 
designer does not have to generate test vectors for fault coverage 
purposes, and can instead focus on simulation and design verification. In 
addition, the designer does not need to manage inventories of different 
ASIC designs. Cyclone II devices can be configured on the board for the 
specific functionality required.

Cyclone II devices are configured at system power-up with data stored in 
an Altera configuration device or provided by a system controller. The 
Cyclone II device’s optimized interface allows the device to act as 
controller in an active serial configuration scheme with EPCS serial 
configuration devices. The serial configuration device can be 
programmed via SRunner, the ByteBlaster II or USB Blaster download 
cable, the Altera Programming Unit (APU), or third-party programmers.

In addition to EPCS serial configuration devices, Altera offers in-system 
programmability (ISP)-capable configuration devices that can configure 
Cyclone II devices via a serial data stream using the Passive serial (PS) 
configuration mode. The PS interface also enables microprocessors to 
treat Cyclone II devices as memory and configure them by writing to a 
virtual memory location, simplifying reconfiguration. After a Cyclone II 
device has been configured, it can be reconfigured in-circuit by resetting 
the device and loading new configuration data. Real-time changes can be 
made during system operation, enabling innovative reconfigurable 
applications.

Operating 
Modes

The Cyclone II architecture uses SRAM configuration elements that 
require configuration data to be loaded each time the circuit powers up. 
The process of physically loading the SRAM data into the device is called 
configuration. During initialization, which occurs immediately after 
configuration, the device resets registers, enables I/O pins, and begins to 
operate as a logic device. Together, the configuration and initialization 
processes are called command mode. Normal device operation is called 
user mode.

SRAM configuration elements allow Cyclone II devices to be 
reconfigured in-circuit by loading new configuration data into the device. 
With real-time reconfiguration, the device is forced into command mode 
with the 

nCONFIG

 pin. The configuration process loads different 

configuration data, reinitializes the device, and resumes user-mode 
operation. Designers can perform in-field upgrades by distributing new 
configuration files within the system or remotely.

ac/Altera/FPGA_cyc2-html.html
background image

Altera Corporation 

 

Preliminary

3–7

November 2004

Cyclone II Device Handbook, Volume 1

Configuration & Testing

A built-in weak pull-up resistor pulls all user I/O pins to V

CCIO

 before 

and during device configuration.

The configuration pins support 1.5-V/1.8-V or 2.5-V/3.3-V I/O 
standards. The voltage level of the configuration output pins is 
determined by the V

CCIO

 of the bank where the pins reside. The bank 

V

CCIO

 selects whether the configuration inputs are 1.5-V, 1.8-V, 2.5-V, or 

3.3-V compatible.

Configuration 
Schemes

Designers can load the configuration data for a Cyclone II device with 
one of three configuration schemes (see 

Table 3–5

), chosen on the basis of 

the target application. Designers can use a configuration device, 
intelligent controller, or the JTAG port to configure a Cyclone II device. A 
low-cost configuration device can automatically configure a Cyclone II 
device at system power-up.

Multiple Cyclone II devices can be configured in any of the three 
configuration schemes by connecting the configuration enable (

nCE

) and 

configuration enable output (

nCEO

) pins on each device.

f

For more information on configuration, see the 

Configuring Cyclone II 

Devices

 chapter of the

 Cyclone II Handbook, Volume 2

.

Cyclone II 
Automated 
Single Event 
Upset Detection

Cyclone II devices offer on-chip circuitry for automated checking of 
single event upset (SEU) detection. Some applications that require the 
device to operate error free at high elevations or in close proximity to 
earth's North or South Pole will require periodic checks to ensure 
continued data integrity. The error detection cyclic redundancy check 
(CRC) feature controlled by the 

Device & Pin Options

 dialog box in the 

Quartus II software uses a 32-bit CRC circuit to ensure data reliability and 
is one of the best options for mitigating SEU.

Table 3–5. Data Sources for Configuration

Configuration 

Scheme

Data Source

Active serial (AS)

Low-cost serial configuration device

Passive serial (PS) Enhanced or EPC2 configuration device, MasterBlaster, ByteBlasterMV, ByteBlaster II or 

USB Blaster download cable, or serial data source

JTAG

MasterBlaster, ByteBlasterMV, ByteBlaster II or USB Blaster download cable or a 
microprocessor with a Jam or JBC file

ac/Altera/FPGA_cyc2-html.html
background image

3–8

 

Preliminary

Altera Corporation

Cyclone II Device Handbook, Volume 1

November 2004

Cyclone II Automated Single Event Upset Detection

Designers can implement the error detection CRC feature with existing 
circuitry in Cyclone II devices, eliminating the need for external logic. For 
Cyclone II devices, the CRC is computed by the device during 
configuration and checked against an automatically computed CRC 
during normal operation. The 

CRC_ERROR

 pin reports a soft error when 

configuration SRAM data is corrupted, triggering device reconfiguration. 

Custom-Built Circuitry 

Dedicated circuitry in the Cyclone II devices performs error detection 
automatically. This error detection circuitry in Cyclone II devices 
constantly checks for errors in the configuration SRAM cells while the 
device is in user mode. Designers can monitor one external pin for the 
error and use it to trigger a re-configuration cycle. The designer can select 
the desired time between checks by adjusting a built-in clock divider.

Software Interface

In the Quartus II software version 4.1 and later, designers can turn on the 
automated error detection CRC feature in the Device & Pin Options 
dialog box. This dialog box allows you to enable the feature and set the 
internal frequency of the CRC checker between 400 kHz to 100 MHz. This 
controls the rate that the CRC circuitry verifies the internal configuration 
SRAM bits in the FPGA device.

f

For more information on CRC, refer to the 

Error Detection Using CRC in 

Altera FPGAs

 Application Note.

ac/Altera/FPGA_cyc2-html.html
background image

Altera Corporation 

 

 

4–1

June 2004

Preliminary

Chapter 4. Hot Socketing,

ESD & Power-On Reset

Introduction

Cyclone™ II devices offer hot socketing (also known as hot plug-in, hot 
insertion, or hot swap) and power sequencing support without the use of 
any external devices. Designers can insert or remove a Cyclone II board 
in a system during system operation without causing undesirable effects 
to the board or to the running system bus. 

The hot-socketing feature lessens the board design difficulty when using 
Cyclone II devices on printed circuit boards (PCBs) that also contain a 
mixture of 3.3-, 2.5-, 1.8-, and 1.5-V devices. With the Cyclone II 
hot-socketing feature, designers no longer need to ensure a proper 
power-up sequence for each device on the board. 

The Cyclone II hot-socketing feature provides:

Board or device insertion and removal without external components 
or board manipulation 

Support for any power-up sequence

Non-intrusive I/O buffers to system buses during hot insertion

This chapter also discusses the electro-static discharge (ESD) protection 
and the power-on reset (POR) circuitry in Cyclone II devices. The POR 
circuitry keeps the devices in the reset state until the V

CC

 is within 

operating range. 

Cyclone II Hot-
Socketing 
Specifications

Cyclone II devices offer hot-socketing capability with all three features 
listed above without any external components or special design 
requirements. The hot-socketing feature in Cyclone II devices offers the 
following:

Designers can device before power-up without any damage to the 
device itself.

I/O pins remain tri-stated during power-up. The device does not 
drive out before or during power-up, thereby affecting other buses in 
operation.

There are no internal current paths from I/O pins to V

CCIO

 or V

CCINT

 

power supplies. Signals driven in on I/O pins will not power the 
V

CCIO

 or V

CCINT

 power buses.

CII51004-1.0

ac/Altera/FPGA_cyc2-html.html
background image

4–2

 

Preliminary

Altera Corporation

Cyclone II Device Handbook, Volume 1

June 2004

Cyclone II Hot-Socketing Specifications

Devices Can Be Driven before Power-Up

You can drive signals into the I/O pins, dedicated input pins, and 
dedicated clock pins of Cyclone II devices before or during power-up or 
power-down without damaging the device. Cyclone II devices support 
any power-up or power-down sequence (V

CCIO

 and V

CCINT

) to simplify 

system level design.

I/O Pins Remain Tri-Stated during Power-Up

A device that does not support hot socketing may interrupt system 
operation or cause contention by driving out before or during power-up. 
In a hot-socketing situation, the Cyclone II device’s output buffers are 
turned off during system power-up or power-down. The Cyclone II 
device also does not drive out until the device is configured and has 
attained proper operating conditions.

Signal Pins Do Not Have Internal Current Paths to V

CCIO

 or V

CCINT

 

Power Supplies

Devices that do not support hot socketing can short power supplies 
together when powered-up through the device signal pins. This irregular 
power-up can damage both the driving and driven devices and can 
disrupt card power-up.

Cyclone II devices do not have a current path from I/O pins, dedicated 
input pins, or dedicated clock pins to the V

CCIO

 or V

CCINT

 pins before or 

during power-up. A Cyclone II device may be inserted into (or removed 
from) a powered-up system board without damaging or interfering with 
system-board operation. When hot socketing, Cyclone II devices may 
have a minimal effect on the signal integrity of the backplane. 

1

You can power up or power down the V

CCIO 

and V

CCINT

 pins in 

any sequence. The power supply ramp rates can range from 
100 ns to 100 ms. Both V

CC

 supplies must power down within 

100 ms of each other to prevent I/O pins from driving out. 
During hot socketing, the I/O pin capacitance is less than 15 pF 
and the clock pin capacitance is less than 20 pF. I/O pins can be 
driven by active signals with a rise and fall time of 2 to 40 ns. 
Cyclone II devices meet the following hot-socketing 
specification.

The hot-socketing DC specification is: | I

IOPIN

 | < 300

µ

A

The hot-socketing AC specification is: | I

IOPIN

 | < 8 mA 

or | I

IOPIN

 | > 8 mA for 10 ns or less

ac/Altera/FPGA_cyc2-html.html
background image

Altera Corporation 

 

Preliminary

4–3

June 2004

Cyclone II Device Handbook, Volume 1

Hot Socketing, ESD & Power-On Reset

I

IOPIN

 is the current at any user I/O pin on the device. The AC 

specification has two requirements. The peak current during power-up or 
power-down is < 8 mA. The peak current can exceed 8 mA for 10 ns or 
less. 

A possible concern for semiconductor devices in general regarding hot 
socketing is the potential for latch-up. Latch-up can occur when electrical 
subsystems are hot socketed into an active system. During hot socketing, 
the signal pins may be connected and driven by the active system before 
the power supply can provide current to the device’s V

CC

 and ground 

planes. This condition can lead to latch-up and cause a low-impedance 
path from V

CC

 to ground within the device. As a result, the device extends 

a large amount of current, possibly causing electrical damage.

Altera has ensured by design of the I/O buffers and hot-socketing 
circuitry, that Cyclone II devices are immune to latch-up during hot 
socketing.

Hot-Socketing 
Feature 
Implementation 
in Cyclone II 
Devices

The hot-socketing feature turns off the output buffer during power up 
(either V

CCINT

 or V

CCIO

 supplies) or power down. The hot-socket circuit 

will generate an internal 

HOTSCKT

 signal when either V

CCINT

 or V

CCIO

 is 

below the threshold voltage. Designs cannot use the 

HOTSCKT

 signal for 

other purposes. The 

HOTSCKT

 signal will cut off the output buffer to 

ensure that no DC current (except for weak pull-up leakage current) leaks 
through the pin. When V

CC

 ramps up slowly, V

CC

 is still relatively low 

even after the internal 

POR

 signal (not available to the FPGA fabric used 

by customer designs) is released and the configuration is finished. The 

CONF_DONE

nCEO

, and 

nSTATUS

 pins fail to respond, as the output 

buffer cannot drive out because the hot-socketing circuitry will keep the 
I/O pins tristated at this low V

CC

 voltage. Therefore, the hot-socketing 

circuit has been removed on these configuration output or bidirectional 
pins to ensure that they are able to operate during configuration. These 
pins are expected to drive out during power-up and power-down 
sequences.

Each I/O pin has the circuitry shown in 

Figure 4–1

ac/Altera/FPGA_cyc2-html.html
background image

4–4

 

Preliminary

Altera Corporation

Cyclone II Device Handbook, Volume 1

June 2004

Hot-Socketing Feature Implementation in Cyclone II Devices

Figure 4–1. Hot-Socketing Circuit Block Diagram for Cyclone II Devices

The POR circuit monitors V

CCINT

 voltage level and keeps I/O pins tri-

stated until the device is in user mode. The weak pull-up resistor (R) from 
the I/O pin to V

CCIO

 keeps the I/O pins from floating. The voltage 

tolerance control circuit permits the I/O pins to be driven by 3.3 V before 
V

CCIO

 and/or V

CCINT

 are powered, and it prevents the I/O pins from 

driving out when the device is not in user mode. The hot socket circuit 
prevents I/O pins from internally powering V

CCIO

 and V

CCINT

 when 

driven by external signals before the device is powered.

f

For more information, see the 

DC Characteristics & Timing Specifications 

chapter in Volume  1 of the 

Cyclone II Device Handbook

 for the value of the 

internal weak pull-up resistors. 

Figure 4–2

 shows a transistor level cross section of the Cyclone II device 

I/O buffers. This design ensures that the output buffers do not drive 
when V

CCIO

 is powered before V

CCINT

 or if the I/O pad voltage is higher 

than V

CCIO

. This also applies for sudden voltage spikes during hot 

socketing. There is no current path from signal I/O pins to V

CCINT

 or 

V

CCIO 

during hot socketing. The V

PAD

 leakage current charges the voltage 

tolerance control circuit capacitance.

Output Enable

Output

Hot Socket

Output

Pre-Driver

Voltage

Tolerance

Control

Power-On

Reset

Monitor

Weak

Pull-Up

Resistor

PAD

Input Buffer
to Logic Array

R

ac/Altera/FPGA_cyc2-html.html
background image

Altera Corporation 

 

Preliminary

4–5

June 2004

Cyclone II Device Handbook, Volume 1

Hot Socketing, ESD & Power-On Reset

Figure 4–2. Transistor Level Diagram of FPGA Device I/O Buffers

Note to 

Figure 4–2

:

(1)

This is the logic array signal or the larger of either the V

CCIO

 or V

PAD

 signal.

(2)

This is the larger of either the V

CCIO

 or V

PAD

 signal.

ESD Protection

Electro-static discharge (ESD) occurs when a charge moves from one 
surface to another. ESD is a charge that moves between two surfaces with 
different potentials. Destructive ESD can occur when the voltage 
differential between the two surfaces is sufficiently high to break down 
the dielectric strength of the medium separating the two surfaces. When 
a static charge moves, it becomes a current that damages or destroys gate 
oxide, metallization, and junctions.

ESD can occur in one of four ways: a charged body can touch an 
integrated circuit (IC), a charged IC can touch a grounded surface, a 
charged machine can touch an IC, or an electrostatic field can induce a 
voltage across a dielectric sufficient to break it down.

ESD Testing

ESD can cause destructive damage to semiconductor IC devices like 
FPGAs. The industry has introduced testing standards to minimize the 
detrimental effects of ESD by ensuring all devices have undergone proper 
standardized testing for quality and reliability. Three major ESD testing 
methods exist for defining a passing level. Altera tests to human-body 
model (HBM) and charged-device model (CDM). Machine model (MM) 
testing is not typically performed because the results are similar to HBM 
testing.

Logic Array

Signal

(1)

(2)

V

CCIO

V

PAD

n+

n+

n-well

n+

p+

p+

p-well

p-substrate

ac/Altera/FPGA_cyc2-html.html
background image

4–6

 

Preliminary

Altera Corporation

Cyclone II Device Handbook, Volume 1

June 2004

ESD Protection

Human-Body Model

The HBM simulates the action of a human body discharging accumulated 
static charge through a device to ground. This model uses a series RC 
network consisting of a 100-pF capacitor and a 1,500-

Ω 

resistor. Altera 

production devices meet the HBM ESD specifications of 1,000 V.

Machine Model

The MM simulates a machine discharging accumulated static charge 
through a device to ground. This model uses a series RC network of a 
200-pF capacitor, and nominal series resistance of less than 1

. The 

output waveform usually is described in terms of peak current and 
oscillating frequency for a given discharge voltage.

Charged-Device Model

The CDM simulates charging and discharging events that occur during 
the manufacturing and testing processes. Potential for CDM events occur 
when there is metal-to-metal contact in manufacturing. One example is a 
device sliding down a shipping tube and hitting a metal surface. The 
CDM addresses the possibility that a charge may reside on a lead frame 
or package (e.g., from shipping) and discharge through a pin that 
subsequently is grounded, causing damage to sensitive circuitry in the 
path. The discharge current is limited only by the parasitic impedance 
and capacitance of the device. CDM testing consists of charging a package 
to a specified voltage, then discharging this voltage through the relevant 
package leads. Altera production devices meet the CDM ESD 
specification of 500 V.

ESD Circuitry

The CMOS output drivers in the I/O pins intrinsically provide ESD 
protection. ESD voltage strikes can cause a positive voltage zap or a 
negative voltage zap.

A positive ESD voltage zap occurs when a positive voltage is present on 
an I/O pin because of an ESD charge event. This can cause the 
N+ (drain)/P-substrate junction of the N-channel drain to break down 
and the N+ (drain)/P-substrate/N+ (source) intrinsic bipolar transistor 
to turn on to discharge ESD current from I/O pin to ground. The arrows 
in 

Figure 4–3

 show the ESD current discharge path during a positive ESD 

zap.

ac/Altera/FPGA_cyc2-html.html
background image

Altera Corporation 

 

Preliminary

4–7

June 2004

Cyclone II Device Handbook, Volume 1

Hot Socketing, ESD & Power-On Reset

Figure 4–3. ESD Protection During Positive Voltage Zap

When the I/O pin receives a negative ESD zap at the pin that is less than 
–0.7 V (0.7 V is the voltage drop across a diode), the intrinsic 
P- substrate/N+ drain diode is forward biased. Hence, the discharge ESD 
current path is from ground to the I/O pin, as shown in 

Figure 4–4

I/O

Pin

Gate

Gate

Source

Source

Drain

Drain

Ground

I/O

Pin

D

N+

N+

Gate

P-Substrate

Ground

Ground

S

ac/Altera/FPGA_cyc2-html.html
background image

4–8

 

Preliminary

Altera Corporation

Cyclone II Device Handbook, Volume 1

June 2004

Power-On Reset Circuitry

Figure 4–4. ESD Protection During Negative Voltage Zap

f

For the maximum specification of ESD protection, see the 

DC 

Characteristics & Timing Specifications 

chapter in Volume 1 of the 

Cyclone II Device Handbook

. For more information on quality and 

reliability, see the 

Reliability Report

 for Altera devices.

Power-On Reset 
Circuitry

Cyclone II devices have a POR circuit to keep the whole device system in 
reset state until the power supply voltage levels have stabilized during 
power-up. The POR circuit monitors the V

CCINT

 and V

CCIO

 voltage levels 

and tri-states all the user I/O pins while V

CC

 is ramping up until normal 

user levels are reached. The POR circuitry also ensures that the V

CCIO

 

level of the two I/O banks that contains configuration pins (I/O banks 1 
and 3 for EP2C5 and EP2C8, I/O banks 1 and 6 for EP2C20, EP2C35, 
EP2C50, and EP2C70) as well as the logic array V

CCINT

 voltage reach an 

acceptable level before configuration is triggered. After the Cyclone II 
device enters user mode, the POR circuit continues to monitor the V

CCINT

 

voltage level so that a brown-out condition during user mode can be 
detected. If there is a V

CCINT

 voltage sag below the POR trip point at 

~600 to 700 mV during user mode, the POR circuit resets the device. If 
there is a V

CCIO

 voltage sag during user mode, the POR circuit will not 

reset the device.

I/O

Pin

Gate

Gate

Source

Source

Drain

Drain

Ground

I/O

Pin

D

N+

N+

Gate

P-Substrate

Ground

Ground

S

ac/Altera/FPGA_cyc2-html.html
background image

Altera Corporation 

 

Preliminary

4–9

June 2004

Cyclone II Device Handbook, Volume 1

Hot Socketing, ESD & Power-On Reset

When power is applied to a Cyclone II device, a POR event occurs if V

CC

 

reaches the recommended operating range within a certain period of time 
(specified as a maximum V

CC

 rise time). The maximum V

CC

 rise time for 

Cyclone II devices is 100 ms. The minimum POR time is 100 ms for 
Cyclone II devices. However, the designer can extend initialization time 
by asserting the 

nSTATUS

 pin using an external component.

Conclusion

Cyclone II devices are hot socketable and support all power-up and 
power-down sequences with the one requirement that V

CCIO

 and V

CCINT

 

be powered up and down within 100 ms of each other to keep the I/O 
pins from driving out. Cyclone II devices do not require any external 
devices for hot socketing and power sequencing and have robust ESD 
protection.

ac/Altera/FPGA_cyc2-html.html
background image

4–10

 

Preliminary

Altera Corporation

Cyclone II Device Handbook, Volume 1

June 2004

Conclusion

ac/Altera/FPGA_cyc2-html.html
background image

Altera Corporation 

 

 

5–1

November 2004

Preliminary

Chapter 5. DC

Characteristics & Timing

Specifications

Operating 
Conditions

Cyclone™ II devices are offered in both commercial and industrial 
grades. Commercial devices are offered in -6 (fastest), -7, -8 speed grades.

All parameter limits are representative of worst-case supply voltage and 
junction temperature conditions. Unless otherwise noted, the parameter 
values in this chapter apply to all Cyclone II devices. AC and DC 
characteristics are specified using the same numbers for both commercial 
and industrial grades. All parameters representing voltages are measured 
with respect to ground.

Tables 5–1

 through 

5–4

 provide information on absolute maximum 

ratings.

Table 5–1. Cyclone II Device Absolute Maximum Ratings

Notes (1)

(2)

Symbol

Parameter

Conditions

Minimum

Maximum

Unit

V

CCINT

Supply voltage

With respect to ground

–0.5

1.8

V

V

CCIO

Output supply voltage

–0.5

4.6

V

V

IN

DC input voltage

–0.5

4.6

V

I

OUT

DC output current, per pin

–25

40

mA

T

STG

Storage temperature

No bias

–65

150

°C

T

J

Junction temperature

BGA packages under bias

125

°C

Notes to 

Table 5–1

:

(1)

Conditions beyond those listed in this table will cause permanent damage to a device. These are stress ratings only. 
Functional operation at these levels or any other conditions beyond those specified in this chapter is not implied. 
Additionally, device operation at the absolute maximum ratings for extended periods of time may have adverse 
affects on the device reliability.

(2)

See the 

Operating Requirements for Altera Devices Data Sheet

 for more information.

CII51005-1.1

ac/Altera/FPGA_cyc2-html.html
background image

5–2

 

Preliminary

Altera Corporation

Cyclone II Device Handbook, Volume 1

November 2004

Operating Conditions

Table 5–2

 specifies the recommended operating conditions for Cyclone II 

devices. It shows the allowed voltage ranges for V

CCINT

, V

CCIO

, and the 

operating junction temperature (T

J

). The LVTTL and LVCMOS inputs are 

powered by V

CCIO

 only. The LVPECL input buffers on dedicated clock 

pins are powered by V

CCINT

. The SSTL, HSTL, LVDS input buffers are 

powered by both V

CCINT

 and V

CCIO

.

Table 5–2. Recommended Operating Conditions

Symbol

Parameter

Conditions

Minimum

 Maximum

Unit

V

CCINT

Supply voltage for internal 
logic and input buffers

(1)

1.15

1.25

V

V

CCIO 

(2)

Supply voltage for output 
buffers, 3.3-V operation

(1)

3.00 

(3)

3.60 

(3)

V

Supply voltage for output 
buffers, 2.5-V operation

(1)

2.375

2.625

V

Supply voltage for output 
buffers, 1.8-V operation

(1)

1.71 

(2)

1.89

V

Supply voltage for output 
buffers, 1.5-V operation

(1)

1.4

1.6

V

T

J

 

(4)

Operating junction 
temperature

For commercial use

0

85

°C

For industrial use

–40

100

°C

Notes to 

Table 5–2

:

(1)

The maximum V

CC

 (both V

CCIO

 and V

CCINT

) rise time is 100 ms, and V

CC

 must rise monotonically.

(2)

The V

CCIO

 range given here spans the lowest and highest operating voltages of all supported I/O standards. The 

recommended V

CCIO

 range specific to each of the single-ended I/O standards is given in 

Table 5–6

, and those 

specific to the differential standards is given in 

Table 5–8

.

(3)

The minimum and maximum values of 3.0 V and 3.6 V, respectively, for V

CCIO

 only applies to the PCI and PCI-X 

I/O standards. See 

Table 5–6

 for the voltage range of other I/O standards.

(4)

Contact Altera Applications for 

θ

JA

 and 

θ

JC

 values.

Table 5–3. DC Characteristics for User I/O, Dual-Purpose & Dedicated Pins (Part 1 of 2)

Symbol

Parameter

Conditions

Minimum

Typical

Maximum

Unit

V

IN

Input voltage

(1)

(2)

–0.5

4.0

V

I

I

Input pin leakage 
current

V

I

 = V

CCIOmax

 to 0 V 

(3)

–10

10

µ

A

V

OUT

Output voltage

0

V

CCIO

V

I

OZ

Tri-stated I/O pin 
leakage current

V

O

 = V

CCIOmax

 to 0 V 

(3)

–10

10 

µ

A

ac/Altera/FPGA_cyc2-html.html
background image

Altera Corporation 

 

Preliminary

5–3

November 2004

Cyclone II Device Handbook, Volume 1

DC Characteristics & Timing Specifications

Table 5–4

 shows the maximum V

IN

 overshoot voltage and the 

dependency on the duty cycle of the input signal. See 

Table 5–3

 for more 

information.

I

CC0

V

CC

 supply current 

(standby) (all 
memory blocks in 
power-down mode)

V

I

 = ground, no load, no 

toggling inputs

mA

R

CONF

Value of I/O pin pull-
up resistor before 
and during 
configuration

V

CCIO

 = 3.0 V 

(4)

20

50

k

V

CCIO

 = 2.375 V 

(4)

30

80

k

V

CCIO

 = 1.71 V 

(4)

60

150

k

Notes to 

Table 5–3

:

(1)

All pins, including dedicated inputs, clock, I/O, and JTAG pins, may be driven before V

CCINT

 and V

CCIO

 are 

powered.

(2)

The minimum DC input is –0.5 V. During transitions, the inputs may undershoot to –2.0 V or overshoot to the 
voltages shown in 

Table 5–4

, based on input duty cycle for input currents less than 100 mA. The overshoot is 

dependent upon duty cycle of the signal. The DC case is equivalent to 100% duty cycle.

(3)

This value is specified for normal device operation. The value may vary during power-up. This applies for all 
V

CCIO

 settings (3.3, 2.5, 1.8, and 1.5 V).

(4)

Pin pull-up resistance values will lower if an external source drives the pin higher than V

CCIO

.

Table 5–3. DC Characteristics for User I/O, Dual-Purpose & Dedicated Pins (Part 2 of 2)

Symbol

Parameter

Conditions

Minimum

Typical

Maximum

Unit

Table 5–4. V

IN

 Overshoot Voltage for All Input Buffers

Maximum V

IN

 (V)

Input Signal Duty Cycle

4.0

100% (DC)

4.1

90%

4.2

50%

4.3

30%

4.4

17%

4.5

10%

ac/Altera/FPGA_cyc2-html.html
background image

5–4

 

Preliminary

Altera Corporation

Cyclone II Device Handbook, Volume 1

November 2004

Operating Conditions

Single-Ended I/O Standards

Tables 5–6

 and 

5–7

 provide operating condition information when using 

single-ended I/O standards with Cyclone II devices. 

Table 5–5

 provides 

descriptions for the voltage and current symbols used in 

Tables 5–6

 and 

5–7

.

Table 5–5. Voltage & Current Symbol Definitions

Symbol

Definition

V

C C I O

Supply voltage for single-ended inputs and for output drivers

V

R E F

Reference voltage for setting the input switching threshold

V

I L

Input voltage that indicates a low logic level

V

I H

input voltage that indicates a high logic level

V

O L

Output voltage that indicates a low logic level

V

O H

Output voltage that indicates a high logic level

I

O L

Output current condition under which V

O L

 is tested

I

O H

Output current condition under which V

O H

 is tested

V

T T

Voltage applied to a resistor termination as specified by 
HSTL and SSTL standards

Table 5–6. Recommended Operating Conditions for User I/O Pins Using Single-Ended I/O Standards (Part 
1 of 2)

Note (1)

I/O Standard

V

CCIO

 (V)

V

REF

 (V)

V

IL 

(V)

V

IH 

(V)

Min

Nom

Max

Min

Nom

Max

Max

Min

3.3-V LVTTL and 
LVCMOS

3.135

3.3

3.465

    0.8

1.7

2.5-V LVTTL and 
LVCMOS

2.375

2.5

2.625

    0.7

1.7

1.8-V LVTTL and 
LVCMOS

1.710

1.8

1.890

 

 

 

0.35 × V

C C I O

0.65 × V

C C I O

1.5-V LVCMOS

1.425

1.5

1.575

 

 

 

0.35 × V

C C I O

0.65 × V

C C I O

PCI and PCI-X

3.000

3.3

3.600

 

 

 

0.3 × V

C C I O

0.5 × V

C C I O

SSTL-2 class I

2.375

2.5

2.625

1.19

1.25

1.31

V

R E F

 – 0.18

V

R E F

 + 0.18

SSTL-2 class II

2.375

2.5

2.625

1.19

1.25

1.31

V

R E F

 – 0.18

V

R E F

 + 0.18

SSTL-18 class I

1.7

1.8

1.9

0.833

0.9

0.969

V

R E F

 – 0.125

V

R E F

 + 0.125

SSTL-18 class II

1.7

1.8

1.9

0.833

0.9

0.969

V

R E F

 – 0.125

V

R E F

 + 0.125

1.8-V HSTL class I

1.71

1.8

1.89

0.85

0.9

0.95

V

R E F

 – 0.1

V

R E F

 + 0.1

ac/Altera/FPGA_cyc2-html.html
background image

Altera Corporation 

 

Preliminary

5–5

November 2004

Cyclone II Device Handbook, Volume 1

DC Characteristics & Timing Specifications

1.8-V HSTL class II

1.71

1.8

1.89

0.85

0.9

0.95

V

R E F

 – 0.1

V

R E F

 + 0.1

1.5-V HSTL class I

1.425

1.5

1.575

0.71

0.75

0.79

V

R E F

 – 0.1

V

R E F

 + 0.1

1.5-V HSTL class II

1.425

1.5

1.575

0.71

0.75

0.79

V

R E F

 – 0.1

V

R E F

 + 0.1

Note to 

Table 5–6

:

(1)

Nominal values (Nom) are for T

A

 = 25° C, V

CCINT

 = 1.2 V, and V

CCIO

 = 1.5, 1.8, 2.5, and 3.3 V.

Table 5–7. DC Characteristics of User I/O Pins Using Single-Ended Standards (Part 1 of 2)

Note (1)

I/O Standard 

Current Drive 

Strength Setting 

(mA)

Test Conditions

Voltage Thresholds

I

OL

 (mA)

I

OH

 (mA)

Maximum V

OL

 (V) Minimum V

OH

 (V)

3.3-V LVTTL and 
LVCMOS

4

4

–4

0.4

2.4

8

8

–8

12

12

–12

16

16

–16

20

20

–20

24

24

–24

2.5-V LVTTL and 
LVCMOS

4

4

–4

0.4

V

C C I O

 – 0.4

8

8

–8

12

12

–12

16

16

–16

1.8-V LVTTL and 
LVCMOS

2

2

–2

0.4

V

C C I O

 – 0.4

4

4

–4

6

6

–6

8

8

–8

10

10

–10

12

12

–12

1.5-V LVCMOS

2

2

–2

0.25 × V

C C I O

0.75 × V

C C I O

4

4

–4

6

6

–6

8

8

–8

PCI and PCI-X

 

1.5

–0.5

0.1 × V

C C I O

0.9 × V

C C I O

Table 5–6. Recommended Operating Conditions for User I/O Pins Using Single-Ended I/O Standards (Part 
2 of 2)

Note (1)

I/O Standard

V

CCIO

 (V)

V

REF

 (V)

V

IL 

(V)

V

IH 

(V)

Min

Nom

Max

Min

Nom

Max

Max

Min

ac/Altera/FPGA_cyc2-html.html
background image

5–6

 

Preliminary

Altera Corporation

Cyclone II Device Handbook, Volume 1

November 2004

Operating Conditions

SSTL-2 class I

8

8

–8

V

TT

 – 0.57

V

TT

 + 0.57

12

12

–12

SSTL-2 class II

16

16

–16

V

TT

 – 0.76

V

TT

 + 0.76

20

20

–20

24

24

–24

SSTL-18 class I

4

4

–4

V

TT

 – 0.475

V

TT

 + 0.475

6

6

–6

8

8

–8

10

10

–10

12

12

–12

SSTL-18 class II

8

8

–8

0.28

V

C C I O

 – 0.28

16

16

–16

18

18

–18

1.8-V HSTL class I

4

4

–4

0.4

V

C C I O

 – 0.4

6

6

–6

8

8

–8

10

10

–10

12

12

–12

1.8-V HSTL class II

16

16

–16

0.4

V

C C I O

 – 0.4

18

18

–18

20

20

–20

1.5-V HSTL class I

4

4

–4

0.4

V

C C I O

 – 0.4

6

6

–6

8

8

–8

10

10

–10

12

12

–12

1.5V HSTL class II

16

16

–16

0.4

V

C C I O

 – 0.4

Note to 

Table 5–7

:

(1)

The values in this table are based on the conditions listed in 

Tables 5–2

 and 

5–6

.

Table 5–7. DC Characteristics of User I/O Pins Using Single-Ended Standards (Part 2 of 2)

Note (1)

I/O Standard 

Current Drive 

Strength Setting 

(mA)

Test Conditions

Voltage Thresholds

I

OL

 (mA)

I

OH

 (mA)

Maximum V

OL

 (V) Minimum V

OH

 (V)

ac/Altera/FPGA_cyc2-html.html
background image

Altera Corporation 

 

Preliminary

5–7

November 2004

Cyclone II Device Handbook, Volume 1

DC Characteristics & Timing Specifications

Differential I/O Standards

The RSDS and mini-LVDS I/O standards are only supported on output 
pins. The LVDS I/O standard is supported on both receiver input pins 
and transmitter output pins.

1

For more information on how these differential I/O standards 
are implemented, see the 

High-Speed Differential Interfaces in 

Cyclone II Devices

 chapter in Volume 1 of the 

Cyclone II Device 

Handbook

.

Figure 5–1

 shows the receiver input waveforms for all differential I/O 

standards (LVDS, LVPECL, differential 1.5-V HSTL class I and II, 
differential 1.8-V HSTL class I and II, differential SSTL-2 class I and II, and 
differential SSTL-18 class I and II).

Figure 5–1. Receiver Input Waveforms for Differential I/O Standards

Notes to 

Figure 5–1

:

(1)

V

ID

 is the differential input voltage. V

ID

 = |p – n|.

(2)

V

ICM

 is the input common mode voltage. V

ICM

 = (p – n)/2.

(3)

The p – n waveform is a function of the positive channel (p) and the negative channel (n).

Single-Ended Waveform

Differential Waveform (Mathematical Function of Positive & Negative Channel)

Positive Channel (p) = V

IH

Negative Channel (n) = V

IL

Ground

V

ID 

(1)

V

ID 

(1)

V

ID 

(1)

V

ICM 

(2)

0 V

− 

(3)

ac/Altera/FPGA_cyc2-html.html
background image

5–8

 

Preliminary

Altera Corporation

Cyclone II Device Handbook, Volume 1

November 2004

Operating Conditions

Table 5–8

 shows the recommended operating conditions for user I/O 

pins with differential I/O standards.

Figure 5–2

 shows the transmitter output waveforms for all supported 

differential output standards (LVDS, mini-LVDS, RSDS, differential 1.5-V 
HSTL class I and II, differential 1.8-V HSTL class I and II, differential 
SSTL-2 class I and II, and differential SSTL-18 class I and II).

Table 5–8. Recommended Operating Conditions for User I/O Pins Using Differential Signal I/O Standards

I/O 

Standard

V

CCIO

 (V)

V

ID

 (V) 

(1)

V

ICM

 (V)

V

IL

 (V)

V

IH

 (V)

Min

Nom

Max

Min Nom

Max

Min

Nom

Max

Min

Max

Min

Max

LVDS

2.375

2.5

2.625

0.1

  0.1

1.25

1.8

     

mini-LVDS 

(2)

2.375

2.5

2.625

RSDS 

(2)

2.375

2.5

2.625

LVPECL 

(3)

3.135

3.3

3.465

0.1

0.6

0.95

   

0

2.2

2.1

2.88

Differential 
1.5-V HSTL 
class I 
and II 

(4)

1.425

1.5

1.575

0.2

 V

C C I O

 

+ 0.6

0.68

 0.9

 

V

R E F

 

– 0.1

V

R E F

 

+ 0.1

 

Differential 
1.8-V HSTL 
class I 
and II 

(4)

1.71

1.8

1.89

 

      

V

R E F

 

– 0.1

V

R E F

 

+ 0.1

 

Differential 
SSTL-2 
class I 
and II 

(5)

2.375

2.5

2.625

0.36

 V

C C I O

 

+ 0.6

0.5 × 

V

C C I O

 

– 0.2

0.5 × 

V

C C I O

0.5 × 

V

C C I O

 

+ 0.2

 

V

R E F

 

– 0.1

V

R E F

 

+ 0.1

 

Differential 
SSTL-18 
class I 
and II 

(5)

1.7

1.8

1.9

0.25

 V

C C I O

 

+ 0.6

0.5 × 

V

C C I O

 

– 0.2

0.5 × 

V

C C I O

0.5 × 

V

C C I O

 

+ 0.2

 

V

R E F

 

– 0.1

V

R E F

 

+ 0.1

 

Notes to 

Table 5–8

:

(1)

Refer to the 

High-Speed Differential Interfaces in Cyclone II Devices

 chapter in Volume 1 of the 

Cyclone II Device 

Handbook

 for measurement conditions on V

ID

.

(2)

The RSDS and mini-LVDS I/O standards are only supported on output pins.

(3)

The LVPECL I/O standard is only supported on clock input pins. This I/O standard is not supported on output 
pins.

(4)

The differential 1.8-V and 1.5-V HSTL I/O standards are only supported on clock input pins and PLL output clock 
pins.

(5)

The differential SSTL-18 and SSTL-2 I/O standards are only supported on clock input pins and PLL output clock 
pins.

ac/Altera/FPGA_cyc2-html.html
background image

Altera Corporation 

 

Preliminary

5–9

November 2004

Cyclone II Device Handbook, Volume 1

DC Characteristics & Timing Specifications

Figure 5–2. Transmitter Output Waveforms for Differential I/O Standards

Notes to 

Figures 5–1

 & 

5–2

:

(1)

V

OD

 is the output differential voltage. V

OD

 = |p – n|.

(2)

V

OCM

 is the output common mode voltage. V

OCM

 = (p – n)/2.

(3)

The p – n waveform is a function of the positive channel (p) and the negative channel (n).

Table 5–9

 shows the DC characteristics for user I/O pins with differential 

I/O standards.

Single-Ended Waveform

Differential Waveform (Mathematical Function of Positive & Negative Channel)

Positive Channel (p) = V

OH

Negative Channel (n) = V

OL

Ground

V

OD 

(1)

V

OD 

(1)

V

OD 

(1)

0 V

V

OCM 

(2)

− 

n

 

(3)

Table 5–9. DC Characteristics for User I/O Pins Using Differential I/O Standards (Part 1 of 2)

Note (1)

I/O Standard

V

OD

 (mV)

V

OD

 (mV)

V

OCM

 (V)

V

OH

 (V)

V

OL

 (V)

Min

Typ

Max

Min Max

Min

Typ

Max

Min

Max

Min

Max

LVDS

247

 600

 50

1.125

1.25

1.375

mini-LVD

(2)

300

 600

 50

1

1.2

1.4

RSDS 

(2)

100

200

600

  0.5

1.2

1.5

       

Differential 1.5-V 
HSTL class I 
and II 

(3)

 

 

 

 

 

 

 

 

V

C C I O

 

– 0.4

  0.4

Differential 1.8-V 
HSTL class I 
and II 

(3)

 

 

 

 

 

 

 

 

V

C C I O

 

– 0.4

  0.4

Differential 
SSTL-2 class I 

(4)

 

 

 

 

 

 

 

 

V

T T

 + 

0.57

 

 

V

T T

 – 

0.57

ac/Altera/FPGA_cyc2-html.html
background image

5–10

 

Preliminary

Altera Corporation

Cyclone II Device Handbook, Volume 1

November 2004

DC Characteristics for Different Pin Types

DC 
Characteristics 
for Different Pin 
Types

Table 5–10

 shows which types of pins that support bus hold circuitry.

Differential 
SSTL-2 class II 

(4)

 

 

 

 

 

 

 

 

V

T T

 + 

0.76

 

 

V

T T

 – 

0.76

Differential 
SSTL-18 class I 

(4)

    

 

0.5 

× 

V

C C I O

 

– 

0.125

0.5 × 

V

C C I O

0.5 × 

V

C C I O

 

0.125

V

T T

 + 

0.475

 

 

V

T T

 – 

0.475

Differential 
SSTL-18 class II 

(4)

    

 

0.5 

× 

V

C C I O

 

– 

0.125

0.5 × 

V

C C I O

0.5 × 

V

C C I O

 

0.125

V

C C I O

 

– 0.28

  

0.28

Notes to 

Table 5–9

:

(1)

The LVPECL I/O standard is only supported on clock input pins. This I/O standard is not supported on output 
pins.

(2)

The RSDS and mini-LVDS I/O standards are only supported on output pins.

(3)

The differential 1.8-V HSTL and differential 1.5-V HSTL I/O standards are only supported on clock input pins and 
PLL output clock pins.

(4)

The differential SSTL-18 and SSTL-2 I/O standards are only supported on clock input pins and PLL output clock 
pins.

Table 5–9. DC Characteristics for User I/O Pins Using Differential I/O Standards (Part 2 of 2)

Note (1)

I/O Standard

V

OD

 (mV)

V

OD

 (mV)

V

OCM

 (V)

V

OH

 (V)

V

OL

 (V)

Min

Typ

Max

Min Max

Min

Typ

Max

Min

Max

Min

Max

Table 5–10. Bus Hold Support

Pin Type

Bus Hold

I/O pins using single-ended I/O standards

Yes

I/O pins using differential I/O standards

No

Dedicated clock pins

No

JTAG

No

Configuration pins

No

ac/Altera/FPGA_cyc2-html.html
background image

Altera Corporation 

 

Preliminary

5–11

November 2004

Cyclone II Device Handbook, Volume 1

DC Characteristics & Timing Specifications

Table 5–11

 specifies the bus hold parameters for general I/O pins.

Table 5–12

 shows the Cyclone II device pin capacitance for different I/O 

pin types.

Table 5–11. Bus Hold Parameters

Note (1)

Parameter

Conditions

V

CCIO

 Level

Unit

1.8 V

2.5 V

3.3 V

Min

Max

Min

Max

Min

Max

Bus-hold low, sustaining 
current

V

I N

 > 

V

I L

(maximum)

30

50

70

µ

A

Bus-hold high, sustaining 
current

V

I N

 < 

V

I L

(minimum)

–30

–50

–70

µ

A

Bus-hold low, overdrive 
current

0 V < V

I N

 < V

C C I O

200

300

500

µ

A

Bus-hold high, overdrive 
current

0 V < V

I N

 < V

C C I O

–200

–300

–500

µ

A

Bus-hold trip point 

(2)

0.68

1.07

0.7

1.7

0.8

2.0

V

Notes to 

Table 5–11

:

(1)

There is no specification for bus-hold at V

CCIO

 = 1.5 V for the HSTL I/O standard.

(2)

The bus-hold trip points are based on calculated input voltages from the JEDEC standard.

Table 5–12. Device Capacitance

Note (1)

Symbol

Parameter

Typical

Unit

C

I O

Input capacitance for user I/O pin

(2)

pF

C

L V D S

Input capacitance for dual-purpose 
LVDS/user I/O pin

(2)

pF

C

V R E F

Input capacitance for dual-purpose 

VREF

 and user I/O pin.

(2)

pF

C

D P C L K

Input capacitance for dual-purpose 

DPCLK

 and user I/O pin.

(2)

pF

C

C L K

Input capacitance for clock pin.

(2)

pF

Notes to 

Table 5–12

:

(1)

Capacitance is sample-tested only. Capacitance is measured using time-domain 
reflectometry (TDR). Measurement accuracy is within ±0.5 pF.

(2)

This specification will be available in a future version of the data sheet.

ac/Altera/FPGA_cyc2-html.html
background image

5–12

 

Preliminary

Altera Corporation

Cyclone II Device Handbook, Volume 1

November 2004

Power Consumption

Table 5–13

 shows the specification for ESD for all Cyclone II device pins.

Power 
Consumption

Designers can calculate the power usage for their design using the Altera 
power calculator and the simulation-based power estimation feature in 
the Quartus

®

 II software.

The interactive power calculator is typically used prior to designing the 
FPGA in order to get a magnitude estimate of the device power. The 
Quartus II software simulation-based power estimation feature allows 
designers to apply test vectors against their design for more accurate 
power consumption modeling.

In both cases, these calculations should only be used as an estimation of 
power, not as a specification.

f

Contact Altera Applications for information on the Cyclone II power 
calculator.

Table 5–13. ESD Protection

Symbol

Parameter

Maximum

Unit

ESD

H B M

Human body model

1,000

V

ESD

C D M

Charged device model

500

V

Charged device model for PLL 
power pins and dedicated clocks 
1, 3, 9, and 11

300

V

ac/Altera/FPGA_cyc2-html.html
background image

Altera Corporation 

 

Preliminary

5–13

November 2004

Cyclone II Device Handbook, Volume 1

DC Characteristics & Timing Specifications

Cyclone II devices require a certain amount of power-up current to 
successfully power up because of the nature of the leading-edge process 
on which they are fabricated. 

Table 5–14

 will show the maximum power-

up current required to power up a Cyclone II device after device 
characterization has been performed. 

Designers should select power supplies and regulators that can supply 
this amount of current when designing with Cyclone II devices. This 
specification is for commercial operating conditions. Measurements were 
performed with an isolated Cyclone II device on the board. Decoupling 
capacitors were not used in this measurement. To factor in the current for 
decoupling capacitors, sum up the current for each capacitor using the 
following equation:

I = C (dV/dt)

The exact amount of current that will be consumed varies according to the 
process, temperature, and power ramp rate. The duration of the I

CCINT

 

power-up requirement depends on the V

CCINT

 voltage supply rise time.

Altera recommends using the Cyclone II Power Calculator to estimate the 
user-mode I

CCINT

 consumption and then select power supplies or 

regulators based on the higher value.

Timing 
Specifications

The DirectDrive™ technology and MultiTrack™ interconnect ensure 
predictable performance, accurate simulation, and accurate timing 
analysis across all Cyclone II device densities and speed grades. This 
section describes and specifies the performance, internal, external, and 
PLL timing specifications. 

Table 5–14. Cyclone II Power-Up Current (I

CCINT

) Requirements

Device

Maximum Power-Up Current 

Requirement

Unit

EP2C5

(1)

mA

EP2C8

(1)

mA

EP2C20

(1)

mA

EP2C35

(1)

mA

EP2C50

(1)

mA

EP2C70

(1)

mA

Note to 

Table 5–14

:

(1)

This specification will be available in a future version of the data sheet.

ac/Altera/FPGA_cyc2-html.html
background image

5–14

 

Preliminary

Altera Corporation

Cyclone II Device Handbook, Volume 1

November 2004

Timing Specifications

This section shows the timing models for Cyclone II devices. Commercial 
devices will meet this timing over the commercial temperature range. 
Industrial devices will meet this timing over the industrial temperature 
range. All specifications are representative of worst-case supply voltage 
and junction temperature conditions.

The preliminary timing model will be added into a future revision of this 
Data Sheet.

Preliminary & Final Timing Specifications

Timing models can have either preliminary or final status. The Quartus II 
software issues an informational message during the design compilation 
if the timing models are preliminary. 

Table 5–15

 shows the status of the 

Cyclone II device timing models.

Preliminary status means the timing model is subject to change. Initially, 
timing numbers are created using simulation results, process data, and 
other known parameters. These tests are used to make the preliminary 
numbers as close to the actual timing parameters as possible. 

Final timing numbers are based on actual device operation and testing. 
These numbers reflect the actual performance of the device under worst-
case voltage and junction temperature conditions.

Table 5–15. Cyclone II Device Timing Model Status

Device

Preliminary

Final

EP2C5

v

EP2C8

v

EP2C20

v

EP2C35

v

EP2C50

v

EP2C70

v

ac/Altera/FPGA_cyc2-html.html
background image

Altera Corporation 

 

Preliminary

5–15

November 2004

Cyclone II Device Handbook, Volume 1

DC Characteristics & Timing Specifications

PLL Timing 
Specifications

Table 5–16

 describes the Cyclone II PLL specifications when operating 

within the commercial junction temperature range from 0° to 85° C.

1

PLL specifications under industrial temperature-range 
operating conditions are pending silicon characterization. The 
industrial junction temperature range specifications will be 
available upon completion of the PLL characterization across 
the industrial junction temperature range from -40 to 100° C.

Table 5–16. PLL Specifications

Note (1)

Symbol

Parameter

Min

Max

Unit

f

I N

Input frequency (-6 speed grade)

11

311

MHz

Input frequency (-7 speed grade)

11

270

MHz

Input frequency (-8 speed grade)

11

240

MHz

f

I N

 DUTY

Input clock duty cycle

40

60

%

t

I N

 JITTER 

Input clock period jitter

200

ps

f

O U T _ E X T

 (external PLL 

clock output)

PLL output frequency (-6 speed grade)

15.625

(4)

MHz

PLL output frequency (-7 speed grade)

15.625

(4)

MHz

PLL output frequency (-8 speed grade)

15.625

(4)

MHz

f

O U T

 (to global clock)

PLL output frequency (-6 speed grade)

10

402.5

MHz

PLL output frequency (-7 speed grade)

10

350

MHz

PLL output frequency (-8 speed grade)

10

310

MHz

t

O U T

 DUTY 

Duty cycle for external clock output (when 
set to 50%)

45

55

%

t

J I T T E R

 

(2)

Period jitter for external clock output

 

ps

t

L O C K

 

Time required to lock from end of device 
configuration 

1

ms

f

V C O

 

(3)

PLL internal VCO operating range

300

1,000

MHz

Notes to 

Table 5–16

:

(1)

These numbers are preliminary and pending silicon characterization.

(2)

The t

JITTER

 specification for the 

PLL[2..1]_OUT

 pins are dependent on the I/O pins in its 

VCCIO

 bank, how many 

of them are switching outputs, how much they toggle, and whether or not they use programmable current 
strength.

(3)

If the design enables divide by 2, a 300- to 499-MHz internal VCO frequency is available.

(4)

This parameter is limited in Quartus II software by the I/O maximum frequency. The maximum I/O frequency is 
different for each I/O standard.

ac/Altera/FPGA_cyc2-html.html
background image

5–16

 

Preliminary

Altera Corporation

Cyclone II Device Handbook, Volume 1

November 2004

PLL Timing Specifications

High Speed I/O Timing Specifications

Since LVDS, mini-LVDS, and RSDS data communication is source 
synchronous, timing analysis is different than other I/O standards. The 
high-speed I/O signal is based on skew between the data and the clock 
signal.

Designers should also consider board skew, cable skew, and clock jitter in 
their calculation. This section provides details on high-speed I/O 
standards timing parameters in Cyclone II devices.

Table 5–17

 defines the parameters of the timing diagram shown in 

Figure 5–3

.

Table 5–17. High-Speed I/O Timing Definitions

Parameter

Symbol

Description

High-speed I/O 
data rate

HSIODR

High-speed receiver and transmitter input 
and output data rate.

Period

TUI

Time unit interval.
TUI = 1/HSIODR.

Channel-to-
channel skew

TCCS

The timing difference between the fastest 
and slowest output edges, including t

CO

 

variation and clock skew. The clock is 
included in the TCCS measurement.
TCCS = TUI – SW – (2 × RSKM)

Sampling window

SW

The period of time during which the data 
must be valid in order for you to capture it 
correctly. Sampling window is the sum of 
the setup time, hold time, and jitter. The 
window of t

SU

 + t

is expected to be 

centered in the sampling window.
SW = TUI – TCCS – (2 × RSKM)

Receiver input 
skew margin

RSKM

RSKM is defined by the total margin left 
after accounting for the sampling window 
and TCCS. The RSKM equation is: 
RSKM = (TUI – SW – TCCS) / 2

ac/Altera/FPGA_cyc2-html.html
background image

Altera Corporation 

 

Preliminary

5–17

November 2004

Cyclone II Device Handbook, Volume 1

DC Characteristics & Timing Specifications

Figure 5–3. High-Speed I/O Timing Diagram

Figure 5–4

 shows the high-speed I/O timing budget.

Figure 5–4. High-Speed I/O Timing Budget

Note (1)

Note to 

Figure 5–4

:

(1)

The equation for the high-speed I/O timing budget is: 
period = TCCS + RSKM + SW + RSKM.

Table 5–18

 shows the RSDS timing budget for Cyclone II devices at 

170 Mbps. RSDS is supported for transmitting from Cyclone II devices. 
Cyclone II devices can not receive RSDS data because the devices are 
intended for applications where they will be driving display drivers. 

Sampling Window (SW)

Time Unit Interval (TUI)

RSKM

TCCS

RSKM

TCCS

Internal Clock

External 

Input Clock

Receiver 

Input Data

Internal Clock Period

RSKM      

0.5 

×

 TCCS

RSKM      

0.5 

×

 TCCS

SW

ac/Altera/FPGA_cyc2-html.html
background image

5–18

 

Preliminary

Altera Corporation

Cyclone II Device Handbook, Volume 1

November 2004

PLL Timing Specifications

Cyclone II devices support a maximum RSDS data rate of 170 Mbps using 
DDIO registers. The maximum internal clock frequency when designing 
for RSDS is 85 MHz.

In order to determine the transmitter timing requirements, RSDS receiver 
timing requirements on the other end of the link must be taken into 
consideration. RSDS receiver timing parameters are typically defined as 
t

SU

 and t

H

 requirements. Therefore, the transmitter timing parameter 

specifications are t

CO

 (minimum) and t

CO

 (maximum). Refer to 

Figure 5–4

 

for the timing budget.

The AC timing requirements for RSDS are shown in 

Figure 5–5

.

Table 5–18. RSDS Transmitter Timing Specification

Symbol

Conditions

-6 Speed Grade

-7 Speed Grade

-8 Speed Grade

Unit

Min

Typ

Max

Min

Typ

Max

Min

Typ

Max

HSIODR

Using DDIO 
registers 

(1)

31.25 170

31.25

170

31.25

170

Mbps

Period

5.88

5.88

5.88

ns

TCCS

1.68

 1.68

 1.68

ns

SW

(2)

4.00

4.00

4.00

ns

RSKM

(3)

0.10

0.10

0.10

ns

Notes to 

Table 5–18

:

(1)

The minimum data rate is limited by 2 × f

IN

(minimum) for the PLL specifications shown in 

Table 5–16

.

(2)

This is how large the sampling window (sum of t

SU

, t

H

, and t

JITTER

) can be at the receiving device. The Cyclone II 

device is a transmitter only for the RSDS I/O standard. 

(3)

The RSKM is assumed to be 100 ps for a calculated sampling window. RSKM is a system parameter determined by 
the designer.

ac/Altera/FPGA_cyc2-html.html
background image

Altera Corporation 

 

Preliminary

5–19

November 2004

Cyclone II Device Handbook, Volume 1

DC Characteristics & Timing Specifications

Figure 5–5. RSDS Transmitter Clock to Data Relationship

Table 5–19

 shows the mini-LVDS transmitter timing budget for Cyclone II 

devices at 170 Mbps. Cyclone II devices can not receive mini-LVDS data 
because the devices are intended for applications where they will be 
driving display drivers. A maximum mini-LVDS data rate of 170 Mbps is 
supported for Cyclone II devices using DDIO registers. The maximum 
internal clock frequency when designing for mini-LVDS is 85 MHz.

Transmitter

Valid

Data

Transmitter

Valid

Data

Valid

Data

Total

Skew

Valid

Data

t

SU

 (2 ns)

t

H

 (2 ns)

Channel-to-Channel

Skew (1.68 ns)

Transmitter

Clock (5.88 ns)

At transmitter

tx_data[11..0]

At receiver

rx_data[11..0]

Table 5–19. mini-LVDS Transmitter Timing Specification

Symbol

Conditions

-6 Speed Grade

-7 Speed Grade

-8 Speed Grade

Unit

Min

Typ

Max

Min

Typ

Max

Min

Typ

Max

HSIODR

Using DDIO 
register

(1)

31.25

170

31.25

170

31.25

170

Mbps

Period

5.88

 5.88

 5.88

  ns

TCCS

 0.388

 0.388

 0.388

ns

SW

(2)

5.292

5.292

5.292

ns

RSKM

(3)

0.10

0.10

0.10

ns

Notes to 

Table 5–19

:

(1)

The minimum data rate is limited by 2 × f

IN

(minimum) for the PLL specifications shown in 

Table 5–16

.

(2)

This is how large the sampling window (sum of t

SU

, t

H

, and t

JITTER

) can be at the receiving device. The Cyclone II 

device is a transmitter only for mini-LVDS.

(3)

RSKM assumed to be 100 ps for calculated SW. RSKM is a system parameter determined by the designer.

ac/Altera/FPGA_cyc2-html.html
background image

5–20

 

Preliminary

Altera Corporation

Cyclone II Device Handbook, Volume 1

November 2004

PLL Timing Specifications

In order to determine the transmitter timing requirements, mini-LVDS 
receiver timing requirements on the other end of the link must be taken 
into consideration. mini-LVDS receiver timing parameters are typically 
defined as t

SU

 and t

H

 requirements. Therefore, the transmitter timing 

parameter specifications are t

CO

 (minimum) and t

CO

 (maximum). Refer to 

Figure 5–4

 for the timing budget.

The AC timing requirements for mini-LVDS are shown in 

Figure 5–6

.

Figure 5–6. mini-LVDS Transmitter AC Timing Specification

Notes to 

Figure 5–6

:

(1)

The data setup time, t

SU

, is 0.225 × TUI.

(2)

The data hold time, t

H

, is 0.225 × TUI.

t

SU

 (1)

t

H

 (2)

TUI

t

SU

 (1)

t

H

 (2)

LVDSCLK[]n

LVDSCLK[]p

LVDS[]p

LVDS[]n

ac/Altera/FPGA_cyc2-html.html
background image

Altera Corporation 

 

Preliminary

5–21

November 2004

Cyclone II Device Handbook, Volume 1

DC Characteristics & Timing Specifications

Table 5–20

 shows the LVDS timing budget for Cyclone II devices. 

Cyclone II devices support LVDS receivers at data rates up to 805 Mbps 
and LVDS transmitters at data rates up to 622 Mbps.

Table 5–20. LVDS Timing Specification

Symbol

Conditions

-6 Speed Grade

-7 Speed Grade

-8 Speed Grade

Unit

Min Typ

Max

Min

Typ

Max

Min

Typ

Max

HSIODR 

(1)

 10

156.25

622

156.25

622

156.25

530

Mbps

 8

125

622

125

622

125

530

Mbps

 7

125

622

125

622

125

530

Mbps

 4

62.5

622

62.5

622

62.5

530

Mbps

 2

31.25

622

31.25

622

31.25

530

Mbps

 1 

(2)

15.625

311

15.625

311

15.625

265

Mbps

Period

1.608

1.608

1.886

ns

TCCS

 200

 200

 230

ps

SW 

(3)

800

800

920

ps

RSKM

304

304

368

ps

Notes to 

Table 5–20

:

(1)

The minimum data rate is limited by 2 × f

IN

(minimum) for the PLL specifications shown in 

Table 5–16

.

(2)

The PLL must divide down the input clock frequency to have the internal clock frequency meet the specification 
shown in 

Table 5–16

.

(3)

These values assume 400 ps of PLL jitter for the SW parameter.

ac/Altera/FPGA_cyc2-html.html
background image

5–22

 

Preliminary

Altera Corporation

Cyclone II Device Handbook, Volume 1

November 2004

PLL Timing Specifications

ac/Altera/FPGA_cyc2-html.html
background image

Altera Corporation 

 

 

6–1

November 2004

Preliminary

Chapter 6. Reference &

Ordering Information

Software

Cyclone

TM

II devices are supported by the Altera

®

 Quartus

®

II design 

software, which provides a comprehensive environment for system-on-a-
programmable-chip (SOPC) design. The Quartus II software includes 
HDL and schematic design entry, compilation and logic synthesis, full 
simulation and advanced timing analysis, SignalTap

®

 II logic analyzer, 

and device configuration. See the 

Quartus II Handbook

 for more 

information on the Quartus II software features.

The Quartus II software supports the Windows XP/2000/NT/98, Sun 
Solaris, Linux Red Hat v7.1 and HP-UX operating systems. It also 
supports seamless integration with industry-leading EDA tools through 
the NativeLink

®

 interface.

Device Pin-Outs

Device pin-outs for Cyclone II devices are available on the Altera web site 
(

www.altera.com

). For more information contact Altera Applications.

Ordering 
Information

Figure 6–1

 describes the ordering codes for Cyclone II devices. For more 

information on a specific package, contact Altera Applications.

CII51006-1.1

ac/Altera/FPGA_cyc2-html.html
background image

6–2

 

Preliminary

Altera Corporation

Cyclone II Device Handbook, Volume 1

November 2004

Ordering Information

Figure 6–1. Cyclone II Device Packaging Ordering Information

Device Type

Package Type

6, 7, or 8, with 6 being the fastest

Number of pins for a particular package

ES:

T:
Q:
F:

Thin quad flat pack (TQFP)
Plastic quad flat pack (PQFP)
FineLine BGA

EP2C: Cyclone II

5
8
20
35
50
70

C: Commercial temperature (t

J

 = 0

˚

 C to 85

˚

 C)

Industrial temperature (t

J

 = -40

˚

 C to 100

˚

 C)

Optional Suffix

Family Signature

Operating Temperature

Speed Grade

Pin Count

Engineering sample

7

EP2C

70

C

324

F

ES

Indicates specific device options or 
shipment method.

N: Lead-free devices

I: