background image

 

 

 
 

 

Diotec Semiconductor AG

  

79423 Heitersheim 

Tel.: +49-7634-5266-0  

mail@diotec.com 

Kreuzmattenstr. 4 

Germany 

Fax: +49-7634-5266-61 

www.diotec.com

 

Version 2005-07-07 

 

 

Diotec

 Products  

 

for Lighting

 

 

Typical Applications:  
Compact Fluorescent Lights, Lighting Ballasts 

 

 
 
 
 
 

 
 
 
 
 

 
 
 
Rectification 

Î

  

Bridge Rectifiers,  

  

Single 

Rectifiers, 

 

 

High Voltage Rectifiers

 

 
Boost-Diode for PFC  

Î

  

Ultrafast Rectifiers

 

 
 
Protection 

Î

  

TVS-Diodes, Zener-Diodes

 

 
 
Control 

Î

  

DIAC, Standard Rectifiers

 

 
 
 

 

ac/Diotec/applications/lighting-html.html
background image

 

 

 
 

 

 
 

Diotec Products for 

Lighting

 

www.diotec.com

 07/2005 

 

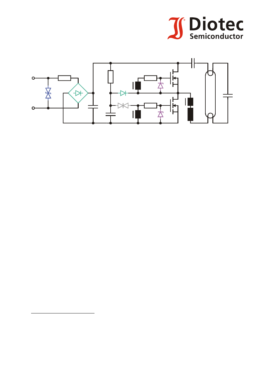
Compact Fluorescent Lights 

 

 
 

Overvoltage Protection: 

TVS-Diodes

/

Zenerdiodes

 

 

For Gate protection of MOSFET either Zener as well as TVS diodes could be used.  
Dimensioning of TVS diodes: see Application Note “Transient Voltage Suppressors”. 

 

Types

1

 

TGL34-… , TGL41…, P4SMAJ…,  P6SMBJ…, 1.5SMCJ…;

 (150 to 1500 W peak; 

up to 550 V!

ZMM…,

 

ZMD…

, ZMY..., 

SMZ1...,

 

SZ3C…

Z1SMA, Z2SMB…, Z3SMC…;

 (0.5 to 3 W steady) 

 

Input Rectification: 

Bridge Rectifiers 

 

Available as complete device but can also be formed by four single devices (see below). 
Recommended values for protective resistor R

t

 and load capacitor C

L

 are given within the datasheet. 

R

t

 includes also series resistance of input circuit , an additional device is therefore often not 

necessary. 

 

Types

1

 

SMD: 

MYS40…380,

 

MS40…500,

 

S40…500, B40…500S

B

B

4

4

0

0

3

3

8

8

0

0

F

F

S

S

 

 

(

(

F

F

a

a

s

s

t

t

 

 

r

r

e

e

c

c

o

o

v

v

e

e

r

r

y

y

)

)

 

 

trough hole:  

B40…500D

,  

B

B

4

4

0

0

3

3

8

8

0

0

F

F

D

D

 

 

(

(

F

F

a

a

s

s

t

t

 

 

r

r

e

e

c

c

o

o

v

v

e

e

r

r

y

y

)

)

,

,

 B40…500R (round) 

 

(0.5 to 2 A) 

 

Discharge Diode: 

Single Rectifiers 

 

Types

1

 

GL34 A..M, GL1 A..M, SM4001…7,

 SM5059…63, 

SM5400…08

S1 A..M, S2 A..M, S3 A..M;

  

(0.5 to 3 A, standard recovery).

 

F

F

a

a

s

s

t

t

 to 

Ultrafast

 versions available as well.

 

 

Startup: 

DIAC

 

 

SMD: 

BR100-03 LLD

 

(V

BO

  28..36 V)

, BR100-031 LLD (30..34 V), 

BR100-04 LLD (35..45 V)

 

Axial: 

BR100-03 (V

BO

  28..36 V)

, BR100-031 (30..34 V), 

BR100-04 (35..45 V), DB3, 

DB4

                                                

1

 

Preferred types are 

bold

; colours according to Diotec Selection Guide. Datasheets see 

www.diotec.com, “Products”. Though devices mentioned here are mostly SMD types for space and 
weight saving there are also equivalent leaded versions available. 

 

ac/Diotec/applications/lighting-html.html
background image

 

 

 
 

 

 
 

Diotec Products for 

Lighting

 

www.diotec.com

 07/2005 

 

Lighting Ballast 

 
 

Overvoltage Protection: 

TVS-Diodes

/

Zenerdiodes

 

 
For Gate protection of MOSFET either Zener as well as TVS diodes could be used.  
Dimensioning of TVS diodes: see Application Note “Transient Voltage Suppressors”. 

 

Types

1

 

SMD:

  

TGL34-… , TGL41…, P4SMAJ…,  P6SMBJ…, 1.5SMCJ…;

 (150 to 1500 W peak; 

up to 550 V!)

 

 ZMM…,

 

ZMD…

, ZMY..., 

SMZ1...,

 SZ3C…, 

Z1SMA, Z2SMB…, Z3SMC…;

 (0.5 to 3 W steady) 

Leaded:  

BZW04-…, P4KE…, BZW06-…, 

P6KE…, 1.5KE…

 , 5KP…; (400 to 5000 W) 

 

ZPY…, 

ZY…

, 3EZ…, BZV58C…, 

1N53..B

; (1.3 to 5 W) 

 

Input Rectification: 

Bridge Rectifiers 

 
Available as complete device but can also be formed by four single devices. Recommended values for 
protective resistor R

t

 and load capacitor C

L

 are given within the datasheet. R

t

 includes also series 

resistance of input circuit , an additional device is therefore often not necessary. 
 

Types

1

 

0.5 to 2 A: 
SMD: 

MYS40…250,

 

MS40…500, S40…500, B40…500S

B

B

4

4

0

0

3

3

8

8

0

0

F

F

S

S

 

 

(

(

F

F

a

a

s

s

t

t

 

 

r

r

e

e

c

c

o

o

v

v

e

e

r

r

y

y

)

)

 

 

trough hole: 

B40…500D

,  

B

B

4

4

0

0

3

3

8

8

0

0

F

F

D

D

 

 

(

(

F

F

a

a

s

s

t

t

 

 

r

r

e

e

c

c

o

o

v

v

e

e

r

r

y

y

)

)

,

,

 B40…500R (round) 

1.5 to 12 A: 
Single In-line: 

B..C1500, 

B..C2300-1500

; B..C3200-2200 to B..C7000-4000; 

GBS4 A..M

GBU4 A..M 

 

to GBU12 A..M

 

 

Ultrafast Diodes

 for PFC stage 

 

Operation frequencies are normally high, for reduction of power losses in the switch (affected highly by 
reverse recovery behaviour of the diode!) the boost diode must be ultrafast. At 230 V

RMS

 mains a  

600 V type should be used, at 110 V

RMS

 a 400 V type is sufficient.  

 

Types

1

 

Leaded: 

UF4004, UF4005, UF5404, UF5406

, UF600J; (1 to 6 A) 

                                                

1

 

Preferred types are 

bold

; colours according to Diotec Selection Guide. Datasheets see 

www.diotec.com, “Products”.

 

ac/Diotec/applications/lighting-html.html
background image

 

 

 
 

 

 
 

Diotec Products for 

Lighting

 

www.diotec.com

 07/2005 

 

SMD: 

SUF4004, SUF4005

, US1J, US1G, US2J, US2G, US3G, US3J; (1 to 3 A) 

 
 

High Voltage Diodes

 

 
 

Types

1

 

 
SMD:  

SM513…SM2000 (1A Standard)

S

S

A

A

2

2

6

6

1

1

S

S

A

A

2

2

6

6

5

5

 

 

(

(

2

2

A

A

 

 

F

F

a

a

s

s

t

t

)

)

 (1300…2000 V); 

 
Leaded:  

EM513…EM518 (1A Standard); BY255…BY2000 (3A Standard) 

(1300…2000 V); 

H

H

V

V

1

1

.

.

5

5

,

,

 

 

H

H

V

V

2

2

 

 

(

(

5

5

0

0

0

0

 

 

m

m

A

A

,

,

 

 

1

1

.

.

5

5

 

 

t

t

o

o

 

 

2

2

 

 

k

k

V

V

 

 

F

F

a

a

s

s

t

t

)

)

;

;

 

 

H

H

V

V

3

3

,

,

 

 

H

H

V

V

5

5

 

 

(

(

2

2

0

0

0

0

 

 

m

m

A

A

,

,

 

 

3

3

 

 

t

t

o

o

 

 

5

5

 

 

k

k

V

V

 

 

F

F

a

a

s

s

t

t

)

)

 

 

D

D

D

D

3

3

0

0

0

0

 

 

 

 

D

D

D

D

1

1

8

8

0

0

0

0

 

 

(

(

2

2

0

0

 

 

m

m

A

A

,

,

 

 

3

3

k

k

V

V

 

 

t

t

o

o

 

 

1

1

8

8

 

 

k

k

V

V

 

 

F

F

a

a

s

s

t

t

)

)

 

 

                                                

1

 

Preferred types are 

bold

; colours according to Diotec Selection Guide. Datasheets see www.diotec.com, “Products”.