background image

Cyprus

Uruguay

Slovenia

Greece

Macedonia

Montenegro

Kosovo

Bosnia and

Herzegovina Serbia

Bulgaria

Georgia

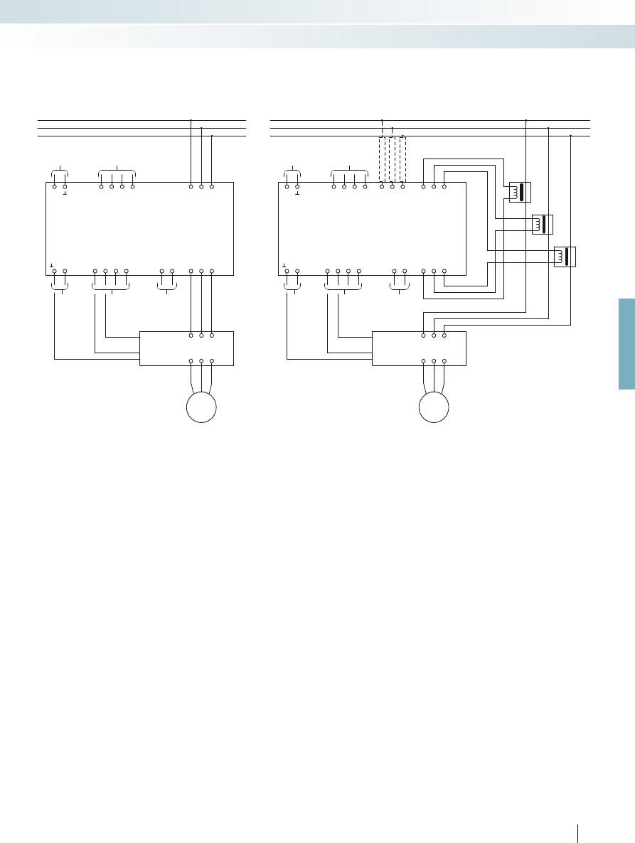
Azerbaijan

Lebanon

Saudi Arabia

Oman

Bahrain

Qatar

Bangladesh

Honduras

Ecuador

Venezuela

Peru

Bolivia

Paraguay

Nicaragua

Costa Rica

Panama

Guatemala

Iceland

Sri Lanka

Pakistan

Kuwait

Iran

Iraq

Jordan

Egypt

Tunisia

Morocco

Algeria

Kenya

Uganda

Tanzania

Namibia

Botswana

Zimbabwe

Mozambique

Zambia

Nigeria

Ghana

Armenia

Portugal

Spain

France

Switzerland

Austria

Italy

Netherlands

Belgium

Luxembourg

Poland

Czech Republic

Slovakia
Hungary

Croatia

Romania

United Kingdom

Ireland

Turkey

Israel

UAE

Vietnam

Philippines

Taiwan

Thailand

Singapore

New Zealand

Chile

Argentina

Colombia

Canada

Russia

Finland

Estonia

Latvia

Lithuania

Belarus

Ukraine

Sweden

Norway

Denmark

Kazakhstan

South Korea

Japan

Mexico

Brazil

Australia

Indonesia

Malaysia

India

South Africa

Myanmar

USA

China

Blomberg, Germany

5

Interface Technology and
Switching Devices

2017 / 2018

PHOENIX CONTACT GmbH & Co. KG
Flachsmarktstraße 8
32825 Blomberg, Germany
Phone:  +49  (0)  52  35  3-00
Fax: 

+49  (0)  52  35  3-4  12  00

E-mail: info@phoenixcontact.com
phoenixcontact.com

You will fi nd our complete 
 product  range at:

phoenixcontact.com

In dialog with customers and partners worldwide

Phoenix Contact is a globally present, Germany-based market leader. Our group 
is synonym for future-oriented components, systems, and solutions in the fi elds of 
electrical engineering, electronics, and automation. A global network across more than 
100 countries, and 15,000 employees ensure a close proximity to our 
customers, which we believe is particularly important.

The wide variety of our innovative products makes 
it easy for our customers to fi nd future-oriented 
solutions for diff erent applications and industries. 
We especially focus on the fi elds of energy, 
infrastructure, process and factory automation.

EN

Int
er

fa

ce T

echnolog

y and S

wit
ching De

vices      2017 

/ 2018

5

phoenixcontact-interface-technology-and-switching-devices-html.html
background image

Terminal blocks

• Terminal blocks

Interface technology and switching devices

Automation

•  Lighting and signaling
•  Fieldbus components and systems
• Functional safety
•  HMIs and industrial PCs
• I/O systems
•  Industrial cloud computing
•  Industrial communication technology
• Software
• Controllers

PCB terminal blocks and
PCB connectors

To quickly select a product, use our e-Paper.

 

Web code:

 

#1517

You will fi nd the latest information and all new 
products directly in the product area of our website:

phoenixcontact.net/products

Also discover the Phoenix Contact catalog app
interactively on your tablet.

Sensor/actuator cabling
and connectors

• Sensor/actuator cabling
•  Cables and lines
• Connectors

Marking systems, tools and
mounting material

•  Marking and labeling
• Tools
•  Installation and mounting material

Power supplies, surge protection and 
device circuit breakers

•  Surge protection and interference 

suppression fi lters

•  Power supplies and UPS
• Protective devices

Find out more 
with the web code

On some of the catalog pages, you can fi nd our webcode: a hash 
symbol followed by a four-digit number combination.

 

Web code:

 #1234 (example)

This allows you to access information on our website quickly.

It could not be easier:

1. Go to the Phoenix Contact website
2. Enter # and the number combination in the 

search field

3. Get more information and product versions

Search

Or use the direct link:

phoenixcontact.net/webcode/#1234

phoenixcontact-interface-technology-and-switching-devices-html.html
background image

Table of contents

Complete overview

4

Electronic switching devices and motor control

 8

Measurement and control technology

 54

Monitoring

 198

Relay modules

 282

System cabling for controllers

 460

Technical information/index

 602

phoenixcontact-interface-technology-and-switching-devices-html.html
background image

Electronic switching devices and motor control

Motor management

 

Page 14

Hybrid motor starters

 

Page 23

Solid-state contactors

 

Page 40

IP67 motor starters

 

Page 50

Monitoring

Multiplexer for HART signals

 

Page 166

Process indicators and field devices

 

Page 178

Controllers

See Catalog 6

Energy meters, function and communication 

modules

Page 208

Test disconnect terminal blocks

See Catalog 1

Current transducers, current protector

 

Page 240

SOLARCHECK photovoltaic panel 

shutdown

Page 252

SOLARCHECK

Photovoltaic string monitoring

Page 256

 

Multifunctional time relays

 

Page 278

Function modules

 

Page 280

Lightning monitoring system

See Catalog 4

HMIs

See Catalog 6

4

PHOENIX CONTACT

Complete overview

Product range overview

phoenixcontact-interface-technology-and-switching-devices-html.html
background image

For further information and full technical data, visit phoenixcontact.net/products

Measurement and control technology

Frequency inverters

 

Page 52

Highly compact signal conditioners with 

plug-in connection technology

Page 68

(Ex i) signal conditioners with 

SIL functional safety

Page 140

(Ex i) signal conditioners with 

PL functional safety

Page 168

Complete packages for data logging

 

Page 215

Compressed air meters

 

Page 216

Current transformers

 

Page 220

Current transformers for retrofitting

 

Page 234

 

Charging technology for E-Mobility

See Catalog 2

 

Compact monitoring relays

 

Page 262

Multifunctional monitoring relays

 

Page 266

Ultra-narrow time relays

 

Page 276

 

Signal towers

See Catalog 6

 

 

 

5

PHOENIX CONTACT

Complete overview

Product range overview

phoenixcontact-interface-technology-and-switching-devices-html.html
background image

Relay modules

 

RIFLINE complete

 

Page 296

PLC-INTERFACE

 

Page 372

Programmable logic relay system PLC logic

 

Page 426

DEK series

 

Page 437

System cabling for controllers

 

Controller-specific system cabling

 

Page 470

V8 adapters

 

Page 425

Retrofit and modernization components

 

Page 558

Universal modules

 

Page 566

 

 

 

 

 

 

 

 

 

 

 

 

 

 

 

 

6

PHOENIX CONTACT

Complete overview

Product range overview

phoenixcontact-interface-technology-and-switching-devices-html.html
background image

For further information and full technical data, visit phoenixcontact.net/products

Safety devices

See Catalog 6

Monitoring relays

 

Page 262

Time relays

 

Page 276

 

 

 

Universal cables

 

Page 582

Potential distributors

 

Page 598

 

 

 

 

 

 

 

 

 

 

 

 

 

 

 

 

 

 

7

PHOENIX CONTACT

Complete overview

Product range overview

phoenixcontact-interface-technology-and-switching-devices-html.html
background image

8

PHOENIX CONTACT

phoenixcontact-interface-technology-and-switching-devices-html.html
background image

 

Product range overview

 

 

 

Product overview

 10

 

 

 

 

 

 

Electronic motor management

 12

 

 

Network-capable hybrid motor starters with reversing function

 20

 

 

Hybrid motor starters with reversing function

 24

 

 

Network-capable hybrid motor starters with direct start function

 26

 

 

Hybrid motor starters with direct start function

 30

 

 

Hybrid motor starters with short-circuit protection

 33

 

 

3-phase solid-state reversing contactors

 40

 

 

3-phase solid-state contactors

 42

 

 

Solid-state reversing contactor for DC motors

 46

 

 

Single-phase solid-state contactors

 48

 

 

IP67 motor starters

 50

 

 

IP20 frequency inverters

 52

 

9

PHOENIX CONTACT

Switching devices for starting, reversing, 

and protecting electric motors rank among 
the components used in automation 
technology. These components are 
designed redundantly for safety-sensitive 
applications. When it comes to reducing 
installation time and space requirements, 
CONTACTRON hybrid motor starters are 
the state-of-the-art alternative.

This is because CONTACTRON hybrid 

motor starters combine up to four 
functions in a single device. They are 
integrated into popular fieldbus systems via 
the Interface system connection or via the 
SmartWire-DT™ wiring system.

For protection of the entire system, the 

product range now includes the electronic 
motor manager (EMM). In addition to 
typical measured values such as voltage and 
current, the behavior of the system is 
monitored and protected by means of real 
power measurement. The process data in all 
popular fieldbus systems can be supplied 
with the gateway and evaluated by a 
controller.

Electronic switching devices and motor control

phoenixcontact-interface-technology-and-switching-devices-html.html
background image

Motor management

Electronic motor management

 

Page 14

Gateways

 

Page 16

IFS extension module for the 

Interface system

Page 17

Hybrid motor starters

Network-capable hybrid motor starters with 

reversing function

Page 23

Hybrid motor starters with reversing function

 

Page 24

Network-capable hybrid motor starters with 

direct start function

Page 29

Hybrid motor starters with direct start 

function

Page 30

Solid-state contactors

3-phase solid-state reversing contactors

 

Page 40

3-phase solid-state contactors

 

Page 42

Semiconductor reversing contactor with 

soft starter

Page 44

Solid-state reversing contactor for

DC motors

Page 46

IP67 motor starters

Frequency inverters

PROFINET motor starter for distributed use

 

Page 50

Stainless steel base, IP67 protection

 

Page 51

Inline frequency inverters for the 

control cabinet

Page 52

10

PHOENIX CONTACT

Electronic switching devices and motor control

Product overview

phoenixcontact-interface-technology-and-switching-devices-html.html
background image

For further information and full technical data, visit phoenixcontact.net/products

 

 

 

 

 

 

 

 

Hybrid motor starters with short-circuit 

protection

Page 33

Continuous bridge for hybrid motor starters

 

Page 34

SmartWire-DT™ accessories

 

Page 36

 

 

Single-phase solid-state contactors

 

Page 48

11

PHOENIX CONTACT

Electronic switching devices and motor control

Product overview

phoenixcontact-interface-technology-and-switching-devices-html.html
background image

12

PHOENIX CONTACT

Electronic switching devices and motor control

Motor management

Electronic motor management 
(EMM)

The electronic motor management 

modules offer all the advantages of modern 
real power monitoring.

The measuring and evaluation electronics 

for all performance classes. EMM offers the 
same functionality for all performance 
classes, only without a power section.

Power within limits

Monitoring is based on freely 

parameterizable switching and signaling 
thresholds for overload and underload 
detection. Identical or separate settings can 
be made for the thresholds for both 
directions of rotation. The real power 
consumed, calculated from three currents, 
voltages, and the phase angle, is used for 
parameterization. As it is independent of 
voltage fluctuations and drive load, the 
parameterization is thus much more precise 
than when only the current is taken into 
consideration. If a switching threshold is 
violated, an emergency shutdown of the 
motor is initiated immediately or with an 
adjustable “delay time”. In addition, a 
message is sent via an output.

This state can only be deactivated via a 

defined reset. If the real power consumed is 
determined as being above or below the 
message thresholds, all that occurs is that a 

check-back is returned for the duration for 
which the module was addressed.

In addition, signals are generated by the 

module for the recognition of the direction 
of rotation. Asymmetry and phase failures 
are detected and signalized.

Permanent status monitoring with high 

scanning rates and the fast semiconductor 
switch enable complete system protection, 
including motor protection.

Without any extra wiring - and with just a 

single device - pumps, actuating drives, fans, 
and tools are monitored for proper 
functioning, contamination (filter or 
similar), and wear. The adjustable “inrush 
suppression” time can be used to mask out 
the switching operation from the 
monitoring process.

Interface system

The Interface system (IFS) consists of 

devices which can be connected to each 
other via the DIN rail connector. A gateway 
with up to 32 IFS devices forms the head of 
Interface system. The station is managed by 
the gateway.

Interface system properties:

– Use of the Interface system via the 

DIN rail connector for the purpose of 
parameterization, diagnostics, and the 
exchange of data with each other

– Compatible with defined IFS accessories
– 24 V supply of the devices (e.g., EMM...IFS, 

ELR...IFS, EM-GATEWAY-IFS) via the 
DIN rail connector

phoenixcontact-interface-technology-and-switching-devices-html.html
background image

For further information and full technical data, visit phoenixcontact.net/products

13

PHOENIX CONTACT

Electronic switching devices and motor control

Motor management

Protection against dry running, blocking, 

and cavitation, warning thresholds to 
indicate filter contamination.

Protection against blocking, warning 

thresholds for bearing wear and other cases 
that trigger overload.

Protection against blocking and broken 

tools, warning thresholds for tool and 
bearing wear.

In the case of motor-driven pumps, the 

lower performance threshold provides 
reliable protection against hazardous dry 
running.

Forced shutdown of the drive is delayed 

by the “delay time”.

This prevents forced shutdown in the 

event of air bubbles.

Machine tools are monitored and 

protected in a similar way when drilling, 
milling or grinding. If the feed value on a 
milling machine is set too high, a tool may 
break in the “worst-case” scenario. The 
power threshold, parameterized 
accordingly, can be used to resolve this 
issue.

Additionally, a message threshold signals 

tool wear in advance.

Performance

Real

power

(P)

Time (t)

Lower
performance threshold

Continuous dry running
with forced shutdown

Delay time

Switch-on delay

Signaling threshold,
contamination of screen
or filter

Performance

Real

power

(P)

Time (t)

Lower
performance threshold

Upper
performance threshold

Temporary
dry running

Delay time

Switch-on delay

Real

power

(P)

Time (t)

Performance

when idling

Signaling threshold
Tool wear

Performance threshold
Broken tool

Increased performance
Tool wear

Excess performance
due to possible
broken tool

Delay time

Switch-on delay

Motor startup

Tool positioning

Milling process

Drive shutdown

phoenixcontact-interface-technology-and-switching-devices-html.html
background image

Thermistor

L

ogic

μ

P

U

S

U

S

O

O

IN1

O1

IN2

O2

IN3

O3

IN4

O4

D

igital

IN

D

igital

OU

T

T

-

B

U

S

V1

I11

I12

V2

I21

I22

V3

I31

I32

Th

1

Th

2

DA

T

ERR

L

R

IF

S

-

Port

R

eset

P

Thermistor

L

ogic

μ

P

P

1/L1

U

S

U

S

O

O

IN1

O1

IN2

O2

IN3

O3

IN4

O4

24 VDC

24 VDC

D

igital

IN

D

igital

OU

T

DA

T

ERR

L

R

2/

T

1

T

-

B

U

S

3/L2

4/

T

2

5/L3

6/

T

3

Th

1

Th

2

IF

S

-

Port

R

eset

 

Ex: 

 

Ex: 

Technical data

Technical data

Input data

Rated control supply voltage U

S

24 V DC

230 V AC

24 V DC

230 V AC

Control supply voltage range

19.2 V DC ... 30 V DC

92 V AC ... 253 V AC

19.2 V DC ... 30 V DC

92 V AC ... 253 V AC

Rated control supply current I

S

 at U

S

25 mA

10 mA

25 mA

10 mA

Input data of digital inputs

EMM 3- 24DC/500AC-IFS

EMM 3-230AC/500AC-IFS

EMM 3- 24DC/500AC-16-IFS

EMM 3-230AC/500AC-16-IFS

Number of inputs

4 (IN1 - IN4)

4 (IN1 - IN4)

4 (IN1 - IN4)

4 (IN1 - IN4)

Rated actuating voltage U

C

24 V DC

230 V AC

24 V DC

230 V AC

Rated actuating current I

C

3.3 mA

3.5 mA

3.3 mA

3.5 mA

Power measurement

Voltage measuring input

42 V AC ... 575 V AC

42 V AC ... 575 V AC

42 V AC ... 575 V AC

42 V AC ... 575 V AC

Nominal current, voltage measuring input

< 0.5 mA

< 0.5 mA

< 0.5 mA

< 0.5 mA

Current measuring input

5 A (Secondary external 

converter)

5 A (Secondary external 

converter)

max. 16 A

max. 16 A

Output data for confirmation contacts

O1 - O4 in the case of 1 signal

24 V DC (semiconductor output) / 

500 mA

230 V AC (Relay output) / 

500 mA

24 V DC (semiconductor output) / 

500 mA

230 V AC (Relay output) / 

500 mA

General data

Rated insulation voltage

500 V

500 V

Rated surge voltage

6 kV

6 kV

6 kV

6 kV

Ambient temperature (operation)

-25 °C ... 70 °C

-25 °C ... 70 °C

Standards/regulations

DIN EN 50178 / EN 60947 / EN 60947-4-2

DIN EN 50178 / EN 60947 / EN 60947-4-2

Degree of protection in acc. with IEC 60529/EN 60529

IP20

IP20

Mounting position

Vertical (horizontal DIN rail)

Vertical (horizontal DIN rail)

Screw connection solid/stranded/AWG

0.2 - 2.5 mm² / 0.2 - 2.5 mm² / 24 - 14

0.2 - 2.5 mm² / 0.2 - 2.5 mm² / 24 - 14

Dimensions

W / H / D

22.5 mm / 99 mm / 114.5 mm

22.5 mm / 99 mm / 114.5 mm

EMC note

Class A product, see page 605

Class A product, see page 605

Ordering data

Ordering data

Description

Type

Order No.

Pcs./

Pkt.

Type

Order No.

Pcs./

Pkt.

Electronic motor management

EMM 3- 24DC/500AC-IFS

2297497

1

EMM 3- 24DC/500AC-16-IFS

2297523

1

EMM 3-230AC/500AC-IFS

2297507

1

EMM 3-230AC/500AC-16-IFS

2297536

1

Accessories

Accessories

Configuration package

 for the EMM...IFS, comprising 

CONTACTRON-DTM-IFS, USB programming adapter, and user 

manual on CD

MM-CONF-SET

2297992

1

MM-CONF-SET

2297992

1

Programming adapter

 for configuring modules with 

S-PORT interface

IFS-USB-PROG-ADAPTER

2811271

1

IFS-USB-PROG-ADAPTER

2811271

1

DIN rail connector

ME 22,5 TBUS 1,5/ 5-ST-3,81  GN

2707437

50

ME 22,5 TBUS 1,5/ 5-ST-3,81  GN

2707437

50

Voltage transducer for 690 V

, for EMM 3-.../500AC-IFS, 

comprising 3 terminal blocks and cover

UT 4-MTD-R/CVC 690/SET

2901667

1

Multi-functional memory module

 for the Interface system

- Flat design

IFS-CONFSTICK

2986122

1

IFS-CONFSTICK

2986122

1

- Tall design

IFS-CONFSTICK-L

2901103

1

IFS-CONFSTICK-L

2901103

1

MINI COMBICON connectors

- Female contact

MC 1,5/ 5-ST-3,81

1803604

250

MC 1,5/ 5-ST-3,81

1803604

250

- Male contact

IMC 1,5/ 5-ST-3,81

1857919

50

IMC 1,5/ 5-ST-3,81

1857919

50

14

PHOENIX CONTACT

EMM motor management (with or 

without current transformer) for all 
performance classes monitors and protects 
3-phase loads, such as electrical drives.
– Freely parameterizable signaling or 

switching thresholds

– Digital outputs control external switching 

elements

– Optional connection to the Interface 

system (e.g., IFS gateways) via DIN rail 
connector

H

W

D

H

W

D

Electronic motor management

Electronic switching devices and motor control

Motor management

Allows the use of external current transformers

With integrated current transformers

phoenixcontact-interface-technology-and-switching-devices-html.html
background image

L

1

L

2

L

3

1/

L

1 3/

L

2 5/

L

3

2/

T

1 4/

T

2 6/

T

3

G

N

D

EMM

3

-...

/5

00A

C

-

16

-IFS

O U O

S

O1 O2 O3 O4

Th

1

Th

2

2/

T

1

4/

T

2

6/

T

3

U

S

I

N1

I

N2

I

N3

I

N4

3/

L

2

5/

L

3

1/

L

1

M

1/

L

1 3/

L

2 5/

L

3

2/

T

1 4/

T

2 6/

T

3

G

N

D

EMM

3

-...

/5

00A

C

-IFS

O

O U O

S

O1 O2 O3 O4

Th

1

Th

2

I

12

I

22

I

32

U

S

I

N1

I

N2

I

N3

I

N4

I

21

V

2

I

31

V

3

I

11

V

1

P

1

P

2

S

2/

l

S

1/

k

P

1

P

2

S

2/

l

S

1/

k

P

1

P

2

S

2/

l

S

1/

k

M

U

T

4

-MTD-

R/C

V

C6

90

U

T

4

-MTD-

R/C

V

C6

90

U

T

4

-MTD-

R/C

V

C6

90

For further information and full technical data, visit phoenixcontact.net/products

The electronic motor management 

modules (EMM) offer all the advantages of 
modern real power monitoring. Every 
6.6 ms, the real power consumed of a drive 
system or another 3-phase load is 
determined based on three currents, 
voltages, and the phase angle. Currents up 
to 16 A are directly acquired and currents 
>16 A are fed through external converters. 
Separate mechanical or electronic switching 
elements, which take care of the actual load 
switching, are controlled via digital outputs. 
The EMM is designed to reliably protect 
connected loads - irrespective of their 
power consumption - against overload and 
underload, and to provide continuous status 
monitoring.

Up to 8 freely parameterizable switching, 

message thresholds and up to four freely 
configurable inputs and outputs enable the 
protection of electrical drives and the 
system.

The EMM modules can record the 

following data:
– Apparent, real, and reactive power
– Currents and voltages
– Phase angle
– Switching-cycle and operating-hours
– Power  meter

Additional functions:

– Adjustable bimetal function class 5-30
– Thermistor monitor
– Recording measured values
– GATEWAY connection via DIN rail 

connector

– Pre-configured motor feeders such as 

reversing starters, star-delta starters, etc.
With the EMM modules, complete 

“driving curves” are recorded, which can be 
used for the system documentation, for 
example.

With the forward running, reverse 

running, reversing, and limit switch (with 
integrated restart lock) operating modes, 
actuators and control drives, pumps and 
similar are switched and monitored for 
wear.

Current transformer

The external converters should be 

selected with a secondary nominal current 
of 5 A. The primary current is determined 
by the current consumption of the load 
(refer to connection diagram). For suitable 
current transformers, see Interface catalog.

DIN rail connectors

The DIN rail connectors 

(Order No. 

2707437

) are used to supply 

several EMMs with 24 V DC or to couple up 
to 32 EMMs (for example) to the 
PROFIBUS-GATEWAY-IFS.

Switching element

Depending on the requirements for the 

actual load switching, an electromechanical 
contactor or a reversing contactor 
combination or a solid-state 
contactor/solid-state reversing contactor is 
used. These switching elements are 
controlled via the digital outputs of the 
EMM modules.

15

PHOENIX CONTACT

Module

supply

Digital

inputs

Digital

outputs

Supply

digital

outputs

Current measurement

Current measurement

Reverse running

Separate switching module

Forward running

Thermistor

input

Module

supply

Digital

inputs

Current

measurement

Voltage

measurement

Digital

outputs

Supply

digital

outputs

Current measurement

Thermistor

input

Reverse running

Separate switching module

Forward running

Electronic motor management

Electronic switching devices and motor control

Motor management

phoenixcontact-interface-technology-and-switching-devices-html.html
background image

U

S

O

U

S

G

N

D

24

V

D

C

EP

RO

M

µC

ontroller

O4

O3

O2

O1

OU

T

TB

U

S

IFS

I

N

I

N1

I

N2

I

N3

I

N4

I

N5

I

N6

I

N

7

I

N

8

T

O

IFS-

Port

R

eset

Technical data

Input data

Rated control supply voltage U

S

24 V DC  -20

 

% ... +25

 

%

Rated control supply current I

S

85 mA (plus load current of the outputs)

Input circuit

Reverse polarity protection

Digital inputs

Number of inputs

8

Rated actuating voltage U

C

24 V DC ±20 %

Rated actuating current I

C

3 mA

Input circuit

Reverse polarity protection

Digital outputs

Number of outputs

4

Maximum switching voltage

23 V DC (U

B

 - U

resid.

 of the output)

Max. switching current

500 mA

Residual voltage

1 V

Output protection

Parallel protection against polarity reversal, pay attention to the fuse

General data

Ambient temperature (operation)

-35 °C ... 50 °C

Nominal operating mode

100% operating factor

Standards/regulations

EN 50178

Degree of protection

IP20

Mounting position/mounting

any / In rows with zero spacing

Connection data solid/stranded/AWG

0.2 ... 2 mm² / 0.2 ... 2.5 mm² / 12 - 24

Dimensions

W / H / D

22.5 mm / 99 mm / 114.5 mm

EMC note

Class A product, see page 605

Ordering data

Description

Type

Order No.

Pcs./

Pkt.

IFS gateway 

for

PROFIBUS DP

EM-PB-GATEWAY-IFS

2297620

1

RS-232

EM-RS232-GATEWAY-IFS

2901526

1

RS-485

EM-RS485-GATEWAY-IFS

2901527

1

Modbus/TCP

EM-MODBUS-GATEWAY-IFS

2901528

1

DeviceNet™

EM-DNET-GATEWAY-IFS

2901529

1

CANopen

®

EM-CAN-GATEWAY-IFS

2901504

1

PROFINET

EM-PNET-GATEWAY-IFS

2904472

1

EtherNet/IP™

EM-ETH-GATEWAY-IFS

2901988

1

Accessories

Configuration package

 for the EMM...IFS, comprising 

CONTACTRON-DTM-IFS, USB programming adapter, and 

user manual on CD

MM-CONF-SET

2297992

1

Programming adapter

 for configuring modules with 

S-PORT interface

IFS-USB-PROG-ADAPTER

2811271

1

DIN rail connector

ME 22,5 TBUS 1,5/ 5-ST-3,81  GN

2707437

50

MINI COMBICON connectors

- Female contact

MC 1,5/ 5-ST-3,81

1803604

250

- Male contact

IMC 1,5/ 5-ST-3,81

1857919

50

16

PHOENIX CONTACT

H

W

D

EM...GATEWAY-IFS for connecting 

Interface system devices (IFS) to popular 
bus systems: PROFIBUS DP, Modbus, 
Modbus/TCP, DeviceNet™, CANopen

®

and PROFINET, EtherNet/IP™.
– Communication via DIN rail connector 

with up to 32 Interface system devices, 
such as EMM...IFS- and ELR...IFS modules

– Equipped with freely parameterizable 

digital inputs and outputs

– Digital switching outputs for direct 

control

IFS gateways for
Interface system devices

Electronic switching devices and motor control

Motor management

Status

Fieldbus
connection

IFS gateways

phoenixcontact-interface-technology-and-switching-devices-html.html
background image

L

og

i

c

µP

T

-

BUS

I

N

1

I

N2

I

N3

I

N

4

I

N5

I

N6

I

N7

I

N8

D

i

g

i

ta

l

I

N

PWR

D

A

T

E

RR

U

S

2

4 V 

DC

U

S

O

O

2

4 V 

DC

D

i

g

i

ta

l

OUT

O

1

O2
O3
O

4

IF

S

-

Port

Reset

For further information and full technical data, visit phoenixcontact.net/products

Technical data

Input data

Rated control supply voltage U

S

24 V DC  -20

 

% ... +25

 

%

Rated control supply current I

S

85 mA (plus load current of the outputs)

Input circuit

Reverse polarity protection

Digital inputs

Number of inputs

8

Rated actuating voltage U

C

24 V DC ±20 %

Rated actuating current I

C

3 mA

Input circuit

Reverse polarity protection

Digital outputs

Number of outputs

4

Maximum switching voltage

23 V DC (U

B

 - U

resid.

 of the output)

Max. switching current

500 mA (per output)

Residual voltage

1 V

Output protection

Parallel protection against polarity reversal, pay attention to the fuse

General data

Ambient temperature (operation)

-35 °C ... 50 °C

Nominal operating mode

100% operating factor

Standards/regulations

EN 61131-2

Degree of protection

IP20

Mounting position/mounting

any / In rows with zero spacing

Connection data solid/stranded/AWG

0.2 ... 2 mm² / 0.2 ... 2.5 mm² / 12 - 24

Dimensions

W / H / D

22.5 mm / 99 mm / 114.5 mm

Ordering data

Description

Type

Order No.

Pcs./

Pkt.

IFS extension module,

 with 8 digital inputs and 4 digital outputs

EM-D-8/4-24DC-IFS

2904473

1

Accessories

Configuration package

 for the EMM...IFS, comprising 

CONTACTRON-DTM-IFS, USB programming adapter, and 

user manual on CD

MM-CONF-SET

2297992

1

Programming adapter

 for configuring modules with 

S-PORT interface

IFS-USB-PROG-ADAPTER

2811271

1

DIN rail connector

ME 22,5 TBUS 1,5/ 5-ST-3,81  GN

2707437

50

MINI COMBICON connectors

- Female contact

MC 1,5/ 5-ST-3,81

1803604

250

- Male contact

IMC 1,5/ 5-ST-3,81

1857919

50

17

PHOENIX CONTACT

H

W

D

new

EM-D-8/4

 IFS digital extension module 

for the Interface system (IFS). For more 
complex applications, in order to process 
additional signals in the field.
– Communication with an IFS gateway via 

DIN rail connector as the slave

– Freely configurable digital inputs and 

outputs

IFS extension module for the 
Interface system

Electronic switching devices and motor control

Motor management

IFS extension module

phoenixcontact-interface-technology-and-switching-devices-html.html
background image

18

PHOENIX CONTACT

Electronic switching devices and motor control

Hybrid motor starters

The CONTACTRON hybrid motor 

starters combine up to four functions in one 
device: motor starter, reversing function, 
motor protection against overload, and 
emergency stop.

In addition to standard devices for parallel 

wiring, network-capable versions, which can 
be integrated into fieldbus environments, 
are also available.

CONTACTRON hybrid motor starter 

technology is a microprocessor-controlled 
combination of wear-free solid-state 
technology and robust relay technology. 
The semiconductors execute the wear-
prone on and off switching procedures, 
while the relays only conduct low-loss 
current. This enables soft switching and 
considerably reduces the load on the relay 
contacts.

Switch motors safely and reliably with 

compact hybrid motor starters.

The devices are used wherever three-

phase asynchronous motors, from 50 W to 
3 kW, need to be reversed and protected. 
The product range of hybrid motor starters 
consists of direct and reversing starters, 
which are available with various functions 
such as emergency stop and motor 
protection.

phoenixcontact-interface-technology-and-switching-devices-html.html
background image

For further information and full technical data, visit phoenixcontact.net/products

19

PHOENIX CONTACT

Electronic switching devices and motor control

Hybrid motor starters

Hybrid motor starter with up to four 

functions in one device: forward running, 
reverse running, motor protection, and 
emergency stop.

Short-circuit-proof hybrid motor starter 

with integrated fuses, for mounting on 
35 mm DIN rail and 60 mm busbar systems.

Connection of hybrid motor starters in a 

bus system via SmartWire-DT™. Gateways 
are available for the most important bus 
systems: PROFIBUS, Modbus/TCP, 
EtherNet/IP™, and CANopen

®

.

Connection of the hybrid motor starter 

to a bus system via the IFS Interface system. 
Gateways are available for the most 
important bus systems: PROFIBUS DP, 
Modbus/TCP, EtherNet/IP™, CANopen

®

DeviceNet™, PROFINET, etc.

phoenixcontact-interface-technology-and-switching-devices-html.html
background image

0,

1

8

1

2

3

4

5

6

7

8

9

0

1

0

2

0

3

0

4

0

5

0

6

0

70

T

-

B

U

S

R

eset

L

ogic

μ

P

1/L1

3/L2

5/L3

2/

T

1

4/

T

2

6/

T

3

E

n

a

b

le

-

EN-

EN+

+

 

Technical data

Input data

Rated control supply voltage U

S

24 V DC

Control supply voltage range

19.2 V DC ... 30 V DC

Rated control supply current I

S

 at U

S

60 mA

Rated actuating voltage U

C

 EN+

24 V DC

Actuating voltage range

19.2 V DC ... 30 V DC

Rated actuating current I

C

 at U

C

7 mA

Input circuit

Reverse polarity protection , Surge protection

Reverse polarity protection , Surge protection

Reverse polarity prote

Operating voltage / status / error indicator

Green LED / Yellow LED / Red LED

Green LED / Yellow LED / Red LED

Green LED / Yellow 

Output data load side

Operating voltage range

42 V AC ... 550 V AC

Output protection

Surge protection

General data

Rated insulation voltage

550 V

Rated surge voltage

6 kV

Ambient temperature (operation)

-5 °C ... 60 °C (observe derating)

-5 °C ... 60 °C (observe derating)

-5 °C ... 55 °C (observe der

Standards/regulations

IEC

 

60947-1 / EN 60947-4-2 / IEC

 

61508 / ISO

 

13849

IEC

Mounting position

vertical (horizontal DIN rail, motor output below)

vertical (horizontal DIN rail, motor output below)

vertical (

Mounting

alignable, for spacing see derating

alignable, for spacing see derating

alignable, for spacing see derating

Connection data solid/stranded/AWG

0.2 - 2.5 mm² / 0.2 - 2.5 mm² / 24 - 14

0.2 - 2.5 mm² / 0.2 - 2.5 mm² / 24 - 14

0.2 - 2.5 mm² /

Dimensions

W / H / D

22.5 mm / 99 mm / 114.5 mm

22.5 mm / 99 mm / 114.5 mm

22.5 mm / 99 mm / 114.5 mm

Ordering data

Description

Type

Order No.

Pcs./

Pkt.

Load current 0.075

 

A

 

...

 

0.6

 

A

Screw connection

ELR H5-IES-SC/500AC-06-IFS

2905151

1

Push-in connection

ELR H5-IES-PT/500AC-06-IFS

2905138

1

Load current 0.18 A ... 3 A 

Screw connection

ELR H5-IES-SC/500AC-3-IFS

2905152

1

Push-in connection

ELR H5-IES-PT/500AC-3-IFS

2905139

1

Load current 1.5

 

A

 

...

 

9

 

A

Screw connection

ELR H5-IES-SC/500AC-9-IFS

2905153

1

Push-in connection

ELR H5-IES-PT/500AC-9-IFS

2905140

1

Accessories

DIN rail connector

ME 22,5 TBUS 1,5/ 5-ST-3,81  GN

2707437

50

20

PHOENIX CONTACT

Network-capable hybrid motor 
starter with reversing function

These 3-phase hybrid motor starters 

offer up to four functions: forward running, 
reverse running, motor protection, and 
emergency stop up to SIL3 / PL e.

They offer the following advantages:

– Bus connection via Interface system (IFS) 

or via IO-Link

– Reduction  in  wiring
– Bi-metal function, adjustable up to 9 A
– Long service life
– Space-saving
– 3-phase loop bridging

Safety level according to:

– IEC 61508-1: SIL3
– ISO 13849: PL e

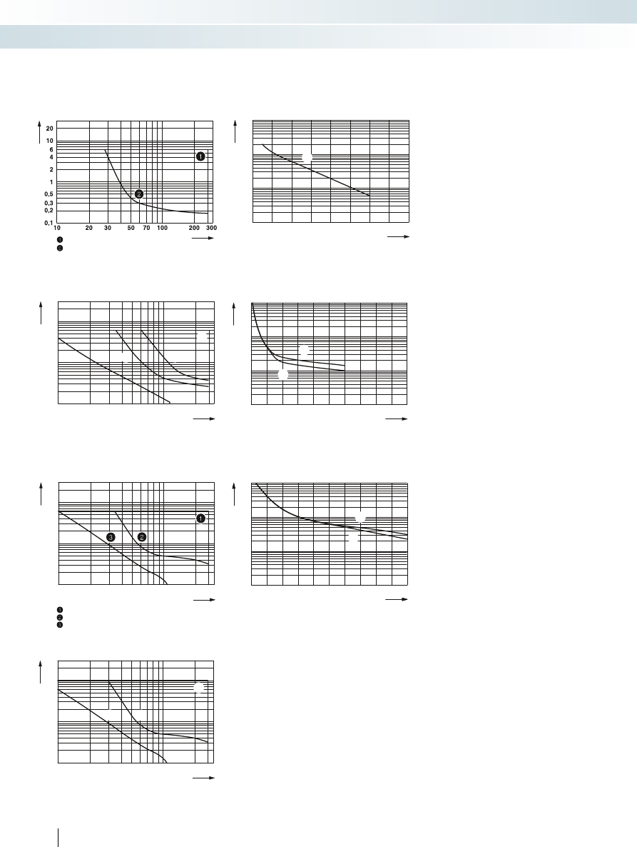
Ambient temperature [°C]

L

oad curr

ent

[A]

= aligned with > 20 mm spacing
= aligned without spacing

Derating curve

Electronic switching devices and motor control

Hybrid motor starters

H

W

D

Notes:

Type of housing:

Polyamide PA, non-reinforced, color: green.

Marking systems and mounting material

See Catalog 3

Motor protection, emergency stop, and

Interface system support

phoenixcontact-interface-technology-and-switching-devices-html.html
background image

T

-

B

U

S

R

eset

L

ogic

μ

P

1/L1

3/L2

5/L3

2/

T

1

4/

T

2

6/

T

3

NC

NC

NC

NC

Reset

L

og

i

c

µP

1

/

L1

3/

L

2

5/

L

3

2/T

1

4

/T2

6/T3

E

n

a

b

l

e

-

E

N

-

E

N

+

+

I

O

-Li

n

k

A

2/

L-

NC

NC

C/

Q

A1

/

L+

For further information and full technical data, visit phoenixcontact.net/products

 

Technical data

Technical data

24 V DC

24 V DC

19.2 V DC ... 30 V DC

19.2 V DC ... 30 V DC

60 mA

65 mA

-

24  V  DC

-

19.2 V DC ... 30 V DC

-

7  mA

Input circuit

Reverse polarity protection , Surge protection

Reverse polarity protection , Surge protection

Reverse polarity protection , Surge protection

Operating voltage / status / error indicator

Green LED / Yellow LED / Red LED

Green LED / Yellow LED / Red LED

Green LED / Yellow LED / Red LED

42 V AC ... 550 V AC

42 V AC ... 550 V AC

Surge protection

Surge protection

550 V

550 V

6 kV

6 kV

Ambient temperature (operation)

-5 °C ... 60 °C (observe derating)

-5 °C ... 60 °C (observe derating)

-5 °C ... 55 °C (observe derating)

13849

IEC

 

60947-1 / EN 60947-4-2

IEC

 

60947-1 / EN 60947-4-2 / IEC

 

61508 / ISO

 

13849

Mounting position

vertical (horizontal DIN rail, motor output below)

vertical (horizontal DIN rail, motor output below)

vertical (horizontal DIN rail, motor output below)

Mounting

alignable, for spacing see derating

alignable, for spacing see derating

alignable, for spacing see derating

Connection data solid/stranded/AWG

0.2 - 2.5 mm² / 0.2 - 2.5 mm² / 24 - 14

0.2 - 2.5 mm² / 0.2 - 2.5 mm² / 24 - 14

0.2 - 2.5 mm² / 0.2 - 2.5 mm² / 24 - 14

Dimensions

W / H / D

22.5 mm / 99 mm / 114.5 mm

22.5 mm / 99 mm / 114.5 mm

22.5 mm / 99 mm / 114.5 mm

Ordering data

Ordering data

Type

Order No.

Pcs./

Pkt.

Type

Order No.

Pcs./

Pkt.

ELR H5-I-SC/500AC-06-IFS

2905157

1

ELR H5-I-PT/500AC-06-IFS

2905144

1

ELR H5-I-SC/500AC-3-IFS

2905159

1

ELR H5-I-PT/500AC-3-IFS

2905146

1

ELR H5-IES-PT/500AC-3-IOL

2908669

1

ELR H5-I-SC/500AC-9-IFS

2905160

1

ELR H5-I-PT/500AC-9-IFS

2905147

1

ELR H5-IES-PT/500AC-9-IOL

2908670

1

Accessories

Accessories

ME 22,5 TBUS 1,5/ 5-ST-3,81  GN

2707437

50

21

PHOENIX CONTACT

Electronic switching devices and motor control

Hybrid motor starters

H

W

D

H

W

D

new

Motor protection and

Interface system support

Motor protection, emergency stop, and

IO-Link support

phoenixcontact-interface-technology-and-switching-devices-html.html
background image

0,

1

8

1

2

3

4

5

6

7

8

9

0

1

0

2

0

3

0

4

0

5

0

6

0

70

Reset

L

og

i

c

µP

1

/

L1

3/

L

2

5/

L

3

2/T

1

4

/T2

6/T3

E

n

a

b

l

e

-

E

N

 -

E

N

 +

+

Smar

tW

i

re

-

DT

T

M

 

Technical data

Input data

Rated control supply voltage U

S

24 V DC

Control supply voltage range

19.2 V DC ... 30 V DC

Rated control supply current I

S

 at U

S

60 mA

Rated actuating voltage U

C

 EN+

24 V DC

Actuating voltage range

19.2 V DC ... 30 V DC

Rated actuating current I

C

 at U

C

7 mA

Input circuit

Reverse polarity protection , Surge protection

Reverse polarity protection , Surge protection

Operating voltage / status / error indicator

Green LED / Yellow LED / Red LED

Green LED / Yellow LED / Red LED

Output data load side

Operating voltage range

42 V AC ... 550 V AC

Output protection

Surge protection

General data

Rated insulation voltage

550 V

Rated surge voltage

6 kV

Ambient temperature (operation)

-5 °C ... 55 °C (observe derating)

-5 °C ... 55 °C (observe derating)

Standards/regulations

IEC

 

60947-1 / EN 60947-4-2 / IEC

 

61508 / ISO

 

13849

IEC

Mounting position

vertical (horizontal DIN rail, motor output below)

vertical (horizontal DIN rail, motor output below)

Mounting

alignable, for spacing see derating

alignable, for spacing see derating

Connection data solid/stranded/AWG

0.2 - 2.5 mm² / 0.2 - 2.5 mm² / 24 - 14

0.2 - 2.5 mm² / 0.2 - 2.5 mm² / 24 - 14

Dimensions

W / H / D

22.5 mm / 99 mm / 114.5 mm

22.5 mm / 99 mm / 114.5 mm

Ordering data

Description

Type

Order No.

Pcs./

Pkt.

Load current 0.075

 

A

 

...

 

0.6

 

A

Push-in connection

ELR H5-IES-PT-SWD/500AC-06

2903933

1

Load current 0.18 A ... 2.4

 

Push-in connection

ELR H5-IES-PT-SWD/500AC-3

2903934

1

Load current 1.5

 

A

 

...

 

9

 

A

Push-in connection

ELR H5-IES-PT-SWD/500AC-9

2903935

1

Accessories

Device plug, 8-pos.

SWD4-8SF2-5 PXC

2903107

10

22

PHOENIX CONTACT

Network-capable hybrid motor 
starter with reversing function

These 3-phase hybrid motor starters 

offer up to four functions: forward running, 
reverse running, motor protection, and 
emergency stop up to SIL3 / PL e.

They offer the following advantages:

– Connection  to  SmartWire-DT™  (SWD)
– 22.5 mm wide
– Reduction  in  wiring
– Bi-metal function, adjustable up to 9 A
– Long service life
– Space-saving
– 3-phase loop bridging

Safety level according to:

– IEC 61508-1: SIL3
– ISO 13849: PL e

Ambient temperature [°C]

L

oad curr

ent

[A]

= aligned with > 20 mm spacing
= aligned without spacing

Derating curve

Electronic switching devices and motor control

Hybrid motor starters

H

W

D

Motor protection, emergency stop, and

SmartWire-DT™ support

phoenixcontact-interface-technology-and-switching-devices-html.html
background image

Reset

L

og

i

c

µP

1

/

L1

3/

L

2

5/

L

3

2/T

1

4

/T2

6/T3

NC

NC

NC

NC

Smar

tW

i

re

-

DT

T

M

For further information and full technical data, visit phoenixcontact.net/products

 

Technical data

24 V DC

19.2 V DC ... 30 V DC

60 mA

-

-

-

Input circuit

Reverse polarity protection , Surge protection

Reverse polarity protection , Surge protection

Operating voltage / status / error indicator

Green LED / Yellow LED / Red LED

Green LED / Yellow LED / Red LED

42 V AC ... 550 V AC

Surge protection

550 V

6 kV

Ambient temperature (operation)

-5 °C ... 55 °C (observe derating)

-5 °C ... 55 °C (observe derating)

13849

IEC

 

60947-1 / EN 60947-4-2

Mounting position

vertical (horizontal DIN rail, motor output below)

vertical (horizontal DIN rail, motor output below)

Mounting

alignable, for spacing see derating

alignable, for spacing see derating

Connection data solid/stranded/AWG

0.2 - 2.5 mm² / 0.2 - 2.5 mm² / 24 - 14

0.2 - 2.5 mm² / 0.2 - 2.5 mm² / 24 - 14

Dimensions

W / H / D

22.5 mm / 99 mm / 114.5 mm

22.5 mm / 99 mm / 114.5 mm

Ordering data

Type

Order No.

Pcs./

Pkt.

ELR H5-I-PT-SWD/500AC-06

2905073

1

ELR H5-I-PT-SWD/500AC-3

2905074

1

ELR H5-I-PT-SWD/500AC-9

2905075

1

Accessories

SWD4-8SF2-5 PXC

2903107

10

23

PHOENIX CONTACT

Electronic switching devices and motor control

Hybrid motor starters

H

W

D

Motor protection and

SmartWire-DT™ support

phoenixcontact-interface-technology-and-switching-devices-html.html
background image

0,

1

8

1

2

3

4

5

6

7

8

9

0

1

0

2

0

3

0

4

0

5

0

6

0

70

0,

1

8

1

2

3

4

5

6

7

8

9

0

1

0

2

0

3

0

4

0

5

0

6

0

70

MA

N

R

ES

A

U

T

O

T

T

E

U

s

L

R

R

ES

97

2/

T

1

9

6

4/

T

2

9

5

6/

T

3

Logic

µ

P

1/

L

1 3/

L

2 5/

L

3

& Error

 

 

 

Ex: 

Technical data

Input data

Rated control supply voltage U

S

24 V DC

230 V AC (50/60 Hz)

24 V DC

230 V AC (50/60 Hz)

24 V DC

230 V AC (50/60 Hz)

Control supply voltage range

19.2 V DC ... 30 V DC

85 V AC ... 253 V AC

19.2 V DC ... 30 V DC

85 V AC ... 253 V AC

19.2 V DC ... 30 

Rated control supply current I

S

 at U

S

40 mA

4 mA

40 mA

4 mA

40 mA

4 mA

Rated actuating voltage U

C

 R/L

24 V DC

230 V AC

24 V DC

230 V AC

24 V DC

230 V AC

Actuating voltage range

19.2 V DC ... 30 V DC

85 V AC ... 253 V AC

19.2 V DC ... 30 V DC

85 V AC ... 253 V AC

19.2 V DC ... 30 V DC

8

Rated actuating current I

C

 at U

C

5 mA

7 mA

5 mA

7 mA

5 mA

7 mA

Input circuit

Reverse polarity protection , 

Surge protection

Surge protection

Reverse polarity protection , 

Operating voltage / status / error indicator

Green LED / Yellow LED / Red LED

Green LED / Yellow LED / Red LED

Green LED / Yellow 

Output data load side

Operating voltage range

42 V AC ... 550 V AC

42 V AC ... 550 V AC

42 V AC ... 550 V AC

42 V AC ... 550 V AC

42 V AC ... 550 V AC

42 V

Output protection

Surge protection

General data

Rated insulation voltage

500 V

Rated surge voltage

6 kV

4 kV

6 kV

4 kV

6 kV

4 kV

Ambient temperature (operation)

-25 °C ... 70 °C (observe derating)

-25 °C ... 70 °C (observe derating)

-25 °C ... 70 °C (observe 

Standards/regulations

IEC

 

60947-1 / IEC

 

60947-4-2 / IEC

 

61508 / ISO

 

13849

IEC

Mounting position

vertical (horizontal DIN rail, motor output below)

vertical (horizontal DIN rail, motor output below)

vertical (

Mounting

alignable, for spacing see derating

alignable, for spacing see derating

alignable, for spacing see derating

Connection data solid/stranded/AWG

0.2 - 2.5 mm² / 0.2 - 2.5 mm² / 24 - 14

0.2 - 2.5 mm² / 0.2 - 2.5 mm² / 24 - 14

0.2 - 2.5 mm² /

Dimensions

W / H / D

22.5 mm / 99 mm / 114.5 mm

22.5 mm / 99 mm / 114.5 mm

22.5 mm / 99 mm / 114.5 mm

Ordering data

Description

Type

Order No.

Pcs./

Pkt.

Load current 0.075

 

A

 

...

 

0.6

 

A

Screw connection

ELR H5-IES-SC- 24DC/500AC-0,6

2900582

1

Push-in connection

ELR H5-IES-PT- 24DC/500AC-0,6

2903902

1

Load current 0.18 A ... 2.4

 

Screw connection

ELR H5-IES-SC- 24DC/500AC-2

2900414

1

Push-in connection

ELR H5-IES-PT- 24DC/500AC-2

2903904

1

Screw connection

ELR H5-IES-SC-230AC/500AC-2

2900420

1

Load current 1.5

 

A

 

...

 

9

 

A

Screw connection

ELR H5-IES-SC- 24DC/500AC-9

2900421

1

Push-in connection

ELR H5-IES-PT- 24DC/500AC-9

2903906

1

Screw connection

ELR H5-IES-SC-230AC/500AC-9

2900422

1

Load current 0

 

A

 

...

 

9

 

A

Screw connection

Screw connection

24

PHOENIX CONTACT

Hybrid motor starters with
reversing function

These 3-phase hybrid motor starters 

offer up to four functions: forward running, 
reverse running, motor protection, and 
emergency stop up to SIL3 / PL e.

They offer the following advantages:

– 22.5 mm wide
– Reduction  in  wiring
– Bi-metal function, adjustable up to 9 A
– Long service life
– Space-saving
– 3-phase loop bridging

Safety level according to:

– IEC 61508-1: SIL3
– ISO 13849: PL e

Ambient temperature [°C]

L

oad curr

ent

[A]

= aligned with 20 mm spacing
= aligned without spacing

Derating curve for ELR H5...230AC...

Ambient temperature [°C]

L

oad curr

ent

[A]

= aligned with > 20 mm spacing
= aligned without spacing

Derating curve for ELR H5...24DC...

Electronic switching devices and motor control

Hybrid motor starters

H

W

D

Notes:

Type of housing:

Polyamide PA, non-reinforced, color: green.

Marking systems and mounting material

See Catalog 3

Motor protection

and emergency stop

phoenixcontact-interface-technology-and-switching-devices-html.html
background image

MA

N

R

E

S

A

UT

T

U

s

L

R

R

E

S

97

2/T

1

96

4

/T2

95

6/T3

L

og

i

c

µP

1

/

L1

3/

L

2 5/

L

3

&

 E

rror

T

R

U

s

L

2/

T

1 4/

T

2 6/

T

3

Logic

µ

P

1/

L

1 3/

L

2 5/

L

3

For further information and full technical data, visit phoenixcontact.net/products

 

 

 

 

Technical data

Technical data

24 V DC

230 V AC (50/60 Hz)

24 V DC

230 V AC (50/60 Hz)

24 V DC

230 V AC (50/60 Hz)

Control supply voltage range

19.2 V DC ... 30 V DC

85 V AC ... 253 V AC

19.2 V DC ... 30 V DC

85 V AC ... 253 V AC

19.2 V DC ... 30 V DC

85 V AC ... 253 V AC

40 mA

4 mA

40 mA

4 mA

40 mA

4 mA

 R/L

24 V DC

230 V AC

24 V DC

230 V AC

24 V DC

230 V AC

Actuating voltage range

19.2 V DC ... 30 V DC

85 V AC ... 253 V AC

19.2 V DC ... 30 V DC

85 V AC ... 253 V AC

19.2 V DC ... 30 V DC

85 V AC ... 253 V AC

5 mA

7 mA

5 mA

7 mA

5 mA

7 mA

Surge protection

Reverse polarity protection , 

Surge protection

Surge protection

Reverse polarity protection , 

Surge protection

Surge protection

Operating voltage / status / error indicator

Green LED / Yellow LED / Red LED

Green LED / Yellow LED / Red LED

Green LED / Yellow LED / Red LED

Operating voltage range

42 V AC ... 550 V AC

42 V AC ... 550 V AC

42 V AC ... 550 V AC

42 V AC ... 550 V AC

42 V AC ... 550 V AC

42 V AC ... 550 V AC

Surge protection

Surge protection

500 V

500 V

Rated surge voltage

6 kV

4 kV

6 kV

4 kV

6 kV

4 kV

)

-25 °C ... 70 °C (observe derating)

-25 °C ... 70 °C (observe derating)

13849

IEC

 

60947-1 / IEC

 

60947-4-2 / IEC

 

61508 / ISO

 

13849

IEC

 

60947-1 / IEC

 

60947-4-2 / IEC

 

61508 / ISO

 

13849

Mounting position

vertical (horizontal DIN rail, motor output below)

vertical (horizontal DIN rail, motor output below)

vertical (horizontal DIN rail, motor output below)

Mounting

alignable, for spacing see derating

alignable, for spacing see derating

alignable, for spacing see derating

Connection data solid/stranded/AWG

0.2 - 2.5 mm² / 0.2 - 2.5 mm² / 24 - 14

0.2 - 2.5 mm² / 0.2 - 2.5 mm² / 24 - 14

0.2 - 2.5 mm² / 0.2 - 2.5 mm² / 24 - 14

Dimensions

W / H / D

22.5 mm / 99 mm / 114.5 mm

22.5 mm / 99 mm / 114.5 mm

22.5 mm / 99 mm / 114.5 mm

Ordering data

Ordering data

Type

Order No.

Pcs./

Pkt.

Type

Order No.

Pcs./

Pkt.

ELR H5-I-SC- 24DC/500AC-0,6

2900573

1

ELR H5-I-PT- 24DC/500AC-0,6

2903908

1

ELR H5-I-SC- 24DC/500AC-2

2900574

1

ELR H5-I-PT- 24DC/500AC-2

2903910

1

ELR H5-I-SC-230AC/500AC-2

2900575

1

ELR H5-I-SC- 24DC/500AC-9

2900576

1

ELR H5-I-PT- 24DC/500AC-9

2903912

1

ELR H5-I-SC-230AC/500AC-9

2900578

1

ELR H5-SC- 24DC/500AC-9

2900538

1

ELR H5-SC-230AC/500AC-9

2900539

1

25

PHOENIX CONTACT

Electronic switching devices and motor control

Hybrid motor starters

H

W

D

H

W

D

Motor protection

Reversing function only

phoenixcontact-interface-technology-and-switching-devices-html.html
background image

0,

1

8

1

2

3

4

5

6

7

8

9

0

1

0

2

0

3

0

4

0

5

0

6

0

70

T

-

B

U

S

R

eset

L

ogic

μ

P

1/L1

3/L2

5/L3

2/

T

1

4/

T

2

6/

T

3

E

n

a

b

le

-

EN-

EN+

+

 

Technical data

Input data

Rated control supply voltage U

S

24 V DC

Control supply voltage range

19.2 V DC ... 30 V DC

Rated control supply current I

S

 at U

S

60 mA

Rated actuating voltage U

C

 EN+

24 V DC

Actuating voltage range

19.2 V DC ... 30 V DC

Rated actuating current I

C

 at U

C

7 mA

Input circuit

Reverse polarity protection , Surge protection

Reverse polarity protection , Surge protection

Reverse polarity prote

Operating voltage / status / error indicator

Green LED / Yellow LED / Red LED

Green LED / Yellow LED / Red LED

Green LED / Yellow 

Output data load side

Operating voltage range

42 V AC ... 550 V AC

Output protection

Surge protection

General data

Rated insulation voltage

550 V

Rated surge voltage

6 kV

Ambient temperature (operation)

-5 °C ... 60 °C (observe derating)

-5 °C ... 60 °C (observe derating)

-5 °C ... 55 °C (observe der

Standards/regulations

IEC

 

60947-1 / EN 60947-4-2 / IEC

 

61508 / ISO

 

13849

IEC

Mounting position

vertical (horizontal DIN rail, motor output below)

vertical (horizontal DIN rail, motor output below)

vertical (

Mounting

alignable, for spacing see derating

alignable, for spacing see derating

alignable, for spacing see derating

Connection data solid/stranded/AWG

0.2 - 2.5 mm² / 0.2 - 2.5 mm² / 24 - 14

0.2 - 2.5 mm² / 0.2 - 2.5 mm² / 24 - 14

0.2 - 2.5 mm² /

Dimensions

W / H / D

22.5 mm / 99 mm / 114.5 mm

22.5 mm / 99 mm / 114.5 mm

22.5 mm / 99 mm / 114.5 mm

Ordering data

Description

Type

Order No.

Pcs./

Pkt.

Load current 0.075

 

A

 

...

 

0.6

 

A

Screw connection

ELR H3-IES-SC/500AC-06-IFS

2905154

1

Push-in connection

ELR H3-IES-PT/500AC-06-IFS

2905141

1

Load current 0.18 A ... 3 A 

Screw connection

ELR H3-IES-SC/500AC-3-IFS

2905155

1

Push-in connection

ELR H3-IES-PT/500AC-3-IFS

2905142

1

Load current 1.5

 

A

 

...

 

9

 

A

Screw connection

ELR H3-IES-SC/500AC-9-IFS

2905156

1

Push-in connection

ELR H3-IES-PT/500AC-9-IFS

2905143

1

Accessories

DIN rail connector

ME 22,5 TBUS 1,5/ 5-ST-3,81  GN

2707437

50

26

PHOENIX CONTACT

Network-capable hybrid motor 
starter with direct start function

These 3-phase hybrid motor starters 

offer up to three functions: forward 
running, motor protection, and emergency 
stop up to SIL3 / PL e.

They offer the following advantages:

– Bus connection via Interface system (IFS) 

or via IO-Link

– Reduction  in  wiring
– Bi-metal function, adjustable up to 9 A
– Long service life
– Space-saving
– 3-phase loop bridging

Safety level according to:

– IEC 61508-1: SIL3
– ISO 13849: PL e

Ambient temperature [°C]

L

oad curr

ent

[A]

= aligned with > 20 mm spacing
= aligned without spacing

Derating curve

Electronic switching devices and motor control

Hybrid motor starters

H

W

D

Notes:

Type of housing:

Polyamide PA, non-reinforced, color: green.

Marking systems and mounting material

See Catalog 3

Motor protection, emergency stop, and

Interface system support

phoenixcontact-interface-technology-and-switching-devices-html.html
background image

T

-

B

U

S

R

eset

L

ogic

μ

P

1/L1

3/L2

5/L3

2/

T

1

4/

T

2

6/

T

3

NC

NC

NC

NC

Reset

L

og

i

c

µP

1

/

L1

3/

L

2

5/

L

3

2/T

1

4

/T2

6/T3

E

n

a

b

l

e

-

E

N

-

E

N

+

+

I

O

-Li

n

k

A

2/

L-

NC

NC

C/

Q

A1

/

L+

For further information and full technical data, visit phoenixcontact.net/products

 

Technical data

Technical data

24 V DC

24 V DC

19.2 V DC ... 30 V DC

19.2 V DC ... 30 V DC

60 mA

65 mA

-

24  V  DC

-

19.2 V DC ... 30 V DC

-

7  mA

Input circuit

Reverse polarity protection , Surge protection

Reverse polarity protection , Surge protection

Reverse polarity protection , Surge protection

Operating voltage / status / error indicator

Green LED / Yellow LED / Red LED

Green LED / Yellow LED / Red LED

Green LED / Yellow LED / Red LED

42 V AC ... 550 V AC

42 V AC ... 550 V AC

Surge protection

Surge protection

550 V

550 V

6 kV

6 kV

Ambient temperature (operation)

-5 °C ... 60 °C (observe derating)

-5 °C ... 60 °C (observe derating)

-5 °C ... 55 °C (observe derating)

13849

IEC

 

60947-1 / EN 60947-4-2

IEC

 

60947-1 / EN 60947-4-2 / IEC

 

61508 / ISO

 

13849

Mounting position

vertical (horizontal DIN rail, motor output below)

vertical (horizontal DIN rail, motor output below)

vertical (horizontal DIN rail, motor output below)

Mounting

alignable, for spacing see derating

alignable, for spacing see derating

alignable, for spacing see derating

Connection data solid/stranded/AWG

0.2 - 2.5 mm² / 0.2 - 2.5 mm² / 24 - 14

0.2 - 2.5 mm² / 0.2 - 2.5 mm² / 24 - 14

0.2 - 2.5 mm² / 0.2 - 2.5 mm² / 24 - 14

Dimensions

W / H / D

22.5 mm / 99 mm / 114.5 mm

22.5 mm / 99 mm / 114.5 mm

22.5 mm / 99 mm / 114.5 mm

Ordering data

Ordering data

Type

Order No.

Pcs./

Pkt.

Type

Order No.

Pcs./

Pkt.

ELR H3-I-SC/500AC-06-IFS

2905162

1

ELR H3-I-PT/500AC-06-IFS

2905148

1

ELR H3-I-SC/500AC-3-IFS

2905163

1

ELR H3-I-PT/500AC-3-IFS

2905149

1

ELR H3-IES-PT/500AC-3-IOL

2908671

1

ELR H3-I-SC/500AC-9-IFS

2905164

1

ELR H3-I-PT/500AC-9-IFS

2905150

1

ELR H3-IES-PT/500AC-9-IOL

2908672

1

Accessories

Accessories

ME 22,5 TBUS 1,5/ 5-ST-3,81  GN

2707437

50

27

PHOENIX CONTACT

Electronic switching devices and motor control

Hybrid motor starters

H

W

D

H

W

D

new

Motor protection and

Interface system support

Motor protection, emergency stop, and

IO-Link support

phoenixcontact-interface-technology-and-switching-devices-html.html
background image

0,

1

8

1

2

3

4

5

6

7

8

9

0

1

0

2

0

3

0

4

0

5

0

6

0

70

Reset

L

og

i

c

µP

1

/

L1

3/

L

2

5/

L

3

2/T

1

4

/T2

6/T3

E

n

a

b

l

e

-

E

N

 -

E

N

 +

+

Smar

tW

i

re

-

DT

T

M

 

Technical data

Input data

Rated control supply voltage U

S

24 V DC

Control supply voltage range

19.2 V DC ... 30 V DC

Rated control supply current I

S

 at U

S

60 mA

Rated actuating voltage U

C

 EN+

24 V DC

Actuating voltage range

19.2 V DC ... 30 V DC

Rated actuating current I

C

 at U

C

7 mA

Input circuit

Reverse polarity protection , Surge protection

Reverse polarity protection , Surge protection

Operating voltage / status / error indicator

Green LED / Yellow LED / Red LED

Green LED / Yellow LED / Red LED

Output data load side

Operating voltage range

42 V AC ... 550 V AC

Output protection

Surge protection

General data

Rated insulation voltage

550 V

Rated surge voltage

6 kV

Ambient temperature (operation)

-5 °C ... 55 °C (observe derating)

-5 °C ... 55 °C (observe derating)

Standards/regulations

IEC

 

60947-1 / EN 60947-4-2 / IEC

 

61508 / ISO

 

13849

IEC

Mounting position

vertical (horizontal DIN rail, motor output below)

vertical (horizontal DIN rail, motor output below)

Mounting

alignable, for spacing see derating

alignable, for spacing see derating

Connection data solid/stranded/AWG

0.2 - 2.5 mm² / 0.2 - 2.5 mm² / 24 - 14

0.2 - 2.5 mm² / 0.2 - 2.5 mm² / 24 - 14

Dimensions

W / H / D

22.5 mm / 99 mm / 114.5 mm

22.5 mm / 99 mm / 114.5 mm

Ordering data

Description

Type

Order No.

Pcs./

Pkt.

Load current 0.075

 

A

 

...

 

0.6

 

A

Push-in connection

ELR H3-IES-PT-SWD/500AC-06

2903936

1

Load current 0.18 A ... 2.4

 

Push-in connection

ELR H3-IES-PT-SWD/500AC-3

2903937

1

Load current 1.5

 

A

 

...

 

9

 

A

Push-in connection

ELR H3-IES-PT-SWD/500AC-9

2903938

1

Accessories

Device plug, 8-pos.

SWD4-8SF2-5 PXC

2903107

10

28

PHOENIX CONTACT

Network-capable hybrid motor 
starter with direct start function

These 3-phase hybrid motor starters 

offer up to three functions: forward 
running, motor protection, and emergency 
stop up to SIL3 / PL e.

They offer the following advantages:

– Connection  to  SmartWire-DT™  (SWD)
– 22.5 mm wide
– Reduction  in  wiring
– Bi-metal function, adjustable up to 9 A
– Long service life
– Space-saving
– 3-phase loop bridging

Safety level according to:

– IEC 61508-1: SIL3
– ISO 13849: PL e

Ambient temperature [°C]

L

oad curr

ent

[A]

= aligned with > 20 mm spacing
= aligned without spacing

Derating curve

Electronic switching devices and motor control

Hybrid motor starters

H

W

D

Motor protection, emergency stop, and

SmartWire-DT™ support

phoenixcontact-interface-technology-and-switching-devices-html.html
background image

Reset

L

og

i

c

µP

1

/

L1

3/

L

2

5/

L

3

2/T

1

4

/T2

6/T3

NC

NC

NC

NC

Smar

tW

i

re

-

DT

T

M

For further information and full technical data, visit phoenixcontact.net/products

 

Technical data

24 V DC

19.2 V DC ... 30 V DC

60 mA

-

-

-

Input circuit

Reverse polarity protection , Surge protection

Reverse polarity protection , Surge protection

Operating voltage / status / error indicator

Green LED / Yellow LED / Red LED

Green LED / Yellow LED / Red LED

42 V AC ... 550 V AC

Surge protection

550 V

6 kV

Ambient temperature (operation)

-5 °C ... 55 °C (observe derating)

-5 °C ... 55 °C (observe derating)

13849

IEC

 

60947-1 / EN 60947-4-2

Mounting position

vertical (horizontal DIN rail, motor output below)

vertical (horizontal DIN rail, motor output below)

Mounting

alignable, for spacing see derating

alignable, for spacing see derating

Connection data solid/stranded/AWG

0.2 - 2.5 mm² / 0.2 - 2.5 mm² / 24 - 14

0.2 - 2.5 mm² / 0.2 - 2.5 mm² / 24 - 14

Dimensions

W / H / D

22.5 mm / 99 mm / 114.5 mm

22.5 mm / 99 mm / 114.5 mm

Ordering data

Type

Order No.

Pcs./

Pkt.

ELR H3-I-PT-SWD/500AC-06

2905076

1

ELR H3-I-PT-SWD/500AC-3

2905078

1

ELR H3-I-PT-SWD/500AC-9

2905079

1

Accessories

SWD4-8SF2-5 PXC

2903107

10

29

PHOENIX CONTACT

Electronic switching devices and motor control

Hybrid motor starters

H

W

D

Motor protection and

SmartWire-DT™ support

phoenixcontact-interface-technology-and-switching-devices-html.html
background image

0,

1

8

1

2

3

4

5

6

7

8

9

0

1

0

2

0

3

0

4

0

5

0

6

0

70

0,

1

8

1

2

3

4

5

6

7

8

9

0

1

0

2

0

3

0

4

0

5

0

6

0

70

MA

N

R

ES

A

U

T

O

T

T

E

U

s

ON

R

ES

97

2/

T

1

9

6

4/

T

2

9

5

6/

T

3

Logic

µ

P

1/

L

1 3/

L

2 5/

L

3

& Error

 

 

 

Ex: 

Technical data

Input data

Rated control supply voltage U

S

24 V DC

230 V AC (50/60 Hz)

24 V DC

230 V AC (50/60 Hz)

24 V DC

230 V AC (50/60 Hz)

Control supply voltage range

19.2 V DC ... 30 V DC

85 V AC ... 253 V AC

19.2 V DC ... 30 V DC

85 V AC ... 253 V AC

19.2 V DC ... 30 

Rated control supply current I

S

 at U

S

40 mA

4 mA

40 mA

4 mA

40 mA

4 mA

Rated actuation voltage U

C

 ON

24 V DC

230 V AC

24 V DC

230 V AC

24 V DC

230 V AC

Actuating voltage range

19.2 V DC ... 30 V DC

85 V AC ... 253 V AC

19.2 V DC ... 30 V DC

85 V AC ... 253 V AC

19.2 V DC ... 30 V DC

8

Rated actuating current I

C

 at U

C

5 mA

7 mA

5 mA

7 mA

5 mA

7 mA

Input circuit

Reverse polarity protection , 

Surge protection

Surge protection

Reverse polarity protection , 

Operating voltage / status / error indicator

Green LED / Yellow LED / Red LED

Green LED / Yellow LED / Red LED

Green LED / Yellow 

Output data load side

Operating voltage range

42 V AC ... 550 V AC

42 V AC ... 550 V AC

42 V AC ... 550 V AC

42 V AC ... 550 V AC

42 V AC ... 550 V AC

42 V

Output protection

Surge protection

General data

Rated insulation voltage

500 V

Rated surge voltage

6 kV

4 kV

6 kV

4 kV

6 kV

4 kV

Ambient temperature (operation)

-25 °C ... 70 °C (observe derating)

-25 °C ... 70 °C (observe derating)

-25 °C ... 70 °C (observe 

Standards/regulations

IEC

 

60947-1 / IEC

 

60947-4-2 / IEC

 

61508 / ISO

 

13849

IEC

Mounting position

vertical (horizontal DIN rail, motor output below)

vertical (horizontal DIN rail, motor output below)

vertical (

Mounting

alignable, for spacing see derating

alignable, for spacing see derating

alignable, for spacing see derating

Connection data solid/stranded/AWG

0.2 - 2.5 mm² / 0.2 - 2.5 mm² / 24 - 14

0.2 - 2.5 mm² / 0.2 - 2.5 mm² / 24 - 14

0.2 - 2.5 mm² /

Dimensions

W / H / D

22.5 mm / 99 mm / 114.5 mm

22.5 mm / 99 mm / 114.5 mm

22.5 mm / 99 mm / 114.5 mm

Ordering data

Description

Type

Order No.

Pcs./

Pkt.

Load current 0.075

 

A

 

...

 

0.6

 

A

Screw connection

ELR H3-IES-SC- 24DC/500AC-0,6

2900566

1

Push-in connection

ELR H3-IES-PT- 24DC/500AC-0,6

2903914

1

Load current 0.18 A ... 2.4

 

Screw connection

ELR H3-IES-SC- 24DC/500AC-2

2900567

1

Push-in connection

ELR H3-IES-PT- 24DC/500AC-2

2903916

1

Screw connection

ELR H3-IES-SC-230AC/500AC-2

2900568

1

Load current 1.5

 

A

 

...

 

9

 

A

Screw connection

ELR H3-IES-SC- 24DC/500AC-9

2900569

1

Push-in connection

ELR H3-IES-PT- 24DC/500AC-9

2903918

1

Screw connection

ELR H3-IES-SC-230AC/500AC-9

2900570

1

Load current 0

 

A

 

...

 

9

 

A

Screw connection

Screw connection

30

PHOENIX CONTACT

Hybrid motor starters with
direct start function

These 3-phase hybrid motor starters 

offer up to three functions: forward 
running, motor protection, and emergency 
stop up to SIL3 / PL e.

They offer the following advantages:

– 22.5 mm wide
– Reduction  in  wiring
– Bi-metal function, adjustable up to 9 A
– Long service life
– Space-saving
– 3-phase loop bridging

Safety level according to:

– IEC 61508-1: SIL3
– ISO 13849: PL e

Ambient temperature [°C]

L

oad curr

ent

[A]

= aligned with 20 mm spacing
= aligned without spacing

Derating curve for ELR H3...230AC...

Ambient temperature [°C]

L

oad curr

ent

[A]

= aligned with > 20 mm spacing
= aligned without spacing

Derating curve for ELR H3...24DC...

Electronic switching devices and motor control

Hybrid motor starters

H

W

D

Notes:

Type of housing:

Polyamide PA, non-reinforced, color: green.

Marking systems and mounting material

See Catalog 3

Motor protection

and emergency stop

phoenixcontact-interface-technology-and-switching-devices-html.html
background image

MA

N

R

E

S

A

UT

T

U

s

ON

R

E

S

97

2/T

1

96

4

/T2

95

6/T3

L

og

i

c

µP

1

/

L1

3/

L

2 5/

L

3

&

 E

rror

T

U

s

ON

2/

T

1 4/

T

2 6/

T

3

Logic

µ

P

1/

L

1 3/

L

2 5/

L

3

For further information and full technical data, visit phoenixcontact.net/products

 

 

 

 

Technical data

Technical data

24 V DC

230 V AC (50/60 Hz)

24 V DC

230 V AC (50/60 Hz)

24 V DC

230 V AC (50/60 Hz)

Control supply voltage range

19.2 V DC ... 30 V DC

85 V AC ... 253 V AC

19.2 V DC ... 30 V DC

85 V AC ... 253 V AC

19.2 V DC ... 30 V DC

85 V AC ... 253 V AC

40 mA

4 mA

40 mA

4 mA

40 mA

4 mA

 ON

24 V DC

230 V AC

24 V DC

230 V AC

24 V DC

230 V AC

Actuating voltage range

19.2 V DC ... 30 V DC

85 V AC ... 253 V AC

19.2 V DC ... 30 V DC

85 V AC ... 253 V AC

19.2 V DC ... 30 V DC

85 V AC ... 253 V AC

5 mA

7 mA

5 mA

7 mA

5 mA

7 mA

Surge protection

Reverse polarity protection , 

Surge protection

Surge protection

Reverse polarity protection , 

Surge protection

Surge protection

Operating voltage / status / error indicator

Green LED / Yellow LED / Red LED

Green LED / Yellow LED / Red LED

Green LED / Yellow LED / Red LED

Operating voltage range

42 V AC ... 550 V AC

42 V AC ... 550 V AC

42 V AC ... 550 V AC

42 V AC ... 550 V AC

42 V AC ... 550 V AC

42 V AC ... 550 V AC

Surge protection

Surge protection

500 V

500 V

Rated surge voltage

6 kV

4 kV

6 kV

4 kV

6 kV

4 kV

)

-25 °C ... 70 °C (observe derating)

-25 °C ... 70 °C (observe derating)

13849

IEC

 

60947-1 / IEC

 

60947-4-2 / IEC

 

61508 / ISO

 

13849

IEC

 

60947-1 / IEC

 

60947-4-2 / IEC

 

61508 / ISO

 

13849

Mounting position

vertical (horizontal DIN rail, motor output below)

vertical (horizontal DIN rail, motor output below)

vertical (horizontal DIN rail, motor output below)

Mounting

alignable, for spacing see derating

alignable, for spacing see derating

alignable, for spacing see derating

Connection data solid/stranded/AWG

0.2 - 2.5 mm² / 0.2 - 2.5 mm² / 24 - 14

0.2 - 2.5 mm² / 0.2 - 2.5 mm² / 24 - 14

0.2 - 2.5 mm² / 0.2 - 2.5 mm² / 24 - 14

Dimensions

W / H / D

22.5 mm / 99 mm / 114.5 mm

22.5 mm / 99 mm / 114.5 mm

22.5 mm / 99 mm / 114.5 mm

Ordering data

Ordering data

Type

Order No.

Pcs./

Pkt.

Type

Order No.

Pcs./

Pkt.

ELR H3-I-SC- 24DC/500AC-0,6

2900542

1

ELR H3-I-PT- 24DC/500AC-0,6

2903920

1

ELR H3-I-SC- 24DC/500AC-2

2900543

1

ELR H3-I-PT- 24DC/500AC-2

2903922

1

ELR H3-I-SC-230AC/500AC-2

2900544

1

ELR H3-I-SC- 24DC/500AC-9

2900545

1

ELR H3-I-PT- 24DC/500AC-9

2903924

1

ELR H3-I-SC-230AC/500AC-9

2900546

1

ELR H3-SC- 24DC/500AC-9

2900530

1

ELR H3-SC-230AC/500AC-9

2900531

1

31

PHOENIX CONTACT

Electronic switching devices and motor control

Hybrid motor starters

H

W

D

H

W

D

Motor protection

Direct start function only

phoenixcontact-interface-technology-and-switching-devices-html.html
background image

Input data

Rated control supply voltage U

S

Control supply voltage range

19.2 V DC ... 30 V DC

19.2 V DC ... 30 V DC

19.2 V DC ... 30 V DC

Rated control supply current I

S

 at U

S

Rated actuating voltage U

C

 R/L

24 V DC

24 V DC

24 V DC

Actuating voltage range

19.2 V DC ... 30 V DC

19.2 V DC ... 30 V DC

19.2 V DC ... 30 V DC

Rated actuating current I

C

 at U

C

Input circuit

Operating voltage / status / error indicator

Green LED / Yellow LED / Red LED

Green LED / Yellow LED / Red LED

Green LED / Yellow 

Output data load side

Operating voltage range

42 V AC ... 550 V AC

42 V AC ... 550 V AC

42 V AC ... 550 V AC

Load current range

Output protection

General data

Rated insulation voltage

500 V

500 V

500 V

Rated surge voltage

Ambient temperature (operation)

-25 °C ... 70 °C (observe derating)

-

Standards/regulations

IEC

Mounting position

Mounting

Screw connection solid/stranded/AWG

0.2 - 2.5 mm² / 0.2 - 2.5 mm² 

Dimensions

W / H / D

22.5 mm / 160 mm / 114.5 mm

22.5 mm / 160 mm / 114.5 mm

22.5 mm / 160 mm / 114.5 mm

Description

Short-circuit-proof hybrid motor starter

Hybrid motor starter

DIN rail adapter

Busbar adapter, 160 mm

Busbar adapter, 200 mm

Set

 consisting of short-circuit-proof hybrid motor starter and 

adapter

- with DIN rail adapter

- with busbar adapter, 160 mm

- with busbar adapter, 200 mm

Fuse

Coordination type 2 to 10 kA/500 V

Coordination type 2 to 5 kA/400 V

Coordination type 1 to 30 kA/500 V

32

PHOENIX CONTACT

These short-circuit-proof 3-phase hybrid 

motor starters for mounting on 35 mm 
DIN rails or 60 mm power busbars combine 
four functions in one device: forward 
running, reverse running, motor protection, 
and emergency stop up to SIL3 / PL e.

They offer the following advantages:

– 22.5 mm wide
– Bi-metal function can be set up to 9 A
– Long service life
– Space-saving
– Reduction  in  wiring
– 3-phase loop bridging
– Plug-in motor output terminal block
– Coordination type 2 according to 

IEC/EN 60947-4-2

– IEC 61508-1: SIL3
– ISO 13849: PL e

Hybrid motor starters with
short-circuit protection

Electronic switching devices and motor control

Hybrid motor starters

phoenixcontact-interface-technology-and-switching-devices-html.html
background image

M

AN

RE

S

AU

T

T

T

E

U

s

L

R

R

eset

2

R

eset

A

u

to

-

R

eset

24

VDC

24VDC

9

7

2/

T

1

9

6

4/

T

2

9

5

6/

T

3

L

ogic

μ

P

L1 L2 L3

&

 E

rror

reset

M

AN

RE

S

AU

T

T

T

E

U

s

L

R

R

eset

2

R

eset

A

u

to

-

R

eset

24

VDC

24VDC

9

7

2/

T

1

9

6

4/

T

2

9

5

6/

T

3

L

ogic

μ

P

L1 L2 L3

&

 E

rror

reset

M

AN

RE

S

AU

T

T

T

E

U

s

L

R

R

eset

2

R

eset

A

u

to

-

R

eset

24

VDC

24VDC

9

7

2/

T

1

9

6

4/

T

2

9

5

6/

T

3

L

ogic

μ

P

L1 L2 L3

&

 E

rror

reset

For further information and full technical data, visit phoenixcontact.net/products

 

 

Ex: 

 

 

Ex: 

 

 

Ex: 

Technical data

Technical data

Technical data

24 V DC

24 V DC

24 V DC

Control supply voltage range

19.2 V DC ... 30 V DC

19.2 V DC ... 30 V DC

19.2 V DC ... 30 V DC

40 mA

40 mA

40 mA

 R/L

24 V DC

24 V DC

24 V DC

Actuating voltage range

19.2 V DC ... 30 V DC

19.2 V DC ... 30 V DC

19.2 V DC ... 30 V DC

5 mA

5 mA

5 mA

Reverse polarity protection , Surge protection

Reverse polarity protection , Surge protection

Reverse polarity protection , Surge protection

Operating voltage / status / error indicator

Green LED / Yellow LED / Red LED

Green LED / Yellow LED / Red LED

Green LED / Yellow LED / Red LED

Operating voltage range

42 V AC ... 550 V AC

42 V AC ... 550 V AC

42 V AC ... 550 V AC

75 mA ... 600 mA (see derating)

180 mA ... 2.4 A (see derating)

1.5 A ... 9 A (see derating)

Surge protection , Short-circuit protection

Surge protection , Short-circuit protection

Surge protection , Short-circuit protection

Rated insulation voltage

500 V

500 V

500 V

6 kV

6 kV

6 kV

Ambient temperature (operation)

-25 °C ... 70 °C (observe derating)

-25 °C ... 70 °C (observe derating)

-25 °C ... 70 °C (observe derating)

Standards/regulations

IEC

 

60947-1 / EN 60947-4-2 / IEC

 

61508 / ISO

 

13849

IEC

 

60947-1 / EN 60947-4-2 / IEC

 

61508 / ISO

 

13849

IEC

 

60947-1 / EN 60947-4-2 / IEC

 

61508 / ISO

 

13849

vertical (horizontal DIN rail, motor output below)

vertical (horizontal DIN rail, motor output below)

vertical (horizontal DIN rail, motor output below)

alignable, for spacing see derating

alignable, for spacing see derating

alignable, for spacing see derating

Screw connection solid/stranded/AWG

0.2 - 2.5 mm² / 0.2 - 2.5 mm² / 24 - 14

0.2 - 2.5 mm² / 0.2 - 2.5 mm² / 24 - 14

0.2 - 2.5 mm² / 0.2 - 2.5 mm² / 24 - 14

Dimensions

W / H / D

22.5 mm / 160 mm / 114.5 mm

22.5 mm / 160 mm / 114.5 mm

22.5 mm / 160 mm / 114.5 mm

Ordering data

Ordering data

Ordering data

Type

Order No.

Pcs./

Pkt.

Type

Order No.

Pcs./

Pkt.

Type

Order No.

Pcs./

Pkt.

ELR H51-IESSC-24DC500AC-06

2902746

1

ELR H51-IESSC-24DC500AC-2

2902744

1

ELR H51-IESSC-24DC500AC-9

2902745

1

EM RD-ADAPTER

2902747

1

EM RD-ADAPTER

2902747

1

EM RD-ADAPTER

2902747

1

EM RI-ADAPTER COMPACT

2902748

1

EM RI-ADAPTER COMPACT

2902748

1

EM RI-ADAPTER COMPACT

2902748

1

EM RI-ADAPTER CLASSIC

2902831

1

EM RI-ADAPTER CLASSIC

2902831

1

EM RI-ADAPTER CLASSIC

2902831

1

ELR H51-0.6-DIN-RAIL-SET

2902952

1

ELR H51-2.4-DIN-RAIL-SET

2902953

1

ELR H51-9-DIN-RAIL-SET

2902954

1

ELR-H51-0,6-BUSBAR-COMPACT-SET

2904333

1

ELR-H51-2,4-BUSBAR-COMPACT-SET

2904335

1

ELR-H51-9-BUSBAR-COMPACT-SET

2904337

1

ELR-H51-0,6-BUSBAR-CLASSIC-SET

2904334

1

ELR-H51-2,4-BUSBAR-CLASSIC-SET

2904336

1

ELR-H51-9-BUSBAR-CLASSIC-SET

2904338

1

Accessories

Accessories

Accessories

FUSE-10X38-16A-GR

2903126

10

FUSE-10X38-16A-GR

2903126

10

FUSE-10X38-16A-GR

2903126

10

FUSE-10X38-20A-GR

2903384

10

FUSE-10X38-20A-GR

2903384

10

FUSE-10X38-20A-GR

2903384

10

FUSE-10X38-30A-MR

2903119

10

FUSE-10X38-30A-MR

2903119

10

FUSE-10X38-30A-MR

2903119

10

33

PHOENIX CONTACT

Electronic switching devices and motor control

Hybrid motor starters

For reversing 3~ AC motors

up to

 

550

 

V

 

AC/3 x 0.6

 

A

For reversing 3~ AC motors

up to

 

550

 

V

 

AC/3 x 2.4

 

A

For reversing 3~ AC motors

up to

 

550

 

V

 

AC/3 x 9

 

A

H

W

D

H

W

D

H

W

D

phoenixcontact-interface-technology-and-switching-devices-html.html
background image

1

2

3

22,5

mm

≤55

mm

4

1

0

...

Technical data

General data

Nominal voltage U

N

42 V AC ... 575 V AC

Nominal current at U

N

 25 A

Cross section

2.5 mm²

Ordering data

Description

Type

Order No.

Pcs./

Pkt.

3-phase loop bridge

2-way

BRIDGE- 2

2900746

1

3-way

BRIDGE- 3

2900747

1

4-way

BRIDGE- 4

2900748

1

5-way

BRIDGE- 5

2900749

1

6-way

BRIDGE- 6

2900750

1

7-way

BRIDGE- 7

2900751

1

8-way

BRIDGE- 8

2900752

1

9-way

BRIDGE- 9

2900753

1

10-way

BRIDGE-10

2900754

1

Accessories

Covering hood

 for unused connectors

BRIDGE COVER

2906240

10

34

PHOENIX CONTACT

Continuous bridge for
hybrid motor starters

The flexible CONTACTRON loop bridge 

(BRIDGE-...) simplifies the supply and 
looping through of phases L1, L2, and L3. 
It is available in 2 to 10-way versions for 
modules in the CONTACTRON family with 
22.5 mm housing width.

Features of the 3-phase loop bridge:

– Considerable reduction in wiring
– Suitable for CONTACTRON series

- ELR H3...
- ELR H5...
- ELR (W)3...
- EMM...IFS

– Bridging of 2 to 10 devices with maximum 

module spacing of 22.5 mm

– Up to 575 V AC/3 x 25 A
– Additional bridge versions available on 

request

Electronic switching devices and motor control

Hybrid motor starters

0.3 m connecting cable for 

hybrid motor starter with screw connection

phoenixcontact-interface-technology-and-switching-devices-html.html
background image

For further information and full technical data, visit phoenixcontact.net/products

Technical data

Technical data

42 V AC ... 575 V AC

42 V AC ... 575 V AC

 25 A

 25 A

2.5 mm²

2.5 mm²

Ordering data

Ordering data

Type

Order No.

Pcs./

Pkt.

Type

Order No.

Pcs./

Pkt.

BRIDGE- 2-3M

2901543

1

BRIDGE-PT  2

2904490

1

BRIDGE- 3-3M

2901656

1

BRIDGE-PT  3

2904491

1

BRIDGE- 4-3M

2901659

1

BRIDGE-PT  4

2904492

1

BRIDGE- 5-3M

2901545

1

BRIDGE-PT  5

2904493

1

BRIDGE- 6-3M

2901697

1

BRIDGE-PT  6

2904494

1

BRIDGE- 7-3M

2901698

1

BRIDGE-PT  7

2904495

1

BRIDGE- 8-3M

2901700

1

BRIDGE-PT  8

2904496

1

BRIDGE- 9-3M

2901701

1

BRIDGE-PT  9

2904497

1

BRIDGE-10-3M

2901702

1

BRIDGE-PT 10

2904498

1

Accessories

Accessories

BRIDGE COVER

2906240

10

BRIDGE COVER

2906240

10

35

PHOENIX CONTACT

Electronic switching devices and motor control

Hybrid motor starters

3 m connecting cable for 

hybrid motor starter with screw connection

3 m connecting cable for 

hybrid motor starter with Push-in connection

phoenixcontact-interface-technology-and-switching-devices-html.html
background image

36

PHOENIX CONTACT

SmartWire-DT™ accessories

Devices are integrated seamlessly into the 

fieldbus world via SmartWire-DT™ with the 
SmartWire-DT™ “EM SWD-ADAPTER” 
adapter for CONTACTRON 24 V DC 
devices. Corresponding gateways are 
available for the following bus systems:
– PROFIBUS  DP
– CANopen

®

– Modbus/TCP  /  EtherNet/IP™

Technical data

Input data

Supply voltage U

AUX

-

Rated current I

AUX

-

Supply voltage U

POW

-

Rated current I

POW

-

Input data

Description

Enable input

Input voltage

24 V DC

Input current

5 mA

Output data

Description

-

Output supply

-

Output current

-

SmartWire-DT interface

Connection method

Pin strip, 8-pos.

Data rate

125 kBd / 250 kBd

Current consumption I

AUX

120 mA

Current consumption I

POW

25 mA

General data

Ambient temperature (operation)

-25 °C ... 55 °C

Standards/regulations

IEC

 

60947-1 / EN 60947-1

EN 50178

EN 50178

EN 50178

Degree of protection in acc. with IEC 60529/EN 60529

IP20

Mounting position

any

Mounting

On CONTACTRON hybrid motor starter

-

-

-

Connection data solid/stranded/AWG

0.14 - 1 mm² / 0.14 - 1 mm² / 26 - 18

0.2 - 1.5 mm² / 0.2 - 1.5 mm² / 24 - 16

0.2 - 1.5 mm² / 0

Dimensions

W / H / D

22.5 mm / 165 mm / 114.5 mm

35 mm / 90 mm / 127 mm

35 mm / 90 mm / 101 mm

35 mm / 90 mm / 124 mm

Ordering data

Description

Type

Order No.

Pcs./

Pkt.

SmartWire-DT

™ 

adapter

EM SWD-ADAPTER

2902776

1

Gateways

CANopen

®

PROFIBUS

Ethernet

I/O modules

Digital, 4 inputs, 4 outputs

Digital, 4 inputs

Digital, 8 outputs

Analog, 2 inputs, 2 outputs

Power feed module

 for supplying further SmartWire-DT™ 

devices

Electronic switching devices and motor control

Hybrid motor starters

SmartWire-DT™ adapter

Gateways

I/O modules

Power feed

phoenixcontact-interface-technology-and-switching-devices-html.html
background image

For further information and full technical data, visit phoenixcontact.net/products

37

PHOENIX CONTACT

H

W

D

H

W

D

H

W

D

Technical data

Technical data

Technical data

24 V DC -15 % ... +20 %

-

-

24 V DC -15 % ... +20 %

3 A

-

-

3 A

24 V DC -15 % ... +20 %

-

-

24 V DC -15 % ... +20 %

700 mA

-

-

700 mA

-

Digital inputs

Analog inputs

-

-

24  V  DC

-

-

-

typ.  4  mA

-

-

-

Digital outputs

Analog outputs

-

-

24 V DC -15 % ... +20 %

-

-

-

typ. 500 mA

-

-

Pin strip, 8-pos.

Pin strip, 8-pos.

Pin strip, 8-pos.

Pin strip, 8-pos.

125 kBd / 250 kBd

125 kBd / 250 kBd

125 kBd / 250 kBd

125 kBd / 250 kBd

-

-

-

-

-

-

-

-

-25 °C ... 55 °C

-25 °C ... 55 °C

-25 °C ... 55 °C

60947-1 / EN 60947-1

EN 50178

EN 50178

EN 50178

IP20

IP20

IP20

any

any

any

Mounting

On CONTACTRON hybrid motor starter

-

-

-

Connection data solid/stranded/AWG

0.14 - 1 mm² / 0.14 - 1 mm² / 26 - 18

0.2 - 1.5 mm² / 0.2 - 1.5 mm² / 24 - 16

0.2 - 1.5 mm² / 0.2 - 1.5 mm² / 24 - 16

0.2 - 1.5 mm² / 0.2 - 1.5 mm² / 24 - 16

Dimensions

W / H / D

22.5 mm / 165 mm / 114.5 mm

35 mm / 90 mm / 127 mm

35 mm / 90 mm / 101 mm

35 mm / 90 mm / 124 mm

Ordering data

Ordering data

Ordering data

Type

Order No.

Pcs./

Pkt.

Type

Order No.

Pcs./

Pkt.

Type

Order No.

Pcs./

Pkt.

EU5C-SWD-CAN PXC

2903098

1

EU5C-SWD-DP PXC

2903100

1

EU5C-SWD-EIP-MODTCP PXC

2903244

1

EU5E-SWD-4D4D PXC

2903101

1

EU5E-SWD-4DX PXC

2903102

1

EU5E-SWD-X8D PXC

2903103

1

EU5E-SWD-2A2A PXC

2903104

1

EU5C-SWD-PF2-1 PXC

2903113

1

Electronic switching devices and motor control

Hybrid motor starters

SmartWire-DT™ adapter

Gateways

I/O modules

Power feed

phoenixcontact-interface-technology-and-switching-devices-html.html
background image

Ordering data

Ordering data

Description

Color

Type

Order No.

Pcs./

Pkt.

Type

Order No.

Pcs./

Pkt.

Pliers for device plugs

SWD4-CRP-1 PXC

2903110

1

Pliers for flat plugs

SWD4-CRP-2 PXC

2903114

1

Flat-ribbon cable, 8-pos., 100 m

SWD4-100LF-8-24 PXC

2903111

1

Flat-ribbon cable, assembled with 2 flat plugs, 8-pos., 3 m

SWD4-3LF8-24-2S PXC

2903112

1

SmartWire-DT™ accessories

Electronic switching devices and motor control

Hybrid motor starters

Plug tools

Flat-ribbon cable, 8-pos.

Ordering data

Ordering data

Description

Color

Type

Order No.

Pcs./

Pkt.

Type

Order No.

Pcs./

Pkt.

Plug and coupling

Network dummy plug

SWD4-RC8-10 PXC

2903106

1

Device plug, 8-pos.

SWD4-8SF2-5 PXC

2903107

10

Flat plug, 8-pos.

SWD4-8MF2 PXC

2903108

10

Coupling for 8-pos. flat plug

SWD4-8SFF2-5 PXC

2903109

1

Programming adapter

EU4A-RJ45-USB-CAB1 PXC

2903465

1

38

PHOENIX CONTACT

Accessories for SmartWire-DT™ and 

SmartWire-DT™ devices for connecting 
digital and analog input and output signals.

SmartWire-DT™ accessories

Plug and coupling

Programming adapter

phoenixcontact-interface-technology-and-switching-devices-html.html
background image

L1
L2
L3

+24V DC

G

ND

F1
F2
F3

S

11

S

21

S

12

S

22

13

14

23

24

A1

S

33

A2

S

34

M

3

~

P

E

E

M

 

S

W

D-ADA

PT

ER

CON

T

AC

T

RON N 

i

n

1

EU5C 

S

W

D-D

P

 

P

XC

PS

R-

S

C

P

-24UC/E

S

A4/2x1/1x2

2/

T

1

1/L1

3/L2

5/L3

4/

T

2

6/

T

3

9

6

9

5

9

7

U

S

G

ND R

+

L

EN+ EN–

G

ND_E

M

AN RE

S

AU

T

S

W

D

S

W

D

EN

S

W

D

S

1

AUX

C

o

nf

ig

.

PROFIB

U

S-DP

P

O

W

S

W

D

L1
L2
L3

F1
F2
F3

M

3

~

P

E

E

M

 

S

W

D-ADA

PT

ER

CON

T

AC

T

RON N 

i

n

1

EU5C 

S

W

D-D

P

 

P

XC

2/

T

1

1/L1

3/L2

5/L3

4/

T

2

6/

T

3

9

6

9

5

9

7

U

S

G

ND R

+

L

EN+ EN–

G

ND_E

M

AN RE

S

AU

T

S

W

D

S

W

D

EN

S

W

D

AUX

C

o

nf

ig

.

PROFIB

U

S-DP

P

O

W

S

W

D

0

,1

8

1

2

3

4

5

6

7

8

9

0

1

0

2

0

3

0

4

0

5

0

6

0

7

0

1

2

2

1

0

2

0

3

0

4

0

5

0

6

0

7

0

0

,3

0

,2

0

,1

0

,4

0

,5

0

,6

0

,7

0

,

8

0

,

9

0

1

2

For further information and full technical data, visit phoenixcontact.net/products

39

PHOENIX CONTACT

Emergency stop wiring example (two-channel)

Wiring example without emergency stop

Intended use

The SmartWire-DT™ adapter is approved exclusively for use 

in conjunction with the following CONTACTRON hybrid motor 

starters. If other switching devices are used, correct operation, 

in particular of the safety function, cannot be ensured.

Motor protection and safe shutdown

2900582

ELR H5-IES-SC-24DC/500AC-0,6

2900414

ELR H5-IES-SC-24DC/500AC-2

2900421

ELR H5-IES-SC-24DC/500AC-9

2900566

ELR H3-IES-SC-24DC/500AC-0,6

2900567

ELR H3-IES-SC-24DC/500AC-2

2900569

ELR H3-IES-SC-24DC/500AC-9

2297031

ELR W3- 24DC/500AC-2I

2297057

ELR W3- 24DC/500AC-9I

2902952

ELR H51-0,6-DINRAIL-SET

2902953

ELR H51-2,4-DINRAIL-SET

2902954

ELR H51-9-DINRAIL-SET

2902746

ELR H51-IESSC-24DC500AC-06

2902744

ELR H51-IESSC-24DC500AC-2

2902745

ELR H51-IESSC-24DC500AC-9

Motor protection only

2900573

ELR H5-I-SC-24DC/500AC-0,6

2900574

ELR H5-I-SC-24DC/500AC-2

2900576

ELR H5-I-SC-24DC/500AC-9

2900542

ELR H3-I-SC-24DC/500AC-0,6

2900543

ELR H3-I-SC-24DC/500AC-2

2900545

ELR H3-I-SC-24DC/500AC-9

Ambient temperature [°C]

Ou

tp

u

t cu

r

re

n

t [A

]

ELR H5-IES-SC-SWD/500AC-2 and 

ELR H5-IES-SC-SWD/500AC-9 derating curve

100% operating time

Ambient temperature [°C]

Ou

tp

u

t c

u

rr

e

n

t [A

]

ELR H5-IES-SC-SWD/500AC-0,6 derating curve

100% operating time

 Aligned with > 20 mm spacing

 Aligned without spacing

Electronic switching devices and motor control

Hybrid motor starters

phoenixcontact-interface-technology-and-switching-devices-html.html
background image

6

0

4

0

2

0

5

1

0

15

2

0

25

3

0

35

4

0

45

1

0

ELR ...-16

ELR ...-37

6

0

4

0

2

0

1

2

3

4

5

6

7

8

9

1

0

1

0

ELR ...-2

ELR ...-

9

L

T

1/L1

3/L2

5/L3

2/

T

1

4/

T

2

6/

T

3

R

 

 DNV GL

Technical data

Input data

Rated actuating voltage U

C

 R/L

24 V DC

230 V AC

24 V DC

230 V AC

24 V DC

230 V AC

24 V DC

230 V AC

Actuating voltage range

19.2 V DC ... 30 V DC

92 V AC ... 253 V AC

19.2 V DC ... 30 V DC

92 V AC ... 253 V AC

19.2 V DC ... 30 V DC

9

Rated actuating current I

C

 at U

C

12.7 mA

11.2 mA

12.7 mA

11.2 mA

12.7 mA

11.2 mA

12.7 mA

11.2 mA

Input circuit

Reverse polarity protection, 

Surge protection

Surge protection

Reverse polarity protection, 

Operating voltage / status / error indicator

- / Yellow LED / Red LED

- / Yellow LED / Red LED

- / Yellow LED / Red LED

- / Yellow 

Output data load side

Operating voltage range

48 V AC ... 575 V AC

48 V AC ... 575 V AC

48 V AC ... 575 V AC

48 V AC ... 575 V AC

48 V AC ... 575 V AC

48 V

Periodic peak  reverse voltage

1200 V

1200 V

1200 V

1200 V

1200 V

1200 V

1200 V

1200 V

Load current range

100 mA ... 2 A (see derating)

100 mA ... 2 A (see derating)

100 mA ... 9 A (see derating)

100 mA ... 9 A (see de

Residual voltage

< 1.5 V

< 1.5 V

< 1.5 V

< 1.5 V

< 1.5 V

< 1.5 V

< 1.5 V

< 1.5 V

Leakage current

6 mA

6 mA

6 mA

6 mA

6 mA

6 mA

6 mA

6 mA

Max. load value I

2

 x t (t = 10 ms)

250 A

2

s

250  A

2

s

580  A

Output protection

RCV circuit

General data

Rated insulation voltage

500 V

Rated surge voltage

6 kV

6 kV

6 kV

6 kV

6 kV

6 kV

6 kV

6 kV

Insulation

Basic insulation

Reversing frequency

 10 Hz

 2 Hz

Switching frequency

max. 5 Hz

max. 1 Hz

max. 5 Hz

max. 1 Hz

max. 5 Hz

max. 1 Hz

max. 5 Hz

max. 1 Hz

Ambient temperature (operation)

-25 °C ... 70 °C

Standards/regulations

DIN EN 50178 / EN 60947

DIN EN 50178 / EN 60947

DIN EN 50178 / EN 60947

DIN EN 50178 / EN 60947

Degree of protection in acc. with IEC 60529/EN 60529

IP20

Mounting position

Vertical (horizontal DIN rail)

Vertical (horizontal DIN rail)

Vertical (horizontal DIN rail)

Vertical (horizontal

Mounting

Can be aligned with spacing = 20 mm

Can be aligned with spacing = 20 mm

Can be aligned with spacing = 40 mm

Can be aligned

Screw connection solid/stranded/AWG

- Control side

0.2 - 2.5 mm² / 0.2 - 2.5 mm² / 24 - 14

0.2 - 2.5 mm² / 0.2 - 2.5 mm² / 24 - 14

0.2 - 4 mm² / 0.2 - 2.5 mm² / 24 - 

- Load side

0.2 - 2.5 mm² / 0.2 - 2.5 mm² / 24 - 14

0.2 - 2.5 mm² / 0.2 - 2.5 mm² / 24 - 14

0.5 - 16 mm² / 0.5 - 16 mm² / 20 - 6

0.

Dimensions

W / H / D

40 mm / 99 mm / 114.5 mm

67.5 mm / 99 mm / 114.5 mm

147.5 mm / 99 mm / 114.5 mm

147.5 mm / 99 mm / 114.5 mm

Ordering data

Description

Type

Order No.

Pcs./

Pkt.

3-phase solid-state reversing contactor

ELR W3- 24DC/500AC- 2

2297293

1

ELR W3-230AC/500AC- 2

2297303

1

Accessories

Thermal fuse

THERMAL FUSE TF104

2900796

1

40

PHOENIX CONTACT

3-phase solid-state reversing 
contactors

The 3-phase solid-state reversing 

contactors with integrated locking circuit 
and load wiring are the ideal match for 
applications such as:
– Control valves
– Slides
– Switches
– Ship steering gear

The power spectrum ranges from 

575 V AC/3 x 2 A to 575 V AC/3 x 37 A. 
This corresponds to 1 kW to 18.5 kW.

Advantages of 3-phase solid-state 

reversing contactor:
– Noise-free and wear-free switching
– Integrated protective circuit
– Stable and short switching times
– Long service life
– High switching frequency
– Integrated locking and load wiring
– Thermal fuse optional

A

mb

i

ent temperature

[

°C]

O

utput

current

[A

]

Load current as a function of the ambient temperature

Operating time: 100% operating factor

A

mb

i

ent temperature

[

°C]

O

utput

current

[A

]

Load current as a function of the ambient temperature

Operating time: 100% operating factor

Electronic switching devices and motor control

Solid-state contactors

H

W

D

Notes:

Type of insulation housing:

ELR W 3...2, ELR W 3...9 

Polyamide PA, non-reinforced, color: green

ELR W 3...16, ELR W 3...37

 

Polyester PBT, non-reinforced, color: green

Marking systems and mounting material

See Catalog 3

For reversing 3~ AC motors

up to

 

575

 

V

 

AC/3 x 2

 

A

phoenixcontact-interface-technology-and-switching-devices-html.html
background image

L

T

1/L1

3/L2

5/L3

2/

T

1

4/

T

2

6/

T

3

R

L

T

1/L1

3/L2

5/L3

2/

T

1

4/

T

2

6/

T

3

R

1/L1

3/L2

5/L3

2/

T

1

4/

T

2

6/

T

3

L

T

R

For further information and full technical data, visit phoenixcontact.net/products

 

 DNV GL

 

 DNV GL

 

 DNV GL

Technical data

Technical data

Technical data

 R/L

24 V DC

230 V AC

24 V DC

230 V AC

24 V DC

230 V AC

24 V DC

230 V AC

Actuating voltage range

19.2 V DC ... 30 V DC

92 V AC ... 253 V AC

19.2 V DC ... 30 V DC

92 V AC ... 253 V AC

19.2 V DC ... 30 V DC

92 V AC ... 253 V AC

19.2 V DC ... 30 V DC

92 V AC ... 253 V AC

12.7 mA

11.2 mA

12.7 mA

11.2 mA

12.7 mA

11.2 mA

12.7 mA

11.2 mA

Surge protection

Reverse polarity protection, 

Surge protection

Surge protection

Reverse polarity protection, 

Surge protection

Surge protection

Reverse polarity protection, 

Surge protection

Surge protection

Operating voltage / status / error indicator

- / Yellow LED / Red LED

- / Yellow LED / Red LED

- / Yellow LED / Red LED

- / Yellow LED / Red LED

Operating voltage range

48 V AC ... 575 V AC

48 V AC ... 575 V AC

48 V AC ... 575 V AC

48 V AC ... 575 V AC

48 V AC ... 575 V AC

48 V AC ... 575 V AC

48 V AC ... 575 V AC

48 V AC ... 575 V AC

Periodic peak  reverse voltage

1200 V

1200 V

1200 V

1200 V

1200 V

1200 V

1200 V

1200 V

Load current range

100 mA ... 2 A (see derating)

100 mA ... 2 A (see derating)

100 mA ... 9 A (see derating)

100 mA ... 9 A (see derating)

100 mA ... 16 A (see derating)

100 mA ... 16 A (see derating)

200 mA ... 37 A (see derating)

200 mA ... 37 A (see derating)

Residual voltage

< 1.5 V

< 1.5 V

< 1.5 V

< 1.5 V

< 1.5 V

< 1.5 V

< 1.5 V

< 1.5 V

Leakage current

6 mA

6 mA

6 mA

6 mA

6 mA

6 mA

6 mA

6 mA

s

580  A

2

s

580 A

2

s

580  A

2

s

580 A

2

s

9000 A

2

s

9000 A

2

s

RCV circuit

RCV circuit

RCV circuit

500 V

500 V

500 V

Rated surge voltage

6 kV

6 kV

6 kV

6 kV

6 kV

6 kV

6 kV

6 kV

Basic insulation

Basic insulation

Basic insulation

 10 Hz

 2 Hz

 10 Hz

 2 Hz

 10 Hz

 2 Hz

Switching frequency

max. 5 Hz

max. 1 Hz

max. 5 Hz

max. 1 Hz

max. 5 Hz

max. 1 Hz

max. 5 Hz

max. 1 Hz

-25 °C ... 70 °C

-25 °C ... 70 °C

-25 °C ... 70 °C

Standards/regulations

DIN EN 50178 / EN 60947

DIN EN 50178 / EN 60947

DIN EN 50178 / EN 60947

DIN EN 50178 / EN 60947

IP20

IP20

IP20

Mounting position

Vertical (horizontal DIN rail)

Vertical (horizontal DIN rail)

Vertical (horizontal DIN rail)

Vertical (horizontal DIN rail)

Mounting

Can be aligned with spacing = 20 mm

Can be aligned with spacing = 20 mm

Can be aligned with spacing = 40 mm

Can be aligned with spacing = 40 mm

- Control side

0.2 - 2.5 mm² / 0.2 - 2.5 mm² / 24 - 14

0.2 - 2.5 mm² / 0.2 - 2.5 mm² / 24 - 14

0.2 - 4 mm² / 0.2 - 2.5 mm² / 24 - 12

0.2 - 4 mm² / 0.2 - 2.5 mm² / 24 - 12

- Load side

0.2 - 2.5 mm² / 0.2 - 2.5 mm² / 24 - 14

0.2 - 2.5 mm² / 0.2 - 2.5 mm² / 24 - 14

0.5 - 16 mm² / 0.5 - 16 mm² / 20 - 6

0.5 - 16 mm² / 0.5 - 16 mm² / 20 - 6

Dimensions

W / H / D

40 mm / 99 mm / 114.5 mm

67.5 mm / 99 mm / 114.5 mm

147.5 mm / 99 mm / 114.5 mm

147.5 mm / 99 mm / 114.5 mm

Ordering data

Ordering data

Ordering data

Type

Order No.

Pcs./

Pkt.

Type

Order No.

Pcs./

Pkt.

Type

Order No.

Pcs./

Pkt.

ELR W3- 24DC/500AC- 9

2297316

1

ELR W3- 24DC/500AC-16

2297332

1

ELR W2+1- 24DC/500AC-37

2297374

1

ELR W3-230AC/500AC- 9

2297329

1

ELR W3-230AC/500AC-16

2297345

1

ELR W2+1-230AC/500AC-37

2297387

1

Accessories

Accessories

Accessories

THERMAL FUSE TF104

2900796

1

THERMAL FUSE TF104

2900796

1

THERMAL FUSE TF104

2900796

1

41

PHOENIX CONTACT

Electronic switching devices and motor control

Solid-state contactors

H

W

D

H

W

D

H

W

D

For reversing 3~ AC motors

up to

 

575

 

V

 

AC/3 x 9

 

A

For reversing 3~ AC motors

up to

 

575

 

V

 

AC/3 x 16

 

A

For reversing 3~ AC motors

up to

 

575

 

V

 

AC/3 x 37

 

A

phoenixcontact-interface-technology-and-switching-devices-html.html
background image

6

0

4

0

2

0

5

1

0

15

2

0

25

3

0

35

4

0

45

1

0

ELR ...-16

ELR ...-37

6

0

4

0

2

0

1

2

3

4

5

6

7

8

9

1

0

1

0

ELR ...-2

ELR ...-

9

ON

T

1/L1

3/L2

5/L3

2/

T

1

4/

T

2

6/

T

3

 

 DNV GL

Technical data

Input data

Rated actuation voltage U

C

 ON

24 V DC

230 V AC

24 V DC

230 V AC

24 V DC

230 V AC

24 V DC

230 V AC

Actuating voltage range

19.2 V DC ... 30 V DC

92 V AC ... 253 V AC

19.2 V DC ... 30 V DC

92 V AC ... 253 V AC

19.2 V DC ... 30 V DC

9

Rated actuating current I

C

 at U

C

8.3 mA

12.5 mA

8.3 mA

12.5 mA

8.3 mA

12.5 mA

8.3 mA

12.5 mA

Input circuit

Reverse polarity protection, 

Surge protection

Surge protection

Reverse polarity protection, 

Operating voltage / status / error indicator

- / Yellow LED / Red LED

- / Yellow LED / Red LED

- / Yellow LED / Red LED

- / Yellow 

Output data load side

Operating voltage range

48 V AC ... 575 V AC

48 V AC ... 575 V AC

48 V AC ... 575 V AC

48 V AC ... 575 V AC

48 V AC ... 575 V AC

48 V

Periodic peak  reverse voltage

1200 V

1200 V

1200 V

1200 V

1200 V

1200 V

1200 V

1200 V

Load current range

100 mA ... 2 A (see derating)

100 mA ... 2 A (see derating)

100 mA ... 9 A (see derating)

100 mA ... 9 A (see de

Residual voltage

< 1.5 V

< 1.5 V

< 1.5 V

< 1.5 V

< 1.5 V

< 1.5 V

< 1.5 V

< 1.5 V

Leakage current

6 mA

6 mA

6 mA

6 mA

6 mA

6 mA

6 mA

6 mA

Max. load value I

2

 x t (t = 10 ms)

250 A

2

s

250  A

2

s

580  A

Output protection

RCV circuit

General data

Rated insulation voltage

500 V

Rated surge voltage

6 kV

6 kV

6 kV

6 kV

6 kV

6 kV

6 kV

6 kV

Insulation

Basic insulation

Switching frequency

 10 Hz

 1 Hz

Ambient temperature (operation)

-25 °C ... 70 °C

Standards/regulations

DIN EN 50178 / EN 60947

DIN EN 50178 / EN 60947

DIN EN 50178 / EN 60947

DIN EN 50178 / EN 60947

Degree of protection in acc. with IEC 60529/EN 60529

IP20

Mounting position

Vertical (horizontal DIN rail)

Vertical (horizontal DIN rail)

Vertical (horizontal DIN rail)

Vertical (horizontal

Mounting

Can be aligned with spacing = 20 mm

Can be aligned with spacing = 20 mm

Can be aligned with spacing = 40 mm

Can be aligned

Screw connection solid/stranded/AWG

- Control side

0.2 - 2.5 mm² / 0.2 - 2.5 mm² / 24 - 14

0.2 - 2.5 mm² / 0.2 - 2.5 mm² / 24 - 14

0.2 - 4 mm² / 0.2 - 2.5 mm² / 24 - 

- Load side

0.2 - 2.5 mm² / 0.2 - 2.5 mm² / 24 - 14

0.2 - 2.5 mm² / 0.2 - 2.5 mm² / 24 - 14

0.5 - 16 mm² / 0.5 - 16 mm² / 20 - 6

0.

Dimensions

W / H / D

40 mm / 99 mm / 114.5 mm

67.5 mm / 99 mm / 114.5 mm

147.5 mm / 99 mm / 114.5 mm

147.5 mm / 99 mm / 114.5 mm

Ordering data

Description

Type

Order No.

Pcs./

Pkt.

3-phase semiconductor contactor

ELR 3- 24DC/500AC- 2

2297196

1

ELR 3-230AC/500AC- 2

2297206

1

Accessories

Thermal fuse

THERMAL FUSE TF104

2900796

1

42

PHOENIX CONTACT

3-phase semiconductor contactor

The 3-phase solid-state contactors are an 

ideal match for applications such as:
– Mixers
– Machine tools
– Conveying systems
– Pumps
– Fans

The power spectrum ranges from 

575 V AC/3 x 2 A to 575 V AC/3 x 37 A. 
This corresponds to 1 kW to 18.5 kW.

Advantages of 3-phase semiconductor 

contactor:
– Noise-free and wear-free switching
– Integrated protective circuit
– Stable and short switching times
– Long service life
– High switching frequency
– Thermal fuse optional

A

mb

i

ent temperature

[

°C]

O

utput

current

[A

]

Load current as a function of the ambient temperature

Operating time: 100% operating factor

A

mb

i

ent temperature

[

°C]

O

utput

current

[A

]

Load current as a function of the ambient temperature

Operating time: 100% operating factor

Electronic switching devices and motor control

Solid-state contactors

H

W

D

Notes:

Type of insulation housing:

ELR 3...2, ELR 3...9 

Polyamide PA, non-reinforced, color: green

ELR 3...16, ELR 3...37

 

Polyester PBT, non-reinforced, color: green

Marking systems and mounting material

See Catalog 3

For switching 3~ AC motors

up to

 

575

 

V

 

AC/3 x 2

 

A

phoenixcontact-interface-technology-and-switching-devices-html.html
background image

ON

T

1/L1

3/L2

5/L3

2/

T

1

4/

T

2

6/

T

3

ON

T

1/L1

3/L2

5/L3

2/

T

1

4/

T

2

6/

T

3

ON

T

1/L1

3/L2

5/L3

2/

T

1

4/

T

2

6/

T

3

For further information and full technical data, visit phoenixcontact.net/products

 

 DNV GL

 

 DNV GL

 

 DNV GL

Technical data

Technical data

Technical data

 ON

24 V DC

230 V AC

24 V DC

230 V AC

24 V DC

230 V AC

24 V DC

230 V AC

Actuating voltage range

19.2 V DC ... 30 V DC

92 V AC ... 253 V AC

19.2 V DC ... 30 V DC

92 V AC ... 253 V AC

19.2 V DC ... 30 V DC

92 V AC ... 253 V AC

19.2 V DC ... 30 V DC

92 V AC ... 253 V AC

8.3 mA

12.5 mA

8.3 mA

12.5 mA

8.3 mA

12.5 mA

8.3 mA

12.5 mA

Surge protection

Reverse polarity protection, 

Surge protection

Surge protection

Reverse polarity protection, 

Surge protection

Surge protection

Reverse polarity protection, 

Surge protection

Surge protection

Operating voltage / status / error indicator

- / Yellow LED / Red LED

- / Yellow LED / Red LED

- / Yellow LED / Red LED

- / Yellow LED / Red LED

Operating voltage range

48 V AC ... 575 V AC

48 V AC ... 575 V AC

48 V AC ... 575 V AC

48 V AC ... 575 V AC

48 V AC ... 575 V AC

48 V AC ... 575 V AC

48 V AC ... 575 V AC

48 V AC ... 575 V AC

Periodic peak  reverse voltage

1200 V

1200 V

1200 V

1200 V

1200 V

1200 V

1200 V

1200 V

Load current range

100 mA ... 2 A (see derating)

100 mA ... 2 A (see derating)

100 mA ... 9 A (see derating)

100 mA ... 9 A (see derating)

100 mA ... 16 A (see derating)

100 mA ... 16 A (see derating)

200 mA ... 37 A (see derating)

200 mA ... 37 A (see derating)

Residual voltage

< 1.5 V

< 1.5 V

< 1.5 V

< 1.5 V

< 1.5 V

< 1.5 V

< 1.5 V

< 1.5 V

Leakage current

6 mA

6 mA

6 mA

6 mA

6 mA

6 mA

6 mA

6 mA

s

580  A

2

s

580 A

2

s

580  A

2

s

580 A

2

s

9000 A

2

s

9000 A

2

s

RCV circuit

RCV circuit

RCV circuit

500 V

500 V

500 V

Rated surge voltage

6 kV

6 kV

6 kV

6 kV

6 kV

6 kV

6 kV

6 kV

Basic insulation

Basic insulation

Basic insulation

 10 Hz

 1 Hz

 10 Hz

 1 Hz

 10 Hz

 1 Hz

-25 °C ... 70 °C

-25 °C ... 70 °C

-25 °C ... 70 °C

Standards/regulations

DIN EN 50178 / EN 60947

DIN EN 50178 / EN 60947

DIN EN 50178 / EN 60947

DIN EN 50178 / EN 60947

IP20

IP20

IP20

Mounting position

Vertical (horizontal DIN rail)

Vertical (horizontal DIN rail)

Vertical (horizontal DIN rail)

Vertical (horizontal DIN rail)

Mounting

Can be aligned with spacing = 20 mm

Can be aligned with spacing = 20 mm

Can be aligned with spacing = 40 mm

Can be aligned with spacing = 40 mm

- Control side

0.2 - 2.5 mm² / 0.2 - 2.5 mm² / 24 - 14

0.2 - 2.5 mm² / 0.2 - 2.5 mm² / 24 - 14

0.2 - 4 mm² / 0.2 - 2.5 mm² / 24 - 12

0.2 - 4 mm² / 0.2 - 2.5 mm² / 24 - 12

- Load side

0.2 - 2.5 mm² / 0.2 - 2.5 mm² / 24 - 14

0.2 - 2.5 mm² / 0.2 - 2.5 mm² / 24 - 14

0.5 - 16 mm² / 0.5 - 16 mm² / 20 - 6

0.5 - 16 mm² / 0.5 - 16 mm² / 20 - 6

Dimensions

W / H / D

40 mm / 99 mm / 114.5 mm

67.5 mm / 99 mm / 114.5 mm

147.5 mm / 99 mm / 114.5 mm

147.5 mm / 99 mm / 114.5 mm

Ordering data

Ordering data

Ordering data

Type

Order No.

Pcs./

Pkt.

Type

Order No.

Pcs./

Pkt.

Type

Order No.

Pcs./

Pkt.

ELR 3- 24DC/500AC- 9

2297219

1

ELR 3- 24DC/500AC-16

2297235

1

ELR 2+1- 24DC/500AC-37

2297277

1

ELR 3-230AC/500AC- 9

2297222

1

ELR 3-230AC/500AC-16

2297248

1

ELR 2+1-230AC/500AC-37

2297280

1

Accessories

Accessories

Accessories

THERMAL FUSE TF104

2900796

1

THERMAL FUSE TF104

2900796

1

THERMAL FUSE TF104

2900796

1

43

PHOENIX CONTACT

Electronic switching devices and motor control

Solid-state contactors

H

W

D

H

W

D

H

W

D

For switching 3~ AC motors

up to

 

575

 

V

 

AC/3 x 9

 

A

For switching 3~ AC motors

up to

 

575

 

V

 

AC/3 x 16

 

A

For switching 3~ AC motors

up to

 

575

 

V

 

AC/3 x 37

 

A

phoenixcontact-interface-technology-and-switching-devices-html.html
background image

60

50

40

30

20

10

8

3

2

1

0

4

5

6

7

24V DC

24V DC

24V DC U

IN

&

1/L1

3/L2
5/L3

2/

T

1

4/

T

2

6/

T

3

Technical data

Input data

Supply nominal voltage U

VN

24 V DC

Supply voltage range with reference to U

VN

0.8 ... 1.2

Quiescent current

85 mA

Control voltage U

ST

 right/left

24 V DC

Control voltage range in reference to U

ST

0.8 ... 1.2

Typ. input current at U

N

5 mA

Input circuit

Reverse polarity protection, surge protection

Operating voltage / status / error indicator

Green LED / Yellow LED / Red LED

Output data load side

Max. switching voltage

440 V AC (L1/T1)

440 V AC (L2/T2)

440 V AC (L3/T3)

Operating voltage range

110 V AC ... 433 V AC

Periodic peak reverse voltage

1000 V

Load current range

150 mA ... 8 A (at 20 °C T

A

, see derating)

Residual voltage

typ. 1.5 V (For IL)

Leakage current

5 mA (IL1, in switched-off state)

Output protection

RC element, surge protection

General data

Test voltage input/output

2.5 kV

Ambient temperature (operation)

-20 °C ... 60 °C

Standards/regulations

DIN EN 50178

Degree of protection in acc. with IEC 60529/EN 60529

IP20

Mounting position

Vertical (horizontal DIN rail)

Mounting

Can be aligned with > 20 mm spacing

Screw connection solid/stranded/AWG

0.2 - 6 mm² / 0.2 - 4 mm² / 24 - 10

Dimensions

W / H / D

62 mm / 94 mm / 122 mm

EMC note

Class A product, see page 605

Ordering data

Description

Type

Order No.

Pcs./

Pkt.

Solid-state reversing contactor,

 with integrated soft switch

ELR W3/ 9-400 S

2963569

1

44

PHOENIX CONTACT

Notes:

Type of housing:

Polycarbonate PC, color: green.

Marking systems and mounting material

See Catalog 3

D W

H

Semiconductor reversing contactor with
soft starter

With the ELR W 3/9-400 S soft switch, 

you can extend the service life of a 3-phase 
asynchronous motor.
– Parameterization takes place via display 

and keypad directly on the device

– Friction  time
– Torque,  start
– Start up time
– Stop  time
– Torque, stop
– Braking  time
– Braking torque
– Drive can be controlled locally via keypad

A

mb

i

ent temperature

[

°C]

Load

curren

t

[A

]

Load current as a function of the ambient temperature

Operating time: 100% operating factor

Electronic switching devices and motor control

Solid-state contactors

A

larm

Parameteri

z

ation

L

R

Memory

L

ogic

Solid-state reversing contactor

with soft starter

phoenixcontact-interface-technology-and-switching-devices-html.html
background image

For further information and full technical data, visit phoenixcontact.net/products

The figure shows the control of the 

reversing load relay with a soft starter and 
the operation of a three-phase current load.

45

PHOENIX CONTACT

F

riction time

F

riction time

Start time

Start time

Switch

operation

Switch

operation

Stop time

Tor

q

ue

,

stop

Braking time

100

%

operation positi

v

e

100

%

operation positi

v

e

100

%

operation negati

v

e

ON

delay

O

FF

delay

Switch

-

off procedure

Operation

Tor

q

ue

,

start

Tor

q

ue

,

start

Tor

q

ue

,

stop

Electronic switching devices and motor control

Solid-state contactors

phoenixcontact-interface-technology-and-switching-devices-html.html
background image

+U

M

+

M

-

G

ND

R

L

60

50

40

30

20

10

3
2
1

0

4

5

6

2

1

L

L

M

+

24V

R

R

U

M

-

G

ND

M

+

-

24 V DC

 

Technical data

Input data

Control voltage U

ST

 right/left

24 V DC

24 V DC

Control voltage range in reference to U

ST

0.8 ... 1.2

0.8 ... 1.2

Typ. input current at U

N

3 mA

3 mA

Input circuit

Reverse polarity protection, surge protection

Operating voltage / status / error indicator

Green LED / Yellow LED / -

Output data load side

Operating voltage range

10 V DC ... 30 V DC

10 V DC ... 30 V DC

Load current

2 A (Mounted in rows with zero 

spacing)

6 A (see derating)

Quiescent current

approx. 7 mA (When switched off)

approx. 7 mA (When switched off)

Current limitation at short-circuits

15 A

20 A

Output protection

Reverse polarity protection, surge protection

Operating voltage / status / error indicator

Green LED / - / -

General data

Test voltage input/output

2.5 kV AC

Ambient temperature (operation)

-20 °C ... 60 °C

Nominal operating mode

100% operating factor

Standards/regulations

EN 50178

Degree of protection in acc. with IEC 60529/EN 60529

IP20

Mounting position

Vertical (horizontal DIN rail)

Screw connection solid/stranded/AWG

0.2 - 6 mm² / 0.2 - 4 mm² / 24 - 10

Dimensions

W / H / D

12.5 mm / 99 mm / 114.5 mm

EMC note

Class A product, see page 605

Ordering data

Description

Type

Order No.

Pcs./

Pkt.

Electronic reversing load relay,

 for controlling DC motors

ELR W1/ 2-24DC

2963598

1

ELR W1/ 6-24DC

2982090

1

46

PHOENIX CONTACT

Notes:

Type of housing:

Polycarbonate PC, color: green.

Marking systems and mounting material

See Catalog 3

PWM = Pulse Width Modulation

D W

H

Electronic reversing load relay for 
DC motors

Electronic switching devices and motor control

Solid-state contactors

L

ogic

Electronic reversing load relay for

DC motors

Application example

Status table

Input

Output

Right

Left

M +

M –

0

0

High resistance

High resistance

1

0

+ 24 V

 GND

0

1

 

GND

+  24  V

1

1

 

GND

GND

Load current depending on ambient temperature

Operating time: 100% (ED)

 Stand-alone device

 Aligned without spacing

Ambient temperature [°C]

Lo

a

d

 c

u

r

ren

t [

A

]

The ELR-DC electronic reversing load 

relays allow mechanically commutated 
DC motors to be switched. They reverse 
and reduce the speed of DC motors 
up to 24 V/6 A in a wear-free manner. 
A short-circuit, surge-voltage and 
overload-proof output guarantees reliable 
use in the plant.

When a 24 V DC signal is applied at the 

“left” input, the output supplies the motor 
with voltage. When the “right” output is 
activated, the polarity of the voltage at the 
output is reversed. If the signal is applied at 
both inputs, i.e., “right” and “left”, the 
motor is short-circuited internally via the 
ELR-DC and reduces the speed.

Thanks to the internal interlocking circuit 

and load wiring, wiring is reduced to a 
minimum.

phoenixcontact-interface-technology-and-switching-devices-html.html
background image

For further information and full technical data, visit phoenixcontact.net/products

47

PHOENIX CONTACT

Electronic switching devices and motor control

Solid-state contactors

phoenixcontact-interface-technology-and-switching-devices-html.html
background image

60

40

20

30

20

10

11

16

28

,

5

10

40

50

A1

+

A2

-

1/L1

2/

T

1

 

Technical data

Input data

Actuating voltage range

4 V DC ... 32 V DC

24 V AC ... 275 V AC

4 V DC ... 32 V DC

24 V AC ... 275 V AC

4 V DC ... 32 V DC

24 V AC ..

Rated actuating current I

C

 at U

C

12 mA

17 mA

12 mA

17 mA

12 mA

17 mA

Switching level

1 signal ("H")

 4 V DC (“1” signal)

 22 V AC (“1” signal)

0 signal ("L")

 1 V DC (“0” signal)

 6 V AC (“0” signal)

Transmission frequency f

limit

25 Hz

6 Hz

25 Hz

6 Hz

25 Hz

6 Hz

Operating voltage / status / error indicator

Green LED / - / -

Output data load side

Operating voltage range

42 V AC ... 660 V AC (45/65 Hz)

42 V AC ... 660 V AC (45/65 Hz)

42 V AC ... 660 V AC (45/65 Hz)

42 V AC ...

Periodic peak  reverse voltage

1200 V

1200 V

1200 V

1200 V

1200 V

1200 V

Load current range

350 mA ... 20 A (see derating)

350 mA ... 20 A (see derating)

150 mA ... 30 A (see derating)

150 mA ... 30 A (se

Residual voltage

< 1.6 V

< 1.6 V

< 1.6 V

< 1.6 V

< 1.6 V

< 1.6 V

Leakage current

< 3 mA (In off state)

< 3 mA (In off state)

< 3 mA 

Phase angle (cos 

φ

)

0.5

0.5

0.5

0.5

0.5

0.5

Max. load value I

2

 x t (t = 10 ms)

525 A

2

s

525  A

2

s

1800 A

Output protection

RCV circuit

General data

Test voltage input/output

4 kV

rms

Insulation

Basic insulation

Ambient temperature (operation)

-30 °C ... 70 °C

Standards/regulations

EN 61000-4-2 / EN 61000-4-3 / EN 61000-4-4 / EN 61000-4-5 / 

EN

 

61000-4-6 / EN 55011

Mounting position

Vertical (horizontal DIN rail)

Vertical (horizontal DIN rail)

Vertical (horizontal DIN rail)

Mounting

Can be aligned with 

 22.5 mm spacing

Can be aligned with 

Screw connection solid/stranded/AWG

- Control side

0.5 - 2.5 mm² / 0.5 - 2.5 mm² / 20 - 14

0.5 - 2.5 mm² / 0.5 - 2.5 mm² / 20 - 14

0.5 - 4 mm² / 0.5 - 4 mm² / 20 - 14

- Load side

0.5 - 4 mm² / 0.5 - 4 mm² / 20 - 12

0.5 - 4 mm² / 0.5 - 4 mm² / 20 - 12

4 - 25 mm² / 4 - 25 mm² / 12 - 3

Dimensions

W / H / D

22.5 mm / 103 mm / 103 mm

22.5 mm / 103 mm / 103 mm

45 mm / 103 mm / 103 mm

Ordering data

Description

Type

Order No.

Pcs./

Pkt.

Single-phase electronic load relay

ELR 1- 24DC/600AC-20

2297138

1

ELR 1-230AC/600AC-20

2297141

1

48

PHOENIX CONTACT

Single-phase solid-state contactors

Single-phase solid-state contactors are 

used in AC voltage networks, where silent 
switching, high switching frequencies, and 
practically unlimited service life are 
required.

The robust power semi-conductors 

switch to zero voltage crossing. In doing so, 
they do not generate any additional high-
frequency interfering impulses. The 
modules are resistant to shock and 
vibration, they can even be used without 
problem in aggressive environments 
containing harmful substances.

They offer the following advantages:

– High switching frequency
– Wear-free and bounce-free
– Input voltage versions 24 V DC and 

230 V AC
The areas of application are:

– Production  machines
– Temperature controllers
– Conveyor equipment
– Light and lighting systems

A

mb

i

ent temperature

[

°C

]

O

utput

current

[A

]

Load current as a function of the ambient temperature

Operating time: 100% operating factor

Electronic switching devices and motor control

Solid-state contactors

Z

ero

v

oltage

switch

H

W

D

Notes:

Type of housing:

Polycarbonate PC, color: green.

Marking systems and mounting material

See Catalog 3

For switching 1~ AC motors

up to

 

660

 

V

 

AC/20

 

A

phoenixcontact-interface-technology-and-switching-devices-html.html
background image

A1

+

A2

-

1/L1

2/

T

1

A1

+

A2

-

1/L1

2/

T

1

For further information and full technical data, visit phoenixcontact.net/products

 

 

Technical data

Technical data

Actuating voltage range

4 V DC ... 32 V DC

24 V AC ... 275 V AC

4 V DC ... 32 V DC

24 V AC ... 275 V AC

4 V DC ... 32 V DC

24 V AC ... 275 V AC

12 mA

17 mA

12 mA

17 mA

12 mA

17 mA

 4 V DC (“1” signal)

 22 V AC (“1” signal)

 4 V DC (“1” signal)

 22 V AC (“1” signal)

 1 V DC (“0” signal)

 6 V AC (“0” signal)

 1 V DC (“0” signal)

 6 V AC (“0” signal)

25 Hz

6 Hz

25 Hz

6 Hz

25 Hz

6 Hz

Green LED / - / -

Green LED / - / -

Operating voltage range

42 V AC ... 660 V AC (45/65 Hz)

42 V AC ... 660 V AC (45/65 Hz)

42 V AC ... 660 V AC (45/65 Hz)

42 V AC ... 660 V AC (45/65 Hz)

42 V AC ... 660 V AC (45/65 Hz)

42 V AC ... 660 V AC (45/65 Hz)

Periodic peak  reverse voltage

1200 V

1200 V

1200 V

1200 V

1200 V

1200 V

Load current range

350 mA ... 20 A (see derating)

350 mA ... 20 A (see derating)

150 mA ... 30 A (see derating)

150 mA ... 30 A (see derating)

150 mA ... 50 A (see derating)

150 mA ... 50 A (see derating)

Residual voltage

< 1.6 V

< 1.6 V

< 1.6 V

< 1.6 V

< 1.6 V

< 1.6 V

Leakage current

< 3 mA (In off state)

< 3 mA (In off state)

< 3 mA (In off state)

< 3 mA (In off state)

< 3 mA (In off state)

< 3 mA (In off state)

)

0.5

0.5

0.5

0.5

0.5

0.5

s

1800 A

2

s

1800 A

2

s

18000 A

2

s

18000 A

2

s

RCV circuit

RCV circuit

4 kV

rms

4 kV

rms

Basic insulation

Basic insulation

-30 °C ... 70 °C

-30 °C ... 70 °C

EN 61000-4-2 / EN 61000-4-3 / EN 61000-4-4 / EN 61000-4-5 / 

EN

 

61000-4-6 / EN 55011

EN 61000-4-2 / EN 61000-4-3 / EN 61000-4-4 / EN 61000-4-5 / 

EN

 

61000-4-6 / EN 55011

Mounting position

Vertical (horizontal DIN rail)

Vertical (horizontal DIN rail)

Vertical (horizontal DIN rail)

 22.5 mm spacing

Can be aligned with 

 22.5 mm spacing

Can be aligned with 

 22.5 mm spacing

- Control side

0.5 - 2.5 mm² / 0.5 - 2.5 mm² / 20 - 14

0.5 - 2.5 mm² / 0.5 - 2.5 mm² / 20 - 14

0.5 - 4 mm² / 0.5 - 4 mm² / 20 - 14

- Load side

0.5 - 4 mm² / 0.5 - 4 mm² / 20 - 12

0.5 - 4 mm² / 0.5 - 4 mm² / 20 - 12

4 - 25 mm² / 4 - 25 mm² / 12 - 3

Dimensions

W / H / D

22.5 mm / 103 mm / 103 mm

22.5 mm / 103 mm / 103 mm

45 mm / 103 mm / 103 mm

Ordering data

Ordering data

Type

Order No.

Pcs./

Pkt.

Type

Order No.

Pcs./

Pkt.

ELR 1- 24DC/600AC-30

2297154

1

ELR 1- 24DC/600AC-50

2297170

1

ELR 1-230AC/600AC-30

2297167

1

ELR 1-230AC/600AC-50

2297183

1

49

PHOENIX CONTACT

Electronic switching devices and motor control

Solid-state contactors

Z

ero

v

oltage

switch

Z

ero

v

oltage

switch

H

W

D

H

W

D

For switching 1~ AC motors

up to

 

660

 

V

 

AC/30

 

A

For switching 1~ AC motors

up to

 

660

 

V

 

AC/50

 

A

phoenixcontact-interface-technology-and-switching-devices-html.html
background image

 

 

50

PHOENIX CONTACT

PROFINET motor starter

Motor starters in robust stainless steel 

housing (IP67) can be used directly in the 
system as a compact function unit. This 
eliminates the complex wiring of individual 
functions in the control cabinet.

The motor starter can be used to control 

three-phase asynchronous motors in two 
directions of rotation, completely via 
PROFINET. Distributed sensors and 
actuators can be directly connected to 
PROFINET without the need for further 
intermediate stations or additional cabling. 
A complete PROFINET motor starter 
consists of three products. For example:
– ELR 5011 IP PN
– IBS IP 400 MBH-F
– IBS  PG  SET

Additional features:

– Performance classes: 1.1 kW to 3.0 kW
– One and two-motor reversing starters 

(CONTACTRON hybrid motor starter)

– Easy assembly
– Plug-in connection system
– Exchangeable module electronics
– Status and diagnostic indicators on the 

module

– 10 digital inputs for connecting sensors
– 4 digital outputs for connecting actuators

Technical data

ELR 5011 IP PN

ELR 5011-2 IP PN

ELR 5030 IP PN

ELR 5030-2 IP PN

Interface

Fieldbus system

PROFINET

Connection method

8-pos. RJ45 socket on motor starter

8-pos. RJ45 socket on motor starter

-

Power supply for module electronics

Supply voltage

24 V DC  (U

S1

 / U

S2

)

Supply voltage range

20 V DC ... 30 V DC (including ripple)

20 V DC ... 30 V DC (including ripple)

-

Power supply for sensors

Minimum voltage

U

INI

 = U

S1

 minus 1 V

Nominal current per sensor

500 mA

Type of protection

Short-circuit/overload protection

Short-circuit/overload protection

-

Digital inputs

Number of inputs

10

Connection method

M12 connector

Connection method

2, 3, 4-wire

Digital outputs

Number of outputs

4

Connection method

M12 connector

Connection method

2-wire

Output current

max. 500 mA (per channel)

max. 500 mA (per channel)

-

Motor starter, output

Connection method

POWER-COMBICON

Operating voltage

360 V AC ... 550 V AC (line voltage 50/60 Hz)

360 V AC ... 550 V AC (line voltage 50/60 Hz)

-

Nominal current range

0.18 A ... 2.4 A

Frequency range

50 Hz ... 60 Hz (mains frequency)

50 Hz ... 60 Hz (mains frequency)

-

Nominal motor power

1.1 kW (at U

mains

= 400 V AC)

3 kW (at U

Motor monitoring

Parameterization range

0.2 A ... 2.4 A

Tripping class

Based on class 10 A of IEC 60947

Based on class 10 A of IEC 60947

-

General data

Weight

2115 g

2425 g

2115 g

2425 g

1130 g

Degree of protection

IP67 in acc. with IEC 60529

IP67 

Ambient temperature (operation)

-25 °C ... 50 °C (non-condensing)

-25 °C ... 50 °C (non-condensing)

-

EMC note

 

Ordering data

Description

Type

Order No.

Pcs./

Pkt.

PROFINET motor starter

- 1-channel reversing starter, 1.1

 

kW

ELR 5011 IP PN

2700745

1

- 2-channel reversing starter, 1.1

 

kW

ELR 5011-2 IP PN

2701007

1

PROFINET motor starter

- 1-channel reversing starter, 3.0

 

kW

- 2-channel reversing starter, 3.0

 

kW

Lower part of the housing

, high-grade steel

- Standard version

IBS IP 400 MBH -F

2732868

1

Pg screw connection

, plastic (IP67), for INTERBUS and 

PROFINET motor starters and variable frequency drives.

IBS PG SET

2836599

1

Accessories

RJ45 connector,

 shielded, with bend protection sleeve, x 2

- gray for straight cables

FL PLUG RJ45 GR/2

2744856

1

– green for crossed cables

FL PLUG RJ45 GN/2

2744571

1

Bus system cable

VS-937/...

1402611

1

Crimping pliers

, for assembling the RJ45 connectors

FL CRIMPTOOL

2744869

1

Electronic switching devices and motor control

IP67 motor starters

Electronic motor starters,

1 x 1.1 kW and 2 x 1.1 kW

phoenixcontact-interface-technology-and-switching-devices-html.html
background image

For further information and full technical data, visit phoenixcontact.net/products

 

 

51

PHOENIX CONTACT

Technical data

Technical data

ELR 5011 IP PN

ELR 5011-2 IP PN

ELR 5030 IP PN

ELR 5030-2 IP PN

PROFINET

-

Connection method

8-pos. RJ45 socket on motor starter

8-pos. RJ45 socket on motor starter

-

24 V DC (U

S1

 / U

S2

)

-

Supply voltage range

20 V DC ... 30 V DC (including ripple)

20 V DC ... 30 V DC (including ripple)

-

U

INI

 = U

S1

 minus 1 V

-

500 mA

-

Type of protection

Short-circuit/overload protection

Short-circuit/overload protection

-

10

-

M12 connector

-

2, 3, 4-wire

-

4

-

M12 connector

-

2-wire

-

max. 500 mA (per channel)

max. 500 mA (per channel)

-

POWER-COMBICON

-

Operating voltage

360 V AC ... 550 V AC (line voltage 50/60 Hz)

360 V AC ... 550 V AC (line voltage 50/60 Hz)

-

2.4 A ... 6 A

-

Frequency range

50 Hz ... 60 Hz (mains frequency)

50 Hz ... 60 Hz (mains frequency)

-

= 400 V AC)

3 kW (at U

mains

= 400 V AC)

-

2.4 A ... 6 A

-

Based on class 10 A of IEC 60947

Based on class 10 A of IEC 60947

-

2115 g

2425 g

2115 g

2425 g

1130 g

Degree of protection

IP67 in acc. with IEC 60529

IP67 in acc. with IEC 60529

IP67 in acc. with IEC 60529

Ambient temperature (operation)

-25 °C ... 50 °C (non-condensing)

-25 °C ... 50 °C (non-condensing)

-

 

Class A product, see page 605

Ordering data

Ordering data

Type

Order No.

Pcs./

Pkt.

Type

Order No.

Pcs./

Pkt.

ELR 5030 IP PN

2701006

1

ELR 5030-2 IP PN

2701008

1

IBS IP 400 MBH -F

2732868

1

IBS IP 400 MBH -F

2732868

1

IBS PG SET

2836599

1

IBS PG SET

2836599

1

Accessories

Accessories

FL PLUG RJ45 GR/2

2744856

1

FL PLUG RJ45 GR/2

2744856

1

FL PLUG RJ45 GN/2

2744571

1

FL PLUG RJ45 GN/2

2744571

1

VS-937/...

1402611

1

VS-937/...

1402611

1

FL CRIMPTOOL

2744869

1

FL CRIMPTOOL

2744869

1

Electronic switching devices and motor control

IP67 motor starters

Electronic motor starters,

1 x 3.0 kW and 2 x 3.0 kW

High-grade steel lower part,

IP67 protection

phoenixcontact-interface-technology-and-switching-devices-html.html
background image

52

PHOENIX CONTACT

Inline frequency inverters

Inline frequency inverters for the control 

cabinet are the compact solution for 
extending your Easy Automation solution 
to include electronic speed regulation for 
asynchronous motors. The devices 
seamlessly integrate into the Inline system 
and have IP20 protection. Depending on the 
drive task, you can select frequency 
inverters from various performance classes, 
up to a maximum of 4 kW. In order to 
connect to the Inline system via the 
Fieldline local bus, you just need the 
IB IL 24 FLM-PAC Inline module. The Inline 
frequency inverter can be connected to a 
Phoenix Contact controller via the Inline 
module.

Additional features:

– Max.  motor  power

0.75 kW, 1.5 kW, 2.2 kW, and 4.0 kW

– 3 x 400 V mains input (±15%) 50/60 Hz
– DTM for parameterization and 

diagnostics

– 8 freely programmable parameter records
– PTC  evaluation  for

2.2 kW and 4.0 kW versions

– Integrated line filter
– U/f linear and U/f square operating modes
– S-ramp function
– Motor protection function (I2t)
– Connection of a braking resistor
– DC  braking
– Evaluation of the temperature switch in 

the motor

– Voltage boost
– 1 x analog input, 1 x analog output, 

1 x relay output

Technical data

Interface

Designation

Fieldline local bus

Connection method

9-pos. D-SUB connector/socket

9-pos. D-SUB connector/socket

9-pos. D-SUB connector/socket

9-pos. D-SUB connector/

Power supply for module electronics

Supply voltage

24 V DC ±15 %

Supply voltage range

20.4 V DC ... 27.6 V DC ±15 %

20.4 V DC ... 27.6 V DC ±15 %

20.4 V DC ... 27.6 V DC ±15 %

20.4 V DC ... 27.6 V

Digital inputs

Number of inputs

5

Connection method

COMBICON

Connection method

Plug-in screw connection

Plug-in screw connection

Plug-in screw connection

Plug-in screw connection

Analog inputs

Number of inputs

1

Connection method

COMBICON

Connection method

Plug-in screw connection

Plug-in screw connection

Plug-in screw connection

Plug-in screw connection

Analog outputs

Number of inputs

1

Connection method

COMBICON

Connection method

Plug-in screw connection

Plug-in screw connection

Plug-in screw connection

Plug-in screw connection

Frequency inverter output

Rated current

2.6 A +20 %

Frequency range

0 Hz ... 400 Hz

Parameterization

Via INTERBUS

Tripping class

5.6 A OC tripping current

8.8 A OC tripping 

General data

Weight

1400 g

Degree of protection

IP20 in acc. with IEC 60529/ EN 60529

IP20 in

Width

90 mm

Height

173 mm

Depth

153.5 mm

Ordering data

Description

Type

Order No.

 Pcs./

Pkt.

Inline frequency inverter

 for the control cabinet

VFD 5007 IL IB

2701054

1

Accessories

Inline Modular branch terminal

 for coupling one 

Fieldline Modular M8 local bus at the end of an Inline station

IB IL 24 FLM-PAC

2736903

1

Remote bus cable,

 highly flexible, 3 x 2 x 0.25 mm²

IBS RBC/F-T/

2740151

1

Electronic switching devices and motor control

IP20 frequency inverters

Frequency inverter for a

maximum motor power of up to 0.75 kW

phoenixcontact-interface-technology-and-switching-devices-html.html
background image

For further information and full technical data, visit phoenixcontact.net/products

53

PHOENIX CONTACT

Technical data

Technical data

Technical data

Fieldline local bus

Fieldline local bus

Fieldline local bus

Connection method

9-pos. D-SUB connector/socket

9-pos. D-SUB connector/socket

9-pos. D-SUB connector/socket

9-pos. D-SUB connector/socket

24 V DC ±15 %

24 V DC ±15 %

24 V DC ±15 %

Supply voltage range

20.4 V DC ... 27.6 V DC ±15 %

20.4 V DC ... 27.6 V DC ±15 %

20.4 V DC ... 27.6 V DC ±15 %

20.4 V DC ... 27.6 V DC ±15 %

5

5

5

COMBICON

COMBICON

COMBICON

Connection method

Plug-in screw connection

Plug-in screw connection

Plug-in screw connection

Plug-in screw connection

1

1

1

COMBICON

COMBICON

COMBICON

Connection method

Plug-in screw connection

Plug-in screw connection

Plug-in screw connection

Plug-in screw connection

1

1

1

COMBICON

COMBICON

COMBICON

Connection method

Plug-in screw connection

Plug-in screw connection

Plug-in screw connection

Plug-in screw connection

4.1 A +20 %

5.8 A +20 %

9.5 A +20 %

0 Hz ... 400 Hz

0 Hz ... 400 Hz

0 Hz ... 400 Hz

Via INTERBUS

Via INTERBUS

Via INTERBUS

Tripping class

5.6 A OC tripping current

8.8 A OC tripping current

12.5 A OC tripping current

21 A OC tripping current

1400 g

2200 g

2200 g

Degree of protection

IP20 in acc. with IEC 60529/ EN 60529

IP20 in acc. with IEC 60529/ EN 60529

IP20 in acc. with IEC 60529/ EN 60529

IP20 in acc. with IEC 60529/ EN 60529

90 mm

117 mm

117 mm

173 mm

173 mm

173 mm

153.5 mm

174.5 mm

174.5 mm

Ordering data

Ordering data

Ordering data

Type

Order No.

Pcs./

Pkt.

Type

Order No.

Pcs./

Pkt.

Type

Order No.

Pcs./

Pkt.

VFD 5015 IL IB

2701055

1

VFD 5022 IL IB

2701057

1

VFD 5040 IL IB

2701058

1

Accessories

Accessories

Accessories

IB IL 24 FLM-PAC

2736903

1

IB IL 24 FLM-PAC

2736903

1

IB IL 24 FLM-PAC

2736903

1

IBS RBC/F-T/

2740151

1

IBS RBC/F-T/

2740151

1

IBS RBC/F-T/

2740151

1

Electronic switching devices and motor control

IP20 frequency inverters

Frequency inverter for a

maximum motor power of up to 1.5 kW

Frequency inverter for a

maximum motor power of up to 2.2 kW

Frequency inverter for a

maximum motor power of up to 4.0 kW

phoenixcontact-interface-technology-and-switching-devices-html.html
background image

54

PHOENIX CONTACT

phoenixcontact-interface-technology-and-switching-devices-html.html
background image

 

Product range overview

 

 

 

Product overview

 56

 

 

Selection guide for signal conditioners

 58

 

 

Basics

 62

 

 

Highly compact signal conditioners with
plug-in connection technology – MINI Analog Pro

 68

 

 

Signal conditioners with functional safety and 
explosion protection − the MACX ranges

 106

 

 

Signal conditioners with
SIL functional safety – MACX Analog

 116

 

 

Signal conditioners with
PL functional safety – MACX Safety

 138

 

 

Ex i signal conditioners with
SIL functional safety – MACX Analog Ex

 140

 

 

Ex i signal conditioners with
PL functional safety – MACX Safety Ex

 168

 

 

Multiplexer for HART signals

 166

 

 

Process indicators and field devices – Field Analog

 178

 

55

PHOENIX CONTACT

From highly compact 6 mm signal 

conditioners and functionally safe signal 
conditioners to signal isolators for 
intrinsically safe circuits in the Ex area: our 
signal conditioner range and process 
indicators offer a solution for all 
applications in analog signal conditioning.

We offer the following product ranges:

Highly compact signal conditioners 
with plug-in connection technology – 
MINI Analog Pro

For maximum convenience during 

installation and servicing
– Overall width of just 6.2 mm
– Current measurement, without 

disconnection

– Safe electrical isolation

Signal conditioners with SIL function-
al safety – MACX Analog

For maximum signal safety

– Consistent SIL certification
– Safe electrical isolation

Signal conditioners with PL 
functional safety – MACX Safety

The proven MACX range for safety 

applications according to the Machinery 
Directive

Ex i signal conditioners with SIL func-
tional safety – MACX Analog Ex

For intrinsically safe circuits in the Ex area

– Maximum explosion protection for all 

Ex zones and gas groups

– Safe electrical isolation

Ex i signal conditioners with PL func-
tional safety – MACX Safety Ex

The proven MACX EX range for safety 

applications according to the Machinery 
Directive

Process indicators and field devices – 
Field Analog

– Monitoring and display of analog and 

temperature signals

– Control via digital and analog inputs and 

outputs

– Record and convert temperatures 

directly in the field

Measurement and control technology

phoenixcontact-interface-technology-and-switching-devices-html.html
background image

Highly compact signal conditioners with 
plug-in connection technology

MINI Analog Pro

 

Page 68

MINI Analog Pro gateways

 

Page 94

System cabling, Termination Carriers

 

Page 98

Accessories for MINI Analog Pro

 

Page 100

Multiplexers

MACX Analog accessories

Process indicators and
field devices

Multiplexer for HART signals

 

Page 166

Supply components, marking material

 

Page 174

System cabling, Termination Carriers

 

Page 164

Process indicators and field devices

 

Page 178

Current measurement

PACT current transformers

 

Page 222

PACT RCP current transformers for 

retrofitting

Page 236

AC current transducers, AC/DC, AC current 

protector

Page 240

Test disconnect terminal blocks

See Catalog 1

Controllers

Surge protection

  
  

Controllers

See Catalog 6

 

Surge protection for measurement and 

control technology

See Catalog 4

 

 

 

 

 

 

 

56

PHOENIX CONTACT

MCR technology

Product overview

phoenixcontact-interface-technology-and-switching-devices-html.html
background image

For further information and full technical data, visit phoenixcontact.net/products

Signal conditioners 
with SIL functional safety

Signal conditioners
with PL functional safety

Ex i signal conditioners
with SIL functional safety

Ex i signal conditioners
with PL functional safety

MACX Analog

 

Page 116

MACX Safety

 

Page 138

MACX Analog Ex

 

Page 140

MACX Safety Ex

 

Page 168

Energy and 
power measurement

  

Process indicators

 

Page 184

EMpro energy meters, function and 

communication modules

Page 208

Software for usage data acquisition

 

Page 214

PSK compressed air meters

 

Page 216

Monitoring and 
diagnostics

SOLARCHECK PV string monitoring

 

Page 256

EMD-BL

Compact monitoring relays

Page 262

 

 

 

 

 

 

 

 

57

PHOENIX CONTACT

MCR technology

Product overview

phoenixcontact-interface-technology-and-switching-devices-html.html
background image

Highly compact signal conditioners – 

MINI Analog Pro

Analog IN/Analog OUT

Page

3-way signal conditioners

Configurable

From 70

Fixed signal combinations

 74

4-way signal duplicators

Configurable

 76

3-way repeater power supplies

1-channel

 75

2-way passive isolators

Input loop-powered

 78

Output loop-powered

 79

Temperature

Temperature transducers

For resistance thermometers (RTD)

 80

For thermocouples

 82

Frequency

Frequency transducers

Universal

 84

Analog frequency transducers

 86

Potentiometer/resistor

Potiposition transducers

 88

Digital IN

Signal conditioners

NAMUR sensors, floating contacts

 90

Limit values

Threshold value switches

Standard analog signals, universal

 91

Temperature

 92

MINI Analog Pro gateways

Bus systems

Modbus RTU/TCP

 96

PROFIBUS DP

 96

Accessories

Configuration

Programming adapters

 105

Constant voltage source, constant current source

 100

Setpoint potentiometer

 101

System cabling

System adapters

 97

1:1 feed-through terminal block

 104

Supply components

Power terminal, fault signaling modules, 
DIN rail connector, system power supply

From 100

Marking material

 105

Connector set

Screw connection or Push-in connection

 101

58

PHOENIX CONTACT

MCR technology

Selection guide

phoenixcontact-interface-technology-and-switching-devices-html.html
background image

For further information and full technical data, visit phoenixcontact.net/products

Process indicators and field devices – 

Field Analog

Process indicators

Page

Multifunctional process indicators

Configurable

From 180

Loop-powered process indicators

Configurable

From 182

Standard signals

Configurable

 184

Frequency

Configurable

 185

Setpoint adjusters

Configurable

 186

Head-mounted transducers

Temperature

Loop-powered

From 187

Accessories

From 192

DIN rail measuring transducers

Temperature

Loop-powered

From 194

59

PHOENIX CONTACT

MCR technology

Selection guide

phoenixcontact-interface-technology-and-switching-devices-html.html
background image

Signal conditioners with SIL 

functional safety – MACX Analog

Analog IN/Analog OUT

Page

3-way signal conditioners

Configurable

From 116

3-way repeater power supplies

1-channel

 120

Signal duplicators

 121

2-channel

 123

2-way passive isolators

Input loop-powered, 1 or 2-channel

 124

Input loop-powered, 5 kV, 1 or 2-channel

 125

3-way output isolators

Fixed signal combinations

 126

Temperature

Temperature transducers

Universal

From 127

For resistance thermometers (RTD)

 130

For thermocouples

 131

Potentiometer/resistor

Potiposition transducers

From 127

Digital IN

Signal conditioners

NAMUR sensors, floating contacts

From 132

Signal duplicators

 133

 136

NAMUR output, floating contacts

From 134

 137

NAMUR sensors on NAM

Digital OUT

Solenoid drivers

Loop-powered

With line fault detection

Limit values

Threshold value switches

Analog current signal

 127

Temperature

 127

Accessories

Programming adapters

 105

Display unit and operator interface, removable

 171

Holder module for display unit and operator interface

 171

Termination Carriers

 165

Multiplexer for HART signals

 166

Supply components

Power terminal, fault signaling modules, 
DIN rail connector, system power supply

From 174

Marking material

 177

Shield fast connection

 172

Test plug

 176

Resistance circuit

For line fault detection

 176

60

PHOENIX CONTACT

MCR technology

Selection guide

phoenixcontact-interface-technology-and-switching-devices-html.html
background image

For further information and full technical data, visit phoenixcontact.net/products

Signal conditioners with PL 

functional safety – MACX Safety

Ex i signal conditioners with SIL 

functional safety – MACX Analog Ex

Ex i signal conditioners with PL 

functional safety – MACX Safety Ex

Page

Page

Page

 140

 138

 141

 168

 142

 169

 144

 139

From 148

 170

 145

 146

 139

From 148

 170

 151

 155

 152

 155

From 153

 156

 157

From 162

 159

 127

 127

 127

 139

 150

 170

 105

 105

 105

 165

 166

 174

 177

 172

 176

 176

61

PHOENIX CONTACT

MCR technology

Selection guide

phoenixcontact-interface-technology-and-switching-devices-html.html
background image

Input

Maximum input signal

The maximum input signal describes the 

value achieved before any damage occurs to 
the module and the signal generator. If these 
values are exceeded, suppresser diodes can 
be triggered to short circuit this input when 
a surge voltage is detected. The 
transmission range of the analog signals is 
located exclusively within the specified 
input ranges.

Input resistance

The input resistance of a signal 

conditioner or measuring transducer is 
determined in such a way as to ensure that 
the input signal is loaded only slightly. This 
results in a low-resistance input for current 
inputs and a high-resistance input for 
voltage inputs.

Voltage drop

In the case of passive isolators, the input 

voltage drop occurs as a result of the 
voltage drop of the operational load and the 
auxiliary power consumption of the 
module. The greater the auxiliary power 
consumption of the passive isolator, the 
smaller the operational output load is 
allowed to be. Low auxiliary power 
consumption is regarded as an indicator of 
device quality.

Common mode rejection

In the case of signal conditioners, 

operational amplifiers are used internally for 
transmission purposes. In theory, 
operational amplifiers should display ideal 
transmission and amplification behavior. 
However, it is a different matter in practice. 
When both input voltages are changed 
concordantly, i.e., exactly the same voltage 
to ground is applied to both input terminal 
blocks, this leads to an unintended output 
signal. Theoretically, if the operational 
amplifier is ideal, no output signal should 
appear since the differential input signal is 
“0 V”. Common mode rejection indicates 
the factor (in dB) by which the common 
input voltage at both inputs is amplified to a 
lesser extent than the difference in voltage 
between the two inputs.

Analog output

Maximum output signal

During uninterrupted operation of the 

devices, an overload at the input cannot 
cause greater values than at the output.

Zero/span adjustment

When the zero point is set, the zero point 

of an analog output is adjusted and set in 
relation to the input signal. 

When the “amplification” span is set, the 

analog output is adjusted in relation to the 
input signal. In this case, the output 
characteristic curve is increased or 
decreased by an amplification factor. 

Load

The load on the output side indicates the 

load-carrying capacity of a measuring 
transducer or a signal conditioner. Current 
outputs can drive a maximum of 500

Voltage outputs have a load-carrying 
capacity of up to at least 10 k

.

Residual ripple/ripple

A superimposed ripple can appear on the 

output signal due to signal conditioning 
required by the circuit. The residual ripple is 
indicated in mV

PP

 or mV

rms

.

Open-circuit behavior

With some measuring transducers, the 

input signal is permanently monitored for 
possible open circuits in the signal line. If the 
signal exceeds or falls below a tolerance 
limit, an open circuit is detected and a 
defined output signal is sent. With 
programmable devices, the output signals 
can be freely selected.

Digital output

Relays

Many of the products with a relay output 

that are shown in the catalog feature hard 
gold-plated relay contact material. The 
voltage range has an important role to play 
in terms of how this contact material can be 
used. Up to 50 mA can be switched with 
voltage ranges of up to 30 V AC/36 V DC. 
Even very small currents are transmitted 
perfectly. If the aforementioned voltage 
range is exceeded and values of 
250 V AC/DC are processed, currents of up 
to 2 A can flow. However, in this case the 
subsequent transmission of small currents 
can no longer be guaranteed.

Transistor

A PNP transistor switching output can be 

used to transmit 24 V DC switching signals 
up to approximately 100 mA.

General data

Supply voltage

The product range includes DC and AC 

power supply units for specific products. 
There is a standard power supply unit 
available in the form of a 24 V DC version 
that operates within a voltage range of 20 to 
30 V DC. For other supply voltages, please 
refer to the technical data.

Current consumption

The value specified here describes the 

self-consumption of the devices. It also 
includes the output current and, where 
applicable, the switching output load.

Transmission errors

The transmission precision is a gauge of 

the quality of a measuring transducer. It is 
the deviation from the ideal transmission 
characteristic curve and includes linearity, 
span, and offset errors.

Non-linearity

Non-linearity is the deviation from the 

ideal transmission precision without 
including span and offset errors. 

The non-linearity of a signal makes it 

possible to evaluate the course from zero 
to endpoint. Normally, the linearity errors 
are expressed as a percentage that indicates 
the extent of deviation from the ideal 
transmission characteristic curve.

62

PHOENIX CONTACT

MCR technology

Basics

phoenixcontact-interface-technology-and-switching-devices-html.html
background image

For further information and full technical data, visit phoenixcontact.net/products

Temperature coefficient

The temperature coefficient provides an 

assessment of the extent to which precision 
deviates when the ambient temperature 
around a signal conditioner or measuring 
transducer changes. In many cases this is 
specified as a percentage. An alternative 
definition is ppm/K (parts per 
million/Kelvin). 
Example: 250 ppm/K = 0.025%/K.

Cut-off frequency

Signal conditioners are basically designed 

to transmit DC signals. However, signal 
changes call for a dynamic form of behavior 
so that small AC quantities (normally: 
30 Hz) can also be transmitted. This is 
achieved by defining a cut-off frequency. At 
the same time, a low cut-off frequency can 
be used to suppress higher-frequency AC 
components.

Step response

The step response indicates the response 

time of the output signal when an input 
signal step occurs (10 to 90%). The step 
response is inversely proportional to the 
cut-off frequency. This means that the 
response time decreases as the cut-off 
frequency increases.

Test voltage

The test voltage indicates the electric 

strength of an isolated distance and is 
determined by type tests. In this test, a 
50 Hz voltage is applied for one minute; it 
describes the value achieved before a 
disruptive discharge to another potential 
level occurs in the device. 

Safe isolation

“Safe isolation” is defined as protection 

against hazardous shock currents. When 
module specifications are provided in 
accordance with EN 61010, a distinction is 
made between error-free operation and 
operation under fault conditions. With 
error-free operation, nominal supply 
voltages of 30 V AC/60 V DC are 
applicable. 

Ambient temperature range

The temperature limits specified here 

relate exclusively to operation. These limits 
do not apply to storage and transport. It is 
here where the temperature limits of the 
materials used are the decisive factor. If the 
devices are outside of the specified 
temperature range during assembly, they 
must be brought back within the specified 
temperature range prior to system startup. 
It is important to make sure that no 
condensation occurs.

Protective circuit

In order to protect the measurement and 

control modules against surge voltages, 
suppressor diodes are connected upstream 
of the signal and supply paths. These diodes 
behave in a similar manner to conventional 
Zener diodes. Except for the fact that 
suppressor diodes have faster response 
times and a higher maximum current.

Directives

EU

International

EMC Directive (electromagnetic compatibility)

2004/108/EC

-

Low Voltage Directive

2006/95/EC

-

Ex Directive (ATEX)

94/9/EC

-

Product standards

Electronic equipment for use in power installations

EN 50178:1997

-

Safety requirements for electrical equipment for measurement, control, and laboratory use - 
Part 1: General requirements

EN 61010-1:2001

IEC 61010-1:2004

Programmable logic controllers - 
Part 2: Equipment requirements and tests

EN 61131-2:2007

IEC 61131-2:2007

EMC

EMC - Part 6-2: Generic standards - Immunity for industrial environments

EN 61000-6-2:2005

IEC 61000-6-2:2005

EMC - Part 6-4: Generic standards - Emission standard for industrial environments 

EN 61000-6-4:2007

IEC 61000-6-4:2006

Electrical equipment for measurement, control, and laboratory use 
EMC requirements

EN 61326-1:2006

IEC 61326-1:2005

ATEX

Electrical apparatus for explosive gas atmospheres - 
Part 0: General requirements

EN 60079-0:2006

IEC 60079-0:2007

Explosive atmospheres - 
Part 11: Equipment protection by intrinsic safety “i”

EN 60079-11:2007

IEC 60079-11:2006

Electrical apparatus for explosive gas atmospheres - 
Part 15: Construction, test, and marking of type of protection “n” electrical apparatus

EN 60079-15:2005

IEC 60079-15:2005

Environmental tests

Environmental testing - 
Part 2-1: Tests - Test A: Cold

EN 60068-2-1:2007

IEC 60068-2-1:2007

Environmental testing - 
Part 2-2: Tests - Test B: Dry heat

EN 60068-2-2:2007

IEC 60068-2-2:2007

Environmental testing - 
Part 2-6: Tests - Test Fc: Vibration (sinusoidal)

EN 60068-2-6:2008

IEC 60068-2-6:2008

Information on directives and 
standards

When carrying out further processing of non-independent items of equip-
ment (components), the applicable regulations pertaining to installation 
must be observed.

The relevant device-specific regulations also apply with regard to installa-
tion in devices.
(Standards applicable at the time of going to print)

63

PHOENIX CONTACT

MCR technology

Basics

phoenixcontact-interface-technology-and-switching-devices-html.html
background image

IN

OU

T

IN

OU

T

IN

OU

T

IN

OU

T

IN

OU

T

I

R

E

I

R

E

R

E

~

R

E

~

Passive isolation, supplied on the 
input side 

The modules draw the power needed for 

signal transmission and electrical isolation 
from the active input circuit. On the output 
side, a conditioned current signal is 
provided to the controller or to actuating 
elements.

This passive isolation allows signal 

conditioning (interruption of ground loops) 
and filtering without an additional power 
supply.

Input signal

Output signal

Power via signal

3-way isolation 

In the case of modules with this isolation 

method, all components that are connected 
to the input, output or power supply are 
protected against interference from each 
other. All three directions (input, output, 
and power supply) are electrically isolated 
from one another accordingly.

The 3-way isolation provides electrical 

isolation between the measurement sensor 
and the controller as well as between the 
controller and the actuating element.

On the input side, the modules need 

active signals. On the output side, they 
provide a filtered and amplified signal.

Input signal

Output signal

POWER

Input isolation 

In the case of modules with this isolation 

method, the electronics connected on the 
output side (e.g., the controller) are to be 
protected from interference from the field. 
For this reason, only the input is electrically 
isolated from the output and the power 
supply which are at the same potential.

On the input side, the modules need 

active signals (e.g., from measurement 
sensors). On the output side, they provide 
a filtered and amplified signal (e.g., from the 
controller).

Input signal

Output signal

POWER

Repeater power supply 

Repeater power supplies use the signal 

input side not only for measured value 
acquisition, but also to provide the 
necessary power to the passive 
measurement sensors connected on the 
input side.

On the output side, they provide a 

filtered and amplified signal (e.g., from the 
controller).

The isolation method used by these 

modules is input isolation.

Input signal

Output signal

POWER

Power for the

measuring transducer

Passive isolation, supplied on the 
output side (loop-powered) 

The modules draw the power needed for 

signal transmission and electrical isolation 
from the active output circuit, ideally from a 
PLC input card that supplies power.

On the output side, the loop-powered 

modules operate with a 4 to 20 mA 
standard signal. On the input side, the 
passive isolator processes active signals. 

When this isolation method is used, it is 

important to make sure that the active 
signal source connected on the output side 
(e.g., an active PLC input card) is able to 
supply the passive isolator with power, as 
well as operate its load. 

Input signal

Output signal

Power 
via signal

Active isolation

Applications

Problem: Disruptive radiation

Solution:

Problem: Voltage difference in ground potential

Solution:

No ground current 

loop

Ground current loop

P

Ground 1

P

Ground 2

P

Ground 1

P

Ground 2

Passive isolation

64

PHOENIX CONTACT

MCR technology

Basics

phoenixcontact-interface-technology-and-switching-devices-html.html
background image

1

0000

1

000

1

00

-2

00

-1

00

0

1

00

2

00

3

00

4

00

5

00

6

00

7

00

8

00

Pt

 1

000

Pt

 1

00

Pt

 1

0

i

R

L1

R

L

2

i

R

L1

R

L

2

R

L3

1

F

e

Cu

Ni

Cu

Cu

0

2

00

4

00

6

00

8

00

1

000

12

00

14

00

16

00

1

8

00

-2

00

8

0

6

0

4

0

2

0

0

T

y

p

 

T

T

y

p

 N

T

y

p

 K

T

y

p

 J

T

y

p

 E

T

y

p

 

B

T

y

p

 

S

T

y

p

 R

For further information and full technical data, visit phoenixcontact.net/products

Three-conductor connection technology

Three-conductor 

technology is normally used 
to minimize the effect of 
cable resistances. An 
additional cable is connected 
to the resistance thermometer, so that the 
latter can be measured using two measuring 
circuits, one of which acts as a reference. In 
this way, it is possible to compensate for the 
cable resistance. 

If the same temperature 

prevails at the measuring 
junction (

1

) and the cold 

junction (

2

), no current will 

flow because the generated 
partial voltages cancel each other out. 
However, if the temperatures at the 
measuring junction and the cold junction 
are different, different voltages are 
produced. These voltages do not 
completely cancel each other out, and thus 
current flows.

A thermocouple thus always measures 

only one temperature difference. This is 
derived from the difference between the 
thermal voltages at the measuring junction 
and at the cold junction.

The voltage produced by the 

thermoelectric effect is very low; only a few 
microvolts per Kelvin.

Example:

 if a type J thermocouple (FE-CuNi) is connected to a copper 

terminal, thermal voltages with opposite signs will be generated (at the 
iron-copper and copper-constantan transitions) and cancel each other out. 

Therefore, only the difference in the 

thermal voltages between constantan 
(Cu-Ni) and iron is of relevance.

The temperature at the terminal point is 

also significant. If it is known, the 
temperature at the measuring junction can 
be derived by adding the thermal voltage 
measured at the same junction.

The MCR temperature transducers for 

thermocouples therefore detect the 
temperature at the terminal points and 
compensate this value, which is also 
referred to as the reference junction or the 
cold junction.

This process is sometimes called cold 

junction compensation.

Four-conductor connection 
technology

Four-conductor connection technology is 

an ideal connection technology for 
resistance thermometers. 

The measurement result is affected 

neither by cable resistances nor by their 
temperature-dependent fluctuations. The 
voltage drop on the supply and return lines 
can therefore be measured and 
compensated for separately. Line 
compensation is not necessary.

Two-conductor connection technology

The resistance 

thermometer is connected 
to the measurement and 
control measuring 
transducer using a two-wire cable. Please 
note that the supply cable resistances are 
added to the measured resistance and 
consequently distort the result.

A distance of 10 m should not be 

exceeded.

Example:

 a 50 meter long copper cable with a cross section of 0.5 mm

2

 

has a specific resistance of 3.4

. A Pt 100 sensor has a resistance change 

of 0.384 Ω for every 1 K temperature change. This corresponds to an er-
ror of 8.8°C.

Resistance thermometers (e.g., Pt 100, 

Ni 1000) change their resistance value 
depending on the temperature. The 
measurement and control temperature 
transducers detect this change and convert 
it into a proportional analog signal. 

To avoid unwanted self-heating of the 

sensor, the constant measured current 
used is kept as low as possible 
(MCR-T-UI... 

250 mA).

Resistance thermometers

Thermocouples

In contrast to resistance thermometers, 

thermocouples are active sources that 
generate a voltage in the microvolt range. 
The temperature difference measured 
between the measurement junction and the 
cold junction is converted into an absolute 
temperature with the help of cold junction 
compensation.

Operating principle:

If different metals are joined together, a 

thermal voltage is produced in the metal 
atoms as a result of the different binding 
energies of the electrons. This voltage is 
dependent firstly on the metals themselves 
and secondly on the temperature. 

Identical cable lengths and an identical 

ambient temperature are essential here. 

Since this is more or less the case in the 

majority of applications, three-conductor 
technology is the most commonly 
encountered today. Line compensation is 
not necessary.

Temperature [°C]

Resistance thermometers:

Resistance change as a function of the temperature 

R

e

si

sta

n

c

e

 [

]

Temperature [°C]

Th

e

rmoc

o

up

le

 v

o

lt

a

g

e

 [mV]

Thermocouples:

Change to the thermocouple voltage depending on the temperature 

65

PHOENIX CONTACT

MCR technology

Basics

phoenixcontact-interface-technology-and-switching-devices-html.html
background image

bar

4

...

2

0 mA

Switching behavior of relay or 
transistor outputs:

A different kind of switching behavior can 

be defined for each relay or each transistor 
when it reaches a preset switching point. 

All the possible settings for the switching 

behavior are shown and explained in the list:
– The first two options include hysteresis, 

i.e., the behavior of the relay depends on 
the direction from which a switching 
point is reached.

– For the remaining options, with the 

exception of the last two (“on” and “off”), 
a switching tolerance is taken into 
account to prevent the relay contact from 
“chattering”. The relay is not switched 
until the switching point plus switching 
tolerance has been reached.

– In the “on” state, the relay is permanently 

picked up. It only responds if there is an 
open circuit and it has been set to drop 
out when this happens. 

– In the “off” state, the relay only responds 

if there is an open circuit and it has been 
set to pick up when this happens.

Digital displays

Use of the freely programmable char-
acteristic curve

The freely programmable characteristic 

curve, i.e., the assignment of the displayed 
value to the input value, is important in 
process applications for indicating flow 
rates or liquid levels.

The purpose of level measurements is 

very often not to determine how much 
liquid is still inside the tank, but rather to 
establish how much has been drawn out of 
it. In this case, the characteristic curve can 
simply be inverted in order to display the 
required value.

Parameterization of the characteris-
tic curve using interpolation points

With non-linear input signals, the 

received analog values can be assigned to 
the value to be displayed by means of a 
programmable characteristic curve. This 
curve can consist of up to 24 interpolation 
points. This allows flow sensors with a 
non-linear characteristic curve to be 
adapted, for instance. The analog signal 
digital displays in the Function Line 
additionally feature a summing function 
which - to take a typical example from 
bottling technology - allows you to switch 
over at the touch of a button from the 
instantaneous value (= flow rate in l/min) to 

the total flow integrated in the background, 
which can be displayed in any unit. This 
saves space and money, because there is no 
need for a second digital display. 

Limit values can also be called at the 

touch of a button. Limit values 1 and 2 can 
be assigned to either the actual value or the 
cumulative value. If this value is exceeded, 
one of the two output relays is activated.

Other applications include indicating 

liquid levels, pressures, and temperatures. 
With servo motors, the analog output 
signals (0 to 10 V) generated by the 
tachometer can be supplied to the input of 
the digital display in order to indicate the 
motor speed.

Application: 
Pressure measurement and display on MCR-SL-D-U-I

Table:

Analog signal

Display value

Interpolation 

point 1

4 mA

15 bar

Interpolation 

point 2

20 mA

30 bar

Pressure [bar]

M

e

a

su

re

d

 va

lu

e

 [

m

A

]

Interpolation point 1

Interpolation point 2

Characteristic curve:

Relay picks up when the value is below SPL, 
hysteresis active

Relay picks up when SPH is exceeded, 
hysteresis active

Relay picks up when the value is below SPL

Relay picks up when SPL is exceeded

Relay picks up when the value is below SPH

Relay picks up when SPH is exceeded

Relay picks up when value is between SPL and SPH

Relay picks up when value is outside SPL and SPH

Relay is constantly in a de-energized state

Relay is constantly in an energized state

Possible settings for the switching behavior

SPL = Set Point Low (lower switching point)
SPH = Set Point High (upper switching point)

66

PHOENIX CONTACT

MCR technology

Basics

phoenixcontact-interface-technology-and-switching-devices-html.html
background image

For further information and full technical data, visit phoenixcontact.net/products

Non-intrinsically-safe signal transmission in 
potentially explosive areas

Electrical equipment operated in systems 

with potentially explosive areas is subject to 
different usage requirements, depending on 
the application. 

For example, electrical equipment could 

be used in the following locations when 
analog signals are being transmitted:
– Sensors and actuators can be located in 

Zone 0, Zone 1 or Zone 2.

– Signal transmitters can be located in 

Zone 1, Zone 2 or the safe area.

– The controller, e.g., PLC, is in the safe 

area.

For examples of the kinds of electrical 

devices that can be installed for the purpose 
of transmitting signals, please see the figure.

Devices must be designed to offer a 

suitable protection type if they are to be 
used in Zone 2. The MINI Analog Pro, MINI 
Analog, and MACX Analog ranges are 
designed to provide “n” protection for this 

purpose and must be installed in Zone 2 
in suitable and approved housing 
(EN 60079-15 and EN 60079-0) with at 
least IP54 protection class.

Example: 

A sensor/actuator with protection type 

“n” can be connected to an isolator from 
the MINI Analog Pro, MINI Analog or 
MACX Analog ranges in Zone 2. 

When selecting suitable devices for Zone 

2, it must be ensured that the electrical data 
of the sensors and actuators is not 
exceeded. 

If the sensors and actuators are mounted 

in flameproof enclosure housing or if they 
have their own flameproof enclosure 
housing, they can also be installed in Zone 1. 

Installation requirements

The figure shows a range of options for 

installing electrical devices in areas with a 
danger of gas explosions. Special 
requirements regarding the configuration, 
selection, and installation of electrical 
systems in areas with a danger of gas 
explosions can be found in EN 60079-14. 

In the 2008 edition, relevant content 

from EN 61241-14 was incorporated in 
EN 60079-14.

EN 61241-14 must still be observed when 

installing electrical equipment in areas 
containing combustible dust. Other 
important factors when it comes to running 
systems in potentially explosive areas are 
inspection, maintenance, and repairs. 
Specifications regarding these matters can 
be found in EN 60079-17 and EN 60079-19. 

Zone 2

Zone 1

Sensor/

actuator

Ex n

IP54* 
housing

MACX

Ex n

MACX

Ex n

IP54* 
housing

MINI

Ex n

MINI

Ex n

Housing

e.g., Ex d

Sensor/

actuator

Safe area

Housing

e.g., Ex d

Sensor/

actuator

Sensor/

actuator

Ex n

Sensor/

actuator

Ex n

MINI

Ex n

Sensor/

actuator

Ex n

MACX

Ex n

Installation of electrical devices for signal transmission

*Use of suitable housing approved for use in Zone 2

67

PHOENIX CONTACT

MCR technology

Basics

phoenixcontact-interface-technology-and-switching-devices-html.html
background image

68

PHOENIX CONTACT

Easier than ever but as slim as before

MINI Analog Pro offers you the easiest 

installation and startup in confined spaces.
– Space savings of up to 65%

Select from the following categories

– Analog  IN/OUT
– Temperature
– Frequency
– Potentiometers
– Digital IN
– Limit values
– Accessories

Easy installation

– Easily visible and accessible terminal 

points and FASTCON Pro plug-in 
connection terminal blocks

Power bridging and fault monitoring

– The DIN rail connector simplifies supply 

and enables remote diagnostics by means 
of group error monitoring

DIN-rail-connector-compatible

The DIN rail connector enables modular bridging of the 

24 V supply voltage.

MCR technology

Highly compact signal conditioners with plug-in connection technology – MINI Analog Pro

phoenixcontact-interface-technology-and-switching-devices-html.html
background image

For further information and full technical data, visit phoenixcontact.net/products

69

PHOENIX CONTACT

Numerous parameterization options

– Via DIP, PC or smartphone app

Measure current signals during 
operation

Measure signals conveniently for startup 

and servicing during operation, thanks to 
integrated knife disconnect terminal blocks.
– The circuit does not have to be 

disconnected in order to integrate the 
measuring device in the signal circuit

– By setting the connector to the 

disconnect position, signal circuits can 
be easily interrupted during servicing and 
startup

Service-friendly

– Large-surface marking areas for complete 

loop identification using standard marking 
material as well as permanently visible 
status LEDs on each module

Optimum signal quality

– The latest transmission technology and 

safe electrical isolation between input, 
output, and supply with 3 kV test voltage

Choice of connection technology

– Wiring with screw connection or fast 

and tool-free with Push-in connection 
technology

Suitable for any application

– Extended supply voltage and temperature 

range as well as multifunctional device 
types

App functions via NFC communication

Configuration via NFC

– Call module information
– Display DIP switch setting help
– Wireless configuration via smartphone

DIP switch setting help

– Call module information
– Display DIP switch setting help on the smartphone

Access to information

– Call module information

MCR technology

Highly compact signal conditioners with plug-in connection technology – MINI Analog Pro

phoenixcontact-interface-technology-and-switching-devices-html.html
background image

OU

T

IN

P

O

W

ER

U,I

U,I

F

M

pass

iv

e

IN

OU

T

5

6

Z

o

n

e

 2

4-

w

ire

U

S

1

2

Se

n

sor

 / F

iel

d

P

LC / DC

S

OU

T

U, I+

OU

T

U, I–

P

W

R+

P

W

R–

+

+

+

+

F

M

1

5

2

3

7

4

8

OU

T

 U, I–

P

W

R–

IN U, I+

IN U, I–

RO–

OU

T

 U, I+

T

I+

T

I–

P

W

R+

RO+

6

S

-

Port

a

c

t

iv

e

Ex: 

 

Housing width 6.2 mm

Technical data

Input data

U input

I input

Input signal (configurable via DIP switch or freely via software)

0 V ... 10 V

2 V ... 10 V

0 V ... 5 V

1 V ... 5 V

10 V ... 0 V

10 V ... 2 V

5 V ... 0 V

5 V ... 1 V

0 V ... 12 V

0 mA ... 20 mA

4 mA ... 20 mA

0 mA ... 10 mA

2 mA ... 10 mA

20 mA ... 0 mA

20 mA ... 4 mA

10 mA ... 0 mA

10 mA ... 2 mA

0 mA ... 24 mA

Input resistance

> 120 k

approx. 50 

 

(+ 0.7 V for test diode)

Output data

U output

I output

Output signal (configurable via DIP switch or freely via software)

0 V ... 10 V

2 V ... 10 V

0 V ... 5 V

1 V ... 5 V

0 V ... 10.5 V

0 mA ... 20 mA

4 mA ... 20 mA

0 mA ... 10 mA

2 mA ... 10 mA

0 mA ... 21 mA

Maximum output signal

approx. 12.3 V

24.6 mA

Load R

B

 10 k

 600 

 (at 20 mA)

Ripple

< 20 mV

PP

 (at 600 

)

< 20 mV

PP

 (at 600 

)

Switching output

Relay output

1 N/O contact

Max. switching voltage

30 V DC

Maximum switching current

100 mA (at 30 V)

General data

U output

I output

Supply voltage range

9.6 V DC ... 30 V DC

Nominal supply voltage

24 V DC

Current consumption

32 mA (24 V DC)

63 mA (12 V DC)

Power consumption

 1 W (at I

OUT

 = 20 mA, 9.6 V DC, 

600 

 load)

Maximum transmission error

0.1 % (of final value)

Temperature coefficient

0.01 %/K , typ. 0.01 %/K

Step response (10-90%)

approx. 140 ms (15 Hz sample rate)

approx. 45 ms (60 Hz sample rate)

approx. 25 ms (240 Hz sample rate)

Electrical isolation

Reinforced insulation in accordance with IEC 61010-1

Test voltage, input/output/supply

3 kV (50 Hz, 1 min.)

Ambient temperature (operation)

-40 °C ... 70 °C

Dimensions W/H/D

6.2 / 110.5 / 120.5 mm

EMC note

Class A product, see page 605

Conformance/Approvals

Conformance

CE-compliant

ATEX

 II 3 G Ex nA IIC T4 Gc X

UL, USA/Canada

UL 508 Listed

Class I, Div. 2, Groups A, B, C, D T6

Class I, Zone 2, Group IIC T6

GL

GL applied for

Ordering data

Description

 

 

Type

Order No.

Pcs./

Pkt.

4-way signal conditioner with switching output,

 for

electrical isolation of analog signals

Standard configuration

Push-in connection

MINI MCR-2-UNI-UI-UIRO-PT

2902028

1

Standard configuration

Screw connection

MINI MCR-2-UNI-UI-UIRO

2902026

1

Order configuration

Push-in connection

MINI MCR-2-UNI-UI-UIRO-PT-C

2902027

1

Order configuration

Screw connection

MINI MCR-2-UNI-UI-UIRO-C

2902024

1

Accessories

Programming adapter

 for configuring modules with 

S-PORT interface

IFS-USB-PROG-ADAPTER

2811271

1

Programming adapter

 for configuring modules with 

NFC interface

NFC-USB-PROG-ADAPTER

2900013

1

Bluetooth programming adapter, 

with USB and 

S-PORT interface

IFS-BT-PROG-ADAPTER

2905872

1

70

PHOENIX CONTACT

– Universally configurable, highly compact 

signal conditioner with switching output 
for electrical isolation, conversion, 
amplification, and filtering of standard 
analog signals

– Plug-in connection system
– Safe 4-way isolation
– Standard signal combinations configurable 

via DIP switches

– Freely configurable with software or 

smartphone app

– Power supply and fault monitoring 

possible via DIN rail connector

– Limiting behavior at the output 

configurable

– Status and error indicator LEDs

Notes:

The configuration software can be downloaded from the Internet: 

phoenixcontact.net/products.

Information on the programming adapters can be found on 

page 105

Information on MINI Analog Pro accessories can be found from 

page 101

To order a product with an order configuration, please enter the 

desired configuration by referring to the order key.

Analog IN/Analog OUT
4-way signal conditioner

MCR technology

Highly compact signal conditioners with plug-in connection technology – MINI Analog Pro

Universal 4-way signal conditioner with 

switching output, configurable

phoenixcontact-interface-technology-and-switching-devices-html.html
background image

For further information and full technical data, visit phoenixcontact.net/products

71

PHOENIX CONTACT

Order key for MINI MCR-2-UNI-UI-UIRO(-PT)(-C) 4-way signal conditioners

 (standard configuration entered as an example)

Order No.

Input

Sample rate

Output

Output 

limitation

Input signal

Start

End

Output signal

Start

End

2902024

/

I

/

0.0

/

20.0

/

15

/

I

/

0.0

/

20.0

/

0

/ ...

2902024

 

 

MINI MCR-2-

UNI-UI-UIRO-C

 

I

0.0 

 0 mA

20.0 

 20 mA

15 

 

15 Hz

 

I

0.0 

 0 mA

20.0 

 20 mA

 OFF

 

U

I: freely 

selectable 

between 

0.0 ... 24 mA

I: freely 

selectable 

between 

0.0 ... 24 mA

60 

 

60 Hz

 

U

I:  freely 

selectable 

between 

0.0 ... 21 mA

I: freely 

selectable 

between 

0.0 ... 21 mA

 ON

240 

 

240 Hz

2902027

 

 

MINI MCR-2-

UNI-UI-UIRO-PT-C

U: freely 

selectable 

between 

0.0 ... 12 V

U: freely 

selectable 

between 

0.0 ... 12 V

U: freely 

selectable 

between 

0.0 ... 10.5 V

U: freely 

selectable 

between 

0.0 ... 10.5 V

Measuring range span at least 0.5 V / 1 mA

Increment 0.1 V / 0.1 mA

Output signal span at least 0.5 V / 1 mA

Increment 0.1 V / 0.1 mA

Failure information

Behavior in the event of an error

Open circuit/short circuit

Measured value overrange

Measured value underrange

... /

NE43DO

/

0.0

/

0.0

/

0.0

FD 

 Freely definable

0.0 

 0 mA

I: freely selectable between 

0.0 ... 21.5 mA

U: freely selectable between 

0.0 ... 11 V

(free definition only for 

unlimited output)

(signal type corresponds to 

selected output signal)

0.0 

 0 mA

I: freely selectable between 

0.0 ... 21.5 mA

U: freely selectable between 

0.0 ... 11 V

(free definition only for 

unlimited output)

(signal type corresponds to 

selected output signal)

0.0 

 0 mA

I: freely selectable between 

0.0 ... 21.5 mA

U: freely selectable between 

0.0 ... 11 V

(free definition only for 

unlimited output)

(signal type corresponds to 

selected output signal)

Note: Failure information according to NE 43 can only be selected for 4 ... 20 mA output

NE43UP 

 NE 43 upscale 

21.5 mA

21.5 mA

21.5 mA

NE43DO 

 NE 43 downscale 

3.5 mA

3.5 mA

3.5 mA

NE430 

 NE 43 0 mA 

0 mA

0 mA

0 mA

NE43UD 

 NE 43 upscale/downscale 

3.5 mA

21.5 mA

21.5 mA

MCR technology

Highly compact signal conditioners with plug-in connection technology – MINI Analog Pro

phoenixcontact-interface-technology-and-switching-devices-html.html
background image

P

O

W

ER

U,I

U,I

OU

T

IN

F

M

Z

o

n

e

 2

pass

iv

e

IN

Se

n

sor

 / F

iel

d

OU

T

P

LC / DC

S

4-

w

ire

OU

T

U,I

G

ND

U

S

5

6

1

2

P

W

R+

P

W

R–

+

+

+

+

P

W

R+

F

M

1

5

2

6

3

7

4

8

a

c

t

iv

e

OU

T

 U, I–

P

W

R–

IN U, I+

IN U, I–

P

W

R+

P

W

R–

OU

T

 U, I+

T

I+

T

I–

 

Ex: 

 

Housing width 6.2 mm

Technical data

Input data

U input

I input

Input signal (configurable using the DIP switch)

0 V ... 5 V

1 V ... 5 V

-5 V ... 5 V

0 V ... 10 V

2 V ... 10 V

-10 V ... 10 V

0 V ... 20 V

4 V ... 20 V

-20 V ... 20 V

0 V ... 24 V

4.8 V ... 24 V

-24 V ... 24 V

0 V ... 30 V

6 V ... 30 V

-30 V ... 30 V

0 mA ... 20 mA

4 mA ... 20 mA

-20 mA ... 20 mA

Input resistance

> 1000 k

approx. 63 

 (+ 0.7 V for test diode)

Output data

U output

I output

Output signal (configurable using the DIP switch)

0 V ... 5 V

1 V ... 5 V

-5 V ... 5 V

0 V ... 10 V

2 V ... 10 V

-10 V ... 10 V

0 mA ... 20 mA

4 mA ... 20 mA

Maximum output signal

22 mA

No-load voltage

< 17 V

Short-circuit current

< 32 mA

Load R

B

 10 k

 600 

 (at 20 mA)

Ripple

< 20 mV

PP

 (at 600 

)

< 20 mV

PP

 (at 600 

)

General data

U output

I output

Supply voltage range

9.6 V DC ... 30 V DC

Nominal supply voltage

24 V DC

Current consumption

25 mA (Current output, at 24 V 

DC incl. load)

54 mA (Current output, at 

12 V DC incl. load)

Power consumption

 800 mW (at I

OUT

 = 20 mA, 

9.6 V DC, 600 

 load)

Maximum transmission error

 0.1 % (of final value)

Temperature coefficient

0.01 %/K , typ. 0.01 %/K

Limit frequency (3 dB)

30 Hz (via DIP switch)

Step response (10-90%)

< 8.5 ms (with 30 Hz filter)

Electrical isolation

Reinforced insulation in accordance with IEC 61010-1

Test voltage, input/output/supply

3 kV (50 Hz, 1 min.)

Degree of protection

IP20

Ambient temperature (operation)

-40 °C ... 70 °C

Mounting

any

Housing material

PBT

Dimensions W/H/D

6.2 / 110.5 / 120.5 mm

Push-in connection solid/stranded/AWG

0.14 ... 2.5 mm² / 0.14 ... 2.5 mm² / 24 - 12

Screw connection solid/stranded/AWG

0.2 ... 1.5 mm² / 0.2 ... 1.5 mm² / 24 - 12

EMC note

Class A product, see page 605

Conformance/Approvals

Conformance

CE-compliant

ATEX

 II 3 G Ex nA IIC T4 Gc X

UL, USA/Canada

UL 508 Listed

Class I, Div. 2, Groups A, B, C, D T6

Class I, Zone 2, Group IIC T6

DNV GL

C, EMC2

Ordering data

Description

 

 

Type

Order No.

Pcs./

Pkt.

3-way signal conditioner

, for electrical isolation of analog signals

Standard configuration

Push-in connection

MINI MCR-2-UI-UI-PT

2902040

1

Standard configuration

Screw connection

MINI MCR-2-UI-UI

2902037

1

Order configuration

Push-in connection

MINI MCR-2-UI-UI-PT-C

2902039

1

Order configuration

Screw connection

MINI MCR-2-UI-UI-C

2902036

1

72

PHOENIX CONTACT

– Configurable, ultra-compact signal 

conditioner for electrical isolation, 
conversion, amplification, and filtering of 
standard analog signals

– Plug-in connection system
– Safe 3-way isolation
– Standard signal combinations configurable 

via DIP switches

– Power supply and fault monitoring 

possible via DIN rail connector

– Status  LED

Notes:

Information on MINI Analog Pro accessories can be found from 

page 101

To order a product with an order configuration, please enter the 

desired configuration by referring to the order key.

Analog IN/Analog OUT
3-way signal conditioner

MCR technology

Highly compact signal conditioners with plug-in connection technology – MINI Analog Pro

3-way signal conditioner for standard signals, 

configurable

phoenixcontact-interface-technology-and-switching-devices-html.html
background image

For further information and full technical data, visit phoenixcontact.net/products

73

PHOENIX CONTACT

Order key for MINI MCR-2-UI-UI(-PT)(-C) 3-way signal conditioners 

(standard configuration entered as an example)

Order No.

Input

Output

Cut-off frequency

2902036

/

IN03

/

OUT01

/

5K

2902036

 

 

MINI MCR-2-

UI-UI-C

IN 01 

 0 ... 20 mA

OUT 01 

 0 ... 20 mA

30 Hz

IN 02 

 4 ... 20 mA

OUT 02 

 4 ... 20 mA

5 kHz

IN 03 

 0 ... 10 V

OUT 03 

 0 ... 10 V

IN 04 

 2 ... 10 V

OUT 04 

 2 ... 10 V

2902039

 

 

MINI MCR-2-

UI-UI-PT-C

IN 05 

 0 ... 5 V

OUT 05 

 0 ... 5 V

IN 06 

 1 ... 5 V

OUT 06 

 1 ... 5 V

IN 21 

 -5 ... 5 V

OUT 13 

 -5 ... 5 V

IN 22 

 -10 ... 10 V

OUT 14 

 -10 ... 10 V

IN 23 

 -20 ... 20 V

IN 32 

 0 ... 20 V

IN 35 

 -20 ... 20 mA

IN 38 

 0 ... 24 V

IN 39 

 0 ... 30 V

IN 80 

 -30 ... 30 V

IN 93 

 -24 ... 24 V

IN 94 

 4.8 ... 24 V

IN 95 

 6 ... 30 V

IN 96 

 4 ... 20 V

Signal combinations for MINI MCR-2-UI-UI(-PT)(-C) signal conditioners

Output

Input

0 ... 20 mA

4 ... 20 mA

0 ... 5 V

1 ... 5 V

-5 ... 5 V

0 ... 10 V

2 ... 10 V

-10 ... 10 V

0 ... 20 mA

X

X

X

X

X

X

X

X

4 ... 20 mA

X

X

X

X

X

X

X

X

-20 ... 20 mA

X

X

X

X

X

X

X

X

0 ... 5 V

X

X

X

X

X

X

X

X

1 ... 5 V

X

X

X

X

X

X

X

X

-5 ... 5 V

X

X

X

X

X

X

X

X

0 ... 10 V

X

X

X

X

X

X

X

X

2 ... 10 V

X

X

X

X

X

X

X

X

-10 ... 10 V

X

X

X

X

X

X

X

X

0 ... 20 V

X

X

X

X

X

X

X

X

4 ... 20 V

X

X

X

X

X

X

X

X

-20 ... 20 V

X

X

X

X

X

X

X

X

0 ... 24 V

X

X

X

X

X

X

X

X

4.8 ... 24 V

X

X

X

X

X

X

X

X

-24 ... 24 V

X

X

X

X

X

X

X

X

0 ... 30 V

X

X

X

X

X

X

X

X

6 ... 30 V

X

X

X

X

X

X

X

X

-30 ... 30 V

X

X

X

X

X

X

X

X

MCR technology

Highly compact signal conditioners with plug-in connection technology – MINI Analog Pro

phoenixcontact-interface-technology-and-switching-devices-html.html
background image

P

O

W

ER

U,I

U,I

OU

T

IN

F

M

Z

o

n

e

 2

IN

Se

n

sor

 / F

iel

d

OU

T

P

LC / DC

S

4-

w

ire

OU

T

U+

U

S

5

6

1

2

OU

T

U-

P

W

R+

P

W

R–

+

+

+

+

F

M

1

5

2

6

3

7

4

8

IN U+

OU

T

 I+

T

I+

P

W

R+

OU

T

 I–

P

W

R–

IN U–

P

W

R+

P

W

R–

a

c

t

iv

e

pass

iv

e

 

Ex: 

 

Technical data

Input data

U input

I input

Input resistance

approx. 1 M

approx. 63 

 

(+ 0.7 V for test diode)

Output data

U output

I output

Maximum output signal

11 V

22 mA

No-load voltage

< 17 V

Short-circuit current

< 15 mA

Load R

B

 10 k

 600 

 (at 20 mA)

Ripple

< 20 mV

PP

 (at 10 k

)

< 20 mV

PP

 (at 600 

)

General data

Supply voltage U

B

9.6 V DC ... 30 V DC

Nominal supply voltage

24 V DC

Typ. current consumption

25 mA (24 V DC)

Maximum transmission error

0.1 % (of final value)

Temperature coefficient

0.01 %/K , typ. 0.01 %/K

Limit frequency (3 dB)

approx. 30 Hz

Step response (10-90%)

approx. 10 ms

Degree of protection

IP20

Electrical isolation

Reinforced insulation in accordance with IEC 61010-1

Test voltage, input/output/supply

3 kV (50 Hz, 1 min.)

Ambient temperature (operation)

-40 °C ... 70 °C

Housing material

PBT

Dimensions W/H/D

6.2 / 110.5 / 120.5 mm

Push-in connection solid/stranded/AWG

0.14 ... 2.5 mm² / 0.14 ... 2.5 mm² / 24 - 12

Screw connection solid/stranded/AWG

0.2 ... 1.5 mm² / 0.2 ... 1.5 mm² / 24 - 12

EMC note

Class A product, see page 605

Conformance/Approvals

Conformance

CE-compliant

ATEX

 II 3 G Ex nA IIC T4 Gc X

UL, USA/Canada

UL 508 Listed

Class I, Div. 2, Groups A, B, C, D T6

Class I, Zone 2, Group IIC T6

DNV GL

C, EMC2

Ordering data

Description

Input signal

Output signal

Type

Order No.

Pcs./

Pkt.

3-way signal conditioner

, for electrical isolation of analog signals

Push-in connection

0 ... 10 V

0 ... 20 mA

MINI MCR-2-U-I0-PT

2902023

1

Screw connection

0 ... 10 V

0 ... 20 mA

MINI MCR-2-U-I0

2902022

1

 

 

 

Push-in connection

0 ... 10 V

4 ... 20 mA

MINI MCR-2-U-I4-PT

2902030

1

Screw connection

0 ... 10 V

4 ... 20 mA

MINI MCR-2-U-I4

2902029

1

 

 

 

Push-in connection

0 ... 20 mA

0 ... 10 V

MINI MCR-2-I0-U-PT

2902001

1

Screw connection

0 ... 20 mA

0 ... 10 V

MINI MCR-2-I0-U

2902000

1

 

 

 

Push-in connection

4 ... 20 mA

0 ... 10 V

MINI MCR-2-I4-U-PT

2902003

1

Screw connection

4 ... 20 mA

0 ... 10 V

MINI MCR-2-I4-U

2902002

1

 

 

 

Push-in connection

0 ... 20 mA,

4 ... 20 mA

0 ... 20 mA,

4 ... 20 mA

MINI MCR-2-I-I-PT

2901999

1

Screw connection

0 ... 20 mA,

4 ... 20 mA

0 ... 20 mA,

4 ... 20 mA

MINI MCR-2-I-I

2901998

1

 

 

 

Push-in connection

0 ... 10 V,

-10 ... 10 V

0 ... 10 V,

-10 ... 10 V

MINI MCR-2-U-U-PT

2902043

1

Screw connection

0 ... 10 V,

-10 ... 10 V

0 ... 10 V,

-10 ... 10 V

MINI MCR-2-U-U

2902042

1

74

PHOENIX CONTACT

– Highly compact signal conditioner for 

electrical isolation, conversion, 
amplification, and filtering of standard 
analog signals

– Fixed signal combinations
– Plug-in connection system
– Safe 3-way isolation
– Power supply and fault monitoring 

possible via DIN rail connector

– Status  LED

Notes:

Information on MINI Analog Pro accessories can be found from 

page 101

Analog IN/Analog OUT
3-way signal conditioner

MCR technology

Highly compact signal conditioners with plug-in connection technology – MINI Analog Pro

3-way signal conditioner with 

fixed signal combinations

phoenixcontact-interface-technology-and-switching-devices-html.html
background image

P

O

W

ER

I

I

OU

T

IN

P

O

W

ER

F

M

PWR

+

PWR

+

+

+

pass

i

ve

I

N

OUT

FM

1

5

2

6

3

7

4

8

5

6

Z

o

n

e

 

2

2

-

w

i

re

1

2

OUT

I–

PWR

PWR

 

OUT

 +

I

N

 I–

Se

n

sor

 

/

 Fi

e

l

d

P

L

C

 

/

 

DCS

OUT

I+

PWR

I

N

+

OUT

 I–

T

I+

PWR

+

I

N

 I+

4-

w

i

re

U

S

3

4

3

-

w

i

re

1

4

3

PWR

I

N

+

OUT

 I–

OUT

 I+

OUT

 I–

OUT

 I+

I

N

 I–

T

I–

T

I+

act

i

ve

+

For further information and full technical data, visit phoenixcontact.net/products

 

Ex: 

 

Housing width 6.2 mm

Technical data

Input data

Input signal

0 ... 20 mA , isolator operation / 

4 ... 20 mA , repeater power supply and isolator operation

Input resistance

approx. 68 

 (+ 0.7 V for test diode)

Transmitter supply voltage

> 19.5 V

Output data

Output signal

0 ... 20 mA / 4 ... 20 mA

Maximum output signal

24 mA

No-load voltage

< 20 V

Load R

B

 600 

 (at 20 mA)

Ripple

< 20 mV

PP

 (at 600 

)

General data

Supply voltage range

9.6 V DC ... 30 V DC

Nominal supply voltage

24 V DC

Current consumption

25 mA (at 24 V DC and in isolator operation)

Power consumption

 1400 mW (at I

OUT

 = 20 mA, 9.6 V DC, 600 

 load)

Maximum transmission error

0.1 % (of final value)

Temperature coefficient

0.01 %/K , typ. 0.01 %/K

Limit frequency (3 dB)

> 1.75 kHz (typ.)

Step response (10-90%)

< 200 µs (typ.)

Electrical isolation

Reinforced insulation in accordance with IEC 61010-1

Test voltage, input/output/supply

3 kV (50 Hz, 1 min.)

Degree of protection

IP20

Ambient temperature (operation)

-40 °C ... 70 °C

Mounting

any

Housing material

PBT

Dimensions W/H/D

6.2 / 110.5 / 120.5 mm

Push-in connection solid/stranded/AWG

0.14 ... 2.5 mm² / 0.14 ... 2.5 mm² / 24 - 12

Screw connection solid/stranded/AWG

0.2 ... 1.5 mm² / 0.2 ... 1.5 mm² / 24 - 12

EMC note

Class A product, see page 605

Conformance/Approvals

Conformance

CE-compliant

ATEX

 II 3 G Ex nA IIC T4 Gc X

UL, USA/Canada

UL 508 Listed

Class I, Div. 2, Groups A, B, C, D T5

Class I, Zone 2, Group IIC T5

DNV GL

C, EMC2

Ordering data

Description

 

 

Type

Order No.

Pcs./

Pkt.

3-way repeater power supply

Push-in connection

MINI MCR-2-RPSS-I-I-PT

2902015

1

Screw connection

MINI MCR-2-RPSS-I-I

2902014

1

75

PHOENIX CONTACT

– Highly compact repeater power supply 

for electrical isolation, conversion, 
amplification, and filtering of standard 
analog signals

– Supply of 2-wire and passive 3-wire 

sensors

– Can also be used as an isolator without 

supply

– Plug-in connection system
– Safe 3-way isolation
– Power supply and fault monitoring 

possible via DIN rail connector

– Status  LED

Notes:

Information about power bridging, system cabling, and marking 

components can be found from page 98

Analog IN/Analog OUT
3-way repeater power supply

MCR technology

Highly compact signal conditioners with plug-in connection technology – MINI Analog Pro

3-way repeater power supply

phoenixcontact-interface-technology-and-switching-devices-html.html
background image

P

O

W

ER

U, I

U, I

OU

T

2

IN

U, I

OU

T

1

F

M

pass

i

ve

pass

i

ve

I

N

OUT

5

3

6

4

Z

o

n

e

 

2

4-

w

i

re

U

S

1

2

Se

n

sor

 

/

 Fi

e

l

d

P

L

C

 

/

 

DCS

OUT

U

, I+

OUT

U

, I–

PWR

+

PWR

+

+

+

+

FM

1

5

2

3

7

4

8

OUT

U

, I–

PWR

I

N

 

U

, I+

I

N

 

U

, I–

act

i

ve

OUT

U

, I+

T

I+

T

I–

T

I+

PWR

+

OUT

 

2

 

U

, I+

OUT

 

2

 

U

, I–

6

S

-

Port

act

i

ve

 

Ex: 

Housing width 6.2 mm

Technical data

Input data

U input

I input

Input signal (configurable via DIP switch or freely via software)

0 V ... 10 V

2 V ... 10 V

0 V ... 5 V

1 V ... 5 V

0 V ... 12 V

0 mA ... 20 mA

4 mA ... 20 mA

0 mA ... 10 mA

20 mA ... 0 mA

0 mA ... 24 mA

Maximum input signal

12 V

24 mA

Input resistance

> 120 k

approx. 50 

 

(+ 0.7 V for test diode)

Output data

U output

I output

Output signal (configurable via DIP switch or freely via software)

0 V ... 10 V

2 V ... 10 V

0 V ... 5 V

1 V ... 5 V

0 V ... 10.5 V

0 mA ... 20 mA

4 mA ... 20 mA

0 mA ... 10 mA

20 mA ... 0 mA

0 mA ... 21 mA

Maximum output signal

approx. 12.3 V

24.6 mA

No-load voltage

 18.5 V

Short-circuit current

 25 mA

Load R

B

 10 k

 600 

 (per channel)

Ripple

< 20 mV

PP

 (at 600 

)

< 20 mV

PP

 (at 600 

)

General data

U output

I output

Supply voltage range

9.6 V DC ... 30 V DC

Nominal supply voltage

24 V DC

Current consumption

55 mA (24 V DC)

110 mA (12 V DC)

Power consumption

1.5 W (at I

OUT

 = 20 mA, 

9.6 V DC, 600 

 load)

Maximum transmission error

0.1 % (of final value)

Temperature coefficient

0.01 %/K

Step response (10-90%)

approx. 140 ms (15 Hz sample rate)

approx. 45 ms (60 Hz sample rate)

approx. 25 ms (240 Hz sample rate)

Electrical isolation

Reinforced insulation in accordance with IEC 61010-1

Test voltage, input/output/supply

3 kV (50 Hz, 1 min.)

Degree of protection

IP20

Ambient temperature (operation)

-40 °C ... 70 °C

Mounting

any

Housing material

PBT

Dimensions W/H/D

6.2 / 110.5 / 120.5 mm

Push-in connection solid/stranded/AWG

0.14 ... 2.5 mm² / 0.14 ... 2.5 mm² / 24 - 12

Screw connection solid/stranded/AWG

0.2 ... 1.5 mm² / 0.2 ... 1.5 mm² / 24 - 12

EMC note

Class A product, see page 605

Conformance/Approvals

Conformance

CE-compliant

ATEX

 II 3 G Ex nA IIC T4 Gc X

UL, USA/Canada

UL 508 Listed

Class I, Div. 2, Groups A, B, C, D T6

Class I, Zone 2, Group IIC T6

GL

GL applied for

Ordering data

Description

 

 

Type

Order No.

Pcs./

Pkt.

4-way signal duplicator,

 with independently adjustable outputs

Standard configuration

Push-in connection

MINI MCR-2-UNI-UI-2UI-PT

2905028

1

Standard configuration

Screw connection

MINI MCR-2-UNI-UI-2UI

2905026

1

Order configuration

Push-in connection

MINI MCR-2-UNI-UI-2UI-PT-C

2905027

1

Order configuration

Screw connection

MINI MCR-2-UNI-UI-2UI-C

2905025

1

Accessories

Programming adapter

 for configuring modules with 

S-PORT interface

IFS-USB-PROG-ADAPTER

2811271

1

Programming adapter

 for configuring modules with 

NFC interface

NFC-USB-PROG-ADAPTER

2900013

1

Bluetooth programming adapter, 

with USB and 

S-PORT interface

IFS-BT-PROG-ADAPTER

2905872

1

76

PHOENIX CONTACT

– Universally configurable, highly compact 

4-way signal duplicator

– For electrical isolation, conversion, 

amplification, and filtering of standard 
signals

– Independently adjustable outputs
– Input side for current signals from 0 to 

24 mA or voltage signals from 0 to 12 V

– Supports fault monitoring
– Plug-in connection system
– Safe 4-way isolation
– Standard behavior can be configured via 

DIP switches

– Freely configurable via software or 

smartphone app

– Power supply and fault monitoring 

possible via DIN rail connector

– Status and error indicator LEDs

Notes:

To order a product with an order configuration, enter the required 

configuration by referring to the adjacent order key.

Analog IN/Analog OUT
4-way signal duplicator

MCR technology

Highly compact signal conditioners with plug-in connection technology – MINI Analog Pro

4-way signal duplicator

phoenixcontact-interface-technology-and-switching-devices-html.html
background image

For further information and full technical data, visit phoenixcontact.net/products

77

PHOENIX CONTACT

Order key for MINI MCR-2-UNI-UI-2UI(-PT)(-C) 4-way signal duplicators

 (standard configuration entered as an example)

Order No.

Input

Output

Output 

limitation

Input signal

Start

End

Output 1

Output 2

2905025

/

I

/

0.0

/

20.0

/

I

/

0.0

/

0

2905025

 

 

MINI MCR-2-

UNI-UI-2UI-C

 

I

0.0 

 0 mA

20.0 

 20 mA

OUT01 

 0 ... 20 mA

OUT01 

 0 ... 20 mA

 OFF

 

U

I: freely selectable 

between 0.0 ... 24 mA

I: freely selectable 

between 0.0 ... 24 mA

OUT02 

 4 ... 20 mA

OUT02 

 4 ... 20 mA

 ON

OUT03 

 0 ... 10 V

OUT03 

 0 ... 10 V

OUT04 

 2 ... 10 V

OUT04 

 2 ... 10 V

2905027

 

 

MINI MCR-2-

UNI-UI-2UI-PT-C

OUT05 

 0 ... 5 V

OUT05 

 0 ... 5 V

OUT06 

 1 ... 5 V

OUT06 

 1 ... 5 V

U: freely selectable 

between 0.0 ... 12 V

U: freely selectable 

between 0.0 ... 12 V

OUT16 

 0 ... 10 mA

OUT16 

 0 ... 10 mA

OUT07 

 20 ... 0 mA

OUT07 

 20 ... 0 mA

OUT08 

 20 ... 4 mA

OUT08 

 20 ... 4 mA

Measuring range span at least 0.5 V / 1 mA

Increment 0.1 V / 0.1 mA

Output signal span at least 0.5 V / 1 mA

Increment 0.1 V / 0.1 mA

MCR technology

Highly compact signal conditioners with plug-in connection technology – MINI Analog Pro

phoenixcontact-interface-technology-and-switching-devices-html.html
background image

U

3

,1 V

V

MI

N

I M

CR

-

2

-I-I-IL

P

4-

w

i

re

U

E

I

I

R

B

U

S

I

U

=

30

DC

S

U

U

3

,

1

V + 

20

 

m

A x 

R

s

E

B

OU

T

IN

I

I

I

I

IN

OU

T

P

O

W

ER

P

O

W

ER

Z

o

n

e

 2

pass

iv

e

pass

iv

e

IN

Se

n

sor

 / F

iel

d

OU

T

P

LC / DC

S

4-

w

ire

4-

w

ire

OU

T

 I+

OU

T

 I+

OU

T

 I-

OU

T

 I-

U

S

U

S

5

7

6

8

1

3

2

4

+

+

1

2

6

4

a

c

t

iv

e

OU

T

 I1–

IN I1+

IN I1–

IN I2–

OU

T

 I1+

T

I+

+

7

8

a

c

t

iv

e

OU

T

 I2–

OU

T

 I2+

T

I+

T

I–

5

+ 3

IN I2+

IN I2-

T

I–

ma

x

3

0

VDC

P

W

R

ma

x

3

0

VDC

P

W

R

 

Ex: 

Housing width 6.2 mm

Technical data

Input data

Input signal

0 ... 20 mA / 4 ... 20 mA

Input voltage limitation

30 V

Voltage drop

3.1 V (I = 20 mA)

Response current

approx. 200 µA

Output data

Output signal

0 ... 20 mA / 4 ... 20 mA

Load R

B

< 600 

 (at I = 20 mA output signal)

Transmission behavior

1:1 to input signal

General data

Maximum transmission error

 0.1 % (of final value)

Additional error per 100 

 load

< 0.075 % (of measured value / 100 

 load)

Temperature coefficient

 0.002 %/K (of measured value / 100 

 load)

Limit frequency (3 dB)

100 Hz

Electrical isolation

Reinforced insulation in accordance with IEC 61010-1

Test voltage, input/output/supply

3 kV (50 Hz, 1 min.)

Degree of protection

IP20

Ambient temperature (operation)

-40 °C ... 70 °C

Mounting

any

Housing material

PBT

Dimensions W/H/D

6.2 / 110.5 / 120.5 mm

Push-in connection solid/stranded/AWG

0.14 ... 2.5 mm² / 0.14 ... 2.5 mm² / 24 - 12

Screw connection solid/stranded/AWG

0.2 ... 1.5 mm² / 0.2 ... 1.5 mm² / 24 - 12

Conformance/Approvals

Conformance

CE-compliant

ATEX

 II 3 G Ex nA IIC T4 Gc X

UL, USA/Canada

UL 508 Listed

Class I, Div. 2, Groups A, B, C, D T6

Class I, Zone 2, Group IIC T6

GL

GL applied for

Ordering data

Description

 

 

Type

Order No.

Pcs./

Pkt.

Input loop-powered 2-way isolator, 

for isolating current signals 

without auxiliary power

single-channel

Push-in connection

MINI MCR-2-I-I-ILP-PT

2901995

1

single-channel

Screw connection

MINI MCR-2-I-I-ILP

2901994

1

two-channel

Push-in connection

MINI MCR-2-2I-2I-ILP-PT

2901997

1

two-channel

Screw connection

MINI MCR-2-2I-2I-ILP

2901996

1

78

PHOENIX CONTACT

– Highly compact 2-way repeater power 

supply

– Input loop-powered
– Does not require any additional auxiliary 

voltage

– For electrical isolation and filtering of 

analog signals

– Powered via the current loop of the 

sensor

– Input signal = output signal 0(4) to 20 mA
– Plug-in connection system
– Status  LED

Notes:

Information on MINI Analog Pro accessories can be found from 

page 101

Analog IN/Analog OUT
2-way passive isolator, 
input loop-powered

MCR technology

Highly compact signal conditioners with plug-in connection technology – MINI Analog Pro

new

Either 1 or 2-channel

phoenixcontact-interface-technology-and-switching-devices-html.html
background image

U

,I

I

P

O

WE

R

I

N

OU

T

Z

o

n

e

 

2

I

N

OUT

Se

n

sor

 

/

 Fi

e

l

d

4-

w

i

re

OUT

 I+

OUT

 I-

U

S

1

2

4-

w

i

re

OUT

 

U

+

OUT

 

U

-

U

S

3

4

+

+

+

1

2

6

4

pass

i

ve

OUT

I

I

N

 I+

I

N

 I–

I

N

 

U

+

I

N

 

U

PWR

 I

n

T

I+

7

8

T

I–

5

3

P

L

C

 

/

 

DCS

PWR

act

i

ve

5

6

For further information and full technical data, visit phoenixcontact.net/products

 

Ex: 

Housing width 6.2 mm

Technical data

Input data

U input

I input

Input signal (configurable using the DIP switch)

2 ... 10 V , additional areas can be configured, see table

Maximum input signal

< 30 V

50 mA (Dielectric strength up to 30 V)

Input resistance

approx. 100 k

 (At 

 1 V, 

otherwise approximately 1 M

)

25 

 (+ 0.7 V for test diode)

Output data

Output signal

4 ... 20 mA

Maximum output signal

32 mA

Load R

B

(U

- 8 V) / 22 mA

Ripple

< 10 mV

rms

 (at 600 

)

General data

Current consumption

 20 mA

Maximum transmission error

 0.1 % (of final value)

Temperature coefficient

0.01 %/K , typ. 0.005 %/K

Limit frequency (3 dB)

approx. 30 Hz

Step response (10-90%)

20 ms

Electrical isolation

Reinforced insulation in accordance with IEC 61010-1

Test voltage, input/output/supply

3 kV (50 Hz, 1 min.)

Degree of protection

IP20

Ambient temperature (operation)

-40 °C ... 70 °C

Housing material

PBT

Dimensions W/H/D

6.2 / 110.5 / 120.5 mm

Push-in connection solid/stranded/AWG

0.14 ... 2.5 mm² / 0.14 ... 2.5 mm² / 24 - 12

Screw connection solid/stranded/AWG

0.2 ... 1.5 mm² / 0.2 ... 1.5 mm² / 24 - 12

EMC note

Class A product, see page 605

Conformance/Approvals

Conformance

CE-compliant

ATEX

 II 3 G Ex nA IIC T4 Gc X

UL, USA/Canada

UL 508 Listed

Class I, Div. 2, Groups A, B, C, D T5

Class I, Zone 2, Group IIC T5

Ordering data

Description

 

 

Type

Order No.

Pcs./

Pkt.

Output loop-powered 2-way isolator,

 for isolating current signals 

without auxiliary power

Standard configuration

Push-in connection

MINI MCR-2-UI-I-OLP-PT

2902063

1

Standard configuration

Screw connection

MINI MCR-2-UI-I-OLP

2902061

1

Order configuration

Push-in connection

MINI MCR-2-UI-I-OLP-PT-C

2902062

1

Order configuration

Screw connection

MINI MCR-2-UI-I-OLP-C

2902060

1

79

PHOENIX CONTACT

– Highly compact passive isolator for 

electrical isolation and filtering of 
standard analog signals

– Safe 2-way isolation
– Output loop-powered
– Does not require any additional auxiliary 

voltage

– Up to 74 signal combinations can be 

configured using DIP switches

– Plug-in connection system
– Voltage input from mV voltages up to 30 V
– Current input from 2 to 40 mA
– Status  LED

Notes:

To order a product with an order configuration, please enter the 

desired configuration by referring to the order key.

Information on MINI Analog Pro accessories can be found from 

page 101

Analog IN/Analog OUT
2-way passive isolator, 
output loop-powered

Order key for MINI MCR-2-UI-I-OLP(-PT)(-C)

Order No.

Input

2902060

/

0 mV ... 1000 mV

2902060

 

MINI MCR-2-

UI-I-OLP-C 

2902062

 

MINI MCR-2-

UI-I-OLP-PT-C 

0 mV ... 1000 mV

0 mV ... 750 mV

0 mV ... 500 mV

0 mV ... 300 mV

0 mV ... 250 mV

0 mV ... 200 mV

0 mV ... 150 mV

0 mV ... 125 mV

0 mV ... 120 mV

0 mV ... 100 mV

0 mV ... 75 mV

0 mV ... 60 mV

0 mV ... 50 mV

0 V ... 10 V

0 V ... 7.5 V

0 V ... 5 V

0 V ... 3 V

0 V ... 2.5 V

0 V ... 2 V

0 V ... 1.5 V

0 V ... 1.25 V

0 V ... 1.2 V

0 V ... 30 V

0 V ... 25 V

0 V ... 20 V

0 V ... 12.5 V

0 V ... 12 V

0 V ... 15 V

2 V ... 10 V

-1000 mV ... 1000 mV

-750 mV ... 750 mV

-500 mV ... 500 mV

-300 mV ... 300 mV

-250 mV ... 250 mV

-200 mV ... 200 mV

-125 mV ... 125 mV

-120 mV ... 120 mV

-150 mV ... 150 mV

-100 mV ... 100 mV

-75 mV ... 75 mV

-60 mV ... 60 mV

-50 mV ... 50 mV

-10 V ... 10 V

-7.5 V ... 7.5 V

-5 V ... 5 V

-3 V ... 3 V

-2.5 V ... 2.5 V

-2 V ... 2 V

-1.25 V ... 1.25 V

-1.2 V ... 1.2 V

-1.5 V ... 1.5 V

-30 V ... 30 V

-25 V ... 25 V

-20 V ... 20 V

-12.5 V ... 12.5 V

-12 V ... 12 V

-15 V ... 15 V

1 V ... 5 V

0 mA ... 40 mA

0 mA ... 30 mA

0 mA ... 20 mA

0 mA ... 12 mA

0 mA ... 10 mA

0 mA ... 8 mA

0 mA ... 7.5 mA

0 mA ... 5 mA

0 mA ... 6 mA

0 mA ... 4 mA

0 mA ... 3 mA

0 mA ... 2.5 mA

0 mA ... 2 mA

4 mA ... 20 mA

2 mA ... 10 mA

1 mA ... 5 mA

-2 mA ... 2 mA

-3 mA ... 3 mA

-10 mA ... 10 mA

-15 mA ... 15 mA

-20 mA ... 20 mA

-30 mA ... 30 mA

-40 mA ... 40 mA

MCR technology

Highly compact signal conditioners with plug-in connection technology – MINI Analog Pro

D W

H

Configurable,

up to 74 signal combinations

phoenixcontact-interface-technology-and-switching-devices-html.html
background image

OU

T

IN

P

O

W

ER

U,I

F

M

P

W

R+

P

W

R–

+

+

pass

iv

e

IN

OU

T

F

M

1

5

2

6

8

5

6

Z

o

n

e

 2

Se

n

sor

 / F

iel

d

P

LC / DC

S

3

4

7

S

-

Port

OU

T

 U, I–

OU

T

 U, I+

P

W

R+

P

W

R–

ϑ

ϑ

ϑ

T

I+

1

2

3

4

a

c

t

iv

e

 

 

Ex: 

 

Housing width 6.2 mm

Technical data

Input data

Input signal (can be configured using DIP switches)

Pt, Ni, Cu sensors : 2, 3, 4-wire

Temperature range

-200 °C ... 850 °C (Range depends on sensor type, range can be 

set freely via software or in increments from -150°C to 850°C via 

DIP switches)

Measuring range span

 20 K

Linear resistance measuring range

 ... 4000 

 (Minimum measuring span: 10% of the selected 

measuring range)

Output data

U output

I output

Output signal (configurable via DIP switch or freely via software)

0 ... 5 V / 1 ... 5 V

0 ... 20 mA / 4 ... 20 mA

0 ... 10 V / 10 ... 0 V

20 ... 0 mA / 20 ... 4 mA

Maximum output signal

approx. 12.3 V

24.6 mA

No-load voltage

< 17.5 V

Short-circuit current

< 31.5 mA

Load R

B

 10 k

 600 

 (at 20 mA)

Ripple

< 10 mV

rms

< 10 mV

rms

 (at 600 

)

General data

Supply voltage range

9.6 V DC ... 30 V DC

Current consumption

32 mA (24

 

V

 

DC)

Power consumption

 850 mW (at I

OUT

 = 20 mA, 9.6 V DC, 600 

 load)

Transmission error

0.1 % * 350 K / set measuring range; 0.1 % > 350 K (Pt/Ni) 

0.3 % * 200 K / set measuring range; 0.3 % > 200 K (Cu)

Temperature coefficient

0.01 %/K

Step response (0–99%)

typ. 200 ms (2-wire)

typ. 500 ms (3-wire)

typ. 500 ms (4-wire)

Electrical isolation

Reinforced insulation in accordance with IEC 61010-1

Test voltage, input/output/supply

3 kV (50 Hz, 1 min.)

Ambient temperature (operation)

-40 °C ... 70 °C

Housing material

PBT

Dimensions W/H/D

6.2 / 110.5 / 120.5 mm

Push-in connection solid/stranded/AWG

0.14 ... 2.5 mm² / 0.14 ... 2.5 mm² / 24 - 12

Screw connection solid/stranded/AWG

0.2 ... 1.5 mm² / 0.2 ... 1.5 mm² / 24 - 12

EMC note

Class A product, see page 605

Conformance/Approvals

Conformance

CE-compliant

ATEX

 II 3 G Ex nA IIC T4 Gc X

UL, USA/Canada

UL 508 Listed

Class I, Div. 2, Groups A, B, C, D T6

Class I, Zone 2, Group IIC T6

DNV GL

C, EMC2

Ordering data

Description

 

 

Type

Order No.

Pcs./

Pkt.

Temperature transducer for resistance thermometers

Standard configuration

Push-in connection

MINI MCR-2-RTD-UI-PT

2902052

1

Standard configuration

Screw connection

MINI MCR-2-RTD-UI

2902049

1

Order configuration

Push-in connection

MINI MCR-2-RTD-UI-PT-C

2902051

1

Order configuration

Screw connection

MINI MCR-2-RTD-UI-C

2902048

1

Accessories

Programming adapter

 for configuring modules with 

S-PORT interface

IFS-USB-PROG-ADAPTER

2811271

1

Programming adapter

 for configuring modules with 

NFC interface

NFC-USB-PROG-ADAPTER

2900013

1

Bluetooth programming adapter, 

with USB and 

S-PORT interface

IFS-BT-PROG-ADAPTER

2905872

1

80

PHOENIX CONTACT

– Universally configurable, highly compact 

temperature transducer for electrical 
isolation, conversion, amplification, and 
filtering of resistance thermometer and 
remote resistance-type sensor signals

– For 2, 3 or 4-wire sensors according to 

IEC 751, JIS, GOST
 

– Plug-in connection system
– Safe 3-way isolation
– Standard signal combinations configurable 

via DIP switches

– Freely configurable with software or 

smartphone app

– Power supply and fault monitoring 

possible via DIN rail connector

– Status and error indicator LEDs

Notes:

The configuration software can be downloaded from the Internet: 

phoenixcontact.net/products.

Information on the programming adapters can be found on 

page 105

Information on MINI Analog Pro accessories can be found from 

page 101

To order a product with an order configuration, please enter the 

desired configuration by referring to the order key.

Temperature
Temperature transducer
for resistance thermometers

MCR technology

Highly compact signal conditioners with plug-in connection technology – MINI Analog Pro

Universal temperature transducer

for resistance thermometers

phoenixcontact-interface-technology-and-switching-devices-html.html
background image

For further information and full technical data, visit phoenixcontact.net/products

81

PHOENIX CONTACT

Order key for MINI MCR-2-RTD-UI(-PT)(-C) temperature transducers 

(standard configuration entered as example)

Order No.

Sensor type

Connection 

technology

Measuring range

Measuring 

unit

Output

Start

End

Output signal

Start

End

2902048

/

PT100

/

3

/

-50

/

150

/

C

/

I

/

4.0

/

20.0

/ ...

2902048

 

 

MINI MCR-2-

RTD-UI-C

PT100 

 Pt 100 IEC 751

 2-conductor

freely selectable 

between 

-200°C ... 850°C 

(measuring 

range limits 

depend on 

sensor type)

freely selectable 

between 

-200°C ... 850°C 

(measuring 

range limits 

depend on 

sensor type)

 °C

 

I

0.0 

 0 mA

20.0 

 20 mA

PT200 

 Pt 200 IEC 751

 3-conductor

 °F

 

U

I: freely 

selectable 

between 

0.0 ... 21 mA

I: freely 

selectable 

between 

0.0 ... 21 mA

PT500 

 Pt 500 IEC 751

 4-conductor

PT1000 

 Pt 1000 IEC 751

2902051

 

 

MINI MCR-2-

RTD-UI-PT-C

PT100G 

 Pt 100 GOST 6651-2009 (

 = 0.00394)

PT1000G 

 Pt 1000 GOST 6651-2009 (

 = 0.00394)

PT100J 

 Pt 100 JIS C1604/1997

U: freely 

selectable 

between 

0.0 ... 10.5 V

U: freely 

selectable 

between 

0.0 ... 10.5 V

PT1000J 

 Pt 1000 JIS C1604/1997

NI100 

 Ni 100 DIN 43760

NI1000 

 Ni 1000 DIN 43760

CU50 

 Cu 50 GOST 6651-2009 (

 = 0.00428)

CU100 

 Cu 100 GOST 6651-2009 (

 = 0.00428)

CU53 

 Cu 53 GOST 6651-2009 (

 = 0.00426)

Minimum measuring span 20 K

Output signal span at least 0.5 V / 1 mA

Increment 0.1 V / 0.1 mA

Failure information

Behavior in the event of an error

Open circuit

Short circuit

Measured value overrange

Measured value underrange

... /

NE43DO

/

0.0

/

0.0

/

0.0

/

0.0

FD 

 Freely definable

0.0 

 0 mA

I: freely selectable between 

0.0 ... 21.5 mA

U: freely selectable between 

0.0 ... 11 V

(signal type corresponds to 

selected output signal)

0.0 

 0 mA

I: freely selectable between 

0.0 ... 21.5 mA

U: freely selectable between 

0.0 ... 11 V

(signal type corresponds to 

selected output signal)

0.0 

 0 mA

I: freely selectable between 

0.0 ... 21.5 mA

U: freely selectable between 

0.0 ... 11 V

(signal type corresponds to 

selected output signal)

0.0 

 0 mA

I: freely selectable between 

0.0 ... 21.5 mA

U: freely selectable between 

0.0 ... 11 V

(signal type corresponds to 

selected output signal)

Note: Failure information according to NE 43 can only be selected for 4 ... 20 mA output

NE43UP 

 NE 43 upscale 

21.5 mA

21.5 mA

21.5 mA

21.5 mA

NE43DO 

 NE 43 downscale 

3.5 mA

3.5 mA

3.5 mA

3.5 mA

NE430 

 NE 43 0 mA 

0 mA

0 mA

0 mA

0 mA

NE43UD 

 NE 43 upscale/downscale 

3.5 mA

3.5 mA

21.5 mA

21.5 mA

Sensor types and measuring ranges for MINI MCR-2-RTD-UI(-PT)(-C) temperature transducers

Sensor type

Standard

Measuring range

Smallest measuring 

span

Adjustable using:

Pt 100

IEC 751 = GOST 6651-2009 (

 = 0.00385)

-200°C to +850°C

20 K

DIP switches

Pt 200

IEC 751 = GOST 6651-2009 (

 = 0.00385)

-200°C to +850°C

20 K

DIP switches

Pt 500

IEC 751 = GOST 6651-2009 (

 = 0.00385)

-200°C to +850°C

20 K

Software or smartphone app

Pt 1000

IEC 751 = GOST 6651-2009 (

 = 0.00385)

-200°C to +850°C

20 K

Software or smartphone app

Pt 100

GOST 6651-2009 (

 = 0.00391)

-200°C to +850°C

20 K

Software or smartphone app

Pt 1000

GOST 6651-2009 (

 = 0.00391)

-200°C to +850°C

20 K

Software or smartphone app

Pt 100

JIS C1604-1997

-200°C to +850°C

20 K

Software or smartphone app

Pt 1000

JIS C1604-1997

-200°C to +850°C

20 K

Software or smartphone app

Ni100

DIN 43760

-60°C to +250°C

20 K

Software or smartphone app

Ni 1000

DIN 43760

-60°C to +250°C

20 K

Software or smartphone app

Cu50

GOST 6651-2009 (

 = 0.0428)

-180°C to +200°C

20 K

Software or smartphone app

Cu100

GOST 6651-2009 (

 = 0.0428)

-180°C to +200°C

20 K

Software or smartphone app

Cu53

GOST 6651-2009 (

 = 0.0426)

-50°C to +180°C

20 K

Software or smartphone app

Customer-specific characteristic curves

-200°C to +850°C

20 K

Software or smartphone app

MCR technology

Highly compact signal conditioners with plug-in connection technology – MINI Analog Pro

phoenixcontact-interface-technology-and-switching-devices-html.html
background image

OU

T

IN

P

O

W

ER

U,I

F

M

P

W

R+

P

W

R–

+

+

pass

iv

e

IN

OU

T

F

M

1

5

2

6

8

5

6

Z

o

n

e

 2

Se

n

sor

 / F

iel

d

P

LC / DC

S

3

4

7

S

-

Port

OU

T

 U, I–

OU

T

 U, I+

P

W

R+

P

W

R–

1

2

T

I+

T

C

+

a

c

t

iv

e

 

 

Ex: 

 

Housing width 6.2 mm

Technical data

Input data

Input signal (can be configured using DIP switches)

B, C, E, J, K, N, R, S, T, L, U, A-1, A-2, A-3, M, L

Temperature range

-250 °C ... 2500 °C (Range depends on sensor type, range can be 

set freely via software or in increments from -150°C to 1350°C via 

DIP switches)

Measuring range span

min. 50 K

Output data

U output

I output

Output signal (configurable via DIP switch or freely via software)

0 ... 5 V / 1 ... 5 V

0 ... 20 mA / 4 ... 20 mA

0 ... 10 V / 10 ... 0 V

20 ... 0 mA / 20 ... 4 mA

Maximum output signal

approx. 12.3 V

24.6 mA

No-load voltage

< 17.5 V

Short-circuit current

< 31.5 mA

Load R

B

 10 k

 600 

 (at 20 mA)

Ripple

< 10 mV

rms

< 10 mV

rms

 (at 600 

)

General data

Supply voltage range

9.6 V DC ... 30 V DC

Current consumption

32.7 mA (24 V DC)

Power consumption

 850 mW (at I

OUT

 = 20 mA, 9.6 V DC, 600 

 load)

Transmission error

0.1%

 

*

 

600

 

K / set

 

measuring range; 0.1%

 

>

 

600

 

K

 

(C, E, J, K, N, T, L, U, M Gost, L Gost) 

0.2 % * 600 K / set measuring range; 0.2 % > 600 K 

(B, R, S, A1, A2, A3) 

0.2%

 

* 600

 

K / set measuring range; 0.2%

 

> 600

 

(E, J, K, N, T, L, U, M Gost, L Gost); Highspeed Mode 

0.4%

 

* 600

 

K / set measuring range; 0.4%

 

> 600

 

(B, R, S, A1, A2, A3); Highspeed Mode

Cold junction errors

- ( typ. 2 K (2 K + (0,2 K * 

Δ

T)) )

Temperature coefficient

 0.01 %/K

Step response (0–99%)

typ. 400 ms (Highspeed Mode: typ. 150 ms)

Electrical isolation

Reinforced insulation in accordance with IEC 61010-1

Test voltage, input/output/supply

3 kV (50 Hz, 1 min.)

Ambient temperature (operation)

-40 °C ... 70 °C

Housing material

PBT

Dimensions W/H/D

6.2 / 110.5 / 120.5 mm

Push-in connection solid/stranded/AWG

0.14 ... 2.5 mm² / 0.14 ... 2.5 mm² / 24 - 12

Screw connection solid/stranded/AWG

0.2 ... 1.5 mm² / 0.2 ... 1.5 mm² / 24 - 12

EMC note

Class A product, see page 605

Conformance/Approvals

Conformance

CE-compliant

ATEX

 II 3 G Ex nA IIC T4 Gc X

UL, USA/Canada

UL 508 Listed

Class I, Div. 2, Groups A, B, C, D T6

Class I, Zone 2, Group IIC T6

DNV GL

C, EMC2

Ordering data

Description

 

 

Type

Order No.

Pcs./

Pkt.

Temperature transducer for thermocouples

Standard configuration

Push-in connection

MINI MCR-2-TC-UI-PT

2905249

1

Standard configuration

Screw connection

MINI MCR-2-TC-UI

2902055

1

Order configuration

Push-in connection

MINI MCR-2-TC-UI-PT-C

2905248

1

Order configuration

Screw connection

MINI MCR-2-TC-UI-C

2902053

1

Accessories

Programming adapter

 for configuring modules with 

S-PORT interface

IFS-USB-PROG-ADAPTER

2811271

1

Programming adapter

 for configuring modules with 

NFC interface

NFC-USB-PROG-ADAPTER

2900013

1

Bluetooth programming adapter, 

with USB and 

S-PORT interface

IFS-BT-PROG-ADAPTER

2905872

1

82

PHOENIX CONTACT

– Universally configurable, highly compact 

temperature transducer for electrical 
isolation, conversion, amplification, and 
filtering of thermocouple signals

– For thermocouples according to IEC 584 

and GOST

– Internal cold junction compensation
– Plug-in connection system
– Safe 3-way isolation
– Standard signal combinations configurable 

via DIP switches

– Freely configurable with software or 

smartphone app

– Power supply and fault monitoring 

possible via DIN rail connector

– Status and error indicator LEDs

Notes:

The configuration software can be downloaded from the Internet: 

phoenixcontact.net/products.

Information on the programming adapters can be found on 

page 105

Information on MINI Analog Pro accessories can be found from 

page 101

To order a product with an order configuration, please enter the 

desired configuration by referring to the order key.

Temperature
Temperature transducer for 
thermocouples

MCR technology

Highly compact signal conditioners with plug-in connection technology – MINI Analog Pro

Universal temperature transducer

for thermocouples

phoenixcontact-interface-technology-and-switching-devices-html.html
background image

For further information and full technical data, visit phoenixcontact.net/products

83

PHOENIX CONTACT

Order key for MINI MCR-2-TC-UI(-PT)(-C) temperature transducers 

(standard configuration entered as an example)

Order No.

Sensor type

Cold junction 

error 

compensation

Measuring range

Measuring 

unit

Output

Start

End

Output signal

Start

End

2902053

/

J

/

1

/

-200

/

1200

/

C

/

I

/

4.0

/

20.0

/ ...

2902053

 

 

MINI MCR-2-

TC-UI-C

 B IEC 584-1 (Pt30Rh-Pt6Rh)

 

OFF

freely selectable 

between  

-250°C ... 2500°C 

(measuring range limits 

depend on sensor type)

freely selectable 

between

-250°C ... 2500°C 

(measuring range limits 

depend on sensor type)

 °C

 

I

0.0 

  0 mA

20.0 

 20 mA

 E IEC 584-1 (NiCr-CuNi)

 

ON

 °F

 

U

I:  freely 

selectable 

between 

0.0 ... 21 mA

I: freely 

selectable 

between 

0.0 ... 21 mA

 J IEC 584-1 (Fe-CuNi)

 K IEC 584-1 (NiCr-Ni)

2905248

 

 

MINI MCR-2-

TC-UI-PT-C

 N IEC 584-1 (NiCrSi-NiSi)

 R IEC 584-1 (Pt13Rh-Pt) 

 S IEC 584-1 (Pt10Rh-Pt)

U: freely 

selectable  

between  

0.0 ... 10.5 V

U: freely 

selectable  

between  

0.0 ... 10.5 V

 T IEC 584-1 (Cu-CuNi)

 L DIN 43760 (Fe-CuNi)

 U DIN 43760 (Cu-CuNi)

A1G 

 A-1 GOST 8.585-2001

A2G 

 A-2 GOST 8.585-2001

A3G 

 A-3 GOST 8.585-2001

MG 

 M GOST 8.585-2001

LG 

 L GOST 8.585-2001

Minimum measuring span 50 K

Output signal span at least 0.5 V / 1 mA

Increment 0.1 V / 0.1 mA

Sensor types and measuring ranges for MINI MCR-2-TC-UI(-PT)(-C) temperature transducers

Sensor type

Standard

Measuring range

Smallest measuring 

span

Adjustable using:

B

IEC 584-1

+500°C ... +1820°C

50 K

Software or smartphone app

E

IEC 584-1

-230°C ... +1000°C

50 K

Software or smartphone app

J

IEC 584-1

-210°C ... +1200°C

50 K

DIP switches

K

IEC 584-1

-250°C ... +1372°C

50 K

DIP switches

N

IEC 584-1

-200°C ... +1300°C

50 K

Software or smartphone app

R

IEC 584-1

-50°C ... +1768°C

50 K

Software or smartphone app

S

IEC 584-1

-50°C ... +1768°C

50 K

Software or smartphone app

T

IEC 584-1

-200°C ...  +400°C

50 K

Software or smartphone app

L

DIN 43710

-200°C ...  +900°C

50 K

Software or smartphone app

U

DIN 43710

-200°C ...  +600°C

50 K

Software or smartphone app

A-1

GOST 8.585

0°C ... +2500°C

50 K

Software or smartphone app

A-2

GOST 8.585

0°C ... +1800°C

50 K

Software or smartphone app

A-3

GOST 8.585

0°C ... +1800°C

50 K

Software or smartphone app

M

GOST 8.585

-200°C ...  +100°C

50 K

Software or smartphone app

L

GOST 8.585

-200°C ...  +800°C

50 K

Software or smartphone app

Customer-specific characteristic curves

-250°C ... +2500°C

50 K

Software or smartphone app

Failure information

Behavior in the event of an error

Open circuit

Measured value overrange

Measured value underrange

... /

NE43DO

/

0.0

/

0.0

/

0.0

FD 

 Freely definable

0.0 

 0 mA

I: freely selectable between 

0.0 ... 21.5 mA

U: freely selectable between 

0.0 ... 11 V

(signal type corresponds to 

selected output signal)

0.0 

 0 mA

I: freely selectable between 

0.0 ... 21.5 mA

U: freely selectable between 

0.0 ... 11 V

(signal type corresponds to 

selected output signal)

0.0 

 0 mA

I: freely selectable between 

0.0 ... 21.5 mA

U: freely selectable between 

0.0 ... 11 V

(signal type corresponds to 

selected output signal)

Note: Failure information according to NE 43 can only be selected for 4 ... 20 mA output

NE43UP 

 NE 43 upscale 

21.5 mA

21.5 mA

21.5 mA

NE43DO 

 NE 43 downscale 

3.5 mA

3.5 mA

3.5 mA

NE430 

 NE 43 0 mA 

0 mA

0 mA

0 mA

NE43UD 

 NE 43 upscale/downscale 

3.5 mA

21.5 mA

21.5 mA

MCR technology

Highly compact signal conditioners with plug-in connection technology – MINI Analog Pro

phoenixcontact-interface-technology-and-switching-devices-html.html
background image

OUT

I

N

POW

E

R

U

,I

f

FM

I

N

OUT

Z

o

n

e

 

2

p

ass

i

ve

5

6

P

L

C

 

/

 

DCS

un

i

versa

l  

f

re

q

u

e

n

cy

N

AM

UR

NPN

PNP

1

3

Se

n

sor

 

/

 Fi

e

l

d

2

3

4

OUT

PWR

max

.

3

0

V

DC

1

00

m

A

PWR

+

PWR

FM

S

-

Port

I

N

I

N

RO

+

I

N

OUT U

, I–

PWR

+

PWR

OUT U

, I+

act

i

ve

1

2

3

4

8

+

7

6

+

5

T

I+

Housing width 6.2 mm

Technical data

Input data

Input sources

NAMUR initiators

NPN/PNP transistor outputs

Floating contact (dry contact)

Frequency generator

Incremental encoder (speed only)

HTL encoders

Frequency measuring range

0 Hz ... 200 kHz

Maximum input signal

30 V (incl. DC voltage)

PWM (range)

0.002 Hz ... 60 Hz (Duty cycle 2

 

...

 

98

 

%)

60 Hz ... 300 Hz (Duty cycle 5

 

...

 

95

 

%)

300 Hz ... 600 Hz (Duty cycle 10

 

...

 

90

 

%)

600 Hz ... 1000 Hz (Duty cycle 20

 

...

 

80

 

%)

Output data

U output

I output

Output signal

0 ... 10 V / 2 ... 10 V

0 ... 20 mA / 4 ... 20 mA

0 ... 5 V / 1 ... 5 V

0 ... 10 mA / 2 ... 10 mA

Maximum output signal

approx. 12.3 V

24.6 mA

Load R

B

 10 k

 600 

 (at 20 mA)

Ripple

< 20 mV

PP

 (at 600 

)

< 20 mV

PP

 (at 600 

)

Switching output

Relay output

1 N/O contact

Max. switching voltage

30 V DC

Maximum switching current

100 mA (30 V)

Minimum switching current

100 µA

General data

Supply voltage range

9.6 V DC ... 30 V DC

Current consumption

32 mA (24 V DC)

63 mA (12 V DC)

Power consumption

 1 W (at I

OUT

 = 20 mA, 9.6 V DC, 600 

 load)

Maximum transmission error

0.1 % (Frequency)

1 % (PWM signal)

Temperature coefficient

0.01 %/K , typ. 0.01 %/K

Step response (0–99%)

< 35 ms (f > 500

 

Hz)

Electrical isolation

Reinforced insulation in accordance with IEC 61010-1

Test voltage, input/output/supply

3 kV (50 Hz, 1 min.)

Ambient temperature (operation)

-40 °C ... 70 °C

Dimensions W/H/D

6.2 / 110.5 / 120.5 mm

Push-in connection solid/stranded/AWG

0.14 ... 2.5 mm² / 0.14 ... 2.5 mm² / 24 - 12

Screw connection solid/stranded/AWG

0.2 ... 1.5 mm² / 0.2 ... 1.5 mm² / 24 - 12

EMC note

Class A product, see page 605

Conformance/Approvals

Conformance

CE-compliant

ATEX

 II 3 G Ex nA IIC T4 Gc X

UL, USA/Canada

UL 508 Listed

Class I, Div. 2, Groups A, B, C, D T6

Class I, Zone 2, Group IIC T6

GL

GL applied for

Ordering data

Description

 

 

Type

Order No.

Pcs./

Pkt.

MCR frequency transducer

Push-in connection

MINI MCR-2-F-UI-PT

2902058

1

Screw connection

MINI MCR-2-F-UI

2902056

1

Accessories

Programming adapter

 for configuring modules with 

S-PORT interface

IFS-USB-PROG-ADAPTER

2811271

1

Programming adapter

 for configuring modules with 

NFC interface

NFC-USB-PROG-ADAPTER

2900013

1

Bluetooth programming adapter, 

with USB and 

S-PORT interface

IFS-BT-PROG-ADAPTER

2905872

1

84

PHOENIX CONTACT

– Universally configurable, highly compact 

3-way isolated frequency transducer with 
transistor switching output

– Suitable for the connection of NAMUR 

proximity sensors (IEC 60947-5-6 and 
EN 50227) as well as for sensors with 
NPN and PNP outputs that generate a 
frequency signal

– For electrical isolation, conversion, 

amplification, and filtering of frequency 
and PWM signals

– Frequency signals in the range from 

0.002 to 200 kHz and PWM signals up to 
20 kHz

– Supports fault monitoring
– Plug-in connection system
– Safe 3-way isolation
– Standard behavior can be configured via 

DIP switches

– Freely configurable via software or 

smartphone app

– Power supply and fault monitoring 

possible via DIN rail connector

– Status and error indicator LEDs

Notes:

The configuration software can be downloaded from the Internet: 

phoenixcontact.net/products.

Information on the programming adapters can be found on 

page 105

Frequency
Universal frequency transducer

MCR technology

Highly compact signal conditioners with plug-in connection technology – MINI Analog Pro

new

Configurable,

Universal frequency or PWM input

phoenixcontact-interface-technology-and-switching-devices-html.html
background image

For further information and full technical data, visit phoenixcontact.net/products

85

PHOENIX CONTACT

MCR technology

Highly compact signal conditioners with plug-in connection technology – MINI Analog Pro

phoenixcontact-interface-technology-and-switching-devices-html.html
background image

P

O

W

ER

U, I

f

OU

T

IN

F

M

IN

OU

T

Se

n

sor

 / F

iel

d

4-

w

ire

OU

T

 I+

OU

T

 I-

U

S

1

2

+

6

4

OU

T

 

f

P

W

M

P

W

M

+

OU

T

 

f

+

7

8

5

+ 3

F

M

RO +

RO -

P

W

R+

P

W

R+

P

W

R–

P

W

R–

S

-

Port

pass

iv

e

+

1

2

IN U, I+

IN U, I–

T

I–

P

LC / DC

S

ma

x.

1

00

m

A

5

6

+

-

R

L

OU

T

 +

OU

T

 -

s

upp

l

y

ma

x. 3

0

VDC

II 3 

G

Ex 

n

A IIC 

T

G

c

 X

Ex: 

Housing width 6.2 mm

Technical data

Input data

U input

I input

Input signal (configurable via DIP switch or freely via software)

0 V ... 10 V

2 V ... 10 V

0 V ... 5 V

1 V ... 5 V

10 V ... 0 V

10 V ... 2 V

5 V ... 0 V

5 V ... 1 V

0 V ... 12 V

0 mA ... 20 mA

4 mA ... 20 mA

0 mA ... 10 mA

2 mA ... 10 mA

20 mA ... 0 mA

20 mA ... 4 mA

10 mA ... 0 mA

10 mA ... 2 mA

0 mA ... 24 mA

Maximum input signal

12 V

24 mA

Input resistance

> 120 k

approx. 50 

 (+ 0.7 V for test 

diode)

Output data

Frequency output

PWM output

Output signal (configurable via DIP switch or freely via software)

0 Hz ... 10 kHz / 0 Hz ... 5 kHz

15.6 kHz (10 bit) / 1.9 kHz (10 bit)

0 Hz ... 2.5 kHz / 0 Hz ... 1 kHz

3.9 kHz (12 bit) / 488 Hz (12 bit)

0 Hz ... 500 Hz / 0 Hz ... 250 Hz

977 Hz (14 bit) / 122 Hz (14 bit)

0 Hz ... 100 Hz / 0 Hz ... 50 Hz

244 Hz (16 bit) / 31 Hz (16 bit)

Minimum load

4 mA 

 (U

L

 / R

L

 100 mA

12 mA 

 (U

L

 / R

L

 100 mA

Load current maximum

100 mA

Maximum switching voltage

30 V

Overrange/underrange

Can be set (via software)

General data

Supply voltage range

9.6 V DC ... 30 V DC

Nominal supply voltage

24 V DC

Current consumption

27 mA (12 V DC)

13.5 mA (24 V DC)

Power consumption

 350 mW (9.6 V DC)

Transmission error, maximum

 0.1 % (> 7 kHz 

 0.2

 

%)

Temperature coefficient

< 0.01 %/K , typ. 0.01 %/K

Step response (0–99%)

120 ms (15 Hz sample rate)

Further values can be set via software

Electrical isolation

Reinforced insulation in accordance with IEC 61010-1

Test voltage, input/output/supply

3 kV (50 Hz, 1 min.)

Degree of protection

IP20

Ambient temperature (operation)

-40 °C ... 70 °C

Dimensions W/H/D

6.2 / 110.5 / 120.5 mm

Push-in connection solid/stranded/AWG

0.14 ... 2.5 mm² / 0.14 ... 2.5 mm² / 24 - 12

Screw connection solid/stranded/AWG

0.2 ... 1.5 mm² / 0.2 ... 1.5 mm² / 24 - 12

EMC note

Class A product, see page 605

Conformance/Approvals

Conformance

CE-compliant

ATEX

 II 3 G Ex nA IIC T4 Gc X

UL, USA/Canada

UL 508 Listed

Class I, Div. 2, Groups A, B, C, D T6

Class I, Zone 2, Group IIC T6

GL

GL applied for

Ordering data

Description

 

 

Type

Order No.

Pcs./

Pkt.

Analog frequency transducer with limit value function 

Standard configuration

Push-in connection

MINI MCR-2-UI-FRO-PT

2902032

1

Standard configuration

Screw connection

MINI MCR-2-UI-FRO

2902031

1

Order configuration

Push-in connection

MINI MCR-2-UI-FRO-PT-C

2906202

1

Order configuration

Screw connection

MINI MCR-2-UI-FRO-C

2906201

1

Accessories

Programming adapter

 for configuring modules with 

S-PORT interface

IFS-USB-PROG-ADAPTER

2811271

1

Programming adapter

 for configuring modules with 

NFC interface

NFC-USB-PROG-ADAPTER

2900013

1

Bluetooth programming adapter, 

with USB and 

S-PORT interface

IFS-BT-PROG-ADAPTER

2905872

1

86

PHOENIX CONTACT

– Universally configurable highly compact 

analog-to-frequency measuring 
transducer for electrical isolation, 
amplification, conversion and filtering of 
standard analog signals to frequencies or 
PWM signals

– Plug-in connection system
– Safe 3-way isolation
– Additional switching output
– Frequency output can be used as second 

switching output

– Standard signal combinations configurable 

via DIP switches

– Freely configurable with software or 

smartphone app

– Power supply and fault monitoring 

possible via DIN rail connector

– Status and error indicator LEDs

Notes:

The configuration software can be downloaded from the Internet: 

phoenixcontact.net/products.

Information on the programming adapters can be found on 

page 105

Information on MINI Analog Pro accessories can be found from 

page 101

To order a product with an order configuration, enter the required 

configuration by referring to the adjacent order key.

Frequency
Analog frequency transducer

MCR technology

Highly compact signal conditioners with plug-in connection technology – MINI Analog Pro

D W

H

Configurable,

frequency, PWM or switching output

phoenixcontact-interface-technology-and-switching-devices-html.html
background image

For further information and full technical data, visit phoenixcontact.net/products

87

PHOENIX CONTACT

Order key for MINI MCR-2-UI-FRO(-PT)(-C) analog frequency transducers 

(standard configuration entered as example)

Order No.

Input

Sample rate

Output

Output 

limitation

Input signal

Start

End

Output signal

Carrier frequency

Start

End

2906201

/

I

/

0.0

/

20.0

/

15

/

I

/

0

/

0

/

1000

/

15

/ ...

2906201

 

 

MINI MCR-2-

UI-FRO-C

 

I

0.0 

 0 mA

20.0 

 20 mA

15 Hz 

 15 Hz

60 Hz 

 60 Hz

240 Hz 

 240 Hz 

 

f

 at frequency 

output

 0 Hz

f: freely 

selectable 

between 

0 ... 10 kHz

10000 

 10 kHz

f: freely 

selectable 

between 

0 ... 10 kHz

 off

 on

 

U

I: freely 

selectable 

between 

0.0 ... 24 mA

I: freely 

selectable 

between 

0.0 ... 24 mA

2906202

 

MINI MCR-2-

UI-FRO-PT-C

U: freely 

selectable 

between 

0.0 ... 12 V

U: freely 

selectable 

between 

0.0 ... 12 V

PWM 

 PWM

15.6 k 

 15.6 kHz

15.6 kHz (10 bits)

1.9 kHz (10 bits)

7.8 kHz (11 bits)

977 Hz (11 bits)

3.9 kHz (12 bits)

488 Hz (12 bits)

1.9 kHz (13 bits)

244 Hz (13 bits)

977 Hz (14 bits)

122 Hz (14 bits)

488 Hz (15 bits)

61 Hz (15 bits)

244 Hz (16 bits)

31 Hz (16 bits)

D: freely 

selectable 

between 

0.0 ... 100% 

D: freely 

selectable 

between 

0.0 ... 100%

Measuring range span at least 0.5 V / 1 mA

Increment 0.1 V / 0.1 mA

Output signal span at least 10 Hz / 1%

Increment 1 Hz / 0.1%

Failure information

Behavior in the event of an error

Open circuit/short circuit

Measured value overrange

Measured value underrange

... /

FD

/

0

/

0

/

0

FD 

 Freely definable

 0 Hz

f: freely selectable between 

0 ... 11 kHz

D: freely selectable between 

0.0 and 100%

 0 Hz

f: freely selectable between 

0 ... 11 kHz

D: freely selectable between 

0.0 and 100%

 0 Hz

f: freely selectable between 

0 ... 11 kHz

D: freely selectable between 

0.0 and 100%

Failure information only adjustable for 

unlimited output

(free definition only for 

unlimited output)

(signal type corresponds to 

selected output signal)

(free definition only for 

unlimited output)

(signal type corresponds to 

selected output signal)

(free definition only for 

unlimited output)

(signal type corresponds to 

selected output signal)

MCR technology

Highly compact signal conditioners with plug-in connection technology – MINI Analog Pro

phoenixcontact-interface-technology-and-switching-devices-html.html
background image

P

O

W

ER

R

U,I

OU

T

IN

F

M

P

W

R+

P

W

R–

+

+

pass

iv

e

IN

OU

T

F

M

1

5

2

6

8

5

6

Z

o

n

e

 2

Se

n

sor

 / F

iel

d

P

LC / DC

S

3

4

7

S

-

Port

OU

T

 U, I–

OU

T

 U, I+

P

W

R+

P

W

R–

T

I+

1

3

IN

IN

IN

2

a

c

t

iv

e

 

Ex: 

 

Housing width 6.2 mm

Technical data

Input data

Potentiometer

100 

 ... 100 k

Output data

U output

I output

Output signal (configurable via DIP switch or freely via software)

1 ... 5 V / 10 ... 0 V

0 ... 20 mA / 4 ... 20 mA

0 ... 5 V / 0 ... 10 V

20 ... 0 mA / 20 ... 4 mA

Maximum output signal

approx. 12.3 V

24.6 mA

No-load voltage

< 17.5 V

Short-circuit current

< 31.5 mA

Load R

B

 10 k

 600 

 (at 20 mA)

Ripple

< 20 mV

PP

 (at 10 k

)

< 20 mV

PP

Behavior in the event of a sensor error

configurable

General data

Supply voltage range

9.6 V DC ... 30 V DC

Nominal supply voltage

24 V DC

Current consumption

33 mA (24 V DC)

Power consumption

 850 mW (at I

OUT

 = 20 mA, 9.6 V DC, 600 

 load)

Maximum transmission error

< 0.1 % (R < 240 

 = < 0,2 %)

Temperature coefficient

0.01 %/K , typ. 0.01 %/K

Step response (0–99%)

< 60 ms

Electrical isolation

Reinforced insulation in accordance with IEC 61010-1

Test voltage, input/output/supply

3 kV (50 Hz, 1 min.)

Degree of protection

IP20

Ambient temperature (operation)

-40 °C ... 70 °C

Mounting

any

Housing material

PBT

Dimensions W/H/D

6.2 / 110.5 / 120.5 mm

Push-in connection solid/stranded/AWG

0.14 ... 2.5 mm² / 0.14 ... 2.5 mm² / 24 - 12

Screw connection solid/stranded/AWG

0.2 ... 1.5 mm² / 0.2 ... 1.5 mm² / 24 - 12

EMC note

Class A product, see page 605

Conformance/Approvals

Conformance

CE-compliant

ATEX

 II 3 G Ex nA IIC T4 Gc X

UL, USA/Canada

UL 508 Listed

Class I, Div. 2, Groups A, B, C, D T5

Class I, Zone 2, Group IIC T5

DNV GL

C, EMC2

Ordering data

Description

 

 

Type

Order No.

Pcs./

Pkt.

Potiposition transducer

Standard configuration

Push-in connection

MINI MCR-2-POT-UI-PT

2902017

1

Standard configuration

Screw connection

MINI MCR-2-POT-UI

2902016

1

Order configuration

Push-in connection

MINI MCR-2-POT-UI-PT-C

2905006

1

Order configuration

Screw connection

MINI MCR-2-POT-UI-C

2905005

1

Accessories

Programming adapter

 for configuring modules with 

S-PORT interface

IFS-USB-PROG-ADAPTER

2811271

1

Programming adapter

 for configuring modules with 

NFC interface

NFC-USB-PROG-ADAPTER

2900013

1

Bluetooth programming adapter, 

with USB and 

S-PORT interface

IFS-BT-PROG-ADAPTER

2905872

1

88

PHOENIX CONTACT

– Universally configurable, highly compact 

potiposition transducer for electrical 
isolation, conversion, amplification, and 
filtering of potentiometer signals

– For potentiometers from 100 Ω to 

100 kΩ

– Automatic potentiometer detection 

without manual adjustment

– Plug-in connection system
– Safe 3-way isolation
– Standard signal combinations configurable 

via DIP switches

– Freely configurable with software or 

smartphone app

– Power supply and fault monitoring 

possible via DIN rail connector

– Status and error indicator LEDs

Notes:

The configuration software can be downloaded from the Internet: 

phoenixcontact.net/products.

Information on the programming adapters can be found on 

page 105

Information on MINI Analog Pro accessories can be found from 

page 101

To order a product with an order configuration, please enter the 

desired configuration by referring to the order key.

Potentiometer
Potiposition transducer

MCR technology

Highly compact signal conditioners with plug-in connection technology – MINI Analog Pro

Potiposition transducer,

Configurable

phoenixcontact-interface-technology-and-switching-devices-html.html
background image

For further information and full technical data, visit phoenixcontact.net/products

89

PHOENIX CONTACT

Order key for MINI MCR-2-POT-UI(-PT)(-C) potiposition transducers 

(standard configuration entered as an example)

Order No.

Automatic potentiometer 

detection

Output

Filter

Open circuit 

detection

Output signal

Start

End

2905005

/

AUTO

/

I

4.0

20.0

/

1

/

ON

/ ...

2905005

 

 

MINI MCR-2-

POT-UI-C

AUTO 

 

ON

 

I

0.0 

 0 mA

20.0 

 20 mA

1

ON 

 

ON

OFF 

 

OFF

 

U

I: freely 

selectable 

between 

0.0 ... 21 mA

I: freely 

selectable 

between 

0.0 ... 21 mA

2

OFF 

 

OFF

3

4

2905006

 

 

MINI MCR-2-

POT-UI-PT-C

5

6

U: freely 

selectable 

between 

0.0 ... 10.5 V

U: freely 

selectable 

between 

0.0 ... 10.5 V

7

8

9

10

Output signal span at least 0.5 V / 1 mA

Increment 0.1 V / 0.1 mA

Failure information

Behavior in the event of an error

Open circuit slider

Input open (no potentiometer 

connected)

Measured value overrange

Measured value underrange

... /

NE43DO

/

0.0

/

0.0

/

0.0

/

0.0

FD 

 Freely definable

0.0 

 0 mA

I: freely selectable 

between 0.0 ... 21.5 mA

U: freely selectable between 

0.0 ... 11 V

(only if open circuit detection 

is on)

(signal type corresponds to 

selected output signal)

0.0 

 0 mA

I: freely selectable 

between 0.0 ... 21.5 mA

U: freely selectable between 

0.0 ... 11 V

(signal type corresponds to 

selected output signal)

0.0 

 0 mA

I: freely selectable 

between 0.0 ... 21.5 mA

U: freely selectable between 

0.0 ... 11 V

(signal type corresponds to 

selected output signal)

0.0 

 0 mA

I: freely selectable 

between 0.0 ... 21.5 mA

U: freely selectable between 

0.0 ... 11 V

(signal type corresponds to 

selected output signal)

Note: Failure information according to NE 43 can only be selected for 4 ... 20 mA output

NE43UP 

 NE 43 upscale 

21.5 mA

21.5 mA

21.5 mA

21.5 mA

NE43DO 

 NE 43 downscale 

3.5 mA

3.5 mA

3.5 mA

3.5 mA

NE430 

 NE 43 0 mA 

0 mA

0 mA

0 mA

0 mA

NE43UD 

 NE 43 upscale/downscale 

3.5 mA

3.5 mA

21.5 mA

21.5 mA

MCR technology

Highly compact signal conditioners with plug-in connection technology – MINI Analog Pro

phoenixcontact-interface-technology-and-switching-devices-html.html
background image

P

O

W

ER

OU

T

IN

F

M

DI1

DI

2

IN

Se

n

sor

 / F

iel

d

OU

T

P

LC / DC

S

5

3

6

4

1

1

1

2

2

2

+

+

1

2

6

4

OU

T

 1–

IN +

IN–

OU

T

 1+

+

7

8

5

+ 3

F

M

OU

T

 2+

OU

T

 2-

P

W

R+

P

W

R+

P

W

R–

P

W

R–

II 3 

G

Ex 

n

A IIC 

T

G

c

 X

Ex: 

Housing width 6.2 mm

Technical data

Input data

Input signal

NAMUR proximity sensors (EN 60947-5-6)

open circuit switch contacts

Switch contacts with resistance circuit

Control circuit

No-load voltage

8.2 V DC 

10 %

Switching points (in acc. with IEC 60947-5-6)

< 1.2 mA (blocking)

> 2.1 mA (conductive)

Line fault detection

> 6 mA (in the event of a short-circuit)

< 0.35 mA (With wire break)

Switching output

Transistor output

2 N/O contacts

Max. switching voltage

30 V DC

Max. switching current

50 mA

Switching frequency

5 kHz

General data

Supply voltage range

9.6 V DC ... 30 V DC

Nominal supply voltage

24 V DC

Current consumption

18 mA (24 V DC)

35 mA (12 V DC)

Power consumption

450 mW (9.6 V DC)

Electrical isolation

Reinforced insulation in accordance with IEC 61010-1

Test voltage, input/output/supply

3 kV (50 Hz, 1 min.)

Degree of protection

IP20

Ambient temperature (operation)

-40 °C ... 70 °C

Mounting

any

Housing material

PBT

Dimensions W/H/D

6.2 / 110.5 / 120.5 mm

Push-in connection solid/stranded/AWG

0.14 ... 2.5 mm² / 0.14 ... 2.5 mm² / 24 - 12

Screw connection solid/stranded/AWG

0.2 ... 1.5 mm² / 0.2 ... 1.5 mm² / 24 - 12

EMC note

Class A product, see page 605

Conformance/Approvals

Conformance

CE-compliant

ATEX

 II 3 G Ex nA IIC T4 Gc X

UL, USA/Canada

UL 508 Listed

Class I, Div. 2, Groups A, B, C, D T6

Class I, Zone 2, Group IIC T6

GL

GL applied for

Ordering data

Description

 

 

Type

Order No.

Pcs./

Pkt.

NAMUR signal conditioner

Push-in connection

MINI MCR-2-NAM-2RO-PT

2902005

1

Screw connection

MINI MCR-2-NAM-2RO

2902004

1

90

PHOENIX CONTACT

– Highly compact signal conditioner for 

electrical isolation, amplification, and 
duplication of proximity sensor signals

– For proximity sensors in accordance with 

IEC 60947-5-6 and EN 50227

– Floating contacts and contacts with 

resistance circuit can be connected

– Plug-in connection system
– Input and output signals can be configured 

via DIP switches

– Transistor switching contacts on the 

output

– Second output can be used as a duplicator 

or error signaling output

– Safe 3-way isolation
– Switchover between operating current 

and quiescent current (inverted switching 
behavior)

– Power supply and fault monitoring 

possible via DIN rail connector

– Status  LEDs

Notes:

Information on MINI Analog Pro accessories can be found from 

page 101

Digital IN
Signal conditioner

MCR technology

Highly compact signal conditioners with plug-in connection technology – MINI Analog Pro

D W

H

Configurable, 

for NAMUR sensors and 

floating contacts

phoenixcontact-interface-technology-and-switching-devices-html.html
background image

P

O

W

ER

OU

T

IN

U,I

F

M

IN

OU

T

Se

n

sor

 / F

iel

d

4-

w

ire

OU

T

U,I +

OU

T

U,I -

U

S

5

6

14

11

11

12

P

LC / DC

S

1

2

3

4

P

W

R+

P

W

R–

+

+

P

W

R+

F

M

1

5

2

6

3

7

4

8

IN U, I–

P

W

R–

IN U, I+

T

I-

S

-

Port

II 3 

G

Ex 

n

A IIC 

T

G

c

 X

For further information and full technical data, visit phoenixcontact.net/products

Ex: 

Housing width 6.2 mm

Technical data

Input data

U input

I input

Input signal (configurable using the DIP switch)

0 ... 10 V / 0 ... 12 V

0 ... 20 mA / 0 ... 24 mA

Maximum input signal

12 V

24 mA

Input resistance

> 120 k

approx. 50 

 

(+ 0.7 V for test diode)

Specification of the switching point

Can be set via software or in steps via DIP switches

Switching output

Relay output

1 PDT

Contact material

AgSnO

2

, hard gold-plated

Max. switching voltage

250 V AC

Limiting continuous current

6 A

Hysteresis (configurable using the DIP switch)

can be set freely via software

Setting range of the response delay 

(configurable using the DIP switch)

0 s ... 10 s (can be set freely via software)

General data

Supply voltage range

9.6 V DC ... 30 V DC

Nominal supply voltage

24 V DC

Current consumption

40 mA (12 V DC)

20 mA (24 V DC)

Power consumption

 0.5 W

Maximum transmission error

0.1 % (of final value)

Temperature coefficient

0.01 %/K

Step response (0–99%)

typ. 140 ms (Can be set via software)

Electrical isolation

Reinforced insulation in accordance with IEC 61010-1

Test voltage, input/output/supply

3 kV (50 Hz, 1 min.)

Degree of protection

IP20

Ambient temperature (operation)

-40 °C ... 70 °C

Mounting

any

Housing material

PBT

Dimensions W/H/D

6.2 / 110.5 / 120.5 mm

Push-in connection solid/stranded/AWG

0.14 ... 2.5 mm² / 0.14 ... 2.5 mm² / 24 - 12

Screw connection solid/stranded/AWG

0.2 ... 1.5 mm² / 0.2 ... 1.5 mm² / 24 - 12

EMC note

Class A product, see page 605

Conformance/Approvals

Conformance

CE-compliant

ATEX

 II 3 G Ex nA nC IIC T4 Gc X

UL, USA/Canada

UL 508 Listed

Class I, Div. 2, Groups A, B, C, D T4A

Class I, Zone 2, Group IIC T4A

GL

GL applied for

Ordering data

Description

 

 

Type

Order No.

Pcs./

Pkt.

Threshold value switch with relay PDT output

, standard 

configuration

Push-in connection

MINI MCR-2-UI-REL-PT

2902035

1

Screw connection

MINI MCR-2-UI-REL

2902033

1

Accessories

Programming adapter

 for configuring modules with 

S-PORT interface

IFS-USB-PROG-ADAPTER

2811271

1

Programming adapter

 for configuring modules with 

NFC interface

NFC-USB-PROG-ADAPTER

2900013

1

Bluetooth programming adapter, 

with USB and 

S-PORT interface

IFS-BT-PROG-ADAPTER

2905872

1

91

PHOENIX CONTACT

– Universally configurable highly compact 

threshold value switch for switching 
analog limit values

– Plug-in connection system
– Safe 3-way isolation
– Standard switching behavior can be 

configured via DIP switches

– Freely configurable with software or 

smartphone app

– PDT  relay  at  output
– Limiting continuous current up to 6 A
– Power supply and fault monitoring 

possible via DIN rail connector

– Status and error indicator LEDs

Notes:

The configuration software can be downloaded from the Internet: 

phoenixcontact.net/products.

Information on the programming adapters can be found on 

page 105

Information on MINI Analog Pro accessories can be found from 

page 101

Limit values
Threshold value switch

MCR technology

Highly compact signal conditioners with plug-in connection technology – MINI Analog Pro

D W

H

Configurable, 

with relay PDT output

phoenixcontact-interface-technology-and-switching-devices-html.html
background image

OUT

I

N

POW

E

R

FM

Z

o

n

e

 

2

I

N

OUT

Se

n

sor

 

/

 Fi

e

l

d

1

2

3

4

P

L

C

 

/

 

DCS

5

14

11

6

PWR

+

PWR

+

PWR

+

FM

1

5

2

6

3

7

4

8

S

-

PORT

TC

PWR

Housing width 6.2 mm

Technical data

Input data

Input signal (can be configured using DIP switches)

Pt, Ni, Cu sensors : 2, 3, 4-wire

Temperature range

-250 °C ... 2500 °C

Measuring range span

min. 20 K

Linear resistance measuring range

 ... 4000 

Switching output

Relay output

1 N/O contact

Contact material

AgSnO

2

, hard gold-plated

Max. switching voltage

250 V AC

Maximum switching current

6 A (for 250 V AC)

Minimum switching current

100 mA (12 V DC)

Limiting continuous current

6 A

Hysteresis

can be set freely via software

Setting range of the response delay

0 s ... 10 s (can be set freely via software)

General data

Supply voltage range

9.6 V DC ... 30 V DC

Current consumption

44 mA (12 V DC)

22 mA (24 V DC)

Switching point accuracy

< 0.1 %

Power consumption

570 mW

Temperature coefficient

0.01 %/K

Step response (0–99%)

typ. 300 ms

typ. 570 ms

typ. 380 ms

typ. 300 ms

typ. 570 ms

Electrical isolation

Reinforced insulation in accordance with IEC 61010-1

Test voltage, input/output/supply

3 kV (50 Hz, 1 min.)

Ambient temperature (operation)

-40 °C ... 70 °C

Housing material

PBT

Dimensions W/H/D

6.2 / 110.5 / 120.5 mm

Push-in connection solid/stranded/AWG

0.14 ... 2.5 mm² / 0.14 ... 2.5 mm² / 24 - 12

Screw connection solid/stranded/AWG

0.2 ... 1.5 mm² / 0.2 ... 1.5 mm² / 24 - 12

EMC note

Class A product, see page 605

Conformance/Approvals

Conformance

CE-compliant

ATEX

 II 3 G Ex nA nC IIC T4 Gc X

UL, USA/Canada

UL 508 Listed

Class I, Div. 2, Groups A, B, C, D T4A

Class I, Zone 2, Group IIC T4A

GL

GL applied for

Ordering data

Description

 

 

Type

Order No.

Pcs./

Pkt.

Temperature limit value switch 

Push-in connection

MINI MCR-2-T-REL-PT

2905633

1

Screw connection

MINI MCR-2-T-REL

2905632

1

Accessories

Programming adapter

 for configuring modules with 

S-PORT interface

IFS-USB-PROG-ADAPTER

2811271

1

Programming adapter

 for configuring modules with 

NFC interface

NFC-USB-PROG-ADAPTER

2900013

1

Bluetooth programming adapter, 

with USB and 

S-PORT interface

IFS-BT-PROG-ADAPTER

2905872

1

92

PHOENIX CONTACT

– Universally configurable, highly compact 

temperature limit value switch for 
switching analog limit values from 
resistance thermometers and remote 
resistance-type sensor signals

– For 2, 3 or 4-wire RTD sensors according 

to IEC 751, JIS, GOST

– For thermocouples according to IEC 584 

and GOST

– Internal cold junction compensation
– Plug-in connection system
– Safe 3-way isolation
– Standard behavior can be configured via 

DIP switches

– Freely configurable via software or 

smartphone app

– N/O relay output (N/C function can be 

set via software)

– Limiting continuous current up to 6 A
– Power supply and fault monitoring 

possible via DIN rail connector

– Status and error indicator LEDs

Notes:

The configuration software can be downloaded from the Internet: 

phoenixcontact.net/products.

Information on the programming adapters can be found on 

page 105

Limit values
Temperature

MCR technology

Highly compact signal conditioners with plug-in connection technology – MINI Analog Pro

Configurable,

temperature transducer with 

N/O relay output

phoenixcontact-interface-technology-and-switching-devices-html.html
background image

OUT

I

N

POW

E

R

FM

Z

o

n

e

 

2

I

N

Se

n

sor

 

/

 Fi

e

l

d

OUT

P

L

C

 

/

 

DCS

5

6

1

2

PWR

+

PWR

+

PWR

+

FM

1

5

2

6

3

7

4

8

R 2

+

O

PWR

R

1+

O

S

-

PORT

3

4

max

.

3

0

DC

1

00

m

A

PWR

-

TC

For further information and full technical data, visit phoenixcontact.net/products

Housing width 6.2 mm

Technical data

Input data

Input signal (can be configured using DIP switches)

Pt, Ni, Cu sensors : 2, 3, 4-wire

Temperature range

-250 °C ... 2500 °C

Measuring range span

min. 20 K

Linear resistance measuring range

 ... 4000 

Switching output

Transistor output

2 N/O contacts

Max. switching voltage

30 V DC

Maximum switching current

100 mA (30

 

V (

 50

 

°C))

General data

Supply voltage range

9.6 V DC ... 30 V DC

Current consumption

20 mA (12 V DC)

10 mA (24 V DC)

Switching point accuracy

< 0.1 %

Power consumption

350 mW

Temperature coefficient

0.01 %/K

Step response (0–99%)

typ. 300 ms

typ. 570 ms

typ. 380 ms

typ. 300 ms

typ. 570 ms

Electrical isolation

Reinforced insulation in accordance with IEC 61010-1

Test voltage, input/output/supply

3 kV (50 Hz, 1 min.)

Ambient temperature (operation)

-40 °C ... 70 °C

Housing material

PBT

Dimensions W/H/D

6.2 / 110.5 / 120.5 mm

Push-in connection solid/stranded/AWG

0.14 ... 2.5 mm² / 0.14 ... 2.5 mm² / 24 - 12

Screw connection solid/stranded/AWG

0.2 ... 1.5 mm² / 0.2 ... 1.5 mm² / 24 - 12

EMC note

Class A product, see page 605

Conformance/Approvals

Conformance

CE-compliant

ATEX

 II 3 G Ex nA IIC T4 Gc X

UL, USA/Canada

UL 508 Listed

Class I, Div. 2, Groups A, B, C, D T6

Class I, Zone 2, Group IIC T6

GL

GL applied for

Ordering data

Description

 

 

Type

Order No.

Pcs./

Pkt.

Temperature limit value switch 

Push-in connection

MINI MCR-2-T-2RO-PT

2906877

1

Screw connection

MINI MCR-2-T-2RO

2906876

1

Accessories

Programming adapter

 for configuring modules with 

S-PORT interface

IFS-USB-PROG-ADAPTER

2811271

1

Programming adapter

 for configuring modules with 

NFC interface

NFC-USB-PROG-ADAPTER

2900013

1

Bluetooth programming adapter, 

with USB and 

S-PORT interface

IFS-BT-PROG-ADAPTER

2905872

1

93

PHOENIX CONTACT

– Universally configurable, highly compact 

temperature limit value switch for 
switching analog limit values from 
resistance thermometers and remote 
resistance-type sensor signals

– For 2, 3 or 4-wire RTD sensors according 

to IEC 751, JIS, GOST

– For thermocouples according to IEC 584 

and GOST

– Internal cold junction compensation
– Plug-in connection system
– Safe 3-way isolation
– Standard behavior can be configured via 

DIP switches

– Freely configurable via software or 

smartphone app

– 2 transistor switching contacts on the 

output

– Maximum switching current 30 V / 100 mA
– Power supply and fault monitoring 

possible via DIN rail connector

– Status and error indicator LEDs

Notes:

The configuration software can be downloaded from the Internet: 

phoenixcontact.net/products.

Information on the programming adapters can be found on 

page 105

Limit values
Temperature

MCR technology

Highly compact signal conditioners with plug-in connection technology – MINI Analog Pro

Configurable,

temperature transducer with

transistor output

phoenixcontact-interface-technology-and-switching-devices-html.html
background image

94

PHOENIX CONTACT

MCR technology

Highly compact signal conditioners with plug-in connection technology – MINI Analog Pro

Safely isolated from field to network. 

MINI Analog Pro signal conditioners with 
bus and network connections combine the 
benefits of safe electrical isolation with 
those of digital communication. With an 
overall width of less than 50 mm, you can 
transmit, free of interference, up to eight 
field signals to industrial networks, without 
the need for signal-specific input cards.

Further advantages:

– Gateways for different protocols: Modbus 

RTU, Modbus TCP, and PROFIBUS DP

– Interference-free signal transmission from 

the field level to the CPU, thanks to safe 
electrical isolation

– Fast, fault-free wiring, by bundling the 

signals in one network cable

phoenixcontact-interface-technology-and-switching-devices-html.html
background image

For further information and full technical data, visit phoenixcontact.net/products

95

PHOENIX CONTACT

MCR technology

Highly compact signal conditioners with plug-in connection technology – MINI Analog Pro

No need for input cards

– Cost and space savings, as signal-specific 

input cards are no longer needed

Modular and space-saving

– Space-saving network integration of freely 

combinable signal conditioners by means 
of plug-in gateways

Flexible configuration

– Quick parameterization via rotary coding 

switch, software, web server or app

Smart configuration and monitoring

– Carry out on-site configuration and read 

current values directly off a smartphone 
with the MINI Analog Pro app

Easy startup and servicing

– Measure current signals during operation, 

without disconnecting current loops

Easy maintenance

– Large-surface marking areas for standard 

marking material as well as permanently 
visible status and error LEDs on each 
module

phoenixcontact-interface-technology-and-switching-devices-html.html
background image

Sensor

/Fi

e

l

d

PLC

/

DCS

MI

N

I M

CR

- -...

2

MI

N

I M

CR

- -...

2

MI

N

I M

CR

- -...

2

MI

N

I M

CR

- -...

2

MI

N

I M

CR

- -...

2

MI

N

I M

CR

- -...

2

MI

N

I M

CR

- -...

2

MI

N

I M

CR

- -...

2

MI

N

I M

CR

-

-

2

V

8

-...

I

N

I

N

OUT

P

L

C

B

u

s

8

 

x

 I

N

-

+

-

+

-

+

2

-wi

re

3

-wi

re

4-wi

re

U

s

Ex: 

Housing width 51.1 mm

Technical data

Input data

Number of inputs

8

Configurable/programmable

Yes

Current input signal

4 mA ... 20 mA

Maximum input current

24 mA

Input resistance of current input

50 

Maximum input voltage

5 V

Output data

Number of outputs

1

Data update rate

15 ms

General data

Nominal supply voltage range

12 V ... 24 V

Supply voltage range

9.6 V ... 30 V

Power consumption

< 1000 mW

Maximum transmission error

0.1 %

Temperature coefficient

0.01 %

Test voltage, input/output/supply

0.5 kV

Ambient temperature (operation)

-40 °C ... 65 °C

Housing material

PBT 7% GF V0

Dimensions W/H/D

51.1 / 104.1 / 56.8 mm

EMC note

Class A product, see page 605

Conformance/Approvals

Conformance

CE-compliant

UL, USA/Canada

UL 61010 Listed

Class I, Div. 2, Groups A, B, C, D T5

Class I, Zone 2, Group IIC T5

Ordering data

Description

Type

Order No.

Pcs./

Pkt.

Gateways for bus and network connection 

Modbus/RTU

MINI MCR-2-V8-MOD-RTU

2905634

1

Modbus/TCP

MINI MCR-2-V8-MOD-TCP

2905635

1

PROFIBUS DP

MINI MCR-2-V8-PB-DP

2905636

1

Accessories

Programming adapter

 for configuring modules with 

S-PORT interface

IFS-USB-PROG-ADAPTER

2811271

1

Programming adapter

 for configuring modules with 

NFC interface

NFC-USB-PROG-ADAPTER

2900013

1

Bluetooth programming adapter, 

with USB and 

S-PORT interface

IFS-BT-PROG-ADAPTER

2905872

1

96

PHOENIX CONTACT

– Easy integration of up to eight field signals 

in the bus systems

– Any combination of signal conditioners is 

possible (standard signal, temperature, 
etc.)

– Easy attachment to the output side of 

MINI Analog Pro modules

– Huge savings in terms of input cards and 

bus couplers

– Safe channel-to-channel electrical 

isolation right through to the CPU

– Versions with PROFIBUS DP, 

Modbus/RTU or Modbus/TCP are 
available

– Can be configured via software or 

smartphone app

Notes:

The configuration software can be downloaded from the Internet: 

phoenixcontact.net/products.

Information on the programming adapters can be found on 

page 105

MINI Analog Pro gateways

MCR technology

Highly compact signal conditioners with plug-in connection technology – MINI Analog Pro

new

Gateways for bus and network connection

phoenixcontact-interface-technology-and-switching-devices-html.html
background image

Sensor

/Fi

e

l

d

PLC

/

DCS

MI

N

I M

CR

- -...

2

MI

N

I M

CR

- -...

2

MI

N

I M

CR

- -...

2

MI

N

I M

CR

- -...

2

MI

N

I M

CR

- -...

2

MI

N

I M

CR

- -...

2

MI

N

I M

CR

- -...

2

MI

N

I M

CR

- -...

2

MI

N

I M

CR

-

-

2

V

8

-...

I

N

I

N

OUT

P

L

C

FL

K

 1

6

8

 

x

 I

N

-

+

-

+

-

+

2

-wi

re

3

-wi

re

4-wi

re

U

s

For further information and full technical data, visit phoenixcontact.net/products

 

Ex: 

Housing width 51.1 mm

Technical data

Input data

Number of inputs

8

Configurable/programmable

no

Maximum input current

4 A (500

 

mA per ch.)

Maximum input voltage

30 V

Output data

Number of outputs

8

Connection method

IDC/FLK pin strip

Configurable/programmable

no

General data

Test voltage input/output

0.5 kV

Rated insulation voltage

50 V

rms

Degree of protection

IP20

Overvoltage category / Degree of pollution

II / 2

Ambient temperature (operation)

-40 °C ... 70 °C

Humidity

5 % ... 95 %

Maximum altitude for use above sea level

4000 m

Housing material

PBT 7% GF V0

Dimensions W/H/D

51.1 / 104.1 / 56.8 mm

Conformance/Approvals

Conformance

CE-compliant

ATEX

 II 3 G Ex nA IIC Gc U

UL, USA/Canada

UL 61010 Listed

Class I, Div. 2, Groups A, B, C, D T5

Class I, Zone 2, Group IIC T5

GL

GL applied for

Ordering data

Description

Type

Order No.

Pcs./

Pkt.

System cabling adapter 

for MINI Analog Pro modules

MINI MCR-2-V8-FLK 16

2901993

1

97

PHOENIX CONTACT

– Time-saving wiring solution thanks to 

unique plug-in concept

– System cabling on PLC side
– Plug-and-Play
– For up to eight channels
– Reduced wiring effort and errors
– Easy attachment to the output side of 

MINI Analog Pro modules

– Especially easy to maintain, thanks to 

interruption-free current measurement 
function

MINI Analog Pro system adapter

MCR technology

Highly compact signal conditioners with plug-in connection technology – MINI Analog Pro

new

System cabling adapter

phoenixcontact-interface-technology-and-switching-devices-html.html
background image

TC... Termination Carriers

 are 

compact solutions for conveniently and 
smoothly connecting standard DIN rail 
signal conditioners from the MINI Analog 
Pro series to input and output cards of 
automation systems using system cabling.

The most compact signal conditioners 

combined with the most compact and 
flexible module carriers on the market 
enable you to achieve a hitherto 
unparalleled packing density in your control 
cabinet together with professional system 
cabling.

Compact

– The compact design associated with 

MINI Analog saves up to 65% of space in 
the control cabinet

Robust and reliable

– Stable, vibration-resistant aluminum 

carrier device profile

– PCB is completely decoupled from signal 

conditioners

– PCB without active electronics
– Redundant supply via separate DIN rail 

module

– Horizontal or vertical DIN rail mounting

Flexible

– Profile sections without pitch markings
– Quick and safe module connection with 

plug-in cable sets

– Horizontal or vertical DIN rail mounting
– Can be flexibly adapted to suit any 

controller or higher-level control system

– Solutions tailored to your requirements 

on request

– Available pre-assembled with modules 

and wired, or for self-assembly

98

PHOENIX CONTACT

Termination Carrier for 
MINI Analog Pro signal conditioner

Solutions are also available for MACX Analog, 

MACX Analog Ex, and Safety

Select controller-specific front adapter and system cable

Select module carrier

Select standard DIN rail device

MCR technology

Highly compact signal conditioners with plug-in connection technology – MINI Analog Pro

phoenixcontact-interface-technology-and-switching-devices-html.html
background image

C

H1

C

H3

C

H5

C

H7

C

H9

C

H11

C

H13

C

H15

1

20

C

H

2

C

H

4

C

H6

C

H8

C

H1

0

C

H1

2

C

H1

4

C

H16

2

2

1

3

22

4

2

3

5

2

4

6

2

5

7

2

6

8

2

7

9

2

8

1

0

2

9

11

3

0

1

2

31

13

3

2

1

4

33

15

3

4

16

35

1

1

1

1

1

1

1

1

+

+

+

+

+

+

+

+

+

+

+

+

+

+

+

+

-

-

-

-

-

-

-

-

-

-

-

-

-

-

-

-

X

20

 

C

OMBI

C

ON

X1 DS

U

B 37

PTSM

PTB

FM

5

6

7

8

6

T-B

U

S

F1

1

1

7

8

F2

1

3 (+)

5 (+)

Al

arm

PW1

PW

2

2

4

 (-)

6 (-)

1

3 (+)

2

5

FBS 

2

-6

-

+

M

INI

M

CR-

S

L-F

M

-RC-

NC

2

9

0

2

9

61

M

INI

M

CR-

S

L-

PT

B

-F

M

2

9

0

2

9

5

8

PW1

PW

2

For further information and full technical data, visit phoenixcontact.net/products

Ex: 

Housing width 136 mm

Technical data

General data

Connection to the control system level

D-SUB pin strip

Number of positions

37

Maximum operating voltage

< 30 V DC (Per signal/channel)

Maximum permissible current

23 mA (Signal/channel)

Rated insulation voltage

50 V

Degree of pollution

2

Overvoltage category

II

Rated surge voltage

0.5 kV

Air clearances and creepage distances

DIN EN 50178 ( Basic insulation )

Ambient temperature range

-20 °C ... 60 °C (Please observe module specifications)

Shock

15g, according to IEC 60068-2-27

Vibration (operation)

2g, according to IEC 60068-2-6

Dimensions W/H/D

136 / 170 / 160 mm

Power supply via power module

Input voltage range

19.2 V DC ... 30 V DC

Redundant supply

yes, decoupled from diodes

Polarization and surge protection

Yes

Fuse

2x 2.5 A on PCB, slow-blow (replaceable)

Status indication

2 x red LED (error)

2x green LEDs (PWR1 and PWR2)

Switching output

1 N/C contact (alarm = open)

Ordering data

Description

 

Type

Order No.

Pcs./

Pkt.

Module carrier

 for 16 MINI Analog channels, power and 

feed-through module

TC-D37SUB-ADIO16-MP-P-UNI

2906639

1

- With connection for MACX MCR-S-MUX HART multiplexer

TC-D37SUB-AIO16-MP-PS-UNI

2906640

1

Accessories

MINI Analog Pro power terminal

MINI MCR-2-PTB-PT

2902067

1

MINI Analog Pro fault signaling module

MINI MCR-2-FM-RC-PT

2904508

1

HART multiplexer,

 32-chanel, including two 14-wire flat-ribbon cable

MACX MCR-S-MUX

2865599

1

99

PHOENIX CONTACT

The 

TC-D37SUB-ADIO16-MP-P-

UNI

 universal Termination Carrier is a 

compact solution which connects signal 
conditioners from the MINI Analog Pro 
series to analog or binary input and output 
cards of automation systems.

The 

TC-D37SUB-AIO16-MP-PS-

UNI

 Termination Carrier design, when 

combined with the MACX MCR-S-MUX 
HART multiplexer, also enables 
communication between HART-capable 
field devices and a management system.
– Connection of up to 16 single-channel 

signal conditioners

– Universal 1:1 signal routing to a 37-pos. 

D-SUB connector

– For system cables with D-SUB socket and 

open ends for universal connection

– Redundant supply and monitoring via 

separate MINI MCR-2-PTB-PT power 
terminal and MINI MCR-2-FM-RC-PT 
fault signaling module

Notes:

Contact us: together, we can develop optimum solutions 

for your automation system with the Termination Carrier for 

MINI Analog Pro.

TC-D37SUB-ADIO16-MP-P-UNI (Order No. 

2906639

) is not a 

class A product.

Termination Carrier for 
MINI Analog Pro signal conditioner

TC-D37SUB-ADIO16-M-P-UNI and TC-D37SUB-AIO16-M-PS-UNI connection scheme

MCR technology

Highly compact signal conditioners with plug-in connection technology – MINI Analog Pro

phoenixcontact-interface-technology-and-switching-devices-html.html
background image

IN

U

I

CV

CC

P

O

W

ER

OU

T

F

M

Z

o

n

e

 2

Se

n

sor

 / F

iel

d

OU

T

OU

T

P

LC / DC

S

+

+

+

+

1

2

6

4

OU

T

 U,I–

OU

T

 U,I+

OU

T

 U,I+

OU

T

 U,I–

T

I+

7

8

T

I+

5

F

M

P

W

R+

P

W

R–

3

P

W

R+

P

W

R+

P

W

R-

P

W

R-

Ex: 

Housing width 6.2 mm

Technical data

Input data

Input signal

9.6 ... 30 V

Output data

U output

I output

Output signal (can be configured using DIP switches)

10 V DC

8.75 V DC

7.5 V DC

6.25 V DC

5 V DC

3.75 V DC

2.5 V DC

1.25 V DC

20 mA

17.5 mA

15 mA

12.5 mA

10 mA

7.5 mA

5 mA

2.5 mA

Short-circuit current

> 32 mA

Ripple

< 20 mV

PP

 (at 600 

)

General data

Supply voltage range

9.6 V DC ... 30 V DC

Power consumption

< 1.1 W (9.6 V DC)

Maximum transmission error

 0.1 % (of final value)

Temperature coefficient

< 0.01 %/K

Electrical isolation

Reinforced insulation in accordance with IEC 61010-1

Test voltage, input/output/supply

3 kV (50 Hz, 1 min.)

Degree of protection

IP20

Ambient temperature (operation)

-40 °C ... 70 °C

Housing material

PBT

Dimensions W/H/D

6.2 / 110.5 / 120.5 mm

Push-in connection solid/stranded/AWG

0.14 ... 2.5 mm² / 0.14 ... 2.5 mm² / 24 - 12

Screw connection solid/stranded/AWG

0.2 ... 1.5 mm² / 0.2 ... 1.5 mm² / 24 - 12

EMC note

Class A product, see page 605

Conformance/Approvals

Conformance

CE-compliant

ATEX

 II 3 G Ex nA IIC T4 Gc X

UL, USA/Canada

UL 508 Listed

Class I, Div. 2, Groups A, B, C, D T6

Class I, Zone 2, Group IIC T6

Ordering data

Description

 

 

Type

Order No.

Pcs./

Pkt.

Constant voltage/constant current source 

Push-in connection

MINI MCR-2-CVCS-PT

2902065

1

Screw connection

MINI MCR-2-CVCS

2902064

1

Accessories

Setpoint potentiometer

, to set setpoints individually

Resistance value 4.7 k

EMG 30-SP- 4K7LIN

2940252

10

Resistance value 10 k

EMG 30-SP-10K LIN

2942124

10

100

PHOENIX CONTACT

– Constant voltage/constant current 

source for potentiometers, measuring 
bridges, encoders, etc.

– Plug-in connection system
– Highly  precise
– Output signals can be configured via 

DIP switches

– Input signal corresponds to power supply
– Input signal and therefore energy supply 

and fault monitoring via the DIN rail 
connector

– For voltages up to 10 V and currents up 

to 20 mA

– Status  LED

Accessories
Constant voltage/
constant current source

MCR technology

Highly compact signal conditioners with plug-in connection technology – MINI Analog Pro

D W

H

Output signals, configurable

phoenixcontact-interface-technology-and-switching-devices-html.html
background image

1

0

V

S

w

0

V

0

V

OU

T

IN

U

re

f

U

For further information and full technical data, visit phoenixcontact.net/products

Technical data

Technical data

Technical data

Connection data solid/stranded/AWG

0.14 ... 2.5 mm² / 0.14 ... 2.5 mm² / 24 - 12

0.2 ... 1.5 mm² / 0.2 ... 1.5 mm² / 24 - 12

Ordering data

Ordering data

Description

Type

Order No.

Pcs./

Pkt.

Type

Order No.

Pcs./

Pkt.

FASTCON Pro connector set

- with Push-in connection

FASTCON PRO-SET-PT

2906228

1

- with screw connection

FASTCON PRO-SET

2906227

1

– FASTCON  Pro  connector  set
– Consisting of four connectors, one each 

for every position on the module

– Suitable for all MINI Analog Pro modules
– Four-way coding prevents incorrect 

insertion into the device

– Screw or Push-in connection technology

Accessories
Connector set

MCR technology

Highly compact signal conditioners with plug-in connection technology – MINI Analog Pro

with Push-in connection

with screw connection

Technical data

Input data

EMG 30-SP- 4K7LIN

EMG 30-SP-10K LIN

Resistance value

4.7 k

 ±20 %

10 k

 ±20 %

Linearity

5 % (of final value)

5 % (of final value)

Load capacity

0.5 W

0.5 W

General data

Ambient temperature (operation)

0 °C ... 40 °C

Mounting

any

Housing material

Polycarbonate fiber reinforced PC-F

Dimensions W/H/D

30 / 75 / 68 mm

Screw connection solid/stranded/AWG

0.2 ... 4 mm² / 0.2 ... 2.5 mm² / 24 - 14

Ordering data

Description

Type

Order No.

Pcs./

Pkt.

Setpoint potentiometer

, to set setpoints individually

Resistance value 4.7 k

EMG 30-SP- 4K7LIN

2940252

10

Resistance value 10 k

EMG 30-SP-10K LIN

2942124

10

101

PHOENIX CONTACT

D W

H

– For direct setpoint definition in 

combination with a constant voltage 
source

Accessories
Setpoint potentiometers

phoenixcontact-interface-technology-and-switching-devices-html.html
background image

P

W

R OU

T

+

+

+

+

P

W

R 1 IN

OU

T

-F

M

P

W

R 2 IN

OU

T

-F

M

P

W

R 2 IN

P

W

R 1 IN

IN

OU

T

 F

M

1

5

2

6

3

7

4

8

+

9

,6 V

…+3

0

 V

+

9

,6 V

…+3

0

 V

Z

o

n

e

 2

IN

+

9

,6 V

…+3

0

 V

+

9

,6 V

…+3

0

 V

+

Ordering data

Ordering data

Description

Type

Order No.

Pcs./

Pkt.

Type

Order No.

Pcs./

Pkt.

DIN rail connector (TBUS),

 for bridging the supply voltage, 

can be snapped onto 35 mm DIN rails according to EN 60715, with 

UL approval

Color: green

ME 6,2 TBUS-2 1,5/5-ST-3,81 GN

2869728

10

Color: gray

ME 6,2 TBUS-2 1,5/5-ST-3,81 GY

2695439

10

– For bridging the supply voltage
– Reduced wiring effort
– Module replacement without interrupting 

the supply to the remaining modules 
(hot swappable)

– One DIN rail connector for two 

MINI Analog Pro modules

– Only distinguished by color coding

Accessories
ME 6,2 TBUS... DIN rail connector

MCR technology

Highly compact signal conditioners with plug-in connection technology – MINI Analog Pro

For bridging the supply voltage

For bridging the supply voltage

Technical data

Input data/output data

Input voltage range

9.9 V DC ... 30 V DC

Output voltage

9.6 V DC ... 29.7 V DC

Output current

 3.2 A

General data

Ambient temperature (operation)

-40 °C ... 70 °C

Housing material

PBT

EMC note

Class A product, see page 605

Conformance/Approvals

Conformance

CE-compliant

ATEX

 II 3 G Ex nA IIC T4 Gc X

UL, USA/Canada

UL 508 Listed

Class I, Div. 2, Groups A, B, C, D T6

Class I, Zone 2, Group IIC T6

DNV GL

C, EMC2

Ordering data

Description

 

 

Type

Order No.

Pcs./

Pkt.

MINI Analog Pro power terminal

Push-in connection

MINI MCR-2-PTB-PT

2902067

1

Screw connection

MINI MCR-2-PTB

2902066

1

102

PHOENIX CONTACT

D W

H

– Power terminal for supplying the supply 

voltage to the DIN rail connector

– Plug-in connection system
– Increased output current of 3.2 A
– For up to 115 MINI Analog Pro modules
– Monitoring of supplies in combination 

with the fault monitoring module

– Flexible redundant supply from one or 

both module sides

– Status and error indicator LEDs

Notes:

Pay attention to the supply instructions for the MINI and 

MACX modules.

Accessories
Power terminals

Redundant supply for 

existing 24 V

phoenixcontact-interface-technology-and-switching-devices-html.html
background image

For further information and full technical data, visit phoenixcontact.net/products

Ordering data

Description

Type

Order No.

Pcs./

Pkt.

DIN rail connector,

 for bridging the supply voltage, can be 

snapped onto 35 mm DIN rails according to EN 60715, with UL 

approval, two pieces are required per system power supply

ME 17,5 TBUS 1,5/ 5-ST-3,81 GN

2709561

10

– For bridging the supply voltage when 

using a MINI POWER system power 
supply

Notes:

If the system power supply is used, two ME 17,5 TBUS DIN rail 

connectors are required. This allows you to establish the 

connection to the ME 6,2 TBUS DIN rail connector of the 

MINI Analog system and provide an effective power supply.

Accessories
ME 17,5 TBUS-... DIN rail connector

MCR technology

Highly compact signal conditioners with plug-in connection technology – MINI Analog Pro

For system power supply

Ordering data

Description

Type

Order No.

Pcs./

Pkt.

System power supply,

 primary-switched, with Zone 2 approval.

Further information can be found in Catalog 4, Surge protection and 

power supplies.

MINI-PS-100-240AC/24DC/1.5/EX

2866653

1

System power supply,

 primary-switched (not for Zone 2)

You can find further information in Catalog 4, Surge protection and 

power supplies.

MINI-SYS-PS-100-240AC/24DC/1.5

2866983

1

103

PHOENIX CONTACT

H

W

D

– For supplying the supply voltage via the 

DIN rail connector where AC voltages 
are available

– Nominal input voltage range 

100 ... 240 V AC

– 24 V DC output voltage
– For up to 60 MINI Analog modules
– For up to 1.5 A, secondary
– Status and error signaling via diagnostic 

LEDs

Accessories
System power supply

For applications with 

local voltages of over 100 V

phoenixcontact-interface-technology-and-switching-devices-html.html
background image

OU

T

IN

OU

T

IN

OU

T

IN

OU

T

1

5

2

6

3

7

4

8

Se

n

sor

 / F

iel

d

P

LC / DC

S

IN

OU

T

IN

P

W

R+

P

W

R–

+

+

+

+

OU

T

 RC

OU

T

 RC

P

W

R 1

IN

P

W

R 2

IN

P

W

R

OU

T

FAUL

T

CON

T

AC

T

IN

OU

T

F

M

1

5

2

6

3

7

4

8

+

9

,6 V…+3

0

 V

+

9

,6 V…+3

0

 V

+

9

,6 V…+3

0

 V

Z

o

n

e

 2

Technical data

General data

Degree of protection

IP20

Ambient temperature (operation)

-40 °C ... 70 °C

Mounting

any

Housing material

PBT

Dimensions W/H/D

6.2 / 110.5 / 120.5 mm

Screw connection solid/stranded/AWG

0.2 ... 1.5 mm² / 0.2 ... 1.5 mm² / 24 - 12

Conformance/Approvals

Conformance

CE-compliant

ATEX

 II 3 G Ex nA IIC T4 Gc X

UL, USA/Canada

UL 508 Listed

Class I, Div. 2, Groups A, B, C, D T6

Class I, Zone 2, Group IIC T6

DNV GL

C, EMC2

Ordering data

Description

 

 

Type

Order No.

Pcs./

Pkt.

MINI Analog Pro feed-through terminal block

Screw connection

MINI MCR-2-TB

2902068

1

– Feed-through terminal block for 

1:1 forwarding of signals that are 
already electrically isolated in the 
MINI Analog Pro group

– Plug-in connection system

Accessories
Feed-through terminal blocks

MCR technology

Highly compact signal conditioners with plug-in connection technology – MINI Analog Pro

For signals already electrically isolated

Technical data

Input data/output data

Input signal

9.9 V DC ... 30 V DC

Output signal

9.6 V DC ... 29.7 V DC

Switching output

Max. switching voltage

30 V DC

Maximum switching current

50 mA

General data

Test voltage input/output

1.5 kV AC (50 Hz, 1 min.)

EMC note

Class A product, see page 605

Conformance/Approvals

ATEX

 II 3 G Ex nA IIC T4 Gc X

UL, USA/Canada

UL 508 Listed

Class I, Div. 2, Groups A, B, C, D T6

Class I, Zone 2, Group IIC T6

DNV GL

C, EMC2

Ordering data

Description

 

 

Type

Order No.

Pcs./

Pkt.

MINI Analog Pro fault signaling module

Push-in connection

MINI MCR-2-FM-RC-PT

2904508

1

Screw connection

MINI MCR-2-FM-RC

2904504

1

104

PHOENIX CONTACT

D W

H

– Fault monitoring module for evaluating 

and reporting group errors from the fault 
monitoring system

– Monitoring of up to 115 connected 

MINI Analog Pro modules

– Plug-in connection system
– Monitoring of supply voltages of 

MINI MCR-2-PTB(-PT) power terminals

– Drawing off the supply is possible
– Fault signaling via an N/C contact
– Status and error indicator LEDs
– CE-compliant

Accessories
Fault signaling modules

For group error message and 

supply monitoring 

phoenixcontact-interface-technology-and-switching-devices-html.html
background image

For further information and full technical data, visit phoenixcontact.net/products

Technical data

General data

EMC note

Class A product, see page 605

Ordering data

Description

Type

Order No.

Pcs./

Pkt.

Programming adapter

 for configuring modules with 

S-PORT interface

IFS-USB-PROG-ADAPTER

2811271

1

Programming adapter

 for configuring modules with 

NFC interface

NFC-USB-PROG-ADAPTER

2900013

1

Bluetooth programming adapter, 

with USB and 

S-PORT interface

IFS-BT-PROG-ADAPTER

2905872

1

IFS-USB-PROG-ADAPTER and 

NFC-USB-PROG-ADAPTER programming 
adapters for configuring Phoenix Contact 
INTERFACE modules with S-PORT or 
NFC interface.

The adapters are used with the FDT/DTM 

or the ANALOG-CONF software. For 
programming the MACX Analog, 
MINI Analog Pro, and MINI Analog.

Accessories
Programming adapters

MCR technology

Highly compact signal conditioners with plug-in connection technology – MINI Analog Pro

Ordering data

Ordering data

Description

Color

Type

Order No.

Pcs./

Pkt.

Type

Order No.

Pcs./

Pkt.

UniCard

, for marking the CLIPFIX 35-5 end bracket, 24-section, 

8

 

individual labels per strip, lettering field size: 30

 

x

 

5

 

mm

white

UCT-EM (30X5)

0801505

10

Lettering field size: 30

 

x

 

5

 

mm

white

UCT-EM (30X5) CUS

0801589

1

10-section, lettering field size: 15 x 5 mm

white

UC-EMLP (15X5)

0819301

10

10-section, lettering field size: 15 x 5 mm

white

UC-EMLP (15X5) CUS

0824550

1

Continuous labels,

 can be marked with thermal transfer printer, 

can be separated with a cutter, pitch as desired, strip length up 

to 1000 mm

1 roll = 90

 

m continuous, height: 5.0

 

mm, 10

 

strips

white

SK  5,0 WH:REEL

0805221

1

105

PHOENIX CONTACT

– Snap-in labels and adhesive labels with 

large area for marking

– For snapping into or sticking onto 

MINI Analog Pro covers, without 
overlapping the status and error LEDs

– The sheets can be marked quickly and 

easily using the BLUEMARK CLED and 
the THERMOMARK CARD...

– They can also be custom printed 

according to customer requirements

Accessories
Marking label for transparent cover

Unmarked or 

marked according to customer specifications

phoenixcontact-interface-technology-and-switching-devices-html.html
background image

106

PHOENIX CONTACT

Signal conditioner 
with PL functional 
safety

MACX Safety

Signal conditioner 
with SIL functional 
safety

MACX Analog

Ex i signal conditioner 
with PL functional 
safety

MACX Safety Ex

Ex i signal conditioner 
with SIL functional 
safety

MACX Analog Ex

Machine building/process industry

EN ISO 13849-1
EN 62061
IEC 61508
EN 60511

Process industry

IEC 61508
EN 60511

Intrinsic safety

ATEX/IECEx
EN 60079-11

No intrinsic safety

MCR technology

Signal conditioners with functional safety and explosion protection – the MACX ranges

phoenixcontact-interface-technology-and-switching-devices-html.html
background image

For further information and full technical data, visit phoenixcontact.net/products

107

PHOENIX CONTACT

MCR technology

Signal conditioners with functional safety and explosion protection – the MACX ranges

Reliable and safe

Highest safety for your machines and 

systems.

Phoenix Contact meets the requirements 

of functional safety according to IEC 61508 
in a standardized development process. We 
take measures for fault avoidance and fault 
control into consideration, from the 
development and production of a device up 
to device operation.

Precise, interference-free signal 
transmission and long service life

– Patented transmission concept with safe 

electrical isolation

– Low power consumption and self-heating

Easy configuration and monitoring

– Either via FDT/DTM or alternatively with 

user-friendly stand-alone software – with 
integrated monitoring function

– Or without software via DIP switches on 

the housing front or with the operator 
interface and display unit

Easy installation, power bridging, and 
diagnostics

– Flexible supply voltage bridging and the 

option of redundant, diode-decoupled 
supply and error indication.

– Plug-in, coded connection terminal blocks 

with test sockets, optionally with screw 
connection or with fast Push-in 
connection technology

Fast and error-free signal connection

– Compact Termination Carriers connect 

MACX Analog devices to the automation 
system – Plug and Play

Ex i signal conditioner and 
PL d-certified signal conditioner

– Single and two-channel signal isolators for 

intrinsically safe circuits up to Zone 0 and 
Zone 20

– Integrate analog signals into safety 

applications according to the Machinery 
Directive with ease

phoenixcontact-interface-technology-and-switching-devices-html.html
background image

Facts about explosion protection

The chemical and petrochemical 

industries involve industrial processes 
which produce explosive atmospheres. 
They are caused, for example, by gases, 
fumes or vapors. Explosive atmospheres are 
also likely to occur in mills, silos, and sugar 
and fodder factories due to the dust present 
there. 

Therefore, electrical devices in potentially 

explosive areas are subject to special 
directives. 

Devices and protective systems in 
potentially explosive areas

European Parliament directive 94/9/EC of 

March 23, 1994 (ATEX manufacturer 
directive) is of particular importance within 
CENELEC (European Community and 
Western European EFTA states). It is 
designed to facilitate the harmonization of 
legal provisions in the member states of the 
European Union for devices and protective 
systems in terms of ensuring correct use in 
potentially explosive areas. Directive 
94/9/EC must be applied to all explosion-
protected devices and protective systems 
placed on the market in the European 
Union.

The scope of this directive also includes 

safety, monitoring, and control devices 
which are used outside of potentially 
explosive areas, but which are necessary for, 
or contribute towards, the safe operation of 
devices and protective systems with respect 
to explosion hazards.

The term 

device

 includes machines, 

equipment, stationary or mobile devices, 
control components, and system 
accessories. The directive also covers alarm 
and protection systems which are meant to 
be used, either individually or in 
combination, for the generation, 
transmission, storage, measurement, 
control, and conversion of energy as well as 
for processing materials and which have the 
potential to ignite and cause an explosion. 

Protective systems

 are devices 

designed to stop an incipient explosion 
immediately and/or restrict the area 
affected by the explosion, and which are 
placed on the market separately as 
autonomous systems.

Components

 are defined as those parts 

that are necessary for ensuring the safe 
operation of devices and protective 
systems, but do not perform an 
autonomous function in themselves.

European directives are implemented in 

ordinances or laws at a national level. 

Systems in potentially explosive areas

Directive 1999/92/EC (ATEX Operator 

Directive) was passed in Europe to regulate 
the operation of systems in potentially 
explosive areas. 

Classification into groups

The general stipulations of EN 60079-0 

divide electrical devices for potentially 
explosive areas into three groups. 

Group I:

Electrical devices for firedamp areas 

(mines) which are susceptible to pit gases 
(methane) and/or combustible dusts (coal 
dust).

Group II:

Electrical devices for operation in areas 

where explosive gas atmospheres are likely 
to occur, excluding mines susceptible to 
firedamp.

These include: devices for the chemical, 

petrochemical, and pharmaceutical 
industries as well as for wastewater 
treatment. 

Electrical devices are further divided into 

subcategories according to the properties 
of the explosive atmosphere.

In the case of the intrinsic safety type of 

protection, classification is based on the 
minimum ignition energy of the gas or 
vapor.

Group III: 

Electrical devices for operation in areas 

where explosive dust atmospheres are likely 
to occur, excluding mines susceptible to 
firedamp.

These include: devices for areas 

associated with the food industry (mills, 
silos), for example.

Electrical devices are further divided into 

subcategories according to the properties 
of the explosive atmosphere. 

Terminology associated with the Ex area

Explosive atmosphere

A mixture of combustible gases, steam, vapors or dust and air in atmo-
spheric conditions that allow the entire mixture to combust once ig-
nited.

Potentially explosive area

An area where the atmosphere has the potential to explode due to lo-
cal or operational conditions (“Ex area”).

Electrical equipment

The entire set of components, electric circuits or parts of electric cir-
cuits that are usually located within a single housing.

Intrinsically safe electrical equipment

An electrical device in which all circuits are intrinsically safe. 
Note: These devices may be used directly in the Ex area.

Associated equipment

Electrical devices that contain both intrinsically safe and non-intrinsical-
ly-safe circuits and that are designed in such a way that the non-intrin-
sically-safe circuits cannot influence the intrinsically safe ones.
Note: Associated electrical equipment must not be used directly in po-
tentially explosive areas without additional protection defined by a fur-
ther type of protection.

 Designation

Typical gas

Ignition energy/J
Intrinsic safety

II A

Propane

> 180

II B

Ethylene

60 ... 180

II C

Hydrogen

<  60

 Designation

Dusts

III A

Combustible flyings

III B

Non-conductive dust

III C

Conductive dust

108

PHOENIX CONTACT

MCR technology

Signal conditioners with functional safety and explosion protection – the MACX ranges

phoenixcontact-interface-technology-and-switching-devices-html.html
background image

For further information and full technical data, visit phoenixcontact.net/products

Classification into temperature classes

Simply dividing the various gases into 

explosion or gas groups according to their 
minimum ignition energy is not sufficient to 
describe the gases adequately with regard 
to their explosive properties. 

A gas may explode either when the 

ignition energy is exceeded or where there 
is an excessively high temperature caused by 
a hot surface. This ignition temperature is, 
however, not usually linked to the ignition 
energy, i.e., a gas with a low ignition energy 
does not necessarily explode at a low 
temperature. Consequently, devices that 
are used directly in potentially explosive 
atmospheres are divided into temperature 
classes. Temperature classes define the 
maximum surface temperature even in the 
event of errors. Parallel to this, the gases 
are classified according to their different 
ignition temperatures.

The following table provides an overview 

of the ignition energies and ignition 
temperatures for certain gases:

Zone classification

Potentially explosive areas are divided 

into zones according to the probability of 
their occurrence. The EN 60079-10-1 
standard defines the zones containing 

explosive atmospheres

 as follows:

Zone 0: 

Area in which an explosive atmosphere is 

present for continuous or long periods. 

These conditions are usually present 

inside containers, pipelines, apparatus, and 
tanks.

Zone 1: 

Area in which an explosive atmosphere is 

to be expected only occasionally during 
normal operation. 

This includes the immediate area 

surrounding Zone 0, as well as areas close 
to filling and emptying equipment. 

Zone 2: 

Area in which an explosive atmosphere is 

not expected during normal operation; 
however, if it does occur, then it does so 
only rarely and for a short period.

Zone 2 includes areas that are used 

exclusively for storage, areas around pipe 
connections that can be disconnected, and 
generally the immediate area surrounding 
Zone 1.

Areas that are potentially explosive as a 

result of 

combustible dusts

 are divided 

into the following zones according to 
EN 60079-10-2 (formerly: EN 61241-10):

Zone 20: 

Area in which an explosive atmosphere is 

present for continuous, frequent or long 
periods in the form of an airborne cloud of 
combustible dust.

Zone 21: 

Area in which an explosive atmosphere in 

the form of an airborne cloud of 
combustible dust is to be expected only 
occasionally during normal operation.

Zone 22: 

Area in which an explosive atmosphere in 

the form of an airborne cloud of 
combustible dust is not expected during 
normal operation. However, if it does occur, 
then it does so only for a short period.

Categories

The ATEX directive assigns devices for 

use in potentially explosive areas to 
categories. In IEC 60079-0, “Equipment 
Protection Level (EPL)” is the term used 
instead of “category”. 

In the same way that there are different 

zones, there are also different device 
categories. These consist of categories M1 
and M2 for Group I and categories 1, 2, and 
3 for Group II. The categories for 

equipment group II

 are described in 

more detail below:

Category 1: 

Devices constructed to guarantee a very 

high degree of safety. 

Devices in this category must guarantee 

the required degree of safety even in the 
unlikely event of a device failure and 
therefore be provided with measures to 
protect against explosion, so that:
– In the event of one integrated protection 

measure failing, a second, independent 
protection measure is able to guarantee 
the necessary safety, or

– In the event of two independent errors, 

the necessary safety is guaranteed.

Category 2:

Devices constructed to guarantee a very 

high degree of safety.

The explosion protection measures 

associated with this category guarantee the 
required degree of safety, even in the case of 
frequent device failures or common error 
states.

Category 3:

Devices constructed to guarantee a 

standard degree of safety.

Devices in this category guarantee an 

adequate degree of safety in normal 
operation.

The table below shows which categories 

are assigned to which zones:

Temperature class

Maximum 
permissible surface 
temperature of the 
equipment

Ignition 
temperatures of 
combustible 
substances

°C

°C

T 1

450

> 450

T 2

300

> 300 

 450

T 3

200

> 200 

 300

T 4

135

> 135 

 200

T 5

100

> 100 

 135

T 6

85

>  85 

 100

Substance

T

ign

Tempera-

ture class

E

min

Group

Ethoxyethane

170

T 4

190

II B

Ethylene

425

T 2

82

II B

Ammonia

630

T 1

14000

II A

Butane

365

T 2

250

II A

Methane

595

T 1

280

I

Propane

470

T 1

250

II A

Carbon disulfide

95

T 6

9

II C

Hydrogen

560

T 1

16

II C

Category

For zone

Also possible

1

0

20

1 and 2

21 and 22

2

1

21

2

22

3

2

22

109

PHOENIX CONTACT

MCR technology

Signal conditioners with functional safety and explosion protection – the MACX ranges

phoenixcontact-interface-technology-and-switching-devices-html.html
background image

[Ex ia Ga] IIC

Ex

e

IIC T6 Gb

R L

C

U

10

II

(1) G

0344

10

II

2

G

0344

IBExU 08 ATEX 1069

Marking according to 
EN 60079-0

Associated electrical 
equipment

Intrinsic safety

Increased safety

Equipment protection level (EPL)
(Ga, Gb, Gc, Da, Db, Dc)

Temperature class, 
for equipment used directly 
in the Ex area (T1 ... T6)

Gas group 
(IIA, IIB, IIC) or 
dust group 
(IIIA, IIIB, IIIC)

Protection type
(ia, ib, ic, e, d, etc.)

Explosion-protected

Types of protection

Protection principle

Type of protection

Area of application (selection)

Standard

Isolation

Oil immersion

o

Transformers, relays, startup controls, switching devices

EN 60079-6

Sand filling

q

Transformers, relays, capacitors

EN 60079-5

Molded encapsulation

m*

Coils of relays and motors, electronics, solenoid valves, connection systems

EN 60079-18

Exclusion

Pressurized enclosure

p

Control cabinets, motors, measuring and analysis devices, computers

EN 60079-2

Special mechanical design

Flameproof enclosure

d

Motors, switching devices, power electronics

EN 60079-1

Clearance from electrically 
conductive parts

Increased safety

e

Terminal blocks, housing, lights, motors

EN 60079-7

Energy limitation

Intrinsic safety

i*

Electronics, MCR

EN 60079-11

Intrinsically safe systems

Electronic systems

EN 60079-25

Intrinsically safe fieldbus systems

Fieldbus systems

EN 60079-27

Improved industrial quality

nA: non-sparking
nC: sparking equipment
nR: restricted breathing housing
nL: energy-limited
nP: simplified pressurized enclosures

Protection type “n”

n**

Motors, housing, lights, electronics

EN 60079-15

* ia, ma: application in Zone 0, 1, 2 / ib, mb: application in Zone 1, 2 / ic, mc: application in Zone 2 only

** Application in Zone 2 only

Marking according to 
ATEX directive

EC-type examination certificate

Current year of manufacture

Conformity assessment 
according to ATEX Directive 
94/9/EC

Associated electrical 
equipment

Atmosphere 
(G = Gas, D = Dust)

Equipment category
(1, 2, 3)

Equipment group
(I, II)

Notified body, 
production monitoring 
(e.g., KEMA)

 

mark does not apply to components.

Certificate number

Type-tested according to 
94/9/EC

Year of EC-type examination 
certificate

Notified body

110

PHOENIX CONTACT

MCR technology

Signal conditioners with functional safety and explosion protection – the MACX ranges

phoenixcontact-interface-technology-and-switching-devices-html.html
background image

For further information and full technical data, visit phoenixcontact.net/products

111

PHOENIX CONTACT

MCR technology

Signal conditioners with functional safety and explosion protection – the MACX ranges

phoenixcontact-interface-technology-and-switching-devices-html.html
background image

SIL marking on devices

Safety-related function for the Ex area

The term SIL (safety integrity level) is 

becoming more and more significant in the 
field of process technology. It defines the 
requirements that a device or a system is 
expected to fulfill so that the failure 
probability can be specified. The aim is to 
achieve maximum possible operational 
reliability. If a device or system fails, a 
defined state is attained. Standard-based 
inspections are carried out to determine 
statistical probability.

Application of SIL on the basis of 
IEC 61508 and IEC 61511

The SIL standard is used for a wide range 

of industries within the process industry, 
including the chemical industry, refineries, 
oil and gas production, paper 
manufacturing, and conventional power 
generation. In addition to functional safety 
requirements, systems in potentially 
explosive areas are also subject to Ex 
standards EN 60079-0 ff.

IEC 61508: “Functional safety of 
electrical/electronic/programmable 
electronic safety-related systems”

This standard describes the requirements 

that the manufacturer has to bear in mind 
when producing devices or systems.

IEC 61511: “Functional safety - Safety 
instrumented systems for the process 
industry sector”

The IEC 61511 standard describes the 

requirements for achieving systems with 
functional safety.

Compliance with the standard is 

determined by operators, owners, and 
planners on the basis of safety plans and 
national regulations. In addition, the 
standard also describes the requirements 
for using a device in an application on the 
basis of its proven effectiveness (proven in 
use).

The products in the MACX range from 

Phoenix Contact, which have been 
developed according to IEC 61508, are 
marked with the designation SIL 2 or SIL 3. 
This indicates clearly that the devices may 
be suitable for safety instrumented 
functions (SIF).

To determine whether they can actually 

be used, you need to calculate the sum of 
the probability failure values for all the 
devices in the signal circuit. The necessary 
values for this can be found in the safety 
manual of each SIL product.

Overview of terms from SIL standards IEC 61508 and IEC 61511

SIL

Safety Integrity Level

One of four discrete levels for the specification of 
requirements for the safety integrity of safety 
instrumented functions, which are assigned to the E/E/PE 
safety instrumented systems, where SIL 4 is the highest 
and SIL 1 the lowest level.

EUC

Equipment Under Control

Equipment, machines, devices or systems used in 
production, materials processing or transport.

MTBF

Mean Time Between Failures 

The expected mean time between failures. 

PFD

Probability of Failure on Demand 

The probability of a failure on demand. 
Describes the probability of a safety instrumented 
system failing to perform its function when required.

PFDavg

Average Probability of Failure on Demand

The average probability of the function failing on 
demand.

E/E/PES

Electrical/Electronic/Programmable Electronic 
Systems

This term is used for all electrical devices or systems that 
can be used to execute a safety instrumented function. 
It includes simple electrical devices and all types of 
programmable logic controllers (PLCs).

PFH

Probability of dangerous Failure per Hour

Describes the probability of a dangerous failure 
occurring per hour.

SFF

Safe Failure Fraction

Describes the proportion of harmless failures. This is the 
ratio of the rate of safe failures plus the rate of diagnosed 
or detected faults in relation to the total failure rate of 
the system.

SIF

Safety Instrumented Function

Describes the safety instrumented functions of a system.

SIS

Safety Instrumented System

An SIS (safety instrumented system) consists of one or 
more safety instrumented functions. An SIL requirement 
is applicable for each of these safety instrumented 
functions.

112

PHOENIX CONTACT

MCR technology

Signal conditioners with functional safety and explosion protection – the MACX ranges

phoenixcontact-interface-technology-and-switching-devices-html.html
background image

For further information and full technical data, visit phoenixcontact.net/products

SIL inspection

The complete signal path must be taken 

into account during the SIL inspection. The 
example shows how the safety integrity 
level is calculated in a typical safety 
application using average failure 
probabilities of individual devices.

Table 2 of the IEC 61508-1 standard 

describes the relationship between the 
average failure probability and the attainable 
SIL. Here, the level required determines the 
overall budget for the sum of all PFD values.

A system with a single-channel structure 

with a low demand rate is used as an 
example; for SIL 2 the average PFD value is 
between 10

-3

 and < 10

-2

.

Safety integrity level: failure limit values for a safety function which is 
operated in an operating mode with a low demand rate.

Safety integrity 

level 

SIL

Operating mode with a low demand rate

(average probability of the specified function failing 

on demand)

4

 10

-5

 to < 10

-4

3

 10

-4

 to < 10

-3

2

 10

-3

 to < 10

-2

1

 10

-2

 to < 10

-1

Example:

A sensor and actuator are assembled in 

the field and are exposed to chemical and 
physical loads (process medium, pressure, 
temperature, vibration, etc.). Accordingly, 
these components have a high risk of failure: 
– The sensor accounts for 25% of the 

overall PFD

– The actuator accounts for 40% of the 

overall PFD 

Neither the failsafe controller nor the 

interface modules come into contact with 
the process medium and both are usually 
located in a protected control cabinet:
– The failsafe controller accounts for 15% 

of the overall PFD

– The interface modules each account for 

10% of the overall PFD

Typically, the values form the basis for a 

calculation.

Error distribution in the closed-loop control circuit

PFD

1

35%

Sensors and signal path

15%

SPLC

50%

Actuator and signal path

10%

Signal path

10%

Signal path

PFD

2

PFD

4

PFD

5

PFD

3

Digital

input

Sensor

Digital
output

Actuator

Sensor

Analog

input

Analog

output

Actuator

Controller

113

PHOENIX CONTACT

MCR technology

Signal conditioners with functional safety and explosion protection – the MACX ranges

phoenixcontact-interface-technology-and-switching-devices-html.html
background image

Functional safety

In order to achieve the necessary 

“functional safety” of a system, it is essential 
for the safety-related parts of the safety 
equipment and control devices to operate 
correctly and, in the event of failure, for the 
system to remain in the safe state or enter 
a safe state. The requirements for achieving 
functional safety are based on the following 
objectives:
– Avoidance of systematic errors
– Control of systematic errors
– Control of random faults or failures

The EN ISO 13849 (and EN 62061) 

standard specifies the various safety levels in 
the form of the Performance Level “PL” 
(and the Safety Integrity Level “SIL”) 
depending on the extent of the risk and 
describes the characteristics of the safety 
functions.

Practical procedure according to 
EN ISO 13849

In practice, the following steps have 

proved to be effective:
1. Definition of the safety function

The information is derived from the risk 

assessment.
2. Determination of the required 

Performance Level (PL)

For each safety function, the required 

performance level is estimated using the 
adjacent risk graph (Fig. 3).
3. Technical implementation

This step involves the technical 

pre-planning of the safety function, taking 
possible technologies and components into 
account.
4. Dividing the safety function into 

subsystems

Implementation takes place in block 

diagrams. As a rule, a safety function 
consists of a sensor-logic actuator.

5. Determination of the achieved PL for 

each subsystem

A characteristic value when determining 

the performance level is the so-called PFHd 
value, the statistical “probability of a 
dangerous failure per hour”. The safety 
technology characteristics are given in the 
product data sheet, the FUNCTIONAL 

SAFETY CHARACTERISTICS data sheet or 
the SISTEMA library (Fig. 4).

Further safety technology characteristic 

data consists of the category, the DC value, 
and the MTTFD value (Fig. 5).
6. Determination of the achieved PL

The manufacturer of subsystems states 

the category and makes the specifications 
on the achieved PFHd value and the 
PL available.
7. Verification of the achieved PL

Each individual subsystem and the entire 

safety chain must together meet the 
requirements of the necessary PL. This 
includes both the quantitative evaluation 
and the consideration of systematic aspects, 
such as proven components and safety 
principles.
8. Validation

Finally, it is necessary to check whether 

the selected measures achieve the required 
risk reduction and therefore the protection 
objectives of the risk assessment. The result 
is included in the final risk assessment.

Definitions:

PFH

D

: probability of a dangerous failure 

occurring per hour.
DC: diagnostic coverage
MTTF

d

: mean time to dangerous failure

Category: 

B10

d

: number of operating cycles after 

which 10% of the devices have failed
CCF: Common cause failure

Figure 2: 
Safety technology block diagram (according 
to EN 13849-1)

L

O

I

I

m

I

m

General information

In modern industrial systems, the amount 

of complex technical equipment used is 
constantly increasing. The purpose of safety 
technology is to reduce the risk as far as 
possible but at least to a reasonable degree. 
At the same time, the availability of 
production equipment should not be 
restricted any more than is absolutely 
necessary.

The Machinery Directive defines the 

requirements machinery must meet before 
it can be placed on the market and operated 
in the European Economic Area. It also 
contains essential health and safety 
requirements for the planning and 
construction of machinery and safety 
components.

However, the number of systems subject 

to the directive that do not belong to 
classical machine building is increasing 
continually. These include, for example, 
wind turbine generators. However, biogas 
systems, distributed energy generation 
generally, and other process engineering 
systems also focus on the statutory 
requirements.

For this reason, analog signals are 

increasingly being handled according to the 
specifications of the Machinery Directive.

Every “machine” or system poses a risk. 

According to the requirements of the 
Machinery Directive, a risk assessment 
must be carried out for every machine. If 
the risk is greater than the level of risk that 
can be tolerated, risk reduction must be 
implemented.

Functional safety performance level 
(PL) according to EN ISO 13849-1 and 
EN 62061

Figure 1: 
Risk reduction according to EN ISO 12100

Procedure

Design-related 

measures

Has everything been done?

Has everything been done?

Protective 

measures

Organization

Risk

114

PHOENIX CONTACT

MCR technology

Signal conditioners with functional safety and explosion protection – the MACX ranges

phoenixcontact-interface-technology-and-switching-devices-html.html
background image

P

1

P

2

P

1

P

2

P

1

P

2

P

1

P

2

F

1

F

2

F

1

F

2

S

1

S

2

a

b

c

d

e

a

b

c

d

e

K

at. B

K

at.

1

K

at.

2

K

at.

2

K

at.

3

K

at.

3

K

at.

4

MTTF

d

MTTF

d

MTTF

d

1

0

-

5

1

0

-

6

1

0

-7

1

0

-8

PFH

D

Dc

avg

Dc

avg

Dc

avg

Dc

avg

Dc

avg

Dc

avg

Dc

avg

3.1 3.2

4.1 4.2 4.2

3.2

3.4 3.5 3.6

MA

CX

 PL

-E

X-

T-

UIRE

L-

UP

C

MA

C

P

X P

L-

E

X-

T

UI

-U

RE

L

RE

-U

P

4.1 4.2 4

4 … 20 mA

DO, SIL

mV,  

1.2

2.2

1.3

2.3

1.4

2.4

1.1

2.1

1.2

1.3

1.4

1.1

2.1

1.2

2.2

1.3

2.3

1.4

2.4

1.1

2.1

1.2

2.2

1.3

2.3

1.4

2.4

1.1

2.1

1.1

1.2

2.2

1.3

2.3

1.4

2.4

1.2

2.2

1.3

2.3

1.4

2.4

1.2

2.2

1.3

2.3

1.4

2.4

1.2

2.2

1.3

2.3

1.4

2.4

1.1

2.1

1.1

1.1

1.1

1.2

2.2

1.3

2.3

1.4

2.4

1.1

2.1

1.2

2.2

1.3

2.3

1.4

2.4

1.1

2.1

1.2

2.2

1.3

2.3

1.4

2.4

1.1

2.1

1.2

2.2

1.3

2.3

1.4

2.4

1.2

2.2

1.3

2.3

1.4

2.4

1.1

2.1

1.2

1.3

1.4

1.1

2.1

1.2

2.2

1.3

2.3

1.4

2.4

1.1

2.1

1.2

2.2

1.3

2.3

1.4

2.4

1.1

2.1

1.2

2.2

1.3

2.3

1.4

2.4

1.2

2.2

1.3

2.3

1.4

2.4

1.2

2.2

1.3

2.3

1.4

2.4

1.2

2.2

1.3

2.3

1.4

2.4

1.1

2.1

1.

2

2.

2

1.3

2.3

1.4

2.4

1.1

2.1

1.

2

2.

2

1.3

2.3

1.4

2.4

1.1

2.1

1.

2

2.2

1.3

2.3

1.4

2.4

1.1

2.1

1.

2

2.

2

1.3

2.3

1.4

2.4

For further information and full technical data, visit phoenixcontact.net/products

Meaning of individual parameters:
S: Severity of injury
– S1: Slight (reversible) injuries
– S2: Severe (irreversible) injuries
F: Frequency and duration of exposure to 
the hazard
– F1: Seldom to not very frequent
– F2: Frequent to continually or long
P: Possibility of avoiding or limiting damage
– P1: Possible under certain conditions
– P2: Hardly possible

SISTEMA is a product library with which 

safety functions can be easily calculated. The 
products from MACX Safety and 
MACX Safety Ex are included in a SISTEMA 
library. It is available from the product 
download area on the Phoenix Contact 
homepage. 

Phoenix Contact offers a series of 

services surrounding the topic of functional 
safety.

It comprises initial planning and startup to 

the modernization of the safety lifecycle. 
There is also a training concept. Dates are 
published on the homepage.

In addition, all questions are answered via 

the free safety hotline.

Low 

risk

High 

risk

Start

Re

q

u

ir

ed

pe

r

fo

r

m

a

n

c

e

 le

v

e

l

None

None

Low

Medium

Low

Medium

High

Low

High

Medium

Figure 5: 
Relationship between PL, category, DC, and MTTFd (according to EN 13849-1)

Figure 3: Risk graph

Figure 4: SISTEMA library

Application example: 
Safety-related temperature monitoring in a wind turbine generator

115

PHOENIX CONTACT

MCR technology

Signal conditioners with functional safety and explosion protection – the MACX ranges

phoenixcontact-interface-technology-and-switching-devices-html.html
background image

P

O

WE

R

U

,I

U

,I

OU

T

I

N

Z

o

n

e

2

D

i

v. 2

IN

Se

n

sor

/ F

iel

d

OU

T

P

LC / DC

S

±

±

±1

±

5

0

m

V... 1

000

m

V

m

A... 5

m

A

±1

0

m

A... ±1

00

m

A

+

-

±1 V... ±1

00

V

G

ND

active

passive

+24 V

G

ND

4.2

3.2

5.2

2.2

1.2

4.1

3.1

5.1

2.1

1.1

+24 V

G

ND

4-

w

ire

[

m

A]

U

S

4.1

5.2

4-

w

ire

[

m

V]

U

S

4.2

5.2

4-

w

ire

[V]

U

S

5.1

5.2

passive

-

+

3.2

3.1

active

-

+

2.2

2.1

 

 

 Functional Safety

Ex: 

 

 

Housing width 12.5 mm

Technical data

Input data

U input

I input

Input signal (configurable using the DIP switch)

0 ... 10 V , please indicate if different setting when ordering 

0 ... 1 mA , Configurable via DIP switches

Maximum input signal

± 100 V

± 100 mA

Input resistance

approx. 1 M

 

(± 1 V DC ... ± 100 V DC)

approx. 10 

 

(± 10 mA DC ... ± 100 mA DC)

Output data

U output

I output

Output signal (configurable using the DIP switch)

0 ... 10 V , Configurable via DIP switches 

0 ... 20 mA , please indicate if different setting when ordering

Load R

B

 1 k

 (10 V)

 600 

 (20 mA; active)

passive: 

 (UB-2 V) / I

outmax

General data

Supply voltage range

12 V DC ... 24 V DC (-20 % / +25 %)

Power dissipation

< 0.7 W (at 24 V DC / 20 mA)

Maximum transmission error

 0.1 % (Compared to the final value)

Temperature coefficient

0.0075 %/K

ZERO / SPAN adjustment

± 4 % / ± 4 %

Limit frequency (3 dB)

10 kHz (Can be switched to 30 Hz)

Step response (10-90%)

35 µs (at 10 kHz)

11 ms (At 30 Hz)

Electrical isolation

Input/output/power supply

2.5 kV (50 Hz, 1 min., test voltage)

300 V

rms

 (Rated insulation voltage (overvoltage category II; 

degree of pollution 2, safe isolation as per EN 61010-1))

Test voltage, input/output/supply

2.5 kV (50 Hz, 1 min.)

Degree of protection

IP20

Ambient temperature (operation)

-20 °C ... 70 °C

Mounting

any

Housing material

PA 66-FR

Dimensions W/H/D

12.5 / 99 / 114.5 mm

Screw connection solid/stranded/AWG

0.2 ... 2.5 mm² / 0.2 ... 2.5 mm² / 24 - 14

Push-in connection solid/stranded/AWG

0.2 ... 1.5 mm² / 0.2 ... 1.5 mm² / 24 - 16

EMC note

Class A product, see page 605

Conformance/Approvals

Conformance

CE-compliant

ATEX

 II 3 G Ex nA IIC T4 Gc

IECEx

Ex nA IIC T4 Gc

UL, USA/Canada

UL 61010 Listed

Class I, Div. 2, Groups A, B, C, D T6

Class I, Zone 2, Group IIC

SIL in accordance with IEC 61508

2

Ordering data

Description

Type

Order No.

Pcs./

Pkt.

3-way signal conditioner

, for electrical isolation of analog signals

Order configuration

Screw connection

MACX MCR-UI-UI

2811284

1

Order configuration

Push-in connection

MACX MCR-UI-UI-SP

2811572

1

Standard configuration

Screw connection

MACX MCR-UI-UI-NC

2811446

1

Standard configuration

Push-in connection

MACX MCR-UI-UI-SP-NC

2811556

1

116

PHOENIX CONTACT

Universal signal conditioner for operating 

4-conductor measuring transducers.

– Analog signal conditioner for isolating, 

filtering, amplifying, and converting 
standard analog signals

– Configurable input and output signals, 

including bipolar current and voltage 
signals

– 3-way electrical isolation
– Over 1600 signal conversions can be set 

via DIP switches on the front

– 10 kHz limit frequency for time-critical 

applications

– Output active or passive
– Plug-in screw or Push-in connection 

technology

– Power supply via DIN rail connector 

possible

– Status indicator for supply voltage
– Up to SIL 2 according to IEC 61508
– Installation in Zone 2 permitted

Notes:

To order a product with an order configuration, enter the required 

configuration by referring to the adjacent order key.

Information about the supply and error evaluation module as well 

as about the DIN rail connectors and marking material can be 

found from page 174

Analog IN/Analog OUT
3-way signal conditioner

MCR technology

Signal conditioners with SIL functional safety – MACX Analog

Universal, more than 1600 signal combinations

phoenixcontact-interface-technology-and-switching-devices-html.html
background image

24

V

0...

2

0 mA

I

N

OU

T

MA

C

X

M

CR

-

U

I-

U

I

±

±

±

1

±

5

0 mV...

1

000 mV

mA...

5

mA

±

1

0

±

1

00

mA...

mA

+

±

1

V... ±

1

00 V

G

N

D

active

passive

4

.

2

3

.

2

5

.

2

2

.

2

1

.

2

4

.

1

3

.

1

5

.

1

2

.

1

1

.

1

24

V

+

24

V

G

N

D

+

24

V

G

N

D

M

mV

+

1

2

1

2

3

4

1

2

3

4

D

AI2

I

N

OU

T

MA

C

X

M

CR

-

U

I-

U

I

±

±

±

1

±

5

0 mV...

1

000 mV

mA...

5

mA

±

1

0

±

1

00

mA...

mA

+

±

1

V... ±

1

00 V

G

N

D

active

passive

+

24

V

G

N

D

4

.

2

3

.

2

5

.

2

2

.

2

1

.

2

4

.

1

3

.

1

5

.

1

2

.

1

1

.

1

24

V

+

24

V

G

N

D

For further information and full technical data, visit phoenixcontact.net/products

117

PHOENIX CONTACT

Order key for MACX MCR-UI-UI(-SP) 

(standard configuration entered as an example)

Application example: Level measurement and active analog input card

Application example: Shunt measurement and Inline terminal with passive analog input channels within an Inline station

(Information on automation solutions from Phoenix Contact can be found in Catalog 6 or at phoenixcontact.net/products)

Order No.

Input

Output

Cut-off 

frequency

Factory calibration 

certificate (FCC)

2811284

/

IN03

/

OUT01

/

10K

/

NONE

IN40

=

0 ... 50 mV

IN53

=

-50 ... +50 mV

IN70

=

0 ... 1.0 mA

OUT19

=

0 ... 2.5 V

OUT15

=

0 ... 5 mA

30

=

30 Hz

NONE

=

Without FCC

2811284

 

=

 IN24

=

0 ... 60 mV

IN13

=

-60 ... +60 mV

IN71

=

0 ... 1.5 mA

OUT05

=

0 ... 5 V

OUT16

=

0 ... 10 mA

10K

=

10 kHz

YES

=

With FCC (a fee 

is charged)

MACX MCR-UI-UI

IN41

=

0 ... 75 mV

IN54

=

-75 ... +75 mV

IN72

=

0 ... 2.0 mA

OUT03

=

0 ... 10 V

OUT01

=

0 ... 20 mA

IN25

=

0 ... 100 mV

IN14

=

-100 ... +100 mV

IN73

=

0 ... 3.0 mA

IN43

=

0 ... 120 mV

IN56

=

-120 ... +120 mV

IN36

=

0 ... 5 mA

OUT20

=

-2.5 ... +2.5 V

OUT21

=

-5 ... +5 mA

YESPLUS

=

FCC with 

5 measuring 

points (a fee 

is charged)

2811572

 

=

 IN44

=

0 ... 150 mV

IN57

=

-150 ... +150 mV

IN37

=

0 ... 10 mA

OUT13

=

-5 ... +5 V

OUT22

=

-10 ... +10 mA

MACX MCR-

UI-UI-SP

IN26

=

0 ... 200 mV

IN15

=

-200 ... +200 mV

IN74

=

0 ... 15 mA

OUT14

=

-10 ... +10 V

OUT23

=

-20 ... +20 mA

IN27

=

0 ... 300 mV

IN16

=

-300 ... +300 mV

IN01

=

0 ... 20 mA

IN28

=

0 ... 500 mV

IN17

=

-500 ... +500 mV

IN75

=

0 ... 30 mA

OUT24

=

0.5 ... +2.5 V

OUT25

=

1 ... 5 mA

IN66

=

0 ... 1000 mV

IN78

=

-1000 ... +1000 mV

IN76

=

0 ... 50 mA

OUT06

=

1 ... 5 V

OUT26

=

2 ... 10 mA

IN29

=

0 ... 1.0 V

IN18

=

-1.0 ... +1.0 V

IN77

=

0 ... 100 mA

OUT04

=

2 ... 10 V

OUT02

=

4 ... 20 mA

IN50

=

0 ... 1.5 V

IN63

=

-1.5 ... +1.5 V

IN30

=

0 ... 2.0 V

IN19

=

-2.0 ... +2.0 V

IN83

=

-1.0 ... +1.0 mA

OUT27

=

2.5 ... 0 V

OUT28

=

5 ... 0 mA

IN52

=

0 ... 3.0 V

IN65

=

-3.0 ... +3.0 V

IN84

=

-1.5 ... +1.5 mA

OUT11

=

5 ... 0 V

OUT29

=

10 ... 0 mA

IN05

=

0 ... 5 V

IN21

=

-5 ... +5 V

IN85

=

-2.0 ... +2.0 mA

OUT09

=

10 ... 0 V

OUT07

=

20 ... 0 mA

IN03

=

0 ... 10 V

IN22

=

-10 ... +10 V

IN86

=

-3.0 ... +3.0 mA

IN67

=

0 ... 15 V

IN79

=

-15 ... +15 V

IN33

=

-5 ... +5 mA

IN32

=

0 ... 20 V

IN23

=

-20 ... +20 V

IN34

=

-10 ... +10 mA

IN39

=

0 ... 30 V

IN80

=

-30 ... +30 V

IN87

=

-15 ... +15 mA

IN68

=

0 ... 50 V

IN81

=

-50 ... +50 V

IN35

=

-20 ... +20 mA

IN69

=

0 ... 100 V

IN82

=

-100 ... +100 V

IN88

=

-30 ... +30 mA

IN89

=

-50 ... +50 mA

IN90

=

-100 ... +100 mA

IN06

=

1 ... 5 V

IN91

=

1 ... 5 mA

IN04

=

2 ... 10 V

IN92

=

2 ... 10 mA

IN02

=

4 ... 20 mA

Level sensor

Controller

Mains voltage

IB IL AI 2/SF

Battery

Shunt 

resistor

Mains voltage

MCR technology

Signal conditioners with SIL functional safety – MACX Analog

phoenixcontact-interface-technology-and-switching-devices-html.html
background image

P

O

WE

R

U

,I

U

,I

OU

T

I

N

Z

o

n

e

2

D

i

v. 2

IN

Se

n

sor

/ F

iel

d

OU

T

P

LC / DC

S

4-

w

ire

[

m

A]

U

S

4.1

5.2

4-

w

ire

[

m

V]

U

S

4.2

5.2

4-

w

ire

[V]

U

S

5.1

5.2

passive

-

+

3.2

3.1

active

-

+

2.2

2.1

±

±

±1

±

5

0

m

V... 1

000

m

V

m

A... 5

m

A

±1

0

m

A... ±1

00

m

A

+

-

±1 V... ±1

00

V

G

ND

active

passive

Po

w

er

24V ...23

0

V AC/DC

4.2

3.2

5.2

2.2

1.2

4.1

3.1

5.1

2.1

1.1

 

 DNV GL Functional Safety

Ex: 

 

 

Housing width 12.5 mm

Technical data

Input data

U input

I input

Input signal (configurable using the DIP switch)

0 ... 10 V , please indicate if different setting when ordering 

0 ... 1 mA , Configurable via DIP switches

Maximum input signal

± 100 V

± 100 mA

Input resistance

approx. 1 M

 

(± 1 V DC ... ± 100 V DC)

approx. 10 

 

(± 10 mA DC ... ± 100 mA DC)

Output data

U output

I output

Output signal (configurable using the DIP switch)

0 ... 10 V , Configurable via DIP switches 

0 ... 20 mA , Configurable via DIP switches

Maximum output signal

15 V

35 mA

Load R

B

 1 k

 (10 V)

 600 

 (20 mA; active)

passive: 

 (UB-2 V) / I

outmax

General data

Supply voltage range

24 V ... 230 V AC/DC (-20 %/+10 %, 50/60 Hz)

Power dissipation

< 0.8 W (at 24 V DC / 20 mA)

< 0.9 W (At 230 V AC / 20 mA)

Maximum transmission error

 0.1 % (Compared to the final value)

Temperature coefficient

0.0075 %/K

ZERO / SPAN adjustment

± 4 % / ± 4 %

Electrical isolation

Input/output/power supply

2.5 kV (50 Hz, 1 min., test voltage)

300 V

rms

 (Rated insulation voltage (overvoltage category II; 

degree of pollution 2, safe isolation as per EN 61010-1))

Degree of protection

IP20

Ambient temperature (operation)

-20 °C ... 70 °C

Housing material

PA 66-FR

Dimensions W/H/D

12.5 / 99 / 114.5 mm

Screw connection solid/stranded/AWG

0.2 ... 2.5 mm² / 0.2 ... 2.5 mm² / 24 - 14

Push-in connection solid/stranded/AWG

0.2 ... 1.5 mm² / 0.2 ... 1.5 mm² / 24 - 16

EMC note

Class A product, see page 605

Conformance/Approvals

Conformance

CE-compliant

ATEX

 II 3 G Ex nA IIC T4 Gc

SIL in accordance with IEC 61508

2

Ordering data

Description

Type

Order No.

Pcs./

Pkt.

3-way signal conditioner,

 for electrical isolation of analog signals 

with wide-range power supply

Order configuration

Screw connection

MACX MCR-UI-UI-UP

2811459

1

Order configuration

Push-in connection

MACX MCR-UI-UI-UP-SP

2811585

1

Standard configuration

Screw connection

MACX MCR-UI-UI-UP-NC

2811297

1

Standard configuration

Push-in connection

MACX MCR-UI-UI-UP-SP-NC

2811569

1

118

PHOENIX CONTACT

– Analog signal conditioner for isolating, 

filtering, amplifying, and converting 
standard analog signals

– Configurable input and output signals, 

including bipolar current and voltage 
signals

– 3-way electrical isolation
– Over 1600 signal conversions can be set 

via DIP switches on the front

– Output active or passive
– Plug-in screw or Push-in connection 

technology

– Wide-range power supply of 

19.2 to 253 V AC/DC

– Status indicator for supply voltage
– Up to SIL 2 according to IEC 61508
– Installation in Zone 2 permitted

Notes:

To order a product with an order configuration, enter the required 

configuration by referring to the adjacent order key.

Analog IN/Analog OUT
3-way signal conditioner

MCR technology

Signal conditioners with SIL functional safety – MACX Analog

Universal, more than 1600 signal combinations, 

wide-range power supply

phoenixcontact-interface-technology-and-switching-devices-html.html
background image

Power

24

V ...

23

0V A

C/

D

C

24

V

0...

2

0mA

I

N

OU

T

MA

C

X

M

CR

-

U

I-

U

I-

U

P

±

±

±

1

±

5

0mV...

1

000mV

mA...

5

mA

±

1

0

±

1

00

mA...

mA

+

±

1

V... ±

1

00V

G

N

D

active

passive

Power

24

V ...

23

0V A

C/

D

C

4

.

2

3

.

2

5

.

2

2

.

2

1

.

2

4

.

1

3

.

1

5

.

1

2

.

1

1

.

1

M

mV

+

1

2

1

2

3

4

1

2

3

4

D

AI2

Power

24

V ...

23

0V A

C/

D

C

I

N

OU

T

MA

C

X

M

CR

-

U

I-

U

I-

U

P

±

±

±

1

±

5

0mV...

1

000mV

mA...

5

mA

±

1

0

±

1

00

mA...

mA

+

±

1

V... ±

1

00V

G

N

D

active

passive

Power

24

V ...

23

0V A

C/

D

C

4

.

2

3

.

2

5

.

2

2

.

2

1

.

2

4

.

1

3

.

1

5

.

1

2

.

1

1

.

1

For further information and full technical data, visit phoenixcontact.net/products

119

PHOENIX CONTACT

Order key for MACX MCR-UI-UI(-SP) 

(standard configuration entered as an example)

Application example: Level measurement and active analog input card

Application example: Shunt measurement and Inline terminal with analog input channels within an Inline station 

(Information on automation solutions from Phoenix Contact can be found in Catalog 6 or at phoenixcontact.net/products)

Order No.

Input

Output

Cut-off 

frequency

Factory calibration 

certificate (FCC)

2811459

/

IN03

/

OUT01

/

10K

/

NONE

IN40

=

0 ... 50 mV

IN53

=

-50 ... +50 mV

IN70

=

0 ... 1.0 mA

OUT19

=

0 ... 2.5 V

OUT15

=

0 ... 5 mA

30

=

30 Hz

NONE

=

Without FCC

2811459

 

=

 IN24

=

0 ... 60 mV

IN13

=

-60 ... +60 mV

IN71

=

0 ... 1.5 mA

OUT05

=

0 ... 5 V

OUT16

=

0 ... 10 mA

10K

=

10 kHz

YES

=

With FCC (a fee 

is charged)

MACX MCR-

UI-UI-UP

IN41

=

0 ... 75 mV

IN54

=

-75 ... +75 mV

IN72

=

0 ... 2.0 mA

OUT03

=

0 ... 10 V

OUT01

=

0 ... 20 mA

IN25

=

0 ... 100 mV

IN14

=

-100 ... +100 mV

IN73

=

0 ... 3.0 mA

IN43

=

0 ... 120 mV

IN56

=

-120 ... +120 mV

IN36

=

0 ... 5 mA

OUT20

=

-2.5 ... +2.5 V

OUT21

=

-5 ... +5 mA

YESPLUS

=

FCC with 

5 measuring 

points (a fee is 

charged)

2811585

 

=

 IN44

=

0 ... 150 mV

IN57

=

-150 ... +150 mV

IN37

=

0 ... 10 mA

OUT13

=

-5 ... +5 V

OUT22

=

-10 ... +10 mA

MACX MCR-

UI-UI-UP-SP

IN26

=

0 ... 200 mV

IN15

=

-200 ... +200 mV

IN74

=

0 ... 15 mA

OUT14

=

-10 ... +10 V

OUT23

=

-20 ... +20 mA

IN27

=

0 ... 300 mV

IN16

=

-300 ... +300 mV

IN01

=

0 ... 20 mA

IN28

=

0 ... 500 mV

IN17

=

-500 ... +500 mV

IN75

=

0 ... 30 mA

OUT24

=

0.5 ... +2.5 V

OUT25

=

1 ... 5 mA

IN66

=

0 ... 1000 mV

IN78

=

-1000 ... +1000 mV

IN76

=

0 ... 50 mA

OUT06

=

1 ... 5 V

OUT26

=

2 ... 10 mA

IN29

=

0 ... 1.0 V

IN18

=

-1.0 ... +1.0 V

IN77

=

0 ... 100 mA

OUT04

=

2 ... 10 V

OUT02

=

4 ... 20 mA

IN50

=

0 ... 1.5 V

IN63

=

-1.5 ... +1.5 V

IN30

=

0 ... 2.0 V

IN19

=

-2.0 ... +2.0 V

IN83

=

-1.0 ... +1.0 mA

OUT27

=

2.5 ... 0 V

OUT28

=

5 ... 0 mA

IN52

=

0 ... 3.0 V

IN65

=

-3.0 ... +3.0 V

IN84

=

-1.5 ... +1.5 mA

OUT11

=

5 ... 0 V

OUT29

=

10 ... 0 mA

IN05

=

0 ... 5 V

IN21

=

-5 ... +5 V

IN85

=

-2.0 ... +2.0 mA

OUT09

=

10 ... 0 V

OUT07

=

20 ... 0 mA

IN03

=

0 ... 10 V

IN22

=

-10 ... +10 V

IN86

=

-3.0 ... +3.0 mA

IN67

=

0 ... 15 V

IN79

=

-15 ... +15 V

IN33

=

-5 ... +5 mA

IN32

=

0 ... 20 V

IN23

=

-20 ... +20 V

IN34

=

-10 ... +10 mA

IN39

=

0 ... 30 V

IN80

=

-30 ... +30 V

IN87

=

-15 ... +15 mA

IN68

=

0 ... 50 V

IN81

=

-50 ... +50 V

IN35

=

-20 ... +20 mA

IN69

=

0 ... 100 V

IN82

=

-100 ... +100 V

IN88

=

-30 ... +30 mA

IN89

=

-50 ... +50 mA

IN90

=

-100 ... +100 mA

IN06

=

1 ... 5 V

IN91

=

1 ... 5 mA

IN04

=

2 ... 10 V

IN92

=

2 ... 10 mA

IN02

=

4 ... 20 mA

Level sensor

Controller

IB IL AI 2/SF

Battery

Shunt 

resistor

MCR technology

Signal conditioners with SIL functional safety – MACX Analog

phoenixcontact-interface-technology-and-switching-devices-html.html
background image

P

O

WE

R

I

I

OU

T

I

N

P

O

WE

R

Se

n

sor

 

/

 Fi

e

l

d

or

4.

2

4.1

2

-

w

i

re

5

.

2

5

.1

4-

w

i

re

U

S

Z

o

n

e

 

2

D

i

v

.

2

I

N

OUT

4.

2

4.1

3

.

2

3

.1

+

-

G

ND

+

2

4V

Po

w

er

25

0

Ω

G

ND

+

2

4V

5

.

2

5

.1

+

-

2

.

2

2

.1

1.

2

1.1

P

L

C

 

/

 

DCS

3

.

2

3

.1

pass

i

ve

-

+

act

i

ve

-

+

3

.

2

2

.

2

C

 

O

 M M 

U

 

N

 I 

C

 A

T

 I 

O

 

N

   

P

 

R

 

O T

 

O

 

C

 

O

 L

 

 Functional Safety 

Ex: 

Housing width 12.5 mm

Technical data

Input data

Input signal

4 mA ... 20 mA

Transmitter supply voltage

> 21.5 V (20

 

mA)

Voltage drop

< 3.5 V (in input signal conditioner operation)

Output data

Output signal

4 mA ... 20 mA (active)

4 mA ... 20 mA (14 ... 26 V ext. source voltage)

Load

< 1000 

 (20 mA)

Output ripple

< 20 mV

rms

General data

Supply voltage range

19.2 V DC ... 30 V DC (24 V DC -20%...+25%)

Current consumption

< 76 mA (24

 

V

 

DC / 20

 

mA / 1000

 

) ; 

< 55 mA (24

 

V

 

DC / 20

 

mA / 250

 

)

Power dissipation

< 1.1 W (24 V DC/ 20 mA) 

< 0.95 W (24

 

V

 

DC / 20

 

mA / 250

 

< 1.2 W (24

 

V

 

DC / 20

 

mA / 0

 

)

Temperature coefficient

< 0.01 %/K

Step response (10-90%)

< 200 µs (for jump 4 mA ... 20

 

mA, load 600)

Transmission error, typical

< 0.05 % (of final value)

Maximum transmission error

< 0.1 % (of final value)

Under-/overload range

according to NE 43

Electrical isolation

Input/output/power supply

300 V

rms

 (Rated insulation voltage (overvoltage category II; 

degree of pollution 2, safe isolation as per EN 61010-1))

2.5 kV (50 Hz, 1 min., test voltage)

Ambient temperature range

-20 °C ... 60 °C (Any mounting position)

Status indication

Green LED (supply voltage)

SMART communication

Yes

Signal bandwidth

as per HART specifications

Protocols supported

HART

Housing material

PA 66-FR

Dimensions W/H/D

12.5 / 112.5 / 114.5 mm

Screw connection solid/stranded/AWG

0.2 ... 2.5 mm² / 0.2 ... 2.5 mm² / 24 - 14

Push-in connection solid/stranded/AWG

0.2 ... 1.5 mm² / 0.2 ... 1.5 mm² / 24 - 16

EMC note

Class A product, see page 605

Conformance/Approvals

Conformance

CE-compliant, additionally EN 61326

ATEX

 II 3 G Ex nA II T4 Gc X

UL, USA/Canada

UL 61010 Listed

UL 508 Listed

Class I, Div. 2, Groups A, B, C, D T4

Class I, Zone 2, Group IIC T4

SIL in accordance with IEC 61508

2

Ordering data

Description

Type

Order No.

Pcs./

Pkt.

Repeater power supply,

 with HART

R

 protocol

Screw connection

MACX MCR-SL-RPSSI-I

2865955

1

Push-in connection

MACX MCR-SL-RPSSI-I-SP

2924207

1

120

PHOENIX CONTACT

Repeater power supply and input signal 

conditioner for the operation of 2-wire 
measuring transducers, 4-wire measuring 
transducers, and mA current sources

– 0/4 to 20 mA input (powered or not 

powered)

– 0/4 to 20 mA output (active or passive)
– Bidirectional transmission of digital HART 

communication signals

– Plug-in screw or Push-in connection 

technology, with integrated sockets for 
HART communicators

– Terminal point with 250 Ω resistor to 

increase the HART impedance in the case 
of low-impedance systems

– 3-way electrical isolation
– Power supply via DIN rail connector 

possible

– Up to SIL 2 according to IEC 61508
– Installation in Zone 2 permitted

Notes:

Information about the supply and error evaluation module as well 

as about the DIN rail connectors and marking material can be 

found from page 174

Test plugs for test sockets can be found on page 176

Information on “Plug and play” connection using system cabling 

can be found from page 164

Analog IN / Analog OUT
repeater power supplies

MCR technology

Signal conditioners with SIL functional safety – MACX Analog

Repeater power supply and 

input signal conditioner

phoenixcontact-interface-technology-and-switching-devices-html.html
background image

P

O

W

ER

I

I

OU

T

2

I

OU

T

1

IN

P

O

W

ER

Z

o

n

e

 

2

D

i

v

2

I

N

OUT

4.

2

5

.

2

4.1

5

.1

3

.

2

3

.1

2

.

2

2

.1

1.

2

1.1

G

ND

OUT

 1

OUT

 

2

+

2

4V

G

ND

+

2

4V

Po

w

er

+

+

-

-

+

-

Se

n

sor

 

/

 Fi

e

l

d

or

4.

2

4.1

5

.

2

5

.1

HHT

P

L

C

 

/

 

DCS

pass

i

ve

-

+

3

.

2

3

.1

pass

i

ve

-

+

2

.

2

2

.1

HHT

HHT

HHT

For further information and full technical data, visit phoenixcontact.net/products

 

 

 Functional Safety

Ex: 

 

Housing width 12.5 mm

Technical data

Input data

Input signal

4 mA ... 20 mA / 0 mA ... 20 mA

Transmitter supply voltage

> 21.5 V (20

 

mA)

Voltage drop

< 3.9 V (in input signal conditioner operation)

Output data

Output signal (Per output)

4 mA ... 20 mA (active)

0 mA ... 20 mA

Load

< 450 

 (20 mA)

Output ripple

< 20 mV

rms

General data

Supply voltage range

19.2 V DC ... 30 V DC (24 V DC -20%...+25%)

Current consumption

< 75 mA (24

 

V

 

DC / 20

 

mA)

Power dissipation

< 1.45 W (24 V DC/ 20 mA)

Temperature coefficient

< 0.01 %/K

Step response (10-90%)

1.3 ms (for jump 4

 

mA

 

...

 

20

 

mA, typical)

Transmission error, typical

< 0.05 % (of final value)

Maximum transmission error

< 0.1 % (of final value)

Under-/overload range

according to NE 43

Electrical isolation

Input/output/power supply

300 V

rms

 (Rated insulation voltage (overvoltage category II; 

degree of pollution 2, safe isolation as per EN 61010-1))

2.5 kV (50 Hz, 1 min., test voltage)

Output 1/output 2

1.5 kV AC (50 Hz, 1 min., test voltage)

Ambient temperature range

-20 °C ... 60 °C (Any mounting position)

-20 °C ... 70 °C (any mounting position, module distance 

 5 mm, 

MTBF reduction factor 2.5, not assessed by UL)

Status indication

Green LED (PWR supply voltage)

SMART communication (Per output)

Yes

Protocols supported

HART

Housing material

PA 66-FR

Dimensions W/H/D

12.5 / 99 / 114.5 mm

Screw connection solid/stranded/AWG

0.2 ... 2.5 mm² / 0.2 ... 2.5 mm² / 24 - 14

Push-in connection solid/stranded/AWG

0.2 ... 1.5 mm² / 0.2 ... 1.5 mm² / 24 - 16

EMC note

Class A product, see page 605

Conformance/Approvals

Conformance

CE-compliant, additionally EN 61326-1

ATEX

 II 3 G Ex nA IIC T4 Gc X

SIL in accordance with IEC 61508

2

Ordering data

Description

Type

Order No.

Pcs./

Pkt.

Repeater power supply,

 with HART

R

 protocol

Screw connection

MACX MCR-SL-RPSSI-2I

2924825

1

Push-in connection

MACX MCR-SL-RPSSI-2I-SP

2924838

1

121

PHOENIX CONTACT

Repeater power supply and input signal 

conditioner for the operation of 2-wire 
measuring transducers, 4-wire measuring 
transducers, and mA current sources

– 0/4 to 20 mA input (powered or not 

powered)

– Two electrically isolated outputs, 

0/4 to 20 mA (active)

– Bidirectional transmission of digital HART 

communication signals (both outputs)

– Plug-in screw or Push-in connection 

technology, with integrated sockets for 
HART communicators

– 4-way electrical isolation
– Power supply via DIN rail connector 

possible

– Up to SIL 2 according to IEC 61508
– Installation in Zone 2 permitted

Notes:

Information about the supply and error evaluation module as well 

as about the DIN rail connectors and marking material can be 

found from page 174

Test plugs for test sockets can be found on page 176

Information on “Plug and play” connection using system cabling 

can be found from page 164

Analog IN / Analog OUT
repeater power supplies

MCR technology

Signal conditioners with SIL functional safety – MACX Analog

Repeater power supply and 

input signal conditioner,

with two electrically isolated outputs

phoenixcontact-interface-technology-and-switching-devices-html.html
background image

P

O

WE

R

I

I

OU

T

I

N

P

O

WE

R

Z

o

n

e

 2

D

i

v. 2

IN

OU

T

4.3

4.2

3.3

3.2

Po

w

er

24V ...23

0

V AC/DC

25

0

Ω

4.1

3.1

1.2

1.1

25

0

Ω

S

2

S

1

~

~

~

P

LC / DC

S

passive

3.2

3.1

-

+

active

-

+

3.3

3.2

1.2

1.1

Se

n

sor

 / F

iel

d

4.2

4.1

2-

w

ire

4.3

4.2

4-

w

ire

U

S

+

-

+

-

or

 

 Functional Safety

Ex: 

 

Housing width 17.5 mm

Technical data

Input data

Input signal

4 mA ... 20 mA

Transmitter supply voltage

> 16 V (20 mA)

Voltage drop

< 3.5 V (in input signal conditioner operation)

Output data

Output signal

4 mA ... 20 mA (active)

4 mA ... 20 mA (14 ... 26 V ext. source voltage)

1 V ... 5 V (internal resistance, 250 

, 0.1%)

Configurable via DIP switches

Load

< 600 

 (20 mA)

Output ripple

< 20 mV

rms

General data

Supply voltage range

19.2 V AC/DC ... 253 V AC/DC 

(24

 

V

 

AC/DC

 

 

230

 

V

 

AC/DC (-20

 

%

 

 

+10

 

%, 50/60

 

Hz))

Current consumption

< 80 mA (24

 

V

 

DC / 20

 

mA)

Power dissipation

< 1.6 W (24 V DC/ 20 mA)

Temperature coefficient

< 0.01 %/K

Step response (10-90%)

< 600 µs (for 4 mA ... 20 mA step)

Transmission error, typical

< 0.05 % (of final value)

Maximum transmission error

< 0.1 % (of final value)

Under-/overload range

according to NE 43

Electrical isolation

Input/output/power supply

300 V

rms

 (Rated insulation voltage (overvoltage category II; 

degree of pollution 2, safe isolation as per EN 61010-1))

2.5 kV (50 Hz, 1 min., test voltage)

Ambient temperature range

-20 °C ... 60 °C (Any mounting position)

Status indication

Green LED (supply voltage)

SMART communication

Yes

Signal bandwidth

as per HART specifications

Protocols supported

HART

Housing material

PA 66-FR

Dimensions W/H/D

17.5 / 99 / 114.5 mm

Screw connection solid/stranded/AWG

0.2 ... 2.5 mm² / 0.2 ... 2.5 mm² / 24 - 14

Push-in connection solid/stranded/AWG

0.2 ... 1.5 mm² / 0.2 ... 1.5 mm² / 24 - 16

EMC note

Class A product, see page 605

Conformance/Approvals

Conformance

CE-compliant, additionally EN 61326-1

ATEX

 II 3 G Ex nA IIC T4 Gc X

UL, USA/Canada

UL 508 Listed

UL 61010 Listed

Class I, Div. 2, Groups A, B, C, D T4

Class I, Zone 2, Group IIC T4

SIL in accordance with IEC 61508

2

Ordering data

Description

Type

Order No.

Pcs./

Pkt.

Repeater power supply,

 with HART

R

 protocol

Screw connection

MACX MCR-SL-RPSSI-I-UP

2865968

1

Push-in connection

MACX MCR-SL-RPSSI-I-UP-SP

2924210

1

122

PHOENIX CONTACT

Repeater power supply and input signal 

conditioner for the operation of 2-wire 
measuring transducers, 4-wire measuring 
transducers, and mA current sources

– 0/4 to 20 mA input (powered or not 

powered)

– 0/4 to 20 mA output (active or passive), 

0/1 to 5 V, can be selected via DIP switch

– Bidirectional transmission of digital HART 

communication signals

– Plug-in screw or Push-in connection 

technology, with integrated sockets for 
HART communicators

– 250 Ω resistor that can be activated via 

DIP switches to increase the HART 
impedance in the case of low-impedance 
systems

– 3-way electrical isolation
– Wide-range power supply of 

19.2 to 253 V AC/DC

– Up to SIL 2 according to IEC 61508
– Installation in Zone 2 permitted

Notes:

Information about the supply and error evaluation module as well 

as about the DIN rail connectors and marking material can be 

found from page 174

Test plugs for test sockets can be found on page 176

Analog IN / Analog OUT
repeater power supplies

MCR technology

Signal conditioners with SIL functional safety – MACX Analog

Repeater power supply and 

input signal conditioner,

wide-range power supply

phoenixcontact-interface-technology-and-switching-devices-html.html
background image

POW

E

R

OUT

OUT

I

N

POW

E

R

I

N

POW

E

R

I

I

I

I

Z

o

n

e

 

2

G

ND

+

2

4V

P

L

C

 

/

 

DCS

Se

n

sor

 

/

 Fi

e

l

d

I

N

OUT

CH1

CH2

AI

pass

i

ve

3

.

2

3

.1

+

-

HHT

pass

i

ve

2

.1

2

.

2

-

+

HHT

+

-

CH2

3

.

2

3

.1

2

.

2

2

.1

G

ND

1.

2

1.1

+

2

4V

Po

w

er

act

i

ve

act

i

ve

5

.

2

5

.1

4.

2

4.1

+

-

CH1

5

.

2

5

.1

HHT

4.

2

4.1

HHT

For further information and full technical data, visit phoenixcontact.net/products

 Functional Safety

Ex: 

Housing width 12.5 mm

Technical data

Input data

per channel

Input signal

4 mA ... 20 mA

Transmitter supply voltage

> 16 V (at 20 mA)

Underload/overload signal range

0 mA ... 24 mA

Output data

per channel

Output signal

4 mA ... 20 mA (active)

Load

 450 

 (20 mA)

Underload/overload signal range

0 mA ... 24 mA

General data

Supply voltage range

19.2 V DC ... 30 V DC (24 V DC -20%...+25%)

Current consumption

< 100 mA (24 V / 20 mA)

Power dissipation

< 1.4 W (at 24 V DC / 20 mA)

Temperature coefficient

< 0.01 %/K

Step response (10-90%)

< 1.3 ms (for 4 mA ... 20 mA step)

Transmission error, typical

< 0.05 % (of final value)

Maximum transmission error

< 0.1 % (of final value)

Electrical isolation

Input/output, power supply

300 V

rms

 (Rated insulation voltage (overvoltage category II; 

degree of pollution 2, safe isolation as per EN 61010-1))

2.5 kV (50 Hz, 1 min., test voltage)

Input/output

375 V (Peak value in accordance with EN 60079-11)

Input/power supply

375 V (Peak value in accordance with EN 60079-11)

Output 1/output 2/ power supply

1.5 kV (50 Hz, 1 min., test voltage)

Ambient temperature range

-20 °C ... 60 °C (Any mounting position)

Status indication

Green LED (supply voltage)

SMART communication

Yes

Signal bandwidth

as per HART specifications

Protocols supported

HART

Housing material

PA 66-FR

Dimensions W/H/D

12.5 / 99 / 114.5 mm

Screw connection solid/stranded/AWG

0.2 ... 1.5 mm² / 0.2 ... 1.5 mm² / 24 - 16

Push-in connection solid/stranded/AWG

0.2 ... 1.5 mm² / 0.2 ... 1.5 mm² / 24 - 16

EMC note

Class A product, see page 605

Conformance/Approvals

Conformance

CE-compliant, additionally EN 61326

ATEX

 II 3 G Ex nA IIC T4 Gc X

UL, USA/Canada

UL 61010 Listed

Class I, Div. 2, Groups A, B, C, D T4

Class I, Zone 2, Group IIC T4

SIL in accordance with IEC 61508

2

Ordering data

Description

Type

Order No.

Pcs./

Pkt.

Repeater power supply

, 2-channel

Screw connection

MACX MCR-SL-RPSS-2I-2I

2904089

1

Push-in connection

MACX MCR-SL-RPSS-2I-2I-SP

2904090

1

123

PHOENIX CONTACT

Repeater power supply for the operation 

of 2-wire measuring transducers.
– 2-channel
– Input: 4 to 20 mA (powered)
– Output: 4 to 20 mA (active)
– Bidirectional transmission of digital HART 

communication signals

– Plug-in screw or Push-in connection 

technology, with integrated sockets for 
HART communicators

– Safe 3-way electrical isolation
– Power supply via DIN rail connector 

possible

– Up to SIL 3 according to IEC 61508
– Installation in Zone 2 permitted

Notes:

Information about the supply and error evaluation module as well 

as about the DIN rail connectors and marking material can be 

found from page 174

Test plugs for test sockets can be found on page 176

Information on “Plug and play” connection using system cabling 

can be found from page 164

Analog IN / Analog OUT
repeater power supplies

MCR technology

Signal conditioners with SIL functional safety – MACX Analog

2-channel repeater power supply

phoenixcontact-interface-technology-and-switching-devices-html.html
background image

I

N

I

I

I

I

OUT

OUT

I

N

Se

n

sor

 

/

 Fi

e

l

d

4-

W

i

re

+

-

act

i

ve

4.

2

4.1

U

S

4-

W

i

re

+

-

act

i

ve

5

.

2

5

.1

U

S

P

L

C

 

/

 

DCS

p

ass

i

ve

C

H1

3

.

2

3

.1

-

+

p

ass

i

ve

C

H

2

2

.

2

2

.1

-

+

I

N

OUT

Z

o

n

e

 

2

act

i

ve

4.

2

4.1

3

.

2

3

.1

p

ass

i

ve

5

.

2

5

.1

p

ass

i

ve

act

i

ve

2

.

2

2

.1

 

Ex: 

Housing width 12.5 mm

Technical data

Input data

Max. voltage input signal

< 30.5 V

Input signal

0 mA ... 20 mA / 4 mA ... 20 mA

Input voltage limitation

30.5 V

Voltage dissipation

2.9 V (I = 20 mA)

Response current

approx. 50 µA

Output data

Max. voltage output signal

27.5 V

Output signal

0 mA ... 20 mA / 4 mA ... 20 mA

Residual ripple

< 10 mV

rms

 (500 

 load)

Transmission behavior

1:1 to input signal

Load

 1375 

 (I = 20 mA)

General data

Supply voltage range

no separate supply voltage necessary

Temperature coefficient

 0.002 %/K (of measured value / 100 

 load)

Maximum transmission error

 0.1 % (of final value)

Electrical isolation

Input/output/power supply

300 V

rms

 (Rated insulation voltage (overvoltage category II; 

degree of pollution 2, safe isolation as per EN 61010-1))

2.5 kV (50 Hz, 1 min., test voltage)

Ambient temperature range

-40 °C ... 85 °C

Humidity

5 % ... 95 % (non-condensing)

Degree of protection

IP20

Inflammability class in acc. with UL 94

V0

Housing material

PA 66

Dimensions W/H/D

12.5 / 99 / 114.5 mm

Screw connection solid/stranded/AWG

0.2 ... 2.5 mm² / 0.2 ... 2.5 mm² / 24 - 14

Push-in connection solid/stranded/AWG

0.2 ... 1.5 mm² / 0.2 ... 1.5 mm² / 24 - 16

Conformance/Approvals

Conformance

CE-compliant, additionally EN 61326-1

ATEX

 II 3 G Ex nA IIC T4 Gc X

UL, USA/Canada

UL 61010 Listed

Class I, Div. 2, Groups A, B, C, D T4

Class I, Zone 2, Group IIC T4

SIL in accordance with IEC 61508

3

Ordering data

Description

Type

Order No.

Pcs./

Pkt.

Passive isolator,

 single or two-channel

Push-in connection

MACX MCR-SL-I-I-ILP-SP

2905279

1

Screw connection

MACX MCR-SL-I-I-ILP

2905278

1

Push-in connection

MACX MCR-SL-2I-2I-ILP-SP

2905281

1

Screw connection

MACX MCR-SL-2I-2I-ILP

2905280

1

124

PHOENIX CONTACT

The single or two-channel input loop-

powered 2-way isolator with increased 
isolation voltage and plug-in connection 
technology is used for the electrical 
isolation and filtering of analog signals.

The device allows operation on active 

sensor technology with a supply voltage of 
6 to 30 V DC.

The device is powered via the current 

loop of the sensor. As a result, no additional 
power supply is required.

Analog IN / Analog OUT
passive isolators

MCR technology

Signal conditioners with SIL functional safety – MACX Analog

Passive isolator, single and two-channel

phoenixcontact-interface-technology-and-switching-devices-html.html
background image

I

N

I

I

I

I

OUT

OUT

I

N

Se

n

sor

 

/

 Fi

e

l

d

4-

W

i

re

+

-

act

i

ve

4.

2

4.1

U

S

4-

W

i

re

+

-

act

i

ve

5

.

2

5

.1

U

S

P

L

C

 

/

 

DCS

p

ass

i

ve

C

H1

3

.

2

3

.1

-

+

p

ass

i

ve

C

H

2

2

.

2

2

.1

-

+

I

N

OUT

Z

o

n

e

 

2

act

i

ve

4.

2

4.1

3

.

2

3

.1

p

ass

i

ve

5

.

2

5

.1

p

ass

i

ve

act

i

ve

2

.

2

2

.1

For further information and full technical data, visit phoenixcontact.net/products

 

Ex: 

Housing width 12.5 mm

Technical data

Input data

Max. voltage input signal

< 30.5 V

Input signal

0 mA ... 20 mA / 4 mA ... 20 mA

Input voltage limitation

30.5 V

Voltage dissipation

2.9 V (I = 20 mA)

Response current

approx. 50 µA

Output data

Max. voltage output signal

27.5 V

Output signal

0 mA ... 20 mA / 4 mA ... 20 mA

Residual ripple

< 10 mV

rms

 (500 

 load)

Transmission behavior

1:1 to input signal

Load

 1375 

 (I = 20 mA)

General data

Supply voltage range

no separate supply voltage necessary

Temperature coefficient

 0.002 %/K (of measured value / 100 

 load)

Maximum transmission error

 0.1 % (of final value)

Electrical isolation

Input/output/power supply

600 V

rms

 (Rated insulation voltage (overvoltage category II; 

degree of pollution 2, safe isolation as per EN 61010-1))

5 kV (50 Hz, 1 min., test voltage)

Ambient temperature range

-40 °C ... 85 °C

Humidity

5 % ... 95 % (non-condensing)

Degree of protection

IP20

Inflammability class in acc. with UL 94

V0

Housing material

PA 66

Dimensions W/H/D

12.5 / 99 / 114.5 mm

Screw connection solid/stranded/AWG

0.2 ... 2.5 mm² / 0.2 ... 2.5 mm² / 24 - 14

Push-in connection solid/stranded/AWG

0.2 ... 1.5 mm² / 0.2 ... 1.5 mm² / 24 - 16

Conformance/Approvals

Conformance

CE-compliant, additionally EN 61326-1

ATEX

 II 3 G Ex nA IIC T4 Gc X

UL, USA/Canada

UL 61010 Listed

Class I, Div. 2, Groups A, B, C, D T4

Class I, Zone 2, Group IIC T4

SIL in accordance with IEC 61508

3

Ordering data

Description

Type

Order No.

Pcs./

Pkt.

Passive isolator,

 single or two-channel

Push-in connection

MACX MCR-SL-I-I-HV-ILP-SP

2907705

1

Screw connection

MACX MCR-SL-I-I-HV-ILP

2907704

1

Push-in connection

MACX MCR-SL-2I-2I-HV-ILP-SP

2907707

1

Screw connection

MACX MCR-SL-2I-2I-HV-ILP

2907706

1

125

PHOENIX CONTACT

The single or two-channel input loop-

powered 2-way isolator with increased 
isolation voltage and plug-in connection 
technology is used for the electrical 
isolation and filtering of analog signals.

The device allows operation on active 

sensor technology with a supply voltage of 
6 to 30 V DC.

The device is powered via the current 

loop of the sensor. As a result, no additional 
power supply is required.

Analog IN / Analog OUT
passive isolators

MCR technology

Signal conditioners with SIL functional safety – MACX Analog

Passive isolator, single and two-channel

5

 

kV test voltage

phoenixcontact-interface-technology-and-switching-devices-html.html
background image

P

O

WE

R

I

I

OU

T

I

N

P

LC / DC

S

active

-

+

3.2

3.1

Se

n

sor

/ F

iel

d

4.2

4.1

4.2

4.1

+

-

+

-

P

4.2

4.1

+

-

Z

o

n

e

2

D

i

v. 2

IN

OU

T

4.2

4.1

3.2

3.1

1.2

1.1

G

ND

+24V

G

ND +24V

Po

w

er

+

-

+

-

 

 DNV GL Functional Safety

Ex: 

 

Housing width 12.5 mm

Technical data

Input data

Input signal

0 mA ... 20 mA / 4 mA ... 20 mA

Input voltage

5.4 V (at 20 mA)

Input impedance in the event of a cable break at the output

> 100 k

 (If there is a line fault)

Output data

Output signal

0 mA ... 20 mA / 4 mA ... 20 mA

Load

< 800 

 (20 mA)

Output ripple

< 20 mV

rms

General data

Supply voltage range

19.2 V DC ... 30 V DC (24 V DC -20%...+25%)

Current consumption

< 46 mA (24 V DC / 20 mA)

Power dissipation

< 1.1 W (24 V DC / 20 mA)

Temperature coefficient

< 0.01 %/K

Step response (10-90%)

< 140 µs (for 4 mA ... 20 mA step)

Maximum transmission error

< 0.1 % (of final value)

Electrical isolation

Input/output/power supply

1.5 kV (50 Hz, 1 min., test voltage)

300 V

rms

 (Rated insulation voltage (overvoltage category II, 

degree of pollution 2))

Ambient temperature range

-20 °C ... 60 °C (Any mounting position)

Humidity

10 % ... 95 % (non-condensing)

SMART communication

Yes

Signal bandwidth

as per HART specifications

Protocols supported

HART

Inflammability class in acc. with UL 94

V0

Housing material

PA 66-FR

Dimensions W/H/D

12.5 / 99 / 114.5 mm

Screw connection solid/stranded/AWG

0.2 ... 2.5 mm² / 0.2 ... 2.5 mm² / 24 - 14

Push-in connection solid/stranded/AWG

0.2 ... 1.5 mm² / 0.2 ... 1.5 mm² / 24 - 16

EMC note

Class A product, see page 605

Conformance/Approvals

Conformance

CE-compliant, additionally EN 61326-1

ATEX

 II 3 G Ex nA IIC T4 Gc X

UL, USA/Canada

UL 508 Listed

UL 61010 Listed

Class I, Div. 2, Groups A, B, C, D T4

Class I, Zone 2, Group IIC T4

SIL in accordance with IEC 61508

2

Ordering data

Description

Type

Order No.

Pcs./

Pkt.

Output signal conditioner

Screw connection

MACX MCR-SL-IDSI-I

2865971

1

Push-in connection

MACX MCR-SL-IDSI-I-SP

2924223

1

126

PHOENIX CONTACT

Output signal conditioner for controlling 

I/P transducers, control valves, and displays

– 0/4 to 20 mA input
– 0/4 to 20 mA output
– Bidirectional transmission of digital HART 

communication signals

– Plug-in screw or Push-in connection 

technology, with integrated sockets for 
HART communicators

– Line fault detection (LF)
– 3-way electrical isolation
– Power supply via DIN rail connector 

possible

– Up to SIL 2 according to IEC 61508
– Installation in Zone 2 permitted

Notes:

Information about the supply and error evaluation module as well 

as about the DIN rail connectors and marking material can be 

found from page 174

Test plugs for test sockets can be found on page 176

Information on “Plug and play” connection using system cabling 

can be found from page 164

Analog OUT
Output signal conditioner

MCR technology

Signal conditioners with SIL functional safety – MACX Analog

phoenixcontact-interface-technology-and-switching-devices-html.html
background image

OU

T

IN

P

O

W

ER

U,I

3x

3x

Z

o

n

e

2

D

i

v. 2

IN

OU

T

Po

w

er

24V ...23

0

V AC/DC

3.3

3.1

1.2

3.2

1.1

1.3

4.3

4.1

4.2

5.3

5.1

5.2

G

ND

I

U

OUT

OUT

N

C

P

LC / DC

S

passive

-

+

3.3

3.2

-

+

3.3

3.1

11

21

31

12

22

32

14

24

34

3.6

3.4

3.5

2.6

2.4

2.5

1.6

1.4

1.5

DI

DI

DI

Se

n

sor

/ F

iel

d

4.3

4.1

4.2

ϑ

R

T

D

4.3

4.1

4.2

5.3

5.1

5.2

ϑ

Poti

T

C

-

+

ϑ

For further information and full technical data, visit phoenixcontact.net/products

 

 Functional Safety

Ex: 

 

 

Housing width 35 mm

Technical data

Input data

Resistance thermometers

Pt, Ni, Cu sensors: 2, 3, 4-wire

Thermocouple sensors

B, E, J, K, N, R, S, T, L, U, CA, DA, A1G, A2G, A3G, MG, LG

Resistor

 ... 50 k

Potentiometer

 ... 50 k

Voltage

-1000 mV ... 1000 mV

Output data

U output

I output

Output signal

0 mA ... 20 mA ±10 V (in the case of SIL; further free configuration 

without SIL)

Maximum output signal

± 11 V

22 mA

Load R

B

 10 k

 600 

 (at 20 mA)

Behavior in the event of a sensor error

according to NE 43 or freely configurable

Switching output

Relay output

Contact type

3 PDTs

Contact material

AgSnO

2

, hard gold-plated

Max. switching voltage

250 V AC (250 V DC)

Maximum switching current

2 A (250 V AC) / 2 A (28 V DC)

General data

Supply voltage range

24 V ... 230 V AC/DC (-20 %/+10 %, 50/60 Hz)

Power consumption

< 2.4 W

Temperature coefficient

0.01 %/K

Maximum transmission error

0.1 % (e.g. for Pt 100, 300 K span, 4 ... 20 mA)

Electrical isolation

Input/output/power supply

300 V

rms

 (Rated insulation voltage (overvoltage category II; 

degree of pollution 2, safe isolation as per EN 61010-1))

2.5 kV (50 Hz, 1 min., test voltage)

Input/output

375 V (Peak value in accordance with EN 60079-11)

Input/power supply

375 V (Peak value in accordance with EN 60079-11)

Input/switching output

375 V (Peak value in accordance with EN 60079-11)

Ambient temperature range

-20 °C ... 65 °C

Humidity

typ. 5 % ... 95 % (non-condensing)

Inflammability class in acc. with UL 94

V0

Housing material

PA 66-FR

Dimensions W/H/D

35 / 99 / 114.5 mm

Screw connection solid/stranded/AWG

0.2 ... 2.5 mm² / 0.2 ... 2.5 mm² / 24 - 14

Push-in connection solid/stranded/AWG

0.2 ... 1.5 mm² / 0.2 ... 1.5 mm² / 24 - 16

EMC note

Class A product, see page 605

Conformance/Approvals

Conformance

CE-compliant

ATEX

 II 3 G Ex nA nC ic IIC T4 Gc X

IECEx

Ex nA nC ic IIC T4 Gc X

UL, USA/Canada

UL 508 Listed

Class I, Div. 2, Groups A, B, C, D T6

Class I, Zone 2, Group IIC T6

SIL in accordance with IEC 61508

2

Ordering data

Description

Type

Order No.

Pcs./

Pkt.

Temperature transducer

Standard configuration

Screw connection

MACX MCR-T-UIREL-UP

2811378

1

Standard configuration

Push-in connection

MACX MCR-T-UIREL-UP-SP

2811828

1

Accessories

Programming adapter

 for configuring modules with 

S-PORT interface

IFS-USB-PROG-ADAPTER

2811271

1

Cold junction compensation connector

 for thermocouples

MACX MCR-CJC

2924993

1

127

PHOENIX CONTACT

Universal temperature transducer with 

freely configurable properties

– Input for resistance thermometers, 

thermocouples, resistance-type sensors, 
potentiometers, and mV sources

– Measure differential temperatures
– Freely programmable input and output
– Option of inverse output signal ranges
– Three limit value relays, can be used in 

combination as a safe limit value relay

– Configuration via software (FDT/DTM) or 

IFS-OP-UNIT operator interface and 
display unit

– Programming during operation and also 

voltage-free using IFS-USB-PROG-
ADAPTER programming adapter

– Plug-in screw or Push-in connection 

technology

– Cold junction compensation with 

separate connector

– Wide-range power supply of 

19.2 to 253 V AC/DC

– Status indicator for supply voltage, cable, 

sensor, and module errors

– Up to SIL 2 according to IEC 61508
– Installation in Zone 2 permitted

Notes:

The configuration software can be downloaded from the Internet 

(phoenixcontact.net/products).

Information on the IFS-OP-UNIT operating and display unit and the 

associated IFS-OP-CRADLE DIN rail cradle can be found on 

page 171

For information on the programming adapter, refer to page 172

Temperature
Temperature transducer

MCR technology

Signal conditioners with SIL functional safety – MACX Analog

Universal, with three limit value relays, 

wide-range power supply

phoenixcontact-interface-technology-and-switching-devices-html.html
background image

OU

T

IN

P

O

W

ER

U,I

P

LC / DC

S

passive

-

+

3.3

3.2

-

+

3.3

3.1

DI

11

12

14

2.3

2.1

2.2

Z

o

n

e

2

D

i

v. 2

IN

OU

T

Po

w

er

24V ...23

0

V AC/DC

3.3

3.1

1.2

3.2

1.1

2.3

2.1

2.2

1.3

4.3

4.1

4.2

5.3

5.1

5.2

μ

C

S-PORT

G

ND

I

U

OUT

OUT

N

C

Se

n

sor

/ F

iel

d

4.3

4.1

4.2

T

C

-

+

ϑ

R

T

D

ϑ

4.3

4.1

4.2

5.3

5.1

5.2

ϑ

Poti

 

 

 Functional Safety

Ex: 

 

 

Housing width 17.5 mm

Technical data

Input data

Resistance thermometers

Pt, Ni, Cu sensors: 2, 3, 4-wire

Thermocouple sensors

B, E, J, K, N, R, S, T, L, U, CA, DA, A1G, A2G, A3G, MG, LG

Resistor

 ... 50 k

Potentiometer

 ... 50 k

Voltage

-1000 mV ... 1000 mV

Output data

U output

I output

Output signal

0 mA ... 20 mA ±10 V (in the case of SIL; further free configuration 

without SIL)

Maximum output signal

± 11 V

22 mA

Load R

B

 10 k

 600 

 (20 mA)

Behavior in the event of a sensor error

according to NE 43 or freely configurable

Switching output

Relay output

Contact type

1 PDT

Contact material

AgSnO

2

, hard gold-plated

Max. switching voltage

30 V AC (30 V DC)

Maximum switching current

0.5 A (30 V AC) / 1 A (30 V DC)

General data

Supply voltage range

24 V ... 230 V AC/DC (-20 %/+10 %, 50/60 Hz)

Power consumption

< 1.5 W

Temperature coefficient

0.01 %/K

Transmission error, total

< 0.1 % (e.g., for Pt 100, 300 K span, 4 ... 20 mA)

Electrical isolation

Input/output/power supply

300 V

rms

 (Rated insulation voltage (overvoltage category II; 

degree of pollution 2, safe isolation as per EN 61010-1))

2.5 kV (50 Hz, 1 min., test voltage)

Input/output

375 V (Peak value in accordance with EN 60079-11)

Input/power supply

375 V (Peak value in accordance with EN 60079-11)

Input/switching output

375 V (Peak value in accordance with EN 60079-11)

Ambient temperature range

-20 °C ... 65 °C

Humidity

typ. 5 % ... 95 % (non-condensing)

Inflammability class in acc. with UL 94

V0

Housing material

PA 66-FR

Dimensions W/H/D

17.5 / 99 / 114.5 mm

Screw connection solid/stranded/AWG

0.2 ... 2.5 mm² / 0.2 ... 2.5 mm² / 24 - 14

Push-in connection solid/stranded/AWG

0.2 ... 1.5 mm² / 0.2 ... 1.5 mm² / 24 - 16

EMC note

Class A product, see page 605

Conformance/Approvals

Conformance

CE-compliant

ATEX

 II 3 G Ex nA nC ic IIC T4 Gc X

IECEx

Ex nA nC ic IIC T4 Gc X

SIL in accordance with IEC 61508

2

Ordering data

Description

Type

Order No.

Pcs./

Pkt.

Temperature transducer

Standard configuration

Screw connection

MACX MCR-T-UI-UP

2811394

1

Standard configuration

Push-in connection

MACX MCR-T-UI-UP-SP

2811860

1

Order configuration

Screw connection

MACX MCR-T-UI-UP-C

2811873

1

Order configuration

Push-in connection

MACX MCR-T-UI-UP-SP-C

2811970

1

Accessories

Programming adapter

 for configuring modules with 

S-PORT interface

IFS-USB-PROG-ADAPTER

2811271

1

Cold junction compensation connector

 for thermocouples

MACX MCR-CJC

2924993

1

128

PHOENIX CONTACT

Universal temperature transducer with 

freely configurable properties

– Input for resistance thermometers, 

thermocouples, resistance-type sensors, 
potentiometers, and mV sources

– Measure differential temperatures
– Freely programmable input and output
– Option of inverse output signal ranges
– Relay  switching  output
– Configuration via software (FDT/DTM) or 

IFS-OP-UNIT operator interface and 
display unit

– Programming during operation and also 

voltage-free using IFS-USB-PROG-
ADAPTER programming adapter

– Plug-in screw or Push-in connection 

technology

– Cold junction compensation with 

separate connector

– Wide-range power supply of 

19.2 to 253 V AC/DC

– Status indicator for supply voltage, cable, 

sensor, and module errors

– Up to SIL 2 according to IEC 61508
– Installation in Zone 2 permitted

Notes:

To order a product with an order configuration, enter the required 

configuration by referring to the adjacent order key.

The configuration software can be downloaded from the Internet 

(phoenixcontact.net/products).

Information on the IFS-OP-UNIT operating and display unit and the 

associated IFS-OP-CRADLE DIN rail cradle can be found on 

page 171

For information on the programming adapter, refer to page 172

Temperature
Temperature transducer

MCR technology

Signal conditioners with SIL functional safety – MACX Analog

Universal, with switching output, 

wide-range power supply

phoenixcontact-interface-technology-and-switching-devices-html.html
background image

For further information and full technical data, visit phoenixcontact.net/products

129

PHOENIX CONTACT

Order key for MACX MCR-T-UI-UP(-SP)-C temperature transducers 

(standard configuration entered as an example)

Order No.

Safety Integrity 

Level (SIL)

Sensor type

Connection 

technology

Cold junction 

compensation

Measuring range:

Measuring 

unit

Output range

Factory calibration certificate 

= FCC

Start

End

2811873

/

ON

/

PT100

/

4

/

0

/

-50

/

150

/

C

/

OUT02

/

NONE

2811873

 

=

 

MACX MCR-

T-UI-UP-C

ON

=

Active

See below

2

=

2-conductor

0

=

Off, e.g., with 

RTD, R, 

potentiometer, 

mV

See be-

low

See 

below

C

=

°C

OUT15

=

0 ... 5 mA

NONE

=

Without FCC

F

=

°F

OUT16

=

0 ... 10 mA

NONE

=

Not active

O

=

OUT01

=

0 ... 20 mA

3

=

3-conductor

P

=

%

OUT15

=

0 ... 5 mA

Yes

=

With FCC (a fee is 

charged)

2811970

 

=

 

MACX MCR-

T-UI-UP-SP-C

V

=

mV

OUT25

=

1 ... 5 mA

ON only with output 

range = OUT02

1

=

On, e.g., with 

TC

OUT26

=

2 ... 10 mA

4

=

4-conductor

OUT02

=

4 ... 20 mA

OUT05

=

0 ... 5 V

YESPLUS

=

FCC with 

5 measuring 

points (a fee is 

charged)

OUT03

=

0 ... 10 V

OUT06

=

1 ... 5 V

OUT04

=

2 ... 10 V

OUT13

=

-5 ... +5 V

OUT14

=

-10 ... +10 V

Others can be freely 

configured in the 

software

Smallest measuring 

range span

Other setting options can be configured 

with the IFS-CONF software:

- Freely configurable user characteristic curve 

with 30 interpolation points

- Output behavior in the event of a short circuit, 

sensor break or overrange/underrange can be 

freely configured or set according to NE43 

(standard configuration: NE43 upscale)

- Filter setting (standard configuration: 1) 

- Restart after failsafe (standard configuration: 

ON)

- Switching behavior: switching output 

(limit values, times, etc.) 

(standard configuration: OFF)

Resistance thermometers (RTD)

Others can be selected or freely 

configured in the software.

PT100

=

Pt 100 according to IEC 751

-200

850

°C

20 K

PT200

=

Pt 200 according to IEC 751

-200

850

°C

20 K

PT500

=

Pt 500 according to IEC 751

-200

850

°C

20 K

PT1000

=

Pt 1000 according to IEC 751

-200

850

°C

20 K

PT100S

=

Pt 100 according to Sama RC21-4-1966

-200

850

°C

20 K

PT1000S

=

Pt 1000 according to Sama RC21-4-1966

-200

850

°C

20 K

PT100G

=

Pt 100 according to GOST 6651-2009 (

 = 0.00385)

-200

850

°C

20 K

PT1000G

=

Pt 1000 according to GOST 6651-2009 (

 = 0.00385)

-200

850

°C

20 K

PT100J

=

Pt 100 according to JIS C1604/1997

-200

850

°C

20 K

PT1000J

=

Pt 1000 according to JIS C1604/1997

-200

850

°C

20 K

NI100

=

Ni 100 according to DIN 43760/DIN IEC 60751

-60

250

°C

20 K

NI1000

=

Ni 1000 according to DIN 43760/DIN IEC 60751

-60

250

°C

20 K

NI100S

=

Ni 100 according to Sama RC21-4-1966

-60

180

°C

20 K

NI1000S

=

Ni 1000 according to Sama RC21-4-1966

-60

180

°C

20 K

NI1000L

=

Ni 1000 (Landis & Gyr)

-50

160

°C

20 K

CU10

=

Cu 10 according to Sama RC21-4-1966

-70

500

°C

100 K

CU50

=

Cu50 according to GOST 6651-2009 (

 = 0.00428)

-50

200

°C

100 K

CU100

=

Cu100 according to GOST 6651-2009 (

 = 0.00428)

-50

200

°C

100 K

CU53

=

Cu53 according to GOST 6651-2009 (

 = 0.00426)

-50

180

°C

100 K

KTY81

=

KTY81-110 (Philips)

-55

150

°C

20 K

KTY84

=

KTY84-130 (Philips)

-40

300

°C

20 K

Thermocouples (TC)

Others can be selected in the software.

=

according to IEC 584-1 (Pt30Rh-Pt6Rh)

500

1820

°C

50 K

E

=

according to IEC 584-1 (NiCr-CuNi)

-230

1000

°C

50 K

=

according to IEC 584-1 (Fe-CuNi)

-210

1200

°C

50 K

K

=

according to IEC 584-1 (NiCr-Ni)

-250

1372

°C

50 K

N

=

according to IEC 584-1 (NiCrSi-NiSi)

-250

1300

°C

50 K

R

=

according to IEC 584-1 (Pt13Rh-Pt)

-50

1768

°C

50 K

S

=

according to IEC 584-1 (Pt10Rh-Pt)

-50

1768

°C

50 K

T

=

according to IEC 584-1 (Cu-CuNi)

-200

400

°C

50 K

L

=

according to DIN 43760 (Fe-CuNi)

-200

900

°C

50 K

U

=

according to DIN 43760 (Cu-CuNi)

-200

600

°C

50 K

CA

=

C ASTM JE988 (2002)

0

2315

°C

50 K

DA

=

D ASTM JE988 (2002)

0

2315

°C

50 K

A1G

=

A-1 GOST 8.585-2001

0

2500

°C

50 K

A2G

=

A-2 GOST 8.585-2001

0

1800

°C

50 K

A3G

=

A-3 GOST 8.585-2001

0

1800

°C

50 K

MG

=

M GOST 8.585-2001

-200

100

°C

50 K

LG

=

L GOST 8.585-2001

-200

800

°C

50 K

Remote resistance-type sensors (R)

(2-, 3-, 4-conductor)

Others can be selected in the software.

RES03 

=

Resistance 0 ... 150 

0

150

10% of the selected 

measuring range

RES05 

=

Resistance 0 ... 600 

0

600

RES06

=

Resistance 0 ... 1200 

0

1200

RES09

=

Resistance 0 ... 6250 

0

6250

RES10

=

Resistance 0 ... 12,500 

0

12,500

RES12

=

Resistance 0 ... 50,000 

0

50,000

Potentiometers

(3-conductor)

Others can be selected in the software.

POT03

=

Potentiometer 0 ... 150 

0

100

%

10% of the selected 

measuring range

POT05

=

Potentiometer 0 ... 600 

0

100

%

POT06

=

Potentiometer 0 ... 1200 

0

100

%

POT09

=

Potentiometer 0 ... 6250 

0

100

%

POT10

=

Potentiometer 0 ... 12,500 

0

100

%

POT12

=

Potentiometer 0 ... 50,000 

0

100

%

Voltage signals (mV)

Others can be selected in the software.

V04

=

Voltage (mV)

-1000

+1000

mV

10% of nominal 

span

9

T [°F]  = –  T [°C] + 32

5

Temperature conversion guide for °C to °F:

 

MCR technology

Signal conditioners with SIL functional safety – MACX Analog

phoenixcontact-interface-technology-and-switching-devices-html.html
background image

OU

T

I

N

P

O

WE

R

I

Z

o

n

e

2

D

i

v. 2

IN

OU

T

P

LC / DC

S

passive

-

+

3.2

3.1

G

ND

+24V

G

ND +24V

+

-

μC

μC

Po

w

er

4.2

5.2

4.1

5.1

3.2

3.1

1.2

1.1

Se

n

sor

/ F

iel

d

4.2

4.1

5.2

5.1

ϑ

ϑ

ϑ

 DNV GL

Ex: 

Housing width 12.5 mm

Technical data

Input data

Resistance thermometers

Pt, Ni, Cu sensors: 2, 3, 4-wire

Resistor

 ... 2000 

Cable resistance

50 

 per line

Sensor input current

200 

μ

A ... 1 mA

Measuring range span

> 50 K

Output data

Output signal

0 mA ... 20 mA / 4 mA ... 20 mA

Load

 500 

Behavior in the event of a sensor error

As per NE 43 or can be freely defined

Output ripple

< 50 µA

PP

General data

Supply voltage range

19.2 V DC ... 30 V DC (24 V DC -20%...+25%)

Current consumption

< 40 mA (24 V DC)

Power dissipation

< 1 W

Temperature coefficient

0.01 %/K

Step response (0–99%)

typ. 700 ms

 1100 ms

Transmission error, total

0.1

 

%

 

x

 

1000

 

[K]/measuring span

ZERO / SPAN adjustment

± 5 % / ± 5 %

Electrical isolation

Input/output/power supply

2.5 kV (50 Hz, 1 min., test voltage)

300 V

rms

 (Rated insulation voltage (overvoltage category II; 

degree of pollution 2, safe isolation as per EN 61010-1))

Input/output

375 V (Peak value in accordance with EN 60079-11)

Input/power supply

375 V (Peak value in accordance with EN 60079-11)

Ambient temperature range

-20 °C ... 60 °C (Any mounting position)

Humidity

5 % ... 95 % (non-condensing)

Inflammability class in acc. with UL 94

V0

Housing material

PA 66-FR

Dimensions W/H/D

12.5 / 99 / 114.5 mm

Screw connection solid/stranded/AWG

0.2 ... 2.5 mm² / 0.2 ... 2.5 mm² / 24 - 14

Push-in connection solid/stranded/AWG

0.2 ... 1.5 mm² / 0.2 ... 1.5 mm² / 24 - 16

EMC note

Class A product, see page 605

Conformance/Approvals

Conformance

CE-compliant, additionally EN 61326-1

ATEX

 II 3G Ex nA ic IIC T4 Gc X

UL, USA/Canada

UL 508 Listed

UL 61010 Listed

Class I, Div. 2, Groups A, B, C, D T4

Class I, Zone 2, Group IIC T4

Ordering data

Description

Type

Order No.

Pcs./

Pkt.

Temperature transducer

Order configuration

Screw connection

MACX MCR-SL-RTD-I

2865065

1

Order configuration

Push-in connection

MACX MCR-SL-RTD-I-SP

2924317

1

Standard configuration

Screw connection

MACX MCR-SL-RTD-I-NC

2865078

1

Standard configuration

Push-in connection

MACX MCR-SL-RTD-I-SP-NC

2924320

1

Accessories

Programming adapter

 for configuring modules with 

S-PORT interface

IFS-USB-PROG-ADAPTER

2811271

1

130

PHOENIX CONTACT

Programmable temperature transducer 

for operating resistance thermometers and 
resistance-type sensors. The measured 
values are converted into a linear 0 to 
20 mA or 4 to 20 mA signal.

– Input for resistance thermometers and 

resistance-type sensors

– 0 to 20 mA or 4 to 20 mA output
– Configuration via software (FDT/DTM): 

Sensor type, connection method, 
measuring range, measuring unit, filter, 
alarm signal, and output range

– Programming during operation and also 

voltage-free using IFS-USB-PROG-
ADAPTER programming adapter

– Status indicator for supply voltage, cable, 

sensor, and module errors

– 3-way electrical isolation
– Power supply via DIN rail connector 

possible

– Installation in Zone 2 permitted

Notes:

To order a product with an order configuration, please enter the 

desired configuration by referring to the order key provided online 

(phoenixcontact.net/products).

The configuration software can be downloaded from the Internet 

(phoenixcontact.net/products).

Information about the supply and error evaluation module as well 

as about the DIN rail connectors and marking material can be 

found from page 174

For information on the programming adapter, refer to page 172

Test plugs for test sockets can be found on page 176

Information on “Plug and play” connection using system cabling 

can be found from page 164

Temperature
Temperature transducer

MCR technology

Signal conditioners with SIL functional safety – MACX Analog

H

W

D

For resistance thermometers and 

resistance-type sensors

phoenixcontact-interface-technology-and-switching-devices-html.html
background image

OU

T

I

N

P

O

WE

R

I

PL

C /

D

C

S

pass

iv

e

-

+

3

.

2

3

.

1

Zone

2

Div.

2

I

N

OU

T

G

N

D

+

24

V

G

N

D +

24

V

+

-

µC

µC

Power

4

.

2

4

.

1

3

.

2

3

.

1

1

.

2

1

.

1

+

-

Sensor

/

Field

4

.

2

4

.

1

For further information and full technical data, visit phoenixcontact.net/products

 DNV GL

Ex: 

Housing width 12.5 mm

Technical data

Input data

Thermocouple sensors

E, J, K, N as per IEC / EN 60584, L as per DIN 43760

Voltage

-20 mV ... 70 mV

Measuring range span

Min. 50 K for thermocouples, 3 mV for mV sources

Output data

Output signal

0 mA ... 20 mA / 4 mA ... 20 mA

Load

max. 500 

Behavior in the event of a sensor error

As per NE 43 or can be freely defined

Output ripple

< 50 µA

PP

General data

Supply voltage range

19.2 V DC ... 30 V DC (24 V DC -20%...+25%)

Current consumption

< 40 mA (24 V DC)

Power dissipation

< 1 W

Temperature coefficient

0.01 %/K

Step response (0–99%)

typ. 700 ms

 1100 ms

Transmission error, total

0.1

 

%

 

x

 

600

 

[K]/measuring span; 0.1

 

% > 600

 

[K]

Cold junction errors

± 1 K

ZERO / SPAN adjustment

± 5 % / ± 5 %

Electrical isolation

Input/output/power supply

300 V

rms

 (Rated insulation voltage (overvoltage category II; 

degree of pollution 2, safe isolation as per EN 61010-1))

2.5 kV (50 Hz, 1 min., test voltage)

Input/output

375 V (Peak value in accordance with EN 60079-11)

Input/power supply

375 V (Peak value in accordance with EN 60079-11)

Ambient temperature range

-20 °C ... 60 °C (Any mounting position)

Humidity

5 % ... 95 % (non-condensing)

Inflammability class in acc. with UL 94

V0

Housing material

PA 66-FR

Dimensions W/H/D

12.5 / 99 / 114.5 mm

Screw connection solid/stranded/AWG

0.2 ... 2.5 mm² / 0.2 ... 2.5 mm² / 24 - 14

EMC note

Class A product, see page 605

Conformance/Approvals

Conformance

CE-compliant, additionally EN 61326-1

ATEX

 II 3G Ex nA ic IIC T4 Gc X

UL, USA/Canada

UL 508 Listed

UL 61010 Listed

Class I, Div. 2, Groups A, B, C, D T4

Class I, Zone 2, Group IIC T4

Ordering data

Description

Type

Order No.

Pcs./

Pkt.

Temperature transducer

Order configuration

Screw connection

MACX MCR-SL-TC-I

2924333

1

Standard configuration

Screw connection

MACX MCR-SL-TC-I-NC

2924346

1

Accessories

Programming adapter

 for configuring modules with 

S-PORT interface

IFS-USB-PROG-ADAPTER

2811271

1

131

PHOENIX CONTACT

Programmable temperature transducer 

for operating thermocouples and mV 
sources. The measured values are 
converted into a linear 0 to 20 mA or 4 to 
20 mA signal.

– Input for thermocouples and mV sources
– 0 to 20 mA or 4 to 20 mA output
– Configuration via software (FDT/DTM): 

Sensor type, connection method, 
measuring range, measuring unit, filter, 
alarm signal, and output range

– Programming during operation and also 

voltage-free using IFS-USB-PROG-
ADAPTER programming adapter

– Status indicator for supply voltage, cable, 

sensor, and module errors

– 3-way electrical isolation
– Power supply via DIN rail connector 

possible

– Installation in Zone 2 permitted

Notes:

To order a product with an order configuration, please enter the 

desired configuration by referring to the order key provided online 

(phoenixcontact.net/products).

The configuration software can be downloaded from the Internet 

(phoenixcontact.net/products).

Information about the supply and error evaluation module as well 

as about the DIN rail connectors and marking material can be 

found from page 174

For information on the programming adapter, refer to page 172

Information on “Plug and play” connection using system cabling 

can be found from page 164

Temperature
Temperature transducer

MCR technology

Signal conditioners with SIL functional safety – MACX Analog

H

W

D

For thermocouples and mV sources

phoenixcontact-interface-technology-and-switching-devices-html.html
background image

P

O

W

ER

OU

T

IN

Se

n

sor

/ F

iel

d

4.2

4.1

4.2

4.1

+

-

4.2

4.1

Z

o

n

e

2

D

i

v. 2

IN

OU

T

G

ND

+24V

+

-

4.2

4.1

3.2

3.1

1.2

1.1

+

-

Po

w

er

F

a

u

ltsig

n

al

G

ND

+24V

LFD

2.2

P

LC / DC

S

3.2

3.1

2.2

DI

11

12

14

 

 DNV GL Functional Safety

Ex: 

 

Housing width 12.5 mm

Technical data

Input data

Input signal

NAMUR proximity sensors (EN 60947-5-6)

open circuit switch contacts

Switch contacts with resistance circuit

No-load voltage

~ 8 V DC

Switching points

> 2.1 mA (conductive) / < 1.2 mA (blocking)

Switching hysteresis

< 0.2 mA

Line fault detection

Break 0.05 mA < IIN < 0.35 mA

Short circuit 100 

 < RSensor < 360 

Switching output

Relay output

Contact type

1 PDT

Contact material

AgSnO

2

, hard gold-plated

Max. switching voltage

250 V AC (2 A) / 120 V DC (0.2 A) / 30 V DC (2 A)

Maximum switching capacity

500 VA

Recommended minimum load

5 V / 10 mA

Mechanical service life

10

7

 cycles

Switching behavior

Can be inverted via slide switch

Maximum switching frequency

 20 Hz (without load)

General data

Supply voltage range

19.2 V DC ... 30 V DC (24 V DC -20%...+25%)

Current consumption

21 mA (24 V DC)

Power dissipation

< 650 mW

Electrical isolation

Input/output

375 V (Peak value in accordance with EN 60079-11)

Input/output/supply, DIN rail connector

300 V

rms

 (Rated insulation voltage (overvoltage category II; 

degree of pollution 2, safe isolation as per EN 61010-1))

2.5 kV (50 Hz, 1 min., test voltage)

Output/input, supply, DIN rail connector

300 V

rms

 (Rated insulation voltage (overvoltage category III; 

degree of pollution 2, safe isolation as per EN 61010-1))

2.5 kV (50 Hz, 1 min., test voltage)

Input/supply, DIN rail connector

375 V (Peak value in accordance with EN 60079-11)

Ambient temperature range

-20 °C ... 60 °C (Any mounting position)

Humidity

10 % ... 95 % (non-condensing)

Inflammability class in acc. with UL 94

V0

Housing material

PA 66-FR

Dimensions W/H/D

12.5 / 99 / 114.5 mm

Screw connection solid/stranded/AWG

0.2 ... 2.5 mm² / 0.2 ... 2.5 mm² / 24 - 14

Push-in connection solid/stranded/AWG

0.2 ... 1.5 mm² / 0.2 ... 1.5 mm² / 24 - 16

EMC note

Class A product, see page 605

Conformance/Approvals

Conformance

CE-compliant, additionally EN 61326-1

ATEX

 II 3 G Ex nA nC IIC T4 Gc X

UL, USA/Canada

UL 508 Listed

UL 61010 Listed

Class I, Div. 2, Groups A, B, C, D T4

Class I, Zone 2, Group IIC T4

SIL in accordance with IEC 61508

2

Ordering data

Description

Type

Order No.

Pcs./

Pkt.

NAMUR signal conditioner

Screw connection

MACX MCR-SL-NAM-R

2865997

1

Push-in connection

MACX MCR-SL-NAM-R-SP

2924252

1

132

PHOENIX CONTACT

NAMUR signal conditioner for operating 

proximity sensors and mechanical contacts

– Input for NAMUR proximity sensors 

(EN 60947-5-6), floating contacts or 
contacts with resistance circuit

– Relay signal output (PDT)
– Reversible direction of action (operating 

current or closed-circuit current 
behavior)

– Line fault detection (LFD) can be 

activated and deactivated, error indicated 
by red flashing LED and de-excitation of 
the output relay

– Power supply and error indication 

possible via the DIN rail connector

– LED displays for indicating supply voltage, 

circuit state, and malfunctions to 
NAMUR NE 44

– 3-way electrical isolation
– Up to SIL 2 according to IEC 61508
– Installation in Zone 2 permitted

Notes:

Information about the supply and error evaluation module as well 

as about the DIN rail connectors and marking material can be 

found from page 174

Information about resistance circuits is given on page 176

Information on “Plug and play” connection using system cabling 

can be found from page 164

Digital IN
NAMUR signal conditioners

MCR technology

Signal conditioners with SIL functional safety – MACX Analog

Signal output: PDT relay

phoenixcontact-interface-technology-and-switching-devices-html.html
background image

P

O

W

ER

OU

T

IN

Se

n

sor

/ F

iel

d

4.2

4.1

4.2

4.1

+

-

4.2

4.1

OUT

2

Z

o

n

e

2

D

i

v. 2

IN

OU

T

G

ND

+24V

4.2

4.1

3.2

3.1

1.2

1.1

+

-

Po

w

er

F

a

u

ltsig

n

al

G

ND

+24V

LFD

2.2

2.1

OUT

1

P

LC / DC

S

3.2

3.1

DI

2.2

2.1

DI

13

14

13

14

For further information and full technical data, visit phoenixcontact.net/products

 DNV GL Functional Safety

Ex: 

 

Housing width 12.5 mm

Technical data

Input data

Input signal

NAMUR proximity sensors (EN 60947-5-6)

open circuit switch contacts

Switch contacts with resistance circuit

No-load voltage

~ 8 V DC

Switching points

> 2.1 mA (conductive) / < 1.2 mA (blocking)

Switching hysteresis

< 0.2 mA

Line fault detection

Break 0.05 mA < IIN < 0.35 mA

Short circuit 100 

 < RSensor < 360 

Switching output

Relay output

Contact type

2 N/O contacts

Contact material

AgSnO

2

, hard gold-plated

Max. switching voltage

250 V AC (2 A) / 120 V DC (0.2 A) / 30 V DC (2 A)

Maximum switching capacity

500 VA

Recommended minimum load

5 V / 10 mA

Mechanical service life

10

7

 cycles

Switching behavior

Can be inverted via slide switch

Maximum switching frequency

 20 Hz (without load)

General data

Supply voltage range

19.2 V DC ... 30 V DC (24 V DC -20%...+25%)

Current consumption

30 mA (24 V DC)

Power dissipation

< 950 mW

Electrical isolation

Input/output

375 V (Peak value in accordance with EN 60079-11)

Output 1/output 2/input, power supply, DIN rail connector

300 V

rms

 (Rated insulation voltage (overvoltage category III; 

degree of pollution 2, safe isolation as per EN 61010-1))

Ambient temperature range

-20 °C ... 60 °C (Any mounting position)

Humidity

10 % ... 95 % (non-condensing)

Inflammability class in acc. with UL 94

V0

Housing material

PA 66-FR

Dimensions W/H/D

12.5 / 99 / 114.5 mm

Screw connection solid/stranded/AWG

0.2 ... 2.5 mm² / 0.2 ... 2.5 mm² / 24 - 14

Push-in connection solid/stranded/AWG

0.2 ... 1.5 mm² / 0.2 ... 1.5 mm² / 24 - 16

EMC note

Class A product, see page 605

Conformance/Approvals

Conformance

CE-compliant, additionally EN 61326-1

ATEX

 II 3 G Ex nA nC IIC T4 Gc X

UL, USA/Canada

UL 508 Listed

UL 61010 Listed

Class I, Div. 2, Groups A, B, C, D T4

Class I, Zone 2, Group IIC T4

SIL in accordance with IEC 61508

2

Ordering data

Description

Type

Order No.

Pcs./

Pkt.

NAMUR signal conditioner

Screw connection

MACX MCR-SL-NAM-2RO

2865010

1

Push-in connection

MACX MCR-SL-NAM-2RO-SP

2924265

1

133

PHOENIX CONTACT

NAMUR signal conditioner for operating 

proximity sensors and mechanical contacts

– Input for NAMUR proximity sensors 

(EN 60947-5-6), floating contacts or 
contacts with resistance circuit

– 2 relay signal outputs (N/O contact), 

output 2 can also be used as an error 
signal output

– Reversible direction of action (operating 

current or closed-circuit current 
behavior)

– Line fault detection (LFD) can be 

activated and deactivated, error indicated 
by red flashing LED and de-excitation of 
the output relay

– Power supply and error indication 

possible via the DIN rail connector

– LED displays for indicating supply voltage, 

circuit state, and malfunctions to 
NAMUR NE 44

– 4-way electrical isolation
– Up to SIL 2 according to IEC 61508
– Installation in Zone 2 permitted

Notes:

Information about the supply and error evaluation module as well 

as about the DIN rail connectors and marking material can be 

found from page 174

Information about resistance circuits is given on page 176

Information on “Plug and play” connection using system cabling 

can be found from page 164

Digital IN
NAMUR signal conditioners

MCR technology

Signal conditioners with SIL functional safety – MACX Analog

2 signal outputs: N/O contact relay

phoenixcontact-interface-technology-and-switching-devices-html.html
background image

P

O

W

ER

OU

T

1

IN1

IN2

OU

T

2

Z

o

n

e

 2

D

i

v. 2

IN

OU

T

G

ND

+24V

4.2

4.1

3.2

3.1

1.2

1.1

+

-

Po

w

er

F

a

u

ltsig

n

al

G

ND

+24V

LFD

2.2

2.1

5.2

5.1

+

-

P

LC / DC

S

3.2

3.1

2.2

2.1

13

13

14

14

DI

DI

Se

n

sor

 / F

iel

d

C

H

1

C

H

2

+

+

+

-

-

-

 DNV GL Functional Safety

Ex: 

 

Housing width 12.5 mm

Technical data

Input data

Input signal

NAMUR proximity sensors (EN 60947-5-6)

open circuit switch contacts

Switch contacts with resistance circuit

No-load voltage

~ 8 V DC

Switching points

> 2.1 mA (conductive) / < 1.2 mA (blocking)

Switching hysteresis

< 0.2 mA

Line fault detection

Break 0.05 mA < IIN < 0.35 mA

Short circuit 100 

 < RSensor < 360 

Switching output

Relay output

Contact type

1 N/O contact per channel

Contact material

AgSnO

2

, hard gold-plated

Max. switching voltage

250 V AC (2 A) / 120 V DC (0.2 A) / 30 V DC (2 A)

Maximum switching capacity

500 VA

Recommended minimum load

5 V / 10 mA

Mechanical service life

10

7

 cycles

Switching behavior

Can be inverted via slide switch

Maximum switching frequency

 20 Hz (without load)

General data

Supply voltage range

19.2 V DC ... 30 V DC (24 V DC -20%...+25%)

Current consumption

35 mA (24 V DC)

Power dissipation

< 1 W

Electrical isolation

Input/output

375 V (Peak value in accordance with EN 60079-11)

Input/supply, DIN rail connector

375 V (Peak value in accordance with EN 60079-11)

300 V

rms

 (Rated insulation voltage (overvoltage category II; 

degree of pollution 2, safe isolation as per EN 61010-1))

Ambient temperature range

-20 °C ... 60 °C (Any mounting position)

Humidity

5 % ... 95 % (non-condensing)

Inflammability class in acc. with UL 94

V0

Housing material

PA 66-FR

Dimensions W/H/D

12.5 / 99 / 114.5 mm

Screw connection solid/stranded/AWG

0.2 ... 2.5 mm² / 0.2 ... 2.5 mm² / 24 - 14

Push-in connection solid/stranded/AWG

0.2 ... 1.5 mm² / 0.2 ... 1.5 mm² / 24 - 16

EMC note

Class A product, see page 605

Conformance/Approvals

Conformance

CE-compliant, additionally EN 61326-1

ATEX

 II 3 G Ex nA nC IIC T4 Gc X

UL, USA/Canada

UL 508 Listed

UL 61010 Listed

Class I, Div. 2, Groups A, B, C, D T4

Class I, Zone 2, Group IIC T4

SIL in accordance with IEC 61508

2

Ordering data

Description

Type

Order No.

Pcs./

Pkt.

NAMUR signal conditioner

Screw connection

MACX MCR-SL-2NAM-RO

2865049

1

Push-in connection

MACX MCR-SL-2NAM-RO-SP

2924294

1

134

PHOENIX CONTACT

NAMUR signal conditioner for 

intrinsically safe operation of proximity 
sensors and mechanical contacts installed in 
Ex areas.

– 2-channel
– Input for NAMUR proximity sensors 

(EN 60947-5-6), floating contacts or 
contacts with resistance circuit

– Relay signal output (N/O contact)
– Reversible direction of action (operating 

current or closed-circuit current 
behavior)

– Line fault detection (LFD) can be 

activated and deactivated, error indicated 
by red flashing LED and de-excitation of 
the output relay

– Power supply and error indication 

possible via the DIN rail connector

– LED displays for indicating supply voltage, 

circuit state, and malfunctions to 
NAMUR NE 44

– 3-way electrical isolation
– Up to SIL 2 according to IEC 61508
– Installation in Zone 2 permitted

Notes:

Information about the supply and error evaluation module as well 

as about the DIN rail connectors and marking material can be 

found from page 174

Information about resistance circuits is given on page 176

Information on “Plug and play” connection using system cabling 

can be found from page 164

Digital IN
NAMUR signal conditioners

MCR technology

Signal conditioners with SIL functional safety – MACX Analog

2-channel, signal output: N/O contact relay

phoenixcontact-interface-technology-and-switching-devices-html.html
background image

P

O

W

ER

OU

T

1

IN1

IN2

OU

T

2

P

LC / DC

S

3.3

2.3

3.2

2.2

3.1

2.1

IN

Z

o

n

e

 2

D

i

v. 2

OU

T

4.3

4.1

3.3

2.3

3.2

2.2

3.1

2.1

1.2

1.1

+

-

5.3

5.1

+

-

C

H

1

C

H

2

24...23

0

 V

AC/DC

~

12

12

11

11

14

14

Se

n

sor

 / F

iel

d

DI

DI

+

+

+

-

-

-

For further information and full technical data, visit phoenixcontact.net/products

 

 

 Functional Safety

Ex: 

 

Housing width 17.5 mm

Technical data

Input data

Input signal

NAMUR proximity sensors (EN 60947-5-6)

open circuit switch contacts

Switch contacts with resistance circuit

No-load voltage

~ 8 V DC

Switching points

> 2.1 mA (conductive) / < 1.2 mA (blocking)

Switching hysteresis

approx. 0.2 mA

Line fault detection

Break 0.05 mA < IIN < 0.35 mA

Short circuit 100 

 < RSensor < 360 

Switching output

Relay output

Contact type

1 PDT per channel

Contact material

AgSnO

2

, hard gold-plated

Max. switching voltage

250 V AC (2 A, 60 Hz) / 120 V DC (0.2 A) / 30 V DC (2 A)

Maximum switching capacity

500 VA

Recommended minimum load

5 V / 10 mA

Mechanical service life

10

7

 cycles

Switching behavior

can be inverted using DIP switch

Maximum switching frequency

 20 Hz (Load-dependent)

General data

Supply voltage range

19.2 V AC/DC ... 253 V AC/DC 

(24

 

V

 

AC/DC

 

 

230

 

V

 

AC/DC (-20

 

%

 

 

+10

 

%, 50/60

 

Hz))

Current consumption

< 80 mA ; < 42 mA (24 V DC)

Power dissipation

 1.3 W

Electrical isolation

Input/output

375 V (Peak value in accordance with EN 60079-11)

Input/power supply

375 V (Peak value in accordance with EN 60079-11)

300 V

rms

 (Rated insulation voltage (overvoltage category II; 

degree of pollution 2, safe isolation as per EN 61010-1))

2.5 kV AC (50 Hz, 1 min., test voltage)

Ambient temperature range

-20 °C ... 60 °C

Humidity

10 % ... 95 % (non-condensing)

Inflammability class in acc. with UL 94

V0

Housing material

PA 66-FR

Dimensions W/H/D

17.5 / 99 / 114.5 mm

Screw connection solid/stranded/AWG

0.2 ... 2.5 mm² / 0.2 ... 2.5 mm² / 24 - 14

Push-in connection solid/stranded/AWG

0.2 ... 1.5 mm² / 0.2 ... 1.5 mm² / 24 - 16

EMC note

Class A product, see page 605

Conformance/Approvals

Conformance

CE-compliant, additionally EN 61326-1

ATEX

 II 3 G Ex nA nC IIC T4 Gc X

UL, USA/Canada

UL 508 Listed

UL 61010 Listed

Class I, Div. 2, Groups A, B, C, D T4

Class I, Zone 2, Group IIC T4

SIL in accordance with IEC 61508

2

Ordering data

Description

Type

Order No.

Pcs./

Pkt.

NAMUR signal conditioner

Screw connection

MACX MCR-SL-2NAM-R-UP

2865052

1

Push-in connection

MACX MCR-SL-2NAM-R-UP-SP

2924304

1

135

PHOENIX CONTACT

NAMUR signal conditioner for operating 

proximity sensors and mechanical contacts

– 2-channel
– Input for NAMUR proximity sensors 

(EN 60947-5-6), floating contacts or 
contacts with resistance circuit

– Relay signal output (PDT)
– Reversible direction of action (operating 

current or closed-circuit current 
behavior)

– Line fault detection (LFD) can be 

activated and deactivated, error indicated 
by red flashing LED and de-excitation of 
the output relay

– Wide-range power supply of 

19.2 to 253 V AC/DC

– LED displays for indicating supply voltage, 

circuit state, and malfunctions to 
NAMUR NE 44

– 3-way electrical isolation
– Up to SIL 2 according to IEC 61508
– Installation in Zone 2 permitted

Notes:

Information on resistance circuits and marking material can be 

found on page 176

Digital IN
NAMUR signal conditioners

MCR technology

Signal conditioners with SIL functional safety – MACX Analog

2-channel, signal output: PDT relay, 

wide-range power supply

phoenixcontact-interface-technology-and-switching-devices-html.html
background image

P

O

W

ER

IN

OU

T

1

OU

T

2

Se

n

sor

 / F

iel

d

4.2

4.1

4.2

4.1

+

-

4.2

4.1

P

LC / DC

S

3.2

3.1

DI

2.2

2.1

DI

-

+

-

+

OUT

2

Z

o

n

e

 2

D

i

v. 2

IN

OU

T

G

ND

+24V

4.2

4.1

3.2

3.1

1.2

1.1

+

-

Po

w

er

F

a

u

ltsig

n

al

G

ND

+24V

LFD

2.2

2.1

OUT

1

 DNV GL Functional Safety

Ex: 

 

Housing width 12.5 mm

Technical data

Input data

Input signal

NAMUR proximity sensors (EN 60947-5-6)

open circuit switch contacts

Switch contacts with resistance circuit

No-load voltage

~ 8 V DC

Switching points

> 2.1 mA (conductive) / < 1.2 mA (blocking)

Line fault detection

Break 0.05 mA < IIN < 0.35 mA

Short circuit 100 

 < RSensor < 360 

Switching output

2 transistor outputs, passive

Max. switching voltage

30 V DC

Maximum switching current

50 mA (short-circuit-proof)

Drop (

Δ

U)

< 1.4 V

Switching behavior

can be inverted using DIP switch

Maximum switching frequency

 5 kHz

General data

Supply voltage range

19.2 V DC ... 30 V DC (24 V DC -20%...+25%)

Current consumption

< 28 mA (24 V DC)

Power dissipation

 800 mW

Electrical isolation

Input/output

375 V (Peak value in accordance with EN 60079-11)

Input/output/supply, DIN rail connector

300 V

rms

 (Rated insulation voltage (overvoltage category II; 

degree of pollution 2, safe isolation as per EN 61010-1))

2.5 kV (50 Hz, 1 min., test voltage)

Input/supply, DIN rail connector

375 V (Peak value in accordance with EN 60079-11)

Output 1/output 2

50 V

rms

 (Rated insulation voltage (overvoltage category II; 

degree of pollution 2, basic insulation as per EN 61010-1))

1 kV (50 Hz, 1 min., test voltage)

Ambient temperature range

-20 °C ... 60 °C (Any mounting position)

Humidity

10 % ... 95 % (non-condensing)

Inflammability class in acc. with UL 94

V0

Housing material

PA 66-FR

Dimensions W/H/D

12.5 / 99 / 114.5 mm

Screw connection solid/stranded/AWG

0.2 ... 2.5 mm² / 0.2 ... 2.5 mm² / 24 - 14

Push-in connection solid/stranded/AWG

0.2 ... 1.5 mm² / 0.2 ... 1.5 mm² / 24 - 16

EMC note

Class A product, see page 605

Conformance/Approvals

Conformance

CE-compliant, additionally EN 61326-1

ATEX

 II 3 G Ex nA IIC T4 Gc X

UL, USA/Canada

UL 508 Listed

UL 61010 Listed

Class I, Div. 2, Groups A, B, C, D T4

Class I, Zone 2, Group IIC T4

SIL in accordance with IEC 61508

2

Ordering data

Description

Type

Order No.

Pcs./

Pkt.

NAMUR signal conditioner

Screw connection

MACX MCR-SL-NAM-2T

2865023

1

Push-in connection

MACX MCR-SL-NAM-2T-SP

2924278

1

136

PHOENIX CONTACT

NAMUR signal conditioner for operating 

proximity sensors and mechanical contacts

– Input for NAMUR proximity sensors 

(EN 60947-5-6), floating contacts or 
contacts with resistance circuit

– 2 signal outputs transistor (passive), up to 

5 kHz

– Signal output 2 can also be used as a fault 

signaling output

– Reversible direction of action (operating 

current or closed-circuit current 
behavior)

– Line fault detection (LFD) can be 

activated and deactivated, error indicated 
by red flashing LED and blocking the 
transistor output

– Power supply and error indication 

possible via the DIN rail connector

– LED displays for indicating supply voltage, 

circuit state, and malfunctions to 
NAMUR NE 44

– 4-way electrical isolation
– Up to SIL 2 according to IEC 61508
– Installation in Zone 2 permitted

Notes:

Information about the supply and error evaluation module as well 

as about the DIN rail connectors and marking material can be 

found from page 174

Information about resistance circuits is given on page 176

Information on “Plug and play” connection using system cabling 

can be found from page 164

Digital IN
NAMUR signal conditioners

MCR technology

Signal conditioners with SIL functional safety – MACX Analog

2 signal outputs: transistor (passive)

phoenixcontact-interface-technology-and-switching-devices-html.html
background image

P

O

W

ER

IN1

IN2

OU

T

1

OU

T

2

Se

n

sor

 / F

iel

d

P

LC / DC

S

3.2

3.1

2.2

2.1

Z

o

n

e

 2

D

i

v. 2

IN

OU

T

G

ND

+24V

4.2

4.1

3.2

3.1

1.2

1.1

+

-

Po

w

er

F

a

u

ltsig

n

al

G

ND

+24V

LFD

2.2

2.1

5.2

5.1

+

-

DI

DI

C

H

1

C

H

2

+

+

+

-

-

-

+

+

-

-

For further information and full technical data, visit phoenixcontact.net/products

 DNV GL Functional Safety

Ex: 

 

Housing width 12.5 mm

Technical data

Input data

Input signal

NAMUR proximity sensors (EN 60947-5-6)

open circuit switch contacts

Switch contacts with resistance circuit

No-load voltage

~ 8 V DC

Switching points

> 2.1 mA (conductive) / < 1.2 mA (blocking)

Line fault detection

Break 0.05 mA < IIN < 0.35 mA

Short circuit 100 

 < RSensor < 360 

Switching output

1 transistor output, passive (per channel)

Max. switching voltage

30 V DC

Maximum switching current

50 mA (short-circuit-proof)

Drop (

Δ

U)

< 1.4 V

Switching behavior

can be inverted using DIP switch

Maximum switching frequency

 5 kHz

General data

Supply voltage range

19.2 V DC ... 30 V DC (24 V DC -20%...+25%)

Current consumption

< 34 mA (24 V DC)

Power dissipation

1000 mW

Electrical isolation

Input/output

375 V (Peak value in accordance with EN 60079-11)

Input/output/supply, DIN rail connector

300 V

rms

 (Rated insulation voltage (overvoltage category II; 

degree of pollution 2, safe isolation as per EN 61010-1))

2.5 kV (50 Hz, 1 min., test voltage)

Input/supply, DIN rail connector

375 V (Peak value in accordance with EN 60079-11)

Output 1/output 2

50 V

rms

 (Rated insulation voltage (overvoltage category II; 

degree of pollution 2, basic insulation as per EN 61010-1))

1 kV (50 Hz, 1 min., test voltage)

Ambient temperature range

-20 °C ... 60 °C (Any mounting position)

Humidity

10 % ... 95 % (non-condensing)

Inflammability class in acc. with UL 94

V0

Housing material

PA 66-FR

Dimensions W/H/D

12.5 / 99 / 114.5 mm

Screw connection solid/stranded/AWG

0.2 ... 2.5 mm² / 0.2 ... 2.5 mm² / 24 - 14

Push-in connection solid/stranded/AWG

0.2 ... 1.5 mm² / 0.2 ... 1.5 mm² / 24 - 16

EMC note

Class A product, see page 605

Conformance/Approvals

Conformance

CE-compliant, additionally EN 61326

ATEX

 II 3 G Ex nA IIC T4 Gc X

UL, USA/Canada

UL 508 Listed

UL 61010 Listed

Class I, Div. 2, Groups A, B, C, D T4

Class I, Zone 2, Group IIC T4

SIL in accordance with IEC 61508

2

Ordering data

Description

Type

Order No.

Pcs./

Pkt.

NAMUR signal conditioner

Screw connection

MACX MCR-SL-2NAM-T

2865036

1

Push-in connection

MACX MCR-SL-2NAM-T-SP

2924281

1

137

PHOENIX CONTACT

NAMUR signal conditioner for operating 

proximity sensors and mechanical contacts

– 2-channel
– Input for NAMUR proximity sensors 

(EN 60947-5-6), floating contacts or 
contacts with resistance circuit

– Signal output transistor (passive), up to 

5 kHz

– Reversible direction of action (operating 

current or closed-circuit current 
behavior)

– Line fault detection (LFD) can be 

activated and deactivated, error indicated 
by red flashing LED and blocking the 
transistor output

– Power supply and error indication 

possible via the DIN rail connector

– LED displays for indicating supply voltage, 

circuit state, and malfunctions to 
NAMUR NE 44

– 3-way electrical isolation
– Up to SIL 2 according to IEC 61508
– Installation in Zone 2 permitted

Notes:

Information about the supply and error evaluation module as well 

as about the DIN rail connectors and marking material can be 

found from page 174

Information about resistance circuits is given on page 176

Information on “Plug and play” connection using system cabling 

can be found from page 164

Digital IN
NAMUR signal conditioners

MCR technology

Signal conditioners with SIL functional safety – MACX Analog

2-channel, signal output: transistor (passive)

phoenixcontact-interface-technology-and-switching-devices-html.html
background image

P

O

W

ER

I

I

OU

T

2

I

OU

T

1

IN

P

O

W

ER

Z

o

n

e

 

2

D

i

v

2

I

N

OUT

4.

2

5

.

2

4.1

5

.1

3

.

2

3

.1

2

.

2

2

.1

1.

2

1.1

G

ND

OUT

 1

OUT

 

2

+

2

4V

G

ND

+

2

4V

Po

w

er

+

+

-

-

+

-

Se

n

sor

 

/

 Fi

e

l

d

or

4.

2

4.1

5

.

2

5

.1

HHT

P

L

C

 

/

 

DCS

pass

i

ve

-

+

3

.

2

3

.1

pass

i

ve

-

+

2

.

2

2

.1

HHT

HHT

HHT

 

Housing width 12.5 mm

Technical data

Input data

Input signal

4 mA ... 20 mA / 4 mA ... 20 mA

Transmitter supply voltage

> 21.5 V (20 mA)

Voltage drop

< 3.9 V (in input signal conditioner operation)

Output data

Output signal (Per output)

4 mA ... 20 mA (active)

Load

< 450 

 (20 mA)

Output ripple

< 20 mV

rms

General data

Supply voltage range

19.2 V DC ... 30 V DC (24 V DC -20%...+25%)

Current consumption

< 75 mA (24

 

V

 

DC / 20

 

mA)

Power dissipation

< 1.45 W (24 V DC/ 20 mA)

Temperature coefficient

< 0.01 %/K

Step response (10-90%)

1.3 ms (for jump 4

 

mA

 

...

 

20

 

mA, typical)

Transmission error, typical

< 0.05 % (of final value)

Maximum transmission error

< 0.1 % (of final value)

Under-/overload range

according to NE 43

Electrical isolation

Input/output/power supply

300 V

rms

 (Rated insulation voltage (overvoltage category II; 

degree of pollution 2, safe isolation as per EN 61010-1))

2.5 kV (50 Hz, 1 min., test voltage)

Output 1/output 2

1.5 kV AC (50 Hz, 1 min., test voltage)

Ambient temperature range

-20 °C ... 60 °C (Any mounting position)

Status indication

Green LED (PWR supply voltage)

SMART communication (Per output)

Yes

Protocols supported

HART

Housing material

PA 66-FR

Dimensions W/H/D

12.5 / 99 / 114.5 mm

Screw connection solid/stranded/AWG

0.2 ... 2.5 mm² / 0.2 ... 2.5 mm² / 24 - 14

Push-in connection solid/stranded/AWG

0.2 ... 1.5 mm² / 0.2 ... 1.5 mm² / 24 - 16

EMC note

Class A product, see page 605

Conformance/Approvals

Conformance

CE-compliant, additionally EN 61326

ATEX

 II 3 G Ex nA IIC T4 Gc X

SIL in accordance with IEC 61508

2

Performance level according to ISO 13849

PLd

Ordering data

Description

Type

Order No.

Pcs./

Pkt.

Repeater power supply and input signal conditioner, 

signal duplicator,

 with performance level

Screw connection

MACX PL-RPSSI-2I

2904961

1

Push-in connection

MACX PL-RPSSI-2I-SP

2904962

1

138

PHOENIX CONTACT

– 4 to 20 mA input, powered and not 

powered

– Two electrically isolated outputs, 4 to 

20 mA (active)

– PL d according to EN ISO 13849-1
– Up to SIL 2 according to IEC 61508
– Installation in Zone 2 possible
– Plug-in screw and Push-in connection 

technology

– 4-way electrical isolation
– Bidirectional HART communication 

possible

– Power supply via DIN rail connector 

possible

Notes:

Information about the supply and error evaluation module as well 

as about the DIN rail connectors and marking material can be 

found from page 174

Test plugs for test sockets can be found on page 176

Information on “Plug and play” connection using system cabling 

can be found from page 164

Analog IN
Repeater power supplies

MCR technology

Signal conditioners with PL and SIL functional safety – MACX Safety

Repeater power supply and input signal conditioner,

with two electrically isolated outputs

phoenixcontact-interface-technology-and-switching-devices-html.html
background image

OU

T

IN

P

O

W

ER

I

Z

o

n

e

2

D

i

v. 2

IN

OU

T

Po

w

er

24V ...23

0

V AC/DC

3.3

3.1

1.2

3.2

1.1

1.3

4.3

4.1

4.2

5.3

5.1

5.2

G

ND

I

OUT

N

C

P

LC / DC

S

passive

-

+

3.3

3.2

11

21

31

12

22

32

14

24

34

3.6

3.4

3.5

2.6

2.4

2.5

1.6

1.4

1.5

DI

DI

Se

n

sor

/ F

iel

d

4.3

4.1

4.2

ϑ

R

T

D

4.3

4.1

4.2

5.3

5.1

5.2

ϑ

Poti

T

C

-

+

ϑ

For further information and full technical data, visit phoenixcontact.net/products

 

Ex: 

 

 

Housing width 35 mm

Technical data

Input data

Resistance thermometers

Pt, Ni, Cu sensors: 2, 3, 4-wire

Thermocouple sensors

B, E, J, K, N, R, S, T, L, U, CA, DA, A1G, A2G, A3G, MG, LG

Resistor

 ... 50 k

Potentiometer

 ... 50 k

Voltage

-1000 mV ... 1000 mV

Output data

Output signal

4 mA ... 20 mA

Maximum output signal

22 mA

Load R

B

 600 

 (at 20 mA)

Behavior in the event of a sensor error

according to NE 43 or freely configurable

Switching output

Relay output

Contact type

2 PDT

Contact material

AgSnO

2

, hard gold-plated

Max. switching voltage

250 V AC (250 V DC)

Maximum switching current

2 A (250 V AC) / 2 A (28 V DC)

General data

Supply voltage range

24 V ... 230 V AC/DC (-20 %/+10 %, 50/60 Hz)

Power consumption

< 2.4 W

Temperature coefficient

0.01 %/K

Maximum transmission error

0.1 % (e.g. for Pt 100, 300 K span, 4 ... 20 mA)

Electrical isolation

Input/output/power supply

300 V

rms

 (Rated insulation voltage (overvoltage category II; 

degree of pollution 2, safe isolation as per EN 61010-1))

2.5 kV (50 Hz, 1 min., test voltage)

Input/output

375 V (Peak value in accordance with EN 60079-11)

Input/power supply

375 V (Peak value in accordance with EN 60079-11)

Input/switching output

375 V (Peak value in accordance with EN 60079-11)

Ambient temperature range

-20 °C ... 65 °C

Humidity

typ. 5 % ... 95 % (non-condensing)

Inflammability class in acc. with UL 94

V0

Housing material

PA 66-FR

Dimensions W/H/D

35 / 99 / 114.5 mm

Screw connection solid/stranded/AWG

0.2 ... 2.5 mm² / 0.2 ... 2.5 mm² / 24 - 14

Push-in connection solid/stranded/AWG

0.2 ... 1.5 mm² / 0.2 ... 1.5 mm² / 24 - 16

EMC note

Class A product, see page 605

Conformance/Approvals

Conformance

CE-compliant

ATEX

 II 3 G Ex nA nC ic IIC T4 Gc X

IECEx

Ex nA nC ic IIC T4 Gc X

SIL in accordance with IEC 61508

2

Performance level according to ISO 13849

PLd

Ordering data

Description

Type

Order No.

Pcs./

Pkt.

Temperature transducer and threshold value switch

 with 

performance level

Screw connection

MACX PL-T-UIREL-UP

2904901

1

Push-in connection

MACX PL-T-UIREL-UP-SP

2904903

1

Accessories

Programming adapter

 for configuring modules with 

S-PORT interface

IFS-USB-PROG-ADAPTER

2811271

1

Connector

, for current signals between +20 mA and -20 mA

MACX MCR-I20

2905680

1

139

PHOENIX CONTACT

– Input for resistance thermometers, 

thermocouples, resistance-type sensors, 
potentiometers, and mV sources

– A safety-related limit value relay, by 

bridging two relays

– Differential measurement possible with 

Pt 100

– An additional limit value relay for 

non-safety-related function

– PL d according to EN ISO 13849-1
– Up to SIL 2 according to IEC 61508
– Configuration via software 

(ANALOG-CONF or FDT/DTM)

– Cold junction compensation with 

separate connector

– Wide range power supply 

19.2 to 253 V AC/DC

– Status indicators for supply voltage, cable, 

sensor, and module errors

– Installation in Zone 2 possible
– Plug-in screw and Push-in connection 

technology

Notes:

The configuration software can be downloaded from the Internet 

(phoenixcontact.net/products).

Information on the IFS-OP-UNIT operating and display unit and the 

associated IFS-OP-CRADLE DIN rail cradle can be found on 

page 171

For information on the programming adapter, refer to page 172

Temperature
Temperature transducer

MCR technology

Signal conditioners with PL and SIL functional safety – MACX Safety

universal, with limit value relays,

wide-range power supply

phoenixcontact-interface-technology-and-switching-devices-html.html
background image

P

O

WE

R

I

I

OU

T

I

N

P

O

WE

R

P

L

C

 

/

 

DCS

AI

pass

i

ve

3

.

2

3

.1

2

.1

+

-

-

a

ct

i

ve

3

.

2

2

.

2

2

.1

-

+

+

HHT

HHT

Se

n

sor

 

/

 Fi

e

l

d

or

4.

2

5

.

2

4.1

5

.1

Z

o

n

e

 

0

,1,

2

Z

o

n

e

 

2

0

,

2

1,

22

D

i

v

. 1,

2

HHT

HHT

Z

o

n

e

 

2

D

i

v

.

2

4.

2

5

.

2

4.1

5

.1

3

.

2

3

.1

2

.

2

2

.1

1.

2

1.1

G

ND

+

2

4V

G

ND

+

2

4V

Po

w

er

+

+

-

-

25

0

Ω

I

N

OUT

 

 

 

 Functional Safety

Ex: 

 EAC Ex 

 

Housing width 12.5 mm

Technical data

Input data

Input signal

4 mA ... 20 mA

Transmitter supply voltage

> 16 V (20 mA)

Voltage drop

< 3.5 V (in input signal conditioner operation)

Output data

Output signal

4 mA ... 20 mA (active)

4 mA ... 20 mA (14 ... 26 V ext. source voltage)

Load

< 1000 

 (20 mA)

Output ripple

< 20 mV

rms

General data

Supply voltage range

19.2 V DC ... 30 V DC (24 V DC -20%...+25%)

Current consumption

< 76 mA (24

 

V

 

DC / 20

 

mA / 1000

 

) ; 

< 55 mA (24

 

V

 

DC / 20

 

mA / 250

 

)

Power dissipation

< 1.1 W (24

 

V

 

DC / 20

 

mA / 1000

 

< 0.95 W (24

 

V

 

DC / 20

 

mA / 250

 

< 1.2 W (24

 

V

 

DC / 20

 

mA / 0

 

)

Temperature coefficient

< 0.01 %/K

Step response (10-90%)

< 200 µs (for jump 4 mA ... 20

 

mA, load 600)

Transmission error, typical

< 0.05 % (of final value)

Maximum transmission error

< 0.1 % (of final value)

Under-/overload range

according to NE 43

Electrical isolation

Input/output/power supply

300 V

rms

 (Rated insulation voltage (overvoltage category II; 

degree of pollution 2, safe isolation as per EN 61010-1))

2.5 kV (50 Hz, 1 min., test voltage)

Input/output

375 V (Peak value in accordance with EN 60079-11)

Input/power supply

375 V (Peak value in accordance with EN 60079-11)

Ambient temperature range

-20 °C ... 60 °C (Any mounting position)

Humidity

10 % ... 95 % (non-condensing)

Status indication

Green LED (supply voltage)

SMART communication

Yes

Signal bandwidth

as per HART specifications

Protocols supported

HART

Inflammability class in acc. with UL 94

V0

Housing material

PA 66-FR

Dimensions W/H/D

12.5 / 112.5 / 114.5 mm

Screw connection solid/stranded/AWG

0.2 ... 2.5 mm² / 0.2 ... 2.5 mm² / 24 - 14

Push-in connection solid/stranded/AWG

0.2 ... 1.5 mm² / 0.2 ... 1.5 mm² / 24 - 16

EMC note

Class A product, see page 605

Safety data as per ATEX

Maximum output voltage Uo

25.2 V

Maximum output current Io

93 mA

Maximum output power Po

587 mW

Maximum voltage U

m

253 V AC (125 V DC)

Conformance/Approvals

Conformance

CE-compliant, additionally EN 61326

ATEX

 II (1) G [Ex ia Ga] IIC/IIB

 II (1) D [Ex ia Da] IIIC

 II 3 (1) G Ex nA [ia Ga] IIC/IIB T4 Gc

 I (M1) [Ex ia Ma] I

IECEx

[Ex ia Ga] IIC/IIB , [Ex ia Da] IIIC , Ex nA [ia Ga] IIC/IIB T4 Gc

UL, USA/Canada

UL 61010 Listed

Class I Div 2; IS for Class I, II, III Div 1

SIL in accordance with IEC 61508

2

Ordering data

Description

Type

Order No.

Pcs./

Pkt.

Repeater power supply, smart,

 intrinsically safe input

Screw connection

MACX MCR-EX-SL-RPSSI-I

2865340

1

Push-in connection

MACX MCR-EX-SL-RPSSI-I-SP

2924016

1

140

PHOENIX CONTACT

Repeater power supply and input signal 

conditioner for the operation of intrinsically 
safe (Ex i) 2-wire measuring transducers, 
4-wire measuring transducers, and mA 
current sources installed in Ex areas.

– 0/4 to 20 mA input, [Ex ia]

(powered or not powered)

– 0/4 to 20 mA output (active or passive)
– Bidirectional transmission of digital HART 

communication signals

– Plug-in screw or Push-in connection 

technology, with integrated sockets for 
HART communicators

– Terminal point with 250 Ω resistor to 

increase the HART impedance in the case 
of low-impedance systems

– 3-way electrical isolation
– Power supply via DIN rail connector 

possible

– Up to SIL 2 according to IEC 61508
– Installation in Zone 2 permitted

Notes:

Information about the supply and error evaluation module as well 

as about the DIN rail connectors and marking material can be 

found from page 174

Test plugs for test sockets can be found on page 176

Information on “Plug and play” connection using system cabling 

can be found from page 164

Analog IN
Repeater power supply, Ex i

MCR technology

Ex i signal conditioners with SIL functional safety – MACX Analog Ex

Repeater power supply and 

input signal conditioner

phoenixcontact-interface-technology-and-switching-devices-html.html
background image

P

O

W

ER

I

I

OU

T

2

I

OU

T

1

IN

P

O

W

ER

Z

o

n

e

 2

D

i

v. 2

Se

n

sor

 / F

iel

d

or

4.2

5.2

4.1

5.1

Z

o

n

e

 

0

,1,2

Z

o

n

e

 2

0

,21,22

D

i

v. 1,2

4.2

5.2

4.1

5.1

3.2

3.1

2.2

2.1

1.2

1.1

G

ND

OU

T

 1

OU

T

 2

+24V

G

ND +24V

Po

w

er

+

+

-

-

IN

OU

T

P

LC / DC

S

3.2

3.1

+

-

2.2

2.1

+

-

passive

passive

AI

For further information and full technical data, visit phoenixcontact.net/products

 

 

 Functional Safety

Ex: 

 EAC Ex 

 

Housing width 12.5 mm

Technical data

Input data

Input signal

4 mA ... 20 mA / 0 mA ... 20 mA

Transmitter supply voltage

> 16 V (20 mA)

Voltage drop

approx. 3.9 V (in input signal conditioner operation)

Output data

Output signal (Per output)

4 mA ... 20 mA (Output 1 and output 2 active)

Load

< 450 

 (20

 

mA)

Output ripple

< 20 mV

rms

General data

Supply voltage range

19.2 V DC ... 30 V DC (24 V DC -20%...+25%)

Current consumption

< 75 mA (24

 

V

 

DC / 20

 

mA)

Power dissipation

< 1.45 W (24 V DC/ 20 mA)

Temperature coefficient

< 0.01 %/K

Step response (10-90%)

1.3 ms (for jump 4

 

mA

 

...

 

20

 

mA, typical)

Transmission error, typical

< 0.05 % (of final value)

Maximum transmission error

< 0.1 % (of final value)

Under-/overload range

according to NE 43

Electrical isolation

Input/output/power supply

300 V

rms

 (Rated insulation voltage (overvoltage category II; degree 

of pollution 2, safe isolation as per EN 61010-1))

2.5 kV (50 Hz, 1 min., test voltage)

Input/output

375 V (Peak value in accordance with EN 60079-11)

Input/power supply

375 V (Peak value in accordance with EN 60079-11)

Output 1/output 2

1.5 kV AC (50 Hz, 1 min., test voltage)

Ambient temperature range

-20 °C ... 60 °C (Any mounting position)

Status indication

Green LED (PWR supply voltage)

SMART communication (Per output)

Yes

Protocols supported

HART

Housing material

PA 66-FR

Dimensions W/H/D

12.5 / 99 / 114.5 mm

Screw connection solid/stranded/AWG

0.2 ... 2.5 mm² / 0.2 ... 2.5 mm² / 24 - 14

Push-in connection solid/stranded/AWG

0.2 ... 1.5 mm² / 0.2 ... 1.5 mm² / 24 - 16

EMC note

Class A product, see page 605

Safety data as per ATEX

Maximum output voltage Uo

25.2 V

Maximum output current Io

93 mA

Maximum output power Po

587 mW

Maximum voltage U

m

253 V AC (125 V DC)

Conformance/Approvals

Conformance

CE-compliant, additionally EN 61326

ATEX

 II (1) G [Ex ia Ga] IIC/IIB

 II (1) D [Ex ia Da] IIIC

 II 3 (1) G Ex nA [ia Ga] IIC/IIB T4 Gc

IECEx

[Ex ia Ga] IIC/IIB , [Ex ia Da] IIIC , Ex nA [ia Ga] IIC/IIB T4 Gc

UL, USA/Canada

Class I Div 2; IS for Class I, II, III Div 1

SIL in accordance with IEC 61508

2

Ordering data

Description

Type

Order No.

Pcs./

Pkt.

Repeater power supply, smart,

 intrinsically safe input

Screw connection

MACX MCR-EX-SL-RPSSI-2I

2865366

1

Push-in connection

MACX MCR-EX-SL-RPSSI-2I-SP

2924236

1

With just one HART-transparent output

Screw connection

MACX MCR-EX-SL-RPSSI-2I-1S

2908855

1

Push-in connection

MACX MCR-EX-SL-RPSSI-2I-1S-SP

2908856

1

141

PHOENIX CONTACT

Repeater power supply and input signal 

conditioner for the operation of intrinsically 
safe (Ex i) 2-wire measuring transducers, 
4-wire measuring transducers, and mA 
current sources installed in Ex areas.

– 0/4 to 20 mA input, [Ex ia]

(powered or not powered)

– Two electrically isolated outputs, 0/4 to 

20 mA (active)

– Bidirectional transmission of digital HART 

communication signals (both outputs)

– Plug-in screw or Push-in connection 

technology, with integrated sockets for 
HART communicators

– 4-way electrical isolation
– Power supply via DIN rail connector 

possible

– Up to SIL 2 according to IEC 61508
– Installation in Zone 2 permitted

Notes:

Information about the supply and error evaluation module as well 

as about the DIN rail connectors and marking material can be 

found from page 174

Test plugs for test sockets can be found on page 176

Information on “Plug and play” connection using system cabling 

can be found from page 164

Analog IN
Repeater power supply, Ex i

MCR technology

Ex i signal conditioners with SIL functional safety – MACX Analog Ex

Repeater power supply and input signal conditioner,

with two electrically isolated outputs

phoenixcontact-interface-technology-and-switching-devices-html.html
background image

P

O

W

ER

OU

T

OU

T

IN

P

O

W

ER

IN

P

O

W

ER

I

I

I

I

P

L

C

 

/

 

DCS

AI

Se

n

sor

 

/

 Fi

e

l

d

Z

o

n

e

 

2

3

.

2

3

.1

2

.

2

2

.1

G

ND

1.

2

1.1

+

2

4V

G

ND

+

2

4V

Po

w

er

Z

o

n

e

 

0

,1,

2

Z

o

n

e

 

2

0

,

2

1,

22

pass

i

ve

3

.

2

3

.1

+

-

HHT

I

N

OUT

CH1

CH2

a

ct

i

ve

a

ct

i

ve

pass

i

ve

2

.1

2

.

2

-

+

HHT

5

.

2

5

.1

5

.

2

5

.1

+

-

CH2

HHT

4.

2

4.1

4.

2

4.1

+

-

CH1

HHT

D

i

v

. 1,

2

D

i

v

. 1

 

 

 Functional Safety

Ex: 

 EAC Ex 

 

Housing width 12.5 mm

Technical data

Input data

per channel

Input signal

4 mA ... 20 mA

Transmitter supply voltage

> 16 V (20 mA)

Underload/overload signal range

0 mA ... 24 mA

Output data

per channel

Output signal

4 mA ... 20 mA (active)

Load

 450 

 (20 mA)

Underload/overload signal range

0 mA ... 24 mA

General data

Supply voltage range

19.2 V DC ... 30 V DC (24 V DC -20%...+25%)

Current consumption

< 100 mA (24 V / 20 mA)

Power dissipation

< 1.4 W (at 24 V DC / 20 mA)

Temperature coefficient

< 0.01 %/K

Step response (10-90%)

< 1.3 ms (for 4 mA ... 20 mA step)

Transmission error, typical

< 0.05 % (of final value)

Maximum transmission error

< 0.1 % (of final value)

Electrical isolation

Input/output, power supply

300 V

rms

 (Rated insulation voltage (overvoltage category II; 

degree of pollution 2, safe isolation as per EN 61010-1))

2.5 kV (50 Hz, 1 min., test voltage)

Input/output

375 V (Peak value in accordance with EN 60079-11)

Input/power supply

375 V (Peak value in accordance with EN 60079-11)

Output 1/output 2/ power supply

1.5 kV (50 Hz, 1 min., test voltage)

Ambient temperature range

-20 °C ... 60 °C (Any mounting position)

Status indication

Green LED (supply voltage)

SMART communication

Yes

Signal bandwidth

as per HART specifications

Protocols supported

HART

Housing material

PA 66-FR

Dimensions W/H/D

12.5 / 99 / 114.5 mm

Screw connection solid/stranded/AWG

0.2 ... 2.5 mm² / 0.2 ... 2.5 mm² / 24 - 14

Push-in connection solid/stranded/AWG

0.2 ... 1.5 mm² / 0.2 ... 1.5 mm² / 24 - 16

EMC note

Class A product, see page 605

Safety data as per ATEX

Maximum output voltage Uo

25.2 V

Maximum output current Io

93 mA

Maximum output power Po

587 mW

Maximum voltage U

m

253 V AC (125 V DC)

Conformance/Approvals

Conformance

CE-compliant, additionally EN 61326

ATEX

 II (1) G [Ex ia Ga] IIC/IIB

 II (1) D [Ex ia Da] IIIC

 II 3(1) G Ex nA [ia Ga] IIC T4 Gc

IECEx

[Ex ia Ga] IIC/IIB , [Ex ia Da] IIIC , Ex nA [ia Ga] IIC T4 Gc

UL, USA/Canada

Class I Div 2; IS for Class I, II, III Div 1

SIL in accordance with IEC 61508

3

Ordering data

Description

Type

Order No.

Pcs./

Pkt.

Repeater power supply

, 2-channel, smart, intrinsically safe input

Screw connection

MACX MCR-EX-SL-RPSS-2I-2I

2865382

1

Push-in connection

MACX MCR-EX-SL-RPSS-2I-2I-SP

2924676

1

142

PHOENIX CONTACT

Repeater power supply for the operation 

of intrinsically safe (Ex i) 2-wire measuring 
transducers installed in the Ex area.

– 2-channel
– 4 to 20 mA input, [Ex ia] (powered)
– 4 to 20 mA output (active)
– Bidirectional transmission of digital HART 

communication signals

– Plug-in screw or Push-in connection 

technology, with integrated sockets for 
HART communicators

– Safe 3-way electrical isolation
– Power supply via DIN rail connector 

possible

– Up to SIL 3 according to IEC 61508
– Installation in Zone 2 permitted

Notes:

Information on the supply and error evaluation module, DIN rail 

connectors, system cabling, and marking material can be found 

from page 174

Test plugs for test sockets can be found on page 176

Information on “Plug and play” connection using system cabling 

can be found from page 164

Analog IN
Repeater power supply, Ex i

MCR technology

Ex i signal conditioners with SIL functional safety – MACX Analog Ex

2-channel repeater power supply

phoenixcontact-interface-technology-and-switching-devices-html.html
background image

P

O

WE

R

I

I

OU

T

I

N

P

O

WE

R

Z

o

n

e

 

2

D

i

v

2

I

N

OUT

2

4...

23

0

 V

A

C/DC

4.

3

4.

2

3

.

3

3

.

2

25

0

Ω

4.1

3

.1

1.

2

1.1

25

0

Ω

S2

S

1

~

P

L

C

 

/

 

DCS

pass

i

ve

3

.

2

3

.1

+

-

a

ct

i

ve

3

.

3

3

.

2

+

-

AI

Se

n

sor

 

/

 Fi

e

l

d

or

+

- 4.

2

4.1

Z

o

n

e

 

0

,1,

2

Z

o

n

e

 

2

0

,

2

1,

22

D

i

v

. 1,

2

4.

3

4.

2

+

-

For further information and full technical data, visit phoenixcontact.net/products

 

 

 Functional Safety

Ex: 

 EAC Ex 

 

 // Applied for: GL

Housing width 17.5 mm

Technical data

Input data

Input signal

4 mA ... 20 mA

Transmitter supply voltage

> 16 V (20 mA)

Voltage drop

< 3.5 V (in input signal conditioner operation)

Output data

Output signal (configurable using the DIP switch)

4 mA ... 20 mA (active)

4 mA ... 20 mA (14 ... 26 V ext. source voltage)

1 V ... 5 V (internal resistance, 250 

, 0.1%)

Configurable via DIP switches

Load

< 600 

 (20 mA)

Output ripple

< 20 mV

rms

General data

Supply voltage range

24 V ... 230 V AC/DC (-20 %/+10 %, 50/60 Hz)

Current consumption

< 80 mA (24

 

V

 

DC / 20

 

mA)

Power dissipation

< 1.6 W (24 V DC/ 20 mA)

Temperature coefficient

< 0.01 %/K

Step response (10-90%)

< 600 µs (for 4 mA ... 20 mA step)

Transmission error, typical

< 0.05 % (of final value)

Maximum transmission error

< 0.1 % (of final value)

Under-/overload range

according to NE 43

Electrical isolation

Input/output/power supply

300 V

rms

 (Rated insulation voltage (overvoltage category II; 

degree of pollution 2, safe isolation as per EN 61010-1))

2.5 kV (50 Hz, 1 min., test voltage)

Input/output

375 V (Peak value in accordance with EN 60079-11)

Input/power supply

375 V (Peak value in accordance with EN 60079-11)

Ambient temperature range

-20 °C ... 60 °C (Any mounting position)

Humidity

10 % ... 95 % (non-condensing)

Status indication

Green LED (supply voltage)

SMART communication

Yes

Signal bandwidth

as per HART specifications

Protocols supported

HART

Inflammability class in acc. with UL 94

V0

Housing material

PA 66-FR

Dimensions W/H/D

17.5 / 99 / 114.5 mm

Screw connection solid/stranded/AWG

0.2 ... 2.5 mm² / 0.2 ... 2.5 mm² / 24 - 14

Push-in connection solid/stranded/AWG

0.2 ... 1.5 mm² / 0.2 ... 1.5 mm² / 24 - 16

EMC note

Class A product, see page 605

Safety data as per ATEX

Maximum output voltage Uo

25.2 V

Maximum output current Io

93 mA

Maximum output power Po

587 mW

Maximum voltage U

m

253 V AC/DC (Supply terminals)

253 V AC (Output terminals)

125 V DC (Output terminals)

Conformance/Approvals

Conformance

CE-compliant, additionally EN 61326

ATEX

 II (1) G [Ex ia Ga] IIC/IIB

 II (1) D [Ex ia Da] IIIC

 II 3(1) G Ex nA [ia Ga] IIC/IIB T4 Gc

IECEx

[Ex ia Ga] IIC/IIB , [Ex ia Da] IIIC , Ex nA [ia Ga] IIC/IIB T4 Gc

UL, USA/Canada

Class I Div 2; IS for Class I, II, III Div 1

SIL in accordance with IEC 61508

2

Ordering data

Description

Type

Order No.

Pcs./

Pkt.

Repeater power supply, smart,

 intrinsically safe input

Screw connection

MACX MCR-EX-SL-RPSSI-I-UP

2865793

1

Push-in connection

MACX MCR-EX-SL-RPSSI-I-UP-SP

2924029

1

143

PHOENIX CONTACT

Repeater power supply and input signal 

conditioner for the operation of intrinsically 
safe (Ex i) 2-wire measuring transducers, 
4-wire measuring transducers, and mA 
current sources installed in Ex areas.

– 0/4 to 20 mA input, [Ex ia]

(powered or not powered)

– 0/4 to 20 mA output (active or passive), 

0/1 to 5 V, can be selected via DIP switch

– Bidirectional transmission of digital HART 

communication signals

– Plug-in screw or Push-in connection 

technology, with integrated sockets for 
HART communicators

– 250 Ω resistor that can be activated via 

DIP switches to increase the HART 
impedance in the case of low-impedance 
systems

– 3-way electrical isolation
– Wide-range power supply of 

19.2 to 253 V AC/DC

– Up to SIL 2 according to IEC 61508
– Installation in Zone 2 permitted

Notes:

Information on marking material can be found on page 177

Test plugs for test sockets can be found on page 176

Analog IN
Repeater power supply with wide 
range power supply, Ex i

MCR technology

Ex i signal conditioners with SIL functional safety – MACX Analog Ex

Repeater power supply and input signal conditioner,

wide-range power supply

phoenixcontact-interface-technology-and-switching-devices-html.html
background image

P

O

W

ER

I

I

OU

T

IN

PL

C /

D

C

S

Sensor

/

Field

4

.

2

4

.

1

4

.

2

4

.

1

+

-

+

-

P

4

.

2

4

.

1

+

-

Zone

2

Div.

2

I

N

OU

T

4

.

2

4

.

1

3

.

2

3

.

1

1

.

2

1

.

1

G

N

D

+

24

V

G

N

D +

24

V

Power

+

-

-

+

3

.

2

3

.

1

Zone 0,

1

,

2

Zone

2

0,

21

,

22

Div.

1

,

2

A

O

 

 DNV GL Functional Safety

Ex: 

 EAC Ex 

 

Housing width 12.5 mm

Technical data

Input data

Input signal

0 mA ... 20 mA / 4 mA ... 20 mA

Input voltage

5.4 V (at 20 mA)

Input impedance in the event of a cable break at the output

> 100 k

 (If there is a line fault)

Output data

Output signal

0 mA ... 20 mA (intrinsically safe) / 

4 mA ... 20 mA (intrinsically safe)

Load

< 800 

 (at 20 mA)

Output ripple

< 20 mV

rms

General data

Supply voltage range

19.2 V DC ... 30 V DC (24 V DC -20%...+25%)

Current consumption

< 46 mA (at 24 V DC / 20 mA)

Power dissipation

< 1.1 W (at 24 V DC / 20 mA)

Temperature coefficient

< 0.01 %/K

Step response (10-90%)

< 140 µs (for 4 mA ... 20 mA step)

Maximum transmission error

< 0.1 % (of final value)

Electrical isolation

Input/output/power supply

1.5 kV (50 Hz, 1 min., test voltage)

300 V

rms

 (Rated insulation voltage (overvoltage category II, 

degree of pollution 2))

Output/input

375 V (Peak value in accordance with EN 60079-11)

Output/supply

375 V (Peak value in accordance with EN 60079-11)

Ambient temperature range

-20 °C ... 60 °C (Any mounting position)

Humidity

10 % ... 95 % (non-condensing)

Status indication

Green LED (supply voltage)

SMART communication

Yes

Signal bandwidth

as per HART specifications

Protocols supported

HART

Inflammability class in acc. with UL 94

V0

Housing material

PA 66-FR

Dimensions W/H/D

12.5 / 99 / 114.5 mm

Screw connection solid/stranded/AWG

0.2 ... 2.5 mm² / 0.2 ... 2.5 mm² / 24 - 14

Push-in connection solid/stranded/AWG

0.2 ... 1.5 mm² / 0.2 ... 1.5 mm² / 24 - 16

EMC note

Class A product, see page 605

Safety data as per ATEX

Maximum output voltage Uo

27.7 V

Maximum output current Io

92 mA

Maximum output power Po

633 mW

Maximum voltage U

m

253 V AC (125 V DC)

Conformance/Approvals

Conformance

CE-compliant, additionally EN 61326

ATEX

 II (1) G [Ex ia Ga] IIC/IIB

 II (1) D [Ex ia Da] IIIC

 II 3(1) G Ex nA [ia Ga] IIC/IIB T4 Gc

IECEx

[Ex ia Ga] IIC/IIB , [Ex ia Da] IIIC , Ex nA [ia Ga] IIC/IIB T4 Gc

UL, USA/Canada

Class I Div 2; IS for Class I, II, III Div 1

SIL in accordance with IEC 61508

2

Ordering data

Description

Type

Order No.

Pcs./

Pkt.

Output signal conditioner, smart,

 output intrinsically safe

Screw connection

MACX MCR-EX-SL-IDSI-I

2865405

1

Push-in connection

MACX MCR-EX-SL-IDSI-I-SP

2924032

1

144

PHOENIX CONTACT

Output signal conditioner for controlling 

intrinsically safe (Ex i) I/P converters, 
control valves, and indicators installed in 
Ex areas.

– 0/4 to 20 mA input
– 0/4 to 20 mA output, [Ex ia] IIC
– Bidirectional transmission of digital HART 

communication signals

– Plug-in screw or Push-in connection 

technology, with integrated sockets for 
HART communicators

– Line fault detection (LF)
– 3-way electrical isolation
– Power supply via DIN rail connector 

possible

– Up to SIL 2 according to IEC 61508
– Installation in Zone 2 permitted

Notes:

Information about the supply and error evaluation module as well 

as about the DIN rail connectors and marking material can be 

found from page 174

Test plugs for test sockets can be found on page 176

Information on “Plug and play” connection using system cabling 

can be found from page 164

Analog OUT
Output signal conditioner, Ex i

MCR technology

Ex i signal conditioners with SIL functional safety – MACX Analog Ex

phoenixcontact-interface-technology-and-switching-devices-html.html
background image

OU

T

I

N

P

O

WE

R

I

Z

o

n

e

0

,1,2

Z

o

n

e

2

0

,21,22

D

i

v. 1,2

IN

Z

o

n

e

2

D

i

v. 2

OU

T

P

LC / DC

S

passive

-

+

3.2

3.1

G

ND

+24V

G

ND +24V

μC

μC

Po

w

er

4.2

5.2

4.1

5.1

3.2

3.1

1.2

1.1

Se

n

sor

/ F

iel

d

4.2

4.1

5.2

5.1

ϑ

ϑ

ϑ

AI

For further information and full technical data, visit phoenixcontact.net/products

 

 DNV GL

Ex: 

 EAC Ex 

 

Housing width 12.5 mm

Technical data

Input data

Resistance thermometers

Sensors (2-, 3-, 4-wire)

Resistor

 ... 2000 

Cable resistance

 50 

 per cable

Sensor input current

200 

μ

A ... 1 mA

Measuring range span

min. 50 K

Output data

Output signal

0 mA ... 20 mA / 4 mA ... 20 mA

Load

 500 

Behavior in the event of a sensor error

As per NE 43 or can be freely defined

Output ripple

< 50 µA

PP

General data

Supply voltage range

19.2 V DC ... 30 V DC (24 V DC -20%...+25%)

Current draw

 40 mA (at 24 V DC)

Power dissipation

< 1 W

Temperature coefficient

0.01 %/K

Step response (0–99%)

typ. 700 ms

 1100 ms

Transmission error, total

0.1

 

%

 

x

 

1000

 

[K]/measuring span

ZERO / SPAN adjustment

± 5 % / ± 5 %

Electrical isolation

Input/output/power supply

300 V

rms

 (Rated insulation voltage (overvoltage category II; 

degree of pollution 2, safe isolation as per EN 61010-1))

2.5 kV (50 Hz, 1 min., test voltage)

Input/output

375 V (Peak value in accordance with EN 60079-11)

Input/power supply

375 V (Peak value in accordance with EN 60079-11)

Ambient temperature range

-20 °C ... 60 °C (Any mounting position)

Humidity

5 % ... 95 % (non-condensing)

Status indication

Green LED (supply voltage, PWR)

Red LED, flashing (line, sensor error, ERR)

Red LED (module error, ERR)

Inflammability class in acc. with UL 94

V0

Dimensions W/H/D

12.5 / 99 / 114.5 mm

Screw connection solid/stranded/AWG

0.2 ... 2.5 mm² / 0.2 ... 2.5 mm² / 24 - 14

Push-in connection solid/stranded/AWG

0.2 ... 1.5 mm² / 0.2 ... 1.5 mm² / 24 - 16

EMC note

Class A product, see page 605

Safety data as per ATEX

Maximum output voltage Uo

6 V

Maximum output current Io

6.3 mA

Maximum output power Po

9.4 mW

Conformance/Approvals

Conformance

CE-compliant, additionally EN 61326

ATEX

 II (1) G [Ex ia Ga] IIC/IIB

 II (1) D [Ex ia Da] IIIC

 II 3(1) G Ex nA ic [ia Ga] IIC T4 Gc X

IECEx

[Ex ia Ga] IIC , [Ex ia Da] IIIC , Ex nA ic [ia Ga] IIC T4 Gc

UL, USA/Canada

Class I Div 2; IS for Class I, II, III Div 1

Ordering data

Description

Type

Order No.

Pcs./

Pkt.

Temperature transducer for resistance thermometers,

 

intrinsically safe input

Order configuration

Screw connection

MACX MCR-EX-SL-RTD-I

2865939

1

Order configuration

Push-in connection

MACX MCR-EX-SL-RTD-I-SP

2924142

1

Standard configuration

Screw connection

MACX MCR-EX-SL-RTD-I-NC

2865573

1

Standard configuration

Push-in connection

MACX MCR-EX-SL-RTD-I-SP-NC

2924168

1

Accessories

Programming adapter

 for configuring modules with 

S-PORT interface

IFS-USB-PROG-ADAPTER

2811271

1

145

PHOENIX CONTACT

Programmable temperature transducer 

for intrinsically safe operation of resistance 
thermometers and resistance-type sensors 
installed in Ex areas. The measured values 
are converted into a linear 0 to 20 mA or 
4 to 20 mA signal.

– Input for resistance thermometers and 

resistance-type sensors, [Ex ia]

– 0 to 20 mA or 4 to 20 mA output
– Configuration via software (FDT/DTM): 

Sensor type, connection method, 
measuring range, measuring unit, filter, 
alarm signal, and output range

– Programming during operation with Ex 

measuring circuit connected and also 
voltage-free using IFS-USB-PROG-
ADAPTER programming adapter

– Status indicator for supply voltage, cable, 

sensor, and module errors

– 3-way electrical isolation
– Power supply via DIN rail connector 

possible

– Installation in Zone 2 permitted

Notes:

To order a product with an order configuration, please enter the 

desired configuration by referring to the order key provided online 

(phoenixcontact.net/products).

The configuration software can be downloaded from the Internet 

(phoenixcontact.net/products).

Information about the supply and error evaluation module as well 

as about the DIN rail connectors and marking material can be 

found from page 174

For information on the programming adapter, refer to page 172

Information on “Plug and play” connection using system cabling 

can be found from page 164

Temperature
Temperature transducer, Ex i

MCR technology

Ex i signal conditioners with SIL functional safety – MACX Analog Ex

For resistance thermometers and 

resistance-type sensors

phoenixcontact-interface-technology-and-switching-devices-html.html
background image

OU

T

I

N

P

O

WE

R

I

Zone 0,

1

,

2

Zone

2

0,

21

,

22

Div.

1

,

2

I

N

PL

C /

D

C

S

pass

iv

e

-

+

3

.

2

3

.

1

Zone

2

Div.

2

OU

T

G

N

D

+

24

V

G

N

D +

24

V

µC

µC

Power

4

.

2

4

.

1

3

.

2

3

.

1

1

.

2

1

.

1

+

-

Sensor

/

Field

4

.

2

4

.

1

AI

 

 DNV GL

Ex: 

 EAC Ex 

 

Housing width 12.5 mm

Technical data

Input data

Thermocouple sensors

E, J, K, N as per IEC / EN 60584, L as per DIN 43760

Voltage

-20 mV ... 70 mV

Measuring range span

Min. 50 K for thermocouples, 3 mV for mV sources

Output data

Output signal

0 mA ... 20 mA / 4 mA ... 20 mA

Load

 500 

Behavior in the event of a sensor error

As per NE 43 or can be freely defined

Output ripple

< 50 µA

PP

General data

Supply voltage range

19.2 V DC ... 30 V DC (24 V DC -20%...+25%)

Current consumption

< 40 mA (24 V DC)

Power dissipation

< 1 W

Temperature coefficient

0.01 %/K

Step response (0–99%)

typ. 700 ms

 1100 ms

Transmission error, total

0.1

 

%

 

x

 

600

 

[K]/measuring span; 0.1

 

% > 600

 

[K]

Cold junction errors

± 1 K

ZERO / SPAN adjustment

± 5 % / ± 5 %

Electrical isolation

Input/output/power supply

300 V

rms

 (Rated insulation voltage (overvoltage category II; 

degree of pollution 2, safe isolation as per EN 61010-1))

2.5 kV (50 Hz, 1 min., test voltage)

Input/output

375 V (Peak value in accordance with EN 60079-11)

Input/power supply

375 V (Peak value in accordance with EN 60079-11)

Ambient temperature range

-20 °C ... 60 °C (Any mounting position)

Humidity

5 % ... 95 % (non-condensing)

Status indication

Green LED (supply voltage, PWR)

Red LED, flashing (line, sensor error, ERR)

Red LED (module error, ERR)

Inflammability class in acc. with UL 94

V0

Housing material

PA 66-FR

Dimensions W/H/D

12.5 / 99 / 114.5 mm

Screw connection solid/stranded/AWG

0.2 ... 2.5 mm² / 0.2 ... 2.5 mm² / 24 - 14

EMC note

Class A product, see page 605

Safety data as per ATEX

Maximum output voltage Uo

6 V

Maximum output current Io

4.7 mA

Maximum output power Po

7 mW

Maximum voltage U

m

253 V AC (125 V DC)

Conformance/Approvals

Conformance

CE-compliant, additionally EN 61326

ATEX

 II (1) G [Ex ia Ga] IIC/IIB

 II (1) D [Ex ia Da] IIIC

 II 3(1) G Ex nA ic [ia Ga] IIC T4 Gc X

IECEx

[Ex ia Ga] IIC/IIB , [Ex ia Da] IIIC , Ex nA ic [ia Ga] IIC T4 Gc

UL, USA/Canada

Class I Div 2; IS for Class I, II, III Div 1

Ordering data

Description

Type

Order No.

Pcs./

Pkt.

Temperature transducer for thermocouples,

 intrinsically safe 

input

Order configuration

Screw connection

MACX MCR-EX-SL-TC-I

2865942

1

Standard configuration

Screw connection

MACX MCR-EX-SL-TC-I-NC

2865586

1

Accessories

Programming adapter

 for configuring modules with 

S-PORT interface

IFS-USB-PROG-ADAPTER

2811271

1

146

PHOENIX CONTACT

Programmable temperature transducer 

for intrinsically safe operation of 
thermocouples and mV sources installed in 
Ex areas. The measured values are 
converted into a linear 0 to 20 mA or 4 to 
20 mA signal.

– Input for thermocouples and mV sources, 

[Ex ia]

– 0 to 20 mA or 4 to 20 mA output
– Configuration via software (FDT/DTM): 

Sensor type, connection method, 
measuring range, measuring unit, filter, 
alarm signal, and output range

– Programming during operation with Ex 

measuring circuit connected and also 
voltage-free using IFS-USB-PROG-
ADAPTER programming adapter

– Status indicator for supply voltage, cable, 

sensor, and module errors

– 3-way electrical isolation
– Power supply via DIN rail connector 

possible

– Installation in Zone 2 permitted

Notes:

To order a product with an order configuration, please enter the 

desired configuration by referring to the order key provided online 

(phoenixcontact.net/products).

The configuration software can be downloaded from the Internet 

(phoenixcontact.net/products).

Information about the supply and error evaluation module as well 

as about the DIN rail connectors and marking material can be 

found from page 174

For information on the programming adapter, refer to page 172

Information on “Plug and play” connection using system cabling 

can be found from page 164

Temperature
Temperature transducer, Ex i

MCR technology

Ex i signal conditioners with SIL functional safety – MACX Analog Ex

For thermocouples and mV sources

phoenixcontact-interface-technology-and-switching-devices-html.html
background image

For further information and full technical data, visit phoenixcontact.net/products

147

PHOENIX CONTACT

MCR technology

Ex i signal conditioners with SIL functional safety – MACX Analog Ex

phoenixcontact-interface-technology-and-switching-devices-html.html
background image

OU

T

IN

P

O

W

ER

U,I

Zone 0,

1

,

2

Zone

2

0,

21

,

22

PL

C /

D

C

S

pass

iv

e

-

+

3

.

3

3

.

2

-

+

3

.

3

3

.

1

DI

11

12

14

2

.

3

2

.

1

2

.

2

Zone

2

I

N

OU

T

Power

24

V ...

23

0V A

C/

D

C

3

.

3

3

.

1

1

.

2

3

.

2

1

.

1

2

.

3

2

.

1

2

.

2

1

.

3

4

.

3

4

.

1

4

.

2

5

.

3

5

.

1

5

.

2

μ

C

S

-

POR

T

G

N

D

I

U

OU

T

OU

T

N

C

Sensor

/

Field

4

.

3

4

.

1

4

.

2

T

C

-

+

ϑ

R

TD

ϑ

4

.

3

4

.

1

4

.

2

5

.

3

5

.

1

5

.

2

ϑ

Poti

 

 

 Functional Safety

Ex: 

 EAC Ex 

 

Housing width 17.5 mm

Technical data

Input data

Resistance thermometers

Pt, Ni, Cu sensors: 2, 3, 4-wire

Thermocouple sensors

B, E, J, K, N, R, S, T, L, U, CA, DA, A1G, A2G, A3G, MG, LG

Resistor

 ... 50 k

Potentiometer

 ... 50 k

Voltage

-1000 mV ... 1000 mV

Output data

U output

I output

Output signal

4 mA ... 20 mA (in the case of SIL; further free configuration without SIL)

Maximum output signal

± 11 V

22 mA

Load R

B

 10 k

 600 

 (20 mA)

Behavior in the event of a sensor error

according to NE 43 or freely configurable

Switching output

Switching output

Contact type

1 PDT

Contact material

AgSnO

2

, hard gold-plated

Max. switching voltage

30 V AC (30 V DC)

Maximum switching current

0.5 A (30 V AC) / 1 A (30 V DC)

General data

Supply voltage range

24 V ... 230 V AC/DC (-20 %/+10 %, 50/60 Hz)

Power consumption

< 1.5 W

Temperature coefficient

0.01 %/K

Transmission error, total

< 0.1 % (e.g., for Pt 100, 300 K span, 4 ... 20 mA)

Electrical isolation

Input/output/power supply

2.5 kV (50 Hz, 1 min., test voltage)

Input/output

375 V (Peak value in accordance with EN 60079-11)

Input/power supply

375 V (Peak value in accordance with EN 60079-11)

Input/switching output

375 V (Peak value in accordance with EN 60079-11)

Output/supply

300 V

rms

 (Rated insulation voltage (overvoltage category II; 

degree of pollution 2, safe isolation as per EN 61010-1))

Ambient temperature range

-20 °C ... 65 °C

Humidity

typ. 5 % ... 95 % (non-condensing)

Inflammability class in acc. with UL 94

V0

Housing material

PA 66-FR

Dimensions W/H/D

17.5 / 99 / 114.5 mm

Screw connection solid/stranded/AWG

0.2 ... 2.5 mm² / 0.2 ... 2.5 mm² / 24 - 14

Push-in connection solid/stranded/AWG

0.2 ... 1.5 mm² / 0.2 ... 1.5 mm² / 24 - 16

EMC note

Class A product, see page 605

Safety data as per ATEX

Maximum output voltage Uo

6 V

Maximum output current Io

7.4 mA

Maximum output power Po

11 mW

Conformance/Approvals

Conformance

CE-compliant

ATEX

 II (1) G [Ex ia Ga] IIC

 II (1) D [Ex ia Da] IIIC

 II 3 G Ex nA nC ic IIC T4 Gc X

IECEx

[Ex ia Ga] IIC , [Ex ia Da] IIIC , Ex nA nC ic IIC T4 Gc X

SIL in accordance with IEC 61508

2

Ordering data

Description

Type

Order No.

Pcs./

Pkt.

Temperature transducer,

 intrinsically safe input

Standard configuration

Screw connection

MACX MCR-EX-T-UI-UP

2865654

1

Standard configuration

Push-in connection

MACX MCR-EX-T-UI-UP-SP

2924689

1

Order configuration

Screw connection

MACX MCR-EX-T-UI-UP-C

2811763

1

Order configuration

Push-in connection

MACX MCR-EX-T-UI-UP-SP-C

2924692

1

Accessories

Programming adapter

 for configuring modules with 

S-PORT interface

IFS-USB-PROG-ADAPTER

2811271

1

148

PHOENIX CONTACT

Universal temperature transducer with 

freely configurable properties for 
intrinsically safe operation of resistance 
thermometers, thermocouples, resistance-
type sensors, and potentiometers installed 
in Ex areas

– Input for resistance thermometers, 

thermocouples, resistance-type sensors, 
potentiometers, and mV sources, [Ex ia]

– Measure differential temperatures
– Freely programmable input and output
– Option of inverse output signal ranges
– Relay  switching  output
– Configuration via software (FDT/DTM) or 

IFS-OP-UNIT operator interface and 
display unit

– Programming during operation with Ex 

measuring circuit connected and also 
voltage-free using IFS-USB-PROG-
ADAPTER programming adapter

– Plug-in screw or Push-in connection 

technology

– Cold junction compensation with 

separate connector

– Wide-range power supply of 

19.2 to 253 V AC/DC

– Status indicator for supply voltage, cable, 

sensor, and module errors

– Up to SIL 2 according to IEC 61508
– Installation in Zone 2 permitted

Notes:

To order a product with an order configuration, enter the required 

configuration by referring to the adjacent order key.

The configuration software can be downloaded from the Internet 

(phoenixcontact.net/products).

Information on the IFS-OP-UNIT operating and display unit and the 

associated IFS-OP-CRADLE DIN rail cradle can be found on 

page 171

For information on the programming adapter, refer to page 105

Temperature
Temperature transducer, Ex i

MCR technology

Ex i signal conditioners with SIL functional safety – MACX Analog Ex

Universal, with switching output, 

wide-range power supply

phoenixcontact-interface-technology-and-switching-devices-html.html
background image

For further information and full technical data, visit phoenixcontact.net/products

149

PHOENIX CONTACT

Order key for MACX MCR-EX-T-UI-UP(-SP)-C temperature transducers 

(standard configuration entered as an example)

Order No.

Safety Integrity 

Level (SIL)

Sensor type

Connection 

technology

Cold junction 

compensation

Measuring range:

Measuring 

unit

Output range

Factory calibration 

certificate = FCC

Start

End

2811763

/

ON

/

PT100

/

4

/

0

/

-50

/

150

/

C

/

OUT02

/

NONE

2811763

 

=

 

MACX MCR-EX-

T-UI-UP-C

ON

=

Active

See below

2

=

2-conductor

0

=

Off, e.g., with 

RTD, R, 

potentiometer, 

mV

See be-

low

See be-

low

C

=

°C

OUT15

=

0 ... 5 mA

NONE

=

Without FCC

F

=

°F

OUT16

=

0 ... 10 mA

NONE

=

Not active

O

=

OUT01

=

0 ... 20 mA

3

=

3-conductor

P

=

%

OUT15

=

0 ... 5 mA

YES

=

With FCC (a fee is 

charged)

2924692

 

=

 

MACX MCR-EX-

T-UI-UP-SP-C

V

=

mV

OUT25

=

1 ... 5 mA

ON only with output 

range = OUT02

1

=

On, e.g., with 

TC

OUT26

=

2 ... 10 mA

4

=

4-conductor

OUT02

=

4 ... 20 mA

OUT05

=

0 ... 5 V

YESPLUS

=

FCC with 

5 measuring 

points (a fee is 

charged)

OUT03

=

0 ... 10 V

OUT06

=

1 ... 5 V

OUT04

=

2 ... 10 V

OUT13

=

-5 ... +5 V

OUT14

=

-10 ... +10 V

Others can be freely 

configured in the 

software

Smallest measuring 

range span

Other setting options can be configured 

with the IFS-CONF software:

- Freely configurable user characteristic curve 

with 30 interpolation points

- Output behavior in the event of a short circuit, 

sensor break or overrange/underrange can be 

freely configured or set according to NE43 

(standard configuration: NE43 upscale)

- Filter setting (standard configuration: 1) 

- Restart after failsafe (standard configuration: 

ON)

- Switching behavior: switching output 

(limit values, times, etc.) 

(standard configuration: OFF)

Resistance thermometers (RTD)

Others can be selected or freely 

configured in the software.

PT100

=

Pt 100 according to IEC 751

-200

850

°C

20 K

PT200

=

Pt 200 according to IEC 751

-200

850

°C

20 K

PT500

=

Pt 500 according to IEC 751

-200

850

°C

20 K

PT1000

=

Pt 1000 according to IEC 751

-200

850

°C

20 K

PT100S

=

Pt 100 according to Sama RC21-4-1966

-200

850

°C

20 K

PT1000S

=

Pt 1000 according to Sama RC21-4-1966

-200

850

°C

20 K

PT100G

=

Pt 100 according to GOST 6651-2009 (

 = 0.00385)

-200

850

°C

20 K

PT1000G

=

Pt 1000 according to GOST 6651-2009 (

 = 0.00385)

-200

850

°C

20 K

PT100J

=

Pt 100 according to JIS C1604/1997

-200

850

°C

20 K

PT1000J

=

Pt 1000 according to JIS C1604/1997

-200

850

°C

20 K

NI100

=

Ni 100 according to DIN 43760/DIN IEC 60751

-60

250

°C

20 K

NI1000

=

Ni 1000 according to DIN 43760/DIN IEC 60751

-60

250

°C

20 K

NI100S

=

Ni 100 according to Sama RC21-4-1966

-60

180

°C

20 K

NI1000S

=

Ni 1000 according to Sama RC21-4-1966

-60

180

°C

20 K

NI1000L

=

Ni 1000 (Landis & Gyr)

-50

160

°C

20 K

CU10

=

Cu 10 according to Sama RC21-4-1966

-70

500

°C

100 K

CU50

=

Cu 50 according to GOST 6651-2009 (

 = 0.00428)

-50

200

°C

100 K

CU100

=

Cu 100 according to GOST 6651-20091 (

 = 0.00428)

-50

200

°C

100 K

CU53

=

Cu 53 according to GOST 6651-2009 (

 = 0.00426)

-50

180

°C

100 K

KTY81

=

KTY81-110 (Philips)

-55

150

°C

20 K

KTY84

=

KTY84-130 (Philips)

-40

300

°C

20 K

Thermocouples (TC)

Others can be selected in the software.

=

according to IEC 584-1 (Pt30Rh-Pt6Rh)

500

1820

°C

50 K

E

=

according to IEC 584-1 (NiCr-CuNi)

-230

1000

°C

50 K

=

according to IEC 584-1 (Fe-CuNi)

-210

1200

°C

50 K

K

=

according to IEC 584-1 (NiCr-Ni)

-250

1372

°C

50 K

N

=

according to IEC 584-1 (NiCrSi-NiSi)

-250

1300

°C

50 K

R

=

according to IEC 584-1 (Pt13Rh-Pt)

-50

1768

°C

50 K

S

=

according to IEC 584-1 (Pt10Rh-Pt)

-50

1768

°C

50 K

T

=

according to IEC 584-1 (Cu-CuNi)

-200

400

°C

50 K

L

=

according to DIN 43760 (Fe-CuNi)

-200

900

°C

50 K

U

=

according to DIN 43760 (Cu-CuNi)

-200

600

°C

50 K

CA

=

C ASTM JE988 (2002)

0

2315

°C

50 K

DA

=

D ASTM JE988 (2002)

0

2315

°C

50 K

A1G

=

A-1 GOST 8.585-2001

0

2500

°C

50 K

A2G

=

A-2 GOST 8.585-2001

0

1800

°C

50 K

A3G

=

A-3 GOST 8.585-2001

0

1800

°C

50 K

MG

=

M GOST 8.585-2001

-200

100

°C

50 K

LG

=

L GOST 8.585-2001

-200

800

°C

50 K

Remote resistance-type sensors (R)

(2-, 3-, 4-conductor)

Others can be selected in the software.

RES03 

=

Resistance 0 ... 150 

0

150

10% of the selected 

measuring range

RES05 

=

Resistance 0 ... 600 

0

600

RES06

=

Resistance 0 ... 1200 

0

1200

RES09

=

Resistance 0 ... 6250 

0

6250

RES10

=

Resistance 0 ... 12,500 

0

12,500

RES12

=

Resistance 0 ... 50,000 

0

50,000

Potentiometers

(3-conductor)

Others can be selected in the software.

POT03

=

Potentiometer 0 ... 150 

0

100

%

10% of the selected 

measuring range

POT05

=

Potentiometer 0 ... 600 

0

100

%

POT06

=

Potentiometer 0 ... 1200 

0

100

%

POT09

=

Potentiometer 0 ... 6250 

0

100

%

POT10

=

Potentiometer 0 ... 12,500 

0

100

%

POT12

=

Potentiometer 0 ... 50,000 

0

100

%

Voltage signals (mV)

Others can be selected in the software.

V04

=

Voltage (mV)

-1000

+1000

mV

10% of nominal 

span

9

T [°F]  = –  T [°C] + 32

5

Temperature conversion guide for °C to °F: 

MCR technology

Ex i signal conditioners with SIL functional safety – MACX Analog Ex

phoenixcontact-interface-technology-and-switching-devices-html.html
background image

OU

T

IN

P

O

W

ER

U,I

3x

Z

o

n

e

0

,1,2

Z

o

n

e

2

0

,21,22

3x

Z

o

n

e

2

IN

OU

T

Po

w

er

24V ...23

0

V AC/DC

3.3

3.1

1.2

3.2

1.1

1.3

4.3

4.1

4.2

5.3

5.1

5.2

G

ND

I

U

OUT

OUT

N

C

P

LC / DC

S

passive

-

+

3.3

3.2

-

+

3.3

3.1

11

21

31

12

22

32

14

24

34

3.6

3.4

3.5

2.6

2.4

2.5

1.6

1.4

1.5

DI

DI

DI

Se

n

sor

/ F

iel

d

4.3

4.1

4.2

ϑ

R

T

D

4.3

4.1

4.2

5.3

5.1

5.2

ϑ

Poti

T

C

-

+

ϑ

 

 Functional Safety

Ex: 

 EAC Ex 

 

Housing width 35 mm

Technical data

Input data

Resistance thermometers

Pt, Ni, Cu sensors: 2, 3, 4-wire

Thermocouple sensors

B, E, J, K, N, R, S, T, L, U, CA, DA, A1G, A2G, A3G, MG, LG

Resistor

 ... 50 k

Potentiometer

 ... 50 k

Voltage

-1000 mV ... 1000 mV

Output data

U output

I output

Output signal

0 mA ... 20 mA ±10 V (in the case of SIL; further free configuration 

without SIL)

Maximum output signal

± 11 V

22 mA

Load R

B

 10 k

 600 

 (20 mA)

Behavior in the event of a sensor error

according to NE 43 or freely configurable

Switching output

Relay output

Contact type

3 PDTs

Contact material

AgSnO

2

, hard gold-plated

Max. switching voltage

250 V AC (250 V DC)

Maximum switching current

2 A (250 V AC) / 2 A (28 V DC)

General data

Supply voltage range

24 V ... 230 V AC/DC (-20 %/+10 %, 50/60 Hz)

Power consumption

< 2.4 W

Temperature coefficient

0.01 %/K

Maximum transmission error

0.1 % (e.g. for Pt 100, 300 K span, 4 ... 20 mA)

Electrical isolation

Input/output/power supply

2.5 kV (50 Hz, 1 min., test voltage)

Input/output

375 V (Peak value in accordance with EN 60079-11)

Input/power supply

375 V (Peak value in accordance with EN 60079-11)

Input/switching output

375 V (Peak value in accordance with EN 60079-11)

Output/supply

300 V

rms

 (Rated insulation voltage (overvoltage category II; 

degree of pollution 2, safe isolation as per EN 61010-1))

Ambient temperature range

-20 °C ... 65 °C

Humidity

typ. 5 % ... 95 % (non-condensing)

Inflammability class in acc. with UL 94

V0

Housing material

PA 66-FR

Dimensions W/H/D

35 / 99 / 114.5 mm

Screw connection solid/stranded/AWG

0.2 ... 2.5 mm² / 0.2 ... 2.5 mm² / 24 - 14

Push-in connection solid/stranded/AWG

0.2 ... 1.5 mm² / 0.2 ... 1.5 mm² / 24 - 16

EMC note

Class A product, see page 605

Safety data as per ATEX

Maximum output voltage Uo

6 V

Maximum output current Io

7.4 mA

Maximum output power Po

11 mW

Conformance/Approvals

Conformance

CE-compliant

ATEX

 II (1) G [Ex ia Ga] IIC

 II (1) D [Ex ia Da] IIIC

 II 3 G Ex nA nC ic IIC T4 Gc X

IECEx

[Ex ia Ga] IIC , [Ex ia Da] IIIC , Ex nA nC ic IIC T4 Gc X

SIL in accordance with IEC 61508

2

Ordering data

Description

Type

Order No.

Pcs./

Pkt.

Temperature transducer,

 intrinsically safe input

Standard configuration

Screw connection

MACX MCR-EX-T-UIREL-UP

2865751

1

Standard configuration

Push-in connection

MACX MCR-EX-T-UIREL-UP-SP

2924799

1

Accessories

Programming adapter

 for configuring modules with 

S-PORT interface

IFS-USB-PROG-ADAPTER

2811271

1

150

PHOENIX CONTACT

Universal temperature transducer with 

freely configurable properties for 
intrinsically safe operation of resistance 
thermometers, thermocouples, resistance-
type sensors, and potentiometers installed 
in Ex areas

– Input for resistance thermometers, 

thermocouples, resistance-type sensors, 
potentiometers, and mV sources, [Ex ia]

– Measure differential temperatures
– Freely programmable input and output
– Option of inverse output signal ranges
– Three limit value relays, can be used in 

combination as a safe limit value relay

– Configuration via software (FDT/DTM) or 

IFS-OP-UNIT operator interface and 
display unit

– Programming during operation with 

Ex measuring circuit connected and also 
voltage-free using IFS-USB-PROG-
ADAPTER programming adapter

– Plug-in screw or Push-in connection 

technology

– Cold junction compensation with 

separate connector

– Wide-range power supply of 

19.2 to 253 V AC/DC

– Status indicator for supply voltage, cable, 

sensor, and module errors

– Up to SIL 2 according to IEC 61508
– Installation in Zone 2 permitted

Notes:

The configuration software can be downloaded from the Internet 

(phoenixcontact.net/products).

Information on the IFS-OP-UNIT operating and display unit and the 

associated IFS-OP-CRADLE DIN rail cradle can be found on 

page 171

For information on the programming adapter, refer to page 172

Temperature
Temperature transducer, Ex i

MCR technology

Ex i signal conditioners with SIL functional safety – MACX Analog Ex

Universal, with three limit value relays, 

wide-range power supply

phoenixcontact-interface-technology-and-switching-devices-html.html
background image

P

O

W

ER

OU

T

IN

Z

o

n

e

0

,1,2

Z

o

n

e

2

0

,21,22

D

i

v. 1,2

IN

Se

n

sor

/ F

iel

d

4.2

4.1

4.2

4.1

+

-

4.2

4.1

Z

o

n

e

2

D

i

v. 2

OU

T

G

ND

+24V

4.2

4.1

3.2

3.1

1.2

1.1

+

-

Po

w

er

F

a

u

ltsig

n

al

G

ND

+24V

LFD

2.2

P

LC / DC

S

3.2

3.1

2.2

11

12

14

DI

For further information and full technical data, visit phoenixcontact.net/products

 

 DNV GL Functional Safety

Ex: 

 EAC Ex 

 

 

Housing width 12.5 mm

Technical data

Input data

Input signal

NAMUR proximity sensors (EN 60947-5-6)

Floating switch contacts

Switch contacts with resistance circuit

No-load voltage

~ 8 V DC

Switching points

> 2.1 mA (conductive) / < 1.2 mA (blocking)

Switching hysteresis

< 0.2 mA

Line fault detection

Break 0.05 mA < IIN < 0.35 mA

Short circuit 100 

 < RSensor < 360 

Switching output

Relay output

Contact type

1 PDT

Contact material

AgSnO

2

, hard gold-plated

Max. switching voltage

250 V AC (2 A) / 120 V DC (0.2 A) / 30 V DC (2 A)

Maximum switching capacity

500 VA

Recommended minimum load

5 V / 10 mA

Mechanical service life

10

7

 cycles

Switching behavior

Can be inverted via slide switch

Maximum switching frequency

 20 Hz (without load)

General data

Supply voltage range

19.2 V DC ... 30 V DC (24 V DC -20%...+25%)

Current consumption

21 mA (24 V DC)

Power dissipation

< 650 mW

Number of channels

1

Electrical isolation

Input/output

375 V (Peak value in accordance with EN 60079-11)

Input/output/supply, DIN rail connector

300 V

rms

 (Rated insulation voltage (overvoltage category II; 

degree of pollution 2, safe isolation as per EN 61010-1))

2.5 kV (50 Hz, 1 min., test voltage)

Output/input, supply, DIN rail connector

300 V

rms

 (Rated insulation voltage (overvoltage category III; 

degree of pollution 2, safe isolation as per EN 61010-1))

2.5 kV (50 Hz, 1 min., test voltage)

Ambient temperature range

-20 °C ... 60 °C (Any mounting position)

Humidity

10 % ... 95 % (non-condensing)

Status indication

Green LED (supply voltage)

Yellow LED (switching state)

Red LED (line fault)

Inflammability class in acc. with UL 94

V0

Housing material

PA 66-FR

Dimensions W/H/D

12.5 / 99 / 114.5 mm

Screw connection solid/stranded/AWG

0.2 ... 2.5 mm² / 0.2 ... 2.5 mm² / 24 - 14

Push-in connection solid/stranded/AWG

0.2 ... 1.5 mm² / 0.2 ... 1.5 mm² / 24 - 16

EMC note

Class A product, see page 605

Safety data as per ATEX

Maximum output voltage Uo

9.6 V

Maximum output current Io

10 mA

Maximum output power Po

25 mW

Maximum voltage U

m

253 V AC (125 V DC)

Conformance/Approvals

Conformance

CE-compliant, additionally EN 61326

ATEX

 II (1) G [Ex ia Ga] IIC

 II (1) D [Ex ia Da] IIIC

 II 3 G Ex nA nC IIC T4 Gc X

IECEx

[Ex ia Ga] IIC , [Ex ia Da] IIIC , Ex nA nC IIC T4 Gc

UL, USA/Canada

Class I Div 2; IS for Class I, II, III Div 1

SIL in accordance with IEC 61508

2

Ordering data

Description

Type

Order No.

Pcs./

Pkt.

NAMUR signal conditioner,

 1-channel, input intrinsically safe, 

output: PDT contact

Screw connection

MACX MCR-EX-SL-NAM-R

2865434

1

Push-in connection

MACX MCR-EX-SL-NAM-R-SP

2924045

1

151

PHOENIX CONTACT

NAMUR signal conditioner for 

intrinsically safe operation of proximity 
sensors and mechanical contacts installed in 
Ex areas.

– Input for NAMUR proximity sensors 

(EN 60947-5-6), floating contacts or 
contacts with resistance circuit, [Ex ia]

– Relay signal output (PDT)
– Reversible direction of action (operating 

current or closed-circuit current 
behavior)

– Line fault detection (LFD) can be 

activated and deactivated, error indicated 
by red flashing LED and de-excitation of 
the output relay

– Power supply and error indication 

possible via the DIN rail connector

– LED displays for indicating supply voltage, 

circuit state, and malfunctions to 
NAMUR NE 44

– 3-way electrical isolation
– Up to SIL 2 according to IEC 61508
– Installation in Zone 2 permitted

Notes:

Information about the supply and error evaluation module as well 

as about the DIN rail connectors and marking material can be 

found from page 174

Information about resistance circuits is given on page 176

Information on “Plug and play” connection using system cabling 

can be found from page 164

Digital IN
NAMUR signal conditioner, Ex i

MCR technology

Ex i signal conditioners with SIL functional safety – MACX Analog Ex

Signal output: PDT relay

phoenixcontact-interface-technology-and-switching-devices-html.html
background image

P

O

W

ER

IN

OU

T

1

OU

T

2

Z

o

n

e

0

,1,2

Z

o

n

e

2

0

,21,22

D

i

v. 1,2

IN

Se

n

sor

/ F

iel

d

4.2

4.1

4.2

4.1

+

-

4.2

4.1

OU

T

2

Z

o

n

e

2

D

i

v. 2

OU

T

G

ND

+24V

4.2

4.1

3.2

3.1

1.2

1.1

+

-

Po

w

er

F

a

u

ltsig

n

al

G

ND

+24V

LFD

2.2

2.1

OU

T

1

P

LC / DC

S

3.2

3.1

2.2

2.1

13

14

13

14

DI

 

 DNV GL Functional Safety

Ex: 

 EAC Ex 

 

 

Housing width 12.5 mm

Technical data

Input data

Input signal

NAMUR proximity sensors (EN 60947-5-6)

Floating switch contacts

Switch contacts with resistance circuit

No-load voltage

~ 8 V DC

Switching points

> 2.1 mA (conductive) / < 1.2 mA (blocking)

Switching hysteresis

< 0.2 mA

Line fault detection

Break 0.05 mA < IIN < 0.35 mA

Short circuit 100 

 < RSensor < 360 

Switching output

Relay output

Contact type

2 N/O contacts

Contact material

AgSnO

2

, hard gold-plated

Max. switching voltage

250 V AC (2 A) / 120 V DC (0.2 A) / 30 V DC (2 A)

Maximum switching capacity

500 VA

Recommended minimum load

5 V / 10 mA

Mechanical service life

10

7

 cycles

Switching behavior

Can be inverted via slide switch

Maximum switching frequency

 20 Hz (without load)

General data

Supply voltage range

19.2 V DC ... 30 V DC (24 V DC -20%...+25%)

Current consumption

30 mA (24 V DC)

Power dissipation

< 950 mW

Number of channels

1

Electrical isolation

Input/output

375 V (Peak value in accordance with EN 60079-11)

Input/supply, DIN rail connector

375 V (Peak value in accordance with EN 60079-11)

300 V

rms

 (Rated insulation voltage (overvoltage category II; 

degree of pollution 2, safe isolation as per EN 61010-1))

Output 1/output 2/input, power supply, DIN rail connector

300 V

rms

 (Rated insulation voltage (overvoltage category III; 

degree of pollution 2, safe isolation as per EN 61010-1))

Output 1/output 2/input/power supply, DIN rail connector

2.5 kV (50 Hz, 1 min., test voltage)

Ambient temperature range

-20 °C ... 60 °C (Any mounting position)

Humidity

10 % ... 95 % (non-condensing)

Status indication

Green LED (supply voltage)

Yellow LED (switching state)

Red LED (line fault)

Inflammability class in acc. with UL 94

V0

Dimensions W/H/D

12.5 / 99 / 114.5 mm

Screw connection solid/stranded/AWG

0.2 ... 2.5 mm² / 0.2 ... 2.5 mm² / 24 - 14

Push-in connection solid/stranded/AWG

0.2 ... 1.5 mm² / 0.2 ... 1.5 mm² / 24 - 16

EMC note

Class A product, see page 605

Safety data as per ATEX

Maximum output voltage Uo

9.6 V

Maximum output current Io

10 mA

Maximum output power Po

25 mW

Maximum voltage U

m

253 V AC (125 V DC)

Conformance/Approvals

Conformance

CE-compliant, additionally EN 61326

ATEX

 II (1) G [Ex ia Ga] IIC

 II (1) D [Ex ia Da] IIIC

 II 3 G Ex nA nC IIC T4 Gc X

IECEx

[Ex ia Ga] IIC , [Ex ia Da] IIIC , Ex nA nC IIC T4 Gc

UL, USA/Canada

Class I Div 2; IS for Class I, II, III Div 1

SIL in accordance with IEC 61508

2

Ordering data

Description

Type

Order No.

Pcs./

Pkt.

NAMUR signal conditioner,

 1-channel, input intrinsically safe, 

output: 2 N/O contacts

Screw connection

MACX MCR-EX-SL-NAM-2RO

2865450

1

Push-in connection

MACX MCR-EX-SL-NAM-2RO-SP

2924061

1

152

PHOENIX CONTACT

NAMUR signal conditioner for 

intrinsically safe operation of proximity 
sensors and mechanical contacts installed in 
Ex areas.

– Input for NAMUR proximity sensors 

(EN 60947-5-6), floating contacts or 
contacts with resistance circuit, [Ex ia]

– 2 relay signal outputs (N/O contact), 

output 2 can also be used as an error 
signal output

– Reversible direction of action (operating 

current or closed-circuit current 
behavior)

– Line fault detection (LFD) can be 

activated and deactivated, error indicated 
by red flashing LED and de-excitation of 
the output relay

– Power supply and error indication 

possible via the DIN rail connector

– LED displays for indicating supply voltage, 

circuit state, and malfunctions to 
NAMUR NE 44

– 4-way electrical isolation
– Up to SIL 2 according to IEC 61508
– Installation in Zone 2 permitted

Notes:

Information about the supply and error evaluation module as well 

as about the DIN rail connectors and marking material can be 

found from page 174

Information about resistance circuits is given on page 176

Information on “Plug and play” connection using system cabling 

can be found from page 164

Digital IN
NAMUR signal conditioner, Ex i

MCR technology

Ex i signal conditioners with SIL functional safety – MACX Analog Ex

2 signal outputs: N/O contact relay

phoenixcontact-interface-technology-and-switching-devices-html.html
background image

P

O

W

ER

OU

T

1

IN1

IN2

OU

T

2

Z

o

n

e

0

,1,2

Z

o

n

e

2

0

,21,22

D

i

v. 1,2

Se

n

sor

/ F

iel

d

P

LC / DC

S

3.2

3.1

C

H

1

2.2

2.1

C

H

2

IN

Z

o

n

e

2

D

i

v. 2

OU

T

G

ND

+24V

4.2

4.1

3.2

3.1

1.2

1.1

+

-

-

-

-

+

+

+

Po

w

er

F

a

u

ltsig

n

al

G

ND

+24V

LFD

2.2

2.1

5.2

5.1

+

-

C

H

1

C

H

2

13

13

14

14

DI

For further information and full technical data, visit phoenixcontact.net/products

 

 DNV GL Functional Safety

Ex: 

 EAC Ex 

 

 

Housing width 12.5 mm

Technical data

Input data

Input signal

NAMUR proximity sensors (EN 60947-5-6)

Floating switch contacts

Switch contacts with resistance circuit

No-load voltage

~ 8 V DC

Switching points

> 2.1 mA (conductive) / < 1.2 mA (blocking)

Switching hysteresis

< 0.2 mA

Line fault detection

Break 0.05 mA < IIN < 0.35 mA

Short circuit 100 

 < RSensor < 360 

Switching output

Relay output

Contact type

1 N/O contact per channel

Contact material

AgSnO

2

, hard gold-plated

Max. switching voltage

250 V AC (2 A) / 120 V DC (0.2 A) / 30 V DC (2 A)

Maximum switching capacity

500 VA

Recommended minimum load

5 V / 10 mA

Mechanical service life

10

7

 cycles

Switching behavior

Can be inverted via slide switch

Maximum switching frequency

 20 Hz (without load)

General data

Supply voltage range

19.2 V DC ... 30 V DC (24 V DC -20%...+25%)

Current consumption

35 mA (24 V DC)

Power dissipation

< 1 W

Number of channels

2

Electrical isolation

Input/output

375 V (Peak value in accordance with EN 60079-11)

Input/supply, DIN rail connector

375 V (Peak value in accordance with EN 60079-11)

300 V

rms

 (Rated insulation voltage (overvoltage category II; 

degree of pollution 2, safe isolation as per EN 61010-1))

Output 1/output 2/input, power supply, DIN rail connector

300 V

rms

 (Rated insulation voltage (overvoltage category III; 

degree of pollution 2, safe isolation as per EN 61010-1))

Output 1/output 2/input/power supply, DIN rail connector

2.5 kV (50 Hz, 1 min., test voltage)

Ambient temperature range

-20 °C ... 60 °C (Any mounting position)

Humidity

5 % ... 95 % (non-condensing)

Status indication

Green LED (supply voltage)

Yellow LED (switching state)

Red LED (line fault)

Inflammability class in acc. with UL 94

V0

Dimensions W/H/D

12.5 / 99 / 114.5 mm

Screw connection solid/stranded/AWG

0.2 ... 2.5 mm² / 0.2 ... 2.5 mm² / 24 - 14

Push-in connection solid/stranded/AWG

0.2 ... 1.5 mm² / 0.2 ... 1.5 mm² / 24 - 16

EMC note

Class A product, see page 605

Safety data as per ATEX

Maximum output voltage Uo

9.6 V

Maximum output current Io

10 mA

Maximum output power Po

25 mW

Maximum voltage U

m

253 V AC (125 V DC)

Conformance/Approvals

Conformance

CE-compliant, additionally EN 61326

ATEX

 II (1) G [Ex ia Ga] IIC

 II (1) D [Ex ia Da] IIIC

 II 3 G Ex nA nC IIC T4 Gc X

IECEx

[Ex ia Ga] IIC , [Ex ia Da] IIIC , Ex nA nC IIC T4 Gc

UL, USA/Canada

Class I Div 2; IS for Class I, II, III Div 1

SIL in accordance with IEC 61508

2

Ordering data

Description

Type

Order No.

Pcs./

Pkt.

NAMUR signal conditioner,

 2-channel, input intrinsically safe, 

output: N/O contact

Screw connection

MACX MCR-EX-SL-2NAM-RO

2865476

1

Push-in connection

MACX MCR-EX-SL-2NAM-RO-SP

2924087

1

153

PHOENIX CONTACT

NAMUR signal conditioner for 

intrinsically safe operation of proximity 
sensors and mechanical contacts installed in 
Ex areas.

– 2-channel
– Input for NAMUR proximity sensors 

(EN 60947-5-6), floating contacts or 
contacts with resistance circuit, [Ex ia]

– Relay signal output (N/O contact)
– Reversible direction of action (operating 

current or closed-circuit current 
behavior)

– Line fault detection (LFD) can be 

activated and deactivated, error indicated 
by red flashing LED and de-excitation of 
the output relay

– Power supply and error indication 

possible via the DIN rail connector

– LED displays for indicating supply voltage, 

circuit state, and malfunctions to 
NAMUR NE 44

– 3-way electrical isolation
– Up to SIL 2 according to IEC 61508
– Installation in Zone 2 permitted

Notes:

Information about the supply and error evaluation module as well 

as about the DIN rail connectors and marking material can be 

found from page 174

Information about resistance circuits is given on page 176

Information on “Plug and play” connection using system cabling 

can be found from page 164

Digital IN
NAMUR signal conditioner, Ex i

MCR technology

Ex i signal conditioners with SIL functional safety – MACX Analog Ex

2-channel, signal output: N/O contact relay

phoenixcontact-interface-technology-and-switching-devices-html.html
background image

P

O

W

ER

OU

T

1

IN1

IN2

OU

T

2

Z

o

n

e

0

,1,2

Z

o

n

e

2

0

,21,22

D

i

v. 1,2

Se

n

sor

/ F

iel

d

P

LC / DC

S

3.3

2.3

3.2

2.2

3.1

2.1

C

H

1

C

H

2

IN

Z

o

n

e

2

D

i

v. 2

OU

T

4.3

4.1

3.3

2.3

3.2

2.2

3.1

2.1

1.2

1.1

+

-

-

-

-

+

+

+

5.3

5.1

+

-

C

H

1

C

H

2

24...23

0

V

AC/DC

~

12

12

11

11

14

14

DI

 

 

 Functional Safety

Ex: 

 EAC Ex 

 

Housing width 17.5 mm

Technical data

Input data

Input signal

NAMUR proximity sensors (EN 60947-5-6)

open circuit switch contacts

Switch contacts with resistance circuit

No-load voltage

~ 8 V DC

Switching points

> 2.1 mA (conductive) / < 1.2 mA (blocking)

Switching hysteresis

approx. 0.2 mA

Line fault detection

Break 0.05 mA < IIN < 0.35 mA

Short circuit 100 

 < RSensor < 360 

Switching output

Relay output

Contact type

1 PDT per channel

Contact material

AgSnO

2

, hard gold-plated

Max. switching voltage

250 V AC (2 A, 60 Hz) / 120 V DC (0.2 A) / 30 V DC (2 A)

Maximum switching capacity

500 VA

Recommended minimum load

5 V / 10 mA

Mechanical service life

10

7

 cycles

Switching behavior

can be inverted using DIP switch

Maximum switching frequency

 20 Hz (Load-dependent)

General data

Supply voltage range

24 V ... 230 V AC/DC (-20 % ... +10 %, 50 Hz ... 60 Hz)

Current consumption

< 80 mA ; < 42 mA (24 V DC)

Power dissipation

 1.3 W

Electrical isolation

Input/output

375 V (Peak value in accordance with EN 60079-11)

Input/power supply

375 V (Peak value in accordance with EN 60079-11)

300 V

rms

 (Rated insulation voltage (overvoltage category II; 

degree of pollution 2, safe isolation as per EN 61010-1))

2.5 kV AC (50 Hz, 1 min., test voltage)

Output 1/output 2/input, power supply

300 V

rms

 (Rated insulation voltage (overvoltage category III; 

degree of pollution 2, safe isolation as per EN 61010-1))

2.5 kV (50 Hz, 1 min., test voltage)

Ambient temperature range

-20 °C ... 60 °C

Humidity

10 % ... 95 % (non-condensing)

Inflammability class in acc. with UL 94

V0

Housing material

PA 66-FR

Dimensions W/H/D

17.5 / 99 / 114.5 mm

Screw connection solid/stranded/AWG

0.2 ... 2.5 mm² / 0.2 ... 2.5 mm² / 24 - 14

Push-in connection solid/stranded/AWG

0.2 ... 1.5 mm² / 0.2 ... 1.5 mm² / 24 - 16

EMC note

Class A product, see page 605

Safety data as per ATEX

Maximum output voltage Uo

9.56 V

Maximum output current Io

10.3 mA

Maximum output power Po

25 mW

Maximum voltage U

m

253 V AC/DC (Supply terminals)

250 V AC (Output terminals)

120 V DC (Output terminals)

Conformance/Approvals

Conformance

CE-compliant, additionally EN 61326

ATEX

 II (1) G [Ex ia Ga] IIC

 II (1) D [Ex ia Da] IIIC

 II 3(1) G Ex nA nC [ia Ga] IIC T4 Gc X

IECEx

[Ex ia Ga] IIC , [Ex ia Da] IIIC , Ex nA nC [ia Ga] IIC T4 Gc

UL, USA/Canada

Class I Div 2; IS for Class I, II, III Div 1

SIL in accordance with IEC 61508

2

Ordering data

Description

Type

Order No.

Pcs./

Pkt.

NAMUR signal conditioner,

 2-channel, input intrinsically safe, 

output: changeover contact

Screw connection

MACX MCR-EX-SL-2NAM-R-UP

2865984

1

Push-in connection

MACX MCR-EX-SL-2NAM-R-UP-SP

2924249

1

154

PHOENIX CONTACT

NAMUR signal conditioner for 

intrinsically safe operation of proximity 
sensors and mechanical contacts installed in 
Ex areas.

– 2-channel
– Input for NAMUR proximity sensors 

(EN 60947-5-6), floating contacts or 
contacts with resistance circuit, [Ex ia]

– Relay signal output (PDT)
– Reversible direction of action (operating 

current or closed-circuit current 
behavior)

– Line fault detection (LFD) can be 

activated and deactivated, error indicated 
by red flashing LED and de-excitation of 
the output relay

– Wide-range power supply of 

19.2 to 253 V AC/DC

– LED displays for indicating supply voltage, 

circuit state, and malfunctions to 
NAMUR NE 44

– 3-way electrical isolation
– Up to SIL 2 according to IEC 61508
– Installation in Zone 2 permitted

Notes:

Information on resistance circuits and marking material can be 

found on page 176

Digital IN
NAMUR signal conditioner, Ex i

MCR technology

Ex i signal conditioners with SIL functional safety – MACX Analog Ex

2-channel, signal output: PDT relay, 

wide-range power supply

phoenixcontact-interface-technology-and-switching-devices-html.html
background image

P

O

W

ER

IN

OU

T

1

OU

T

2

Z

o

n

e

0

,1,2

Z

o

n

e

2

0

,21,22

D

i

v. 1,2

IN

Se

n

sor

/ F

iel

d

4.2

4.1

4.2

4.1

+

-

4.2

4.1

OU

T

2

Z

o

n

e

2

D

i

v. 2

OU

T

G

ND

+24V

4.2

4.1

3.2

3.1

1.2

1.1

+

-

Po

w

er

F

a

u

ltsig

n

al

G

ND

+24V

LFD

2.2

2.1

OU

T

1

P

LC / DC

S

3.2

3.1

2.2

2.1

-

-

+

+

DI

For further information and full technical data, visit phoenixcontact.net/products

 

 DNV GL Functional Safety

Ex: 

 EAC Ex 

 

Housing width 12.5 mm

Technical data

Input data

Input signal

NAMUR proximity sensors (EN 60947-5-6)

Floating switch contacts

Switch contacts with resistance circuit

No-load voltage

~ 8 V DC

Switching points

> 2.1 mA (conductive) / < 1.2 mA (blocking)

Line fault detection

Break 0.05 mA < IIN < 0.35 mA

Short circuit 100 

 < RSensor < 360 

Switching output

2 transistor outputs, passive

Max. switching voltage

30 V DC

Maximum switching current

50 mA (short-circuit-proof)

Drop (

Δ

U)

< 1.4 V

Switching behavior

can be inverted using DIP switch

Maximum switching frequency

 5 kHz

General data

Supply voltage range

19.2 V DC ... 30 V DC (24 V DC -20%...+25%)

Current consumption

< 28 mA (24 V DC)

Power dissipation

 800 mW

Number of channels

1

Electrical isolation

Input/output

375 V (Peak value in accordance with EN 60079-11)

Input/output/supply, DIN rail connector

300 V

rms

 (Rated insulation voltage (overvoltage category II; 

degree of pollution 2, safe isolation as per EN 61010-1))

2.5 kV (50 Hz, 1 min., test voltage)

Input/supply, DIN rail connector

375 V (Peak value in accordance with EN 60079-11)

Output 1/output 2

50 V

rms

 (Rated insulation voltage (overvoltage category II; 

degree of pollution 2, basic insulation as per EN 61010-1))

1 kV (50 Hz, 1 min., test voltage)

Ambient temperature range

-20 °C ... 60 °C (Any mounting position)

Humidity

10 % ... 95 % (non-condensing)

Status indication

Green LED (supply voltage)

Yellow LED (switching state)

Red LED (line fault)

Inflammability class in acc. with UL 94

V0

Housing material

PA 66-FR

Dimensions W/H/D

12.5 / 99 / 114.5 mm

Screw connection solid/stranded/AWG

0.2 ... 2.5 mm² / 0.2 ... 2.5 mm² / 24 - 14

Push-in connection solid/stranded/AWG

0.2 ... 1.5 mm² / 0.2 ... 1.5 mm² / 24 - 16

EMC note

Class A product, see page 605

Safety data as per ATEX

Maximum output voltage Uo

9.6 V

Maximum output current Io

10 mA

Maximum output power Po

25 mW

Maximum voltage U

m

253 V AC (125 V DC)

Conformance/Approvals

Conformance

CE-compliant, additionally EN 61326

ATEX

 II (1) G [Ex ia Ga] IIC

 II (1) D [Ex ia Da] IIIC

 II 3 G Ex nA IIC T4 Gc X

IECEx

[Ex ia Ga] IIC , [Ex ia Da] IIIC , Ex nA IIC T4 Gc

UL, USA/Canada

Class I Div 2; IS for Class I, II, III Div 1

SIL in accordance with IEC 61508

2

Ordering data

Description

Type

Order No.

Pcs./

Pkt.

NAMUR signal conditioner,

 input intrinsically safe, 

output: transistor, passive

Screw connection

MACX MCR-EX-SL-NAM-2T

2865463

1

Push-in connection

MACX MCR-EX-SL-NAM-2T-SP

2924074

1

155

PHOENIX CONTACT

NAMUR signal conditioner for 

intrinsically safe operation of proximity 
sensors and mechanical contacts installed in 
Ex areas.

– Input for NAMUR proximity sensors 

(EN 60947-5-6), floating contacts or 
contacts with resistance circuit, [Ex ia]

– 2 signal outputs transistor (passive), up to 

5 kHz

– Signal output 2 can also be used as a fault 

signaling output

– Reversible direction of action (operating 

current or closed-circuit current 
behavior)

– Line fault detection (LFD) can be 

activated and deactivated, error indicated 
by red flashing LED and blocking the 
transistor output

– Power supply and error indication 

possible via the DIN rail connector

– LED displays for indicating supply voltage, 

circuit state, and malfunctions to 
NAMUR NE 44

– 4-way electrical isolation
– Up to SIL 2 according to IEC 61508
– Installation in Zone 2 permitted

Notes:

Information about the supply and error evaluation module as well 

as about the DIN rail connectors and marking material can be 

found from page 174

Information about resistance circuits is given on page 176

Information on “Plug and play” connection using system cabling 

can be found from page 164

Digital IN
NAMUR signal conditioner, Ex i

MCR technology

Ex i signal conditioners with SIL functional safety – MACX Analog Ex

2 signal outputs: transistor (passive)

phoenixcontact-interface-technology-and-switching-devices-html.html
background image

P

O

W

ER

IN1

IN2

OU

T

1

OU

T

2

Z

o

n

e

0

,1,2

Z

o

n

e

2

0

,21,22

D

i

v. 1,2

Se

n

sor

/ F

iel

d

P

LC / DC

S

3.2

3.1

C

H

1

2.2

2.1

C

H

2

IN

Z

o

n

e

2

D

i

v. 2

OU

T

G

ND

+24V

4.2

4.1

3.2

3.1

1.2

1.1

+

-

-

-

+

+

-

-

-

+

+

+

Po

w

er

F

a

u

ltsig

n

al

G

ND

+24V

LFD

2.2

2.1

5.2

5.1

+

-

C

H

1

C

H

2

DI

 

 DNV GL Functional Safety

Ex: 

 EAC Ex 

 

Housing width 12.5 mm

Technical data

Input data

Input signal

NAMUR proximity sensors (EN 60947-5-6)

Floating switch contacts

Switch contacts with resistance circuit

No-load voltage

~ 8 V DC

Switching points

> 2.1 mA (conductive) / < 1.2 mA (blocking)

Line fault detection

Break 0.05 mA < IIN < 0.35 mA

Short circuit 100 

 < RSensor < 360 

Switching output

1 transistor output, passive (per channel)

Max. switching voltage

30 V DC

Maximum switching current

50 mA (short-circuit-proof)

Drop (

Δ

U)

< 1.4 V

Switching behavior

can be inverted using DIP switch

Maximum switching frequency

 5 kHz

General data

Supply voltage range

19.2 V DC ... 30 V DC (24 V DC -20%...+25%)

Current consumption

< 34 mA (24 V DC)

Power dissipation

 1000 mW

Number of channels

2

Electrical isolation

Input/output

375 V (Peak value in accordance with EN 60079-11)

Input/output/supply, DIN rail connector

300 V

rms

 (Rated insulation voltage (overvoltage category II; 

degree of pollution 2, safe isolation as per EN 61010-1))

2.5 kV (50 Hz, 1 min., test voltage)

Input/supply, DIN rail connector

375 V (Peak value in accordance with EN 60079-11)

Output 1/output 2

50 V

rms

 (Rated insulation voltage (overvoltage category II; 

degree of pollution 2, basic insulation as per EN 61010-1))

1 kV (50 Hz, 1 min., test voltage)

Ambient temperature range

-20 °C ... 60 °C (Any mounting position)

Humidity

10 % ... 95 % (non-condensing)

Status indication

Green LED (supply voltage)

Yellow LED (switching state)

Red LED (line fault)

Inflammability class in acc. with UL 94

V0

Housing material

PA 66-FR

Dimensions W/H/D

12.5 / 99 / 114.5 mm

Screw connection solid/stranded/AWG

0.2 ... 2.5 mm² / 0.2 ... 2.5 mm² / 24 - 14

Push-in connection solid/stranded/AWG

0.2 ... 1.5 mm² / 0.2 ... 1.5 mm² / 24 - 16

EMC note

Class A product, see page 605

Safety data as per ATEX

Maximum output voltage Uo

9.6 V

Maximum output current Io

10 mA

Maximum output power Po

25 mW

Maximum voltage U

m

253 V AC (125 V DC)

Conformance/Approvals

Conformance

CE-compliant, additionally EN 61326

ATEX

 II (1) G [Ex ia Ga] IIC

 II (1) D [Ex ia Da] IIIC

 II 3 G Ex nA IIC T4 Gc X

IECEx

[Ex ia Ga] IIC , [Ex ia Da] IIIC , Ex nA IIC T4 Gc

UL, USA/Canada

Class I Div 2; IS for Class I, II, III Div 1

SIL in accordance with IEC 61508

2

Ordering data

Description

Type

Order No.

Pcs./

Pkt.

NAMUR signal conditioner,

 2-channel, input intrinsically safe, 

output: transistor, passive

Screw connection

MACX MCR-EX-SL-2NAM-T

2865489

1

Push-in connection

MACX MCR-EX-SL-2NAM-T-SP

2924090

1

156

PHOENIX CONTACT

NAMUR signal conditioner for 

intrinsically safe operation of proximity 
sensors and mechanical contacts installed in 
Ex areas.

– 2-channel
– Input for NAMUR proximity sensors 

(EN 60947-5-6), floating contacts or 
contacts with resistance circuit, [Ex ia]

– Signal output transistor (passive), up to 

5 kHz

– Reversible direction of action (operating 

current or closed-circuit current 
behavior)

– Line fault detection (LFD) can be 

activated and deactivated, error indicated 
by red flashing LED and blocking the 
transistor output

– Power supply and error indication 

possible via the DIN rail connector

– LED displays for indicating supply voltage, 

circuit state, and malfunctions to 
NAMUR NE 44

– 3-way electrical isolation
– Up to SIL 2 according to IEC 61508
– Installation in Zone 2 permitted

Notes:

Information about the supply and error evaluation module as well 

as about the DIN rail connectors and marking material can be 

found from page 174

Information about resistance circuits is given on page 176

Information on “Plug and play” connection using system cabling 

can be found from page 164

Digital IN
NAMUR signal conditioner, Ex i

MCR technology

Ex i signal conditioners with SIL functional safety – MACX Analog Ex

2-channel, signal output transistor (passive)

phoenixcontact-interface-technology-and-switching-devices-html.html
background image

P

O

W

ER

IN

OU

T

Z

o

n

e

 

0

,1,

2

Z

o

n

e

 

2

0

,

2

1,

22

I

N

Se

n

sor

 

/

 Fi

e

l

d

4.

2

4.1

4.

2

4.1

+

-

4.

2

4.1

Z

o

n

e

 

2

OUT

3

.

2

3

.1

4.

2

4.1

+

-

Po

w

er

G

ND

+

2

4V

LF

D

G

ND

+

2

4V

1.

2

1.1

F

a

u

l

ts

i

g

n

a

l

P

L

C

 

/

 

DCS

3

.

2

3

.1

-

+

D

I-

N

AM

D

i

v

. 1,

2

D

i

v

. 1

For further information and full technical data, visit phoenixcontact.net/products

 

Ex: EAC Ex 

 

Housing width 12.5 mm

Technical data

Input data

Input signal

NAMUR proximity sensors (EN 60947-5-6)

open circuit switch contacts

Switch contacts with resistance circuit

No-load voltage

8 V DC ±10 %

Switching points

> 2.1 mA (conductive) / < 1.2 mA (blocking)

Line fault detection

Break 0.05 mA < IIN < 0.35 mA

Short circuit 100 

 < RSensor < 360 

Switching output

Resistive (transistor, passive)

Switching voltage

8.2 V DC ±10 % (according to EN

 

60947-5-6)

Switching frequency

 5 kHz (Ohmic load)

Impedance 0-signal

11 k

 ±5 %

Impedance 1-signal

1.4 k

 ±5 %

Impedance fault

> 100 k

Switching behavior

can be inverted using DIP switch

General data

Supply voltage range

9.6 V DC ... 30 V DC (12

 

V

 

DC

 

 

24

 

V

 

DC (-20

 

%

 

 

+25

 

%))

Current draw

25 mA (24 V DC)

Power dissipation

< 0.6 W

Electrical isolation

Input/output

375 V (Peak value in accordance with EN 60079-11)

Input/output/supply, DIN rail connector

300 V

rms

 (Rated insulation voltage (overvoltage category II; 

degree of pollution 2, safe isolation as per EN 61010-1))

2.5 kV (50 Hz, 1 min., test voltage)

Input/supply, DIN rail connector

375 V (Peak value in accordance with EN 60079-11)

Ambient temperature range

-20 °C ... 60 °C (Any mounting position)

Humidity

10 % ... 95 % (non-condensing)

Status indication

Green LED (supply voltage)

Yellow LED (switching state)

Red LED (line fault)

Inflammability class in acc. with UL 94

V0

Housing material

PA 66-FR

Dimensions W/H/D

12.5 / 99 / 114.5 mm

Screw connection solid/stranded/AWG

0.2 ... 2.5 mm² / 0.2 ... 2.5 mm² / 24 - 14

Push-in connection solid/stranded/AWG

0.2 ... 1.5 mm² / 0.2 ... 1.5 mm² / 24 - 16

EMC note

Class A product, see page 605

Safety data as per ATEX

Maximum output voltage Uo

9.6 V

Maximum output current Io

10 mA

Maximum output power Po

25 mW

Maximum voltage U

m

253 V AC/DC

Conformance/Approvals

Conformance

CE-compliant, additionally EN 61326

ATEX

 II (1) G [Ex ia Ga] IIC

 II (1) D [Ex ia Da] IIIC

 II 3G Ex nA IIC T4 Gc X

IECEx

[Ex ia Ga] IIC , [Ex ia Da] IIIC , Ex nA IIC T4 Gc

SIL in accordance with IEC 61508

2

Ordering data

Description

Type

Order No.

Pcs./

Pkt.

NAMUR signal conditioner

, intrinsically safe input, output with 

line fault transparency

Screw connection

MACX MCR-EX-SL-NAM-NAM

2866006

1

Push-in connection

MACX MCR-EX-SL-NAM-NAM-SP

2924883

1

Specifically for Yokogawa systems

Screw connection

MACX MCR-EX-SL-NAM-YO

2905723

1

Push-in connection

MACX MCR-EX-SL-NAM-YO-SP

2905724

1

Specifically for Honeywell systems

Screw connection

MACX MCR-EX-SL-NAM-HO

2907404

1

Push-in connection

MACX MCR-EX-SL-NAM-HO-SP

2907405

1

157

PHOENIX CONTACT

NAMUR signal conditioners for the 

intrinsically safe operation of proximity 
sensors or mechanical contacts installed in 
the Ex area.

– Input for NAMUR proximity sensors 

(EN 60947-5-6), floating contacts or 
contacts with resistance circuit, [Ex ia]

– Signal output with resistive behavior 

(transistor)

– Signal output with line fault transparency: 

line fault indicated directly via output to 
PLC or PCS. The output responds in 
accordance with EN 60947-5-6.

– Up to 5 kHz
– Direction of operation can be selected
– Line fault detection can be activated and 

deactivated

– Power supply and error indication 

possible via the DIN rail connector

– LED indicators for supply voltage, status, 

and fault according to NAMUR NE 44

– Plug-in screw or Push-in connection 

technology

– Safe 3-way electrical isolation
– Up to SIL 2 according to IEC 61508
– Installation in Zone 2 permitted

Notes:

Information on the supply and error evaluation module, DIN rail 

connectors, system cabling, and marking material can be found 

from page 174

Information about resistance circuits is given on page 176

Digital IN
NAMUR signal conditioner, Ex i

MCR technology

Ex i signal conditioners with SIL functional safety – MACX Analog Ex

With line fault transparency

phoenixcontact-interface-technology-and-switching-devices-html.html
background image

158

PHOENIX CONTACT

Solenoid drivers for controlling sole-
noid valves

In order to control intrinsically safe Ex i 

solenoid valves, you have to have an 
intrinsically safe control circuit. This is 
provided by the solenoid drivers that are 
available from Phoenix Contact.

The following must be taken into account 

when dimensioning your intrinsically safe 
control circuit:
– Valve
– Cable with corresponding resistance
– Solenoid driver

As a result, it may be the case that not all 

valves are compatible with the solenoid 
drivers.

Below is an extract from a table showing 

possible combinations of valves and 
solenoid drivers.

A complete and updated list (along with 

details of the technical data for suitable 
valves, the maximum cable lengths, and the 
maximum cable resistances of the individual 
combinations) can be found on the 
Internet at: phoenixcontact.net/products

Valves overview

MACX Analog Ex solenoid drivers

Manufacturer

Type designation

Ex certificate

Condition

MACX MCR-EX-
SL-SD-21-25-LP

MACX MCR-EX-
SL-SD-21-40-LP

MACX MCR-EX-
SL-SD-24-48-LP

MACX MCR-EX-
SL-SD-21-60-LP

ASCO

Coil 

195

LCIE 08 ATEX 6083

Coil 

302 (12 V)

INERIS 03 ATEX 0249X

Coil 

302 (24 V)

INERIS 03 ATEX 0249X

Bürkert

Coil 

AC 10, standard

PTB 01 ATEX 2101

Coil 

AC 10, high-resistance

PTB 01 ATEX 2101

Coil 

AC 21, standard

PTB 01 ATEX 2175

700 mW / 65°C

Coil 

AC 21, high-resistance

PTB 01 ATEX 2175

700 mW / 65°C

Coil 

AC 21, standard

PTB 01 ATEX 2175

900 mW / 45°C

Coil 

AC 21, high-resistance

PTB 01 ATEX 2175

900 mW / 45°C

Coil 

AC 21, standard

PTB 01 ATEX 2175

900 mW / 60°C

Coil 

AC 21, high-resistance

PTB 01 ATEX 2175

900 mW / 60°C

Coil

G1 642735, standard

600 mW / 50°C

Coil

G1 642735, high-resistance

600 mW / 50°C

Coil

G1 642735, standard

PTB 01 ATEX 2173

800 mW / 40°C

Coil

G1 642735, high-resistance

PTB 01 ATEX 2173

800 mW / 40°C

Coil

G1 642735, standard

PTB 01 ATEX 2173

1000 mW / 40°C

Coil

G1 642735, high-resistance

PTB 01 ATEX 2173

1000 mW / 40°C

FESTO

Coil

MFH-...IA-SA-EX GBXE022AIAD03

PTB 03 ATEX 2097

Coil

( J)MFH-...BIA-SA-EX GBXE022AIAD03

PTB 03 ATEX 2097

Norgren Herion

Coil

2050

PTB 07 ATEX 2019

Coil

2051

PTB 07 ATEX 2019

Coil

2052

PTB 07 ATEX 2019

Coil

2053

PTB 07 ATEX 2019

Coil 

2085

PTB 06 ATEX 2001 U

Coil 

2086

PTB 06 ATEX 2001 U

Coil

3039

PTB 03 ATEX 2134

Coil

2003

PTB 04 ATEX 2010

Hörbiger

Piezo

P8 38x RF-Nx-SPN65

DMT 01 ATEX E026X

30 V type

Piezo

P20 381RF-NG-CPN61

DMT 01 ATEX E025X

30 V type

Parker

Coil VZ07

488650.01

LCIE 02 ATEX 6024X

Coil VZ33

494035.10

LCIE 02 ATEX 6024X

Coil VZ08

488660.01

LCIE 02 ATEX 6024X

Coil VZ09

488670.01

LCIE 02 ATEX 6024X

Coil VZ95

482160.01

LCIE 02 ATEX 6024X

EEx ia IIB T6

Coil VZ23

482870.01

LCIE 02 ATEX 6024X

Samson

Coil

3701-11 (6 V)

PTB 02 ATEX 2178

Coil 

3701-12 (12 V)

PTB 02 ATEX 2178

Coil 

3701-13 (24 V)

PTB 02 ATEX 2178

Coil

3963-11 (6 V)

PTB 01 ATEX 2085

Coil

3963-12 (12 V)

PTB 01 ATEX 2085

Coil

3963-13 (24 V)

PTB 01 ATEX 2085

Coil 

3964-11 (6 V)

PTB 02 ATEX 2047

Coil 

3964-12 (12 V)

PTB 02 ATEX 2047

Coil 

3964-13 (24 V)

PTB 02 ATEX 2047

Coil

3965-11 (6 V)

PTB 05 ATEX 2044X

Coil

3965-12 (12 V)

PTB 05 ATEX 2044X

Coil

3965-13 (24 V)

PTB 05 ATEX 2044X

Coil 

3967-11 (6 V)

PTB 06 ATEX 2027

Coil 

3967-12 (12 V)

PTB 06 ATEX 2027

Coil 

3967-13 (24 V)

PTB 06 ATEX 2027

Seitz

Pilot valve

PV 12F73 Ci oH

PTB 99 ATEX 2146

Pilot valve

PV 12F73 Xi oH

PTB 00 ATEX 2030

Pilot valve

PV 12F73 Xi oH-2

PTB 00 ATEX 2030

Solenoid

11 G 52

PTB 01 ATEX 2020

Example of a circuit

Associated equipment, e.g.,
MAC MCR-EX-SL-SD-...

 II (1) GD [Ex ia] IIC

PLC

Ex area

Safe area

Intrinsically safe 
equipment

 II 1 G

Ex ia IIB T6 

MCR technology

Ex i signal conditioners with SIL functional safety – MACX Analog Ex

phoenixcontact-interface-technology-and-switching-devices-html.html
background image

P

O

W

ER

OU

T

IN

+

-

+

-

Se

n

sor

 

/

 Fi

e

l

d

Z

o

n

e

 

0

,1,

2

Z

o

n

e

 

2

0

,

2

1,

22

4.

2

4.1

+

-

4.

2

4.1

P

L

C

 

/

 

DCS

+

-

3

.

2

3

.1

DO

2

.1

2

.

2

D

I

Z

o

n

e

 

2

I

N

OUT

3

.

2

3

.1

4.

2

4.1

LF

D

F

a

u

l

ts

i

g

n

a

l

G

ND

+

2

4V

G

ND

+

2

4V

1.

2

1.1

2

.

2

2

.1

F

a

u

l

ts

i

g

n

a

l

D

i

v

. 1,

2

D

i

v

. 1

For further information and full technical data, visit phoenixcontact.net/products

 

 Functional Safety

Ex: 

 EAC Ex 

 

Housing width 12.5 mm

Technical data

Input data

Switching level 0 signal ("L")

0 V DC ... 5 V DC (Open)

Switching level 1 signal ("H")

15 V DC ... 30 V DC

Current input signal

< 12 mA

Input impedance in the event of a line fault at the output

3 M

 (High resistance (Mega 

))

Transparent for test pulses

Yes

Output data

Output voltage

 9.36 V DC (At 48 mA)

Current limitation

> 48 mA (With line fault detection)

No-load voltage

> 22.5 V DC

Internal resistance

 269 

 (Internal resistance R

i

)

Immunity to short-circuiting

yes

Response time t

A

< 30 ms

Line fault detection

< 50 

 (short circuit on the line)

> 10 k

 (line break)

Error message output

Switch contact

N/C contact

Max. switching voltage

30 V DC

Maximum switching current

50 mA

Short-circuit-proof

yes

General data

Supply voltage range

19.2 V DC ... 30 V DC (24 V DC -20%...+25%)

Current draw

< 90 mA (24 V DC)

Power dissipation

< 1.8 W

Electrical isolation

Output/input, error message output

375 V (Peak value in accordance with EN 60079-11)

300 V

rms

 (Rated insulation voltage (overvoltage category II; 

degree of pollution 2, safe isolation as per EN 61010-1))

2.5 kV (50 Hz, 1 min., test voltage)

Ambient temperature range

-20 °C ... 60 °C (Any mounting position)

Humidity

10 % ... 95 % (non-condensing)

Status indication

Green LED (supply voltage)

Yellow LED (switching state)

Red LED (line fault)

Degree of protection

IP20

Inflammability class in acc. with UL 94

V0

Housing material

PA 66-FR

Dimensions W/H/D

12.5 / 112.5 / 114.5 mm

Screw connection solid/stranded/AWG

0.2 ... 2.5 mm² / 0.2 ... 2.5 mm² / 24 - 14

Push-in connection solid/stranded/AWG

0.2 ... 1.5 mm² / 0.2 ... 1.5 mm² / 24 - 16

EMC note

Class A product, see page 605

Safety data as per ATEX

Maximum output voltage Uo

25.3 V

Maximum output current Io

94 mA

Maximum output power Po

595 mW

Maximum voltage U

m

253 V AC/DC

Conformance/Approvals

Conformance

CE-compliant, additionally EN 61326

ATEX

 II (1) G [Ex ia Ga] IIC/IIB

 II (1) D [Ex ia Da] IIIC

 II 3(1) G Ex nA [ia Ga] IIC T4 Gc X

IECEx

[Ex ia Ga] IIC/IIB , [Ex ia Da] IIIC , Ex nA [ia Ga] IIC T4 Gc

SIL in accordance with IEC 61508

3

Ordering data

Description

Type

Order No.

Pcs./

Pkt.

Solenoid driver

, logic input, intrinsically safe output, line fault 

detection

Screw connection

MACX MCR-EX-SL-SD-23-48-LFD

2924867

1

Push-in connection

MACX MCR-EX-SL-SD-23-48-LFD-SP

2924870

1

159

PHOENIX CONTACT

Solenoid driver for the intrinsically safe 

control of Ex i solenoid valves, alarm 
transmitters or indicators installed in the 
Ex area.

– Input: logic (low/high signal)
– Output: 48 mA current limitation at 

9.5 V, [Ex ia]

– Line fault detection (can be activated and 

deactivated)
- Directly via signal channel
- Or via switching output

– Transparent for test pulses
– Power supply and error indication 

possible via the DIN rail connector

– LED indicators for supply voltage, status, 

and fault according to NAMUR NE 44

– Plug-in screw or Push-in connection 

technology

– Safe 3-way electrical isolation
– Up to SIL 2 according to IEC 61508
– Installation in Zone 2 permitted

Notes:

Information on the supply and error evaluation module, DIN rail 

connectors, system cabling, and marking material can be found 

from page 174

Digital OUT
Solenoid driver, Ex i

MCR technology

Ex i signal conditioners with SIL functional safety – MACX Analog Ex

Current limitation 48 mA,

with line fault detection

phoenixcontact-interface-technology-and-switching-devices-html.html
background image

P

O

W

ER

OU

T

IN

+

-

+

-

Se

n

sor

 

/

 Fi

e

l

d

Z

o

n

e

 

0

,1,

2

Z

o

n

e

 

2

0

,

2

1,

22

4.

2

4.1

+

-

4.

2

4.1

P

L

C

 

/

 

DCS

+

-

3

.

2

3

.1

DO

2

.1

2

.

2

D

I

Z

o

n

e

 

2

I

N

OUT

3

.

2

3

.1

4.

2

4.1

LF

D

F

a

u

l

ts

i

g

n

a

l

G

ND

+

2

4V

G

ND

+

2

4V

1.

2

1.1

2

.

2

2

.1

F

a

u

l

ts

i

g

n

a

l

D

i

v

. 1,

2

D

i

v

. 1

 Functional Safety

Ex: 

 

Housing width 12.5 mm

Technical data

Input data

Switching level 0 signal ("L")

0 V DC ... 5 V DC (Open)

Switching level 1 signal ("H")

15 V DC ... 30 V DC

Current input signal

< 12 mA

Input impedance in the event of a line fault at the output

3 M

 (High resistance (Mega 

))

Transparent for test pulses

Yes

Output data

Output voltage

 4.64 V DC (at 25.1

 

mA)

Current limitation

> 25.1 mA (With line fault detection)

No-load voltage

> 21.1 V DC

Internal resistance

 641 

 (Internal resistance R

i

)

Immunity to short-circuiting

yes

Response time t

A

< 30 ms

Line fault detection

< 50 

 (short circuit on the line)

> 10 k

 (line break)

Error message output

Switch contact

N/C contact

Max. switching voltage

30 V DC

Maximum switching current

50 mA

Short-circuit-proof

yes

General data

Supply voltage range

19.2 V DC ... 30 V DC (24 V DC -20%...+25%)

Current draw

< 50 mA (24 V DC)

Power dissipation

< 0.8 W

Electrical isolation

Output/input, error message output

375 V (Peak value in accordance with EN 60079-11)

300 V

rms

 (Rated insulation voltage (overvoltage category II; 

degree of pollution 2, safe isolation as per EN 61010-1))

2.5 kV (50 Hz, 1 min., test voltage)

Ambient temperature range

-20 °C ... 60 °C (Any mounting position)

Humidity

10 % ... 95 % (non-condensing)

Status indication

Green LED (supply voltage)

Yellow LED (switching state)

Red LED (line fault)

Degree of protection

IP20

Inflammability class in acc. with UL 94

V0

Housing material

PA 66-FR

Dimensions W/H/D

12.5 / 112.5 / 114.5 mm

Screw connection solid/stranded/AWG

0.2 ... 2.5 mm² / 0.2 ... 2.5 mm² / 24 - 14

Push-in connection solid/stranded/AWG

0.2 ... 1.5 mm² / 0.2 ... 1.5 mm² / 24 - 16

EMC note

Class A product, see page 605

Safety data as per ATEX

Maximum output voltage Uo

23.98 V

Maximum output current Io

37.4 mA

Maximum output power Po

224 mW

Maximum voltage U

m

253 V AC/DC

Conformance/Approvals

Conformance

CE-compliant, additionally EN 61326

ATEX

 II (1) G [Ex ia Ga] IIC/IIB

 II (1) D [Ex ia Da] IIIC

 II 3(1) G Ex nA [ia Ga] IIC T4 Gc X

IECEx

[Ex ia Ga] IIC/IIB , [Ex ia Da] IIIC , Ex nA [ia Ga] IIC T4 Gc

SIL in accordance with IEC 61508

3

Ordering data

Description

Type

Order No.

Pcs./

Pkt.

Solenoid driver

, logic input, intrinsically safe output, line fault 

detection

Screw connection

MACX MCR-EX-SL-SD-21-25-LFD

2905669

1

Push-in connection

MACX MCR-EX-SL-SD-21-25-LFD-SP

2905674

1

160

PHOENIX CONTACT

Solenoid driver for the intrinsically safe 

control of Ex i solenoid valves, alarm 
transmitters or indicators installed in the 
Ex area.
– Input: logic (low/high signal)
– Output: 25.1 mA current limitation at 

4.64 V, [Ex ia]

– Line fault detection (can be activated and 

deactivated)
- Directly via signal channel
- Or via switching output

– Transparent for test pulses
– Power supply and error indication 

possible via the DIN rail connector

– LED indicators for supply voltage, status, 

and fault according to NAMUR NE 44

– Plug-in screw or Push-in connection 

technology

– Safe 3-way electrical isolation
– Up to SIL 3 according to IEC/EN 61508
– Installation in Zone 2 permitted

Notes:

A list of suitable valves and notes for calculating a valve circuit are 

available from the download center at 

phoenixcontact.net/products.

Information on marking material can be found on page 177

Information on “Plug and play” connection using system cabling 

can be found from page 164

Digital OUT
Solenoid driver, Ex i

MCR technology

Ex i signal conditioners with SIL functional safety – MACX Analog Ex

new

25.1

 

mA current limitation with 

line fault detection

phoenixcontact-interface-technology-and-switching-devices-html.html
background image

P

O

W

ER

OU

T

IN

+

-

+

-

Se

n

sor

 

/

 Fi

e

l

d

Z

o

n

e

 

0

,1,

2

Z

o

n

e

 

2

0

,

2

1,

22

4.

2

4.1

+

-

4.

2

4.1

P

L

C

 

/

 

DCS

+

-

3

.

2

3

.1

DO

2

.1

2

.

2

D

I

Z

o

n

e

 

2

I

N

OUT

3

.

2

3

.1

4.

2

4.1

LF

D

F

a

u

l

ts

i

g

n

a

l

G

ND

+

2

4V

G

ND

+

2

4V

1.

2

1.1

2

.

2

2

.1

F

a

u

l

ts

i

g

n

a

l

D

i

v

. 1,

2

D

i

v

. 1

For further information and full technical data, visit phoenixcontact.net/products

Functional Safety

Ex: 

 

Housing width 12.5 mm

Technical data

Input data

Switching level 0 signal ("L")

0 V DC ... 5 V DC (Open)

Switching level 1 signal ("H")

15 V DC ... 30 V DC

Current input signal

< 12 mA

Input impedance in the event of a line fault at the output

3 M

 (High resistance (Mega 

))

Transparent for test pulses

Yes

Output data

Output voltage

 9.7 V DC (At 48 mA)

Current limitation

> 48 mA (With line fault detection)

No-load voltage

> 24.3 V DC

Internal resistance

 297 

 (Internal resistance R

i

)

Immunity to short-circuiting

yes

Response time t

A

< 30 ms

Line fault detection

< 50 

 (short circuit on the line)

> 10 k

 (line break)

Error message output

Switch contact

N/C contact

Max. switching voltage

30 V DC

Maximum switching current

50 mA

Short-circuit-proof

yes

General data

Supply voltage range

19.2 V DC ... 30 V DC (24 V DC -20%...+25%)

Current draw

< 90 mA (24 V DC)

Power dissipation

< 1.62 W

Electrical isolation

Output/input, error message output

375 V (Peak value in accordance with EN 60079-11)

300 V

rms

 (Rated insulation voltage (overvoltage category II; 

degree of pollution 2, safe isolation as per EN 61010-1))

2.5 kV (50 Hz, 1 min., test voltage)

Ambient temperature range

-20 °C ... 60 °C (Any mounting position)

Humidity

10 % ... 95 % (non-condensing)

Status indication

Green LED (supply voltage)

Yellow LED (switching state)

Red LED (line fault)

Degree of protection

IP20

Inflammability class in acc. with UL 94

V0

Housing material

PA 66-FR

Dimensions W/H/D

12.5 / 112.5 / 114.5 mm

Screw connection solid/stranded/AWG

0.2 ... 2.5 mm² / 0.2 ... 2.5 mm² / 24 - 14

Push-in connection solid/stranded/AWG

0.2 ... 1.5 mm² / 0.2 ... 1.5 mm² / 24 - 16

EMC note

Class A product, see page 605

Safety data as per ATEX

Maximum output voltage Uo

27.06 V

Maximum output current Io

91.11 mA

Maximum output power Po

616 mW

Maximum voltage U

m

253 V AC/DC

Conformance/Approvals

Conformance

CE-compliant, additionally EN 61326

ATEX

 II (1) G [Ex ia Ga] IIC/IIB

 II (1) D [Ex ia Da] IIIC

 II 3(1) G Ex nA [ia Ga] IIC T4 Gc X

IECEx

[Ex ia Ga] IIC/IIB , [Ex ia Da] IIIC , Ex nA [ia Ga] IIC T4 Gc

SIL in accordance with IEC 61508

3

Ordering data

Description

Type

Order No.

Pcs./

Pkt.

Solenoid driver

, logic input, intrinsically safe output, line fault 

detection

Screw connection

MACX MCR-EX-SL-SD-24-48-LFD

2906155

1

Push-in connection

MACX MCR-EX-SL-SD-24-48-LFD-SP

2906156

1

161

PHOENIX CONTACT

Solenoid driver for the intrinsically safe 

control of Ex i solenoid valves, alarm 
transmitters or indicators installed in the 
Ex area.
– Input: logic (low/high signal)
– Output: 48 mA current limitation at 

9.7 V, [Ex ia]

– Line fault detection (can be activated and 

deactivated)
- Directly via signal channel
- Or via switching output

– Transparent for test pulses
– Power supply and error indication 

possible via the DIN rail connector

– LED indicators for supply voltage, status, 

and fault according to NAMUR NE 44

– Plug-in screw or Push-in connection 

technology

– Safe 3-way electrical isolation
– Up to SIL 3 according to IEC/EN 61508
– Installation in Zone 2 permitted

Notes:

A list of suitable valves and notes for calculating a valve circuit are 

available from the download center at 

phoenixcontact.net/products.

Information on marking material can be found on page 177

Information on “Plug and play” connection using system cabling 

can be found from page 164

Digital OUT
Solenoid driver, Ex i

MCR technology

Ex i signal conditioners with SIL functional safety – MACX Analog Ex

new

48

 

mA current limitation with 

line fault detection

phoenixcontact-interface-technology-and-switching-devices-html.html
background image

OU

T

I

N

+

-

+

-

0

1

0

2

0

3

0

0

3

0

2

0

1

0

4

0

5

0

6

0

21

,9 V

5

,

5

V

P

LC / DC

S

Se

n

sor

/ F

iel

d

4.2

4.1

+

+

-

-

4.2

4.1

Z

o

n

e

2

D

i

v. 2

IN

OU

T

4.2

4.1

3.2

3.1

+

-

+

-

3.2

3.1

Z

o

n

e

0

,1,2

Z

o

n

e

2

0

,21,22

D

i

v. 1,2

DO

 

 Functional Safety

Ex: 

 EAC Ex 

 

 

Housing width 12.5 mm

Housing width 12.5 mm

Housing width 12.5 mm

Housing width 12.5 mm

Technical data

Input data

Input signal

20 V DC ... 30 V DC (24 V DC -16.7

 

%...+25

 

%)

20 V DC ... 30 V DC (24 V DC -16.7

Input current

10 mA ... 70 mA (45 mA for U

= 24 V DC)

10 mA ... 95 mA (65 mA for U

Output data

Output voltage

5.5 V DC (At 25 mA)

Current limitation

25 mA

No-load voltage

21.9 V DC

Internal resistance

641 

 (Internal resistance R

i

)

287 

Immunity to short-circuiting

yes

Response time t

A

20 ms

General data

Power dissipation

< 1 W

Temperature coefficient

0.01 %/K

Electrical isolation

Output/input

375 V (Peak value in accordance with EN 60079-11)

300 V

rms

 (Rated insulation voltage (overvoltage category II; 

degree of pollution 2, safe isolation as per EN 61010-1))

2.5 kV (50 Hz, 1 min., test voltage)

Ambient temperature range

-20 °C ... 60 °C (Any mounting position)

-

Status indication

Yellow LED (switching state / status, lights up when output circuit is 

active)

Degree of protection

IP20

Inflammability class in acc. with UL 94

V0

Dimensions W/H/D

12.5 / 99 / 114.5 mm

Screw connection solid/stranded/AWG

0.2 ... 2.5 mm² / 0.2 ... 2.5 mm² / 24 - 14

0.2 ... 2.5 mm² / 0.2 ... 2.5 mm² / 24 - 14

0.2 ..

Push-in connection solid/stranded/AWG

0.2 ... 1.5 mm² / 0.2 ... 1.5 mm² / 24 - 16

0.2 ... 1.5 mm² / 0.2 ... 1.5 mm² / 24 - 16

0.2 

EMC note

Class A product, see page 605

Class A product, see page

Safety data as per ATEX

Maximum output voltage Uo

25.1 V

Maximum output current Io

39 mA

Maximum output power Po

245 mW

Maximum voltage U

m

253 V AC (125 V DC)

Conformance/Approvals

Conformance

CE-compliant, additionally EN 61326

CE-compliant, additi

ATEX

 II 3 G Ex nA IIC T4 Gc X

 II (1) G [Ex ia Ga] IIC/IIB/IIA

 II (1) D [Ex ia Da] IIIC

IECEx

[Ex ia Ga] IIC/IIB/IIA , [Ex ia Da] IIIC , Ex nA IIC T4 Gc X

[Ex ia Ga] IIC/IIB/IIA

[Ex ia Ga] IIC/IIB/IIA

[Ex ia Ga] IIB/IIA

UL, USA/Canada

Class I Div 2; IS for Class I, II, III Div 1

Class I Div 2; IS for Class I, II, III Div 1

Class I Div 2; IS for Cla

SIL in accordance with IEC 61508

3

Ordering data

Description

Type

Order No.

Pcs./

Pkt.

Solenoid driver, 

loop-powered, output intrinsically safe

Screw connection

MACX MCR-EX-SL-SD-21-25-LP

2865492

1

Push-in connection

MACX MCR-EX-SL-SD-21-25-LP-SP

2924113

1

162

PHOENIX CONTACT

Digital OUT
Solenoid drivers, Ex i

Solenoid drivers for controlling 

intrinsically safe solenoid valves, alarm 
transmitters, and indicators installed in 
Ex areas.

– 20 to 30 V DC input
– Output [Ex ia]
– Various output characteristic curves 

compatible with the commercial solenoid 
valves

– Loop-powered: the required power is 

supplied via the control signal on the 
input side.

– Mechanically compatible with DIN rail 

connector

– 2-way electrical isolation
– Up to SIL 3 according to EN 61508
– Installation in Zone 2 permitted

Notes:

A list of suitable valves and notes for calculating a valve circuit are 

available from the download center at 

phoenixcontact.net/products.

Information on marking material can be found on page 177

Information on “Plug and play” connection using system cabling 

can be found from page 164

output current I [mA]

V

output

voltage

U

[V]

V

MCR technology

Ex i signal conditioners with SIL functional safety – MACX Analog Ex

Current limitation 25 mA

Current limitation 40 mA

Current limitation 48 mA

Current limitation 58 mA,

phoenixcontact-interface-technology-and-switching-devices-html.html
background image

0

1

0

2

0

3

0

0

3

0

2

0

1

0

4

0

5

0

6

0

21

,9 V

1

0,0 V

0

1

0

2

0

3

0

0

3

0

2

0

1

0

4

0

5

0

6

0

24 V

1

0

,5 V

0

1

0

2

0

3

0

0

3

0

2

0

1

0

4

0

5

0

6

0

21

,9 V

12

,9 V

For further information and full technical data, visit phoenixcontact.net/products

 Functional Safety

Ex: 

 EAC Ex 

 

 

 

 Functional Safety

Ex: 

 EAC Ex 

 

 

 

 Functional Safety

Ex: 

 EAC Ex 

 

 

Housing width 12.5 mm

Housing width 12.5 mm

Housing width 12.5 mm

Housing width 12.5 mm

Technical data

Technical data

Technical data

%)

20 V DC ... 30 V DC (24 V DC -16.7

 

%...+25

 

%)

20 V DC ... 30 V DC (24 V DC -16.7

 

%...+25

 

%)

20 V DC ... 30 V DC (24 V DC -16.7

 

%...+25

 

%)

= 24 V DC)

10 mA ... 95 mA (65 mA for U

= 24 V DC)

10 mA ... 95 mA (75 mA for U

= 24 V DC)

10 mA ... 105 mA (95 mA for U

= 24 V DC)

10 V DC (At 40 mA)

10.5 V DC (At 48 mA)

12.9 V DC (At 58 mA)

40 mA

48 mA

58 mA

21.9 V DC

24 V DC

21.9 V DC

)

287 

 (Internal resistance R

i

)

276 

 (Internal resistance R

i

)

133 

 (Internal resistance R

i

)

yes

yes

yes

20 ms

30 ms

30 ms

< 1.2 W

< 1.4 W

< 1.4 W

0.01 %/K

0.01 %/K

0.01 %/K

375 V (Peak value in accordance with EN 60079-11)

300 V

rms

 (Rated insulation voltage (overvoltage category II; 

degree of pollution 2, safe isolation as per EN 61010-1))

2.5 kV (50 Hz, 1 min., test voltage)

375 V (Peak value in accordance with EN 60079-11)

300 V

rms

 (Rated insulation voltage (overvoltage category II; 

degree of pollution 2, safe isolation as per EN 61010-1))

2.5 kV (50 Hz, 1 min., test voltage)

375 V (Peak value in accordance with EN 60079-11)

300 V

rms

 (Rated insulation voltage (overvoltage category II; 

degree of pollution 2, safe isolation as per EN 61010-1))

2.5 kV (50 Hz, 1 min., test voltage)

Ambient temperature range

-20 °C ... 60 °C (Any mounting position)

-20 °C ... 60 °C (Any mounting position)

-20 °C ... 60 °C (Any mounting position)

-20 °C ... 60 °C (Any mounting position)

Yellow LED (switching state / status, lights up when output circuit is 

active)

Yellow LED (switching state / status, lights up when output circuit is 

active)

Yellow LED (switching state / status, lights up when output circuit is 

active)

IP20

IP20

IP20

V0

V0

V0

12.5 / 99 / 114.5 mm

12.5 / 99 / 114.5 mm

12.5 / 99 / 114.5 mm

Screw connection solid/stranded/AWG

0.2 ... 2.5 mm² / 0.2 ... 2.5 mm² / 24 - 14

0.2 ... 2.5 mm² / 0.2 ... 2.5 mm² / 24 - 14

0.2 ... 2.5 mm² / 0.2 ... 2.5 mm² / 24 - 14

0.2 ... 2.5 mm² / 0.2 ... 2.5 mm² / 24 - 14

Push-in connection solid/stranded/AWG

0.2 ... 1.5 mm² / 0.2 ... 1.5 mm² / 24 - 16

0.2 ... 1.5 mm² / 0.2 ... 1.5 mm² / 24 - 16

0.2 ... 1.5 mm² / 0.2 ... 1.5 mm² / 24 - 16

0.2 ... 1.5 mm² / 0.2 ... 1.5 mm² / 24 - 16

EMC note

Class A product, see page 605

Class A product, see page 605

Class A product, see page 605

Class A product, see page 605

25.1 V

27.7 V

25.1 V

87 mA

101 mA

188 mA

550 mW

697 mW

1.18 W

253 V AC  (125 V DC)

253 V  AC  (125 V DC)

253 V  AC (125 V DC)

Conformance

CE-compliant, additionally EN 61326

CE-compliant, additionally EN 61326

CE-compliant, additionally EN 61326

CE-compliant, additionally EN 61326

 II 3 G Ex nA IIC T4 Gc X

 II (1) G [Ex ia Ga] IIC/IIB/IIA

 II (1) D [Ex ia Da] IIIC

 II 3 G Ex nA IIC T4 Gc X

 II (1) G [Ex ia Ga] IIC/IIB/IIA

 II (1) D [Ex ia Da] IIIC

 II 3 G Ex nA IIC T4 Gc X

 II (1) G [Ex ia Ga] IIB/IIA

 II (1) D [Ex ia Da] IIIC

IECEx

[Ex ia Ga] IIC/IIB/IIA , [Ex ia Da] IIIC , Ex nA IIC T4 Gc X

[Ex ia Ga] IIC/IIB/IIA

[Ex ia Ga] IIC/IIB/IIA

[Ex ia Ga] IIB/IIA

UL, USA/Canada

Class I Div 2; IS for Class I, II, III Div 1

Class I Div 2; IS for Class I, II, III Div 1

Class I Div 2; IS for Class I, II, III Div 1

Class I Div 2; IS for Class I, II, III Div 1

3

3

3

Ordering data

Ordering data

Ordering data

Type

Order No.

Pcs./

Pkt.

Type

Order No.

Pcs./

Pkt.

Type

Order No.

Pcs./

Pkt.

MACX MCR-EX-SL-SD-21-40-LP

2865764

1

MACX MCR-EX-SL-SD-24-48-LP

2865609

1

MACX MCR-EX-SL-SD-21-60-LP

2865515

1

MACX MCR-EX-SL-SD-21-40-LP-SP

2924139

1

MACX MCR-EX-SL-SD-24-48-LP-SP

2924126

1

MACX MCR-EX-SL-SD-21-60-LP-SP

2924100

1

163

PHOENIX CONTACT

output current I [mA]

V

output

voltage

U

[V]

V

output current

I [

m

A]

V

output

v

o

l

tage

U

[V]

V

output current I [mA]

V

output

v

oltage

U

[V]

V

MCR technology

Ex i signal conditioners with SIL functional safety – MACX Analog Ex

Current limitation 25 mA

Current limitation 40 mA

Current limitation 48 mA

Current limitation 58 mA,

[Ex ia] IIB

phoenixcontact-interface-technology-and-switching-devices-html.html
background image

TC... Termination Carriers

 are 

compact solutions for quickly and smoothly 
connecting DIN rail devices from the 
MACX Analog Ex series to input and output 
cards of automation systems using system 
cabling.

The Termination Carriers combine the 

advantages of modular DIN rail devices with 
those offered by plug and play rapid cabling 
solutions to provide a consistent solution 
for system technology.

Compact

– Space savings of up to 30%, thanks to 

compact design

Robust and reliable

– Stable, vibration-resistant aluminum 

carrier device profile

– PCB is completely decoupled from 

modules

– PCB without active components
– Redundant supply and monitoring in 

separate DIN rail module

Easy maintenance

– Use of standard DIN rail devices
– Easy access to connection points
– Quick and safe module connection with 

plug-in and coded cable sets

Flexible

– Horizontal or vertical DIN rail mounting
– Profile section without pitch markings for 

I/O cards with specific number of 
channels

– Can be specifically adapted for I/O cards 

of various automation systems with 
different system plug types

164

PHOENIX CONTACT

Termination Carrier for 
MACX Analog Ex signal conditioners

Solutions are also available for MINI Analog, 

MACX Analog Ex, and Safety

Select controller-specific front adapter and system cable

Select module carrier

Select standard DIN rail device

MCR technology

Ex i signal conditioners with SIL functional safety – MACX Analog Ex

phoenixcontact-interface-technology-and-switching-devices-html.html
background image

X

2

C

OMBI

C

ON

X

1

 DSUB 37

PTSM

+

+

C

H1

PW

2

PW

1

1 2

0

+

-

C

H2

2 21

+

-

C

H

3

3

22

+

-

C

H

4

4

2

3

+

-

C

H

5

5

2

4

-

C

H

6

6

2

5

+

-

C

H

7

7

2

6

-

C

H

8

8

2

7

+

-

C

H

9

9

2

8

+

-

C

H1

0

1

0

2

9

+

-

C

H11

11

30

+

-

C

H12

12

3

1

+

-

C

H1

3

1

3 3

2

+

-

C

H1

4

1

4 33

+

-

C

H1

5

1

5 34

+

-

C

H1

6

1

6 35

-

+

3.1

3.1

3.1

3.1

3.1

3.1

3.1

3.1

3.1

3.1

3.1

3.1

3.1

3.1

3.1

3.1

3.1

3.2

3.2

3.2

3.2

3.2

3.2

3.2

3.2

3.2

3.2

3.2

3.2

3.2

3.2

3.2

3.2

3.3

1.3

1.1 1.2

2.3

T-BUS

F1

1

1

2.1

2.2

T

C-

M

ACX-

M

CR-

PT

B

2

9

0

4673

F2

1

3 (+)

5 (+)

Ala

rm

PW

1

PW

2

2

4 (-)

6 (-)

1

3 (+)

2

1

1

1

1

1

1

1

1

1

1

1

1

1

1

1

1

PW

1

PW

2

For further information and full technical data, visit phoenixcontact.net/products

 

Ex: 

 

Housing width 242 mm

Technical data

General data

Connection to the control system level

D-SUB pin strip

Number of positions

37

Maximum operating voltage

< 30 V DC (Per signal/channel)

Maximum permissible current

23 mA (Signal/channel)

Rated insulation voltage

50 V

Degree of pollution

2

Overvoltage category

II

Rated surge voltage

0.5 kV

Air clearances and creepage distances

DIN EN 50178 ( Basic insulation )

Ambient temperature range

-20 °C ... 60 °C (Please observe module specifications)

Shock

15g, according to IEC 60068-2-27

Vibration (operation)

2g, according to IEC 60068-2-6

Dimensions W/H/D

242 / 170 / 160 mm

EMC note

Class A product, see page 605

Power supply via power module

Input voltage range

19.2 V DC ... 30 V DC

Redundant supply

yes, decoupled from diodes

Polarization and surge protection

Yes

Fuse

2x 2.5 A on PCB, slow-blow (replaceable)

Status indication

1 x red LED (error)

2x green LEDs (PWR1 and PWR2)

Switching output

1 N/C contact (alarm = open)

Maximum switching voltage

50 V DC (0.3 A) / 30 V DC (2 A) / 33 V AC (2 A)

Ordering data

Description

 

Type

Order No.

Pcs./

Pkt.

Universal Termination Carrier

 for 

16 single-channel MACX MCR-EX isolators

TC-D37SUB-ADIO16-EX-P-UNI

2924854

1

- With connection for multiplexer

TC-D37SUB-AIO16-EX-PS-UNI

2902932

1

Universal Termination Carrier

 for 

16 two-channel MACX MCR-EX isolators

TC-2D37SUB-ADIO32-2EX-P-UNI

2904684

1

Accessories

Power and fault signaling module

TC-MACX-MCR-PTB

2904673

1

HART multiplexer,

 32-channel

MACX MCR-S-MUX

2865599

1

165

PHOENIX CONTACT

The 

TC-D37SUB-ADIO16-EX-P-UNI

 

universal Termination Carrier is a compact 
solution which connects signal conditioners 
from the MACX Analog Ex series to analog 
or binary input/output cards of automation 
systems.

The 

TC-D37SUB-AIO16-EX-PS-UNI

 

Termination Carrier design, when 
combined with the MACX MCR-S-MUX 
HART multiplexer, also enables 
communication between HART-capable 
field devices and a management system.

The 

TC-D37SUB-ADIO16-2EX-P-UNI

 

universal Termination Carrier is a compact 
solution which connects two-channel signal 
conditioners from the MACX Analog Ex 
series to analog or binary input and output 
cards of automation systems.
– Connection of up to 16 single-channel 

(Ex i) signal conditioners

– Universal 1:1 signal routing to a 37-pos. 

D-SUB connector

– For system cables with D-SUB socket and 

open ends for universal connection

– Redundant supply and monitoring in 

separate DIN rail module

Notes:

Contact us: specific Termination Carrier designs for I/O modules of 

various automation systems are available, planned or can be 

implemented according to your specification.

Termination Carrier for 
MACX Analog Ex signal conditioners

TC-D37SUB-ADIO16-EX-P-UNI and TC-D37SUB-AIO16-EX-PS-UNI connection scheme

MCR technology

Ex i signal conditioners with SIL functional safety – MACX Analog Ex

phoenixcontact-interface-technology-and-switching-devices-html.html
background image

Housing width 35.2 mm

Technical data

Field devices interface (HART)

Channels

16 or 32; adjustable using a switch

Connection method

Flat-ribbon cable, 14-pos. (inclusive)

Signal

HART FSK

HART specification

HART Field Communication Protocol Rev. 6.0 

(downward compatible up to Rev 4.0); FSK Physical Layer 

Specification (Rev. 8.1)

Data transmission display

Two yellow "Tx" and "Rx" "HART" LEDs 

Display error

Red "ERR" LED (flashes in case of an error in the HART bus)

RS-485 interface

Connection method

D-SUB-9 socket

Signal

RS-485

Data flow control/protocols

Compatible with OPC HART server, PDM, PRM, and FDT/DTM

Number of HART multiplexers per bus segment

Max 31

Address setting

0...127; using a rotary switch at the front

Data rate

9600 / 19200 / 38400 / 57600 [bps]; via rotary switch at the front

Transmission length

 1200 m

Display

Two yellow "Tx" and "Rx" "RS-485" LEDs 

General data

Supply voltage range

18 V ... 31.2 V

Nominal supply voltage

24 V DC

Current consumption

55 mA

Power consumption

1.35 W

Operating voltage display

Green "PWR" LED 

Undervoltage monitoring

Yes (no faulty devices / output states)

Electrical isolation of HART signal/RS-485

350 V AC

Electrical isolation of HART signals between each other

100 V DC (Capacitive)

Electrical isolation of HART signal/supply

350 V AC

Electrical isolation of RS-485/supply

350 V AC

Error monitoring

Processor error: The "PWR" LED flashes; 

error in the HART communication: the "ERR" LED flashes

Ambient temperature range

-20 °C ... 60 °C

Humidity

 95 % (non-condensing)

Dimensions W/H/D

35.2 / 99 / 114.5 mm

Conformance/Approvals

Conformance

CE-compliant

Ordering data

Description

Type

Order No.

Pcs./

Pkt.

HART multiplexer,

 32-chanel, including 

two 14-wire flat-ribbon cables

MACX MCR-S-MUX

2865599

1

Accessories

Universal Termination Carrier

 for 

16 single-channel MACX MCR-EX isolators

- With connection for multiplexer

TC-D37SUB-AIO16-EX-PS-UNI

2902932

1

Module carrier

 for 

16 MINI Analog channels, power and feed-through module

- With connection for MACX MCR-S-MUX HART multiplexer

TC-D37SUB-AIO16-M-PS-UNI

2902934

1

HART connection board

MACX MCR-S-MUX-TB

2308124

1

Interface converter

PSM-ME-RS232/RS485-P

2744416

1

Repeater,

 for electrical isolation and increased range

PSM-ME-RS485/RS485-P

2744429

1

166

PHOENIX CONTACT

Multiplexer for digital connection of 

HART-capable field devices (such as 
measuring transducers or control valves) to 
a PC or management system.

– Supports online configuration and 

diagnostics for the connected 
HART-capable field devices

– Constant documentation of process 

variables and states

– 32 HART channels per multiplexer
– Up to 128 HART multiplexers at one 

PC interface

– Communication via software tool 

(e.g. HART OPC Server) using 
RS-485 interface

– Electrical isolation between auxiliary 

energy, RS-485 bus, and the HART 
channels

– HART field devices are accessed at the 

same time that the measurement signal is 
transmitted without affecting measured 
value processing

– HART field devices connected via 

universal HART connection boards; direct 
connection if processing non-Ex signals, 
with separate Ex i signal isolator 
connected upstream if processing 
Ex signals

– Power supplied via HART connection 

board

Multiplexer for HART signals

MCR technology

Ex i signal conditioners with SIL functional safety – MACX Analog Ex

H

W

D

phoenixcontact-interface-technology-and-switching-devices-html.html
background image

For further information and full technical data, visit phoenixcontact.net/products

167

PHOENIX CONTACT

MCR technology

Ex i signal conditioners with SIL functional safety – MACX Analog Ex

phoenixcontact-interface-technology-and-switching-devices-html.html
background image

P

O

W

ER

I

I

OU

T

2

I

OU

T

1

IN

P

O

W

ER

Z

o

n

e

 2

D

i

v. 2

Se

n

sor

 / F

iel

d

or

4.2

5.2

4.1

5.1

Z

o

n

e

 

0

,1,2

Z

o

n

e

 2

0

,21,22

D

i

v. 1,2

4.2

5.2

4.1

5.1

3.2

3.1

2.2

2.1

1.2

1.1

G

ND

OU

T

 1

OU

T

 2

+24V

G

ND +24V

Po

w

er

+

+

-

-

IN

OU

T

P

LC / DC

S

3.2

3.1

+

-

2.2

2.1

+

-

passive

passive

AI

 

Ex: 

 

 

Housing width 12.5 mm

Technical data

Input data

Input signal

4 mA ... 20 mA / 4 mA ... 20 mA

Transmitter supply voltage

> 16 V (20

 

mA)

Voltage drop

approx. 3.9 V

Output data

Output signal (Per output)

4 mA ... 20 mA (active)

Load

< 450 

 (20

 

mA)

Output ripple

< 20 mV

rms

General data

Supply voltage range

19.2 V DC ... 30 V DC (24 V DC -20%...+25%)

Current consumption

< 75 mA (24

 

V

 

DC / 20

 

mA)

Power dissipation

< 1.45 W (24 V DC/ 20 mA)

Temperature coefficient

< 0.01 %/K

Step response (10-90%)

1.3 ms (for jump 4

 

mA

 

...

 

20

 

mA, typical)

Transmission error, typical

< 0.05 % (of final value)

Maximum transmission error

< 0.1 % (of final value)

Under-/overload range

according to NE 43

Electrical isolation

Input/output/power supply

300 V

rms

 (Rated insulation voltage (overvoltage category II; 

degree of pollution 2, safe isolation as per EN 61010-1))

2.5 kV (50 Hz, 1 min., test voltage)

Input/output

375 V (Peak value in accordance with EN 60079-11)

Input/power supply

375 V (Peak value in accordance with EN 60079-11)

Output 1/output 2

1.5 kV AC (50 Hz, 1 min., test voltage)

Ambient temperature range

-20 °C ... 60 °C (Any mounting position)

Status indication

Green LED (PWR supply voltage)

SMART communication (Per output)

Yes

Protocols supported

HART

Housing material

PA 66-FR

Dimensions W/H/D

12.5 / 99 / 114.5 mm

Screw connection solid/stranded/AWG

0.2 ... 2.5 mm² / 0.2 ... 2.5 mm² / 24 - 14

Push-in connection solid/stranded/AWG

0.2 ... 1.5 mm² / 0.2 ... 1.5 mm² / 24 - 16

EMC note

Class A product, see page 605

Safety data as per ATEX

Maximum output voltage Uo

25.2 V

Maximum output current Io

93 mA

Maximum output power Po

587 mW

Maximum voltage U

m

253 V AC (125 V DC)

Conformance/Approvals

Conformance

CE-compliant, additionally EN 61326

ATEX

 II (1) G [Ex ia Ga] IIC/IIB

 II (1) D [Ex ia Da] IIIC

 II 3 (1)G Ex nA [ia Ga] IIC/IIB T4 Gc

IECEx

[Ex ia Ga] IIC/IIB , [Ex ia Da] IIIC , Ex nA [ia Ga] IIC/IIB T4 Gc

SIL in accordance with IEC 61508

2

Performance level according to ISO 13849

PLd

Ordering data

Description

Type

Order No.

Pcs./

Pkt.

Repeater power supply and input signal conditioner, signal 

duplicator

, with performance level, intrinsically safe input

Screw connection

MACX PL-EX-RPSSI-2I

2904959

1

Push-in connection

MACX PL-EX-RPSSI-2I-SP

2904960

1

168

PHOENIX CONTACT

– 4 to 20 mA input, [Ex ia], powered and 

not powered

– Two electrically isolated outputs, 4 to 

20 mA (active)

– PL d according to EN ISO 13849-1
– Up to SIL 2 according to IEC 61508
– Installation in Zone 2 possible
– Plug-in screw and Push-in connection 

technology

– 4-way electrical isolation
– Bidirectional HART communication 

possible

– Power supply via DIN rail connector 

possible

Notes:

Information about the supply and error evaluation module as well 

as about the DIN rail connectors and marking material can be 

found from page 174

Test plugs for test sockets can be found on page 176

Information on “Plug and play” connection using system cabling 

can be found from page 164

Analog IN
Repeater power supply, Ex i

MCR technology

Ex i signal conditioners with PL and SIL functional safety – MACX Safety Ex

Repeater power supply and input signal conditioner,

with two electrically isolated outputs

phoenixcontact-interface-technology-and-switching-devices-html.html
background image

P

O

W

ER

OU

T

OU

T

IN

P

O

W

ER

IN

P

O

W

ER

I

I

I

I

P

L

C

 

/

 

DCS

AI

Se

n

sor

 

/

 Fi

e

l

d

Z

o

n

e

 

2

3

.

2

3

.1

2

.

2

2

.1

G

ND

1.

2

1.1

+

2

4V

G

ND

+

2

4V

Po

w

er

Z

o

n

e

 

0

,1,

2

Z

o

n

e

 

2

0

,

2

1,

22

pass

i

ve

3

.

2

3

.1

+

-

HHT

I

N

OUT

CH1

CH2

a

c

t

i

ve

a

c

t

i

ve

pass

i

ve

2

.1

2

.

2

-

+

HHT

5

.

2

5

.1

5

.

2

5

.1

+

-

CH2

HHT

4.

2

4.1

4.

2

4.1

+

-

CH1

HHT

D

i

v

. 1,

2

D

i

v

. 1

For further information and full technical data, visit phoenixcontact.net/products

 

 Functional Safety

Ex: 

 

 

Housing width 12.5 mm

Technical data

Input data

per channel

Input signal

4 mA ... 20 mA

Transmitter supply voltage

> 16 V (at 20 mA)

Underload/overload signal range

0 mA ... 24 mA

Output data

per channel

Output signal

4 mA ... 20 mA (active)

Load

 450 

 (20 mA)

Underload/overload signal range

0 mA ... 24 mA

General data

Supply voltage range

19.2 V DC ... 30 V DC (24 V DC -20%...+25%)

Current consumption

< 100 mA (24 V / 20 mA)

Power dissipation

< 1.4 W (at 24 V DC / 20 mA)

Temperature coefficient

< 0.01 %/K

Step response (10-90%)

< 1.3 ms (for 4 mA ... 20 mA step)

Transmission error, typical

< 0.05 % (of final value)

Maximum transmission error

< 0.1 % (of final value)

Electrical isolation

Input/output, power supply

300 V

rms

 (Rated insulation voltage (overvoltage category II; 

degree of pollution 2, safe isolation as per EN 61010-1))

2.5 kV (50 Hz, 1 min., test voltage)

Input/output

375 V (Peak value in accordance with EN 60079-11)

Input/power supply

375 V (Peak value in accordance with EN 60079-11)

Output 1/output 2/ power supply

1.5 kV (50 Hz, 1 min., test voltage)

Ambient temperature range

-20 °C ... 60 °C (Any mounting position)

Status indication

Green LED (supply voltage)

SMART communication

Yes

Signal bandwidth

as per HART specifications

Protocols supported

HART

Housing material

PA 66-FR

Dimensions W/H/D

12.5 / 99 / 114.5 mm

Screw connection solid/stranded/AWG

0.2 ... 2.5 mm² / 0.2 ... 2.5 mm² / 24 - 14

Push-in connection solid/stranded/AWG

0.2 ... 1.5 mm² / 0.2 ... 1.5 mm² / 24 - 16

EMC note

Class A product, see page 605

Safety data as per ATEX

Maximum output voltage Uo

25.2 V

Maximum output current Io

93 mA

Maximum output power Po

587 mW

Maximum voltage U

m

253 V AC (125 V DC)

Conformance/Approvals

Conformance

CE-compliant, additionally EN 61326

ATEX

 II (1) G [Ex ia Ga] IIC/IIB

 II (1) D [Ex ia Da] IIIC

 II 3(1) G Ex nA [ia Ga] IIC T4 Gc

IECEx

[Ex ia Ga] IIC/IIB , [Ex ia Da] IIIC , Ex nA [ia Ga] IIC T4 Gc

SIL in accordance with IEC 61508

3

Performance level according to ISO 13849

PLd

Ordering data

Description

Type

Order No.

Pcs./

Pkt.

Repeater power supply,

 two-channel, with performance level, 

intrinsically safe input

Screw connection

MACX PL-EX-RPSS-2I-2I

2904963

1

Push-in connection

MACX PL-EX-RPSS-2I-2I-SP

2904964

1

169

PHOENIX CONTACT

– 2-channel
– 4 to 20 mA input, [Ex ia], powered
– 4 to 20 mA output (active)
– PL d according to EN ISO 13849-1
– Up to SIL 3 according to IEC 61508
– Installation in Zone 2 possible
– Plug-in screw and Push-in connection 

technology

– 3-way electrical isolation, per channel
– Bidirectional HART communication 

possible

– Power supply via DIN rail connector 

possible

Notes:

Information about the supply and error evaluation module as well 

as about the DIN rail connectors and marking material can be 

found from page 174

Test plugs for test sockets can be found on page 176

Information on “Plug and play” connection using system cabling 

can be found from page 164

Analog IN
Repeater power supply, Ex i

MCR technology

Ex i signal conditioners with PL and SIL functional safety – MACX Safety Ex

2-channel repeater power supply

phoenixcontact-interface-technology-and-switching-devices-html.html
background image

OU

T

IN

P

O

W

ER

I

Z

o

n

e

0

,1,2

Z

o

n

e

2

0

,21,22

Z

o

n

e

2

IN

OU

T

Po

w

er

24V ...23

0

V AC/DC

3.3

3.1

1.2

3.2

1.1

1.3

4.3

4.1

4.2

5.3

5.1

5.2

G

ND

I

OUT

N

C

P

LC / DC

S

passive

-

+

3.3

3.2

11

21

31

12

22

32

14

24

34

3.6

3.4

3.5

2.6

2.4

2.5

1.6

1.4

1.5

DI

DI

Se

n

sor

/ F

iel

d

4.3

4.1

4.2

ϑ

R

T

D

4.3

4.1

4.2

5.3

5.1

5.2

ϑ

Poti

T

C

-

+

ϑ

 

Ex: 

 EAC Ex 

 

Housing width 35 mm

Technical data

Input data

Resistance thermometers

Pt, Ni, Cu sensors: 2, 3, 4-wire

Thermocouple sensors

B, E, J, K, N, R, S, T, L, U, CA, DA, A1G, A2G, A3G, MG, LG

Resistor

 ... 50 k

Potentiometer

 ... 50 k

Voltage

-1000 mV ... 1000 mV

Output data

Output signal

4 mA ... 20 mA

Maximum output signal

22 mA

Load R

B

 600 

 (20 mA)

Behavior in the event of a sensor error

according to NE 43 or freely configurable

Switching output

Relay output

Contact type

2 PDT

Contact material

AgSnO

2

, hard gold-plated

Max. switching voltage

250 V AC (250 V DC)

Maximum switching current

2 A (250 V AC) / 2 A (28 V DC)

General data

Supply voltage range

24 V ... 230 V AC/DC (-20 %/+10 %, 50/60 Hz)

Power consumption

< 2.4 W

Temperature coefficient

0.01 %/K

Maximum transmission error

0.1 % (e.g. for Pt 100, 300 K span, 4 ... 20 mA)

Electrical isolation

Input/output/power supply

2.5 kV (50 Hz, 1 min., test voltage)

Input/output

375 V (Peak value in accordance with EN 60079-11)

Input/power supply

375 V (Peak value in accordance with EN 60079-11)

Input/switching output

375 V (Peak value in accordance with EN 60079-11)

Output/supply

300 V

rms

 (Rated insulation voltage (overvoltage category II; 

degree of pollution 2, safe isolation as per EN 61010-1))

Ambient temperature range

-20 °C ... 65 °C

Humidity

typ. 5 % ... 95 % (non-condensing)

Inflammability class in acc. with UL 94

V0

Housing material

PA 66-FR

Dimensions W/H/D

35 / 99 / 114.5 mm

Screw connection solid/stranded/AWG

0.2 ... 2.5 mm² / 0.2 ... 2.5 mm² / 24 - 14

Push-in connection solid/stranded/AWG

0.2 ... 1.5 mm² / 0.2 ... 1.5 mm² / 24 - 16

EMC note

Class A product, see page 605

Safety data as per ATEX

Maximum output voltage Uo

6 V

Maximum output current Io

7.4 mA

Maximum output power Po

11 mW

Conformance/Approvals

Conformance

CE-compliant

ATEX

 II (1) G [Ex ia Ga] IIC

 II (1) D [Ex ia Da] IIIC

 II 3 G Ex nA nC ic IIC T4 Gc X

IECEx

[Ex ia Ga] IIC , [Ex ia Da] IIIC , Ex nA nC ic IIC T4 Gc X

SIL in accordance with IEC 61508

2

Performance level according to ISO 13849

PLd

Ordering data

Description

Type

Order No.

Pcs./

Pkt.

Temperature transducer with threshold value switch,

 with 

performance level, intrinsically safe input

Screw connection

MACX PL-EX-T-UIREL-UP

2904910

1

Push-in connection

MACX PL-EX-T-UIREL-UP-SP

2904912

1

Accessories

Programming adapter

 for configuring modules with 

S-PORT interface

IFS-USB-PROG-ADAPTER

2811271

1

170

PHOENIX CONTACT

– Input for resistance thermometers, 

thermocouples, resistance-type sensors, 
potentiometers, mV sources, [Ex ia]

– Differential measurement possible with 

Pt 100

– A safety-related limit value relay, by 

bridging two relays

– An additional limit value relay for non-

safety-related function

– PL d according to EN ISO 13849-1
– Up to SIL 2 according to IEC 61508
– Configuration via software 

(ANALOG-CONF or FDT/DTM)

– Cold junction compensation with 

separate connector

– Wide range power supply 

19.2 to 253 V AC/DC

– Status indicators for supply voltage, cable, 

sensor, and module errors

– Installation in Zone 2 possible
– Plug-in screw and Push-in connection 

technology

Notes:

The configuration software can be downloaded from the Internet 

(phoenixcontact.net/products).

Information on the IFS-OP-UNIT operating and display unit and the 

associated IFS-OP-CRADLE DIN rail cradle can be found on 

page 171

For information on the programming adapter, refer to page 172

Temperature
Temperature transducer, Ex i

MCR technology

Ex i signal conditioners with PL and SIL functional safety – MACX Safety Ex

universal, with limit value relays,

wide-range power supply

phoenixcontact-interface-technology-and-switching-devices-html.html
background image

For further information and full technical data, visit phoenixcontact.net/products

Technical data

General data

Ambient temperature range

-20 °C ... 65 °C (-4 °F...149 °F)

Humidity

90 % (at 25 °C, non-condensing)

Housing material

PA 6.6

Dimensions W/H/D

35 / 99 / 20 mm

Connection method

PC side

S-PORT (socket)

Measuring transducer side

S-PORT (connector)

EMC note

Class A product, see page 605

Conformance/Approvals

Conformance

CE-compliant

ATEX

 II 3G Ex nA ic IIC T4 Gc X

IECEx

Ex nA ic IIC T4 Gc

Ordering data

Description

Type

Order No.

Pcs./

Pkt.

Operating and display unit

IFS-OP-UNIT

2811899

1

– Local display of actual values
– Copy function
– Easy guided operation
– Easy configuration without PC software
– Operating and display unit can be snapped 

directly onto compatible devices with a 
housing width of 35 mm

– DIN rail mounting possible for thinner 

devices in conjunction with cradle unit

– Backlighting
– Installation in Zone 2 permitted

Accessories,
operating and display unit

MCR technology

MACX Analog accessories

Can be snapped directly onto 

compatible 35 mm devices

Technical data

General data

Ambient temperature range

-20 °C ... 65 °C (-4 °F...149 °F)

Humidity

90 % (at 25 °C, non-condensing)

Housing material

PA 6.6

Dimensions W/H/D

35.2 / 29 / 99 mm

Connection method

IFS-OP-UNIT operator interface

S-PORT (socket)

Measuring transducer side

S-PORT (connector)

EMC note

Class A product, see page 605

Conformance/Approvals

Conformance

CE-compliant

ATEX

 II 3G Ex nA ic IIC T4 Gc X

IECEx

Ex nA ic IIC T4 Gc

Ordering data

Description

Type

Order No.

Pcs./

Pkt.

Cradle unit,

 for snapping the operating and display unit onto 

the DIN rail

IFS-OP-CRADLE

2811886

1

171

PHOENIX CONTACT

H

W

D

– For snapping onto the DIN rail
– For control cabinet mounting of the 

operating and display unit

Accessories,
cradle unit

Cradle for operating and display unit

phoenixcontact-interface-technology-and-switching-devices-html.html
background image

Ordering data

Description

Type

Order No.

Pcs./

Pkt.

Programming adapter

 for configuring modules with 

S-PORT interface

IFS-USB-PROG-ADAPTER

2811271

1

Programming adapter

The IFS-USB-PROG-ADAPTER 

programming adapter is used for configuring 
Phoenix Contact Interface modules with 
S-PORT interface.

The adapter is used with FDT/DTM 

software or ANALOG-CONF software. 
For programming the MACX Analog, 
MINI Analog Pro, and MINI Analog.

Accessories

MCR technology

MACX Analog accessories

Ordering data

Description

Type

Order No.

Pcs./

Pkt.

Shield fast connection,

 for connection to PLUGTRAB PT

For Ø 3-6 mm

SSA 3-6

2839295

10

For Ø 5-10 mm

SSA 5-10

2839512

10

172

PHOENIX CONTACT

Shield fast connection

– For connecting cable shielding to cable 

terminal points

– Can be connected to PLUGTRAB PT
– Easy assembly

Accessories

phoenixcontact-interface-technology-and-switching-devices-html.html
background image

For further information and full technical data, visit phoenixcontact.net/products

Ordering data

Description

Type

Order No.

Pcs./

Pkt.

DIN rail connector (TBUS),

 for bridging the supply voltage, can 

be snapped onto 35 mm DIN rails according to EN 60715, with 

UL approval

Color: green

ME 6,2 TBUS-2 1,5/5-ST-3,81 GN

2869728

10

ME 6,2 TBUS... DIN rail connector

DIN rail connector (5-pos.) for bridging 

the supply voltage of 12.5 mm wide 
MACX analog modules
– Reduced wiring effort
– System can be extended or module 

replaced even while process is active

– Inter-extendable

Accessories

MCR technology

MACX Analog accessories

Ordering data

Description

Type

Order No.

Pcs./

Pkt.

Dummy module with no function

with screw connection

MACX MCR-EX-DUMMY-ISOLATOR

2904970

1

with Push-in connection

MACX MCR-EX-DUMMY-ISOLATOR-SP

2905846

1

173

PHOENIX CONTACT

Dummy - 
MACX MCR-EX-DUMMY-ISOLATOR

Dummy module with no function for 

connecting unused intrinsically safe signal 
cables, with plug-in connection terminal 
blocks.

Accessories

phoenixcontact-interface-technology-and-switching-devices-html.html
background image

1.2

2.2

3.2

12

3.3

14

1.1

2.1

3.1

11

F

a

u

lt o

u

t

P

W

R 2

P

W

R 1

+

+

F

a

u

ltsig

n

al

G

ND

+24V

LFD

 

 DNV GL 

Ex: 

 

Housing width 17.5 mm

Technical data

Input data

Input signal

19.2 V DC ... 30 V DC (24 V DC -20%...+25%)

Redundant supply

yes, decoupled from diodes

Polarization and surge protection

Yes

Output data

Maximum output signal

3.75 A

Output voltage

Input voltage - max 0.8 V at 3.75 A

Switching output

Relay

Contact type

1 PDT

Contact material

Gold (Au)

Max. switching voltage

50 V AC (50

 

V

 

DC (0.3

 

A) / 50

 

V

 

DC (2 A) / 33

 

V

 

AC (2 A))

General data

Ambient temperature range

-20 °C ... 60 °C (Any mounting position)

Humidity

5 % ... 95 % (non-condensing)

Fuse

5 A (replaceable), slow-blow 250 V AC

Status indication

1 x red LED (error)

2 x green LEDs (PWR1 and PWR2)

Inflammability class in acc. with UL 94

V0

Housing material

Polyamide (PA 6.6)

Dimensions W/H/D

17.5 / 99 / 114.5 mm

Screw connection solid/stranded/AWG

0.2 ... 2.5 mm² / 0.2 ... 2.5 mm² / 24 - 14

Push-in connection solid/stranded/AWG

0.2 ... 1.5 mm² / 0.2 ... 1.5 mm² / 24 - 16

EMC note

Class A product, see page 605

Conformance/Approvals

Conformance

CE-compliant

ATEX

 II 3 G Ex nA nC IIC T4 Gc X

IECEx

Ex nA nC IIC T4 Gc X

UL, USA/Canada

UL 61010 Listed

Class I, Div. 2, Groups A, B, C, D T5

Class I, Zone 2, Group IIC

Ordering data

Description

Type

Order No.

Pcs./

Pkt.

Power and fault signaling module, 

including the relevant DIN rail 

connector ME 17,5 TBUS 1,5/5-ST-3,81 GN

Screw connection

MACX MCR-PTB

2865625

1

Push-in connection

MACX MCR-PTB-SP

2924184

1

174

PHOENIX CONTACT

Power and fault signaling module

Power and fault signaling module for 

feeding the 24 V supply voltage to the 
DIN rail connectors and signaling line faults 
and power supply failures.
– One-time or redundant supply, decoupled 

from diode, protected against 
polarization

– Supply current up to 3.75 A
– Relay output (PDT) and flashing LED for 

error messages

– Error message in the event of a power 

supply failure or fuse fault

– Bus cable fault message for 

MACX MCR-...(2)NAM... devices 
connected via DIN rail connectors

– Replaceable fuse
– Installation in Zone 2 permitted

Accessories

MCR technology

MACX Analog accessories

H

W

D

phoenixcontact-interface-technology-and-switching-devices-html.html
background image

For further information and full technical data, visit phoenixcontact.net/products

Ex: 

Housing width 17.5 mm

Technical data

Input data

Input signal

19.2 V DC ... 30 V DC

Redundant supply

yes, decoupled from diodes

Polarization and surge protection

Yes

Output data

Maximum output signal

2 A (Redundancy range)

Output voltage

Input voltage - 0.7 V

Switching output

Relay

Contact type

1 PDT

Contact material

Gold (Au)

Max. switching voltage

50 V AC/DC (33 V AC (2 A) / 50 V DC (0.3 A) / 30 V DC (2 A))

General data

Ambient temperature range

-20 °C ... 60 °C (only on Termination Carrier)

Humidity

5 % ... 95 % (non-condensing)

Status indication

1 x red LED (error)

2 x green LEDs (PWR1 and PWR2)

Inflammability class in acc. with UL 94

V0

Housing material

Polyamide (PA 6.6)

Dimensions W/H/D

17.5 / 99 / 114.5 mm

Screw connection solid/stranded/AWG

0.2 ... 2.5 mm² / 0.2 ... 2.5 mm² / 24 - 14

Push-in connection solid/stranded/AWG

0.2 ... 2.5 mm² / 0.2 ... 2.5 mm² / 24 - 14

EMC note

Class A product, see page 605

Conformance/Approvals

Conformance

CE-compliant

ATEX

 II 3 G Ex nA nC IIC T4 Gc X

IECEx

Ex nA nC IIC T4 Gc X

UL, USA/Canada

UL 61010 Listed

Class I, Div. 2, Groups A, B, C, D T5

Class I, Zone 2, Group IIC

Ordering data

Description

Type

Order No.

Pcs./

Pkt.

Power and fault signaling module

without integrated fuse

Screw connection

TC-MACX-MCR-PTB

2904673

1

175

PHOENIX CONTACT

Power and fault signaling module

Power and fault signaling module for 

supplying the 24 V supply voltage to the 
DIN rail connectors of the MACX Analog 
Ex Termination Carriers and signaling line 
faults and power supply failures.
– One-time or redundant supply, decoupled 

from diode, protected against 
polarization

– Feed-in current up to 2 A protected by 

Termination Carrier PCB

– Relay output (PDT) and flashing LED for 

error messages

– Error message in the event of a power 

supply failure or fuse fault

– Bus cable fault message for 

MACX MCR-...(2)NAM... devices 
connected via DIN rail connectors

– Installation in Zone 2 possible

Accessories

MCR technology

MACX Analog accessories

H

W

D

phoenixcontact-interface-technology-and-switching-devices-html.html
background image

Ordering data

Description

Color

Type

Order No.

Pcs./

Pkt.

Double-level terminal block

, with pre-assembled resistors

with screw connection

gray

UKK 5-2R/NAMUR

2941662

50

Cover

, width 2.5 mm

gray

D-UKK 3/5

2770024

50

blue

D-UKK 3/5 BU

2770105

50

Resistance circuit

Double-level terminal block with 

resistance circuit according to NAMUR for 
line fault detection in the case of mechanical 
contacts

Important:

– For intrinsically safe circuits, only in 

combination with D-UKK 3/5 cover

Accessories

MCR technology

MACX Analog accessories

Ordering data

Description

Color

Type

Order No.

Pcs./

Pkt.

Test plug,

 consisting of:

Metal part

 for 2.3 mm Ø socket hole and

silver

MPS-MT

0201744

10

Insulating sleeve,

 for MPS metal part

red

MPS-IH RD

0201676

10

black

MPS-IH BK

0201731

10

gray

MPS-IH GY

0201728

10

green

MPS-IH GN

0201702

10

yellow

MPS-IH YE

0201692

10

blue

MPS-IH BU

0201689

10

white

MPS-IH WH

0201663

10

176

PHOENIX CONTACT

Test plug

Accessories

phoenixcontact-interface-technology-and-switching-devices-html.html
background image

For further information and full technical data, visit phoenixcontact.net/products

Ordering data

Description

Color

Type

Order No.

Pcs./

Pkt.

UniCard, 

with self-adhesive plastic labels

10-part, lettering field size: 11

 

x

 

9

 

mm

white

UC-EMLP (11X9)

0819291

10

UniCard,

 with self-adhesive plastic labels, 

marked according to 

customer specifications

For ordering details, see Catalog 3 or phoenixcontact.net/product.

10-part, lettering field size: 11

 

x

 

9

 

mm

white

UC-EMLP (11X9) CUS

0824547

1

177

PHOENIX CONTACT

Marking material for device marking

– For device marking inside the control 

cabinet and in the field

– Self-adhesive with high adhesive strength
– Large temperature range

Accessories

MCR technology

MACX Analog accessories

phoenixcontact-interface-technology-and-switching-devices-html.html
background image

178

PHOENIX CONTACT

MCR technology

Process indicators and field devices – Field Analog

The Field Analog process indicators allow 

you to monitor and display analog and 
temperature signals as well as control them 
via digital and analog inputs and outputs.

Further advantages:

– 2-conductor sensors are powered by the 

integrated measuring transducer supply

– International use, thanks to UL and 

CSA approvals

phoenixcontact-interface-technology-and-switching-devices-html.html
background image

For further information and full technical data, visit phoenixcontact.net/products

179

PHOENIX CONTACT

MCR technology

Process indicators and field devices – Field Analog

Universal use

Field Analog process indicators are 

available for field and control panel 
installation. The universal inputs allow you 
to record current, voltage, RTDs, and TCs.

Everything at a glance

Current process values are easy to read 

on the five-digit backlit displays. The bar 
graph also provides you with a quick 
overview. You can recognize alarm statuses 
easily from a distance by their changing 
color.

Easy installation and startup

Thanks to the standardized housing 

dimensions and plug-in connection terminal 
blocks, the indicators are easy to install. 
The devices are easy to configure via the 
keypad on the front or via FDT/DTM 
software.

Intrinsic safety Zone 0, Zone 20

Also for intrinsically safe circuits in the 

Ex area: versions with ATEX, CSA, and 
FM approval.

Distributed control cabinet installation

MCR temperature transducers for 

resistance thermometers, thermocouples, 
resistance-type sensors, and voltage 
sensors are also available for control cabinet 
installation.

Head-mounted transducer

With head-mounted transducers you can 

record temperatures directly in the field and 
convert them into standard signals.

phoenixcontact-interface-technology-and-switching-devices-html.html
background image

OUT

POW

E

R

I

N

POW

E

R

U

,I

U

,I

2x

Z

o

n

e

I

N

Se

n

sor

 

/

 Fi

e

l

d

2

.

3

2

.4

OUT

1.1

1.

3

2

4V...

23

0

V A

C/DC

L

/

+

N/

-

4.

3

4.4

2

.4

2

.

3

2

.

2

2

.1

2

.

3

2

.4

1.

3

2

.4

1.4

2

.4

1.1

1.4

P

E

1.

2

1.4

2

.1

2

.

3

2

.

2

2

.4

4.

2

4.4

4.

3

R

.1

2

4.1

2x

Po

w

er

R

.11

R

.1

3

R

.

22

R

.

2

1

R

.

23

Pass

i

ve

R

.1

2

R

.11

R

.1

3

R

.

22

R

.

2

1

R

.

23

D

I

D

I

2

-

w

i

re

4-

w

i

re

4-

w

i

re

4-

w

i

re

PWR

I

N

+

O

u

t

 I-

O

u

t

 I+

O

u

t

 I-

O

u

t

 

U

+

O

u

t

 

U

-

O

u

t

 

U

+

O

u

t

 

U

-

U

S

U

S

U

S

>1V

+

-

 

 DNV GL

Housing width 96 mm

Technical data

Input data

U input

I input

Input signal

0 V ... 10 V

2 V ... 10 V

0 V ... 5 V

0 V ... 1 V

1 V ... 5 V

-1 V ... 1 V

-10 V ... 10 V

-30 V ... 30 V

-100 mV ... 100 mV

0 mA ... 20 mA +10 %

4 mA ... 20 mA +10 %

Input data

RTD

TC

Sensor types that can be used

Pt, Ni, Cu sensors

J, K, T, N, B, S, R, U. L, C, D

Connection method

2, 3, 4-wire

-

Measuring rate

200 ms

200 ms

Temperature measuring range

-200 °C ... 1100 °C (Range 

depends on sensor type, 

adjustable)

-200 °C ... 2495 °C (Range 

depends on sensor type, 

adjustable)

Input resistance

-

10 

Output data

U output

I output

Output signal

0 V ... 10 V

2 V ... 10 V

0 V ... 5 V

1 V ... 5 V

0 mA ... 20 mA

4 mA ... 20 mA

Display

7-segment LC display, with backlight, dot matrix for text/bar graph

Number of the displayed positions

5

Switching output

Transistor output, active

Open collector output

Number of outputs

1

Switching output

Relay output

Contact type

2 PDT

Max. switching voltage

30 V DC (3 A) / 230 V AC (3 A)

Maximum switching current

3 A

Minimum switching current

10 mA

General data

Supply voltage range

24 V DC ... 230 V DC

Degree of protection

IP65 from the front

Ambient temperature (operation)

-20 °C ... 60 °C

Housing material

PC-GF10

Dimensions W/H/D

96 / 48 / 151.8 mm

Control panel cutout

92 x 45 mm

Screw connection solid/stranded/AWG

0.14 ... 1.5 mm² / 0.14 ... 1.5 mm² / 26 - 16

Conformance/Approvals

FA MCR-D-TUI-UI-2REL-UP

FA MCR-EX-D-TUI-UI-2REL-UP

Conformance

CE-compliant

CE-compliant

ATEX

-

 II (1) G [Ex ia Ga] IIC

UL, USA/Canada

UL 61010 Recognized

UL 61010 Recognized

FM approval

-

AIS, NI/I/2/ABCDEFG/T4

CSA

CSA GP

AIS, NI/I/2/ABCDEFG/T4

GL

GL EMC 1 C

EMC1 C

Ordering data

Description

Type

Order No.

Pcs./

Pkt.

Multifunctional process indicator, 

in control panel component 

housing for monitoring and displaying analog measurement data

FA MCR-D-TUI-UI-2REL-UP

2907064

1

FA MCR-EX-D-TUI-UI-2REL-UP

2907216

1

Accessories

Software adapter cable,

 2.4 m long, with USB connection, for 

programming

MCR-PAC-T-USB

2309000

1

180

PHOENIX CONTACT

For installation in the control cabinet

– Multifunctional process indicator, in 

control panel component housing for 
monitoring and displaying analog 
measurement data

– Supply of 2-conductor sensors
– Safe 4-way isolation
– Configurable via software or hardware 

keypad on the front

– Universal inputs for connection of 

current, voltage, RTDs, and TCs

– Limit value monitoring with two relay 

outputs

– Process signal transmission via analog 

output

– Display changes color in the event of an 

error

Notes:

The configuration software can be downloaded from the Internet 

(phoenixcontact.net/products).

Multifunctional process indicator

MCR technology

Process indicators and field devices – Field Analog

Multifunctional process indicator for 

installation in the control cabinet

phoenixcontact-interface-technology-and-switching-devices-html.html
background image

OUT

POW

E

R

I

N

POW

E

R

U

,I

U

,I

2x

Z

o

n

e

I

N

Se

n

sor

 

/

 Fi

e

l

d

2

.

3

2

.4

OUT

1.1

1.

3

2

4V...

23

0

V A

C/DC

L

/

+

N/

-

4.

3

4.4

2

.4

2

.

3

2

.

2

2

.1

2

.

3

2

.4

1.

3

2

.4

1.4

2

.4

1.1

1.4

P

E

1.

2

1.4

2

.1

2

.

3

2

.

2

2

.4

4.

2

4.4

4.

3

R

.1

2

4.1

2x

Po

w

er

R

.11

R

.1

3

R

.

22

R

.

2

1

R

.

23

Pass

i

ve

R

.1

2

R

.11

R

.1

3

R

.

22

R

.

2

1

R

.

23

D

I

D

I

2

-

w

i

re

4-

w

i

re

4-

w

i

re

4-

w

i

re

PWR

I

N

+

O

u

t

 I-

O

u

t

 I+

O

u

t

 I-

O

u

t

 

U

+

O

u

t

 

U

-

O

u

t

 

U

+

O

u

t

 

U

-

U

S

U

S

U

S

>1V

+

-

For further information and full technical data, visit phoenixcontact.net/products

 

Housing width 199 mm

Technical data

Input data

U input

I input

Input signal

0 V ... 10 V

2 V ... 10 V

0 V ... 5 V

0 V ... 1 V

1 V ... 5 V

-1 V ... 1 V

-10 V ... 10 V

-30 V ... 30 V

-100 mV ... 100 mV

0 mA ... 20 mA +10 %

4 mA ... 20 mA +10 %

Input data

RTD

TC

Sensor types that can be used

Pt, Ni, Cu sensors

J, K, T, N, B, S, R, U. L, C, D

Connection method

2, 3, 4-wire

-

Measuring rate

200 ms

200 ms

Temperature measuring range

-200 °C ... 1100 °C (Range 

depends on sensor type, 

adjustable)

-200 °C ... 2495 °C (Range 

depends on sensor type, 

adjustable)

Input resistance

-

10 

Output data

U output

I output

Output signal

0 V ... 10 V

2 V ... 10 V

0 V ... 5 V

1 V ... 5 V

0 mA ... 20 mA

4 mA ... 20 mA

Display

7-segment LC display, with backlight, dot matrix for text/bar graph

Number of the displayed positions

5

Switching output

Transistor output, active

Open collector output

Number of outputs

1

Switching output

Relay output

Contact type

2 PDT

Max. switching voltage

30 V DC (3 A) / 230 V AC (3 A)

Maximum switching current

3 A

Minimum switching current

10 mA

General data

Supply voltage range

24 V DC ... 230 V DC

Degree of protection

IP67

Ambient temperature (operation)

-40 °C ... 50 °C (The readability of the display is no longer 

guaranteed at temperatures below -30 °C (-22 °F).)

Housing material

PBT GF30

Dimensions W/H/D

199 / 160 / 96 mm

Screw connection solid/stranded/AWG

0.2 ... 2.5 mm² / 0.2 ... 2.5 mm² / 24 - 14

Conformance/Approvals

FA MCR-FD-TUI-UI-2REL-UP

FA MCR-EX-FD-TUI-UI-2REL-UP

Conformance

CE-compliant

CE-compliant

ATEX

-

 II (1) G [Ex ia Ga] IIC

UL, USA/Canada

UL 61010 Recognized

UL 61010 Recognized

FM approval

-

AIS / I / 1 / ABCDEFG

CSA

CSA GP

Associated Apparatus

Ordering data

Description

Type

Order No.

Pcs./

Pkt.

Multifunctional process indicator, 

in field housing for monitoring 

and displaying analog measurement data

FA MCR-FD-TUI-UI-2REL-UP

2907780

1

FA MCR-EX-FD-TUI-UI-2REL-UP

2907781

1

Accessories

Software adapter cable,

 2.4 m long, with USB connection, for 

programming

MCR-PAC-T-USB

2309000

1

Pipe or wall mounting set, 

for use with multi-functional process 

indicator in field housing

FA MCR-FD-PM

2908739

1

181

PHOENIX CONTACT

Field housing

– Multifunctional process indicator, in 

control panel component housing for 
monitoring and displaying analog 
measurement data

– Supply of 2-conductor sensors
– Safe 4-way isolation
– Configurable via software or hardware 

keypad on the front

– Universal inputs for connection of 

current, voltage, RTDs, and TCs

– Limit value monitoring with two relay 

outputs

– Process signal transmission via analog 

output

– Display changes color in the event of an 

error

Notes:

The configuration software can be downloaded from the Internet 

(phoenixcontact.net/products).

Multifunctional process indicator

MCR technology

Process indicators and field devices – Field Analog

new

Multifunctional process indicator in 

field housing

phoenixcontact-interface-technology-and-switching-devices-html.html
background image

OUT

I

N

POW

E

R

I

I

0

 

0

 

0

 

0

I

N

OUT

1.1

1.

2

1.

3

1.4

1.

5

1.4

1.

5

1.1

1.

2

1.

3

Pass

i

ve

PWR

p

ass

i

ve

 i

n

PWR

act

i

ve

-

+

Housing width 96 mm

Technical data

Input data

I

HART

Input signal

4 mA ... 20 mA

up to 4x HART signals

Maximum input signal

200 mA

-

Voltage drop

 1 V

 1.9 V

 3.9 V (with display lighting)

 4.8 V (with display lighting)

Input impedance

approx. 50 

R

= 40

 Ω

 / C

= 2.3

 

nF

Output data

Display

7-segment LC display, with backlight, dot matrix for text/bar graph

Number of the displayed positions

5

General data

Supply voltage range

loop-powered, no external supply necessary

Resolution A/D

> 13 bit

Degree of protection

IP65 (Front)

IP20 (On the rear)

Ambient temperature (operation)

-40 °C ... 60 °C

Housing material

Aluminum / polycarbonate

Dimensions W/H/D

96 / 48 / 41.5 mm

Control panel cutout

92 x 45 mm

Screw connection solid/stranded/AWG

0.14 ... 1.5 mm² / 0.14 ... 1.5 mm² / 26 - 16

Conformance/Approvals

Conformance

CE-compliant

Ordering data

Description

Type

Order No.

Pcs./

Pkt.

Output loop-powered process indicator

 inside the control panel 

housing for representing current or HART signals

FA MCR-DS-I-I-OLP

2908781

1

182

PHOENIX CONTACT

For installation in the control cabinet

– Loop-powered
– Display of 4 to 20 mA or HART signals
– Low  voltage  drop
– 5-digit 7-segment display
– Display value can be scaled
– Low  installation  depth
– Configurable via front keypad
– SIL-impact-free according to EN61508

Loop-powered process indicator

MCR technology

Process indicators and field devices – Field Analog

new

Loop-powered process indicator with 

HART communication for 

installation in the control cabinet

Opt

i

ona

for

 LE

D

b

ackground

li

ght

i

ng

phoenixcontact-interface-technology-and-switching-devices-html.html
background image

OUT

I

N

POW

E

R

I

I

0

 

0

 

0

 

0

I

N

OUT

1.1

1.

2

1.

3

1.4

1.

5

1.4

1.

5

1.1

1.

2

1.

3

Pass

i

ve

PWR

pass

i

ve

 i

n

PWR

act

i

ve

-

+

For further information and full technical data, visit phoenixcontact.net/products

Housing width 131 mm

Technical data

Input data

I

HART

Input signal

4 mA ... 20 mA

up to 4x HART signals

Maximum input signal

200 mA

-

Voltage drop

 1 V

 1.9 V

 3.9 V (with display lighting)

 4.8 V (with display lighting)

Input impedance

approx. 50 

R

= 40

 Ω

 / C

= 2.3

 

nF

Output data

Display

7-segment LC display, with backlight, dot matrix for text/bar graph

Number of the displayed positions

5

General data

Supply voltage range

loop-powered, no external supply necessary

Resolution A/D

> 13 bit

Degree of protection

IP66/IP67

NEMA 4X

Ambient temperature (operation)

-40 °C ... 60 °C

Housing material

Aluminum

Dimensions W/H/D

131 / 81.5 / 55.5 mm

Screw connection solid/stranded/AWG

0.14 ... 1.5 mm² / 0.14 ... 1.5 mm² / 26 - 16

Conformance/Approvals

Conformance

CE-compliant

Ordering data

Description

Type

Order No.

Pcs./

Pkt.

Output loop-powered process indicator

 inside field housing for 

representing current or HART signals

FA MCR-FDS-I-I-OLP

2908782

1

Accessories

Pipe or wall mounting set, 

for use with output loop-powered 

process indicator in field housing

FA MCR-FDS-PM

2908783

1

183

PHOENIX CONTACT

Field housing

– Loop-powered
– Display of 4 to 20 mA or HART signals
– Low  voltage  drop
– 5-digit 7-segment display
– Display value can be scaled
– Low  installation  depth
– Configurable via front keypad
– SIL-impact-free according to EN61508

Loop-powered process indicator

MCR technology

Process indicators and field devices – Field Analog

new

Loop-powered process indicator with 

HART communication in field housing

Opt

i

ona

for

 LE

D

b

ackground

li

ght

i

ng

phoenixcontact-interface-technology-and-switching-devices-html.html
background image

m

a

x.

1

9

,3

5

9

4

8

24

I

N

P

O

WE

R

0 0 0 0 0

U

,I

I

N

OUT

3

4

5

6

4-

w

i

re

Out

 I

GND

U

S

7

6

4-

w

i

re

Out

 I

GND

U

S

5

6

7

1

2

3

4

Power

1

0

V...

30

DC

 

Housing width 48 mm

Technical data

Input data

U input

I input

Input signal

0 ... 10 V

0 ... 20 mA / 4 ... 20 mA

Maximum input signal

30 V DC

50 mA

Input resistance

> 1 M

approx. 100 

 with 5 mA / 

approx. 70 

 with 20 mA

Resolution

1 mV

2 µA

Measuring rate

0.5 to 2 measurements/second

Input latch signal

Display stop

Switching level

1 signal ("H")

4 V DC ... 30 V DC

0 signal ("L")

0 V DC ... 2 V DC

Output data

Display

7-segment LED; 8 mm; red

Number of the displayed positions

5

Accuracy

< 0.1 % ±1 digit (At an ambient temperature of 20°C)

General data

Supply voltage range

10 V DC ... 30 V DC

Current consumption

50 mA

Mass storage

EEPROM 1 mil. memory cycles or 10 years

Resolution A/D

14 bit

System hum suppression

Digital filtering 50/60 Hz

Test voltage input/power supply

500 V

rms

 (50/60 Hz, 1 min.)

Degree of protection

IP65 from the front

Ambient temperature (operation)

-10 °C ... 50 °C

Housing material

Macrolon 2405

Dimensions W/H/D

48 / 24 / 68 mm

Control panel cutout

22(+0.6)x45(+0.8) mm

Screw connection solid/stranded/AWG

0.14 ... 1.5 mm² / 0.14 ... 1.5 mm² / 26 - 16

Conformance/Approvals

Conformance

CE-compliant

UL, USA/Canada

UL 508 Recognized

Ordering data

Description

Type

Order No.

Pcs./

Pkt.

MCR process display,

 for measuring and 

displaying standard signals

MCR-SL-D-U-I

2864011

1

Accessories

MCR DIN rail adapter

 for digital displays in 

a 24 x 48 mm housing

MCR-SL-D-RA

2810081

1

184

PHOENIX CONTACT

– For 0 to 10 V and 0(4) to 20 mA standard 

analog signals

– Configurable
– 5 positions displayed
– 8 mm LED, 7-segment
– Electrical isolation
– Minimum/maximum value storage
– Latch/hold function for storing the display 

value

– Display 48 x 24 mm

Displays
Standard signals

MCR technology

Process indicators and field devices – Field Analog

for standard analog signals, 

configurable

phoenixcontact-interface-technology-and-switching-devices-html.html
background image

m

a

x.1

9

,3

5

9

24

4

8

OUT

I

N

POW

E

R

f

0

 

0

 

0

 

0

I

N

OUT

3

4

5

1

2

6

7

Power

1

0

V...

30

DC

2

4

2

5

2

3

S

E

T/R

E

S

E

T

GND

I

NPB

GND

I

NP

A

GND

D

I

6

7

For further information and full technical data, visit phoenixcontact.net/products

 

Housing width 48 mm

Technical data

Input data

Maximum input signal

60 kHz

Input resistance

10 k

Switching level

1 signal ("H")

4 V DC ... 30 V DC

0 signal ("L")

0 V DC ... 2 V DC

Output data

Display

7-segment LED; 8 mm; red

Number of the displayed positions

6

Switching output

1 NPN optocoupler

Max. switching voltage

30 V DC

Maximum switching current

10 mA

General data

Supply voltage range

10 V DC ... 30 V DC

Current consumption

max. 40 mA

Mass storage

EEPROM 1 mil. memory cycles or 10 years

Degree of protection

IP65 from the front

Ambient temperature (operation)

-20 °C ... 65 °C

Housing material

Macrolon 2405

Dimensions W/H/D

48 / 24 / 68 mm

Control panel cutout

22(+0.6)x45(+0.8) mm

Screw connection solid/stranded/AWG

0.14 ... 1 mm² / 0.14 ... 1.5 mm² / 26 - 16

Conformance/Approvals

Conformance

CE-compliant

UL, USA/Canada

UL 508 Recognized

Ordering data

Description

Type

Order No.

Pcs./

Pkt.

MCR digital display,

 for measurement and 

display of frequencies, pulses, and times

MCR-SL-D-FIT

2864024

1

Accessories

MCR DIN rail adapter

 for digital displays in 

a 24 x 48 mm housing

MCR-SL-D-RA

2810081

1

185

PHOENIX CONTACT

– For frequency signals up to max. 60 kHz
– Configurable
– 6 positions displayed
– LED 8 mm, 7 segment
– 48 x 24 mm display

Displays
Frequency

MCR technology

Process indicators and field devices – Field Analog

Programmable digital display for 

frequencies, pulses, and times

phoenixcontact-interface-technology-and-switching-devices-html.html
background image

m

a

x.1

9

,3

5

9

24

4

8

OU

T

P

O

W

ER

U

re

f

I

re

f

0

0

0

0

OUT

Power

1

0

V...

30

DC

3

4

H

o

l

d

GND

7

6

I

N

U

GND

5

6

GND

I

N

I

3

4

5

6

7

1

2

 

Housing width 48 mm

Technical data

Input data

Display

7-segment, 8 mm, red

Number of the displayed positions

4

Switching level

1 signal ("H")

4 V DC ... 30 V DC

0 signal ("L")

0 V DC ... 2 V DC

Output data

U output

I output

Output signal

0 ... 12 V

0 ... 24 mA

Length of step

10 mV

10 µA

Load R

B

 2 k

 500 

 (Up to 20 mA)

 400 

 (> 20 mA)

Ripple

 10 mV

PP

General data

Supply voltage range

10 V DC ... 30 V DC

Power consumption

1 W (With 24 mA/12 V)

Maximum transmission error

< 0.2 % ((full-scale) at rated voltage)

Test voltage output/power supply

500 V AC (50 Hz, 1 min.)

Degree of protection

IP65 from the front

Ambient temperature (operation)

-20 °C ... 65 °C

Housing material

Macrolon 2405

Dimensions W/H/D

48 / 24 / 68 mm

Control panel cutout

45(+0.6)x22.2(+0.3) mm

Screw connection solid/stranded/AWG

0.14 ... 1.5 mm² / 0.14 ... 1.5 mm² / 26 - 16

Conformance/Approvals

Conformance

CE-compliant

UL, USA/Canada

UL 508 Recognized

Ordering data

Description

Type

Order No.

Pcs./

Pkt.

MCR digital setpoint adjuster,

 for presetting current and 

voltage signals

MCR-SL-D-SPA-UI

2710314

1

Accessories

MCR DIN rail adapter

 for digital displays in 

a 24 x 48 mm housing

MCR-SL-D-RA

2810081

1

186

PHOENIX CONTACT

– Manual setpoint definition with 

incremental adjustment

– Manual setpoint definition via direct input
– Automatic setpoint definition with hold 

function and 20 interpolation points

– Flexible, adjustable signal ranges of 

0 to 12 V or 0 to 24 mA

– Data backup in the event of power failure
– Display value parameterization
– Electrical isolation between output and 

supply

Displays
Setpoint adjuster

MCR technology

Process indicators and field devices – Field Analog

With manual and 

automatic ramp function

phoenixcontact-interface-technology-and-switching-devices-html.html
background image

OUT

I

N

I

N

POW

E

R

I

I

nteface

 

/

P

L

C

 

/

 

DCS

OUT

I

N

Sensor

3

4

5

6

7

1

2

PWR

act

i

ve

7

6

5

4

3

2

1

+

-

For further information and full technical data, visit phoenixcontact.net/products

Technical data

Input data

Resistance thermometers

Pt, Ni, Cu sensors: 2, 3, 4-wire : -

Thermocouple sensors

A, B, C, D, E, J, K, L, N, R, S, T, U

Resistor

10 

 ... 2000 

 (Minimum measuring span: 10

 Ω

)

Input voltage range

-20 mV ... 100 mV

Output data

Output signal

4 ... 20 mA , HART / 20 ... 4 mA

Maximum output signal

22.5 mA

Load R

B

(U

L

 - 11

 

V) / 0.023

 

A

Switch-on delay

approx. 10 s (HART)

approx. 28 s (Measured value)

General data

Supply voltage range

-12 V DC ... 42 V DC

Current consumption

23.5 mA

Step response (0–99%)

0.8 s (TC)

Electrical isolation

Input/output

2 kV AC

Degree of protection

IP33 (upon installation in field housing IP66/67, NEMA 4X)

Ambient temperature (operation)

-40 °C ... 85 °C

Screw connection solid/stranded/AWG

0.2 ... 1.5 mm² / 0.2 ... 1.5 mm² / 24 - 16

Conformance/Approvals

Conformance

CE-compliant

ATEX

 II 3G Ex nA IIC T6 Gc

Ordering data

Description

Type

Order No.

Pcs./

Pkt.

Output loop-powered head-mounted temperature transducer, 

for RTD, TC, resistance-type sensors, and voltage sensors (mV)

FA MCR-HT-TS-I-OLP-PT

2908742

1

Accessories

Software adapter cable,

 2.4 m long, with 

USB connection, for programming

MCR-PAC-T-USB

2309000

1

FA MCR-HT-D

2908735

1

187

PHOENIX CONTACT

– Output loop-powered head-mounted 

temperature transducer

– 2 universal inputs for RTD, TC, 

resistance-type sensors, and voltage 
sensors (mV)

– 4 to 20 mA output
– HART communication
– Freely configurable
– SIL  2/3
– For mounting in the connecting head, 

form B

Temperature
Head-mounted temperature 
transducer

MCR technology

Process indicators and field devices – Field Analog

new

Loop-powered 

head-mounted temperature transducer

Block diagram for FA MCR-HT-TS-I-OLP-PT

phoenixcontact-interface-technology-and-switching-devices-html.html
background image

21

3

4

5

6

2

1

∅33

∅44

∅5

∅7

I

POW

E

R

I

N

OUT

Zone

   

0

,1,

2

Zone

0

,1,

2

I

nteface

 

/

P

L

C

 

/

 

DCS

OUT

I

N

Sensor

1

2

PWR

act

i

ve

6

5

4

3

2

1

+

-

3

4

5

6

4

6

Ex: 

 

Technical data

Measuring input

Resistance thermometers

Pt, Ni (100, 500, 1000); min. measurement range 10 K

Thermocouple sensors

B, C, D, E, J, K, L, N, R, S, T, U; min. measurement range 50 K/500 K

Resistor

10 

 ... 400 

 (min. measurement range 10 

)

10 

 ... 2000 

 (min. measurement range 100 

)

Voltage

-10 mV ... 75 mV (min. measurement range 5 mV)

Configuration

Yes, programmable

Measuring output

Output signal range

4 mA ... 20 mA / 20 mA ... 4 mA

Maximum output signal

 23 mA

Load

 630 

 (At UV = 24 V; U

supply

 - 10 V / 0.023 A)

Line monitoring

NE 43

Short-circuit current

 3.6 mA or 

 21 mA (adjustable, not for thermocouples)

Output current with open circuit

 3.6 mA or 

 21 mA (adjustable)

Output current, measuring range overrange/underrange

3.8 mA ... 20.5 mA (linear increase/decrease)

General data

Supply voltage range

12 V DC ... 30 V DC

Current consumption

< 3.5 mA

Step response (10-90%)

< 2 s

Transmission error

Resistance thermometers

0.2 K (Pt 100, Ni 100), 0.5 K (Pt 500, Ni 500), 0.3 K (Pt 1000, Ni 1000)

Thermocouple sensors

typ. 0.5 K (K, J, T, E, L, U), 1.0 K (N, C, D), 2.0 K (S, B, R)

Resistance-type sensors

± 0.1 

 (10...400 

), ± 1.5 

 (10...2000 

)

Voltage sensor

± 20 µV (-10...75 mV)

Test voltage input/output

2 kV AC (50 Hz, 1 min.)

Switch-on delay

6 s

Degree of protection

IP00, IP66 (integrated in the connecting head)

Mounting position

Connecting head in acc. with DIN 43729 form B

Connection

Installation in connection head according to DIN 43729 form B

Standards/regulations

NAMUR recommendation NE 21

Housing material

Polycarbonate, PC

Inflammability class in acc. with UL 94

V0

Screw connection solid/stranded/AWG

0.2 ... 1.75 mm² / 0.2 ... 1.75 mm² / 24 - 15

Safety data as per ATEX

Maximum voltage Ui

30 V

Maximum current Ii

100 mA

Maximum power Pi

750 mW

Maximum voltage Uo

5 V DC

Maximum current Io

5.4 mA

Maximum power Po

6.6 mW

Gas group

IIA

IIB

IIC

- Maximum external inductance Lo

[mH]

100

100

100

- Maximum external capacitance Co

[µF]

9.9

9.9

2

Maximum ambient temperature

Category 1: T4 = 60°C, T5 = 50°C, T6 = 40°C

Category 2: T4 = 85°C, T5 = 70°C, T6 = 55°C

Conformance/Approvals

Conformance

CE-compliant

ATEX

 II 1 G and II 2 G Ex ia IIC T6/T5/T4

UL, USA/Canada

cULus

Functional Safety (SIL)

SIL 2

Ordering data

Description

Type

Order No.

Pcs./

Pkt.

MCR temperature transducer, smart,

 for resistance 

thermometers, thermocouples, resistance-type sensors, and 

voltage sensors

MCR-FL-HT-TS-I-EX

2864545

1

188

PHOENIX CONTACT

– 1-channel
– Loop-powered
– Input for resistance thermometers, 

thermocouples, and linear mV signals, 
Ex ia IIC

– 4 to 20 mA / 20 to 4 mA output
– Can be installed in Zone 0
– 2-way electrical isolation
– HART-compatible

Notes:

The devices are supplied with the standard configuration: 

Pt100 sensor, 0 to 100°C measuring range, 3-conductor 

connection.

To configure the MCR-FL-TS-LPI-EX HART-capable device, you 

need a HART modem.

Temperature
Head-mounted temperature 
transducer

MCR technology

Process indicators and field devices – Field Analog

Loop-powered,

programmable

phoenixcontact-interface-technology-and-switching-devices-html.html
background image

21

3

4

5

6

2

1

∅33

∅44

∅5

∅7

I

P

O

W

ER

IN

OU

T

1

2

PWR

act

i

ve

I

nterface

 

/

P

L

C

 

/

 

DCS

3

4

5

6

Sensor

4

6

6

5

4

3

2

1

+

-

OUT

I

N

For further information and full technical data, visit phoenixcontact.net/products

 

Ex: 

Technical data

Input data

Resistance thermometers

Pt, Ni (100, 500, 1000); minimum measurement range 10 K : 2, 3, 

4-wire

Thermocouple sensors

B, C, D, E, J, K, L, N, R, S, T, U; minimum measurement range 

50 K/500 K

Resistor

Resistance-type sensor from 10 

 to 400 

 and from 10 

 to 

2000

; minimum measurement range 10 

/100 

Voltage

-10 mV ... 75 mV (min. measurement range 5 mV)

Output data

Output signal

4 ... 20 mA / 20 ... 4 mA

Load R

B

Max (V

supply

 - 8 V) / 0.025 A (current output)

Output signal with short-circuit

 3.6 mA or 

 21 mA (adjustable, not for thermocouples)

Output signal with open circuit

 3.6 mA or 

 21 mA (adjustable)

Measuring range overrange/underrange

 20.5 mA / 

 3.8 mA (linear increase/decrease)

General data

Supply voltage range

8 V DC ... 35 V DC

Current consumption

< 3.5 mA

Transmission error

Resistance thermometers

0.2 K (Pt 100, Ni 100), 0.5 K (Pt 500, Ni 500), 0.3 K (Pt 1000, Ni 1000)

Thermocouple sensors

typ. 0.5 K (K, J, T, E, L, U), 1.0 K (N, C, D), 2.0 K (S, B, R)

Resistance-type sensors

± 0.1 

 (10...400 

), ± 1.5 

 (10...2000 

)

Voltage sensor

± 20 µV (-10...100 mV)

Step response (10-90%)

< 2 s

Switch-on delay

6 s

Test voltage input/output

2 kV (50 Hz, 1 min.)

Degree of protection

IP00, IP66 (integrated in the connecting head)

Ambient temperature (operation)

-40 °C ... 85 °C

Mounting

any

Housing material

Polycarbonate, PC

Screw connection solid/stranded/AWG

0.2 ... 1.75 mm² / 0.2 ... 1.75 mm² / 24 - 15

Conformance/Approvals

Conformance

CE-compliant

UL, USA/Canada

Class I, Div. 2, Groups A, B, C, D

Ordering data

Description

Type

Order No.

Pcs./

Pkt.

MCR temperature transducer,

 for resistance thermometers, 

thermocouples, resistance-type sensors, and voltage sensors

MCR-FL-HT-T-I

2864529

1

Accessories

Software adapter cable,

 2.4 m long, with 

USB connection, for programming

MCR-PAC-T-USB

2309000

1

189

PHOENIX CONTACT

– Output loop-powered head-mounted 

temperature transducer

– Freely configurable
– Software available free of charge on the 

Internet

– For mounting in the connecting head, 

form B

Notes:

The devices are supplied with the standard configuration: 

Pt100 sensor, 0 to 100°C measuring range, 3-conductor 

connection.

The configuration software can be downloaded from the 

Internet: phoenixcontact.net/products.

Temperature
Head-mounted temperature 
transducer

MCR technology

Process indicators and field devices – Field Analog

Loop-powered,

programmable

phoenixcontact-interface-technology-and-switching-devices-html.html
background image

21

3

4

5

6

2

1

∅33

∅44

∅5

∅7

I

POW

E

R

I

N

OUT

Zone

   

0

,1,

2

Zone

0

,1,

2

I

nteface

 

/

P

L

C

 

/

 

DCS

OUT

I

N

Sensor

1

2

PWR

act

i

ve

6

5

4

3

2

1

+

-

3

4

5

6

4

6

Ex: 

 

Technical data

Measuring input

Resistance thermometers

Pt, Ni (100, 500, 1000); min. measurement range 10 K

Thermocouple sensors

B, C, D, E, J, K, L, N, R, S, T, U; min. measurement range 50 K/500 K

Resistor

10 

 ... 400 

 (min. measurement range 10 

)

10 

 ... 2000 

 (min. measurement range 100 

)

Voltage

-10 mV ... 100 mV (min. measurement range 5 mV)

Configuration

Yes, programmable

Measuring output

Output signal range

4 mA ... 20 mA / 20 mA ... 4 mA

Maximum output signal

 25 mA

Load

 720 

 (For U

V

 = 24 V; U

supply

 - 8 V / 0.025 A)

Line monitoring

NE 43

Short-circuit current

 3.6 mA or 

 21 mA (adjustable, not for thermocouples)

Output current with open circuit

 3.6 mA or 

 21 mA (adjustable)

Output current, measuring range overrange/underrange

3.8 mA ... 20.5 mA (linear increase/decrease)

General data

Supply voltage range

8 V DC ... 30 V DC

Current consumption

< 3.5 mA

Step response (10-90%)

< 2 s

Transmission error

Resistance thermometers

0.2 K (Pt 100, Ni 100), 0.5 K (Pt 500, Ni 500), 0.3 K (Pt 1000, Ni 1000)

Thermocouple sensors

typ. 0.5 K (K, J, T, E, L, U), 1.0 K (N, C, D), 2.0 K (S, B, R)

Resistance-type sensors

± 0.1 

 (10...400 

), ± 1.5 

 (10...2000 

)

Voltage sensor

± 20 µV (-10...100 mV)

Test voltage input/output

2 kV AC (50 Hz, 1 min.)

Switch-on delay

6 s

Degree of protection

IP00, IP66 (integrated in the connecting head)

Mounting position

Connecting head in acc. with DIN 43729 form B

Connection

Installation in connection head according to DIN 43729 form B

Standards/regulations

NAMUR recommendation NE 21

Housing material

Polycarbonate, PC

Inflammability class in acc. with UL 94

V0

Screw connection solid/stranded/AWG

0.2 ... 1.75 mm² / 0.2 ... 1.75 mm² / 24 - 15

Safety data as per ATEX

Maximum voltage Ui

30 V

Maximum current Ii

100 mA

Maximum power Pi

750 mW

Maximum voltage Uo

8.2 V DC

Maximum current Io

4.6 mA

Maximum power Po

9.35 mW

Gas group

IIB

IIC

- Maximum external inductance Lo

[mH]

8.5

4.5

- Maximum external capacitance Co

[µF]

1.9

0.974

Maximum ambient temperature

Category 1: T4 = 60°C, T5 = 50°C, T6 = 40°C

Category 2: T4 = 85°C, T5 = 70°C, T6 = 55°C

Conformance/Approvals

Conformance

CE-compliant

ATEX

 II 1 G Ex ia IIC T6/T5/T4

UL, USA/Canada

cULus

Ordering data

Description

Type

Order No.

Pcs./

Pkt.

MCR temperature transducer,

 for resistance thermometers, 

thermocouples, resistance-type sensors, and voltage sensors

MCR-FL-HT-T-I-EX

2864532

1

Accessories

Software adapter cable,

 2.4 m long, with 

USB connection, for programming

MCR-PAC-T-USB

2309000

1

190

PHOENIX CONTACT

– 1-channel
– Loop-powered
– Input for resistance thermometers, 

thermocouples, and linear mV signals, Ex 
ia IIC

– 4 to 20 mA / 20 to 4 mA output
– Can be installed in Zone 0
– 2-way electrical isolation
– Configuration using software

Notes:

The devices are supplied with the standard configuration: 

Pt100 sensor, 0 to 100°C measuring range, 3-conductor 

connection.

The configuration software can be downloaded from the 

Internet: phoenixcontact.net/products.

Temperature
Head-mounted temperature 
transducer

MCR technology

Process indicators and field devices – Field Analog

Loop-powered,

programmable

phoenixcontact-interface-technology-and-switching-devices-html.html
background image

21

3

4

5

6

2

1

∅33

∅44

∅5

∅7

I

POW

E

R

I

N

OUT

3

4

5

6

1

2

PWR

act

i

ve

I

nterface

 

/

P

L

C

 

/

 

DCS

OUT

I

N

Sensor

6

5

4

3

2

1

+

-

For further information and full technical data, visit phoenixcontact.net/products

 

Ex: 

Technical data

Input data

Resistance thermometers

Pt 100 ; minimum measurement range 10 K : 2, 3, 4-wire

Output data

Output signal

4 ... 20 mA / 20 ... 4 mA

Load R

B

Max (V

supply

 - 10 V) / 0.023 A (current output)

Output signal with short-circuit

 3.6 mA or 

 21 mA (adjustable)

Output signal with open circuit

 3.6 mA or 

 21 mA (adjustable)

Measuring range overrange/underrange

 20.5 mA / 

 3.8 mA (linear increase/decrease)

General data

Supply voltage range

10 V DC ... 35 V DC

Current consumption

< 3.5 mA

Transmission error

Resistance thermometers

0.2 K

Step response (10-90%)

< 2 s

Switch-on delay

4 s

Degree of protection

IP00, IP54 (integrated in the connecting head)

Ambient temperature (operation)

-40 °C ... 85 °C

Mounting

any

Housing material

Polycarbonate, PC

Conformance/Approvals

Conformance

CE-compliant

UL, USA/Canada

Class I, Div. 2, Groups A, B, C, D

Ordering data

Description

Type

Order No.

Pcs./

Pkt.

MCR head-mounted temperature transducer,

 loop-powered

for Pt 100 resistance thermometer

MCR-SL-HT-PT 100-I

2864516

1

Accessories

Software adapter cable,

 2.4 m long, with 

USB connection, for programming

MCR-PAC-T-USB

2309000

1

191

PHOENIX CONTACT

– Output loop-powered head-mounted 

temperature transducer for Pt 100 
sensors

– Freely configurable
– Software available free of charge on the 

Internet

– For mounting in the connecting head, 

form B

Notes:

The devices are supplied with the standard configuration: 

Pt100 sensor, 0 to 100°C measuring range, 3-conductor 

connection.

The configuration software can be downloaded from the 

Internet: phoenixcontact.net/products.

Temperature
Head-mounted temperature 
transducer

MCR technology

Process indicators and field devices – Field Analog

Loop-powered,

programmable

phoenixcontact-interface-technology-and-switching-devices-html.html
background image

Technical data

General data

Housing material

Aluminum

Ordering data

Description

Type

Order No.

Pcs./

Pkt.

Field housing for head-mounted transducers,

 with 

display window and two cable entries

FA MCR-HT-FH

2908736

1

Accessories

Wall fastening

 for FA MCR-HT-FH field housing

FA MCR-HT-FH-WM

2908737

1

Pipe fastening

 for FA MCR-HT-FH field housing

FA MCR-HT-FH-PM

2908738

1

192

PHOENIX CONTACT

– 2 cable entries
– Aluminum with polyester coating
– For use with head-mounted transducers
– Display window in cover

Accessories for 
head-mounted transducers

MCR technology

Process indicators and field devices – Field Analog

new

Field housing for 

head-mounted transducers

phoenixcontact-interface-technology-and-switching-devices-html.html
background image

For further information and full technical data, visit phoenixcontact.net/products

Ordering data

Description

Type

Order No.

Pcs./

Pkt.

Adapter for control cabinet installation of 

head-mounted transducers

MCR-DIN-RAIL-ADAPTER HT

2864671

1

193

PHOENIX CONTACT

– For snapping onto the DIN rail
– For control cabinet installation of 

head-mounted transducers

Accessories for 
head-mounted transducers

MCR technology

Process indicators and field devices – Field Analog

new

Adapter for DIN rail mounting of

head-mounted transducers

phoenixcontact-interface-technology-and-switching-devices-html.html
background image

OUT

I

N

I

N

POW

E

R

I

I

N

4.1

5

.1

5

.

2

6

.

2

6

.1

4.

2

OUT

2

.

2

2

.1

2

.

2

2

.1

HH

T

4.1

5

.1

5

.

2

6

.

2

6

.1

4.

2

Housing width 12.5 mm

Technical data

Input data

Input signal (can be configured using DIP switches)

Pt, Ni, Cu sensors: 2, 3, 4-wire : -

Input signal (can be configured using DIP switches)

A, B, C, D, E, J, K, L, N, R, S, T, U

Temperature range

-250 °C ... 2500 °C (Range depending on the sensor type)

Linear resistance measuring range

10 

 ... 2000 

 (Minimum measuring span: 10

 Ω

)

Input voltage range

-20 mV ... 100 mV

Output data

Output signal

4 ... 20 mA / 20 ... 4 mA

Maximum output signal

22.5 mA

Load R

B

(U

L

 - 11

 

V) / 0.023

 

A

General data

Supply voltage range

12 V DC ... 42 V DC

Current consumption

3.5 mA

Step response (0–99%)

0.8 s (TC)

Electrical isolation of input/output

2 kV AC

Ambient temperature (operation)

-40 °C ... 85 °C

Dimensions W/H/D

12.5 / 99 / 114.5 mm

Push-in connection solid/stranded/AWG

0.2 ... 1.5 mm² / 0.2 ... 1.5 mm² / 24 - 16

Screw connection solid/stranded/AWG

0.2 ... 2.5 mm² / 0.2 ... 2.5 mm² / 24 - 14

Conformance/Approvals

Conformance

CE-compliant

Ordering data

Description

 

 

Type

Order No.

Pcs./

Pkt.

Output loop-powered temperature transducer, 

for 

RTD, TC, resistance-type sensors, and voltage sensors (mV)

Screw connection

MACX MCR-TS-I-OLP

2908662

1

Push-in connection

MACX MCR-TS-I-OLP-SP

2908664

1

Accessories

Software adapter cable,

 2.4 m long, with 

USB connection, for programming

MCR-PAC-T-USB

2309000

1

194

PHOENIX CONTACT

– Loop-powered temperature transducer
– 2 universal inputs for RTD, TC, 

resistance-type sensors, and voltage 
sensors (mV)

– 4 to 20 mA output
– HART communication
– Freely configurable
– SIL  2/3
– For DIN rail mounting

Temperature
Temperature transducer

MCR technology

Process indicators and field devices – Field Analog

new

Output loop-powered 

temperature transducer

phoenixcontact-interface-technology-and-switching-devices-html.html
background image

I

POW

E

R

I

N

OUT

5

6

PWR

act

i

ve

Zone

 

0

,1,

2

1

2

1

2

3

4

Sensor

Zone

 

0

,1,

2

I

N

OUT

5

6

3

4

1

2

I

nterface

 

/

P

L

C

 

/

 

DCS

For further information and full technical data, visit phoenixcontact.net/products

Ex: 

 

Housing width 12.5 mm

Technical data

Measuring input

Resistance thermometers

Pt, Ni (100, 500, 1000); min. measurement range 10 K

Thermocouple sensors

B, C, D, E, J, K, L, N, R, S, T, U; min. measurement range 50 K/500 K

Resistor

10 

 ... 400 

 (min. measurement range 10 

)

10 

 ... 2000 

 (min. measurement range 100 

)

Voltage

-10 mV ... 100 mV (min. measurement range 5 mV)

Configuration

Yes, programmable

Measuring output

Output signal range

4 mA ... 20 mA / 20 mA ... 4 mA

Maximum output signal

 23 mA

Load

 520 

 (At U

V

 = 24 V; U

supply

 - 12 V / 0.023 A)

Line monitoring

NE 43

Short-circuit current

 3.6 mA or 

 21 mA (adjustable, not for thermocouples)

Output current with open circuit

 3.6 mA or 

 21 mA (adjustable)

Output current, measuring range overrange/underrange

3.8 mA ... 20.5 mA

General data

Supply voltage range

12 V DC ... 30 V DC

Current consumption

< 3.5 mA

Step response (10-90%)

< 2 s

Transmission error

Resistance thermometers

0.2 K (Pt 100, Ni 100), 0.5 K (Pt 500, Ni 500), 0.3 K (Pt 1000, Ni 1000)

Thermocouple sensors

typ. 0.5 K (K, J, T, E, L, U), 1.0 K (N, C, D), 2.0 K (S, B, R)

Resistance-type sensors

± 0.1 

 (10...400 

), ± 1.5 

 (10...2000 

)

Voltage sensor

± 20 µV (-10...100 mV)

Test voltage input/output

2 kV AC (50 Hz, 1 min.)

Switch-on delay

4 s

Standards/regulations

NAMUR recommendation NE 21

Housing material

Polyamide PA non-reinforced

Inflammability class in acc. with UL 94

V0

Dimensions W/H/D

12.5 / 99 / 114.5 mm

Connection method

Screw connection

Screw connection solid/stranded/AWG

0.2 ... 2.5 mm² / 0.2 ... 2.5 mm² / 24 - 14

Safety data as per ATEX

MCR-FL-TS-LP-I-EX

MCR-FL-T-LP-I-EX

Maximum voltage Ui

30 V

30 V

Maximum current Ii

100 mA

100 mA

Maximum power Pi

750 mW

750 mW

Maximum voltage Uo

5 V DC

4.4 V DC

Maximum current Io

5.9 mA

9.6 mA

Maximum power Po

7.2 mW

10.6 mW

Gas group

IIA

IIB

IIC

IIA

IIB

IIC

- Maximum external inductance Lo

[mH]

100

100

100

100

100

100

- Maximum external capacitance Co

[µF]

10

10

2

12

12

2.4

Maximum ambient temperature

T4 = 85 °C, 

T5 = 70 °C, 

T6 = 55 °C

T4 = 85 °C, 

T5 = 65 °C, 

T6 = 50 °C

Conformance/Approvals

Conformance

CE-compliant

CE-compliant

ATEX

 II 2(1) G Ex ia IIC T6

 II 2(1) G Ex ia IIC T4...T6

UL, USA/Canada

cULus

cULus

Functional Safety (SIL)

SIL 2

-

Ordering data

Description

Type

Order No.

Pcs./

Pkt.

MCR temperature transducer,

 for resistance thermometers, 

thermocouples, resistance-type sensors, and voltage sensors

HART-compatible

MCR-FL-TS-LP-I-EX

2864587

1

MCR-FL-T-LP-I-EX

2864574

1

195

PHOENIX CONTACT

– 1-channel
– Loop-powered
– Input for resistance thermometers, 

thermocouples, and linear mV signals, 
Ex ia IIC

– 4 to 20 mA / 20 to 4 mA output
– Can be installed in Zone 1
– 2-way electrical isolation
– HART-capable (MCR-FL-TS-LP-I-EX)
– Configuration using software

Notes:

The devices are supplied with the standard configuration: 

Pt100 sensor, 0 to 100°C measuring range, 3-conductor 

connection.

To configure the MCR-FL-TS-LPI-EX HART-capable device 

(

2864587

), you need a HART modem.

The configuration software can be downloaded from the Internet: 

phoenixcontact.net/products.

Temperature
Temperature transducer

MCR technology

Process indicators and field devices – Field Analog

Loop-powered,

programmable

phoenixcontact-interface-technology-and-switching-devices-html.html
background image

I

P

O

W

ER

IN

OU

T

5

6

PWR

act

i

ve

1

2

1

2

3

4

Sensor

I

N

OUT

5

6

3

4

1

2

I

nterface

 

/

P

L

C

 

/

 

DCS

 

Ex: 

Housing width 12.5 mm

Technical data

Input data

Resistance thermometers

Pt, Ni (100, 500, 1000); minimum measurement range 10 K : 2, 3, 

4-wire

Thermocouple sensors

B, C, D, E, J, K, L, N, R, S, T, U; minimum measurement range 

50 K/500 K

Resistor

Resistance-type sensor from 10 

 to 400 

 and from 10 

 to 

2000

; minimum measurement range 10 

/100 

Voltage

-10 mV ... 100 mV (min. measurement range 5 mV)

Output data

Output signal

4 ... 20 mA / 20 ... 4 mA

Load R

B

Max (V

supply

 -12 V) / 0.023 A (current output)

Output signal with short-circuit

 3.6 mA or 

 21 mA (adjustable, not for thermocouples)

Output signal with open circuit

 3.6 mA or 

 21 mA (adjustable)

Measuring range overrange/underrange

 20.5 mA / 

 3.8 mA (linear increase/decrease)

General data

Supply voltage range

12 V DC ... 35 V DC

Current consumption

< 3.5 mA

Transmission error

Resistance thermometers

0.2 K (Pt 100, Ni 100), 0.5 K (Pt 500, Ni 500), 0.3 K (Pt 1000, Ni 1000)

Thermocouple sensors

typ. 0.5 K (K, J, T, E, L, U), 1.0 K (N, C, D), 2.0 K (S, B, R)

Resistance-type sensors

± 0.1 

 (10...400 

), ± 1.5 

 (10...2000 

)

Voltage sensor

± 20 µV (-10...100 mV)

Step response (10-90%)

< 2 s

Switch-on delay

4 s

Test voltage input/output

2 kV (50 Hz, 1 min.)

Degree of protection

IP20

Ambient temperature (operation)

-40 °C ... 85 °C

Mounting

any

Housing material

Polyamide PA non-reinforced

Dimensions W/H/D

12.5 / 99 / 114.5 mm

Screw connection solid/stranded/AWG

0.2 ... 2.5 mm² / 0.2 ... 2.5 mm² / 24 - 14

Conformance/Approvals

Conformance

CE-compliant

UL, USA/Canada

Class I, Div. 2, Groups A, B, C, D

Ordering data

Description

Type

Order No.

Pcs./

Pkt.

MCR temperature transducer,

 loop-powered

for resistance thermometers, thermocouples, resistance-type 

sensors, and voltage sensors

MCR-FL-T-LP-I

2864561

1

MCR-FL-T-LP-I-EX

2864574

1

Accessories

Software adapter cable,

 2.4 m long, with 

USB connection, for programming

MCR-PAC-T-USB

2309000

1

196

PHOENIX CONTACT

– Output loop-powered temperature 

transducer

– Freely configurable
– Software available free of charge on the 

Internet

Notes:

The devices are supplied with the standard configuration: 

Pt100 sensor, 0 to 100°C measuring range, 3-conductor 

connection.

The configuration software can be downloaded from the 

Internet: phoenixcontact.net/products.

Temperature
Temperature transducer

MCR technology

Process indicators and field devices – Field Analog

Loop-powered,

programmable

phoenixcontact-interface-technology-and-switching-devices-html.html
background image

IN

I

PT

1

00

P

O

W

ER

OU

T

5

6

PWR

act

i

ve

1

2

3

4

Sensor

I

N

OUT

5

6

3

4

1

2

I

nterface

 

/

P

L

C

 

/

 

DCS

For further information and full technical data, visit phoenixcontact.net/products

 

Ex: 

Housing width 12.5 mm

Technical data

Input data

Resistance thermometers

Pt 100 ; minimum measurement range 10 K : 2, 3, 4-wire

Output data

Output signal

4 ... 20 mA / 20 ... 4 mA

Load R

B

Max (V

supply

 -12 V) / 0.023 A (current output)

Output signal with short-circuit

 3.6 mA or 

 21 mA (adjustable)

Output signal with open circuit

 3.6 mA or 

 21 mA (adjustable)

Measuring range overrange/underrange

 20.5 mA / 

 3.8 mA (linear increase/decrease)

General data

Supply voltage range

12 V DC ... 35 V DC

Current consumption

< 3.5 mA

Transmission error

Resistance thermometers

0.2 K

Step response (10-90%)

< 2 s

Switch-on delay

4 s

Test voltage input/output

2 kV (50 Hz, 1 min.)

Degree of protection

IP20

Ambient temperature (operation)

-40 °C ... 85 °C

Mounting

any

Housing material

Polyamide PA non-reinforced

Dimensions W/H/D

12.5 / 99 / 114.5 mm

Screw connection solid/stranded/AWG

0.2 ... 2.5 mm² / 0.2 ... 2.5 mm² / 24 - 24

Conformance/Approvals

Conformance

CE-compliant

UL, USA/Canada

Class I, Div. 2, Groups A, B, C, D

Ordering data

Description

Type

Order No.

Pcs./

Pkt.

MCR temperature transducer,

 loop-powered

for Pt 100 resistance thermometer

MCR-SL-PT100-LP-I

2864558

1

197

PHOENIX CONTACT

– Two-wire transmitter for Pt 100 

resistance thermometers

– Freely programmable via 

MCR/PI-CONF-WIN

Notes:

The devices are supplied with the standard configuration: 

Pt100 sensor, 0 to 100°C measuring range, 3-conductor 

connection.

You can implement your own measuring range settings, 

linearization, and characteristic curve adjustments. To do so, you 

need the MCR-PAC-T-USB programming adapter as well as the 

MCR/PI-CONF-WIN configuration software.

Temperature
Temperature transducer

MCR technology

Process indicators and field devices – Field Analog

Loop-powered,

programmable

phoenixcontact-interface-technology-and-switching-devices-html.html
background image

198

PHOENIX CONTACT

phoenixcontact-interface-technology-and-switching-devices-html.html
background image

 

Product range overview

 

 

 

Product overview

 200

 

 

Energy and power measurement

 202

 

 

EMpro energy meters

 208

 

 

EMpro function and communication modules

 210

 

 

Accessories

 213

 

 

Software for usage data acquisition

 214

 

 

Complete packages for data logging

 215

 

 

Pressure sensor and compressed air meters

 216

 

 

Current measurement

 

 

 

Current transformers

 220

 

 

Current transformer selection guide

 222

 

 

PACT current transformers

 223

 

 

Accessories for PACT current transformers

 233

 

 

PACT RCP current transformers for retrofitting

 234

 

 

Current transducers

 240

 

 

Accessories for current transducers

 251

 

 

Monitoring and diagnostics

 

 

 

Solar system monitoring

 252

 

 

EMD electronic monitoring relays

 260

 

 

ETD electronic time relays

 272

 

 

Diode modules, lamp testing modules, EMG display modules

 280

 

199

PHOENIX CONTACT

Energy and power measurement

EMpro energy meters measure, analyze, 

and communicate electrical system 
parameters.

Monitoring software ensures efficient 

energy and power measurement.

Stand-alone data loggers are the 

complete package for decentralized data 
acquisition.

PSK sensors acquire the operating 

pressure of gaseous media.

PSK meters record compressed air 

consumption.

Current measurement

PACT current transformers convert 

currents up to 4000 A into secondary 
currents of 1 and 5 A.

MCR current transducers convert 

currents into standard analog signals.

Monitoring and diagnostics

The SOLARCHECK modular monitoring 

system is used for string monitoring in 
photovoltaic systems.

EV Charge Control is the charging 

controller used to charge electric vehicles 
on the AC mains according to IEC 61851-1.

EMD monitoring relays detect and 

indicate deviations in important system 
parameters at an early stage.

ETD time relays are used for 

straightforward time control functions.

Diode modules, lamp testing modules, 

and EMG display modules allow industrial 
use of simple components such as diodes - 
with professional housing and connection 
technology.

Monitoring

phoenixcontact-interface-technology-and-switching-devices-html.html
background image

Energy and power measurement

EMpro energy meters for front-panel 

installation

Page 208

EMpro energy meters for DIN rail mounting

 

Page 209

Function and communication modules for 

EMpro

Page 210

DIN rail adapters for EMpro

 

Page 213

Current transformers

PACT busbar current transformers

 

Page 222

 

PACT window-type current transformers

 

Page 224

 

PACT winding current transformers

 

Page 232

Mounting accessories, shock protection

 

Page 233

Voltage measurement

Solar system monitoring

Charging technology for E-Mobility

Monitoring relays

MCR voltage transducers for AC and 

DC voltages up to 660 V

Page 250

Accessories

Configuration software and USB adapter 

cable

Page 251

SOLARCHECK photovoltaic panel 

shutdown

Page 252

SOLARCHECK

Photovoltaic string monitoring

Page 256

Time relays

Function modules

Lightning monitoring 
system 

ETD-BL

Ultra-narrow time relays

 

Page 276

ETD

Multifunctional time relays

 

Page 278

EMG

Diode modules, lamp testing modules, 

display modules

Page 280

Lightning monitoring system

See Catalog 4

200

PHOENIX CONTACT

Monitoring

Product overview

phoenixcontact-interface-technology-and-switching-devices-html.html
background image

For further information and full technical data, visit phoenixcontact.net/products

Software for usage data acquisition

 

Page 214

Complete packages for data logging

 

Page 215

Compressed air meters

 

Page 216

Pressure sensor with IO-Link

 

Page 218

Current measurement

PACT RCP... current transformers for 

retrofitting

Page 236

MCR current transducers for AC/DC and 

distorted currents

Page 240

MCR current transducer for sinusoidal and 

distorted AC currents

Page 246

Passive, up to 5 A

Page 248

MCR current protector for AC currents, 

sinusoidal up to 16 A

Page 249

Voltage measurement

Solar system monitoring

Charging technology for E-Mobility

Monitoring relays

AC charging controllers for private and 

commercial applications

See Catalog 2

 

Locking release module for mains failure

See Catalog 2

 

EMD-BL

Compact monitoring relays

Page 262

 

HMIs

Signal towers

HMIs

See Catalog 6

Signal towers

See Catalog 6

 

 

201

PHOENIX CONTACT

Monitoring

Product overview

phoenixcontact-interface-technology-and-switching-devices-html.html
background image

202

PHOENIX CONTACT

Monitoring

Energy and power measurement

Energy costs at a glance

Within industry, energy is viewed as a 

variable cost factor. As a result, lower 
energy costs are becoming increasingly 
important in terms of providing companies 
with a major competitive advantage in the 
areas of production, process, and industrial 
engineering.

Alongside energy consumption, the 

quality of the energy supplied, the reliability 
of supply, and effective system utilization 
also play an important role in ensuring 
profitability. This calls for continuous 
measurement and analysis of all sources of 
energy.

Advantages of energy data acquisition

Continuously recorded energy flow 

provides the basis for a target-oriented 
energy management system.

Access comprehensive information 

regarding the characteristic electrical data 
of your machinery and benefit from the 
advantages of this:
– Reduce your energy costs by identifying 

potential energy savings.

– Optimize your system capacity: through 

intelligent switching of system parts, 
uniform network load, and reduced 
harmonics.

– Reduce peak loads using forward-looking 

trend calculation and load management.

– Safeguard your production processes and 

minimize downtimes by continuously 
monitoring important system 
parameters.

Measurement – monitoring – 
communication

Efficient energy management – network-

capable EMpro energy meters can be used 
to acquire and monitor the characteristic 
electrical data of your machines and 
systems.

They can be freely extended with 

communication modules and function 
modules, enabling your energy meters to 
keep pace with your growing requirements. 
Future-proof planning and investment is 
therefore ensured.

phoenixcontact-interface-technology-and-switching-devices-html.html
background image

For further information and full technical data, visit phoenixcontact.net/products

203

PHOENIX CONTACT

Monitoring

Energy and power measurement

The communication expert

The EMpro MA600 is capable of performing 

all measurement tasks associated with power 
supply applications up to 700 V AC.
– From simple current and power 

measurement to detection of harmonics 
including spectral analysis

– Flexible integration into Ethernet, 

PROFIBUS or RS-485 networks

– Remote access via web server
– Optional DIN rail adapter for DIN rail 

mounting

– Can be extended with communication 

modules and function modules

The universal solution on the 
front panel

The EMpro MA400 performs standard 

measuring tasks up to 519 V AC.
– Optional DIN rail adapter for DIN rail 

mounting

– Communication module for integration 

into RS-485 networks (Modbus/RTU)

– Function module for pulse or alarm 

output

The measuring device with 
RS-485 communication

The EMpro MA250 performs standard 

measuring tasks up to 519 V AC.
– DIN rail device
– With pulse or alarm output
– Integrated RS-485 communication 

(Modbus/RTU)

The measuring device with pulse output

The EMpro MA200 is ideal for simple 

measuring tasks up to 519 V AC.
– DIN rail device
– With pulse or alarm output

Controller solution for usage data 
acquisition

The EMlog software provides an efficient 

solution for recording energy data relating 
to heat, cold, air, and electricity when used 
in conjunction with the ILC 191 ME/AN 
modular Inline controller. This allows you to 
keep an eye on your resources and manage 
the consumption levels of your machines 
and systems.

Sensors and meters

Use of resources at a glance - determine 

all relevant states using sensors and meters.
– Detailed procurement measurement, 

thanks to precise sensor and meter 
technology

– Intelligent sensor communication, thanks 

to IO-Link technology

Inline power measurement terminal

The Inline power measurement terminal 

enables analysis of AC networks.
– For measuring current, voltage, and 

power, as well as identifying distortion 
and harmonics
The power measurement terminal can 

be found in Catalog 6, Control technology, 
I/O systems, and network structure.

phoenixcontact-interface-technology-and-switching-devices-html.html
background image

720,2 kW

350,6 kvar

801,0 kVA

EMpro

470,8 kW

101,2 kvar
481,6 kVA

EMpro

87,2 kW
1,5 kvar

87,2 kVA

EMpro

692,1 V

U 689,9

2-3

F 50,00 Hz

C 000217683 kWh

3-1

690,3

5

0

1

00

5

0

1

00

5

0

1

00

EMpro

U

L

FD

1

00

TD

R

D

V

CC

DIAG

PSI-M

O

DEM-SHDSL

/

ETH

O

rd.-

N

o.

23 13 643

DSL

A

DSL

B

LI

N

K

ETH

U

SB

A

C

T

STAT

LI

N

K

LI

N

K

E

RR

STAT

ETH

V

CC

DIAG

PSI-M

O

DEM-SHDSL

/

ETH

O

rd.-

N

o.

23 13 643

DSL

A

DSL

B

LI

N

K

ETH

U

SB

A

C

T

STAT

LI

N

K

LI

N

K

E

RR

STAT

ETH

Ethernet

Ethernet

R

S-

4

8

5

R

S-

4

8

5

Ethernet-

Gatewa

y

R

S-

4

8

5

CO

M-Server

SHDSL modem

Energy meter

EMpro MA400

Energy meter

EMpro MA400

Energy meter

EMpro MA600

Energy meter

EMpro MA400

SHDSL modem

DSL (up to 20 km)

Measurement – monitoring – 
communication

In order to achieve efficient energy 

management, all energy data that has been 
determined is recorded and analyzed 
centrally in the control center.

For data transmission, integrate the 

EMpro measuring devices flexibly into your 
network structures. 

The network components from 

Phoenix Contact offer interference-free 
and high-performance communication of 
energy data, even in harsh industrial 
environments:
– Copper-based and fiber optic data 

transmission

– Ethernet and modem communication
– Industrial wireless transmission

Direct access to measured values

Analyze your system parameters quickly 

on site. At the touch of a button, you can 
access precisely those measured values that 
are of relevance.

You can also use the user-friendly web 

server function to request measured values 
directly from the control center.

Planning reliability and investment 
security

Stay flexible. EMpro extension modules, 

function modules, and communication 
modules enable you extend your EMpro 
measuring devices at any time:
– Digital inputs and outputs
– Pulse outputs
– Analog outputs
– Communication interfaces
– Measured data storage

Remote access to multiple measuring 
devices - with just one IP address

The web server that has been integrated 

into the Ethernet communication modules 
allows you to conveniently configure key 
parameters online. It also allows remote 
access to key electrical characteristics such 
as current, voltage, power, energy, and 
harmonics.

Energy meters

204

PHOENIX CONTACT

Monitoring

Energy and power measurement

phoenixcontact-interface-technology-and-switching-devices-html.html
background image

For further information and full technical data, visit phoenixcontact.net/products

Selection guide

You can easily select the right device 

for your application by referring to the table 
below:

Product type

EMpro MA600

EMpro MA400

EMpro MA200/250

2901366

 EEM-MA600

2901364

 EEM-MA400

2901362

 EEM-MA200

2902352

 EEM-MA600-24DC

2901363

 EEM-MA250

Voltages

Voltage measurement direct 

Up to 700 V

Up to 519 V

Up to 519 V

Voltage transducers

Up to 500 kV

Voltages U12, U23, U31, V1, V2, V3

Maximum mean value

Mean value

Currents

Current measurement

Direct up to 6 A or current transformer

Current transformers

Current transformers

Currents I1, I2, I3

Neutral conductor current IN (calculation)

Maximum mean value

Mean value

Frequency

F

Maximum mean value

Mean value

Power

Real power, reactive power, apparent power: 

Σ

P (+/-), 

Σ

Q (+/-), 

Σ

S (+/-)

P, Q, S per phase 

Maximum mean value

Mean value

Trend performances

Power factor

Σ

PF

PF per phase

Metering

Real energy (kWh)

kWh+/kWh-

kWh+

kWh+

Reactive energy (kvarh)

kvarh+/kvarh-

kvarh+

kvarh+

Apparent energy (kVAh)

kVAh 

Multi-tariff meter

2

Operating hours

Accuracy class (EN62053-22)

0.5 S

0.5 S

0.5 S

Harmonics analysis

Distortion factor THD I/U/V

Up to 63rd

Up to 51st

Up to 51st

Spectral analysis

Up to 63rd

Functions

Temperature recording

Digital input

Function modules (optional)

1 pulse or alarm output

2904314

 EEM-IMP-MA400

Integrated

2 pulse outputs

2904313

 EEM-IMP-MA600

2 digital inputs, 2 digital outputs

2901371

 EEM-2DIO-MA600

2 analog outputs

2901475

 EEM-2AO-MA600

Memory

2901370

 EEM-MEMO-MA600

Communication modules (optional)

RS-485 (Modbus/RTU)

2901367

 EEM-RS485-MA600

2901365

 EEM-RS485-MA400

Integrated (MA250 only)

D-SUB (PROFIBUS)

2901418

 EEM-PB12-MA600

Ethernet gateway (Modbus/TCP/RTU) with 
integrated web server

2901374

 EEM-ETH-RS485-MA600

Ethernet (Modbus/TCP) with integrated web server

2901373

 EEM-ETH-MA600

Key

I1, I2, I3

Conductor currents

P

Real power

THD

Total harmonic distortion

IN

Neutral conductor current

Q

Reactive power

Σ

Total values

U12, U23, U31

Phase conductor voltages

S

Apparent power

V1, V2, V3

Phase/N conductor voltages

PF

Power factor

205

PHOENIX CONTACT

Monitoring

Energy and power measurement

phoenixcontact-interface-technology-and-switching-devices-html.html
background image

RS485

+

°

13 15 17

RS485

RS485

RS485

+

+

+

°

°

13 15 17

Transmit electrical characteristics 
wirelessly and easily

Class 100 ILC 

small-scale

controller

Radioline 

wireless 

module

Radioline 

wireless 

module

EMpro MA250 

energy meter

Radioline 

wireless 

module

EMpro RS-485

communication

modules

EMpro MA600 

energy meter

EMpro MA400 

energy meter

EMpro MA250 

energy meter

RS-485

RS-485

EMpro MA600 

energy meter

EMpro MA400 

energy meter

RS-485

PC

Ethernet

EMpro MA600 

energy meter

EMpro function 

module (DIO)

EMpro Ethernet

communication

module

Water meter

PSK compressed

air meter

Direct connection from the 
PC to the EMpro MA600

206

PHOENIX CONTACT

Monitoring

Energy and power measurement

phoenixcontact-interface-technology-and-switching-devices-html.html
background image

RS485

+

°

13 15 17

RS485

RS485

RS485

RS485

+

+

+

+

°

°

13 15 17

COM

For further information and full technical data, visit phoenixcontact.net/products

Connect up to six external meters to 
one EMpro MA600 

Easy machine monitoring - 
communicate electrical characteristics via Modbus/RTU 

Class 100 ILC 

small-scale controller

PC Worx

PLC programming

RS-485

EMpro MA600 

energy meter

EMpro 

function module (DIO)

EMpro RS-485

communication

module

PSK 

compressed 

air meter

Controller 

status messages

Alarm light

Gas meter

Water meter

RS-485

EMpro MA250 

energy meter

Controllers

Motor

PACT 

current 

transformers

Grid 

feed-in

207

PHOENIX CONTACT

Monitoring

Energy and power measurement

phoenixcontact-interface-technology-and-switching-devices-html.html
background image

 

208

PHOENIX CONTACT

H

W

D

Energy meters

EMpro energy meters are capable of 

acquiring, monitoring, and displaying all 
electrical system and machine parameters 
locally.

EEM-MA600

– Can be extended with function and 

communication modules

– Remote access via web server, integrated 

into Ethernet communication module

– Acquisition of individual harmonic 

components up to 63rd order

– Trend calculation for active and reactive 

power

EEM-MA400

– Can be extended with output module
– Can be extended with RS-485 

communication module 
( JBUS/MODBUS)

– Acquisition of total harmonic content up 

to harmonic of 51st order

EEM-MA250

– Two-tariff measurement via digital input
– Pulse or alarm output
– RS-485 interface ( JBUS/MODBUS)

EEM-MA200

– Two-tariff measurement via digital input
– Pulse or alarm output

EEM-MKT-DRA

– DIN rail adapter for the EEM-MA600 and 

EEM-MA400 front panel devices see 
page 213.

Notes:

The EEM-MA600-24DC energy meter (Order No. 

2902352

) is not 

CE-compliant.

Technical data

Input data

Measuring principle

True r.m.s. value measurement

True r.m.s. value measurement

True r.m.s. value measurement

Acquisition of harmonics

up to 63rd harmonic

Measured value

AC

 

sine (50/60 Hz)

Voltage measuring input V1, V2, V3

Input voltage range

18 V AC ... 700 V AC (Phase/Phase)

11 V AC ... 404 V AC (Phase/neutral conductor)

500 kV AC (Primary, via external voltage transducers)

Secondary: 60, 100, 110, 115, 120, 173, 190 V AC

Accuracy

0.2 %

Current measuring input I1, I2, I3

Input current range ( Via external transformers )

9999 A (primary)

1 A and 5 A, secondary

Overload capacity

6 A (Permanent)

Operate threshold

10 mA

Accuracy

0.2 %

Power measurement

Measuring range

0 MW ... 8000 MW / 0 Mvar ... 8000 Mvar / 0 MVA ... 8000 MVA

0 MW ... 11 MW / 0 Mvar ... 11 Mvar / 0 MVA ... 11 M

Accuracy

0.5 %

Active energy (IEC 62053-22)

Class 0.5

 

S

Reactive power (IEC 62053-23)

Class 2

Digital input

Voltage input signal

Via function module

Switching output

Output description

Via function module

Maximum switching voltage

-

Current carrying capacity

-

Serial port

Output description

Via communication module

Via communication module

Modbus RTU/JBUS RS-485

None

Serial transmission speed

-

Display

Type

LCD display, backlighting

LCD display, backlighting

LCD display, backlighting

Measuring rate

1 s

General data

Supply voltage range

110 V AC ... 400 V AC ±10 %

120 V DC ... 350 V DC (

 20 %)

Nominal power consumption

10 VA

20 VA (with max. number of extension modules)

Degree of protection

IP52 (front), IP30 (back)

IP52 (front), IP30 (back)

IP51 (front), IP20 (back)

Ambient temperature (operation)

-10 °C ... 55 °C (14 °F to 131 °F)

-

Dimensions W/H/D

96 / 96 / 82 mm

Installation depth with extension module

80 mm

Connection cross section (solid / stranded / AWG)

Voltage and other connections

0.5 ... 2.5 mm² / 0.5 ... 2.5 mm² / 20 - 14

0.5 ... 2.5 mm² / 0.5 ... 2.5 mm² / 20 - 14

0.5 ... 2.5 

Current connection

0.5 ... 6 mm² / 0.5 ... 6 mm² / 20 - 8

0.5 ... 6 mm² / 0.5 ... 6 mm² / 20 - 8

0.5 ... 4 mm² / 0.5 ... 4 mm² / 2

EMC note

Class A product, see page 605

Class A product, see page 605

Class A product, see page 605

Conformance/Approvals

Conformance

CE-compliant

Ordering data

Description

Type

Order No.

Pcs./

Pkt.

Energy meter,

 for installation in front panel

EEM-MA600

2901366

1

Energy meter

, for front-panel installation, 24 V DC

EEM-MA600-24DC

2902352

1

Energy meter,

 for mounting on a DIN rail

Monitoring

Energy and power measurement

Measuring voltage up to 700 V AC,

can be extended with function and

communication modules

phoenixcontact-interface-technology-and-switching-devices-html.html
background image

For further information and full technical data, visit phoenixcontact.net/products

 

 

209

PHOENIX CONTACT

H

W

D

H

W

D

Technical data

Technical data

Measuring principle

True r.m.s. value measurement

True r.m.s. value measurement

True r.m.s. value measurement

up to 51st harmonic

up to 51st harmonic

AC

 

sine (50/60 Hz)

AC

 

sine (50/60 Hz)

50 V AC ... 500 V AC (Phase/Phase)

28 V AC ... 289 V AC (Phase/neutral conductor)

50 V AC ... 519 V AC (Phase/Phase)

28 V AC ... 300 V AC (Phase/neutral conductor)

-

-

0.2 %

0.2 %

9999 A (primary)

5 A (secondary)

9999 A (primary)

5 A (secondary)

6 A (Permanent)

6 A (Permanent)

5 mA

5 mA

0.2 %

0.2 %

Measuring range

0 MW ... 8000 MW / 0 Mvar ... 8000 Mvar / 0 MVA ... 8000 MVA

0 MW ... 11 MW / 0 Mvar ... 11 Mvar / 0 MVA ... 11 MVA

0 kW ... 9999 kW / 0 kvar ... 9999 kvar / 0 kVA ... 9999 kVA

0.5 %

0.5 %

Class 0.5

 

S

Class 0.5

 

S

Class 2

Class 2

-

230  V  AC 

10 % (Tariff switchover: e.g., day/nighttime tariff)

Via function module

Transistor output, active

-

30  V  DC

-

27  mA

EEM-MA250

EEM-MA200

Output description

Via communication module

Via communication module

Modbus RTU/JBUS RS-485

None

-

2.4 ... 38.4 kbps

Type

LCD display, backlighting

LCD display, backlighting

LCD display, backlighting

1 s

1 s

110 V AC ... 400 V AC ±10 %

120 V DC ... 350 V DC (

 20 %)

110 V AC ... 277 V AC -10 % ... +15 %

5 VA

10 VA (with max. number of extension modules)

5 VA

Degree of protection

IP52 (front), IP30 (back)

IP52 (front), IP30 (back)

IP51 (front), IP20 (back)

Ambient temperature (operation)

-10 °C ... 55 °C (14 °F to 131 °F)

-10 °C ... 55 °C (14 °F to 131 °F)

-10 °C ... 55 °C (14 °F to 131 °F)

96 / 96 / 82 mm

72 / 90 / 64 mm

80 mm

Voltage and other connections

0.5 ... 2.5 mm² / 0.5 ... 2.5 mm² / 20 - 14

0.5 ... 2.5 mm² / 0.5 ... 2.5 mm² / 20 - 14

0.5 ... 2.5 mm² / 0.5 ... 2.5 mm² / 20 - 14

Current connection

0.5 ... 6 mm² / 0.5 ... 6 mm² / 20 - 8

0.5 ... 6 mm² / 0.5 ... 6 mm² / 20 - 8

0.5 ... 4 mm² / 0.5 ... 4 mm² / 20 - 10

EMC note

Class A product, see page 605

Class A product, see page 605

Class A product, see page 605

CE-compliant

CE-compliant

Ordering data

Ordering data

Type

Order No.

Pcs./

Pkt.

Type

Order No.

Pcs./

Pkt.

EEM-MA400

2901364

1

EEM-MA250

2901363

1

EEM-MA200

2901362

1

Monitoring

Energy and power measurement

Measuring voltage up to 519 V AC,

can be extended with RS-485 interface

and output module

Measuring voltage up to 519 V AC,

DIN rail installation,

also with RS-485 interface

phoenixcontact-interface-technology-and-switching-devices-html.html
background image

Technical data

Technical data

Digital input

Voltage input signal

10 V DC ... 30 V DC

-

Input pulse length

10 ms

-

Output

Output description

Relay output

Current output

Maximum switching voltage

250 V AC/DC

-

General data

Supply voltage

9 V (via EEM-MA600)

9 V (via EEM-MA600)

Degree of protection

IP20

IP20

Ambient temperature (operation)

-10 °C ... 55 °C (14 °F to 131 °F)

-10 °C ... 55 °C (14 °F to 131 °F)

EMC note

Class A product, see page 605

Class A product, see page 605

Conformance/Approvals

Conformance

CE-compliant

CE-compliant

UL, USA/Canada

UL 61010-1

UL 61010-1

Ordering data

Ordering data

Description

Type

Order No.

Pcs./

Pkt.

Type

Order No.

Pcs./

Pkt.

Function module

 (for EEM-MA600)

EEM-2DIO-MA600

2901371

1

EEM-2AO-MA600

2901475

1

Plug-in function modules for the 

EEM-MA600 energy meter.

EEM-2DIO-MA600

– Two digital inputs and outputs
– Configurable threshold values

EEM-2AO-MA600

– Two analog outputs

0 to 20 mA/4 to 20 mA, configurable

Function modules

Monitoring

Energy and power measurement

Two digital inputs, two digital outputs

Two analog outputs

Technical data

Digital input

Voltage input signal

10 V DC ... 30 V DC

General data

Supply voltage

9 V (via EEM-MA600)

Memory size

512 kByte

Degree of protection

IP20

Ambient temperature (operation)

-10 °C ... 55 °C (14 °F to 131 °F)

EMC note

Class A product, see page 605

Conformance/Approvals

Conformance

CE-compliant

UL, USA/Canada

UL 61010-1

Ordering data

Description

Type

Order No.

Pcs./

Pkt.

Function module

 (for EEM-MA600)

Memory module

EEM-MEMO-MA600

2901370

1

210

PHOENIX CONTACT

Plug-in function module for the 

EEM-MA600 energy meter

EEM-MEMO-MA600

– Stores P (+/-) and Q (+/-) with an internal 

or external synchronization pulse of 
5, 8, 10, 20, 30 or 60 minutes, e.g., 
synchronization pulse of 15 minutes over 
45 days

– Stores the last ten alarms with time stamp 

(2DIO function module necessary)

– Stores the last smallest and largest 

instantaneous values for voltages, 
currents, frequency, actual power, reactive 
power, entire harmonic distortion

– Stores the mean values of the cable 

voltage, line to line voltage and frequency 
(maximum 60 days)

– Stores undervoltage, surge voltage, and 

phase failure

– Cannot be combined with PROFIBUS 

communication module

Function module

Memory module

phoenixcontact-interface-technology-and-switching-devices-html.html
background image

For further information and full technical data, visit phoenixcontact.net/products

Technical data

Technical data

Serial port

Output description

Modbus RTU/JBUS RS-485

PROFIBUS DP

Serial transmission speed

2.4 ... 38.4 kbps

12

 

Mbps

General data

Supply voltage

9 V (Via EEM-MA600/EEM-MA400)

9 V (via EEM-MA600)

Degree of protection

IP20

IP20

Ambient temperature (operation)

-10 °C ... 55 °C (14 °F to 131 °F)

-10 °C ... 55 °C (14 °F to 131 °F)

EMC note

Class A product, see page 605

Class A product, see page 605

Conformance/Approvals

Conformance

CE-compliant

CE-compliant

UL, USA/Canada

UL 61010-1

UL 61010-1

Ordering data

Ordering data

Description

Type

Order No.

Pcs./

Pkt.

Type

Order No.

Pcs./

Pkt.

Communication module

 (for EEM-MA400)

RS-485 (JBUS/Modbus/RTU)

EEM-RS485-MA400

2901365

1

Communication module

 (for EEM-MA600)

RS-485 (JBUS/Modbus/RTU)

EEM-RS485-MA600

2901367

1

D-SUB (PROFIBUS DP)

EEM-PB 12-MA600

2901418

1

EEM-PB 12-MA600

– PROFIBUS DP, with transmission speeds 

of 12 Mbps

EEM-RS485-MA...

– JBUS / Modbus/RTU

Communication modules

Monitoring

Energy and power measurement

Modbus/RTU (RS-485)

PROFIBUS

Technical data

Technical data

Serial port

Output description

Modbus/TCP Ethernet (RJ45)

Modbus/TCP Ethernet (RJ45)

Serial transmission speed

10/100 Mbps

10/100 Mbps

General data

Supply voltage

9 V (via EEM-MA600)

9 V (via EEM-MA600)

Degree of protection

IP20

IP20

Ambient temperature (operation)

-10 °C ... 55 °C (14 °F to 131 °F)

-10 °C ... 55 °C (14 °F to 131 °F)

EMC note

Class A product, see page 605

Class A product, see page 605

Conformance/Approvals

Conformance

CE-compliant

CE-compliant

UL, USA/Canada

UL 61010-1

UL 61010-1

Ordering data

Ordering data

Description

Type

Order No.

Pcs./

Pkt.

Type

Order No.

Pcs./

Pkt.

Communication module

 (for EEM-MA600)

Ethernet

EEM-ETH-MA600

2901373

1

Ethernet gateway

EEM-ETH-RS485-MA600

2901374

1

211

PHOENIX CONTACT

EEM-ETH-MA600

– Ethernet
– Modbus/TCP
– Integrated web server

EEM-ETH-RS485-MA600

– Ethernet gateway to RS-485
– Modbus/TCP / Modbus/RTU
– Integrated web server

Communication modules

Ethernet with integrated web server

Ethernet gateway with integrated web server

phoenixcontact-interface-technology-and-switching-devices-html.html
background image

Technical data

Output

Output description

Relay output

Maximum switching voltage

100 V DC

General data

Supply voltage

9 V (via EEM-MA400)

Degree of protection

IP20

Ambient temperature (operation)

-10 °C ... 55 °C (14 °F to 131 °F)

Conformance/Approvals

Conformance

CE-compliant

UL, USA/Canada

UL 61010-1

Ordering data

Description

Type

Order No.

Pcs./

Pkt.

Function module

 (for EEM-MA400)

with one pulse or alarm output

EEM-IMP-MA400

2904314

1

Plug-in function module for the 

EEM-MA400 energy meter.

EEM-IMP-MA400

– One configurable pulse output or one 

configurable threshold value

Function module

Monitoring

Energy and power measurement

Pulse module

Technical data

Output

Output description

Relay output

Maximum switching voltage

100 V DC

General data

Supply voltage

9 V (via EEM-MA600)

Degree of protection

IP20

Ambient temperature (operation)

-10 °C ... 55 °C (14 °F to 131 °F)

Conformance/Approvals

Conformance

CE-compliant

UL, USA/Canada

UL 61010-1

Ordering data

Description

Type

Order No.

Pcs./

Pkt.

Function module

 (for EEM-MA600)

with two configurable pulse outputs

EEM-IMP-MA600

2904313

1

212

PHOENIX CONTACT

Plug-in function module for the 

EEM-MA600 energy meter

EEM-IMP-MA600

– Two configurable pulse outputs

Function module

Pulse module

phoenixcontact-interface-technology-and-switching-devices-html.html
background image

For further information and full technical data, visit phoenixcontact.net/products

Technical data

General data

Vibration resistance

57 Hz ... 150 Hz (2 g)

DIN rail clip material

Aluminum, natural anodized

Fixing sheet material

Stainless steel VA

Dimensions W/H/D

116 / 112 / 115 mm

Ordering data

Description

Type

Order No.

Pcs./

Pkt.

DIN rail adapter

 for EEM-MA600 and EEM-MA400

EEM-MKT-DRA

2902078

1

213

PHOENIX CONTACT

DIN rail adapter

– For mounting the EEM-MA600 or 

EEM-MA400 energy meters on a 
35 mm DIN rail according to EN 60715

Accessories

Monitoring

Energy and power measurement

H

W

D

For mounting on DIN rails

phoenixcontact-interface-technology-and-switching-devices-html.html
background image

 

Technical data

Interfaces

INTERBUS local bus (master)

Inline data jumper

Ethernet

2 x RJ45 socket

Parameterization/operation/diagnostics

1 x 6-pos. MINI DIN socket (PS/2)

INTERBUS master

Number of devices with parameter channel

max. 24

Number of supported devices

max. 128

Amount of process data

max. 4096 Bit (INTERBUS)

max. 32768 Bit (internal Modbus /TCP client)

Digital inputs/outputs

Number of inputs

8

Number of outputs

4

Analog inputs/outputs

Number of inputs

2

Number of outputs

2

IEC-61131 runtime system

Programming tool

PC WORX / PC WORX EXPRESS

Processor

Altera Nios II 64 MHz

Program memory

1 Mbyte

Mass storage

1 Mbyte

Retentive mass storage

48 kByte (NVRAM)

Number of data blocks

depends on mass storage

Number of timers, counters

depends on mass storage

Number of control tasks

8

Real-time clock

Yes

Power supply

Supply voltage

24 V DC

Supply voltage range

19.2 V DC ... 30 V DC

Typical current consumption

310 mA

General data

Dimensions

W / H / D

164 mm / 136.8 mm / 71.5 mm

Degree of protection

IP20

Ambient temperature (operation)

-25 °C ... 55 °C

EMC note

Class A product, see page 605

Ordering data

Description

Type

Order No.

Pcs./

Pkt.

Compact controller,

 complete with accessories 

(connector and marking field)

- Analog inputs/outputs

ILC 191 ME/AN

2700074

1

Program and configuration memory,

 plug-in, 2 GB with 

license key and user program for reading from measuring devices

SD FLASH 2GB EMLOG

2403484

1

Accessories

Programming cable

COM CAB MINI DIN

2400127

1

214

PHOENIX CONTACT

The EMlog software from Phoenix Contact 

provides an efficient solution for recording 
energy data relating to heat, cold, air, and 
electricity when used in conjunction with the 
ILC 191 ME/AN modular Inline controller. 
This allows you to keep an eye on your 
resources and manage the consumption levels 
of your machines and systems.

Your advantages:

– Easy startup without programming 

knowledge

– Easy parameterization, thanks to web-

based interface

– Direct parameterization of predefined 

sensors

– Existing configurations can be reused

Controller solution for usage data 
acquisition

Monitoring

Energy and power measurement

Solution for usage data acquisition

phoenixcontact-interface-technology-and-switching-devices-html.html
background image

For further information and full technical data, visit phoenixcontact.net/products

Technical data

Interfaces

Interfaces

RS-232

RS-232/-485

Serial

Ethernet

Digital inputs/outputs

Number of inputs

4

Number of outputs

2 (Relay output)

Analog inputs

Number of inputs

2

IEC-61131 runtime system

Program memory

832 kByte

Retentive mass storage

1 Mbyte

Real-time clock

Yes (battery-backed)

Power supply

Supply voltage

24 V DC

Typical current consumption

5 mA

General data

Weight

475 g

Width

210 mm

Height

110 mm

Depth

45 mm

Degree of protection

IP20

Ambient temperature (operation)

-20 °C ... 65 °C

Ordering data

Description

Type

Order No.

Pcs./

Pkt.

Multifunctional data logger

PSK RTU 50

2400018

1

215

PHOENIX CONTACT

The PSK RTU 50 is a multifunctional RTU 

(Remote Telemetry Unit), which combines 
the functions of a data logger, gateway, and 
alarm manager. The PSK RTU 50 offers 
various communication options, was 
developed with low power technology and 
allows independent operation, e.g., with 
batteries or solar cells.

Your advantages:

– GSM/GPRS modem
– Ethernet interface
– IEC 60870-5-101
– IEC 60870-5-104
– Modbus/RTU

Complete packages for data logging

Monitoring

Energy and power measurement

Multifunctional data logger

phoenixcontact-interface-technology-and-switching-devices-html.html
background image

216

PHOENIX CONTACT

Compressed air meters

Compressed air meters

Use meters from Phoenix Contact to 

monitor the use of compressed air, an 
expensive production resource. By using 
compressed air efficiently, you can decrease 
compressor usage and therefore reduce 
energy costs. The calorimetric measuring 
procedure records even the smallest 
consumption rates. You can therefore 
detect wear or leaks based on the amount 
of air consumed.

Use compressed air meters to acquire 
the following values:

– The current volumetric flow according to 

ISO 2533 and DIN 1343

– The total volume used
– The temperature of the compressed air in 

the monitored operating processes

The compressed air meters impress 
thanks to their:

– Detailed reference measurement with 

flow rate, total volume, and temperature 
display

– Intelligent sensor communication, thanks 

to IO-Link technology

– A measuring range from 

0.06 to 700.0 Nm3/h

– Flexible use, thanks to IP65 protection: 

resistant to dust and splash water

Technical data

PSK AFS6050IOL

PSK AFS6000IOL

Flow monitoring

Measuring range

0.20 Nm³/h ... 75 Nm³/h

0.04 Nm³/h ... 15 Nm³/h

0.70 Nm³/h ... 225 Nm³/h

2.30 Nm³/h ... 700 Nm³/h

Display area

0.00 Nm³/h ... 90 Nm³/h

0.00 Nm³/h ... 18 Nm³/h

0.00 Nm³/h ... 270 Nm³/h

0.00 Nm³/h ... 840 Nm³/h

Repeatability

±1.5% of the measured value

±1.5% of the measured value

±

Response time

< 0.1 s ((dAP = 0))

< 0.1 s ((dAP = 0))

< 0.1 s ((dAP = 0))

< 0.1 s ((dAP = 0))

Measured value error

±15 % of the measured value 

+1.5 % of the measuring range 

final value

Depending on the air quality: 

±3% of the measured value 

+ 0.3% of the measuring range 

final value; ±6% of the measured 

value + 0.6% of the measuring 

range final value

Temperature monitoring

Measuring range

0 °C ... 60 °C

0 °C ... 60 °C

0 °C ... 60 °C

0 °C ... 60 °C

Display area

-12 °C ... 72 °C

-12 °C ... 72 °C

-12 °C ... 72 °C

-12 °C ... 72 °C

Response time

30 s (Q > 0.1 Nm

3

/h)

30 s (Q > 0.1 Nm

Resolution

0.5 °C

0.5 °C

0.5 °C

0.5 °C

Accuracy

± 2.5 °C (Q > 0.1 Nm

3

/h)

± 2.5 °C (Q > 0.1 Nm

Supply for module electronics

Connection method

M12 connector

M12 connector

M12 connector

M12 connector

No. of pos.

4

4

4

4

Supply voltage range

19 V DC ... 30 V DC

19 V DC ... 30 V DC

19 V DC ... 30 V DC

19 V DC ... 30 V DC

Current draw

< 100 mA

< 100 mA

< 100 mA

< 100 mA

Digital outputs

Pulse value

0.0010 m³ ... 

1000000

 m³

0.0010 m³ ... 1000000 m³

0.0030 m³ ... 3000000 m³

0.0100 m³ ... 4000000 m³

Pulse length

min. 0.04 s

min. 0.2 s

min. 0.02 s

min. 0.043 s

Delay time

0.5 s (Operational readiness)

0.5 s (Operational readiness)

1 s (Operational readiness)

0.5 s (Operational readiness)

Analog outputs

Type of protection

Short-circuit protection, polarity reversal protection

Short-circuit protection, polarity reversal protection

S

Current output signal

4 mA ... 20 mA

4 mA ... 20 mA

4 mA ... 20 mA

4 mA ... 20 mA

Load/output load current output

 500 

General data

Weight

581 g

961 g

887 g

2.053 kg

4.332 kg

Width

45 mm

45 mm

45 mm

133 mm

Height

111 mm

300 mm

193.3 mm

475 mm

475 mm

Depth

79.5 mm

76.8 mm

74.5 mm

88.5 mm

-

Degree of protection

IP65

IP65

IP65

IP65

Protection class

III

III

III

III

Ambient temperature (operation)

0 °C ... 60 °C

0 °C ... 60 °C

0 °C ... 60 °C

0 °C ... 60 °C

Ambient temperature (storage/transport)

-20 °C ... 85 °C

-20 °C ... 85 °C

-20 °C ... 85 °C

-20 °C ... 85 °C

Vibration resistance in acc. with EN

 

60068-2-6/IEC

 

60068-2-6

5g (55 ... 2000 Hz)

5g (55 ... 2000 Hz)

5g (55 ... 2000 Hz)

5g (55 ... 2000 Hz)

Ordering data

Description

Type

Order No.

Pcs./

Pkt.

Compressed air meter

: G1/2 process connection, 

measuring range up to 75 Nm

3

/h

PSK AFS6050IOL

2700704

1

Compressed air meter

: G1/2 process connection, 

measuring range up to 75 Nm

3

/h

PSK AFS6000IOL

2700707

1

Compressed air meter

: R1/4 process connection, 

measuring range up to 15 Nm

3

/h

Compressed air meter

: R1 process connection, 

measuring range up to 225 Nm

3

/h

Compressed air meter

: R2 process connection, 

measuring range up to 700 Nm

3

/h

Monitoring

Energy and power measurement

Compressed air meter up to 75 Nm

3

/h

Compressed air meter up to 15 Nm

phoenixcontact-interface-technology-and-switching-devices-html.html
background image

For further information and full technical data, visit phoenixcontact.net/products

217

PHOENIX CONTACT

Technical data

Technical data

Technical data

0.20 Nm³/h ... 75 Nm³/h

0.04 Nm³/h ... 15 Nm³/h

0.70 Nm³/h ... 225 Nm³/h

2.30 Nm³/h ... 700 Nm³/h

0.00 Nm³/h ... 90 Nm³/h

0.00 Nm³/h ... 18 Nm³/h

0.00 Nm³/h ... 270 Nm³/h

0.00 Nm³/h ... 840 Nm³/h

±1.5% of the measured value

±1.5% of the measured value

±1.5% of the measured value

±1.5% of the measured value

< 0.1 s ((dAP = 0))

< 0.1 s ((dAP = 0))

< 0.1 s ((dAP = 0))

< 0.1 s ((dAP = 0))

Depending on the air quality: ±3% of the measured value + 0.3% of 

the measuring range final value; ±6% of the measured value + 0.6% 

of the measuring range final value

Depending on the air quality: ±3% of the measured value + 0.3% of 

the measuring range final value; ±6% of the measured value + 0.6% 

of the measuring range final value

Depending on the air quality: ± 3% of the measured value + 0.3% of 

the measuring range final value; ± 6% of the measured value + 0.6% 

of the measuring range final value

0 °C ... 60 °C

0 °C ... 60 °C

0 °C ... 60 °C

0 °C ... 60 °C

-12 °C ... 72 °C

-12 °C ... 72 °C

-12 °C ... 72 °C

-12 °C ... 72 °C

/h)

30 s (Q > 0.1 Nm

3

/h)

30 s (Q > 0.1 Nm

3

/h)

30 s (Q > 0.1 Nm

3

/h)

0.5 °C

0.5 °C

0.5 °C

0.5 °C

/h)

± 2.5 °C (Q > 0.1 Nm

3

/h)

± 2.5 °C (Q > 0.1 Nm

3

/h)

± 2.5 °C (Q > 0.1 Nm

3

/h)

M12 connector

M12 connector

M12 connector

M12 connector

4

4

4

4

19 V DC ... 30 V DC

19 V DC ... 30 V DC

19 V DC ... 30 V DC

19 V DC ... 30 V DC

< 100 mA

< 100 mA

< 100 mA

< 100 mA

0.0010 m³ ... 1000000 m³

0.0010 m³ ... 

1000000

 m³

0.0030 m³ ... 

3000000

 m³

0.0100 m³ ... 

4000000

 m³

min. 0.04 s

min. 0.2 s

min. 0.02 s

min. 0.043 s

0.5 s (Operational readiness)

0.5 s (Operational readiness)

1 s (Operational readiness)

0.5 s (Operational readiness)

Type of protection

Short-circuit protection, polarity reversal protection

Short-circuit protection, polarity reversal protection

Short-circuit protection, polarity reversal protection

Short-circuit protection, polarity reversal protection

4 mA ... 20 mA

4 mA ... 20 mA

4 mA ... 20 mA

4 mA ... 20 mA

 500 

 500 

 500 

581 g

961 g

887 g

2.053 kg

4.332 kg

45 mm

45 mm

45 mm

133 mm

111 mm

300 mm

193.3 mm

475 mm

475 mm

79.5 mm

76.8 mm

74.5 mm

88.5 mm

-

IP65

IP65

IP65

IP65

III

III

III

III

Ambient temperature (operation)

0 °C ... 60 °C

0 °C ... 60 °C

0 °C ... 60 °C

0 °C ... 60 °C

Ambient temperature (storage/transport)

-20 °C ... 85 °C

-20 °C ... 85 °C

-20 °C ... 85 °C

-20 °C ... 85 °C

60068-2-6

5g (55 ... 2000 Hz)

5g (55 ... 2000 Hz)

5g (55 ... 2000 Hz)

5g (55 ... 2000 Hz)

Ordering data

Ordering data

Ordering data

Type

Order No.

Pcs./

Pkt.

Type

Order No.

Pcs./

Pkt.

Type

Order No.

Pcs./

Pkt.

PSK AFS5000IOL

2700705

1

PSK AFS8000IOL

2700708

1

PSK AFS2000IOL

2700709

1

Monitoring

Energy and power measurement

/h

Compressed air meter up to 15 Nm

3

/h

Compressed air meter up to 225 Nm

3

/h

Compressed air meter up to 700 Nm

3

/h

phoenixcontact-interface-technology-and-switching-devices-html.html
background image

218

PHOENIX CONTACT

Pressure sensor

Pressure sensor with IO-Link

Pressure sensors from Phoenix Contact 

detect the operating pressure of gas media 
in a range from -1 to 10 bar. The overload-
proof ceramic measuring cell is designed for 
in excess of 100 million cycles and enables a 
high switching point accuracy. The pressure 
switch offers the option of using the set 
switching points via two switching outputs 
or reading all process data via the IO-Link 
interface.

Your advantages:

– IO-Link communication
– Parameterization, diagnostics, and 

process value monitoring via IO-Link

– Programmable function
– 4-character alphanumeric display

Technical data

Pressure monitoring

Measuring range

-1 bar ... 10 bar (Minimum burst pressure 150 bar)

Pressure resistance

75 bar

Process connection

G1/4 I

Supply for module electronics

Connection method

M12 connector

No. of pos.

4

Supply voltage range

18 V DC ... 36 V DC

Current draw

< 35 mA

Digital outputs

Number of outputs

2 (OUT1 = switching output, OUT2 = switching output or diagnostic 

output)

Connection method

M12 connectors, assigned four times

Delay time

0.3 s (Operational readiness)

IO-Link

Specification

V1.1

Transmission speed

38.4 kbaud

General data

Weight

263 g

Width

34 mm

Height

91.5 mm

Depth

48 mm

Degree of protection

IP65

Protection class

III

Ambient temperature (operation)

-25 °C ... 80 °C

Ambient temperature (storage/transport)

-40 °C ... 100 °C

Vibration resistance in acc. with EN

 

60068-2-6/IEC

 

60068-2-6

20g

 

(10

 

Hz

 

...

 

2000

 

Hz)

Ordering data

Description

Type

Order No.

Pcs./

Pkt.

Pressure sensor with indicator

,

G1/4

 

I process connection, IO-Link communication

PSK APS7004IOL

2700710

1

Monitoring

Energy and power measurement

Pressure sensor up to 10 bar

phoenixcontact-interface-technology-and-switching-devices-html.html
background image

For further information and full technical data, visit phoenixcontact.net/products

219

PHOENIX CONTACT

Monitoring

Energy and power measurement

phoenixcontact-interface-technology-and-switching-devices-html.html
background image

220

PHOENIX CONTACT

Monitoring

Current measurement

Extremely versatile

PACT current transformers offer a 

complete product range for converting 
alternating currents up to 4000 A into 
secondary currents of 1 A and 5 A. 
Depending on requirements, busbar, 
plug-in, and winding current transformers 
are available. PACT current transformers 
are available in different transformation 
ratios, accuracy classes, and rated powers - 
in 3000 versions, for your current 
measurement requirements.

Also available for higher accuracy classes

For standard applications, such as in 

machine building or systems manufacturing, 
Phoenix Contact offers current 
transformers with accuracy classes 0.5 and 
1 in a version that cannot be calibrated.

For higher accuracy or for billing purposes 

in energy supply, type-tested transformers 
that can be calibrated as well as calibrated 
transformers are available - with classes 
0.2/0.2S/0.5 and 0.5S.

phoenixcontact-interface-technology-and-switching-devices-html.html
background image

MA

C

X

M

CR

-SL-

C

A

C

-S-I

PW

R

E

RR

1
2

ON O

FF

1

.

1

1

.

1

1

.

1

1

.

1

1

.

1

OU

T G

N

D G

N

D G

N

D

0,

5

nc

D

0,

5

MA

C

X

M

CR

-SL-

C

A

C

-S-I

PW

R

E

RR

1
2

ON O

FF

1

.

1

1

.

1

1

.

1

1

.

1

1

.

1

OU

T G

N

D G

N

D G

N

D

0,

5

nc

D

0,

5

PA

C

TM

CR

V

2

12

0

2

0-

15

9

RUN

FAIL

RUN / PROG

MRESET

STP

RDY / RUN

BSA

FAIL

PF

PRG

LNK

ACT

100

10/100

RESET

INLINE CONTROL
ILC 370 ETH 2TX-IB
Ord. No.:

2876999

PLC

IL

ETH

LNK

ACT

100

RC

BA

RD

TR

RB IN

RB OUT

IB

RUN

FAIL

RUN / PROG

MRESET

STP

RDY / RUN

BSA

FAIL

PF

PRG

LNK

ACT

100

10/100

RESET

INLINE CONTROL
ILC 370 ETH 2TX-IB
Ord. No.:

2876999

PLC

IL

ETH

LNK

ACT

100

RC

BA

RD

TR

RB IN

RB OUT

IB

12

0

 %

1

00

 %

t

I

P

N

For further information and full technical data, visit phoenixcontact.net/products

221

PHOENIX CONTACT

Fast and secure installation

The current transformer quick-action 

mechanism offers the following advantages:
– Tool-free mounting
– Considerable reduction in installation 

time

– Easy handling and secure fastening by 

pressing with finger

– Current transformers align themselves – 

no need for subsequent alignment

Variable and space-saving mounting

In addition to the vertical and horizontal 

mounting position, the optional accessories 
offer further installation options such as 
mounting on the DIN rail or on the control 
cabinet panel.

All PACT current transformers are just 

30 mm wide. This saves space – for example 
with flat mounting when measuring branch 
outlets.

Safely detecting current peaks 

PACT current transformers can be used 

to safely detect current peaks greater than 
the rated nominal current strength – 
without resulting in any damage. The 
transformers are designed for a thermal 
nominal continuous current of 120% of the 
primary rated current strength.

Example: a PACT transformer with a 

specified rated power of 10 VA actually 
delivers 14.4 VA on a continual basis.

PLC

PLC

Current 

transducers

Current 

transducers

Current transformers

According to EN 60044-1

PACT current transformer

Safe isolation

PACT current transformers are 

manufactured according to EN 50178. This 
is relevant for electronic equipment for use 
in power installations.

EN 50178 differs considerably from 

EN 60044, the usual standard for 
transformers, with regard to safety.

Your advantages:

– PACT current transformers offer safe 

isolation, thanks to greater air clearances 
and creepage distances.

– PACT current transformers ensure that 

there is no sparkover on the secondary 
side of the transformer and human life is 
protected inside and outside the control 
cabinet.

– Up to 1000 V (L-N) operating voltage 

possible

– Routine testing with 12 kV (1.2/50

s)

– Meets overvoltage category 3

Monitoring

Current measurement

phoenixcontact-interface-technology-and-switching-devices-html.html
background image

200

7,5

Technical data

Input data

Thermal rated short-time current

I

th

 = 60 * I

n

Rated surge current

I

dyn

 = 2.5 * I

th

Rated frequency

50 Hz ... 60 Hz

50 Hz

Surge current limitation factor

FS 5

General data

Rated insulation voltage

1 kV (Phase/neutral conductor)

Impulse withstand voltage

12 kV (1.2/50 

μ

s)

Insulating material class

E

Connection capacity of secondary terminals

2 x (2.5 x 4) mm

Ambient temperature (operation)

-25 °C ... 40 °C

Standards/regulations

EN 50178 , EN 61869

Housing material

WELLAMID 6600-PA66-GV 20 HWV0CP

– Complete range consisting of winding, 

busbar, and window-type current 
transformers

– Popular types available from stock; 

alternatively, order key can be used for 
custom dimensioning

– Versions available to support official 

calibration

Selection

– Select your transformer in accordance 

with the dimensions of the copper rail

– Specify the four electrical characteristics 

of the transformer:

1.The primary rated current 
strength I

pn

 - the maximum amperage 

occurring in the path to be measured

2.The secondary rated current I

sn

 -  

supplied to the downstream measuring 
devices

3. Class

 - accuracy for adherence to the 

specified tolerances

4. Rated power S

n

 [VA]

 - takes 

account of all the loads occurring in the 
measuring circuit

Current transformer selection guide

Monitoring

Current measurement

Calculation guide

Order key

 - example for PACT MCR-V2-3015-60

Preferred types that can be ordered directly are marked in green in the selection table.

Order No.

Primary current I

pn

Secondary current I

sn

Class

Rated power S

n

2277271

/

IP02000

/

IS05

/

C10

/

P750

IP00600

60 A

P125

1.25 VA

IP00750

75 A

IS01

1 A

C02

0.2

P250

2.5 VA

IP00800

80 A

IS05

5 A

C05

0.5

P375

3.75 VA

IP01000

100 A

C10

1

P500

5.0 VA

IP01250

125 A

P750

7.5 VA

IP02000

200 A

P1000

10 VA

IP02500

250 A

Selection table (extract)

I

sn

Cl.

Primary rated current strength I

pn 

[A]

60

75

80

100

125

150

250

1 A

0.5

1.25

2.5

2.5

2.5

2.5

Rat

e

d

 p

o

wer

 S

n

 [V

A]

3.75

5

1

1.25

2.5

2.5

2.5

2.5

2.5

2.5

2.5

3.75

5

5

5

7.5

5 A

0.5

2.5

2.5

3.75

5

1

1.25

1.25

1.25

2.5

2.5

2.5

2.5

2.5

1.5

2

3.75

3.75

5

5

5

7.5

10

1.

2.

3.

4.

Determination of the secondary side rated power S

n

All the occurring loads must be added:
– Calculate the power requirement of the copper wire 

(forward and return line)

– Take into account the power requirement of the connected devices 

(measuring devices)

– Add a reserve requirement

S

n

 total = S

n

 copper wire + S

n

 measuring device + S

n

 reserve

Power requirement of copper wires with a different diameter

Conductor cross 

section in mm

2

Rated power in VA/m

(consider the forward and return line)

Secondary current I

sn

5 A

Secondary current I

sn

1 A

1.5

0.2917

0.0117

2.5

0.1750

0.0070

4

0.1094

0.0044

6

0.0729

0.0029

Example:
S

n

 copper wire = cable length x 2 x rated power 

S

n

 copper wire = 10 m x 2 x 0.1750 VA/m = 3.50 VA

S

n

 measuring device = 2 VA 

S

n

 reserve < 0.5 x (S

n

 copper wire + S

n

 measuring device) 

S

n

 reserve = 2 VA

S

n

 total = S

n

 copper wire + S

n

 measuring device + S

n

 reserve

S

n

  total  =  3.5 VA  +  2 VA  +  2 VA  =  7.5 VA

Determination of the secondary side rated power S

n

All the occurring loads must be added:
– Calculate the power requirement of the copper wire 

(forward and return line)

– Take into account the power requirement of the connected devices 

(measuring devices)

– Add a reserve requirement

S

n

 total = S

n

 copper wire + S

n

 measuring device + S

n

 reserve

222

PHOENIX CONTACT

phoenixcontact-interface-technology-and-switching-devices-html.html
background image

21

16

26

5

0

44

3

0

For further information and full technical data, visit phoenixcontact.net/products

Ordering data

Description

Rated power

S

n

Type

Order No.

Pcs./

Pkt.

Primary rated current I

pn

:

- 50 A

1.25 VA

PACT MCR-V1-21-44- 50-5A-1

2277019

1

- 75 A

2.5 VA

PACT MCR-V1-21-44- 75-5A-1

2277611

1

- 100 A

2.5 VA

PACT MCR-V1-21-44-100-5A-1

2277022

1

- 125 A

3.75 VA

PACT MCR-V1-21-44-125-5A-1

2277763

1

- 150 A

5 VA

PACT MCR-V1-21-44-150-5A-1

2277035

1

- 200 A

5 VA

PACT MCR-V1-21-44-200-5A-1

2277776

1

- 250 A

5 VA

PACT MCR-V1-21-44-250-5A-1

2277048

1

- 300 A

10 VA

PACT MCR-V1-21-44-300-5A-1

2277789

1

- 400 A

5 VA

PACT MCR-V1-21-44-400-5A-1

2277051

1

- 500 A

10 VA

PACT MCR-V1-21-44-500-5A-1

2277792

1

Current transformers,

 to determine the desired current 

transformer type, refer to the order key below

PACT MCR-V1-21-44

2277268

1

Current transformers that support official calibration:

 To 

specify the type of current transformer you require, please refer to 

the order key (see notes)

PACT MCR-V1C-21-44

2277420

1

223

PHOENIX CONTACT

PACT MCR-V1-21-44

– Primary rated current I

pn

:

0...(50...500) A

– Circular conductor dimensions: Ø 21 mm

Notes:

Our configurator, which is available at 

phoenixcontact.net/products, makes ordering easy.

The relevant installation accessories can be found on page 233

Current transformers

Add 

order key

 from the selection table (ordering example marked in orange) 

Order No.

Primary current I

pn

Secondary current I

sn

Class

Rated power S

n

2277268

/

IP05000

/

IS01

/

C05

/

P1000

Selection table PACT MCR-V1-21-44

 (Order No.: 

2277268

)

I

sn

Cl.

Primary rated current strength I

pn

 [A]

50

60

75

80

100

125

150

200

250

300

400

500

IS01

=

1 A

C05

=

 0.5

1.25

2.5

2.5

2.5

2.5

2.5

2.5

2.5

Ra

t

e

d

 p

o

w

e

r

 S

n

 [V

A]

3.75

5

5

5

5

5

7.5

7.5

10

C10

=

 1

1.25

1.25

2.5

2.5

2.5

2.5

2.5

2.5

2.5

2.5

2.5

2.5

3.75

5

5

5

5

5

5

7.5

7.5

10

IS05

=

 5 A

C05

=

 0.5

1.25

1.25

1.25

2.5

2.5

2.5

2.5

2.5

1.5

2.0

2.5

3.75

5

5

5

5

7.5

10

7.5

7.5

C10

=

 1

1.25

1.25

2.5

2.5

2.5

2.5

2.5

2.5

2.5

2.5

2.5

2.5

1.5

3.75

5

5

5

5

5

5

7.5

7.5

10

7.5

10

Monitoring

Current measurement

Busbar curr. transf.,

official calibration as an option

phoenixcontact-interface-technology-and-switching-devices-html.html
background image

3

0

2

8

6

0

16

64

33x16

23x23

16x33

Ordering data

Description

Rated power

S

n

Type

Order No.

Pcs./

Pkt.

Primary rated current I

pn

:

- 60 A

1.25 VA

PACT MCR-V2-3015- 60-  60-5A-1

2277815

1

- 75 A

1.25 VA

PACT MCR-V2-3015- 60-  75-5A-1

2277828

1

- 75 A

1.5 VA

PACT MCR-V2- 3015- 60- 75-5A-1

2276502

1

- 80 A

1.25 VA

PACT MCR-V2-3015- 60-  80-5A-1

2277831

1

- 100 A

2.5 VA

PACT MCR-V2-3015- 60- 100-5A-1

2277064

1

- 125 A

3.75 VA

PACT MCR-V2-3015- 60- 125-5A-1

2277624

1

- 150 A

3.75 VA

PACT MCR-V2-3015- 60- 150-5A-1

2277844

1

- 150 A

5 VA

PACT MCR-V2- 3015- 60-150-5A-1

2277077

1

- 200 A

5 VA

PACT MCR-V2-3015- 60- 200-5A-1

2277637

1

- 200 A

7.5 VA

PACT MCR-V2-3015- 60- 200-5A-1

2277857

1

- 250 A

5 VA

PACT MCR-V2- 3015- 60-250-5A-1

2276544

1

- 250 A

7.5 VA

PACT MCR-V2-3015- 60- 250-5A-1

2277860

1

- 250 A

10 VA

PACT MCR-V2- 3015- 60-250-5A-1

2277080

1

- 300 A

7.5 VA

PACT MCR-V2-3015- 60- 300-5A-1

2277640

1

- 400 A

10 VA

PACT MCR-V2- 3015- 60-400-5A-1

2277093

1

- 500 A

10 VA

PACT MCR-V2-3015- 60- 500-5A-1

2277653

1

- 600 A

10 VA

PACT MCR-V2-3015- 60- 600-5A-1

2277103

1

- 750 A

10 VA

PACT MCR-V2-3015- 60- 750-5A-1

2277666

1

Current transformers,

 to determine the desired current 

transformer type, refer to the order key below

PACT MCR-V2- 3015- 60

2277271

1

Current transformers that support official calibration:

 To 

specify the type of current transformer you require, please refer to 

the order key (see notes)

PACT MCR-V2C- 3015- 60

2277433

1

Accessories

Quick-action mechanism

Fixing pin length 40 mm

PACT-FAST-MNT-W16-L40

2276638

1

Fixing pin length 65 mm

PACT-FAST-MNT-W16-L65

2276641

1

224

PHOENIX CONTACT

PACT MCR-V2-3015-60

– Primary rated current I

pn

:

0...(50...750) A

– Circular conductor dimensions: Ø 28 mm
– Rail dimensions: 

30x15 mm, 20x20 mm

Notes:

Our configurator, which is available at 

phoenixcontact.net/products, makes ordering easy.

The relevant installation accessories can be found on page 233

Current transformers

Add 

order key

 from the selection table (ordering example marked in orange) 

Order No.

Primary current I

pn

Secondary current I

sn

Class

Rated power S

n

2277271

/

IP07500

/

IS01

/

C05

/

P1500

Selection table PACT MCR-V2-3015-60

 (Order No.: 

2277271

)

I

sn

Cl.

Primary rated current strength I

pn

 [A]

50

60

75

80

100

125

150

200

250

300

400

500

600

750

IS01

=

 1 A

C05

 

=

 0.5

1.25

2.5

2.5

2.5

2.5

2.5

2.5

2.5

2.5

2.5

Ra

t

e

d

 p

o

w

e

r

 S

n

 [V

A]

3.75

5

5

5

5

5

5

7.5

10

10

10

10

15

15

C10

=

 1

1.25

1.25

2.5

2.5

2.5

2.5

2.5

2.5

2.5

2.5

2.5

2.5

2.5

5

3.75

5

5

5

5

5

5

5

10

7.5

10

10

10

10

15

15

20

IS05

=

 5 A

C05

=

 0.5

2.5

2.5

2.5

2.5

2.5

2.5

2.5

3.75

5

5

5

5

5

5

7.5

10

10

10

10

C10

=

 1

1.25

1.25

1.25

2.5

2.5

2.5

2.5

2.5

2.5

2.5

2.5

2.5

2.5

1.5

2

3.75

3.75

5

5

5

5

5

5

5

5

7.5

7.5

7.5

10

10

10

10

10

10

15

15

Monitoring

Current measurement

Window-type curr. transformer,

official calibration as an option

phoenixcontact-interface-technology-and-switching-devices-html.html
background image

3

0

4

0

,5x13

74

16

31x31

13x4

0

,5

7

0

33

For further information and full technical data, visit phoenixcontact.net/products

Ordering data

Description

Rated power

S

n

Type

Order No.

Pcs./

Pkt.

Primary rated current I

pn

:

- 250 A

5 VA

PACT MCR-V2-4012- 70- 250-5A-1

2277116

1

- 300 A

7.5 VA

PACT MCR-V2-4012- 70- 300-5A-1

2277679

1

- 400 A

7.5 VA

PACT MCR-V2-4012- 70- 400-5A-1

2277129

1

- 500 A

10 VA

PACT MCR-V2-4012- 70- 500-5A-1

2277682

1

- 600 A

10 VA

PACT MCR-V2-4012- 70- 600-5A-1

2277132

1

- 750 A

10 VA

PACT MCR-V2-4012- 70- 750-5A-1

2277695

1

- 800 A

10 VA

PACT MCR-V2-4012- 70- 800-5A-1

2277145

1

- 1000 A

10 VA

PACT MCR-V2-4012- 70-1000-5A-1

2277158

1

Current transformers,

 to determine the desired current 

transformer type, refer to the order key below

PACT MCR-V2- 4012- 70

2277284

1

Current transformers that support official calibration:

 To 

specify the type of current transformer you require, please refer to 

the order key (see notes)

PACT MCR-V2C- 4012- 70

2277446

1

Accessories

Quick-action mechanism

Fixing pin length 40 mm

PACT-FAST-MNT-W13-L40

2276612

1

Fixing pin length 65 mm

PACT-FAST-MNT-W13-L65

2276625

1

225

PHOENIX CONTACT

PACT MCR-V2-4012-70

– Primary rated current I

pn

:

0...(75...1000) A

– Circular conductor dimensions: Ø 33 mm
– Rail dimensions: 

40x12 mm, 2x 30x10 mm

Notes:

Our configurator, which is available at 

phoenixcontact.net/products, makes ordering easy.

The relevant installation accessories can be found on page 233

Current transformers

Add 

order key

 from the selection table (ordering example marked in orange) 

Order No.

Primary current I

pn

Secondary current I

sn

Class

Rated power S

n

2277284

/

IP010000

/

IS05

/

C10

/

P250

Selection table PACT MCR-V2-4012-70

 (Order No.: 

2277284

)

I

sn

Cl.

Primary rated current strength I

pn

 [A]

75

80

100

125

150

200

250

300

400

500

600

750

800

1000

IS01

=

 1 A

C05

 

=

 0.5

1.25

2.5

2.5

2.5

2.5

2.5

2.5

2.5

2.5

2.5

2.5

Ra

t

e

d

 p

o

w

e

r

 S

n

 [V

A]

3.75

5

5

5

5

5

5

5

5

7.5

10

10

10

10

10

15

C10

=

 1

1.25

1.25

2.5

2.5

2.5

2.5

2.5

2.5

2.5

2.5

2.5

2.5

2.5

2.5

3.75

5

5

5

5

5

5

5

5

5

5

7.5

10

10

10

10

10

10

10

15

15

IS05

=

 5 A

C05

=

 0.5

1.25

2.5

2.5

2.5

2.5

2.5

2.5

2.5

2.5

2.5

2.5

3.75

5

5

5

5

5

5

5

5

7.5

10

10

10

10

10

15

C10

=

 1

1.25

1.25

2.5

2.5

2.5

2.5

2.5

2.5

2.5

2.5

2.5

2.5

2.5

2.5

3.75

5

5

5

5

5

5

5

5

5

5

7.5

7.5

7.5

10

10

10

10

10

15

15

Monitoring

Current measurement

Window-type curr. transformer,

official calibration as an option

phoenixcontact-interface-technology-and-switching-devices-html.html
background image

3

0

42

9

2

5

0

,5x13

41x31

31x41

13x5

0

,5

16

8

5

Ordering data

Description

Rated power

S

n

Type

Order No.

Pcs./

Pkt.

Primary rated current I

pn

:

- 150 A

3.75 VA

PACT MCR-V2-5012- 85- 150-5A-1

2276117

1

- 200 A

5 VA

PACT MCR-V2-5012- 85- 200-5A-1

2276120

1

- 250 A

7.5 VA

PACT MCR-V2-5012- 85- 250-5A-1

2276133

1

- 300 A

10 VA

PACT MCR-V2-5012- 85- 300-5A-1

2276146

1

- 400 A

10 VA

PACT MCR-V2-5012- 85- 400-5A-1

2277161

1

- 500 A

15 VA

PACT MCR-V2-5012- 85- 500-5A-1

2276159

1

- 600 A

10 VA

PACT MCR-V2-5012- 85- 600-5A-1

2277174

1

- 600 A

15 VA

PACT MCR-V2-5012- 85- 600-5A-1

2276162

1

- 750 A

10 VA

PACT MCR-V2-5012- 85- 750-5A-1

2276175

1

- 800 A

10 VA

PACT MCR-V2-5012- 85- 800-5A-1

2277187

1

- 1000 A

10 VA

PACT MCR-V2-5012- 85-1000-5A-1

2276463

1

- 1000 A

15 VA

PACT MCR-V2-5012- 85-1000-5A-1

2277190

1

- 1250 A

15 VA

PACT MCR-V2-5012- 85-1250-5A-1

2277200

1

- 1500 A

15 VA

PACT MCR-V2-5012- 85-1500-5A-1

2276188

1

Current transformers,

 to determine the desired current 

transformer type, refer to the order key below

PACT MCR-V2- 5012- 85

2277297

1

Current transformers that support official calibration:

 To 

specify the type of current transformer you require, please refer to 

the order key (see notes)

PACT MCR-V2C- 5012- 85

2277459

1

Accessories

Quick-action mechanism

Fixing pin length 40 mm

PACT-FAST-MNT-W13-L40

2276612

1

Fixing pin length 65 mm

PACT-FAST-MNT-W13-L65

2276625

1

226

PHOENIX CONTACT

PACT MCR-V2-5012-85

– Primary rated current I

pn

:

0...(100...1500) A

– Circular conductor dimensions: Ø 42 mm
– Rail dimensions: 

50x12 mm, 2x 40x10 mm

Notes:

Our configurator, which is available at 

phoenixcontact.net/products, makes ordering easy.

The relevant installation accessories can be found on page 233

Current transformers

Add 

order key

 from the selection table (ordering example marked in orange) 

Order No.

Primary current I

pn

Secondary current I

sn

Class

Rated power S

n

2277297

/

IP02500

/

IS01

/

C10

/

P750

Selection table PACT MCR-V2-5012-85

 (Order No.: 

2277297

)

I

sn

Cl.

Primary rated current strength I

pn

 [A]

100

125

150

200

250

300

400

500

600

750

800

1000

1250

1500

IS01

=

 1 A

C05

 

=

 0.5

1.25

2.5

2.5

2.5

2.5

2.5

2.5

2.5

2.5

2.5

2.5

2.5

Ra

t

e

d

 p

o

w

e

r

 S

n

 [V

A]

5

5

5

5

5

5

5

5

5

5

5

7.5

10

10

10

10

10

10

10

10

15

15

15

15

15

15

C10

=

 1

1.25

2.5

2.5

2.5

2.5

2.5

2.5

2.5

2.5

2.5

2.5

5

5

5

3.75

5

5

5

5

5

5

5

5

10

10

10

7.5

7.5

10

10

10

10

10

10

15

15

15

10

15

20

20

15

20

20

30

IS05

=

 5 A

C05

=

 0.5

1.25

2.5

2.5

2.5

2.5

2.5

2.5

2.5

2.5

2.5

2.5

2.5

5

5

5

5

5

5

5

5

5

5

5

7.5

10

10

20

10

10

10

10

10

15

15

15

15

15

15

C10

=

 1

1.25

2.5

2.5

2.5

2.5

2.5

2.5

5

5

2.5

2.5

5

5

5

3.75

5

5

5

5

10

10

5

5

10

10

10

7.5

7.5

10

10

15

15

10

10

15

15

15

10

15

20

20

15

20

20

20

Monitoring

Current measurement

Window-type curr. transformer,

official calibration as an option

phoenixcontact-interface-technology-and-switching-devices-html.html
background image

52

3

0

9

2

6

0

,5x16

52x32

42x42

32x52

16x6

0

,5

16

8

5

For further information and full technical data, visit phoenixcontact.net/products

Ordering data

Description

Rated power

S

n

Type

Order No.

Pcs./

Pkt.

Primary rated current I

pn

:

- 200 A

2.5 VA

PACT MCR-V2-6015- 85- 200-5A-1

2277873

1

- 250 A

2.5 VA

PACT MCR-V2-6015- 85- 250-5A-1

2277886

1

- 300 A

2.5 VA

PACT MCR-V2-6015- 85- 300-5A-1

2277899

1

- 400 A

2.5 VA

PACT MCR-V2-6015- 85- 400-5A-1

2277909

1

- 500 A

5 VA

PACT MCR-V2-6015- 85- 500-5A-1

2277912

1

- 600 A

10 VA

PACT MCR-V2-6015- 85- 600-5A-1

2277925

1

- 750 A

10 VA

PACT MCR-V2-6015- 85- 750-5A-1

2277938

1

- 800 A

10 VA

PACT MCR-V2-6015- 85- 800-5A-1

2277941

1

- 1000 A

15 VA

PACT MCR-V2-6015- 85-1000-5A-1

2277954

1

- 1250 A

15 VA

PACT MCR-V2-6015- 85-1250-5A-1

2277967

1

- 1600 A

15 VA

PACT MCR-V2-6015- 85-1600-5A-1

2277983

1

Current transformers,

 to determine the desired current 

transformer type, refer to the order key below

PACT MCR-V2- 6015- 85

2277336

1

Current transformers that support official calibration:

 To 

specify the type of current transformer you require, please refer to 

the order key (see notes)

PACT MCR-V2C- 6015- 85

2277462

1

Accessories

Quick-action mechanism

Fixing pin length 40 mm

PACT-FAST-MNT-W16-L40

2276638

1

Fixing pin length 65 mm

PACT-FAST-MNT-W16-L65

2276641

1

227

PHOENIX CONTACT

PACT MCR-V2-6015-85

– Primary rated current I

pn

:

0...(200...1600) A

– Circular conductor dimensions: Ø 52 mm
– Rail dimensions: 

60x15 mm, 2x 50x10 mm,  40x40 mm

Notes:

Our configurator, which is available at 

phoenixcontact.net/products, makes ordering easy.

The relevant installation accessories can be found on page 233

Current transformers

Add 

order key

 from the selection table (ordering example marked in orange) 

Order No.

Primary current I

pn

Secondary current I

sn

Class

Rated power S

n

2277336

/

IP05000

/

IS01

/

C10

/

P375

Selection table PACT MCR-V2-6015-85

 (Order No.: 

2277336

)

I

sn

Cl.

Primary rated current strength I

pn 

[A]

200

250

300

400

500

600

750

800

1000

1250

1500

1600

IS01

=

 1 A

C05

 

=

 0.5

1.25

1.25

1.25

2.5

2.5

2.5

2.5

2.5

2.5

Ra

t

e

d

 p

o

w

e

r

 S

n

 [V

A]

5

5

C10

=

 1

2.5

2.5

2.5

2.5

2.5

2.5

2.5

2.5

2.5

2.5

3.75

5

3.75

3.75

5

IS05

=

 5 A

C05

=

 0.5

1.25

1.25

1.25

2.5

2.5

2.5

2.5

2.5

5

5

5

2.5

5

5

5

5

5

10

10

10

10

10

10

10

15

15

15

15

15

20

20

C10

=

 1

2.5

2.5

2.5

2.5

2.5

2.5

2.5

2.5

5

5

5

5

5

5

5

5

10

10

10

10

10

10

10

15

15

15

15

15

20

30

Monitoring

Current measurement

Window-type curr. transformer,

official calibration as an option

phoenixcontact-interface-technology-and-switching-devices-html.html
background image

53

9

5

3

0

16x64

32x54

42x42

54x32

64x16

1

0

5

16

3

0

61

9

6

44x64

54x54

1

0

5

16

Ordering data

Ordering data

Description

Rated power

S

n

Type

Order No.

Pcs./

Pkt.

Type

Order No.

Pcs./

Pkt.

Primary rated current I

pn

:

- 600 A

10 VA

PACT MCR-V2-6040- 96- 600-5A-1

2276191

1

- 750 A

10 VA

PACT MCR-V2-6040- 96- 750-5A-1

2276201

1

- 800 A

10 VA

PACT MCR-V2-6315- 95- 800-5A-1

2277213

1

PACT MCR-V2-6040- 96- 800-5A-1

2276214

1

- 1000 A

10 VA

PACT MCR-V2-6315- 95-1000-5A-1

2277226

1

PACT MCR-V2-6040- 96-1000-5A-1

2277705

1

- 1250 A

10 VA

PACT MCR-V2-6315- 95-1250-5A-1

2277239

1

- 1250 A

15 VA

PACT MCR-V2-6040- 96-1250-5A-1

2276227

1

- 1500 A

10 VA

PACT MCR-V2-6315- 95-1500-5A-1

2277242

1

PACT MCR-V2-6040- 96-1500-5A-1

2277718

1

- 1600 A

10 VA

PACT MCR-V2-6315- 95-1600-5A-1

2277255

1

- 1600 A

15 VA

PACT MCR-V2-6040- 96-1600-5A-1

2276230

1

- 2000 A

15 VA

PACT MCR-V2-6040- 96-2000-5A-1

2276243

1

Current transformers,

 to determine the desired current 

transformer type, refer to the order key below

PACT MCR-V2- 6315- 95

2277307

1

PACT MCR-V2- 6040- 96

2277349

1

Current transformers that support official calibration:

 To 

specify the type of current transformer you require, please refer to 

the order key (see notes)

PACT MCR-V2C- 6315- 95

2277475

1

PACT MCR-V2C- 6040- 96

2277488

1

Accessories

Accessories

Quick-action mechanism

Fixing pin length 40 mm

PACT-FAST-MNT-W16-L40

2276638

1

PACT-FAST-MNT-W16-L40

2276638

1

Fixing pin length 65 mm

PACT-FAST-MNT-W16-L65

2276641

1

PACT-FAST-MNT-W16-L65

2276641

1

228

PHOENIX CONTACT

PACT MCR-V2-6315-95

– Primary rated current I

pn

:

0...(200...2500) A

– Circular conductor dimensions: Ø 53 mm
– Rail dimensions: 

63x15 mm
2x 50x10 mm
40x40 mm

PACT MCR-V2-6040-96

– Primary rated current I

pn

:

0...(200...2000) A

– Circular conductor dimensions: Ø 61 mm
– Rail dimensions: 

60x40 mm, 50x50 mm

Notes:

Our configurator, which is available at 

phoenixcontact.net/products, makes ordering easy.

The relevant installation accessories can be found on page 233

Current transformers

Add 

order key

 from the selection table (ordering example marked in orange) 

Order No.

Primary current I

pn

Secondary current I

sn

Class

Rated power S

n

2277307

/

IP25000

/

IS05

/

C05

/

P500

Selection table PACT MCR-V2-6315-95

 (Order No.: 

2277307

)

Selection table PACT MCR-V2-6040-96

 (Order No.: 

2277349

)

I

sn

Cl.

Primary rated current strength I

pn

 [A]

I

sn

Cl.

Primary rated current strength I

pn

 [A]

200

250

300

400

500

600

750

800

1000 1250 1500 1600 2000 2500

200

250

300

400

500

600

750

800

1000 1250 1500 1600 2000

IS01

=

 1 A

C05

 

=

 0.5

2.5

2.5

2.5

2.5

2.5

2.5

5

5

5

5

5

5

5

Ra

t

e

d

 p

o

w

e

r

 S

n

 [V

A]

IS01

=

 1 A

C05

 

=

 0.5

2.5

2.5

2.5

2.5

2.5

2.5

2.5

2.5

2.5

2.5

Ra

t

e

d

 p

o

w

e

r

 S

n

 [V

A]

5

5

5

5

10

10

10

10

10

10

10

5

5

5

5

5

5

5

7.5

10

10

15

15

15

15

15

7.5

7.5

7.5

10

10

20

C10

=

 1

2.5

2.5

2.5

2.5

2.5

2.5

5

5

5

5

5

5

10

C10

=

 1

2.5

2.5

2.5

2.5

2.5

2.5

2.5

2.5

2.5

2.5

2.5

3.75

5

5

5

5

5

10

10

10

10

10

10

15

3.75

5

5

5

5

5

5

5

5

5

5

7.5

10

10

10

15

15

15

15

20

7.5

7.5

7.5

7.5

10

10

15

20

IS05

=

 5 A

C05

=

 0.5

2.5

2.5

2.5

2.5

2.5

2.5

5

5

5

5

5

5

5

5

IS05

=

 5 A

C05

=

 0.5

2.5

2.5

2.5

2.5

2.5

2.5

2.5

2.5

2.5

2.5

2.5

5

3.75

5

5

5

5

10

10

10

10

10

10

10

10

5

5

5

5

5

5

5

5

5

10

7.5

10

10

10

15

15

15

15

15

15

15

15

7.5

7.5

10

10

7.5

10

10

10

15

15

15

20

20

30

20

30

30

30

30

15

C10

=

 1

2.5

2.5

2.5

2.5

5

5

5

5

10

5

5

10

10

10

C10

=

 1

2.5

2.5

2.5

2.5

2.5

2.5

2.5

2.5

2.5

5

2.5

5

5

3.75

5

5

5

10

10

10

10

15

10

10

15

15

15

3.75 3.75

5

5

5

5

5

5

5

10

5

10

10

10

10

15

15

15

15

30

15

15

30

30

30

7.5

7.5

10

10

10

10

15

10

15

15

15

20

20

30

30

30

30

15

Monitoring

Current measurement

Window-type curr. transformer,

official calibration as an option

Window-type curr. transformer,

official calibration as an option

phoenixcontact-interface-technology-and-switching-devices-html.html
background image

3

0

61

1

0

5

16

116

53x53

33x63

16x

8

3

3

0

7

0

1

0

5

16

116

64x53

6

0

x64

31x

8

1

For further information and full technical data, visit phoenixcontact.net/products

Ordering data

Ordering data

Description

Rated power

S

n

Type

Order No.

Pcs./

Pkt.

Type

Order No.

Pcs./

Pkt.

Primary rated current I

pn

:

- 400 A

7.5 VA

PACT MCR-V2-8015-105- 400-5A-1

2276256

1

- 500 A

10 VA

PACT MCR-V2-8015-105- 500-5A-1

2276269

1

- 600 A

10 VA

PACT MCR-V2-8015-105- 600-5A-1

2276272

1

- 750 A

10 VA

PACT MCR-V2-8015-105- 750-5A-1

2276285

1

- 800 A

15 VA

PACT MCR-V2-8015-105- 800-5A-1

2276298

1

- 1000 A

10 VA

PACT MCR-V2-8015-105-1000-5A-1

2277721

1

PACT MCR-V2-8020-105-1000-5A-1

2277747

1

- 1000 A

15 VA

PACT MCR-V2-8015-105-1000-5A-1

2276308

1

- 1250 A

10 VA

PACT MCR-V2-8015-105-1250-5A-1

2276311

1

- 1500 A

15 VA

PACT MCR-V2-8015-105-1500-5A-1

2277734

1

PACT MCR-V2-8020-105-1500-5A-1

2277750

1

- 1600 A

15 VA

PACT MCR-V2-8015-105-1600-5A-1

2276324

1

- 2000 A

10 VA

PACT MCR-V2-8020-105-2000-5A-1

2276382

1

- 2000 A

20 VA

PACT MCR-V2-8015-105-2000-5A-1

2276337

1

- 2500 A

20 VA

PACT MCR-V2-8015-105-2500-5A-1

2276340

1

Current transformers,

 to determine the desired current 

transformer type, refer to the order key below

PACT MCR-V2- 8015-105

2277352

1

PACT MCR-V2- 8020-105

2277365

1

Current transformers that support official calibration:

 To 

specify the type of current transformer you require, please refer to 

the order key (see notes)

PACT MCR-V2C- 8015-105

2277491

1

PACT MCR-V2C- 8020-105

2277501

1

229

PHOENIX CONTACT

PACT MCR-V2-8015-105

– Primary rated current I

pn

:

0...(400...2500) A

– Circular conductor dimensions: Ø 61 mm
– Rail dimensions: 

80x15 mm, 2x 60x10 mm, 3x 50x10 mm

PACT MCR-V2-8020-105

– Primary rated current I

pn

:

0...(500...2000) A

– Circular conductor dimensions: Ø 70 mm
– Rail dimensions: 

2x 80x10 mm, 60x60 mm

Notes:

Our configurator, which is available at 

phoenixcontact.net/products, makes ordering easy.

The relevant installation accessories can be found on page 233

Current transformers

Add 

order key

 from the selection table (ordering example marked in orange) 

Order No.

Primary current I

pn

Secondary current I

sn

Class

Rated power S

n

2277352

/

IP25000

/

IS05

/

C10

/

P3000

Selection table PACT MCR-V2-8015-105

 (Order No.: 

2277352

)

Selection table PACT MCR-V2-8020-105

 (Order No.: 

2277365

)

I

sn

Cl.

Primary rated current strength I

pn

 [A]

I

sn

Cl.

Primary rated current strength I

pn

 [A]

400

500

600

750

800

1000

1250

1500

1600

2000

2500

500

600

750

800

1000

1250

1500

1600

2000

IS01

=

 1 A

C05

 

=

 0.5

2.5

2.5

2.5

2.5

2.5

2.5

2.5

2.5

2.5

5

Ra

t

e

d

 p

o

w

e

r

 S

n

 [V

A]

IS01

=

 1 A

C05

 

=

 0.5

2.5

2.5

2.5

2.5

2.5

2.5

2.5

2.5

Ra

t

e

d

 p

o

w

e

r

 S

n

 [V

A]

5

5

5

5

5

5

5

5

10

5

5

5

5

5

5

10

10

7.5

10

10

10

15

10

15

15

20

C10

=

 1

2.5

2.5

2.5

2.5

2.5

2.5

2.5

5

5

10

C10

=

 1

2.5

2.5

2.5

2.5

2.5

2.5

2.5

2.5

5

5

5

5

5

5

5

10

10

15

5

5

5

5

5

5

5

5

7.5

10

10

10

10

10

10

15

15

20

7.5

7.5

7.5

10

15

15

20

20

25

15

IS05

=

 5 A

C05

=

 0.5

2.5

2.5

2.5

2.5

2.5

5

2.5

2.5

2.5

2.5

5

IS05

=

 5 A

C05

=

 0.5

2.5

2.5

2.5

2.5

2.5

2.5

2.5

2.5

2.5

5

5

5

5

5

10

5

5

5

5

10

5

5

5

5

5

5

5

5

5

10

10

10

15

10

10

10

10

15

7.5

7.5

7.5

10

10

10

10

10

15

15

20

15

15

20

15

C10

=

 1

2.5

2.5

2.5

2.5

5

5

2.5

2.5

5

5

10

C10

=

 1

2.5

2.5

2.5

2.5

2.5

2.5

2.5

5

5

5

5

5

5

10

10

5

5

10

10

15

5

5

5

5

5

5

5

10

10

7.5

10

10

10

15

15

10

10

15

15

20

7.5

7.5

10

10

10

10

15

15

20

15

20

30

15

Monitoring

Current measurement

Window-type curr. transformer,

official calibration as an option

Window-type curr. transformer,

official calibration as an option

phoenixcontact-interface-technology-and-switching-devices-html.html
background image

3

0

8

5

12

9

16

14

0

8

1x54

64x

8

4

31x1

0

1

3

0

12

9

16

14

0

56x1

0

1

Ordering data

Ordering data

Description

Rated power

S

n

Type

Order No.

Pcs./

Pkt.

Type

Order No.

Pcs./

Pkt.

Primary rated current I

pn

:

- 2500 A

15 VA

PACT MCR-V2-10020-129-2500-5A

2276395

1

- 3000 A

15 VA

PACT MCR-V2-10036-129-3000-5A

2276405

1

Current transformers,

 to determine the desired current 

transformer type, refer to the order key below

PACT MCR-V2-10020-129

2277378

1

PACT MCR-V2-10036-129

2277381

1

Current transformers that support official calibration:

 To 

specify the type of current transformer you require, please refer to 

the order key (see notes)

PACT MCR-V2C-10020-129

2277514

1

PACT MCR-V2C-10036-129

2277527

1

230

PHOENIX CONTACT

PACT MCR-V2-10020-129

– Primary rated current I

pn

:

0...(400...4000) A

– Circular conductor dimensions: Ø 85 mm
– Rail dimensions: 

2x100x10 mm, 80x64 mm

PACT MCR-V2-10036-129

– Primary rated current I

pn

:

0...(400...4000) A

– Rail dimensions: 

3x 100x12 mm

Notes:

Our configurator, which is available at 

phoenixcontact.net/products, makes ordering easy.

The relevant installation accessories can be found on page 233

Current transformers

Add 

order key

 from the selection table (ordering example marked in orange) 

Order No.

Primary current I

pn

Secondary current I

sn

Class

Rated power S

n

2277378

/

IP40000

/

IS05

/

C05

/

P2500

Selection table PACT MCR-V2-10020-129

 (Order No.: 

2277378

)

Selection table PACT MCR-V2-10036-129

 (Order No.: 

2277381

)

I

sn

Cl.

Primary rated current strength I

pn

 [A]

I

sn

Cl.

Primary rated current strength I

pn

 [A]

400

500

600

750

800

1000 1250 1500 1600 2000 2500 3000 4000

400

500

600

750

800

1000 1250 1500 1600 2000 2500 3000 4000

IS01

=

 1 A

C05

 

=

 0.5

2.5

5

5

5

5

5

5

5

5

5

5

Ra

t

e

d

 p

o

w

e

r

 S

n

 [V

A]

IS01

=

 1 A

C05

 

=

 0.5

2.5

5

5

5

5

5

5

5

5

5

5

Ra

t

e

d

 p

o

w

e

r

 S

n

 [V

A]

5

10

10

10

10

10

10

10

10

10

10

5

10

10

10

10

10

10

10

10

10

10

15

15

15

15

15

15

15

15

15

15

15

15

20

20

20

20

C10

=

 1

2.5

2.5

5

5

5

5

5

5

5

5

5

5

C10

=

 1

2.5

2.5

5

5

5

5

5

5

5

5

5

5

5

5

10

10

10

10

10

10

10

10

10

10

5

5

10

10

10

10

10

10

10

10

10

10

15

15

15

15

15

15

15

15

15

15

15

15

25

30

25

30

IS05

=

 5 A

C05

=

 0.5

2.5

2.5

5

5

5

5

5

5

5

5

5

5

IS05

=

 5 A

C05

=

 0.5

2.5

2.5

5

5

5

5

5

5

5

5

5

5

5

5

10

10

10

10

10

10

10

10

10

10

5

5

10

10

10

10

10

10

10

10

10

10

15

15

15

15

15

15

15

15

15

15

15

15

15

15

20

20

25

25

20

20

25

25

C10

=

 1

2.5

2.5

5

5

5

5

5

5

5

5

5

5

5

C10

=

 1

2.5

2.5

5

5

5

5

5

5

5

5

5

5

5

5

5

10

10

10

10

10

10

10

10

10

10

10

5

5

10

10

10

10

10

10

10

10

10

10

10

15

15

15

15

15

15

15

15

15

15

15

15

15

15

15

15

20

25

30

30

30

20

25

30

30

30

Monitoring

Current measurement

Window-type curr. transformer,

official calibration as an option

Window-type curr. transformer,

official calibration as an option

phoenixcontact-interface-technology-and-switching-devices-html.html
background image

15

9

3

0

16

172

8

3x

8

3

55x1

0

3

34x126

9

6

15

9

3

0

16

172

72x122

For further information and full technical data, visit phoenixcontact.net/products

Ordering data

Ordering data

Description

Rated power

S

n

Type

Order No.

Pcs./

Pkt.

Type

Order No.

Pcs./

Pkt.

Primary rated current I

pn

:

- 4000 A

15 VA

PACT MCR-V2-12040-159-4000-5A

2276418

1

Current transformers,

 to determine the desired current 

transformer type, refer to the order key below

PACT MCR-V2-12020-159

2277394

1

PACT MCR-V2-12040-159

2277404

1

231

PHOENIX CONTACT

PACT MCR-V2-12020-159

– Primary rated current I

pn

:

0...(400...4000) A

– Circular conductor dimensions: Ø 96 mm
– Rail dimensions:

2x 120x10 mm, 3x 100x10 mm,
80x80 mm

PACT MCR-V2-12040-159

– Primary rated current I

pn

:

0...(400...4000) A

– Rail dimensions: 

4x 120x10 mm

Notes:

Our configurator, which is available at 

phoenixcontact.net/products, makes ordering easy.

The relevant installation accessories can be found on page 233

Current transformers

Add 

order key

 from the selection table (ordering example marked in orange) 

Order No.

Primary current I

pn

Secondary current I

sn

Class

Rated power

2277404

/

IP08000

/

IS01

/

C05

/

P250

Selection table PACT MCR-V2-12020-159

 (Order No.: 

2277394

)

Selection table PACT MCR-V2-12040-159

 (Order No.: 

2277404

)

I

sn

Cl.

Primary rated current strength I

pn

 [A]

I

sn

Cl.

Primary rated current strength I

pn

 [A]

400

500

600

750

800

1000 1250 1500 1600 2000 2500 3000 4000

400

500

600

750

800

1000 1250 1500 1600 2000 2500 3000 4000

IS01

=

 1 A

C05

 

=

 0.5

2.5

2.5

2.5

2.5

2.5

2.5

5

5

5

5

5

5

10

Ra

t

e

d

 p

o

w

e

r

 S

n

 [V

A]

IS01

=

 1 A

C05

 

=

 0.5

2.5

2.5

2.5

2.5

2.5

2.5

5

5

5

5

5

5

10

Ra

t

e

d

 p

o

w

e

r

 S

n

 [V

A]

5

5

5

5

5

5

10

10

10

10

10

10

15

5

5

5

5

5

5

10

10

10

10

10

10

15

10

10

10

10

10

10

15

15

15

15

15

15

30

10

15

15

15

15

15

15

30

15

20

30

30

30

30

30

45

C10

=

 1

2.5

5

5

2.5

2.5

5

5

5

5

5

5

10

10

C10

=

 1

2.5

5

5

2.5

2.5

5

5

5

5

5

5

10

10

5

10

10

5

5

10

10

10

10

10

10

15

15

5

10

10

5

5

10

10

10

10

10

10

15

15

10

15

15

10

10

15

15

15

15

15

15

30

30

10

15

15

10

15

15

15

15

15

15

30

30

15

20

20

15

20

30

30

30

30

30

45

45

IS05

=

 5 A

C05

=

 0.5

2.5

2.5

2.5

2.5

2.5

5

5

10

5

5

5

10

10

IS05

=

 5 A

C05

=

 0.5

2.5

2.5

2.5

2.5

2.5

5

5

10

5

5

5

10

10

5

5

5

5

5

10

10

15

10

10

10

15

15

5

5

5

5

5

10

10

15

10

10

10

15

15

10

10

10

10

10

15

15

30

15

15

15

30

30

10

10

15

15

30

15

15

15

30

30

15

15

30

30

45

30

30

30

45

45

C10

=

 1

2.5

5

5

5

5

5

5

10

5

5

10

10

10

C10

=

 1

2.5

5

5

5

5

5

5

10

5

5

10

10

10

5

10

10

10

10

10

10

15

10

10

15

15

15

5

10

10

10

10

10

10

15

10

10

15

15

15

10

15

15

15

15

15

15

30

15

15

30

30

30

10

15

15

15

15

15

15

30

15

15

30

30

30

15

20

20

20

30

30

30

45

30

30

45

45

45

Monitoring

Current measurement

Window-type current transformer

Window-type current transformer

phoenixcontact-interface-technology-and-switching-devices-html.html
background image

3

0

6

0

16

64

Ordering data

Description

Type

Order No.

Pcs./

Pkt.

Current transformers,

 to determine the desired current 

transformer type, refer to the order key below

PACT MCR-V3-60

2277417

1

232

PHOENIX CONTACT

PACT MCR-V3-60

– Primary rated current I

pn

0...(1...40) A

– Current-carrying copper lines connected 

directly to the screw terminal blocks on 
the primary side

Notes:

Our configurator, which is available at 

phoenixcontact.net/products, makes ordering easy.

The relevant installation accessories can be found on page 233

Current transformers

Add 

order key

 from the selection table (ordering example marked in orange) 

Order No.

Primary current I

pn

Secondary current I

sn

Class

Rated power S

n

2277417

/

IP00025

/

IS01

/

C10

/

P250

Selection table PACT MCR-V3-60

 (Order No.: 

2277417

)

I

sn

Cl.

Primary rated current strength I

pn

 [A]

1

2

2.5

4

5

6

7.5

10

12.5

15

20

25

30

40

IS01

=

 1 A

C05

 

=

 0.5

2.5

2.5

2.5

2.5

2.5

2.5

2.5

2.5

2.5

2.5

2.5

2.5

2.5

2.5

Ra

t

e

d

 p

o

w

e

r

 S

n

 [V

A]

5

5

5

5

5

5

5

5

5

5

5

5

5

5

C10

=

 1

2.5

2.5

2.5

2.5

2.5

2.5

2.5

2.5

2.5

2.5

2.5

2.5

2.5

2.5

5

5

5

5

5

5

5

5

5

5

5

5

5

5

IS05

=

 5 A

C05

=

 0.5

2.5

2.5

2.5

2.5

2.5

2.5

2.5

2.5

2.5

2.5

2.5

2.5

2.5

2.5

5

5

5

5

5

5

5

5

5

5

5

5

5

5

C10

=

 1

2.5

2.5

2.5

2.5

2.5

2.5

2.5

2.5

2.5

2.5

2.5

2.5

2.5

2.5

5

5

5

5

5

5

5

5

5

5

5

5

5

5

Monitoring

Current measurement

Winding current transformer

phoenixcontact-interface-technology-and-switching-devices-html.html
background image

For further information and full technical data, visit phoenixcontact.net/products

Technical data

Technical data

General data

Ambient temperature (operation)

-25 °C ... 120 °C

-25 °C ... 120 °C

Width of the retaining bracket

[mm]

13

16

Ordering data

Ordering data

Description

Type

Order No.

Pcs./

Pkt.

Type

Order No.

Pcs./

Pkt.

Quick-action mechanism

Fixing pin length 65 mm

PACT-FAST-MNT-W13-L65

2276625

1

Fixing pin length 40 mm

PACT-FAST-MNT-W13-L40

2276612

1

Quick-action mechanism

Fixing pin length 65 mm

PACT-FAST-MNT-W16-L65

2276641

1

Fixing pin length 40 mm

PACT-FAST-MNT-W16-L40

2276638

1

Quick-action mechanism for 
PACT current transformers

– No tools necessary for mounting
– Extremely easy handling, thanks to secure 

fastening by pressing with finger

– Set consisting of two fixing pins and a 

holding latch

Notes:

The 16 mm wide quick-action mechanism can also be used for 

larger current transformers if the length of the fixing pins is 

sufficient.

Accessories

Monitoring

Current measurement

for: ...-V2-4012-70..., ...-V2-5012-85...

for: ...-V2-3015-60..., ...-V2-6015-85...,

...-V2-6315-95... 

Ordering data

Ordering data

Description

Type

Order No.

Pcs./

Pkt.

Type

Order No.

Pcs./

Pkt.

Copper sleeves,

 for establishing a conductive connection during 

the horizontal assembly of PACT analog current transformers. The 

size of the copper sleeve depends on the diameter of the inner hole 

of the current transformer.

- for PACT MCR-V1-21-44-...

Ø 21/8 mm

PACT MCR-CB-21- 8

2277569

1

- for PACT MCR-V1-21-44-...

Ø 21/12 mm

PACT MCR-CB-21-12

2277556

1

- for PACT MCR-V2-3015-60-...

Ø 28/12 mm

PACT MCR-CB-28-12

2277543

1

- for PACT MCR-V2-5012-85-...

Ø 42/12 mm

PACT MCR-CB-42-12

2277530

1

DIN rail adapter

PACT MCR-RA

2277598

12

Secondary terminal cover,

 for increasing the clearances and 

creepage distances

Length: 60 mm

PACT MCR-ETC-60

2277572

9

Length: 75 mm

PACT MCR-ETC-75

2277585

9

Insulating caps,

 for protection against unintended contact with 

mounting screws of the primary rail

PACT MCR-ICAP

2277608

18

233

PHOENIX CONTACT

– Copper  sleeves
– DIN  rail  adapter
– Secondary terminal cover
– Insulating caps

Accessories

Copper sleeves

DIN rail adapter

Secondary terminal cover

Insulating caps

phoenixcontact-interface-technology-and-switching-devices-html.html
background image

234

PHOENIX CONTACT

Monitoring

Current measurement

Fast installation in a confined space

PACT RCP current transformers for 

retrofitting can be conveniently mounted 
where there is not enough space for split 
core current transformers. System 
downtimes are reduced as system parts do 
not have to be removed for installation.

Your advantages:

– High system availability due to reduced 

downtimes: fast installation without 
removing system parts

– Safe installation and operation: no 

dangerous open circuit voltages

– No magnetic saturation
– High linearity, even at high currents
– Responds to fast current changes
– The coil is protected against 

electromagnetic interference

– The current can rise up to the short-

circuit current without necessarily 
destroying the coil

– High nominal isolation voltage

Professional holding device for busbars

The PACT RCP-CLAMP holding device 

offers the following advantages:
– Suitable for industrial applications
– Steel bracket ensures permanent fixed 

seating at high busbar temperatures

– Designed for rails with a thickness of 

10 to 15 mm

– Rogowski coil is snapped onto the fixing 

element

– Rogowski coil has a safe and defined place 

on the busbar

– Rogowski coil can be rotated in 

15° increments for optimum alignment.

– PACT RCP avoids direct contact of the 

measuring coil with its own or adjacent 
busbar

– This allows installations on warm busbars 

to remain under control

phoenixcontact-interface-technology-and-switching-devices-html.html
background image

For further information and full technical data, visit phoenixcontact.net/products

235

PHOENIX CONTACT

Monitoring

Current measurement

Easy and safe installation

Simply place the handy Rogowski coil 

quickly around busbars and circular 
conductors. The measuring transducer 
connected downstream supplies the same 
typical secondary currents as a standard 
current transformer.

Fast installation in a confined space

PACT RCP current transformers save 

space and are handy as the size and weight 
of the Rogowski coil are not dependent on 
the amperage and unlike split core current 
transformers, remain the same.

One measuring system for all amperages

Acquire alternating currents up to 4000 A 

using a single coil type. Rogowski coils are 
available in three different lengths for 
optimum adjustment to the busbar and 
circular conductor dimensions.

Eight current measuring ranges

The measuring transducer connected 

downstream supplies the same typical 
secondary currents as a standard current 
transformer. Choose between eight 
different current measuring ranges via 
DIP switches. For optimum measuring 
accuracy, compensate for the different coil 
lengths by simply using a potentiometer.

Detect harmonics and transients

PACT RCP current transformers for 

retrofitting cover a large frequency range 
from 10 to 5000 Hz. You can therefore 
measure harmonics and transients with 
phase accuracy.

Safe seating

The optional holding device ensures safe 

seating and optimal alignment of the coil 
even on very hot busbars. If the gap 
between the busbars is very small, simply 
turn the coil diagonally to avoid touching 
other rails.

phoenixcontact-interface-technology-and-switching-devices-html.html
background image

Technical data

Measuring coil input data

Frequency range

40 Hz ... 20000 Hz

Position error

< 1 %

Measuring coil signal output

Output signal (at 50 Hz)

100 mV (no load, at 1,000 A)

General data, measuring coil

Length of signal cable

3000 mm

Rated insulation voltage

1000 V AC (rms CAT III)

600 V AC (rms CAT IV)

Test voltage

10.45 kV (DC / 1 min.)

Ambient temperature (operation)

-30 °C ... 80 °C (Measuring coil)

Ambient temperature (storage/transport)

-40 °C ... 80 °C (Measuring coil)

Measuring transducer input data

Measuring ranges (current) via DIP switch

100 A , 250 A , 400 A , 630 A , 1000 A , 1500 A , 2000 A , 4000 A

Phase angle

< 1 °

Measuring transducer signal input

Input signal (at 50 Hz)

100 mV (1000 A)

Measuring transducer signal output

Current output signal

0 A AC ... 1 A

Miscellaneous data for measuring transducer

Nominal supply voltage

24 V DC -20

 

% ... +25

 

%

Nominal supply voltage range

19.2 V DC ... 30 V DC

Transmission error, maximum

 0.5 % (From the range end value)

Linearity error

< 0.5 % (From the range end value)

Frequency range

45 Hz ... 65 Hz

Degree of protection

IP20

Test voltage

1.5 kV AC (Supply/input and output: 50 Hz, 1 min)

Dimensions W/H/D

22.5 / 70.4 / 85 mm

Ambient temperature (operation)

-20 °C ... 70 °C (Measuring transducer)

Ambient temperature (storage/transport)

-25 °C ... 85 °C (Measuring transducer)

General data for the set

Altitude

< 2000 m

Permissible humidity (operation)

5 % ... 95 % (non-condensing)

Approvals/conformities

Standards/specifications

IEC

 

61010-1

IEC

 

61010-2-032

Ordering data

Description

Type

Order No.

Pcs./

Pkt.

Current transformer for retrofitting, 

set consisting of Rogowski coil 

and measuring transducer, output signal: 1 A AC (effective for sine)

Length of measuring coil 300 mm

PACT RCP-4000A-1A-D95

2904921

1

Length of measuring coil 450 mm

PACT RCP-4000A-1A-D140

2904922

1

Length of measuring coil 600 mm

PACT RCP-4000A-1A-D190

2904923

1

Accessories

Holding device for busbar

for busbar thicknesses of 5 to 10 mm

PACT RCP-CLAMP-5-10

2907888

1

for busbar thicknesses of 10 to 15 mm

PACT RCP-CLAMP

2904895

1

236

PHOENIX CONTACT

PACT RCP

– Practical handling due to the flexible 

measuring coil for opening

– Universal application possibilities thanks 

to 8 different current measuring ranges in 
one device: (0 ... 100/ ... / ... /4000 A)

– The large bandwidth from 10 to 5000 Hz 

enables harmonics and transients to be 
detected

– It is not possible for dangerous open 

circuit voltages to occur

– The bracket ensures optimum alignment 

of the measuring coil to the busbar

– Low space requirement in the control 

cabinet

Current transformers for retrofitting

Recommendations for the use of coil lengths and busbar di-

mensions

Busbar

Diameter/

coil length

1 busbar per 

phase

2 busbars 
per phase

3 busbars 
per phase

[mm x mm]

[mm]

30 x 10

95/300

X

X

40 x 10

95/300

X

X

40 x 10

140/450

X

50 x 10

95/300

X

50 x 10

140/450

X

X

60 x 10

95/300

X

60 x 10

140/450

X

X

60 x 10

140/450

X

X

X

100 x 10

140/450

X

X

100 x 10

190/600

X

120 x 10

140/450

X

120 x 10

190/600

X

X

160 x 10

190/600

X

X

X

Monitoring

Current measurement

Current transformer for 

subsequent installation in the field

phoenixcontact-interface-technology-and-switching-devices-html.html
background image

For further information and full technical data, visit phoenixcontact.net/products

Technical data

Measuring coil input data

Frequency range

40 Hz ... 20000 Hz

Position error

< 1 %

Measuring coil signal output

Output signal (at 50 Hz)

100 mV (no load, at 1,000 A)

General data, measuring coil

Length of signal cable

3000 mm

Rated insulation voltage

1000 V AC (rms CAT III)

600 V AC (rms CAT IV)

Test voltage

10.45 kV (DC / 1 min.)

Ambient temperature (operation)

-30 °C ... 80 °C (Measuring coil)

Measuring transducer input data

Measuring ranges (current) via DIP switch

100 A , 250 A , 400 A , 630 A , 1000 A , 1500 A , 2000 A , 4000 A

Measuring transducer signal input

Input signal (at 50 Hz)

100 mV (1000 A)

Measuring transducer signal output

Current output signal

0 mA ... 20 mA (via DIP switch)

4 mA ... 20 mA (via DIP switch)

0 mA ... 10 mA (via DIP switch)

2 mA ... 10 mA (via DIP switch)

0 mA ... 21 mA (Can be set via software)

Output signal

Voltage

0 V ... 10 V (via DIP switch)

2 V ... 10 V (via DIP switch)

0 V ... 5 V (via DIP switch)

1 V ... 5 V (via DIP switch)

0 V ... 10.5 V (Can be set via software)

Miscellaneous data for measuring transducer

Nominal supply voltage

24 V DC

Nominal supply voltage range

9.6 V DC ... 30 V DC

Transmission error, maximum

 0.5 % (From the range end value)

Frequency range

16 Hz ... 1000 Hz

Degree of protection

IP20

Test voltage

3 kV (50 Hz, 1 min.)

Dimensions W/H/D

6.2 / 110.5 / 120.5 mm

Ambient temperature (operation)

-40 °C ... 70 °C (Measuring transducer)

General data for the set

Altitude

> 4000 m

Permissible humidity (operation)

5 % ... 95 % (non-condensing)

Approvals/conformities

Standards/specifications

IEC

 

61010-1

IEC

 

61010-2-032

Ordering data

Description

Type

Order No.

Pcs./

Pkt.

Current transformer with screw connection for retrofitting,

 set 

consisting of Rogowski coil and 4-way signal conditioner with 

switching output

Length of measuring coil 300 mm

PACT RCP-4000A-UIRO-D95

2906231

1

Length of measuring coil 450 mm

PACT RCP-4000A-UIRO-D140

2906232

1

Length of measuring coil 600 mm

PACT RCP-4000A-UIRO-D190

2906233

1

Current transformer with Push-in connection for retrofitting,

 

set consisting of Rogowski coil and 4-way signal conditioner with 

switching output

Length of measuring coil 300 mm

PACT RCP-4000A-UIRO-PT-D95

2906234

1

Length of measuring coil 450 mm

PACT RCP-4000A-UIRO-PT-D140

2906235

1

Length of measuring coil 600 mm

PACT RCP-4000A-UIRO-PT-D190

2906236

1

Accessories

Holding device for busbar

for busbar thicknesses of 5 to 10 mm

PACT RCP-CLAMP-5-10

2907888

1

for busbar thicknesses of 10 to 15 mm

PACT RCP-CLAMP

2904895

1

237

PHOENIX CONTACT

PACT RCP

– Universal application possibilities thanks 

to 8 different current measuring ranges in 
one device: (0 ... 100/ ... / ... /4000 A)

– Detection of harmonics and transients in 

the frequency range from 16 to 1000 Hz

– Large number of different standard signals 

on output side

– Freely configurable 4-way signal 

conditioner with switching output

– FASTCON Pro plug-in connection system
– Overall width of just 6.2 mm
– Easy configuration e.g., via DIP switches, 

programmable software, via smartphone 
app or FDT/DTM

Current transformers for retrofitting

Monitoring

Current measurement

Current transformer for 

subsequent installation in the field

phoenixcontact-interface-technology-and-switching-devices-html.html
background image

238

PHOENIX CONTACT

Monitoring

Current measurement

With flexible power supply – 
current transducers up to 12 A AC

Active current transducers convert 

sinusoidal alternating currents up to 12 A. 
The integrated wide-range power supply 
unit enables use in various different 
countries.

With hinged Rogowski sensor – 
current transducers up to 200 A AC

The AC current transducers measure 

sinusoidal and non-sinusoidal alternating 
currents up to 200 A. The hinged Rogowski 
sensor ensures very easy installation, as 
cables that are to be measured do not have 
to be isolated. This enables mounting to be 
carried out without interruptions.

Limit value monitoring with the 
current protector

At the current protector, a desired 

amperage is specified at which a PDT 
contact switches a load on or off.

Flexible signal conditioning – 
current transducers up to 55 A AC/DC

Current transducers up to 55 A offer an 

infinitely adjustable measuring range. This 
range is mapped over the entire output 
signal range. This ensures extremely 
accurate resolution of measured values. 
Basic configuration can be performed 
quickly via the DIP switches. Additional 
useful device functions can be set via the 
software.

For high currents – 
current transducers up to 600 A AC/DC

The universal current transducers are the 

ideal solution for measuring high currents 
with any waveform up to 600 A AC/DC. 
The product range offers various different 
devices in graded measuring ranges with 
current or voltage output.

phoenixcontact-interface-technology-and-switching-devices-html.html
background image

For further information and full technical data, visit phoenixcontact.net/products

239

PHOENIX CONTACT

Monitoring

Current measurement

For sinusoidal alternating currents 
up to 12 A

– 3-way electrical isolation
– Wide-range version from

19.2 to 253 V AC/DC

– Voltage bridging with DIN rail connector
– Input and output can be configured via 

DIP switches

– Suitable for potentially explosive areas, 

thanks to ATEX approval for Ex Zone 2

For sinusoidal and non-sinusoidal 
alternating currents up to 200 A

– Distorted alternating currents up to 

6000 Hz can be also acquired, thanks to 
true r.m.s. value measurement (RMS)

– Uninterrupted installation and lossless 

current measurement thanks to hinged 
Rogowski sensor

– Measuring range selection with slide 

switch

Limit value monitoring

The current protector converts 

sinusoidal alternating currents to binary 
switching signals.
– Switching point can be freely selected in 

the measuring range from 0 to 16 A AC

– Relay  PDT  output
– Adjustable switch hysteresis
– 3-way isolation
– Settable operating current / quiescent 

current behavior

With flexible measuring ranges for all 
waveforms up to 55 A

– Lossless true r.m.s. value measurement 

without shunt via Hall sensor (TRMS)

– Optimum mapping of the measuring 

range up to 55 A, thanks to software-
programmable upper and lower limits

– Limit value alarm in the event of threshold 

value overrange or underrange up to 55 A 
– via relay or transistor output

For high currents – current 
transducers up to 600 A AC/DC

– Lossless true r.m.s. value measurement 

without shunt via Hall sensor (TRMS)

– Compact dimensions also enable 

distributed use

– Variable mounting on DIN rail and 

mounting plate

– COMBICON plug-in connection terminal 

blocks

– 3-way isolation
– For a conductor diameter of up to 32 mm

phoenixcontact-interface-technology-and-switching-devices-html.html
background image

IN

1.3

1.4

1.2

1.1

G

ND

OU

T

U

NC

+24 V DC

ADC

μC

DAC

U

 

Housing width 90 mm

Technical data

Input data

Frequency range

20 Hz ... 6000 Hz (0 Hz)

20 Hz ... 6000 Hz (0 Hz)

Curve type

AC, DC or distorted currents

AC, DC or distorted currents

Connection method

Cable design: 32 mm diameter

Cable design: 32 mm diameter

Output data

Output signal

0 ... 10 V

Maximum output signal

Load R

B

 10 k

General data

Supply voltage U

B

20 V DC ... 30 V DC

Maximum transmission error

<± 1 % (of final value)

Temperature coefficient

typ. 0.02 %/K (0 ... 60°C) 0.04 %/K (-40 ... 65 °C)

typ. 0.02 %/K (0 ... 60°C) 0.04 %/K (-40 ... 65 °C)

Step response (10-90%)

150 ms

Safe isolation

acc. to EN 61010

Rated insulation voltage

300 V AC

Surge voltage category/degree of pollution

III / 2

Degree of protection

IP20

Ambient temperature range

-40 °C ... 65 °C

Dimensions W/H/D

90 / 33.8 / 85 mm

Spring-cage connection (solid/stranded/AWG)

0.25 ... 2.5 mm² / 0.2 ... 2.5 mm² / 24 - 12

0.25 ... 2.5 mm² / 0.2 ... 2.5 mm² / 24 

Conformance/Approvals

Conformance

CE-compliant

UL, USA/Canada

UL/C-UL listed UL 508

UL/C-UL listed UL 508

Ordering data

Description

Overload

capacity

Type

Order No.

Pcs./

Pkt.

Universal current transducer

Input current range: 0 ... 100 A

6 x I

IN

MCR-SL-CUC-100-U

2308108

1

Input current range: 0 ... 200 A

3 x I

IN

MCR-SL-CUC-200-U

2308205

1

Input current range: 0 ... 300 A

3.33 x I

IN

MCR-SL-CUC-300-U

2308302

1

Input current range: 0 ... 400 A

2.5 x I

IN

Universal current transducer without UL approval

Input current range: 0 ... 500 A

3.6 x I

IN

Input current range: 0 ... 600 A

3 x I

IN

240

PHOENIX CONTACT

Current transducers for AC, DC, and 
distorted currents

The 

MCR-SL-CUC-...

 current 

transducers measure DC, AC, and 
distorted currents from 0 to 600 A.
– Universal current measurement, no shunt 

required

– Compact dimensions also enable 

distributed use

– Variable mounting on DIN rail and 

mounting plate

– Simple connection method thanks to 

COMBICON plug-in connection terminal 
blocks

– 3-way isolation

Monitoring

Current measurement

For DC, AC, and distorted currents of 

0 ... 300 A,

voltage output

phoenixcontact-interface-technology-and-switching-devices-html.html
background image

I

N

1

.

3

1

.

4

1

.

2

1

.

1

GND
NC
OUT I
+24 V DC

AD

C

μ

C

DA

C

I

For further information and full technical data, visit phoenixcontact.net/products

 

Housing width 90 mm

Technical data

Frequency range

20 Hz ... 6000 Hz (0 Hz)

20 Hz ... 6000 Hz (0 Hz)

Curve type

AC, DC or distorted currents

AC, DC or distorted currents

Connection method

Cable design: 32 mm diameter

Cable design: 32 mm diameter

4 ... 20 mA

< 25 mA

< 300 

20 V DC ... 30 V DC

<± 1 % (of final value)

Temperature coefficient

typ. 0.02 %/K (0 ... 60°C) 0.04 %/K (-40 ... 65 °C)

typ. 0.02 %/K (0 ... 60°C) 0.04 %/K (-40 ... 65 °C)

150 ms

acc. to EN 61010

300 V AC

III / 2

IP20

-40 °C ... 65 °C

90 / 33.8 / 85 mm

Spring-cage connection (solid/stranded/AWG)

0.25 ... 2.5 mm² / 0.2 ... 2.5 mm² / 24 - 12

0.25 ... 2.5 mm² / 0.2 ... 2.5 mm² / 24 - 12

CE-compliant

UL, USA/Canada

UL/C-UL listed UL 508

UL/C-UL listed UL 508

Ordering data

Type

Order No.

Pcs./

Pkt.

MCR-SL-CUC-100-I

2308027

1

MCR-SL-CUC-200-I

2308030

1

MCR-SL-CUC-300-I

2308043

1

MCR-SL-CUC-400-I

2308072

1

MCR-SL-CUC-500-I

2308085

1

MCR-SL-CUC-600-I

2308098

1

241

PHOENIX CONTACT

Monitoring

Current measurement

For DC, AC, and distorted currents of 

0 ... 600 A,

current output

phoenixcontact-interface-technology-and-switching-devices-html.html
background image

OU

T

µ

C

A

DC

D

A

C

D

A

C

OU

T

U

SP

AN

9

O U

T

U

G

N

D 2

G

N

D 2

10

11

12

O U

T I

Po

we

r

=

12

10

A

11

5A

1

4

1

A

1

5

2

6

3

7

4

8

N

C

ZE

RO

TI

M

E

2

4V

DC

G

N

D 1

S

W

13

1

4

1

5

G

N

D 1

16

IN

I

S

ET

PO

INT

 

Ex: 

Housing width 22.5 mm

Housing width 22.5 mm

Housing width 22.5 mm

Technical data

Input data

Input current

0 A ... 11 A (AC/DC)

Operate threshold

2 % (of measuring range nominal value 1/5/10 A)

1 % (of measuring range nominal value 50 A)

1 % (of measuring ra

Frequency range

15 Hz ... 400 Hz

Curve type

AC, DC or distorted currents

AC, DC or distorted currents

AC, DC or distorted currents

Overload capacity

2 x I

N (

continuous)

Surge strength

20 x I

N

 (1 s)

Connection method

Screw connection

Output data

U output

I output

Output signal (normal and inverse)

0 ... 5 V / 1 ... 5 V / 0 ... 10 V

0 ... 20 mA / 4 ... 20 mA

0 ... 5 V / 1 ... 5 V / 0 ... 10 V

2 ... 10 V / -5 ... 5 V / -10 ... 10 V

2 ... 10 V / -5 ... 5 V / -10 ... 10 V

2 ... 10 V / -5 ... 5 V / -10 ... 10 V

Load R

B

> 10 k

< 500 

Switching output

Relay output

Contact material

1 PDT / AgSnO, hard gold-plated

1 PDT / AgSnO, hard gold-plated

- / -

Maximum switching current

50 mA (for gold layer, 30 V AC/ 36 V DC)

2 A (in case of a destroyed gold layer, 250 V AC)

Transistor output pnp

Output voltage

19 V ... 29 V (supply voltage - 1 V)

19 V ... 29 V (supply voltage - 1 V)

-

Continuous load current

80 mA (Not short-circuit-proof)

80 mA (Not short-circuit-proof)

-

Setting range of the threshold value

1 % ... 110 %

Response delay

0.1 s ... 20 s

Status indication

Yellow LED

General data

Supply voltage U

B

20 V DC ... 30 V DC

Current consumption

< 50 mA (without load)

< 50 mA (without load)

< 40 mA (without load)

Maximum transmission error

< 0.5 % (of nominal range value under nominal conditions)

< 0.5 % (of nominal range value under nomina

Temperature coefficient

typ. < 0.025 %/K

Step response (10-90%)

330 ms (with AC) 40 ms (with DC)

3

Safe isolation

acc. to EN 50178, EN 61010

acc. to EN 50178, EN 61010

acc. to EN 50178, EN 61010

Rated insulation voltage

300 V AC (to ground)

Surge voltage category/degree of pollution

III / 2

Test voltage input/output

4 kV (50 Hz, 1 min.)

Test voltage input/power supply

4 kV (50 Hz, 1 min.)

Test voltage output/power supply

500 V (50 Hz, 1 min.)

Degree of protection

IP20

Dimensions W/H/D

22.5 / 99 / 114.5 mm

Screw connection solid/stranded/AWG

0.2 ... 2.5 mm² / 0.2 ... 2.5 mm² / 24 - 14

0.2 ... 2.5 mm² / 0.2 ... 2.5 mm² / 24 - 14

0.2 ..

EMC note

Class A product, see page 605

Class A product, see page 605

Class A product, see page 605

Conformance/Approvals

Conformance

CE-compliant

UL, USA/Canada

Class I, Zone 2, AEx nA nC IIC T4, Ex nA nC IIC T4 Gc X

Class I, Zone 2, AEx nA nC IIC T4, Ex nA nC IIC T4 Gc X

Cla

Ordering data

Description

 

Type

Order No.

Pcs./

Pkt.

MCR current transducer

 for measuring AC, DC, and distorted 

currents with relay and transistor switching output

Configurable product

MCR-S-1-5-UI-SW-DCI

2814650

1

Standard product

MCR-S-1-5-UI-SW-DCI-NC

2814731

1

Configurable product, without switching output

MCR-S-1-5-UI-DCI

2814634

1

Standard product, without switching output

MCR-S-1-5-UI-DCI-NC

2814715

1

242

PHOENIX CONTACT

Current transducers for AC, DC, and 
distorted currents

The 

MCR-S-...-UI(-SW)-DCI

 current 

transducers measure direct, alternating, and 
distorted currents.
– Device can be set via DIP switches or 

MCR/PI-CONF-WIN configuration 
software

– True r.m.s. value measurement
– 3-way isolation
– With optional relay and transistor output

Monitoring

Current measurement

D W

H

Notes:

To order a configurable product, please enter the desired 

configuration using the order key, see page 244

Further information about the configuration software can be found 

on page 251

For DC, AC, and distorted currents

0 ... 11 A

phoenixcontact-interface-technology-and-switching-devices-html.html
background image

OU

T

µ

C

A

DC

D

A

C

D

A

C

OU

T

U

SP

AN

9

O U

T

U

G

N

D 2

G

N

D 2

10

11

12

O U

T I

Po

we

r

=

12

11

1

4

1
2

3

4

N

C

ZE

RO

TI

M

E

2

4V

DC

G

N

D 1

S

W

13

1

4

1

5

G

N

D 1

16

IN

I

S

ET

PO

INT

OU

T

µC

O U

T

U

G

N

D 2

G

N

D 2

12

O U

T I

24

V

DC

G

N

D 1

N

C

G

N

D 1

IN

ZE

RO

SP

AN

D

A

C

I

D

A

C

U

Po

wer

=

16

15

11

14

10

13

9

A

DC

For further information and full technical data, visit phoenixcontact.net/products

 

Ex: 

Housing width 22.5 mm

Housing width 22.5 mm

Housing width 22.5 mm

Technical data

Technical data

0 A ... 55 A (AC/DC)

-100 A ... 100 A (AC/DC)

Operate threshold

2 % (of measuring range nominal value 1/5/10 A)

1 % (of measuring range nominal value 50 A)

1 % (of measuring range nominal value 100 A)

15 Hz ... 400 Hz

15 Hz ... 400 Hz

Curve type

AC, DC or distorted currents

AC, DC or distorted currents

AC, DC or distorted currents

Depending on through connected conductor

Depending on through connected conductor

Depending on through connected conductor

Depending on through connected conductor

Through connection, diameter 10.5 mm

Through connection, diameter 10.5 mm

U output

I output

U output

I output

Output signal (normal and inverse)

0 ... 5 V / 1 ... 5 V / 0 ... 10 V

0 ... 20 mA / 4 ... 20 mA

0 ... 5 V / 1 ... 5 V / 0 ... 10 V

0 ... 20 mA / 4 ... 20 mA

0 ... 5 V / 1 ... 5 V / 0 ... 10 V

0 ... 20 mA / 4 ... 20 mA

2 ... 10 V / -5 ... 5 V / -10 ... 10 V

2 ... 10 V / -5 ... 5 V / -10 ... 10 V

2 ... 10 V / -5 ... 5 V / -10 ... 10 V

> 10 k

< 500 

> 10 k

< 500 

Relay output

Contact material

1 PDT / AgSnO, hard gold-plated

1 PDT / AgSnO, hard gold-plated

- / -

50 mA (for gold layer, 30 V AC/ 36 V DC)

2 A (in case of a destroyed gold layer, 250 V AC)

-

Transistor output pnp

Output voltage

19 V ... 29 V (supply voltage - 1 V)

19 V ... 29 V (supply voltage - 1 V)

-

Continuous load current

80 mA (Not short-circuit-proof)

80 mA (Not short-circuit-proof)

-

1 % ... 110 %

-

0.1 s ... 20 s

-

Yellow LED

-

20 V DC ... 30 V DC

20 V DC ... 30 V DC

Current consumption

< 50 mA (without load)

< 50 mA (without load)

< 40 mA (without load)

Maximum transmission error

< 0.5 % (of nominal range value under nominal conditions)

< 0.5 % (of nominal range value under nominal conditions)

< 0.5 % (of nominal range value under nominal conditions)

typ. < 0.025 %/K

typ. < 0.025 %/K

Step response (10-90%)

330 ms (with AC) 40 ms (with DC)

330 ms (with AC) 40 ms (with DC)

330 ms (AC) 40 ms (DC)

Safe isolation

acc. to EN 50178, EN 61010

acc. to EN 50178, EN 61010

acc. to EN 50178, EN 61010

300 V AC (to ground)

300 V AC (to ground)

III / 2

III / 2

4 kV (50 Hz, 1 min.)

4 kV (50 Hz, 1 min.)

4 kV (50 Hz, 1 min.)

4 kV (50 Hz, 1 min.)

500 V (50 Hz, 1 min.)

500 V (50 Hz, 1 min.)

IP20

IP20

22.5 / 99 / 114.5 mm

22.5 / 99 / 114.5 mm

Screw connection solid/stranded/AWG

0.2 ... 2.5 mm² / 0.2 ... 2.5 mm² / 24 - 14

0.2 ... 2.5 mm² / 0.2 ... 2.5 mm² / 24 - 14

0.2 ... 2.5 mm² / 0.2 ... 2.5 mm² / 24 - 14

EMC note

Class A product, see page 605

Class A product, see page 605

Class A product, see page 605

CE-compliant

CE-compliant

UL, USA/Canada

Class I, Zone 2, AEx nA nC IIC T4, Ex nA nC IIC T4 Gc X

Class I, Zone 2, AEx nA nC IIC T4, Ex nA nC IIC T4 Gc X

Class I, Zone 2, AEx nA nC IIC T4, Ex nA nC IIC T4 Gc X

Ordering data

Ordering data

Type

Order No.

Pcs./

Pkt.

Type

Order No.

Pcs./

Pkt.

MCR-S-10-50-UI-SW-DCI

2814663

1

MCR-S10-50-UI-SW-DCI-NC

2814744

1

MCR-S-10-50-UI-DCI

2814647

1

MCR-S-20-100-UI-DCI

2908798

1

MCR-S10-50-UI-DCI-NC

2814728

1

243

PHOENIX CONTACT

Monitoring

Current measurement

D W

H

D W

H

new

For DC, AC, and distorted currents

0 ... 55 A

For DC, AC, and distorted currents

0 to 100 A

phoenixcontact-interface-technology-and-switching-devices-html.html
background image

Order key for current transducers (standard configuration entered as an example) 

Order No.

Measuring range:

Output

Threshold value

Suppression 

time

Switching behavior of relay and transistor

Start

End

2814647

/

0.0

/

50.0

/

OUT01

2814663

/

0.0

/

50.0

/

OUT01

/

50

/

3.0

/

A

/

O

2814647

Measuring range 

initial value 

between  

0.0 ... 37.5 A

0.0 

 0.0 A

Measuring range 

final value 

between  

9.5 ... 55 A

50.0 

 50.0 A

OUT01

0 ... 20 mA

Switching threshold 

between 1 ... 110%

between 

0.1 ... 20 s

A

Operating-

current-

controlled

O

Overrange

MCR-S-10-50-UI-DCI

OUT02

4 ... 20 mA

OUT03

0 ... 10 V

2814663

OUT04

2 ... 10 V

50

50% of the set 

measuring range 

final value 

(here 25 A)

3.0 

  3 s

MCR-S-10-50-UI-SW-DCI

OUT05

0 ... 5 V

OUT06

1 ... 5 V

R

Closed-

circuit-

current-

controlled

U

Underrange

OUT07

20 ... 0 mA

OUT08

20 ... 4 mA

OUT09

10 ... 0 V

OUT10

10 ... 2 V

OUT11

5 ... 0 V

OUT12

5 ... 1 V

OUT13

-5 ... +5 V

OUT14

-10 ... +10 V

OUT17

+10 ... -10 V

OUT18

+5 ... -5 V

Order No.

Measuring range:

Output

Threshold value

Suppression 

time

Switching behavior of relay and transistor

Start

End

2814634

/

0.00

/

5.00

/

OUT01

2814650

/

0.00

/

5.00

/

OUT01

/

50

/

3.0

/

A

/

O

2814634

Measuring range 

initial value 

between  

0.00 ... 7.50 A

0.00 

 0.00 A

Measuring range 

final value 

between  

0.2 ... 11 A

5.00 

 5.00 A

OUT01

0 ... 20 mA

Switching threshold 

between 1 ... 110%

between 

0.1 ... 20 s

A

Operating-

current-

controlled

O

Overrange

MCR-S-1-5-UI-DCI

OUT02

4 ... 20 mA

OUT03

0 ... 10 V

2814650

OUT04

2 ... 10 V

50

50% of the set 

measuring range 

final value (here 

2.5 A)

3.0 

 3 s

MCR-S-1-5-UI-SW-DCI

OUT05

0 ... 5 V

OUT06

1 ... 5 V

R

Closed-

circuit-

current-

controlled

U

Underrange

OUT07

20 ... 0 mA

OUT08

20 ... 4 mA

OUT09

10 ... 0 V

OUT10

10 ... 2 V

OUT11

5 ... 0 V

OUT12

5 ... 1 V

OUT13

-5 ... +5 V

OUT14

-10 ... +10 V

OUT17

+10 ... -10 V

OUT18

+5 ... -5 V

Order No.

Measuring range:

Output

Start

End

2908798

/

0.0

/

100.0

/

OUT01

2908798

Measuring range 

initial value 

between  

0.0 ... 75 A

0.0 

 0.0 A

Measuring range 

final value 

between  

19 ... 110 A

100 

 100 A

OUT01

0 ... 20 mA

MCR-S-20-100-UI-DCI

OUT02

4 ... 20 mA

OUT03

0 ... 10 V

OUT04

2 ... 10 V

OUT05

0 ... 5 V

OUT06

1 ... 5 V

OUT07

20 ... 0 mA

OUT08

20 ... 4 mA

OUT09

10 ... 0 V

OUT10

10 ... 2 V

OUT11

5 ... 0 V

OUT12

5 ... 1 V

OUT13

-5 ... +5 V

OUT14

-10 ... +10 V

OUT17

+10 ... -10 V

OUT18

+5 ... -5 V

244

PHOENIX CONTACT

Monitoring

Current measurement

phoenixcontact-interface-technology-and-switching-devices-html.html
background image

t

t

t

t

t

1

t

1

I

IN

(

H

)

(

L)

t

t

t

t

t

1

t

1

t

1

t

1

I

IN

(

H

)

(

L)

t

t

t

t

t

1

t

1

I

IN

(

H

)

(

L)

t

t

t

t

t

1

t

1

t

1

t

1

I

IN

(

H

)

(

L)

For further information and full technical data, visit phoenixcontact.net/products

(1)

(0)

(0)

(1)

(1)

(0)

(0)

(1)

(0) 

 N/O contact and transistor open / N/C contact closed

(1) 

 N/O contact and transistor closed / N/C contact open

1) Operating-current-controlled when above the threshold value (TV)

Operating voltage U

B

TV condition

Relay N/O contact and 

transistor output

Relay N/C contact

3) Closed-circuit-current-controlled when above the threshold value (TV)

4) Closed-circuit-current-controlled when below the threshold value (TV)

Operating voltage U

B

TV condition

Relay N/O contact and 

transistor output

Relay N/C contact

(1)

(0)

(0)

(1)

Operating voltage U

B

TV condition

Relay N/O contact and 

transistor output

Relay N/C contact

2) Operating-current-controlled when below the threshold value (TV)

(1)

(0)

(0)

(1)

Operating voltage U

B

TV condition

Relay N/O contact and 

transistor output

Relay N/C contact

Function chart: switching behavior of relay and transistor output:  

245

PHOENIX CONTACT

Monitoring

Current measurement

phoenixcontact-interface-technology-and-switching-devices-html.html
background image

OU

T

IN

4.1

3.1

1.1

4.2

3.2

1.2

4.3

3.3

1.3

4.4

3.4

1.4

5A

1A

G

ND

L

(

+)

OU

T

1

L

(

+)

NC

G

ND

N

(

-)

G

ND

N

(

-)

OU

T

I

N

4

.

1

3

.

1

1

.

1

4

.

2

3

.

2

1

.

2

4

.

3

3

.

3

1

.

3

4

.

4

3

.

4

1

.

4

5

A

12

A

G

N

D

L(+)

OU

T

1

L(+)

NC

G

N

D

N

(-)

G

N

D

N

(-)

 

Ex: 

Ex: 

Housing width 22.5 mm

Housing width 22.5 mm

Technical data

Technical data

Input data

Input current (configurable)

0 A AC ... 1 A (configurable) / 

0 A AC ... 5 A (configurable)

0 A AC ... 5 A (configurable) / 

0 A AC ... 12 A (configurable)

Nominal frequency

50 Hz

50 Hz

Frequency range

45 Hz ... 65 Hz

45 Hz ... 65 Hz

Curve type

Sine

Sine

Overload capacity

2 x I

N (

continuous)

1 x I

N

 (continuous)

Surge strength

20 x I

N

 (1 s)

8 x I

N

 (1 s)

Connection method

Screw terminal block

Screw terminal block

Output data

Output signal (configurable)

0 ... 20 mA / 4 ... 20 mA

0 ... 20 mA / 4 ... 20 mA

Maximum output signal

25 mA

25 mA

Load R

B

< 500 

 (at 20 mA)

< 500 

 (at 20 mA)

Ripple

< 10 mV

PP

 (for 500 

 at 20 mA)

< 10 mV

PP

 (for 500 

 at 20 mA)

General data

MACX MCR-SL-CAC- 5-I

MACX MCR-SL-CAC- 5-I-UP

MACX MCR-SL-CAC-12-I-UP

Supply voltage U

B

19.2 V DC ... 30 V DC

19.2 V AC/DC ... 253 V AC/DC

19.2 V AC/DC ... 253 V AC/DC

Current consumption

< 32 mA (at U

B

=24 V DC, 

I

OUT

=20 mA)

< 30 mA (at U

B

=24 V DC, 

I

OUT

=20 mA)

< 33 mA (at 24 V DC)

Maximum transmission error

 0.5 % (of nominal range value 

under nominal conditions)

 0.5 % (of nominal range value 

under nominal conditions)

 0.5 % (of nominal range value 

under nominal conditions)

Temperature coefficient

< 0.02 %/K

< 0.02 %/K

< 0.02 %/K

Step response (10-90%)

max. 300 ms typ. 200 ms

max. 300 ms typ. 200 ms

< 300 ms

Safe isolation

acc. to EN 61010

acc. to EN 61010

acc. to EN 61010

Rated insulation voltage

-

-

300 V AC (to ground)

Overvoltage category Input/output

-

-

III

Degree of pollution

2

2

2

Test voltage input/output

4 kV (50 Hz, 1 min.)

4 kV (50 Hz, 1 min.)

4 kV (50 Hz, 1 min.)

Test voltage output/power supply

1.5 kV (50 Hz, 1 min.)

2 kV (50 Hz, 1 min.)

2 kV (50 Hz, 1 min.)

Degree of protection

IP20

IP20

IP20

Ambient temperature range

-20 °C ... 65 °C (-4 °F...149 °F)

-20 °C ... 65 °C (-4 °F...149 °F)

-20 °C ... 65 °C (-4 °F...149 °F)

Dimensions W/H/D

22.5 / 104 / 114.5 mm

22.5 / 104 / 114.5 mm

22.5 / 104 / 114.5 mm

Screw connection solid/stranded/AWG

0.2 ... 2.5 mm² / 0.2 ... 2.5 mm² / 

24 - 14

0.2 ... 2.5 mm² / 0.2 ... 2.5 mm² / 

24 - 14

0.2 ... 2.5 mm² / 0.2 ... 2.5 mm² / 

24 - 14

Conformance/Approvals

Conformance

CE-compliant

CE-compliant

ATEX

 II 3 G Ex nA IIC T4 Gc X

 II 3 G Ex nA IIC T4 Gc X

UL, USA/Canada

UL 508 Recognized

-

Ordering data

Ordering data

Description

 

Type

Order No.

Pcs./

Pkt.

Type

Order No.

Pcs./

Pkt.

MCR current transducer

 for sinusoidal alternating currents

Supply voltage 19.2 ... 30 V DC

MACX MCR-SL-CAC- 5-I

2810612

1

Supply voltage 19.2 ... 253 V AC/DC

MACX MCR-SL-CAC- 5-I-UP

2810625

1

MACX MCR-SL-CAC-12-I-UP

2810638

1

Accessories

Accessories

DIN rail connector,

 for bridging the supply voltage (19.2...30 V DC), 

can be snapped on to 35 mm DIN rails according to EN 60715

ME 22,5 TBUS 1,5/ 5-ST-3,81  GN

2707437

50

246

PHOENIX CONTACT

The 

MCR-SL-CAC-...

 current 

transducers measure sinusoidal alternating 
currents from 0 to 1/5/12 A.
– Wide range version from 

19.2  to  253 V AC/DC

– 3-way isolation
– Input and output can be configured via 

DIP switches

H

W

D

H

W

D

AC current transducers, 
sinusoidal

Monitoring

Current measurement

For sinusoidal alternating currents

0 ... 1 A/0 ... 5 A

For sinusoidal alternating currents

0 ... 5 A/0 ... 12 A

phoenixcontact-interface-technology-and-switching-devices-html.html
background image

OUT
+24V

GND

=

=

I

N

OUT

OUT
+24V

U

I

I

N

OUT

For further information and full technical data, visit phoenixcontact.net/products

 

Ex: 

 

Ex: 

Housing width 55 mm

Housing width 55 mm

Technical data

Technical data

Input data

...-S-100-U

...-S-200-U

...-S-100-I-LP

...-S-200-I-LP

Input current (configurable)

0 A ... 100 A (0...50/75/100 A)

0 A ... 200 A (0..100/150/200 A)

0 A ... 100 A (0...50/75/100 A)

0 A ... 200 A (0...100/150/200 A)

Operate threshold

1 % (of final value)

1 % (of final value)

Frequency range

30 Hz ... 6000 Hz

30 Hz ... 6000 Hz

Curve type

Sinusoidal and non-sinusoidal

Sinusoidal and non-sinusoidal

Overload capacity

Depending on laid conductor

Depending on laid conductor

Surge strength

Depending on through connected conductor

Depending on through connected conductor

Connection method

Clamp-on cable design, diameter 18.5 mm

Clamp-on cable design, diameter 18.5 mm

Output data

Output signal

0 ... 5 V / 0 ... 10 V

4 ... 20 mA

Maximum output signal

(0 V ... 10 V) 14 V, (0 V ... 5 V) 7 V

< 25 mA

Load R

B

 10 k

(U

B

 - 12 V) x 350 / 12 A

General data

Supply voltage U

B

20 V DC ... 30 V DC

20 V DC ... 30 V DC

Current consumption

< 30 mA

Maximum transmission error

< 1 % (of final value)

< 1 % (of final value)

Cable position error

< 0.63 %

< 0.63 %

Temperature coefficient

< 0.035 %/K

< 0.025 %/K

Step response (10-90%)

< 340 ms

< 340 ms

Safe isolation

As per IEC 61010-1 and IEC 61326

As per IEC 61010-1 and IEC 61326

Rated insulation voltage

300 V AC (to ground)

300 V AC (to ground)

Surge voltage category/degree of pollution

III / 2

III / 2

Test voltage input/output

5 kV (50 Hz, 1 min.)

5 kV (50 Hz, 1 min.)

Degree of protection

IP20

IP20

Ambient temperature range

-20 °C ... 60 °C

-20 °C ... 60 °C

Dimensions W/H/D

55 / 85 / 70.5 mm

55 / 85 / 70.5 mm

Screw connection solid/stranded/AWG

0.2 ... 2.5 mm² / 0.2 ... 2.5 mm² / 24 - 14

0.2 ... 2.5 mm² / 0.2 ... 2.5 mm² / 24 - 14

Conformance/Approvals

Conformance

CE-compliant

CE-compliant

UL, USA/Canada

cULus

cULus

Ordering data

Ordering data

Description

 

Type

Order No.

Pcs./

Pkt.

Type

Order No.

Pcs./

Pkt.

MCR current transducer

 for sinusoidal and non-sinusoidal 

alternating currents

Input current range: 0...50/75/100 A

MCR-SL-S-100-U

2813457

1

MCR-SL-S-100-I-LP

2813486

1

Input current range: 0...100/150/200 A

MCR-SL-S-200-U

2813460

1

MCR-SL-S-200-I-LP

2813499

1

247

PHOENIX CONTACT

The 

MCR-SL-S-...00-... 

current 

transducers measure sinusoidal and non-
sinusoidal alternating currents within the 
range from 0 to 200 A.
– 30 to 6000 Hz true r.m.s. value 

measurement

– Measuring range selection with slide 

switch

– Loop-powered
– Can be retrofitted with the open-up 

Rogowski coil

D W

H

D W

H

AC current transducers, 
sinusoidal and distorted

Monitoring

Current measurement

For sinusoidal and non-sinusoidal 

alternating currents, 0 ... 200 A,

voltage output

For sinusoidal and non-sinusoidal 

alternating currents, 0 ... 200 A,

current output (loop-powered)

phoenixcontact-interface-technology-and-switching-devices-html.html
background image

OU

T

IN

4

2

1

9

12

11

1

0

3

5A

1A

OU

T

U

OU

T

I

I

OU

T

NC

G

ND

5

00

G

ND

J

 

Housing width 22.5 mm

Technical data

Input data

1 A input

5 A input

Input current

0 A AC ... 1 A

0 A AC ... 5 A

Frequency range

45 Hz ... 60 Hz

45 Hz ... 60 Hz

Curve type

Sine

Sine

Overload capacity

2 x I

N

 (5 min. at 60°C ambient 

temperature)

2 x I

N

 (5 min. at 60°C ambient 

temperature)

Surge strength

50 A (1 s)

100 A (1 s)

Permissible output range

1.2 x I

N

1.2 x I

N

Connection method

Screw connection

Screw connection

Output data

U output

I output

Output signal

0 ... 10 V

0 ... 20 mA

Maximum output signal

20 V

30 mA

Load R

B

> 100 k

< 750 

< 250 

 (when current and 

voltage outputs are used 

simultaneously)

Ripple

< 50 mV

PP

< 50 mV

PP

General data

Maximum transmission error

< 0.5 % (of final value)

Temperature coefficient

< 0.015 %/K

Step response (10-90%)

< 200 ms

Safe isolation

acc. to EN 50178, EN 61010

Rated insulation voltage

300 V AC (to ground)

Surge voltage category/degree of pollution

III / 2

Degree of protection

IP20

Ambient temperature range

-25 °C ... 60 °C

Dimensions W/H/D

22.5 / 99 / 114.5 mm

Screw connection solid/stranded/AWG

0.2 ... 2.5 mm² / 0.2 ... 2.5 mm² / 24 - 14

EMC note

Class A product, see page 605

Conformance/Approvals

Conformance

CE-compliant

Ordering data

Description

 

Type

Order No.

Pcs./

Pkt.

MCR passive current transducer

 for sinusoidal alternating 

currents

MCR-SLP-1-5-UI-0

2814359

1

248

PHOENIX CONTACT

D W

H

The 

MCR-SLP-1-5-UI-0

 passive current 

transducer measures sinusoidal alternating 
currents within the range from 
0 to 1 A/0 to 5  A.
– Loop-powered
– Measuring ranges 1 and 5 A AC 

reconnectable

Passive AC current transducers, 
sinusoidal

Monitoring

Current measurement

For sinusoidal alternating currents

0 ... 1 A/0 ... 5 A

phoenixcontact-interface-technology-and-switching-devices-html.html
background image

M

CR

 - 

S

L - 

S

 - 1

6

 - 

SP

 - 

2

4

2

4V

NC

R

ELA

Y A

CT

IV

D

ELA

Y

T

IME

NC

S

E

TPO

I

NT

GND

24

V

L1

N

N

14

11

1

2

NC

50

0

1

0

20

K

30

4

0

L2

OU

T

IN

5

7

6

8

12

15

14

14

13

11

16

NC

NC

G

ND
NC

NC

24V DC

=

=

S

E

TP

OIN

T

D

ela

y

For further information and full technical data, visit phoenixcontact.net/products

 

Housing width 22.5 mm

Technical data

Input data

Input current

0 A AC ... 16 A

Frequency range

45 Hz ... 65 Hz

Curve type

Sine

Overload capacity

2 x I

N (

continuous)

Connection method

Through connection, diameter 4.2 mm

Switching output

Relay output

Contact type

1 PDT

Contact material

AgSnO, hard gold-plated

Max. switching current

50 mA (for gold layer, 30 V AC/ 36 V DC)

2 A (in case of a destroyed gold layer, 250 V AC)

Switching hysteresis

Adjustable using a DIP switch (0.5 %, 5 %, 10 %, 15 %)

Response delay

typ. 0.1 s ... 10 s (Adjustable using a potentiometer)

Operating and closed circuit current behavior

Adjustable using a DIP switch

Relay status display

Yellow LED (relay active)

General data

Supply voltage U

B

20 V DC ... 30 V DC

Current consumption

< 30 mA

Setting accuracy

< 0.5 %

Temperature coefficient

< 0.02 %/K

Step response (10-90%)

40 ms

Safe isolation

acc. to EN 50178, EN 61010-1

Rated insulation voltage

300 V AC (to ground)

Surge voltage category/degree of pollution

III / 2

Test voltage input/output

4 kV (50 Hz, 1 min.)

Test voltage input/power supply

4 kV (50 Hz, 1 min.)

Degree of protection

IP20

Ambient temperature range

-20 °C ... 65 °C

Dimensions W/H/D

22.5 / 99 / 114.5 mm

Screw connection solid/stranded/AWG

0.2 ... 2.5 mm² / 0.2 ... 2.5 mm² / 24 - 14

EMC note

Class A product, see page 605

Conformance/Approvals

Conformance

CE-compliant

Ordering data

Description

 

Type

Order No.

Pcs./

Pkt.

MCR current protector

 for sinusoidal alternating currents

MCR-SL-S- 16-SP- 24

2864464

1

249

PHOENIX CONTACT

E

mergency

 li

ght

i

ng

Li

ght

i

ng

 

system

M

a

i

ns

 

v

o

l

tage

Lighting system with emergency lighting

D W

H

The 

MCR-SL-S-16-SP-24

 current 

protector converts sinusoidal 50 Hz/60 Hz 
alternating currents into binary switching 
signals.
– Switching point can be freely selected in 

the measuring range of 0 to 16 A AC

– Relay PDT output
– Adjustable switch hysteresis
– 3-way isolation
– Adjustable operating current / quiescent 

current behavior

AC current protector, sinusoidal

Monitoring

Current measurement

For sinusoidal alternating currents, 

0 ... 16 A AC

phoenixcontact-interface-technology-and-switching-devices-html.html
background image

550

V

370

V

250

V

1

70

V

1

20

V

8

0

V

5

4 V

36

V

2

4 V

N

+
+
+
+

-
-
-
-

+
+
+
+
+

-
-
-
-
-

4

.

4

4

.

3

4

.

2

4

.

1

5

.

4

5

.

3

5

.

2

5

.

1

3

.

4

3

.

2

3

.

3

3

.

1

1

.

4

1

.

3

OUT

 I

OUT

 

U

GND

I

GND

U

+

2

4 V

DC

GND

550

V

370

V

250

V

1

70

V

1

20

V

8

0

V

5

4 V

36

V

2

4 V

N

4

.

4

4

.

3

4

.

2

4

.

1

5

.

4

5

.

3

5

.

2

5

.

1

3

.

4

3

.

2

3

.

3

3

.

1

1

.

4

1

.

3

OUT

 I

OUT

 

U

GND

I

GND

U

+

2

4 V

DC

GND

R

M

S

Housing width 22.5 mm

Housing width 22.5 mm

Technical data

Technical data

Input data

Input voltage range / resistor

-550 V DC ... 550 V DC

-370 V DC ... 370 V DC

-250 V DC ... 250 V DC

-170 V DC ... 170 V DC

-120 V DC ... 120 V DC

-80 V DC ... 80 V DC

-54 V DC ... 54 V DC

-36 V DC ... 36 V DC

-24 V DC ... 24 V DC

5500 k

3700 k

2500 k

1700 k

1200 k

800 k

540 k

540 k

540 k

0 V ... 550 V AC

0 V ... 370 V AC

0 V ... 250 V AC

0 V ... 170 V AC

0 V ... 120 V AC

0 V ... 80 V AC

0 V ... 54 V AC

0 V ... 36 V AC

0 V ... 24 V AC

5500 k

3700 k

2500 k

1700 k

1200 k

800 k

800 k

800 k

240 k

ZERO / SPAN adjustment

± 20 % / ± 20 %

± 20 % / ± 20 %

Frequency range

-

45 Hz ... 405 Hz

Maximum input voltage

± 660 V DC

+ 660 V AC

Output data

U output

I output

U output

I output

Output signal

-10 ... 10 V

-20 ... 20 mA

0 ... 10 V / 2 ... 10 V

0 ... 20 mA / 4 ... 20 mA

Maximum output signal

 11 V

 22 mA

 11 V

 22 mA

Load R

B

> 10 k

< 500 

> 10 k

< 500 

Ripple

50 mV

50 mV

50 mV

50 mV

General data

Supply voltage U

B

19.2 V DC ... 30 V DC

19.2 V DC ... 30 V DC

Current consumption

< 60 mA

< 45 mA

Maximum transmission error

< 1 % (of measuring range end value)

< 1 % (from a measuring range final value, 45

 

...

 

65

 

Hz)

Temperature coefficient

< 0.015 %/K

< 0.015 %/K

Step response (10-90%)

< 16 ms

< 180 ms

Safe isolation

according to IEC 61010-1

acc. to EN 50178

Rated insulation voltage

300 V DC

300 V DC

Surge voltage category/degree of pollution

- / 2

- / 2

Degree of protection

IP20

IP20

Dimensions W/H/D

22.5 / 99 / 114.5 mm

22.5 / 99 / 114.5 mm

Connection data solid/stranded/AWG

0.2 ... 2.5 mm² / 0.2 ... 2.5 mm² / 24 - 14

0.2 ... 2.5 mm² / 0.2 ... 2.5 mm² / 24 - 14

EMC note

Class A product, see page 605

Class A product, see page 605

Conformance/Approvals

Conformance

CE-compliant

CE-compliant

UL, USA/Canada

UL 61010 Listed

UL 61010 Listed

Ordering data

Ordering data

Description

 

Type

Order No.

Pcs./

Pkt.

Type

Order No.

Pcs./

Pkt.

MCR voltage transducer,

 for DC voltages from 

0 ... ±20 V DC to 0 ... ±660 V DC

- with screw connection

MACX MCR-VDC

2906242

1

- with Push-in connection

MACX MCR-VDC-PT

2906243

1

MCR voltage transducer,

 for sinusoidal AC voltages from 

0 ... 20 V AC to 0 ... 660 V AC

- with screw connection

MACX MCR-VAC

2906239

1

- with Push-in connection

MACX MCR-VAC-PT

2906244

1

250

PHOENIX CONTACT

The MACX MCR-VDC voltage 

transducer measures DC voltages within 
the range of 0 to ±660 V DC. The 
MACX MCR-VAC module measures 
sinusoidal AC voltages from 0 to 660 V AC.
– Bidirectional output signals
– 9 voltage measuring ranges
– Voltage measuring ranges can be freely 

adjusted

– ZERO/SPAN adjustment ±20%
– 3-way isolation

D W

H

new

D W

H

new

Voltage transducers

Monitoring

Current measurement

For DC voltages from

0 to ±660

 

V

 

DC

For sinusoidal AC voltages

0 ... 660

 

V

 

AC

phoenixcontact-interface-technology-and-switching-devices-html.html
background image

For further information and full technical data, visit phoenixcontact.net/products

Ordering data

Description

Type

Order No.

Pcs./

Pkt.

MCR configuration software,

 for programming 

MCR-T-...-, MCR-...-LP-...-, MCR-...-HT-...-, MCR-S-...-, MCR-F-..., 

and MCR-PSP-... modules, CD-ROM

MCR/PI-CONF-WIN

2814799

1

Accessories

Labels,

 for marking MCR-T and MCR-S modules, four sheets 

DIN A4 marking labels (112 pcs.)

MCR-ET 38X35 WH

2814317

1

The 

MCR/PI-CONF-WIN 

configuration software package

 is used 

to configure and visualize all parameters for 
the programmable MCR measuring 
transducers.
– Straightforward menu interface
– Rapid programming

Notes:

The software runs under the following operating systems: 

Windows NT™, 2000™, and XP™.

Accessories
Configuration software package

Monitoring

Current measurement

For MCR-S-... current transducer

Ordering data

Description

Type

Order No.

Pcs./

Pkt.

USB adapter cable,

D-9-SUB to USB, with adapter D-9-SUB to D-25-SUB

CM-KBL-RS232/USB

2881078

1

Software adapter cable

 (stereo jack plug/25-pos. D-SUB), 1.2 m long, 

for programming MCR-T-..., MCR-S-..., and MCR-F-... modules

MCR-TTL-RS232-E

2814388

1

Accessories

Adapter cable,

 flexible, 9-pos. D-SUB socket to 25-pos. D-SUB pin

PSM-KAD 9 SUB 25/BS

2761295

1

251

PHOENIX CONTACT

The following adapter cables are available 

for programming the MCR-S... current 
transducers:
– USB adapter cable
– Software adapter cable

USB adapter cable
Software adapter cable

For MCR-S-... current transducer

phoenixcontact-interface-technology-and-switching-devices-html.html
background image

252

PHOENIX CONTACT

Monitoring

Monitoring and diagnostics

Electrical safety in photovoltaic 
systems with SOLARCHECK RSD

The series connection of photovoltaic 

panels to strings generates system voltages 
of up to 1000 V DC. Note: voltages as low 
as 120 V DC can be fatal.

Potential risks for people:

– Electric shock due to contact with 

defective panels and cables

– Electric shock due to current bridges 

between exposed parts of the system and 
extinguishing water or flooding

– Burns due to the electric arc

Centrally installed load-break switches 

merely interrupt the flow of current in the 
string. However to disconnect the DC side 
of a PV system so it is in the protective 
extra-low voltage range, the individual 
PV panels must be shut down.

System description:

The SOLARCHECK Rapid Shutdown 

system consists of shutdown units for 
shutting down the individual PV panels and 
central startup units that restart the 
system. Shutdown occurs in emergencies 
and every time the inverter is switched off. 
When the SOLARCHECK Rapid Shutdown 
system is used, the PV system is thus always 
in the protective extra-low voltage range 
when the inverter is disabled.

The startup unit analyzes the behavior of 

the inverter. It automatically restarts the 
connected PV panels if a safe system 
environment is present.

The startup unit analyzes the behavior of 

the inverter. It automatically restarts the 
connected PV panels if a safe system 
environment is present.

Topology:

One SCK-RSD startup unit and, 

depending on the system variant, multiple 
shutdown units are necessary per string in 
the PV system. The startup unit is installed 
in the vicinity of the inverter, and the 
shutdown units are installed directly on the 
corresponding PV panels. In the event of a 
fault, they disconnect the PV panels from 
the string.

The shutdown PV panels thus no longer 

contribute to the system voltage.

You can set up the SOLARCHECK Rapid 

Shutdown system in four different 
topologies:
– Autonomous 

(with SCK-RSD-400, Order No

2905030

)

– Autonomous with signaling 

(with SCK-RSD-600, Order No

2906273

)

– Externally powered 

(with SCK-RSD-600, Order No

2906273

)

– Externally powered with signaling 

(with SCK-RSD-600, Order No

2906273

)

After shutdown, the autonomous 

topologies have at most the voltage of a 
single panel.

You can ensure complete absence of 

voltage after shutdown with the externally 
powered topologies.

phoenixcontact-interface-technology-and-switching-devices-html.html
background image

For further information and full technical data, visit phoenixcontact.net/products

253

PHOENIX CONTACT

Monitoring

Monitoring and diagnostics

Extinguish fires and carry out rescue 
operations safely

In dangerous situations, such as fires and 

flooding, maximum possible safety is 
provided for emergency personnel. The fire 
department can act immediately, safely 
rescue people, and minimize structural 
damage considerably.

Protect personnel

With SOLARCHECK RSD, each operator 

can shut down his or her system for 
cleaning and maintenance purposes. In 
doing so, the operator is taking 
responsibility for the safety of his/her 
personnel.

Protective extra-low voltage in the 
PV system

Only panel-based shutdown provides 

sufficient safety by disconnecting every 
single PV panel from the string. As a result, 
after the switching operation the maximum 
system voltage is in the protective extra-
low voltage range.

Your advantages:

– Safety as a result of patented error 

detection and safe photovoltaic panel 
shutdown

– Controlled restart via safe autostart

Autonomous topology:

Shutdown is carried out automatically. 

System startup is powered by one of the PV 
system panels, which is not shut down. At 
the same time, this supply panel provides 
information about the irradiation intensity 
and thereby ensures that the system is 
started up at the start of the day.

Externally powered topology:

Shutdown is carried out automatically. All 

PV panels in the system are shut down. This 
ensures residual voltages are < 30 DC after 
shutdown. System startup is powered by a 
separate power supply. Separate signaling of 
the switching state of the system is also 
possible.

Shutdown

 

un

i

ts

Startup

 

un

i

t

Starter

 

pane

l

Shutdown

 

un

i

ts

I

n

v

erter

I

n

v

erter

Starter

 

pane

l

Power

 

supp

l

y

 

un

i

t

Shutdown

 

un

i

ts

phoenixcontact-interface-technology-and-switching-devices-html.html
background image

S

1

+

S2

P

A

N

EL

U2

µ

C

+

STR

I

NG

U

1

U

1

U2

I

°

C

Technical data

Input data

Input voltage range

-

System voltage

 1000 V DC

Input current range

0 A ... 8 A (of PV panel)

0 A ... 8 A (of PV panel)

0 A ... 8 A (of PV panel)

Rated current

8 A DC

Output data

Current output signal

-

Voltage output signal

-

General data

Nominal supply voltage

-

Power consumption (with external supply)

-

Power consumption

< 1.5 W

Number of PV panels that can be connected

1

Enabling

via SCK-RSD-400 / SCK-RSD-600 startup unit

Auto-RSD

Auto-RSD

Rated surge voltage

12 kV

Overvoltage category

III

Degree of pollution

3

Ambient temperature (operation)

-40 °C ... 85 °C

Humidity

10 % ... 95 %

Altitude

 4000 m

Connection method

PV connector

EMC note

 

Ordering data

Description

Type

Order No.

Pcs./

Pkt.

SOLARCHECK Rapid Shutdown system

 consists of 

shutdown units (SCK-RSD-100) for shutting down the individual 

photovoltaic panels and central startup units (SCK-RSD-400 and 

SCK-RSD-600), which are used to restart the system.

SCK-RSD-100

2905029

1

254

PHOENIX CONTACT

Electrical safety in photovoltaic systems 
SOLARCHECK RSD

SOLARCHECK RSD consists of units for 

shutting down the individual photovoltaic 
panels and startup units, which are used to 
restart the system. Each shutdown unit 
disconnects the corresponding photovoltaic 
panel from the string group. The 
disconnection takes place automatically in 
the event of a fault and each time the 
inverter is shut down.

At most, the entire DC voltage side of 

the photovoltaic system is at the maximum 
off-load voltage of a panel, i.e., in the 
protective extra-low voltage range. There is 
no risk of an electric shock.

One SCK-RSD startup unit and, 

depending on the system variant, multiple 
shutdown units are necessary per string in 
the PV system. The startup unit is installed 
in the vicinity of the inverter, and the 
shutdown units are installed directly on the 
corresponding PV panels. In the event of a 
fault, they disconnect the PV panels from 
the string.

The shutdown PV panels thus no longer 

contribute to the system voltage.

You can set up the SOLARCHECK Rapid 

Shutdown system in four different 
topologies:
– Autonomous 

(with SCK-RSD-400, Order No. 

2905030

)

– Autonomous with signaling 

(with SCK-RSD-600, Order No. 

2906273

)

– Externally powered 

(with SCK-RSD-600, Order No. 

2906273

)

– Externally powered with signaling 

(with SCK-RSD-600, Order No. 

2906273

)

After shutdown, the autonomous 

topologies have at most the voltage of a 
single panel.

You can ensure complete absence of 

voltage after shutdown with the externally 
powered topologies.

SOLARCHECK RSD has been tested 

using a multitude of commercial types of 
inverters. You can find a list of these 
demonstrably compatible devices at 
phoenixcontact.com.

Monitoring

Monitoring and diagnostics

Unit for automatic shutdown of PV panels

PV-powered startup unit

Externally powered startup unit, 

phoenixcontact-interface-technology-and-switching-devices-html.html
background image

S2

+

S

1

ST

R

I

NG

I

N

VE

RT

E

R

U

1

µ

C

+

U

1, I, °

C

S2

+

S

1

ST

R

I

NG

I

N

VE

RT

E

R

U

1

µ

C

I

N

 -

2

4 V

S

I

GN

AL

OUT

+

U

1, I, °

C

U3

For further information and full technical data, visit phoenixcontact.net/products

Technical data

Technical data

-

-

 1000 V DC

 1000 V DC

Input current range

0 A ... 8 A (of PV panel)

0 A ... 8 A (of PV panel)

0 A ... 8 A (of PV panel)

8 A DC

8 A DC

-

 10 mA

-

5  V

-

24 V DC ±20 %

PV

1 A

< 4 W

< 4 W

20

20

Enabling

via SCK-RSD-400 / SCK-RSD-600 startup unit

Auto-RSD

Auto-RSD

12 kV

12 kV

III

III

3

3

-40 °C ... 75 °C

-40 °C ... 75 °C

10 % ... 95 %

10 % ... 95 %

 4000 m

 4000 m

PV connector

PV connector

 

Class A product, see page 605

Ordering data

Ordering data

Type

Order No.

Pcs./

Pkt.

Type

Order No.

Pcs./

Pkt.

SCK-RSD-400

2905030

1

SCK-RSD-600

2906273

1

255

PHOENIX CONTACT

Monitoring

Monitoring and diagnostics

Unit for automatic shutdown of PV panels

PV-powered startup unit

Externally powered startup unit, 

incl. signal output

phoenixcontact-interface-technology-and-switching-devices-html.html
background image

256

PHOENIX CONTACT

Monitoring

Monitoring and diagnostics

Utilize solar electricity efficiently

Detect errors – increase efficiency: 

photovoltaic systems should achieve 
maximum energy yield within the shortest 
possible time.

SOLARCHECK provides reliable 

information regarding the performance of 
your photovoltaic system. It can be used to 
detect faults, which may be caused by 
damaged panels, defective contacts or 
damage in the cabling. This allows you to 
implement countermeasures quickly, 
thereby increasing the efficiency of your 
system.

Current topic: reliable monitoring

Whether a small roof-top system on a 

family home or a megawatt outdoor system: 
for reliable operation, the photovoltaic 
market requires monitoring systems where 
status information is continuously available 
and visualization is easy. Phoenix Contact 
offers a comprehensive portfolio of 
hardware and software products specifically 
designed for this purpose.

Energy of the future

From installation to monitoring. In the 

“Components and systems for 
photovoltaics” brochure you will find 
further innovative solutions for your 
photovoltaic system, such as:
– Connection technology
– Surge protection
– Hardware and software solutions
– Generator connection boxes
– Tools and marking

phoenixcontact-interface-technology-and-switching-devices-html.html
background image

1....

8

 

x

 

SCK

-M-...

SCK

-

C

-M

ODBUS

M

odbus

 

RTU

 

s

l

ave

1....

8

 

x

 

SCK

-M-...

SCK

-

C

-M

ODBUS

M

odbus

 

RTU

 

s

l

ave

MR

E

S

ET

S

T

OP

RU

N

/PROG

L

N

K

A

C

T

GSM

AV T

R

US

UL

UM

E

RD

Y FAI

L

BS

A

P

F

I

5

I

7

I

2

I

6

I

8

I

13

I

15

I

10

I

14

I

16

x

 1

500

V

8

 

x

 

0

...

20

 A 

DC

8

 

x

 

0

...

20

 A 

DC

8

 

x

 

0

...

20

 A 

DC

8

 

x

 

0

...

20

 A 

DC

x

 

0

...

20

 A 

DC

x

 

0

...

20

 A 

DC

SCK

-M-

U

-1

500

V

SCK

-M-I-

8

S

-...

SCK

-M-I-

8

S

-...

SCK

-M-I-4

S

-...

x

 1

500

V

SCK

-M-

U

-1

500

V

SCK

-M-I-

8

S

-...

SCK

-M-I-

8

S

-...

SCK

-M-I-4

S

-...

P_OUT

SCK

-M-I-4

S

-

20

A

Or

der

 

No

.

2

9

032

4

2

P

SCK

 

BUS

D_

I

N

T

X

0

...1

0

V

U

OUT

U

I

N

0

...1

0

V

GND2

GND

1

STR

I

NG

CURR

E

NT

P_OUT

SCK

-M-I-

8

S

-

20

A

Or

der

 

No

.

2

9

032

41

P

SCK

 

BUS

D_

I

N

T

X

0

...1

0

V

U

OUT

U

I

N

0

...1

0

V

GND2

GND

1

STR

I

NG

CURR

E

NT

P_OUT

SCK

-M-I-

8

S

-

20

A

Or

der

 

No

.

2

9

032

41

P

SCK

 

BUS

D_

I

N

T

X

0

...1

0

V

U

OUT

U

I

N

0

...1

0

V

GND2

GND

1

STR

I

NG

CURR

E

NT

P_OUT

SCK

-M-I-

8

S

-4A

Or

der

 

No

.

2

9

0323

9

P

SCK

 

BUS

D_

I

N

T

X

0

...1

0

V

U

OUT

U

I

N

0

...1

0

V

GND2

GND

1

STR

I

NG

CURR

E

NT

P_OUT

SCK

-M-I-

8

S

-4A

Or

der

 

No

.

2

9

0323

9

P

SCK

 

BUS

D_

I

N

T

X

0

...1

0

V

U

OUT

U

I

N

0

...1

0

V

GND2

GND

1

STR

I

NG

CURR

E

NT

P_OUT

SCK

-M-I-

8

S

-4A

Or

der

 

No

.

2

9

0323

9

P

SCK

 

BUS

D_

I

N

T

X

0

...1

0

V

U

OUT

U

I

N

0

...1

0

V

GND2

GND

1

STR

I

NG

CURR

E

NT

P_OUT

SCK

-M-I-4

S

-

20

A

Or

der

 

No

.

2

9

032

4

2

P

SCK

 

BUS

D_

I

N

T

X

0

...1

0

V

U

OUT

U

I

N

0

...1

0

V

GND2

GND

1

STR

I

NG

CURR

E

NT

P_OUT

SCK

-M-I-

8

S

-

20

A

Or

der

 

No

.

2

9

032

41

P

SCK

 

BUS

D_

I

N

T

X

0

...1

0

V

U

OUT

U

I

N

0

...1

0

V

GND2

GND

1

STR

I

NG

CURR

E

NT

P_OUT

SCK

-M-I-

8

S

-

20

A

Or

der

 

No

.

2

9

032

41

P

SCK

 

BUS

D_

I

N

T

X

0

...1

0

V

U

OUT

U

I

N

0

...1

0

V

GND2

GND

1

STR

I

NG

CURR

E

NT

SCK

-M-

U

-1

500

V

Or

der

 

No

.

2

9

035

9

1

!

-

+

+ -

2

4V

0

V

V

O

L

T

A

G

E I

NPUT

 MA

X

 1

500

DC

2

...1

0

OUT

P

   -   I

n

P

E

SCK

-M-

U

-1

500

V

Or

der

 

No

.

2

9

035

9

1

!

-

+

+ -

2

4V

0

V

V

O

L

T

A

G

E I

NPUT

 MA

X

 1

500

DC

2

...1

0

OUT

P

   -   I

n

P

E

T7

T

8

T5

T6

CO

M

GND2 GND2

B

A

+

2

4V

GND

1

GND

1

T7

T

8

T5

T6

CO

M

GND2 GND2

B

A

+

2

4V

GND

1

GND

1

15

00

 V DC

For further information and full technical data, visit phoenixcontact.net/products

257

PHOENIX CONTACT

Contact-free current measurement

Contact-free measurement using Hall 

sensors offers many advantages:
– Safe isolation is already ensured by the 

cable insulation.

– No contact resistance due to additional 

contact points.

– Reliable current transfer, as there is no 

direct intervention in the string circuit. 

Space-saving installation without an 
additional power supply

With a width of just 22.5 mm, the narrow 

measuring module bundles the cables in a 
confined space.
– The 2-conductor communication cable is 

also used to supply the measuring 
modules. 

– This means that one communication 

module supplies up to eight measuring 
modules – without an additional power 
supply.

Flexible expansion

Optional extension of voltage 

measurement up to 1500 V DC
– Also suitable for grounded systems.
– Suitable for PV systems with extra high 

system voltages

– Flexible use, even outside 

the SOLARCHECK system

Easy integration in monitoring 
systems

The modular SOLARCHECK monitoring 

system consists of various measuring 
modules for current and voltage 
measurement and an associated 
communication module.

The communication module collects the 

measured values from the current 
measuring modules and forwards them to a 
higher-level controller. You can acquire up 
to eight or four string currents with one 
current measuring module each. A 
maximum of eight current measuring 
modules of any type can be connected to 
one communication module. The 
2-conductor communication cable is also 
used to supply the measuring modules with 
power. This means that no additional power 
supply is required in the field.

The voltage measuring module is 

connected to and also supplied via the 
analog input provided on the 8-channel 
current measuring modules.

Monitoring

Monitoring and diagnostics

phoenixcontact-interface-technology-and-switching-devices-html.html
background image

A

+24 V

B

G

ND1

G

ND2

G

ND2

G

ND1

+24 V

DC

DC

R

S

-4

8

5

C

IN

P

U

T

S

CK-

M

OD

B

U

S

T

1

T

2

T

3

T

4

T

5

T

6

T

7

T

8

 

Housing width 22.5 mm

Housing width 22.5 mm

Housing width 22.5 mm

Housing width 22.5 mm

Technical data

Supply

Supply voltage

24 V DC -10 % ... +25 %

Via SCK-C-MODBUS

Via SCK-C-MODBUS

24 V DC -10 % ... +25 % (or via SSCK-M-I-8S-20A)

Own current consumption

22 mA (typical)

Measuring input

Current measuring range

-

Transmission error, maximum

-

Temperature coefficient

-

Reverse current detection

-

Number of measuring channels

-

Voltage measuring range

-

Connection method

-

Digital input

Controlled by external floating contact

-

Analog input

Input voltage range

-

Analog output

Output voltage range

-

SCK-C-MODBUS data interface

Cable length (for 0.15 mm²)

-

Communication protocol

Proprietary

Serial port

RS-485

Serial transmission speed

9.6/14.4/19.2/38.4 kbps

-

-

-

Cable length

 1200 m

Communication protocol

Modbus/RTU

General data

Degree of protection

IP20

Ambient temperature range

-20 °C ... 70 °C

Dimensions W/H/D

22.5 / 102 / 106 mm

Screw connection solid/stranded/AWG

0.2 ... 2.5 mm² / 0.2 ... 2.5 mm² / 24 - 12

0.2 ... 2.5 mm² / 0.2 ... 2.5 mm² / 24 - 12

0.2 ..

EMC note

Class A product, see page 605

Class A product, see page

Conformance/Approvals

Conformance

CE-compliant

UL, USA

1741 Recognized

UL, USA/Canada

508 Listed

Ordering data

Description

 

Type

Order No.

Pcs./

Pkt.

Communication module

SCK-C-MODBUS

2901674

1

Current measuring module,

 8-channel

Current measuring module,

 4-channel for extension

Voltage measuring module

258

PHOENIX CONTACT

Solar system monitoring

PV string monitoring
SOLARCHECK

The modular SOLARCHECK monitoring 

system consists of various devices for 
current and voltage measurement and an 
associated communication module.

Communication module:

– For connecting and collecting measured 

values from up to eight measuring 
modules

– Provision of data for transfer to higher-

level controllers

Current measuring modules:

– 8-channel current measurement up 

to 20 A DC

– Detection of reverse currents

up to -1 A

– 4-channel extension modules 

for 20 A DC

– Internal temperature monitoring
– Digital input for monitoring, e.g., the 

remote indication contacts of surge 
protection modules

– Supply via the communication module

Voltage measuring module

– Voltage measurement up to 1500 V DC in 

any grounded PV system

– Connection and supply is usually via the 

analog input (0 to 10 V) provided on the 
8-channel SOLARCHECK current 
measuring module

– Voltage measurement is output as an 

analog signal 2 to 10 V

– As an option, can also be removed from 

the SOLARCHECK group and used 
separately

Monitoring

Monitoring and diagnostics

H

W

D

Communication module

RS-485 (Modbus RTU)

phoenixcontact-interface-technology-and-switching-devices-html.html
background image

S

C

K-

B

U

S

OUT

U-IN

D

igital

IN

1

+

2
3
4
5
6
7

8

I-IN

μ

C

CO

M

8

x

0

...1

0

V

1
2
3
4

I-IN

m

C

S

C

K-

B

U

S

OUT

CO

M

4x

D

igital

IN

U

1

U

2

U_OU

T

P

_IN

0

 V

24 V

0

...15

00

 V DC

R

X

R

X

For further information and full technical data, visit phoenixcontact.net/products

 

 

 

Housing width 22.5 mm

Housing width 22.5 mm

Housing width 22.5 mm

Housing width 22.5 mm

Technical data

Technical data

Technical data

Supply voltage

24 V DC -10 % ... +25 %

Via SCK-C-MODBUS

Via SCK-C-MODBUS

24 V DC -10 % ... +25 % (or via SSCK-M-I-8S-20A)

43 mA (typical)

43 mA (typical)

8 mA (typical)

0 A DC ... 20 A (UL: 0 A DC...25 A DC)

0 A DC ... 20 A (UL: 0 A DC...25 A DC)

-

± 1 % (From the measuring range final value)

± 1 % (From the measuring range final value)

± 1 % (after additional tuning (valid for 100 - 1500 V DC))

0.02 %/K (T

K20

)

0.02  %/K  (T

K20

)

< 0.01 %/K

-1 A DC ... 0 mA

-1 A DC ... 0 mA

-

8

4

1

-

-

0 V DC ... 1500 V DC

Through connection, 9.5 mm diameter

Through connection, 9.5 mm diameter

Screw connection

Floating switch contacts

Floating switch contacts

-

0 V ... 10 V

-

-

-

-

2 V DC ... 10 V DC

 300 m (0.14 mm²)

 300 m (0.14 mm²)

-

Proprietary

Proprietary

-

Serial transmission speed

9.6/14.4/19.2/38.4 kbps

-

-

-

-

-

-

-

-

-

IP20

IP20

IP20

-20 °C ... 70 °C

-20 °C ... 70 °C

-20 °C ... 70 °C

22.5 / 102 / 128.5 mm

22.5 / 102 / 128.5 mm

22.5 / 102 / 128.5 mm

Screw connection solid/stranded/AWG

0.2 ... 2.5 mm² / 0.2 ... 2.5 mm² / 24 - 12

0.2 ... 2.5 mm² / 0.2 ... 2.5 mm² / 24 - 12

0.2 ... 2.5 mm² / 0.2 ... 2.5 mm² / 24 - 12

0.2 ... 2.5 mm² / 0.2 ... 2.5 mm² / 24 - 12

EMC note

Class A product, see page 605

Class A product, see page 605

Class A product, see page 605

Class A product, see page 605

CE-compliant

CE-compliant

CE-compliant

1741 Recognized

1741 Recognized

1741 Recognized

508 Listed

508 Listed

508 Listed

Ordering data

Ordering data

Ordering data

Type

Order No.

Pcs./

Pkt.

Type

Order No.

Pcs./

Pkt.

Type

Order No.

Pcs./

Pkt.

SCK-M-I-8S-20A

2903241

1

SCK-M-I-4S-20A

2903242

1

SCK-M-U-1500V

2903591

1

259

PHOENIX CONTACT

Monitoring

Monitoring and diagnostics

H

W

D

H

W

D

H

W

D

Current measuring module, 20 A DC, 

8-channel

Extension module, 4-channel

Current measurement 20 A DC

Voltage measuring module, 

0...1500 V

 

DC

phoenixcontact-interface-technology-and-switching-devices-html.html
background image

260

PHOENIX CONTACT

Monitoring

Monitoring and diagnostics

For high system availability

EMD monitoring relays can be used to 

detect deviations in important system 
parameters at an early stage. These can be 
indicated or system parts can be shut down 
selectively. EMD monitoring relays ensure 
error-free and cost-effective operation of 
your system. They are an inexpensive 
solution for numerous monitoring 
functions.
– Surge voltage and undervoltage
– Overcurrent and undercurrent
– Phase failure, phase sequence, and phase 

asymmetry

– Power factor and real power
– Motor winding temperature
– Levels

For system monitoring, choose from two 

product ranges: compact or multifunctional 
monitoring relays.

Perfect timing

ETD time relays ensure optimum time 

sequences.

The modules are the cost-effective 

alternative to a PLC: with easy configuration 
and fast wiring.

Choose from two product ranges for 

your ideal time control application:
– Ultra-narrow time relays each with one 

time range and one function

– Multifunctional time relays with selectable 

time ranges and functions

Professionally packaged components

Function modules with professional 

housing and connection technology can be 
used to integrate electronic components in 
your system. They can be used to perform a 
variety of tasks:
– Diode modules provide protection 

against polarity reversal. In addition, they 
decouple messages in fault reporting 
systems.

– Lamp testing modules decouple signals in 

isolation in the field of fault reporting 
technology.

– Display modules simplify troubleshooting 

and provide help for monitoring 
processes.

phoenixcontact-interface-technology-and-switching-devices-html.html
background image

For further information and full technical data, visit phoenixcontact.net/products

261

PHOENIX CONTACT

Monitoring

Monitoring and diagnostics

Compact monitoring relays

Ideal for simple monitoring tasks – from 

series production to building installation.
– Compact installation housing
– Quick and tool-free wiring with Push-in 

technology

– Parameters can be adjusted easily using 

rotary switches

– Clear diagnostics, thanks to color 

status LED

Multifunctional monitoring relays

– Parameters can be adjusted easily using 

rotary switches

– Fast error detection, thanks to fine tuning 

and short response times

– Worldwide use, thanks to wide-range 

power supply unit or plug-in transformer

– Space saving, with two PDT outputs in 

22.5 mm wide housing

– Electrically isolated measuring and supply 

circuits

– Clear diagnostics, thanks to color 

status LEDs

Ultra-narrow time relays

The space-saving and inexpensive solution 

for simple time control applications.
– Each with one time range and one 

function

– Overall width of just 6.2 mm - saves up 

to 70% space compared to conventional 
time relays

– Precise time setting using the illuminated 

thumbwheel

– Fast wiring through the use of 

plug-in bridges

Multifunctional time relays

For universal use thanks to wide range of 

functions.
– Just three versions for all conventional 

time control applications

– Two floating PDT outputs on an overall 

width of just 22.5 mm

– Supply voltage via wide-range power 

supply unit

– Optimum setting of times ranging from 

milliseconds to several days

Function modules

Function modules transform components 

such as diodes into a shock-proof and dust-
proof electronics module.
– Easy installation, thanks to electronics 

housing with IP20 protection that can be 
installed in a control cabinet

– Fast mounting on DIN rails, thanks to the 

foot catch

– User-friendly wiring, thanks to practical 

connection technology

phoenixcontact-interface-technology-and-switching-devices-html.html
background image

L

i

L

k

N

16

15

1

8

U = 23

0

 V AC

G

ND

U1

24 V DC

U2

24 V AC

U3

23

0

 V AC

16

15

1

8

 

 

Housing width 17.5 mm

Housing width 17.5 mm

Technical data

Technical data

Functions

Overcurrent, undercurrent, window

Undervoltage, window

Input

Input ranges

0 V DC ... 24 V DC (connection terminal blocks: U1 and GND)

0 V AC ... 24 V AC (connection terminal blocks: U2 and GND)

0 V AC ... 230 V AC (connection terminal blocks: U3 and GND)

Input ranges

0 A ... 5 A

0 A ... 10 A

Configurable via rotary switches

-

Input resistance

3 m

-

Minimum setting range

5 % ... 95 % (From I

N

)

75 % ... 115 % (From U

N

)

Maximum setting range

10 % ... 100 % (From I

N

)

80 % ... 120 % (From U

N

)

Setting range for response delay

0.1 s ... 10 s

0.1 s ... 10 s

Basic accuracy

 5 % (of the nominal value)

 5 % (of scale end value)

Setting accuracy

± 5 % (of the nominal value)

± 5 % (of scale end value)

Repeat accuracy

 2 %

 2 %

Relay output

Contact type

1 floating PDT

1 floating PDT

Switching capacity

1250 VA (5 A/250 V AC)

1250 VA (5 A/250 V AC)

Electrical service life

1 x 10

5

 cycles

1 x 10

5

 cycles

Mechanical service life

15 x 10

6

 cycles

15 x 10

6

 cycles

Output fuse

5 A (fast-blow)

5 A (fast-blow)

General data

Supply voltage

230 V AC ±15 %

-25 % ... +20 % (= measuring voltage)

Nominal power consumption

5 VA (0.8 W)

10 VA (At 230 V AC (0.6 W))

1.3 VA (At 24 V AC (0.8 W))

0.6 W (at 24 V DC)

Degree of protection

IP40 (housing) / IP20 (connection terminal blocks)

IP40 (housing) / IP20 (connection terminal blocks)

Ambient temperature (operation)

-25 °C ... 55 °C

-25 °C ... 55 °C

Dimensions W/H/D

17.5 / 88 / 65.5 mm

17.5 / 88 / 65.5 mm

Push-in connection solid/stranded/AWG

0.14 ... 2.5 mm² / 0.14 ... 2.5 mm² / 26 - 14

0.14 ... 2.5 mm² / 0.14 ... 2.5 mm² / 26 - 14

Screw connection solid/stranded/AWG

0.5 ... 2.5 mm² / 0.5 ... 2.5 mm² / 20 - 14

0.5 ... 2.5 mm² / 0.5 ... 2.5 mm² / 20 - 14

Conformance/Approvals

Conformance

CE-compliant

CE-compliant

UL, USA/Canada

UL/C-UL listed UL 508

UL/C-UL listed UL 508

Ordering data

Ordering data

Description

Type

Order No.

Pcs./

Pkt.

Type

Order No.

Pcs./

Pkt.

Compact monitoring relay

 with Push-in connection

EMD-BL-C-10-PT

2903522

1

EMD-BL-V-230-PT

2903524

1

Compact monitoring relay

 with screw connection

EMD-BL-C-10

2903521

1

EMD-BL-V-230

2903523

1

262

PHOENIX CONTACT

Single-phase current monitoring

The 

EMD-BL-C-10

 monitors AC 

currents from 0 to 10 A.
– Adjustable response delay
– 0 to 5 A or 0 to 10 A measuring range
– Adjustable via rotary switch on the front

Single-phase voltage monitoring

The 

EMD-BL-V-230

 monitors DC and 

AC voltages.
– 24 V AC/DC or 230 V AC
– Separately adjustable response delay
– Adjustable monitoring range
– Adjustable via potentiometer on front

H

W

D

H

W

D

Monitoring relays

Monitoring

Monitoring and diagnostics

Current monitoring, 1-phase

Overcurrent, undercurrent, window

Voltage monitoring, 1-phase

Undervoltage, window

phoenixcontact-interface-technology-and-switching-devices-html.html
background image

L1

L2

L3

16

15

1

8

L1

L2

L3

16

15

1

8

For further information and full technical data, visit phoenixcontact.net/products

 

 

Housing width 17.5 mm

Housing width 17.5 mm

Technical data

Technical data

Functions

Window, phase sequence

Phase sequence, phase failure, asymmetry

Input

Monitoring range

280 V AC ... 519 V AC

187 V AC ... 519 V AC

Input ranges

3~ 400/230 V

3~ 208 ... 480 V/120 ... 277 V

Minimum setting range

70 % ... 120 % (From U

N

)

-

Maximum setting range

80 % ... 130 % (From U

N

)

-

Setting range for response delay

0.1 s ... 10 s

0.1 s ... 10 s

Asymmetry

-

5

 

% ... 25% / OFF

Basic accuracy

 5 % (of the nominal value)

 5 % (of scale end value)

Setting accuracy

± 5 % (of scale end value)

± 5 % (of scale end value)

Repeat accuracy

 2 %

 2 %

Relay output

Contact type

1 floating PDT

1 floating PDT

Switching capacity

1250 VA (5 A/250 V AC)

1250 VA (5 A/250 V AC)

Electrical service life

1 x 10

5

 cycles

1 x 10

5

 cycles

Mechanical service life

15 x 10

6

 cycles

15 x 10

6

 cycles

Output fuse

5 A (fast-blow)

5 A (fast-blow)

General data

Supply voltage

±30 % (= measuring voltage)

±10 % (= measuring voltage)

Nominal power consumption

10 VA (1 W)

10 VA ((1 W) at 400 V/50 Hz)

16 VA ((1.5 W) at 480 V/60 Hz)

Degree of protection

IP40 (housing) / IP20 (connection terminal blocks)

IP40 (housing) / IP20 (connection terminal blocks)

Ambient temperature (operation)

-25 °C ... 55 °C

-25 °C ... 55 °C

Dimensions W/H/D

17.5 / 88 / 65.5 mm

17.5 / 88 / 65.5 mm

Push-in connection solid/stranded/AWG

0.14 ... 2.5 mm² / 0.14 ... 2.5 mm² / 26 - 14

0.14 ... 2.5 mm² / 0.14 ... 2.5 mm² / 26 - 14

Screw connection solid/stranded/AWG

0.5 ... 2.5 mm² / 0.5 ... 2.5 mm² / 20 - 14

0.5 ... 2.5 mm² / 0.5 ... 2.5 mm² / 20 - 14

Conformance/Approvals

Conformance

CE-compliant

CE-compliant

UL, USA/Canada

UL/C-UL listed UL 508

UL/C-UL listed UL 508

Ordering data

Ordering data

Description

Type

Order No.

Pcs./

Pkt.

Type

Order No.

Pcs./

Pkt.

Compact monitoring relay

 with Push-in connection

EMD-BL-3V-400-PT

2903526

1

EMD-BL-PH-480-PT

2903528

1

Compact monitoring relay

 with screw connection

EMD-BL-3V-400

2903525

1

EMD-BL-PH-480

2903527

1

263

PHOENIX CONTACT

Three-phase voltage monitoring

The 

EMD-BL-3V-400

 monitors three-

phase AC voltages.
– 3~ 400 V AC/230 V AC ±30%
– Separately adjustable response delay
– Adjustable monitoring range
– Adjustable via potentiometer on front
– Supply from the measuring circuit

Phase monitoring

The 

EMD-BL-PH-400

 monitors three-

phase AC voltages.
– 3~ 208 to 480 V AC / 120 to 277 V AC
– Adjustable response delay
– Adjustable asymmetry: 5 to 25% / OFF
– Adjustable via potentiometer on front
– Supply from the measuring circuit

H

W

D

H

W

D

Monitoring relays

Monitoring

Monitoring and diagnostics

Voltage monitoring, 3-phase

Window, phase sequence

Phase monitoring

Phase sequence, phase failure, asymmetry

phoenixcontact-interface-technology-and-switching-devices-html.html
background image

T

1

T2

A1

1

2

11

14

U

 =

230

V A

C

A

2

Housing width 17.5 mm

Technical data

Functions

Winding temperature monitoring

Input

Total cold resistance

 1.5 k

Response value

 3.6 k

 (Relay drops out)

Release value

 1.6 k

 (Relay picks up)

Basic accuracy

± 10 % (of scale end value)

Relay output

Contact type

1 floating PDT

Switching capacity

1250 VA (5 A/250 V AC)

Electrical service life

1 x 10

5

 cycles

Mechanical service life

15 x 10

6

 cycles

Output fuse

5 A (fast-blow)

General data

Supply voltage

230 V AC (-15 % ... +10 %)

Nominal power consumption

3.5 VA (0.5 W)

Degree of protection

IP40 (housing) / IP20 (connection terminal blocks)

Ambient temperature (operation)

-25 °C ... 55 °C

Dimensions W/H/D

17.5 / 88 / 65.5 mm

Push-in connection solid/stranded/AWG

0.14 ... 2.5 mm² / 0.14 ... 2.5 mm² / 26 - 14

Screw connection solid/stranded/AWG

0.5 ... 2.5 mm² / 0.5 ... 2.5 mm² / 20 - 14

Conformance/Approvals

Conformance

CE-compliant

Ordering data

Description

Type

Order No.

Pcs./

Pkt.

Compact monitoring relay

with Push-in connection

EMD-BL-PTC-PT

2906253

1

with screw connection

EMD-BL-PTC

2906252

1

264

PHOENIX CONTACT

H

W

D

new

Thermistor monitoring

The EMD-SL-PTC monitors the 

temperature of motor windings.
– Operate value ≥ 3.6 kΩ
– Release value ≤ 1.6 kΩ
– DIN 44081/DIN 44082-compliant
– Sensors can be connected in series

Monitoring relays

Monitoring

Monitoring and diagnostics

Temperature monitoring 

(motor windings)

phoenixcontact-interface-technology-and-switching-devices-html.html
background image

For further information and full technical data, visit phoenixcontact.net/products

265

PHOENIX CONTACT

Monitoring

Monitoring and diagnostics

phoenixcontact-interface-technology-and-switching-devices-html.html
background image

I1

I2

I3

G

ND

1

00

m

A

1 A

1

0

A

A1 A2

16

26

15

25

1

8

2

8

U

=

24...24

0

V AC/DC

I1

I2

I3

G

ND

1

00

m

A

1 A

1

0

A

A1

A2

16

15

1

8

P

O

W

ER

M

ODULE

U

=

24 V DC

24...23

0

V AC

 

 

Housing width 22.5 mm

Housing width 22.5 mm

Technical data

Technical data

Functions

EMD-SL-C-OC-10

EMD-SL-C-UC-10

Overcurrent, undercurrent, window, error memory

Overcurrent

Undercurrent

Input

Input ranges

0 mA ... 100 mA (Connection terminals: I1 and GND)

0 A ... 1 A (Connection terminals: I2 and GND)

0 A ... 10 A (Connection terminals: I3 and GND)

0 mA ... 100 mA (Connection terminals: I1 and GND)

0 A ... 1 A (Connection terminals: I2 and GND)

0 A ... 10 A (Connection terminals: I3 and GND)

Input resistance

470 m

 (at I

N

 = 100 mA) ; 47 m

 (at I

N

 = 1 A) ; 5 m

 (at I

N

 = 10 A)

470 m

 (at I

N

 = 100 mA) ; 47 m

 (at I

N

 = 1 A) ; 5 m

 (at I

N

 = 10 A)

Minimum setting range

5 % ... 95 % (From I

N

)

5  %  ...  95  %  (From  I

N

)

Maximum setting range

10 % ... 100 % (From I

N

)

10 % ... 100 % (From I

N

)

Setting range for response delay

0.1 s ... 10 s

0.2 s ... 10 s

Setting range for starting delay

0 s ... 10 s

-

Basic accuracy

± 5 % (of scale end value)

± 5 % (of scale end value)

Setting accuracy

 5 % (of scale end value)

 5 % (of scale end value)

Repeat accuracy

 2 %

 2 %

Relay output

Contact type

2 floating PDT contacts

1 floating PDT

Switching capacity

750 VA (3 A/250 V AC, module aligned, 

 5 mm spacing)

1250 VA (5 A/250 V AC, module not aligned, 

 5 mm spacing)

750 VA (3 A/250 V AC, module aligned, 

 5 mm spacing)

1250 VA (5 A/250 V AC, module not aligned, 

 5 mm spacing)

Electrical service life

2 x 10

5

 cycles at  ohmic load, 1000 VA

2 x 10

5

 cycles at  ohmic load, 1000 VA

Mechanical service life

Approx. 2x 10

7

 cycles

Approx. 2x 10

7

 cycles

Output fuse

5 A (fast-blow)

5 A (fast-blow)

General data

Supply voltage range

24 V AC ... 240 V AC -15

 

% ... +10

 

%

24 V DC ... 240 V DC -20

 

% ... +25

 

%

24 V AC ... 230 V AC (see Power modules)

24 V DC (see Power modules)

Nominal power consumption

4.5 VA (1.5 W)

2 VA (1.5 W)

Degree of protection

IP40 (housing) / IP20 (connection terminal blocks)

IP40 (housing) / IP20 (connection terminal blocks)

Ambient temperature (operation)

-25 °C ... 55 °C

-25 °C ... 55 °C

Dimensions W/H/D

22.5 / 90 / 113 mm

22.5 / 90 / 113 mm

Screw connection solid/stranded/AWG

0.5 ... 2.5 mm² / 0.25 ... 2.5 mm² / 20 - 14

0.5 ... 2.5 mm² / 0.25 ... 2.5 mm² / 20 - 14

EMC note

Class A product, see page 605

 

Conformance/Approvals

Conformance

CE-compliant

CE-compliant

UL, USA/Canada

UL/C-UL listed UL 508

UL/C-UL listed UL 508

Ordering data

Ordering data

Description

Type

Order No.

Pcs./

Pkt.

Type

Order No.

Pcs./

Pkt.

Electronic monitoring relay

EMD-FL-C-10

2866022

1

EMD-SL-C-OC-10

2866019

1

EMD-SL-C-UC-10

2867937

1

Power module,

 plug-in, please order at the same time!

Supply voltage 20 ... 30 V DC

EMD-SL-PS- 24DC

2885359

1

Supply voltage 20.2 ... 26.4 V AC

EMD-SL-PS- 24AC

2866103

1

Supply voltage 88 ... 121 V AC

EMD-SL-PS-110AC

2866116

1

Supply voltage 108 ... 132 V AC

EMD-SL-PS-120AC

2885731

1

Supply voltage 195 ... 264 V AC

EMD-SL-PS-230AC

2866129

1

266

PHOENIX CONTACT

Single-phase current monitoring

EMD-...C...

 monitoring relays monitor 

DC and AC currents within the range 
of 0 to 10 A.
– Separately adjustable startup and release 

delays

– Variable supply voltage range
– Adjustable via potentiometer on front

H

W

D

H

W

D

Monitoring relays

Monitoring

Monitoring and diagnostics

Overcurrent and undercurrent monitoring

Over or undercurrent monitoring

phoenixcontact-interface-technology-and-switching-devices-html.html
background image

U1

U2

U3

G

ND

3

0

V

6

0

V

3

00

V

A1 A2

16

26

15

25

1

8

2

8

U

=

24...24

0

V AC/DC

U1

U2

U3

G

ND

3

0

V

6

0

V

3

00

V

A1

A2

16

15

1

8

P

O

W

ER

M

ODULE

U

=

24 V DC

24...23

0

V AC

For further information and full technical data, visit phoenixcontact.net/products

 

 

Housing width 22.5 mm

Housing width 22.5 mm

Technical data

Technical data

Functions

Undervoltage, overvoltage, window, error memory

Undervoltage

Input

Input ranges

0 V ... 30 V AC/DC (connection terminal blocks: U1 and GND)

0 V ... 60 V AC/DC (connection terminal blocks: U2 and GND)

0 V ... 300 V AC/DC (connection terminal blocks: U3 and GND)

0 V ... 30 V AC/DC (connection terminal blocks: U1 and GND)

0 V ... 60 V AC/DC (connection terminal blocks: U2 and GND)

0 V ... 300 V AC/DC (connection terminal blocks: U3 and GND)

Input resistance

47 k

 (connection terminal blocks: U1 and GND)

100 k

 (connection terminal blocks: U2 and GND)

470 k

 (connection terminal blocks: U3 and GND)

47 k

 (connection terminal blocks: U1 and GND)

100 k

 (connection terminal blocks: U2 and GND)

470 k

 (connection terminal blocks: U3 and GND)

Minimum setting range

5 % ... 95 % (From U

N

)

5  %  ...  95  %  (From  U

N

)

Maximum setting range

10 % ... 100 % (From U

N

)

10 % ... 100 % (From U

N

)

Setting range for response delay

0.1 s ... 10 s

0.2 s ... 10 s

Setting range for starting delay

0 s ... 10 s

-

Basic accuracy

± 5 % (of scale end value)

± 5 % (of scale end value)

Setting accuracy

 5 % (of scale end value)

 5 % (of scale end value)

Repeat accuracy

 2 %

 2 %

Relay output

Contact type

2 floating PDT contacts

1 floating PDT

Switching capacity

750 VA (3 A/250 V AC, module aligned, 

 5 mm spacing)

1250 VA (5 A/250 V AC, module not aligned, 

 5 mm spacing)

750 VA (3 A/250 V AC, module aligned, 

 5 mm spacing)

1250 VA (5 A/250 V AC, module not aligned, 

 5 mm spacing)

Electrical service life

2 x 10

5

 cycles at  ohmic load, 1000 VA

2 x 10

5

 cycles at  ohmic load, 1000 VA

Mechanical service life

Approx. 2x 10

7

 cycles

Approx. 2x 10

7

 cycles

Output fuse

5 A (fast-blow)

5 A (fast-blow)

General data

Supply voltage range

24 V AC ... 240 V AC -15

 

% ... +10

 

%

24 V DC ... 240 V DC -20

 

% ... +25

 

%

24 V AC ... 230 V AC (see Power modules)

24 V DC (see Power modules)

Nominal power consumption

4.5 VA (1.5 W)

2 VA (1.5 W)

Degree of protection

IP40 (housing) / IP20 (connection terminal blocks)

IP40 (housing) / IP20 (connection terminal blocks)

Ambient temperature (operation)

-25 °C ... 55 °C

-25 °C ... 55 °C

Dimensions W/H/D

22.5 / 90 / 113 mm

22.5 / 90 / 113 mm

Screw connection solid/stranded/AWG

0.5 ... 2.5 mm² / 0.25 ... 2.5 mm² / 20 - 14

0.5 ... 2.5 mm² / 0.25 ... 2.5 mm² / 20 - 14

EMC note

Class A product, see page 605

 

Conformance/Approvals

Conformance

CE-compliant

CE-compliant

UL, USA/Canada

UL/C-UL listed UL 508

UL/C-UL listed UL 508

Ordering data

Ordering data

Description

Type

Order No.

Pcs./

Pkt.

Type

Order No.

Pcs./

Pkt.

Electronic monitoring relay

EMD-FL-V-300

2866048

1

EMD-SL-V-UV-300

2866035

1

Power module,

 plug-in, please order at the same time!

Supply voltage 20 ... 30 V DC

EMD-SL-PS- 24DC

2885359

1

Supply voltage 20.2 ... 26.4 V AC

EMD-SL-PS- 24AC

2866103

1

Supply voltage 88 ... 121 V AC

EMD-SL-PS-110AC

2866116

1

Supply voltage 108 ... 132 V AC

EMD-SL-PS-120AC

2885731

1

Supply voltage 195 ... 264 V AC

EMD-SL-PS-230AC

2866129

1

267

PHOENIX CONTACT

Single-phase voltage monitoring

EMD-...V...

 monitoring relays monitor 

DC and AC voltages within the range 
0 to 300 V.
– Separately adjustable startup and release 

delays

– Variable supply voltage range
– Adjustable via potentiometer on front

H

W

D

H

W

D

Monitoring relays

Monitoring

Monitoring and diagnostics

Undervoltage and overvoltage monitoring

Undervoltage monitoring

phoenixcontact-interface-technology-and-switching-devices-html.html
background image

L1

L2

L3

(

N)

A1 A2

16

26

15

25

1

8

2

8

U

=

24...24

0

V AC/DC

L1

L2

L3

A1

A2

26

16

25

15

2

8

1

8

P

O

W

ER

M

ODULE

U

=

11

0

...5

00

V AC

 

 

Housing width 22.5 mm

Housing width 45 mm

Technical data

Technical data

Functions

EMD-FL-3V-400

EMD-FL-3V-230

EMD-FL-3V-690

EMD-FL-3V-500

Undervoltage, window, 

asymmetry, phase sequence, 

phase failure

Undervoltage, window, 

asymmetry, phase sequence, 

phase failure

Undervoltage, window, 

asymmetry, phase sequence, 

phase failure

Undervoltage, window, 

asymmetry, phase sequence, 

phase failure

Input

Monitoring range

280 V AC ... 520 V AC

161 V AC ... 299 V AC

483 V AC ... 897 V AC

350 V AC ... 650 V AC

280 V AC ... 520 V AC

280 V 

Input ranges

3 N ~ 400/230 V

3 N ~ 230/132 V

3 ~ 690 V

3 ~ 500 V

3 ~ 400 V

3 N ~ 400/230 V

3 N ~ 400/230 V

3~ 208 V ... 690 V

Input resistance

1 M

470 k

1 M

1 M

Minimum setting range

-30 % ... 20 % (From U

N

)

-30 % ... 20 % (From U

N

)

-30 % ... 20 % (From U

Maximum setting range

-20 % ... 30 % (From U

N

)

-20 % ... 30 % (From U

N

)

-20 % ... 30 % (From U

Setting range for response delay

0.1 s ... 10 s

0.1 s ... 10 s

Asymmetry

5

 

% ... 25% / OFF

5

 

% ... 25% / OFF

5

 

% ... 25% / OFF

5

 

% ... 25% / OFF

Basic accuracy

± 5 % (of scale end value)

± 5 % (of scale end value)

± 5 % (of scale end value)

-

Setting accuracy

 5 % (of scale end value)

 5 % (of scale end value)

Repeat accuracy

 2 %

 2 %

Relay output

Contact type

2 floating PDT contacts

2 floating PDT contacts

Switching capacity

750 VA (3 A/250 V AC, module aligned, 

 5 mm spacing)

1250 VA (5 A/250 V AC, module not aligned, 

 5 mm spacing)

750 VA (3 A/250 V AC, module aligned, 

 5 mm spacing)

1250 VA (5 A/250 V AC, module not aligned, 

 5 mm spacing)

Electrical service life

2 x 10

5

 cycles at  ohmic load, 1000 VA

2 x 10

5

 cycles at  ohmic load, 1000 VA

2 x 10

Mechanical service life

Approx. 2x 10

7

 cycles

Approx. 2x 10

7

 cycles

Output fuse

5 A (fast-blow)

5 A (fast-blow)

General data

Supply voltage

Supply voltage range

24 V AC ... 240 V AC -15

 

% ... +10

 

%

24 V DC ... 240 V DC -20

 

% ... +25

 

%

110 V AC ... 500 V AC (see Power modules)

24 V AC ... 230 V AC (see Power modules)

Nominal power consumption

4.5 VA (1.5 W)

4.5 VA (1.5 W)

Degree of protection

IP40 (housing) / IP20 (connection terminal blocks)

IP40 (housing) / IP20 (connection terminal blocks)

IP40 (h

Ambient temperature (operation)

-25 °C ... 55 °C

-25 °C ... 55 °C

Dimensions W/H/D

22.5 / 90 / 113 mm

45 / 90 / 113 mm

Screw connection solid/stranded/AWG

0.5 ... 2.5 mm² / 0.25 ... 2.5 mm² / 20 - 14

0.5 ... 2.5 mm² / 0.25 ... 2.5 mm² / 20 - 14

0.5 

EMC note

Class A product, see page 605

 

Conformance/Approvals

Conformance

CE-compliant

CE-compliant

UL, USA/Canada

UL/C-UL listed UL 508

UL/C-UL listed UL 508

UL/C-UL listed UL 508

UL/C-UL listed UL 508

UL/C-UL listed UL 508

Ordering data

Ordering data

Description

Type

Order No.

Pcs./

Pkt.

Type

Order No.

Pcs./

Pkt.

Electronic monitoring relay

EMD-FL-3V-400

2866064

1

EMD-FL-3V-690

2885249

1

EMD-FL-3V-230

2885773

1

EMD-FL-3V-500

2867979

1

Power module,

 plug-in, please order at the same time!

Supply voltage 20 ... 30 V DC

Supply voltage 20.2 ... 26.4 V AC

Supply voltage 88 ... 121 V AC

EMD-SL-PS45-110AC

2885281

1

Supply voltage 108 ... 132 V AC

EMD-SL-PS45-120AC

2885744

1

Supply voltage 195 ... 264 V AC

EMD-SL-PS45-230AC

2885294

1

Supply voltage 323 ... 456 V AC

EMD-SL-PS45-400AC

2885304

1

268

PHOENIX CONTACT

Three-phase voltage monitoring

EMD-...-3V...

 monitoring relays monitor 

three-phase AC voltages of 160 to 897 V AC 
(depending on the device concerned).
– Adjustable response delay
– Variable supply voltage range
– Adjustable via potentiometer on front
– Adjustable  asymmetry

Monitoring relays

Monitoring

Monitoring and diagnostics

Undervoltage and phase monitoring, 

400 V or 230 V

Undervoltage and phase monitoring, 

500 V or 690 V

H

W

D

H

W

D

phoenixcontact-interface-technology-and-switching-devices-html.html
background image

L1

L2

L3

A1

A2

16

15

1

8

P

O

W

ER

M

ODULE

U

=

24 V DC

24...23

0

V AC

L1

L2

L3

22

12

21

11

24

14

(

N)

L1

L2

L3

26

16

25

15

2

8

1

8

For further information and full technical data, visit phoenixcontact.net/products

 

 

 

Housing width 22.5 mm

Housing width 22.5 mm

Housing width 22.5 mm

Technical data

Technical data

Technical data

EMD-SL-3V-400

EMD-SL-3V-400-N

Window, without neutral 

conductor connection

Window, with neutral conductor 

connection

Phase sequence, phase failure, asymmetry

Undervoltage, phase sequence, phase failure

Monitoring range

280 V AC ... 520 V AC

161 V AC ... 299 V AC

483 V AC ... 897 V AC

350 V AC ... 650 V AC

280 V AC ... 520 V AC

280 V AC ... 520 V AC

342 V AC ... 457 V AC

177 V AC ... 794 V AC

Input ranges

3 N ~ 400/230 V

3 N ~ 230/132 V

3 ~ 690 V

3 ~ 500 V

3 ~ 400 V

3 N ~ 400/230 V

3 N ~ 400/230 V

3~ 208 V ... 690 V

1 M

1 M

15 k

-

)

-30 % ... 20 % (From U

N

)

-

-

)

-20 % ... 30 % (From U

N

)

-

-

0.2 s ... 10 s

 350 ms (fixed setting)

0.1 s ... 10 s

Fixed, approx. 30 %

25 %

Basic accuracy

± 5 % (of scale end value)

± 5 % (of scale end value)

± 5 % (of scale end value)

-

 3 % (of scale end value)

 5 % (of scale end value)

-

 5 % (of scale end value)

 2 %

-

 2 %

Contact type

2 floating PDT contacts

2 floating PDT contacts

1 floating PDT

2 floating PDT contacts

2 floating PDT contacts

750 VA (3 A/250 V AC, module aligned, 

 5 mm spacing)

1250 VA (5 A/250 V AC, module not aligned, 

 5 mm spacing)

750 VA (3 A/250 V AC, module aligned, 

 5 mm spacing)

1250 VA (5 A/250 V AC, module not aligned, 

 5 mm spacing)

1250 VA (5 A/250 V AC at +55 °C)

150 VA (5 A/30 V DC at +55°C)

 cycles at  ohmic load, 1000 VA

2 x 10

5

 cycles at  ohmic load, 1000 VA

2 x 10

5

 cycles at  ohmic load, 1000 VA

2 x 10

5

 cycles

Approx. 2x 10

7

 cycles

Approx. 2x 10

7

 cycles

20 x 10

6

 cycles

5 A (fast-blow)

5 A (fast-blow)

5 A (fast-blow)

From the measured voltage

±15 % (= measuring voltage)

110 V AC ... 500 V AC (see Power modules)

24 V AC ... 230 V AC (see Power modules)

24 V DC (see Power modules)

-

±15 % (= measuring voltage)

2 VA (1.5 W)

9 VA

2 VA  (1.2 W)

Degree of protection

IP40 (housing) / IP20 (connection terminal blocks)

IP40 (housing) / IP20 (connection terminal blocks)

IP40 (housing) / IP20 (connection terminal blocks)

IP40 (housing) / IP20 (connection terminal blocks)

IP40 (housing) / IP20 (connection terminal blocks)

-25 °C ... 55 °C

-25 °C ... 55 °C

-25 °C ... 70 °C (C300)

22.5 / 90 / 113 mm

22.5 / 90 / 113 mm

22.5 / 90 / 113 mm

Screw connection solid/stranded/AWG

0.5 ... 2.5 mm² / 0.25 ... 2.5 mm² / 20 - 14

0.5 ... 2.5 mm² / 0.25 ... 2.5 mm² / 20 - 14

0.5 ... 2.5 mm² / 0.25 ... 2.5 mm² / 20 - 14

0.5 ... 2.5 mm² / 0.25 ... 2.5 mm² / 20 - 14

0.5 ... 2.5 mm² / 0.5 ... 2.5 mm² / 20 - 14

 

 

 

CE-compliant

CE-compliant

CE-compliant

UL, USA/Canada

UL/C-UL listed UL 508

UL/C-UL listed UL 508

UL/C-UL listed UL 508

UL/C-UL listed UL 508

UL/C-UL listed UL 508

Ordering data

Ordering data

Ordering data

Type

Order No.

Pcs./

Pkt.

Type

Order No.

Pcs./

Pkt.

Type

Order No.

Pcs./

Pkt.

EMD-SL-3V-400

2866051

1

EMD-SL-PH-400

2866077

1

EMD-SL-PH-690

2905597

1

EMD-SL-3V-400-N

2885278

1

EMD-SL-PS- 24DC

2885359

1

EMD-SL-PS- 24AC

2866103

1

EMD-SL-PS-110AC

2866116

1

EMD-SL-PS-120AC

2885731

1

EMD-SL-PS-230AC

2866129

1

269

PHOENIX CONTACT

Monitoring

Monitoring and diagnostics

H

W

D

Undervoltage/overvoltage monitoring, 

400 V with/without neutral conductor

Phase monitoring, 400 V

Phase monitoring, 690 V

H

W

D

H

W

D

phoenixcontact-interface-technology-and-switching-devices-html.html
background image

L

3

T

1

T

2

A

1

A

2

16

26

15

25

1

8

2

8

P

O

WE

R

M

O

D

U

LE

suppl

y

5

00 V A

C

L

2

L

1

k

i

Y

2

Y

1

L1I

L2

L3

L1K

A1 A2

16

26

15

25

1

8

2

8

U

=

24...24

0

V AC/DC

 

Housing width 45 mm

Housing width 22.5 mm

Technical data

Technical data

Functions

Underload, overload, window, winding temperature monitoring

Underload, overload, window

Input

Description of the input

Voltage input

-

Measured value

AC sine (10 Hz ... 400 Hz)

AC sine (10 ... 100 Hz)

Measuring ranges P

N

Can be switched between 0.75 kW, 1.5 kW, 3 kW and 6 kW

-

Nominal input voltage U

N

480 V (3 N ~ 480/277 V)

3 N ~ 415/240 V

Input ranges

0 V AC ... 480 V AC (1(N) ~, single-phase load)

0 V AC ... 480 V AC (3(N) ~, 3-phase load)

40 V AC ... 415 V AC (1(N) ~, single-phase load)

40 V AC ... 415 V AC (3(N) ~, 3-phase load)

Input ranges

0.15 A ... 6 A (Range: 0.75 kW and 1.5 kW)

0.3 A ... 12 A (Range: 3 kW and 6 kW)

0.5 A ... 10 A (Connection terminal blocks: L1i and L1k)

Minimum setting range

5 % ... 110 % (of P

N

)

-

Maximum setting range

10 % ... 120 % (of P

N

)

-

Switching threshold cos 

φ

Min.

-

0.1 ... 0.99

Max.

-

0.2 ... 1

Relay output

Contact type

2 floating PDT contacts

2 floating PDT contacts

Switching capacity

750 VA (3 A/250 V AC, module aligned, 

 5 mm spacing)

1250 VA (5 A/250 V AC, module not aligned, 

 5 mm spacing)

750 VA (3 A/250 V AC, module aligned, 

 5 mm spacing)

1250 VA (5 A/250 V AC, module not aligned, 

 5 mm spacing)

Electrical service life

2 x 10

5

 cycles at  ohmic load, 1000 VA

2 x 10

5

 cycles at  ohmic load, 1000 VA

Mechanical service life

Approx. 2x 10

7

 cycles

Approx. 2x 10

7

 cycles

Output fuse

5 A (fast-blow)

5 A (fast-blow)

General data

Supply voltage range

110 V AC ... 500 V AC (see Power modules)

24 V AC ... 240 V AC -15

 

% ... +10

 

%

24 V DC ... 240 V DC (-20 % ... +25 %)

Nominal power consumption

3.5 VA (3 W)

4.5 VA (1.5 W)

Rated insulation voltage

300 V (According to EN 50178)

300 V (According to EN 50178)

Degree of protection

IP40 (housing) / IP20 (connection terminal blocks)

IP40 (housing) / IP20 (connection terminal blocks)

Ambient temperature (operation)

-25 °C ... 55 °C

-25 °C ... 55 °C

Dimensions W/H/D

45 / 90 / 113 mm

22.5 / 90 / 113 mm

Screw connection solid/stranded/AWG

0.5 ... 2.5 mm² / 0.25 ... 2.5 mm² / 20 - 14

0.5 ... 2.5 mm² / 0.25 ... 2.5 mm² / 20 - 14

EMC note

 

Class A product, see page 605

Conformance/Approvals

Conformance

CE-compliant

CE-compliant

UL, USA/Canada

UL applied for

UL/C-UL listed UL 508

Ordering data

Ordering data

Description

Type

Order No.

Pcs./

Pkt.

Type

Order No.

Pcs./

Pkt.

Electronic monitoring relay

EMD-FL-RP-480

2900177

1

EMD-FL-PF-400

2885809

1

Power module,

 plug-in, please order at the same time!

Supply voltage 88 ... 121 V AC

EMD-SL-PS45-110AC

2885281

1

Supply voltage 108 ... 132 V AC

EMD-SL-PS45-120AC

2885744

1

Supply voltage 195 ... 264 V AC

EMD-SL-PS45-230AC

2885294

1

Supply voltage 323 ... 456 V AC

EMD-SL-PS45-400AC

2885304

1

Supply voltage 425 ... 550 V AC

EMD-SL-PS45-500AC

2885317

1

270

PHOENIX CONTACT

Real power monitoring

The real power in single and three-phase 

networks is monitored with the 

EMD-FL-RP-480

 real power monitoring 

relay.
– Monitoring range up to 7.2 kW
– Separately adjustable startup and release 

delays

– Temperature monitoring of the motor 

winding

– Variable supply voltage range
– Detection of switched off loads

Load monitoring (cos φ)

The 

EMD-FL-PF-400

 monitoring relay 

is a cos φ monitor for load monitoring in 
single or three-phase networks.

H

W

D

H

W

D

Monitoring relays

Monitoring

Monitoring and diagnostics

Real power monitoring

Load monitoring (cos 

φ

)

phoenixcontact-interface-technology-and-switching-devices-html.html
background image

T

1

T

2

R

A1

A2

22

12

21

11

24

14

P

O

W

ER

M

ODULE

U

=

24 V DC

24...23

0

V AC

E1

E2

E3

A1 A2

16

26

15

25

1

8

2

8

U

=

23

0

V AC

For further information and full technical data, visit phoenixcontact.net/products

 

 

Housing width 22.5 mm

Housing width 22.5 mm

Technical data

Technical data

Functions

Winding temperature monitoring

Pumping up (minimum monitoring), 

pumping down (maximum monitoring)

Input

Total cold resistance

< 1.5 k

-

Response value

 3.6 k

 (Relay drops out)

-

Release value

 1.8 k

 (Relay picks up)

-

Basic accuracy

± 10 % (of scale end value)

-

Repeat accuracy

 2 %

-

Measuring input

-

Conductive probe, type: SK1, SK2, SK3

Maximum probe voltage

-

16 V AC

Maximum probe current

-

7 mA

Length of probe cable

-

< 1000 m (Line capacity 100 nF/km; set value < 50%)

< 100 m (Line capacity 100 nF/km; set value 100%)

Switching threshold

-

0.25 k

 ... 100 k

 (4 mS ... 1 

μ

S)

Relay output

Contact type

2 floating PDT contacts

2 floating PDT contacts

Switching capacity

750 VA (3 A/250 V AC, module aligned, 

 5 mm spacing)

1250 VA (5 A/250 V AC, module not aligned, 

 5 mm spacing)

750 VA (3 A/250 V AC, module aligned, 

 5 mm spacing)

1250 VA (5 A/250 V AC, module not aligned, 

 5 mm spacing)

Electrical service life

2 x 10

5

 cycles at  ohmic load, 1000 VA

2 x 10

5

 cycles at  ohmic load, 1000 VA

Mechanical service life

Approx. 2x 10

7

 cycles

Approx. 2x 10

7

 cycles

Output fuse

5 A (fast-blow)

5 A (fast-blow)

General data

EMD-SL-LL-230

EMD-SL-LL-110

Supply voltage

230 V AC -15 % ... +15 % AC

110 V AC -10 % ... +15% AC

Supply voltage range

24 V AC ... 230 V AC (see Power modules)

24 V DC (see Power modules)

Nominal power consumption

2 VA (1.5 W)

2 VA (1.5 W)

Degree of protection

IP40 (housing) / IP20 (connection terminal blocks)

IP40 (housing) / IP20 (connection terminal blocks)

Ambient temperature (operation)

-25 °C ... 55 °C

-25 °C ... 55 °C

Dimensions W/H/D

22.5 / 90 / 113 mm

22.5 / 90 / 113 mm

Screw connection solid/stranded/AWG

0.5 ... 2.5 mm² / 0.25 ... 2.5 mm² / 20 - 14

0.5 ... 2.5 mm² / 0.25 ... 2.5 mm² / 20 - 14

EMC note

Class A product, see page 605

 

Conformance/Approvals

Conformance

CE-compliant

CE-compliant

UL, USA/Canada

UL/C-UL listed UL 508

UL/C-UL listed UL 508

Ordering data

Ordering data

Description

Type

Order No.

Pcs./

Pkt.

Type

Order No.

Pcs./

Pkt.

Electronic monitoring relay

EMD-SL-PTC

2866093

1

EMD-SL-LL-230

2885906

1

EMD-SL-LL-110

2901137

1

Power module,

 plug-in, please order at the same time!

Supply voltage 20 ... 30 V DC

EMD-SL-PS- 24DC

2885359

1

Supply voltage 20.2 ... 26.4 V AC

EMD-SL-PS- 24AC

2866103

1

Supply voltage 88 ... 121 V AC

EMD-SL-PS-110AC

2866116

1

Supply voltage 108 ... 132 V AC

EMD-SL-PS-120AC

2885731

1

Supply voltage 195 ... 264 V AC

EMD-SL-PS-230AC

2866129

1

271

PHOENIX CONTACT

The 

EMD-SL-LL-...

 monitoring relay 

monitors the level of electrically conductive 
liquids with the help of conductive probes 
(not supplied as standard).
– Adjustable response delay
– Adjustable via potentiometer on front

H

W

D

H

W

D

Level monitoring

Monitoring

Monitoring and diagnostics

Temperature monitoring 

(motor windings)

Level monitoring

phoenixcontact-interface-technology-and-switching-devices-html.html
background image

A1

t

A

2

1

6

1

8

B

1

1

5

U

 = 

2

4...

2

4

0

V A

C/DC

 

Technical data

Functions

E: With switch-on delay

R: With release delay and control contact

Es: With switch-on delay and control contact

Ws: With single shot leading edge and control contact

Control contact

Connection

Non-floating, terminals A1-B1

Control pulse length

 50 ms (DC)

Relay output

Contact type

1 floating PDT

Switching capacity

1250 VA (5 A/250 V AC)

Mechanical service life

15 x 10

6

 cycles

General data

Supply voltage

24 V DC ... 240 V DC -20

 

% ... +25

 

%

Degree of protection

IP40 (housing) / IP20 (connection terminal blocks)

Ambient temperature range

-25 °C ... 55 °C

Dimensions W/H/D

17.5 / 88 / 65.5 mm

Push-in connection solid/stranded/AWG

0.14 ... 2.5 mm² / 0.14 ... 2.5 mm² / 26 - 14

Screw connection solid/stranded/AWG

0.5 ... 2.5 mm² / 0.5 ... 2.5 mm² / 20 - 14

Conformance/Approvals

Conformance

CE-compliant

UL, USA/Canada

UL 508 Listed

Ordering data

Description

Type

Order No.

Pcs./

Pkt.

Compact time relay,

 multifunctional, with screw connection

ETD-BL-1T-230

2905813

1

Compact time relay,

 multifunctional, with Push-in connection

ETD-BL-1T-230-PT

2905814

1

272

PHOENIX CONTACT

The multifunctional time relay offers 

universal use thanks to a variety of functions 
and various time settings. The rotary 
switches on the front of the housing allow 
easy parameterization. The compact design 
also allows flexible use.

Main features:

– Adjustable  time
– Time range: 50 ms to 1 h
– Non-floating control input
– Delay  functions
– Wiper  functions
– Output: one floating changeover contact
– Clear diagnostics via status LED

Compact time relay

Monitoring

Monitoring and diagnostics

Multifunctional time relay

phoenixcontact-interface-technology-and-switching-devices-html.html
background image

B

1

A

2

(

-

)

A1

(

+

)

1

6

1

8

1

5

t

U

 = 

2

4...

2

4

0

V A

C/DC

For further information and full technical data, visit phoenixcontact.net/products

Technical data

Functions

lp: Switched-mode beginning with the pause

li: Switched-mode beginning with the pulse

Time ranges

Setting range

50 ms ... 100 h (7 time end ranges)

Control contact

Connection

Non-floating, terminals A1-B1

Control pulse length

 50 ms (DC)

Relay output

Contact type

1 floating PDT

Switching capacity

750 VA (3 A/250 V AC, module aligned, 

 5 mm spacing)

1250 VA (5 A/250 V AC, module not aligned, 

 5 mm spacing)

Mechanical service life

Approx. 2x 10

7

 cycles

General data

Supply voltage

24 V DC ... 240 V DC -10 % ... +15 %

Nominal power consumption

2.5 VA (1 W)

Degree of protection

IP40 (housing) / IP20 (connection terminal blocks)

Ambient temperature range

-25 °C ... 55 °C

Dimensions W/H/D

17.5 / 88 / 65.5 mm

Push-in connection solid/stranded/AWG

0.14 ... 2.5 mm² / 0.14 ... 2.5 mm² / 26 - 14

Screw connection solid/stranded/AWG

0.5 ... 2.5 mm² / 0.5 ... 2.5 mm² / 20 - 14

Conformance/Approvals

Conformance

CE-compliant

Ordering data

Description

Type

Order No.

Pcs./

Pkt.

Compact time relay, impulse encoder

- with Push-in connection

ETD-BL-2T-I-230-PT

2907714

1

- with screw connection

ETD-BL-2T-I-230

2907713

1

273

PHOENIX CONTACT

new

As an impulse encoder with adjustable 

times, the ETD-BL-2T-I-230 offers a range 
of flashing functions. The rotary switches 
on the front of the housing allow easy 
parameterization. The compact design also 
allows flexible use.

Main features:

– Two  adjustable  times
– Time ranges: 50 ms to 100 h
– Flashing  function
– Wide-range power supply unit
– Output: two floating changeover contacts
– Clear diagnostics via status LED

Compact time relay

Monitoring

Monitoring and diagnostics

Impulse encoder,

adjustable pulse and pause times

phoenixcontact-interface-technology-and-switching-devices-html.html
background image

t

A1+

A2-

44

42

34

32

24

22

14

12

11

21

31

41

T

t<T

t

U

LED

T

t<T

t

U

LED

T

t<T

U

LED

T

T

t

 

 

 

 

 

Technical data

Input data

Nominal input voltage U

N

24 V DC (AC operation only permitted for RIF-1)

Nominal input voltage range with reference to U

N

0.4 ... 1.2

Input circuit

Varistor , Yellow LED

Output data

Limiting continuous current

 250 mA (Relay coil current)

General data

Mounting position

any

Repeat accuracy

1 %

Ambient temperature (operation)

-25 °C ... 50 °C (RIF-1, AC coil, 2 PDTs at 6 A)

-25 °C ... 50 °C (RIF-1, DC coil, 2 PDTs at 5 A)

-25 °C ... 40 °C (RIF-2, DC coil, 2 PDTs at 8 A)

-25 °C ... 40 °C (RIF-2, DC coil, 4 PDTs at 5 A)

-25 °C ... 40 °C (RIF-3, DC coil, 3 PDTs at 6.75 A)

-25 °C ... 40 °C (RIF-3, DC coil, 2 PDTs at 8 A)

-25 °C ... 35 °C (RIF-4, DC coil, 3 PDTs at 8 A)

-25 °C ... 25 °C (RIF-4, DC coil, 3 N/O contacts at 8 A)

Standards/specifications

DIN EN 50178

Rated insulation voltage

50 V DC

Rated surge voltage

0.4 kV

Ordering data

Description

Type

Order No.

Pcs./

Pkt.

Timer module

, for mounting on RIF-1 to RIF-4, with LED status 

indicator for extending a relay module to create a time relay with an 

input voltage of 24 V AC/DC

RIF-T3-24UC

2902647

1

274

PHOENIX CONTACT

Plug-in timer module for RIF-1, RIF-2, 
RIF-3, and RIF-4

Monitoring

Monitoring and diagnostics

Timer module for RIF-1 to RIF-4 relay modules 

for 12 to 24 V AC/DC input voltage

With switch-on delay

Passing make contact

Pulse generator

The multifunctional plug-in timer module 

transforms a relay module into a time relay. 
RIF-1 to RIF-4 bases can be equipped with 
this module. Using DIP switches, three time 
functions and four time ranges can be 
selected. Detailed time settings are made 
using a potentiometer. Relays can be 
operated with an input voltage of 
12 or 24 V AC/DC.

The time functions:

– With switch-on delay
– With passing make contact
– Pulse  generator

Time ranges:

– 0.5  to  10  s
– 5 to 100 s
– 0.5  to  10  min
– 5 to 100 min

phoenixcontact-interface-technology-and-switching-devices-html.html
background image

For further information and full technical data, visit phoenixcontact.net/products

275

PHOENIX CONTACT

Monitoring

Monitoring and diagnostics

phoenixcontact-interface-technology-and-switching-devices-html.html
background image

L

1

24

V D

C

N

A2-

A1+

14
12

11

B

1

+ –

1

2

L

1

24

V D

C

N

A2-

A1+

14
12

11

B

1

+ –

1

2

A1 +

t

A2 –

12

14

11

U

=

24 V DC

 

 

Ex: 

Technical data

Functions

ON: With switch-on delay

ON-CC: With switch-on delay with control contact

OFF-CC: Off delay with control contact

F: Flashing begin

Control contact

Connection

-

Control pulse length

min. 50 ms

Relay output

Contact type

1 floating PDT

Switching capacity

1500 VA (6 A / 250 V AC)

1500 VA (6 A / 250 V AC)

1500 VA (6 A / 250 V AC)

1500 VA (6 A / 250 V AC)

Mechanical service life

Approx. 2x 10

7

 cycles

General data

Supply voltage

24 V DC (19.2 V DC ... 30 V DC)

24 V DC (19.2 V DC ... 30 V DC)

24 V DC (1

Typical nominal current

15 mA (Relay ON)

7 mA (Relay OFF)

Impulse withstand voltage

6 kV (According to EN 50178)

6 kV (According to EN 50178)

6 kV (According to EN 50178)

6 kV (According to

Degree of protection

IP20

Ambient temperature range

-20 °C ... 65 °C

Dimensions W/H/D

6.2 / 80 / 86 mm

Screw connection solid/stranded/AWG

0.14 ... 2.5 mm² / 0.14 ... 2.5 mm² / 30 - 12

0.14 ... 2.5 mm² / 0.14 ... 2.5 mm² / 30 - 12

0.

Push-in connection solid/stranded/AWG

0.14 ... 2.5 mm² / 0.14 ... 2.5 mm² / 26 - 14

0.14 ... 2.5 mm² / 0.14 ... 2.5 mm² / 26 - 14

Conformance/Approvals

Conformance

CE-compliant

ATEX

 II 3 G Ex nA nC IIC T4 Gc X

UL, USA/Canada

UL/C-UL listed UL 508

UL/C-UL listed UL 508

UL/C-UL listed UL 508

UL/C-UL listed UL 508

Ordering data

Description

Type

Order No.

Pcs./

Pkt.

Compact time relay,

 with screw connection

Time range 0.1...10 s

ETD-BL-1T-ON- 10S

2917379

1

Time range 3...300 s

ETD-BL-1T-ON-300S

2917382

1

Time range 0.3...30 min

ETD-BL-1T-ON- 30MIN

2917395

1

Time range 3...300 min

ETD-BL-1T-ON-300MIN

2917405

1

Compact time relay

, with Push-in connection

Time range 0.1...10 s

ETD-BL-1T-ON- 10S-PT

2901476

1

Time range 3...300 s

ETD-BL-1T-ON-300S-PT

2901477

1

Time range 0.3...30 min

ETD-BL-1T-ON- 30MIN-PT

2901478

1

Time range 3...300 min

ETD-BL-1T-ON-300MIN-PT

2901479

1

276

PHOENIX CONTACT

Ultra-narrow time relays

The 

ETD-BL-1T-...

 ultra-narrow time 

relays show their strengths in applications 
that involve set parameters for functionality 
and time range.

– Purposeful device selection: one function, 

one time range

– High level of setting accuracy thanks to 

labeled and illuminated thumb wheel

– Overall width of just 6.2 mm

Conveyor belt 2 stars with a time delay

Conveyor belt 1 starts immediately

Monitoring

Monitoring and diagnostics

D W

H

Time relay with switch-on delay,

voltage controlled

phoenixcontact-interface-technology-and-switching-devices-html.html
background image

A1 +

t

A2 –

12

14

B

1

11

U

=

24 V DC

A1 +

t

A2 –

12

14

B

1

11

U

=

24 V DC

A1 +

t

A2 –

12

14

11

U

=

24 V DC

For further information and full technical data, visit phoenixcontact.net/products

 

 

Ex: 

 

 

Ex: 

 

 

Ex: 

Technical data

Technical data

Technical data

ON: With switch-on delay

ON-CC: With switch-on delay with control contact

OFF-CC: Off delay with control contact

F: Flashing beginning with pulse

Non-floating, terminals A1-B1

Non-floating, terminals A1-B1

-

min. 50 ms

min. 50 ms

min. 50 ms

1 floating PDT

1 floating PDT

1 floating PDT

Switching capacity

1500 VA (6 A / 250 V AC)

1500 VA (6 A / 250 V AC)

1500 VA (6 A / 250 V AC)

1500 VA (6 A / 250 V AC)

Approx. 2x 10

7

 cycles

Approx. 2x 10

7

 cycles

Approx. 2x 10

7

 cycles

)

24 V DC (19.2 V DC ... 30 V DC)

24 V DC (19.2 V DC ... 30 V DC)

24 V DC (19.2 V DC ... 30 V DC)

15 mA (Relay ON)

7 mA (Relay OFF)

15 mA (Relay ON)

7 mA (Relay OFF)

15 mA (Relay ON)

7 mA (Relay OFF)

Impulse withstand voltage

6 kV (According to EN 50178)

6 kV (According to EN 50178)

6 kV (According to EN 50178)

6 kV (According to EN 50178)

IP20

IP20

IP20

-20 °C ... 65 °C

-20 °C ... 65 °C

-20 °C ... 65 °C

6.2 / 80 / 86 mm

6.2 / 80 / 86 mm

6.2 / 80 / 86 mm

Screw connection solid/stranded/AWG

0.14 ... 2.5 mm² / 0.14 ... 2.5 mm² / 30 - 12

0.14 ... 2.5 mm² / 0.14 ... 2.5 mm² / 30 - 12

0.14 ... 2.5 mm² / 0.14 ... 2.5 mm² / 30 - 12

0.14 ... 2.5 mm² / 0.14 ... 2.5 mm² / 30 - 12

Push-in connection solid/stranded/AWG

0.14 ... 2.5 mm² / 0.14 ... 2.5 mm² / 26 - 14

0.14 ... 2.5 mm² / 0.14 ... 2.5 mm² / 26 - 14

0.14 ... 2.5 mm² / 0.14 ... 2.5 mm² / 26 - 14

0.14 ... 2.5 mm² / 0.14 ... 2.5 mm² / 26 - 14

CE-compliant

CE-compliant

CE-compliant

 II 3 G Ex nA nC IIC T4 Gc X

 II 3 G Ex nA nC IIC T4 Gc X

 II 3 G Ex nA nC IIC T4 Gc X

UL, USA/Canada

UL/C-UL listed UL 508

UL/C-UL listed UL 508

UL/C-UL listed UL 508

UL/C-UL listed UL 508

Ordering data

Ordering data

Ordering data

Type

Order No.

Pcs./

Pkt.

Type

Order No.

Pcs./

Pkt.

Type

Order No.

Pcs./

Pkt.

ETD-BL-1T-ON-CC- 10S

2917418

1

ETD-BL-1T-OFF-CC- 10S

2917450

1

ETD-BL-1T-F- 10S

2917492

1

ETD-BL-1T-ON-CC-300S

2917421

1

ETD-BL-1T-OFF-CC-300S

2917463

1

ETD-BL-1T-F-300S

2917502

1

ETD-BL-1T-ON-CC- 30MIN

2917434

1

ETD-BL-1T-OFF-CC- 30MIN

2917467

1

ETD-BL-1T-F- 30MIN

2917515

1

ETD-BL-1T-ON-CC-300MIN

2917447

1

ETD-BL-1T-OFF-CC-300MIN

2917489

1

ETD-BL-1T-F-300MIN

2917528

1

ETD-BL-1T-ON-CC- 10S-PT

2901480

1

ETD-BL-1T-OFF-CC- 10S-PT

2901485

1

ETD-BL-1T-F- 10S-PT

2901489

1

ETD-BL-1T-ON-CC-300S-PT

2901481

1

ETD-BL-1T-OFF-CC-300S-PT

2901486

1

ETD-BL-1T-F-300S-PT

2901490

1

ETD-BL-1T-ON-CC- 30MIN-PT

2901483

1

ETD-BL-1T-OFF-CC- 30MIN-PT

2901487

1

ETD-BL-1T-F- 30MIN-PT

2901491

1

ETD-BL-1T-ON-CC-300MIN-PT

2901484

1

ETD-BL-1T-OFF-CC-300MIN-PT

2901488

1

ETD-BL-1T-F-300MIN-PT

2901492

1

277

PHOENIX CONTACT

Monitoring

Monitoring and diagnostics

D W

H

D W

H

D W

H

Time relay with switch-on delay,

with control contact

Time relay with off delay,

with control contact

Time relay with flashing indic. function,

beginning with the pulse

phoenixcontact-interface-technology-and-switching-devices-html.html
background image

A1

25

16 18

Y2

26

WATCHDOG

25

28

Y1

A2

T<T

1

T T

1

>

A1

25

16 18

Y2

26

WATCHDOG

25

28

Y1

A2

T<T1

A1

t

A2

Y1

16

26

1

8

2

8

Y2

Z

2

Z

1

15

25

U

=

24...24

0

V AC/DC

 

Housing width 22.5 mm

Housing width 22.5 mm

Housing width 22.5 mm

Technical data

Functions

lp: Switched-mode beginning with the pause

li: Switched-mode beginning with the pulse

ER: With switch-on and release delay with control contact

EWu: With switch-on delay and single shot leading edge, voltage 

controlled

EWs: With switch-on delay and single shot leading edge with 

control contact

WsWa: With single shot leading edge and single shot trailing edge 

with control contact

Wt: Pulse sequence evaluation (retriggerable release delay)

Time ranges

Setting range

50 ms ... 10 h (10 time end ranges)

50 ms ... 100 h (7 time end ranges)

50 ms ... 100 h (7 time end ranges)

Control contact

Connection

Floating, basic isolation between connection and 

input/output/bridge Y1-Y2

Load capacity

Cannot carry load

Cable length

< 10 m

Control pulse length

min. 50 ms (Only with Wt function: > 7 ms)

min. 70 ms

-

Relay output

Contact type

2 floating PDT contacts

2 floating PDT contacts

2 floating PDT contacts

Switching capacity

750 VA (3 A/250 V AC, module aligned, 

 5 mm spacing)

1250 VA (5 A/250 V AC, module not aligned, 

 5 mm spacing)

Mechanical service life

Approx. 2x 10

7

 cycles

General data

Supply voltage

24 V DC ... 240 V DC -20

 

% ... +25

 

%

24 V AC ... 240 V AC -15

 

% ... +10

 

%

Nominal power consumption

2.5 VA (1 W)

Degree of protection

IP40 (housing) / IP20 (connection terminal blocks)

IP40 (housing) / IP20 (connection terminal blocks)

IP40 (h

Ambient temperature range

-25 °C ... 55 °C

Housing material

Polyamide PA, self-extinguishing

Polyamide PA, self-extinguishing

Polyamide PA, self-extinguishing

Dimensions W/H/D

22.5 / 90 / 113 mm

Screw connection solid/stranded/AWG

0.5 ... 2.5 mm² / 0.5 ... 2.5 mm² / 20 - 14

0.5 ... 2.5 mm² / 0.5 ... 2.5 mm² / 20 - 14

0.5 ..

EMC note

Class A product, see page 605

Class A product, see page 605

Class A product, see page 605

Conformance/Approvals

Conformance

CE-compliant

UL, USA/Canada

UL/C-UL listed UL 508

UL/C-UL listed UL 508

UL/C-UL listed UL 508

Ordering data

Description

Type

Order No.

Pcs./

Pkt.

Electronic time relay

 with adjustable functions and times

ETD-FL-2T-DTI

2866187

1

278

PHOENIX CONTACT

Multifunctional time relays

The full range of conventional applications 

can be accommodated by the three versions 
of the 

ETD

 multifunctional time relay.

– Suitable for universal use thanks to varied 

functions and selectable time ranges

– Time ranges from a few milliseconds to 

several days

– Variable supply voltage range
– 2 floating PDT outputs

Message for incorrect pulse

Function: Pulse sequence evaluation

Monitoring

Monitoring and diagnostics

H

W

D

Multifunctional time relay,

two adjustable times

phoenixcontact-interface-technology-and-switching-devices-html.html
background image

A1

t

A2

16

26

1

8

2

8

B

1

15

25

U

=

24...24

0

V AC/DC

A1

t

A2

16

26

1

8

2

8

15

25

U

=

24...24

0

V AC/DC

For further information and full technical data, visit phoenixcontact.net/products

 

 

Housing width 22.5 mm

Housing width 22.5 mm

Housing width 22.5 mm

Technical data

Technical data

E: With switch-on delay

R: With release delay and control contact

Es: With switch-on delay and control contact

Wu: With single shot leading edge, voltage controlled

Ws: With single shot leading edge and control contact

Wa: With single shot trailing edge and control contact

Bi: Flashing beginning with pulse

Bp: Flashing beginning with pause

lp: Switched-mode beginning with the pause

li: Switched-mode beginning with the pulse

Setting range

50 ms ... 10 h (10 time end ranges)

50 ms ... 100 h (7 time end ranges)

50 ms ... 100 h (7 time end ranges)

Non-floating, terminals A1-B1

-

Parallel switched minimum load current 1 VA (0.5 W), terminals A2-B1

-

< 10 m

-

Control pulse length

min. 50 ms (Only with Wt function: > 7 ms)

min. 70 ms

-

Contact type

2 floating PDT contacts

2 floating PDT contacts

2 floating PDT contacts

750 VA (3 A/250 V AC, module aligned, 

 5 mm spacing)

1250 VA (5 A/250 V AC, module not aligned, 

 5 mm spacing)

750 VA (3 A/250 V AC, module aligned, 

 5 mm spacing)

1250 VA (5 A/250 V AC, module not aligned, 

 5 mm spacing)

Approx. 2x 10

7

 cycles

Approx. 2x 10

7

 cycles

24 V DC ... 240 V DC -20

 

% ... +25

 

%

24 V AC ... 240 V AC -15

 

% ... +10

 

%

24 V DC ... 240 V DC -20

 

% ... +25

 

%

24 V AC ... 240 V AC -15

 

% ... +10

 

%

2.5 VA (1 W)

2.5 VA (1 W)

Degree of protection

IP40 (housing) / IP20 (connection terminal blocks)

IP40 (housing) / IP20 (connection terminal blocks)

IP40 (housing) / IP20 (connection terminal blocks)

-25 °C ... 55 °C

-25 °C ... 55 °C

Housing material

Polyamide PA, self-extinguishing

Polyamide PA, self-extinguishing

Polyamide PA, self-extinguishing

22.5 / 90 / 113 mm

22.5 / 90 / 113 mm

Screw connection solid/stranded/AWG

0.5 ... 2.5 mm² / 0.5 ... 2.5 mm² / 20 - 14

0.5 ... 2.5 mm² / 0.5 ... 2.5 mm² / 20 - 14

0.5 ... 2.5 mm² / 0.5 ... 2.5 mm² / 20 - 14

EMC note

Class A product, see page 605

Class A product, see page 605

Class A product, see page 605

CE-compliant

CE-compliant

UL, USA/Canada

UL/C-UL listed UL 508

UL/C-UL listed UL 508

UL/C-UL listed UL 508

Ordering data

Ordering data

Type

Order No.

Pcs./

Pkt.

Type

Order No.

Pcs./

Pkt.

ETD-SL-1T-DTF

2866161

1

ETD-SL-2T-I

2866174

1

279

PHOENIX CONTACT

Monitoring

Monitoring and diagnostics

H

W

D

H

W

D

Multifunctional time relay,

one adjustable time

Impulse encoder,

adjustable pulse and pause times

phoenixcontact-interface-technology-and-switching-devices-html.html
background image

7

5

3

1

8

6

4

2

7

5

3

1

8

6

4

2

Technical data

Technical data

Diodes

4E / 8E / 17E / 7P / 7M

14P / 14M / 32P / 32M

4E-... / 4P-... / 4M-... / 8E-...

8P-... / 8M-...

Max. operating voltage U

max

250 V AC

250 V AC

250 V AC

250 V AC

Peak reverse voltage per diode

1300 V

1300 V

1000 V

1000 V

Reverse current per diode

5 µA

5 µA

10 µA

10 µA

Conducting state voltage per diode

approx. 0.8 V

approx. 0.8 V

approx. 0.8 V

approx. 0.8 V

Conducting state current per diode

with single load

0.7 A

0.7 A

1.5 A

1.5 A

with simultaneous loads

0.5 A

0.2 A

1 A

0.3 A

General data

Ambient temperature range

-20 °C ... 50 °C

-20 °C ... 50 °C

Rated insulation voltage

300 V (According to EN 50178)

Degree of pollution / Overvoltage category

III, basic insulation (as per EN 50178)

III, basic insulation (as per EN 50178)

Degree of pollution / Overvoltage category

2 (according to EN 50178)

2 (according to EN 50178)

Mounting position

any

any

Mounting

In rows with zero spacing

In rows with zero spacing

Dimensions H / D

75 / 55 mm

75 / 55 mm

Screw connection solid/stranded/AWG

0.2 ... 4 mm² / 0.2 ... 2.5 mm² / 24 - 12

0.2 ... 4 mm² / 0.2 ... 2.5 mm² / 24 - 12

Conformance/Approvals

Conformance

CE-compliant

CE-compliant

Ordering data

Ordering data

Description

Housing width

Type

Order No.

Pcs./

Pkt.

Type

Order No.

Pcs./

Pkt.

Diode module,

 can be individually wired

4 diodes

22.5 mm

EMG 22-DIO 4E

2950048

10

EMG 22-DIO 4E-1N5408

2952790

10

8 diodes

45 mm

EMG 45-DIO 8E

2950103

5

EMG 45-DIO 8E-1N5408

2949389

5

17 diodes

90 mm

EMG 90-DIO 17E

2954895

5

Diode module

, with P polarity (common cathode)

4 diodes

22.5 mm

EMG 22-DIO 4P-1N5408

2952198

10

7 diodes

22.5 mm

EMG 22-DIO 7P

2950064

10

8 diodes

45 mm

EMG 45-DIO 8P-1N5408

2954879

5

14 diodes

45 mm

EMG 45-DIO14P

2950116

5

32 diodes

90 mm

EMG 90-DIO 32P

2954918

5

Diode module,

 with M polarity (common anode)

4 diodes

22.5 mm

EMG 22-DIO 4M-1N5408

2952211

10

7 diodes

22.5 mm

EMG 22-DIO 7M

2950077

10

8 diodes

45 mm

EMG 45-DIO 8M-1N5408

2954882

5

14 diodes

45 mm

EMG 45-DIO14M

2950129

5

32 diodes

90 mm

EMG 90-DIO 32M

2954934

5

Accessories

Accessories

Equipment marker

EMG-GKS 12

2947035

50

EMG-GKS 12

2947035

50

280

PHOENIX CONTACT

Diode module

Diode circuits perform various tasks in 

electrical control systems, particularly in 
electronic ones:
– Electrical decoupling of messages in fault 

signaling systems

– Spark-suppression diodes for limiting 

surge voltages of inductive loads, 
(solenoid valves, DC relays or similar)

– Can be supplied as “diode gates” 

combined with anode or cathode or as 
freely assignable diodes

Notes:

Further circuit diagrams can be found in the data sheet at 

phoenixcontact.net/products.

D W

H

D W

H

Monitoring

Monitoring and diagnostics

with diode type 1 N 4007

with diode type 1 N 5408

phoenixcontact-interface-technology-and-switching-devices-html.html
background image

1

0

7

4

1

11

8

5

2

12

9

6

3

3

2

4

1

7

6

0

5

For further information and full technical data, visit phoenixcontact.net/products

Technical data

Technical data

Diodes

8E/16E

14M/32M

LA 7S

LED 7S/LED 14S

Max. operating voltage U

max

250 V AC

250 V AC

Peak reverse voltage per diode

1300 V

1300 V

Reverse current per diode

 5 µA

 5 µA

Conducting state voltage per diode

approx. 0.8 V

approx. 0.8 V

Conducting state current per diode

with single load

0.7 A

0.7 A

with simultaneous loads

0.4 A

0.2 A

Input

Current required per light indicator

approx. 1 mA

approx. 3 mA

General data

Ambient temperature range

-20 °C ... 50 °C

-20 °C ... 45 °C

Rated insulation voltage

300 V (According to EN 50178)

Degree of pollution / Overvoltage category

III, basic insulation (as per EN 50178)

III, basic insulation (as per EN 50178)

Degree of pollution / Overvoltage category

2 (according to EN 50178)

2 (according to EN 50178)

Mounting position

any

any

Mounting

In rows with zero spacing

In rows with zero spacing

Dimensions H / D

75 / 55 mm

75 / 47.5 mm

Screw connection solid/stranded/AWG

0.2 ... 4 mm² / 0.2 ... 2.5 mm² / 24 - 12

0.2 ... 4 mm² / 0.2 ... 2.5 mm² / 24 - 12

Conformance/Approvals

Conformance

CE-compliant

CE-compliant

Ordering data

Ordering data

Description

Housing width

Type

Order No.

Pcs./

Pkt.

Type

Order No.

Pcs./

Pkt.

Lamp testing module,

 for individual wiring

4-pair

45 mm

EMG 45-DIO 8E/LP

2954798

5

8-pair

90 mm

EMG 90-DIO 16E/LP

2954808

5

Lamp testing module,

 with common control

7-pair

45 mm

EMG 45-DIO14M/LP

2950132

5

16-pair

90 mm

EMG 90-DIO 32M/LP

2954785

5

Light indicator module,

 110 ... 230 V AC input voltage

7 glow lamps

22.5 mm

EMG 22-LA  7S/230

2949677

10

Light indicator module,

 24 V DC input voltage

7 LEDs

22.5 mm

EMG 22-LED  7S/24

2952305

10

14 LEDs

45 mm

EMG 45-LED 14S/24

2952334

5

Accessories

Accessories

Equipment marker

EMG-GKS 12

2947035

50

EMG-GKS 12

2947035

50

281

PHOENIX CONTACT

Lamp testing modules

Lamp testing modules for checking lamps 

that are installed and ready for operation:
– Individual checking of separate lamps 

(EMG...-E/LP)

– Centrally controlled checking of lamps 

(EMG...-M/LP)

Display modules

– Light indicator modules facilitate the 

monitoring of processes on electronic 
control systems during troubleshooting

Notes:

Further circuit diagrams can be found in the data sheet at 

phoenixcontact.net/products.

D W

H

D W

H

Monitoring

Monitoring and diagnostics

Lamp testing module,

groups of 2 diodes with common cathode

Light indicator module, 

with common return line

phoenixcontact-interface-technology-and-switching-devices-html.html
background image

282

PHOENIX CONTACT

phoenixcontact-interface-technology-and-switching-devices-html.html
background image

 

Product range overview

 

 

 

Product overview

 284

 

 

Basics of relay technology

 286

 

 

Basics of solid-state relay technology

 290

 

 

Sensor/actuator configuration aids and
handling of interference signals

 292

 

 

Industrial relay system - RIFLINE complete

 294

 

 

Highly compact relay modules - PLC-INTERFACE

 368

 

 

Programmable logic relay system - PLC logic

 426

 

 

Relay modules in terminal block design - DEK series

 436

 

 

Special relay and solid-state relay modules

 442

 

 

Relay modules with force-guided contacts

 456

 

 

Relay modules for potentially explosive areas (Zone 2)

 458

 

283

PHOENIX CONTACT

The importance of the reliability of 

industrial automation equipment is growing 
with the increase in use of electronic 
modules.

Modern relays or solid-state relay 

interfaces perform a wide range of tasks. 
No matter what the field – production 
technology, electrical equipment for 
machines, control engineering for power 
distribution, building automation, or 
process engineering – the aim is to ensure 
signal exchange between process 
peripherals and the higher-level central 
control systems. And this exchange must be 
reliable, floating, and electrically 
unambiguous. Safe electrical interface 
modules that meet the requirements of 
modern system concepts must include the 
following features:
– Coupling of different signal levels
– Safe electrical isolation between input and 

output

– High resistance to interference

In practice, a relay interface is used in 

applications that require a flexible interface 
configuration with a large switching capacity 
range and the possibility of combining 
different types of contact. Further 
important features of relay interfaces are:
– Electrical isolation between open 

contacts

– Switching of independent switching 

current types

– High short-term overload resistance in 

the event of a short circuit or voltage 
peaks

– Practically impervious to electromagnetic 

fields

– Easy handling

Solid-state relay modules are used when 

an interface between the process 
peripherals and electronics is subject to the 
following requirements:
– Low control power
– High switching frequencies
– Wear-resistant and bounce-free switching
– Resistance to vibrations and shocks
– Long  service  life

Relay modules

phoenixcontact-interface-technology-and-switching-devices-html.html
background image

RIFLINE complete

RIF-0

 for relays and solid-state relays

 

Page 296

RIF-1

 for relays and solid-state relays

 

Page 302

RIF-2

 for industrial relays

 

Page 312

RIF-3

 for octal relays

 

Page 318

PLC-INTERFACE

With relay/solid-state relay

 

Page 372

As sensor/actuator version

 

Page 378

For high inrush/continuous currents

 

Page 386

Resistant to interference currents/voltages

 

Page 388

With switch

 

Page 404

For railway applications

 

Page 415

For NAMUR initiators

 

Page 420

Types of electronics

 

Page 421

DEK series

With miniature relay

 

Page 437

Actuator series with miniature relays

 

Page 439

Sensor series with miniature relays

 

Page 439

With solid-state relay

 

Page 440

Relay modules with 
force-guided contacts

Relay modules for potentially 
explosive areas (Zone 2)

Relay modules with force-guided contacts

Page 456

Relay modules for potentially explosive 

areas (Zone 2)

Page 458

 

 

284

PHOENIX CONTACT

Relay modules

Product overview

phoenixcontact-interface-technology-and-switching-devices-html.html
background image

For further information and full technical data, visit phoenixcontact.net/products

 

RIF-4

 for high-power relays

 

Page 324

Accessories

 

Page 330

PLC logic

Programmable logic relay system - PLC logic

 

Page 426

 

 

 

 

 

 

Special relay and solid-state relay modules

 
 

Relay terminal blocks with switch

 

Page 443

Interference-free relays and 

solid-state relays

Page 444

Relays for switching lamp loads

 

Page 447

Solid-state power relays with 

400 V AC/3 A output

Page 448

Safety devices

Monitoring relays

Time relays

Safety devices

See Catalog 6

 

Monitoring relays

 

Page 262

Time relays

 

Page 276

 

285

PHOENIX CONTACT

Relay modules

Product overview

phoenixcontact-interface-technology-and-switching-devices-html.html
background image

In the case of a pure DC input, the most 

important addition to the circuit is a 
freewheeling diode. This limits the voltages 
induced on the coil on circuit interruption 
to a value of approximately 0.7 V, which 
does not pose a danger to any connected 
control electronics. 

As the freewheeling diode can only 

perform its required function if the polarity 
of the voltage connection is correct, a 
polarity protection diode is also integrated 
into the input circuit.

To allow DC or AC voltage operation, a 

bridge rectifier is connected in the input 
circuit. The diodes are simultaneously 
responsible for performing rectification, 
freewheeling, and polarity reversal 
protection functions. The interrupting 
voltage of the coil is limited to 
approximately 1.4 V.

To protect the input circuit against 

overvoltages, a varistor is also connected 
(depending on the type) upstream of the 
bridge rectifier. 

Basic structure of a relay with AC input

Basic structure of a relay with DC input

Basic structure of a relay with AC/DC input

General information 

Electromechanical relays are used as 

interface modules between the process I/O 
devices, on the one hand, and the open-
loop/closed-loop control and signaling 
equipment, on the other, for level and 
power adjustment purposes. 

Essentially, electromechanical relays can 

be divided into two main groups: 
monostable and bistable relays. 

With monostable DC or AC relays, the 

contacts automatically return to the release 
state as soon as they are de-energized. 

In the case of bistable relays, the contacts 

remain in their present switch position 
when the excitation current is switched off.

The documented relay data is based on 

test conditions and design criteria according 
to IEC 61810. Data may vary or be limited 
when mounting relays on DIN rail bases or 
on PCBs. Numerous parameters, such as:
– Operating  time 
– Load  current 
– Input voltage
– Dense mounting arrangement
– Heat dissipation into the environment 

and the layout for PCB applications 
ultimately determine the data for the 
overall arrangement.
The Phoenix Contact supply range 

features numerous ready-mounted relay 
combinations and base combinations, 
including some with additional input plug-in 
modules. These are tested under worst 
case conditions. The documented data then 
applies to the combinations.

Coil side 

Input circuits and voltage types 

There are various kinds of input circuit 

depending on the type of relay used and the 
nature of the control voltage. 

If pure AC relays are used (AC input), the 

input circuit is generally nothing more than 
a visual switching status indicator.

Unless otherwise specified, the frequency 

of the control voltage is 50/60 Hz.

Bistable latching relays with a double 

winding are only ever operated with 
DC voltage. 

With these types of relay, there are three 

coil connections on the coil side. In addition 
to the common connection, there are 
separate connections for “setting” and 
“resetting”; these are controlled by short 
pulses only. As a result, the relays hardly 
heat up at all. Simultaneous control of both 
control inputs is not permitted.

A distinction is made between negative 

switching (M) and positive switching (P) 
types, depending on the polarity of the 
freewheeling and polarity protection 
diodes.

Basic structure of a bistable relay, negative switching type

Basic structure of a bistable relay, positive switching type 

I: Maximum permissible voltage with 100% 

operating time (OT) and compliance 
with the coil temperature limit 

II: Minimum response voltage 

Basic curve of a relay operating voltage

Interference voltages and 
interference currents on the coil side 

When inductive or capacitive interference 

voltages are coupled into the long supply 
lines of a relay, this can prevent the relay 
from operating safely. 

If the coupled-in voltage exceeds the 

release voltage required by the IEC 61810-1 
“relay standard”, in extreme cases the relay 
may fail to release. In the case of DC relays, 

Operating voltage range 

The ambient temperature prevailing at 

the location of use has a major impact on 
certain relay operating parameters. 

As the ambient temperature increases, 

the coil winding heats up, causing the 
operate and release voltages to rise. At the 
same time, the maximum permissible coil 
voltage decreases, which means that the 
usable working range becomes restricted as 
a result. 

The diagram below illustrates how the 

operating voltage behaves as a function of 
the ambient temperature. 

Ambient temperature in °C

Ope

ra

tin

g v

o

lta

g

e

286

PHOENIX CONTACT

Relay modules

Basics of relay technology

phoenixcontact-interface-technology-and-switching-devices-html.html
background image

For further information and full technical data, visit phoenixcontact.net/products

External RC interference suppressor to prevent interference 

voltage coupling

The following values are recommended 

for the purpose of dimensioning the RC 
element: 
– R = 100 to 220 

– C = 220 to 470 nF

The SO46 series has been developed to 

provide even higher levels of immunity to 
interference. These products already 
contain an integrated RCZ filter. See, for 
example, PLC...SO46.

Contact side, contact materials 

Given the wide variety of potential 

applications in the different industrial 
sectors, the relays used must be matched to 
the various tasks that need to be performed 
by selecting the right kind of contact 
material. 

The voltage, current, and power values 

play an important role when determining 
the suitability of contact materials. Other 
criteria include: 
– Contact resistance
– Erosion resistance
– Material migration
– Welding  tendency
– Chemical influences 

In this way, the various contact materials 

(generally noble metal alloys) can be 
matched to the relevant areas of 
application. 

The adjacent table provides details of 

some of the key materials.

Contact protection circuit 

Every electrical consumer constitutes a 

mixed load with ohmic, capacitive, and 
inductive components. 

When these loads are switched, the 

switching contact is in turn subjected to a 
load, to either a lesser or greater extent. 
This load can be reduced by including a 
suitable contact protection circuit. 

In view of the fact that consumers with a 

large inductive component are 
predominantly used in practice (e.g., 
contactors, solenoid valves, motors, etc.), 
these application scenarios are worth 
considering in more detail. 

On interruption, voltage peaks with 

values of up to several thousand volts occur 
due to the energy stored in the coil. 

These high voltages cause an electric arc 

on the switching contact which can destroy 
the contact due to material vaporization 
and material migration. The electrical 
service life is reduced considerably as a 
result. In extreme cases, the relay may fail in 
the very first switching cycle with DC 
voltage and a static electric arc. 

A protective circuit must be used to 

suppress the formation of an electric arc. 
With optimum dimensioning, almost the 
same number of switching cycles can be 
achieved as with an ohmic load. 

Contact material

Typical properties 

Typical applications

Guide values 

for the area of 

application*

Gold Au

Largely insensitive to industrial atmospheres, low 

and constant contact resistances in the range of 

small switching capacities with nickel (AuNi) or silver 

(AuAg) alloys.

Dry measuring and switching 

circuits, control inputs

A ... 0.2 A

V ... 30 V

Silver Ag

High electrical conductivity, sensitive to sulfur, 

therefore often gold-flashed (approximately. 0.2

m) 

as protection; nickel (AgNi) or copper (AgCu) alloys 

increase the mechanical resistance and erosion 

resistance and reduce the welding tendency.

Universal, suitable for medium 

loads; nickel alloys (AgNi 0.15) 

for DC circuits with medium to 

large loads

 12 V

 10 mA

Silver, hard gold-

plated Ag + Au

Properties similar to gold Au, when switching loads 

> 30 V/0.2 A, the hard gold plating (5 - 10

m) is 

destroyed and the values and properties of the Ag 

contact are applicable. However, a reduction in the 

service life is then to be expected. 

Suitable for control inputs and 

other small loads.

 100 mV

 1 mA

Tungsten W

Highest melting point, very high erosion resistance, 

greater contact resistances, very low welding 

tendency, susceptible to corrosion, often used as 

lead contact.

Loads with very high inrush 

currents, e.g., glow lamps, 

fluorescent lamps.

 60 V

 1 A

Silver nickel 

AgNi

High erosion resistance, low welding tendency, 

higher contact resistances than with pure silver.

Universal, suitable for medium to 

high loads, DC circuits, and 

inductive loads.

 12 V

 10 mA

Silver nickel 

AgNi + Au

Properties similar to gold Au, when switching loads 

> 30 V/0.2 A, the hard gold plating (5 - 10 

m) is 

destroyed and the values and properties of the AgNi 

contact are applicable. However, a reduction in the 

service life is then to be expected. 

Suitable for control inputs and 

other small loads.

 100 mV

 1 mA

Silver tin oxide 

AgSnO

Low welding tendency, very high erosion resistance 

for high switching capacities, low material migration

Application depends heavily on 

the relay type, switching circuits 

with high make and break loads, 

e.g., glow lamps and fluorescent 

lamps, AC and DC circuits. Due to 

different alloys and production 

procedures, partly also suitable 

for smaller loads.

 12 V

 100 mA

(

 10 mA)

Silver tin oxide, 

hard gold-plated 

AgSnO + Au

Properties similar to gold Au, when switching loads 

> 30 V/0.2 A the hard gold plating (5 - 10 

m) is 

destroyed and the values and properties of the 

AgSnO contact are applicable. However, a reduction 

in the service life is then to be expected. 

Suitable for control inputs and 

other small loads.

 100 mV

 1 mA

* Values depend on the relay used and on further operating conditions.

U

IN

T

E

RF

this release voltage is 

0.05 x U

N

 and for 

purely AC relays, it is 

0.15 x U

N

The same disturbances can occur when a 

relay with a low input power is controlled 
by an electronics module with an AC 
voltage output featuring an RC circuit. The 
typical leakage current from RC elements of 
this kind (generally in the region of several 
mA) provides sufficient control power to 
prevent the downstream relay from 
releasing or even enough power to excite it. 

The disturbance level of any interference 

voltages that are present can be reduced by 
connecting an RC element in parallel to the 
relay coil. This measure also subjects the 
interference voltage to a capacitive load, 
causing it to collapse. 

287

PHOENIX CONTACT

Relay modules

Basics of relay technology

phoenixcontact-interface-technology-and-switching-devices-html.html
background image

Load wiring

Additional 

dropout 

delay

Defined 

induction voltage 

limitation

Effective 

bipolar 

attenuation

Advantages and disadvantages

Diode

Large

Yes (U

D

)

No

Advantages: 

• Good effect in terms of extending 

the service life of the contacts

• Easy implementation

• Inexpensive 

• Reliable 

• Dimensioning not critical

• Low induction voltage 

Disadvantages: 

• Attenuation only via load resistor 

• Long dropout delay

Series connection 

diode/Zener diode

Medium to 

small

Yes (U

ZD

)

No

Advantages: 

• Dimensioning not critical

Disadvantages: 

• Attenuation only above U

ZD

• Minimal effect in terms of extending 

the service life of the contacts

Suppressor diode

Medium to 

small

Yes (U

ZD

)

Yes

Advantages: 

• Inexpensive 

• Dimensioning not critical

• Limitation of positive peaks 

• Suitable for AC voltage 

Disadvantages: 

• Attenuation only above U

ZD

• Minimal effect in terms of extending 

the service life of the contacts

Varistor

Medium to 

small

Yes (U

VDR

)

Yes

Advantages: 

• High energy absorption 

• Dimensioning not critical

• Suitable for AC voltage 

Disadvantages: 

• Attenuation only above U

VDR

• Minimal effect in terms of extending 

the service life of the contacts

R/C combination

Medium to 

small

No

Yes

Advantages: 

• HF attenuation due to energy 

storage 

• Suitable for AC voltage 

• Level-independent attenuation 

Disadvantages: 

• Precise dimensioning required

• High inrush current surge

• Minimal effect in terms of extending 

the service life of the contacts

In principle, there are a number of 

possible ways of achieving an effective 
circuit: 
1. Wiring the contact
2. Wiring the consumer
3. Combination of both wiring methods 

In principle, protective measures should 

intervene directly at the source of the 
interference. 

Wiring a consumer should therefore be 

given priority over wiring the contact.

The following points are advantageous for 

the consumer circuit (image on right): 
1. The circuit is only loaded with the 

induction voltage during interruption. 
By contrast, the sum of the operating 
voltage and the induction voltage is 
applied to the contact circuit. 

2. When the contact is open, the load is 

electrically isolated from the operating 
voltage. 

3. It is not possible for the load to be 

activated or to “stick” due to undesired 
operating currents, e.g., from RC 
elements. 

4. Cut-off peaks of the load cannot be 

coupled into parallel control lines. 

Nowadays, solenoid valves are usually 

connected using valve connectors that are 
also supplied with LEDs and components 
that limit the induction voltage. Valve 
connectors with an RC element, varistor or 
Zener diode often do not quench the arc 
and only serve to comply with legislation 
governing EMC. Only valve connectors with 
an integrated 1N4007 freewheeling diode 
quench the arc quickly and safely, thereby 
increasing the service life of the relay by a 
factor of 5 to 10. Valve connectors with 
LED, integrated 1N4007, and free cable end 
can be supplied on request as part of the 
SAC range.

Wiring the contact

Wiring the inductive 

consumer

Application example: Measurement point changeover

Application example: PLC input signal

Switching small loads

Small loads have to be processed mainly in 

applications where signals have to be 
forwarded to control inputs (e.g., of a PLC). 

With these loads, no switching sparks 

(electric arcs) occur on the contacts in the 
small load range. 

In addition to the constant cleaning effect 

due to contact friction, this switching spark 
assumes the function of penetrating non-
conductive contamination layers that are 
formed on the contact surfaces of power 
contacts. 

Load

Load

Load

Load

Load

Evaluation 

electronics

Limit switch

PLC 

input card

288

PHOENIX CONTACT

Relay modules

Basics of relay technology

phoenixcontact-interface-technology-and-switching-devices-html.html
background image

For further information and full technical data, visit phoenixcontact.net/products

These contamination layers are usually 

oxidation or sulfidation products of the 
contact materials silver (Ag) or silver alloys 
such as silver nickel (AgNi) or silver tin 
oxide (AgSnO). As a result, the contact 
resistance may rise so considerably within a 
short time that reliable switching is no 
longer possible in the case of small loads. 

Due to these properties, the power 

contact materials mentioned are not 
suitable for small load applications. 

Gold (Au) has become accepted as the 

contact material of choice for these areas of 
application mainly on account of its low and 
constant contact resistances even with 
small loads and its insensitivity to sulfurous 
atmospheres. 

For the smallest of loads and even greater 

contact reliability, double contact relays 
with gold contacts are used. 

The slotted contact spring in this design 

provides two parallel contact points with 
even lower contact resistances and 
considerably higher contact reliability. 

Switching large loads 

A few important points also need to be 

considered with regard to switching 
operations in the large load range that 
involve power contacts made of either silver 
(Ag) or silver tin oxide (AgSnO). 

A basic distinction must be made 

between switching DC and AC loads. 

Switching large AC loads 

When switching large AC loads, the relay 

can be operated up to the corresponding 
maximum values for switching voltage, 
current, and power. The electric arc that 
occurs during interruption depends on the 
current, voltage, and phase relation. This 
cut-off arc usually disappears automatically 
the next time the load current passes 
through zero. 

In applications with an inductive load, an 

effective protective circuit must be 
provided, otherwise the service life of the 
system will be reduced considerably.

Switching large DC loads 

Conventional switching relays can only 

switch off relatively small direct currents 
(which contrasts with their ability to switch 
off the maximum permissible AC current), 
since there is no zero crossing to extinguish 
the arc automatically. This maximum DC 
value is also dependent to a large extent on 
the switching voltage and is determined, 
among other things, by constructional 
features such as contact spacing and contact 
opening speed. 

The corresponding current and voltage 

values are documented by relay 
manufacturers in electric arc or load limit 
curves. 

A non-attenuated inductive DC load 

further reduces the values given for 
switchable currents. The energy stored in 
the inductance can cause an electric arc to 
occur, which forwards the current through 
the open contacts. 

With an effective contact protection 

circuit, preferably type 1N4007 
freewheeling diodes, the service life can be 
increased by a factor of 5 to 10 compared 
with unprotected or poorly protected 
inductive loads (see also “Contact 
protection circuit” section). 

If higher DC loads than those 

documented are to be switched or if the 
electrical service life is to be increased, 
several contacts of a relay can be connected 
in series. See, for example, REL-IR... 
industrial relays.

Alternatively, solid-state relays with DC 

voltage output can also be used.

Example of a load limit curve (dependent on the type)

Switching lamps and capacitive loads

Regardless of the type of voltage, all kinds 

of lamps and loads with a capacitive 
component impose extreme requirements 
on the switching contacts. The moment it is 
switched on, in other words precisely in the 
dynamic chattering phase of the relay, 
extremely powerful current peaks occur. 
These are often in the region of several tens 
of amps, and not infrequently are known to 
exceed 100 A, which results in welding of 
the contact. This can be remedied by using 
specially optimized “lamp load relays” that 
can cope with these inrush peaks. See, for 
example, PLC...IC type.

Switching capacity according to 
utilization categories AC15 and DC13 
(IEC 60947) 

In practice, both the maximum 

interrupting rating for AC loads and the DC 
interruption values taken from the load limit 
curves provide only a rough guide for the 
choice of relay. In reality, this is insufficient, 
since real loads in the vast majority of 
industrial applications have inductive or 
capacitive components and the wiring of the 
loads can be totally different. As already 
described, this sometimes leads to 
considerable variations in terms of service 
life.

The IEC 60947 contactor standard seeks 

to avoid these disadvantages by dividing the 
loads into various utilization categories 
(DC13, AC15, etc.). This standard is also 
partly applied to relays. However, users 
must be aware of the fact that these values 
are only applicable in practice to a limited 
extent as well, since all DC13 and AC15 
test loads are highly inductive and are also 
operated without any protective circuit at 
all (see “Contact protection circuit” 
section). Moreover, the switching capacity 
test according to IEC 60947 only requires 
6060 switching cycles to be performed by 
way of a minimum requirement. 

A much more reliable way to determine 

the switching capacity and the anticipated 
service life is to refer to the specific 
application data. Using a comprehensive 
data bank, the service life can be accurately 
estimated for most applications and, if 
necessary, suggestions for improvement can 
be made. In the case of critical applications, 
the user is advised to gather service life 
information based on empirical data.

289

PHOENIX CONTACT

Relay modules

Basics of relay technology

phoenixcontact-interface-technology-and-switching-devices-html.html
background image

Control side 

Solid-state relays for various voltage 

and power levels are available from 
Phoenix Contact for use as interface 
modules designed to match process I/O 
devices to control, signaling, and regulating 
devices. The solid-state relay element which 
is actually located in the module is limited to 
one defined voltage range by virtue of its 
design. The current consumption on the 
input side fluctuates depending on the 
circuit architecture and voltage level. 

To accommodate all voltages required for 

industrial applications between 5 V and 
230 V, an input circuit is provided. The 
inputs for DC voltage and AC voltage must 
always be differentiated. 

DC input 

Adjustments are made in accordance with 

the various voltage levels by adding 
electronics which have been specially 
adapted to the desired voltage range. In the 
case of most modules, a polarity protection 
diode provides reliable protection against 
destruction in the event of a control voltage 
being connected incorrectly. Specially 
coordinated filters reliably suppress possible 
high-frequency noise emissions. 

Figure 4: 3-conductor output

Figure 1: Block diagram for DC input

Figure 2: Block diagram for AC input

Figure 3: 2-conductor output

Load side 

Depending on the application and the 

type of load, the solid-state relay output 
must meet various requirements. The 
following are crucial: 
– Power amplification 
– Matching the switching voltage and the 

switching current (AC/DC)

– Short-circuit protection 

For these different applications, the solid-

state relay element must also be processed 
using additional electronics on the output 
side. 

state power relays. This shows the 
maximum load current as a function of 
the ambient temperature. 

3. Output circuit 

The 2-conductor output is similar to a 
mechanical contact. Only the polarity of 
the connections is specified and must be 
observed.

The 3-conductor output is non-isolated 

and requires both potentials from the 
voltage source on the output side to be 
connected if it is to operate reliably. 

When switched off, a permanent 

reference to ground (negative potential) is 
established. In addition, this output circuit 
offers the advantage of an almost constant 
internal resistance.

cannot be achieved. This results in 
continuous through-switching. 

AC input 

The solid-state relay element requires a 

stable control voltage to ensure reliable 
operation. In the case of the AC input, this 
is achieved by connecting a rectifier and 
filter capacitor upstream. The rectification 
is followed, in principle, by the same circuit 
architecture as the DC input. 

The switching frequency always lies below 

half the mains frequency. Due to the filter 
capacitor, a higher switching frequency 

DC output

In order to achieve the necessary output 

power, the solid-state relay element is 
supplemented by one or more 
semiconductor components. 

The on-site user should nevertheless 

simply regard the connection terminal 
blocks of the output as conventional switch 
connections. Observing the specified 
polarity is the only essential requirement. 

For practical reasons, the following 

criteria should be taken into account when 
selecting a suitable solid-state relay: 
1. Operating voltage range 

(e.g., 12 ... 60 V DC)
This determines the minimum or 
maximum voltage to be switched. The 
lower value must be observed in order 
to ensure reliable operation. In order to 
protect the output transistor, the upper 
value must not be exceeded. 

2. Maximum continuous current (e.g., 1 A) 

This value indicates the maximum 
continuous current. If this value is 
exceeded continuously, the output 
semiconductor will be destroyed. The 
dependence of the output current on 
the ambient temperature of the solid-
state relay should also be taken into 
consideration. A derating curve is 
therefore generally specified for solid-

AC output 

In order to control the switching and 

control devices for AC voltage, a 
semiconductor for AC voltage (TRIAC or 
thyristor) is connected downstream of the 
solid-state relay element. 

As with the DC output, it is particularly 

important to consider the maximum 
operating voltage range and the maximum 
continuous load current as a function of the 
ambient temperature. 

290

PHOENIX CONTACT

Relay modules

Basics of solid-state relay technology

phoenixcontact-interface-technology-and-switching-devices-html.html
background image

For further information and full technical data, visit phoenixcontact.net/products

Figure 5: Basic circuit diagram of AC output

Figure 6: Protective circuit with DC voltage output

Figure 7: Protective circuit with AC voltage output

e.g., load protection monitoring (DC contactor)

e.g., load protection monitoring (AC contactor)

e.g., position indication with limit stop contact or initiator

e.g., switching the contactor, solenoid valve or motor (DC load)

e.g., switching the contactor, solenoid valve or motor (AC load)

In addition, the maximum peak reverse 

voltage of the TRIAC (e.g., 600 V) is crucial 
with AC outputs. This must not be 
exceeded even in the case of voltage 
fluctuations or interference voltage peaks in 
order to prevent destruction. That is why 
the AC outputs of all solid-state relays from 
Phoenix Contact have an internal RC 
protective circuit to protect against 
interference voltage peaks. 

Protective circuits 

The moment inductive loads (contactors, 

solenoid valves, motors) are switched off, 
surge voltages occur and these can reach 
very high amplitudes. Electronic 
components and switching elements are 
particularly susceptible to these. A 
protective circuit should therefore always 
be provided to prevent destruction. 

A parallel connection to the load 

effectively reduces the switching surge 
voltage to a harmless level. Depending on 
the solid-state relay output and load type, 
– a freewheeling diode/suppressor diode 

(DC only),

– a  varistor  (AC  and  DC)
– or an RC element (AC only)
can provide the necessary protection.

Application notes 

Input solid-state relays acting in the 

direction from the I/O devices to the 
controller (signaling, controlling, 
monitoring) 

Plug-in version:
– PLC-O...

Modular version: 
– DEK-OE...
– EMG 10-OE...
– SIM-EI...
– OPT...

Output (power) solid-state relays acting 

in the direction from the controller to the 
I/O devices (switching, amplifying, 
controlling) 

Plug-in version:
– PLC-O...

Modular version: 
– DEK-OV...
– EMG 10-OV
– EMG 12-OV
– EMG 17-OV
– OV...
– OPT...

Remarks: 

1

) Ground (negative) potential from the input and output of the 

solid-state relay must not be connected. 

2

) DC loads must be provided with an effective protective circuit 

(e.g., diode). 

3

) AC loads must be protected with a varistor or an RC element.

Ze

ro

 v

o

lt

a

g

e

 

sw

it

c

h

Protection

Lo

a

d

Protection

Lo

a

d

e.g., PLC 

IN

e.g., PLC 

IN

e.g., PLC 

IN

e.g., PLC 

OUT

e.g., PLC 

OUT

291

PHOENIX CONTACT

Relay modules

Basics of solid-state relay technology

phoenixcontact-interface-technology-and-switching-devices-html.html
background image

11

14

12

A2

A1

11

14

12

+

-

-

A2

A1

13

BB

14

13

BB

14

+

-

-

A2

A1

A2

A1

11

14

12

-

+

+

If sensors such as proximity switches are 

connected via a universal relay to a 
controller with a changeover contact, an 
additional terminal block strip must be used 
for the common sensor supply voltage. It is 
also important to note that either the 
wiring in the control cabinet must be 
implemented the other way round since 
control of the relay now takes place from 
the field level and not via the controller, or 
the relay module must be installed into the 
control cabinet rotated at 180°. The 
negative potential of the sensors is applied 
at connection terminal block A2 on the 
relay module. This can be distributed over 
all relay modules using plug-in bridges. This 
means that direct connection to only one 
relay is necessary. The sensors are 
connected to connection terminal block 
A1. The necessary positive potential is 
supplied to a terminal block and distributed 
to further terminal blocks by means of plug-
in bridges. However, the supply for the 
individual sensors is applied to every 
terminal block. This results in a common 
supply signal for all sensors via the 
additional terminal blocks.

Because of increased space requirements 

and additional wiring to the terminal block, 
the use of additional terminal blocks for 
potential distribution is extremely time-
consuming.

The PLC...ACT relay modules enable fast 

and easy connection of actuators. The 
positive potential of the loads is applied to 
connection terminal block 13. This can be 
distributed over all relay modules using 
plug-in bridges. This only makes direct 
connection to one module necessary. 
The actuators are connected to contact 
14 (N/O contact). In the case of PLC...ACT 
relay modules, an N/C contact is not 
required. Instead, the BB connection serves 
as an option for connecting the load return 
line. Here the common negative potential is 
supplied and distributed by means of plug-in 
bridges. The terminal block for 
conventional wiring is not necessary due to 
the direct connection of the load return line 
potential to the relay module. This means 
that no additional space is required in the 
control cabinet and simpler wiring 
minimizes the risk of error.

If actuators such as solenoid valves are 

connected to the controller via a universal 
relay with changeover contact, an additional 
terminal block strip must be used for the 
common load return line. The positive 
potential of the loads is applied to 
connection terminal block 11 (changeover 
contact) at the relay modules. This can be 
distributed over all relay modules using 
plug-in bridges. This means that direct 
connection of the potential to only one 
relay is necessary. The loads are connected 
to connection terminal block 14 (N/O 
contact). The negative potential required is 
supplied at a terminal block. This then 
distributed to further terminal blocks by 
means of plug-in bridges. However, load 
return lines for the individual actuators are 
applied to every terminal block. This results 
in a common load return line potential for 
all actuators via the additional terminal 
block.

Because of increased space requirements 

and additional wiring to the terminal block, 
the use of additional terminal blocks for 
potential distribution is extremely time-
consuming.

Configuration aid for connecting 
sensors and actuators

Conventional connection 
of sensors

Electromechanical relays or solid-state 

relays are used as the coupling element 
between the controller and the sensors or 
actuators in the field. This interface ensures 
appropriate signal conditioning with respect 
to current and voltage between the 
controller and field level.

Easy wiring of actuators

Conventional connection 
of actuators

292

PHOENIX CONTACT

Relay modules

Sensor/actuator configuration aids and handling of interference signals

phoenixcontact-interface-technology-and-switching-devices-html.html
background image

A2

BB

A1

13

14

A2

BB

A1

-

+

+

N

A

1

U

A

2

L

1

L

2

L

3

L

23

0 VA

C

(

1

0m)

>

V

R

C

N

L

A

1

U

A

2

For further information and full technical data, visit phoenixcontact.net/products

Easy wiring of sensors

Configuration aid for handling 
interference signals

Leakage current with AC voltage 
output card

Sensors can be efficiently coupled with 

the controller with the PLC...SEN relay 
modules. The input and output side on the 
module are already interchanged so that the 
the signal direction from the field to the 
controller can be ideally represented. 
Therefore, three connection terminal 
blocks (A1, A2, and BB) are located on the 
control side of the relay. The common 
negative potential of the sensors is 
connected to A2 and distributed to further 
relay modules by means of plug-in bridges. 
The sensors are connected directly to the 
A1 connections. Connection BB is used for 
the common supply potential of the 
sensors. The potential is distributed to all 
connected sensors by means of the plug-in 
bridges. However, only connections 13 and 
14 for the N/O contact are located on the 
contact side. Signal feedback to the 
controller takes place via this. The terminal 
block for conventional wiring is not 
necessary due to direct connection of the 
sensor supply voltage to the relay module. 
This means that no additional space is 
required in the control cabinet and simpler 
wiring minimizes the risk of error.

Leakage current on the signal line occurs 

if control of a relay takes place via an output 
card with AC voltage. This is caused by the 
RC wiring of the AC voltage output. 
Typically, the leakage current has a control 
power that is large enough not to switch off 
the relay reliably.

According to IEC 61810-1, the standard 

release voltage of a relay is 5% of the 
nominal voltage for DC coils and 15% for 
AC coils. That means that a relay with a 
nominal voltage of 230 V AC is only 
switched off when the control voltage is 

0.15 x 230 V AC = 34.5 V AC. If 

interference signals occur on the control 
side of a relay that are greater that the 
release voltage, defined switch-off is no 
longer possible. In the worst case, the 
interference is large enough to energize the 
relay. The application is still switched on 
although no signal is issued by the 
controller. There can be various reasons for 
this.

Long signal line (> 10 m)

Parallel signal lines or load lines

Load

Leakage current

e.g.,

Coupling of interference signals from 
parallel lines

If the control lines to the relay are very 

long, interference can occur from parallel-
running cables. These influence the actual 
control line and couple the signals to it. This 
interference voltage can be measured on 
the control side, even if no signal is issued by 
the controller. 

Leakage current

Output

Signal line

Load

Safe shutdown even with interference 
signals

The PLC...SO46 series is equipped with 

RCZ wiring in the base. The release voltage 
of the relay is increased by this circuit of 
resistor, capacitor, and Zener diode so that 
the relay is resistant to interference 
voltages. In the case of a 230 V AC relay, the 
standard release voltage is 34.5 V AC. The 
PLC...230UC...SO46 modules have a release 
voltage of 80 V AC. This enables the relay 
to switch off reliably at interference 
voltages of 

 80 V AC. The PLC...SO46 

bases are also available with further 
voltages. They can be fitted with both 
electromechanical relays or solid-state 
relays. Screw connection or Push-in 
connection is available as the connection 
technology.

293

PHOENIX CONTACT

Relay modules

Sensor/actuator configuration aids and handling of interference signals

phoenixcontact-interface-technology-and-switching-devices-html.html
background image

294

PHOENIX CONTACT

Relay modules

Industrial relay system - RIFLINE complete

RIFLINE complete is an inexpensive relay 

system with various accessories. It consists 
of DIN rail bases, electromechanical or 
solid-state relays, plug-in interference 
suppression modules, marking material, and 
bridging material. The range of accessories 
is rounded off with a timer module. This is 
used to transform a basic relay into a time 
relay with three different functions.

The RIFLINE complete relay range 

consists of seven different base versions 
from RIF-0 to RIF-4 – these range from one 
N/O contact up to four PDT contacts. The 
field of application of this product group 
ranges from coupling relay applications with 
switching currents of one milliamp to 
replacement for miniature contactors with 
currents up to 16 A.

The relay bases feature Push-in or screw 

connection technology. Push-in connection 
technology enables quick and tool-free 
conductor contacting. The RIF-1 to RIF-4 
bases offer double the contact options on 
both the input and output side.

On the input side of all bases, the negative 

potential (A2) can be bridged – regardless of 
the base size. On the output side, the 
grouped contact (11) can be bridged within 
the RIF-0 base version. This connection can 
also be bridged within the RIF-1 base size.

To offer diverse marking options, the 

engagement lever can be fitted with a zack 
marker strip. In addition, marker carriers 

can be mounted on the bases so that 
additional marking surfaces are available.

RIFLINE complete can be extended using 

many elements from the CLIPLINE 
complete accessories range. This includes 
marking material, bridges, and test adapters.

To make ordering and management easier, 

RIFLINE complete modules are provided in 
the most popular voltages as complete 
modules with relay and interference 
suppression module. For individual 
assembly, tailored to the requirements of 
the application, additional voltage levels are 
offered in the modular system.

phoenixcontact-interface-technology-and-switching-devices-html.html
background image

For further information and full technical data, visit phoenixcontact.net/products

295

PHOENIX CONTACT

Relay modules

Industrial relay system - RIFLINE complete

RIF-0

The 6.2 mm narrow RIF-0 base series is 

suitable for a 1-PDT relay. Switching 
currents up to 6 A are implemented here. 
Two base versions are available: 1 N/O 
contact and 1 changeover contact. RIF-0 is 
therefore a good choice for all coupling 
applications.

RIF-1

The 16 mm narrow RIF-1 base series is 

suitable for a 2-PDT relay. Currents up to 
13 A can be switched when using the 
FBS 2-8 plug-in bridge. This relay is ideal for 
power switching and signal duplication.

RIF-2

The 31 mm wide RIF-2 base series is 

designed for industrial relays with up to 
4 contacts. Currents up to 12 A are no 
problem for these bases. This relay is ideal 
for applications that require power and 
signal multiplication.

RIF-3

The 40 mm wide RIF-3 base series is 

designed for octal relays with up to 
3 contacts. Switching currents up to 10 A 
are implemented here. Two base versions 
are available: 2 changeover contacts and 
3 changeover contacts. RIF-3 bases are ideal 
for all applications that require power and 
signal multiplication.

RIF-4

The 43 mm wide RIF-4 base series is 

designed for power relays with up to 
3 contacts. Currents up to 16 A can be 
switched. RIF-4 bases are a good choice for 
applications that require power and signal 
multiplication, e.g., in miniature contactor 
applications.

Accessories

A wide range of accessories are available 

for the RIFLINE complete relay system that 
round off the range. These include bridges, 
professional marking material, function 
modules, test plugs, and end brackets.

phoenixcontact-interface-technology-and-switching-devices-html.html
background image

 

 

 

 

 

Technical data

Nominal voltage U

N

250 V AC/DC (Contact side)

250 V AC/DC (Contact side)

250 V AC/DC (Contact side)

250 V AC/DC (Contact side)

Nominal current at U

N

max. 8 A (Depends on application/assembly)

max. 8 A (Depends on application/assembly)

max. 8 A (Depends on application/assembly)

m

General data

Ambient temperature (operation)

-40 °C ... 85 °C (Depends on application/assembly)

-40 °C ... 85 °C (Depends on application/assem

Connection data solid/stranded/AWG

0.14 ... 1.5 mm² / 0.14 ... 1.5 mm² / 26 - 16

0.14 ... 1.5 mm² / 0.14 ... 1.5 mm² / 26 - 16

0.5

Maximum tightening torque

-

Dimensions

Width

6.2 mm

Depth

78 mm

Height

93 mm

Ordering data

Description

Type

Order No.

Pcs./

Pkt.

RIF-0 relay base

, PDT version, safe isolation I/O

with Push-in connection

RIF-0-BPT/21

2900958

10

RIF-0 relay base

, N/O contact version, safe isolation I/O

with Push-in connection

RIF-0 relay base

, PDT version, safe isolation I/O

with screw connection

RIF-0 relay base

, N/O contact version, safe isolation I/O

with screw connection

RIF-0 relay base

, negative switching, PDT version, safe isolation I/O

with Push-in connection

RIF-0-BPT-M/ 21

2907468

10

Accessories

Plug-in bridge

2-pos. red, 24 A

FBSR  2-6

3033715

50

2-pos. red, 32 A

FBS  2-6

3030336

50

2-pos. blue, 32 A

FBS  2-6 BU

3036932

50

2-pos. gray, 32 A

FBS  2-6 GY

3032237

50

3-pos. red, 24 A

FBSR 3-6

3001594

50

4-pos. red, 24 A

FBSR 4-6

3001595

50

5-pos. red, 24 A

FBSR 5-6

3001596

50

5-pos. red, 32 A

FBS  5-6

3030349

50

10-pos. red, 32 A

FBS 10-6

3030271

10

20-pos. red, 32 A

FBS 20-6

3030365

10

50-pos. red, 32 A

FBS 50-6

3032224

10

End bracket, 

for snapping onto NS 35, 9.5 mm wide, can be 

marked with ZB 6, ZB 8/27, KLM...

CLIPFIX 35

3022218

50

Test plug,

 consisting of:

Metal part

 for 2.3 mm Ø socket hole and

silver

MPS-MT

0201744

10

Insulating sleeve,

 for MPS metal part

red

MPS-IH RD

0201676

10

white

MPS-IH WH

0201663

10

blue

MPS-IH BU

0201689

10

yellow

MPS-IH YE

0201692

10

green

MPS-IH GN

0201702

10

gray

MPS-IH GY

0201728

10

black

MPS-IH BK

0201731

10

Zack marker strip, unprinted, 10-section:

 each pack contains 

enough to mark 100 terminal blocks

10-section

ZB 6:UNBEDRUCKT

1051003

10

296

PHOENIX CONTACT

D W

H

Modular RIF-0 relay base
 

Notes:

Type of insulating housing:

Polyamide PA, non-reinforced, color: gray.

For further marking systems and mounting material, see Catalog 3.

When mounting relays on a DIN rail base or PCB, data may be 

limited, especially with regard to the limiting continuous current 

and/or ambient temperature range. See “General” section in 

“Basics of relay technology” on page 286.

Relay base for assembly with miniature 

power relays or solid-state relays with a 
nominal voltage of 12 to 24 V DC.

The advantages:

– Integrated freewheeling diode for input 

circuit and interference suppression 
circuit

– LED for status display
– Safe isolation according to DIN EN 50178 

between coil and contact

– Professional marking material
– Holders  for  test  plugs
– Professional bridging of adjacent modules 

saves wiring time (A2 and 11/13)

– FBS 2-6 plug-in bridges for the input and 

output side

Relay modules

Industrial relay system - RIFLINE complete

1-PDT relay base with

Push-in connection technology

phoenixcontact-interface-technology-and-switching-devices-html.html
background image

For further information and full technical data, visit phoenixcontact.net/products

 

 

 

 

 

Technical data

Technical data

Technical data

250 V AC/DC (Contact side)

250 V AC/DC (Contact side)

250 V AC/DC (Contact side)

250 V AC/DC (Contact side)

max. 8 A (Depends on application/assembly)

max. 8 A (Depends on application/assembly)

max. 8 A (Depends on application/assembly)

max. 8 A (Depends on application/assembly)

lication/assembly)

-40 °C ... 85 °C (Depends on application/assembly)

-40 °C ... 85 °C (Depends on application/assembly)

-40 °C ... 85 °C (Depends on application/assembly)

Connection data solid/stranded/AWG

0.14 ... 1.5 mm² / 0.14 ... 1.5 mm² / 26 - 16

0.14 ... 1.5 mm² / 0.14 ... 1.5 mm² / 26 - 16

0.5 ... 4 mm² / 0.5 ... 2.5 mm² / 20 - 12

0.5 ... 4 mm² / 0.5 ... 2.5 mm² / 20 - 12

-

0.5 Nm

0.5 Nm

6.2 mm

6.2 mm

6.2 mm

66 mm

82 mm

68 mm

93 mm

84 mm

84 mm

Ordering data

Ordering data

Ordering data

Type

Order No.

Pcs./

Pkt.

Type

Order No.

Pcs./

Pkt.

Type

Order No.

Pcs./

Pkt.

RIF-0-BPT/1

2901873

10

RIF-0-BSC/21

2900957

10

RIF-0-BSC/ 1

2901872

10

Accessories

Accessories

Accessories

FBSR  2-6

3033715

50

FBSR  2-6

3033715

50

FBSR  2-6

3033715

50

FBS  2-6

3030336

50

FBS  2-6

3030336

50

FBS  2-6

3030336

50

FBS  2-6 BU

3036932

50

FBS  2-6 BU

3036932

50

FBS  2-6 BU

3036932

50

FBS  2-6 GY

3032237

50

FBS  2-6 GY

3032237

50

FBS  2-6 GY

3032237

50

FBSR 3-6

3001594

50

FBSR 3-6

3001594

50

FBSR 3-6

3001594

50

FBSR 4-6

3001595

50

FBSR 4-6

3001595

50

FBSR 4-6

3001595

50

FBSR 5-6

3001596

50

FBSR 5-6

3001596

50

FBSR 5-6

3001596

50

FBS  5-6

3030349

50

FBS  5-6

3030349

50

FBS  5-6

3030349

50

FBS 10-6

3030271

10

FBS 10-6

3030271

10

FBS 10-6

3030271

10

FBS 20-6

3030365

10

FBS 20-6

3030365

10

FBS 20-6

3030365

10

FBS 50-6

3032224

10

FBS 50-6

3032224

10

FBS 50-6

3032224

10

CLIPFIX 35

3022218

50

CLIPFIX 35

3022218

50

CLIPFIX 35

3022218

50

MPS-MT

0201744

10

MPS-MT

0201744

10

MPS-MT

0201744

10

MPS-IH RD

0201676

10

MPS-IH RD

0201676

10

MPS-IH RD

0201676

10

MPS-IH WH

0201663

10

MPS-IH WH

0201663

10

MPS-IH WH

0201663

10

MPS-IH BU

0201689

10

MPS-IH BU

0201689

10

MPS-IH BU

0201689

10

MPS-IH YE

0201692

10

MPS-IH YE

0201692

10

MPS-IH YE

0201692

10

MPS-IH GN

0201702

10

MPS-IH GN

0201702

10

MPS-IH GN

0201702

10

MPS-IH GY

0201728

10

MPS-IH GY

0201728

10

MPS-IH GY

0201728

10

MPS-IH BK

0201731

10

MPS-IH BK

0201731

10

MPS-IH BK

0201731

10

ZB 6:UNBEDRUCKT

1051003

10

ZB 6:UNBEDRUCKT

1051003

10

ZB 6:UNBEDRUCKT

1051003

10

297

PHOENIX CONTACT

D W

H

D W

H

new

D W

H

new

Relay modules

Industrial relay system - RIFLINE complete

1-N/O relay base for

miniature power relay

1-PDT relay base with

screw connection technology

1-N/O relay base with

screw connection technology

phoenixcontact-interface-technology-and-switching-devices-html.html
background image

A2

A1

11

12

14

A2

A1

11

12

14

 

 

 

 

298

PHOENIX CONTACT

Plug-in miniature power relays

Plug-in 1-PDT relays suitable for RIF-0 and 

PLC-INTERFACE relay bases.

The advantages:

– Power contacts up to 6 A
– Multi-layer gold contact or power contact
– High degree of protection, RT III (wash-

proof ), or RT II for 1-PDT relay with 
manual operation

– Safe isolation according to DIN EN 50178 

between coil and contact

– Can be soldered on PCB

Notes:

If the specified maximum values for multi-layer contact relays are 

exceeded, the gold plating is destroyed. The maximum values of 

the power contact relay are then valid. This can result in a shorter 

service life than with a pure power contact.

For dimensional drawings and perforations for assembly, see 

page 398

When mounting relays on a DIN rail base or PCB, data may be 

limited, especially with regard to the limiting continuous current 

and/or ambient temperature range. See “General” section in 

“Basics of relay technology” on page 286.

new

Technical data

Technical data

Input data

 

 

 

 

 

 

 

 

 

 

 

 

 

 

 

 

 

 

 

 

Permissible range (with reference to U

N

)

see diagram

see diagram

Typical input current at U

N

[mA]

14

7

14

7

Typical response time at U

N

[ms]

5

5

5

5

Typical release time at U

N

[ms]

2.5

2.5

2.5

2.5

Output data

Contact type

1 PDT

1 PDT

1 PDT

1 PDT

Contact material

AgSnO

AgSnO, hard gold-plated

AgSnO

AgSnO, hard gold-plated

Max. switching voltage

250 V AC/DC

30 V AC / 36 V DC

250 V AC/DC

30 V AC / 36 V DC

Minimum switching voltage

5 V (at 100 mA)

100 mV (at 10 mA)

5 V (at 100 mA)

100 mV (at 10 mA)

Limiting continuous current

6 A

50 mA

6 A

50 mA

Maximum switch-on current

10 A (4 s)

50 mA

10 A (4 s)

50 mA

Minimum switching current

10 mA (at 12 V)

1 mA (at 24 V)

10 mA (at 12 V)

1 mA (at 24 V)

General data

Test voltage (winding / contact)

4 kV AC (50 Hz, 1 min.)

4 kV AC (50 Hz, 1 min.)

Ambient temperature (operation)

-40 °C ... 85 °C

-40 °C ... 85 °C

Nominal operating mode

100% operating factor

100% operating factor

Mechanical service life

2 x 10

7

 cycles

1 x 10

cycles

Standards/regulations

IEC

 

60664 , EN 50178 , EN 61810-1

IEC

 

60664 , EN 50178 , EN 61810-1

Mounting position/mounting

any / In rows with zero spacing

any / In rows with zero spacing

Dimensions

W / H / D

5 mm / 28 mm / 15 mm

5 mm / 28 mm / 16 mm

Ordering data

Ordering data

Description

Input voltage

U

N

Type

Order No.

Pcs./

Pkt.

Type

Order No.

Pcs./

Pkt.

Plug-in miniature power relays, with power contacts

12 V DC

REL-MR- 12DC/21

2961150

10

REL-MR- 12DC/21/MS

2909641

10

24 V DC

REL-MR- 24DC/21

2961105

10

REL-MR- 24DC/21/MS

2909642

10

Plug-in miniature power relays, with multi-layer gold contacts

12 V DC

REL-MR- 12DC/21AU

2961163

10

REL-MR- 12DC/21AU/MS

2909644

10

24 V DC

REL-MR- 24DC/21AU

2961121

10

REL-MR- 24DC/21AU/MS

2909645

10

Relay modules

Industrial relay system - RIFLINE complete

1-PDT relay, max.

 

6

 

A

1-PDT  relay  with

manual operation, max.

 

6

 

A

phoenixcontact-interface-technology-and-switching-devices-html.html
background image

0

,5

1

0

2

0

3

0

4

0

5

0

6

0

7

0

8

0

9

0

1

00

0

1

1,5

2

2,5

3

U

N

U

T

[

°

C]

U

A

B

0

,5

1

0

2

0

3

0

4

0

5

0

6

0

7

0

8

0

9

0

1

00

0

1

1,5

2

2,5

3

U

N

U

T

[

°

C]

U

A

B

For further information and full technical data, visit phoenixcontact.net/products

299

PHOENIX CONTACT

REL-MR-.../21... (1-PDT)

Input voltage range

Interrupting rating

REL-MR-.../21.../MS (1-PDT)

Input voltage range

Interrupting rating

Relay modules

Industrial relay system - RIFLINE complete

phoenixcontact-interface-technology-and-switching-devices-html.html
background image

A2

A1

13+

14

 

 

 

300

PHOENIX CONTACT

Plug-in solid-state relays suitable for RIF-0 

and PLC-INTERFACE relay bases.

The advantages:

– Switching current of up to 3 A
– RT III-proof (wash-proof )
– Vibration and shock-resistant
– Wear-free and long-lasting
– Zero voltage switch at AC output
– Can be soldered on PCB

Plug-in solid-state relays

Technical data

Input data

 

 

 

 

 

 

 

 

 

Permissible range (with reference to U

N

)

0.8  - 

1.2

Switching level

1 signal ("H") [V DC] 

16

0 signal ("L") [V DC] 

10

Typical input current at U

N

[mA]

7

Typical switch-on time at U

N

[µs]

20

Typical switch-off time at U

N

[µs]

300

Transmission frequency f

limit

[Hz]

300

Output data

Max. switching voltage

33 V DC

Minimum switching voltage

3 V DC

Limiting continuous current

3 A (see derating curve)

100 mA

0.75 A (see derating curve)

Minimum load current

-

Maximum switch-on current

15 A (10 ms)

Leakage current in off state

-

Phase angle (cos 

φ

)

-

Output circuit

2-wire, floating

Max. load value

-

Output protection

Reverse polarity protection, surge protection

Reverse polarity protection, surge protection

RCV circuit

Voltage drop at maximum limiting continuous current

 150 mV

General data

Rated surge voltage

Basic insulation

Test voltage input/output

2.5 kV (50 Hz, 1 min.)

Ambient temperature (operation)

-25 °C ... 60 °C

Nominal operating mode

100% operating factor

100% operating factor

100% operating factor

Standards/regulations

IEC

 

60664 , EN 50178

IEC

Degree of pollution/surge voltage category

2 / III

Mounting position/mounting

any / In rows with zero spacing

any 

Dimensions

W / H / D

5 mm / 28 mm / 15 mm

5 mm / 28 mm / 15 mm

5 mm / 28 mm / 15 mm

Ordering data

Description

Input voltage

U

N

Type

Order No.

Pcs./

Pkt.

Plug-in solid-state relays

Solid-state power relays

24 V DC

OPT-24DC/ 24DC/  2

2966595

10

Plug-in solid-state relays

Solid-state input relays

24 V DC

Notes:

For dimensional drawings and perforations for assembly, see 

page 399

When mounting relays on a DIN rail base or PCB, data may be 

limited, especially with regard to the limiting continuous current 

and/or ambient temperature range. See “General” section in 

“Basics of relay technology” on page 286.

Relay modules

Industrial relay system - RIFLINE complete

Solid-state relay,

DC output max. 3

 

A

phoenixcontact-interface-technology-and-switching-devices-html.html
background image

0

300

750

0

10

20

30

40

50

60

0

1

2

3

0

10

20

30

40

50

60

A2

A1

13+

14

A2

A1

13+

14

For further information and full technical data, visit phoenixcontact.net/products

 

 

 

 

 

 

301

PHOENIX CONTACT

Technical data

Technical data

 

 

 

 

 

 

 

 

 

 

 

 

 

 

 

 

 

 

0.8 - 

1.2

0.8 - 

1.2

16

10

10

5

7

3

20

6000

300

500

300

10

48 V DC

253 V AC

3 V DC

24 V AC

Limiting continuous current

3 A (see derating curve)

100 mA

0.75 A (see derating curve)

-

10  mA

-

30 A (10 ms)

-

<  1  mA

-

0.5

2-wire, floating

2-conductor floating, zero voltage switch

-

4.5  A

2

s

Output protection

Reverse polarity protection, surge protection

Reverse polarity protection, surge protection

RCV circuit

 1 V

< 1 V

Basic insulation

Basic insulation

2.5 kV (50 Hz, 1 min.)

2.5 kV (50 Hz, 1 min.)

-25 °C ... 60 °C

-25 °C ... 60 °C

Nominal operating mode

100% operating factor

100% operating factor

100% operating factor

60664 , EN 50178

IEC

 

60664 , EN 50178

IEC

 

60664 , EN 50178

2 / III

2 / III

Mounting position/mounting

any / In rows with zero spacing

any / In rows with zero spacing

any / In rows with zero spacing

Dimensions

W / H / D

5 mm / 28 mm / 15 mm

5 mm / 28 mm / 15 mm

5 mm / 28 mm / 15 mm

Ordering data

Ordering data

Type

Order No.

Pcs./

Pkt.

Type

Order No.

Pcs./

Pkt.

OPT-24DC/230AC/  1

2967950

10

OPT-24DC/ 48DC/100

2966618

10

Derating curve for OPT...DC/230AC/1 and PLC-OS.../230AC/1 

solid-state relays

Ambient temperature range [°C]

L

o

ad

 c

u

rre

n

t [

m

A]

Derating curve for OPT...DC/24DC/2 and PLC-OS.../24DC/2 

solid-state relays

Ambient temperature range [°C]

L

o

ad

 c

u

rre

n

t [

A

]

Relay modules

Industrial relay system - RIFLINE complete

Solid-state relay,

DC output max. 100

 

mA

Solid-state relay,

AC output max. 750

 

mA

phoenixcontact-interface-technology-and-switching-devices-html.html
background image

 

 

 

 

 

Technical data

Nominal voltage U

N

250 V AC/DC

Nominal current at U

N

max. 13 A (Depends on application/assembly)

max. 15.5 A (Depends on application/assembly)

-

-

General data

Ambient temperature (operation)

-40 °C ... 85 °C (Depends on application/assembly)

-40 °C ... 85 °C (Depends on application/assem

Connection data solid/stranded/AWG

0.14 ... 1.5 mm² / 0.14 ... 1.5 mm² / 26 - 16

0.14 ... 6 mm² / 0.14 ... 4 mm² / 26 - 10

-

-

Dimensions

Width

16 mm

Depth with retaining bracket

75 mm

Height

96 mm

Ordering data

Description

Type

Order No.

Pcs./

Pkt.

RIF-1 relay base

, plug-in option for interference suppression 

module, safe isolation I/O with Push-in connection

RIF-1-BPT/2X21

2900931

10

RIF-1 relay base

, plug-in option for interference suppression 

module, safe isolation I/O with screw connection

Relay retaining bracket

, with ejector function and holder for 

marking material, suitable for RIF-1 relay base

- for 16 mm high miniature power and solid-state relays

- for 25 mm high miniature power relays

Relay retaining bracket

, wire model, suitable for RIF-1 relay base

- for 16 mm high miniature power and solid-state relays

- for 25 mm high miniature power relays

Accessories

Plug-in bridge

2-pos. red, 32 A

FBS  2-6

3030336

50

2-pos. red, 24 A

FBSR  2-6

3033715

50

2-pos. red, 32 A

FBSR  2-8

3033808

10

2-pos. blue, 32 A

FBS  2-6 BU

3036932

50

2-pos. gray, 32 A

FBS  2-6 GY

3032237

50

2-pos. red, 41 A

FBS  2-8

3030284

10

2-pos. blue, 41 A

FBS  2-8 BU

3032567

10

2-pos. gray, 41 A

FBS  2-8 GY                7042

3032541

10

End bracket, 

for snapping onto NS 35, 9.5 mm wide, can be 

marked with ZB 6, ZB 8/27, KLM...

CLIPFIX 35

3022218

50

Test plug,

 consisting of:

Metal part

 for 2.3 mm Ø socket hole and

silver

MPS-MT

0201744

10

Insulating sleeve,

 for MPS metal part

red

MPS-IH RD

0201676

10

white

MPS-IH WH

0201663

10

blue

MPS-IH BU

0201689

10

yellow

MPS-IH YE

0201692

10

green

MPS-IH GN

0201702

10

gray

MPS-IH GY

0201728

10

black

MPS-IH BK

0201731

10

Zack marker strip, unprinted

10-section

ZB 5 :UNBEDRUCKT

1050004

10

5-section

ZB 15:UNBEDRUCKT

0811972

10

Double marker carrier for ZB 5

STP 5-2

0800967

100

302

PHOENIX CONTACT

D W

H

Modular RIF-1 relay base
 

Notes:

Type of insulating housing:

Polyamide PA, non-reinforced, color: gray.

For further marking systems and mounting material, see Catalog 3.

When mounting relays on a DIN rail base or PCB, data may be 

limited, especially with regard to the limiting continuous current 

and/or ambient temperature range. See “General” section in 

“Basics of relay technology” on page 286.

Relay base for assembly with 1 or 2-PDT 

relays or solid-state relays.

Range of accessories includes:

– Plug-in interference suppression module
– Plug-in timer module
– Relay retaining bracket with ejector 

function and holder for marking material

– Comprehensive range of marking material
– Test plug
– FBS 2-6 plug-in bridges for the input side 

(A2)

– FBS 2-8 plug-in bridges for the output side 

(11/21)

Relay modules

Industrial relay system - RIFLINE complete

2-PDT relay base with 

Push-in connection technology

phoenixcontact-interface-technology-and-switching-devices-html.html
background image

For further information and full technical data, visit phoenixcontact.net/products

 

 

 

Technical data

Technical data

Technical data

250 V AC/DC

-

-

max. 13 A (Depends on application/assembly)

max. 15.5 A (Depends on application/assembly)

-

-

lication/assembly)

-40 °C ... 85 °C (Depends on application/assembly)

-

-

Connection data solid/stranded/AWG

0.14 ... 1.5 mm² / 0.14 ... 1.5 mm² / 26 - 16

0.14 ... 6 mm² / 0.14 ... 4 mm² / 26 - 10

-

-

16 mm

-

-

75 mm

-

-

89 mm

-

-

Ordering data

Ordering data

Ordering data

Type

Order No.

Pcs./

Pkt.

Type

Order No.

Pcs./

Pkt.

Type

Order No.

Pcs./

Pkt.

RIF-1-BSC/2X21

2900930

10

RIF-RH-1

2900953

10

RIF-RH-1-H

2904468

10

RIF-RHM-1

2905986

10

RIF-RHM-1-H

2905985

10

Accessories

Accessories

Accessories

FBS  2-6

3030336

50

FBSR  2-6

3033715

50

FBSR  2-8

3033808

10

FBS  2-6 BU

3036932

50

FBS  2-6 GY

3032237

50

FBS  2-8

3030284

10

FBS  2-8 BU

3032567

10

FBS  2-8 GY                7042

3032541

10

CLIPFIX 35

3022218

50

MPS-MT

0201744

10

MPS-IH RD

0201676

10

MPS-IH WH

0201663

10

MPS-IH BU

0201689

10

MPS-IH YE

0201692

10

MPS-IH GN

0201702

10

MPS-IH GY

0201728

10

MPS-IH BK

0201731

10

ZB 5 :UNBEDRUCKT

1050004

10

ZB 15:UNBEDRUCKT

0811972

10

STP 5-2

0800967

100

303

PHOENIX CONTACT

D W

H

new

Relay modules

Industrial relay system - RIFLINE complete

2-PDT relay base with 

screw connection technology

Plastic relay retaining bracket for 

RIF-1 base

Metal wire relay retaining bracket for 

RIF-1 base

phoenixcontact-interface-technology-and-switching-devices-html.html
background image

14

A1

11

12

A2

24

14

A1

21

11

22

12

A2

 

 

 

 

304

PHOENIX CONTACT

Plug-in miniature power relays

Plug-in miniature power relays with 1 or 2 

changeover contacts, suitable for the RIF-1 
and PLC-INTERFACE relay bases.

The advantages:

– Power contacts up to 16 A
– Multi-layer gold contact or power contact
– High degree of protection up to RT III 

depending on type (wash-proof )

Notes:

If the specified maximum values for multi-layer contact relays are 

exceeded, the gold plating is destroyed. The maximum values of 

the power contact relay are then valid. This can result in a shorter 

service life than with a pure power contact.

When mounting relays on a DIN rail base or PCB, data may be 

limited, especially with regard to the limiting continuous current 

and/or ambient temperature range. See “General” section in 

“Basics of relay technology” on page 286.

Technical data

Technical data

Input data

 

 

 

 

 

 

 

 

 

 

 

 

 

 

 

 

 

 

 

 

 

 

 

 

 

 

 

 

 

 

 

 

Permissible range (with reference to U

N

)

see diagram

see diagram

Typical input current at U

N

[mA]

33

17

8.7

8.2

4.1

32

7

3

33

17

8.7

8.2

4.1

32

7

3

Typical response time at U

N

[ms]

7

7

7

7

7

7

7

7

7

7

Typical response time at U

N

 

( depending on phase relation )

[ms]

3 - 12

3 - 12

3 - 12

3 - 12

3 - 12

3 - 12

Typical release time at U

N

[ms]

3

3

3

3

3

3

3

3

3

3

Typical release time at U

N

 

( depending on phase relation )

[ms]

2 - 9

2 - 9

2 - 9

2 - 9

2 - 9

2 - 9

Output data

Contact type

1 PDT

1 PDT

2 PDT

2 PDT

Contact material

AgNi

AgNi, hard gold-plated

AgNi

AgNi, hard gold-plated

Max. switching voltage

250 V AC/DC

30 V AC / 36 V DC

250 V AC/DC

30 V AC / 36 V DC

Minimum switching voltage

12 V (at 10 mA)

100 mV (at 10 mA)

5 V (at 10 mA)

100 mV (at 10 mA)

Limiting continuous current

16 A

50 mA

8 A

50 mA

Maximum switch-on current AC

25 A (20 ms)

50 mA

12 A (20 ms)

50 mA

Maximum switch-on current DC

50 A (20 ms)

50 mA

25 A (20 ms)

50 mA

Minimum switching current

10 mA (at 12 V)

1 mA (at 24 V)

10 mA (At 5 V)

1 mA (at 24 V)

General data

Test voltage (winding / contact)

5 kV AC (50 Hz, 1 min.)

5 kV AC (50 Hz, 1 min.)

Test voltage (contact/contact)

-

2.5 kV AC (50 Hz, 1 min.)

Ambient temperature (operation), AC

-40 °C ... 85 °C

-40 °C ... 85 °C

Ambient temperature (operation), DC

-40 °C ... 85 °C

-40 °C ... 85 °C

Mechanical service life, AC

1 x 10

cycles

1 x 10

cycles

Mechanical service life, DC

3 x 10

7

 cycles

3 x 10

7

 cycles

Standards/regulations

IEC

 

60664 , EN 50178 , EN 61810-1

IEC

 

60664 , EN 50178 , EN 61810-1

Ordering data

Ordering data

Description

Input voltage

U

N

Type

Order No.

Pcs./

Pkt.

Type

Order No.

Pcs./

Pkt.

Plug-in miniature power relays, with power contacts

12 V DC

REL-MR- 12DC/21HC

2961309

10

REL-MR- 12DC/21-21

2961257

10

24 V DC

REL-MR- 24DC/21HC

2961312

10

REL-MR- 24DC/21-21

2961192

10

48 V DC

REL-MR- 48DC/21HC

2834821

10

REL-MR- 48DC/21-21

2834834

10

60 V DC

REL-MR- 60DC/21HC

2961325

10

REL-MR- 60DC/21-21

2961273

10

110 V DC

REL-MR-110DC/21HC

2961338

10

REL-MR-110DC/21-21

2961202

10

24 V AC

REL-MR- 24AC/21HC

2961406

10

REL-MR- 24AC/21-21

2961435

10

120 V AC

REL-MR-120AC/21HC

2961419

10

REL-MR-120AC/21-21

2961448

10

230 V AC

REL-MR-230AC/21HC

2961422

10

REL-MR-230AC/21-21

2961451

10

Plug-in miniature power relays, with multi-layer gold contacts

12 V DC

REL-MR- 12DC/21HC AU

2961532

10

REL-MR- 12DC/21-21AU

2961299

10

24 V DC

REL-MR- 24DC/21HC AU

2961545

10

REL-MR- 24DC/21-21AU

2961215

10

48 V DC

REL-MR- 48DC/21-21AU

2834847

10

60 V DC

REL-MR- 60DC/21-21AU

2961286

10

110 V DC

REL-MR-110DC/21HC AU

2961561

10

REL-MR-110DC/21-21AU

2961228

10

24 V AC

REL-MR- 24AC/21HC AU

2961503

10

REL-MR- 24AC/21-21AU

2961464

10

120 V AC

REL-MR-120AC/21HC AU

2961516

10

REL-MR-120AC/21-21AU

2961477

10

230 V AC

REL-MR-230AC/21HC AU

2961529

10

REL-MR-230AC/21-21AU

2961480

10

Relay modules

Industrial relay system - RIFLINE complete

1-PDT relay,

max. 16

 

A

2-PDT relay,

max. 2

 

x

 

8

 

A

phoenixcontact-interface-technology-and-switching-devices-html.html
background image

0

,

6

0

,

8

1

1

,

2

1

,

4

1

,

6

1

,

8

2

2

,

2

2

,

4

2

,

6

2

,

8

0

10

20

30

40

50

60

70

80

9

0 100

1

1

2

2

1
2

0

,

1

0

,

2

0

,

3

0

,

5

1

2

4

6

10

20

10

20

30

50

70 100

300

200

1
2
3

3

1

2

1

0

,9

0

,

3

0

,

4

0

,

5

0

,

6

0

,

7

0

,

8

0

,9

1

0

,

8

0

,

7

0

,

6

0

,

5

0

,

4

0

,

3

0

,

2

0

,

6

0

,

8

1

1

,

2

1

,

4

1

,

6

1

,

8

2

2

,

2

2

,

4

2

,

6

2

,

8

0

10

20

30

40

50

60

70

80

9

0 100

1

2

2

1

1
2

0

,

1

0

,

2

0

,

3

0

,

5

1

2

4

6

10

20

10

20

30

50

70 100

300

200

1
2
3
4

3

1

4

2

1

0

,9

0

,

3

0

,

4

0

,

5

0

,

6

0

,

7

0

,

8

0

,9

1

0

,

8

0

,

7

0

,

6

0

,

5

0

,

4

0

,

3

0

,

2

0 1

4

8

12

16

10

7

10

6

10

5

10

4

2 3

5 6 7

11

9

10

15

14

13

1
2

2

1

0 1

4

8

12

16

10

7

10

6

10

5

10

4

2 3

5 6 7

11

9

10

15

14

13

1
2

2

1

For further information and full technical data, visit phoenixcontact.net/products

305

PHOENIX CONTACT

REL-MR...21HC... (1-PDT)

Operating voltage range

Interrupting rating

Ambient temperature [°C]

Coil

voltage

U/U

N

DC coils
AC coils

AC, ohmic load
DC, ohmic load
DC, L/R = 40 ms

Switching voltage [V]

Switching

current

[A]

Service life reduction factor with various cos phi

COS

j

Reduction

factor

REL-MR...21-21... (2-PDT)

Operating voltage range

Interrupting rating

Ambient temperature [°C]

Coil

voltage

U/U

N

DC coils
AC coils

AC, ohmic load
DC, ohmic load, contacts in series
DC, ohmic load
DC, L/R = 40 ms

Switching voltage [V]

Switching

current

[A]

Service life reduction factor with various cos phi

COS

j

Reduction

factor

Electrical service life

Cycles

Switching current [A]

250 V AC, ohmic load (DC coils)
250 V AC, ohmic load (AC coils)

Electrical service life

Cycles

Switching current [A]

250 V AC, ohmic load (DC coils)
250 V AC, ohmic load (AC coils)

Relay modules

Industrial relay system - RIFLINE complete

phoenixcontact-interface-technology-and-switching-devices-html.html
background image

14

A1

11

12

A2

24

14

A1

21

11

22

12

A2

 

 

 

 

306

PHOENIX CONTACT

Plug-in miniature power relays

Plug-in miniature power relays with 1 or 

2 changeover contacts, suitable for the 
RIF-1 relay base.

The advantages:

– Switching current of up to 16 A
– With lockable manual operation
– Mechanical switch position indicator
– Integrated  status  LED
– Multi-layer gold contact or power contact
– DC types with integrated freewheeling 

diode

– Can be soldered on PCB

Notes:

If the specified maximum values for multi-layer contact relays are 

exceeded, the gold plating is destroyed. The maximum values of 

the power contact relay are then valid. This can result in a shorter 

service life than with a pure power contact.

When mounting relays on a DIN rail base or PCB, data may be 

limited, especially with regard to the limiting continuous current 

and/or ambient temperature range. See “General” section in 

“Basics of relay technology” on page 286.

Technical data

Technical data

Input data

 

 

 

 

 

 

 

 

 

 

 

 

 

 

 

 

 

 

 

 

 

 

 

 

Permissible range (with reference to U

N

)

see diagram

see diagram

Typical input current at U

N

[mA]

18

32

7

3.5

18

32

7

3.5

Typical response time at U

N

[ms]

9

9

Typical response time at U

N

 

( depending on phase relation )

[ms]

3 - 12

3 - 12

3 - 12

3 - 12

3 - 12

Typical release time at U

N

[ms]

6

6

Typical release time at U

N

 

( depending on phase relation )

[ms]

2 - 8

2 - 8

2 - 8

2 - 8

2 - 8

2 - 8

Output data

Contact type

1 PDT

1 PDT

2 PDT

2 PDT

Contact material

AgNi

AgNi, hard gold-plated

AgNi

AgNi, hard gold-plated

Max. switching voltage

250 V AC/DC

30 V AC / 36 V DC

250 V AC/DC

30 V AC / 36 V DC

Minimum switching voltage

12 V (at 10 mA)

12 V (At 1 mA)

12 V (at 10 mA)

12 V (At 1 mA)

Limiting continuous current

16 A

50 mA

8 A

50 mA

Maximum switch-on current AC

32 A (20 ms)

50 mA

16 A (20 ms)

50 mA

Maximum switch-on current DC

32 A (20 ms)

50 mA

16 A (20 ms)

50 mA

Minimum switching current

10 mA (at 12 V)

1 mA (at 12 V)

10 mA (at 12 V)

1 mA (at 12 V)

General data

Test voltage (winding / contact)

5 kV AC (50 Hz, 1 min.)

5 kV AC (50 Hz, 1 min.)

Test voltage (contact/contact)

-

5 kV AC (50 Hz, 1 min.)

Ambient temperature (operation), AC

-40 °C ... 70 °C

-40 °C ... 70 °C

Ambient temperature (operation), DC

-40 °C ... 70 °C

-40 °C ... 70 °C

Mechanical service life, AC

5 x 10

cycles

5 x 10

cycles

Mechanical service life, DC

5 x 10

cycles

5 x 10

cycles

Standards/regulations

EN 61810-1 , VDE 0435-201 , EN 50178

EN 61810-1 , VDE 0435-201 , EN 50178

Ordering data

Ordering data

Description

Input voltage

U

N

Type

Order No.

Pcs./

Pkt.

Type

Order No.

Pcs./

Pkt.

Plug-in miniature power relays, with power contacts

- Status LED, freewheeling diode A1+, A2-

24 V DC

REL-MR- 24DC/21HC/MS

2987888

10

REL-MR- 24DC/21-21/MS

2987943

10

- Status LED

24 V AC

REL-MR- 24AC/21HC/MS

2987891

10

REL-MR- 24AC/21-21/MS

2987956

10

- Status LED

120 V AC

REL-MR-120AC/21HC/MS

2987901

10

REL-MR-120AC/21-21/MS

2987969

10

- Status LED

230 V AC

REL-MR-230AC/21HC/MS

2987914

10

REL-MR-230AC/21-21/MS

2987972

10

Plug-in miniature power relays

, with multi-layer gold contacts, 

with manual operation, mechanical switch position indicator

- Status LED, freewheeling diode A1+, A2-

24 V DC

REL-MR- 24DC/21HC AU/MS

2987927

10

REL-MR- 24DC/21-21AU/MS

2987985

10

- Status LED

230 V AC

REL-MR-230AC/21HC AU/MS

2987930

10

REL-MR-230AC/21-21AU/MS

2987998

10

Relay modules

Industrial relay system - RIFLINE complete

1-PDT relay with manual operation,

16

 

A, maximum

2-PDT relay with manual operation,

2

 

x

 

8

 

A, maximum

phoenixcontact-interface-technology-and-switching-devices-html.html
background image

0,

6

0,8

1

1

,

2

1

,

4

1

,

6

1

,8

2

2

,

2

2

,

4

2

,

6

0

1

0

2

0

3

0

4

0

5

0

6

0

70

80

90

1

00

1

2

2

0

1

0

5

2

1

0

,5

0

,2

0

,1

1

0

2

0

3

0

5

0

7

0

1

00

2

00

3

00

4

00

5

00

1
2

1

0

,9

0

,

3

0

,

4

0

,

5

0

,

6

0

,

7

0

,

8

0

,9

1

0

,

8

0

,

7

0

,

6

0

,

5

0

,

4

0

,

3

0

,

2

0,

6

0,8

1

1

,

2

1

,

4

1

,

6

1

,8

2

2

,

2

2

,

4

2

,

6

0

1

0

2

0

3

0

4

0

5

0

6

0

70

80

90

1

00

2

0

1

0

5

2

1

0,

5

0,

2

0,

1

1

0

2

0

3

0

5

0

70

1

00

2

00

3

00

4

00

5

00

1

0

,9

0

,

3

0

,

4

0

,

5

0

,

6

0

,

7

0

,

8

0

,9

1

0

,

8

0

,

7

0

,

6

0

,

5

0

,

4

0

,

3

0

,

2

0

1

4

8

12

16

1

0

7

1

0

6

1

0

5

1

0

4

2 3

5 6 7

11

9

1

0

15

14

13

1

1

0

1

4

8

12

16

1

0

7

1

0

6

1

0

5

1

0

4

2 3

5 6 7

11

9

1

0

15

14

13

1

1

For further information and full technical data, visit phoenixcontact.net/products

307

PHOENIX CONTACT

REL-MR...21HC...MS (1-PDT)

Operating voltage range

Interrupting rating

Ambient temperature [°C]

Coil

voltage

U/U

N

DC coils, 0 A contact current

AC coils, 0 A contact current

DC coils,

1

6 A contact current

AC coils,

1

6 A contact current

Sw

i

tch

i

ng vo

l

tage

[

V

]

Sw

i

tch

i

ng

current

[

A

]

AC, ohm

i

c

l

oad

DC, ohm

i

c

l

oad

Service life reduction factor with various cos phi

COS

j

Reduction

factor

REL-MR...21-21...MS (2-PDT)

Operating voltage range

Interrupting rating

Ambient temperature [°C]

Coil

voltage

U/U

N

DC coils, 0 A contact current

AC coils, 0 A contact current

DC coils, 8 A contact current

AC coils, 8 A contact current

AC, ohmic load

DC, ohmic load, contacts in series

DC, ohmic load

Switching voltage [V]

Switching

curren

t

[A]

Service life reduction factor with various cos phi

COS

j

Reduction

factor

Electrical service life

Cycles

Switching current [A]

2

50 V AC, ohmic load

Electrical service life

Cycles

Switching current [A]

2

50 V AC, ohmic load

Relay modules

Industrial relay system - RIFLINE complete

phoenixcontact-interface-technology-and-switching-devices-html.html
background image

14

A1

11

12

A2

24

14

A1

21

11

22

12

A2

308

PHOENIX CONTACT

Bipolar, plug-in miniature power relays

Bipolar, plug-in miniature power relays 

with 1 or 2 changeover contacts, suitable 
for the RIF-1 relay base.

The advantages:

– Switching current of up to 16 A
– With detectable manual operation
– Mechanical switch position indicator
– Multi-layer power contact
– Can be soldered on PCB
– Special voltages (100 and 200 V AC)

Notes:

When mounting relays on a DIN rail base or PCB, data may be 

limited, especially with regard to the limiting continuous current 

and/or ambient temperature range. See “General” section in 

“Basics of relay technology” on page 286.

new

new

Technical data

Technical data

Input data

 

 

 

 

 

 

 

 

 

 

 

 

 

 

 

 

 

 

 

 

 

 

Permissible range (with reference to U

N

)

see diagram

see diagram

Typical input current at U

N

[mA]

17

8

4

17

8

4

Typical response time at U

N

[ms]

9

9

Typical response time at U

N

 

( depending on phase relation )

[ms]

3 - 12

3 - 12

3 - 12

3 - 12

Typical release time at U

N

[ms]

6

6

Typical release time at U

N

 

( depending on phase relation )

[ms]

2 - 8

2 - 8

2 - 8

2 - 8

Output data

Contact type

1 PDT

2 PDT

Contact material

AgNi

AgNi

Max. switching voltage

250 V AC/DC

250 V AC/DC

Minimum switching voltage

12 V (at 10 mA)

12 V (at 10 mA)

Limiting continuous current

16 A

8 A

Maximum switch-on current AC

32 A (20 ms)

16 A (20 ms)

Maximum switch-on current DC

32 A (20 ms)

16 A (20 ms)

Minimum switching current

10 mA (at 12 V)

10 mA (at 12 V)

General data

Test voltage (winding / contact)

5 kV AC (50 Hz, 1 min.)

5 kV AC (50 Hz, 1 min.)

Ambient temperature (operation), AC

-40 °C ... 70 °C

-40 °C ... 70 °C

Ambient temperature (operation), DC

-40 °C ... 70 °C

-40 °C ... 70 °C

Mechanical service life, AC

5 x 10

cycles

5 x 10

cycles

Mechanical service life, DC

5 x 10

cycles

5 x 10

cycles

Standards/regulations

IEC 61810 , IEC

 

60664

IEC 61810 , IEC

 

60664

Ordering data

Ordering data

Description

Input voltage

U

N

Type

Order No.

Pcs./

Pkt.

Type

Order No.

Pcs./

Pkt.

Bipolar, plug-in miniature power relays,

 with power contacts

24 V DC

REL-MR-BL-24DC/21HC/MS

2908180

10

REL-MR-BL-24DC/21-21/MS

2908181

10

100 V AC

REL-MR-BL-100AC/21HC/MS

2908179

10

REL-MR-BL-100AC/21-21/MS

2908183

10

200 V AC

REL-MR-BL-200AC/21HC/MS

2908178

10

REL-MR-BL-200AC/21-21/MS

2908182

10

Relay modules

Industrial relay system - RIFLINE complete

1-PDT relay (bipolar) with

manual operation, max. 16

 

A

2-PDT relay (bipolar) with

manual operation, max. 2

 

x

 

8

 

A

phoenixcontact-interface-technology-and-switching-devices-html.html
background image

0,

6

0,8

1

1

,

2

1

,

4

1

,

6

1

,8

2

2

,

2

2

,

4

2

,

6

0

1

0

2

0

3

0

4

0

5

0

6

0

70

80

90

1

00

1

2

2

0

1

0

5

2

1

0

,5

0

,2

0

,1

1

0

2

0

3

0

5

0

7

0

1

00

2

00

3

00

4

00

5

00

1
2

1

0

,9

0

,

3

0

,

4

0

,

5

0

,

6

0

,

7

0

,

8

0

,9

1

0

,

8

0

,

7

0

,

6

0

,

5

0

,

4

0

,

3

0

,

2

0,

6

0,8

1

1

,

2

1

,

4

1

,

6

1

,8

2

2

,

2

2

,

4

2

,

6

0

1

0

2

0

3

0

4

0

5

0

6

0

70

80

90

1

00

2

0

1

0

5

2

1

0,

5

0,

2

0,

1

1

0

2

0

3

0

5

0

70

1

00

2

00

3

00

4

00

5

00

1

0

,9

0

,

3

0

,

4

0

,

5

0

,

6

0

,

7

0

,

8

0

,9

1

0

,

8

0

,

7

0

,

6

0

,

5

0

,

4

0

,

3

0

,

2

0

1

4

8

12

16

1

0

7

1

0

6

1

0

5

1

0

4

2 3

5 6 7

11

9

1

0

15

14

13

1

1

0

1

4

8

12

16

1

0

7

1

0

6

1

0

5

1

0

4

2 3

5 6 7

11

9

1

0

15

14

13

1

1

For further information and full technical data, visit phoenixcontact.net/products

309

PHOENIX CONTACT

REL-MR-BL...21HC/MS (1-PDT)

Operating voltage range

Interrupting rating

Ambient temperature [°C]

Coil

voltage

U/U

N

DC coils, 0 A contact current

AC coils, 0 A contact current

DC coils,

1

6 A contact current

AC coils,

1

6 A contact current

Sw

i

tch

i

ng vo

l

tage

[

V

]

Sw

i

tch

i

ng

current

[

A

]

AC, ohm

i

c

l

oad

DC, ohm

i

c

l

oad

Service life reduction factor with various cos phi

COS

j

Reduction

factor

REL-MR-BL...21-21/MS (2-PDT)

Operating voltage range

Interrupting rating

Ambient temperature [°C]

Coil

voltage

U/U

N

DC coils, 0 A contact current

AC coils, 0 A contact current

DC coils, 8 A contact current

AC coils, 8 A contact current

AC, ohmic load

DC, ohmic load, contacts in series

DC, ohmic load

Switching voltage [V]

Switching

curren

t

[A]

Service life reduction factor with various cos phi

COS

j

Reduction

factor

Electrical service life

Cycles

Switching current [A]

2

50 V AC, ohmic load

Electrical service life

Cycles

Switching current [A]

2

50 V AC, ohmic load

Relay modules

Industrial relay system - RIFLINE complete

phoenixcontact-interface-technology-and-switching-devices-html.html
background image

A1

A2

13+

14

 

310

PHOENIX CONTACT

Plug-in solid-state relays are suitable 

for both relay bases RIF-1 and 
PLC-INTERFACE.

The advantages:

– Switching current of up to 5 A
– RT III-proof (wash-proof )
– Vibration and shock-resistant
– Wear-free and long-lasting
– Zero voltage switch at AC output
– Can be soldered on PCB

Plug-in solid-state relays

Technical data

Input data

 

 

 

 

 

 

 

 

 

 

 

Permissible range (with reference to U

N

)

0.8  - 

1.2

0.8 - 

1.2

0.9 - 

1.1

Switching level

1 signal ("H") [V DC] 

2.5

16

35

0 signal ("L") [V DC] 

0.8

10

20

Typical input current at U

N

[mA]

9

7

3

Typical switch-on time at U

N

[µs]

10

20

25

Typical switch-off time at U

N

[µs]

400

400

400

Transmission frequency f

limit

[Hz]

300

300

300

Output data

Max. switching voltage

33 V DC

Minimum switching voltage

3 V DC

Limiting continuous current

5 A (see derating curve)

2 A (see derating curve)

Minimum load current

-

Maximum switch-on current

15 A (10 ms)

Leakage current in off state

-

Output circuit

2-wire, floating

Max. load value

-

Output protection

Reverse polarity protection, surge protection

Surge protection

Voltage drop at maximum limiting continuous current

 200 mV

General data

Rated surge voltage

Basic insulation

Test voltage input/output

2.5 kV (50 Hz, 1 min.)

Ambient temperature (operation)

-25 °C ... 60 °C

Nominal operating mode

100% operating factor

100% operating factor

Standards/regulations

IEC

 

60664 , EN 50178

IEC

Degree of pollution/surge voltage category

2 / III

Mounting position/mounting

any / In rows with zero spacing

any / See derating curve

Dimensions

W / H / D

12.7 mm / 29 mm / 15.7 mm

12.7 mm / 29 mm / 15.7 mm

Ordering data

Description

Input voltage

U

N

Type

Order No.

Pcs./

Pkt.

Plug-in solid-state relays

Solid-state power relays

5 V DC

OPT- 5DC/ 24DC/  5

2982113

10

Solid-state power relays

24 V DC

OPT-24DC/ 24DC/  5

2982100

10

Solid-state power relays

60 V DC

OPT-60DC/ 24DC/  5

2982126

10

Notes:

For dimensional drawings and perforations for assembly, see 

page 399

When mounting relays on a DIN rail base or PCB, data may be 

limited, especially with regard to the limiting continuous current 

and/or ambient temperature range. See “General” section in 

“Basics of relay technology” on page 286.

Relay modules

Industrial relay system - RIFLINE complete

Solid-state relay,

DC output max. 5

 

A

phoenixcontact-interface-technology-and-switching-devices-html.html
background image

0

2

1

,

8

1

,

6

1

,

4

1

,

2

1

0

,

8

0

,

6

0 25 30 35 40 45 50 55 60

1

2

1
2

0

1

2

3

4

5

0 25 30 35 40 45 50 55 60

A1

13

14

A2

For further information and full technical data, visit phoenixcontact.net/products

 

311

PHOENIX CONTACT

Technical data

 

 

 

 

 

 

 

 

 

 

0.8 - 

1.2

0.8 - 

1.2

3

18

1

8.4

15

7

10000

10000

10000

10000

10

10

253 V AC

24 V AC

Limiting continuous current

5 A (see derating curve)

2 A (see derating curve)

25 mA

30 A (10 ms)

< 1 mA

2-conductor floating, zero voltage switch

4 A

2

s (tp = 10 ms, at 25 °C)

Output protection

Reverse polarity protection, surge protection

Surge protection

 1 V

Basic insulation

2.5 kV (50 Hz, 1 min.)

-25 °C ... 60 °C

Nominal operating mode

100% operating factor

100% operating factor

60664 , EN 50178

IEC

 

60664 , EN 50178

2 / III

Mounting position/mounting

any / In rows with zero spacing

any / See derating curve

Dimensions

W / H / D

12.7 mm / 29 mm / 15.7 mm

12.7 mm / 29 mm / 15.7 mm

Ordering data

Type

Order No.

Pcs./

Pkt.

OPT- 5DC/230AC/  2

2982168

10

OPT-24DC/230AC/  2

2982171

10

Ambient temperature range [°C]

L

o

ad

 c

u

rre

n

t [

A

]

Aligned with > 10 mm spacing

Aligned without spacing

Derating curve for OPT...DC/24DC/5 solid-state relays

Ambient temperature range [°C]

L

o

a

d

 c

u

rre

n

[A

]

Derating curve for OPT...DC/230AC/2 solid-state relays

Relay modules

Industrial relay system - RIFLINE complete

Solid-state relay,

AC output max. 2

 

A

phoenixcontact-interface-technology-and-switching-devices-html.html
background image

 

 

 

 

 

Technical data

Nominal voltage U

N

250 V AC/DC

Nominal current at U

N

max. 12 A (Depends on application/assembly)

max. 12 A (Depends on application/assembly)

-

-

General data

Ambient temperature (operation)

-40 °C ... 85 °C (Depends on application/assembly)

-40 °C ... 85 °C (Depends on application/assem

Connection data solid/stranded/AWG

0.14 ... 1.5 mm² / 0.14 ... 1.5 mm² / 26 - 16

0.14 ... 6 mm² / 0.14 ... 4 mm² / 26 - 10

-

-

Dimensions

Width

31 mm

Depth with retaining bracket

75 mm

Height

96 mm

Ordering data

Description

Type

Order No.

Pcs./

Pkt.

RIF-2 relay base

, plug-in option for interference suppression 

module, safe isolation I/O with Push-in connection

RIF-2-BPT/4X21

2900934

10

RIF-2 relay base

, plug-in option for interference suppression 

module, safe isolation I/O with screw connection

Plastic relay retaining bracket

, with ejector function and holder 

for marking material, suitable for RIF-2 relay base

Reinforced plastic relay retaining bracket

, with ejector function 

and holder for marking material, suitable for RIF-2 relay base

Relay retaining bracket

, wire model, suitable for RIF-2 relay base

Accessories

Plug-in bridge

2-pos. red, 32 A

FBS  2-6

3030336

50

2-pos. red, 24 A

FBSR  2-6

3033715

50

2-pos. blue, 32 A

FBS  2-6 BU

3036932

50

2-pos. gray, 32 A

FBS  2-6 GY

3032237

50

End bracket, 

for snapping onto NS 35, 9.5 mm wide, can be 

marked with ZB 6, ZB 8/27, KLM...

CLIPFIX 35

3022218

50

Test plug,

 consisting of:

Metal part

 for 2.3 mm Ø socket hole and

silver

MPS-MT

0201744

10

Insulating sleeve,

 for MPS metal part

red

MPS-IH RD

0201676

10

white

MPS-IH WH

0201663

10

blue

MPS-IH BU

0201689

10

yellow

MPS-IH YE

0201692

10

green

MPS-IH GN

0201702

10

gray

MPS-IH GY

0201728

10

black

MPS-IH BK

0201731

10

Zack marker strip, unprinted

10-section

ZB 5 :UNBEDRUCKT

1050004

10

5-section

ZB 15:UNBEDRUCKT

0811972

10

Double marker carrier for ZB 5

STP 5-2

0800967

100

312

PHOENIX CONTACT

D W

H

Modular RIF-2 relay base
 

Notes:

Type of insulating housing:

Polyamide PA, non-reinforced, color: gray.

For further marking systems and mounting material, see Catalog 3.

When mounting relays on a DIN rail base or PCB, data may be 

limited, especially with regard to the limiting continuous current 

and/or ambient temperature range. See “General” section in 

“Basics of relay technology” on page 286.

Relay base for assembly with 2 or 4-PDT 

industrial relay.

Range of accessories includes:

– Plug-in interference suppression module
– Plug-in timer module
– Relay retaining bracket with ejector 

function and holder for marking material

– Comprehensive range of marking material
– Test plug
– FBS 2-6 plug-in bridges for the input side 

(A2)

Relay modules

Industrial relay system - RIFLINE complete

4-PDT relay base with 

Push-in connection technology for 

industrial relays

phoenixcontact-interface-technology-and-switching-devices-html.html
background image

For further information and full technical data, visit phoenixcontact.net/products

 

 

 

Technical data

Technical data

Technical data

250 V AC/DC

-

-

max. 12 A (Depends on application/assembly)

max. 12 A (Depends on application/assembly)

-

-

lication/assembly)

-40 °C ... 85 °C (Depends on application/assembly)

-

-

Connection data solid/stranded/AWG

0.14 ... 1.5 mm² / 0.14 ... 1.5 mm² / 26 - 16

0.14 ... 6 mm² / 0.14 ... 4 mm² / 26 - 10

-

-

27 mm

-

-

75 mm

-

-

89 mm

-

-

Ordering data

Ordering data

Ordering data

Type

Order No.

Pcs./

Pkt.

Type

Order No.

Pcs./

Pkt.

Type

Order No.

Pcs./

Pkt.

RIF-2-BSC/4X21

2900932

10

RIF-RH-2

2900954

10

RIF-RHS-2

2908043

10

RIF-RHM-2

2905984

10

Accessories

Accessories

Accessories

FBS  2-6

3030336

50

FBSR  2-6

3033715

50

FBS  2-6 BU

3036932

50

FBS  2-6 GY

3032237

50

CLIPFIX 35

3022218

50

MPS-MT

0201744

10

MPS-IH RD

0201676

10

MPS-IH WH

0201663

10

MPS-IH BU

0201689

10

MPS-IH YE

0201692

10

MPS-IH GN

0201702

10

MPS-IH GY

0201728

10

MPS-IH BK

0201731

10

ZB 5 :UNBEDRUCKT

1050004

10

ZB 15:UNBEDRUCKT

0811972

10

STP 5-2

0800967

100

313

PHOENIX CONTACT

D W

H

new

Relay modules

Industrial relay system - RIFLINE complete

4-PDT relay base with 

screw connection technology for 

industrial relays

Plastic relay retaining bracket for 

RIF-2 base

Metal wire relay retaining bracket for 

RIF-2 base

phoenixcontact-interface-technology-and-switching-devices-html.html
background image

12

A1

11

14

42

41

44

A2

12

A1

11

14

22

21

24

32

31

34

42

41

44

A2

 

 

 

 

 

 

314

PHOENIX CONTACT

Plug-in industrial relays

Plug-in industrial relays with 2 or 

4 changeover contacts, suitable for 
RIF-2 relay base.

The advantages:

– With detectable manual operation
– Mechanical switch position indicator
– Integrated  status  LED
– Multi-layer gold contact or power contact
– DC types with integrated freewheeling 

diode

Notes:

For other voltages, see phoenixcontact.net/products

When mounting relays on a DIN rail base or PCB, data may be 

limited, especially with regard to the limiting continuous current 

and/or ambient temperature range. See “General” section in 

“Basics of relay technology” on page 286.

Technical data

Technical data

Input data

 

 

 

 

 

 

 

 

 

 

 

 

 

 

 

 

 

 

 

 

 

 

 

 

 

 

 

 

 

 

 

 

Permissible range (with reference to U

N

)

see diagram

see diagram

Typical input current at U

N

[mA]

78

42

8

7.7

4

66

13

6.5

78

42

8

7.7

4

66

13

6.5

Typical response time at U

N

[ms]

13

13

13

13

13

13

13

13

13

13

Typical response time at U

N

 

( depending on phase relation )

[ms]

5 - 15

5 - 15

5 - 15

5 - 15

5 - 15

5 - 15

Typical release time at U

N

[ms]

14

14

14

14

14

14

14

14

14

14

Typical release time at U

N

 

( depending on phase relation )

[ms]

5 - 20

5 - 20

5 - 20

5 - 20

5 - 20

5 - 20

Output data

Contact type

2 PDT

4 PDT

4 PDT

Contact material

AgNi

AgNi

AgNi, hard gold-plated

Max. switching voltage

250 V AC/DC

250 V AC/DC

30 V AC / 36 V DC

Minimum switching voltage

5 V (At 24 mA)

5 V (At 24 mA)

5 V (At 24 mA)

Limiting continuous current

12 A

6 A

50 mA

Maximum switch-on current AC

30 A (20 ms, N/O contact)

16 A (20 ms, N/O contact)

50 mA

Maximum switch-on current DC

30 A (20 ms, N/O contact)

16 A (20 ms, N/O contact)

50 mA

Minimum switching current

5 mA (at 24 V)

5 mA (at 24 V)

-

General data

Test voltage (winding / contact)

2.5 kV

rms

 (50 Hz, 1 min.)

2.5 kV

rms

 (50 Hz, 1 min.)

Ambient temperature (operation), AC

-40 °C ... 55 °C

-40 °C ... 55 °C

Ambient temperature (operation), DC

-40 °C ... 70 °C

-40 °C ... 70 °C

Mechanical service life, AC

Approx. 2x 10

7

 cycles

Approx. 2x 10

7

 cycles

Mechanical service life, DC

Approx. 2x 10

7

 cycles

Approx. 2x 10

7

 cycles

Standards/regulations

IEC

 

60664 , IEC 61810

IEC

 

60664 , IEC 61810

Ordering data

Ordering data

Description

Input voltage

U

N

Type

Order No.

Pcs./

Pkt.

Type

Order No.

Pcs./

Pkt.

Plug-in industrial relays, with power contacts

With freewheeling diode

12 V DC

REL-IR2/LDP- 12DC/2X21

2903659

10

REL-IR4/LDP- 12DC/4X21

2903676

10

With freewheeling diode

24 V DC

REL-IR2/LDP- 24DC/2X21

2903660

10

REL-IR4/LDP- 24DC/4X21

2903677

10

With freewheeling diode

110 V DC

REL-IR2/LDP-110DC/2X21

2903663

10

REL-IR4/LDP-110DC/4X21

2903680

10

With freewheeling diode

125 V DC

REL-IR2/LDP-125DC/2X21

2903664

10

REL-IR4/LDP-125DC/4X21

2903681

10

With freewheeling diode

220 V DC

REL-IR2/LDP-220DC/2X21

2903665

10

REL-IR4/LDP-220DC/4X21

2903682

10

24 V AC

REL-IR2/L- 24AC/2X21

2903666

10

REL-IR4/L- 24AC/4X21

2903686

10

120 V AC

REL-IR2/L-120AC/2X21

2903667

10

REL-IR4/L-120AC/4X21

2903687

10

230 V AC

REL-IR2/L-230AC/2X21

2903668

10

REL-IR4/L-230AC/4X21

2903688

10

Plug-in industrial relays, with multi-layer gold contacts

With freewheeling diode

12 V DC

REL-IR4/LDP- 12DC/4X21AU

2903669

10

With freewheeling diode

24 V DC

REL-IR4/LDP- 24DC/4X21AU

2903670

10

With freewheeling diode

110 V DC

REL-IR4/LDP-110DC/4X21AU

2903673

10

With freewheeling diode

125 V DC

REL-IR4/LDP-125DC/4X21AU

2903674

10

With freewheeling diode

220 V DC

REL-IR4/LDP-220DC/4X21AU

2903675

10

24 V AC

REL-IR4/L- 24AC/4X21AU

2903683

10

120 V AC

REL-IR4/L-120AC/4X21AU

2903684

10

230 V AC

REL-IR4/L-230AC/4X21AU

2903685

10

Relay modules

Industrial relay system - RIFLINE complete

2-PDT industrial relay with

manual operation, max. 2

 

x

 

12

 

A

4-PDT industrial relay with

manual operation, max. 4

 

x

 

6

 

A

phoenixcontact-interface-technology-and-switching-devices-html.html
background image

0,

6

0,8

1

1

,

2

1

,

4

1

,

6

1

,8

2

2

,

2

2

,

4

0

1

0

2

0

3

0

4

0

5

0

6

0

70

80

0,

1

0,

2

0,

3

0,

5

1

2

4

6

1

0

2

0

1

0

2

0

3

0

5

0

70

1

00

3

00

2

00

1

0

,9

0

,

3

0

,

4

0

,

5

0

,

6

0

,

7

0

,

8

0

,9

1

0

,

8

0

,

7

0

,

6

0

,

5

0

,

4

0

,

3

0

,

2

0,

6

0,8

1

1

,

2

1

,

4

1

,

6

1

,8

2

2

,

2

2

,

4

0

1

0

2

0

3

0

4

0

5

0

6

0

70

80

0,

1

0,

2

0,

3

0,

5

1

2

4

6

1

0

2

0

1

0

2

0

3

0

5

0

70

1

00

3

00

2

00

1

0

,9

0

,

3

0

,

4

0

,

5

0

,

6

0

,

7

0

,

8

0

,9

1

0

,

8

0

,

7

0

,

6

0

,

5

0

,

4

0

,

3

0

,

2

0

1

2

3

1

0

5

1

0

6

1

0

7

0

1

2

3

1

0

5

1

0

6

1

0

7

For further information and full technical data, visit phoenixcontact.net/products

315

PHOENIX CONTACT

REL-IR2... (2-PDT)

Operating voltage range

Interrupting rating

Ambient temperature [°C]

Coil

voltage

U/U

N

DC coils

AC coils

Switching voltage [V]

Switching

curren

t

[A]

AC, ohmic load
DC, ohmic load

Service life reduction factor

COS

j

Reduction

factor

REL-IR4... (4-PDT)

Operating voltage range

Interrupting rating

Ambient temperature [°C]

Coil

voltage

U/U

N

DC coils

AC coils

Switching voltage [V]

Switching

curren

t

[A]

AC, ohmic load

DC, ohmic load

Service life reduction factor

COS

j

Reduction

factor

Electrical service life

2

50 V AC, ohmic load

Cycles

Switching capacity [kVA]

Electrical service life

2

50 V AC, ohmic load

Cycles

Switching capacity [kVA]

Relay modules

Industrial relay system - RIFLINE complete

phoenixcontact-interface-technology-and-switching-devices-html.html
background image

12

A1

11

14

42

41

44

A2

12

A1

11

14

22

21

24

32

31

34

42

41

44

A2

 

 

 

 

316

PHOENIX CONTACT

Bipolar, plug-in industrial relays

Bipolar, plug-in industrial relays with 2 or 

4 changeover contacts, suitable for the 
RIF-2 relay base.

The advantages:

– Switching current of up to 12 A
– With detectable manual operation
– Mechanical switch position indicator
– Special voltages (100 and 200 V AC)

Notes:

When mounting relays on a DIN rail base or PCB, data may be 

limited, especially with regard to the limiting continuous current 

and/or ambient temperature range. See “General” section in 

“Basics of relay technology” on page 286.

new

new

Technical data

Technical data

Input data

 

 

 

 

 

 

 

 

 

 

 

 

 

 

 

 

 

 

 

 

 

 

Permissible range (with reference to U

N

)

see diagram

see diagram

Typical input current at U

N

[mA]

38

14.8

7.1

38

14.8

7.1

Typical response time at U

N

[ms]

13

13

Typical response time at U

N

 

( depending on phase relation )

[ms]

5 - 15

5 - 15

5 - 15

5 - 15

Typical release time at U

N

[ms]

3

3

Typical release time at U

N

 

( depending on phase relation )

[ms]

5 - 20

5 - 20

5 - 20

5 - 20

Output data

Contact type

2 PDT

4 PDT

Contact material

AgNi

AgNi

Max. switching voltage

250 V AC/DC

250 V AC/DC

Minimum switching voltage

5 V (At 24 mA)

5 V (At 24 mA)

Limiting continuous current

12 A

6 A

Maximum switch-on current AC

30 A (20 ms, N/O contact)

16 A (20 ms, N/O contact)

Maximum switch-on current DC

30 A (20 ms, N/O contact)

16 A (20 ms, N/O contact)

Minimum switching current

5 mA (at 24 V)

5 mA (at 24 V)

General data

Test voltage (winding / contact)

2.5 kV

rms

 (50 Hz, 1 min.)

2.5 kV

rms

 (50 Hz, 1 min.)

Ambient temperature (operation), AC

-40 °C ... 55 °C

-40 °C ... 55 °C

Ambient temperature (operation), DC

-40 °C ... 70 °C

-40 °C ... 70 °C

Mechanical service life, AC

Approx. 2x 10

7

 cycles

1x 10

7

 cycles, approximately

Mechanical service life, DC

Approx. 2x 10

7

 cycles

1x 10

7

 cycles, approximately

Standards/regulations

IEC

 

60664 , IEC 61810

IEC

 

60664 , IEC 61810

Ordering data

Ordering data

Description

Input voltage

U

N

Type

Order No.

Pcs./

Pkt.

Type

Order No.

Pcs./

Pkt.

Bipolar, plug-in industrial relays, 

with power contacts

24 V DC

REL-IR2/24DC/2X21

2907051

10

REL-IR4/24DC/4X21

2907054

10

100 V AC

REL-IR2/100AC/2X21

2907052

10

REL-IR4/100AC/4X21

2907055

10

200 V AC

REL-IR2/200AC/2X21

2907053

10

REL-IR4/200AC/4X21

2907056

10

Relay modules

Industrial relay system - RIFLINE complete

2-PDT industrial relay (bipolar) with

manual operation, max. 2

 

x

 

12

 

A

4-PDT industrial relay (bipolar) with

manual operation, max. 4

 

x

 

6

 

A

phoenixcontact-interface-technology-and-switching-devices-html.html
background image

0,

6

0,8

1

1

,

2

1

,

4

1

,

6

1

,8

2

2

,

2

2

,

4

0

1

0

2

0

3

0

4

0

5

0

6

0

70

80

0,

1

0,

2

0,

3

0,

5

1

2

4

6

1

0

2

0

1

0

2

0

3

0

5

0

70

1

00

3

00

2

00

1

0

,9

0

,

3

0

,

4

0

,

5

0

,

6

0

,

7

0

,

8

0

,9

1

0

,

8

0

,

7

0

,

6

0

,

5

0

,

4

0

,

3

0

,

2

0,

6

0,8

1

1

,

2

1

,

4

1

,

6

1

,8

2

2

,

2

2

,

4

0

1

0

2

0

3

0

4

0

5

0

6

0

70

80

0,

1

0,

2

0,

3

0,

5

1

2

4

6

1

0

2

0

1

0

2

0

3

0

5

0

70

1

00

3

00

2

00

1

0

,9

0

,

3

0

,

4

0

,

5

0

,

6

0

,

7

0

,

8

0

,9

1

0

,

8

0

,

7

0

,

6

0

,

5

0

,

4

0

,

3

0

,

2

0

1

2

3

1

0

5

1

0

6

1

0

7

0

1

2

3

1

0

5

1

0

6

1

0

7

For further information and full technical data, visit phoenixcontact.net/products

317

PHOENIX CONTACT

REL-IR2... (2-PDT)

Operating voltage range

Interrupting rating

Ambient temperature [°C]

Coil

voltage

U/U

N

DC coils

AC coils

Switching voltage [V]

Switching

curren

t

[A]

AC, ohmic load
DC, ohmic load

Service life reduction factor

COS

j

Reduction

factor

REL-IR4... (4-PDT)

Operating voltage range

Interrupting rating

Ambient temperature [°C]

Coil

voltage

U/U

N

DC coils

AC coils

Switching voltage [V]

Switching

curren

t

[A]

AC, ohmic load

DC, ohmic load

Service life reduction factor

COS

j

Reduction

factor

Electrical service life

2

50 V AC, ohmic load

Cycles

Switching capacity [kVA]

Electrical service life

2

50 V AC, ohmic load

Cycles

Switching capacity [kVA]

Relay modules

Industrial relay system - RIFLINE complete

phoenixcontact-interface-technology-and-switching-devices-html.html
background image

 

 

 

 

 

Technical data

Nominal voltage U

N

250 V AC/DC

Nominal current at U

N

max. 12 A (Depends on application/assembly)

max. 12 A (Depends on application/assembly)

-

-

General data

Ambient temperature (operation)

-40 °C ... 85 °C (Depends on application/assembly)

-40 °C ... 85 °C (Depends on application/assem

Connection data solid/stranded/AWG

0.14 ... 1.5 mm² / 0.14 ... 1.5 mm² / 26 - 16

0.14 ... 1.5 mm² / 0.14 ... 1.5 mm² / 26 - 16

-

-

Dimensions

Width

40 mm

Depth with retaining bracket

90 mm

Height

103 mm

Ordering data

Description

Type

Order No.

Pcs./

Pkt.

RIF-3 relay base

, 2-PDT version, plug-in option for interference 

suppression module, safe isolation I/O with Push-in connection

RIF-3-BPT/2X21

2900937

10

RIF-3 relay base

, 3-PDT version, plug-in option for interference 

suppression module, safe isolation I/O with Push-in connection

Plastic relay retaining bracket

, with holder for marking material, 

suitable for RIF-3 relay base

Relay retaining bracket

, wire model, suitable for RIF-3 relay base

Accessories

Plug-in bridge

2-pos. red, 32 A

FBS  2-6

3030336

50

2-pos. red, 24 A

FBSR  2-6

3033715

50

2-pos. blue, 32 A

FBS  2-6 BU

3036932

50

2-pos. gray, 32 A

FBS  2-6 GY

3032237

50

End bracket, 

for snapping onto NS 35, 9.5 mm wide, can be 

marked with ZB 6, ZB 8/27, KLM...

CLIPFIX 35

3022218

50

Test plug,

 consisting of:

Metal part

 for 2.3 mm Ø socket hole and

silver

MPS-MT

0201744

10

Insulating sleeve,

 for MPS metal part

red

MPS-IH RD

0201676

10

white

MPS-IH WH

0201663

10

blue

MPS-IH BU

0201689

10

yellow

MPS-IH YE

0201692

10

green

MPS-IH GN

0201702

10

gray

MPS-IH GY

0201728

10

black

MPS-IH BK

0201731

10

Zack marker strip, unprinted

10-section

ZB 5 :UNBEDRUCKT

1050004

10

5-section

ZB 15:UNBEDRUCKT

0811972

10

Double marker carrier for ZB 5

STP 5-2

0800967

100

318

PHOENIX CONTACT

D W

H

Modular RIF-3 relay base
 

Notes:

Type of insulating housing:

Polyamide PA, non-reinforced, color: gray.

For further marking systems and mounting material, see Catalog 3.

When mounting relays on a DIN rail base or PCB, data may be 

limited, especially with regard to the limiting continuous current 

and/or ambient temperature range. See “General” section in 

“Basics of relay technology” on page 286.

Relay base for assembly with 2 or 3-PDT 

relays.

Range of accessories includes:

– Plug-in interference suppression module
– Plug-in timer module
– Relay retaining bracket with ejector 

function and holder for marking material

– Comprehensive range of marking material
– Test plug
– FBS 2-6 plug-in bridges for the input side 

(A2)

Relay modules

Industrial relay system - RIFLINE complete

2-PDT relay base with 

Push-in connection technology for 

octal relays

phoenixcontact-interface-technology-and-switching-devices-html.html
background image

For further information and full technical data, visit phoenixcontact.net/products

 

 

 

 

 

 

 

 

Technical data

Technical data

Technical data

250 V AC/DC

-

-

max. 12 A (Depends on application/assembly)

max. 12 A (Depends on application/assembly)

-

-

lication/assembly)

-40 °C ... 85 °C (Depends on application/assembly)

-

-

Connection data solid/stranded/AWG

0.14 ... 1.5 mm² / 0.14 ... 1.5 mm² / 26 - 16

0.14 ... 1.5 mm² / 0.14 ... 1.5 mm² / 26 - 16

-

-

40 mm

-

-

90 mm

-

-

103 mm

-

-

Ordering data

Ordering data

Ordering data

Type

Order No.

Pcs./

Pkt.

Type

Order No.

Pcs./

Pkt.

Type

Order No.

Pcs./

Pkt.

RIF-3-BPT/3X21

2900938

10

RIF-RH-3

2900955

10

EL3-M52

2833628

10

Accessories

Accessories

Accessories

FBS  2-6

3030336

50

FBSR  2-6

3033715

50

FBS  2-6 BU

3036932

50

FBS  2-6 GY

3032237

50

CLIPFIX 35

3022218

50

MPS-MT

0201744

10

MPS-IH RD

0201676

10

MPS-IH WH

0201663

10

MPS-IH BU

0201689

10

MPS-IH YE

0201692

10

MPS-IH GN

0201702

10

MPS-IH GY

0201728

10

MPS-IH BK

0201731

10

ZB 5 :UNBEDRUCKT

1050004

10

ZB 15:UNBEDRUCKT

0811972

10

STP 5-2

0800967

100

319

PHOENIX CONTACT

D W

H

Relay modules

Industrial relay system - RIFLINE complete

3-PDT relay base with 

Push-in connection technology for 

octal relays

Plastic relay retaining bracket for 

RIF-3 base

Metal wire relay retaining bracket for 

RIF-3 base

phoenixcontact-interface-technology-and-switching-devices-html.html
background image

Technical data

Nominal voltage U

N

250 V AC/DC

Nominal current at U

N

max. 12.5 A (Depends on application/assembly)

max. 10.5 A (Depends on application/assembly)

-

-

General data

Ambient temperature (operation)

-40 °C ... 85 °C (Depends on application/assembly)

-40 °C ... 85 °C (Depends on application/assem

Connection data solid/stranded/AWG

0.14 ... 6 mm² / 0.14 ... 4 mm² / 26 - 10

0.14 ... 6 mm² / 0.14 ... 4 mm² / 26 - 10

-

-

Dimensions

Width

40 mm

Depth with retaining bracket

90 mm

Height

96 mm

Ordering data

Description

Type

Order No.

Pcs./

Pkt.

RIF-3 relay base

, 2-PDT version, plug-in option for interference 

suppression module, safe isolation I/O with screw connection

RIF-3-BSC/2X21

2900935

10

RIF-3 relay base

, 3-PDT version, plug-in option for interference 

suppression module, safe isolation I/O with screw connection

Plastic relay retaining bracket

, with holder for marking material, 

suitable for RIF-3 relay base

Relay retaining bracket

, wire model, suitable for RIF-3 relay base

Accessories

Plug-in bridge

2-pos. red, 32 A

FBS  2-6

3030336

50

2-pos. red, 24 A

FBSR  2-6

3033715

50

2-pos. blue, 32 A

FBS  2-6 BU

3036932

50

2-pos. gray, 32 A

FBS  2-6 GY

3032237

50

End bracket, 

for snapping onto NS 35, 9.5 mm wide, can be 

marked with ZB 6, ZB 8/27, KLM...

CLIPFIX 35

3022218

50

Test plug,

 consisting of:

Metal part

 for 2.3 mm Ø socket hole and

silver

MPS-MT

0201744

10

Insulating sleeve,

 for MPS metal part

red

MPS-IH RD

0201676

10

white

MPS-IH WH

0201663

10

blue

MPS-IH BU

0201689

10

yellow

MPS-IH YE

0201692

10

green

MPS-IH GN

0201702

10

gray

MPS-IH GY

0201728

10

black

MPS-IH BK

0201731

10

Zack marker strip, unprinted

10-section

ZB 5 :UNBEDRUCKT

1050004

10

5-section

ZB 15:UNBEDRUCKT

0811972

10

Double marker carrier for ZB 5

STP 5-2

0800967

100

320

PHOENIX CONTACT

D W

H

new

Modular RIF-3 relay base
 

Notes:

Type of insulating housing:

Polyamide PA, non-reinforced, color: gray.

For further marking systems and mounting material, see Catalog 3.

When mounting relays on a DIN rail base or PCB, data may be 

limited, especially with regard to the limiting continuous current 

and/or ambient temperature range. See “General” section in 

“Basics of relay technology” on page 286.

Relay base for assembly with 2 or 3-PDT 

octal relay.

Range of accessories includes:

– Plug-in interference suppression module
– Plug-in timer module
– Relay retaining bracket with ejector 

function and holder for marking material

– Comprehensive range of marking material
– Test plug
– FBS 2-6 plug-in bridges for the input side 

(A2)

Relay modules

Industrial relay system - RIFLINE complete

2-PDT relay base with 

screw connection technology for 

octal relays

phoenixcontact-interface-technology-and-switching-devices-html.html
background image

For further information and full technical data, visit phoenixcontact.net/products

 

 

 

Technical data

Technical data

Technical data

250 V AC/DC

-

-

max. 12.5 A (Depends on application/assembly)

max. 10.5 A (Depends on application/assembly)

-

-

lication/assembly)

-40 °C ... 85 °C (Depends on application/assembly)

-

-

Connection data solid/stranded/AWG

0.14 ... 6 mm² / 0.14 ... 4 mm² / 26 - 10

0.14 ... 6 mm² / 0.14 ... 4 mm² / 26 - 10

-

-

40 mm

-

-

90 mm

-

-

96 mm

-

-

Ordering data

Ordering data

Ordering data

Type

Order No.

Pcs./

Pkt.

Type

Order No.

Pcs./

Pkt.

Type

Order No.

Pcs./

Pkt.

RIF-3-BSC/3X21

2900936

10

RIF-RH-3

2900955

10

EL3-M52

2833628

10

Accessories

Accessories

Accessories

FBS  2-6

3030336

50

FBSR  2-6

3033715

50

FBS  2-6 BU

3036932

50

FBS  2-6 GY

3032237

50

CLIPFIX 35

3022218

50

MPS-MT

0201744

10

MPS-IH RD

0201676

10

MPS-IH WH

0201663

10

MPS-IH BU

0201689

10

MPS-IH YE

0201692

10

MPS-IH GN

0201702

10

MPS-IH GY

0201728

10

MPS-IH BK

0201731

10

ZB 5 :UNBEDRUCKT

1050004

10

ZB 15:UNBEDRUCKT

0811972

10

STP 5-2

0800967

100

321

PHOENIX CONTACT

D W

H

new

Relay modules

Industrial relay system - RIFLINE complete

3-PDT relay base with 

screw connection technology for 

octal relays

Plastic relay retaining bracket for 

RIF-3 base

Metal wire relay retaining bracket 

for RIF-3 base

phoenixcontact-interface-technology-and-switching-devices-html.html
background image

(

11

)

2

3

4

5

6

7

8

1

(

21

)

(

A

1

)

(

14

)

(

12

)

(

22

)

(

A

2

)

(

24

)

3

4

5

6

7

8

1

9

11

2

10

(

11

)

(

31

)

(

A

1

)

(

14

)

(

22

)

(

24

)

(

A

2

)

(

32

)

(

12

)

(

21

)

(

34

)

 

 

 

 

 

 

322

PHOENIX CONTACT

Plug-in octal relays

Plug-in octal relays with 2 or 3 changeover 

contacts, suitable for RIF-3 relay base.

The advantages:

– With detectable manual operation
– Mechanical switch position indicator
– Integrated  status  LED
– DC types with integrated freewheeling 

diode

Notes:

When mounting relays on a DIN rail base or PCB, data may be 

limited, especially with regard to the limiting continuous current 

and/or ambient temperature range. See “General” section in 

“Basics of relay technology” on page 286.

Technical data

Technical data

Input data

 

 

 

 

 

 

 

 

 

 

 

 

 

 

 

 

 

 

 

 

 

 

 

 

 

 

 

 

Permissible range (with reference to U

N

)

see diagram

see diagram

Typical input current at U

N

[mA]

60

8

108

23

13

60

8

108

23

13

Typical response time at U

N

[ms]

18

18

18

18

18

18

Typical response time at U

N

 

( depending on phase relation )

[ms]

5 - 15

5 - 15

5 - 15

5 - 15

5 - 15

5 - 15

Typical release time at U

N

[ms]

20

7

20

20

20

7

Typical release time at U

N

 

( depending on phase relation )

[ms]

5 - 20

5 - 20

5 - 20

5 - 20

5 - 20

5 - 20

Output data

Contact type

2 PDT

3 PDT

Contact material

AgNi

AgNi

Max. switching voltage

250 V AC/DC

250 V AC/DC

Minimum switching voltage

10 V (At 24 mA)

10 V (At 24 mA)

Limiting continuous current

10 A

10 A

Maximum switch-on current AC

30 A (20 ms, N/O contact)

30 A (20 ms, N/O contact)

Maximum switch-on current DC

30 A (20 ms, N/O contact)

30 A (20 ms, N/O contact)

Minimum switching current

10 mA (at 24 V)

10 mA (at 24 V)

General data

Test voltage (winding / contact)

2.5 kV

rms

 (50 Hz, 1 min.)

2.5 kV

rms

 (50 Hz, 1 min.)

Ambient temperature (operation), AC

-40 °C ... 55 °C

-40 °C ... 55 °C

Ambient temperature (operation), DC

-40 °C ... 70 °C

-40 °C ... 70 °C

Nominal operating mode

100% operating factor

100% operating factor

Mechanical service life, AC

Approx. 2x 10

7

 cycles

Approx. 2x 10

7

 cycles

Mechanical service life, DC

Approx. 2x 10

7

 cycles

Approx. 2x 10

7

 cycles

Standards/regulations

IEC

 

60664 , IEC 61810

IEC

 

60664 , IEC 61810

Mounting position/mounting

any

any

Dimensions

W / H / D

35 mm / 54.4 mm / 35 mm

35 mm / 54.4 mm / 35 mm

Ordering data

Ordering data

Description

Input voltage

U

N

Type

Order No.

Pcs./

Pkt.

Type

Order No.

Pcs./

Pkt.

Plug-in octal relays, with power contacts

With freewheeling diode

24 V DC

REL-OR2/LDP- 24DC/2X21

2903689

10

REL-OR3/LDP-24DC/3X21

2903693

10

48 V DC

REL-OR3/LDP-48DC/3X21

2908897

10

110 V DC

REL-OR3/LDP-110DC/3X21

2908898

10

220 V DC

REL-OR2/LDP-220DC/2X21

2907026

10

REL-OR3/LDP-220DC/3X21

2907027

10

24 V AC

REL-OR2/L- 24AC/2X21

2903690

10

REL-OR3/L- 24AC/3X21

2903694

10

120 V AC

REL-OR2/L-120AC/2X21

2903691

10

REL-OR3/L-120AC/3X21

2903695

10

230 V AC

REL-OR2/L-230AC/2X21

2903692

10

REL-OR3/L-230AC/3X21

2903696

10

Relay modules

Industrial relay system - RIFLINE complete

2-PDT octal relay with

manual operation, max. 2

 

x

 

10

 

A

3-PDT octal relay with

manual operation, max. 3

 

x

 

10

 

A

phoenixcontact-interface-technology-and-switching-devices-html.html
background image

0,

6

0,8

1

,0

1

,

2

1

,

4

1

,

6

1

,8

0

1

0

2

0

3

0

4

0

5

0

6

0

70

80

0,

1

0,

2

0,

3

0,

5

1

2

4

6

1

0

2

0

1

0

2

0

3

0

5

0

70

1

00

3

00

2

00

1

0

,9

0

,

3

0

,

4

0

,

5

0

,

6

0

,

7

0

,

8

0

,9

1

0

,

8

0

,

7

0

,

6

0

,

5

0

,

4

0

,

3

0

,

2

0,

6

0,8

1

,0

1

,

2

1

,

4

1

,

6

1

,8

0

1

0

2

0

3

0

4

0

5

0

6

0

70

80

0,

1

0,

2

0,

3

0,

5

1

2

4

6

1

0

2

0

1

0

2

0

3

0

5

0

70

1

00

3

00

2

00

1

0

,9

0

,

3

0

,

4

0

,

5

0

,

6

0

,

7

0

,

8

0

,9

1

0

,

8

0

,

7

0

,

6

0

,

5

0

,

4

0

,

3

0

,

2

0 0,

2

0,

4

0,

6

0,8

1

,0

1

,

2 1

,

4 1

,

6 1

,8

2

,0

2

,

2 2

,

4 2

,

6

1

0

4

1

0

5

1

0

5

1

0

6

1

0

7

0 0,

2

0,

4

0,

6

0,8

1

,0

1

,

2 1

,

4 1

,

6 1

,8

2

,0

2

,

2 2

,

4 2

,

6

1

0

4

1

0

5

1

0

5

1

0

6

1

0

7

For further information and full technical data, visit phoenixcontact.net/products

323

PHOENIX CONTACT

REL-OR2... (2-PDT)

Operating voltage range

Interrupting rating

Ambient temperature [°C]

Coil

voltage

U/U

N

DC coils

AC coils

Switching voltage [V]

Switching

curren

t

[A]

AC, ohmic load
DC, ohmic load

Service life reduction factor

COS

j

Reduction

factor

REL-OR3... (3-PDT)

Operating voltage range

Interrupting rating

Ambient temperature [°C]

Coil

voltage

U/U

N

DC coils

AC coils

Switching voltage [V]

Switching

curren

t

[A]

AC, ohmic load
DC, ohmic load

Service life reduction factor

COS

j

Reduction

factor

Electrical service life

2

50 V AC, ohmic load

Cycles

Switching capacity [kVA]

Electrical service life

2

50 V AC, ohmic load

Cycles

Switching capacity [kVA]

Relay modules

Industrial relay system - RIFLINE complete

phoenixcontact-interface-technology-and-switching-devices-html.html
background image

 

 

 

 

 

Technical data

Nominal voltage U

N

440 V AC

Nominal current at U

N

max. 16 A (Depends on application/assembly)

max. 13 A (Depends on application/assembly)

-

-

General data

Ambient temperature (operation)

-40 °C ... 85 °C (Depends on application/assembly)

-40 °C ... 85 °C (Depends on application/assem

Connection data solid/stranded/AWG

Input side

0.14 ... 1.5 mm² / 0.14 ... 1.5 mm² / 26 - 16

0.14 ... 6 mm² / 0.14 ... 4 mm² / 26 - 10

-

-

Output side

0.14 ... 2.5 mm² / 0.14 ... 2.5 mm² / 26 - 14

0.14 ... 6 mm² / 0.14 ... 4 mm² / 26 - 10

-

-

Dimensions

Width

43 mm

Depth with retaining bracket

90 mm

Height

111 mm

Ordering data

Description

Type

Order No.

Pcs./

Pkt.

RIF-4 relay base

, plug-in option for interference suppression 

module, safe isolation I/O with Push-in connection

RIF-4-BPT/3X21

2900961

10

RIF-4 relay base

, plug-in option for interference suppression 

module, safe isolation I/O with screw connection

Relay retaining bracket

, with holder for marking material, suitable 

for RIF-4 relay base

Relay retaining bracket

, wire model, suitable for RIF-4 relay base

Accessories

Plug-in bridge

2-pos. red, 32 A

FBS  2-6

3030336

50

2-pos. red, 24 A

FBSR  2-6

3033715

50

2-pos. blue, 32 A

FBS  2-6 BU

3036932

50

2-pos. gray, 32 A

FBS  2-6 GY

3032237

50

End bracket, 

for snapping onto NS 35, 9.5 mm wide, can be 

marked with ZB 6, ZB 8/27, KLM...

CLIPFIX 35

3022218

50

Test plug,

 consisting of:

Metal part

 for 2.3 mm Ø socket hole and

silver

MPS-MT

0201744

10

Insulating sleeve,

 for MPS metal part

red

MPS-IH RD

0201676

10

white

MPS-IH WH

0201663

10

blue

MPS-IH BU

0201689

10

yellow

MPS-IH YE

0201692

10

green

MPS-IH GN

0201702

10

gray

MPS-IH GY

0201728

10

black

MPS-IH BK

0201731

10

Zack marker strip, unprinted

10-section

ZB 5 :UNBEDRUCKT

1050004

10

5-section

ZB 15:UNBEDRUCKT

0811972

10

Double marker carrier for ZB 5

STP 5-2

0800967

100

324

PHOENIX CONTACT

D W

H

Modular RIF-4 relay base
 

Notes:

Type of insulating housing:

Polyamide PA, non-reinforced, color: gray.

For further marking systems and mounting material, see Catalog 3.

When mounting relays on a DIN rail base or PCB, data may be 

limited, especially with regard to the limiting continuous current 

and/or ambient temperature range. See “General” section in 

“Basics of relay technology” on page 286.

Relay base for assembly with 2 or 3-PDT 

relays or 3-N/O relays.

Range of accessories includes:

– Plug-in interference suppression module
– Plug-in timer module
– Relay retaining bracket with ejector 

function and holder for marking material

– Comprehensive range of marking material
– Test plug
– FBS 2-6 plug-in bridges for the input side 

(A2)

Relay modules

Industrial relay system - RIFLINE complete

3-PDT relay base with 

Push-in connection technology for 

high-power relays

phoenixcontact-interface-technology-and-switching-devices-html.html
background image

For further information and full technical data, visit phoenixcontact.net/products

 

 

 

Technical data

Technical data

Technical data

440 V AC

-

-

max. 16 A (Depends on application/assembly)

max. 13 A (Depends on application/assembly)

-

-

lication/assembly)

-40 °C ... 85 °C (Depends on application/assembly)

-

-

Input side

0.14 ... 1.5 mm² / 0.14 ... 1.5 mm² / 26 - 16

0.14 ... 6 mm² / 0.14 ... 4 mm² / 26 - 10

-

-

Output side

0.14 ... 2.5 mm² / 0.14 ... 2.5 mm² / 26 - 14

0.14 ... 6 mm² / 0.14 ... 4 mm² / 26 - 10

-

-

44 mm

-

-

91 mm

-

-

96 mm

-

-

Ordering data

Ordering data

Ordering data

Type

Order No.

Pcs./

Pkt.

Type

Order No.

Pcs./

Pkt.

Type

Order No.

Pcs./

Pkt.

RIF-4-BSC/3X21

2900960

10

RIF-RH-4

2900956

10

RIF-RHM-4

2905983

10

Accessories

Accessories

Accessories

325

PHOENIX CONTACT

D W

H

new

Relay modules

Industrial relay system - RIFLINE complete

3-PDT relay base with 

screw connection technology for 

high-power relays

Plastic relay retaining bracket for 

RIF-4 base

Metal wire relay retaining bracket for 

RIF-4 base

phoenixcontact-interface-technology-and-switching-devices-html.html
background image

12

A1

11

14

32

31

34

A2

12

A1

11

14

22

21

24

32

31

34

A2

 

 

 

 

326

PHOENIX CONTACT

Plug-in high-power relays

Plug-in high-power relays with 2 or 

3 changeover contacts for the RIF-4 relay 
base.

The advantages:

– Use in miniature contactor applications
– Switching current of up to 16 A
– Up to 440 V AC switching voltage

Notes:

When mounting relays on a DIN rail base or PCB, data may be 

limited, especially with regard to the limiting continuous current 

and/or ambient temperature range. See “General” section in 

“Basics of relay technology” on page 286.

Technical data

Technical data

Input data

 

 

 

 

 

 

 

 

 

 

 

 

 

 

 

 

 

 

 

 

 

 

 

 

 

Permissible range (with reference to U

N

)

see diagram

see diagram

Typical input current at U

N

[mA]

56

116

23

12

56

116

23

12

Typical response time at U

N

[ms]

20

20

20

Typical response time at U

N

 

( depending on phase relation )

[ms]

5 - 25

5 - 25

5 - 25

5 - 25

5 - 25

5 - 25

Typical release time at U

N

[ms]

15

15

15

Typical release time at U

N

 

( depending on phase relation )

[ms]

5 - 20

5 - 20

5 - 20

5 - 20

5 - 20

5 - 20

Output data

Contact type

2 PDT

3 PDT

Contact material

AgNi

AgNi

Max. switching voltage

440 V AC / 250 V DC

440 V AC / 250 V DC

Minimum switching voltage

10 V (At 24 mA)

10 V (At 24 mA)

Limiting continuous current

16 A

16 A

Maximum switch-on current AC

50 A (20 ms, N/O contact)

50 A (20 ms, N/O contact)

Maximum switch-on current DC

50 A (20 ms, N/O contact)

50 A (20 ms, N/O contact)

Minimum switching current

10 mA (at 24 V)

10 mA (at 24 V)

Maximum interrupting rating, ohmic load

250 V AC

4000 VA

4000 VA

440 V AC

4000 VA

4000 VA

Motor load according to UL 508

1/3 HP, 120 V AC (single-phase AC motor)

1/2 HP, 240 V AC (single-phase AC motor)

1/3 HP, 120 V AC (single-phase AC motor)

1/2 HP, 240 V AC (single-phase AC motor)

1/2 HP, 240 V AC (three-phase induction motor)

General data

Test voltage (winding / contact)

2.5 kV

rms

 (50 Hz, 1 min.)

2.5 kV

rms

 (50 Hz, 1 min.)

Ambient temperature (operation), AC

-40 °C ... 55 °C

-40 °C ... 55 °C

Ambient temperature (operation), DC

-40 °C ... 70 °C

-40 °C ... 70 °C

Nominal operating mode

100% operating factor

100% operating factor

Mechanical service life, AC

Approx. 10

7

 cycles

Approx. 10

7

 cycles

Mechanical service life, DC

Approx. 10

7

 cycles

Approx. 10

7

 cycles

Standards/regulations

IEC

 

60664 , IEC 61810

IEC

 

60664 , IEC 61810

Mounting position/mounting

any

any

Dimensions

W / H / D

38.6 mm / 45.5 mm / 36.1 mm

38.6 mm / 45.5 mm / 36.1 mm

Ordering data

Ordering data

Description

Input voltage

U

N

Type

Order No.

Pcs./

Pkt.

Type

Order No.

Pcs./

Pkt.

Plug-in high-power relays

, 2 changeover contacts with power 

contacts

24 V DC

REL-PR2- 24DC/2X21

2903698

1

24 V AC

REL-PR2- 24AC/2X21

2903699

1

120 V AC

REL-PR2-120AC/2X21

2903700

1

230 V AC

REL-PR2-230AC/2X21

2903701

1

Plug-in high-power relays

, 3 changeover contacts with power 

contacts

24 V DC

REL-PR3- 24DC/3X21

2903702

1

110 V DC

REL-PR3-110DC/3X21

2908893

1

24 V AC

REL-PR3- 24AC/3X21

2903703

1

120 V AC

REL-PR3-120AC/3X21

2903704

1

230 V AC

REL-PR3-230AC/3X21

2903705

1

Relay modules

Industrial relay system - RIFLINE complete

2-PDT high-power relay, 

max. 2

 

x

 

16

 

A

3-PDT high-power relay, 

max. 3

 

x

 

16

 

A

phoenixcontact-interface-technology-and-switching-devices-html.html
background image

0,

6

0,8

1

,0

1

,

2

1

,

4

1

,

6

1

,8

0

1

0

2

0

3

0

4

0

5

0

6

0

70

80

0,

1

0,

2

0,

3

0,

5

1

0

2

0

1

0

2

0

3

0

5

0

70

1

00

3

00

2

00

5

00

1

2

5

1

0

,9

0

,

3

0

,

4

0

,

5

0

,

6

0

,

7

0

,

8

0

,9

1

0

,

8

0

,

7

0

,

6

0

,

5

0

,

4

0

,

3

0

,

2

0,

6

0,8

1

,0

1

,

2

1

,

4

1

,

6

1

,8

0

1

0

2

0

3

0

4

0

5

0

6

0

70

80

0,

1

0,

2

0,

3

0,

5

1

0

2

0

1

0

2

0

3

0

5

0

70

1

00

3

00

2

00

5

00

1

2

5

1

0

,9

0

,

3

0

,

4

0

,

5

0

,

6

0

,

7

0

,

8

0

,9

1

0

,

8

0

,

7

0

,

6

0

,

5

0

,

4

0

,

3

0

,

2

0

1

2

3

4

1

0

4

1

0

5

1

0

5

1

0

6

1

0

7

0

1

2

3

4

1

0

4

1

0

5

1

0

5

1

0

6

1

0

7

For further information and full technical data, visit phoenixcontact.net/products

327

PHOENIX CONTACT

REL-PR2... (2-PDT)

Operating voltage range

Interrupting rating

Ambient temperature [°C]

Coil

voltage

U/U

N

Maximum continuous voltage at limiting continuous current =

1

6 A

Minimum operate voltage
For pre-excitation with UN and limiting continuous current =

1

6 A

Switching voltage [V]

Switching

curren

t

[A]

AC, ohmic load

DC, ohmic load

Service life reduction factor

COS

j

Reduction

factor

REL-PR3... (3-PDT)

Operating voltage range

Interrupting rating

Ambient temperature [°C]

Coil

voltage

U/U

N

DC coils

AC coils

Switching voltage [V]

Switching

curren

t

[A]

AC, ohmic load

DC, ohmic load

Service life reduction factor

COS

j

Reduction

factor

Electrical service life

2

50 V AC, ohmic load

Cycles

Switching capacity [kVA]

Electrical service life

2

50 V AC, ohmic load

Cycles

Switching capacity [kVA]

Relay modules

Industrial relay system - RIFLINE complete

phoenixcontact-interface-technology-and-switching-devices-html.html
background image

A1

11

14

21

24

31

34

A2

A1

11

14

3

1

3

4

A

2

 

 

 

 

328

PHOENIX CONTACT

Plug-in high-power relays

Plug-in high-power relays with 3 N/O 

contacts suitable for the RIF-4 relay base.

The advantages:

– Use in miniature contactor applications
– Switching current of up to 16 A
– Up to 440 V AC switching voltage
– Full shutdown by means of ≥ 3 mm 

contact opening

Notes:

When mounting relays on a DIN rail base or PCB, data may be 

limited, especially with regard to the limiting continuous current 

and/or ambient temperature range. See “General” section in 

“Basics of relay technology” on page 286.

new

Technical data

Technical data

Input data

 

 

 

 

 

 

 

 

 

 

 

 

 

 

 

 

 

 

 

 

 

 

 

 

Permissible range (with reference to U

N

)

see diagram

see diagram

Typical input current at U

N

[mA]

70

116

23

12

70

15

7.3

12

Typical response time at U

N

[ms]

20

20

20

20

Typical response time at U

N

 

( depending on phase relation )

[ms]

5 - 25

5 - 25

5 - 25

5 - 25

Typical release time at U

N

[ms]

15

15

15

15

Typical release time at U

N

 

( depending on phase relation )

[ms]

5 - 20

5 - 20

5 - 20

5 - 18

Output data

Contact type

3 N/O contacts

1 N/O contact

Contact material

AgNi

AgNi

Max. switching voltage

440 V AC / 250 V DC

440 V AC / 350 V DC

Minimum switching voltage

10 V (At 24 mA)

5 V (At 24 mA)

Limiting continuous current

16 A

16 A

Maximum switch-on current AC

50 A (20 ms, N/O contact)

50 A (20 ms)

Maximum switch-on current DC

50 A (20 ms, N/O contact)

50 A (20 ms)

Minimum switching current

10 mA (at 24 V)

5 mA (at 24 V)

Maximum interrupting rating, ohmic load

250 V AC

4000 VA

4000 VA

440 V AC

4000 VA

-

Motor load according to UL 508

1/3 HP, 120 V AC (single-phase AC motor)

1/2 HP, 240 V AC (single-phase AC motor)

1/2 HP, 240 V AC (three-phase induction motor)

General data

Test voltage (winding / contact)

2.5 kV

rms

 (50 Hz, 1 min.)

2.5 kV

Ambient temperature (operation), AC

-40 °C ... 55 °C

-40 °C ... 70 °C

Ambient temperature (operation), DC

-40 °C ... 70 °C

-40 °C ... 70 °C

Nominal operating mode

100% operating factor

100% operating factor

Mechanical service life, AC

Approx. 10

7

 cycles

Approx. 2x 10

7

 cycles

Mechanical service life, DC

Approx. 10

7

 cycles

Approx. 2x 10

7

 cycles

Standards/regulations

IEC

 

60664 , IEC 61810

IEC

 

60664 , IEC 61810

Mounting position/mounting

any

any

Dimensions

W / H / D

38.6 mm / 45.5 mm / 36.1 mm

38.6 mm / 45.5 mm / 36.1 mm

Ordering data

Ordering data

Description

Input voltage

U

N

Type

Order No.

Pcs./

Pkt.

Type

Order No.

Pcs./

Pkt.

Plug-in high-power relays

, 3 N/O contacts with power contacts

24 V DC

REL-PR3- 24DC/3X1

2903706

1

24 V AC

REL-PR3- 24AC/3X1

2903707

1

120 V AC

REL-PR3-120AC/3X1

2903708

1

230 V AC

REL-PR3-230AC/3X1

2903709

1

Plug-in high-power relays

, 1 N/O contact with blow magnet and 

power contacts

24 V DC

REL-PR1-24DC/1/MB

2908040

1

110 V DC

REL-PR1-110DC/1/MB

2908044

1

220 V DC

REL-PR1-220DC/1/MB

2908046

1

230 V AC

REL-PR1-230AC/1/MB

2908047

1

Relay modules

Industrial relay system - RIFLINE complete

M

agnet

3-N/O high-power relay, 

max. 3

 

x

 

16

 

A

1-N/O high-power relay with blowout magnet for 

switching high DC loads

phoenixcontact-interface-technology-and-switching-devices-html.html
background image

0,

6

0,8

1

,0

1

,

2

1

,

4

1

,

6

1

,8

0

1

0

2

0

3

0

4

0

5

0

6

0

70

80

0

,1

0

,

2

0

,

3

0

,

5

1

0

20

1

0

20

30

50

70

1

00

300

200

500

1

2

5

1

0

,9

0

,

3

0

,

4

0

,

5

0

,

6

0

,

7

0

,

8

0

,9

1

0

,

8

0

,

7

0

,

6

0

,

5

0

,

4

0

,

3

0

,

2

0

2

4

6

8

1

0

1

2

14

1

6

1

8

0

50

1

00

1

0

5

250

200

0

1

2

3

4

1

0

4

1

0

5

1

0

5

1

0

6

1

0

7

For further information and full technical data, visit phoenixcontact.net/products

329

PHOENIX CONTACT

REL-PR3... (3 N/O contacts)

Operating voltage range

Interrupting rating

Ambient temperature [°C]

Coil

voltage

U/U

N

DC coils

AC coils

Sw

i

tch

i

ng

 

vo

l

tage

 [V

]

Sw

i

tch

i

ng

current

 [A

]

A

C,

 

ohm

i

c

 l

oad

DC,

 

ohm

i

c

 l

oad

DC,

 L

/

R = 4

0

 

ms

Service life reduction factor

COS

j

Reduction

factor

REL-PR1... (1 N/O contact with blow magnet)

Interrupting rating

A

C,

 

ohm

i

c

 l

oad

DC,

 

ohm

i

c

 l

oad

DC,

 L

/

R = 4

0

 

ms

Sw

i

tch

i

ng

 

vo

l

tage

 [V

]

Sw

i

tch

i

ng

current

 [A

]

Electrical service life

2

50 V AC, ohmic load

Cycles

Switching capacity [kVA]

Relay modules

Industrial relay system - RIFLINE complete

phoenixcontact-interface-technology-and-switching-devices-html.html
background image

 

 

 

 

 

Ordering data

Description

Type

Order No.

Pcs./

Pkt.

Plug-in module

with LED status indicator and freewheeling 

diode

 to effectively limit the coil induction voltage, polarity: 

A1+, A2-

,

input voltage:

- 12-24 V DC ±20%

RIF-LDP-12-24 DC

2900939

10

- 48-60 V DC ±20%

RIF-LDP-48-60 DC

2900940

10

- 110 V DC ±20%

RIF-LDP-110 DC

2900941

10

Plug-in module

with LED status indicator and varistor

 to limit 

the coil induction voltage and/or external interference peaks,

input voltage:

- 12-24 V AC/DC ±20% (30 V varistor)

RIF-LV-12-24 UC

2900942

10

- 48-60 V AC/DC ±20% (75 V varistor)

RIF-LV-48-60 UC

2900943

10

- 120-230 V AC/110 V DC ±20% (275 V varistor)

RIF-LV-120-230 AC/110 DC

2900944

10

Plug-in module

,

 with varistor

 to limit the coil induction voltage 

and/or external interference peaks,

input voltage:

- 12-24 V AC/DC ±20% (30 V varistor)

RIF-V-12-24 UC

2900945

10

- 48-60 V AC/DC ±20% (75 V varistor)

RIF-V-48-60 UC

2900947

10

- 120-230 V AC/DC ±20% (275 V varistor)

RIF-V-120-230 UC

2900948

10

Plug-in module

,

 with RC element

 to limit the coil induction 

voltage and/or external interference peaks,

input voltage:

- 12-24 V AC/DC ±20% (220 nF/100 

)

RIF-RC-12-24 UC

2900949

10

- 48-60 V AC/DC ±20% (220 nF/220 

)

RIF-RC-48-60 UC

2900950

10

- 120 - 230 V AC/DC ±20% (100 nF/470 

)

RIF-RC-120-230 UC

2900951

10

Plug-in module

,

 with bridge rectifier

 for controlling 

electromechanical DC voltage relay,

Input voltage:

- 12 ... 230 V AC

RIF-BR-12-230 AC

2907060

10

Plug-in module, with LED status indicator and freewheeling 

diode

 to effectively limit the coil induction voltage, polarity: 

A1-, A2+

,

Input voltage:

- 12-24 V DC ±20%

RIF-LDM-12-24 DC

2907057

10

Plug-in module

with LED status indicator and varistor

 to limit the coil 

induction voltage and/or external interference peaks, polarity 

A1-, A2+,

Input voltage:

- 120-230 V AC/110 V DC ±20% (275 V varistor)

RIF-LVM-100-200 AC/110 DC

2907058

10

330

PHOENIX CONTACT

Plug-in interference suppression modules 

for optional assembly of RIF-1 to RIF-4 relay 
bases.

The advantages:

– Attenuation of reverse voltage induced in 

coil

– Mechanical coding to protect against 

incorrect connection

Plug-in interference suppression modules 
for RIF-1, RIF-2, RIF-3, and RIF-4

Relay modules

Industrial relay system - RIFLINE complete

Interference suppression modules for 

RIF-1 to RIF-4

phoenixcontact-interface-technology-and-switching-devices-html.html
background image

t

A1+

A2-

44

42

34

32

24

22

14

12

11

21

31

41

T

t<T

t

U

LED

T

t<T

t

U

LED

T

t<T

U

LED

T

T

t

For further information and full technical data, visit phoenixcontact.net/products

 

 

 

 

 

Technical data

Input data

Nominal input voltage U

N

24 V DC (AC operation only permitted for RIF-1)

Nominal input voltage range with reference to U

N

0.4 ... 1.2

Input circuit

Varistor , Yellow LED

Output data

Limiting continuous current

 250 mA (Relay coil current)

General data

Mounting position

any

Repeat accuracy

1 %

Ambient temperature (operation)

-25 °C ... 50 °C (RIF-1, AC coil, 2 PDTs at 6 A)

-25 °C ... 50 °C (RIF-1, DC coil, 2 PDTs at 5 A)

-25 °C ... 40 °C (RIF-2, DC coil, 2 PDTs at 8 A)

-25 °C ... 40 °C (RIF-2, DC coil, 4 PDTs at 5 A)

-25 °C ... 40 °C (RIF-3, DC coil, 3 PDTs at 6.75 A)

-25 °C ... 40 °C (RIF-3, DC coil, 2 PDTs at 8 A)

-25 °C ... 35 °C (RIF-4, DC coil, 3 PDTs at 8 A)

-25 °C ... 25 °C (RIF-4, DC coil, 3 N/O contacts at 8 A)

Standards/specifications

DIN EN 50178

Rated insulation voltage

50 V DC

Rated surge voltage

0.4 kV

Ordering data

Description

Type

Order No.

Pcs./

Pkt.

Timer module

, for mounting on RIF-1 to RIF-4, with LED status 

indicator for extending a relay module to create a time relay with an 

input voltage of 24 V AC/DC

RIF-T3-24UC

2902647

1

331

PHOENIX CONTACT

Plug-in timer module for 
RIF-1, RIF-2, RIF-3, and RIF-4

Relay modules

Industrial relay system - RIFLINE complete

Timer module for RIF-1 to RIF-4 relay modules 

for 12 to 24 V AC/DC input voltage

With switch-on delay

Passing make contact

Pulse generator

The multifunctional plug-in timer module 

transforms a relay module into a time relay. 
RIF-1 to RIF-4 bases can be equipped with 
this module. Using DIP switches, three time 
functions and four time ranges can be 
selected. Detailed time settings are made 
using a potentiometer. Relays can be 
operated with an input voltage of 
12 or 24 V AC/DC.

The time functions:

– With switch-on delay
– With passing make contact
– Pulse  generator

Time ranges:

– 0.5  to  10  s
– 5 to 100 s
– 0.5  to  10  min
– 5 to 100 min

phoenixcontact-interface-technology-and-switching-devices-html.html
background image

1

2

A1–

A

2

+

14

11

12

A1+

A2-

14

11

 

 

 

Technical data

Input data

 

 

 

 

 

 

 

 

 

 

Permissible range (with reference to U

N

)

see  diagram

Typical input current at U

N

[mA]

16

9

Typical response time at U

N

[ms]

5

5

Typical release time at U

N

[ms]

8

8

Input protection:

Yellow LED , Damping diode

Yellow LED , Damping diode

Output data

Contact type

1 PDT

1 PDT

1 N/O contact

1 N/O contact

Contact material

AgSnO

AgSnO, hard gold-plated

AgSnO

AgSnO, hard gold-plated

Max. switching voltage

250 V AC/DC

30 V AC / 36 V DC

250 V AC/DC

30 V AC / 36 V DC

Minimum switching voltage

5 V (at 100 mA)

100 mV (at 10 mA)

5 V (at 100 mA)

100 mV (at 10 mA)

Limiting continuous current

6 A

50 mA

6 A

50 mA

Minimum switching current

10 mA (at 12 V)

1 mA

10 mA (at 12 V)

1 mA (at 12 V)

General data

Test voltage (winding / contact)

4 kV

rms

 (50 Hz, 1 min.)

4 kV

Ambient temperature (operation)

-40 °C ... 60 °C

Nominal operating mode

100% operating factor

100% operating factor

Mechanical service life

Approx. 2x 10

7

 cycles

Standards/regulations

DIN EN 50178

Degree of pollution/surge voltage category

2 / III

Mounting position/mounting

any / In rows with zero spacing

any / In rows with zero spacing

Connection data solid/stranded/AWG

0.14 ... 1.5 mm² / 0.14 ... 1.5 mm² / 26 - 16

0.14 ... 1.5 mm² / 0.14 ... 1.5 mm² / 26 - 16

Dimensions

W / H / D

6.2 mm / 93 mm / 78 mm

6.2 mm / 93 mm / 66 mm

EMC note

Class A product, see page 605

Class A product, see page 605

Ordering data

Description

Input voltage

U

N

Type

Order No.

Pcs./

Pkt.

Coupling relay modules

 with power contact relay and Push-in 

connection

12 V DC

RIF-0-RPT-12DC/21

2903371

10

24 V DC

RIF-0-RPT-24DC/21

2903370

10

Coupling relay modules

 with multi-layer gold contact relay, with 

Push-in connection

12 V DC

RIF-0-RPT-12DC/21AU

2903369

10

24 V DC

RIF-0-RPT-24DC/21AU

2903368

10

Coupling relay modules

 with power contact relay and Push-in 

connection, negative switching

24 V DC

RIF-0-RPT-M-24DC/21

2908327

10

332

PHOENIX CONTACT

DC coils

DC coil

negative switching

D W

H

Fully mounted RIF-0 relay modules

Fully mounted RIF-0 relay modules, 

consisting of:
– Relay base with Push-in connection
– 1-N/O  or  1-PDT  relay
– Relay ejector lever on the housing

The advantages:

– Status LED integrated in the relay base
– Operational reliability thanks to sealed 

relay

– Safe isolation between coil and contact 

side

– Professional bridging of adjacent modules 

saves wiring time

– For FBS 2-6 plug-in bridges for the input 

and output side, see page 366.

Relay modules

Industrial relay system - RIFLINE complete

1-PDT relay module with 

Push-in connection

phoenixcontact-interface-technology-and-switching-devices-html.html
background image

0

,

6

0

,

7

0

,

8

0

,

9

1,

0

1,1

1,

2

1,

3

1,4

1,

5

1,

6

1,

7

1,

8

20

30

4

0

50

60

70

8

0

1

0

,9

0

,

3

0

,

4

0

,

5

0

,

6

0

,

7

0

,

8

0

,9

1

0

,

8

0

,

7

0

,

6

0

,

5

0

,

4

0

,

3

0

,

2

10

6

10

5

0

2

4

6

8

10

4

1

1

0

,

6

0

,

7

0

,

8

0

,

9

1,

0

1,1

1,

2

1,

3

1,4

1,

5

1,

6

1,

7

1,

8

20

30

4

0

50

60

70

8

0

1

0

,9

0

,

3

0

,

4

0

,

5

0

,

6

0

,

7

0

,

8

0

,9

1

0

,

8

0

,

7

0

,

6

0

,

5

0

,

4

0

,

3

0

,

2

10

6

10

5

0

2

4

6

8

10

4

1

1

A2-

A1+

14

13

For further information and full technical data, visit phoenixcontact.net/products

 

 

 

Technical data

 

 

 

 

 

 

 

 

 

 

see diagram

16

9

5

5

8

8

Input protection:

Yellow LED , Damping diode

Yellow LED , Damping diode

Contact type

1 PDT

1 PDT

1 N/O contact

1 N/O contact

Contact material

AgSnO

AgSnO, hard gold-plated

AgSnO

AgSnO, hard gold-plated

Max. switching voltage

250 V AC/DC

30 V AC / 36 V DC

250 V AC/DC

30 V AC / 36 V DC

Minimum switching voltage

5 V (at 100 mA)

100 mV (at 10 mA)

5 V (at 100 mA)

100 mV (at 10 mA)

Limiting continuous current

6 A

50 mA

6 A

50 mA

Minimum switching current

10 mA (at 12 V)

1 mA

10 mA (at 12 V)

1 mA (at 12 V)

 (50 Hz, 1 min.)

4 kV

rms

 (50 Hz, 1 min.)

-40 °C ... 60 °C

Nominal operating mode

100% operating factor

100% operating factor

Approx. 2x 10

7

 cycles

DIN EN 50178

2 / III

Mounting position/mounting

any / In rows with zero spacing

any / In rows with zero spacing

Connection data solid/stranded/AWG

0.14 ... 1.5 mm² / 0.14 ... 1.5 mm² / 26 - 16

0.14 ... 1.5 mm² / 0.14 ... 1.5 mm² / 26 - 16

Dimensions

W / H / D

6.2 mm / 93 mm / 78 mm

6.2 mm / 93 mm / 66 mm

EMC note

Class A product, see page 605

Class A product, see page 605

Ordering data

Type

Order No.

Pcs./

Pkt.

RIF-0-RPT-12DC/ 1

2903362

10

RIF-0-RPT-24DC/ 1

2903361

10

RIF-0-RPT-12DC/ 1AU

2903360

10

RIF-0-RPT-24DC/ 1AU

2903359

10

333

PHOENIX CONTACT

RIF-0-RPT.../21... (1-PDT)

Operating voltage range

Interrupting rating

Service life reduction factor

Electrical service life

COS

j

Reduction

factor

Cycles

Switching current [A]

250 V AC, ohmic load

RIF-0-RPT.../1... (1-N/O)

Operating voltage range

Interrupting rating

Service life reduction factor

Electrical service life

COS

j

Reduction

factor

Cycles

Switching current [A]

250 V AC, ohmic load

DC coils

D W

H

Relay modules

Industrial relay system - RIFLINE complete

1-N/O relay module with 

Push-in connection

phoenixcontact-interface-technology-and-switching-devices-html.html
background image

12

A1+

A2-

14

11

Technical data

Input data

 

 

 

 

 

 

 

 

 

 

Permissible range (with reference to U

N

)

see  diagram

Typical input current at U

N

[mA]

16

9

Typical response time at U

N

[ms]

5

5

Typical release time at U

N

[ms]

8

8

Input protection:

Yellow LED , Damping diode

Yellow LED , Damping diode

Output data

Contact type

1 PDT

1 PDT

1 N/O contact

1 N/O contact

Contact material

AgSnO

AgSnO, hard gold-plated

AgSnO

AgSnO, hard gold-plated

Max. switching voltage

250 V AC/DC

30 V AC / 36 V DC

250 V AC/DC

30 V AC / 36 V DC

Minimum switching voltage

5 V (at 100 mA)

100 mV (at 10 mA)

5 V (at 100 mA)

100 mV (at 10 mA)

Limiting continuous current

6 A

50 mA

6 A

50 mA

Minimum switching current

10 mA (at 12 V)

1 mA (at 12 V)

10 mA (at 12 V)

1 mA (at 12 V)

General data

Test voltage (winding / contact)

4 kV

rms

 (50 Hz, 1 min.)

4 kV

Ambient temperature (operation)

-40 °C ... 60 °C

Nominal operating mode

100% operating factor

100% operating factor

Mechanical service life

Approx. 2x 10

7

 cycles

Standards/regulations

DIN EN 50178

Degree of pollution/surge voltage category

2 / III

Mounting position/mounting

any / In rows with zero spacing

any / In rows with zero spacing

Connection data solid/stranded/AWG

0.5 ... 4 mm² / 0.5 ... 2.5 mm² / 20 - 12

0.5 ... 4 mm² / 0.5 ... 2.5 mm² / 20 - 12

Maximum tightening torque

0.5 Nm

Dimensions

W / H / D

6.2 mm / 84 mm / 82 mm

6.2 mm / 84 mm / 68 mm

Ordering data

Description

Input voltage

U

N

Type

Order No.

Pcs./

Pkt.

Coupling relay modules

 with power contact relay and 

screw connection

12 V DC

RIF-0-RSC-12DC/21

2903375

10

24 V DC

RIF-0-RSC-24DC/21

2903374

10

Coupling relay modules

 with multi-layer gold contact relay, with 

screw connection

12 V DC

RIF-0-RSC-12DC/21AU

2903373

10

24 V DC

RIF-0-RSC-24DC/21AU

2903372

10

334

PHOENIX CONTACT

DC coils

D W

H

new

Fully mounted RIF-0 relay modules

Fully mounted RIF-0 relay modules, 

consisting of:
– Relay base with screw connection
– 1-PDT  or  1-N/O  relay
– Relay ejector lever on the housing

The advantages:

– Status LED integrated in the relay base
– Operational reliability thanks to sealed 

relay

– Safe isolation between coil and contact 

side

– Professional bridging of adjacent modules 

saves wiring time

– For FBS 2-6 plug-in bridges for the input 

and output side, see page 366.

Notes:

General conditions:

Direct alignment in the block, all devices 100% operating time, 

horizontal or vertical mounting.

Relay modules

Industrial relay system - RIFLINE complete

1-PDT relay module with

screw connection

phoenixcontact-interface-technology-and-switching-devices-html.html
background image

0

,

6

0

,

7

0

,

8

0

,

9

1,

0

1,1

1,

2

1,

3

1,4

1,

5

1,

6

1,

7

1,

8

20

30

4

0

50

60

70

8

0

1

0

,9

0

,

3

0

,

4

0

,

5

0

,

6

0

,

7

0

,

8

0

,9

1

0

,

8

0

,

7

0

,

6

0

,

5

0

,

4

0

,

3

0

,

2

10

6

10

5

0

2

4

6

8

10

4

1

1

0

,

6

0

,

7

0

,

8

0

,

9

1,

0

1,1

1,

2

1,

3

1,4

1,

5

1,

6

1,

7

1,

8

20

30

4

0

50

60

70

8

0

1

0

,9

0

,

3

0

,

4

0

,

5

0

,

6

0

,

7

0

,

8

0

,9

1

0

,

8

0

,

7

0

,

6

0

,

5

0

,

4

0

,

3

0

,

2

10

6

10

5

0

2

4

6

8

10

4

1

1

A2-

A1+

14

13

For further information and full technical data, visit phoenixcontact.net/products

Technical data

 

 

 

 

 

 

 

 

 

 

see diagram

16

9

5

5

8

8

Input protection:

Yellow LED , Damping diode

Yellow LED , Damping diode

Contact type

1 PDT

1 PDT

1 N/O contact

1 N/O contact

Contact material

AgSnO

AgSnO, hard gold-plated

AgSnO

AgSnO, hard gold-plated

Max. switching voltage

250 V AC/DC

30 V AC / 36 V DC

250 V AC/DC

30 V AC / 36 V DC

Minimum switching voltage

5 V (at 100 mA)

100 mV (at 10 mA)

5 V (at 100 mA)

100 mV (at 10 mA)

Limiting continuous current

6 A

50 mA

6 A

50 mA

Minimum switching current

10 mA (at 12 V)

1 mA (at 12 V)

10 mA (at 12 V)

1 mA (at 12 V)

 (50 Hz, 1 min.)

4 kV

rms

 (50 Hz, 1 min.)

-40 °C ... 60 °C

Nominal operating mode

100% operating factor

100% operating factor

Approx. 2x 10

7

 cycles

DIN EN 50178

2 / III

Mounting position/mounting

any / In rows with zero spacing

any / In rows with zero spacing

Connection data solid/stranded/AWG

0.5 ... 4 mm² / 0.5 ... 2.5 mm² / 20 - 12

0.5 ... 4 mm² / 0.5 ... 2.5 mm² / 20 - 12

0.5 Nm

Dimensions

W / H / D

6.2 mm / 84 mm / 82 mm

6.2 mm / 84 mm / 68 mm

Ordering data

Type

Order No.

Pcs./

Pkt.

RIF-0-RSC-12DC/ 1

2903367

10

RIF-0-RSC-24DC/ 1

2903366

10

RIF-0-RSC-12DC/ 1AU

2903365

10

RIF-0-RSC-24DC/ 1AU

2903364

10

335

PHOENIX CONTACT

RIF-0-RSC.../21... (1-PDT)

Operating voltage range

Interrupting rating

Service life reduction factor with various cos phi

Electrical service life

COS

j

Reduction

factor

Cycles

Switching current [A]

250 V AC, ohmic load

RIF-0-RSC.../1... (1-N/O)

Operating voltage range

Interrupting rating

Service life reduction factor

Electrical service life

COS

j

Reduction

factor

Cycles

Switching current [A]

250 V AC, ohmic load

DC coils

D W

H

new

Relay modules

Industrial relay system - RIFLINE complete

1-N/O relay module with 

screw connection

phoenixcontact-interface-technology-and-switching-devices-html.html
background image

3

0

2

0

4

0

5

0

6

0

0

0,

1

0,

2

0,

3

0,

4

0,

5

0,

6

0,7

0,8

3

0

2

0

4

0

5

0

6

0

0

1

2

3

14

13+

A2-

A1+

Technical data

Input data

 

 

 

 

 

 

 

 

 

Rated actuating voltage range with reference to U

C

0.8 - 

1.2

Rated actuating current I

C

[mA]

 8.5

Switching level (with reference to U

C

)

1 signal ("H")

> 0.8

0 signal ("L")

< 0.4

Typical switch-on time at U

N

[ms]

0.02

Typical switch-off time at U

N

[ms]

0.3

Transmission frequency f

limit

[Hz]

300

Input circuit DC

Yellow LED , Freewheeling diode

Yellow LED , Freewheeling diode

Yellow LED , Freewheeling diode

Output data

Max. switching voltage

33 V DC

Minimum switching voltage

3 V DC

Maximum switch-on current

15 A (10 ms)

Minimum/maximum switching current

- / 3 A (see derating curve)

- / 100 mA

10 mA / 0.75 A (see derating curve)

Output protection

Reverse polarity protection, surge protection

Reverse polarity protection, surge protection

RCV circuit

Voltage drop at maximum limiting continuous current

< 200 mV

Leakage current in off state

-

Phase angle (cos 

φ

)

-

Max. load value

-

General data

Test voltage input/output

2.5 kV

rms

 (50 Hz, 1 min.)

2.5 kV

Ambient temperature (operation)

-25 °C ... 60 °C

Standards/regulations

DIN EN 50178

Degree of pollution/surge voltage category

2 / III

Connection data solid/stranded/AWG

0.14 - 1.5 mm² / 0.14 - 1.5 mm² / 26 - 16

0.14 - 1.5 mm² / 0.14 - 1.5 mm² / 26 - 16

0.14 - 1.5 

Dimensions

W / H / D

6.2 mm / 93 mm / 66 mm

6.2 mm / 93 mm / 66 mm

6.2 mm / 93 mm / 66 mm

EMC note

Class A product, see page 605

Class A product, see page 605

Class A product, see page 605

Ordering data

Description

Rated actuating voltage

U

C

Type

Order No.

Pcs./

Pkt.

Coupling relay modules

 with solid-state relay and 

Push-in connection

24 V DC

RIF-0-OPT-24DC/24DC/2

2905293

10

336

PHOENIX CONTACT

Fully mounted RIF-0 relay modules

Fully mounted RIF-0 relay modules, 

consisting of:
– Relay base with Push-in connection
– Solid-state relays
– Relay ejector lever on the housing

The advantages:

– Status LED integrated into the base
– RTIII sealed solid-state relay
– Zero voltage switch at AC output
– Professional bridging of adjacent modules 

saves wiring time

Ambient temperature [°C]

L

oad

curren

t

[A]

Derating curve for RIF-0-OPT-24DC/230AC/1

Ambient temperature [°C]

L

oad

curren

t

[A]

Derating curve for RIF-0-OPT-24DC/24DC/2

Relay modules

Industrial relay system - RIFLINE complete

D W

H

Solid-state relay module

with Push-in connection,

DC output max. 3

 

A

phoenixcontact-interface-technology-and-switching-devices-html.html
background image

14

13+

A2-

A1+

14

13+

A2-

A1+

For further information and full technical data, visit phoenixcontact.net/products

Technical data

Technical data

 

 

 

 

 

 

 

 

 

 

 

 

 

 

 

 

 

 

0.8 - 

1.2

0.8 - 

1.2

 8.5

 8

> 0.8

> 0.8

< 0.4

< 0.4

0.02

10

0.3

10

300

10

Input circuit DC

Yellow LED , Freewheeling diode

Yellow LED , Freewheeling diode

Yellow LED , Freewheeling diode

48 V DC

253 V AC

3 V DC

24 V AC

-

30 A (10 ms)

curve)

- / 100 mA

10 mA / 0.75 A (see derating curve)

Output protection

Reverse polarity protection, surge protection

Reverse polarity protection, surge protection

RCV circuit

< 1 V

< 1 V

-

1 mA (in off state)

-

0.5

-

4.5  A

2

s (tp = 10 ms, at 25 °C)

 (50 Hz, 1 min.)

2.5 kV

rms

 (50 Hz, 1 min.)

2.5 kV

rms

 (50 Hz, 1 min.)

-25 °C ... 60 °C

-25 °C ... 60 °C

DIN EN 50178

DIN EN 50178

2 / III

2 / III

Connection data solid/stranded/AWG

0.14 - 1.5 mm² / 0.14 - 1.5 mm² / 26 - 16

0.14 - 1.5 mm² / 0.14 - 1.5 mm² / 26 - 16

0.14 - 1.5 mm² / 0.14 - 1.5 mm² / 26 - 16

Dimensions

W / H / D

6.2 mm / 93 mm / 66 mm

6.2 mm / 93 mm / 66 mm

6.2 mm / 93 mm / 66 mm

EMC note

Class A product, see page 605

Class A product, see page 605

Class A product, see page 605

Ordering data

Ordering data

Type

Order No.

Pcs./

Pkt.

Type

Order No.

Pcs./

Pkt.

RIF-0-OPT-24DC/48DC/100

2905294

10

RIF-0-OPT-24DC/230AC/1

2905295

10

337

PHOENIX CONTACT

Relay modules

Industrial relay system - RIFLINE complete

D W

H

D W

H

Solid-state relay module

with Push-in connection,

DC output max. 100

 

mA

Solid-state relay module

with Push-in connection,

AC output max. 750

 

mA

phoenixcontact-interface-technology-and-switching-devices-html.html
background image

3

0

2

0

4

0

5

0

6

0

0

0,

1

0,

2

0,

3

0,

4

0,

5

0,

6

0,7

0,8

3

0

2

0

4

0

5

0

6

0

0

1

2

3

14

13+

A2-

A1+

Technical data

Input data

 

 

 

 

 

 

 

 

 

Rated actuating voltage range with reference to U

C

0.8 - 

1.2

Rated actuating current I

C

[mA]

 8.5

Switching level (with reference to U

C

)

1 signal ("H")

> 0.8

0 signal ("L")

< 0.4

Typical switch-on time at U

N

[ms]

0.02

Typical switch-off time at U

N

[ms]

0.3

Transmission frequency f

limit

[Hz]

300

Input circuit DC

Yellow LED , Freewheeling diode

Yellow LED , Freewheeling diode

Yellow LED , Freewheeling diode

Output data

Max. switching voltage

33 V DC

Minimum switching voltage

3 V DC

Maximum switch-on current

15 A (10 ms)

Minimum/maximum switching current

- / 3 A (see derating curve)

- / 100 mA

10 mA / 0.75 A (see derating curve)

Output protection

Reverse polarity protection, surge protection

Reverse polarity protection, surge protection

RCV circuit

Voltage drop at maximum limiting continuous current

< 200 mV

Leakage current in off state

-

Phase angle (cos 

φ

)

-

Max. load value

-

General data

Test voltage input/output

2.5 kV

rms

 (50 Hz, 1 min.)

2.5 kV

Ambient temperature (operation)

-25 °C ... 60 °C

Standards/regulations

DIN EN 50178

Degree of pollution/surge voltage category

2 / III

Connection data solid/stranded/AWG

0.5 - 4 mm² / 0.5 - 2.5 mm² / 20 - 12

0.5 - 4 mm² / 0.5 - 2.5 mm² / 20 - 12

0.5 - 4 mm² / 0.5 -

Maximum tightening torque

0.5 Nm

Dimensions

W / H / D

6.2 mm / 84 mm / 68 mm

6.2 mm / 84 mm / 68 mm

6.2 mm / 84 mm / 68 mm

Ordering data

Description

Rated actuating voltage

U

C

Type

Order No.

Pcs./

Pkt.

Coupling relay modules

 with solid-state relay and 

screw connection

24 V DC

RIF-0-OSC-24DC/24DC/2

2905657

10

338

PHOENIX CONTACT

Fully mounted RIF-0 relay modules

Fully mounted RIF-0 relay modules, 

consisting of:
– Relay base with screw connection
– Solid-state relays
– Relay ejector lever on the housing

The advantages:

– Status LED integrated into the base
– RTIII sealed solid-state relay
– Zero voltage switch at AC output
– Professional bridging of adjacent modules 

saves wiring time

Ambient temperature [°C]

L

oad

curren

t

[A]

Derating curve for RIF-0-OSC-24DC/230AC/1

Ambient temperature [°C]

L

oad

curren

t

[A]

Derating curve for RIF-0-OSC-24DC/24DC/2

Relay modules

Industrial relay system - RIFLINE complete

D W

H

new

Solid-state relay module

with screw connection,

DC output max. 3

 

A

phoenixcontact-interface-technology-and-switching-devices-html.html
background image

14

13+

A2-

A1+

14

13+

A2-

A1+

For further information and full technical data, visit phoenixcontact.net/products

Technical data

Technical data

 

 

 

 

 

 

 

 

 

 

 

 

 

 

 

 

 

 

0.8 - 

1.2

0.8 - 

1.2

 8.5

 8

> 0.8

> 0.8

< 0.4

< 0.4

0.02

10

0.3

10

300

10

Input circuit DC

Yellow LED , Freewheeling diode

Yellow LED , Freewheeling diode

Yellow LED , Freewheeling diode

48 V DC

253 V AC

3 V DC

24 V AC

-

30 A (10 ms)

curve)

- / 100 mA

10 mA / 0.75 A (see derating curve)

Output protection

Reverse polarity protection, surge protection

Reverse polarity protection, surge protection

RCV circuit

< 1 V

< 1 V

-

1 mA (in off state)

-

0.5

-

4.5  A

2

s (tp = 10 ms, at 25 °C)

 (50 Hz, 1 min.)

2.5 kV

rms

 (50 Hz, 1 min.)

2.5 kV

rms

 (50 Hz, 1 min.)

-25 °C ... 60 °C

-25 °C ... 60 °C

DIN EN 50178

DIN EN 50178

2 / III

2 / III

Connection data solid/stranded/AWG

0.5 - 4 mm² / 0.5 - 2.5 mm² / 20 - 12

0.5 - 4 mm² / 0.5 - 2.5 mm² / 20 - 12

0.5 - 4 mm² / 0.5 - 2.5 mm² / 20 - 12

0.5 Nm

0.5 Nm

Dimensions

W / H / D

6.2 mm / 84 mm / 68 mm

6.2 mm / 84 mm / 68 mm

6.2 mm / 84 mm / 68 mm

Ordering data

Ordering data

Type

Order No.

Pcs./

Pkt.

Type

Order No.

Pcs./

Pkt.

RIF-0-OSC-24DC/48DC/100

2905658

10

RIF-0-OSC-24DC/230AC/1

2905656

10

339

PHOENIX CONTACT

Relay modules

Industrial relay system - RIFLINE complete

D W

H

new

D W

H

new

Solid-state relay module

with screw connection,

DC output max. 100

 

mA

Solid-state relay module

with screw connection,

AC output max. 750

 

mA

phoenixcontact-interface-technology-and-switching-devices-html.html
background image

A2

A1

12

22

14

24

11

21

A2-

A1+

12

22

14

24

11

21

Technical data

Input data

 

 

 

 

 

 

 

 

 

 

 

 

 

Permissible range (with reference to U

N

)

see  diagram

Typical input current at U

N

[mA]

33

18

33

8

6

33

18

33

8

6

Typical response time at U

N

[ms]

8

8

3 - 12

3 - 12

3 - 12

8

8

3 - 12

3 - 12

3 - 12

Typical release time at U

N

[ms]

10

10

3 - 20

3 - 20

3 - 20

10

10

3 - 20

3 - 20

3 - 20

Input circuit AC

Yellow LED , Varistor

Input circuit DC

Yellow LED , Damping diode

Yellow LED , Damping diode

Output data

Contact type

1 PDT

1 PDT

2 PDT

2 PDT

Contact material

AgNi

AgNi, hard gold-plated

AgNi

AgNi, hard gold-plated

Max. switching voltage

250 V AC/DC

30 V AC / 36 V DC

250 V AC/DC

30 V AC / 36 V DC

Minimum switching voltage

12 V (at 10 mA)

100 mV (at 10 mA)

5 V (at 10 mA)

100 mV (at 10 mA)

Limiting continuous current

11 A (see diagram)

50 mA

8 A (see diagram)

50 mA

Maximum switch-on current AC

25 A (20 ms, N/O contact)

50 mA

12 A (20 ms, N/O contact)

50 mA

Maximum switch-on current DC

50 A (20 ms, N/O contact)

50 mA

25 A (20 ms, N/O contact)

50 mA

Minimum switching current

10 mA (at 12 V)

1 mA (at 24 V)

10 mA (At 5 V)

1 mA (at 24 V)

General data

Test voltage (winding / contact)

4 kV

rms

 (50 Hz, 1 min.)

4 kV

Ambient temperature (operation), AC

-40 °C ... 50 °C

Ambient temperature (operation), DC

-40 °C ... 70 °C

Nominal operating mode

100% operating factor

100% operating factor

Mechanical service life, AC

Approx. 10

7

 cycles

Mechanical service life, DC

approx. 3x 10

7

 cycles

Standards/regulations

DIN EN 50178

Degree of pollution/surge voltage category

2 / III

Mounting position/mounting

any / In rows with zero spacing

any / In rows with zero spacing

Connection data solid/stranded/AWG

0.14 ... 1.5 mm² / 0.14 ... 1.5 mm² / 26 - 16

0.14 ... 1.5 mm² / 0.14 ... 1.5 mm² / 26 - 16

Dimensions

W / H / D

16 mm / 93 mm / 75 mm

16 mm / 93 mm / 75 mm

EMC note

Class A product, see page 605

Class A product, see page 605

Ordering data

Description

Input voltage

U

N

Type

Order No.

Pcs./

Pkt.

Coupling relay modules

 with power contact relay and 

Push-in connection

12 V DC

RIF-1-RPT-LDP-12DC/1X21

2906224

10

24 V DC

RIF-1-RPT-LDP-24DC/1X21

2903342

10

24 V AC

RIF-1-RPT-LV-24AC/1X21

2903341

10

120 V AC

RIF-1-RPT-LV-120AC/1X21

2903340

10

230 V AC

RIF-1-RPT-LV-230AC/1X21

2903339

10

Coupling relay modules

 with multi-layer gold contact relay, with 

Push-in connection

24 V DC

RIF-1-RPT-LDP-24DC/1X21AU

2903338

10

24 V AC

RIF-1-RPT-LV-24AC/1X21AU

2903337

10

120 V AC

RIF-1-RPT-LV-120AC/1X21AU

2903336

10

230 V AC

RIF-1-RPT-LV-230AC/1X21AU

2903335

10

340

PHOENIX CONTACT

DC coils

AC coils

DC coils

D W

H

Fully mounted RIF-1 relay modules

Fully mounted RIF-1 relay modules, 

consisting of:
– Relay base with Push-in connection
– 1  or  2-PDT  relays
– Relay  retaining  bracket
– Interference suppression module

The advantages:

– Logical contact arrangement thanks to 

1/3-level relay base

– Operational reliability thanks to sealed 

relay

– Safe isolation between coil and contact 

side

– Professional bridging of adjacent modules 

saves wiring time

– For FBS 2-6 plug-in bridges for the input 

side (A2), see page 366.

– For FBS 2-8 plug-in bridges for the output 

side (11/21), see page 366.

Relay modules

Industrial relay system - RIFLINE complete

1-PDT relay module with

Push-in connection

phoenixcontact-interface-technology-and-switching-devices-html.html
background image

0,

6

0,7

0,8

0,9

1

,0

1

,

1

1

,

2

1

,

3

1

,

4

1

,

5

1

,

6

1

,7

1

,8

2

0

3

0

4

0

5

0

6

0

70

80

0,

1

0,

2

0,

3

0,

5

1

2

4

6

1

0

2

0

1

0

2

0

3

0

5

0

70

1

00

3

00

2

00

2

0

3

0

4

0

5

0

6

0

70

80

1

2

3

4

5

6

7

8

9

1

0

11

12

13

2

0 1

4

8

12

16

10

7

10

6

10

5

10

4

2 3

5 6

7

11

9

10

15

14

13

1

1
2

0,

6

0,7

0,8

0,9

1

,0

1

,

1

1

,

2

1

,

3

1

,

4

1

,

5

1

,

6

1

,7

1

,8

2

0

3

0

4

0

5

0

6

0

70

80

0

,

1

0

,

2

0

,

3

0

,

5

1

2

4

6

10

20

10

20

30

50

7

0 100

300

200

1
2
3
4

3

1

4

2

2

0

3

0

4

0

5

0

6

0

70

80

1

2

3

4

5

6

7

8

9

1

0

11

0 1

4

8

12

16

10

7

10

6

10

5

10

4

2 3

5 6

7

11

9

10

15

14

13

1
2

2

1

12

22

A1+

A2-

14

24

11

21

12

22

14

24

11

21

A2

A1

For further information and full technical data, visit phoenixcontact.net/products

Technical data

 

 

 

 

 

 

 

 

 

 

 

 

 

see diagram

[mA]

33

18

33

8

6

33

18

33

8

6

[ms]

8

8

3 - 12

3 - 12

3 - 12

8

8

3 - 12

3 - 12

3 - 12

[ms]

10

10

3 - 20

3 - 20

3 - 20

10

10

3 - 20

3 - 20

3 - 20

Yellow LED , Varistor

Input circuit DC

Yellow LED , Damping diode

Yellow LED , Damping diode

Contact type

1 PDT

1 PDT

2 PDT

2 PDT

Contact material

AgNi

AgNi, hard gold-plated

AgNi

AgNi, hard gold-plated

Max. switching voltage

250 V AC/DC

30 V AC / 36 V DC

250 V AC/DC

30 V AC / 36 V DC

Minimum switching voltage

12 V (at 10 mA)

100 mV (at 10 mA)

5 V (at 10 mA)

100 mV (at 10 mA)

Limiting continuous current

11 A (see diagram)

50 mA

8 A (see diagram)

50 mA

Maximum switch-on current AC

25 A (20 ms, N/O contact)

50 mA

12 A (20 ms, N/O contact)

50 mA

Maximum switch-on current DC

50 A (20 ms, N/O contact)

50 mA

25 A (20 ms, N/O contact)

50 mA

Minimum switching current

10 mA (at 12 V)

1 mA (at 24 V)

10 mA (At 5 V)

1 mA (at 24 V)

 (50 Hz, 1 min.)

4 kV

rms

 (50 Hz, 1 min.)

-40 °C ... 50 °C

-40 °C ... 70 °C

Nominal operating mode

100% operating factor

100% operating factor

Approx. 10

7

 cycles

approx. 3x 10

7

 cycles

DIN EN 50178

2 / III

Mounting position/mounting

any / In rows with zero spacing

any / In rows with zero spacing

Connection data solid/stranded/AWG

0.14 ... 1.5 mm² / 0.14 ... 1.5 mm² / 26 - 16

0.14 ... 1.5 mm² / 0.14 ... 1.5 mm² / 26 - 16

Dimensions

W / H / D

16 mm / 93 mm / 75 mm

16 mm / 93 mm / 75 mm

EMC note

Class A product, see page 605

Class A product, see page 605

Ordering data

Type

Order No.

Pcs./

Pkt.

RIF-1-RPT-LDP-12DC/2X21

2906223

10

RIF-1-RPT-LDP-24DC/2X21

2903334

10

RIF-1-RPT-LV-24AC/2X21

2903333

10

RIF-1-RPT-LV-120AC/2X21

2903332

10

RIF-1-RPT-LV-230AC/2X21

2903331

10

RIF-1-RPT-LDP-24DC/2X21AU

2903330

10

RIF-1-RPT-LV-24AC/2X21AU

2903329

10

RIF-1-RPT-LV-120AC/2X21AU

2903328

10

RIF-1-RPT-LV-230AC/2X21AU

2903327

10

341

PHOENIX CONTACT

RIF-1-RPT.../1X21... (1-PDT)

Operating voltage range

Interrupting rating

Ambient temperature [°C]

Coil

voltage

U/U

N

DC coils

AC coils

Switching voltage [V]

Switching

curren

t

[A]

AC, ohmic load
DC, ohmic load
DC,

L

/

R

=

4

0 ms

Contact derating

Electrical service life

Ambient temperature [°C]

L

imiting

continuous

curren

t

per

con

tact

[A]

DC coil
AC coil
DC coil, jumper between

11

and

21

AC coil, jumper between

11

and

21

250 V AC, ohmic load (DC coils)
250 V AC, ohmic load (AC coils)

Cycles

Switching current [A]

RIF-1-RPT.../2X21... (2-PDT)

Operating voltage range

Interrupting rating

Ambient temperature [°C]

Coil

voltage

U/U

N

DC coils

AC coils

AC, ohmic load
DC, ohmic load, contacts in series
DC, ohmic load
DC, L/R = 40 ms

Switching voltage [V]

Switching

current

[A]

Contact derating

Electrical service life

Ambient temperature [°C]

L

imiting

continuous

curren

t

per

con

tact

[A]

DC coil

AC coil

Cycles

Switching current [A]

250 V AC, ohmic load (DC coils)
250 V AC, ohmic load (AC coils)

DC coils

AC coils

DC coils

D W

H

Relay modules

Industrial relay system - RIFLINE complete

2-PDT relay module with

Push-in connection

AC coils

phoenixcontact-interface-technology-and-switching-devices-html.html
background image

A2

A1

12

22

14

24

11

21

A2-

A1+

12

22

14

24

11

21

Technical data

Input data

 

 

 

 

 

 

 

 

 

 

 

 

 

Permissible range (with reference to U

N

)

see  diagram

Typical input current at U

N

[mA]

33

18

33

8

6

33

18

33

8

6

Typical response time at U

N

[ms]

8

8

3 - 12

3 - 12

3 - 12

8

8

3 - 12

3 - 12

3 - 12

Typical release time at U

N

[ms]

10

10

3 - 20

3 - 20

3 - 20

10

10

3 - 20

3 - 20

3 - 20

Input circuit AC

Yellow LED , Varistor

Input circuit DC

Yellow LED , Damping diode

Yellow LED , Damping diode

Output data

Contact type

1 PDT

1 PDT

2 PDT

2 PDT

Contact material

AgNi

AgNi, hard gold-plated

AgNi

AgNi, hard gold-plated

Max. switching voltage

250 V AC/DC

30 V AC / 36 V DC

250 V AC/DC

30 V AC / 36 V DC

Minimum switching voltage

12 V (at 10 mA)

100 mV (at 10 mA)

5 V (at 10 mA)

100 mV (at 10 mA)

Limiting continuous current

11 A (see diagram)

50 mA

8 A (see diagram)

50 mA

Maximum switch-on current AC

25 A (20 ms, N/O contact)

25 A (20 ms, N/O contact)

12 A (20 ms, N/O contact)

50 mA

Maximum switch-on current DC

50 A (20 ms, N/O contact)

50 mA

25 A (20 ms, N/O contact)

50 mA

Minimum switching current

10 mA (at 12 V)

1 mA (at 24 V)

10 mA (At 5 V)

1 mA (at 24 V)

General data

Test voltage (winding / contact)

4 kV

rms

 (50 Hz, 1 min.)

4 kV

Ambient temperature (operation), AC

-40 °C ... 50 °C

Ambient temperature (operation), DC

-40 °C ... 70 °C

Nominal operating mode

100% operating factor

100% operating factor

Mechanical service life, AC

Approx. 10

7

 cycles

Mechanical service life, DC

approx. 3x 10

7

 cycles

Standards/regulations

DIN EN 50178

Degree of pollution/surge voltage category

2 / III

Mounting position/mounting

any / In rows with zero spacing

any / In rows with zero spacing

Connection data solid/stranded/AWG

0.14 ... 6 mm² / 0.14 ... 4 mm² / 26 - 10

0.14 ... 6 mm² / 0.14 ... 4 mm² / 26 - 10

Dimensions

W / H / D

16 mm / 89 mm / 75 mm

16 mm / 89 mm / 75 mm

EMC note

Class A product, see page 605

Class A product, see page 605

Ordering data

Description

Input voltage

U

N

Type

Order No.

Pcs./

Pkt.

Coupling relay modules

 with power contact relay and 

screw connection

12 V DC

RIF-1-RSC-LDP-12DC/1X21

2908500

10

24 V DC

RIF-1-RSC-LDP-24DC/1X21

2903358

10

24 V AC

RIF-1-RSC-LV-24AC/1X21

2903357

10

120 V AC

RIF-1-RSC-LV-120AC/1X21

2903356

10

230 V AC

RIF-1-RSC-LV-230AC/1X21

2903355

10

Coupling relay modules

 with multi-layer gold contact relay, with 

screw connection

24 V DC

RIF-1-RSC-LDP-24DC/1X21AU

2903354

10

24 V AC

RIF-1-RSC-LV-24AC/1X21AU

2903353

10

120 V AC

RIF-1-RSC-LV-120AC/1X21AU

2903352

10

230 V AC

RIF-1-RSC-LV-230AC/1X21AU

2903351

10

342

PHOENIX CONTACT

DC coils

AC coils

DC coils

D W

H

new

Fully mounted RIF-1 relay modules

Fully mounted RIF-1 relay modules, 

consisting of:
– Relay base with screw connection
– 1  or  2-PDT  relays
– Relay  retaining  bracket
– Interference suppression module

The advantages:

– Logical contact arrangement thanks to 

1/3-level relay base

– Operational reliability thanks to sealed 

relay

– Safe isolation between coil and contact 

side

– Professional bridging of adjacent modules 

saves wiring time

– For FBS 2-6 plug-in bridges for the input 

side (A2), see page 366.

– For FBS 2-8 plug-in bridges for the output 

side (11/21), see page 366.

Relay modules

Industrial relay system - RIFLINE complete

1-PDT relay module with

screw connection

phoenixcontact-interface-technology-and-switching-devices-html.html
background image

0,

6

0,7

0,8

0,9

1

,0

1

,

1

1

,

2

1

,

3

1

,

4

1

,

5

1

,

6

1

,7

1

,8

2

0

3

0

4

0

5

0

6

0

70

80

0,

1

0,

2

0,

3

0,

5

1

2

4

6

1

0

2

0

1

0

2

0

3

0

5

0

70

1

00

3

00

2

00

2

0

3

0

4

0

5

0

6

0

70

80

1

2

3

4

5

6

7

8

9

1

0

11

12

13

2

0 1

4

8

12

16

10

7

10

6

10

5

10

4

2 3

5 6

7

11

9

10

15

14

13

1

1
2

0,

6

0,7

0,8

0,9

1

,0

1

,

1

1

,

2

1

,

3

1

,

4

1

,

5

1

,

6

1

,7

1

,8

2

0

3

0

4

0

5

0

6

0

70

80

0

,

1

0

,

2

0

,

3

0

,

5

1

2

4

6

10

20

10

20

30

50

7

0 100

300

200

1
2
3
4

3

1

4

2

2

0

3

0

4

0

5

0

6

0

70

80

1

2

3

4

5

6

7

8

9

1

0

11

0 1

4

8

12

16

10

7

10

6

10

5

10

4

2 3

5 6

7

11

9

10

15

14

13

1
2

2

1

12

22

A1+

A2-

14

24

11

21

12

22

14

24

11

21

A2

A1

For further information and full technical data, visit phoenixcontact.net/products

Technical data

 

 

 

 

 

 

 

 

 

 

 

 

 

see diagram

[mA]

33

18

33

8

6

33

18

33

8

6

[ms]

8

8

3 - 12

3 - 12

3 - 12

8

8

3 - 12

3 - 12

3 - 12

[ms]

10

10

3 - 20

3 - 20

3 - 20

10

10

3 - 20

3 - 20

3 - 20

Yellow LED , Varistor

Input circuit DC

Yellow LED , Damping diode

Yellow LED , Damping diode

Contact type

1 PDT

1 PDT

2 PDT

2 PDT

Contact material

AgNi

AgNi, hard gold-plated

AgNi

AgNi, hard gold-plated

Max. switching voltage

250 V AC/DC

30 V AC / 36 V DC

250 V AC/DC

30 V AC / 36 V DC

Minimum switching voltage

12 V (at 10 mA)

100 mV (at 10 mA)

5 V (at 10 mA)

100 mV (at 10 mA)

Limiting continuous current

11 A (see diagram)

50 mA

8 A (see diagram)

50 mA

Maximum switch-on current AC

25 A (20 ms, N/O contact)

25 A (20 ms, N/O contact)

12 A (20 ms, N/O contact)

50 mA

Maximum switch-on current DC

50 A (20 ms, N/O contact)

50 mA

25 A (20 ms, N/O contact)

50 mA

Minimum switching current

10 mA (at 12 V)

1 mA (at 24 V)

10 mA (At 5 V)

1 mA (at 24 V)

 (50 Hz, 1 min.)

4 kV

rms

 (50 Hz, 1 min.)

-40 °C ... 50 °C

-40 °C ... 70 °C

Nominal operating mode

100% operating factor

100% operating factor

Approx. 10

7

 cycles

approx. 3x 10

7

 cycles

DIN EN 50178

2 / III

Mounting position/mounting

any / In rows with zero spacing

any / In rows with zero spacing

Connection data solid/stranded/AWG

0.14 ... 6 mm² / 0.14 ... 4 mm² / 26 - 10

0.14 ... 6 mm² / 0.14 ... 4 mm² / 26 - 10

Dimensions

W / H / D

16 mm / 89 mm / 75 mm

16 mm / 89 mm / 75 mm

EMC note

Class A product, see page 605

Class A product, see page 605

Ordering data

Type

Order No.

Pcs./

Pkt.

RIF-1-RSC-LDP-12DC/2X21

2908501

10

RIF-1-RSC-LDP-24DC/2X21

2903350

10

RIF-1-RSC-LV-24AC/2X21

2903349

10

RIF-1-RSC-LV-120AC/2X21

2903348

10

RIF-1-RSC-LV-230AC/2X21

2903347

10

RIF-1-RSC-LDP-24DC/2X21AU

2903346

10

RIF-1-RSC-LV-24AC/2X21AU

2903345

10

RIF-1-RSC-LV-120AC/2X21AU

2903344

10

RIF-1-RSC-LV-230AC/2X21AU

2903343

10

343

PHOENIX CONTACT

RIF-1-RPT.../1X21... (1-PDT)

Operating voltage range

Interrupting rating

Ambient temperature [°C]

Coil

voltage

U/U

N

DC coils

AC coils

Switching voltage [V]

Switching

curren

t

[A]

AC, ohmic load
DC, ohmic load
DC,

L

/

R

=

4

0 ms

Contact derating

Electrical service life

Ambient temperature [°C]

L

imiting

continuous

curren

t

per

con

tact

[A]

DC coil
AC coil
DC coil, jumper between

11

and

21

AC coil, jumper between

11

and

21

250 V AC, ohmic load (DC coils)
250 V AC, ohmic load (AC coils)

Cycles

Switching current [A]

RIF-1-RSC.../2X21... (2-PDT)

Operating voltage range

Interrupting rating

Ambient temperature [°C]

Coil

voltage

U/U

N

DC coils

AC coils

AC, ohmic load
DC, ohmic load, contacts in series
DC, ohmic load
DC, L/R = 40 ms

Switching voltage [V]

Switching

current

[A]

Contact derating

Electrical service life

Ambient temperature [°C]

L

imiting

continuous

curren

t

per

con

tact

[A]

DC coil

AC coil

Cycles

Switching current [A]

250 V AC, ohmic load (DC coils)
250 V AC, ohmic load (AC coils)

DC coils

AC coils

DC coils

D W

H

new

Relay modules

Industrial relay system - RIFLINE complete

2-PDT relay module with

screw connection

AC coils

phoenixcontact-interface-technology-and-switching-devices-html.html
background image

A

2

A1

1

2

22

14

2

4

11

2

1

A

2

-

A1+

1

2

22

14

2

4

11

2

1

Technical data

Input data

 

 

 

 

 

 

 

 

 

 

 

Permissible range (with reference to U

N

)

see  diagram

Typical input current at U

N

[mA]

18

7

3.5

Typical response time at U

N

[ms]

9

4 - 10

4 - 10

9

4 - 10

4 - 10

Typical release time at U

N

[ms]

10

3 - 20

3 - 20

10

3 - 20

3 - 20

Input circuit AC

Yellow LED , Varistor

Input circuit DC

Yellow LED , Damping diode

Yellow LED , Damping diode

Output data

Contact type

1 PDT

Contact material

AgNi

Max. switching voltage

250 V AC/DC

Minimum switching voltage

12 V (at 10 mA)

Limiting continuous current

see diagram

Maximum switch-on current AC

32 A (20 ms, N/O contact)

16 A (20 ms, N/O contact)

Maximum switch-on current DC

24 A (20 ms, N/O contact)

12 A (20 ms, N/O contact)

Minimum switching current

10 mA (at 12 V)

General data

Test voltage (winding / contact)

4 kV

rms

 (50 Hz, 1 min.)

4 kV

Ambient temperature (operation), AC

-40 °C ... 50 °C

Ambient temperature (operation), DC

-40 °C ... 60 °C

Nominal operating mode

100% operating factor

100% operating factor

Mechanical service life

Approx. 5 x 10

6

 cycles

Approx. 5 x 10

Standards/regulations

DIN EN 50178

Degree of pollution/surge voltage category

2 / III

Mounting position/mounting

any / In rows with zero spacing

any / In rows with zero spacing

Connection data solid/stranded/AWG

0.14 ... 1.5 mm² / 0.14 ... 1.5 mm² / 26 - 16

0.14 ... 1.5 mm² / 0.14 ... 1.5 mm² / 26 - 16

Dimensions

W / H / D

16 mm / 93 mm / 75 mm

16 mm / 93 mm / 75 mm

EMC note

Class A product, see page 605

Class A product, see page 605

Ordering data

Description

Input voltage

U

N

Type

Order No.

Pcs./

Pkt.

Coupling relay modules

 with power contact relay with manual 

operation and Push-in connection

24 V DC

RIF-1-RPT-LDP-24DC/1X21MS

2905289

10

120 V AC

RIF-1-RPT-LV-120AC/1X21MS

2909776

10

230 V AC

RIF-1-RPT-LV-230AC/1X21MS

2905290

10

344

PHOENIX CONTACT

DC coils

AC coils

DC coils

D W

H

Fully mounted RIF-1 relay modules

Fully mounted RIF-1 relay modules, 

consisting of:
– Relay base with Push-in connection
– 1 or 2-PDT relays with detectable manual 

operation

– Relay  retaining  bracket
– Interference suppression module 

(AC types only)

The advantages:

– Relay with lockable manual operation and 

status LED

– With DC types, freewheeling diode is 

integrated into relay

– Mechanical switch position indicator
– Professional bridging of adjacent modules 

saves wiring time

Relay modules

Industrial relay system - RIFLINE complete

1-PDT relay module with

Push-in connection and

manual operation

phoenixcontact-interface-technology-and-switching-devices-html.html
background image

0,6

0,7

0,8

0,9

1 0

,

1 1

,

1 2

,

1 3

,

1 4

,

1 5

,

1,6

20

30

40

50

60

20

10

5

2

1

0,5

0,2

0,1

10

20

30

50

70 100

200

300 400500

1

3

5

7

9

11

13

15

20

30

40

50

60

0 1

4

8

12

16

10

7

10

6

10

5

10

4

2 3

5 6 7

11

9 10

15

14

13

0,6

0,7

0,8

0,9

1 0

,

1 1

,

1 2

,

1 3

,

1 4

,

1 5

,

1,6

20

30

40

50

60

0,1

0,2

0,3

0,5

1

2

4

6

10

20

10

20

30

50

70 100

300

200

1
2
3
4

3

1

4

2

1

2

3

4

5

6

7

8

20

30

40

50

60

9

0

1

4

8

1

2

1

6

1

0

7

1

0

6

1

0

5

1

0

4

2 3

5 6 7

11

9

1

0

1

5

14

1

3

1

1

1

2

22

A1+

A

2

-

14

2

4

11

2

1

1

2

22

14

2

4

11

2

1

A

2

A1

For further information and full technical data, visit phoenixcontact.net/products

Technical data

 

 

 

 

 

 

 

 

 

 

 

see diagram

18

7

3.5

[ms]

9

4 - 10

4 - 10

9

4 - 10

4 - 10

[ms]

10

3 - 20

3 - 20

10

3 - 20

3 - 20

Yellow LED , Varistor

Input circuit DC

Yellow LED , Damping diode

Yellow LED , Damping diode

2 PDT

AgNi

250 V AC/DC

12 V (at 10 mA)

see diagram

Maximum switch-on current AC

32 A (20 ms, N/O contact)

16 A (20 ms, N/O contact)

Maximum switch-on current DC

24 A (20 ms, N/O contact)

12 A (20 ms, N/O contact)

10 mA (at 12 V)

 (50 Hz, 1 min.)

4 kV

rms

 (50 Hz, 1 min.)

-40 °C ... 45 °C

-40 °C ... 60 °C

Nominal operating mode

100% operating factor

100% operating factor

 cycles

Approx. 5 x 10

6

 cycles

DIN EN 50178

2 / III

Mounting position/mounting

any / In rows with zero spacing

any / In rows with zero spacing

Connection data solid/stranded/AWG

0.14 ... 1.5 mm² / 0.14 ... 1.5 mm² / 26 - 16

0.14 ... 1.5 mm² / 0.14 ... 1.5 mm² / 26 - 16

Dimensions

W / H / D

16 mm / 93 mm / 75 mm

16 mm / 93 mm / 75 mm

EMC note

Class A product, see page 605

Class A product, see page 605

Ordering data

Type

Order No.

Pcs./

Pkt.

RIF-1-RPT-LDP-24DC/2X21MS

2905291

10

RIF-1-RPT-LV-120AC/2X21MS

2909775

10

RIF-1-RPT-LV-230AC/2X21MS

2905292

10

345

PHOENIX CONTACT

RIF-1-RPT.../1X21... (1-PDT)

Operating voltage range

Interrupting rating

A

mb

i

ent

 

temperature

 [

°C]

Co

il 

vo

l

tage

 

U/U

N

DC

 

co

il

s

A

C

 

co

il

s

Sw

i

tch

i

ng

 

vo

l

tage

 [V

]

Sw

i

tch

i

ng

current

 [A

]

= A

C,

 

ohm

i

c

 l

oad

DC,

 

ohm

i

c

 l

oad

Contact derating

Electrical service life

A

mb

i

ent

 

temperature

 [

°C]

Li

m

i

t

i

ng

cont

i

nuous

 

current

 

per

 

co

ntact

 [A

]

DC

 

co

il

A

C

 

co

il

Cyc

l

es

Sw

i

tch

i

ng

 

current

 [A

]

= 2

50

 V A

C,

 

ohm

i

c

 l

oad

RIF-1-RPT.../2X21... (2-PDT)

Operating voltage range

Interrupting rating

A

mb

i

ent

 

temperature

 [

°C]

Co

il 

vo

l

tage

 

U/U

N

DC

 

co

il

s

A

C

 

co

il

s

AC, ohmic load
DC, ohmic load, contacts in series
DC, ohmic load
DC, L/R = 40 ms

Switching voltage [V]

Switching

current

[A]

Contact derating

Electrical service life

A

mb

i

ent

 

temperature

 [

°C]

Li

m

i

t

i

ng

cont

i

nuous

 

current

 

per

 

co

ntact

 [A

]

DC

 

co

il

A

C

 

co

il

Cycles

Switching current [A]

2

50 V AC, ohmic load

DC coils

AC coils

DC coils

D W

H

Relay modules

Industrial relay system - RIFLINE complete

2-PDT relay module with

Push-in connection and

manual operation

AC coils

phoenixcontact-interface-technology-and-switching-devices-html.html
background image

A

2

A1

1

2

22

14

2

4

11

2

1

A

2

-

A1+

1

2

22

14

2

4

11

2

1

Technical data

Input data

 

 

 

 

 

 

 

 

 

 

 

Permissible range (with reference to U

N

)

see  diagram

Typical input current at U

N

[mA]

18

7

4.5

Typical response time at U

N

[ms]

9

4 - 10

4 - 12

9

4 - 10

4 - 12

Typical release time at U

N

[ms]

10

3 - 20

4 - 20

10

3 - 20

4 - 20

Input circuit AC

Yellow LED , Varistor

Input circuit DC

Yellow LED , Damping diode

Yellow LED , Damping diode

Output data

Contact type

1 PDT

Contact material

AgNi

Max. switching voltage

250 V AC/DC

Minimum switching voltage

12 V (at 10 mA)

Limiting continuous current

see diagram

Maximum switch-on current AC

32 A (20 ms, N/O contact)

16 A (20 ms, N/O contact)

Maximum switch-on current DC

24 A (20 ms, N/O contact)

12 A (20 ms, N/O contact)

Minimum switching current

10 mA (at 12 V)

General data

Test voltage (winding / contact)

4 kV

rms

 (50 Hz, 1 min.)

4 kV

Ambient temperature (operation), AC

-40 °C ... 50 °C

Ambient temperature (operation), DC

-40 °C ... 60 °C

Nominal operating mode

100% operating factor

100% operating factor

Mechanical service life

Approx. 5 x 10

6

 cycles

Approx. 5 x 10

Standards/regulations

DIN EN 50178

Degree of pollution/surge voltage category

2 / III

Mounting position/mounting

any / In rows with zero spacing

any / In rows with zero spacing

Connection data solid/stranded/AWG

0.14 ... 6 mm² / 0.14 ... 4 mm² / 26 - 10

0.14 ... 6 mm² / 0.14 ... 4 mm² / 26 - 10

Dimensions

W / H / D

16 mm / 89 mm / 75 mm

16 mm / 89 mm / 75 mm

EMC note

Class A product, see page 605

Class A product, see page 605

Ordering data

Description

Input voltage

U

N

Type

Order No.

Pcs./

Pkt.

Coupling relay modules

 with power contact relay with manual 

operation and screw connection

24 V DC

RIF-1-RSC-LDP-24DC/1X21MS

2905659

10

120 V AC

RIF-1-RSC-LV-120AC/1X21MS

2909774

10

230 V AC

RIF-1-RSC-LV-230AC/1X21MS

2905661

10

346

PHOENIX CONTACT

DC coils

AC coils

DC coils

D W

H

new

Fully mounted RIF-1 relay modules

Fully mounted RIF-1 relay modules, 

consisting of:
– Relay base with screw connection
– 1 or 2-PDT relays with detectable manual 

operation

– Relay  retaining  bracket
– Interference suppression module 

(AC types only)

The advantages:

– Relay with lockable manual operation and 

status LED

– With DC types, freewheeling diode is 

integrated into relay

– Mechanical switch position indicator
– Professional bridging of adjacent modules 

saves wiring time

Relay modules

Industrial relay system - RIFLINE complete

1-PDT relay module with

screw connection and

manual operation

phoenixcontact-interface-technology-and-switching-devices-html.html
background image

0,6

0,7

0,8

0,9

1 0

,

1 1

,

1 2

,

1 3

,

1 4

,

1 5

,

1,6

20

30

40

50

60

20

10

5

2

1

0,5

0,2

0,1

10

20

30

50

70 100

200

300 400500

1

3

5

7

9

11

13

15

20

30

40

50

60

0 1

4

8

12

16

10

7

10

6

10

5

10

4

2 3

5 6 7

11

9 10

15

14

13

0,6

0,7

0,8

0,9

1 0

,

1 1

,

1 2

,

1 3

,

1 4

,

1 5

,

1,6

20

30

40

50

60

0,1

0,2

0,3

0,5

1

2

4

6

10

20

10

20

30

50

70 100

300

200

1
2
3
4

3

1

4

2

1

2

3

4

5

6

7

8

20

30

40

50

60

9

0

1

4

8

1

2

1

6

1

0

7

1

0

6

1

0

5

1

0

4

2 3

5 6 7

11

9

1

0

1

5

14

1

3

1

1

1

2

22

A1+

A

2

-

14

2

4

11

2

1

1

2

22

14

2

4

11

2

1

A

2

A1

For further information and full technical data, visit phoenixcontact.net/products

Technical data

 

 

 

 

 

 

 

 

 

 

 

see diagram

18

7

4.5

[ms]

9

4 - 10

4 - 12

9

4 - 10

4 - 12

[ms]

10

3 - 20

4 - 20

10

3 - 20

4 - 20

Yellow LED , Varistor

Input circuit DC

Yellow LED , Damping diode

Yellow LED , Damping diode

2 PDT

AgNi

250 V AC/DC

12 V (at 10 mA)

see diagram

Maximum switch-on current AC

32 A (20 ms, N/O contact)

16 A (20 ms, N/O contact)

Maximum switch-on current DC

24 A (20 ms, N/O contact)

12 A (20 ms, N/O contact)

10 mA (at 12 V)

 (50 Hz, 1 min.)

4 kV

rms

 (50 Hz, 1 min.)

-40 °C ... 45 °C

-40 °C ... 60 °C

Nominal operating mode

100% operating factor

100% operating factor

 cycles

Approx. 5 x 10

6

 cycles

DIN EN 50178

2 / III

Mounting position/mounting

any / In rows with zero spacing

any / In rows with zero spacing

Connection data solid/stranded/AWG

0.14 ... 6 mm² / 0.14 ... 4 mm² / 26 - 10

0.14 ... 6 mm² / 0.14 ... 4 mm² / 26 - 10

Dimensions

W / H / D

16 mm / 89 mm / 75 mm

16 mm / 89 mm / 75 mm

EMC note

Class A product, see page 605

Class A product, see page 605

Ordering data

Type

Order No.

Pcs./

Pkt.

RIF-1-RSC-LDP-24DC/2X21MS

2905660

10

RIF-1-RSC-LV-120AC/2X21MS

2909773

10

RIF-1-RSC-LV-230AC/2X21MS

2905662

10

347

PHOENIX CONTACT

RIF-1-RPT.../1X21... (1-PDT)

Operating voltage range

Interrupting rating

A

mb

i

ent

 

temperature

 [

°C]

Co

il 

vo

l

tage

 

U/U

N

DC

 

co

il

s

A

C

 

co

il

s

Sw

i

tch

i

ng

 

vo

l

tage

 [V

]

Sw

i

tch

i

ng

current

 [A

]

= A

C,

 

ohm

i

c

 l

oad

DC,

 

ohm

i

c

 l

oad

Contact derating

Electrical service life

A

mb

i

ent

 

temperature

 [

°C]

Li

m

i

t

i

ng

cont

i

nuous

 

current

 

per

 

co

ntact

 [A

]

DC

 

co

il

A

C

 

co

il

Cyc

l

es

Sw

i

tch

i

ng

 

current

 [A

]

= 2

50

 V A

C,

 

ohm

i

c

 l

oad

RIF-1-RSC.../2X21... (2-PDT)

Operating voltage range

Interrupting rating

A

mb

i

ent

 

temperature

 [

°C]

Co

il 

vo

l

tage

 

U/U

N

DC

 

co

il

s

A

C

 

co

il

s

AC, ohmic load
DC, ohmic load, contacts in series
DC, ohmic load
DC, L/R = 40 ms

Switching voltage [V]

Switching

current

[A]

Contact derating

Electrical service life

A

mb

i

ent

 

temperature

 [

°C]

Li

m

i

t

i

ng

cont

i

nuous

 

current

 

per

 

co

ntact

 [A

]

DC

 

co

il

A

C

 

co

il

Cycles

Switching current [A]

2

50 V AC, ohmic load

DC coils

AC coils

DC coils

D W

H

new

Relay modules

Industrial relay system - RIFLINE complete

2-PDT relay module with

screw connection and

manual operation

AC coils

phoenixcontact-interface-technology-and-switching-devices-html.html
background image

A

2

-

A1+

1

2

22

14

2

4

11

2

1

Technical data

Input data

 

 

 

 

 

 

 

 

 

Permissible range (with reference to U

N

)

see  diagram

Typical input current at U

N

[mA]

18

Typical response time at U

N

[ms]

8

Typical release time at U

N

[ms]

10

Input circuit DC

Yellow LED , Polarity protection diode , Damping diode

Output data

Contact type

1 N/O contact

Contact material

AgSnO

Max. switching voltage

250 V AC/DC

Minimum switching voltage

12 V AC/DC (at 100 mA)

Limiting continuous current

6 A

Maximum switch-on current DC

80 A (for 20 ms) / 

130 A (peak, at capacitive load, 230 V AC, 24 

μ

F)

Minimum switching current

100 mA (at 12 V DC)

General data

Test voltage (winding / contact)

4 kV AC (50 Hz, 1 min.)

Ambient temperature (operation), DC

-40 °C ... 70 °C

Nominal operating mode

100% operating factor

Mechanical service life, DC

3 x 10

7

 cycles

Standards/regulations

IEC

 

60664 , EN 50178

Degree of pollution/surge voltage category

2 / III

Mounting position/mounting

any / In rows with zero spacing

Connection data solid/stranded/AWG

0.14 ... 1.5 mm² / 0.14 ... 1.5 mm² / 26 - 16

Dimensions

W / H / D

16 mm / 93 mm / 75 mm

EMC note

Class A product, see page 605

Ordering data

Description

Input voltage

U

N

Type

Order No.

Pcs./

Pkt.

Coupling relay modules

 for high inrush currents

with Push-in connection

24 V DC

RIF-1-RPT-LDP-24DC/1IC

2909884

10

with screw connection

24 V DC

RIF-1-RSC-LDP-24DC/1IC

2909885

10

348

PHOENIX CONTACT

D W

H

new

Fully mounted RIF-1 relay modules, 

consisting of:
– Relay base with Push-in connection
– 1-N/O  relay
– Relay  retaining  bracket

The advantages:

– Maximum inrush current up to 130 A
– Logical contact arrangement thanks to 

1/3-level relay base

– Operational reliability thanks to sealed 

relay

– Safe isolation between coil and contact 

side

– Professional bridging of adjacent modules 

saves wiring time

– For FBS 2-6 plug-in bridges for the input 

side (A2), see page 366.

– For FBS 2-8 plug-in bridges for the output 

side (11/21), see page 366.

Fully mounted RIF-1 relay modules

Relay modules

Industrial relay system - RIFLINE complete

1-N/O relay module with

Push-in and screw connection

phoenixcontact-interface-technology-and-switching-devices-html.html
background image

0,

1

0,

2

0,

3

0,

5

1

2

4

6

1

0

2

0

1

0

2

0

3

0

5

0

70

1

00

3

00

2

00

U

I

t

For further information and full technical data, visit phoenixcontact.net/products

349

PHOENIX CONTACT

Interrupting rating 

Switc

h

in

g c

u

rr

e

n

t [A

]

Switching voltage [V] 

AC, ohmic load

DC, ohmic load

DC, L/R = 40 ms

Operating voltage range

Curve A

Maximum permissible continuous voltage U

max

 with limiting continuous 

current on the contact side (see relevant technical data).

Curve B

Minimum permitted pick-up voltage U

op

 after pre-excitation 

(see relevant technical data).

Basic behavior of capacitive loads:

- Very high input current

- Voltage increases with an e-function

Relay modules

Industrial relay system - RIFLINE complete

phoenixcontact-interface-technology-and-switching-devices-html.html
background image

12

42

14

44

11

41

A2

A1

A2-

A1+

12

42

14

44

11

41

 

 

Technical data

Input data

 

 

 

 

 

 

 

 

 

 

 

 

Permissible range (with reference to U

N

)

see  diagram

Typical input current at U

N

[mA]

42

66

13

6.5

42

66

13

6.5

Typical response time at U

N

[ms]

13

5 - 15

5 - 15

5 - 15

13

5 - 15

5 - 15

5 - 15

Typical release time at U

N

[ms]

14

5 - 20

5 - 20

5 - 20

14

5 - 20

5 - 20

5 - 20

Input circuit AC

Yellow LED , Varistor

Input circuit DC

Yellow LED , Damping diode

Yellow LED , Damping diode

Output data

Contact type

2 PDT

Contact material

AgNi

Max. switching voltage

250 V AC/DC

Minimum switching voltage

5 V (At 24 mA)

Limiting continuous current

10 A (see diagram)

Maximum switch-on current AC

30 A (20 ms, N/O contact)

16 A (20 ms, N/O contact)

Maximum switch-on current DC

30 A (20 ms, N/O contact)

16 A (20 ms, N/O contact)

Minimum switching current

5 mA (at 24 V)

General data

Test voltage (winding / contact)

2.5 kV

rms

 (50 Hz, 1 min.)

2.5 kV

Ambient temperature (operation), AC

-40 °C ... 50 °C

Ambient temperature (operation), DC

-40 °C ... 60 °C

Nominal operating mode

100% operating factor

100% operating factor

Mechanical service life, AC

Approx. 2x 10

7

 cycles

Mechanical service life, DC

Approx. 2x 10

7

 cycles

Standards/regulations

DIN EN 50178

Degree of pollution/surge voltage category

2 / III

Mounting position/mounting

any / In rows with zero spacing

any / In rows with zero spacing

Connection data solid/stranded/AWG

0.14 ... 1.5 mm² / 0.14 ... 1.5 mm² / 26 - 16

0.14 ... 1.5 mm² / 0.14 ... 1.5 mm² / 26 - 16

Dimensions

W / H / D

31 mm / 96 mm / 75 mm

31 mm / 96 mm / 75 mm

EMC note

Class A product, see page 605

Class A product, see page 605

Ordering data

Description

Input voltage

U

N

Type

Order No.

Pcs./

Pkt.

Pre-assembled coupling relay modules

 with 

power contact relay and Push-in connection

24 V DC

RIF-2-RPT-LDP-24DC/2X21

2903315

10

24 V AC

RIF-2-RPT-LV-24AC/2X21

2903313

10

120 V AC

RIF-2-RPT-LV-120AC/2X21

2903311

10

230 V AC

RIF-2-RPT-LV-230AC/2X21

2903310

10

350

PHOENIX CONTACT

DC coils

AC coils

DC coils

D W

H

Fully mounted RIF-2 relay modules

Fully mounted RIF-2 relay modules, 

consisting of:
– Relay base with Push-in connection
– 2 or 4-PDT industrial relay
– Relay  retaining  bracket
– Varistor interference suppression module 

(AC types only)

The advantages:

– Relay with lockable manual operation and 

status LED

– With DC types, freewheeling diode is 

integrated into relay

– Mechanical switch position indicator
– Logical contact arrangement thanks to 

1/3-level relay base

– Professional bridging of adjacent modules 

saves wiring time

– For FBS 2-6 plug-in bridges for the input 

side (A2), see page 366.

Relay modules

Industrial relay system - RIFLINE complete

2-PDT industrial relay module with

Push-in connection and

manual operation

phoenixcontact-interface-technology-and-switching-devices-html.html
background image

0,

6

0,7

0,8

0,9

1

,0

1

,

1

1

,

2

1

,

3

1

,

4

1

,

5

1

,

6

1

,7

1

,8

2

0

3

0

4

0

5

0

6

0

70

80

0,

1

0,

2

0,

3

0,

5

1

2

4

6

1

0

2

0

1

0

2

0

3

0

5

0

70

1

00

3

00

2

00

2

0

3

0

4

0

5

0

6

0

70

80

1

2

3

4

5

6

7

8

9

1

0

11

0

1

2

3

1

0

5

1

0

6

1

0

7

0,

6

0,7

0,8

0,9

1

,0

1

,

1

1

,

2

1

,

3

1

,

4

1

,

5

1

,

6

1

,7

1

,8

2

0

3

0

4

0

5

0

6

0

70

80

0,

1

0,

2

0,

3

0,

5

1

2

4

6

1

0

2

0

1

0

2

0

3

0

5

0

70

1

00

3

00

2

00

2

0

3

0

4

0

5

0

6

0

70

80

1

2

3

4

5

6

7

8

9

1

0

11

0

1

2

3

1

0

5

1

0

6

1

0

7

A2-

A1+

12

32

22

42

14

34

24

44

11

31

21

41

12

32

22

42

14

34

24

44

11

31

21

41

A2

A1

For further information and full technical data, visit phoenixcontact.net/products

 

 

 

Technical data

 

 

 

 

 

 

 

 

 

 

 

 

see diagram

[mA]

42

66

13

6.5

42

66

13

6.5

[ms]

13

5 - 15

5 - 15

5 - 15

13

5 - 15

5 - 15

5 - 15

[ms]

14

5 - 20

5 - 20

5 - 20

14

5 - 20

5 - 20

5 - 20

Yellow LED , Varistor

Input circuit DC

Yellow LED , Damping diode

Yellow LED , Damping diode

4 PDT

AgNi

250 V AC/DC

5 V (At 24 mA)

6 A (see diagram)

Maximum switch-on current AC

30 A (20 ms, N/O contact)

16 A (20 ms, N/O contact)

Maximum switch-on current DC

30 A (20 ms, N/O contact)

16 A (20 ms, N/O contact)

5 mA (at 24 V)

 (50 Hz, 1 min.)

2.5 kV

rms

 (50 Hz, 1 min.)

-40 °C ... 50 °C

-40 °C ... 60 °C

Nominal operating mode

100% operating factor

100% operating factor

Approx. 2x 10

7

 cycles

Approx. 2x 10

7

 cycles

DIN EN 50178

2 / II

Mounting position/mounting

any / In rows with zero spacing

any / In rows with zero spacing

Connection data solid/stranded/AWG

0.14 ... 1.5 mm² / 0.14 ... 1.5 mm² / 26 - 16

0.14 ... 1.5 mm² / 0.14 ... 1.5 mm² / 26 - 16

Dimensions

W / H / D

31 mm / 96 mm / 75 mm

31 mm / 96 mm / 75 mm

EMC note

Class A product, see page 605

Class A product, see page 605

Ordering data

Type

Order No.

Pcs./

Pkt.

RIF-2-RPT-LDP-24DC/4X21

2903308

10

RIF-2-RPT-LV-24AC/4X21

2903306

10

RIF-2-RPT-LV-120AC/4X21

2903305

10

RIF-2-RPT-LV-230AC/4X21

2903304

10

351

PHOENIX CONTACT

RIF-2-RPT.../2X21 (2-PDT)

Operating voltage range

Interrupting rating

Ambient temperature [°C]

Coil

voltage

U/U

N

DC coil (observe contact derating)

AC coil (observe contact derating)

Switching voltage [V]

Switching

curren

t

[A]

AC, ohmic load

DC, ohmic load

Contact derating

Electrical service life

Ambient temperature [°C]

L

imiting

continuous

curren

t

per

con

tact

[A]

DC coil

AC coil

2

50 V AC, ohmic load

Cycles

Switching capacity [kVA]

RIF-2-RPT.../4X21 (4-PDT)

Operating voltage range

Interrupting rating

Ambient temperature [°C]

Coil

voltage

U/U

N

DC coil (observe contact derating)

AC coil (observe contact derating)

Switching voltage [V]

Switching

curren

t

[A]

AC, ohmic load

DC, ohmic load

Contact derating

Electrical service life

Ambient temperature [°C]

L

imiting

continuous

curren

t

per

con

tact

[A]

DC coil

AC coil

2

50 V AC, ohmic load

Cycles

Switching capacity [kVA]

DC coils

AC coils

DC coils

D W

H

Relay modules

Industrial relay system - RIFLINE complete

4-PDT industrial relay module with

Push-in connection and

manual operation

AC coils

phoenixcontact-interface-technology-and-switching-devices-html.html
background image

12

42

14

44

11

41

A2

A1

A2-

A1+

12

42

14

44

11

41

Technical data

Input data

 

 

 

 

 

 

 

 

 

 

 

 

 

Permissible range (with reference to U

N

)

see  diagram

Typical input current at U

N

[mA]

42

7.5

66

13

6.5

42

7.5

66

13

6.5

Typical response time at U

N

[ms]

13

13

5 - 15

5 - 15

5 - 15

13

13

5 - 15

5 - 15

5 - 15

Typical release time at U

N

[ms]

14

14

5 - 20

5 - 20

5 - 20

14

14

5 - 20

5 - 20

5 - 20

Input circuit AC

Yellow LED , Varistor

Input circuit DC

Yellow LED , Damping diode

Yellow LED , Damping diode

Output data

Contact type

2 PDT

Contact material

AgNi

Max. switching voltage

250 V AC/DC

Minimum switching voltage

5 V (At 24 mA)

Limiting continuous current

10 A (see diagram)

Maximum switch-on current AC

30 A (20 ms, N/O contact)

16 A (20 ms, N/O contact)

Maximum switch-on current DC

30 A (20 ms, N/O contact)

16 A (20 ms, N/O contact)

Minimum switching current

5 mA (at 24 V)

General data

Test voltage (winding / contact)

2.5 kV

rms

 (50 Hz, 1 min.)

2.5 kV

Ambient temperature (operation), AC

-40 °C ... 50 °C

Ambient temperature (operation), DC

-40 °C ... 60 °C

Nominal operating mode

100% operating factor

100% operating factor

Mechanical service life, AC

Approx. 2x 10

7

 cycles

Mechanical service life, DC

Approx. 2x 10

7

 cycles

Standards/regulations

DIN EN 50178

Degree of pollution/surge voltage category

2 / III

Mounting position/mounting

any / In rows with zero spacing

any / In rows with zero spacing

Connection data solid/stranded/AWG

0.14 ... 6 mm² / 0.14 ... 4 mm² / 26 - 10

0.14 ... 6 mm² / 0.14 ... 4 mm² / 26 - 10

Dimensions

W / H / D

27 mm / 89 mm / 75 mm

27 mm / 89 mm / 75 mm

Ordering data

Description

Input voltage

U

N

Type

Order No.

Pcs./

Pkt.

Pre-assembled coupling relay modules

 with 

power contact relay and screw connection

24 V DC

RIF-2-RSC-LDP-24DC/2X21

2903326

10

125 V DC

RIF-2-RSC-LDP-125DC/2X21

2903324

10

24 V AC

RIF-2-RSC-LV-24AC/2X21

2903323

10

120 V AC

RIF-2-RSC-LV-120AC/2X21

2903322

10

230 V AC

RIF-2-RSC-LV-230AC/2X21

2903321

10

352

PHOENIX CONTACT

DC coils

AC coils

DC coils

D W

H

new

Fully mounted RIF-2 relay modules

Fully mounted RIF-2 relay modules, 

consisting of:
– Relay base with screw connection
– 2  or  4-PDT  relay
– Relay  retaining  bracket
– Interference suppression module 

(AC types only)

The advantages:

– Relay with lockable manual operation and 

status LED

– With DC types, freewheeling diode is 

integrated into relay

– Mechanical switch position indicator
– Logical contact arrangement thanks to 

1/3-level relay base

– Professional bridging of adjacent modules 

saves wiring time

– For FBS 2-6 plug-in bridges for the input 

side (A2), see page 366.

Relay modules

Industrial relay system - RIFLINE complete

2-PDT industrial relay module with

screw connection and

manual operation

phoenixcontact-interface-technology-and-switching-devices-html.html
background image

0,

6

0,7

0,8

0,9

1

,0

1

,

1

1

,

2

1

,

3

1

,

4

1

,

5

1

,

6

1

,7

1

,8

2

0

3

0

4

0

5

0

6

0

70

80

0,

1

0,

2

0,

3

0,

5

1

2

4

6

1

0

2

0

1

0

2

0

3

0

5

0

70

1

00

3

00

2

00

20

30

4

0

50

60

70

8

0

1

2

3

4

5

6

7

8

9

1

0

11

0

1

2

3

1

0

5

1

0

6

1

0

7

0,

6

0,7

0,8

0,9

1

,0

1

,

1

1

,

2

1

,

3

1

,

4

1

,

5

1

,

6

1

,7

1

,8

2

0

3

0

4

0

5

0

6

0

70

80

0,

1

0,

2

0,

3

0,

5

1

2

4

6

1

0

2

0

1

0

2

0

3

0

5

0

70

1

00

3

00

2

00

20

30

4

0

50

60

70

8

0

1

2

3

4

5

6

7

8

9

1

0

11

0

1

2

3

1

0

5

1

0

6

1

0

7

A2-

A1+

12

32

22

42

14

34

24

44

11

31

21

41

12

32

22

42

14

34

24

44

11

31

21

41

A2

A1

For further information and full technical data, visit phoenixcontact.net/products

Technical data

 

 

 

 

 

 

 

 

 

 

 

 

 

see diagram

[mA]

42

7.5

66

13

6.5

42

7.5

66

13

6.5

[ms]

13

13

5 - 15

5 - 15

5 - 15

13

13

5 - 15

5 - 15

5 - 15

[ms]

14

14

5 - 20

5 - 20

5 - 20

14

14

5 - 20

5 - 20

5 - 20

Yellow LED , Varistor

Input circuit DC

Yellow LED , Damping diode

Yellow LED , Damping diode

4 PDT

AgNi

250 V AC/DC

5 V (At 24 mA)

6 A (see diagram)

Maximum switch-on current AC

30 A (20 ms, N/O contact)

16 A (20 ms, N/O contact)

Maximum switch-on current DC

30 A (20 ms, N/O contact)

16 A (20 ms, N/O contact)

5 mA (at 24 V)

 (50 Hz, 1 min.)

2.5 kV

rms

 (50 Hz, 1 min.)

-40 °C ... 50 °C

-40 °C ... 60 °C

Nominal operating mode

100% operating factor

100% operating factor

Approx. 2x 10

7

 cycles

Approx. 2x 10

7

 cycles

DIN EN 50178

2 / II

Mounting position/mounting

any / In rows with zero spacing

any / In rows with zero spacing

Connection data solid/stranded/AWG

0.14 ... 6 mm² / 0.14 ... 4 mm² / 26 - 10

0.14 ... 6 mm² / 0.14 ... 4 mm² / 26 - 10

Dimensions

W / H / D

27 mm / 89 mm / 75 mm

27 mm / 89 mm / 75 mm

Ordering data

Type

Order No.

Pcs./

Pkt.

RIF-2-RSC-LDP-24DC/4X21

2903320

10

RIF-2-RSC-LDP-125DC/4X21

2903319

10

RIF-2-RSC-LV-24AC/4X21

2903318

10

RIF-2-RSC-LV-120AC/4X21

2903317

10

RIF-2-RSC-LV-230AC/4X21

2903316

10

353

PHOENIX CONTACT

RIF-2-RSC.../2X21 (2-PDT)

Operating voltage range

Interrupting rating

Ambient temperature [°C]

Coil

voltage

U/U

N

DC coil (observe contact derating)

AC coil (observe contact derating)

Switching voltage [V]

Switching

curren

t

[A]

AC, ohmic load

DC, ohmic load

Contact derating

Electrical service life

A

mb

i

ent

 

temperature

 [

°C]

Li

m

i

t

i

ng

cont

i

nuous

 

curr

ent

 

per

 

co

ntact

 [A

]

DC

 

co

il

A

C

 

co

il

2

50 V AC, ohmic load

Cycles

Switching capacity [kVA]

RIF-2-RSC.../4X21 (4-PDT)

Operating voltage range

Interrupting rating

Ambient temperature [°C]

Coil

voltage

U/U

N

DC coil (observe contact derating)

AC coil (observe contact derating)

Switching voltage [V]

Switching

curren

t

[A]

AC, ohmic load

DC, ohmic load

Contact derating

Electrical service life

A

mb

i

ent

 

temperature

 [

°C]

Li

m

i

t

i

ng

cont

i

nuous

 

curr

ent

 

per

 

co

ntact

 [A

]

DC

 

co

il

A

C

 

co

il

2

50 V AC, ohmic load

Cycles

Switching capacity [kVA]

DC coils

AC coils

DC coils

D W

H

new

Relay modules

Industrial relay system - RIFLINE complete

4-PDT industrial relay module with

screw connection and

manual operation

AC coils

phoenixcontact-interface-technology-and-switching-devices-html.html
background image

12

22

14

24

11

21

A2

A1

12

22

A1+

A2-

14

24

11

21

 

 

Technical data

Input data

 

 

 

 

 

 

 

 

 

 

 

Permissible range (with reference to U

N

)

see  diagram

Typical input current at U

N

[mA]

60

23

13

Typical response time at U

N

[ms]

18

5 - 15

5 - 15

18

5 - 15

5 - 15

Typical release time at U

N

[ms]

20

5 - 20

5 - 20

20

5 - 20

5 - 20

Input circuit AC

Yellow LED , Varistor

Input circuit DC

Yellow LED , Damping diode

Yellow LED , Damping diode

Output data

Contact type

2 PDT

Contact material

AgNi

Max. switching voltage

250 V AC/DC

Minimum switching voltage

10 V (At 24 mA)

Limiting continuous current

10 A (see diagram)

Maximum switch-on current AC

30 A (20 ms, N/O contact)

30 A (20 ms, N/O contact)

Maximum switch-on current DC

30 A (20 ms, N/O contact)

30 A (20 ms, N/O contact)

Minimum switching current

10 mA (at 24 V)

General data

Test voltage (winding / contact)

2.5 kV

rms

 (50 Hz, 1 min.)

2.5 kV

Ambient temperature (operation), AC

-40 °C ... 50 °C

Ambient temperature (operation), DC

-40 °C ... 60 °C

Nominal operating mode

100% operating factor

100% operating factor

Mechanical service life, AC

Approx. 2x 10

7

 cycles

Mechanical service life, DC

Approx. 2x 10

7

 cycles

Standards/regulations

DIN EN 50178

Degree of pollution/surge voltage category

2 / III

Mounting position/mounting

any / In rows with zero spacing

any / In rows with zero spacing

Connection data solid/stranded/AWG

0.14 ... 1.5 mm² / 0.14 ... 1.5 mm² / 26 - 16

0.14 ... 1.5 mm² / 0.14 ... 1.5 mm² / 26 - 16

Dimensions

W / H / D

40 mm / 103 mm / 90 mm

40 mm / 103 mm / 90 mm

EMC note

Class A product, see page 605

Class A product, see page 605

Ordering data

Description

Input voltage

U

N

Type

Order No.

Pcs./

Pkt.

Pre-assembled coupling relay modules

 with 

power contact relay and Push-in connection

24 V DC

RIF-3-RPT-LDP-24DC/2X21

2903297

5

120 V AC

RIF-3-RPT-LV-120AC/2X21

2903296

5

230 V AC

RIF-3-RPT-LV-230AC/2X21

2903295

5

354

PHOENIX CONTACT

DC coils

AC coils

DC coils

D W

H

Fully mounted RIF-3 relay modules

Fully mounted RIF-3 relay modules, 

consisting of:
– Relay base with Push-in connection
– 2 or 3-PDT octal relay
– Relay  retaining  bracket
– Interference suppression module 

(AC types only)

The advantages:

– Relay with lockable manual operation and 

status LED

– With DC types, freewheeling diode is 

integrated into relay

– Mechanical switch position indicator
– Logical contact arrangement thanks to 

1/3-level relay base

– Professional bridging of adjacent modules 

saves wiring time

– For FBS 2-6 plug-in bridges for the input 

side (A2), see page 366.

Relay modules

Industrial relay system - RIFLINE complete

2-PDT octal relay module with

Push-in connection and

manual operation

phoenixcontact-interface-technology-and-switching-devices-html.html
background image

0,

6

0,7

0,8

0,9

1

,0

1

,

1

1

,

2

1

,

3

1

,

4

1

,

5

1

,

6

1

,7

1

,8

2

0

3

0

4

0

5

0

6

0

70

80

0,

1

0,

2

0,

3

0,

5

1

2

4

6

1

0

2

0

1

0

2

0

3

0

5

0

70

1

00

3

00

2

00

2

0

3

0

4

0

5

0

6

0

70

80

1

2

3

4

5

6

7

8

9

1

0

11

0 0,

2

0,

4

0,

6

0,8

1

,0

1

,

2 1

,

4 1

,

6 1

,8

2

,0

2

,

2 2

,

4 2

,

6

1

0

4

1

0

5

1

0

5

1

0

6

1

0

7

0,

6

0,7

0,8

0,9

1

,0

1

,

1

1

,

2

1

,

3

1

,

4

1

,

5

1

,

6

1

,7

1

,8

2

0

3

0

4

0

5

0

6

0

70

80

0,

1

0,

2

0,

3

0,

5

1

2

4

6

1

0

2

0

1

0

2

0

3

0

5

0

70

1

00

3

00

2

00

2

0

3

0

4

0

5

0

6

0

70

80

1

2

3

4

5

6

7

8

9

1

0

11

0 0,

2

0,

4

0,

6

0,8

1

,0

1

,

2 1

,

4 1

,

6 1

,8

2

,0

2

,

2 2

,

4 2

,

6

1

0

4

1

0

5

1

0

5

1

0

6

1

0

7

A2-

A1+

12

32

22

14

34

24

11

31

21

A2

A1

12

32

22

14

34

24

11

31

21

For further information and full technical data, visit phoenixcontact.net/products

 

 

 

Technical data

 

 

 

 

 

 

 

 

 

 

 

see diagram

60

23

13

[ms]

18

5 - 15

5 - 15

18

5 - 15

5 - 15

[ms]

20

5 - 20

5 - 20

20

5 - 20

5 - 20

Yellow LED , Varistor

Input circuit DC

Yellow LED , Damping diode

Yellow LED , Damping diode

3 PDT

AgNi

250 V AC/DC

10 V (At 24 mA)

8.5 A (see diagram)

Maximum switch-on current AC

30 A (20 ms, N/O contact)

30 A (20 ms, N/O contact)

Maximum switch-on current DC

30 A (20 ms, N/O contact)

30 A (20 ms, N/O contact)

10 mA (at 24 V)

 (50 Hz, 1 min.)

2.5 kV

rms

 (50 Hz, 1 min.)

-40 °C ... 50 °C

-40 °C ... 60 °C

Nominal operating mode

100% operating factor

100% operating factor

Approx. 2x 10

7

 cycles

Approx. 2x 10

7

 cycles

DIN EN 50178

2 / III

Mounting position/mounting

any / In rows with zero spacing

any / In rows with zero spacing

Connection data solid/stranded/AWG

0.14 ... 1.5 mm² / 0.14 ... 1.5 mm² / 26 - 16

0.14 ... 1.5 mm² / 0.14 ... 1.5 mm² / 26 - 16

Dimensions

W / H / D

40 mm / 103 mm / 90 mm

40 mm / 103 mm / 90 mm

EMC note

Class A product, see page 605

Class A product, see page 605

Ordering data

Type

Order No.

Pcs./

Pkt.

RIF-3-RPT-LDP-24DC/3X21

2903294

5

RIF-3-RPT-LV-120AC/3X21

2903293

5

RIF-3-RPT-LV-230AC/3X21

2903292

5

355

PHOENIX CONTACT

RIF-3-RPT.../2X21 (2-PDT)

Operating voltage range

Interrupting rating

Ambient temperature [°C]

Coil

voltage

U/U

N

DC coil (observe contact derating)

AC coil (observe contact derating)

Switching voltage [V]

Switching

curren

t

[A]

AC, ohmic load

DC, ohmic load

Contact derating

Electrical service life

Ambient temperature [°C]

L

imiting

continuous

curren

t

per

con

tact

[A]

DC coil

AC coil

2

50 V AC, ohmic load

Cycles

Switching capacity [kVA]

RIF-3-RPT.../3X21 (3-PDT)

Operating voltage range

Interrupting rating

Ambient temperature [°C]

Coil

voltage

U/U

N

DC coil (observe contact derating)

AC coil (observe contact derating)

Switching voltage [V]

Switching

curren

t

[A]

AC, ohmic load

DC, ohmic load

Contact derating

Electrical service life

Ambient temperature [°C]

L

imiting

continuous

curren

t

per

con

tact

[A]

DC coil

AC coil

2

50 V AC, ohmic load

Cycles

Switching capacity [kVA]

DC coils

AC coils

DC coils

D W

H

Relay modules

Industrial relay system - RIFLINE complete

3-PDT octal relay module with

Push-in connection and

manual operation

AC coils

phoenixcontact-interface-technology-and-switching-devices-html.html
background image

12

22

14

24

11

21

A2

A1

12

22

A1+

A2-

14

24

11

21

Technical data

Input data

 

 

 

 

 

 

 

 

 

 

 

Permissible range (with reference to U

N

)

see  diagram

Typical input current at U

N

[mA]

60

23

13

Typical response time at U

N

[ms]

18

5 - 15

5 - 15

18

5 - 15

5 - 15

Typical release time at U

N

[ms]

20

5 - 20

5 - 20

20

5 - 20

5 - 20

Input circuit AC

Yellow LED , Varistor

Input circuit DC

Yellow LED , Damping diode

Yellow LED , Damping diode

Output data

Contact type

2 PDT

Contact material

AgNi

Max. switching voltage

250 V AC/DC

Minimum switching voltage

10 V (At 24 mA)

Limiting continuous current

10 A (see diagram)

Maximum switch-on current AC

30 A (20 ms, N/O contact)

30 A (20 ms, N/O contact)

Maximum switch-on current DC

30 A (20 ms, N/O contact)

30 A (20 ms, N/O contact)

Minimum switching current

10 mA (at 24 V)

General data

Test voltage (winding / contact)

2.5 kV

rms

 (50 Hz, 1 min.)

2.5 kV

Ambient temperature (operation), AC

-40 °C ... 50 °C

Ambient temperature (operation), DC

-40 °C ... 60 °C

Nominal operating mode

100% operating factor

100% operating factor

Mechanical service life, AC

Approx. 2x 10

7

 cycles

Mechanical service life, DC

Approx. 2x 10

7

 cycles

Standards/regulations

DIN EN 50178

Degree of pollution/surge voltage category

2 / III

Mounting position/mounting

any / In rows with zero spacing

any / In rows with zero spacing

Connection data solid/stranded/AWG

0.14 ... 6 mm² / 0.14 ... 4 mm² / 26 - 10

0.14 ... 6 mm² / 0.14 ... 4 mm² / 26 - 10

Dimensions

W / H / D

40 mm / 96 mm / 90 mm

40 mm / 96 mm / 90 mm

EMC note

Class A product, see page 605

Class A product, see page 605

Ordering data

Description

Input voltage

U

N

Type

Order No.

Pcs./

Pkt.

Pre-assembled coupling relay modules

 with 

power contact relay and screw connection

24 V DC

RIF-3-RSC-LDP-24DC/2X21

2903303

5

120 V AC

RIF-3-RSC-LV-120AC/2X21

2903302

5

230 V AC

RIF-3-RSC-LV-230AC/2X21

2903301

5

356

PHOENIX CONTACT

DC coils

AC coils

DC coils

D W

H

new

Fully mounted RIF-3 relay modules

Fully mounted RIF-3 relay modules, 

consisting of:
– Relay base with screw connection
– 2 or 3-PDT octal relay
– Relay  retaining  bracket
– Varistor interference suppression module 

(AC types only)

The advantages:

– Relay with lockable manual operation and 

status LED

– With DC types, freewheeling diode is 

integrated into relay

– Mechanical switch position indicator
– Logical contact arrangement thanks to 

1/3-level relay base

– Professional bridging of adjacent modules 

saves wiring time

– For FBS 2-6 plug-in bridges for the input 

side (A2), see page 366.

Relay modules

Industrial relay system - RIFLINE complete

2-PDT octal relay module with

screw connection and

manual operation

phoenixcontact-interface-technology-and-switching-devices-html.html
background image

0,

6

0,7

0,8

0,9

1

,0

1

,

1

1

,

2

1

,

3

1

,

4

1

,

5

1

,

6

1

,7

1

,8

2

0

3

0

4

0

5

0

6

0

70

80

0,

1

0,

2

0,

3

0,

5

1

2

4

6

1

0

2

0

1

0

2

0

3

0

5

0

70

1

00

3

00

2

00

2

0

3

0

4

0

5

0

6

0

70

80

1

2

3

4

5

6

7

8

9

1

0

11

0 0,

2

0,

4

0,

6

0,8

1

,0

1

,

2 1

,

4 1

,

6 1

,8

2

,0

2

,

2 2

,

4 2

,

6

1

0

4

1

0

5

1

0

5

1

0

6

1

0

7

0,

6

0,7

0,8

0,9

1

,0

1

,

1

1

,

2

1

,

3

1

,

4

1

,

5

1

,

6

1

,7

1

,8

2

0

3

0

4

0

5

0

6

0

70

80

0,

1

0,

2

0,

3

0,

5

1

2

4

6

1

0

2

0

1

0

2

0

3

0

5

0

70

1

00

3

00

2

00

2

0

3

0

4

0

5

0

6

0

70

80

1

2

3

4

5

6

7

8

9

1

0

11

0 0,

2

0,

4

0,

6

0,8

1

,0

1

,

2 1

,

4 1

,

6 1

,8

2

,0

2

,

2 2

,

4 2

,

6

1

0

4

1

0

5

1

0

5

1

0

6

1

0

7

A2-

A1+

12

32

22

14

34

24

11

31

21

A2

A1

12

32

22

14

34

24

11

31

21

For further information and full technical data, visit phoenixcontact.net/products

Technical data

 

 

 

 

 

 

 

 

 

 

 

see diagram

60

23

13

[ms]

18

5 - 15

5 - 15

18

5 - 15

5 - 15

[ms]

20

5 - 20

5 - 20

20

5 - 20

5 - 20

Yellow LED , Varistor

Input circuit DC

Yellow LED , Damping diode

Yellow LED , Damping diode

3 PDT

AgNi

250 V AC/DC

10 V (At 24 mA)

8.5 A (see diagram)

Maximum switch-on current AC

30 A (20 ms, N/O contact)

30 A (20 ms, N/O contact)

Maximum switch-on current DC

30 A (20 ms, N/O contact)

30 A (20 ms, N/O contact)

10 mA (at 24 V)

 (50 Hz, 1 min.)

2.5 kV

rms

 (50 Hz, 1 min.)

-40 °C ... 50 °C

-40 °C ... 60 °C

Nominal operating mode

100% operating factor

100% operating factor

Approx. 2x 10

7

 cycles

Approx. 2x 10

7

 cycles

DIN EN 50178

2 / III

Mounting position/mounting

any / In rows with zero spacing

any / In rows with zero spacing

Connection data solid/stranded/AWG

0.14 ... 6 mm² / 0.14 ... 4 mm² / 26 - 10

0.14 ... 6 mm² / 0.14 ... 4 mm² / 26 - 10

Dimensions

W / H / D

40 mm / 96 mm / 90 mm

40 mm / 96 mm / 90 mm

EMC note

Class A product, see page 605

Class A product, see page 605

Ordering data

Type

Order No.

Pcs./

Pkt.

RIF-3-RSC-LDP-24DC/3X21

2903300

5

RIF-3-RSC-LV-120AC/3X21

2903299

5

RIF-3-RSC-LV-230AC/3X21

2903298

5

357

PHOENIX CONTACT

RIF-3-RSC.../2X21 (2-PDT)

Operating voltage range

Interrupting rating

Ambient temperature [°C]

Coil

voltage

U/U

N

DC coil (observe contact derating)

AC coil (observe contact derating)

Switching voltage [V]

Switching

curren

t

[A]

AC, ohmic load

DC, ohmic load

Contact derating

Electrical service life

Ambient temperature [°C]

L

imiting

continuous

curren

t

per

con

tact

[A]

DC coil

AC coil

2

50 V AC, ohmic load

Cycles

Switching capacity [kVA]

RIF-3-RSC.../3X21 (3-PDT)

Operating voltage range

Interrupting rating

Ambient temperature [°C]

Coil

voltage

U/U

N

DC coil (observe contact derating)

AC coil (observe contact derating)

Switching voltage [V]

Switching

curren

t

[A]

AC, ohmic load

DC, ohmic load

Contact derating

Electrical service life

Ambient temperature [°C]

L

imiting

continuous

curren

t

per

con

tact

[A]

DC coil

AC coil

2

50 V AC, ohmic load

Cycles

Switching capacity [kVA]

DC coils

AC coils

DC coils

D W

H

new

Relay modules

Industrial relay system - RIFLINE complete

3-PDT octal relay module with

screw connection and

manual operation

AC coils

phoenixcontact-interface-technology-and-switching-devices-html.html
background image

12

22

14

24

11

21

A2

A1

12

22

A1+

A2-

14

24

11

21

 

 

 

 

Technical data

Input data

 

 

 

 

 

 

 

 

 

 

 

Permissible range (with reference to U

N

)

see  diagram

Typical input current at U

N

[mA]

56

24

14

Typical response time at U

N

[ms]

20

5 - 25

5 - 25

20

5 - 25

5 - 25

Typical release time at U

N

[ms]

20

5 - 20

5 - 20

20

5 - 20

5 - 20

Input circuit AC

Yellow LED , Varistor

Input circuit DC

Yellow LED , Damping diode

Yellow LED , Damping diode

Output data

Contact type

2 PDT

Contact material

AgNi

Max. switching voltage

440 V AC / 250 V DC

Minimum switching voltage

10 V (At 24 mA)

Limiting continuous current

11 A (see diagram)

Maximum switch-on current AC

50 A (20 ms, N/O contact)

50 A (20 ms, N/O contact)

Maximum switch-on current DC

50 A (20 ms, N/O contact)

50 A (20 ms, N/O contact)

Minimum switching current

10 mA (at 24 V)

Maximum interrupting rating, ohmic load

250 V AC

2500 VA

440 V AC

4000 VA

Motor load according to UL 508

1/3 HP, 120 V AC (single-phase AC motor)

1/2 HP, 240 V AC (single-phase AC motor)

General data

Test voltage (winding / contact)

2.5 kV

rms

 (50 Hz, 1 min.)

2.5 kV

Ambient temperature (operation), AC

-40 °C ... 40 °C

Ambient temperature (operation), DC

-40 °C ... 60 °C

Nominal operating mode

100% operating factor

100% operating factor

Mechanical service life, AC

Approx. 10

7

 cycles

Mechanical service life, DC

Approx. 10

7

 cycles

Standards/regulations

DIN EN 50178

Degree of pollution/surge voltage category

2 / III

Mounting position/mounting

any / In rows with zero spacing

any / In rows with zero spacing

Connection data solid/stranded/AWG

Input side

0.14 ... 1.5 mm² / 0.14 ... 1.5 mm² / 26 - 16

0.14 ... 1.5 mm² / 0.14 ... 1.5 mm² / 26 - 16

Output side

0.14 ... 2.5 mm² / 0.14 ... 2.5 mm² / 26 - 14

0.14 ... 2.5 mm² / 0.14 ... 2.5 mm² / 26 - 14

Dimensions

W / H / D

43 mm / 111 mm / 90 mm

43 mm / 111 mm / 90 mm

EMC note

Class A product, see page 605

Class A product, see page 605

Ordering data

Description

Input voltage

U

N

Type

Order No.

Pcs./

Pkt.

Pre-assembled coupling relay modules

 with 

power contact relay and Push-in connection

24 V DC

RIF-4-RPT-LDP-24DC/2X21

2903281

5

120 V AC

RIF-4-RPT-LV-120AC/2X21

2903280

5

230 V AC

RIF-4-RPT-LV-230AC/2X21

2903279

5

358

PHOENIX CONTACT

DC coils

AC coils

DC coils

D W

H

Fully mounted RIF-4 relay modules

Fully mounted RIF-4 relay modules, 

consisting of:
– Relay base with Push-in connection
– 2 or 3-PDT high-power relay
– Relay  retaining  bracket
– Varistor interference suppression module 

(AC types only)

The advantages:

– Logical contact arrangement thanks to 

1/3-level relay base

– Professional bridging of adjacent modules 

saves wiring time

– For FBS 2-6 plug-in bridges for the input 

side (A2), see page 366.

Relay modules

Industrial relay system - RIFLINE complete

2-PDT high-power relay module with

Push-in connection

phoenixcontact-interface-technology-and-switching-devices-html.html
background image

0,

6

0,7

0,8

0,9

1

,0

1

,

1

1

,

2

1

,

3

1

,

4

1

,

5

1

,

6

1

,7

1

,8

2

0

3

0

4

0

5

0

6

0

70

80

0,

1

0,

2

0,

3

0,

5

1

0

2

0

1

0

2

0

3

0

5

0

70

1

00

3

00

2

00

5

00

1

2

5

2

0

3

0

4

0

5

0

6

0

70

80

1

2

3

4

5

6

7

8

9

1

0

11

0

1

2

3

4

1

0

4

1

0

5

1

0

5

1

0

6

1

0

7

0,

6

0,7

0,8

0,9

1

,0

1

,

1

1

,

2

1

,

3

1

,

4

1

,

5

1

,

6

1

,7

1

,8

2

0

3

0

4

0

5

0

6

0

70

80

0,

1

0,

2

0,

3

0,

5

1

0

2

0

1

0

2

0

3

0

5

0

70

1

00

3

00

2

00

5

00

1

2

5

2

0

3

0

4

0

5

0

6

0

70

80

1

2

3

4

5

6

7

8

9

1

0

11

0

1

2

3

4

1

0

4

1

0

5

1

0

5

1

0

6

1

0

7

A2-

A1+

12

32

22

14

34

24

11

31

21

A2

A1

12

32

22

14

34

24

11

31

21

For further information and full technical data, visit phoenixcontact.net/products

 

 

 

 

Technical data

 

 

 

 

 

 

 

 

 

 

 

see diagram

56

24

14

[ms]

20

5 - 25

5 - 25

20

5 - 25

5 - 25

[ms]

20

5 - 20

5 - 20

20

5 - 20

5 - 20

Yellow LED , Varistor

Input circuit DC

Yellow LED , Damping diode

Yellow LED , Damping diode

3 PDT

AgNi

440 V AC / 250 V DC

10 V (At 24 mA)

10 A (see diagram)

Maximum switch-on current AC

50 A (20 ms, N/O contact)

50 A (20 ms, N/O contact)

Maximum switch-on current DC

50 A (20 ms, N/O contact)

50 A (20 ms, N/O contact)

10 mA (at 24 V)

2500 VA

4000 VA

1/3 HP, 120 V AC (single-phase AC motor)

1/2 HP, 240 V AC (single-phase AC motor)

1/2 HP, 240 V AC (three-phase induction motor)

 (50 Hz, 1 min.)

2.5 kV

rms

 (50 Hz, 1 min.)

-40 °C ... 40 °C

-40 °C ... 60 °C

Nominal operating mode

100% operating factor

100% operating factor

Approx. 10

7

 cycles

Approx. 10

7

 cycles

DIN EN 50178

2 / III

Mounting position/mounting

any / In rows with zero spacing

any / In rows with zero spacing

Input side

0.14 ... 1.5 mm² / 0.14 ... 1.5 mm² / 26 - 16

0.14 ... 1.5 mm² / 0.14 ... 1.5 mm² / 26 - 16

Output side

0.14 ... 2.5 mm² / 0.14 ... 2.5 mm² / 26 - 14

0.14 ... 2.5 mm² / 0.14 ... 2.5 mm² / 26 - 14

Dimensions

W / H / D

43 mm / 111 mm / 90 mm

43 mm / 111 mm / 90 mm

EMC note

Class A product, see page 605

Class A product, see page 605

Ordering data

Type

Order No.

Pcs./

Pkt.

RIF-4-RPT-LDP-24DC/3X21

2903278

5

RIF-4-RPT-LV-120AC/3X21

2903277

5

RIF-4-RPT-LV-230AC/3X21

2903276

5

359

PHOENIX CONTACT

RIF-4-RPT.../2X21 (2-PDT)

Operating voltage range

Interrupting rating

Ambient temperature [°C]

Coil

voltage

U/U

N

DC coil (observe contact derating)

AC coil (observe contact derating)

Switching voltage [V]

Switching

curren

t

[A]

AC, ohmic load

DC, ohmic load

Contact derating

Electrical service life

Ambient temperature [°C]

L

imiting

continuous

curren

t

per

con

tact

[A]

DC coil

AC coil

2

50 V AC, ohmic load

Cycles

Switching capacity [kVA]

RIF-4-RPT.../3X21 (3-PDT)

Operating voltage range

Interrupting rating

Ambient temperature [°C]

Coil

voltage

U/U

N

DC coil (observe contact derating)

AC coil (observe contact derating)

Switching voltage [V]

Switching

curren

t

[A]

AC, ohmic load

DC, ohmic load

Contact derating

Electrical service life

Ambient temperature [°C]

L

imiting

continuous

curren

t

per

con

tact

[A]

DC coil

AC coil

2

50 V AC, ohmic load

Cycles

Switching capacity [kVA]

DC coils

AC coils

DC coils

D W

H

Relay modules

Industrial relay system - RIFLINE complete

3-PDT high-power relay module with

Push-in connection

AC coils

phoenixcontact-interface-technology-and-switching-devices-html.html
background image

A2

A1

14

34

24

11

31

21

A2-

A1+

14

34

24

11

31

21

 

 

 

 

Technical data

Input data

 

 

 

 

 

 

 

 

 

 

 

Permissible range (with reference to U

N

)

see  diagram

Typical input current at U

N

[mA]

70

24

14

Typical response time at U

N

[ms]

20

5 - 25

5 - 25

Typical release time at U

N

[ms]

20

5 - 20

5 - 20

Input circuit AC

Yellow LED , Varistor

Input circuit DC

Yellow LED , Damping diode

Output data

Contact type

3 N/O contacts

Contact material

AgNi

Max. switching voltage

440 V AC / 250 V DC

Minimum switching voltage

10 V (At 24 mA)

Limiting continuous current

10 A (see diagram)

Maximum switch-on current AC

50 A (20 ms, N/O contact)

Maximum switch-on current DC

50 A (20 ms, N/O contact)

Minimum switching current

10 mA (at 24 V)

Maximum interrupting rating, ohmic load

250 V AC

2500 VA

440 V AC

4000 VA

Motor load according to UL 508

1/3 HP, 120 V AC (single-phase AC motor)

1/2 HP, 240 V AC (single-phase AC motor)

1/2 HP, 240 V AC (three-phase induction motor)

General data

Test voltage (winding / contact)

2.5 kV

rms

 (50 Hz, 1 min.)

Ambient temperature (operation), AC

-40 °C ... 40 °C

Ambient temperature (operation), DC

-40 °C ... 60 °C

Nominal operating mode

100% operating factor

Mechanical service life, AC

Approx. 10

7

 cycles

Mechanical service life, DC

Approx. 10

7

 cycles

Standards/regulations

DIN EN 50178

Degree of pollution/surge voltage category

2 / III

Mounting position/mounting

any / In rows with zero spacing

Connection data solid/stranded/AWG

Input side

0.14 ... 1.5 mm² / 0.14 ... 1.5 mm² / 26 - 16

Output side

0.14 ... 2.5 mm² / 0.14 ... 2.5 mm² / 26 - 14

Dimensions

W / H / D

43 mm / 111 mm / 90 mm

EMC note

Class A product, see page 605

Ordering data

Description

Input voltage

U

N

Type

Order No.

Pcs./

Pkt.

Pre-assembled coupling relay modules

 with 

power contact relay and Push-in connection

24 V DC

RIF-4-RPT-LDP-24DC/3X1

2903275

5

120 V AC

RIF-4-RPT-LV-120AC/3X1

2903274

5

230 V AC

RIF-4-RPT-LV-230AC/3X1

2903273

5

360

PHOENIX CONTACT

DC coils

AC coils

D W

H

Fully mounted RIF-4 relay modules

Fully mounted RIF-4 relay modules, 

consisting of:
– Relay base with Push-in connection
– 3-N/O high-power relay
– Relay  retaining  bracket
– Varistor interference suppression module 

(AC types only)

The advantages:

– Logical contact arrangement thanks to 

1/3-level relay base

– Full shutdown by means of ≥ 3 mm 

contact opening

– Professional bridging of adjacent modules 

saves wiring time

– For FBS 2-6 plug-in bridges for the input 

side (A2), see page 366.

Relay modules

Industrial relay system - RIFLINE complete

3-N/O high-power relay module with

Push-in connection

phoenixcontact-interface-technology-and-switching-devices-html.html
background image

0,

6

0,7

0,8

0,9

1

,0

1

,

1

1

,

2

1

,

3

1

,

4

1

,

5

1

,

6

1

,7

1

,8

2

0

3

0

4

0

5

0

6

0

70

80

0,

1

0,

2

0,

3

0,

5

1

0

2

0

1

0

2

0

3

0

5

0

70

1

00

3

00

2

00

5

00

1

2

5

2

0

3

0

4

0

5

0

6

0

70

80

1

2

3

4

5

6

7

8

9

1

0

11

0

1

2

3

4

1

0

4

1

0

5

1

0

5

1

0

6

1

0

7

For further information and full technical data, visit phoenixcontact.net/products

361

PHOENIX CONTACT

RIF-4-RPT.../3X1 (3-N/O)

Operating voltage range

Interrupting rating

Ambient temperature [°C]

Coil

voltage

U/U

N

DC coil (observe contact derating)

AC coil (observe contact derating)

Switching voltage [V]

Switching

curren

t

[A]

AC, ohmic load

DC, ohmic load

Contact derating

Electrical service life

Ambient temperature [°C]

L

imiting

continuous

curren

t

per

con

tact

[A]

DC coil

AC coil

2

50 V AC, ohmic load

Cycles

Switching capacity [kVA]

Relay modules

Industrial relay system - RIFLINE complete

phoenixcontact-interface-technology-and-switching-devices-html.html
background image

12

22

14

24

11

21

A2

A1

12

22

A1+

A2-

14

24

11

21

Technical data

Input data

 

 

 

 

 

 

 

 

 

 

 

Permissible range (with reference to U

N

)

see  diagram

Typical input current at U

N

[mA]

56

24

14

Typical response time at U

N

[ms]

20

5 - 25

5 - 25

20

5 - 25

5 - 25

Typical release time at U

N

[ms]

20

5 - 20

5 - 20

20

5 - 20

5 - 20

Input circuit AC

Yellow LED , Varistor

Input circuit DC

Yellow LED , Damping diode

Yellow LED , Damping diode

Output data

Contact type

2 PDT

Contact material

AgNi

Max. switching voltage

440 V AC / 250 V DC

Minimum switching voltage

10 V (At 24 mA)

Limiting continuous current

11 A (see diagram)

Maximum switch-on current AC

50 A (20 ms, N/O contact)

50 A (20 ms, N/O contact)

Maximum switch-on current DC

50 A (20 ms, N/O contact)

50 A (20 ms, N/O contact)

Minimum switching current

10 mA (at 24 V)

Maximum interrupting rating, ohmic load

250 V AC

2500 VA

440 V AC

4000 VA

Motor load according to UL 508

1/3 HP, 120 V AC (single-phase AC motor)

1/2 HP, 240 V AC (single-phase AC motor)

General data

Test voltage (winding / contact)

2.5 kV

rms

 (50 Hz, 1 min.)

2.5 kV

Ambient temperature (operation), AC

-40 °C ... 40 °C

Ambient temperature (operation), DC

-40 °C ... 60 °C

Nominal operating mode

100% operating factor

100% operating factor

Mechanical service life, AC

Approx. 10

7

 cycles

Mechanical service life, DC

Approx. 10

7

 cycles

Standards/regulations

DIN EN 50178

Degree of pollution/surge voltage category

2 / III

Mounting position/mounting

any / In rows with zero spacing

any / In rows with zero spacing

Connection data solid/stranded/AWG

Input side

0.14 ... 6 mm² / 0.14 ... 4 mm² / 26 - 10

0.14 ... 6 mm² / 0.14 ... 4 mm² / 26 - 10

Output side

0.14 ... 6 mm² / 0.14 ... 4 mm² / 26 - 10

0.14 ... 6 mm² / 0.14 ... 4 mm² / 26 - 10

Dimensions

W / H / D

44 mm / 96 mm / 91 mm

44 mm / 96 mm / 91 mm

EMC note

Class A product, see page 605

Class A product, see page 605

Ordering data

Description

Input voltage

U

N

Type

Order No.

Pcs./

Pkt.

Pre-assembled coupling relay modules

 with 

power contact relay and screw connection

24 V DC

RIF-4-RSC-LDP-24DC/2X21

2903291

5

120 V AC

RIF-4-RSC-LV-120AC/2X21

2903290

5

230 V AC

RIF-4-RSC-LV-230AC/2X21

2903289

5

362

PHOENIX CONTACT

DC coils

AC coils

DC coils

D W

H

new

Fully mounted RIF-4 relay modules

Fully mounted RIF-4 relay modules, 

consisting of:
– Relay base with screw connection
– 3-PDT high-power relay
– Relay  retaining  bracket
– Varistor interference suppression module 

(AC types only)

The advantages:

– Logical contact arrangement thanks to 

1/3-level relay base

– Professional bridging of adjacent modules 

saves wiring time

– For FBS 2-6 plug-in bridges for the input 

side (A2), see page 366.

Relay modules

Industrial relay system - RIFLINE complete

2-PDT high-power relay module with

screw connection

phoenixcontact-interface-technology-and-switching-devices-html.html
background image

0,

6

0,7

0,8

0,9

1

,0

1

,

1

1

,

2

1

,

3

1

,

4

1

,

5

1

,

6

1

,7

1

,8

2

0

3

0

4

0

5

0

6

0

70

80

0,

1

0,

2

0,

3

0,

5

1

0

2

0

1

0

2

0

3

0

5

0

70

1

00

3

00

2

00

5

00

1

2

5

2

0

3

0

4

0

5

0

6

0

70

80

1

2

3

4

5

6

7

8

9

1

0

11

0

1

2

3

4

1

0

4

1

0

5

1

0

5

1

0

6

1

0

7

0,

6

0,7

0,8

0,9

1

,0

1

,

1

1

,

2

1

,

3

1

,

4

1

,

5

1

,

6

1

,7

1

,8

2

0

3

0

4

0

5

0

6

0

70

80

0,

1

0,

2

0,

3

0,

5

1

0

2

0

1

0

2

0

3

0

5

0

70

1

00

3

00

2

00

5

00

1

2

5

2

0

3

0

4

0

5

0

6

0

70

80

1

2

3

4

5

6

7

8

9

1

0

11

0

1

2

3

4

1

0

4

1

0

5

1

0

5

1

0

6

1

0

7

A2-

A1+

12

32

22

14

34

24

11

31

21

A2

A1

12

32

22

14

34

24

11

31

21

For further information and full technical data, visit phoenixcontact.net/products

Technical data

 

 

 

 

 

 

 

 

 

 

 

see diagram

56

24

14

[ms]

20

5 - 25

5 - 25

20

5 - 25

5 - 25

[ms]

20

5 - 20

5 - 20

20

5 - 20

5 - 20

Yellow LED , Varistor

Input circuit DC

Yellow LED , Damping diode

Yellow LED , Damping diode

3 PDT

AgNi

440 V AC / 250 V DC

10 V (At 24 mA)

10 A (see diagram)

Maximum switch-on current AC

50 A (20 ms, N/O contact)

50 A (20 ms, N/O contact)

Maximum switch-on current DC

50 A (20 ms, N/O contact)

50 A (20 ms, N/O contact)

10 mA (at 24 V)

2500 VA

4000 VA

1/3 HP, 120 V AC (single-phase AC motor)

1/2 HP, 240 V AC (single-phase AC motor)

1/2 HP, 240 V AC (three-phase induction motor)

 (50 Hz, 1 min.)

2.5 kV

rms

 (50 Hz, 1 min.)

-40 °C ... 40 °C

-40 °C ... 60 °C

Nominal operating mode

100% operating factor

100% operating factor

Approx. 10

7

 cycles

Approx. 10

7

 cycles

DIN EN 50178

2 / III

Mounting position/mounting

any / In rows with zero spacing

any / In rows with zero spacing

Input side

0.14 ... 6 mm² / 0.14 ... 4 mm² / 26 - 10

0.14 ... 6 mm² / 0.14 ... 4 mm² / 26 - 10

Output side

0.14 ... 6 mm² / 0.14 ... 4 mm² / 26 - 10

0.14 ... 6 mm² / 0.14 ... 4 mm² / 26 - 10

Dimensions

W / H / D

44 mm / 96 mm / 91 mm

44 mm / 96 mm / 91 mm

EMC note

Class A product, see page 605

Class A product, see page 605

Ordering data

Type

Order No.

Pcs./

Pkt.

RIF-4-RSC-LDP-24DC/3X21

2903288

5

RIF-4-RSC-LV-120AC/3X21

2903287

5

RIF-4-RSC-LV-230AC/3X21

2903285

5

363

PHOENIX CONTACT

RIF-4-RSC.../2X21 (2-PDT)

Operating voltage range

Interrupting rating

Ambient temperature [°C]

Coil

voltage

U/U

N

DC coil (observe contact derating)

AC coil (observe contact derating)

Switching voltage [V]

Switching

curren

t

[A]

AC, ohmic load

DC, ohmic load

Contact derating

Electrical service life

Ambient temperature [°C]

L

imiting

continuous

curren

t

per

con

tact

[A]

DC coil

AC coil

2

50 V AC, ohmic load

Cycles

Switching capacity [kVA]

RIF-4-RSC.../3X21 (3-PDT)

Operating voltage range

Interrupting rating

Ambient temperature [°C]

Coil

voltage

U/U

N

DC coil (observe contact derating)

AC coil (observe contact derating)

Switching voltage [V]

Switching

curren

t

[A]

AC, ohmic load

DC, ohmic load

Contact derating

Electrical service life

Ambient temperature [°C]

L

imiting

continuous

curren

t

per

con

tact

[A]

DC coil

AC coil

2

50 V AC, ohmic load

Cycles

Switching capacity [kVA]

DC coils

AC coils

DC coils

D W

H

new

Relay modules

Industrial relay system - RIFLINE complete

3-PDT high-power relay module with

screw connection

AC coils

phoenixcontact-interface-technology-and-switching-devices-html.html
background image

A2

A1

14

34

24

11

31

21

A2-

A1+

14

34

24

11

31

21

Technical data

Input data

 

 

 

 

 

 

 

 

 

 

 

Permissible range (with reference to U

N

)

see  diagram

Typical input current at U

N

[mA]

70

24

14

Typical response time at U

N

[ms]

20

5 - 25

5 - 25

Typical release time at U

N

[ms]

20

5 - 20

5 - 20

Input circuit AC

Yellow LED , Varistor

Input circuit DC

Yellow LED , Damping diode

Output data

Contact type

3 N/O contacts

Contact material

AgNi

Max. switching voltage

440 V AC / 250 V DC

Minimum switching voltage

10 V (At 24 mA)

Limiting continuous current

10 A (see diagram)

Maximum switch-on current AC

50 A (20 ms, N/O contact)

Maximum switch-on current DC

50 A (20 ms, N/O contact)

Minimum switching current

10 mA (at 24 V)

Maximum interrupting rating, ohmic load

250 V AC

2500 VA

440 V AC

4000 VA

Motor load according to UL 508

1/3 HP, 120 V AC (single-phase AC motor)

1/2 HP, 240 V AC (single-phase AC motor)

1/2 HP, 240 V AC (three-phase induction motor)

General data

Test voltage (winding / contact)

2.5 kV

rms

 (50 Hz, 1 min.)

Ambient temperature (operation), AC

-40 °C ... 40 °C

Ambient temperature (operation), DC

-40 °C ... 60 °C

Nominal operating mode

100% operating factor

Mechanical service life, AC

Approx. 10

7

 cycles

Mechanical service life, DC

Approx. 10

7

 cycles

Standards/regulations

DIN EN 50178

Degree of pollution/surge voltage category

2 / III

Mounting position/mounting

any / In rows with zero spacing

Connection data solid/stranded/AWG

Input side

0.14 ... 6 mm² / 0.14 ... 4 mm² / 26 - 10

Output side

0.14 ... 6 mm² / 0.14 ... 4 mm² / 26 - 10

Dimensions

W / H / D

44 mm / 96 mm / 91 mm

EMC note

Class A product, see page 605

Ordering data

Description

Input voltage

U

N

Type

Order No.

Pcs./

Pkt.

Pre-assembled coupling relay modules

 with 

power contact relay and screw connection

24 V DC

RIF-4-RSC-LDP-24DC/3X1

2903284

5

120 V AC

RIF-4-RSC-LV-120AC/3X1

2903283

5

230 V AC

RIF-4-RSC-LV-230AC/3X1

2903282

5

364

PHOENIX CONTACT

DC coils

AC coils

D W

H

new

Fully mounted RIF-4 relay modules

Fully mounted RIF-4 relay modules, 

consisting of:
– Relay base with screw connection
– 3-N/O high-power relay
– Relay  retaining  bracket
– Varistor interference suppression module 

(AC types only)

The advantages:

– Logical contact arrangement thanks to 

1/3-level relay base

– Full shutdown by means of ≥ 3 mm 

contact opening

– Professional bridging of adjacent modules 

saves wiring time

– For FBS 2-6 plug-in bridges for the input 

side (A2), see page 366.

Relay modules

Industrial relay system - RIFLINE complete

3-N/O high-power relay module with

screw connection

phoenixcontact-interface-technology-and-switching-devices-html.html
background image

0,

6

0,7

0,8

0,9

1

,0

1

,

1

1

,

2

1

,

3

1

,

4

1

,

5

1

,

6

1

,7

1

,8

2

0

3

0

4

0

5

0

6

0

70

80

0,

1

0,

2

0,

3

0,

5

1

0

2

0

1

0

2

0

3

0

5

0

70

1

00

3

00

2

00

5

00

1

2

5

2

0

3

0

4

0

5

0

6

0

70

80

1

2

3

4

5

6

7

8

9

1

0

11

0

1

2

3

4

1

0

4

1

0

5

1

0

5

1

0

6

1

0

7

For further information and full technical data, visit phoenixcontact.net/products

365

PHOENIX CONTACT

RIF-4-RSC.../3X1 (3-N/O)

Operating voltage range

Interrupting rating

Ambient temperature [°C]

Coil

voltage

U/U

N

DC coil (observe contact derating)

AC coil (observe contact derating)

Switching voltage [V]

Switching

curren

t

[A]

AC, ohmic load

DC, ohmic load

Contact derating

Electrical service life

Ambient temperature [°C]

L

imiting

continuous

curren

t

per

con

tact

[A]

DC coil

AC coil

2

50 V AC, ohmic load

Cycles

Switching capacity [kVA]

Relay modules

Industrial relay system - RIFLINE complete

phoenixcontact-interface-technology-and-switching-devices-html.html
background image

Ordering data

Ordering data

Description

Color

Type

Order No.

Pcs./

Pkt.

Type

Order No.

Pcs./

Pkt.

Plug-in bridge

2-pos. red, 32 A

FBS  2-6

3030336

50

2-pos. blue, 32 A

FBS  2-6 BU

3036932

50

2-pos. gray, 32 A

FBS  2-6 GY

3032237

50

5-pos. red, 32 A

FBS  5-6

3030349

50

10-pos. red, 32 A

FBS 10-6

3030271

10

20-pos. red, 32 A

FBS 20-6

3030365

10

50-pos. red, 32 A

FBS 50-6

3032224

10

2-pos. red, 41 A

FBS  2-8

3030284

10

2-pos. blue, 41 A

FBS  2-8 BU

3032567

10

2-pos. gray, 41 A

FBS  2-8 GY                7042

3032541

10

End bracket, 

for snapping onto NS 35, 9.5 mm wide, can be 

marked with ZB 6, ZB 8/27, KLM...

CLIPFIX 35

3022218

50

The plug-in bridges can be used for simple 

potential distribution via all relay bases.

The end bracket is used for safe isolation 

between adjacent modules and to visually 
separate the various function groups.

RIFLINE complete accessories
Plug-in bridges

Relay modules

Industrial relay system - RIFLINE complete

Ordering data

Ordering data

Description

Color

Type

Order No.

Pcs./

Pkt.

Type

Order No.

Pcs./

Pkt.

Zack marker strip, unprinted

10-section

white

ZB 5 :UNBEDRUCKT

1050004

10

10-section

white

ZB 6:UNBEDRUCKT

1051003

10

5-section

white

ZB 15:UNBEDRUCKT

0811972

10

Double marker carrier for ZB 5

gray

STP 5-2

0800967

100

366

PHOENIX CONTACT

The ZB zack marker strip system offers 

numerous marking options that can be 
attached directly to the relay retaining 
brackets. In addition, further markings can 
be fixed to the relay base by means of 
double marker carriers.

RIFLINE complete accessories
Marking material

5.2 mm, 6.2 mm, and 15.2 mm wide

Double marker carrier

phoenixcontact-interface-technology-and-switching-devices-html.html
background image

.

0

.1

.

2

.

3

.4

.

5

.

6

.

7

A

2

A1A

2

A1A

2

A1A

2

A1A

2

A1A

2

A1A

2

A1A

2

A1

1

2 3

4

5 6 7

8 9

1

0

111

2

1

3

14

F

L

K

 

1

4

+ +

-

-

For further information and full technical data, visit phoenixcontact.net/products

Ordering data

Description

Color

Type

Order No.

Pcs./

Pkt.

Test plug,

 consisting of:

Metal part

 for 2.3 mm Ø socket hole and

silver

MPS-MT

0201744

10

Insulating sleeve,

 for MPS metal part

red

MPS-IH RD

0201676

10

white

MPS-IH WH

0201663

10

blue

MPS-IH BU

0201689

10

yellow

MPS-IH YE

0201692

10

green

MPS-IH GN

0201702

10

gray

MPS-IH GY

0201728

10

black

MPS-IH BK

0201731

10

The two-piece test plug offers individual 

plug color combinations. It is inserted 
directly in the function shaft of the Push-in 
connection.

RIFLINE complete accessories
Test plugs

Relay modules

Industrial relay system - RIFLINE complete

Technical data

Maximum permissible operating voltage

30 V DC

Maximum permissible current (per branch)

1 A (per signal path)

Maximum total current (voltage supply)

3 A

Rated surge voltage

0.6 kV (Functional insulation)

Ambient temperature (operation)

-40 °C ... 60 °C

Mounting position

any

Standards/regulations

IEC

 

60664 , DIN EN 50178

Connection method

Controller level

IDC/FLK pin strip

Supply

Push-in connection

Connection data solid/stranded/AWG

0.2 ... 1.5 mm² / 0.2 ... 1.5 mm² / 24 - 16

Dimensions

H / D

101 mm / 75 mm

Ordering data

Description

No. of

pos.

Module width

W

Type

Order No.

Pcs./

Pkt.

V8 adapter,

 for eight RIF-1 relay modules, with IDC/FLK pin strip 

for PLC system cabling, 

positive switching

14

128 mm

RIF-1-V8/PT/FLK14/OUT

2905195

1

367

PHOENIX CONTACT

RIF-1-V8... is the VARIOFACE adapter 

which connects the RIF-1 relay module with 
the VARIOFACE system cabling. This allows 
easy connection of eight relay modules to a 
controller.

Adapter for RIFLINE complete RF-1

VARIOFACE adapter for

RIFLINE complete RIF-1

phoenixcontact-interface-technology-and-switching-devices-html.html
background image

368

PHOENIX CONTACT

Relay modules

Highly compact relay modules - PLC-INTERFACE

The PLC-INTERFACE relay system is the 

interface between the controller and 
system I/O devices.

The universal design is compact and 

space-saving. While the narrow 6.2 mm 
module has one contact, the 14 mm version 
is available with two contacts. The modules 
can be equipped with either an 
electromechanical or a solid-state relay.

They are protected against environmental 

influences by RTIII (IP67). The relays also 
offer safe isolation according to 
DIN EN 50178 (VDE 0160).

PLC-INTERFACE is available in three 

connection technologies. Depending on the 
area of application, screw or Push-in 
connection can be selected.

In addition to the universal types, 

PLC-INTERFACE is also available in 
numerous special versions. These include:
– Sensor and actuator modules that can 

accommodate all connections directly on 
the interface

– Modules for high inrush or continuous 

currents

– Railway modules, which meet specific 

railway requirements

– Filter modules, which filter out 

interference on the input side

Plug-in bridges are available for all 

modules for simple potential distribution. In 
addition, solutions from system cabling 
applications offer easy connection to the 
plant control system. VARIOFACE adapters 
can be used to reduce wiring effort 
considerably. Installation is simplified 
significantly thanks to the integrated input 
and protective circuit.

Standard marking material for CLIPLINE 

complete terminal blocks can be used to 
mark PLC-INTERFACE.

phoenixcontact-interface-technology-and-switching-devices-html.html
background image

For further information and full technical data, visit phoenixcontact.net/products

369

PHOENIX CONTACT

Relay modules

Highly compact relay modules - PLC-INTERFACE

Universal modules

PLC-R... and PLC-O... relay and solid-state 

relay modules with PDT or N/O contact, 
designed for universal use. Available in an 
overall width of 6.2 mm with one contact or 
in 14 mm with two contacts.

Available with either screw or 

Push-in connection.

Sensors/actuators

PLC...SEN and PLC...ACT offer space-

saving sensor and actuator wiring without 
additional supply or output terminal blocks. 
The sensor or actuator connections are 
incorporated directly at the relay module.

Available with either screw or 

Push-in connection.

High currents

PLC...IC is particularly suitable for 

applications with high inrush currents, e.g. 
from lamp loads. The PLC...HC relay 
modules are designed for applications with 
high continuous currents.

Available with either screw or 

Push-in connection.

Railway applications

PLC...RW relay or solid-state relay 

modules are suitable for railway 
requirements. These cover, for example, the 
extended temperature and input voltage 
range of railway applications.

Interference signals on the input side

PLC-B...SO46 basic terminal blocks are 

used for filtering interference currents and 
interference voltages on the input side.

Available with either screw or 

Push-in connection.

Accessories

The entire PLC-INTERFACE system can 

be extended by a range of accessories such 
as power terminals, adapters for system 
cabling or plug-in bridges for potential 
distribution.

phoenixcontact-interface-technology-and-switching-devices-html.html
background image

Product overview

Highly compact relay modules - special versions and accessories

Page

Web code

Ac

tu

a

tor

 s

e

ri

e

s

PLC-R…/1/ACT

Assembled with a plug-in power contact relay

 378

  

#0618

PLC-R-…/1IC/ACT

Assembled with a plug-in miniature relay for high inrush currents

 386

PLC-O…/24DC/2/ACT

Assembled with a plug-in solid-state power relay

 380

PLC-OSC…/230AC/1/ACT

Assembled with a plug-in solid-state power relay 

 381 

Sen

so

r se

ri

es

PLC-R.../1AU/SEN

Assembled with a plug-in relay for small switching capacities, with gold-plated multi-layer contact

 384

  

#0617

PLC-O.../48DC/100/SEN

Assembled with a plug-in solid-state input relay 

 385

F

ilter series

PLC-B...UC/21/SO46

For assembly with electromechanical or solid-state relays

 388

  

#0689

PLC-B...UC/1/SEN/SO46

For assembly with electromechanical or solid-state relays

 389

PLC-BSC...UC/21-21/SO46

For assembly with relays

 389

PLC-BSC...UC/21/HC/SO46

For assembly with relays 

 389

Sw

it

c

h

 m

o

d

u

les

PLC-RS...-24UC/1/S...

Relay and switch integrated

 404

 

#0898

PLC-S...-S/...

Switch integrated 

 405

Solid

-state r

e

la

ys

PLC-O.../24DC/...

Optocoupler modules for universal use

 376

  

#0899

PLC-O.../230AC/...

Switching capacity up to 230 V AC and 2.4 A in 6.2 mm

 408

PLC-O.../300DC/...

DC voltage output up to 300 V DC 

 406

Ex rela

y

s

PLC-R.../21/EX

1 changeover contact with power contact

 458

  

#0690

PLC-R.../21-21/EX

2 changeover contacts with power contact

 458

PLC-R.../21/HC/EX

1 changeover contact up to 10 A

 459

PLC-O...C1D2

DC voltage output

 459

370

PHOENIX CONTACT

Relay modules

Highly compact relay modules - PLC-INTERFACE

phoenixcontact-interface-technology-and-switching-devices-html.html
background image

For further information and full technical data, visit phoenixcontact.net/products

Hybrid solid-state relays

PLC-INTERFACE for
railway applications

PLC-INTERFACE for
high inrush currents

Reversing load relays

PLC-H...24DC/230AC/10

Hybrid solid-state relay with AC voltage 
output, max. 10 A

PLC…/RW

Relay modules with extended input voltage and 
temperature range, specifically designed for use 
in railway applications

PLC...1IC/ACT

Max. switch-on current of 130 A, suitable for 
capacitive loads, available with screw and 
Push-in connection technology

PLC-S...-ELR W 1/2-24DC

Electronic reversing load relay for motors up to 
24 V DC/2 A

Page: 409
Web code: 

#0691

Page: 415
Web code: 

#0900

Page: 386
Web code: 

#0901

Page: 421
Web code: 

#0693

Accessories

Web code: 

#0692

Page: 424

Continuous plug-in bridge

500 mm long, insulated, can be cut to length, 
for potential distribution with 
PLC-INTERFACE

Plug-in bridge

2-pos., 6 mm long, bridges potentials of 
neighboring PLC-INTERFACEs

Plug-in bridge

2-pos., 8 mm long, bridges potentials of 
neighboring PLC-INTERFACEs with partition 
plate

Plug-in bridge

2-pos., for connecting adjacent connections on a 
14 mm PLC-INTERFACE

Partition plate

2 mm thick, required at the start and end of 
every PLC terminal strip

Passive feed-through bridge

Can be inserted instead of a relay or solid-state 
relay, bridges terminal points A1 and 14

Power terminal

For supplying up to four potentials

Logic modules

Web code: 

#0694

Page: 428

PLC-V8C…/SAM
Stand-alone module

With 16 I/Os, cannot be extended, connection 
to PC via micro USB socket. Integrated real-
time clock, accommodates external 
IFS-CONFSTICK memory module.

PLC-V8C…/BM
Basic module

With 16 I/Os, can be extended up to a 
maximum of 48 I/Os. Connection to PC via 
micro USB socket. Integrated real-time clock. 
Accommodates external IFS-CONFSTICK 
memory module. Optional connection to 
IFS gateways.

PLC-V8C…/EM
Extension module

With 16 I/Os, for extending the basic 
module. A maximum of two extension 
modules can be connected to each basic 
module.

System cabling adapters for PLC-INTERFACE

Web code: 

#0897

Page: 425

PLC-V8/FLK14…

For 6.2 mm relay, with 14-pos. 
IDC/FLK pin strip, 
module width 49.6 mm

PLC-V8/D15S/…

For 6.2 mm relay, with 15-pos. 
D-SUB socket strip, 
module width 49.6 mm

PLC-V8L/FLK14/…

For 14 mm relay, with 14-pos. 
IDC/FLK pin strip, 
module width 112.3 mm

371

PHOENIX CONTACT

Relay modules

Highly compact relay modules - PLC-INTERFACE

phoenixcontact-interface-technology-and-switching-devices-html.html
background image

A1

A2

11

14

12

 

 

 

 

 

Technical data

Input data

 

 

 

 

 

 

 

 

 

 

 

 

 

 

 

Typical input current at U

N

[mA]

15.3

9

11

9.2

4.8

3.5

3.2

15.3

9

11

9.2

4.8

3.5

3.2

15.3

9

11

3.5

3.2

15.3

9

11

3.5

3.2

Response/release time at U

N

[ms]

5 / 8

5 / 8

6 / 15

5 / 8

5 / 8

6 / 15

7 / 15

5 / 8

5 / 8

6 / 15

5 / 8

5 / 8

6 / 15

7 / 15

5 / 8

5 / 8

6 / 15

6 / 15

7 / 15

5 / 8

5 / 8

6 / 15

6 /

Input circuit DC

Yellow LED, reverse polarity protection, freewheeling diode

Yellow LED, reverse polarity protection, freewheelin

Input circuit AC/DC

Yellow LED, bridge rectifier

Yellow LED, bridge rectifier

Yellow LED, bridge rectifier

Yellow LED, bridge recti

Output data

Contact material

AgSnO

Max. switching voltage

250 V AC/DC

Minimum switching voltage

5 V (at 100 mA)

Limiting continuous current

6 A

Maximum switch-on current

10 A (4 s)

Minimum switching current

10 mA (at 12 V)

General data

Test voltage input/output

4 kV AC (50 Hz, 1 min.)

4 kV AC (50 Hz, 1 min.)

4 kV AC (50 Hz, 1 min.)

4 kV AC (50 Hz, 1 min.)

Ambient temperature (operation)

-40 °C ... 60 °C

1

)

Mechanical service life

2 x 10

7

 cycles

Standards/regulations

IEC

 

60664 , EN 50178

IEC

Connection data solid/stranded/AWG

0.14 - 2.5 mm² / 0.14 - 2.5 mm² / 26 - 14

0.14 - 2.5 mm² / 0.14 - 2.5 mm² / 26 - 14

0.14 - 2.5 

Dimensions

W / H / D

6.2 mm / 80 mm / 94 mm

6.2 mm / 80 mm / 94 mm

6.2 mm / 80 mm / 94 mm

6.2 mm / 80 mm / 94 mm

EMC note

Class A product, see page 605

Class A product, see page

Ordering data

Description

Input voltage

U

N

Type

Order No.

Pcs./

Pkt.

PLC-INTERFACE

, with 

screw connection

12 V DC

PLC-RSC- 12DC/21

2966906

10

24 V DC

PLC-RSC- 24DC/21

2966171

10

24 V AC/DC

PLC-RSC- 24UC/21

2966184

10

48 V DC

PLC-RSC- 48DC/21

2966113

10

60 V DC

PLC-RSC- 60DC/21

2966139

10

120 V AC

 

/

 

110 V DC

PLC-RSC-120UC/21

2966197

10

230 V AC

 

/

 

220 V DC

PLC-RSC-230UC/21

2966207

10

PLC-INTERFACE

, with 

Push-in connection

12 V DC

PLC-RPT- 12DC/21

2900316

10

24 V DC

PLC-RPT- 24DC/21

2900299

10

24 V AC/DC

PLC-RPT- 24UC/21

2900300

10

48 V DC

PLC-RPT- 48DC/21

2900301

10

60 V DC

PLC-RPT- 60DC/21

2900303

10

120 V AC

 

/

 

110 V DC

PLC-RPT-120UC/21

2900304

10

230 V AC

 

/

 

220 V DC

PLC-RPT-230UC/21

2900305

10

372

PHOENIX CONTACT

Universal PLC series with PDT relay

Relay modules

Highly compact relay modules - PLC-INTERFACE

D W

H

Notes:

Type of insulating housing:

Polyamide PBT, non-reinforced, color: green.

Marking systems and mounting material

See Catalog 3

The PLC-ATP partition plate must be installed for voltages larger 

than 250 V (L1, L2, L3) between identical terminal blocks in 

adjacent modules. Potential bridging is then carried out with 

FBST 8-PLC... or FBST 500....

If the specified maximum values for multi-layer contact relays are 

exceeded, the gold plating is destroyed. The maximum values of 

the power contact relay are then valid. This can result in a shorter 

service life than with a pure power contact.

For diagrams of operating voltage ranges, see page 397

Note: for marking material (ZB 6), see “CLIPLINE industrial 

connection technology, marking material for terminals, 

conductors, and cables”.

Inflammability class V0 (UL 94)

1

) 120 and 230 V types up to 55 °C

1-PDT relay module,

6

 

A, maximum

Switching voltage [V] 

Switc

h

in

g

 c

u

rr

e

n

[A

]

AC, ohmic load

DC, ohmic load

Electrical interrupting rating for PLC...21 

with 1-PDT relay

PLC-R... is the relay series that can be 

used universally and consists of basic 
terminal blocks and plug-in relays with 
PDT contacts.

The advantages:

– Slim  design
– Screw and Push-in connection technology
– Functional plug-in bridges
– Integrated input and interference 

suppression circuit

– High degree of protection, RT III 

(wash-proof ), or RT II for 1-PDT relay 
with manual operation

– Safe isolation according to DIN EN 50178 

between coil and contact

– Efficient connection to system cabling 

using V8 adapter

phoenixcontact-interface-technology-and-switching-devices-html.html
background image

A1

A2

11

14

12

A1

A2

11

14

12

A1

A2

11

14

12

For further information and full technical data, visit phoenixcontact.net/products

 

 

 

 

 

Technical data

Technical data

Technical data

 

 

 

 

 

 

 

 

 

 

 

 

 

 

 

 

 

 

 

 

 

 

 

 

 

 

 

 

 

 

 

 

 

 

 

 

 

 

 

 

 

[mA]

15.3

9

11

9.2

4.8

3.5

3.2

15.3

9

11

9.2

4.8

3.5

3.2

15.3

9

11

3.5

3.2

15.3

9

11

3.5

3.2

[ms]

5 / 8

5 / 8

6 / 15

5 / 8

5 / 8

6 / 15

7 / 15

5 / 8

5 / 8

6 / 15

5 / 8

5 / 8

6 / 15

7 / 15

5 / 8

5 / 8

6 / 15

6 / 15

7 / 15

5 / 8

5 / 8

6 / 15

6 / 15

7 / 15

Input circuit DC

Yellow LED, reverse polarity protection, freewheeling diode

Yellow LED, reverse polarity protection, freewheeling diode

Yellow LED

Yellow LED, reverse polarity protection, freewheeling diode

Input circuit AC/DC

Yellow LED, bridge rectifier

Yellow LED, bridge rectifier

Yellow LED, bridge rectifier

Yellow LED, bridge rectifier

AgSnO, hard gold-plated

AgSnO

AgSnO, hard gold-plated

30 V AC / 36 V DC

250 V AC/DC

30 V AC / 36 V DC

100 mV (at 10 mA)

5 V (at 100 mA)

100 mV (at 10 mA)

50 mA

6 A

50 mA

50 mA

10 A (4 s)

50 mA

1 mA (at 24 V)

10 mA (at 12 V)

1 mA (at 24 V)

Test voltage input/output

4 kV AC (50 Hz, 1 min.)

4 kV AC (50 Hz, 1 min.)

4 kV AC (50 Hz, 1 min.)

4 kV AC (50 Hz, 1 min.)

-40 °C ... 60 °C

1

)

-40 °C ... 60 °C

-40 °C ... 60 °C

2 x 10

7

 cycles

1 x 10

cycles

2 x 10

7

 cycles

60664 , EN 50178

IEC

 

60664 , EN 50178

IEC

 

60664 , EN 50178

IEC

 

60664 , EN 50178

Connection data solid/stranded/AWG

0.14 - 2.5 mm² / 0.14 - 2.5 mm² / 26 - 14

0.14 - 2.5 mm² / 0.14 - 2.5 mm² / 26 - 14

0.14 - 2.5 mm² / 0.14 - 2.5 mm² / 26 - 14

0.14 - 2.5 mm² / 0.14 - 2.5 mm² / 26 - 14

Dimensions

W / H / D

6.2 mm / 80 mm / 94 mm

6.2 mm / 80 mm / 94 mm

6.2 mm / 80 mm / 94 mm

6.2 mm / 80 mm / 94 mm

EMC note

Class A product, see page 605

Class A product, see page 605

Class A product, see page 605

Class A product, see page 605

Ordering data

Ordering data

Ordering data

Type

Order No.

Pcs./

Pkt.

Type

Order No.

Pcs./

Pkt.

Type

Order No.

Pcs./

Pkt.

PLC-RSC- 12DC/21AU

2966919

10

PLC-RSC- 12DC/21/MS

2909648

10

PLC-RSC- 12DC/21AU/MS

2909654

10

PLC-RSC- 24DC/21AU

2966265

10

PLC-RSC- 24DC/21/MS

2909649

10

PLC-RSC- 24DC/21AU/MS

2909655

10

PLC-RSC- 24UC/21AU

2966278

10

PLC-RSC- 24UC/21/MS

2909650

10

PLC-RSC- 24UC/21AU/MS

2909656

10

PLC-RSC- 48DC/21AU

2966126

10

PLC-RSC- 60DC/21AU

2966142

10

PLC-RSC-120UC/21AU

2966281

10

PLC-RSC-120UC/21/MS

2909651

10

PLC-RSC-120UC/21AU/MS

2909657

10

PLC-RSC-230UC/21AU

2966294

10

PLC-RSC-230UC/21/MS

2909653

10

PLC-RSC-230UC/21AU/MS

2909660

10

PLC-RPT- 12DC/21AU

2900317

10

PLC-RPT- 12DC/21/MS

2909666

10

PLC-RPT- 12DC/21AU/MS

2909671

10

PLC-RPT- 24DC/21AU

2900306

10

PLC-RPT- 24DC/21/MS

2909667

10

PLC-RPT- 24DC/21AU/MS

2909672

10

PLC-RPT- 24UC/21AU

2900307

10

PLC-RPT- 24UC/21/MS

2909668

10

PLC-RPT- 24UC/21AU/MS

2909673

10

PLC-RPT- 48DC/21AU

2900308

10

PLC-RPT- 60DC/21AU

2900309

10

PLC-RPT-120UC/21AU

2900310

10

PLC-RPT-120UC/21/MS

2909669

10

PLC-RPT-120UC/21AU/MS

2909674

10

PLC-RPT-230UC/21AU

2900311

10

PLC-RPT-230UC/21/MS

2909670

10

PLC-RPT-230UC/21AU/MS

2909676

10

373

PHOENIX CONTACT

Relay modules

Highly compact relay modules - PLC-INTERFACE

D W

H

D W

H

new

D W

H

1-PDT relay module,

50

 

mA, maximum

1-PDT relay module with

manual operation, max. 6

 

A

1-PDT relay module with

manual operation, max. 50

 

mA

phoenixcontact-interface-technology-and-switching-devices-html.html
background image

A

2

24

21

22

14

11

12

A

1

0,

1

0,

2

0,

3

0,

5

1

2

4

6

1

0

2

0

1

0

2

0

3

0

5

0

70

1

00

3

00

2

00

1
2
3
4

3

1

4

2

 

 

 

 

 

Technical data

Input data

 

 

 

 

 

 

 

 

 

 

 

 

 

 

 

Typical input current at U

N

[mA]

33

18

17.5

20

10

4.5

4.5

33

18

17.5

20

10

4.5

4.5

Response/release time at U

N

[ms]

8 / 10

8 / 10

8 / 10

8 / 10

8 / 10

7 / 10

7 / 10

8 / 10

8 / 10

8 / 10

8 / 10

8 / 10

7 / 10

7 / 10

Input circuit DC

Yellow LED, reverse polarity protection, freewheeling diode

Yellow LED, reverse polarity protection, freewheelin

Input circuit AC/DC

Yellow LED, bridge rectifier

Yellow LED, bridge rectifier

Output data

Contact material

AgNi

Max. switching voltage

250 V AC/DC

Minimum switching voltage

5 V AC/DC (at 10 mA)

Limiting continuous current

6 A

Maximum switch-on current

15 A (300 ms)

Minimum switching current

10 mA (At 5 V)

General data

Test voltage input/output

4 kV AC (50 Hz, 1 min.)

4 kV AC (50 Hz, 1 min.)

Ambient temperature (operation)

-40 °C ... 60 °C

1

)

Mechanical service life

3 x 10

7

 cycles

Standards/regulations

IEC

 

60664 , EN 50178

IEC

Connection data solid/stranded/AWG

0.14 - 2.5 mm² / 0.14 - 2.5 mm² / 26 - 14

0.14 - 2.5 mm² / 0.14 - 2.5 mm² / 26 - 14

Dimensions

W / H / D

14 mm / 80 mm / 94 mm

14 mm / 80 mm / 94 mm

EMC note

Class A product, see page 605

Class A product, see page 605

Ordering data

Description

Input voltage

U

N

Type

Order No.

Pcs./

Pkt.

PLC-INTERFACE

, with 

screw connection

12 V DC

PLC-RSC- 12DC/21-21

2967235

10

24 V DC

PLC-RSC- 24DC/21-21

2967060

10

24 V AC/DC

PLC-RSC- 24UC/21-21

2967073

10

48 V DC

PLC-RSC- 48DC/21-21

2967248

10

60 V DC

PLC-RSC- 60DC/21-21

2967293

10

120 V AC

 

/

 

110 V DC

PLC-RSC-120UC/21-21

2967086

10

230 V AC

 

/

 

220 V DC

PLC-RSC-230UC/21-21

2967099

10

PLC-INTERFACE

, with 

Push-in connection

12 V DC

PLC-RPT- 12DC/21-21

2900329

10

24 V DC

PLC-RPT- 24DC/21-21

2900330

10

24 V AC/DC

PLC-RPT- 24UC/21-21

2900332

10

48 V DC

PLC-RPT- 48DC/21-21

2900333

10

60 V DC

PLC-RPT- 60DC/21-21

2900334

10

120 V AC

 

/

 

110 V DC

PLC-RPT-120UC/21-21

2900335

10

230 V AC

 

/

 

220 V DC

PLC-RPT-230UC/21-21

2900336

10

374

PHOENIX CONTACT

Universal PLC series with PDT relay

Relay modules

Highly compact relay modules - PLC-INTERFACE

D W

H

Notes:

Type of insulating housing:

Polyamide PBT, non-reinforced, color: green.

Marking systems and mounting material

See Catalog 3

The PLC-ATP partition plate must be installed for voltages larger 

than 250 V (L1, L2, L3) between identical terminal blocks in 

adjacent modules. Potential bridging is then carried out with 

FBST 8-PLC... or FBST 500....

For diagrams of operating voltage ranges, see page 397

Note: for marking material (ZB 6), see “CLIPLINE industrial 

connection technology, marking material for terminals, 

conductors, and cables”.

Inflammability class V0 (UL 94)

1

) 230 V types up to 55 °C

2

) If the specified maximum values are exceeded for multi-layer 

contact relays, the gold layer will be destroyed. During further use, 

the maximum values of the power contact relays apply. This may 

then result in a shorter service life than a dedicated power contact.

2-PDT relay module,

2

 

x

 

6

 

A, maximum

Switching voltage [V] 

AC, ohmic load

DC, ohmic load, contacts in series

DC, ohmic load

DC, L/R = 40 ms

Electrical interrupting rating for PLC...21-21 

with 2-PDT relay

S

w

itc

h

in

g c

u

rr

e

n

t [A

]

PLC-R... is the relay series that can be 

used universally and consists of basic 
terminal blocks and plug-in relays with 
PDT contacts.

The advantages:

– Slim  design
– Screw and Push-in connection technology
– Functional plug-in bridges
– Integrated input and interference 

suppression circuit

– RT III sealed relay
– Safe isolation according to DIN EN 50178 

between coil and contact

– Efficient connection to system cabling 

using V8 adapter

phoenixcontact-interface-technology-and-switching-devices-html.html
background image

A

2

24

21

22

14

11

12

A

1

For further information and full technical data, visit phoenixcontact.net/products

 

 

 

 

 

Technical data

 

 

 

 

 

 

 

 

 

 

 

 

 

 

 

[mA]

33

18

17.5

20

10

4.5

4.5

33

18

17.5

20

10

4.5

4.5

[ms]

8 / 10

8 / 10

8 / 10

8 / 10

8 / 10

7 / 10

7 / 10

8 / 10

8 / 10

8 / 10

8 / 10

8 / 10

7 / 10

7 / 10

Input circuit DC

Yellow LED, reverse polarity protection, freewheeling diode

Yellow LED, reverse polarity protection, freewheeling diode

Input circuit AC/DC

Yellow LED, bridge rectifier

Yellow LED, bridge rectifier

AgNi, hard gold-plated

30 V AC / 36 V DC

100 mV (at 10 mA)

50 mA

2

)

50 mA

2

)

1 mA (at 24 V)

Test voltage input/output

4 kV AC (50 Hz, 1 min.)

4 kV AC (50 Hz, 1 min.)

-40 °C ... 60 °C

1

)

3 x 10

7

 cycles

60664 , EN 50178

IEC

 

60664 , EN 50178

Connection data solid/stranded/AWG

0.14 - 2.5 mm² / 0.14 - 2.5 mm² / 26 - 14

0.14 - 2.5 mm² / 0.14 - 2.5 mm² / 26 - 14

Dimensions

W / H / D

14 mm / 80 mm / 94 mm

14 mm / 80 mm / 94 mm

EMC note

Class A product, see page 605

Class A product, see page 605

Ordering data

Type

Order No.

Pcs./

Pkt.

PLC-RSC- 12DC/21-21AU

2967277

10

PLC-RSC- 24DC/21-21AU

2967125

10

PLC-RSC- 24UC/21-21AU

2967112

10

PLC-RSC- 48DC/21-21AU

2967280

10

PLC-RSC- 60DC/21-21AU

2967303

10

PLC-RSC-120UC/21-21AU

2967138

10

PLC-RSC-230UC/21-21AU

2967141

10

PLC-RPT- 12DC/21-21AU

2900337

10

PLC-RPT- 24DC/21-21AU

2900338

10

PLC-RPT- 24UC/21-21AU

2900339

10

PLC-RPT- 48DC/21-21AU

2900340

10

PLC-RPT- 60DC/21-21AU

2900341

10

PLC-RPT-120UC/21-21AU

2900342

10

PLC-RPT-230UC/21-21AU

2900343

10

375

PHOENIX CONTACT

Relay modules

Highly compact relay modules - PLC-INTERFACE

D W

H

2-PDT relay module,

2

 

x

 

50

 

mA, maximum

phoenixcontact-interface-technology-and-switching-devices-html.html
background image

A2

A1

13+

14

 

 

 

 

Technical data

Input data

 

 

 

 

 

 

 

 

 

 

 

 

 

 

Permissible range (with reference to U

N

)

0.8  - 

1.2

0.8 - 

1.2

0.8 - 

1.2

0.8 - 

1.1

0.9 - 

1.1

0.9 - 

1.1

Switching level (with reference to U

N

)

1 signal ("H")

 0.8

 0.8

 0.8

 0.8

 0.9

 0.8

0 signal ("L")

 0.4

 0.3

 0.4

 0.4

 0.3

 0.3

Typical input current at U

N

[mA]

 

8.5

 

9

 

5

 

3

 

3.5

 

3.5

 

8.5

 

9

 

5

 

3

 

3.5

 

3.5

 

8

 

9

 

6

 

3.5

 

4

 

3.5

Typical switch-on time at U

N

[ms]

0.02

0.03

0.04

1

3

3

0.02

0.03

0.04

0.04

3.5

4

10

10

10

10

10

10

Typical switch-off time at U

N

[ms]

0.3

0.3

2

3

4

5

0.3

0.3

0.5

0.6

7

7

10

10

10

10

10

10

Transmission frequency f

limit

[Hz]

300

300

100

50

10

10

300

300

100

100

10

10

10

10

10

10

3

3

Input circuit DC

Yellow LED, reverse polarity protection , freewheeling diode

Yellow LED, reverse polarity protection , freewheel

Input circuit AC/DC

Yellow LED, bridge rectifier

Yellow LED, bridge rectifier

Yellow LED, bridge rectifier

Output data

Max. switching voltage

48 V DC

Minimum switching voltage

3 V DC

Maximum switch-on current

-

Minimum/maximum switching current

- / 100 mA

Output protection

Reverse polarity protection, surge protection

Reverse polarity protection, surge protection

RCV circuit

Voltage drop at maximum limiting continuous current

 1 V

Leakage current in off state

-

Max. load value

-

General data

Test voltage input/output

2.5 kV (50 Hz, 1 min.)

Ambient temperature (operation)

-25 °C ... 60 °C

Standards/regulations

IEC

 

60664 , EN 50178

IEC

Degree of pollution/surge voltage category

2 / III

Connection data solid/stranded/AWG

0.14 - 2.5 mm² / 0.14 - 2.5 mm² / 26 - 14

0.14 - 2.5 mm² / 0.14 - 2.5 mm² / 26 - 14

0.14 - 2.5 

Dimensions

W / H / D

6.2 mm / 80 mm / 94 mm

6.2 mm / 80 mm / 94 mm

6.2 mm / 80 mm / 94 mm

EMC note

Class A product, see page 605

Class A product, see page 605

Class A product, see page 605

Ordering data

Description

Input voltage

U

N

Type

Order No.

Pcs./

Pkt.

PLC-INTERFACE

, with 

screw connection

24 V DC

PLC-OSC- 24DC/ 48DC/100

2966728

10

48 V DC

PLC-OSC- 48DC/ 48DC/100

2966993

10

60 V DC

PLC-OSC- 60DC/ 48DC/100

2967455

10

125 V DC

PLC-OSC-125DC/ 48DC/100

2980047

10

120 V AC

 

/

 

110 V DC

PLC-OSC-120UC/ 48DC/100

2966744

10

230 V AC

 

/

 

220 V DC

PLC-OSC-230UC/ 48DC/100

2966757

10

PLC-INTERFACE

, with 

Push-in connection

24 V DC

PLC-OPT- 24DC/ 48DC/100

2900352

10

48 V DC

PLC-OPT- 48DC/ 48DC/100

2900353

10

60 V DC

PLC-OPT- 60DC/ 48DC/100

2900354

10

120 V AC

 

/

 

110 V DC

PLC-OPT-120UC/ 48DC/100

2900355

10

230 V AC

 

/

 

220 V DC

PLC-OPT-230UC/ 48DC/100

2900356

10

376

PHOENIX CONTACT

Universal PLC series with solid-state 
relays

PLC-O... is the solid-state relay series that 

can be used universally comprising basic 
terminal blocks and plug-in solid-state 
relays.

The advantages:

– Slim  design
– Screw and Push-in connection technology
– Functional plug-in bridges
– Integrated input circuit
– RT-III sealed solid-state relays
– High switching capacity
– Zero voltage switch at AC output
– Efficient connection to system cabling 

using V8 adapter

Relay modules

Highly compact relay modules - PLC-INTERFACE

D W

H

Notes:

Type of insulating housing:

Polyamide PBT, non-reinforced, color: green.

Marking systems and mounting material

See Catalog 3

The PLC-ATP partition plate must be installed for voltages larger 

than 250 V (L1, L2, L3) between identical terminal blocks in 

adjacent modules. Potential bridging is then carried out with 

FBST 8-PLC... or FBST 500....

For derating curves see page 399

Solid-state relay module,

DC output max. 100

 

mA

phoenixcontact-interface-technology-and-switching-devices-html.html
background image

A2

A1

13+

14

13+

14

A2

A1

For further information and full technical data, visit phoenixcontact.net/products

 

 

 

 

 

 

 

 

Technical data

Technical data

 

 

 

 

 

 

 

 

 

 

 

 

 

 

 

 

 

 

 

 

 

 

 

 

 

 

 

 

0.8 - 

1.2

0.8 - 

1.2

0.8 - 

1.2

0.8 - 

1.1

0.9 - 

1.1

0.9 - 

1.1

0.8 - 

1.2

0.8 - 

1.2

0.8 - 

1.2

0.8 - 

1.1

0.9 - 

1.1

0.8 - 

1.1

 0.8

 0.8

 0.8

 0.8

 0.8

 0.8

 0.8

 0.8

 0.8

 0.8

 0.8

 0.8

 0.4

 0.4

 0.3

 0.3

 0.3

 0.3

 0.25

 0.25

 0.3

 0.3

 0.25

 0.25

[mA]

 

8.5

 

9

 

5

 

3

 

3.5

 

3.5

 

8.5

 

9

 

5

 

3

 

3.5

 

3.5

 

8

 

9

 

6

 

3.5

 

4

 

3.5

[ms]

0.02

0.03

0.04

1

3

3

0.02

0.03

0.04

0.04

3.5

4

10

10

10

10

10

10

[ms]

0.3

0.3

2

3

4

5

0.3

0.3

0.5

0.6

7

7

10

10

10

10

10

10

[Hz]

300

300

100

50

10

10

300

300

100

100

10

10

10

10

10

10

3

3

Input circuit DC

Yellow LED, reverse polarity protection , freewheeling diode

Yellow LED, reverse polarity protection , freewheeling diode

Yellow LED, reverse polarity protection, freewheeling diode

Input circuit AC/DC

Yellow LED, bridge rectifier

Yellow LED, bridge rectifier

Yellow LED, bridge rectifier

33 V DC

253 V AC

3 V DC

24 V AC

15 A (10 ms)

30 A (10 ms)

- / 3 A (see derating curve)

10 mA / 0.75 A (see derating curve)

Output protection

Reverse polarity protection, surge protection

Reverse polarity protection, surge protection

RCV circuit

 200 mV

< 1 V

-

<  1  mA  (in  off  state)

-

4.5  A

2

s

2.5 kV (50 Hz, 1 min.)

2.5 kV (50 Hz, 1 min.)

-25 °C ... 60 °C

-25 °C ... 60 °C

60664 , EN 50178

IEC

 

60664 , EN 50178

IEC

 

60664 , EN 50178

2 / III

2 / III

Connection data solid/stranded/AWG

0.14 - 2.5 mm² / 0.14 - 2.5 mm² / 26 - 14

0.14 - 2.5 mm² / 0.14 - 2.5 mm² / 26 - 14

0.14 - 2.5 mm² / 0.14 - 2.5 mm² / 26 - 14

Dimensions

W / H / D

6.2 mm / 80 mm / 94 mm

6.2 mm / 80 mm / 94 mm

6.2 mm / 80 mm / 94 mm

EMC note

Class A product, see page 605

Class A product, see page 605

Class A product, see page 605

Ordering data

Ordering data

Type

Order No.

Pcs./

Pkt.

Type

Order No.

Pcs./

Pkt.

PLC-OSC- 24DC/ 24DC/  2

2966634

10

PLC-OSC- 24DC/230AC/  1

2967840

10

PLC-OSC- 48DC/ 24DC/  2

2967002

10

PLC-OSC- 48DC/230AC/  1

2967853

10

PLC-OSC- 60DC/ 24DC/  2

2967468

10

PLC-OSC- 60DC/230AC/  1

2967866

10

PLC-OSC-125DC/ 24DC/  2

2980050

10

PLC-OSC-125DC/230AC/  1

2980063

10

PLC-OSC-120UC/ 24DC/  2

2966650

10

PLC-OSC-120UC/230AC/  1

2967879

10

PLC-OSC-230UC/ 24DC/  2

2966663

10

PLC-OSC-230UC/230AC/  1

2967882

10

PLC-OPT- 24DC/ 24DC/2

2900364

10

PLC-OPT- 24DC/230AC/1

2900369

10

PLC-OPT- 48DC/ 24DC/2

2900365

10

PLC-OPT- 48DC/230AC/1

2900370

10

PLC-OPT- 60DC/ 24DC/2

2900366

10

PLC-OPT- 60DC/230AC/1

2900371

10

PLC-OPT-120UC/ 24DC/2

2900367

10

PLC-OPT-120UC/230AC/1

2900372

10

PLC-OPT-230UC/ 24DC/2

2900368

10

PLC-OPT-230UC/230AC/1

2900374

10

377

PHOENIX CONTACT

Relay modules

Highly compact relay modules - PLC-INTERFACE

D W

H

D W

H

Solid-state relay module,

DC output max. 3

 

A

Solid-state relay module,

AC output max. 750

 

mA

phoenixcontact-interface-technology-and-switching-devices-html.html
background image

A2

A1

13

BB

14

0,

1

0,

2

0,

3

0,

5

1

2

4

6

1

0

2

0

1

0

2

0

3

0

5

0

70

1

00

3

00

2

00

1
2
3
4

3

1

4

2

 

 

 

 

 

Technical data

Input data

 

 

 

 

 

 

 

 

 

Permissible range (with reference to U

N

)

See  diagram

Typical input current at U

N

[mA]

9

Typical response time/switch-on time at U

N

[ms]

5

Typical release time/switch-off time at UN

[ms]

8

Input circuit DC

Yellow LED, reverse polarity protection, freewheeling diode

Yellow LED, reverse polarity protection, freewheelin

Output data

Contact material

AgSnO

Max. switching voltage

250 V AC/DC

Minimum switching voltage

5 V (at 100 mA)

Limiting continuous current

6 A

Maximum switch-on current

10 A (4 s)

Minimum switching current

10 mA (at 12 V)

General data

Test voltage input/output

4 kV AC (50 Hz, 1 min.)

4 kV AC (50 Hz, 1 min.)

4 kV AC (50 Hz, 1 min.)

Ambient temperature (operation)

-40 °C ... 60 °C

Mechanical service life

2 x 10

7

 cycles

Standards/regulations

IEC

 

60664 , EN 50178

IEC

Degree of pollution/surge voltage category

3 / III

Connection data solid/stranded/AWG

0.14 - 2.5 mm² / 0.14 - 2.5 mm² / 26 - 14

0.14 - 2.5 mm² / 0.14 - 2.5 mm² / 26 - 14

0.14 - 2.5 

Dimensions

W / H / D

6.2 mm / 80 mm / 94 mm

6.2 mm / 80 mm / 94 mm

14 mm / 80 mm / 94 mm

EMC note

Class A product, see page 605

Class A product, see page 605

Class A product, see page 605

Ordering data

Description

Input voltage

U

N

Type

Order No.

Pcs./

Pkt.

PLC-INTERFACE

, with 

screw connection

24 V DC

PLC-RSC- 24DC/ 1/ACT

2966210

10

PLC-INTERFACE

, with 

Push-in connection

24 V DC

PLC-RPT- 24DC/ 1/ACT

2900312

10

378

PHOENIX CONTACT

PLC actuator series for output 
functions

Relay modules

Highly compact relay modules - PLC-INTERFACE

D W

H

Notes:

Type of insulating housing:

Polyamide PBT, non-reinforced, color: green.

Marking systems and mounting material

See Catalog 3

The PLC-ATP partition plate must be installed for voltages larger 

than 250 V (L1, L2, L3) between identical terminal blocks in 

adjacent modules. Potential bridging is then carried out with 

FBST 8-PLC... or FBST 500....

For diagrams of operating voltage ranges, see page 397

For derating curves see page 399

1-N/O relay module with

additional floating terminal point

Switching voltage [V] 

Switc

h

in

g c

u

rr

e

n

[A

]

AC, ohmic load

DC, ohmic load

Switching voltage [V] 

AC, ohmic load

DC, ohmic load, contacts in series

DC, ohmic load

DC, L/R = 40 ms

Electrical interrupting rating for PLC...24DC/1/ACT

with 1-N/O relay

Electrical interrupting rating for PLC...24DC/1-1/ACT

with 2-N/O relay

S

w

itc

h

in

g c

u

rr

e

n

t [A

]

The PLC actuator series couples 

controllers and actuators such as motors, 
contactors, and valves.

The advantages:

– Direct connection of actuator to relay 

module including load return line

– No need for additional terminal blocks
– Space savings of up to 80%
– Time savings of up to 60%
– Screw and Push-in connection technology
– Relay modules with safe isolation 

according to DIN EN 50178 between coil 
and contact

– Functional plug-in bridges
– Efficient connection to system cabling 

using V8 adapter

phoenixcontact-interface-technology-and-switching-devices-html.html
background image

A2

A1

13

BB

14

A2

A1

13

BB

14

23

BB

24

For further information and full technical data, visit phoenixcontact.net/products

 

 

 

 

Technical data

Technical data

 

 

 

 

 

 

 

 

 

 

 

 

 

 

 

 

 

 

See diagram

See diagram

9

18

5

8

8

10

Input circuit DC

Yellow LED, reverse polarity protection, freewheeling diode

Yellow LED, reverse polarity protection, freewheeling diode

Yellow LED, reverse polarity protection, freewheeling diode

AgSnO

AgNi

250 V AC/DC

250 V  AC/DC

5 V (at 100 mA)

5 V AC/DC

6 A

6 A

10 A (4 s)

8 A

10 mA (at 12 V)

10 mA

Test voltage input/output

4 kV AC (50 Hz, 1 min.)

4 kV AC (50 Hz, 1 min.)

4 kV AC (50 Hz, 1 min.)

-40 °C ... 60 °C

-40 °C ... 60 °C

1 x 10

cycles

3 x 10

7

 cycles

60664 , EN 50178

IEC

 

60664 , EN 50178

IEC

 

60664 , EN 50178

3 / III

3 / III

Connection data solid/stranded/AWG

0.14 - 2.5 mm² / 0.14 - 2.5 mm² / 26 - 14

0.14 - 2.5 mm² / 0.14 - 2.5 mm² / 26 - 14

0.14 - 2.5 mm² / 0.14 - 2.5 mm² / 26 - 14

Dimensions

W / H / D

6.2 mm / 80 mm / 94 mm

6.2 mm / 80 mm / 94 mm

14 mm / 80 mm / 94 mm

EMC note

Class A product, see page 605

Class A product, see page 605

Class A product, see page 605

Ordering data

Ordering data

Type

Order No.

Pcs./

Pkt.

Type

Order No.

Pcs./

Pkt.

PLC-RSC- 24DC/ 1/MS/ACT

2909661

10

PLC-RSC- 24DC/ 1- 1/ACT

2967109

10

PLC-RPT- 24DC/ 1/MS/ACT

2909677

10

379

PHOENIX CONTACT

Relay modules

Highly compact relay modules - PLC-INTERFACE

D W

H

new

D W

H

1-N/O relay module with

manual operation and additional

floating terminal point

2-N/O relay module with

additional floating terminal points

phoenixcontact-interface-technology-and-switching-devices-html.html
background image

A2

A1

13+

BB

14

 

 

 

 

Technical data

Input data

 

 

 

 

 

 

 

 

 

 

Permissible range (with reference to U

N

)

0.8  - 

1.2

0.8 - 

1.2

Switching level (with reference to U

N

)

1 signal ("H")

 0.8

 0.8

0 signal ("L")

 0.25

 0.4

Typical input current at U

N

[mA]

 9.5

 8.5

Typical response time/switch-on time at U

N

[ms]

 0.02

 0.02

Typical release time/switch-off time at UN

[ms]

 0.3

 0.3

Transmission frequency f

limit

[Hz]

300

300

Input circuit DC

Yellow LED, reverse polarity protection, freewheeling diode

Yellow LED, reverse polarity protection, freewheelin

Output data

Max. switching voltage

33 V DC

Minimum switching voltage

3 V DC

Limiting continuous current

3 A (see derating curve)

0.75 A (see derating curve)

Maximum switch-on current

15 A (10 ms)

Minimum switching current

-

Output protection

Reverse polarity protection, surge protection

RCV circuit

Voltage drop at maximum limiting continuous current

 200 mV

Leakage current in off state

-

Phase angle (cos 

φ

)

-

Max. load value

-

General data

Test voltage input/output

2.5 kV (50 Hz, 1 min.)

Ambient temperature (operation)

-25 °C ... 60 °C

Standards/regulations

IEC

 

60664 , EN 50178

IEC

Degree of pollution/surge voltage category

2 / III

Connection data solid/stranded/AWG

0.14 - 2.5 mm² / 0.14 - 2.5 mm² / 26 - 14

0.14 - 2.5 mm² / 0.14 - 2.5 mm² / 26 - 14

Dimensions

W / H / D

6.2 mm / 80 mm / 94 mm

6.2 mm / 80 mm / 94 mm

EMC note

Class A product, see page 605

Class A product, see page 605

Ordering data

Description

Input voltage

U

N

Type

Order No.

Pcs./

Pkt.

PLC-INTERFACE

, with 

screw connection

5 V DC

PLC-OSC-  5DC/ 24DC/  2/ACT

2980144

10

24 V DC

PLC-OSC- 24DC/ 24DC/  2/ACT

2966676

10

PLC-INTERFACE

, with 

Push-in connection

5 V DC

PLC-OPT-  5DC/ 24DC/2/ACT

2900375

10

24 V DC

PLC-OPT- 24DC/ 24DC/2/ACT

2900376

10

380

PHOENIX CONTACT

PLC actuator series for output 
functions

Relay modules

Highly compact relay modules - PLC-INTERFACE

D W

H

Solid-state relay module with

additional floating terminal point,

DC output max. 3 A

The PLC actuator series couples 

controllers and actuators such as motors, 
contactors, and valves.

The advantages:

– Direct connection of actuator to relay 

module including load return line

– No need for additional terminal blocks
– Space savings of up to 80%
– Time savings of up to 60%
– Screw and Push-in connection technology
– Relay modules with safe isolation 

according to DIN EN 50178 between coil 
and contact

– Functional plug-in bridges
– Efficient connection to system cabling 

using V8 adapter

phoenixcontact-interface-technology-and-switching-devices-html.html
background image

A2

A1

13+

BB

14

For further information and full technical data, visit phoenixcontact.net/products

 

 

 

 

Technical data

 

 

 

 

 

 

 

 

 

0.8 - 

1.2

 0.8

 0.25

 9

 3

 9

10

Input circuit DC

Yellow LED, reverse polarity protection, freewheeling diode

Yellow LED, reverse polarity protection, freewheeling diode

253 V AC

24 V AC

Limiting continuous current

3 A (see derating curve)

0.75 A (see derating curve)

30 A (10 ms)

10 mA

Output protection

Reverse polarity protection, surge protection

RCV circuit

< 1 V

< 1 mA (in off state)

0.5

4.5 A

2

s

2.5 kV (50 Hz, 1 min.)

-25 °C ... 60 °C

60664 , EN 50178

IEC

 

60664 , EN 50178

2 / III

Connection data solid/stranded/AWG

0.14 - 2.5 mm² / 0.14 - 2.5 mm² / 26 - 14

0.14 - 2.5 mm² / 0.14 - 2.5 mm² / 26 - 14

Dimensions

W / H / D

6.2 mm / 80 mm / 94 mm

6.2 mm / 80 mm / 94 mm

EMC note

Class A product, see page 605

Class A product, see page 605

Ordering data

Type

Order No.

Pcs./

Pkt.

PLC-OSC- 24DC/230AC/  1/ACT

2967947

10

381

PHOENIX CONTACT

Relay modules

Highly compact relay modules - PLC-INTERFACE

D W

H

Solid-state relay module with

additional floating terminal point,

AC output max. 750 mA

phoenixcontact-interface-technology-and-switching-devices-html.html
background image

A2

A1

13

BB

14

23

BB

24

A2

A1

13

BB

14

23

BB

24

 

 

 

 

Technical data

Technical data

Input data

 

 

 

 

 

 

 

 

 

 

 

 

 

 

 

 

 

 

Permissible range (with reference to U

N

)

0.8  - 

1.2

0.8 - 

1.2

Switching level (with reference to U

N

)

1 signal ("H")

 0.8

 0.8

0 signal ("L")

 0.4

 0.4

Typical input current at U

N

[mA]

 9

 9

Typical switch-on time at U

N

[ms]

0.02

10

Typical switch-off time at U

N

[ms]

0.4

10

Transmission frequency f

limit

[Hz]

300

10

Input circuit DC

Yellow LED, reverse polarity protection, freewheeling diode

Yellow LED, reverse polarity protection, freewheeling diode

Output data

Maximum/minimum switching voltage

33 V DC / 3 V DC

253 V AC / 24 V AC

Maximum switch-on current

15 A (10 ms)

30 A (10 ms)

Minimum/maximum switching current

- / 5 A (see derating curve)

25 mA / 2 A (see derating curve)

Output protection

Reverse polarity protection, surge protection

Surge protection

Voltage drop at maximum limiting continuous current

 200 mV

 1 V

Leakage current in off state

-

typ. 1 mA

Phase angle (cos 

φ

)

-

0.5

Max. load value

-

4 A

2

s (tp = 10 ms, at 25 °C)

General data

Rated insulation voltage

-

-

Rated surge voltage

Basic insulation

Basic insulation

Ambient temperature (operation)

-20 °C ... 60 °C

-20 °C ... 60 °C

Standards/regulations

IEC

 

60664 , EN 50178

IEC

 

60664 , EN 50178

Degree of pollution/surge voltage category

2 / III

2 / III

Mounting position/mounting

see derating / In rows with zero spacing

see derating / In rows with zero spacing

Connection data solid/stranded/AWG

0.14 - 2.5 mm² / 0.14 - 2.5 mm² / 26 - 14

0.14 - 2.5 mm² / 0.14 - 2.5 mm² / 26 - 14

Dimensions

W / H / D

14 mm / 80 mm / 94 mm

14 mm / 80 mm / 94 mm

EMC note

Class A product, see page 605

Class A product, see page 605

Ordering data

Ordering data

Description

Input voltage

U

N

Type

Order No.

Pcs./

Pkt.

Type

Order No.

Pcs./

Pkt.

PLC-INTERFACE

, with 

screw connection

24 V DC

PLC-OSC- 24DC/ 24DC/  5/ACT

2982786

10

PLC-OSC- 24DC/230AC/  2/ACT

2982760

10

382

PHOENIX CONTACT

PLC actuator series with solid-state 

power relays for coupling the controller and 
actuators, such as motors, contactors, 
valves, etc.

Notes:

Type of insulating housing:

Polyamide PBT, non-reinforced, color: green.

Marking systems and mounting material

See Catalog 3

The PLC-ATP partition plate must be installed for voltages larger 

than 250 V (L1, L2, L3) between identical terminal blocks in 

adjacent modules. Potential bridging is then carried out with 

FBST 8-PLC... or FBST 500....

For derating curves see page 399

D W

H

D W

H

PLC actuator series for output 
functions

Relay modules

Highly compact relay modules - PLC-INTERFACE

Solid-state relay module with

additional floating terminal point,

DC output max. 5 A

Solid-state relay module with

additional floating terminal point,

AC output max. 2 A

phoenixcontact-interface-technology-and-switching-devices-html.html
background image

A2

A1

13

BB

14

A2

A1

13

BB

14

13

BB

14

A2

A1

DC

A

C

For further information and full technical data, visit phoenixcontact.net/products

 

 

 

 

 

 

Technical data

Technical data

Input data

Permissible range (with reference to U

N

)

0.8 ... 1.2

0.8 ... 1.2

Typical input current at U

N

 (50/60 Hz)

15.6 mA / 8.5 mA

15 mA / 8.3 mA

Typical response time at U

N

5 ms

10 ms

Typical release time at U

N

30 ms

20 ms

Input circuit

Yellow LED , Bridge rectifier

Yellow LED , Bridge rectifier

Output data with:

REL-MR-24DC/21AU

REL-MR-24DC/21

OPT...48DC/...

OPT...24DC/...

OPT...230AC/...

Contact type

Single contact, 1 N/O contact

Single contact, 1 N/O contact

-

-

-

Contact material

AgSnO, hard gold-plated

AgSnO

-

-

-

Max. switching voltage

30 V AC / 36 V DC

250 V AC/DC

48 V DC

33 V DC

253 V AC

Minimum switching voltage

100 mV (at 10 mA)

5 V (at 100 mA)

3 V DC

3 V DC

24 V AC

Limiting continuous current

50 mA

6 A

100 mA

3 A (see 

derating curve)

0.75 A (see derating curve)

Minimum switching current

1 mA (at 24 V)

10 mA (at 12 V)

-

Output protection

-

-

Reverse 

polarity 

protection, 

surge 

protection

Reverse 

polarity 

protection, 

surge 

protection

RCV circuit

Voltage drop at limiting continuous current

-

-

 1 V

 150 mV

 1 V

Leakage current in off state

-

-

-

-

 1 mA

Max. load value I

2

 

x  t  (t  =  10  ms)

-

-

-

-

4.5  A

2

s (tp = 10 ms, at 25 °C)

General data

Rated insulation voltage

250 V AC

250 V AC

Rated surge voltage/insulation

6 kV / Safe isolation, increased insulation

6 kV / Safe isolation, increased insulation

Ambient temperature (operation)

-20 °C ... 60 °C

-20 °C ... 60 °C

Air clearances and creepage distances

EN 50178

EN 50178

Degree of pollution / Overvoltage category

2 / III

2 / III

Connection data solid/stranded/AWG

0.14 - 2.5 mm² / 0.14 - 2.5 mm² / 26 - 14

0.14 - 2.5 mm² / 0.14 - 2.5 mm² / 26 - 14

Dimensions

W / H / D

6.2 mm / 80 mm / 94 mm

6.2 mm / 80 mm / 94 mm

Ordering data

Ordering data

Description

Voltage U

N

Type

Order No.

Pcs./

Pkt.

Type

Order No.

Pcs./

Pkt.

PLC-INTERFACE

, with 

screw connection

24 V AC/DC

PLC-BSC- 24UC/ 1/ACT

2982799

10

PLC-BSC- 24UC/ 1/ACT

2982799

10

PLC-INTERFACE

with Push-in connection

24 V AC/DC

PLC-BPT- 24UC/ 1/ACT

2900450

10

PLC-BPT- 24UC/ 1/ACT

2900450

10

Accessories

Accessories

Plug-in miniature power relays, with multi-layer gold contacts

REL-MR- 24DC/21AU

2961121

10

REL-MR- 24DC/21

2961105

10

Plug-in solid-state relays

Solid-state input relays

OPT-24DC/ 48DC/100

2966618

10

Solid-state power relays

OPT-24DC/ 24DC/  2

2966595

10

Solid-state power relays

OPT-24DC/230AC/  1

2967950

10

383

PHOENIX CONTACT

PLC actuator basic terminal blocks that 

can be fitted with a mechanical or solid-
state relay. For coupling the controller and 
actuators, such as motors, contactors, 
valves, etc.

Notes:

Maximum interrupting rating diagrams, see page 400

For derating curves see page 399

When mounting relays on a DIN rail base or PCB, data may be 

limited, especially with regard to the limiting continuous current 

and/or ambient temperature range. See “General” section in 

“Basics of relay technology” on page 286.

D W

H

D W

H

PLC actuator series for output 
functions

Relay modules

Highly compact relay modules - PLC-INTERFACE

Basic terminal block with

additional floating terminal point for

assembly with relay

Basic terminal block with

additional floating terminal point for

assembly with solid-state relay

phoenixcontact-interface-technology-and-switching-devices-html.html
background image

A2

BB

A1

13

14

 

 

 

 

 

Technical data

Input data

 

 

 

 

 

 

 

 

 

 

 

Permissible range (with reference to U

N

)

See  diagram

Switching level (with reference to U

N

)

1 signal ("H")

0 signal ("L")

Typical input current at U

N

[mA]

9

3.5

3.2

Typical response time/switch-on time at U

N

[ms]

5

6

7

Typical release time/switch-off time at UN

[ms]

8

15

15

Transmission frequency f

limit

[Hz]

Input circuit DC

Yellow LED, reverse polarity protection, freewheeling diode

Yellow LED, reverse polarity protection, freewheelin

Input circuit AC/DC

Yellow LED, bridge rectifier

Yellow LED, bridge rectifier

Yellow LED, bridge rectifier

Output data

Contact material

AgSnO, hard gold-plated

AgSnO, hard gold-plated

-

Max. switching voltage

30 V AC / 36 V DC

Minimum switching voltage

100 mV (at 10 mA)

Limiting continuous current

50 mA

Maximum switch-on current

50 mA

Minimum switching current

1 mA (at 24 V)

Output protection

-

Voltage drop at maximum limiting continuous current

-

General data

Test voltage input/output

4 kV AC (50 Hz, 1 min.)

4 kV AC (50 Hz, 1 min.)

2.5 kV (50 Hz, 1 min.)

Ambient temperature (operation)

-40 °C ... 60 °C

1

)

Mechanical service life

2 x 10

7

 cycles

Standards/regulations

IEC

 

60664 , EN 50178

IEC

Degree of pollution/surge voltage category

3 / III

Connection data solid/stranded/AWG

0.14 - 2.5 mm² / 0.14 - 2.5 mm² / 26 - 14

0.14 - 2.5 mm² / 0.14 - 2.5 mm² / 26 - 14

0.14 - 2.5 

Dimensions

W / H / D

6.2 mm / 80 mm / 94 mm

6.2 mm / 80 mm / 94 mm

6.2 mm / 80 mm / 94 mm

EMC note

Class A product, see page 605

Class A product, see page 605

Class A product, see page 605

Ordering data

Description

Input voltage

U

N

Type

Order No.

Pcs./

Pkt.

PLC-INTERFACE

, with 

screw connection

24 V DC

PLC-RSC- 24DC/ 1AU/SEN

2966317

10

120 V AC

 

/

 

110 V DC

PLC-RSC-120UC/ 1AU/SEN

2966320

10

230 V AC

 

/

 

220 V DC

PLC-RSC-230UC/ 1AU/SEN

2966333

10

PLC-INTERFACE

, with 

Push-in connection

24 V DC

PLC-RPT- 24DC/ 1AU/SEN

2900313

10

120 V AC

 

/

 

110 V DC

PLC-RPT-120UC/ 1AU/SEN

2900314

10

230 V AC

 

/

 

220 V DC

PLC-RPT-230UC/ 1AU/SEN

2900315

10

384

PHOENIX CONTACT

PLC sensor series for input functions

PLC sensor series for coupling controller 

and sensors, such as proximity switches, 
limit switches or auxiliary contacts

The advantages:

– Direct connection of sensor to relay 

module including sensor supply

– No need for additional terminal blocks
– Space savings of up to 80%
– Time savings of up to 60%
– Screw and Push-in connection technology
– Relay modules with safe isolation 

according to DIN EN 50178 between coil 
and contact

– Functional plug-in bridges
– Efficient connection to system cabling 

using V8 adapter

Relay modules

Highly compact relay modules - PLC-INTERFACE

D W

H

Notes:

Type of insulating housing:

Polyamide PBT, non-reinforced, color: green.

Marking systems and mounting material

See Catalog 3

The PLC-ATP partition plate must be installed for voltages larger 

than 250 V (L1, L2, L3) between identical terminal blocks in 

adjacent modules. Potential bridging is then carried out with 

FBST 8-PLC... or FBST 500....

For diagrams of operating voltage ranges, see page 397

1

) 120 and 230 V types up to 55 °C

2

) If the specified maximum values are exceeded for multi-layer 

contact relays, the gold layer will be destroyed. During further use, 

the maximum values of the power contact relays apply. This may 

then result in a shorter service life than a dedicated power contact.

1-N/O relay module with

additional floating terminal point

phoenixcontact-interface-technology-and-switching-devices-html.html
background image

A2

BB

A1

13

14

A2

BB

A1

13+

14

For further information and full technical data, visit phoenixcontact.net/products

 

 

 

 

Technical data

Technical data

 

 

 

 

 

 

 

 

 

 

 

 

 

 

 

 

 

 

 

 

 

 

See diagram

0.8 - 

1.2

0.8 - 

1.1

0.8 - 

1.1

 0.8

 0.8

 0.8

 0.4

 0.3

 0.3

9

3.5

3.2

 8.5

 3.5

 3.5

5

6

7

 

0.02

 

6

 

3

8

15

15

 0.3

 10

 5

300

10

10

Input circuit DC

Yellow LED, reverse polarity protection, freewheeling diode

Yellow LED, reverse polarity protection, freewheeling diode

Yellow LED, reverse polarity protection, freewheeling diode

Input circuit AC/DC

Yellow LED, bridge rectifier

Yellow LED, bridge rectifier

Yellow LED, bridge rectifier

Contact material

AgSnO, hard gold-plated

AgSnO, hard gold-plated

-

30 V AC / 36 V DC

48 V DC

100 mV (at 10 mA)

3 V DC

50 mA

2

)

100  mA

50 mA

2

)

-

1 mA (at 24 V)

-

-

Reverse polarity protection, surge protection

-

 1 V

Test voltage input/output

4 kV AC (50 Hz, 1 min.)

4 kV AC (50 Hz, 1 min.)

2.5 kV (50 Hz, 1 min.)

-40 °C ... 60 °C

1

)

-25 °C ... 60 °C

1 x 10

cycles

-

60664 , EN 50178

IEC

 

60664 , EN 50178

IEC

 

60664 , EN 50178

3 / III

2 / III

Connection data solid/stranded/AWG

0.14 - 2.5 mm² / 0.14 - 2.5 mm² / 26 - 14

0.14 - 2.5 mm² / 0.14 - 2.5 mm² / 26 - 14

0.14 - 2.5 mm² / 0.14 - 2.5 mm² / 26 - 14

Dimensions

W / H / D

6.2 mm / 80 mm / 94 mm

6.2 mm / 80 mm / 94 mm

6.2 mm / 80 mm / 94 mm

EMC note

Class A product, see page 605

Class A product, see page 605

Class A product, see page 605

Ordering data

Ordering data

Type

Order No.

Pcs./

Pkt.

Type

Order No.

Pcs./

Pkt.

PLC-RSC- 24DC/ 1AU/MS/SEN

2909663

10

PLC-OSC- 24DC/ 48DC/100/SEN

2966773

10

PLC-RSC-120UC/ 1AU/MS/SEN

2909664

10

PLC-OSC-120UC/ 48DC/100/SEN

2966799

10

PLC-RSC-230UC/ 1AU/MS/SEN

2909665

10

PLC-OSC-230UC/ 48DC/100/SEN

2966809

10

PLC-RPT- 24DC/ 1AU/MS/SEN

2909678

10

PLC-OPT- 24DC/ 48DC/100/SEN

2900358

10

PLC-RPT-120UC/ 1AU/MS/SEN

2909679

10

PLC-OPT-120UC/ 48DC/100/SEN

2900359

10

PLC-RPT-230UC/ 1AU/MS/SEN

2909680

10

PLC-OPT-230UC/ 48DC/100/SEN

2900361

10

385

PHOENIX CONTACT

Relay modules

Highly compact relay modules - PLC-INTERFACE

D W

H

new

D W

H

1-N/O relay module with

manual operation and

additional floating terminal point

Solid-state relay module with

additional floating terminal point,

DC output max. 100

 

mA

phoenixcontact-interface-technology-and-switching-devices-html.html
background image

A2

13

BB

14

A1

0,

1

0,

2

0,

3

0,

5

1

2

4

6

1

0

2

0

1

0

2

0

3

0

5

0

70

1

00

3

00

2

00

U

I

t

 

 

 

 

Technical data

Input data

 

 

 

 

 

 

 

 

 

Typical input current at U

N

[mA]

18

Response/release time at U

N

[ms]

8 / 10

Input circuit DC

Yellow LED, reverse polarity protection, freewheeling diode

Output data

Contact material

AgSnO

Max. switching voltage

250 V AC/DC

Minimum switching voltage

12 V AC/DC (at 100 mA)

Maximum switch-on current

80 A (for 20 ms) / 130 A (peak, at capacitive load, 230 V AC, 24 

μ

F)

General data

Test voltage input/output

4 kV AC (50 Hz, 1 min.)

Ambient temperature (operation)

-40 °C ... 60 °C

Mechanical service life

3 x 10

7

 cycles

Standards/regulations

IEC

 

60664 , EN 50178

Connection data solid/stranded/AWG

0.14 - 2.5 mm² / 0.14 - 2.5 mm² / 26 - 14

Dimensions

W / H / D

14 mm / 80 mm / 94 mm

EMC note

Class A product, see page 605

Ordering data

Description

Input voltage

U

N

Type

Order No.

Pcs./

Pkt.

PLC-INTERFACE

, with 

screw connection

24 V DC

PLC-RSC- 24DC/ 1IC/ACT

2967604

10

PLC-INTERFACE

, with 

Push-in connection

24 V DC

PLC-RPT- 24DC/ 1IC/ACT

2900298

10

386

PHOENIX CONTACT

Notes:

Type of insulating housing:

Polyamide PBT, non-reinforced, color: green.

Marking systems and mounting material

See Catalog 3

The PLC-ATP partition plate must be installed for voltages larger 

than 250 V (L1, L2, L3) between identical terminal blocks in 

adjacent modules. Potential bridging is then carried out with 

FBST 8-PLC... or FBST 500....

For diagrams of operating voltage ranges, see page 397

D W

H

PLC-INTERFACE for high inrush 
currents

Relay modules

Highly compact relay modules - PLC-INTERFACE

1-N/O relay module with

additional floating terminal point,

max. 130

 

A peak

Switching voltage [V] 

AC, ohmic load

DC, ohmic load

DC, L/R = 40 ms

Basic behavior of capacitive loads:

- Very high input current

- Voltage increases with an e-function

Maximum interrupting rating

S

w

itc

h

in

g c

u

rr

e

n

t [A

]

PLC relay modules for high inrush 

currents due, for example, to capacitive 
loads.

The advantages:

– Maximum switch-on current 130 A
– Direct connection of load return line 

thanks to actuator type

– Screw and Push-in connection technology
– Safe isolation according to DIN EN 50178 

between coil and contact

– Functional plug-in bridges
– Efficient connection to system cabling 

using V8 adapter

phoenixcontact-interface-technology-and-switching-devices-html.html
background image

1
2
3

3

1

2

A2

11

14

12

A1

For further information and full technical data, visit phoenixcontact.net/products

 

 

 

 

 

Technical data

Input data

 

 

 

 

 

 

 

 

 

 

 

 

 

 

 

Typical input current at U

N

[mA]

33

18

17.5

20

10

4.5

4.5

Response/release time at U

N

[ms]

8 / 10

8 / 10

8 / 10

8 / 10

8 / 10

7 / 10

7 / 10

Input circuit DC

Yellow LED, reverse polarity protection, freewheeling diode

Input circuit AC/DC

Yellow LED, bridge rectifier

Output data

Contact material

AgNi

Max. switching voltage

250 V AC/DC

Minimum switching voltage

12 V AC/DC

Limiting continuous current

10 A

Maximum switch-on current

30 A (300 ms)

Minimum switching current

100 mA

General data

Test voltage input/output

4 kV AC (50 Hz, 1 min.)

Ambient temperature (operation)

-40 °C ... 60 °C

1

)

Mechanical service life

3 x 10

7

 cycles

Standards/regulations

IEC

 

60664 , EN 50178

Connection data solid/stranded/AWG

0.14 - 2.5 mm² / 0.14 - 2.5 mm² / 26 - 14

Dimensions

W / H / D

14 mm / 80 mm / 94 mm

EMC note

Class A product, see page 605

Ordering data

Description

Input voltage

U

N

Type

Order No.

Pcs./

Pkt.

PLC-INTERFACE

, with 

screw connection

12 V DC

PLC-RSC- 12DC/21HC

2967617

10

24 V DC

PLC-RSC- 24DC/21HC

2967620

10

24 V AC/DC

PLC-RSC- 24UC/21HC

2967633

10

48 V DC

PLC-RSC- 48DC/21HC

2967646

10

60 V DC

PLC-RSC- 60DC/21HC

2967659

10

120 V AC

 

/

 

110 V DC

PLC-RSC-120UC/21HC

2967662

10

230 V AC

 

/

 

220 V DC

PLC-RSC-230UC/21HC

2967675

10

PLC-INTERFACE

with Push-in connection

12 V DC

PLC-RPT- 12DC/21HC

2900290

10

24 V DC

PLC-RPT- 24DC/21HC

2900291

10

24 V AC/DC

PLC-RPT- 24UC/21HC

2900293

10

48 V DC

PLC-RPT- 48DC/21HC

2900294

10

60 V DC

PLC-RPT- 60DC/21HC

2900295

10

120 V AC

 

/

 

110 V DC

PLC-RPT-120UC/21HC

2900296

10

230 V AC

 

/

 

220 V DC

PLC-RPT-230UC/21HC

2900297

10

387

PHOENIX CONTACT

0,1

0,2

0,3

0,5

1

2

4

6

10

20

10

20

30

50

70

100

300

200

AC, ohmic load

Switching voltage [V]

Switching

curren

t[

A

]

DC, ohmic load
DC,

L

/

R

=

4

0 ms

Max. interrupting rating

Notes:

Type of insulating housing:

Polyamide PBT, non-reinforced, color: green.

Marking systems and mounting material

See Catalog 3

The PLC-ATP partition plate must be installed for voltages larger 

than 250 V (L1, L2, L3) between identical terminal blocks in 

adjacent modules. Potential bridging is then carried out with 

FBST 8-PLC... or FBST 500....

For diagrams of operating voltage ranges, see page 397

1

) 230 V types up to 55 °C

D W

H

PLC relay modules for high continuous 

switching currents

The advantages:

– Maximum continuous current 10 A
– Safe isolation according to DIN EN 50178 

between coil and contact

– Screw and Push-in connection technology
– Functional plug-in bridges
– Efficient connection to system cabling 

using V8 adapter

– Long electrical service life thanks to 

16 A relay

– All common input voltages of 

12 V DC to 230 V AC

PLC-INTERFACE for high continuous 
currents

Relay modules

Highly compact relay modules - PLC-INTERFACE

1-PDT relay module,

max. 10

 

A

phoenixcontact-interface-technology-and-switching-devices-html.html
background image

N

A

1

U

A

2

L

1

L

2

L

3

L

23

0 VA

C

(

1

0m)

>

V

R

C

N

L

A

1

U

A

2

A2

A1

11

14

12

 

 

 

Technical data

Input data

Nominal input voltage U

N

120 V AC

230 V AC

120 V AC

230 V AC

120 V AC

230 V AC

120 V AC

230 V AC

Permissible range (with reference to U

N

)

0.8 ... 1.4

0.78 ... 1.14

0.8 ... 1.4

0.78 ... 1.14

0.78 ... 1.4

0.78 ... 1.14

0.85 ... 1.4

0.78 ... 1.14

Typical release voltage (relay assembly)

50 V AC

80 V AC

50 V AC

80 V AC

16 V AC

70 V AC

16 V AC

70 V AC

Typical input current at U

N

 (50/60 Hz)

7 mA / 8 mA

8.8 mA / 10 mA

7 mA / 8 mA

8.8 mA / 10 mA

6 mA / 7 mA

8.5 mA / 10 mA

6 mA / 7 mA

8.5 mA / 10 mA

Typical response time at U

N

7 ms

7 ms

7 ms

7 ms

7 ms

7 ms

7 ms

7 ms

Typical release time at U

N

20 ms

20 ms

20 ms

20 ms

10 ms

10 ms

20 ms

20 ms

Input circuit

Yellow LED , Bridge rectifier , Filter

Yellow LED , Bridge rectifier , Filter

Yellow LED , Bridge rectifier , Filter

Output data with:

REL-MR-60DC/21

REL-MR-60DC/21AU

Contact type

Single contact, 1-PDT

Single contact, 1-PDT

Single contact, 1 N/O contact

Single contact, 1 N/O contact

Single contact,

Contact material

AgSnO

AgSnO, hard gold-plated

AgSnO

AgSnO, hard gold-plated

AgNi

AgNi, + 5 µm Au

AgNi

Max. switching voltage

250 V AC/DC

30 V AC / 36 V DC

250 V AC/DC

30 V AC / 36 V DC

250 V AC/DC

30 V AC / 36 V DC

250 V AC/DC

Minimum switching voltage

5 V (at 100 mA)

100 mV (at 10 mA)

5 V (at 100 mA)

100 mV (at 10 mA)

5 V AC/DC

100 mV

12 V AC/DC

Limiting continuous current

6 A

50 mA

6 A

50 mA

6 A

50 mA

10 A

Maximum switch-on current

on request

50 mA

on request

50 mA

15 A (300 ms)

50 mA

30 A (300 ms)

Minimum switching current

10 mA (at 12 V)

1 mA (at 24 V)

10 mA (at 12 V)

1 mA (at 24 V)

10 mA

1 mA

100 mA

General data

Test voltage input/output

4 kV (50 Hz, 1 min.)

Ambient temperature (operation)

-20 °C ... 55 °C

Mechanical service life

2 x 10

7

 cycles

Standards/regulations

IEC

 

60664 , EN 50178

IEC

Degree of pollution / Overvoltage category

3 / III

Connection data solid/stranded/AWG

0.14 - 2.5 mm² / 0.14 - 2.5 mm² / 26 - 14

0.14 - 2.5 mm² / 0.14 - 2.5 mm² / 26 - 14

0.14 - 2.5 

Dimensions

W / H / D

6.2 mm / 80 mm / 94 mm

6.2 mm / 80 mm / 94 mm

14 mm / 80 mm / 94 mm

14 mm / 80 mm / 94 mm

EMC note

Class A product, see page 605

Class A product, see page

Ordering data

Description

Voltage U

N

Type

Order No.

Pcs./

Pkt.

PLC-INTERFACE basic terminal block

, for plug-in 

miniature relays or solid-state relays

with screw connection

120 V AC

PLC-BSC-120UC/21/SO46

2980319

10

with screw connection

230 V AC

PLC-BSC-230UC/21/SO46

2980335

10

with Push-in connection

120 V AC

PLC-BPT-120UC/21/SO46

2900453

10

with Push-in connection

230 V AC

PLC-BPT-230UC/21/SO46

2900455

10

Accessories

Plug-in miniature power relays, with multi-layer gold contacts

REL-MR- 60DC/21AU

2961134

10

REL-MR- 60DC/21

2961118

10

388

PHOENIX CONTACT

Basic terminal blocks with 
interference current filter that can be 
fitted with relays

PLC basic terminal blocks with integrated 

filter to protect against interference 
voltages or currents due, for example, to 
long control lines.

The advantages:

– Resistant to interference currents
– High relay release voltage

Typical applications:

– Applications with long control lines
– Use of AC output boards, resulting in 

residual AC currents

– Screw and Push-in connection technology

Parallel signal cables or load cables

Long signal cable

Leakage current

Load

E.g.

Occurrence of interference signals

Scenario 2: long signal cables

Output

Leakage current

Load

Signal cable

Occurrence of interference signals

Scenario 1: controller - AC output card

Relay modules

Highly compact relay modules - PLC-INTERFACE

D W

H

Notes:

Type of insulating housing:

Polyamide PBT, non-reinforced, color: green.

Marking systems and mounting material

See Catalog 3

The PLC-ATP partition plate must be installed for voltages larger 

than 250 V (L1, L2, L3) between identical terminal blocks in 

adjacent modules. Potential bridging is then carried out with 

FBST 8-PLC... or FBST 500....

For diagrams of operating voltage ranges, see page 397

Maximum interrupting rating diagrams, see page 400

When mounting relays on a DIN rail base or PCB, data may be 

limited, especially with regard to the limiting continuous current 

and/or ambient temperature range. See “General” section in 

“Basics of relay technology” on page 286.

Basic terminal block with

Input filter

phoenixcontact-interface-technology-and-switching-devices-html.html
background image

13

14

A2

BB

A1

A2

A1

11

14

12

21

24

22

11

14

12

A2

A1

For further information and full technical data, visit phoenixcontact.net/products

 

 

 

 

 

 

 

 

 

Technical data

Technical data

Technical data

120 V AC

230 V AC

120 V AC

230 V AC

120 V AC

230 V AC

120 V AC

230 V AC

)

0.8 ... 1.4

0.78 ... 1.14

0.8 ... 1.4

0.78 ... 1.14

0.78 ... 1.4

0.78 ... 1.14

0.85 ... 1.4

0.78 ... 1.14

Typical release voltage (relay assembly)

50 V AC

80 V AC

50 V AC

80 V AC

16 V AC

70 V AC

16 V AC

70 V AC

 (50/60 Hz)

7 mA / 8 mA

8.8 mA / 10 mA

7 mA / 8 mA

8.8 mA / 10 mA

6 mA / 7 mA

8.5 mA / 10 mA

6 mA / 7 mA

8.5 mA / 10 mA

7 ms

7 ms

7 ms

7 ms

7 ms

7 ms

7 ms

7 ms

20 ms

20 ms

20 ms

20 ms

10 ms

10 ms

20 ms

20 ms

Input circuit

Yellow LED , Bridge rectifier , Filter

Yellow LED , Bridge rectifier , Filter

Yellow LED , Bridge rectifier , Filter

Yellow LED , Bridge rectifier , Filter

REL-MR-60DC/21

REL-MR-60DC/21AU

REL-MR-110DC/21-21

REL-MR-110DC/21-21AU

REL-MR-110DC/21HC

Contact type

Single contact, 1-PDT

Single contact, 1-PDT

Single contact, 1 N/O contact

Single contact, 1 N/O contact

Single contact, 2-PDT

Single contact, 2-PDT

Single contact, 1-PDT

Contact material

AgSnO

AgSnO, hard gold-plated

AgSnO

AgSnO, hard gold-plated

AgNi

AgNi, + 5 µm Au

AgNi

Max. switching voltage

250 V AC/DC

30 V AC / 36 V DC

250 V AC/DC

30 V AC / 36 V DC

250 V AC/DC

30 V AC / 36 V DC

250 V AC/DC

Minimum switching voltage

5 V (at 100 mA)

100 mV (at 10 mA)

5 V (at 100 mA)

100 mV (at 10 mA)

5 V AC/DC

100 mV

12 V AC/DC

Limiting continuous current

6 A

50 mA

6 A

50 mA

6 A

50 mA

10 A

Maximum switch-on current

on request

50 mA

on request

50 mA

15 A (300 ms)

50 mA

30 A (300 ms)

Minimum switching current

10 mA (at 12 V)

1 mA (at 24 V)

10 mA (at 12 V)

1 mA (at 24 V)

10 mA

1 mA

100 mA

4 kV (50 Hz, 1 min.)

4 kV (50 Hz, 1 min.)

4 kV (50 Hz, 1 min.)

-20 °C ... 55 °C

-20 °C ... 55 °C

-20 °C ... 55 °C

2 x 10

7

 cycles

3 x 10

7

 cycles

3 x 10

7

 cycles

60664 , EN 50178

IEC

 

60664 , EN 50178

IEC

 

60664 , EN 50178

IEC

 

60664 , EN 50178

3 / III

3 / III

3 / III

Connection data solid/stranded/AWG

0.14 - 2.5 mm² / 0.14 - 2.5 mm² / 26 - 14

0.14 - 2.5 mm² / 0.14 - 2.5 mm² / 26 - 14

0.14 - 2.5 mm² / 0.14 - 2.5 mm² / 26 - 14

0.14 - 2.5 mm² / 0.14 - 2.5 mm² / 26 - 14

Dimensions

W / H / D

6.2 mm / 80 mm / 94 mm

6.2 mm / 80 mm / 94 mm

14 mm / 80 mm / 94 mm

14 mm / 80 mm / 94 mm

EMC note

Class A product, see page 605

Class A product, see page 605

Class A product, see page 605

Class A product, see page 605

Ordering data

Ordering data

Ordering data

Type

Order No.

Pcs./

Pkt.

Type

Order No.

Pcs./

Pkt.

Type

Order No.

Pcs./

Pkt.

PLC-BSC-120UC/ 1/SEN/SO46

2980322

10

PLC-BSC-120UC/21-21/SO46

2980416

10

PLC-BSC-120UC/21HC/SO46

2980432

10

PLC-BSC-230UC/ 1/SEN/SO46

2980348

10

PLC-BSC-230UC/21-21/SO46

2980429

10

PLC-BSC-230UC/21HC/SO46

2980445

10

PLC-BPT-120UC/ 1/SEN/SO46

2900456

10

PLC-BPT-230UC/ 1/SEN/SO46

2900457

10

Accessories

Accessories

Accessories

REL-MR- 60DC/21AU

2961134

10

REL-MR-110DC/21-21AU

2961228

10

REL-MR- 60DC/21

2961118

10

REL-MR-110DC/21-21

2961202

10

REL-MR-110DC/21HC

2961338

10

389

PHOENIX CONTACT

Relay modules

Highly compact relay modules - PLC-INTERFACE

D W

H

D W

H

D W

H

Basic terminal block with

additional floating terminal point and

Input filter

2-PDT basic terminal block with

input filter

1-PDT basic terminal block for

high continuous currents with input filter

phoenixcontact-interface-technology-and-switching-devices-html.html
background image

A2

A1

11

14

12

A

C

A2

A1

11

14

12

DC

 

 

 

Technical data

Input data

Nominal input voltage U

N

120 V AC

230 V AC

120 V AC

230 V AC

Permissible range (with reference to U

N

)

0.85 ... 1.1

0.8 ... 1.1

0.85 ... 1.1

0.8 ... 1.1

Switching level (with optocoupler) 0 signal ("L")

 0.4

 0.4

Typical input current at U

N

 (50/60 Hz)

7 mA / 8 mA

8.8 mA / 10 mA

7 mA / 8 mA

8.8 mA / 10 mA

Typical response time/switch-on time at U

N

6 ms

6 ms

6 ms

6 ms

Typical switch-off time at U

N

10 ms

10 ms

10 ms

10 ms

Input circuit

Yellow LED , Bridge rectifier , Filter

Yellow LED , Bridge rectifier , Filter

Output data with:

OPT...48DC/...

OPT...24DC/...

OPT...230AC/...

Max. switching voltage

48 V DC

30 V DC

253 V AC

48 V DC

30 V DC

253 V AC

Minimum switching voltage

3 V DC

3 V DC

24 V AC

3 V DC

3 V DC

24 V AC

Limiting continuous current

100 mA

3 A

0.75 A

100 mA

3 A

0.75 A

Maximum switch-on current

15 A (10 ms)

30 A (10 ms)

15 A (10 ms)

30 A (10 ms)

Output protection

Reverse 

polarity 

protection, 

surge 

protection

Reverse 

polarity 

protection, 

surge 

protection

RCV circuit

Reverse 

Voltage drop at limiting continuous current

< 1 V

< 200 mV

< 1 V

< 1 V

< 200 mV

< 1 V

Leakage  current  in  off  state

-

-

<  1  mA

-

-

<  1  mA

Maximum phase shift (inductive consumer)

-

-

0.5

-

-

0.5

Max. load value I

2

 x t (t = 10 ms)

-

-

4.5 A

2

s

-

-

4.5  A

General data

Test voltage input/output

2.5 kV (50 Hz, 1 min.)

Ambient temperature (operation)

-20 °C ... 55 °C

Standards/regulations

IEC

 

60664 , EN 50178

IEC

Degree of pollution / Overvoltage category

2 / III

Connection data solid/stranded/AWG

0.14 - 2.5 mm² / 0.14 - 2.5 mm² / 26 - 14

0.14 - 2.5 mm² / 0.14 - 2.5 mm² / 26 - 14

Dimensions

W / H / D

6.2 mm / 80 mm / 94 mm

6.2 mm / 80 mm / 94 mm

EMC note

Class A product, see page 605

Class A product, see page 605

Ordering data

Description

Voltage U

N

Type

Order No.

Pcs./

Pkt.

PLC-INTERFACE basic terminal block

, for plug-in 

miniature relays or solid-state relays

with screw connection

120 V AC

PLC-BSC-120UC/21/SO46

2980319

10

with screw connection

230 V AC

PLC-BSC-230UC/21/SO46

2980335

10

with Push-in connection

120 V AC

PLC-BPT-120UC/21/SO46

2900453

10

with Push-in connection

230 V AC

PLC-BPT-230UC/21/SO46

2900455

10

Accessories

Plug-in solid-state relays

Solid-state input relays

OPT-60DC/ 48DC/100

2966621

10

Solid-state power relays

OPT-60DC/ 24DC/  2

2966605

10

Solid-state power relays

OPT-60DC/230AC/  1

2967963

10

390

PHOENIX CONTACT

Basic terminal blocks with 
interference current filter that can be 
fitted with solid-state relays

PLC basic terminal blocks with integrated 

filter to protect against interference 
voltages or currents due, for example, to 
long control lines.

The advantages:

– Resistant to interference currents
– High relay release voltage

Typical applications:

– Applications with long control lines
– Use of AC output boards, resulting in 

residual AC currents

– Screw and Push-in connection technology

Relay modules

Highly compact relay modules - PLC-INTERFACE

D W

H

Notes:

Type of insulating housing:

Polyamide PBT, non-reinforced, color: green.

Marking systems and mounting material

See Catalog 3

The PLC-ATP partition plate must be installed for voltages larger 

than 250 V (L1, L2, L3) between identical terminal blocks in 

adjacent modules. Potential bridging is then carried out with 

FBST 8-PLC... or FBST 500....

For diagrams of operating voltage ranges, see page 397

Maximum interrupting rating diagrams, see page 400

When mounting relays on a DIN rail base or PCB, data may be 

limited, especially with regard to the limiting continuous current 

and/or ambient temperature range. See “General” section in 

“Basics of relay technology” on page 286.

Basic terminal block with

Input filter

phoenixcontact-interface-technology-and-switching-devices-html.html
background image

A

C

DC

A2

BB

A1

13

14

13

14

A2

BB

A1

For further information and full technical data, visit phoenixcontact.net/products

 

 

 

Technical data

120 V AC

230 V AC

120 V AC

230 V AC

)

0.85 ... 1.1

0.8 ... 1.1

0.85 ... 1.1

0.8 ... 1.1

 0.4

 0.4

 (50/60 Hz)

7 mA / 8 mA

8.8 mA / 10 mA

7 mA / 8 mA

8.8 mA / 10 mA

6 ms

6 ms

6 ms

6 ms

10 ms

10 ms

10 ms

10 ms

Input circuit

Yellow LED , Bridge rectifier , Filter

Yellow LED , Bridge rectifier , Filter

OPT...48DC/...

OPT...24DC/...

OPT...230AC/...

Max. switching voltage

48 V DC

30 V DC

253 V AC

48 V DC

30 V DC

253 V AC

Minimum switching voltage

3 V DC

3 V DC

24 V AC

3 V DC

3 V DC

24 V AC

Limiting continuous current

100 mA

3 A

0.75 A

100 mA

3 A

0.75 A

Maximum switch-on current

15 A (10 ms)

30 A (10 ms)

15 A (10 ms)

30 A (10 ms)

RCV circuit

Reverse 

polarity 

protection, 

surge 

protection

Reverse 

polarity 

protection, 

surge 

protection

RCV circuit

Voltage drop at limiting continuous current

< 1 V

< 200 mV

< 1 V

< 1 V

< 200 mV

< 1 V

Leakage  current  in  off  state

-

-

<  1  mA

-

-

<  1  mA

Maximum phase shift (inductive consumer)

-

-

0.5

-

-

0.5

s

-

-

4.5  A

2

s

2.5 kV (50 Hz, 1 min.)

-20 °C ... 55 °C

60664 , EN 50178

IEC

 

60664 , EN 50178

2 / III

Connection data solid/stranded/AWG

0.14 - 2.5 mm² / 0.14 - 2.5 mm² / 26 - 14

0.14 - 2.5 mm² / 0.14 - 2.5 mm² / 26 - 14

Dimensions

W / H / D

6.2 mm / 80 mm / 94 mm

6.2 mm / 80 mm / 94 mm

EMC note

Class A product, see page 605

Class A product, see page 605

Ordering data

Type

Order No.

Pcs./

Pkt.

PLC-BSC-120UC/ 1/SEN/SO46

2980322

10

PLC-BSC-230UC/ 1/SEN/SO46

2980348

10

PLC-BPT-120UC/ 1/SEN/SO46

2900456

10

PLC-BPT-230UC/ 1/SEN/SO46

2900457

10

Accessories

OPT-60DC/ 48DC/100

2966621

10

OPT-60DC/ 24DC/  2

2966605

10

OPT-60DC/230AC/  1

2967963

10

391

PHOENIX CONTACT

Relay modules

Highly compact relay modules - PLC-INTERFACE

D W

H

Basic terminal block with

additional floating terminal point and

Input filter

phoenixcontact-interface-technology-and-switching-devices-html.html
background image

A2

A1

11

12

14

A2

A1

11

12

14

 

 

 

 

Technical data

Technical data

Input data

 

 

 

 

 

 

 

 

 

 

 

 

 

 

 

 

 

 

 

 

 

 

 

 

Permissible range (with reference to U

N

)

see diagram

see diagram

Typical input current at U

N

[mA]

38

14

9

7

3

14

7

3

33

17

8.2

4.1

17

33

17

8.2

4.1

Typical response time at U

N

[ms]

5

5

5

5

5

5

5

5

7

7

7

7

8

7

7

7

7

Typical release time at U

N

[ms]

2.5

2.5

2.5

2.5

2.5

2.5

2.5

2.5

3

3

3

3

3

3

3

3

3

Output data

Contact type

1 PDT

1 PDT

1 PDT

1 PDT

2 PDT

2 PDT

1 N/O contact

1 PDT

Contact material

AgSnO

AgSnO, hard gold-plated

AgSnO

AgSnO, hard gold-plated

AgNi

AgNi, hard gold-plated

AgSnO

AgNi

Max. switching voltage

250 V AC/DC

30 V AC / 36 V DC

250 V AC/DC

30 V AC / 36 V DC

250 V AC/DC

30 V AC / 36 V DC

250 V AC/DC

250 V AC/D

Minimum switching voltage

5 V (at 100 mA)

100 mV (at 10 mA)

5 V (at 100 mA)

100 mV (at 10 mA)

5 V (at 10 mA)

100 mV (at 10 mA)

12 V (a

Limiting continuous current

6 A

50 mA

6 A

50 mA

8 A

50 mA

16 A

16 A

Maximum switch-on current

10 A (4 s)

on request

10 A (4 s)

50 mA

25 A (20 ms)

50 mA

80 A (20 ms) / 

Minimum switching current

10 mA (at 12 V)

1 mA (at 24 V)

10 mA (at 12 V)

1 mA (at 24 V)

10 mA (At 5 V)

1 mA (at 24 V)

100 mA (at 12 V 

Maximum interrupting rating, ohmic load

24 V DC

140 W

1.2 W

140 W

1.2 W

190 W

1.2 W

384 W

384 W

48 V DC

20 W

-

20 W

-

85 W

-

58 W

58 W

60 V DC

18 W

-

18 W

-

60 W

-

48 W

48 W

110 V DC

23 W

-

23 W

-

44 W

-

50 W

50 W

220 V DC

40 W

-

40 W

-

60 W

-

80 W

80 W

250 V AC

1500 VA

-

1500 VA

-

2000 VA

-

4000 VA

4000 VA

General data

Test voltage (winding / contact)

4 kV AC (50 Hz, 1 min.)

4 kV AC (50 Hz, 1 min.)

5 kV AC (50 Hz, 1 min.)

5 kV AC (50 Hz, 1 min.)

5 k

Ambient temperature (operation)

-40 °C ... 85 °C

-40 °C ... 85 °C

Nominal operating mode

100% operating factor

100% operating factor

100% operating factor

100% operating factor

100% operating factor

Mechanical service life

2 x 10

7

 cycles

1 x 10

cycles

Standards/regulations

IEC

 

60664 , EN 50178 , EN 61810-1

IEC

 

60664 , EN 50178 , EN 61810-1

IEC

Mounting position/mounting

any / In rows with zero spacing

any / In rows with zero spacing

any / Can be aligned without spacing (>

Dimensions

W / H / D

5 mm / 28 mm / 15 mm

5 mm / 28 mm / 16 mm

12.7 mm / 29 mm / 15.7 mm

12.7 mm / 29 mm / 15.7 mm

12.7 mm / 29 mm / 

Ordering data

Ordering data

Description

Input voltage

U

N

Type

Order No.

Pcs./

Pkt.

Type

Order No.

Pcs./

Pkt.

Plug-in miniature power relays, with power contacts

4.5 V DC

REL-MR-  4,5DC/21

2961367

10

12 V DC

REL-MR- 12DC/21

2961150

10

REL-MR- 12DC/21/MS

2909641

10

18 V DC

REL-MR- 18DC/21

2961383

10

24 V DC

REL-MR- 24DC/21

2961105

10

REL-MR- 24DC/21/MS

2909642

10

60 V DC

REL-MR- 60DC/21

2961118

10

REL-MR- 60DC/21/MS

2909643

10

110 V DC

Plug-in miniature power relays, with multi-layer gold contacts

4.5 V DC

REL-MR   4,5DC/21AU

2961370

10

12 V DC

REL-MR- 12DC/21AU

2961163

10

REL-MR- 12DC/21AU/MS

2909644

10

18 V DC

REL-MR- 18DC/21AU

2961493

10

24 V DC

REL-MR- 24DC/21AU

2961121

10

REL-MR- 24DC/21AU/MS

2909645

10

60 V DC

REL-MR- 60DC/21AU

2961134

10

REL-MR- 60DC/21AU/MS

2909647

10

110 V DC

392

PHOENIX CONTACT

Plug-in miniature power relays are 

suitable for PLC-INTERFACE and RIF-0 and 
RIF-1 relay base.

The advantages:

– Power contacts up to 16 A
– Multi-layer gold contact or power contact
– High degree of protection up to RT III 

depending on type (wash-proof )

– Safe isolation according to DIN EN 50178 

between coil and contact

Notes:

If the specified maximum values for multi-layer contact relays are 

exceeded, the gold plating is destroyed. The maximum values of 

the power contact relay are then valid. This can result in a shorter 

service life than with a pure power contact.

For dimensional drawings and perforations for assembly, see 

page 398

For diagrams of operating voltage ranges, see page 397

When mounting relays on a DIN rail base or PCB, data may be 

limited, especially with regard to the limiting continuous current 

and/or ambient temperature range. See “General” section in 

“Basics of relay technology” on page 286.

Plug-in miniature power relays

Relay modules

Highly compact relay modules - PLC-INTERFACE

1-PDT relay,

6

 

A, maximum

1-PDT relay with

manual operation, 

max.

 

6

 

A

new

phoenixcontact-interface-technology-and-switching-devices-html.html
background image

24

14

A1

21

11

22

12

A2

14

A1

13

A2

14

A1

11

12

A2

For further information and full technical data, visit phoenixcontact.net/products

 

 

 

 

 

 

 

 

 

 

 

 

Technical data

Technical data

Technical data

 

 

 

 

 

 

 

 

 

 

 

 

 

 

 

 

 

 

 

 

 

 

 

 

 

 

 

 

 

 

 

 

 

see diagram

see diagram

see diagram

[mA]

38

14

9

7

3

14

7

3

33

17

8.2

4.1

17

33

17

8.2

4.1

[ms]

5

5

5

5

5

5

5

5

7

7

7

7

8

7

7

7

7

[ms]

2.5

2.5

2.5

2.5

2.5

2.5

2.5

2.5

3

3

3

3

3

3

3

3

3

Contact type

1 PDT

1 PDT

1 PDT

1 PDT

2 PDT

2 PDT

1 N/O contact

1 PDT

Contact material

AgSnO

AgSnO, hard gold-plated

AgSnO

AgSnO, hard gold-plated

AgNi

AgNi, hard gold-plated

AgSnO

AgNi

Max. switching voltage

250 V AC/DC

30 V AC / 36 V DC

250 V AC/DC

30 V AC / 36 V DC

250 V AC/DC

30 V AC / 36 V DC

250 V AC/DC

250 V AC/DC

Minimum switching voltage

5 V (at 100 mA)

100 mV (at 10 mA)

5 V (at 100 mA)

100 mV (at 10 mA)

5 V (at 10 mA)

100 mV (at 10 mA)

12 V (at 100 mA)

12 V (at 10 mA)

Limiting continuous current

6 A

50 mA

6 A

50 mA

8 A

50 mA

16 A

16 A

Maximum switch-on current

10 A (4 s)

on request

10 A (4 s)

50 mA

25 A (20 ms)

50 mA

80 A (20 ms) / 

130 A (peak, at capacitive load, 230 V AC, 24 

μ

F)

50 A (20 ms)

Minimum switching current

10 mA (at 12 V)

1 mA (at 24 V)

10 mA (at 12 V)

1 mA (at 24 V)

10 mA (At 5 V)

1 mA (at 24 V)

100 mA (at 12 V DC)

10 mA (at 12 V)

24 V DC

140 W

1.2 W

140 W

1.2 W

190 W

1.2 W

384 W

384 W

48 V DC

20 W

-

20 W

-

85 W

-

58 W

58 W

60 V DC

18 W

-

18 W

-

60 W

-

48 W

48 W

110 V DC

23 W

-

23 W

-

44 W

-

50 W

50 W

220 V DC

40 W

-

40 W

-

60 W

-

80 W

80 W

250 V AC

1500 VA

-

1500 VA

-

2000 VA

-

4000 VA

4000 VA

Test voltage (winding / contact)

4 kV AC (50 Hz, 1 min.)

4 kV AC (50 Hz, 1 min.)

5 kV AC (50 Hz, 1 min.)

5 kV AC (50 Hz, 1 min.)

5 kV AC (50 Hz, 1 min.)

-40 °C ... 85 °C

-40 °C ... 85 °C

-40 °C ... 85 °C

Nominal operating mode

100% operating factor

100% operating factor

100% operating factor

100% operating factor

100% operating factor

3 x 10

7

 cycles

3 x 10

7

 cycles

3 x 10

7

 cycles

60664 , EN 50178 , EN 61810-1

IEC

 

60664 , EN 50178 , EN 61810-1

IEC

 

60664 , EN 50178

IEC

 

60664 , EN 50178 , EN 61810-1

Mounting position/mounting

any / In rows with zero spacing

any / In rows with zero spacing

any / Can be aligned without spacing (> 70 °C 

 2.5 mm)

any / Can be aligned without spacing (> 70 °C 

 2.5 mm)

any / Can be aligned without spacing (> 70 °C 

 2.5 mm)

Dimensions

W / H / D

5 mm / 28 mm / 15 mm

5 mm / 28 mm / 16 mm

12.7 mm / 29 mm / 15.7 mm

12.7 mm / 29 mm / 15.7 mm

12.7 mm / 29 mm / 15.7 mm

Ordering data

Ordering data

Ordering data

Type

Order No.

Pcs./

Pkt.

Type

Order No.

Pcs./

Pkt.

Type

Order No.

Pcs./

Pkt.

REL-MR- 12DC/21-21

2961257

10

REL-MR- 12DC/21HC

2961309

10

REL-MR- 24DC/21-21

2961192

10

REL-MR- 24DC/1IC

2961341

10

REL-MR- 24DC/21HC

2961312

10

REL-MR- 60DC/21-21

2961273

10

REL-MR- 60DC/21HC

2961325

10

REL-MR-110DC/21-21

2961202

10

REL-MR-110DC/21HC

2961338

10

REL-MR- 12DC/21-21AU

2961299

10

REL-MR- 24DC/21-21AU

2961215

10

REL-MR- 60DC/21-21AU

2961286

10

REL-MR-110DC/21-21AU

2961228

10

393

PHOENIX CONTACT

Relay modules

Highly compact relay modules - PLC-INTERFACE

2-PDT relay,

2

 

x

 

8

 

A, maximum

1-N/O relay for

high inrush currents,

max. 130

 

A peak

1-PDT relay for

high continuous currents, 

max. 16

 

A

phoenixcontact-interface-technology-and-switching-devices-html.html
background image

A2

A1

13+

14

A2

A1

13+

14

 

 

 

 

 

 

Technical data

Technical data

Input data

 

 

 

 

 

 

 

 

 

 

 

 

 

 

 

 

 

 

 

 

 

 

Permissible range (with reference to U

N

)

0.8  - 

1.2

0.8 - 

1.2

0.8 - 

1.2

0.8 - 

1.2

0.8 - 

1.2

0.9 - 

1.1

Switching level

1 signal ("H") [V DC] 

2.5

16

35

2.5

16

52

0 signal ("L") [V DC] 

0.8

10

20

0.8

10

40

Typical input current at U

N

[mA]

9

7

3

4

7

3

Typical switch-on time at U

N

[µs]

20

20

40

20

20

50

Typical switch-off time at U

N

[µs]

300

300

500

300

300

800

Transmission frequency f

limit

[Hz]

300

300

300

300

300

100

Output data

Max. switching voltage

33 V DC

48 V DC

Minimum switching voltage

3 V DC

3 V DC

Limiting continuous current

3 A (see derating curve)

100 mA

Minimum load current

-

-

Maximum switch-on current

15 A (10 ms)

-

Leakage current in off state

-

-

Phase angle (cos 

φ

)

-

-

Output circuit

2-wire, floating

2-wire, floating

Max. load value

-

-

Output protection

Reverse polarity protection, surge protection

Reverse polarity protection, surge protection

Reverse polarity pro

Voltage drop at maximum limiting continuous current

 150 mV

 1 V

General data

Rated surge voltage

Basic insulation

Basic insulation

Test voltage input/output

2.5 kV (50 Hz, 1 min.)

2.5 kV (50 Hz, 1 min.)

Ambient temperature (operation)

-25 °C ... 60 °C

-25 °C ... 60 °C

Nominal operating mode

100% operating factor

100% operating factor

100% operating factor

100% operating factor

100% operating factor

Standards/regulations

IEC

 

60664 , EN 50178

IEC

 

60664 , EN 50178

IEC

Degree of pollution/surge voltage category

2 / III

2 / III

Mounting position/mounting

any / In rows with zero spacing

any / In rows with zero spacing

any / In rows with zero spacing

any / In

Dimensions

W / H / D

5 mm / 28 mm / 15 mm

5 mm / 28 mm / 15 mm

12.7 mm / 29 mm / 15.7 mm

5 mm / 28 mm / 15 mm

12.7 mm / 29 mm / 15.7 

Ordering data

Ordering data

Description

Input voltage

U

N

Type

Order No.

Pcs./

Pkt.

Type

Order No.

Pcs./

Pkt.

Plug-in solid-state relays

Solid-state power relays

5 V DC

OPT- 5DC/ 24DC/  2

2967989

10

Solid-state power relays

24 V DC

OPT-24DC/ 24DC/  2

2966595

10

Solid-state power relays

60 V DC

OPT-60DC/ 24DC/  2

2966605

10

Plug-in solid-state relays

Solid-state input relays

5 V DC

OPT- 5DC/ 48DC/100

2967992

10

Solid-state input relays

24 V DC

OPT-24DC/ 48DC/100

2966618

10

Solid-state input relays

60 V DC

OPT-60DC/ 48DC/100

2966621

10

394

PHOENIX CONTACT

Plug-in solid-state relays are suitable for 

both PLC-INTERFACE and RIF-0 and RIF-1 
relay base.

The advantages:

– Switching current of up to 5 A
– RT III-proof (wash-proof )
– Vibration and shock-resistant
– Wear-free and long-lasting
– Zero voltage switch at AC output
– Can be soldered on PCB

Notes:

For dimensional drawings and perforations for assembly, see 

page 399

When mounting relays on a DIN rail base or PCB, data may be 

limited, especially with regard to the limiting continuous current 

and/or ambient temperature range. See “General” section in 

“Basics of relay technology” on page 286.

Plug-in solid-state relays

Relay modules

Highly compact relay modules - PLC-INTERFACE

Solid-state relay,

DC output max. 3

 

A

Solid-state relay,

DC output max. 100

 

mA

phoenixcontact-interface-technology-and-switching-devices-html.html
background image

A1

A2

13+

14

A2

A1

13+

14

A1

13

14

A2

For further information and full technical data, visit phoenixcontact.net/products

 

 

 

 

 

Technical data

Technical data

Technical data

 

 

 

 

 

 

 

 

 

 

 

 

 

 

 

 

 

 

 

 

 

 

 

 

 

 

 

 

 

 

 

 

0.8 - 

1.2

0.8 - 

1.2

0.9 - 

1.1

0.8 - 

1.2

0.9 - 

1.1

0.8 - 

1.2

0.8 - 

1.2

0.9 - 

1.1

2.5

16

35

10

50

3

18

40

0.8

10

20

5

15

1

8.4

20

9

7

3

3

3

15

7

2.6

10

20

25

6000

9000

10000

10000

10000

400

400

400

500

700

10000

10000

10000

300

300

300

10

10

10

10

10

33 V DC

253 V AC

253 V AC

3 V DC

24 V AC

24 V AC

5 A (see derating curve)

0.75 A (see derating curve)

2 A (see derating curve)

-

10 mA

25 mA

15 A (10 ms)

30 A (10 ms)

30 A (10 ms)

-

< 1 mA

< 1 mA

-

0.5

-

2-wire, floating

2-conductor floating, zero voltage switch

2-conductor floating, zero voltage switch

-

4.5  A

2

s

4  A

2

s (tp = 10 ms, at 25 °C)

Output protection

Reverse polarity protection, surge protection

Reverse polarity protection, surge protection

Reverse polarity protection, surge protection

RCV circuit

Surge protection

 200 mV

< 1 V

 1 V

Basic insulation

Basic insulation

Basic insulation

2.5 kV (50 Hz, 1 min.)

2.5 kV (50 Hz, 1 min.)

2.5 kV (50 Hz, 1 min.)

-25 °C ... 60 °C

-25 °C ... 60 °C

-25 °C ... 60 °C

Nominal operating mode

100% operating factor

100% operating factor

100% operating factor

100% operating factor

100% operating factor

60664 , EN 50178

IEC

 

60664 , EN 50178

IEC

 

60664 , EN 50178

IEC

 

60664

2 / III

2 / III

2 / III

Mounting position/mounting

any / In rows with zero spacing

any / In rows with zero spacing

any / In rows with zero spacing

any / In rows with zero spacing

any / See derating curve

Dimensions

W / H / D

5 mm / 28 mm / 15 mm

5 mm / 28 mm / 15 mm

12.7 mm / 29 mm / 15.7 mm

5 mm / 28 mm / 15 mm

12.7 mm / 29 mm / 15.7 mm

Ordering data

Ordering data

Ordering data

Type

Order No.

Pcs./

Pkt.

Type

Order No.

Pcs./

Pkt.

Type

Order No.

Pcs./

Pkt.

OPT- 5DC/ 24DC/  5

2982113

10

OPT- 5DC/230AC/  2

2982168

10

OPT-24DC/ 24DC/  5

2982100

10

OPT-24DC/230AC/  1

2967950

10

OPT-24DC/230AC/  2

2982171

10

OPT-60DC/ 24DC/  5

2982126

10

OPT-60DC/230AC/  1

2967963

10

OPT-60DC/230AC/  2

2982184

10

395

PHOENIX CONTACT

Relay modules

Highly compact relay modules - PLC-INTERFACE

Solid-state relay,

DC output max. 5

 

A

Solid-state relay,

AC output max. 750

 

mA

Solid-state relay,

AC output max. 2

 

A

phoenixcontact-interface-technology-and-switching-devices-html.html
background image

Sc

r

e

w

 c

o

nn

ec

t

io

n

1-PD

T b

a

s

ic 

te

rm

in

a

l b

lock

29

8

0

22

5

29

6

6

89

6

29

6

6

01

6

29

6

6

02

9

29

6

6

09

0

29

6

6

10

0

29

6

6

03

2

29

8

0

01

8

29

6

6

04

5

2-PD

T b

a

s

ic 

te

rm

in

a

l b

lock

29

6

7

25

1

29

6

7

01

5

29

6

7

02

8

29

6

7

26

4

29

6

7

31

6

29

6

7

03

1

29

6

7

04

4

HC b

a

s

ic

 t

e

r

m

in

a

l bl

o

c

k

29

6

7

76

9

29

6

7

77

2

29

6

7

78

5

29

6

7

79

8

29

6

7

80

8

29

6

7

81

1

29

6

7

82

4

S

e

n

s

o

r

 ba

s

ic t

e

r

m

in

a

l bl

o

c

k

29

8

0

26

7

29

6

6

06

1

29

6

6

07

4

29

6

6

08

7

Act

u

a

to

r

 ba

s

ic 

t

e

r

m

in

a

bl

o

c

k

29

8

0

24

1

29

6

6

05

8

29

8

2

79

9

IC

 ba

s

ic t

e

r

m

in

a

l bl

o

c

k

29

6

7

83

7

PL

C-

B

S

C

-5

D

C/

2

1

PL

C-

B

S

C

-1

2

D

C

/2

1

PL

C-

B

S

C

-2

4

D

C

/2

1

PL

C-

B

S

C

-2

4

U

C

/2

1

PL

C-

B

S

C

-4

8

D

C

/2

1

PL

C-

B

S

C

-6

0

D

C

/2

1

P

L

C

-BS

C

-120U

C

/21

PL

C-

B

S

C

-1

2

5

D

C/

2

1

P

L

C

-BS

C

-230U

C

/21

P

L

C

-BS

C

-12D

C

/21-2

1

P

L

C

-BS

C

-24D

C

/21-2

1

P

L

C

-BS

C

-24UC

/21-2

1

P

L

C

-BS

C

-48D

C

/21-2

1

P

L

C

-BS

C

-60D

C

/21-2

1

P

L

C

-BS

C

-120U

C

/21-

21

P

L

C

-BS

C

-230U

C

/21-

21

P

L

C

-BS

C

-12D

C

/21H

C

P

L

C

-BS

C

-24D

C

/21H

C

P

L

C

-BS

C

-24UC

/21H

C

P

L

C

-BS

C

-48D

C

/21H

C

P

L

C

-BS

C

-60D

C

/21H

C

P

L

C

-BS

C

-120U

C

/21H

C

P

L

C

-BS

C

-230U

C

/21H

C

PL

C-

B

S

C

-5

D

C/

1

/SE

N

PL

C-

B

S

C

-2

4

D

C

/1

/S

EN

P

L

C

-BS

C

-120U

C

/1/S

E

N

P

L

C

-BS

C

-230U

C

/1/S

E

N

PL

C-

B

S

C

-5

D

C/

1

/A

C

T

PL

C-

B

S

C

-2

4

D

C

/1

/A

C

T

PL

C-

B

S

C

-2

4

U

C

/1

/A

C

T

P

L

C

-B

S

C

-24D

C

/1

IC

/A

C

T

Pu

sh

-

in

 co

n

n

e

c

ti

o

n

2

9004

43

2

9004

44

2

9004

45

2

9004

46

2

9004

47

2

9002

79

2

9002

80

2

9002

81

2

9002

82

2

9002

83

2

9002

84

2

9002

85

2

9002

86

2

9002

87

2

9002

88

2

9002

53

2

9002

54

2

9002

55

2

9002

56

2

9002

57

2

9002

58

2

9002

59

2

9002

62

2

9004

51

2

9004

52

2

9004

48

2

9004

49

2

9004

50

2

9002

61

2

9002

60

Relay and 

solid-state 

relay

options

PL

C-

B

P

T

-5

D

C

/2

1

PL

C-

B

P

T

-1

2

D

C

/2

1

PL

C-

B

P

T

-2

4

D

C

/2

1

PL

C-

B

P

T

-2

4

U

C

/2

1

PL

C-

B

P

T

-4

8

D

C

/2

1

PL

C-

B

P

T

-6

0

D

C

/2

1

PL

C-

B

P

T

-1

2

0

U

C/

2

1

PL

C-

B

P

T

-2

3

0

U

C/

2

1

PL

C-

B

P

T

-1

2

D

C

/2

1

-2

1

PL

C-

B

P

T

-2

4

D

C

/2

1

-2

1

PL

C-

B

P

T

-2

4

U

C

/2

1

-2

1

PL

C-

B

P

T

-4

8

D

C

/2

1

-2

1

PL

C-

B

P

T

-6

0

D

C

/2

1

-2

1

PL

C-

B

P

T

-1

2

0

U

C/

2

1

-2

1

PL

C-

B

P

T

-2

3

0

U

C/

2

1

-2

1

PL

C-

B

P

T

-1

2

D

C

/2

1

H

C

PL

C-

B

P

T

-2

4

D

C

/2

1

H

C

PL

C-

B

P

T

-2

4

U

C

/2

1

H

C

PL

C-

B

P

T

-4

8

D

C

/2

1

H

C

PL

C-

B

P

T

-6

0

D

C

/2

1

H

C

PL

C-

B

P

T

-1

2

0

U

C/

2

1

H

C

PL

C-

B

P

T

-2

3

0

U

C/

2

1

H

C

PL

C-

B

PT

-2

4

D

C

/1

/S

EN

PL

C-

B

P

T

-1

2

0

U

C/

1

/S

E

N

PL

C-

B

P

T

-2

3

0

U

C/

1

/S

E

N

PL

C-

B

P

T

-5

D

C

/1

/A

C

T

PL

C-

B

P

T

-2

4

D

C

/1

/A

C

T

PL

C-

B

P

T

-2

4

U

C

/1

/A

C

T

PL

C-

B

P

T

-2

4

D

C

/2

1

R

W

P

L

C

-B

P

T

-2

4

DC

/1

IC

/A

C

T

REL-MR-4,5DC/21

2961367

X

X

X

REL-MR-4,5DC/21AU

2961370

X

X

REL-MR-12DC/21

2961150

X

REL-MR-12DC/21/MS

2909641

X

REL-MR-12DC/21AU

2961163

X

REL-MR-12DC/21AU/MS

2909644

X

REL-MR-24DC/21

2961105

X

X

X

X

X

X

REL-MR-24DC/21/MS

2909642

X

X

X

X

X

X

REL-MR-24DC/21AU

2961121

X

X

X

X

X

X

REL-MR-24DC/21AU/MS

2909645

X

X

X

X

X

X

REL-MR-60DC/21

2961118

X

X

X

X

X

X

REL-MR- 60DC/21/MS

2909643

X

X

X

X

X

X

REL-MR-60DC/21AU

2961134

X

X

X

X

X

X

REL-MR- 60DC/21AU/MS

2909647

X

X

X

X

X

X

REL-MR-24DC/1IC

2961341

X

REL-MR-18DC/21

2961383

X

REL-MR-18DC/21AU

2961493

X

REL-MR-12DC/21-21

2961257

X

REL-MR-12DC/21-21AU

2961299

X

REL-MR-24DC/21-21

2961192

X

X

X

REL-MR-24DC/21-21AU

2961215

X

X

X

REL-MR-60DC/21-21

2961273

X

REL-MR-60DC/21-21AU

2961286

X

REL-MR-110DC/21-21

2961202

X

X

REL-MR-110DC/21-21AU

2961228

X

X

REL-MR-12DC/21HC

2961309

X

REL-MR-24DC/21HC

2961312

X

X

X

REL-MR-60DC/21HC

2961325

X

REL-MR-110DC/21HC

2961338

X

X

OPT-24DC/230AC/1

2967950

X

X

X

X

OPT-60DC/230AC/1

2967963

X

X

X

X

X

OPT-5DC/24DC/2

2967989

X

X

X

OPT-24DC/24DC/2

2966595

X

X

X

X

OPT-60DC/24DC/2

2966605

X

X

X

X

X

OPT-5DC/48DC/100

2967992

X

X

X

OPT-24DC/48DC/100

2966618

X

X

X

X

OPT-60DC/48DC/100

2966621

X

X

X

X

X

OPT-24DC/24DC/5

2982100

X

X

X

X

X

OPT-60DC/24DC/5

2982126

X

X

OPT-24DC/230AC/2

2982171

X

X

X

X

X

OPT-60DC/230AC/2

2982184

X

X

Relay options for PLC basic terminal blocks

396

PHOENIX CONTACT

Relay modules

Tables, diagrams, dimensional drawings

phoenixcontact-interface-technology-and-switching-devices-html.html
background image

0

,

7

25

30

35

40

45

50

55

60

65

20

1

1

,

3

0

,

8

0

,9

1

,

1

1

,

2

1

,

4

U

U

N

T

[ °

C

]

U

A

B

U

=

220

V DC

N

U

=

230

V AC

N

U

=

230

V AC

N

U

=

220

V DC

N

0

,7

25

3

0

35

4

0

45

5

0

55

6

0

65

2

0

1

1,3

0

,

8

0

,

9

1,1

1,2

1,4

U

U

N

T

[

°

C]

U

A

B

U

=

11

0

V DC

N

U

=

12

0

V DC

N

U

=

11

0

V DC

N

U

=

12

0

V AC

N

0

,

7

25

30

35

40

45

50

55

60

65

20

1

1

,

3

0

,

8

0

,9

1

,

1

1

,

2

1

,

4

U

U

N

T

[ °

C

]

U

A

B

U

=

60

V DC

N

0

,7

25

3

0

35

4

0

45

5

0

55

6

0

65

2

0

1

1,3

0

,

8

0

,

9

1,1

1,2

1,4

U

U

N

T

[

°

C]

U

A

B

U

=

4

8

V DC

N

0

,7

25

3

0

35

4

0

45

5

0

55

6

0

65

2

0

1

1,3

0

,

8

0

,

9

1,1

1,2

1,4

U

U

N

T

[

°

C]

U

A

B

U

=

24 V DC / 24 V AC

N

0

,7

25

3

0

35

4

0

45

5

0

55

6

0

65

2

0

1

1,3

0

,

8

0

,

9

1,1

1,2

1,4

U

U

N

T

[

°

C]

U

A

B

U

=

24 V DC

N

0

,7

25

3

0

35

4

0

45

5

0

55

6

0

65

2

0

1

1,3

0

,

8

0

,

9

1,1

1,2

1,4

U

U

N

T

[

°

C]

U

A

B

U

=

12 V DC

N

0

,7

25

3

0

35

4

0

45

5

0

55

6

0

65

2

0

1

1,3

0

,

8

0

,

9

1,1

1,2

1,4

U

U

N

T

[

°

C]

U

A

B

U

=

22

0

V DC / 23

0

V AC

N

0

,7

25

3

0

35

4

0

45

5

0

55

6

0

65

2

0

1

1,3

0

,

8

0

,

9

1,1

1,2

1,4

U

U

N

T

[

°

C]

U

A

B

U

=

125 V DC

N

0

,7

25

3

0

35

4

0

45

5

0

55

6

0

65

2

0

1

1,3

0

,

8

0

,

9

1,1

1,2

1,4

U

U

N

T

[

°

C]

U

A

B

U

=

11

0

V DC / 12

0

V AC

N

0

,7

25

3

0

35

4

0

45

5

0

55

6

0

65

2

0

1

1,3

0

,

8

0

,

9

1,1

1,2

1,4

U

U

N

T

[

°

C]

U

A

B

U

=

6

0

V DC

N

0

,7

25

3

0

35

4

0

45

5

0

55

6

0

65

2

0

1

1,3

0

,

8

0

,

9

1,1

1,2

1,4

U

U

N

T

[

°

C]

U

A

B

U

=

4

8

V DC

N

0

,

7

25

30

35

40

45

50

55

60

65

20

1

1

,

3

0

,

8

0

,9

1

,

1

1

,

2

1

,

4

U

U

N

T

[ °

C

]

U

A

B

U

=

24

V DC

/

24

V AC

N

0

,7

25

3

0

35

4

0

45

5

0

55

6

0

65

2

0

1

1,3

0

,

8

0

,

9

1,1

1,2

1,4

U

U

N

T

[

°

C]

U

A

B

U

=

24

V DC

N

0

,7

25

3

0

35

4

0

45

5

0

55

6

0

65

2

0

1

1,3

0

,

8

0

,

9

1,1

1,2

1,4

U

U

N

T

[

°

C]

U

A

B

U

=

12

V DC

N

For further information and full technical data, visit phoenixcontact.net/products

General conditions:

Direct alignment in the block, all devices 100% operating time, horizontal 

or vertical mounting.

Curve A

Maximum permissible continuous voltage U

max

 with limiting continuous 

current on the contact side (see relevant technical data).

Curve B

Minimum permitted pick-up voltage U

op

 after pre-excitation

1

(see relevant technical data).

1

)

Pre-excitation

: relay has been operated in a thermally steady 

state at the ambient temperature T

A

 with nominal voltage U

N

 and 

limiting continuous current on the contact side (see relevant 

technical data) (warm coil). After being switched off for a short 

time, the relay must reliably pick up again at U

op

. The U

op

 values 

for cold coils (T

coil

= T

A

= 20°C) indicated by other manufacturers 

yield better values, but are not practical.

PLC-R...-120UC...

PLC-R...-230UC...

PLC-R...-60DC...

PLC-R...-48DC...

PLC-R...-24UC...

PLC-R...-24DC...

PLC-R...-12DC...

Operating voltage ranges for 
PLC-INTERFACE, 14 mm versions, 
equipped with relay

PLC-R...-230UC...

PLC-R...-125DC...

PLC-R...-120UC...

PLC-R...-48DC...

PLC-R...-60DC...

PLC-R...-24UC...

PLC-R...-24DC...

PLC-R...-12DC...

Operating voltage ranges for 
PLC-INTERFACE, 6.2 mm versions, 
equipped with relay

397

PHOENIX CONTACT

Relay modules

Tables, diagrams, dimensional drawings

phoenixcontact-interface-technology-and-switching-devices-html.html
background image

0

,5

1

0

2

0

3

0

4

0

5

0

6

0

7

0

8

0

9

0

1

00

0

1

1,5

2

2,5

3

U

N

U

T

[

°

C]

U

A

B

1

,

3

5

5

1

,

28

1

1

,

3

1

,

2

1

,9

28

15

3

,

5

5

2

9

15

,

7

3

,

6

12

,

7

0

,5

1

0

2

0

3

0

4

0

5

0

6

0

7

0

8

0

9

0

1

00

0

1

1,5

2

2,5

3

U

N

U

T

[

°

C]

U

A

B

Plug-in 1 and 2-PDT relays

REL-MR...21

Perforations for assembly:

 view of the connections

Pitch division: 1.25 mm and 1.27 mm

Perforations for assembly:

 view of the connections

Pitch division: 2.5 mm

Permissible input voltage range 

for REL-MR...21

Permissible input voltage range 

for REL-MR...21-21, REL-MR-24DC/1IC, REL-MR...21HC

5 mm overall width

12.7 mm overall width

General conditions:

Direct alignment in the block, all devices 100% operating time, horizontal 

or vertical mounting.

Curve A

Maximum permissible continuous voltage U

max

 with limiting continuous 

current on the contact side (see relevant technical data).

Curve B

Minimum permitted pick-up voltage U

op

 after pre-excitation

1

(see relevant technical data).

1

)

Pre-excitation

: relay has been operated in a thermally steady 

state at the ambient temperature T

A

 with nominal voltage U

N

 and 

limiting continuous current on the contact side (see relevant 

technical data) (warm coil). After being switched off for a short 

time, the relay must reliably pick up again at U

op

. The U

op

 values 

for cold coils (T

coil

= T

A

= 20°C) indicated by other manufacturers 

yield better values, but are not practical.

REL-MR...21-21

398

PHOENIX CONTACT

Relay modules

Tables, diagrams, dimensional drawings

phoenixcontact-interface-technology-and-switching-devices-html.html
background image

0

2

1

,

8

1

,

6

1

,

4

1

,

2

1

0

,

8

0

,

6

0 25 30 35 40 45 50 55 60

1

2

1
2

0

300

750

0

10

20

30

40

50

60

0

1

2

3

4

5

0 25 30 35 40 45 50 55 60

0

1

2

3

0

10

20

30

40

50

60

28

15

3

,

5

5

29

15,7

3,6

12,7

For further information and full technical data, visit phoenixcontact.net/products

12.7 mm overall width

Ambient temperature range [°C]

L

o

ad

 c

u

rre

n

t [

A

]

Derating curve for OPT...DC/230AC/1 and 

PLC-OS.../230AC/1 solid-state relays

Ambient temperature range [°C]

L

o

ad

 c

u

rre

n

t [

m

A]

Aligned with > 10 mm spacing

Aligned without spacing

Plug-in solid-state relays

OPT...DC/24DC/2
OPT...DC/230AC/1

Derating curve for OPT...DC/24DC/5 and 

PLC-OS.../24DC/5/ACT solid-state relays

Ambient temperature range [°C]

Lo

a

d

 c

u

r

ren

t [

A

]

Derating curve for OPT...DC/24DC/2 and 

PLC-OS.../24DC/2 solid-state relays

Ambient temperature range [°C]

L

o

ad c

u

rre

n

[A

]

Derating curve for OPT...DC/230AC/2 and 

PLC-OS.../230AC/2/ACT solid-state relays

5 mm overall width

OPT...DC/24DC/5
OPT...DC/230AC/2

399

PHOENIX CONTACT

Relay modules

Tables, diagrams, dimensional drawings

phoenixcontact-interface-technology-and-switching-devices-html.html
background image

0,

1

0,

2

0,

3

0,

5

1

2

4

6

1

0

2

0

1

0

2

0

3

0

5

0

70

1

00

3

00

2

00

1
2
3

3

1

2

0,

1

0,

2

0,

3

0,

5

1

2

4

6

1

0

2

0

1

0

2

0

3

0

5

0

70

1

00

3

00

2

00

1
2
3
4

3

1

4

2

10

6

10

5

0

2

4

6

8

10

4

1

1

1
2

0

1

4

8

10

7

10

6

10

5

10

4

2

3

5

6

7

9

10

2

1

1
2

0

1

4

8

1

0

7

1

0

6

1

0

5

1

0

4

2

3

5

6

7

9

1

0

2

1

0,1

0,2

0,3

0,5

1

2

4

6

10

20

10

20

30

50

70

100

300

200

PLC-INTERFACE for 
railway applications

Switching current [A]

S

w

it

c

h

in

g c

y

c

le

s

250 V AC, ohmic load

Electrical service life for 

PLC-RSP...UC/21RW

Switching current [A]

S

w

it

c

h

in

g c

y

c

le

s

250 V AC, ohmic load (DC coils)

250 V AC, ohmic load (AC coils)

Electrical service life for 

PLC-RSP...UC/21-21/RW

Switching current [A]

Switc

h

in

g c

y

c

le

s

250 V AC, ohmic load (DC coils)

250 V AC, ohmic load (AC coils)

Electrical service life for 

PLC-RSP...UC/21HC/RW

Switching voltage [V] 

Switc

h

in

g c

u

rr

e

n

[A

]

AC, ohmic load

DC, ohmic load

Switching voltage [V] 

S

w

itc

h

in

g c

u

rr

e

n

t [A

]

AC, ohmic load

DC, ohmic load

DC, L/R = 40 ms

Switching voltage [V] 

AC, ohmic load

DC, ohmic load, contacts in series

DC, ohmic load

DC, L/R = 40 ms

Switching voltage [V] 

Switc

h

in

g

 c

u

rr

e

n

[A

]

AC, ohmic load

DC, ohmic load

DC, L/R = 40 ms

Electrical interrupting rating for 
PLC-INTERFACE

Electrical interrupting rating for 

PLC...21 with 1-PDT relay

Electrical interrupting rating for 

PLC...21-21 with 2-PDT relay

Electrical interrupting rating for 

PLC...21HC for high continuous currents

Electrical interrupting rating for 

PLC...1IC/ACT for high inrush currents

S

w

itc

h

in

g c

u

rr

e

n

t [A

]

400

PHOENIX CONTACT

Relay modules

Tables, diagrams, dimensional drawings

phoenixcontact-interface-technology-and-switching-devices-html.html
background image

1
2

1

2

30

20

0

3

1

2

40

50

60

1

000

1

00

1

0

1

0,

1

I [A]

80

6

0

4

0

2

0

I

N

1

000

1

00

1

0

1

0,

1

3

0

2

0

1

0

I

N

I [A]

30

20

0

4
3
2
1

40

50

60

U

E

t

0

t

E

t

24

V

U

A

t

0

t

24

V

U

E

t

0

t

E

t

24

V

U

A

t

0

t

24

V

For further information and full technical data, visit phoenixcontact.net/products

ST-OV 4-24DC/24DC...PRO 
power circuit breaker solid-state relays 
with signal logic

State diagram

Operating 

state

Switching 

level 

Input

LED display 

yellow LED

LED display 

red LED

Signal 

contact/

CONTROL

Not 

activated

L

L

L

Normal 

operation

H

H

L

Overload/ 

short circuit

H

H

H

Open circuit

L

L

H

Time/current characteristic curve, 1 A version

Time/current characteristic curve, 4 A version

Current limitation

S

w

it

c

h

in

g tim

e

 [

m

s]

Current limitation

S

w

itc

h

in

g tim

e

 [m

s]

Derating curve for ST-OV 4-24DC/24DC...PRO

4 A type

1 A type

Ambient temperature [°C]

L

o

ad c

u

rre

n

[A

]

t

A

t

A

t

A

set

Output pulse t

O

UEGM-OE/AV logic pulse expansion 
block

Time diagrams for UEGM-OE/AV-24DC/24DC/100

Operating voltage present

Scenario 2: input pulse t

I

 

 output pulse t

O

 

set

: t

I

 = t

O

Scenario 1: Input pulse t

I

 < output pulse t

O

 

set

Operating voltage present

DIP switches

1

)

S1

S2

S3

S4

S5

S6

S7

S8

Length 

of output 

pulses [ms] 

(when switch 

is set to “ON“)

10

20

50

100

200

500

1000

1500

1

) If no switch is actuated, the output voltage is not defined.

If the input pulse is longer than the set time, the output is switched 

off almost simultaneously with the input.

Intermediate values can be obtained by combining several 

DIP switches according to the following formula:

T

tot

 = ––––––––––––

1

1 +

t

1

 

1 + ... +

t

2

 

1

t

n

 

Table of adjustable output pulse lengths

set

Output pulse t

O

Derating curve for EMG 17-OV...48DC/2

Ambient temperature [°C]

L

o

ad c

u

rre

n

[A

]

EMG-OV solid-state power relays

Aligned without spacing

Stand-alone device

401

PHOENIX CONTACT

Relay modules

Tables, diagrams, dimensional drawings

phoenixcontact-interface-technology-and-switching-devices-html.html
background image

A1.1+

A2–

A1.2+

13

K1

K2

23

14

24

Technical data

Input data

 

 

 

 

 

 

 

 

 

Typical input current at U

N

[mA]

7

Response/release time at U

N

[ms]

4 / 6

Input circuit DC

Yellow LED, reverse polarity protection, freewheeling diode

Output data

Contact material

AgNi

Max. switching voltage

250 V AC / 30 V DC

Minimum switching voltage

24 V AC/DC

Limiting continuous current

3.5 A

Minimum switching current

5 mA

General data

Test voltage input/output

3 kV AC (50 Hz, 1 min.)

Test voltage output/output

3 kV AC (50 Hz, 1 min.)

Ambient temperature (operation)

-20 °C ... 60 °C

Mechanical service life

2 x 10

7

 cycles

Standards/regulations

IEC

 

60664 , EN 50178

Connection data solid/stranded/AWG

0.14 - 2.5 mm² / 0.14 - 2.5 mm² / 26 - 14

Dimensions

W / H / D

6.2 mm / 80 mm / 86 mm

EMC note

Class A product, see page 605

Ordering data

Description

Input voltage

U

N

Type

Order No.

Pcs./

Pkt.

PLC-INTERFACE

, with 

screw connection

24 V DC

PLC-2RSC-24DC/ 1

2987309

10

PLC-INTERFACE

, with 

Push-in connection

24 V DC

PLC-2RPT-24DC/1

2901639

10

402

PHOENIX CONTACT

Notes:

Type of insulating housing:

Polyamide PBT, non-reinforced, color: green.

Marking systems and mounting material

See Catalog 3

D W

H

Relay module with two permanently 

soldered-in power relays

The advantages:

– 100% more channel density than the 

conventional 6.2 mm relay

– Two switching channels in a 6.2 mm 

housing

– Screw and Push-in connection technology

PLC-INTERFACE with 
two integrated relays

Relay modules

Highly compact relay modules - PLC-INTERFACE

Relay module with two integrated,

independent relays up to 3.5

 

A for

high channel density

phoenixcontact-interface-technology-and-switching-devices-html.html
background image

0,

1

0,

2

0,

3

0,

5

1

2

4

6

1

0

2

0

1

0

2

0

3

0

5

0

70

1

00

3

00

2

00

1

1

V

CC

+ -

A1.2

A2–

A1.1

14

13

23

24

A1.2

A2–

A1.1

14

13

23

24

y

1

y

2

y

3

y

4

0,7

25

3

0

35

4

0

45

5

0

55

6

0

65

2

0

1

1

,

3

0,8

0,9

1

,

1

1

,

2

1

,

4

U

U

N

T [

°

C

]

U

A

B

U

=

24 V DC

N

For further information and full technical data, visit phoenixcontact.net/products

403

PHOENIX CONTACT

Application example for PLC-2RS...24DC/1

Interrupting rating 

Operating voltage range 

Ambient temperature 

In

p

u

t v

o

lta

g

e

Switching voltage [V]

S

w

itc

h

in

g c

u

rr

e

n

[A

]

DC, ohmic load

Relay modules

Highly compact relay modules - PLC-INTERFACE

phoenixcontact-interface-technology-and-switching-devices-html.html
background image

A1

A2

1

(

C

T

L)

M

2

(

C

T

L)

14

13

0

0

,

7

25

30

35

40

45

50

55

60

65

20

1

1

,

3

0

,

8

0

,9

1

,

1

1

,

2

1

,

4

U

U

N

T

[ °

C

]

U

A

B

U

=

24

V DC

/

24

V AC

N

A
O
M

A1

A2

CTL2

CTL1

M

13

14

V

CC

+ -

 

 

 

 

Technical data

Input data

 

 

 

 

 

 

 

 

 

 

Typical input current at U

N

[mA]

11

11

Response/release time at U

N

[ms]

6 / 15

6 / 15

Input circuit AC/DC

Yellow LED , Bridge rectifier

Output data

Contact material

AgSnO

Max. switching voltage

250 V AC/DC

Minimum switching voltage

5 V (at 100 mA)

Limiting continuous current

6 A

Maximum switch-on current

on request

Minimum switching current

10 mA (at 12 V)

Feedback

Operating mode “Automatic” floating

max. 30 V AC/DC / 50 mA

min. 2 V AC/DC / 1 mA

General data

Rated insulation voltage

250 V AC

Rated surge voltage

6 kV

Ambient temperature (operation)

-20 °C ... 60 °C

Standards/regulations

IEC

 

60664 , EN 50178

Degree of pollution/surge voltage category

2 / III

Connection data solid/stranded/AWG

0.14 - 2.5 mm² / 0.14 - 2.5 mm² / 26 - 14

Dimensions

W / H / D

6.2 mm / 80 mm / 90 mm

EMC note

Class A product, see page 605

Ordering data

Description

Input voltage

U

N

Type

Order No.

Pcs./

Pkt.

PLC-INTERFACE

, with 

screw connection

24 V AC/DC

PLC-RSC- 24UC/ 1/S/H

2982236

10

24 V AC/DC

PLC-RSC- 24UC/ 1/S/L

2834876

10

PLC-INTERFACE

, with 

Push-in connection

24 V AC/DC

PLC-RPT- 24UC/ 1/S/H

2900328

10

24 V AC/DC

PLC-RPT- 24UC/ 1/S/L

2900327

10

404

PHOENIX CONTACT

Notes:

Type of housing:

Polyester PBT, non-reinforced, color: green.

Marking systems and mounting material

See Catalog 3

For the protection of input and output, inductive loads must be 

dampened with an effective protection circuit.

The PLC-ATP partition plate is to be used in the following cases: 

always at the start and end of a PLC terminal strip, for voltages 

greater than 250 V (L1, L2, L3) between the same terminal points 

of neighboring modules (potential bridging then takes place with 

FBST 8-PLC... or FBST 500...) and with safe isolation between 

neighboring modules.

Module height:

 PLC-...-S/H = 90 mm; PLC-...-S/L: = 86 mm

PLC...

H

 - manual operation

PLC...

L

 - operation using screwdriver

D W

H

PLC-INTERFACE with 
manual switch and relay

Relay modules

Highly compact relay modules - PLC-INTERFACE

Relay module with manual switch

and integrated relay

Application example for PLC-RS...24UC/1/S...

Permissible input voltage range for 

PLC-RS...24UC/1/S...

Curve A

Maximum continuous voltage when 

limiting continuous current = 6 A

Curve B

Minimum pick-up voltage for pre-excitation with 

U

N

 and limiting continuous current = 6 A

Relay module with manual switch and 

integrated power relay for manual, zero, and 
automatic functions

The advantages are:

– Maximum switching current 6 A
– Only 6.2 mm wide
– Floating confirmation contact
– Safe isolation according to DIN EN 50178 

between coil and contact

– Screw and Push-in connection technology

phoenixcontact-interface-technology-and-switching-devices-html.html
background image

AU

T

O

M

ANUAL

I

A1

2

(

C

T

L)

0

OU

T

1

(

C

T

L)

A

O

M

O

U

T

A

1

I

1

2

A

1

A

2

1

2

1

4

11

V

CC

+ -

For further information and full technical data, visit phoenixcontact.net/products

 

 

 

Technical data

Max. switching voltage

72 V DC

Minimum switching voltage

2 V DC

Maximum switch-on current

50 mA

Minimum switching current

1 mA

Switching cycles, max.

100 (At 72 V DC / 50 mA) / 

10000 (at 12 V DC / 100 mA)

Feedback

Operating mode “Automatic” floating

 72 V DC / 50 mA

General data

Rated insulation voltage

85 V AC

Rated surge voltage

0.5 kV / basic insulation

Ambient temperature (operation)

-20 °C ... 60 °C

Standards/regulations

IEC

 

60664 , EN 50178

Degree of pollution/surge voltage category

2 / III

Connection data solid/stranded/AWG

0.14 - 2.5 mm² / 0.14 - 2.5 mm² / 26 - 14

Dimensions

W / H / D

6.2 mm / 80 mm / 90 mm

Ordering data

Description

Type

Order No.

Pcs./

Pkt.

PLC-INTERFACE

, with 

screw connection

PLC-SC-S/H

2980733

10

PLC-SC-S/L

2980775

10

405

PHOENIX CONTACT

Notes:

Type of housing:

Polyester PBT, non-reinforced, color: green.

Marking systems and mounting material

See Catalog 3

For the protection of input and output, inductive loads must be 

dampened with an effective protection circuit.

The PLC-ATP partition plate is to be used in the following cases: 

always at the start and end of a PLC terminal strip, for voltages 

greater than 250 V (L1, L2, L3) between the same terminal points 

of neighboring modules (potential bridging then takes place with 

FBST 8-PLC... or FBST 500...) and with safe isolation between 

neighboring modules.

Module height:

 PLC-...-S/H = 90 mm; PLC-...-S/L: = 86 mm

PLC...

H

 - manual operation

PLC...

L

 - operation using screwdriver

D W

H

PLC-INTERFACE with 
manual switch without relay

Relay modules

Highly compact relay modules - PLC-INTERFACE

Module with manual switch without relay

Application example for PLC-S...S...

Switching module without relay for 

manual, zero, and automatic functions

The advantages:

– Only 6.2 mm wide
– Floating confirmation contact
– Screw connection technology

phoenixcontact-interface-technology-and-switching-devices-html.html
background image

A1

A2

A2

14

14

13+

13+

 

 

 

 

406

PHOENIX CONTACT

The slim 6.2 mm PLC housing with 

integrated electronics in various versions 
offers the following advantages:
– Option of bridging adjacent modules
– Status display
– Protection circuits in input and output
– Wear-resistant and bounce-free switching
– Integrated protection circuit
– DC outputs of up to 300 V DC/1 A or up 

to 24 V DC/10 A

– Electronic PDT output of up to 

48 V DC/500 mA

– Screw and Push-in connection technology

PLC-INTERFACE with an integrated 
solid-state relay

Technical data

Input data

 

 

 

 

 

 

 

 

 

 

 

 

 

 

 

 

Permissible range (with reference to U

N

)

0.8  - 

1.2

0.8 - 

1.2

0.8 - 

1.2

0.8 - 

1.2

0.8 - 

1.2

0.8 - 

1.2

0.8 - 

1.1

0.8 - 

1.1

Switching level (with reference to U

N

)

1 signal ("H")

 0.8

 0.8

 0.8

 0.8

 0.8

 0.8

 0.8

 0.8

0 signal ("L")

 0.4

 0.4

 0.4

 0.4

 0.4

 0.4

 0.4

 0.4

Typical input current at U

N

[mA]

 

15

 

6

 

8

 

5

 

5

 

3

 

5.6

 

8.4

 

3

 

3

Transmission frequency f

limit

[Hz]

50

50

50

50

50

50

10

10

100

1000

Alarm output

Operating range

- / -

Output data

Maximum/minimum switching voltage

300 V DC / 12 V DC

Limiting continuous current

1 A (see derating curve)

10 A (see derating curve)

500 mA (see derating curve)

Voltage drop at maximum limiting continuous current

< 500 mV

General data

Rated insulation voltage

300 V

Rated surge voltage

4 kV / basic insulation

Ambient temperature (operation)

-25 °C ... 60 °C

Standards/regulations

IEC

 

60664 , EN 50178

IEC

Connection data solid/stranded/AWG

0.14 - 2.5 mm² / 0.14 - 2.5 mm² / 26 - 14

0.14 - 2.5 mm² / 0.14 - 2.5 mm² / 26 - 14

0.14 - 2.5 

Dimensions

W / H / D

6.2 mm / 80 mm / 86 mm

6.2 mm / 80 mm / 86 mm

6.2 mm / 80 mm / 86 mm

EMC note

Class A product, see page 605

Class A product, see page 605

Class A product, see page 605

Ordering data

Description

Input voltage

U

N

Type

Order No.

Pcs./

Pkt.

PLC-INTERFACE

, with 

screw connection

5 V DC

PLC-OSC-  5DC/300DC/  1

2980652

10

12 V DC

PLC-OSC- 12DC/300DC/  1

2980665

10

24 V DC

PLC-OSC- 24DC/300DC/  1

2980678

10

48 V DC ... 60 V DC

60 V DC

PLC-OSC- 60DC/300DC/  1

2980681

10

110 V DC

PLC-OSC-110DC/300DC/  1

2980694

10

220 V DC

PLC-OSC-220DC/300DC/  1

2980704

10

120 V AC

PLC-OSC-120AC/300DC/  1

2980717

10

230 V AC

PLC-OSC-230AC/300DC/  1

2980720

10

PLC-INTERFACE

, with 

Push-in connection

5 V DC

PLC-OPT-  5DC/300DC/1

2900381

10

12 V DC

PLC-OPT- 12DC/300DC/1

2900382

10

24 V DC

PLC-OPT- 24DC/300DC/1

2900383

10

48 V DC ... 60 V DC

60 V DC

PLC-OPT- 60DC/300DC/1

2900384

10

110 V DC

PLC-OPT-110DC/300DC/1

2900385

10

220 V DC

PLC-OPT-220DC/300DC/1

2900387

10

120 V AC

PLC-OPT-120AC/300DC/1

2900388

10

230 V AC

PLC-OPT-230AC/300DC/1

2900389

10

D W

H

Notes:

Type of housing:

Polyester PBT, non-reinforced, color: green.

Marking systems and mounting material

See Catalog 3

For the protection of input and output, inductive loads must be 

dampened with an effective protection circuit.

The PLC-ATP partition plate is to be used in the following cases: 

always at the start and end of a PLC terminal strip, for voltages 

greater than 250 V (L1, L2, L3) between the same terminal points 

of neighboring modules (potential bridging then takes place with 

FBST 8-PLC... or FBST 500...) and with safe isolation between 

neighboring modules.

The housings of the following modules are open on one side:

- PLC-O...-...-300DC/1

- PLC-O...-24DC/24DC/10/R

Relay modules

Highly compact relay modules - PLC-INTERFACE

Solid-state relay module,

DC output max. 300

 

V

 

DC/1

 

A

phoenixcontact-interface-technology-and-switching-devices-html.html
background image

30

0

0

,

7

1

40

50

60

1

1

3

0

0

7

1

0

4

0

5

0

6

0

30

0

0

,

35

0

,

5

40

50

60

A1

A2

+24V

0

A

+

E

rr

A1

A2

A2

12

14

11

11

For further information and full technical data, visit phoenixcontact.net/products

 

 

 

 

 

 

407

PHOENIX CONTACT

Technical data

Technical data

 

 

 

 

 

 

 

 

 

 

 

 

 

 

 

 

 

 

0.8 - 

1.2

0.8 - 

1.2

 0.8

 0.8

 0.4

 0.4

[mA]

 

15

 

6

 

8

 

5

 

5

 

3

 

5.6

 

8.4

 

3

 

3

[Hz]

50

50

50

50

50

50

10

10

100

1000

3 V DC ... 33 V DC (High active) / 100 mA

- / -

33 V DC / 5 V DC

48 V DC / 3 V DC

Limiting continuous current

1 A (see derating curve)

10 A (see derating curve)

500 mA (see derating curve)

 50 mV

< 1.2 V

300 V

300 V

4 kV / basic insulation

4 kV / basic insulation

-25 °C ... 60 °C

-25 °C ... 60 °C

60664 , EN 50178

IEC

 

60664 , EN 50178

IEC

 

60664 , EN 50178

Connection data solid/stranded/AWG

0.14 - 2.5 mm² / 0.14 - 2.5 mm² / 26 - 14

0.14 - 2.5 mm² / 0.14 - 2.5 mm² / 26 - 14

0.14 - 2.5 mm² / 0.14 - 2.5 mm² / 26 - 14

Dimensions

W / H / D

6.2 mm / 80 mm / 86 mm

6.2 mm / 80 mm / 86 mm

6.2 mm / 80 mm / 86 mm

EMC note

Class A product, see page 605

Class A product, see page 605

Class A product, see page 605

Ordering data

Ordering data

Type

Order No.

Pcs./

Pkt.

Type

Order No.

Pcs./

Pkt.

PLC-OSC- 24DC/ 24DC/ 10/R

2982702

10

PLC-OSC- 24DC/ 48DC/500/W

2980636

10

PLC-OPT- 24DC/ 24DC/10/R

2900398

10

PLC-OPT- 24DC/ 48DC/500/W

2900378

10

Derating curve for PLC-...24DC/24DC/10/R

Derating curve for PLC...300DC/1

Ambient temperature [°C]

L

o

ad

 c

u

rre

n

t [

A

]

Ambient temperature [°C]

Lo

a

d

 c

u

r

re

n

[A

]

Derating curve for PLC...24DC/48DC/500/W

Ambient temperature [°C]

L

o

ad c

u

rre

n

[m

A

]

For input voltages of 220 V DC and 230 V AC

D W

H

D W

H

Relay modules

Highly compact relay modules - PLC-INTERFACE

Solid-state relay module,

short-circuit-proof DC output max. 10 A,

with feedback

Solid-state relay module,

DC output max. 500 mA,

with electronic changeover contact

phoenixcontact-interface-technology-and-switching-devices-html.html
background image

3

0

2

0

4

0

5

0

6

0

0

0,

5

1

1

,

5

2

2

,

5

1

0

0

A1+

A2-

A2-

14

BB

13+

13+

Technical data

Input data

 

 

 

 

 

 

 

 

 

Rated actuating voltage range with reference to U

C

0.8 - 

1.2

Rated actuating current I

C

[mA]

 8

Switching level (with reference to U

C

)

1 signal ("H")

> 0.8

0 signal ("L")

< 0.4

Typical switch-on time at U

N

[ms]

10

Typical switch-off time at U

N

[ms]

10

Transmission frequency f

limit

[Hz]

10

Input circuit DC

Yellow LED, reverse polarity protection, surge protection

Output data

Max. switching voltage

253 V AC

Minimum switching voltage

24 V AC

Maximum switch-on current

250 A (20 ms)

Minimum/maximum switching current

10 mA / 2.4 A (see derating)

Output protection

RCV circuit

Voltage drop at maximum limiting continuous current

< 1 V

Leakage current in off state

< 1 mA

Max. load value

340 A

2

s (tp = 10 ms, at 25 °C)

General data

Rated insulation voltage

260 V AC

Rated surge voltage

4 kV

Insulation

Basic insulation

Ambient temperature (operation)

-25 °C ... 60 °C

Standards/regulations

DIN EN 50178

Degree of pollution/surge voltage category

2 / III

Connection data solid/stranded/AWG

0.14 - 2.5 mm² / 0.14 - 2.5 mm² / 26 - 14

Dimensions

W / H / D

6.2 mm / 80 mm / 86 mm

EMC note

Class A product, see page 605

Ordering data

Description

Rated actuating voltage

U

C

Type

Order No.

Pcs./

Pkt.

PLC-INTERFACE

, with 

screw connection

24 V DC

PLC-OSC- 24DC/230AC/2.4/ACT

2904631

10

PLC-INTERFACE

, with 

Push-in connection

24 V DC

PLC-OPT- 24DC/230AC/2.4/ACT

2904632

10

408

PHOENIX CONTACT

= aligned with >

2

0 mm spacing

= aligned without spacing

Ambient temperature [°C]

L

oad

current

[A]

Load current as a function of the ambient temperature

Operating time: 100% operating factor

D W

H

6.2 mm narrow solid-state relay for 

switching AC loads
– Status display
– Protection circuits in input and output
– Wear-free
– Switching capacity up to 230 V AC/2.4 A
– Screw and Push-in connection technology

PLC-INTERFACE with an integrated 
solid-state relay

Relay modules

Highly compact relay modules - PLC-INTERFACE

Solid-state relay module with

additional floating terminal point,

AC output max. 2.4

 

A

phoenixcontact-interface-technology-and-switching-devices-html.html
background image

DC

A

C

Us

ON

14

14

1

3

1

3

For further information and full technical data, visit phoenixcontact.net/products

Technical data

Input data

 

 

 

 

 

 

 

 

 

Rated control supply voltage U

S

[V DC]

 24

Rated control supply voltage range with reference to U

S

0.8 - 

1.2

Rated control supply current I

S

14 mA (Input low, output low)

19 mA (Input high, output high)

Rated actuation voltage U

C

 ON

[V DC]

24

Rated actuating voltage range with reference to U

C

0.8 - 

1.2

Rated actuating current I

C

[mA]

 6.8

Input circuit DC

Yellow LED, reverse polarity protection, surge protection

Output data

Max. switching voltage

253 V AC

Minimum switching voltage

24 V AC

Minimum/maximum switching current

100 mA / 10 A (see derating curve)

Output protection

RCV circuit

Leakage current in off state

< 1 mA

Max. load value

350 A

2

s (tp = 10 ms, at 25 °C)

General data

Rated insulation voltage

260 V AC

Rated surge voltage

6 kV

Insulation

safe isolation

Ambient temperature (operation)

-25 °C ... 60 °C

Standards/regulations

DIN EN 50178

Degree of pollution/surge voltage category

2 / III

Connection data solid/stranded/AWG

0.14 - 2.5 mm² / 0.14 - 2.5 mm² / 26 - 14

Dimensions

W / H / D

14 mm / 80 mm / 94 mm

EMC note

Class A product, see page 605

Ordering data

Description

Rated actuating voltage

U

C

Type

Order No.

Pcs./

Pkt.

PLC-INTERFACE

, with 

screw connection

24 V DC

PLC-HSC-24DC/230AC/10

2905214

1

PLC-INTERFACE

, with 

Push-in connection

24 V DC

PLC-HPT-24DC/230AC/10

2905215

1

409

PHOENIX CONTACT

D W

H

The solid-state relay, combined with a 

mechanical relay, offers the following 
advantages:
– Higher electrical service life
– Lower power dissipation
– Option of bridging adjacent modules
– Status display
– Protection circuits in input and output
– Switching capacity up to 230 V AC/10 A
– Screw and Push-in connection technology

PLC-INTERFACE with
hybrid solid-state relay

Relay modules

Highly compact relay modules - PLC-INTERFACE

Hybrid solid-state relay,

AC output max. 10

 

A and

bypass relay

phoenixcontact-interface-technology-and-switching-devices-html.html
background image

A1

+

A2

A2

+

+

0

A

Technical data

Input data

 

 

 

 

 

 

 

 

 

 

Permissible range (with reference to U

N

)

0.8  - 

1.2

0.8 - 

1.2

Switching level with reference to U

N

1 signal ("H")

> 0.8

> 0.8

0 signal ("L")

< 0.4

< 0.4

Typical input current at U

N

[mA]

7

6

Typical switch-on time at U

N

[µs]

1.5

1.5

Typical switch-off time at U

N

[µs]

2

2

Transmission frequency f

limit

[kHz]

100

100

Input protection:

Yellow LED, reverse polarity protection, surge protection

Yellow LED, reverse polarity protection, surge protec

Output data

Operating voltage range

4 V DC ... 30 V DC

Limiting continuous current

50 mA

Quiescent current

4.3 mA

Residual voltage drop at "H"

< 0.5 V

Output circuit

3-conductor, ground-referenced

3-conductor push-pull, ground referenced

3-conductor push-pull, ground referenced

Output protection

Reverse polarity protection, surge protection

Reverse polarity protection, surge protection

Reverse polarity pro

General data

Test voltage input/output

2.5 kV

rms

 (50 Hz, 1 min.)

2.5 kV

Ambient temperature (operation)

-20 °C ... 60 °C

Standards/regulations

DIN EN 50178

Degree of pollution/surge voltage category

2 / II

Connection data solid/stranded/AWG

0.14 - 2.5 mm² / 0.14 - 2.5 mm² / 26 - 14

0.14 - 2.5 mm² / 0.14 - 2.5 mm² / 26 - 14

0.14 - 2.5 

Dimensions

W / H / D

6.2 mm / 80 mm / 86 mm

6.2 mm / 80 mm / 86 mm

6.2 mm / 80 mm / 86 mm

EMC note

Class A product, see page 605

Class A product, see page 605

Class A product, see page 605

Ordering data

Description

Input voltage

U

N

Type

Order No.

Pcs./

Pkt.

Input solid-state relay 

with screw connection

5 V DC

PLC-OSC-  5DC/ 24DC/100KHZ

2902963

1

24 V DC

PLC-OSC- 24DC/ 24DC/100KHZ

2902964

1

Input solid-state relay 

with Push-in connection

5 V DC

PLC-OPT-  5DC/ 24DC/100KHZ

2902969

1

24 V DC

PLC-OPT- 24DC/24DC/100KHZ

2902970

1

410

PHOENIX CONTACT

PLC-INTERFACE
Solid-state relays up to 100 kHz

A solid-state relay for the safe acquisition 

of short pulses.
– Status display
– Bridging options
– Limit frequency of up to 100 kHz
– Push-pull stage on output side
– Features a capacitor on the input side for 

interference suppression

Relay modules

Highly compact relay modules - PLC-INTERFACE

D W

H

Notes:

Type of insulating housing:

Polyamide PBT, non-reinforced, color: green.

Marking systems and mounting material

See Catalog 3

Solid-state relay module,

DC output,

transmission frequency of 100

 

kHz

phoenixcontact-interface-technology-and-switching-devices-html.html
background image

A1

+

A2

A2

+

+

0

A

A1

+

A2

A2

+

+

0

A

For further information and full technical data, visit phoenixcontact.net/products

Technical data

Technical data

 

 

 

 

 

 

 

 

 

 

 

 

 

 

 

 

 

 

 

 

0.5 - 

1.2

0.8 - 

1.2

0.5 - 

1.2

0.8 - 

1.2

> 0.5

> 0.8

> 0.5

> 0.8

< 0.3

< 0.4

< 0.3

< 0.4

8

8

8

8

1

1

1

1

2

2

2

2

100

100

100

100

Input protection:

Yellow LED, reverse polarity protection, surge protection

Yellow LED, reverse polarity protection, surge protection

Yellow LED, reverse polarity protection, surge protection

4 V DC ... 18 V DC

14 V DC ... 30 V DC

50 mA

50 mA

8.5 mA

15 mA

< 1.2 V

< 2.2 V

Output circuit

3-conductor, ground-referenced

3-conductor push-pull, ground referenced

3-conductor push-pull, ground referenced

Output protection

Reverse polarity protection, surge protection

Reverse polarity protection, surge protection

Reverse polarity protection, surge protection

 (50 Hz, 1 min.)

2.5 kV

rms

 (50 Hz, 1 min.)

2.5 kV

rms

 (50 Hz, 1 min.)

-20 °C ... 60 °C

-20 °C ... 60 °C

DIN EN 50178

DIN EN 50178

2 / II

2 / II

Connection data solid/stranded/AWG

0.14 - 2.5 mm² / 0.14 - 2.5 mm² / 26 - 14

0.14 - 2.5 mm² / 0.14 - 2.5 mm² / 26 - 14

0.14 - 2.5 mm² / 0.14 - 2.5 mm² / 26 - 14

Dimensions

W / H / D

6.2 mm / 80 mm / 86 mm

6.2 mm / 80 mm / 86 mm

6.2 mm / 80 mm / 86 mm

EMC note

Class A product, see page 605

Class A product, see page 605

Class A product, see page 605

Ordering data

Ordering data

Type

Order No.

Pcs./

Pkt.

Type

Order No.

Pcs./

Pkt.

PLC-OSC-  5DC/  5DC/100KHZ-G

2902965

1

PLC-OSC-  5DC/ 24DC/100KHZ-G

2902967

1

PLC-OSC- 24DC/  5DC/100KHZ-G

2902966

1

PLC-OSC- 24DC/ 24DC/100KHZ-G

2902968

1

PLC-OPT-  5DC/ 5DC/100KHZ-G

2902971

1

PLC-OPT-  5DC/24DC/100KHZ-G

2902973

1

PLC-OPT- 24DC/ 5DC/100KHZ-G

2902972

1

PLC-OPT- 24DC/24DC/100KHZ-G

2902974

1

411

PHOENIX CONTACT

Relay modules

Highly compact relay modules - PLC-INTERFACE

D W

H

D W

H

Solid-state relay module,

DC push-pull output,

transmission frequency of 100

 

kHz

Solid-state relay module,

DC push-pull output,

transmission frequency of 100

 

kHz

phoenixcontact-interface-technology-and-switching-devices-html.html
background image

G

ND

U

VN

IN

13+

14

 

 

Technical data

Input data

Rated control supply voltage U

VN

5 V DC

Rated control supply voltage range with reference to U

VN

0.9 ... 1.2

Rated control supply current I

VN

41 mA

Rated actuating voltage U

c

 (IN)

5 V DC (TTL)

Rated actuating voltage range with reference to U

C

0.9 ... 1.2

Rated actuating current I

C

2.5 mA

Typical response time at Uc

4.5 ms

Typical release time at Uc

3.5 ms

Input circuit

Yellow LED, reverse polarity protection, surge protection

Output data with:

REL-MR-4,5DC/21 AU

REL-MR-4,5DC/21

Contact type

Single contact, 1 N/O contact

Single contact, 1 N/O contact

Contact material

AgSnO, hard gold-plated

AgSnO

Max. switching voltage

30 V AC / 36 V DC

250 V AC/DC

Minimum switching voltage

100 mV (at 10 mA)

5 V (at 100 mA)

Limiting continuous current

50 mA

6 A

Maximum switch-on current

50 mA

on request

Minimum switching current

1 mA (at 24 V)

10 mA (at 12 V)

General data

Rated insulation voltage

250 V

Rated surge voltage/insulation

6 kV

Ambient temperature (operation)

-20 °C ... 60 °C

Mechanical service life

2 x 10

7

 cycles

Air clearances and creepage distances between the power circuits

IEC

 

60664, EN 50178

Degree of pollution / Overvoltage category

2 / III

Mounting position / Assembly

any / in rows with zero spacing

Connection data solid/stranded/AWG

0.14 - 2.5 mm² / 0.14 - 2.5 mm² / 26 - 14

Dimensions

W / H / D

6.2 mm / 80 mm / 94 mm

EMC note

Class A product, see page 605

Ordering data

Description

Type

Order No.

Pcs./

Pkt.

PLC-INTERFACE

with screw connection

PLC-BSC-TTL/1

2982689

10

with Push-in connection

PLC-BPT-TTL/1

2900458

10

Accessories

Plug-in miniature power relays, with multi-layer gold contacts

REL-MR   4,5DC/21AU

2961370

10

REL-MR-  4,5DC/21

2961367

10

412

PHOENIX CONTACT

Max. interrupting rating

Notes:

Type of housing:

Polyester PBT, non-reinforced, color: green.

Marking systems and mounting material

See Catalog 3

D W

H

The PLC-BS...TTL/1 basic terminal block 

is controlled with a TTL (5 V) input signal. 
It is equipped with either a mechanical relay 
or a solid-state relay. The basic terminal 
block equipped with a robust miniature 
relay offers the following advantages:
– Overall width of just 6.2 mm
– Bridging options
– Status display
– RTIII degree of protection
– Safe isolation in accordance with 

EN 50178 (VDE 0160)

– 4  kV

rms

 electrical isolation between coil 

and contact

– Screw and Push-in connection technology

PLC-INTERFACE for the 
TTL signal at input

Relay modules

Highly compact relay modules - PLC-INTERFACE

1-N/O basic terminal block for

assembly with relay for TTL (5 V)

phoenixcontact-interface-technology-and-switching-devices-html.html
background image

G

ND

U

VN

IN

13+

14

For further information and full technical data, visit phoenixcontact.net/products

 

 

Technical data

Input data

Rated control supply voltage U

VN

5 V DC

Rated control supply voltage range with reference to U

VN

0.9 ... 1.2

Rated control supply current I

VN

11.5 mA

Rated actuating voltage U

c

 (IN)

5 V DC (TTL)

Switching level 1 signal ("H") (TTL signal)

> 2 V DC

Switching level 0 signal ("L") (TTL signal)

< 0.8 V DC

Rated actuating current I

C

2.5 mA

Typical response time/switch-on time at U

c

35 µs

Typical switch-off time at U

c

320 µs

Input circuit

Yellow LED, reverse polarity protection, surge protection

Output data with:

OPT-5DC/48DC/100

OPT-5DC/24DC/2

Max. switching voltage

48 V DC

33 V DC

Minimum switching voltage

3 V DC

3 V DC

Limiting continuous current

100 mA

3 A

Output protection

Reverse polarity protection, 

Surge protection

Reverse polarity protection, 

Surge protection

Voltage drop at limiting continuous current

< 1 V

< 200 mV

General data

Rated insulation voltage

250 V

Rated surge voltage/insulation

6 kV/Basic isolation

Ambient temperature (operation)

-20 °C ... 60 °C

Air clearances and creepage distances between the power circuits

IEC

 

60664, EN 50178

Degree of pollution / Overvoltage category

2 / III

Connection data solid/stranded/AWG

0.14 - 2.5 mm² / 0.14 - 2.5 mm² / 26 - 14

Dimensions

W / H / D

6.2 mm / 80 mm / 94 mm

EMC note

Class A product, see page 605

Ordering data

Description

Type

Order No.

Pcs./

Pkt.

PLC-INTERFACE

with screw connection

PLC-BSC-TTL/1

2982689

10

with Push-in connection

PLC-BPT-TTL/1

2900458

10

Accessories

Plug-in solid-state relays

Solid-state input relays

OPT- 5DC/ 48DC/100

2967992

10

Solid-state power relays

OPT- 5DC/ 24DC/  2

2967989

10

413

PHOENIX CONTACT

Notes:

Type of housing:

Polyester PBT, non-reinforced, color: green.

Marking systems and mounting material

See Catalog 3

For derating curves see page 399

D W

H

The PLC-BS...TTL/1 basic terminal block 

is controlled with a TTL (5 V) input signal. 
It is equipped with either a mechanical relay 
or a solid-state relay. The basic terminal 
block equipped with a solid-state relay 
offers the following advantages:
– Overall width of just 6.2 mm
– Bridging options
– Status display
– IP67-protected solid-state relay 

electronic unit

– Switching capacity of up to 24 V DC/3 A
– Alternative input or power solid-state 

relay

– Wear-free and bounce-free
– Integrated protective circuit
– 2.5  kV

rms

 electrical isolation between 

input and output

– Screw and Push-in connection technology

PLC-INTERFACE for the 
TTL signal at input

Relay modules

Highly compact relay modules - PLC-INTERFACE

Basic terminal block for assembly with 

solid-state relay for TTL

 

(5 V)

phoenixcontact-interface-technology-and-switching-devices-html.html
background image

A1

A1

+

+

A2

A2

A2

+

+

+

A

0

0

0

20

35

40

50

60

70

3

,

5
3

2

,

5
2

1

,

5
1

0

,

5

1

20

30

40

50

60

70

1

,

5

2

2

,

5

3

1

2

1
2

 

 

Technical data

Input data

Rated actuating voltage U

C

24 V DC

Rated actuating voltage range with reference to U

C

0.8 ... 1.2

Switching level 1 signal ("H")

> 0.8

Switching level 0 signal ("L")

< 0.4

Rated actuating current I

C

3.4 mA

Typical switch-on time at U

c

35 µs

Typical switch-off time at U

c

35 µs

Transmission frequency f

limit

1 kHz

Input circuit DC

Yellow LED, reverse polarity protection, surge protection

Output data with:

Rated control supply voltage U

S

5 V DC

Rated control supply voltage range with reference to U

S

0.9 ... 1.2

Limiting continuous current

A TTL load (Fan out = 1)/50 mA for switching mode

Output protection

Reverse polarity protection, surge protection

Voltage drop at maximum limiting continuous current

< 80 mV

General data

Rated insulation voltage

250 V DC

Rated surge voltage/insulation

4 kV / basic insulation

Ambient temperature (operation)

-25 °C ... 60 °C

Air clearances and creepage distances between the power circuits

IEC

 

60664 , EN 50178

Degree of pollution/surge voltage category

2 / III

Connection data solid/stranded/AWG

0.14 - 2.5 mm² / 0.14 - 2.5 mm² / 26 - 14

Dimensions

W / H / D

6.2 mm / 80 mm / 86 mm

EMC note

Class A product, see page 605

Ordering data

Description

Type

Order No.

Pcs./

Pkt.

PLC-INTERFACE

with screw connection

PLC-OSC- 24DC/TTL

2982728

10

with Push-in connection

PLC-OPT- 24DC/TTL

2900363

10

414

PHOENIX CONTACT

Notes:

Type of housing:

Polyester PBT, non-reinforced, color: green.

Marking systems and mounting material

See Catalog 3

D W

H

PLC-INTERFACE for the 
TTL signal at output

Relay modules

Highly compact relay modules - PLC-INTERFACE

Input solid state relays 

with TTL (5 V) output

Derating curve for PLC-OSP...24DC/3RW

Ambient temperature [°C]

L

o

ad

 c

u

rre

n

t [

A

]

Aligned without spacing

Aligned with 

 

20 mm spacing

Derating curve for PLC-OSP...110DC/3RW

Ambient temperature [°C]

L

o

ad

 c

u

rre

n

t [

A

]

The PLC-OS...24DC/TTL with a built-in 

solid-state relay can be used for fast and 
wear-free switching of TTL (5 V) signals.

The module offers the following 

advantages:
– Switching capacity TTL (5 V), fan out = 1
– Overall width of just 6.2 mm
– Bridging options
– Status display
– Integrated protective circuit
– Screw and Push-in connection technology

phoenixcontact-interface-technology-and-switching-devices-html.html
background image

A1

A2

A2

14

14

13+

13+

A1

A2

A2

14

14

13+

13+

For further information and full technical data, visit phoenixcontact.net/products

 

 

 

 

 

 

 

 

Technical data

Technical data

Input data

 

 

 

 

 

 

 

 

 

 

 

 

 

 

 

 

 

 

 

 

 

 

 

 

Permissible range (with reference to U

N

)

0.7  - 

1.25

0.7 - 

1.25

0.7 - 

1.25

0.7 - 

1.25

0.7 - 

1.25

0.7 - 

1.25

0.7 - 

1.25

0.7 - 

1.25

Switching level (with reference to U

N

)

1 signal ("H")

 0.6

 0.6

> 0.6

> 0.6

> 0.6

> 0.6

> 0.6

> 0.6

0 signal ("L")

 0.3

 0.3

< 0.4

< 0.4

< 0.3

< 0.3

< 0.3

< 0.3

Typical input current at U

N

[mA]

 8.5

 3

 12

 12

 5.5

 5.5

 5.5

 5.5

Typical switch-on time at U

N

[ms]

0.04

0.08

0.4

0.4

0.04

0.04

0.04

0.4

Typical switch-off time at U

N

[ms]

0.2

0.6

0.2

0.1

0.2

0.2

0.2

0.2

Transmission frequency f

limit

[Hz]

300

100

50

50

300

300

300

300

Input circuit DC

Yellow LED, reverse polarity protection

Yellow LED, reverse polarity protection, surge protection

Output data

Max. switching voltage

33 V DC

140 V DC

Minimum switching voltage

3 V DC

12 V DC

Limiting continuous current

3 A (see derating curve)

3 A (see derating curve)

Output protection

Reverse polarity protection, surge protection

Reverse polarity protection, surge protection

Voltage drop at maximum limiting continuous current

< 200 mV

< 150 mV

General data

Rated insulation voltage

250 V

160 V DC

Rated surge voltage

4 kV / basic insulation

4 kV / basic insulation

Ambient temperature (operation)

-25 °C ... 70 °C

-25 °C ... 70 °C

Standards/regulations

IEC

 

60664 , EN 50178

IEC

 

60664 , EN 50178

Degree of pollution/surge voltage category

2 / III

2 / III

Connection data solid/stranded/AWG

0.14 - 2.5 mm² / 0.14 - 2.5 mm² / 26 - 14

0.14 - 2.5 mm² / 0.14 - 2.5 mm² / 26 - 14

Dimensions

W / H / D

6.2 mm / 80 mm / 86 mm

6.2 mm / 80 mm / 86 mm

EMC note

Class A product, see page 605

Class A product, see page 605

Ordering data

Ordering data

Description

Input voltage

U

N

Type

Order No.

Pcs./

Pkt.

Type

Order No.

Pcs./

Pkt.

PLC-INTERFACE,

 with 

spring-cage connection

24 V DC

PLC-OSP- 24DC/ 24DC/  3RW

2980513

10

PLC-OSP- 24DC/110DC/  3RW

2982511

10

36 V DC

PLC-OSP- 36DC/110DC/  3RW

2982524

10

48 V DC

PLC-OSP- 48DC/110DC/  3RW

2982537

10

72 V DC

PLC-OSP- 72DC/110DC/  3RW

2982540

10

96 V DC

PLC-OSP- 96DC/110DC/  3RW

2982553

10

110 V DC

PLC-OSP-110DC/ 24DC/  3RW

2980526

10

PLC-OSP-110DC/110DC/  3RW

2982566

10

PLC-INTERFACE

, with 

Push-in connection

24 V DC

PLC-OPT- 24DC/ 24DC/3RW

2900379

10

PLC-OPT- 24DC/110DC/3RW

2900391

10

36 V DC

PLC-OPT- 36DC/110DC/3RW

2900392

10

48 V DC

PLC-OPT- 48DC/110DC/3RW

2900393

10

72 V DC

PLC-OPT- 72DC/110DC/3RW

2900394

10

96 V DC

PLC-OPT- 96DC/110DC/3RW

2900395

10

110 V DC

PLC-OPT-110DC/ 24DC/3RW

2900380

10

PLC-OPT-110DC/110DC/3RW

2900396

10

415

PHOENIX CONTACT

The PLC-OSP...RW interface modules are 

suitable for use according to DIN EN 50155 
(VDE 0115 Part 200) “Railway applications - 
Electronic equipment used on rolling stock”.

The advantages:

– Temperature range -25°C to +70°C
– Input voltage range 0.7-1.25 x U

N

– Shock resistance in acc. with DIN 50155 

(requirements in acc. with EN 61373).

– Spring cage and Push-in connection 

technology

Notes:

Type of housing:

Polyester PBT, non-reinforced, color: green.

Marking systems and mounting material

See Catalog 3

For derating curves see page 414

D W

H

D W

H

PLC-INTERFACE with solid-state 
relays for railway applications

Relay modules

Highly compact relay modules - PLC-INTERFACE

Solid-state relay module,

DC output max. 3

 

A

Solid-state relay module,

DC output max. 110

 

V

 

DC/3

 

A

phoenixcontact-interface-technology-and-switching-devices-html.html
background image

A1

A2

11

14

12

0,

6

0,8

1

,0

1

,

2

1

,

4

2

0

3

0

4

0

5

0

6

0

70

80

 

 DNV GL

Technical data

Input data

Nominal input voltage U

N

24 V DC

Permissible range (with reference to U

N

)

See  diagram

Typical input current at U

N

12 mA

Typical response time at U

N

5 ms

Typical release time at U

N

8 ms

Input circuit

Yellow LED, reverse polarity protection, freewheeling diode

Output data with:

REL-MR-18DC/21

REL-MR-18DC/21AU

Contact type

Single contact, 1-PDT

Single contact, 1-PDT

Contact material

AgSnO

AgSnO, hard gold-plated

Max. switching voltage

250 V AC/DC

30 V AC / 36 V DC

Minimum switching voltage

5 V (at 100 mA)

100 mV (at 10 mA)

Limiting continuous current

3 A

50 mA

Maximum switch-on current

on request

50 mA

Minimum switching current

10 mA (at 12 V)

1 mA (at 24 V)

General data

Test voltage input/output

4 kV (50 Hz, 1 min.)

Ambient temperature (operation)

-25 °C ... 70 °C

Mechanical service life

2 x 10

7

 cycles

Standards/regulations

IEC

 

60664, EN 50178

Degree of pollution / Overvoltage category

3 / III

Connection data solid/stranded/AWG

0.14 - 2.5 mm² / 0.14 - 2.5 mm² / 26 - 14

Dimensions

W / H / D

6.2 mm / 80 mm / 94 mm

EMC note

Class A product, see page 605

Ordering data

Description

Voltage U

N

Type

Order No.

Pcs./

Pkt.

PLC-INTERFACE basic terminal block

, for plug-in miniature relay

with Push-in connection

24 V DC

PLC-BPT- 24DC/21RW

2900261

10

Accessories

Plug-in miniature relays

REL-MR- 18DC/21

2961383

10

REL-MR- 18DC/21AU

2961493

10

416

PHOENIX CONTACT

Notes:

Type of insulating housing:

Polyamide PBT, non-reinforced, color: green.

Marking systems and mounting material

See Catalog 3

The PLC-ATP partition plate must be installed for voltages larger 

than 250 V (L1, L2, L3) between identical terminal blocks in 

adjacent modules. Potential bridging is then carried out with 

FBST 8-PLC... or FBST 500....

If the specified maximum values for multi-layer contact relays are 

exceeded, the gold plating is destroyed. The maximum values of 

the power contact relay are then valid. This can result in a shorter 

service life than with a pure power contact.

D W

H

PLC-INTERFACE for 
railway applications

Relay modules

Highly compact relay modules - PLC-INTERFACE

Basic terminal block for assembly

with 1-PDT relay up to 6

 

A

Permissible input voltage range for PLC-BSP-24DC/21RW 

(with REL-MR-18DC/21... relay)

Ambient temperature [°C] 

In

p

u

t v

o

lt

a

g

e U/

U

N

Maximum continuous voltage when limiting continuous current = 3 A

Minimum pick-up voltage for pre-excitation with U

N

 and limiting 

continuous current = 3 A

Switching voltage [V] 

S

w

itc

h

in

g c

u

rr

e

n

[A

]

AC, ohmic load

DC, ohmic load

Electrical interrupting rating for PLC...21 with 1-PDT relay

Relay modules with extended input 

voltage and temperature range, specifically 
for use in railway applications

The advantages:

– Temperature range -25°C to +70°C
– Input voltage range 0.7 to 1.25 x U

N

– Vibration and shock resistance according 

to EN 50155

– Safe isolation according to DIN EN 50178 

between coil and contact

– Push-in connection technology

phoenixcontact-interface-technology-and-switching-devices-html.html
background image

A

2

24

21

22

14

11

12

A

1

20

25

30

35

40

45

50

55

60

65

0

,

7

0

,

8

0

,9

1

1

,

1

1

,

2

1

,

3

1

,

4

A

B

U

=

230 V AC

N

For further information and full technical data, visit phoenixcontact.net/products

 

 

 

Technical data

Input data

Nominal input voltage U

N

230 V AC

Input nominal frequency

16.67 Hz

Permissible range (with reference to U

N

)

see  diagram

Typical response time at U

N

20 ms

Typical release time at U

N

60 ms

Input circuit

Yellow LED, bridge rectifier

Output data

Contact type

2 PDT

Contact material

AgNi, hard gold-plated

Max. switching voltage

30 V AC / 36 V DC

( 250 V AC/DC )

Minimum switching voltage

100 mV

( 5 V AC/DC )

Limiting continuous current

50 mA

( 6 A )

Maximum switch-on current

50 mA

( 8 A )

Minimum switching current

1 mA

( 10 mA )

General data

Test voltage input/output

6 kV

Ambient temperature (operation)

-25 °C ... 55 °C

Mechanical service life

approx. 3x 10

7

 cycles

Standards/regulations

IEC

 

60664, EN 50178

Degree of pollution / Overvoltage category

2 / III

Connection data solid/stranded/AWG

0.14 - 2.5 mm² / 0.14 - 2.5 mm² / 26 - 14

Dimensions

W / H / D

14 mm / 80 mm / 94 mm

EMC note

Class A product, see page 605

Ordering data

Description

Voltage U

N

Type

Order No.

Pcs./

Pkt.

PLC-INTERFACE

with Push-in connection

230 V AC

PLC-RPT-230UC/21-21AU/RWF

2900345

10

417

PHOENIX CONTACT

Notes:

Type of insulating housing:

Polyamide PBT, non-reinforced, color: green.

Marking systems and mounting material

See Catalog 3

The PLC-ATP partition plate must be installed for voltages larger 

than 250 V (L1, L2, L3) between identical terminal blocks in 

adjacent modules. Potential bridging is then carried out with 

FBST 8-PLC... or FBST 500....

If the specified maximum values for multi-layer contact relays are 

exceeded, the gold plating is destroyed. The values in 

parentheses then apply for further operation. This can result in a 

shorter service life than with a pure power contact.

D W

H

PLC-INTERFACE for 
railway applications

Relay modules

Highly compact relay modules - PLC-INTERFACE

2-PDT relay module for

16.7

 

Hz input frequency,

max. 2

 

x

 

6

 

A

Permissible input voltage range 

for PLC-RSP-230UC/21-21AU/RWF

Ambient temperature [°C] 

In

p

u

t vo

lt

a

g

e U/

U

N

Curve A

Maximum continuous voltage when 

limiting continuous current = 6 A

Curve B

Minimum pick-up voltage for pre-excitation with U

N

 and 

limiting continuous current = 6 A

Relay module for input voltages with a 

nominal frequency of 16.7 Hz

The advantages:

– Input nominal frequency 16.7 Hz
– Vibration and shock resistance according 

to EN 50155

– Safe isolation according to DIN EN 50178 

between coil and contact

– Push-in connection technology

phoenixcontact-interface-technology-and-switching-devices-html.html
background image

A1

A2

11

14

12

 

 

 DNV GL 

418

PHOENIX CONTACT

Relay modules with extended input 

voltage and temperature range, specifically 
designed for railway applications

The advantages:

– Certified to EN 50155
– Optimum relay operation thanks to wide-

range electronics

– Temperature range -40 to +70°C 

(short-term 85°C)

– Input voltage range 0.7 to 1.25 x U

N

 

(short-term 1.4 x U

N

)

– Vibration and shock resistance according 

to EN 50155

– Safe isolation according to DIN EN 50178 

between coil and contact

– Push-in connection technology

PLC-INTERFACE for 
railway applications

Technical data

Input data

 

 

 

 

 

 

 

 

 

 

 

Permissible range (with reference to U

N

)

0.7  - 

1.25

0.7 - 

1.25

Typical input current at U

N

[mA]

9

3

2

Typical response time at U

N

[ms]

4

4

4

Typical release time at U

N

[ms]

4

4

4

Input protection:

Yellow LED, bridge rectifier, freewheeling diode

Yellow LED, bridge rectifier, freewheeling diode

Yellow LED, br

Output data

Contact type

1 PDT

1 PDT

2 PDT

2 PDT

1 PDT

Contact material

AgSnO

AgSnO, hard gold-plated

AgNi

AgNi, hard gold-plated

AgNi

Max. switching voltage

250 V AC/DC

30 V AC / 36 V DC

250 V AC/DC

30 V AC / 36 V DC

250 V AC/DC

Minimum switching voltage

5 V (at 100 mA)

100 mV (at 10 mA)

5 V (at 10 mA)

100 mV (at 10 mA)

12 V (at 10 mA)

Limiting continuous current

6 A

50 mA

6 A

50 mA

10 A (With inserted bridge 2967691)

Maximum switch-on current

10 A (4 s)

50 mA

15 A (300 ms)

50 mA

30 A (300 ms)

Minimum switching current

10 mA (at 12 V)

1 mA (at 24 V)

10 mA (At 5 V)

1 mA (at 24 V)

10 mA (at 12 V)

General data

Test voltage (winding / contact)

4 kV

rms

 (50 Hz, 1 min.)

5 kV

Ambient temperature (operation)

-40 °C ... 70 °C (Temperature class TX)

-40 °C ... 70 °C (Temperature class TX)

-40 °C ... 70 °C (

Mechanical service life

Approx. 2x 10

7

 cycles

Standards/regulations

EN 50155 (VDE 0115 part 200), EN 50178, EN

 

61373, EN

 

50121

EN 50155 (VDE 0115 part 200), EN 50178, EN

Connection data solid/stranded/AWG

0.14 - 2.5 mm² / 0.14 - 2.5 mm² / 26 - 14

0.14 - 2.5 mm² / 0.14 - 2.5 mm² / 26 - 14

0.14 - 2.5 

Dimensions

W / H / D

6.2 mm / 80 mm / 94 mm

14 mm / 80 mm / 94 mm

14 mm / 80 mm / 94 mm

EMC note

Class A product, see page 605

Class A product, see page 605

Class A product, see page 605

Ordering data

Description

Input voltage

U

N

Type

Order No.

Pcs./

Pkt.

PLC-INTERFACE

, with 

power contact

with Push-in connection

24 V DC

PLC-RPT- 24UC/21/RW

2900318

10

72 V DC

PLC-RPT- 72UC/21/RW

2900319

10

110 V DC

PLC-RPT-110UC/21/RW

2900320

10

PLC-INTERFACE

, with 

hard gold-plated contact

with Push-in connection

24 V DC

PLC-RPT- 24UC/21AU/RW

2900321

10

72 V DC

PLC-RPT- 72UC/21AU/RW

2900322

10

110 V DC

PLC-RPT-110UC/21AU/RW

2900323

10

D W

H

Notes:

Type of insulating housing:

Polyamide PBT, non-reinforced, color: green.

Marking systems and mounting material

See Catalog 3

The PLC-ATP partition plate must be installed for voltages larger 

than 250 V (L1, L2, L3) between identical terminal blocks in 

adjacent modules. Potential bridging is then carried out with 

FBST 8-PLC... or FBST 500....

If the specified maximum values for multi-layer contact relays are 

exceeded, the gold plating is destroyed. The maximum values of 

the power contact relay are then valid. This can result in a shorter 

service life than with a pure power contact.

Electrical service life diagrams, see page 400

Relay modules

Highly compact relay modules - PLC-INTERFACE

1-PDT relay module,

6

 

A, maximum

phoenixcontact-interface-technology-and-switching-devices-html.html
background image

0,

1

0,

2

0,

3

0,

5

1

2

4

6

1

0

2

0

1

0

2

0

3

0

5

0

70

1

00

3

00

2

00

1
2
3
4

3

1

4

2

1
2
3

0

,

1

0

,

2

0

,

3

0

,

5

1

2

4

6

10

20

10

20

30

50

70 100

300

200

3

1

2

0

,

1

0

,

2

0

,

3

0

,

5

1

2

4

6

10

20

10

20

30

50

70 100

300

200

1

1

70

6

0

65

55

5

0

45

4

0

35

3

0

3

4

7

5

6

2

1

0

0

A

2

24

21

22

14

11

12

A

1

A2

11

14

12

A1

For further information and full technical data, visit phoenixcontact.net/products

 

 

 DNV GL 

 

 

 DNV GL 

419

PHOENIX CONTACT

Technical data

Technical data

 

 

 

 

 

 

 

 

 

 

 

 

 

 

 

 

 

 

 

 

 

 

0.7 - 

1.25

0.7 - 

1.25

0.7 - 

1.25

0.7 - 

1.25

20

6

4.5

20

6

4.5

5

5

5

5

5

5

11

11

11

11

11

11

Input protection:

Yellow LED, bridge rectifier, freewheeling diode

Yellow LED, bridge rectifier, freewheeling diode

Yellow LED, bridge rectifier, freewheeling diode

Contact type

1 PDT

1 PDT

2 PDT

2 PDT

1 PDT

Contact material

AgSnO

AgSnO, hard gold-plated

AgNi

AgNi, hard gold-plated

AgNi

Max. switching voltage

250 V AC/DC

30 V AC / 36 V DC

250 V AC/DC

30 V AC / 36 V DC

250 V AC/DC

Minimum switching voltage

5 V (at 100 mA)

100 mV (at 10 mA)

5 V (at 10 mA)

100 mV (at 10 mA)

12 V (at 10 mA)

Limiting continuous current

6 A

50 mA

6 A

50 mA

10 A (With inserted bridge 

2967691

)

Maximum switch-on current

10 A (4 s)

50 mA

15 A (300 ms)

50 mA

30 A (300 ms)

Minimum switching current

10 mA (at 12 V)

1 mA (at 24 V)

10 mA (At 5 V)

1 mA (at 24 V)

10 mA (at 12 V)

 (50 Hz, 1 min.)

5 kV

rms

 (50 Hz, 1 min.)

5 kV

rms

 (50 Hz, 1 min.)

ss TX)

-40 °C ... 70 °C (Temperature class TX)

-40 °C ... 70 °C (Temperature class TX)

approx. 3x 10

7

 cycles

approx. 3x 10

7

 cycles

50121

EN 50155 (VDE 0115 part 200), EN 50178, EN

 

61373, EN

 

50121

EN 50155 (VDE 0115 part 200), EN 50178, EN

 

61373, EN

 

50121

Connection data solid/stranded/AWG

0.14 - 2.5 mm² / 0.14 - 2.5 mm² / 26 - 14

0.14 - 2.5 mm² / 0.14 - 2.5 mm² / 26 - 14

0.14 - 2.5 mm² / 0.14 - 2.5 mm² / 26 - 14

Dimensions

W / H / D

6.2 mm / 80 mm / 94 mm

14 mm / 80 mm / 94 mm

14 mm / 80 mm / 94 mm

EMC note

Class A product, see page 605

Class A product, see page 605

Class A product, see page 605

Ordering data

Ordering data

Type

Order No.

Pcs./

Pkt.

Type

Order No.

Pcs./

Pkt.

PLC-RPT- 24UC/21-21/RW

2900346

10

PLC-RPT- 24UC/21HC/RW

2900324

10

PLC-RPT- 72UC/21-21/RW

2900347

10

PLC-RPT- 72UC/21HC/RW

2900325

10

PLC-RPT-110UC/21-21/RW

2900348

10

PLC-RPT-110UC/21HC/RW

2900326

10

PLC-RPT- 24UC/21-21AU/RW

2900349

10

PLC-RPT- 72UC/21-21AU/RW

2900350

10

PLC-RPT-110UC/21-21AU/RW

2900351

10

Derating curve for 

PLC-RSP...21/RW

PLC-RSP...21AU/RW

PLC-RSP...21-21/RW 

PLC-RSP...21-21AU/RW

Ambient temperature [°C]

S

w

itc

h

in

g c

u

rr

e

n

[A

]

Switching voltage [V] 

S

w

itc

h

in

g c

u

rr

e

n

t [A

]

Ohmic load

Interrupting rating for PLC-RSP...UC/21RW

S

w

it

c

h

in

g c

u

r

re

n

t [A

]

AC, ohmic load

DC, ohmic load, contacts in series

DC, ohmic load

DC, L/R = 40 ms

Interrupting rating for PLC-RSP...UC/21-21/RW

Switching voltage [V] 

Switching voltage [V] 

S

w

itc

h

in

g c

u

rr

e

n

[A

]

AC, ohmic load

DC, ohmic load

DC, L/R = 40 ms

Interrupting rating for PLC-RSP...UC/21HC/RW

D W

H

D W

H

Relay modules

Highly compact relay modules - PLC-INTERFACE

2-PDT relay module,

2

 

x

 

6

 

A, maximum

1-PDT relay module,

max. 10

 

A

phoenixcontact-interface-technology-and-switching-devices-html.html
background image

+

G

ND

-

U

VN

O

u

t

ERR

U

VN

O

u

t

ERR

24V

(M

)

(

P

)

U

KK

5-2R

/

NAMUR

10k

1k

+

-

ERR
OUT

GND

U

VN

ERR
OUT

GND

U

+

-

VN

 

 

Technical data

Supply

Input supply nominal voltage U

VN

24 V DC

Typical input current at U

VN

approx. 14 mA

Transmission frequency f

limit

approx. 350 Hz

Input circuit

Green LED, reverse polarity protection, surge protection

Control circuit

No-load voltage

8.2 V DC ±10 %

Switching points in accordance with EN 60947-5-6:

 2.1 mA (In conductive state)

 1.2 mA (In blocking state)

6.3 mA ... 10 mA (in the event of a short-circuit)

0 mA ... 0.35 mA (In the event of a wire break)

Protective circuit

Surge protection

Alarm output

Operating voltage range (positive switching)

U

VN

 - U

Res

Limiting continuous current

50 mA

Voltage drop at maximum limiting continuous current

 1.5 V (U

R

)

Output protection

Red LED, surge protection

Signal output

Limiting continuous current

50 mA

Voltage drop U

R

 at maximum limiting continuous current

 1.5 V (U

R

)

Output protection

Surge protection

General data

Rated insulation voltage

50 V DC

Rated surge voltage / insulation

0.4 kV/Basic isolation

Ambient temperature (operation)

-25 °C ... 50 °C

Standards/regulations

IEC

 

60664 , EN 50178

Degree of pollution / Overvoltage category

2 / I

Connection data solid/stranded/AWG

0.14 - 2.5 mm² / 0.14 - 2.5 mm² / 26 - 12

Dimensions

W / H / D

6.2 mm / 80 mm / 86 mm

EMC note

Class A product, see page 605

Ordering data

Description

Type

Order No.

Pcs./

Pkt.

Switching amplifier electronic terminal block, 

positive switching

with screw connection

PLC-SC-EIK 1-SVN 24P/P

2982663

10

with Push-in connection

PLC-PT-EIK 1-SVN 24P/P

2900397

10

Accessories

Double-level terminal block

, with pre-assembled resistors

with screw connection

UKK 5-2R/NAMUR

2941662

50

420

PHOENIX CONTACT

Notes:

Type of insulating housing:

Polyamide PBT, non-reinforced, color: green.

Marking systems and mounting material

See Catalog 3

The PLC-ATP partition plate is to be used in the following cases: 

always at the start and end of a PLC terminal strip, for voltages 

greater than 250 V (L1, L2, L3) between the same terminal points 

of neighboring modules (potential bridging then takes place with 

FBST 8-PLC... or FBST 500...) and with safe isolation between 

neighboring modules.

D W

H

PLC electronic sensor terminal block 
for NAMUR proximity sensors

Relay modules

Highly compact relay modules - PLC-INTERFACE

For inductive proximity sensors acc. to 

NAMUR, with light indicators for 

sensor signal and fault

Application 1

Application 2

NAMUR initiator

Limit switch

Initiator state

Switching level

LED

OUT

ERR

Green

Red

Conductive

L

L

OFF

OFF

Blocking

H

L

ON

OFF

Short circuit

L

H

OFF

ON

Open circuit

L

H

OFF

ON

The electronic sensor terminal block, 

PLC-...-EIK 1-SVN from Phoenix converts 
the changeable resistance of a NAMUR 
sensor unit into a digital signal that can be 
read by all PLCs.

In addition, the electronics monitors the 

sensor side for a short circuit or open 
circuit and indicates these errors via an 
integrated LED.

Due to a corresponding resistance circuit, 

the PLC-...-EIK 1-SVN can be used to 
monitor all mechanical switches (N/C 
contact or N/O contact) for short-circuits 
and/or wire break.

In addition to a high packing density, this 

switching amplifier features the following:
– Regulated power supply for the NAMUR 

proximity switch

– 24 V/50 mA digital output for directly 

connecting programmable logic 
controllers

– Connection option for PLC-V8 adapter
– Screw and Push-in connection technology

phoenixcontact-interface-technology-and-switching-devices-html.html
background image

M

+

U

V

G

ND

T

R
L

M

-

R

T

L

L

R

U

GN

D

2

4 V

M+

M-

V

CC

+

-

M

30

20

1

2

1

,

5

40

50

60

1

2

1
2

For further information and full technical data, visit phoenixcontact.net/products

 

Technical data

Input data

Control voltage U

ST

 right/left

24 V DC ±20 %

Control input current I

ST

 right/left

approx. 3 mA

Input protection:

Yellow LED, reverse polarity protection, surge protection

PWM option

Maximum clock frequency of the PWM at the control inputs

1000 Hz

Pulse width repetition rate of the PWM

0 % ... 100 %

Output data

Supply voltage range U

V

10 V DC ... 30 V DC

Quiescent current

10 mA

Output protection

Green LED, reverse polarity protection, surge protection

Motor switching output

Continuous current I

A

 max.

2 A (see derating curve)

Current limitation at short-circuits

15 A (during braking)

General data

Rated insulation voltage

50 V

Rated surge voltage / insulation

0.5 kV / Basic insulation

Ambient temperature (operation)

-25 °C ... 60 °C

Standards/regulations

IEC

 

60664 , EN 50178

Degree of pollution / Overvoltage category

2 / II

Mounting position

Vertical (horizontal DIN rail)

Mounting

In rows with zero spacing

Connection data solid/stranded/AWG

0.14 - 2.5 mm² / 0.14 - 2.5 mm² / 26 - 14

Dimensions

W / H / D

6.2 mm / 80 mm / 86 mm

EMC note

Class A product, see page 605

Ordering data

Description

Type

Order No.

Pcs./

Pkt.

Electronic reversing load relays

, for driving DC motors, with 

light indicator and protection circuit

with screw connection

PLC-SC-ELR W1/ 2-24DC

2980539

1

with spring-cage connection

PLC-SP-ELR W1/ 2-24DC

2980555

1

421

PHOENIX CONTACT

Notes:

Type of housing:

Polyester PBT, non-reinforced, color: green.

Marking systems and mounting material

See Catalog 3

The PLC-ATP partition plate is to be used in the following cases: 

always at the start and end of a PLC terminal strip, for voltages 

greater than 250 V (L1, L2, L3) between the same terminal points 

of neighboring modules (potential bridging then takes place with 

FBST 8-PLC... or FBST 500...) and with safe isolation between 

neighboring modules.

For the protection of input and output, inductive loads must be 

dampened with an effective protection circuit.

PWM = Pulse Width Modulation

D W

H

PLC series
Electronic reversing load relay for 
DC motors

Relay modules

Highly compact relay modules - PLC-INTERFACE

DC reversing load relay with 

overload and short-circuit-proof output

Application example for PLC-S...ELR W 1/2-24DC

Status table

Input

Output

Right

Left

M +

M –

0

0

High resistance

High resistance

1

0

+ 24 V

 GND

0

1

 

GND

+  24  V

1

1

 

GND

GND

Derating curve for PLC-S...ELR W 1/2-24DC

Aligned without spacing

Aligned with > 20 mm spacing

Lo

a

d

 c

u

r

re

n

t [

A

]

Ambient temperature [°C] 

The PLC-S...-ELR W 1/2-24DC electronic 

reversing load relays are used to switch 
mechanically commutated DC motors up to 
24 V/2 A.
– Wear-free reversing
– Braking by controlling both inputs
– Short-circuit and surge and overload-

proof output

– Integrated locking circuit and load wiring
– Screw or spring-cage connection 

technology

phoenixcontact-interface-technology-and-switching-devices-html.html
background image

GND

U

S

A1+

A

2

-

0

+

A

R

L

Technical data

Input data

Rated control supply voltage U

S

24 V DC

Rated control supply voltage range with reference to U

S

0.8 ... 1.2

Rated control supply current I

S

- Input low, output low

13 mA

- Input high, output high

19 mA

Rated actuating voltage U

C

24 V DC

Rated actuating current I

C

3 mA

Switching threshold “0” signal in reference to U

C

< 0.4

Switching threshold “1” signal in reference to U

C

> 0.8

Status indication

Yellow LED

Operating voltage display

Green LED

Input circuit

Reverse polarity protection, surge protection

Output data

Output voltage range U

E

3 V DC ... 48 V DC

Limiting continuous current

100 mA

Voltage drop at maximum limiting continuous current

< 1 V DC

Output circuit

3-conductor, ground-referenced

Output protection

Reverse polarity protection, surge protection, free running

General data

Rated insulation voltage

50 V DC

Rated surge voltage

0.5 kV

Ambient temperature (operation)

-25 °C ... 60 °C

Standards/regulations

DIN EN 50178

Connection data solid/stranded/AWG

0.14 - 2.5 mm² / 0.14 - 2.5 mm² / 26 - 14

Dimensions

W / H / D

6.2 mm / 80 mm / 86 mm

EMC note

Class A product, see page 605

Ordering data

Description

Type

Order No.

Pcs./

Pkt.

PLC-INTERFACE

, with 

screw connection

PLC-OSC-LPE-24DC/48DC/100

2903171

1

PLC-INTERFACE

, with 

Push-in connection

PLC-OPT-LPE-24DC/48DC/100

2903173

1

422

PHOENIX CONTACT

A solid-state relay for acquiring and 

extending short pulses.
– Pulse detection can be set from > 0.1 ms 

or > 2 ms

– Status display
– Delay times of 10 to 2550, can be set via 

DIP switches

– Bridging options
– Can be retriggered
– Screw and Push-in connection technology

PLC-INTERFACE
Pulse expansion module

Relay modules

Highly compact relay modules - PLC-INTERFACE

Solid-state relay module for the

extension of input pulses,

DC output max. 100

 

mA

phoenixcontact-interface-technology-and-switching-devices-html.html
background image

U

C

t

0

t

I

N

t

2

4 V

U

E

t

0

t

2

4 V

t

D

I

P/OUT

U

C

t

0

t

I

N

t

2

4 V

U

E

t

0

t

2

4 V

t

D

I

P

t

OUT

U

C

t

0

t

2

4 V

t

I

N

t

0

t

I

N

U

E

t

0

t

2

4 V

t

D

I

P

t

OUT

For further information and full technical data, visit phoenixcontact.net/products

423

PHOENIX CONTACT

Input pulse t1 < set output pulse t3 

(no restart when triggered again)

Input pulse t1 

 set output pulse t3 then: 

input pulse t1 = output pulse t2 

(no restart when triggered again)

Input pulse t1 < set output pulse t3 

(restart when triggered again)

DIP

S1

S2

S3

S4

S5

S6

S7

 S8

10

-

-

-

-

-

-

-

-

20

-

-

-

-

-

-

-

-

40

-

-

-

-

-

-

-

-

80

-

-

-

-

-

-

-

-

160

-

-

-

-

-

-

-

-

320

-

-

-

-

-

-

-

-

640

-

-

-

-

-

-

-

-

1280

Relay modules

Highly compact relay modules - PLC-INTERFACE

phoenixcontact-interface-technology-and-switching-devices-html.html
background image

Ordering data

Ordering data

Description

Color

Type

Order No.

Pcs./

Pkt.

Type

Order No.

Pcs./

Pkt.

Power terminal

, for supply of up to four potentials, same shape as 

PLC standard series, max. 32 A/250 V AC

gray

PLC-ESK GY

2966508

5

Partition plate

, 2 mm thick, required at the start and end of a 

PLC terminal strip. It also serves in visual separation of groups, 

safe isolation of different voltages of neighboring PLC-INTERFACE 

devices according to DIN EN 50178/VDE0160, separation of 

neighboring bridges of different potentials, and separation of 

PLC-INTERFACE devices at voltages > 250 V

black

PLC-ATP BK

2966841

25

Screwdriver

Blade: 0.6

 

x

 

3.5

 

x

 

100

 

mm, length: 181

 

mm

SZF 1-0,6X3,5

1204517

10

Passive feed-through bridge

, can be plugged in instead of relay 

or solid-state relay, bridges terminal points A1 and 14

black

PLC-BP A1-14

2980283

10

D W

H

The 

PLC-ESK

 power terminal is used to 

supply the bridge potentials, the 

PLC-ATP

 

partition plate is used for the visual 
separation and safe isolation of adjacent 
PLC modules. The 

PLC-BP (A1-14)

 

passive feed-through bridge is used instead 
of a relay and connects the A1 and 14 
terminal points.

PLC accessories

Relay modules

Highly compact relay modules - PLC-INTERFACE

Power terminal and partition plate

Feed-through bridge

Ordering data

Ordering data

Description

Color

Type

Order No.

Pcs./

Pkt.

Type

Order No.

Pcs./

Pkt.

Cont. plug-in bridge,

 500 mm long, insulated, can be cut to 

length, for potential distribution

Nominal current: 32 A

red

FBST 500-PLC RD

2966786

20

blue

FBST 500-PLC BU

2966692

20

gray

FBST 500-PLC GY

2966838

20

Plug-in bridge

, 2-pos., 6 mm long, for potential distribution

Nominal current: 6

 

A

red

FBST   6-PLC RD

2966236

50

blue

FBST   6-PLC BU

2966812

50

gray

FBST   6-PLC GY

2966825

50

Plug-in bridge

, 2-pos., 8 mm long, for potential distribution with a 

partition plate

Nominal current: 6

 

A

gray

FBST   8-PLC GY

2967688

50

Plug-in bridge

, 2-pos., 14 mm long, insulated, for potential 

distribution

Nominal current: 10 A

black

FBST  14-PLC BK

2967691

50

Zack marker strip, printed horizontally,

 10-section, with 

consecutive numbers, e.g., 1-10, 11-20, etc. up to 91-100

ZB 6,LGS:FORTL.ZAHLEN

1051016

10

424

PHOENIX CONTACT

The color-coded and insulated FBST 

plug-in bridges can reduce wiring time by up 
to 70% for PLC-INTERFACE. The 500 mm 
long 

FBST 500-PLC

 “continuous bridges” 

are particularly effective. The 

FBST 6

 

2-pos. single plug-in bridges are ideal for 
bridging a smaller number of PLC modules.

PLC accessories

Plug-in bridge systems

Marking material

phoenixcontact-interface-technology-and-switching-devices-html.html
background image

For further information and full technical data, visit phoenixcontact.net/products

 

 

 

 

Technical data

Technical data

Maximum permissible operating voltage

30 V DC

30 V DC

Maximum permissible current (per branch)

1 A (per signal path)

1 A (per signal path)

Maximum total current (voltage supply)

3 A

3 A

Ambient temperature (operation)

-40 °C ... 70 °C

-40 °C ... 70 °C

Standards/regulations

IEC

 

60664 , DIN EN 50178

IEC

 

60664 , DIN EN 50178

Connection method

Supply

Screw connection

Screw connection

Controller level

IDC/FLK pin strip

IDC/FLK pin strip

Connection data solid/stranded/AWG

0.2 ... 4 mm² / 0.2 ... 2.5 mm² / 24 - 12

0.2 ... 4 mm² / 0.2 ... 2.5 mm² / 24 - 12

Dimensions

H / D

100 mm / 94 mm

100 mm / 94 mm

Ordering data

Ordering data

Description

No. of

pos.

Module width

W

Type

Order No.

Pcs./

Pkt.

Type

Order No.

Pcs./

Pkt.

V8 adapter

, for 8 PLC-INTERFACE devices (6.2 mm), with 

IDC/FLK pin strip, for PLC system cabling, 

positive switching

Output

14

49.6 mm

PLC-V8/FLK14/OUT

2295554

1

Input

14

49.6 mm

PLC-V8/FLK14/IN

2296553

1

V8 adapter

, for 8 PLC-INTERFACE devices (6.2 mm), with 

IDC/FLK pin strip, for PLC system cabling, 

negative switching

Output

14

49.6 mm

PLC-V8/FLK14/OUT/M

2304102

1

Input

14

49.6 mm

PLC-V8/FLK14/IN/M

2304115

1

V8 output adapter

, for 8 PLC-INTERFACE devices (6.2 mm), with 

D-SUB connection

Pin strip

15

49.6 mm

PLC-V8/D15S/OUT

2296058

1

Socket strip

15

49.6 mm

PLC-V8/D15B/OUT

2296061

1

V8 input adapter

, for 8 PLC-INTERFACE devices (6.2 mm), with 

D-SUB connection

Pin strip

15

49.6 mm

PLC-V8/D15S/IN

2296074

1

Socket strip

15

49.6 mm

PLC-V8/D15B/IN

2296087

1

V8 adapter

, for 8 PLC-INTERFACE devices (14 mm), with 

IDC/FLK pin strip, for PLC system cabling, 

positive switching

14

112.3 mm

PLC-V8L/FLK14/OUT

2299660

1

V8 adapter

, for 8 PLC-INTERFACE devices (14 mm), with 

IDC/FLK pin strip, for PLC system cabling, 

negative switching

14

112.3 mm

PLC-V8L/FLK14/OUT/M

2304306

1

425

PHOENIX CONTACT

Relay modules

Highly compact relay modules - PLC-INTERFACE

VARIOFACE adapter 

for 6.2 mm PLC-INTERFACE

VARIOFACE adapter 

for 14 mm PLC-INTERFACE

PLC-V8/...

 are the VARIOFACE adapters 

which connect the narrow PLC-INTERFACE 
modules to the VARIOFACE system cabling:

Notes:

Cross-ref. list for matching PLC-INTERFACE modules: page 548

Adapter for PLC-INTERFACE

phoenixcontact-interface-technology-and-switching-devices-html.html
background image

426

PHOENIX CONTACT

Relay modules

Programmable logic relay system - PLC logic

Extremely compact control

The PLC logic programmable logic relay 

system is the extremely compact way to 
carry out small automation tasks easily and 
flexibly. It consists of the PLC-V8C logic 
modules, the PLC-INTERFACE relay 
system, and the LOGIC+ software. The 
logic modules are simply plugged into a row 
of eight PLC-INTERFACE terminal blocks 
and combine the logic and interface level in 
one unit. Depending on the switching 
requirements, plug-in electromechanical 
and solid-state relays can be combined in 
order to flexibly switch and control the I/O 
signals.

PLC logic processes digital and analog 

input signals as well as logic functions and 
timer modules - and replaces conventional 
switching and control devices. Up to 16 I/O 
signals can be processed using the stand-
alone logic modules - with an overall width 
of just 50 mm. If more I/O signals are 
required, a maximum of 48 I/O signals can 
be linked using the basic and extension 
modules.

Switching and controlling with 
plug-in relays

– PLC logic brings together the standard 

combination of logic module and separate 
plug-in relay and eliminates the wiring 
effort and additional switching elements.

– Convenient connections with screw or 

Push-in connection technology, which 
also accommodate return conductors, 
remove the need for separate potential 
terminal blocks

– Each channel can be freely configured as 

an input or output and with relay or 
analog modules

Intuitive programming

Programming is quick and easy with the 

intuitive LOGIC+ programming software. 
Ladder (LD) and function block diagrams 
(FBD) can be created by selecting the 
relevant functions and their connection 
using drag & drop. The graphical 
representation of PLC logic in the hardware 
editor supports intuitive operation. The 
programs created can be simulated offline 
on the PC and tested online during 
operation. Basic functions, such as AND, 
OR, NOT, etc. are complemented by special 
functions, such as counters, seven-day 
timers, timer modules, and mathematical 
functions, to name a few.

phoenixcontact-interface-technology-and-switching-devices-html.html
background image

For further information and full technical data, visit phoenixcontact.net/products

427

PHOENIX CONTACT

Relay modules

Programmable logic relay system - PLC logic

Logic module with plug-in relays

PLC logic combines a logic module and 

plug-in relay and eliminates the wiring effort 
and additional switching elements. Each 
relay channel can be flexibly equipped with 
an electromechanical or a solid-state relay. 
PLC logic processes 16 I/O signals with just 
one logic module and boasts an extremely 
compact overall width of just 50 mm.

Intuitive programming with LOGIC+

– Function block diagram or ladder diagram
– Numerous integrated function blocks
– Specific function blocks are available to 

download

– Hardware view in the program
– Can be downloaded free of charge

Standard programming cable

PLC logic is connected to a PC via a 

standard micro USB cable. The drivers for 
PLC logic can be downloaded at 
phoenixcontact.com.

Easily connect extension modules

The basic module and the extension 

module are connected via integrated 
connectors - no tools required. A maximum 
of two extension modules can be 
connected to a basic module. This means 
that PLC logic can work with up to 48 I/Os.

Control and monitor via Bluetooth 
adapter

Together with the PLC logic app, the 

Bluetooth adapter is available for wireless 
access to process data between the logic 
module and the mobile terminal device, and 
can be used for operation and monitoring 
purposes.

The Bluetooth connection enables 

efficient monitoring of multiple logic 
modules, with just one visualization device.

Integration into common bus systems

PLC logic is integrated into various 

networks via optional adaptable fieldbus 
gateways. This enables bidirectional 
communication with a higher-level 
controller for remote control as well as 
diagnostics and visualization.

Gateways are available for transmitting 

data via PROFIBUS DP, RS-232, RS-485, 
Modbus/TCP, DeviceNet™, CANopen

®

PROFINET, and EtherNet/IP™.

Your web code: 

#0139

phoenixcontact-interface-technology-and-switching-devices-html.html
background image

A1

A1

A1

A1

13

13

13

13

A2

A2

A2

A2

14

14

14

BB

BB

BB

BB

14

IO 

8

IO 

9

IO 1

0

IO 11

IO 12

IO 13

IO 14

IO 15

P

L

C

-V

8

C

/.../

S

A

M

24 V

0

 V

IN 

0

IN 1

IN 2

IN 3

IN 4

IN 5

IN 6

IN 7

24 V

0

 V

24 V

0

 V

Technical data

Supply

Supply voltage

24 V DC

Supply voltage range

19.2 V DC ... 26.4 V DC

19.2 V DC ... 26.4 V DC

19.2 V DC ... 26.4 V DC

Maximum input current at U

N

160 mA

Input data (digital)

Number of inputs

8 (2 configurable as analog)

8 (2 configurable as analog)

8 (2 configurable as analog)

Input voltage

24 V DC

Description of the input

EN 61131-2, type 3

Input current 0-signal

< 1 mA

Input current 1-signal

typ. 2.5 mA

Input data (analog)

Number of inputs

2 (IN6 and IN7 are configurable as analog)

2 (I

Input voltage range

0 V ... 10 V

Input resistance

> 3.5 k

Input data (PLC-INTERFACE)

Number of inputs

 8

Output data (for controlling PLC-INTERFACE)

Number of outputs

 8

Nominal voltage

24 V DC

Nominal current

9 mA

Real-time clock (basic module only)

Buffer time (capacitor)

96 h (Capacitor)

Real-time clock accuracy

±2 s/d

General data

Ambient temperature (operation)

-20 °C ... 50 °C

Ambient temperature (storage/transport)

-20 °C ... 70 °C

Permissible humidity (operation)

95 %

Air clearances and creepage distances between the power circuits

DIN EN 50178

Rated insulation voltage

50 V

Rated surge voltage

0.8 kV

Insulation

Basic insulation

Mounting type

Can be plugged onto 8 x PLC-INTERFACE

Can be plugged onto 8 x PLC-INTERFACE

Can be plugged onto 8 x PLC-INTERFACE

Degree of protection

IP20

Screw connection solid/stranded/AWG

0.14 - 1.5 mm² / 0.14 - 1.5 mm² / 28 - 16

0.14 - 1.5 mm² / 0.14 - 1.5 mm² / 28 - 16

0.14 - 1.5

Push-in connection solid/stranded/AWG

0.14 - 1.5 mm² / 0.14 - 1.5 mm² / 26 - 16

0.14 - 1.5 mm² / 0.14 - 1.5 mm² / 26 - 16

0.14 - 1

Ordering data

Description

Type

Order No.

Pcs./

Pkt.

PLC-V8C plug-in logic modules

with screw connection

PLC-V8C/SC-24DC/SAM2

2907445

1

with Push-in connection

PLC-V8C/PT-24DC/SAM2

2907443

1

428

PHOENIX CONTACT

Logic modules

PLC-V8C are the plug-in logic modules 

which form the PLC logic relay system in 
conjunction with the narrow 6.2 mm 
PLC-INTERFACE terminal blocks. Eight 
freely selectable PLC-INTERFACE terminal 
blocks must be separately ordered for each 
logic module. You can find an overview of 
matching PLC-INTERFACE terminal blocks 
on page 434.

All logic modules feature these 

properties:
– 8 integrated digital inputs (of which two 

inputs are configurable as analog inputs), 
connection via connector with screw or 
Push-in connection technology

– A further 8 channels can be configured 

with matching PLC-INTERFACE terminal 
blocks as inputs or outputs

– Programming with LOGIC+ software

PLC-V8C.../SAM2

– Stand-alone logic module with 16 I/Os, 

not extendable

– Connection to PC via micro USB socket
– Integrated real-time clock (RTC)
– Accommodates external IFS-CONFSTICK 

memory module

– Relay and analog modules can be used

PLC-V8C.../BM2

– Basic logic module with 16 I/Os, can be 

extended with a maximum of two 
extension modules (PLC-V8C.../EM) to 
48 I/Os

– Connection to PC via micro USB socket
– Integrated real-time clock (RTC)
– Accommodates external IFS-

CONFSTICK memory module

– Optional connection to IFS gateways
– Relay and analog modules can be used

PLC-V8C.../EM

– Extension logic module with 16 I/Os, for 

extending the basic module

– Relay modules can be used

Relay modules

Programmable logic relay system - PLC logic

new

Stand-alone module

Basic module

phoenixcontact-interface-technology-and-switching-devices-html.html
background image

A

1

A

1

A

1

A

1

13

13

13

13

A

2

A

2

A

2

A

2

14

14

14

BB

BB

BB

BB

14

I

O

8

I

O

9

I

O1

0

I

O1

1

I

O1

2

I

O1

3

I

O1

4

I

O1

5

PLC-V8C/.../BM

24

V

0V

I

N

0

I

N1

I

N2

I

N3

I

N4

I

N5

I

N6

I

N

7

24

V

0 V

24

V

0 V

A

1

A

1

A

1

A

1

13

13

13

13

A

2

A

2

A

2

A

2

14

14

14

BB

BB

BB

BB

14

I

O

8

I

O

9

I

O1

0

I

O1

1

I

O1

2

I

O1

3

I

O1

4

I

O1

5

PLC-V8C/.../EM

24

V

0V

I

N

0

I

N1

I

N2

I

N3

I

N4

I

N5

I

N6

I

N

7

24

V

0 V

24

V

0 V

For further information and full technical data, visit phoenixcontact.net/products

Technical data

Technical data

24 V DC

24 V DC

Supply voltage range

19.2 V DC ... 26.4 V DC

19.2 V DC ... 26.4 V DC

19.2 V DC ... 26.4 V DC

160 mA

65 mA

Number of inputs

8 (2 configurable as analog)

8 (2 configurable as analog)

8 (2 configurable as analog)

24 V DC

24 V DC

EN 61131-2, type 3

EN 61131-2, type 3

< 1 mA

< 1 mA

typ. 2.5 mA

typ. 2.5 mA

Number of inputs

2 (IN6 and IN7 are configurable as analog)

2 (IN6 and IN7 are configurable as analog)

2 (IN6 and IN7 are configurable as analog)

0 V ... 10 V

0 V ... 10 V

> 3.5 k

> 3.5 k

 8

 8

 8

 8

24 V DC

24 V DC

9 mA

9 mA

96 h (Capacitor)

-

±2 s/d

-

-20 °C ... 50 °C

-20 °C ... 45 °C

-20 °C ... 70 °C

-20 °C ... 70 °C

95 %

95 %

DIN EN 50178

DIN EN 50178

50 V

50 V

0.8 kV

0.8 kV

Basic insulation

Basic insulation

Mounting type

Can be plugged onto 8 x PLC-INTERFACE

Can be plugged onto 8 x PLC-INTERFACE

Can be plugged onto 8 x PLC-INTERFACE

IP20

IP20

 / 28 - 16

0.14 - 1.5 mm² / 0.14 - 1.5 mm² / 28 - 16

0.14 - 1.5 mm² / 0.14 - 1.5 mm² / 28 - 16

mm² / 26 - 16

0.14 - 1.5 mm² / 0.14 - 1.5 mm² / 26 - 16

0.14 - 1.5 mm² / 0.14 - 1.5 mm² / 26 - 16

Ordering data

Ordering data

Type

Order No.

Pcs./

Pkt.

Type

Order No.

Pcs./

Pkt.

PLC-V8C/SC-24DC/BM2

2907447

1

PLC-V8C/SC-24DC/EM

2903095

1

PLC-V8C/PT-24DC/BM2

2907446

1

PLC-V8C/PT-24DC/EM

2905137

1

429

PHOENIX CONTACT

Contacting

fo

r

Extensio

n

m

odule

Contacting

fo

r

Basic

o

r

Extensio

n

m

odule

Contacting

fo

r

Extensio

n

m

odule

Relay modules

Programmable logic relay system - PLC logic

new

Stand-alone module

Basic module

(can be extended)

Extension module

phoenixcontact-interface-technology-and-switching-devices-html.html
background image

I

N

OUT

Data

+

Data

-

L

og

i

c

m

odu

l

e

P

L

C

-V

8

C/

..

P

L

C

 l

og

i

c

Sensor

 

/

 Fi

e

l

d

4-

w

i

re

U

,I +

U

,I -

2

4V

GND

U

S

D

A

µ

C

5

6

1

3

2

4

Technical data

Supply

Rated control supply voltage U

S

24 V DC

Rated control supply voltage range with reference to U

S

0.8 ... 1.1

Rated control supply current I

S

13 mA

Operating voltage display

Green LED

Input signal

Voltage input

Current input

Input signal

0 V ... 10 V

2 V ... 10 V

0 mA ... 20 mA

4 mA ... 20 mA

Input resistance

> 120 k

~ 40 

Output data

Output signal

-

Maximum output signal

-

Load R

B

-

Ripple

-

General data

Ambient temperature (operation)

-20 °C ... 50 °C

Ambient temperature (storage/transport)

-20 °C ... 70 °C

Air clearances and creepage distances between the power circuits

DIN EN 50178

Rated insulation voltage

50 V

Rated surge voltage

0.5 kV

Insulation

Basic insulation

Mounting type

In rows with zero spacing

In rows

Degree of protection

IP20

Screw connection solid/stranded/AWG

0.14 - 2.5 mm² / 0.14 - 2.5 mm² / 26 - 14

0.14 - 2.5 mm² / 0.14 - 2.5 mm² / 26 - 14

0.14 - 2.5

Push-in connection solid/stranded/AWG

0.14 - 2.5 mm² / 0.14 - 2.5 mm² / 26 - 14

0.14 - 2.5 mm² / 0.14 - 2.5 mm² / 26 - 14

0.14 - 2

Ordering data

Description

Type

Order No.

Pcs./

Pkt.

Analog input

with screw connection

PLC-ASC-UI-IN

2906916

1

with Push-in connection

PLC-APT-UI-IN

2906917

1

Temperature transducer

with screw connection

with Push-in connection

Analog output

with screw connection

with Push-in connection

430

PHOENIX CONTACT

Analog modules

Together with the PLC logic logic 

modules, the analog modules enable 
standard analog signals to be processed.

The analog modules are connected to 

PLC logic stand-alone modules or basic 
modules.
– Screw and Push-in connection technology
– Status indicator for supply voltage and 

diagnostics

– Standard configuration: 4 to 20 mA or 

Pt 100

Analog input

– Available standard signals: 0 to 20 mA, 

4 to 20 mA, 0 to 10 V or 2 to 10 V 
(configurable via DIP switch)

Temperature transducer

– 2-conductor Pt 100 or Pt 1000 

(configurable via DIP switch)

– Temperature measuring range: 

-50 to 200°C

Analog output

– Available standard signals: 0 to 20 mA, 

4 to 20 mA, 0 to 10 V or 2 to 10 V 
(configurable via DIP switch)

Relay modules

Programmable logic relay system - PLC logic

D W

H

new

Notes:

The analog modules cannot be operated separately and must only 

be used in connection with the PLC logic logic modules.

Analog input

Temperature transducer

Analog output

phoenixcontact-interface-technology-and-switching-devices-html.html
background image

I

N

OUT

Data

+

Data

-

L

og

i

c

m

odu

l

e

P

L

C

-V

8

C/

..

P

L

C

 l

og

i

c

Sensor

 

/

 Fi

e

l

d

2

4V

GND

D

µ

C

5

6

1

3

2

4

I

N

OUT

Data

+

Data

-

L

og

i

c

m

odu

l

e

P

L

C

-V

8

C/

..

P

L

C

 l

og

i

c

Fi

e

l

d

 

/

 

Dev

i

ce

2

4V

GND

D

A

µ

C

5

6

1

3

2

4

pass

i

ve

U

,I +

U

,I -

For further information and full technical data, visit phoenixcontact.net/products

Technical data

Technical data

24 V DC

24 V DC

0.8 ... 1.1

0.8 ... 1.1

14 mA

14 mA (U

Out

 = 10 V)

Green LED

Green LED

Temperature range

-50 °C ... 200 °C

-

-

-

Voltage output

Current output

-

0 V ... 10 V

2 V ... 10 V

0 mA ... 20 mA

4 mA ... 20 mA

-

12.3 V

24.6 mA

-

10  k

500 

 (20 mA)

-

<  20  mV

PP

-

-20 °C ... 50 °C

-20 °C ... 50 °C

-20 °C ... 70 °C

-20 °C ... 70 °C

DIN EN 50178

DIN EN 50178

50 V

50 V

0.5 kV

0.5 kV

Basic insulation

Basic insulation

Mounting type

In rows with zero spacing

In rows with zero spacing

In rows with zero spacing

IP20

IP20

 / 26 - 14

0.14 - 2.5 mm² / 0.14 - 2.5 mm² / 26 - 14

0.14 - 2.5 mm² / 0.14 - 2.5 mm² / 26 - 14

mm² / 26 - 14

0.14 - 2.5 mm² / 0.14 - 2.5 mm² / 26 - 14

0.14 - 2.5 mm² / 0.14 - 2.5 mm² / 26 - 14

Ordering data

Ordering data

Type

Order No.

Pcs./

Pkt.

Type

Order No.

Pcs./

Pkt.

PLC-ASC-PT100-IN

2906918

1

PLC-APT-PT100-IN

2906919

1

PLC-ASC-UI-OUT

2906920

1

PLC-APT-UI-OUT

2906921

1

431

PHOENIX CONTACT

Relay modules

Programmable logic relay system - PLC logic

D W

H

new

D W

H

new

Analog input

Temperature transducer

Analog output

phoenixcontact-interface-technology-and-switching-devices-html.html
background image

Technical data

Technical data

General data

EMC note

 

Class A product, see page 605

Ordering data

Ordering data

Description

Color

Type

Order No.

Pcs./

Pkt.

Type

Order No.

Pcs./

Pkt.

Programming cable

CAB-USB A/MICRO USB B/2,0M

2701626

1

Multi-functional memory module

 for the Interface system

- Flat design

IFS-CONFSTICK

2986122

1

– The programming cable (MICRO USB B 

to USB A) is used to connect PLC logic to 
a PC, length: 2 m

– PLC logic programs are saved by the 

memory module or can be easily copied 
to other devices

Accessories
Programming cable and memory 
module

Relay modules

Programmable logic relay system - PLC logic

Cable for programming

Memory module

Ordering data

Description

Color

Type

Order No.

Pcs./

Pkt.

PLC logic starter kit 3

, consisting of: plug-in stand-alone logic 

module, eight relay output terminal blocks with Push-in connection 

(250

 

V

 

AC/DC, max.

 

6

 

A), and micro USB programming cable

PLC-LOGIC-STARTERKIT3

2909916

1

432

PHOENIX CONTACT

new

The PLC logic starter kit with 8 inputs 

and 8 outputs contains all the components 
needed to get started quickly and easily 
with PLC logic with Push-in connection 
technology.
– PLC-V8C-PT/24DC/SAM2 

plug-in logic module

– PLC-RPT-24DC/1/ACT 

eight relay output terminal blocks

– Micro USB programming cable

Accessories
PLC logic starter kit

Starter kit with stand-alone module

phoenixcontact-interface-technology-and-switching-devices-html.html
background image

For further information and full technical data, visit phoenixcontact.net/products

Technical data

Technical data

General data

EMC note

Class A product, see page 605

 

Ordering data

Ordering data

Description

Color

Type

Order No.

Pcs./

Pkt.

Type

Order No.

Pcs./

Pkt.

IFS gateway 

for

PROFIBUS DP

green

EM-PB-GATEWAY-IFS

2297620

1

RS-232

green

EM-RS232-GATEWAY-IFS

2901526

1

RS-485

green

EM-RS485-GATEWAY-IFS

2901527

1

Modbus/TCP

green

EM-MODBUS-GATEWAY-IFS

2901528

1

DeviceNet™

green

EM-DNET-GATEWAY-IFS

2901529

1

CANopen

®

green

EM-CAN-GATEWAY-IFS

2901504

1

PROFINET

green

EM-PNET-GATEWAY-IFS

2904472

1

EtherNet/IP™

green

EM-ETH-GATEWAY-IFS

2901988

1

Programming adapter

 for configuring modules with 

S-PORT interface

Cable length: 3 m

IFS-USB-DATACABLE

2320500

1

DIN rail connector

green

ME 22,5 TBUS 1,5/ 5-ST-3,81  GN

2707437

50

Connecting cable

 for connecting PLC logic with the 

ME 22,5 TBUS DIN rail connector, cable length: 0.3 m

PLC-V8C/CAB/TBUS/0,3M

2905263

1

Bluetooth programming adapter, 

with USB and 

S-PORT interface

IFS-BT-PROG-ADAPTER

2905872

1

433

PHOENIX CONTACT

Relay modules

Programmable logic relay system - PLC logic

IFS gateways

Bluetooth adapter

– The gateways are connected to the 

PLC-V8C.../BM PLC logic basic module via 
the DIN rail connector and the 
connecting cable

– The Bluetooth adapter is connected to 

the logic module via the memory 
connection
Current values are monitored and 

controlled via the PLC logic app.

INTERFACE system bus master terminal 

(IB IL IFS-MA-PAC, 

2692720

) for 

connecting PLC logic to an Inline controller, 
see Catalog 6, Automation

H

W

D

Accessories
IFS gateways and Bluetooth adapter

phoenixcontact-interface-technology-and-switching-devices-html.html
background image

434

PHOENIX CONTACT

Selection table for PLC-INTERFACE

Push-in connection

Screw connection

Relay output

Type

Order No.

Type

Order No.

1 changeover contact, output data 6 A, 250 V AC/DC

PLC-RPT-24DC/21

2900299

PLC-RSC-24DC/21

2966171

1 changeover contact, output data 50 mA, 36 V DC, gold contact

PLC-RPT-24DC/21AU

2900306

PLC-RSC-24DC/21AU

2966265

1 N/O contact, output data 6 A, 250 V AC/DC, actuator type

PLC-RPT-24DC/1/ACT

2900312

PLC-RSC-24DC/1/ACT

2966210

1 N/O contact with switch, output data 6 A, 250 V AC/DC

PLC-RPT-24UC/1/S/H

2900328

PLC-RSC-24UC/1/S/H

2982236

Solid-state relay output

Output data 100 mA, 3 V DC - 48 V DC

PLC-OPT-24DC/48DC/100

2900352

PLC-OSC-24DC/48DC/100

2966728

Output data 3 A, 3 V DC - 33 V DC

PLC-OPT-24DC/24DC/2

2900364

PLC-OSC-24DC/24DC/2

2966634

Output data 750 mA, 24 V AC - 253 V AC

PLC-OPT-24DC/230AC/1

2900369

PLC-OSC-24DC/230AC/1

2967840

Output data 3 A, 3 V DC - 33 V DC, actuator type

PLC-OPT-24DC/24DC/2/ACT

2900376

PLC-OSC-24DC/24DC/2/ACT

2966676

Output data 750 mA, 24 V AC - 253 V AC, actuator type

PLC-OSC-24DC/230AC/1/ACT

2967947

Output data 1 A, 12 V DC - 300 V DC

PLC-OPT-24DC/300DC/1

2900383

PLC-OSC-24DC/300DC/1

2980678

Output data 10 A, 3 V DC - 33 V DC

PLC-OPT-24DC/24 DC/10/R

2900398

PLC-OSC-24DC/24DC/10/R

2982702

Output data 500 mA, 3 V DC - 48 V DC, electronic changeover contact

PLC-OPT-24DC/48DC/500/W

2900378

PLC-OSC-24DC/48DC/500/W

2980636

Output data, TTL, 50 mA, 5 V DC 

PLC-OPT-24DC/TTL

2900363

PLC-OSC-24DC/TTL

2982728

Analog output

Output signal 0 V ... 10 V, 2 V ... 10 V, 0 mA ... 20 mA, 2 mA ... 20 mA

PLC-APT-UI-OUT

2906921

PLC-ASC-UI-OUT

2906920

Relay input

Input voltage 24 V DC

PLC-RPT-24DC/1AU/SEN

2900313

PLC-RSC-24DC/1AU/SEN

2966317

Input voltage 120 V AC/DC

PLC-RPT-120UC/1AU/SEN

2900314

PLC-RSC-120UC/1AU/SEN

2966320

Input voltage 230 V AC/DC

PLC-RPT-230UC/1AU/SEN

2900315

PLC-RSC-230UC/1AU/SEN

2966333

Input voltage 5 V DC (basic terminal block without relay)

PLC-BSC- 5DC/ 1/SEN

2980267

Relay for 5 V DC basic terminal block 

REL-MR-4,5DC/21AU

2961370

Solid-state relay input

Input voltage 24 V DC

PLC-OPT-24DC/V8C/SEN

2908172

PLC-OSC-24DC/V8C/SEN

2908173

Input voltage 120 V AC/DC

PLC-OPT-120UC/V8C/SEN

2908174

PLC-OSC-120UC/V8C/SEN

2908175

Input voltage 230 V AC/DC

PLC-OPT-230UC/V8C/SEN

2908176

PLC-OSC-230UC/V8C/SEN

2908177

Analog input

Input  signal  0 V  ...  10 V,  2 V  ...  10 V,  0 mA  ...  20 mA,  2 mA  ...  20 mA

PLC-APT-UI-IN

2906917

PLC-ASC-UI-IN

2906916

Input signal: Pt 100 or Pt 1000 sensor

PLC-APT-PT100-IN

2906919

PLC-ASC-PT100-IN

2906918

Dummy or reserve

Basic terminal blocks output

PLC-BPT-24DC/21

2900445

PLC-BSC-24DC/21

2966016

Basic terminal blocks input

PLC-BPT-24DC/1/SEN

2900262

PLC-BSC-24DC/1/SEN

2966061

Relay modules

Programmable logic relay system - PLC logic

phoenixcontact-interface-technology-and-switching-devices-html.html
background image

For further information and full technical data, visit phoenixcontact.net/products

435

PHOENIX CONTACT

Relay modules

Programmable logic relay system - PLC logic

LOGIC+ programming software

Integrated web server

PLC logic basic settings are easily 

configured via the integrated web server. 
The LOGIC+ software does not need to be 
installed in order to do so.
– Time  and  date
– Password and access control
– Firmware update
– Status indicators for inputs and outputs
– General device information

Logic+ user interface

– Clear separation in program editor, 

toolbox, hardware view, and signaling 
window

– All elements can be easily placed using 

drag & drop

– Information and errors are highlighted in 

color in the program editor

Hardware configurator

– Each channel can be configured as an 

input or output and with relay or analog 
modules

– Clear assignment of the inputs and 

outputs thanks to the graphical 
representation of the hardware 
connections

Function blocks

– Basic functions: AND, OR, NOT, XOR
– Mathematical functions: add, divide, 

multiply, subtract, generate absolute value

– Positive and negative edge detection
– RS and SR flip-flops
– Switch-on and switch-off delay, pulse 

encoder, pulse stretching, weekly clock 
timer

– Up  and  down  counter
– Analog and digital comparators
– Special functions, for example, roller 

shutter control or pulse width 
modulation are available to download

Simulation and online values

Offline simulation:

– Simulation of the created program 

directly in LOGIC+

– Virtualization of the values in the program 

editor, hardware view, and in the 
observation window
Online values:

– Representation of the program running 

on the hardware in LOGIC+ with online 
values

– Overwriting values from LOGIC+

PLC logic app

Once the app is installed on your 

smartphone or tablet, it can be used to 
make parameter adjustments to the logic 
modules. The visualization view is created 
via the editor of the web server integrated 
in the logic modules. The app can be used 
for operation and monitoring, as it can 
access all program variables.
– Inputs and outputs (digital, analog)
– Flags
– Numerical values
– Time values

phoenixcontact-interface-technology-and-switching-devices-html.html
background image

436

PHOENIX CONTACT

Relay modules

Relay modules in terminal block design - DEK series

The Phoenix Contact DEK interface 

terminal blocks provide complete interface 
functions in terminal block housing that is 
just 6.2 mm wide. In conjunction with 
standard terminal block accessories, these 
high-capacity interfaces have not only the 
design but also the high level of user 
convenience of terminal blocks.

The main common feature of all 

Phoenix Contact interface terminal blocks 
is their width of just 6.2 mm. This saves 60% 
space in the control cabinet in comparison 
to conventional 15 mm wide coupling relays 
from modular systems.

The DEK range offers the best solution 

for all industrial voltages both for signal 
input and output.

High switching capacities are a matter 

of course for the DEK-REL... relay terminal 
block and the DEK-OV... solid-state relay 
terminal block.

The wear-free DEK-OV... power 

solid-state relay terminal block is used for 
applications that require a greater switching 
frequency in which electromechanical relays 
reach the end of their service life in a short 
time.

Integrated LEDs clearly indicate the 

switching status of the electronic terminal 
blocks and provide an excellent overview of 
the coupling level and the system.

EB-DIK color-coded insertion bridges for 

the supply and ground signals make it 
possible to design the circuit simply and 
effectively.

Integrated protective circuits such as 

freewheeling diodes, polarity reversal 
protection diodes, and surge protection 
elements protect the coupling modules and 
ensure optimum availability of the system.

phoenixcontact-interface-technology-and-switching-devices-html.html
background image

A1

+

A2

-

12

14

11

For further information and full technical data, visit phoenixcontact.net/products

 

Technical data

Input data

 

 

 

 

 

 

 

 

 

Permissible range (with reference to U

N

)

0.8  - 

1.1

Typical input current at U

N

[mA]

9

Response/release time at U

N

[ms]

8 / 5

Input protection:

Yellow LED, reverse polarity protection, freewheeling diode

Output data

Contact type

1 PDT

Contact material

AgSnO

Max. switching voltage

250 V AC/DC

Minimum switching voltage

12 V AC/DC

Limiting continuous current

6 A

Maximum switch-on current

6 A

Minimum switching current

10 mA

Maximum interrupting rating, ohmic load

24 V DC

140 W

48 V DC

20 W

60 V DC

18 W

110 V DC

23 W

220 V DC

40 W

250 V AC

1500 VA

General data

Test voltage (winding / contact)

4 kV AC (50 Hz, 1 min.)

Ambient temperature (operation)

-20 °C ... 50 °C

Mechanical service life

Approx. 10

7

 cycles

Standards/regulations

IEC

 

60664 , EN 50178

Connection data solid/stranded/AWG

0.2 - 2.5 mm² / 0.2 - 2.5 mm² / 24 - 14

Dimensions

W / H / D

6.2 mm / 80 mm / 56 mm

EMC note

Class A product, see page 605

Ordering data

Description

Input voltage

U

N

Type

Order No.

Pcs./

Pkt.

Relay terminal block with power relay

24 V DC

DEK-REL-G24/21

2964500

10

Accessories

Cover

D-DEK 1,5 GN

2716949

10

Insertion bridge,

 for middle and lower 

levels

No. of

pos.

Color

80

blue

EB 80- DIK BU

26 A

2715940

1

80

red

EB 80- DIK RD

26 A

2715953

1

80

white

EB 80- DIK WH

26 A

2715788

1

437

PHOENIX CONTACT

Notes:

Type of housing:

Polyamide PA, non-reinforced, color: green.

Marking systems and mounting material

See Catalog 3

For the protection of relay coils and contacts, inductive loads must 

be dampened with an efficient protection circuit.

For additional EB...DIK... insertion bridges, refer to page 443

D W

H

The Phoenix relay terminal block with 

PDT contact offers the following 
advantages:
– Width of only 6.2 mm
– High switching capacity of 250 V AC / 6 A
– Less storage, since PDT, N/O or 

N/C contacts can be wired

– Minimal wiring effort due to the use of 

EB-DIK insertion bridges

– IP67 protected relay housing
– Cadmium-free relay contacts
– 4 kV electrical isolation of input and 

output

– Safe isolation in acc. with DIN EN 50178 

(VDE 0160)

– Light indicator for signaling the switching 

state

DEK-REL-... relay terminal block

Relay modules

Relay modules in terminal block design - DEK series

For medium to large power

1 PDT (21)

phoenixcontact-interface-technology-and-switching-devices-html.html
background image

A

0

+

A1

A2

13

14

14

Technical data

Input data

 

 

 

 

 

 

 

 

 

 

Permissible range (with reference to U

N

)

0.9  - 

1.1

0.8 - 

1.1

Typical input current at U

N

[mA]

23

6.5

Response/release time at U

N

[ms]

8 / 15

5 / 15

Input protection:

Yellow LED, bridge rectifier

Yellow LED, bridge rectifier

Yellow LED, bridge rectifier

Yellow LED, bridge rectifi

Output data

Contact type

1 N/O contact (double contact)

1 N/O contact (double contact)

1 N/O contact

1 N/O contact

Contact material

AgNi, hard gold-plated

AgNi, hard gold-plated

AgNi, hard gold-plated

AgNi, hard gold-plated

Max. switching voltage

250 V AC / 125 V DC

Minimum switching voltage

0.1 V

Limiting continuous current

3 A (5 A up to 35°C at 24 V DC)

3 A (5 A up to 35°C at 24 V DC)

3 A (5 A up to 35°C at 24 V DC)

3 A (5 

Maximum switch-on current

5 A

Minimum switching current

1 mA

Maximum interrupting rating, ohmic load

24 V DC

72 W

48 V DC

60 W

60 V DC

50 W

110 V DC

50 W

250 V AC

750 VA

General data

Test voltage (winding / contact)

2 kV AC (50 Hz, 1 min.)

2 kV AC (50 Hz, 1 min.)

2 kV AC (50 Hz, 1 min.)

2 kV AC (50 Hz, 1 min.)

Ambient temperature (operation)

-20 °C ... 50 °C

Mechanical service life

Approx. 2x 10

7

 cycles

Standards/regulations

IEC

 

60664 , EN 50178

IEC

Connection data solid/stranded/AWG

0.2 - 2.5 mm² / 0.2 - 2.5 mm² / 24 - 14

0.2 - 2.5 mm² / 0.2 - 2.5 mm² / 24 - 14

0.2 - 2.5 mm² /

Dimensions

W / H / D

6.2 mm / 80 mm / 56 mm

6.2 mm / 80 mm / 56 mm

6.2 mm / 80 mm / 56 mm

6.2 mm / 80 mm / 56 mm

EMC note

Class A product, see page 605

Class A product, see page

Ordering data

Description

Input voltage

U

N

Type

Order No.

Pcs./

Pkt.

Relay terminal block with miniature relay

5 V AC/DC

DEK-REL-  5/I/1

2941183

10

24 V AC/DC

DEK-REL- 24/I/1

2940171

10

Accessories

Terminal block

, with three through contacts, for mounting on NS 35...

For busbar supply

Cover

D-DEK 1,5 GN

2716949

10

Insertion bridge,

 for middle and lower 

levels

No. of

pos.

Color

80

blue

EB 80- DIK BU

26 A

2715940

1

80

red

EB 80- DIK RD

26 A

2715953

1

80

white

EB 80- DIK WH

26 A

2715788

1

438

PHOENIX CONTACT

DEK-REL-24/1/SEN input interface and 
DEK-REL-24/1/AKT output interface

In addition to the familiar advantages of 

the DEK-REL... electronic terminal blocks, 
such as:
– 2-layer contact with hard gold-plating for 

universal applications from 1 mA to 5 A 
continuous current

– 2  kV

rms

 electrical isolation of input and 

output

– Integrated input circuit

With this terminal block, “ALL” 

connections for a sensor or actuator are 
provided in a width of just 6.2 mm.

This means that 16 outputs take up a 

total overall width of just 105.4 mm 
(including the power terminal).

Advantages:

– Lower costs as the N terminal block is no 

longer required

– Wiring is reduced to a minimum
– Space savings of up to 73%

PLC

IN

+

PLC

Pin configuration DEK-REL-...SEN

Load

Supp

l

y

(

+

)

S

i

gna

l l

oad

PLC

O

U

T

-

PLC

G

round

l

oad

Pin configuration, DEK-REL-...AKT

Relay modules

Relay modules in terminal block design - DEK series

D W

H

Notes:

Type of housing:

Polyamide PA, non-reinforced, color: green.

Marking systems and mounting material

See Catalog 3

For the protection of relay coils and contacts, inductive loads must 

be dampened with an efficient protection circuit.

For additional EB...DIK... insertion bridges, refer to page 443

for small to medium loads

1 N/O contact (1)

phoenixcontact-interface-technology-and-switching-devices-html.html
background image

A1

A2

A2

13

14

A1

A2

13

14

A1

A2

13

14

For further information and full technical data, visit phoenixcontact.net/products

 

 

Technical data

Technical data

Technical data

 

 

 

 

 

 

 

 

 

 

 

 

 

 

 

 

 

 

 

 

 

 

 

 

 

 

 

 

0.9 - 

1.1

0.8 - 

1.1

0.8 - 

1.1

0.8 - 

1.1

23

6.5

6.5

6.5

8 / 15

5 / 15

5 / 15

5 / 15

Input protection:

Yellow LED, bridge rectifier

Yellow LED, bridge rectifier

Yellow LED, bridge rectifier

Yellow LED, bridge rectifier

Contact type

1 N/O contact (double contact)

1 N/O contact (double contact)

1 N/O contact

1 N/O contact

Contact material

AgNi, hard gold-plated

AgNi, hard gold-plated

AgNi, hard gold-plated

AgNi, hard gold-plated

250 V AC / 125 V DC

250 V AC / 125 V DC

250 V AC / 125 V DC

0.1 V

0.1 V

0.1 V

Limiting continuous current

3 A (5 A up to 35°C at 24 V DC)

3 A (5 A up to 35°C at 24 V DC)

3 A (5 A up to 35°C at 24 V DC)

3 A (5 A up to 35°C at 24 V DC)

5  A

5  A

5  A

1 mA

1 mA

1 mA

72 W

72 W

72 W

60 W

60 W

60 W

50 W

50 W

50 W

50 W

50 W

50 W

750 VA

750 VA

750 VA

Test voltage (winding / contact)

2 kV AC (50 Hz, 1 min.)

2 kV AC (50 Hz, 1 min.)

2 kV AC (50 Hz, 1 min.)

2 kV AC (50 Hz, 1 min.)

-20 °C ... 50 °C

-20 °C ... 50 °C

-20 °C ... 50 °C

Approx. 2x 10

7

 cycles

Approx. 2x 10

7

 cycles

Approx. 2x 10

7

 cycles

60664 , EN 50178

IEC

 

60664 , EN 50178

IEC

 

60664 , EN 50178

IEC

 

60664 , EN 50178

Connection data solid/stranded/AWG

0.2 - 2.5 mm² / 0.2 - 2.5 mm² / 24 - 14

0.2 - 2.5 mm² / 0.2 - 2.5 mm² / 24 - 14

0.2 - 2.5 mm² / 0.2 - 2.5 mm² / 24 - 14

0.2 - 2.5 mm² / 0.2 - 2.5 mm² / 24 - 14

Dimensions

W / H / D

6.2 mm / 80 mm / 56 mm

6.2 mm / 80 mm / 56 mm

6.2 mm / 80 mm / 56 mm

6.2 mm / 80 mm / 56 mm

EMC note

Class A product, see page 605

Class A product, see page 605

Class A product, see page 605

Class A product, see page 605

Ordering data

Ordering data

Ordering data

Type

Order No.

Pcs./

Pkt.

Type

Order No.

Pcs./

Pkt.

Type

Order No.

Pcs./

Pkt.

DEK-REL-  5/O/1

2941170

10

DEK-REL- 24/O/1

2941154

10

DEK-REL- 24/1/AKT

2964063

10

DEK-REL- 24/1/SEN

2964050

10

Accessories

Accessories

Accessories

DIKD 1,5

2715979

50

DIKD 1,5

2715979

50

D-DEK 1,5 GN

2716949

10

D-DEK 1,5 GN

2716949

10

D-DEK 1,5 GN

2716949

10

EB 80- DIK BU

26 A

2715940

1

EB 80- DIK BU

26 A

2715940

1

EB 80- DIK BU

26 A

2715940

1

EB 80- DIK RD

26 A

2715953

1

EB 80- DIK RD

26 A

2715953

1

EB 80- DIK RD

26 A

2715953

1

EB 80- DIK WH

26 A

2715788

1

EB 80- DIK WH

26 A

2715788

1

EB 80- DIK WH

26 A

2715788

1

439

PHOENIX CONTACT

Relay modules

Relay modules in terminal block design - DEK series

D W

H

D W

H

D W

H

for small to medium loads

1 N/O contact (1)

for small to medium loads

1 N/O contact (1)

for small to medium loads

1 N/O contact (1)

phoenixcontact-interface-technology-and-switching-devices-html.html
background image

A

C

DC

A1

+

-

A2

+

A

0

A

1

A

2

+

A

0

10 20 30 40 50

0

0

,

8

0

,

6

0

,

4

0

,

2
0

60

1
2

1

2

10 20 30 40 50

0

0

3

1

2

60

10

0

20

30

40

50

60

10

9

8
7
6
5
4
3
2
1
0

Technical data

Input data

 

 

 

 

 

 

 

 

 

 

 

 

 

 

Permissible range (with reference to U

N

)

0.9  - 

1.1

0.8 - 

1.2

0.8 - 

1.2

0.8 - 

1.2

0.9 - 

1.1

0.9 - 

1.1

Switching level with reference to U

N

1 signal ("H")

 0.8

 0.8

 0.8

 0.8

 0.8

 0.9

0 signal ("L")

 0.4

 0.4

 0.4

 0.4

 0.4

 0.4

Typical input current at U

N

[mA]

6.5

11

7

4

3.2

2.5

11

8.5

7

7

5.1

4.7

3.5

10.2

10.5

10.7

Transmission frequency f

limit

[Hz]

300

300

300

300

3

3

300

300

300

300

100

100

100

10

10

10

Input circuit AC

Yellow LED, reverse polarity protection, surge protection

Input circuit DC

Yellow LED, reverse polarity protection

Yellow LED, reverse polarity protection

Yellow LED, reverse polarity prot

Output data

Operating voltage range

3 V DC ... 48 V DC

Periodic peak reverse voltage

-

Limiting continuous current

100 mA

Minimum load current

-

Surge current

-

Leakage current in off state

-

Max. load value

-

Output protection

Reverse polarity protection, freewheeling diode

Reverse polarity protection, surge protection

Reverse polarity p

Voltage drop at maximum limiting continuous current

 0.9 V

General data

Test voltage input/output

2.5 kV (50 Hz, 1 min.)

Ambient temperature (operation)

-20 °C ... 60 °C

Standards/regulations

IEC

 

60664 , EN 50178

IEC

Degree of pollution/surge voltage category

2 / III

Connection data solid/stranded/AWG

0.2 - 2.5 mm² / 0.2 - 2.5 mm² / 24 - 14

0.2 - 2.5 mm² / 0.2 - 2.5 mm² / 24 - 14

0.2 - 2.5 mm² /

Dimensions

W / H / D

6.2 mm / 80 mm / 56 mm

6.2 mm / 80 mm / 56 mm

6.2 mm / 80 mm / 56 mm

6.2 mm / 80 mm / 56 mm

EMC note

Class A product, see page 605

Class A product, see page 605

Class A product, see page 605

Ordering data

Description

Input voltage

U

N

Type

Order No.

Pcs./

Pkt.

Solid-state input relays

5 V DC

DEK-OE-  5DC/ 48DC/100

2940223

10

12 V DC

DEK-OE- 12DC/ 48DC/100

2964487

10

24 V DC

DEK-OE- 24DC/ 48DC/100

2940207

10

60 V DC

DEK-OE- 60DC/ 48DC/100

2941536

10

120 V AC

DEK-OE-120AC/ 48DC/100

2941659

10

230 V AC

DEK-OE-230AC/ 48DC/100

2940210

10

Solid-state power relays

5 V DC

12 V DC

24 V DC

Actuator principle

24 V DC

Accessories

Insertion bridge,

 for middle and lower 

levels

No. of

pos.

Color

80

blue

EB 80- DIK BU

26 A

2715940

1

80

red

EB 80- DIK RD

26 A

2715953

1

80

white

EB 80- DIK WH

26 A

2715788

1

440

PHOENIX CONTACT

DEK-OE... and DEK-OV... 
solid-state relay terminal blocks

Relay modules

Relay modules in terminal block design - DEK series

D W

H

Notes:

Type of housing:

Polyamide PA, non-reinforced, color: green.

Marking systems and mounting material

See Catalog 3

For the protection of input and output, inductive loads must be 

dampened with an effective protection circuit.

For additional EB...DIK... insertion bridges, refer to page 443

with DC voltage output

max. = 100 mA

Derating curve for DEK-OV...240AC/800

Ambient temperature [°C]

L

o

ad

 c

u

rre

n

[A

]

Derating curve for 

DEK-OV...24DC/3 and DEK-OV-24DC/24DC/3/AKT

Ambient temperature [°C]

Horizontal mounting

Vertical mounting

L

o

a

d

 c

u

rre

n

[A

]

Derating curve for DEK-OV-24DC/24DC/10

Ambient temperature [°C]

L

o

ad

 c

u

rre

n

t [

A

]

Phoenix Contact DEK-OE and DEK-OV 

interface terminal blocks are only 6.2 mm 
wide but still provide a complete input or 
output interface with:
– Electrical isolation between input and 

output at up to 2.5 kV

rms

– Integrated input circuit
– Status display
– EB-DIK insertion bridges
– Marking and mounting with terminal 

block convenience

– Wear-free switching up to 24 V DC/10 A 

and 240 V AC/800 mA

– Integrated output protection circuit
– Zero voltage switch at AC output
– Actuator version available

phoenixcontact-interface-technology-and-switching-devices-html.html
background image

D

EK-

O

V.../

2

4

DC

/

3

/AKT

D

EK-

O

V.../

2

4

DC

/

3

A1+

A2-

14

13+

A1+

A2-

A2-

14

13+

A1

A2

A

+

0

A1

+

A2

-

13

13

14

For further information and full technical data, visit phoenixcontact.net/products

 

Technical data

Technical data

Technical data

 

 

 

 

 

 

 

 

 

 

 

 

 

 

 

 

 

 

 

 

 

 

 

 

 

 

 

 

 

 

 

 

 

 

0.8 - 

1.2

0.8 - 

1.2

0.8 - 

1.2

0.8 - 

1.2

0.8 - 

1.2

0.8 - 

1.2

0.8 - 

1.2

0.8 - 

1.2

0.8 - 

1.2

0.8 - 

1.2

 0.8

 0.8

 0.8

 0.8

 0.8

 0.8

 0.8

 0.8

 0.8

 0.8

 0.4

 0.4

 0.4

 0.4

 0.4

 0.4

 0.4

 0.4

 0.4

 0.4

[mA]

6.5

11

7

4

3.2

2.5

11

8.5

7

7

5.1

4.7

3.5

10.2

10.5

10.7

[Hz]

300

300

300

300

3

3

300

300

300

300

100

100

100

10

10

10

Input circuit DC

Yellow LED, reverse polarity protection

Yellow LED, reverse polarity protection

Yellow LED, reverse polarity protection, surge protection

Yellow LED, reverse polarity protection, surge protection

3 V DC ... 30 V DC

5 V DC ... 30 V DC

10 V AC ... 253 V AC (50/60 Hz)

-

-

600  V

3 A (see derating curve)

10 A (see derating curve)

0.8 A (see derating curve)

-

-

10  mA

-

100 A (t = 20 ms)

30 A (t = 10 ms)

-

-

1.2  mA

-

-

4.5  A

2

s

Output protection

Reverse polarity protection, freewheeling diode

Reverse polarity protection, surge protection

Reverse polarity protection, surge protection

RCV circuit

 0.2 V

< 50 mV

 1 V

2.5 kV (50 Hz, 1 min.)

2.5 kV (50 Hz, 1 min.)

2.5 kV (50 Hz, 1 min.)

-20 °C ... 60 °C

-20 °C ... 60 °C

-20 °C ... 60 °C

60664 , EN 50178

IEC

 

60664 , EN 50178

IEC

 

60664 , EN 50178

IEC

 

60664 , EN 50178

2 / III

2 / III

2 / III

Connection data solid/stranded/AWG

0.2 - 2.5 mm² / 0.2 - 2.5 mm² / 24 - 14

0.2 - 2.5 mm² / 0.2 - 2.5 mm² / 24 - 14

0.2 - 2.5 mm² / 0.2 - 2.5 mm² / 24 - 14

0.2 - 4 mm² / 0.2 - 2.5 mm² / 24 - 12

Dimensions

W / H / D

6.2 mm / 80 mm / 56 mm

6.2 mm / 80 mm / 56 mm

6.2 mm / 80 mm / 56 mm

6.2 mm / 80 mm / 56 mm

EMC note

Class A product, see page 605

Class A product, see page 605

Class A product, see page 605

 

Ordering data

Ordering data

Ordering data

Type

Order No.

Pcs./

Pkt.

Type

Order No.

Pcs./

Pkt.

Type

Order No.

Pcs./

Pkt.

DEK-OV-  5DC/ 24DC/  3

2941361

10

DEK-OV-  5DC/ 24DC/ 10

2961752

10

DEK-OV-  5DC/240AC/800

2964623

10

DEK-OV- 12DC/ 24DC/  3

2941387

10

DEK-OV- 12DC/ 24DC/ 10

2961749

10

DEK-OV- 12DC/240AC/800

2964636

10

DEK-OV- 24DC/ 24DC/  3

2941374

10

DEK-OV- 24DC/ 24DC/ 10

2964322

10

DEK-OV- 24DC/240AC/800

2964649

10

DEK-OV- 24DC/ 24DC/  3/AKT

2964296

10

Accessories

Accessories

Accessories

EB 80- DIK BU

26 A

2715940

1

EB 80- DIK BU

26 A

2715940

1

EB 80- DIK BU

26 A

2715940

1

EB 80- DIK RD

26 A

2715953

1

EB 80- DIK RD

26 A

2715953

1

EB 80- DIK RD

26 A

2715953

1

EB 80- DIK WH

26 A

2715788

1

EB 80- DIK WH

26 A

2715788

1

EB 80- DIK WH

26 A

2715788

1

441

PHOENIX CONTACT

Relay modules

Relay modules in terminal block design - DEK series

D W

H

D W

H

D W

H

with DC voltage output

max. = 3 A

with DC voltage output

max. = 10 A

with AC voltage output

max. = 800 mA

phoenixcontact-interface-technology-and-switching-devices-html.html
background image

442

PHOENIX CONTACT

Relay modules

Special relays and solid-state relays

DEK-REL-24/1/S switch/relay 
terminal block

The “Manual”, “0”, and “Automatic” 

functions are performed in a relay terminal 
block that is just 6.2 mm wide.

Interference-free relay and 
solid-state relay interfaces

Coupled interference voltages on the coil 

lines or leakage currents can cause 
malfunctions in conventional modules. 
These special interface modules, equipped 
with high switching thresholds and/or 
effective filters, ensure good functioning.

ST-REL... and EMG 17-REL... relay 
interfaces for switching lamp loads

Lamp loads and capacitive loads produce 

extremely high inrush currents which weld 
conventional relay contacts. 
To prevent this, Phoenix Contact uses an 
arc-resistant contact optimized for these 
applications, which keeps these peaks under 
control.

ST-OV 3-24DC/400/3 plug-in 
solid-state power relays

The output of this component, 

dimensioned with a peak reverse voltage of 
800 V, allows, for example, 230 V motors to 
be driven in simple reversible mode.

Power circuit breaker solid-state relay, 
with signal logic

These modules combine the features of a 

short-circuit-proof power solid-state relay 
and those of a thermomagnetic protection 
element.

DEK-OE-...100KHZ 100 kHz input 
solid-state relay

Input solid-state relay for reliable 

transmission of high-frequency signals, such 
as those that occur with incremental 
encoders, for example.

Electronic sensor terminal block for 
NAMUR proximity sensors

For converting the changeable resistance 

of a NAMUR sensor into a digital signal that 
can be read by a PLC.

DEK-TR/INV inverter module 

Module for converting NPN outputs to 

PNP outputs and PNP to NPN.

phoenixcontact-interface-technology-and-switching-devices-html.html
background image

A

H

A2

13

14

For further information and full technical data, visit phoenixcontact.net/products

 

Technical data

Input data

 

 

 

 

 

 

 

 

 

Permissible range (with reference to U

N

)

0.8  - 

1.1

Typical input current at U

N

[mA]

6.5

Response/release time at U

N

[ms]

5 / 15

Input protection:

Yellow LED, bridge rectifier

Output data

Contact type

1 N/O contact

Contact material

AgNi, hard gold-plated

Max. switching voltage

250 V AC / 125 V DC

Minimum switching voltage

0.1 V

Limiting continuous current

3 A (5 A up to 35°C at 24 V DC)

Maximum switch-on current

5 A

Minimum switching current

1 mA

Maximum interrupting rating, ohmic load

24 V DC

72 W

48 V DC

60 W

60 V DC

50 W

110 V DC

50 W

250 V AC

750 VA

General data

Test voltage (winding / contact)

2 kV AC (50 Hz, 1 min.)

Ambient temperature (operation)

-20 °C ... 50 °C

Mechanical service life

Approx. 2x 10

7

 cycles

Standards/regulations

IEC

 

60664 , EN 50178

Connection data solid/stranded/AWG

0.2 - 2.5 mm² / 0.2 - 2.5 mm² / 24 - 14

Dimensions

W / H / D

6.2 mm / 80 mm / 61 mm

EMC note

Class A product, see page 605

Ordering data

Description

Input voltage

U

N

Type

Order No.

Pcs./

Pkt.

Relay module

 with power relay

24 V AC/DC

DEK-REL- 24/1/S

2964131

10

Accessories

Cover

D-DEK 1,5 GN

2716949

10

Insertion bridge

No. of pos.

Color

2

red

EB  2- DIK RD

2716693

10

3

red

EB  3- DIK RD

2716745

10

4

red

EB  4- DIK RD

2716758

10

5

red

EB  5- DIK RD

2716761

10

10

red

EB 10- DIK RD

2716774

10

2

blue

EB  2- DIK BU

2716648

10

3

blue

EB  3- DIK BU

2716651

10

4

blue

EB  4- DIK BU

2716664

10

5

blue

EB  5- DIK BU

2716677

10

10

blue

EB 10- DIK BU

2716680

10

80

blue

EB 80- DIK BU

2715940

1

80

red

EB 80- DIK RD

2715953

1

443

PHOENIX CONTACT

Notes:

Type of housing:

Polyamide PA, non-reinforced, color: green.

Marking systems and mounting material

See Catalog 3

For the protection of input and output, inductive loads must be 

dampened with an effective protection circuit.

D W

H

Relay module with manual switch and 

integrated power relay for manual, zero, and 
automatic functions

The advantages:

– Maximum switching current of 5 A
– Only 6.2 mm wide
– Increased contact stability thanks to 

double contact

– Safe isolation according to DIN EN 50178 

between coil and contact

Relay module with manual switch

Relay modules

Special relays and solid-state relays

Relay module with manual switch

and integrated relay

phoenixcontact-interface-technology-and-switching-devices-html.html
background image

12

11

14

A1

A2

A1

+

A1

A2

-

A2

12

14

11 11

Technical data

Technical data

Input data

 

 

 

 

 

 

 

 

 

 

 

 

 

 

 

 

 

 

 

 

Permissible range (with reference to U

N

)

0.9  - 

1.1

0.85 - 

1.1

0.9 - 

1.1

0.9 - 

1.1

Typical input current at U

N

[mA]

26

19

18

18

Response/release time at U

N

[ms]

8 / 10

8 / 11

10 / 8

10 / 8

Input protection:

Yellow LED, bridge rectifier, surge protection

Yellow LED, bridge rectifier, surge protection

Output data

Contact type

Single contact, 1-PDT

Double contact, 1-PDT

Single contact, 1-PDT

Double contact, 1-PDT

Contact material

AgNi

Au

AgNi

AgPd60, hard gold-plated

Max. switching voltage

250 V AC/DC

30 V AC / 36 V DC

250 V AC/DC

30 V AC / 36 V DC

Limiting continuous current

6 A

0.5 A

6 A

0.5 A

Maximum switch-on current

8 A

0.2 A

8 A

0.2 A

Maximum interrupting rating, ohmic load

24 V DC

140 W

5 W

95 W

5 W

48 V DC

60 W

-

50 W

-

60 V DC

45 W

-

45 W

-

110 V DC

35 W

-

35 W

-

220 V DC

55 W

-

55 W

-

250 V AC

1500 VA

-

1500 VA

-

General data

Test voltage (winding / contact)

2.5 kV AC (50 Hz, 1 min.)

2.5 kV AC (50 Hz, 1 min.)

Ambient temperature (operation)

-20 °C ... 50 °C

-20 °C ... 40 °C

Mechanical service life

Approx. 2x 10

7

 cycles

Approx. 2x 10

7

 cycles

Standards/regulations

IEC

 

60664 , EN 50178

IEC

 

60664 , EN 50178

Connection data solid/stranded/AWG

- / - / -

0.2 - 4 mm² / 0.2 - 2.5 mm² / 24 - 12

Dimensions

W / H / D

20.8 mm / 42.5 mm / 112 mm

22.5 mm / 75 mm / 62.5 mm

EMC note

 

Class A product, see page 605

Ordering data

Ordering data

Description

Input voltage

U

N

Type

Order No.

Pcs./

Pkt.

Type

Order No.

Pcs./

Pkt.

Relay module with power contact relay

24 V AC

ST-REL3-KG 24/21/SO46

2826091

10

120 V AC

ST-REL3-KG120/21/SO46

2833026

10

230 V AC

ST-REL3-KG230/21/SO46

2832027

10

EMG 22-REL/KSR-230/21/ SO46

2940760

10

Relay module with multi-layer contact relay

24 V AC

ST-REL3-KG 24/21/AU/SO46

2826981

10

120 V AC

ST-REL3-KG120/21/AU/SO46

2829797

10

230 V AC

ST-REL3-KG230/21/AU/SO46

2826266

10

EMG 22-REL/KSR-230/21/AU/SO46

2940061

10

Accessories

Accessories

Basic terminal block

, complete with end cover

URELG 3

2820136

10

Equipment marker

EMG-GKS 12

2947035

50

444

PHOENIX CONTACT

Relay and solid-state relay modules with 

integrated filter to protect against 
interference voltages or currents due, for 
example, to long control lines

The advantages:

– Resistant to interference currents
– High relay release voltage

Typical applications:

– Applications with long control lines
– Use of AC output boards, resulting in 

residual AC currents

Notes:

Load current diagrams, see page 401

D W

H

D W

H

Relay modules with 
interference current filter

Relay modules

Special relays and solid-state relays

1-PDT plug-in relay

1-PDT soldered-in relay

phoenixcontact-interface-technology-and-switching-devices-html.html
background image

A1

A2

+

A

0

A

C

DC

A1

A1

+

+

A2

A2

-

-

A2

A2

A

A

+

+

0

0

For further information and full technical data, visit phoenixcontact.net/products

Technical data

Technical data

Input data

 

 

 

 

 

 

 

 

 

 

 

 

 

 

 

 

 

 

Permissible range (with reference to U

N

)

0.9  - 

1.1

0.8 - 

1.2

Switching level

1 signal ("H") [V DC] 

207

16.8

0 signal ("L") [V DC] 

92

16

Typical input current at U

N

[mA]

2.5

8

Typical switch-on time at U

N

[ms]

4.4

0.02

Typical switch-off time at U

N

[ms]

14

0.2

Transmission frequency f

limit

[Hz]

5

300

Input circuit AC

Yellow LED, surge protection, RC element

Input circuit DC

Reverse polarity protection

Output data

Max. switching voltage

48 V DC

48 V DC

Minimum switching voltage

3 V DC

12 V DC

Limiting continuous current

100 mA

2 A (see derating curve)

Maximum switch-on current

-

5 A (t = 1 s)

Output circuit

3-conductor, ground-referenced

3-conductor, ground-referenced

Output protection

Reverse polarity protection, free running

Reverse polarity protection, surge protection

Voltage drop at maximum limiting continuous current

 0.9 V

1.1 V

General data

Test voltage input/output

2.5 kV AC

3.5 kV AC

Ambient temperature (operation)

0 °C ... 50 °C

-10 °C ... 55 °C

Standards/regulations

IEC

 

60664 , EN 50178

IEC

 

60664 , EN 50178

Degree of pollution/surge voltage category

2 / III

2 / III

Mounting position/mounting

any / In rows with zero spacing

- / Mounted in rows with zero spacing: Horizontal/not in rows: Any

Connection data solid/stranded/AWG

0.2 - 2.5 mm² / 0.2 - 2.5 mm² / 24 - 12

0.2 - 4 mm² / 0.2 - 2.5 mm² / 24 - 12

Dimensions

W / H / D

6.2 mm / 80 mm / 56 mm

17.5 mm / 75 mm / 102 mm

EMC note

 

Class A product, see page 605

Ordering data

Ordering data

Description

Input voltage

U

N

Type

Order No.

Pcs./

Pkt.

Type

Order No.

Pcs./

Pkt.

Solid-state power relays

24 V DC

EMG 17-OV- 24DC/ 48DC/2

2942810

10

230 V AC

DEK-OE-230AC/ 48DC/100/SO 46

2964678

10

Accessories

Accessories

Equipment marker

EMG-GKS 12

2947035

50

445

PHOENIX CONTACT

Notes:

Type of housing:

ST-REL:

 polyamide PA, non-reinforced, color: bottom part gray, 

hood green

EMG:

 polyamide PA-F, fiber-reinforced, color: green

DEK:

 polyamide PA, non-reinforced, color: green

Marking systems and mounting material

See Catalog 3

For derating curve, refer to page 399

D W

H

D W

H

Relay modules

Special relays and solid-state relays

Solid-state input relay

100 mA, maximum

Solid-state power relay

Max. 2 A

phoenixcontact-interface-technology-and-switching-devices-html.html
background image

13

14

A1

A2

Technical data

Input data

 

 

 

 

 

 

 

 

 

Permissible range (with reference to U

N

)

0.85  - 

1.1

Typical input current at U

N

[mA]

28

Response/release time at U

N

[ms]

13 / 

15

Input protection:

Yellow LED, freewheeling diode

Yellow LED, freewheeling diode

Automatic: Yellow LED, Manual: Red LED, freewheeli

Output data

Contact type

1 N/O contact with lead contact

1 N/O contact with lead contact

Single contact, 1 N/O contact

Contact material

AgCdO

Max. switching voltage

250 V AC

Limiting continuous current

10 A

Maximum switch-on current

80 A (20 ms)

Maximum interrupting rating, ohmic load

24 V DC

-

48 V DC

-

60 V DC

-

110 V DC

-

220 V DC

-

250 V AC

2500 VA

General data

Test voltage (winding / contact)

2.5 kV AC (50 Hz, 1 min.)

4 kV AC (50 Hz, 1 min.)

4 kV AC (50 Hz, 1 min.)

Ambient temperature (operation)

-20 °C ... 50 °C

Mechanical service life

Approx. 10

7

 cycles

Standards/regulations

IEC

 

60664 , EN 50178

IEC

Mounting position/mounting

- / Horizontal with zero spacing, vertical with spacing

any

any

Connection data solid/stranded/AWG

Dimensions

W / H / D

20.8 mm / 42.5 mm / 112 mm

17.5 mm / 75 mm / 62.5 mm

17.5 mm / 75 mm / 62.5 mm

EMC note

 

Ordering data

Description

Input voltage

U

N

Type

Order No.

Pcs./

Pkt.

Relay module with power contact relay

 + wolfram lead contact

24 V DC

ST-REL3-KG 24/ 1/SO38

2829564

10

Relay module with power contact relay

, with two inputs for 

manual, automatic

24 V DC

Accessories

Basic terminal block

, complete with end cover

URELG 3

2820136

10

Equipment marker

446

PHOENIX CONTACT

Relay modules for 
high inrush currents

The Phoenix Contact relay modules of 

type SO 38 have been designed for 
switching electrical equipment with high 
inrush currents.

Areas of application include:

– Inductive loads (motors, power 

contactors etc.)

– Inductive/capacitive loads (fluorescent 

lamps, etc.)

– Ohmic loads (glow lamps, heaters)

The module is based on a relay with a 

special arc-resistant tungsten lead contact. 
This takes over the high inrush and 
interrupting current capacitively. The 
inductive main contact made of AgCdO 
takes over the continuous current up to 
10 A reliably. With the 
EMG 17-REL...2E/SO38, this switching 
capacity is reached using a power relay with 
a set of silver tin oxide (AgSnO) contacts.

The module is available in two versions:

– Modular EMG housing that can be 

mounted on a DIN rail, with an overall 
width of 17.5 mm

– Convenient ST-REL plug-in housing from 

the Phoenix ST series for mounting on 
URELG or UDK-RELG basic terminal 
blocks
Other features include:

– Snap-on mounting on the common 

EN DIN rails

– Easy  maintenance
– Clear marking of the terminal blocks 

using Phoenix Contact marking material

Relay modules

Special relays and solid-state relays

D W

H

Notes:

Type of housing:

Polycarbonate PC-F, fiber-reinforced, color: green or black.

Marking systems and mounting material

See Catalog 3

medium to large powers

1 N/O contact (1)

phoenixcontact-interface-technology-and-switching-devices-html.html
background image

A1

+

A2

-

14

13

A

H

M

13

13

14

For further information and full technical data, visit phoenixcontact.net/products

 

Technical data

Technical data

 

 

 

 

 

 

 

 

 

 

 

 

 

 

 

 

 

 

0.85 - 

1.1

0.9 - 

1.1

28

23

13 / 

15

9 / 10

Input protection:

Yellow LED, freewheeling diode

Yellow LED, freewheeling diode

Automatic: Yellow LED, Manual: Red LED, freewheeling diode, 

reverse polarity protection

Contact type

1 N/O contact with lead contact

1 N/O contact with lead contact

Single contact, 1 N/O contact

AgCdO

AgSnO

250 V AC

250 V  AC/DC

10 A

10 A

80 A (20 ms)

120 A (20 ms)

-

240  W

-

120  W

-

85  W

-

70  W

-

90  W

2500 VA

2500 VA

Test voltage (winding / contact)

2.5 kV AC (50 Hz, 1 min.)

4 kV AC (50 Hz, 1 min.)

4 kV AC (50 Hz, 1 min.)

-20 °C ... 50 °C

-20 °C ... 50 °C

Approx. 10

7

 cycles

3 x 10

7

 cycles

60664 , EN 50178

IEC

 

60664 , EN 50178

IEC

 

60664 , EN 50178

Mounting position/mounting

- / Horizontal with zero spacing, vertical with spacing

any

any

0.2 - 4 mm² / 0.2 - 2.5 mm² / 24 - 12

0.2 - 4 mm² / 0.2 - 2.5 mm² / 24 - 12

Dimensions

W / H / D

20.8 mm / 42.5 mm / 112 mm

17.5 mm / 75 mm / 62.5 mm

17.5 mm / 75 mm / 62.5 mm

Class A product, see page 605

Class A product, see page 605

Ordering data

Ordering data

Type

Order No.

Pcs./

Pkt.

Type

Order No.

Pcs./

Pkt.

EMG 17-REL/KSR-G 24/SO38  BK

2949994

10

EMG 17-REL/KSR-G 24/2E/SO38

2941646

10

Accessories

Accessories

EMG-GKS 12

2947035

50

EMG-GKS 12

2947035

50

447

PHOENIX CONTACT

Relay modules

Special relays and solid-state relays

D W

H

D W

H

medium to large powers

1 N/O contact (1)

medium to large powers

1 N/O contact (1)

phoenixcontact-interface-technology-and-switching-devices-html.html
background image

13

14

A1

+

A2

-

1
2

1

2

30

20

0

3

1

2

40

50

60

Technical data

Input data

 

 

 

 

 

 

 

 

 

Switching level with reference to U

N

1 signal ("H")

 0.8

0 signal ("L")

 0.4

Typical input current at U

N

[mA]

7

Transmission frequency f

limit

[Hz]

10

Input protection:

Yellow LED, reverse polarity protection, RC element

Output data

Operating voltage

400 V AC

Operating voltage range

24 V AC ... 420 V AC

Periodic peak reverse voltage

800 V

Limiting continuous current

3 A (see derating curve)

Minimum load current

50 mA

Surge current

125 A (t = 10 ms)

Residual voltage drop at "H"

 1.2 V

Leakage current in off state

approx. 12 mA

Output protection

Surge protection , RC element

General data

Test voltage input/output

2.5 kV AC

Ambient temperature (operation)

0 °C ... 60 °C

Standards/regulations

IEC

 

60664 , EN 50178

Degree of pollution/surge voltage category

2 / III

Mounting position/mounting

Horizontal DIN rail / -

Dimensions

W / H / D

20.8 mm / 42.5 mm / 112 mm

Ordering data

Description

Input voltage

U

N

Type

Order No.

Pcs./

Pkt.

Solid-state power relays

24 V DC

ST-OV3- 24DC/400AC/3

2905417

10

Accessories

Basic terminal block

, complete with end cover

URELG 3

2820136

10

448

PHOENIX CONTACT

Notes:

Type of insulating housing: polyamide PA, non-reinforced, color: 

bottom part gray, hood green

Ground (minus) potential from the input and output of the 

optocoupler should not be connected.

AC loads must be protected with a varistor or an RC element.

D W

H

Plug-in solid-state power relays 
ST-OV 3

Relay modules

Special relays and solid-state relays

with AC voltage output

max. = 3 A

Derating curve for ST-OV 3-24DC/400AC/3

Ambient temperature [°C]

Lo

a

d

 c

u

r

ren

t [

A

]

Aligned without spacing

Aligned with 

 20 mm spacing

The plug-in version of the module 

provides all the advantages of the ST series, 
such as:
– Switching of up to 400 V AC/3 A
– Control of 230 V motors in 

straightforward reversing mode 
(e.g., synchronous motor in single-phase 
operation, see illustration)

– Plug-in design

phoenixcontact-interface-technology-and-switching-devices-html.html
background image

A1

A2

+

T

+

A

0

For further information and full technical data, visit phoenixcontact.net/products

Technical data

Input data

ST-OV4- 24DC/ 24DC/1-PRO

ST-OV4- 24DC/ 24DC/4-PRO

Operating voltage

24 V DC

Switching level

1 signal ("H")

8.5 V DC

0 signal ("L")

5 V DC

Typical input current at U

N

6.5 mA

Transmission frequency f

limit

100 Hz

Reset duration after short circuit/overload cut-off

1 ms

Input circuit

Yellow LED, polarity protection diode

Output data signaling contact / CONTROL

Operating voltage range

5 V DC ... 36 V DC

Limiting continuous current

50 mA

Residual voltage drop at "H"

 1.5 V

Output protection

Polarity protection diode

Output circuit

3-conductor, ground-referenced

Output data load contact

Operating voltage range

18 V DC ... 36 V DC

Limiting continuous current

1 A (see derating curve)

4 A (see derating curve)

Minimum load current

1 mA

Residual voltage drop at "H"

300 mV

200 mV

Open circuit alarm with load current

< 100 µA

Overload disconnection (~ 1.4 x continuous current)

 100 ms (See the time-current characteristic curve)

Short-circuit disconnection

< 200 µs (See the time-current characteristic curve)

Current limitation at short-circuits

approx. 25 A

approx. 70 A

Switching time t

in

 /t

out

300 µs / 700 µs

Output protection

Red LED , Damping diode

Output circuit

3-conductor, ground-referenced

General data

Test voltage input/output

2.5 kV AC

Test voltage output/output

2.5 kV AC

Rated surge voltage

Basic insulation

Ambient temperature (operation)

0 °C ... 60 °C

Standards/regulations

IEC

 

60664 / EN 50178

Screw connection solid/stranded/AWG

0.2 - 4 mm² / 0.2 - 4 mm² / 24 - 12

Dimensions

W / H / D

27 mm / 63.5 mm / 114 mm

Ordering data

Description

Output current

Type

Order No.

Pcs./

Pkt.

Power circuit breaker solid-state relay

, with signal logic

1 A

ST-OV4- 24DC/ 24DC/1-PRO

2905572

10

4 A

ST-OV4- 24DC/ 24DC/4-PRO

2905585

10

Accessories

Basic terminal block

, complete with end cover

UDK-RELG 4

2777056

10

449

PHOENIX CONTACT

Notes:

Type of housing:

Polyamide PA, non-reinforced, color: bottom part gray, hood green

Marking systems and mounting material

See Catalog 3

For load current diagram, see page 401

Derating curve, time/current characteristic curves, and state 

diagram, see page 401

D W

H

The ST-OV 4-...PRO provides protection 

and monitoring functions that are 
otherwise only known from 
thermomagnetic protection elements.

The PROtect modules have the following 

features:
– Fast short-circuit shutdown and 

simultaneous current limitation

– Time-dependent overload shutdown for 

reliable protection against continuous 
overloads

– Brief inrush peaks are ignored
– After an overload or short circuit has 

been triggered, a defined reset of the 
control voltage must be carried out

– Reliable recognition and indication of an 

open circuit on the load side

– Feedback in the event of an error

Power circuit breaker 
solid-state relay with signal logic 
ST-OV 4-24DC/24DC/...-PRO

Relay modules

Special relays and solid-state relays

with short-circuit-proof DC voltage output

max. = 1 A or 4 A

phoenixcontact-interface-technology-and-switching-devices-html.html
background image

A1

+

A2

-

A

+

0

Technical data

Input data

 

 

 

 

 

 

 

 

 

 

Permissible range (with reference to U

N

)

0.8  - 

1.2

0.8 - 

1.2

Switching level with reference to U

N

1 signal ("H")

 0.8

 0.8

0 signal ("L")

 0.4

 0.4

Typical input current at U

N

[mA]

7

6

Typical switch-on time at U

N

[µs]

1.5

1.5

Typical switch-off time at U

N

[µs]

2

2

Transmission frequency f

limit

[kHz]

100

100

Input protection:

Yellow LED, reverse polarity protection, surge protection

Yellow LED, reverse polarity protection, surge protec

Output data

Operating voltage range

4 V DC ... 30 V DC

Limiting continuous current

50 mA

Quiescent current

4.3 mA

Residual voltage drop at "H"

 0.5 V DC

Output circuit

3-conductor, ground-referenced

3-conductor push-pull, ground referenced

3-conductor push-pull, ground referenced

Output protection

Surge protection

General data

Test voltage input/output

2.5 kV AC

Ambient temperature (operation)

-20 °C ... 60 °C

Standards/regulations

IEC

 

60664 , EN 50178

IEC

Degree of pollution/surge voltage category

2 / II

Connection data solid/stranded/AWG

0.2 - 4 mm² / 0.2 - 2.5 mm² / 24 - 12

0.2 - 4 mm² / 0.2 - 2.5 mm² / 24 - 12

0.2 - 4 mm² / 0.2 -

Dimensions

W / H / D

6.2 mm / 80 mm / 56 mm

6.2 mm / 80 mm / 56 mm

6.2 mm / 80 mm / 56 mm

EMC note

Class A product, see page 605

Class A product, see page 605

Class A product, see page 605

Ordering data

Description

Input voltage

U

N

Type

Order No.

Pcs./

Pkt.

Solid-state input relays

5 V DC

DEK-OE-  5DC/ 24DC/100KHZ

2964270

10

24 V DC

DEK-OE- 24DC/ 24DC/100KHZ

2964283

10

450

PHOENIX CONTACT

100 kHz input solid-state relay 
DEK-OE

A solid-state relay for the reliable 

detection of short pulses
– Limit frequency of up to 100 kHz
– Push-pull stage on output side
– Includes signal inputs on PLC counter 

boards

– Features a capacitor on the input side for 

interference suppression

Relay modules

Special relays and solid-state relays

D W

H

Notes:

Type of housing:

Polyamide PA, non-reinforced, color: green.

Marking systems and mounting material

See Catalog 3

With DC voltage output

Transmission frequency 100 kHz

phoenixcontact-interface-technology-and-switching-devices-html.html
background image

A1

+

A2

-

A

+

0

A1

+

A2

-

A

+

0

For further information and full technical data, visit phoenixcontact.net/products

Technical data

Technical data

 

 

 

 

 

 

 

 

 

 

 

 

 

 

 

 

 

 

 

 

0.5 - 

1.2

0.8 - 

1.2

0.5 - 

1.2

0.8 - 

1.2

 0.5

 0.8

 0.5

 0.8

 0.3

 0.4

 0.3

 0.4

8

8

8

8

1

1

1

1

2

2

2

2

100

100

100

100

Input protection:

Yellow LED, reverse polarity protection, surge protection

Yellow LED, reverse polarity protection, surge protection

Yellow LED, reverse polarity protection, surge protection

4 V DC ... 18 V DC

14 V DC ... 30 V DC

50 mA

50 mA

8.5 mA

15 mA

 1.2 V DC

 2.2 V DC

Output circuit

3-conductor, ground-referenced

3-conductor push-pull, ground referenced

3-conductor push-pull, ground referenced

Surge protection

Surge protection

2.5 kV AC

2.5 kV AC

-20 °C ... 60 °C

-20 °C ... 60 °C

60664 , EN 50178

IEC

 

60664 , EN 50178

IEC

 

60664 , EN 50178

2 / II

2 / II

Connection data solid/stranded/AWG

0.2 - 4 mm² / 0.2 - 2.5 mm² / 24 - 12

0.2 - 4 mm² / 0.2 - 2.5 mm² / 24 - 12

0.2 - 4 mm² / 0.2 - 2.5 mm² / 24 - 12

Dimensions

W / H / D

6.2 mm / 80 mm / 56 mm

6.2 mm / 80 mm / 56 mm

6.2 mm / 80 mm / 56 mm

EMC note

Class A product, see page 605

Class A product, see page 605

Class A product, see page 605

Ordering data

Ordering data

Type

Order No.

Pcs./

Pkt.

Type

Order No.

Pcs./

Pkt.

DEK-OE-  5DC/  5DC/100KHZ-G

2964542

10

DEK-OE-  5DC/ 24DC/100KHZ-G

2964555

10

DEK-OE- 24DC/  5DC/100KHZ-G

2964364

10

DEK-OE- 24DC/ 24DC/100KHZ-G

2964348

10

451

PHOENIX CONTACT

Relay modules

Special relays and solid-state relays

D W

H

D W

H

With DC voltage output push-pull

Transmission frequency 100 kHz

With DC voltage output push-pull

Transmission frequency 100 kHz

phoenixcontact-interface-technology-and-switching-devices-html.html
background image

+

-

OU

T

24V

0

V

U

KK

5-2R

/

NAMUR

10k

1k

+

-

ERR
OUT

GND

U

VN

ERR
OUT

GND

U

+

-

VN

60

50

40

30

20

10

0

-10

-20

28

,

8

24

25

26

27

28

Technical data

Supply

Input supply nominal voltage U

VN

18.5 V DC ... 28.8 V DC (U

VN

, see derating curve)

Ripple

in acc. with DIN 19240

Current consumption I

Imax

70 mA (at 50 mA output current)

Input circuit

Green LED , Polarity protection diode

Control circuit

Non-load voltage

8.2 V DC ±10 %

Switching points in accordance with EN 60947-5-6:

 2.1 mA (In conductive state)

 1.2 mA (In blocking state)

6.3 mA ... 10 mA (in the event of a short-circuit)

0 mA ... 0.35 mA (In the event of a wire break)

Switching hysteresis

approx. 0.2 mA

Internal resistance

approx. 1 k

Output protection

visual short-circuit and wire break control with LED (red) , 

12 V Zener diode

Signal output

Maximum output current I

Amax

50 mA

Residual voltage U

R

 with I

Omax

 1.5 V (U

R

)

Output voltage U

O

 100 mV (In conductive state)

U

VN

 - U

R

;in blocking state

Output protection

36 V Zener diode as freewheeling diode

General data

Ambient temperature (operation)

-25 °C ... 50 °C

Transmission frequency (INPUT/OUTPUT)

1 kHz

Input pulse length

 0.5 ms

Input pause length

 0.5 ms

Standards/regulations

IEC

 

60664 , EN 61000-6-2 , EN 61000-6-4

Degree of pollution / Overvoltage category

2 / III

Screw connection solid/stranded/AWG

0.2 - 4 mm² / 0.2 - 2.5 mm² / 24 - 12

Dimensions

W / H / D

6.2 mm / 80 mm / 56 mm

EMC note

Class A product, see page 605

Ordering data

Description

Type

Order No.

Pcs./

Pkt.

Switching amplifier electronic terminal block

, for inductive 

proximity sensors as per NAMUR, with light indicators for sensor 

signal and faults

EIK1-SVN-24P

2940799

10

Accessories

Terminal block

, with three through contacts, for mounting on NS 35...

DIKD 1,5

2715979

50

Double-level terminal block

, with pre-assembled resistors

UKK 5-2R/NAMUR

2941662

50

Insertion bridge

EB...-DIK...

Ordering data at DEK-REL...

452

PHOENIX CONTACT

Notes:

Type of housing:

Polyamide PA, non-reinforced, color: green.

Marking systems and mounting material

See Catalog 3

D W

H

Electronic sensor terminal block for 
NAMUR proximity sensors

Relay modules

Special relays and solid-state relays

For inductive proximity sensors acc. 

to NAMUR

Derating curve for EIK 1-SVN 24 P

Ambient temperature [°C]

S

u

pply

 v

o

lt

ag

e

 U

[V

]

Application 1

Application 2

NAMUR initiator

Limit switch

The EIK 1-SVN 24-P electronic sensor 

terminal block from Phoenix converts the 
changeable resistance of a NAMUR sensor 
unit into a digital signal that can be read by 
all PLCs.
– Monitoring of initiator side for short 

circuits or strand breaks

– Suitable resistance circuit to enable 

monitoring of mechanical switches 
(see application 2)

– LED  error  display
– Status display (high signal) via green LED
– 24 V/50 mA digital output
– Bridging and marking with standard 

terminal accessories.

phoenixcontact-interface-technology-and-switching-devices-html.html
background image

N

P

N

+

P

N

P

24V

0

V

DEK-

T

RN/INV

N

P

N

P

N

P

+

-

C

E

P

N

P

24V

0

V

DEK-

T

R/INV

N

P

N

+

-

C

E

For further information and full technical data, visit phoenixcontact.net/products

 

Technical data

Supply voltage

20 V DC ... 30 V DC (U

V

)

Continuous current

200 mA

Residual voltage drop

< 1 V

Leakage current

< 1 mA

Maximum transmission frequency

15 kHz

NPN input/PNP output

Switch-on threshold

< 5 V (at U

V

 = 24 V; < (U

V

 - 19 V))

Switch-off threshold

> 15 V (at U

V

 = 24 V; > (U

V

 - 9 V))

Minimum limit values

-2 V

Maximum limit values

26 V (at U

V

 = 24 V; U

V

 + 2 V)

Control circuit

Switch-on threshold

> 19 V

Switch-off threshold

< 9 V

Minimum limit values

-2 V

Maximum limit values

26 V (at U

V

 = 24 V; U

V

 + 2 V)

General data

Ambient temperature (operation)

-20 °C ... 50 °C

Standards/regulations

IEC

 

60664

Basic insulation

Degree of pollution / Overvoltage category

2 / II

Screw connection solid/stranded/AWG

0.2 - 4 mm² / 0.2 - 2.5 mm² / 24 - 12

Dimensions

W / H / D

6.2 mm / 80 mm / 56 mm

Ordering data

Description

Type

Order No.

Pcs./

Pkt.

Inverter module

DEK-TR/INV

2964319

10

453

PHOENIX CONTACT

Notes:

Type of housing:

Polyamide PA, non-reinforced, color: green.

Marking systems and mounting material

See Catalog 3

D W

H

DEK-TR/INV inverter module 

Relay modules

Special relays and solid-state relays

Connection examples:

PNP output

Load

NPN output

Load

The DEK-TR/INV inverter module 

inverts the signals of ground-switching NPN 
transistor outputs into positive switching 
PNP outputs, as well as signals from PNP 
into NPN signals. See application example.

phoenixcontact-interface-technology-and-switching-devices-html.html
background image

12

14

11

A

1

+

B+

A

2

-

A

2

Technical data

Input data

 

 

 

 

 

 

 

 

 

 

 

Relay supply voltage U

N

 

±  10  %

[V  DC]

24

24

24

Minimum control voltage

[V DC]

2.7

5

15

Maximum control voltage

[V DC]

5.25

13.2

35

Minimum control current

[mA]

2.6

0.5

0.5

Maximum control current

[mA]

7.7

1

1

Typical input current at U

N

[mA]

21

21

21

Response/release time at U

N

[ms]

9 / 10

9 / 10

9 / 10

9 / 10

9 / 10

9 / 10

Input protection:

Yellow LED, reverse polarity protection, freewheeling diode

Yellow LED, reverse polarity protection, freewheeli

Output data

Contact type

Single contact, 1-PDT

Single contact, 1-PDT

Contact material

AgNi

Max. switching voltage

250 V AC/DC

Limiting continuous current

5 A

Maximum switch-on current

8 A

Maximum interrupting rating, ohmic load

24 V DC

120 W

48 V DC

60 W

60 V DC

50 W

110 V DC

50 W

220 V DC

80 W

250 V AC

1250 VA

General data

Test voltage (winding / contact)

4 kV AC (50 Hz, 1 min.)

4 kV AC (50 Hz, 1 min.)

Ambient temperature (operation)

-20 °C ... 50 °C

Mechanical service life

Approx. 5x 10

7

 cycles

Standards/regulations

IEC

 

60664 , EN 50178

IEC

Degree of pollution/surge voltage category

2 / III

Connection data solid/stranded/AWG

0.2 - 4 mm² / 0.2 - 2.5 mm² / 24 - 12

0.2 - 4 mm² / 0.2 - 2.5 mm² / 24 - 12

Dimensions

W / H / D

22.5 mm / 75 mm / 62.5 mm

22.5 mm / 75 mm / 62.5 mm

EMC note

Class A product, see page 605

Class A product, see page 605

Ordering data

Description

Nominal

control voltage

Type

Order No.

Pcs./

Pkt.

Relay module with miniature power contact relay

 with 

integrated NPN transistor control, for low control currents

5 V DC

EMG 22-REL/KSR-G 24/TRN 5

2949787

10

12 V DC

EMG 22-REL/KSR-G 24/TRN12

2952363

10

24 V DC

EMG 22-REL/KSR-G 24/TRN35

2952350

10

Relay module with miniature power contact relay

 with 

integrated PNP transistor control, for low control currents

5 V DC

12 V DC

24 V DC

Accessories

Equipment marker

EMG-GKS 12

2947035

50

454

PHOENIX CONTACT

Hybrid relay modules

With its integrated transistor level, the 

hybrid relay module is able to amplify weak 
input signals. This serves as the basis for 
reliable relay operation.

The advantages:

– Low control current (terminal B), 

type-dependent as of 0.5 mA

– Type-dependent positive or negative 

control current

– Integrated input and interference 

suppression circuit

– Safe isolation according to DIN EN 50178 

between coil and contact

Relay modules

Special relays and solid-state relays

D W

H

Notes:

Type of housing:

Polycarbonate PC-F, fiber-reinforced, color: green.

Marking systems and mounting material

See Catalog 3

For the protection of relay coils and contacts, inductive loads must 

be dampened with an efficient protection circuit.

Positive switching hybrid relay

Negative switching hybrid relay

phoenixcontact-interface-technology-and-switching-devices-html.html
background image

A

1

+

B-

A

2

-

A

2

12

14

11

For further information and full technical data, visit phoenixcontact.net/products

Technical data

 

 

 

 

 

 

 

 

 

 

 

24

24

24

-2.4

-6.9

-17.5

-5.25

-13.2

-38.5

1.2

0.6

0.6

1.7

1

1.4

21

21

21

[ms]

9 / 10

9 / 10

9 / 10

9 / 10

9 / 10

9 / 10

Input protection:

Yellow LED, reverse polarity protection, freewheeling diode

Yellow LED, reverse polarity protection, freewheeling diode

Contact type

Single contact, 1-PDT

Single contact, 1-PDT

AgNi

250 V AC/DC

5 A

8 A

120 W

60 W

50 W

50 W

80 W

1250 VA

Test voltage (winding / contact)

4 kV AC (50 Hz, 1 min.)

4 kV AC (50 Hz, 1 min.)

-20 °C ... 50 °C

Approx. 5x 10

7

 cycles

60664 , EN 50178

IEC

 

60664 , EN 50178

2 / III

Connection data solid/stranded/AWG

0.2 - 4 mm² / 0.2 - 2.5 mm² / 24 - 12

0.2 - 4 mm² / 0.2 - 2.5 mm² / 24 - 12

Dimensions

W / H / D

22.5 mm / 75 mm / 62.5 mm

22.5 mm / 75 mm / 62.5 mm

EMC note

Class A product, see page 605

Class A product, see page 605

Ordering data

Type

Order No.

Pcs./

Pkt.

EMG 22-REL/KSR-G 24/TRP 5

2949790

10

EMG 22-REL/KSR-G 24/TRP12

2952156

10

EMG 22-REL/KSR-G 24/TRP35

2952169

10

Accessories

EMG-GKS 12

2947035

50

455

PHOENIX CONTACT

Relay modules

Special relays and solid-state relays

D W

H

Positive switching hybrid relay

Negative switching hybrid relay

phoenixcontact-interface-technology-and-switching-devices-html.html
background image

 

Technical data

Input data

 

 

 

 

 

 

 

 

 

Permissible range (with reference to U

N

)

see  diagram

Typical input current at U

N

[mA]

30

Typical response time at U

N

[ms]

10

Typical release time at U

N

[ms]

10

Input circuit DC

Yellow LED, damping diode

Output data

Contact type

2 PDT, force-guided

Contact material

AgNi

Max. switching voltage

250 V AC/DC

Minimum switching voltage

15 V AC/DC

Limiting continuous current

6 A

Maximum switch-on current

6 A

Minimum switching current

10 mA

General data

Ambient temperature (operation)

-20 °C ... 50 °C

Nominal operating mode

100% operating factor

100% operating factor

Mechanical service life

Approx. 10

7

 cycles

Standards/regulations

DIN EN 50178/VDE 0160 , EN 50205

DIN EN 50178 , IEC

Degree of pollution/surge voltage category

2 / III

Mounting position/mounting

any / in rows with zero spacing

-

Connection data solid/stranded/AWG

0.14 ... 1.5 mm² / 0.14 ... 1.5 mm² / 26 - 16

- ... - / - ... - / -

Dimensions

W / H / D

16 mm / 93 mm / 70 mm

12.6 mm / 29 mm / 25.5 mm

EMC note

Class A product, see page 605

Ordering data

Description

Input voltage

U

N

Type

Order No.

Pcs./

Pkt.

Coupling relay module

 with power contact relay and force-guided 

contacts, Push-in connection

24 V DC

RIF-1-RPT-LDP-24DC/2X21/FG

2908215

10

Force-guided coupling relay

 with power contacts

24 V DC

456

PHOENIX CONTACT

D W

H

new

Fully assembled RIF-1 coupling relay 
module with force-guided contacts

Fully assembled RIF-1 coupling relay 

module with force-guided contacts, 
consisting of:
– Relay base with Push-in connection
– 2-PDT relay with force-guided contacts 

according to EN 50205

– Relay  retaining  bracket
– Interference suppression module

The advantages:

– Switching current of up to 2x 6 A
– Single-channel control
– Force-guided contacts according to 

EN 50205

– Professional bridging of adjacent modules 

saves wiring time

– Integrated status LED and freewheeling 

diode

Notes:

Further voltage variants on request

Relay modules

Relays with force-guided contacts

2-PDT relay module with

with force-guided contacts,

max. 2

 

x

 

6

 

A

phoenixcontact-interface-technology-and-switching-devices-html.html
background image

0

,

7

0

,

8

0

9

,

1,

0

1,1

1,

2

1,

3

20

25

30

35

4

0

4

5

50

55

60

65

A

B

20

25

30

35

4

0

4

5

50

55

60

65

1

2

3

4

5

6

7

0

-

20

0

20

4

0

60

8

0

0

,

6

0

,

8

1

0

,

1,

2

1,4

1,

6


0

,1

0

,

2

0

,

5

1

2

5

1

0

20

1

0

20

30

4

0 50

1

00

300

200

1

2

22

A1

A

2

11

2

1

14

2

4

For further information and full technical data, visit phoenixcontact.net/products

 

Technical data

 

 

 

 

 

 

 

 

 

see diagram

29

10

4

2 PDT

AgNi

250 V AC/DC

15 V

6 A

6 A

10 mA

-25 °C ... 70 °C

Nominal operating mode

100% operating factor

100% operating factor

Approx. 10

7

 cycles

Standards/regulations

DIN EN 50178/VDE 0160 , EN 50205

DIN EN 50178 , IEC

 

60664-1

2 / III

Mounting position/mounting

any / in rows with zero spacing

-

Connection data solid/stranded/AWG

0.14 ... 1.5 mm² / 0.14 ... 1.5 mm² / 26 - 16

- ... - / - ... - / -

Dimensions

W / H / D

16 mm / 93 mm / 70 mm

12.6 mm / 29 mm / 25.5 mm

 

Ordering data

Type

Order No.

Pcs./

Pkt.

REL-SR- 24DC/2X21/FG

2908777

20

457

PHOENIX CONTACT

RIF-1-RPT-LDP-24DC/2X21/FG

Operating voltage range

Contact derating

A

mb

i

e

n

t

 

tem

p

e

ra

t

ur

e

 [

°

C

]

Co

il 

v

o

l

t

ag

e

 

U

/

U

N

A

mb

i

e

n

t

 

tem

p

e

ra

t

ur

e

 [

°

C

]

Li

m

i

t

i

ng

c

on

t

i

nuou

s

 

c

urr

e

n

t

 

p

e

r

 

c

o

n

t

a

ct

[A

]

I

m

a

x

REL-SR- 24DC/2X21/FG

Operating voltage range

Interrupting rating

A

mb

i

e

n

t

 

tem

p

e

ra

t

ur

e

 [

°

C

]

Co

il 

v

o

l

t

ag

e

 

U

/

U

N

A

C

,

 

o

hm

i

c

 l

oad

D

C

,

 

o

hm

i

c

 l

oad

S

w

i

tch

i

ng

 

v

o

l

t

ag

e

 [V

]

S

w

i

tch

i

ng

c

urr

e

n

t

 [A

]

new

Relay modules

Relays with force-guided contacts

2-PDT relay with

with force-guided contacts,

max. 2

 

x

 

6

 

A

phoenixcontact-interface-technology-and-switching-devices-html.html
background image

A1

A2

11

14

12

A

2

24

21

22

14

11

12

A

1

Technical data

Technical data

Input data

 

 

 

 

 

 

 

 

 

 

 

 

 

 

 

 

 

 

 

 

 

 

 

 

Permissible range (with reference to U

N

)

See diagram

See diagram

Switching level (with reference to U

N

)

1 signal ("H")

0 signal ("L")

Typical input current at U

N

[mA]

15.3

9

3.5

3.2

33

18

4.5

4.5

33

18

4.5

4.5

 8.5

 3.5

 8.5

 3.5

Typical response time/switch-on time at U

N

[ms]

5

5

6

7

8

8

7

7

8

8

7

7

 

0.02

 

3.5

 

0.02

 

3

Typical release time/switch-off time at UN

[ms]

8

8

15

15

10

10

10

10

10

10

10

10

 0.3

 7

 0.3

 4

Transmission frequency f

limit

[Hz]

Input circuit DC

Yellow LED, reverse polarity protection, freewheeling diode

Yellow LED, reverse polarity protection, freewheeling diode

Yellow LED, reverse polarity protection, freewheeling diode

Yellow LED, reverse polarity protection, freewheeling diode

Ye

Input circuit AC/DC

Yellow LED, bridge rectifier

Yellow LED, bridge rectifier

Yellow LED, bridge rectifier

Yellow LED, bridge recti

Output data

Contact material

AgSnO

AgNi

Max. switching voltage

250 V AC/DC

250 V AC/DC

Minimum switching voltage

5 V (at 100 mA)

5 V AC/DC (at 10 mA)

Limiting continuous current

6 A

6 A

Maximum switch-on current

10 A (4 s)

15 A (300 ms)

Minimum switching current

10 mA (at 12 V)

10 mA (At 5 V)

Output protection

-

-

Voltage drop at maximum limiting continuous current

-

-

General data

Test voltage input/output

4 kV AC (50 Hz, 1 min.)

4 kV AC (50 Hz, 1 min.)

4 kV AC (50 Hz, 1 min.)

2.5 kV (50 Hz, 1 min.)

2.5 kV (50 

Ambient temperature (operation)

-20 °C ... 60 °C (UL) , -40 °C ... 60 °C (ATEX / IECEx)

-20 °C ... 60 °C (UL) , -40 °C ... 60 °C (ATEX / IECEx)

-20 °C ... 60 °C (UL) , -40 °C ... 60 °C (ATEX / IECEx)

-20 °C ... 60 °C

-20 °C ... 60 °C

Mechanical service life

2 x 10

7

 cycles

3 x 10

7

 cycles

Standards/regulations

IEC

 

60664 , EN 50178 , EN 60079-0, -7, -15

IEC

 

60664 , EN 50178 , EN 60079-0, -7, -15

IEC

Degree of pollution/surge voltage category

3 / III

2 / III

Connection data solid/stranded/AWG

0.14 - 2.5 mm² / 0.14 - 2.5 mm² / 26 - 14

0.14 - 2.5 mm² / 0.14 - 2.5 mm² / 26 - 14

0.14 - 2.5 

Dimensions

W / H / D

6.2 mm / 80 mm / 94 mm

14 mm / 80 mm / 94 mm

14 mm / 80 mm / 94 mm

6.2 mm / 80 mm / 94 mm

6.2 mm / 80 mm / 94 mm

EMC note

 

 

Conformance/Approvals

Conformance

CE-compliant

CE-compliant

ATEX

 II 3G Ex ec nC IIC T4 Gc ( IBExU16ATEXB015 X )

 II 3G Ex ec nC IIC T4 Gc ( IBExU16ATEXB015 X )

IECEx

Ex ec nC IIC T4 Gc ( IECEx IBE 16.0029X )

Ex ec nC IIC T4 Gc ( IECEx IBE 16.0029X )

Ex ec nC IIC T4 Gc ( IECEx IBE 16.0029X 

UL, USA

Class I, Zone 2, AEx nA nC IIC T6

Class I, Zone 2, AEx nA nC IIC T6

Class I, Zone 2, AEx nA nC IIC T6

Class I, Zone 2, AEx 

UL, USA/Canada

Class I, Div. 2, Groups A, B, C, D

Class I, Div. 2, Groups A, B, C, D

Class I, Div. 2, Groups A, B, C, D

Class I, Di

UL, Canada

Class I, Zone 2, Ex nA nC IIC Gc T6 X

Class I, Zone 2, Ex nA nC IIC Gc T6 X

Class I, Zone 2, Ex nA nC IIC Gc T6 X

Class 

Ordering data

Ordering data

Description

Input voltage

U

N

Type

Order No.

Pcs./

Pkt.

Type

Order No.

Pcs./

Pkt.

PLC-INTERFACE

, with 

screw connection

12 V DC

PLC-RSC-12DC/21/EX

2909522

10

PLC-RSC-12DC/21-21/EX

2909517

10

24 V DC

PLC-RSC-24DC/21/EX

2909524

10

PLC-RSC- 24DC/21-21/EX

2909509

10

120 V AC

 

/

 

110 V DC

PLC-RSC-120UC/21/EX

2909525

10

PLC-RSC-120UC/21-21/EX

2909511

10

230 V AC

 

/

 

220 V DC

PLC-RSC-230UC/21/EX

1

)

2909526

10

PLC-RSC-230UC/21-21/EX

1

)

2909512

10

PLC-INTERFACE

, with 

Push-in connection

12 V DC

PLC-RPT-12DC/21/EX

2909527

10

PLC-RPT-12DC/21-21/EX

2909513

10

24 V DC

PLC-RPT-24DC/21/EX

2909528

10

PLC-RPT- 24DC/21-21/EX

2909514

10

120 V AC

 

/

 

110 V DC

PLC-RPT-120UC/21/EX

2909529

10

PLC-RPT-120UC/21-21/EX

2909515

10

230 V AC

 

/

 

220 V DC

PLC-RPT-230UC/21/EX

1

)

2909530

10

PLC-RPT-230UC/21-21/EX

1

)

2909516

10

458

PHOENIX CONTACT

Relay modules with ATEX, IECEx, and 

Class 1, Division 2 approval for potentially 
explosive applications as well as solid-state 
relays with Class 1, Division 2 approval.

The advantages:

– Slim  design
– Functional plug-in bridges
– Integrated input and interference 

suppression circuit

– RTIII-sealed relays
– Safe isolation according to DIN EN 50178 

between coil and contact

Notes:

Type of insulating housing:

Polyamide PBT, non-reinforced, color: green.

Marking systems and mounting material

See Catalog 3

The PLC-ATP partition plate must be installed for voltages larger 

than 250 V (L1, L2, L3) between identical terminal blocks in 

adjacent modules. Potential bridging is then carried out with 

FBST 8-PLC... or FBST 500....

1

) Ambient temperature (operation): -40°C ... 55°C (ATEX / IECEx)

PLC-INTERFACE for hazardous areas

Relay modules

Relay modules for potentially explosive areas (Zone 2)

1-PDT relay module,

6

 

A, maximum

2-PDT relay module,

2

 

x

 

6

 

A, maximum

D W

H

new

D W

H

new

phoenixcontact-interface-technology-and-switching-devices-html.html
background image

A2

11

14

12

A1

A2

A1

13+

14

A2

A1

13+

14

For further information and full technical data, visit phoenixcontact.net/products

Ex: 

Ex: 

Technical data

Technical data

Technical data

 

 

 

 

 

 

 

 

 

 

 

 

 

 

 

 

 

 

 

 

 

 

 

 

 

 

 

 

 

 

 

 

See diagram

0.8 - 

1.2

0.9 - 

1.1

0.8 - 

1.2

0.9 - 

1.1

 0.8

 0.8

 0.8

 0.9

 0.4

 0.3

 0.4

 0.3

[mA]

15.3

9

3.5

3.2

33

18

4.5

4.5

33

18

4.5

4.5

 8.5

 3.5

 8.5

 3.5

[ms]

5

5

6

7

8

8

7

7

8

8

7

7

 

0.02

 

3.5

 

0.02

 

3

Typical release time/switch-off time at UN

[ms]

8

8

15

15

10

10

10

10

10

10

10

10

 0.3

 7

 0.3

 4

300

10

300

10

g diode

Yellow LED, reverse polarity protection, freewheeling diode

Yellow LED, reverse polarity protection, freewheeling diode

Yellow LED, reverse polarity protection, freewheeling diode

Input circuit AC/DC

Yellow LED, bridge rectifier

Yellow LED, bridge rectifier

Yellow LED, bridge rectifier

Yellow LED, bridge rectifier

Yellow LED, bridge rectifier

AgNi

-

-

250 V AC/DC

33 V DC

48 V DC

12 V AC/DC

3 V DC

3 V DC

10 A

3 A

100 mA

30 A (300 ms)

15 A (10 ms)

-

100 mA

-

-

-

Reverse polarity protection, surge protection

Reverse polarity protection, surge protection

-

 200 mV

 1 V

Test voltage input/output

4 kV AC (50 Hz, 1 min.)

4 kV AC (50 Hz, 1 min.)

4 kV AC (50 Hz, 1 min.)

2.5 kV (50 Hz, 1 min.)

2.5 kV (50 Hz, 1 min.)

(ATEX / IECEx)

-20 °C ... 60 °C (UL) , -40 °C ... 60 °C (ATEX / IECEx)

-20 °C ... 60 °C

-20 °C ... 60 °C

3 x 10

7

 cycles

-

-

60664 , EN 50178 , EN 60079-0, -7, -15

IEC

 

60664 , EN 50178 , EN 60079-0, -7, -15

IEC

 

60664 , EN 50178

IEC

 

60664 , EN 50178

2 / III

2 / III

2 / III

Connection data solid/stranded/AWG

0.14 - 2.5 mm² / 0.14 - 2.5 mm² / 26 - 14

0.14 - 2.5 mm² / 0.14 - 2.5 mm² / 26 - 14

0.14 - 2.5 mm² / 0.14 - 2.5 mm² / 26 - 14

0.14 - 2.5 mm² / 0.14 - 2.5 mm² / 26 - 14

0.14 - 2.5 mm² / 0.14 - 2.5 mm² / 26 - 14

Dimensions

W / H / D

6.2 mm / 80 mm / 94 mm

14 mm / 80 mm / 94 mm

14 mm / 80 mm / 94 mm

6.2 mm / 80 mm / 94 mm

6.2 mm / 80 mm / 94 mm

 

Class A product, see page 605

Class A product, see page 605

CE-compliant

CE-compliant

CE-compliant

 II 3G Ex ec nC IIC T4 Gc ( IBExU16ATEXB015 X )

-

-

IECEx

Ex ec nC IIC T4 Gc ( IECEx IBE 16.0029X )

Ex ec nC IIC T4 Gc ( IECEx IBE 16.0029X )

Ex ec nC IIC T4 Gc ( IECEx IBE 16.0029X )

-

-

UL, USA

Class I, Zone 2, AEx nA nC IIC T6

Class I, Zone 2, AEx nA nC IIC T6

Class I, Zone 2, AEx nA nC IIC T6

Class I, Zone 2, AEx nA nC IIC T6

Class I, Zone 2, AEx nA nC IIC T6

UL, USA/Canada

Class I, Div. 2, Groups A, B, C, D

Class I, Div. 2, Groups A, B, C, D

Class I, Div. 2, Groups A, B, C, D

Class I, Div. 2, Groups A, B, C, D

Class I, Div. 2, Groups A, B, C, D

UL, Canada

Class I, Zone 2, Ex nA nC IIC Gc T6 X

Class I, Zone 2, Ex nA nC IIC Gc T6 X

Class I, Zone 2, Ex nA nC IIC Gc T6 X

Class I, Zone 2, Ex nA nC IIC Gc T6 X

Class I, Zone 2, Ex nA nC IIC Gc T6 X

Ordering data

Ordering data

Ordering data

Type

Order No.

Pcs./

Pkt.

Type

Order No.

Pcs./

Pkt.

Type

Order No.

Pcs./

Pkt.

PLC-RSC-12DC/21HC/EX

2909518

10

PLC-RSC-24DC/21HC/EX

2909519

10

PLC-OSC- 24DC/ 24DC/ 2/C1D2

5603260

10

PLC-OSC- 24DC/ 48DC/100/C1D2

5603261

10

PLC-RSC-120UC/21HC/EX

2909520

10

PLC-OSC-120UC/ 24DC/ 2/C1D2

5603262

10

PLC-OSC-120UC/ 48DC/100/C1D2

5603263

10

PLC-RSC-230UC/21HC/EX

1

)

2909521

10

PLC-RPT-12DC/21HC/EX

2909531

10

PLC-RPT-24DC/21HC/EX

2909532

10

PLC-RPT-120UC/21HC/EX

2909533

10

PLC-RPT-230UC/21HC/EX

1

)

2909534

10

459

PHOENIX CONTACT

Relay modules

Relay modules for potentially explosive areas (Zone 2)

D W

H

1-PDT relay module,

max. 10

 

A

Solid-state relay module,

DC output max. 3

 

A

Solid-state relay module,

DC output max. 100

 

mA

D W

H

new

D W

H

phoenixcontact-interface-technology-and-switching-devices-html.html
background image

460

PHOENIX CONTACT

phoenixcontact-interface-technology-and-switching-devices-html.html
background image

 

Product range overview

 

 

 

Introduction

 462

 

 

Product overview

 464

 

 

Customer-specific products

 468

 

 

Controller-specific system cabling

 

 

 

For ABB S800 I/O

 470

 

 

For Allen Bradley,
ControlLogix, SLC 500, and PlantScape

 472

 

 

For Emerson DeltaV

 480

 

 

For GE Fanuc RX3i and Series 90-30

 484

 

 

For Honeywell C300 Series CI/O and PlantScape

 486

 

 

For Mitsubishi A1S and Q, Melsec L, Honeywell ML 200

 488

 

 

For Omron CJ1, CS1, and C200H

 490

 

 

For Phoenix Contact Axioline and Inline

 491

 

 

For Schneider Electric Modicon

 493

 

 

For Siemens SIMATIC

®

 S7-300

 496

 

 

For Siemens SIMATIC

®

 S7-1500

 510

 

 

For Siemens SIMATIC

®

 S7-400

 514

 

 

For Yokogawa CENTUM VP, ProSafe-RS

 516

 

 

Termination Carriers for
Yokogawa CENTUM VP and ProSafe-RS

 524

 

 

Passive modules

 526

 

 

Active modules

 536

 

 

V8 adapters for PLC-INTERFACE

 544

 

 

System and splitting cables

 551

 

 

VIP I/O-Marshalling universal platform

 552

 

 

Retrofit and modernization components

 558

 

 

Universal modules

 

 

 

With IDC/FLK connectors

 566

 

 

With D-SUB connectors

 570

 

 

With high-density D-SUB connectors

 576

 

 

With RJ45 connectors

 577

 

 

With ELCO connectors

 578

 

 

Universal cables

 

 

 

With IDC/FLK connectors

 582

 

 

With D-SUB connectors

 592

 

 

Potential distributors

 598

 

461

PHOENIX CONTACT

Wiring I/O modules with individual wires 

is an extremely time-consuming process. 
Wiring errors and tedious troubleshooting 
cannot be ruled out.

VARIOFACE system components reduce 

assembly costs by using plug-in components 
to carry out wiring quickly, clearly, and 
without errors.

In the case of 

controller-specific 

system cabling

, front adapters, system 

cables, and modules are specially matched 
to each other. Individual solutions exist for 
the following controllers:

– ABB
– Allen Bradley
– Emerson
– Honeywell
– GE  Fanuc
– Phoenix Contact
– Mitsubishi Electric 
– OMRON
– Schneider  Electric
– Siemens
– Yokogawa

If automation components with high-pos. 

connectors such as D-SUB are in the 
control cabinet, 

universal modules

 and 

cables are suitable for signal connection. 
The 1:1 connection is characteristic for 
these universal all-purpose modules. The 
modules allow orderly connection of field 
signals to screw, spring-cage or Push-in 
technology.

Universal cables

 connect the control 

and signal level quickly and without errors.

A wide variety of 

potential 

distributors

 are available for splitting the 

control and operating voltage. The different 
potential levels and the connection terminal 
blocks support flexible use.

Individual application requirements can be 

implemented with customer-specific 
products (see page 468).

System cabling for controllers

phoenixcontact-interface-technology-and-switching-devices-html.html
background image

11

A1+

A2-

24

V

14

12

11

A1+

A2-

24

V

14

12

11

A1+

A2-

24

V

14

12

11

A1+

A2-

24

V

14

12

11

A1+

A2-

24

V

14

12

11

A1+

A2-

24

V

14

12

11

A1+

A2-

24

V

14

12

11

A1+

A2-

24

V

14

12

11

A1+

A2-

24

V

14

12

11

A1+

A2-

24

V

14

12

11

A1+

A2-

24

V

14

12

11

A1+

A2-

24

V

14

12

11

A1+

A2-

24

V

14

12

11

A1+

A2-

24

V

14

12

11

A1+

A2-

24

V

14

12

11

A1+

A2-

24

V

14

12

462

PHOENIX CONTACT

System cabling for controllers

Introduction

Wiring with single wires

– Time-consuming
– Confusing wiring
– Risk of mixing wires
– Time-consuming troubleshooting

Wiring with the controller-specific 
system cabling:

– Fast, fault-free wiring
– Plug and Play solution
– Orderly  structure
– Considerable time savings

The matching components are selected 

with the help of the “system cabling for 
controllers” online configurator:
– Front adapter
– System  cables
– Module

For the online configurator, use the web 

code:

Simply enter “

#0007

” into the search 

field on our website.

Your web code: 

#0007

phoenixcontact-interface-technology-and-switching-devices-html.html
background image

For further information and full technical data, visit phoenixcontact.net/products

463

PHOENIX CONTACT

System cabling for controllers

Introduction

Front adapter

– Tailored to controller-specific 

I/O modules

– Plug-in components
– Connection via system cables

8 and 32-channel modules

– Passive  modules
– Relay  modules
– Controller-specific layout
– Screw or Push-in connection technology

PLC-V8 adapter

– Connection of 8 channels via the 

“PLC series”

– Feasible functions: relay, solid-state relay 

or feed-through

– Individual function selection per channel
– Screw or Push-in connection technology

Universal modules

– Connector: IDC/FLK, D-SUB, ELCO or 

DIN

– 1:1 connection
– Screw or Push-in connection technology
– Optional status indicator

Universal cables

– With  IDC/FLK  connector
– With D-SUB connector
– Optionally with open end

Potential distributors

– Up to 30 A/250 V
– Two, three or six potential levels
– Screw or Push-in connection technology

phoenixcontact-interface-technology-and-switching-devices-html.html
background image

Controller-specific system cabling

Controller

ABB

Allen Bradley

Emerson

GE Fanuc

Honeywell

Mitsubishi

System component

Version

S800 I/O

Control 

Logix

SLC 500

DeltaV

RX3i

90-30

C300

Series CI/O

ML 200

PlantScape

MELSEC 

A, A1S, Q, L

Page

Page

Page

Page

Page

Page

Page

Page

Page

Page

Page

Page

Page

Page

Page

Page

Page

Page

Page

F

ro

n

t adap

ter

 not 

required

 472

 476

 not 

required

 484

 485

 486

 472

not 

required

Sy

stem

 ca

b

le

Standard

 592

 550

 550

 588

 550

 550

 592

 550

Controller-
specific

 471

 478

 480

 489

 488

T

e

rm

in

ation

 b

o

ard

s

Passive
Standard

 526

 526

 526

 526

 526

 526

 487

 526

 526

Passive
Controller-
specific

 470

 474

 477

 481

Active 
Standard

 536

 536

 536

 536

 536

 536

 536

 536

 536

V8 adapter 

 544

 544

 544

 544

 544

 544

 544

 544

 544

Relay/ 
optocoupler

 368

 368

 368

 368

 368

 368

 368

 368

 368

MINI Analog Pro 
system adapter

MINI Analog Pro

464

PHOENIX CONTACT

System cabling for controllers

Product overview

phoenixcontact-interface-technology-and-switching-devices-html.html
background image

For further information and full technical data, visit phoenixcontact.net/products

OMRON CJ1

Phoenix 
Contact

Schneider

Siemens

Yokogawa

CS1, CQM1, 

C200H

Axioline

Inline

TSX 

Quantum™

M340 

S7 1500

S7 300

S7 400

Implementa-

tion

S5 to S7

CENTUM 

VP

ProSafe RS

Page

Page

Page

Page

Page

Page

Page

Page

Page

Page

Page

Page

Page

Page

Page

Page

Page

Page

Page

not 

required

 492

 493

 494

 510

 500

 514

 560

not 

required

not 

required

 550

 550

 550

 550

 550

 550

 490

 495

 505

 516

 516

 526

 526

 526

 526

 526

 526

 526

 474

 510

 508

 508

 520

 522

 536

 536

 536

 536

 536

 536

 536

 544

 544

 544

 544

 544

 544

 544

 544

 368

 368

 368

 368

 368

 368

 368

 368

 97

 97

 68

 68

465

PHOENIX CONTACT

System cabling for controllers

Product overview

phoenixcontact-interface-technology-and-switching-devices-html.html
background image

Controller-specific system cabling

VIP I/O-Marshalling 
universal platform

System component

Version

Page

Ba

se mod

u

le

 552

Pl

u

g

-i

n

 m

o

d

u

le

Feed-through

 554

Analog

 555

Digital

 555

Relay

 556

Ca

b

le

s

 596

466

PHOENIX CONTACT

System cabling for controllers

Product overview

phoenixcontact-interface-technology-and-switching-devices-html.html
background image

For further information and full technical data, visit phoenixcontact.net/products

Universal modules and cables

Passive modules (connection technology)

IDC/FLK strip

D-SUB strip

ELCO strip

Potential 

distributors

Device series

Page

Page

Page

Page

VIP Lin

e

 566

 570
 576

 598

Sta

n

da

rd

 Li

ne

 580

Sli

m

 Li

ne

 574

Fe

e

d

-t

h

ro

u

g

h

 m

o

d

u

le

s

 575

Ca

b

le

s

 582

 592

467

PHOENIX CONTACT

System cabling for controllers

Product overview

phoenixcontact-interface-technology-and-switching-devices-html.html
background image

468

PHOENIX CONTACT

System cabling for controllers

Customer-specific products

From the enquiry to the product

We develop your product from the idea 

to series production.

Concept phase

– Realization test according to your 

specifications

– Personal consultation
– Tendering including draft drawing

Realization phase

– Development according to product 

creation process

– Circuit diagram and PCB layout
– Component selection
– Creation of functional samples
– Creation of prototypes
– Tests in every phase of development
– EC conformance
– Preparation and implementation of 

approval procedures

– Environmental tests according to 

standards

– Documentation

Series phase

– Production according to IPC-A-610 Class 2
– 100% end test with automated test 

systems

– Lifecycle management

Directives and standards

– Low-voltage  directive
– EMC  directive
– IEC 60664-1

Insulation coordination for electrical 
equipment within low-voltage systems

– EN 50178

Electronic equipment for use in power 
installations

– EN 61000-6

Electromagnetic compatibility

– IPC  A-600

Acceptance criteria for PCBs

– IPC-A-610

Acceptance criteria for electronic 
modules

Components used

We use connection technology and 

housings from the comprehensive 
Phoenix Contact portfolio.

Here you find all common market 

technologies:
– Screw and spring-cage connection
– Push-in spring connection
– Knife disconnection
– Modular component housing
– Building installation housings
– Profile module carriers

Furthermore, we use components, 

connectors, cables as well as PCBs from 
qualified and certified suppliers.

Product range

We create versions from catalog 

production for you or new products 
according to your specifications from the 
following portfolio:
– Function modules such as diode gates
– Relay  and  optocoupler  modules
– 1:1 installation modules (connector on 

terminal block)

– Potential distributors
– System cables with high-pos. connectors
– System adapters for controllers and 

control systems

– Transfer modules for use between 

controller and field level

– Output modules with electrical isolation
– Module carrier for system cabling of signal 

conditioners or safe coupling relays

Your direct line to us

Do you have a specific question? Talk to 

us about it.

phoenixcontact-interface-technology-and-switching-devices-html.html
background image

For further information and full technical data, visit phoenixcontact.net/products

469

PHOENIX CONTACT

System cabling for controllers

Customer-specific products

Simplification of installation

Objectives

– Reduce assembly costs
– Minimize installation time
– Optimize space in the control cabinet

Implementation

– Analysis of the application
– Draft  of  concept

Result

– Tailor-made solution from system 

components (standard and customer-
specific)

– Fault-free wiring

Retrofitting systems

Task

– Extension
– Retrofitting

Objectives

– System availability
– Fulfillment of statutory specifications

Solution

– Use adaptation solutions and high-pos. 

system cables
Result

– Minimum downtimes

Pre-assembled system cables

With high-position connectors

– D-SUB  strips
– IDC/FLK pin strips (2.54 mm)
– Pre-assembled at one or both ends

Cables

– Shielded, unshielded, halogen-free
– 0.14 mm

2

/26 AWG and

0.25 mm

2

/24 AWG

Quality

– Continuity and dielectric test

Other versions available on request.

Installation modules

– 1:1 marshalling terminal to high-pos. 

connector (D-SUB, HE10, ELCO...)

– Passive transfer modules with system 

connection

– Potential distributors
– Fuse  modules
– Diode modules
– Other modules on request

Relay and optocoupler modules

– With electromechanical relays
– With solid-state relays
– Multi-channel
– With system connection
– N/O contact or PDT contact
– LED status display
– Freewheeling  diode
– Reverse polarity protection
– Redundant power supply

Termination Carrier module carrier

The compact Termination Carrier connects

– Signal conditioners
– Signal conditioners for Ex i circuits
– Signal conditioners for SIL applications
– Safe coupling relays

easily with the automation system via 

system cables.

The advantages are clear:

– Quick  startup
– Fault  minimization

phoenixcontact-interface-technology-and-switching-devices-html.html
background image

L1+
L1+
L1-
L1-
L2+
L2+
L2-
L2-

1

2

3

4

5

6

7

8

9

1

0

11

12

13

14

15

16

17

1

8

1

9

2

0

21

22

23

24

25

C1 C2 C3 C4 C5 C6C7C

8

C

9

C1

0

C11C12C13C14C15C16

A1 A2 A3 A4 A5 A6 A7A

8

A

9

A1

0

A11A12A13A14A15A16

B

1

B

2

B

3

B

4

B

5

B

6

B

7

B

8

B

9

B

1

0

B

11

B

12

B

13

B

14

B

15

B

16

L1+
L1+
L1-
L1-
L2+
L2+
L2-
L2-

1

2

3

4

5

6

7

8

9

1

0

11

12

13

25

24

23

22

21

2

0

1

9

1

8

17

16

15

14

B

1C1

B

2C2

B

3C3

B

4C4

B

5C5

B

6C6

B

7C7

B

8

C

8

A1

A2

A3

A4

A5

A6

A7

A

8

L1+
L1+
L1-
L1-
L2+
L2+
L2-
L2-

1

2

3

4

5

6

7

8

9

1

0

11

12

13

14

15

16

17

1

8

1

9

2

0

21

22

23

24

25

B

1C1

B

2C2

B

3C3

B

4C4

B

5C5

B

6C6

B

7C7

B

8

C

8

+1

+2

+3

+4

+5

+6

+7

+

8

470

PHOENIX CONTACT

Technical data

Maximum permissible operating voltage

< 50 V AC / 60 V DC

Maximum permissible current (per branch)

2 A

Maximum total current (voltage supply)

4 A (8 A L1-/L2-)

Ambient temperature (operation)

-20 °C ... 50 °C

Mounting position

any

Standards/regulations

DIN EN 50178 , IEC

 

60664

Connection method

Field level

Screw connection with disconnect knife

Controller level

D-SUB socket strip

Connection data solid/stranded/AWG

0.2 ... 4 mm² / 0.2 ... 2.5 mm² / 24 - 12

Dimensions

H / D

90 mm / 61 mm

Ordering data

Description

No. of

pos.

Module width

W

Type

Order No.

Pcs./

Pkt.

VARIOFACE module,

 with knife disconnect terminal blocks in 

ABB-specific marking:

- with 8 negative terminal blocks

25

126.5 mm

FLKM-D25 SUB/B/KDS3-MT/TU810

2304513

1

- with 8 positive terminal blocks

25

126.5 mm

FLKM-D25 SUB/B/KDS3-MT/TU810/P

2304539

1

- each with 16 positive and negative 

terminal blocks

25

247.5 mm

FLKM-D25 SUB/B/KDS3-MT/TU830

2304526

1

FLKM-D25 SUB/B/KDS3-MT/TU830 connection scheme

FLKM-D25 SUB/B/KDS3-MT/TU810 connection scheme

FLKM-D25 SUB/B/KDS3-MT/TU810/P connection scheme

Connectable I/O modules

Card type

FLKM-D25SUB...

...TU810

...TU810/P

...TU830

Digital input

DI 814

DI 810

DI 811

DI 818

DI 830

DI 831

DI 840

DI 885

DI 810

DI 811

DI 814

DI 818

DI 830

DI 831

DI 840

DI 885

Digital output

DO 810

DO 818

DO 840

DO 814

DO 810

DO 814

DO 818

DO 840

Analog input

AI 810

AI 815

AI 820

AI 830

AI 835

AI 845

AI 810

AI 815

AI 845

AI 810

AI 815

AI 820

AI 830

AI 835

AI 845

Analog output

AO 810

AO 815

AO 820

AO 845

AO 810

AO 815

AO 820

AO 845

Miscellaneous

DP 820

DP 820

IDC/FLK strip

Connection to I/O card

Screw terminal blocks for separate supply

Explanation:

The ABB S800 I/O system can be used to 

install the process wiring via D-SUB 
connectors. The ABB TU 812 Compact 
MTU is available for this purpose.

The FLKM-D25SUB/B/KDS3-MT/... 

modules are connected to the I/O modules 
via assembled D-SUB cables (see page 592).

In addition to screw connection with 

knife disconnection for every channel and 
ABB S800-specific marking, the modules 
have the following features:
– Eight negative terminals with knife 

disconnection (TU810)

– Eight positive terminals with knife 

disconnection (TU810/P)

– For each channel, there is a positive and 

negative terminal with knife 
disconnection (TU830)
Passive termination boards can also be 

used for signal transmission 
(e.g., VIP-3/SC/D25SUB/F, 

2315188

), 

see page 571.

Web code for the online configurator

Your web code: 

#0007

ABB S800 I/O
Termination boards with knife 
disconnection

System cabling for controllers

Controller-specific system cabling

D W

H

Termination board with 

knife disconnect terminal blocks

phoenixcontact-interface-technology-and-switching-devices-html.html
background image

For further information and full technical data, visit phoenixcontact.net/products

471

PHOENIX CONTACT

Technical data

Maximum permissible operating voltage

25 V AC / 60 V DC

Maximum permissible operating voltage UL / CSA

125 V / -

Maximum permissible current carrying capacity per path

1 A

Ambient temperature (operation)

-20 °C ... 50 °C

Assembly

Insulation displacement, IEC 60352-4/DIN EN 60352-4

Conductor cross section

AWG 26 / 0.14 mm²

Conductor structure: stranded wires / material

7 / Cu tin-plated

Outside diameter

25-pos.

6.3 mm

Ordering data

Description

No. of

pos.

Cable length

Type

Order No.

Pcs./

Pkt.

VARIOFACE system cable,

 for S800 I/O, with a 25-pos. D-SUB 

socket strip and two 14-pos. IDC/FLK socket strips, in standard 

lengths

25

1 m

CABLE-D25SUB/B/2X14/100/TU812

2304649

1

25

2 m

CABLE-D25SUB/B/2X14/200/TU812

2304652

1

25

3 m

CABLE-D25SUB/B/2X14/300/TU812

2304665

1

25

5 m

CABLE-D25SUB/B/2X14/500/TU812

2304678

1

VARIOFACE system cable,

 for S800 I/O, with a 25-pos. D-SUB 

socket strip and two 14-pos. IDC/FLK socket strips, in variable 

lengths

25

CABLE-D25SUB/B/2X14/TU812/...

2304681

1

Color code and pin assignment 

CABLE-D25SUB/B/2X14...TU812

D-SUB

connector 

25-pos.

FLK 14

1st 

connector

FLK 14

2nd 

connector

Wire color

1

2

3

4

5

6

7

8

9

10

11

12

13

14

15

16

17

18

19

20

21

22

23

24

25

9

10

1

3

5

7

NC

11

12

2

4

6

8

1

3

5

7

9

10

NC

2

4

6

8

11

12

Gray

White

Black

Red

Yellow

Blue

Black

Red

Yellow

Blue

Orange

White

White-black

White-brown

Brown

Orange

Green

Violet

Brown

Orange

Green

Violet

White-black

White-brown

Ordering example 

for system cable

– Cable for ABB S800, 12.75 m long

Quantity

Order No. 

Length [m] 

1

)

1

2304681

/

12.75

1

) min.  0.20 m

The ABB S800 I/O system can be used to 

install the process wiring via D-SUB 
connectors. The ABB TU 812 Compact 
MTU is available for this purpose.

The CABLE-D25SUB/B/2X14/.../TU812 

system cables convert digital signals from a 
D-SUB socket strip to two IDC/FLK socket 
strips. Therefore, all 8-channel termination 
boards of the system cabling are connected 
to S800 I/O modules. Two termination 
boards are used per module.

ABB S800 I/O
System cable

System cabling for controllers

Controller-specific system cabling

System cable

phoenixcontact-interface-technology-and-switching-devices-html.html
background image

0

-

0

-

1-

1-

1 2 3 4 5 6 7

8 9

1

0

111213141516171

8

1

9

2

0

21222324

1 2 3 4 5 6 7

8

9

1

0

111213141516171

8

2526272

8

2

9

3

0

313233343536373

8

3

9

4

0

414243444546474

8

4

9

5

0

NCNC

1

9

2

0

212223242526

272

8

2

9

3

0

313233343536

0

+

0

-

1-

1+

1 2 3 4 5 6 7

8 9

1

0

111213141516171

8

1

9

2

0

21222324

1 2 3 4 5 6 7

8

9

1

0

111213141516171

8

2526272

8

2

9

3

0

313233343536373

8

3

9

4

0

414243444546474

8

4

9

5

0

NCNC

1

9

2

0

212223242526

272

8

2

9

3

0

313233343536

 

472

PHOENIX CONTACT

Technical data

Maximum permissible operating voltage

< 50 V AC / 60 V DC

Maximum permissible operating voltage UL / CSA

125 V / -

Maximum permissible current

1 A (per path)

8 A (per connection, supply via separate power supply)

Ambient temperature (operation)

-20 °C ... 50 °C

Ambient temperature (storage/transport)

-20 °C ... 70 °C

Connection data solid/stranded/AWG

0.14 ... 1.5 mm² / 0.14 ... 1.5 mm² / 28 - 16

Standards/regulations

DIN EN 50178 / IEC

 

60664

Ordering data

Description

No. of pos.

Type

Order No.

Pcs./

Pkt.

VARIOFACE front adapters

, for ControlLogix:

- A maximum of 1 x 32 channels can be connected

50

FLKM 50-PA-AB/1756/EXTC

2302735

1

- IB 32 input board

50

FLKM 50-PA-AB/1756/IN/EXTC

2302748

1

Connection scheme: FLKM 50-PA-AB/1756/IN/EXTC

Connection scheme: FLKM 50-PA-AB/1756/EXTC

Front adapters for I/O modules of the 

Allen Bradley ControlLogix and Honeywell PlantScape 

automation devices

Card type

FLKM 50-PA-AB/1756/EXTC

Digital input

1756-IA 16 I* or TC-TDK 161*

1756-IB 16 D* or TC-TDX 161*

1756-IB 16 I* or TC-TDJ 161*

1756-IH 16 I*

Digital output

1756-OB 32 or TC-ODD 321

Analog input

1756-IF 8*

1756-IF 16 I* or TC-IAH 161*

1756-IF 8H* or TC-HAI 081*

Counter

1756-HSC*

Servo

1756-M02 AE*

Card type

FLKM 50-PA-AB/1756/IN/EXTC

Digital input

1756-IB 32 or TC-IDD 321

* Only in conjunction with 

VIP-2/SC/FLK50/AB-1756, Order No.: 

2322317

VIP-2/PT/FLK50/AB-1756, Order No.: 

2904286

There must be no voltage supply at the front adapter. Risk of short 

circuit!

IDC/FLK strip

Connection to I/O card

Screw terminal blocks for separate supply

Explanation:

I/O modules with 32 channels or of 
this type

The front adapters are pushed into the 

tall 1756-TBE covers (not supplied as 
standard, original accessories must be 
ordered directly from manufacturer) of the 
controller. A 50-pos. system cable can 
connect a maximum of 32 channels to the 
field level.

Tailor-made VARIOFACE termination 

boards round off this system concept.

Web code for the online configurator

Your web code: 

#0007

Allen Bradley ControlLogix, 
Honeywell PlantScape
Front adapter

System cabling for controllers

Controller-specific system cabling

32-channel front adapter 

with 50-pos. FLK strip

Notes:

Front adapters can also be used without cover.

Controller-specific modules from page 474

Standard modules from page 526

For system cables, see page 550

phoenixcontact-interface-technology-and-switching-devices-html.html
background image

0

-

0

-

1-

1-

1 2 3 4 5 6 7

8 9

1

0

11121314

1 2 3 4 5 6 7

8 9

1

0

11121314

1 2 3 4 5 6 7

8 9

1

0

111213141516171

8

1

9

2

0

1 2 3 4 5 6 7

8 9

1

0

11121314

1 2 3 4 5 6 7

8 9

1

0

111213141516171

8

1

9

2

0

1 2 3 4 5 6 7

8 9

1

0

11121314

0

+

0

-

1+

1-

1 2 3 4 5 6 7

8 9

1

0

11121314

1 2 3 4 5 6 7

8 9

1

0

11121314

1 2 3 4 5 6 7

8 9

1

0

111213141516171

8

1

9

2

0

For further information and full technical data, visit phoenixcontact.net/products

 

473

PHOENIX CONTACT

Technical data

Maximum permissible operating voltage

< 50 V AC / 60 V DC

Maximum permissible operating voltage UL / CSA

125 V / -

Maximum permissible current

1 A (per path)

8 A (per connection, supply via separate power supply)

Ambient temperature (operation)

-20 °C ... 50 °C

Ambient temperature (storage/transport)

-20 °C ... 70 °C

Connection data solid/stranded/AWG

0.14 ... 1.5 mm² / 0.14 ... 1.5 mm² / 28 - 16

Standards/regulations

DIN EN 50178 / IEC

 

60664

Ordering data

Description

No. of pos.

Type

Order No.

Pcs./

Pkt.

VARIOFACE front adapters

, for ControlLogix:

– Up to 2 x 8 channels can be connected

14

FLKM 14-PA-AB/1756/EXTC

2302861

1

– IA 16, IB 16, IC 16, IN 16 input card

14

FLKM 14-PA-AB/1756/IN/EXTC

2302874

1

– IF6 I input card (only suitable for measuring 

current; no power terminals on adapter)

14

FLKM 14-PA-AB/1756/IF6I/EXTC

1

)

2901037

1

Connection scheme: FLKM 14-PA-AB/1756/IN/EXTC

Connection scheme: FLKM 14-PA-AB/1756/IF6I/EXTC

Connection scheme: FLKM 14-PA-AB/1756/EXTC

Front adapters for I/O modules of the 

Allen Bradley ControlLogix and Honeywell PlantScape 

automation devices

Card type

FLKM 14-PA-AB/1756/EXTC

Digital input

1756-IA 8 D** or TC-IDX 081**

Digital output

1756-OB 16 E

Analog input

1756-IF 6 CIS** 

1756-IF 6 I** or TC-IAH 061**

1756-IR 6 I** or TC-IXR 061**

1756-IT 6 I** or TC-IXL 061**

Analog output

1756-OF 4 I**

1756-OF 6 CI** or TC-OAH 061**

1756-OF 6 VI** or TC-OAV 061**

1756-OF 8** or TC-OAV 081**

1756-OF 8 H**

Switch

1756-PLS**

Card type

FLKM 14-PA-AB/1756/IN/EXTC

Digital input

1756-IN 16**

1756-IA 16 or TC-IDA 161**

1756-IB 16

1756-IC 16**

Card type

FLKM 14-PA-AB/1756/IF6I/EXTC

Analog input

IF6I**

** Only in conjunction with 

VIP-2/SC/2FLK14/AB-1756, Order No.: 

2322333

 

VIP-2/PT/2FLK14/AB-1756, Order No.: 

2904288

There must be no voltage supply at the front adapter. Risk of short 

circuit!

IDC/FLK strip

Connection to I/O card

Screw terminal blocks for separate supply

Explanation:

I/O modules with 16 channels or of 
this type

The front adapters are pushed into the 

tall 1756-TBE covers (not supplied as 
standard, original accessories must be 
ordered directly from manufacturer) of the 
controller. Two 14-pos. system cables are 
used to connect up to 2 x 8 channels to the 
field level.

Tailor-made VARIOFACE termination 

boards round off this system concept.

Web code for the online configurator

Your web code: 

#0007

Allen Bradley ControlLogix, 
Honeywell PlantScape
Front adapter

System cabling for controllers

Controller-specific system cabling

16-channel front adapter 

with two 14-pos. FLK strips

Notes:

Front adapters can also be used without cover.

Controller-specific modules from page 474

Standard modules from page 526

For system cables, see page 550

1

) No UL approval

phoenixcontact-interface-technology-and-switching-devices-html.html
background image

1 2 3

1

0

1112131415

22 23242526 27

343536373

8

3

9

46474

8

4

9

5

0

1

0

1

8

9

2

0

11

1

8

1

9

3

0

21 2

8

2

9

4

0

31

3

8

3

9

1

9

2

7

1

9

8

26

16

34

1

7

35

1

8

36

1 2 3

15

3

9

2

7

1

0

34

11

35

23

4

7

12

36

24

4

8

13

3

7

25

4

9

14

3

8

26

5

0

22

46

 

 

 

Technical data

Technical data

Maximum permissible operating voltage

60 V AC/DC

60 V AC/DC

Maximum permissible operating voltage UL / CSA

125 V / -

125 V / 125 V

Maximum permissible current (per branch)

1 A

1 A

Ambient temperature (operation)

-20 °C ... 50 °C

-20 °C ... 50 °C

Mounting position

any

any

Standards/regulations

IEC

 

60664 , DIN EN 50178

IEC

 

60664 , DIN EN 50178

Connection method

Field level

Screw connection

Push-in connection

Controller level

IDC/FLK pin strip

IDC/FLK pin strip

Connection data solid/stranded/AWG

0.2 ... 4 mm² / 0.2 ... 2.5 mm² / 24 - 12

0.14 ... 2.5 mm² / 0.14 ... 2.5 mm² / 26 - 14

Dimensions

H / D

65.5 mm / 56 mm

72.1 mm / 56 mm

Ordering data

Ordering data

Description

No. of

pos.

Module width

W

Type

Order No.

Pcs./

Pkt.

Type

Order No.

Pcs./

Pkt.

VARIOFACE termination board

, with 

Modicon

®

 TSX Quantum™-specific marking from 1 to 40

- with screw connection

50

106.1 mm

VIP-2/SC/FLK50/MODI-TSX/Q

2322304

1

- with Push-in connection

50

107.9 mm

VIP-2/PT/FLK50/MODI-TSX/Q

2904285

1

VARIOFACE termination board

, with 

ControlLogix-specific marking from 1 to 36

- with screw connection

50

95.9 mm

VIP-2/SC/FLK50/AB-1756

2322317

1

- with Push-in connection

50

97.7 mm

VIP-2/PT/FLK50/AB-1756

2904286

1

Connection scheme VIP-2/.../FLK50/MODI-TSX/Q

Connection scheme VIP-2/.../FLK50/AB-1756

474

PHOENIX CONTACT

System cabling for controllers

Controller-specific system cabling

Passive termination boards for input/output, 

with specific marking 

and screw connection

Passive termination boards for input/output, 

with specific marking 

and Push-in connection

These VIP - VARIOFACE Professional 

modules are used in combination with 
50-pos. system cables and the relevant 
front adapters.

Features:

– Specific marking
– Specifically for Modicon TSX Quantum™ 

or ControlLogix

Notes:

For marking systems (e.g., “ZB 22:UNBEDRUCKT”; 

Order No. 

0811862

) and mounting material, see Catalog 3.

D W

H

D W

H

VIP termination boards for
Modicon TSX Quantum™ and
Allen Bradley ControlLogix

phoenixcontact-interface-technology-and-switching-devices-html.html
background image

X2

X1 1 2 3 4 5 6 7

8 9

1

0

11121314

1 2 3 4 5 6 7

8 9

1

0

11121314

1 2 3 4 5 6 7

8 9

1

0

2

0

111213141516171

8

1

9

For further information and full technical data, visit phoenixcontact.net/products

 

 

 

Technical data

Technical data

Maximum permissible operating voltage

60 V AC/DC

60 V AC/DC

Maximum permissible operating voltage UL / CSA

125 V / -

125 V / 125 V

Maximum permissible current (per branch)

1 A

1 A

Ambient temperature (operation)

-20 °C ... 50 °C

-20 °C ... 50 °C

Mounting position

any

any

Standards/regulations

IEC

 

60664 , DIN EN 50178

IEC

 

60664 , DIN EN 50178

Connection method

Field level

Screw connection

Push-in connection

Controller level

IDC/FLK pin strip

IDC/FLK pin strip

Connection data solid/stranded/AWG

0.2 ... 4 mm² / 0.2 ... 2.5 mm² / 24 - 12

0.14 ... 2.5 mm² / 0.14 ... 2.5 mm² / 26 - 14

Dimensions

H / D

65.5 mm / 56 mm

72.1 mm / 56 mm

Ordering data

Ordering data

Description

No. of

pos.

Module width

W

Type

Order No.

Pcs./

Pkt.

Type

Order No.

Pcs./

Pkt.

VARIOFACE termination board

, with 

ControlLogix-specific marking from 1 to 20

- with screw connection

14

80.6 mm

VIP-2/SC/2FLK14/AB-1756

2322333

1

- with Push-in connection

14

82.5 mm

VIP-2/PT/2FLK14/AB-1756

2904288

1

Connection scheme VIP-2/.../2FLK14/AB-1756

475

PHOENIX CONTACT

System cabling for controllers

Controller-specific system cabling

Passive termination boards 

for Allen Bradley ControlLogix 

with screw connection

Passive termination boards 

for Allen Bradley ControlLogix 

with Push-in connection

These VIP - VARIOFACE Professional 

modules are used in combination with two 
14-pos. system cables and the relevant front 
adapters for Allen Bradley.

Features:

– Numerical marking (1-20)
– Specifically for ControlLogix

Notes:

For marking systems (e.g., “ZB 22:UNBEDRUCKT”; 

Order No. 

0811862

) and mounting material, see Catalog 3.

D W

H

D W

H

VIP termination boards for
Allen Bradley ControlLogix

phoenixcontact-interface-technology-and-switching-devices-html.html
background image

1

2

3 5 7

9

4 6

8

1

0

12 14

11 13 15 17

16 1

8

2

0

22 24 26 2

8

1

9

21 23 25 27 2

9

31 33 35 37 3

9

3

0

32 34 36 3

8

4

0

42 44 464

8

5

0

41 43 45 47 4

9

VAC1

0

1 2 3 4 5 6 7

VAC2

9 8

111

0

13121514

X1

X2

1 2 3 4 5 6 7

8 9

1

0

11121314

1 2 3 4 5 6 7

8 9

1

0

11121314

0

1 2 3 4 5 6 7

8 9

1

0

11121314 15 CO

M

CO

M

X1

X2

1 2 3 4 5 6 7

8 9

1

0

1112 1314

1 2 3 4 5 6 7

8 9

1

0

1112 1314

0

1

2

3

4

5

6

7

8

9

1

0

11 12 13 14 15 VDCVDC

X1

X2

1 2 3 4 5 6 7

8 9

1

0

11121314

1 2 3 4 5 6 7

8 9

1

0

11121314

VDC

0

1

2

3

4

5

6

7

8

9

1

0

11 12 13 14 15 CO

M

 

476

PHOENIX CONTACT

Technical data

FLKM 14-PA...

FLKM 50-PA...

Maximum permissible operating voltage

< 50 V AC / 60 V DC

< 50 V AC / 60 V DC

Maximum permissible operating voltage UL / CSA

125 V / -

125 V / -

Maximum permissible current

1 A (per path)

2 A (per path)

Maximum permissible total current

2 A (per Byte, for supply via 

connector)

7 A (per Byte, for supply via 

connector)

Ambient temperature (operation)

-20 °C ... 50 °C

-20 °C ... 50 °C

Ambient temperature (storage/transport)

-20 °C ... 70 °C

-20 °C ... 70 °C

Mounting position

any

any

Standards/regulations

IEC

 

60664 / DIN EN 50178

IEC

 

60664 / DIN EN 50178

Ordering data

Description

No. of pos.

Type

Order No.

Pcs./

Pkt.

VARIOFACE front adapter

, 2 x 8 channels can be connected for 

Allen Bradley SLC 500 for:

- 1746 OB16, OV16, OG16 and IG16

14

FLKM 14-PA-SLC500/OUT

2293459

1

- 1746 IA16, IB16, ITB16 and IN16

14

FLKM 14-PA-SLC500/IN

2293462

1

- 1746 IV16 and IVT16

14

FLKM 14-PA-SLC500/IN/M

2293475

1

VARIOFACE front adapter

, 1 x 16 channels can be connected for 

Allen Bradley SLC 500 1746 OA16 and OW16

50

FLKM 50-PA-SLC500/OUT/2A

2293446

1

Connection scheme FLKM 50-PA-SLC500/OUT/2A

Connection scheme FLKM 14-PA-SLC500/IN

Connection scheme FLKM 14-PA-SLC500/IN/M

Connection scheme FLKM 14-PA-SLC500/OUT

IDC/FLK strip

Connection to I/O card

Screw terminal blocks for separate supply

Explanation:

The front adapters mean that 

pre-assembled system cables can be directly 
connected to I/O modules.
– The FLKM 14-PA-SLC500... adapters 

connect max. 2 x 8 channels via two 
14-pos. system cables. Tailor-made 
VARIOFACE termination boards with a 
variety of functions and connection 
options round off this system concept.

– With the FLKM50-PA-SLC500 OUT/2A 

front adapters, the FLKM 50/16/SLC500 
termination board, and 50-position 
system cables, the VARIOFACE system 
cabling can also be coupled to the OA16 
and OW16 power output cards.

Web code for the online configurator

Your web code: 

#0007

Allen Bradley SLC 500
Front adapter

System cabling for controllers

Controller-specific system cabling

Front adapter for SLC 500 1746, 

2 x 8 channels can be connected

Notes:

Standard modules from page 526

For system cables, see page 550

phoenixcontact-interface-technology-and-switching-devices-html.html
background image

1 3 5

2 4 6

8

1

0

7

9

11 13 15 17 1

9

21

12 14 16 1

8

2

0

23 25 27 2

9

31 33

22 24 26 2

8

3

0

32

35 37 3

9

41 43 45

34 36 3

8

4

0

42 44

47 4

9

46 4

8

5

0

VAC1

0

1 2 3 4 5 6 7

9

VAC2

8

111

0

13121514

For further information and full technical data, visit phoenixcontact.net/products

 

 

 

Technical data

Technical data

Maximum permissible operating voltage

50 V AC / 60 V DC

50 V AC / 60 V DC

Maximum permissible operating voltage UL / CSA

125 V / -

125 V / 125 V

Maximum permissible current (per branch)

1 A

1 A

Maximum total current (voltage supply)

2 A (per channel)

2 A (per channel)

Ambient temperature (operation)

-20 °C ... 50 °C

-20 °C ... 50 °C

Mounting position

any

any

Standards/regulations

IEC

 

60664 , DIN EN 50178

EN 50178

Connection method

Field level

Screw connection

Push-in connection

Controller level

IDC/FLK pin strip

IDC/FLK pin strip

Connection data solid/stranded/AWG

0.2 ... 4 mm² / 0.2 ... 2.5 mm² / 24 - 12

0.14 ... 2.5 mm² / 0.14 ... 2.5 mm² / 26 - 14

Dimensions

H / D

65.5 mm / 56 mm

72.1 mm / 56 mm

Ordering data

Ordering data

Description

No. of

pos.

Module width

W

Type

Order No.

Pcs./

Pkt.

Type

Order No.

Pcs./

Pkt.

VARIOFACE termination board

, for transfer of max. 16 channels, 

only in connection with FLKM 50-PA-SLC500 OUT/2A

- with screw connection

50

90.8 mm

VIP-2/SC/FLK50/16/SLC500

2322320

1

- with Push-in connection

50

92.7 mm

VIP-2/PT/FLK50/16/SLC500

2904287

1

Connection scheme VIP-2/.../FLK50/16/SLC500

477

PHOENIX CONTACT

System cabling for controllers

Controller-specific system cabling

VARIOFACE termination board for 16 channels 

with screw connection

VARIOFACE termination board for 16 channels 

with Push-in connection

The VIP-2/.../FLK50/16/SLC500 

VARIOFACE Professional (VIP) module has 
been designed specifically for OA16 and 
OW16 output modules. Together with the 
FLKM 50-PA-SLC500/OUT/2A front 
adapter, currents up to 2 A per channel are 
transferred with the system cabling.

Notes:

For marking systems (e.g., “ZB 22:UNBEDRUCKT”; 

Order No. 

0811862

) and mounting material, see Catalog 3.

D W

H

D W

H

VIP termination board for
Allen Bradley SLC 500,
2 A output cards

phoenixcontact-interface-technology-and-switching-devices-html.html
background image

 

478

PHOENIX CONTACT

Allen Bradley SLC 500
System cable for 32 channels

Notes:

Standard modules from page 526

The 32-channel I/O cards of the SLC 500 

are connected using 40-pos. connectors 
(already integrated into the I/O modules). 
Passive termination boards (-3/SC/FLK40, 
etc.) are connected to the I/O cards using 
the 

FLK 40/EZ-DR/.../SLC

 system cables.

32 channels are split into 4x8 channels 

using the 

FLK 40/4X14/EZ-DR/...

 system 

cables.

The following 8-channel system cabling 

modules can be coupled:
– OB32  and  IB32

passive and active modules plus 
V8 adapter

– OV32 and IV32

passive modules without status indicator

Web code for the online configurator

Your web code: 

#0007

Technical data

Maximum permissible operating voltage

< 50 V AC / 60 V DC

Maximum permissible operating voltage UL / CSA

125 V / -

Maximum permissible current carrying capacity per path

1 A

Ambient temperature (operation)

-20 °C ... 50 °C

Assembly

Insulation displacement, IEC 60352-4/DIN EN 60352-4

Insulation displacement, IEC 60352-4/DIN EN 60352-4

Conductor cross section

AWG 26 / 0.14 mm²

Conductor structure: stranded wires / material

7 / Cu tin-plated

Outside diameter

40-pos.

10 mm

Ordering data

Description

No. of

pos.

Cable length

Type

Order No.

Pcs./

Pkt.

Assembled round cable

, with two 40-pos. IDC/FLK socket strips 

in fixed lengths (50 cm increments) for connection to 32-channel 

I/O cards of the SLC 500

40

0.5 m

FLK 40/EZ-DR/  50/SLC

2294610

1

40

1 m

FLK 40/EZ-DR/ 100/SLC

2294623

1

40

1.5 m

FLK 40/EZ-DR/ 150/SLC

2294636

1

40

2 m

FLK 40/EZ-DR/ 200/SLC

2294649

1

40

3 m

FLK 40/EZ-DR/ 300/SLC

2294652

1

Assembled round cable

, for connection to Allen Bradley SLC500, 

OB32, and IB32, with a 40-pos. IDC/FLK socket strip and four 

14-pos. IDC/FLK socket strips, for splitting max. 32 channels into 

4 x  8  channels.

for OB32

40

0.5 m

40

1 m

40

2 m

40

3 m

for IB32

40

0.5 m

40

1 m

40

2 m

40

3 m

System cabling for controllers

Controller-specific system cabling

System cable for 

32-channel I/O cards of the SLC 500

(OB32, OV32, IB32, IV32)

phoenixcontact-interface-technology-and-switching-devices-html.html
background image

For further information and full technical data, visit phoenixcontact.net/products

 

479

PHOENIX CONTACT

Technical data

< 50 V AC / 60 V DC

125 V /  -

1 A

-20 °C ... 50 °C

Assembly

Insulation displacement, IEC 60352-4/DIN EN 60352-4

Insulation displacement, IEC 60352-4/DIN EN 60352-4

AWG 26 / 0.14 mm²

7 / Cu tin-plated

7.8 mm

Ordering data

Type

Order No.

Pcs./

Pkt.

FLK 40/4X14/EZ-DR/  50/OB32

2296786

1

FLK 40/4X14/EZ-DR/ 100/OB32

2298483

1

FLK 40/4X14/EZ-DR/ 200/OB32

2298522

1

FLK 40/4X14/EZ-DR/ 300/OB32

2298535

1

FLK 40/4X14/EZ-DR/  50/IB32

2296812

1

FLK 40/4X14/EZ-DR/ 100/IB32

2296825

1

FLK 40/4X14/EZ-DR/ 200/IB32

2296838

1

FLK 40/4X14/EZ-DR/ 300/IB32

2296841

1

System cabling for controllers

Controller-specific system cabling

System cable for 

splitting max. 32 channels into 4 x 8 channels

(OB32, IB32)

phoenixcontact-interface-technology-and-switching-devices-html.html
background image

 

Technical data

Maximum permissible operating voltage

< 50 V AC / 60 V DC

Maximum permissible operating voltage UL / CSA

125 V / -

Maximum permissible current carrying capacity per path

1 A

Maximum conductor resistance

0.16 

/m

Ambient temperature (operation)

-20 °C ... 50 °C

Conductor cross section

AWG 26 / 0.14 mm²

Outside diameter

16-pos.

6.8 mm

20-pos.

7.6 mm

24-pos.

6.5 mm

20-pos.

10.3 mm

Ordering data

Description

No. of

pos.

Cable length

Type

Order No.

Pcs./

Pkt.

System cable

, for 16-pos. “mass termination blocks” with a 

16-pos. and a 14-pos. IDC/FLK socket strip for connection with 

PLC-INTERFACE

16

0.3 m

FLK 16/14/DV-OUT/ 30

2304348

1

16

0.5 m

FLK 16/14/DV-OUT/ 50

2304351

1

16

1 m

FLK 16/14/DV-OUT/100

2300575

1

16

2 m

FLK 16/14/DV-OUT/200

2300588

1

16

3 m

FLK 16/14/DV-OUT/300

2304364

1

Variable cable length

16

FLK 16-14-DV-OUT/...

2304377

1

System cable

, for 16-pos. “mass termination blocks” with a 

16-pos. and a 14-pos. IDC/FLK socket strip for connection with 

PLC-INTERFACE

16

0.5 m

FLK 16/14/DV-IN/ 50

2304393

1

16

1 m

FLK 16/14/DV-IN/100

2300559

1

16

2 m

FLK 16/14/DV-IN/200

2300562

1

16

3 m

FLK 16/14/DV-IN/300

2304403

1

16

4 m

FLK 16/14/DV-IN/400

2305185

1

Variable cable length

16

FLK 16-14-DV-IN/...

2304416

1

System cable

, for 40-pos. (2 x 20) “mass termination blocks” with 

a 20-pos. and two 14-pos. IDC/FLK socket strips for connection 

with PLC-INTERFACE (two cables should be used per 32-channel 

I/O card)

20

1 m

FLK 20/2FLK14/EZ-DR/100/KONFEK

2298470

1

20

2 m

FLK 20/2FLK14/EZ-DR/200/KONFEK

2298438

1

20

3 m

FLK 20/2FLK14/EZ-DR/300/KONFEK

2300818

1

Variable cable length

20

FLK 20/2FLK14/EZ-DR/...

2304487

1

System cable

, for 24-pos. “mass termination blocks” with a 

24-pos. and a 16-pos. IDC/FLK socket strip for connection with 

UM-DELTAV/... modules

24

0.3 m

FLK 16/24/DV-AI/EZ-DR/ 30

2304319

1

24

0.5 m

FLK 16/24/DV-AI/EZ-DR/ 50

2304296

1

24

1 m

FLK 16/24/DV-AI/EZ-DR/100

2301134

1

24

2 m

FLK 16/24/DV-AI/EZ-DR/200

2301545

1

24

3 m

FLK 16/24/DV-AI/EZ-DR/300

2304322

1

Variable cable length

24

FLK 16-24-DV-AI-EZ-DR/...

2304335

1

System cable,

 for 40-pos. “mass termination blocks” with two 

20-pos. and one 50-pos. IDC/FLK socket strip for connection with 

32-channel termination boards

20

0.5 m

FLK 50/2FLK20/EZ-DR/  50/DV

2304872

1

20

1 m

FLK 50/2FLK20/EZ-DR/ 100/DV

2304898

1

20

2 m

FLK 50/2FLK20/EZ-DR/ 200/DV

2304908

1

20

3 m

FLK 50/2FLK20/EZ-DR/ 300/DV

2304911

1

20

6 m

FLK 50/2FLK20/EZ-DR/ 600/DV

2304937

1

20

8 m

FLK 50/2FLK20/EZ-DR/ 800/DV

2304940

1

20

10 m

FLK 50/2FLK20/EZ-DR/1000/DV

2304953

1

Variable cable length

20

FLK 50-2FLK20-EZ-DR-DV/...

2304966

1

480

PHOENIX CONTACT

The DeltaV system can be used to install 

the process wiring via “mass termination 
blocks” (MTBs) using IDC/FLK connectors. 
In addition to the 10, 16, and 20-pos. system 
cables of system cabling (see page 550), the 
following system-specific cables are 
available:

FLK 16/14/DV-OUT/...

, for digital 

assemblies with 16-pos. MTB for 
connection with PLC-INTERFACE

FLK 16/14/DV-IN/...

, for digital modules 

with 16-pos. MTB for connection to 
PLC-INTERFACE

FLK 20/2FLK14/EZ-DR/...

, for digital 

assemblies with 40-pos. MTB for 
connection with PLC-INTERFACE

FLK 16/24/DV-AI/EZ-DR/...

, for analog 

assemblies with 24-pos. MTB

FLK 50/2FLK20/EZ-DR/.../DV 

 system 

cables are specifically designed for 
32-channel I/O modules with 40-pin 
MTB for the purpose of connecting 
I/O modules with 32-channel 
VARIOFACE termination boards

Emerson DeltaV
System cable

System cabling for controllers

Controller-specific system cabling

System cable for DeltaV

phoenixcontact-interface-technology-and-switching-devices-html.html
background image

1

2

4

6

8

1

0

12

14

16

3

5

7

9

11

13

15

C

H

1

CO

M

CO

M

CO

M

CO

M

CO

M

CO

M

CO

M

CO

M

CO

M

CO

M

CO

M

C

H

1

C

H

2

C

H

3

C

H

4

C

H

5

C

H

6

C

H

7

C

H

8

C

H

2

C

H

3

C

H

4

C

H

5

C

H

6

C

H

7

C

H

8

+

-

-

-

-

-

-

-

-

+

+

+

+

+

+

+

1

2

4

6

8

1

0

12

14

16

3

5

7

9

11

13

15

C

H

1C

H

1

C

H

2

C

H

3

C

H

4

C

H

5

C

H

6

C

H

7

C

H

8

C

H

2

C

H

3

C

H

4

C

H

5

C

H

6

C

H

7

C

H

8

+

-

-

-

-

-

-

-

-

+

+

+

+

+

+

+

+

-

-

-

-

-

-

-

-

+

+

+

+

+

+

+

1

2

3

4

5

6

7

8

9

1

0

11 12 13 14 15 16

C

h

1 C

h

1 C

h

2 C

h

2 C

h

3 C

h

3 C

h

4 C

h

4 C

h

5C

h

5 C

h

6 C

h

6 C

h

7 C

h

7 C

h

8

C

h

8

For further information and full technical data, visit phoenixcontact.net/products

481

PHOENIX CONTACT

Technical data

FLKM 16/.../DV

FLKM 16/.../SI/.../DV

Maximum permissible operating voltage

< 50 V AC / 60 V DC

< 50 V AC / 60 V DC

Maximum permissible current (per branch)

1 A (per signal path)

50 mA (In delivered state, with 

one 50 mA fuse, max. 1 A 

permitted)

Ambient temperature (operation)

-20 °C ... 50 °C

-20 °C ... 50 °C

Mounting position

any

any

Standards/regulations

DIN EN 50178 , IEC

 

60664

Connection method

Field level

Screw connection

Screw connection

Controller level

IDC/FLK pin strip

IDC/FLK pin strip

Connection data solid/stranded/AWG

0.2 ... 4 mm² / 0.2 ... 2.5 mm² / 24 - 12

Dimensions

H / D

90 mm / 68 mm

Ordering data

Description

No. of

pos.

Module width

W

Type

Order No.

Pcs./

Pkt.

Termination board

, with 1:1 connection

16

45 mm

FLKM 16/DV

2304432

1

Termination board

, with 1:1 connection and 

separate potential terminal blocks per channel

16

57 mm

FLKM 16/AI/DV

2304429

1

Termination board

, with fuses per channel

16

90 mm

FLKM 16/AO/SI/DV

2304445

1

FLKM 16/AI/DV connection scheme

FLKM 16/AO/SI/DV connection scheme

FLKM 16/DV connection scheme

These system-specific termination boards 

for DeltaV modules are used in combination 
with the relevant system cables. They are 
connected to 8-channel modules via “mass 
termination blocks” with IDC/FLK 
connection.

FLKM 16/DV

– Universal  module
– 1:1 connection

FLKM 16/AI/DV

– 1:1 connection
– Separate equipotential terminals per 

channel

FLKM 16/AO/SI/DV

– 1:1 connection
– 5 x 20, 50 mA T, IEC 60127-2/3 fuse per 

channel

Emerson DeltaV
Termination board for eight channels

System cabling for controllers

Controller-specific system cabling

D W

H

Termination board for 8 channels

phoenixcontact-interface-technology-and-switching-devices-html.html
background image

Technical data

FLKM 50/32M/DV

FLKM 50/32M/IN/LA/DV

Maximum permissible operating voltage

< 50 V AC / 60 V DC

30 V DC

Maximum permissible current (per branch)

1 A

1 A

Ambient temperature (operation)

-20 °C ... 50 °C

-20 °C ... 50 °C

Mounting position

any

any

Standards/regulations

DIN EN 50178 , IEC

 

60664

Connection method

Field level

Screw connection

Screw connection

Controller level

IDC/FLK pin strip

IDC/FLK pin strip

Connection data solid/stranded/AWG

0.2 ... 4 mm² / 0.2 ... 2.5 mm² / 24 - 12

Dimensions

H / D

90 mm / 68 mm

Ordering data

Description

No. of

pos.

Module width

W

Type

Order No.

Pcs./

Pkt.

VARIOFACE termination boards

, for 32-channel I/O modules:

- Input/Output

50

169 mm

FLKM 50/32M/DV

2304869

1

- Input with LED per signal

50

169 mm

FLKM 50/32M/IN/LA/DV

2304856

1

D W

H

These system-specific termination boards 

for DeltaV modules are used in combination 
with FLK 50/2FLK20/EZ-DR/.../DV system 
cables. They are connected to 32-channel 
modules via 40-pos. “mass termination 
blocks” with IDC/FLK connection.

FLKM 50/32M/DV

– Can be used for 32-channel input and 

output cards

– Two-conductor connection with a 

separate negative terminal per channel

FLKM 50/32M/IN/LA/DV

– Can be used for 32-channel input 

modules

– LED status display per channel
– Two-conductor connection with a 

separate negative terminal per channel 
(Dry Contact)

Emerson DeltaV
Termination board for 32 channels

System cabling for controllers

Controller-specific system cabling

Termination board with

2-conductor connection technology for DeltaV

Technical data

Maximum permissible operating voltage

24 V DC

Maximum permissible operating voltage UL / CSA

24 V / 24 V

Maximum permissible current (per branch)

63 mA (in as supplied state, with one 63 mA fuse)

Ambient temperature (operation)

-20 °C ... 60 °C

Mounting position

any

Standards/regulations

DIN EN 50178

Connection method

Field level

Push-in connection

Controller level

IDC/FLK pin strip

Connection data solid/stranded/AWG

0.14 ... 2.5 mm² / 0.14 ... 2.5 mm² / 26 - 14

Dimensions

H / D

109.8 mm / 63 mm

Ordering data

Description

No. of

pos.

Module width

W

Type

Order No.

Pcs./

Pkt.

Termination board

 for 16-pos. mass termination block

16

57.1 mm

VIP-PT/FLK16/DS/FU/LED/AN/DV

2903599

1

482

PHOENIX CONTACT

D W

H

System-specific termination board for use 

in combination with the respective system 
cables. The termination board is connected 
to 8-channel modules through 16-position 
"mass termination blocks" with flat ribbon 
cable connection.

Features:

– Fuse per channel
– Separate equipotential terminals per 

channel

– Knife disconnection for each channel
– Push-in connection

Emerson DeltaV
VIP termination board with fuses 
for 8 channels

Termination board with fuses for 

16-pos. mass termination block

phoenixcontact-interface-technology-and-switching-devices-html.html
background image

1 2

3 4

5 6

7

8

9

1

0

1112 1314 1516

1- 1+

2- 2+

3- 3+

4- 4+

5- 5+

6- 6+

7- 7+

8

-

8

+

S

H

S

H

S

H

S

H

S

H

S

H

S

H

S

H

S

H

S

H

1 2

3 4

5 6

7

8

9

1

0

1112 1314

1516

1- 1+

2- 2+

3- 3+ 4- 4+

5- 5+

6- 6+ 7- 7+

8

-

8

+

S

H

S

H

S

H

S

H

S

H

S

H

S

H

S

H

S

H

S

H

1 2

3 4

5 6

7

8

9

1

0

1112 1314 1516

1- 1+

2- 2+

3- 3+

4- 4+

5- 5+

6- 6+

7- 7+

8

-

8

+

S

H

S

H

S

H

S

H

S

H

S

H

S

H

S

H

S

H

S

H

1 2

3 4

5 6

7

8

9

1

0

1112 1314 15 16

1- 1+

2- 2+

3- 3+

4- 4+

5- 5+

6- 6+ 7- 7+

8

-

8

+

S

H

S

H

S

H

S

H

S

H

S

H

S

H

S

H

S

H

S

H

For further information and full technical data, visit phoenixcontact.net/products

483

PHOENIX CONTACT

Technical data

Maximum permissible operating voltage

24 V DC

Maximum permissible operating voltage UL / CSA

24 V / -

Maximum permissible current (per branch)

50 mA (in as-supplied state, with one 50 mAF fuse, 

max. 1 A permitted)

Ambient temperature (operation)

-20 °C ... 50 °C

Mounting position

any

Standards/regulations

IEC

 

60664 , DIN EN 50178

Connection method

Field level

Screw connection

Controller level

IDC/FLK pin strip

Connection data solid/stranded/AWG

0.2 ... 4 mm² / 0.2 ... 2.5 mm² / 24 - 12

Dimensions

H / D

126 mm / 71 mm

Ordering data

Description

No. of

pos.

Module width

W

Type

Order No.

Pcs./

Pkt.

Termination boards

 for 16-pos. and 24-pos. mass termination 

blocks with:

- Fuses

16

61 mm

UM-DELTA V/D/SI

5603255

1

– Fuses and knife disconnect terminal 

blocks

16

61 mm

UM-DELTAV/D/SI/BFI/TP

5603257

1

– Fuses and fuse failure display

16

61 mm

UM-DELTAV/A/SI

5603256

1

- Fuses, fuse failure display, and knife 

disconnect terminal blocks

16

61 mm

UM-DELTAV/A/SI/BFI/TP

5603258

1

Connection scheme UM-DELTAV/A/SI/BFI/TP

Connection scheme UM-DELTAV/D/SI/BFI/TP

Connection scheme UM-DELTAV/A/SI

Connection scheme UM-DELTAV/D/SI

IDC/FLK strip

Connection to I/O card

Screw terminal blocks for separate supply

Explanation:

These system-specific termination boards 

for DeltaV modules are used in combination 
with the relevant system cables. They are 
connected to 8-channel modules via 16-pos. 
or 24-pos. “mass termination blocks” with 
IDC/FLK connection.

UM-DELTA V/D/SI

– Fuse per channel
– Separate equipotential terminals per 

channel

UM-DELTA V/D/SI

– Fuse per channel
– Separate equipotential terminals per 

channel

– Knife disconnection for each channel

UM-DELTA V/D/SI/BFI/TP

– Fuse and LED status indicator per channel
– Separate equipotential terminals per 

channel

UM-DELTA V/D/SI

– Fuse and LED status indicator per channel
– Separate equipotential terminals per channel
– Knife disconnection for each channel

Emerson DeltaV
Termination boards with fuses 
for 8 channels

System cabling for controllers

Controller-specific system cabling

D W

H

Termination board with fuses for

16-pos. and 24-pos. mass termination blocks

phoenixcontact-interface-technology-and-switching-devices-html.html
background image

1 2 3 4 5 6

7 8 9

1

0

1112131415161

7

1

8

1

9

2

0

21222324

NCNC

NCNC

NC

1

2

3

A

4

B

NC

1 2 3 4 5 6

7 8 9

1

0

1112131415161

7

1

8

25262

7

2

8

2

9

3

0

3132333435363

7

3

8

3

9

4

0

4142434445464

7

4

8

4

9

5

0

21

2

0

1

9

22232425262

7

31

3

0

2

9

2

8

3233343536

0+

0–

1

1

+

1 2 3 4 5 6

7 8 9

1

0

1112131415161

7

1

8

1

9

2

0

21222324

1 2 3 4 5 6

7 8

9

1

0

1112131415161

7

1

8

25262

7

2

8

2

9

3

0

3132333435363

7

3

8

3

9

4

0

4142434445464

7

4

8

4

9

5

0

1

9

2

0

212223242526

2

7

2

8

2

9

3

0

313233343536

A
B

484

PHOENIX CONTACT

Technical data

Maximum permissible operating voltage

< 50 V AC / 60 V DC

Maximum permissible current

1 A (per path)

8 A (per connection, supply via separate power supply)

Ambient temperature (operation)

-20 °C ... 50 °C

Ambient temperature (storage/transport)

-20 °C ... 70 °C

Mounting position

any

Standards/regulations

DIN EN 50178 / IEC

 

60664

Ordering data

Description

No. of pos.

Type

Order No.

Pcs./

Pkt.

VARIOFACE front adapter

, for PACSystems RX3i,

For digital output and analog modules

50

FLKM 50-PA-GE/TKFC/RXI

2321473

1

For digital input modules

50

FLKM 50-PA-GE/TKFC/RXI/IN

2321486

1

Connection scheme for FLKM 50-PA-GE/TKFC/RXI/IN

Connection scheme for FLKM 50-PA-GE/TKFC/RXI

Front adapters for I/O modules of the RX3i series

Card type

FLKM 50-PA/GE/TKFC/RXI

Digital output

IC 694 MDL 754

Card type

FLKM 50-PA/GE/TKFC/RXI/IN

Digital input

IC 694 MDL 660

IDC/FLK strip

Connection to I/O card

Screw terminal blocks for separate supply

Explanation:

The front adapters mean that 

pre-assembled system cables can be directly 
connected to I/O modules.
– Transfer of max. 32 channels over one 

50-position system cable

– Can be plugged onto I/O modules
– Connection via suitable VARIOFACE 

termination boards

Web code for the online configurator

Your web code: 

#0007

GE Fanuc RX3i
Front adapters

System cabling for controllers

Controller-specific system cabling

Front adapter for GE Fanuc

RX3i

Notes:

Standard modules from page 526

For system cables, see page 550

phoenixcontact-interface-technology-and-switching-devices-html.html
background image

1

2

3

4

5

6

7

8

9

1

0

-

11 12 13 14 15 16 17 1

8

1

9

2

0

0

V

+24 V

1 2 3 4 5 6 7

8 9

1

0

11121314

1 2 3 4 5 6 7

8 9

1

0

11121314

2

0

1

9

1

8

17 16 15 14 13 12

11

+

-

1

0

9

8

7

6

5

4

3

2

1

-

+

141312111

0

9 8

7 6 5 4 3 2 1

B

141312111

0

9 8

7 6 5 4 3 2 1

A

For further information and full technical data, visit phoenixcontact.net/products

 

485

PHOENIX CONTACT

Technical data

Maximum permissible operating voltage

< 50 V AC / 60 V DC

Maximum permissible current

1 A (per path)

4 A (per connection, supply via separate power supply)

Maximum permissible total current

3 A (per Byte, for supply via connector)

Ambient temperature (operation)

-20 °C ... 50 °C

Ambient temperature (storage/transport)

-20 °C ... 70 °C

Mounting position

any

Standards/regulations

IEC

 

60664 / DIN EN 50178

Ordering data

Description

No. of pos.

Type

Order No.

Pcs./

Pkt.

VARIOFACE front adapter

, for Series 90-30, max. 2 x 8 channels 

can be connected, digital output

14

FLKM 14-PA/GE/DO

2290009

2

VARIOFACE front adapter

, for Series 90-30, max. 2 x 8 channels 

can be connected, digital input

14

FLKM 14-PA/GE/DI

2290038

5

Connection scheme FLKM 14-PA/GE/DI

Connection scheme FLKM 14-PA/GE/DO

Front adapters for I/O modules of the Series 90-30

Card type

FLKM 14-PA/GE/DO

Digital output

IC 693 MDL 732

IC 693 MDL 733*

IC 693 MDL 740

IC 693 MDL 741*

IC 693 MDL 742

Analog 

IC 693 ALG 220*

IC 693 ALG 221*

IC 693 ALG 222*

IC 693 ALG 223*

IC 693 ALG 390*

IC 693 ALG 391*

IC 693 ALG 392*

IC 693 ALG 442*

Card type

FLKM 14-PA/GE/DI

Digital input

IC 693 MDL 241

IC 693 MDL 634

IC 693 MDL 645

IC 693 MDL 646

* Only in conjunction with 

VIP-2/SC/2FLK14(1-20)/S7, Order No.: 

2315230

 and 

UM 45-2FLK14/ZFKDS/S7, Order No.: 

2965156

All wire bridges (DR) on the adapter must be disconnected. 

There must be no voltage supply at the front adapter 

(flowing via the slip-on connections).

IDC/FLK strip

Connection to I/O card

Screw terminal blocks for separate supply

Explanation:

The front adapters mean that 

pre-assembled system cables can be directly 
connected to I/O modules.

Up to 2 x 8 channels are connected via 

two 14-pos. system cables.

Tailor-made VARIOFACE termination 

boards with a variety of functions and 
connection options round off this system 
concept.

Web code for the online configurator

Your web code: 

#0007

GE Fanuc, Series 90-30
Front adapters

System cabling for controllers

Controller-specific system cabling

Front adapter for GE Fanuc

Series 90-30

Notes:

Standard modules from page 526

For system cables, see page 550

phoenixcontact-interface-technology-and-switching-devices-html.html
background image

2

1

1

3

2

5

3

7

4

9

5

11

6

13

7

15

8

17

1

1

9

2

21

3

23

4

25

5

27

6

2

9

7

31

8

4

6

8

1

0

12

14

16

1

8

2

0

22

24

26 2

8

3

0

32

9

1

0 H

o

u

si

n

g

D-

S

U

B

B

y

te

 

0

B

y

te

 1

B

y

te

 

0

 + 1

B

y

te

 

0

 + 1

2

1

1

3

2

5

3

7

4

9

5

11

6

13

7

15

8

1

7

1

1

9

2

21

3

23

4

25

5

2

7

6

2

9

7

31

8

4

6

8

1

0

12

14

16

1

0

1

8

2

0

22

24

26 2

8

3

0

32

1

0 Housing

D-S

U

B

B

y

te 0

B

y

te

1

2

2

0

1

1

3

2

5

3

7

4

9

5

11

6

13

7

15

8

17

9

1

9

1

0

21

11

23

12

25

13

27

14

2

9

15

31

16

4

21

6

22

8

23

1

0

24

12

25

14

26

16

27

1

8

2

8

2

0

2

9

22

3

0

24

31

26

32

2

8

33

3

0

34

32

35 17

1-

SP

1

8

36 37

H

o

u

si

n

g

2-
3-
4-

D-

S

U

B

2

2

0

1

1

3

2

5

3

7

4

9

5

11

6

13

7

15

8

1

7

9

1

9

1

0

21

11

23

12

25

13

2

7

14

2

9

15

31

16

4

21

6

22

8

23

1

0

24

12

25

14

26

16

2

7

1

8

2

8

2

0

2

9

22

3

0

24

31

26

32

2

8

33

3

0

34

32

35

Housing

D-S

U

B

486

PHOENIX CONTACT

Technical data

Maximum permissible operating voltage

60 V DC

Maximum permissible operating voltage UL / CSA

125 V / -

Maximum permissible current

1 A (per path)

Ambient temperature (operation)

-20 °C ... 50 °C

Ambient temperature (storage/transport)

-20 °C ... 70 °C

Mounting position

any

Standards/regulations

IEC

 

60664 / DIN EN 50178

Ordering data

Description

No. of pos.

Type

Order No.

Pcs./

Pkt.

VARIOFACE front adapter

 for C I/O series, with 

one D-SUB pin strip

- For digital I/O modules

37

FLKM-PA-D37/HW/DIO/C300

2901423

1

- For analog I/O modules

37

FLKM-PA-D37/HW/AN/C300

2900622

1

VARIOFACE front adapter

 for C I/O series, with 

two D-SUB pin strips

- For digital output modules

15

FLKM-PA-2D15/HW/DO/C300

1

)

2900924

1

- For digital input modules

15

FLKM-PA-2D15/HW/DI/C300

1

)

2901879

1

FLKM-PA-2D15/HW/DI/C300 connection scheme

Connection scheme: FLKM-PA-2D15/HW/DO/C300

Connection scheme: FLKM-PA-D37/HW/AN/C300

Connection scheme: FLKM-PA-D37/HW/DIO/C300

Front adapters for I/O modules of the C300 and C I/O series

Card type

FLKM-PA-D37/HW/DIO/C300

Digital input

TDIL 11*

TDIL 01*

Digital output

TDOB 11*

TDOB 01*

Card type

FLKM-PA-D37/HW/AN/C300

Analog input

TAIX 01**

TAIX 11**

Analog output

TAOX 01**

TAOX 11**

Card type

FLKM-PA-2D15/HW/DO/C300

Digital output

TDOB 01*

TDOB 11*

Card type

FLKM-PA-2D15/HW/DI/C300

Digital input

TDIL 01*

TDIL 11*

* Two front adapters are required for each module.

** For three-conductor operation (channels 13 - 16) of input modules: 

only in conjunction with VIP-3/SC/D37SUB/M/HW/C300, 

Order No.: 

2900675

Connectors

Connection to I/O card

Screw terminal blocks for separate supply

Explanation:

The front adapters mean that 

pre-assembled system cables can be directly 
connected to I/O modules.

FLKM-PA-D37/HW/DIO/C300

– Front  adapter  with  D-SUB  connector
– Connection of a maximum of 16 digital 

channels

– Specifically for digital I/O cards

FLKM-PA-D37/HW/AN/C300

– Front  adapter  with  D-SUB  connector
– Connection of analog modules

FLKM-PA-2D15/HW/.../C300

– Front adapter with two 15-pos. D-SUB 

connectors

– Connection of a maximum of 2 x 8 digital 

inputs/outputs per adapter

– Specifically for connecting 

PLC-V8/D15.../OUT or PLC-V8/D15.../IN

Web code for the online configurator

Your web code: 

#0007

Honeywell C300, Series C I/O
Front adapters

System cabling for controllers

Controller-specific system cabling

Honeywell C300 front adapter

Notes:

Matching system cable fitted with D-SUB socket strip at both ends, 

see page 593

1

) No UL approval

phoenixcontact-interface-technology-and-switching-devices-html.html
background image

1

1+

2

0

2-

2

3+

21

4-

3

5+

22

6-

4

7+

23

8

-

5

9

+

24

1

0

-

6

11+

25

12-

7

13+

26

14-

8

15+

27

16-

9

17+

2

8

1

8

-

1

9

n

c

1

0

1

9

+

2

9

2

0

-

11

21+

3

0

22-

12

23+

31

24- 25+

13 32

26-

14

27+

33

2

8

-

15

2

9

+

34

3

0

-

16

31+

35

32-

17

+

36

-

1

8

+

37

-

G

ND

G

ND

1 2

0

2 21 3 22 4 23 5 24 6 25 7 26

8

27

9

2

8

1+

C1

2+

C2

3+

C3

4+

C4

5+

C5

6+

C6

7+

C7

8

+

C

8

9

+

C

9

G

ND

G

ND

1

9

1

0

2

9

113

0

1231

n

c

1

0

+

C1

0

11+

C11

12+

C12

13+

13321433 1534163517 361

8

37

C13

14+

C14

15+

C15

16+

C16

15-

13-

16-

14-

1 2 3 4 5 6 7

8 9

1

0

1112

1 2 3 4 5 6 7

8 9

1

0

11 12

313233343536 37

G

ND

G

ND

31323334353637

For further information and full technical data, visit phoenixcontact.net/products

 

 

487

PHOENIX CONTACT

Technical data

VIP-2/...

VIP-3/...C300

Maximum permissible operating voltage

25 V AC / 60 V DC

25 V AC / 60 V DC

Maximum permissible operating voltage UL / CSA

125 V / 105 V

125 V / 105 V

Maximum permissible current (per branch)

2 A

2 A

Ambient temperature (operation)

-20 °C ... 50 °C

-20 °C ... 50 °C

Mounting position

any

any

Standards/regulations

DIN EN 50178

Connection method

Controller level

D-SUB pin strip

D-SUB pin strip

Screw connection solid/stranded/AWG

0.2 ... 4 mm² / 0.2 ... 2.5 mm² / 24 - 12

Push-in connection solid/stranded/AWG

0.14 ... 4 mm² / 0.14 ... 2.5 mm² / 26 - 14

Dimensions

H / D

72.1 mm / 46.6 mm

75.8 mm / 63 mm

Ordering data

Description

No. of

pos.

Module width

W

Type

Order No.

Pcs./

Pkt.

VARIOFACE termination board

, with D-SUB pin strip and 

universal marking,

- with screw connection

37

101 mm

VIP-2/SC/D37SUB/M

2900676

1

- with Push-in connection

37

102.8 mm

VIP-2/PT/D37SUB/M

2904277

1

VARIOFACE termination board

, with D-SUB pin strip and 

system-specific marking,

- with screw connection

37

101 mm

VIP-2/SC/D37SUB/M/SO

1

)

2900786

1

- with Push-in connection

37

102.8 mm

VIP-2/PT/D37SUB/M/SO

1

)

2904278

1

VARIOFACE termination board

, with D-SUB pin strip for 

analog input modules,

- with screw connection

37

88 mm

VIP-3/SC/D37SUB/M/HW/C300

2900675

1

- with Push-in connection

37

87.6 mm

VIP-3/PT/D37SUB/M/HW/C300

2904276

1

Connection scheme VIP-2/SC/D37SUB/M/SO

Connection scheme VIP-3/SC/D37SUB/M/HW/C300

Connection scheme VIP-2/SC/D37SUB/M

These VIP - VARIOFACE Professional 

modules are used in combination with 
37-pos. D-SUB cables and the relevant front 
adapters. The three module versions are 
available with screw or Push-in connection 
technology.

VIP-2/.../D37SUB/M

– In conjunction with 

FLKM-PA-D37/HW/C300 or 
FLKM-PA-D37/HW/AN/C300 front 
adapter

– Universal  module
– Field connection via double-level terminal 

blocks

VIP-2/.../D37SUB/M/SO

– In conjunction with 

FLKM-PA-D37/HW/C300 front adapter

– System-specific marking
– Field connection via double-level terminal 

blocks

Honeywell C300, Series C I/O
termination boards

System cabling for controllers

Controller-specific system cabling

D W

H

37-pos. with screw or Push-in connection

VIP-3/.../D37SUB/M/HW/C300

– In conjunction with 

FLKM-PA-D37/HW/AN/C300 front adapter

– System-specific marking
– For TAIX01, TAIX11 analog input modules
– Field connection via three-level terminal 

blocks

Web code for the online configurator

Your web code: 

#0007

Notes:

For marking systems (e.g., “ZB 22:UNBEDRUCKT”; 

Order No. 

0811862

) and mounting material, see Catalog 3.

1

) No UL approval

phoenixcontact-interface-technology-and-switching-devices-html.html
background image

 

 

Technical data

Technical data

Maximum permissible operating voltage

< 50 V AC / 60 V DC

< 50 V AC / 60 V DC

Maximum permissible operating voltage UL / CSA

125 V / -

125 V / -

Maximum permissible current carrying capacity per path

1 A

1 A

Maximum conductor resistance

0.16 

/m

0.16 

/m

Ambient temperature (operation)

-20 °C ... 50 °C

-20 °C ... 50 °C

Conductor cross section

AWG 26 / 0.14 mm²

AWG 26 / 0.14 mm²

Conductor structure: stranded wires / material

7 / Cu tin-plated

7 / Cu tin-plated

Outside diameter

37-pos.

10.5 mm

6.3 mm

Ordering data

Ordering data

Description

No. of

pos.

Cable length

Type

Order No.

Pcs./

Pkt.

Type

Order No.

Pcs./

Pkt.

Round cable for output module

 MELSEC Q Y81 P, 

MELSEC A1S Y81, and MELSEC A AY82EP, in standard lengths

37

0.5 m

FLK 50/EZ-DR/D37SUB/ 50/Y81P-O

2302599

1

CABLE-D37-M2,5/4X14/ 50/Y81P-O

2302476

1

37

1 m

FLK 50/EZ-DR/D37SUB/100/Y81P-O

2302609

1

CABLE-D37-M2,5/4X14/100/Y81P-O

2302489

1

37

2 m

FLK 50/EZ-DR/D37SUB/200/Y81P-O

2302612

1

CABLE-D37-M2,5/4X14/200/Y81P-O

2302492

1

37

3 m

FLK 50/EZ-DR/D37SUB/300/Y81P-O

2302638

1

CABLE-D37-M2,5/4X14/300/Y81P-O

2302502

1

Round cable

, as above, but in variable lengths

37

FLK 50-EZ-DR-D37SUB-Y81P-O/...

2302625

1

CABLE-D37-M2,5-4X14-Y81P-O/...

2302696

1

Round cable for input module

 MELSEC Q X81, 

MELSEC A1S X81, and MELSEC A AX82, in standard lengths

37

0.5 m

FLK 50/EZ-DR/D37SUB/ 50/X81-I

2302641

1

CABLE-D37-M2,5/4X14/ 50/X81-I

2302515

1

37

1 m

FLK 50/EZ-DR/D37SUB/100/X81-I

2302654

1

CABLE-D37-M2,5/4X14/100/X81-I

2302528

1

37

2 m

FLK 50/EZ-DR/D37SUB/200/X81-I

2302667

1

CABLE-D37-M2,5/4X14/200/X81-I

2302531

1

37

3 m

FLK 50/EZ-DR/D37SUB/300/X81-I

2302670

1

CABLE-D37-M2,5/4X14/300/X81-I

2302544

1

Round cable

, as above, but in variable lengths

37

FLK 50-EZ-DR-D37SUB-X81-I/...

2302683

1

CABLE-D37-M2,5-4X14-X81-I/...

2302706

1

Ordering example 

for system cable

– Cable for MELSEC Q Y81P, 12.75 m long

Quantity

Order No. 

Length [m]

1

)

1

2302625

/

12.75

1

) min. 0.20 m

Ordering example

 for splitting cable:

 

– Cable for MELSEC Q Y81P, 11.00 m long

Quantity

Order No. 

Length [m]

1

)

1

2302696

/

11.00

1

) min. 0.20 m

488

PHOENIX CONTACT

System cabling for controllers

Controller-specific system cabling

System cable,

D-SUB socket strip to IDC/FLK socket strip, 

number of positions: 37 to 50

Splitting cable,

D-SUB socket strip to IDC/FLK socket strip, 

number of positions: 37 to 4 x 14

For 32/64-channel I/O cards with 

37-pos. D-SUB connectors. System cables 
are available for connecting 1 x 32 channels 
or 4 x 8 channels.

Web code for the online configurator

Your web code: 

#0007

Mitsubishi Electric 
MELSEC A, A1S and Q
System cables

phoenixcontact-interface-technology-and-switching-devices-html.html
background image

For further information and full technical data, visit phoenixcontact.net/products

 

 

Technical data

Technical data

Maximum permissible operating voltage

< 50 V AC / 60 V DC

< 50 V AC / 60 V DC

Maximum permissible operating voltage UL / CSA

125 V / -

125 V / -

Maximum permissible current carrying capacity per path

1 A

1 A

Maximum conductor resistance

0.16 

/m

0.16 

/m

Ambient temperature (operation)

-20 °C ... 50 °C

-20 °C ... 50 °C

Conductor cross section

AWG 26 / 0.14 mm²

AWG 26 / 0.14 mm²

Conductor structure: stranded wires / material

7 / Cu tin-plated

7 / Cu tin-plated

Ordering data

Ordering data

Description

No. of

pos.

Cable length

Type

Order No.

Pcs./

Pkt.

Type

Order No.

Pcs./

Pkt.

Round cable

 in variable lengths for

Mitsubishi MELSEC L

LX41C4, LX42C4 (common positive connection to B01, B02)

LY41NT1P, LY42NT1P, LY41PT1P, LY42PT1P

Mitsubishi MELSEC Q

QX41, QX41-S1, QX42, QX42-S1

QX71 and QX72 (common positive connection to B01, B02)

QY41P, QY42P, QY71, QH42P

Honeywell ML 200

2MLQ-TR4A, 2MLQ-TR8A, 2MLQ-TR4B, 2MLQ-TR8B

40

0.5 m

CABLE-FCN40/1X50/ 0,5M/IM/MEL

2903468

1

40

1 m

CABLE-FCN40/1X50/ 1,0M/IM/MEL

2903469

1

40

2 m

CABLE-FCN40/1X50/ 2,0M/IM/MEL

2903470

1

40

3 m

CABLE-FCN40/1X50/ 3,0M/IM/MEL

2903471

1

40

4 m

CABLE-FCN40/1X50/ 4,0M/IM/MEL

2903472

1

40

6 m

CABLE-FCN40/1X50/ 6,0M/IM/MEL

2903473

1

40

8 m

CABLE-FCN40/1X50/ 8,0M/IM/MEL

2903474

1

40

10 m

CABLE-FCN40/1X50/10,0M/IM/MEL

2903475

1

Round cable

 in variable lengths for

Mitsubishi MELSEC L

LX41C4 and LX42C4 (common negative connection to B01, B02)

Mitsubishi MELSEC Q

QX71 and QX72 (common negative connection to B01, B02)

QX82, QX82-S1

Honeywell ML 200

2MLI-D24A, 2MLI-D28B, 2MLF-SOEA

(common negative connection to B01, B02)

40

0.5 m

CABLE-FCN40/1X50/ 0,5M/IP/MEL

2903476

1

40

1 m

CABLE-FCN40/1X50/ 1,0M/IP/MEL

2903477

1

40

2 m

CABLE-FCN40/1X50/ 2,0M/IP/MEL

2903478

1

40

3 m

CABLE-FCN40/1X50/ 3,0M/IP/MEL

2903479

1

40

4 m

CABLE-FCN40/1X50/ 4,0M/IP/MEL

2903480

1

40

6 m

CABLE-FCN40/1X50/ 6,0M/IP/MEL

2903481

1

40

8 m

CABLE-FCN40/1X50/ 8,0M/IP/MEL

2903482

1

40

10 m

CABLE-FCN40/1X50/10,0M/IP/MEL

2903483

1

Round cable

 in variable lengths for

Mitsubishi MELSEC L

LX41C4 and LX42C4 (common positive connection to B01, B02)

LY41NT1P, LY42NT1P, LY41PT1P, LY42PT1P

Mitsubishi MELSEC Q

QX41, QX41-S1, QX42, QX42-S1

QY41P (24 V), QY42P (24 V), QH42P (24 V)

Honeywell ML 200

2MLQ-TR4A, 2MLQ-TR8A, 2MLQ-TR4B, 2MLQ-TR8B

40

0.5 m

CABLE-FCN40/4X14/ 0,5M/IM/MEL

2903502

1

40

1 m

CABLE-FCN40/4X14/ 1,0M/IM/MEL

2903503

1

40

2 m

CABLE-FCN40/4X14/ 2,0M/IM/MEL

2903504

1

40

3 m

CABLE-FCN40/4X14/ 3,0M/IM/MEL

2903505

1

40

4 m

CABLE-FCN40/4X14/ 4,0M/IM/MEL

2903506

1

40

6 m

CABLE-FCN40/4X14/ 6,0M/IM/MEL

2903507

1

40

8 m

CABLE-FCN40/4X14/ 8,0M/IM/MEL

2903508

1

40

10 m

CABLE-FCN40/4X14/10,0M/IM/MEL

2903509

1

489

PHOENIX CONTACT

System cabling for controllers

Controller-specific system cabling

Fujitsu FCN connector to

IDC/FLK socket strip,

number of positions: 40 to 50

Fujitsu FCN connector to

IDC/FLK socket strip,

number of positions: 40 to 4 x 14

These system cables are plugged onto the 

I/O cards that are connected using Fujitsu 
connectors.

CABLE-FCN40/1X50/...

– Signal transmission of 32 channels

CABLE-FCN40/4X14/...

– Splitting up 32 channels into 

4 x 8 channels

Web code for the online configurator

Your web code: 

#0007

Mitsubishi Electric
MELSEC L/Q and Honeywell ML 200
System cables

phoenixcontact-interface-technology-and-switching-devices-html.html
background image

 

 

Technical data

Technical data

Maximum permissible operating voltage

< 50 V AC / 60 V DC

< 50 V AC / 60 V DC

Maximum permissible operating voltage UL / CSA

125 V / -

125 V / -

Maximum permissible current carrying capacity per path

1 A

1 A

Maximum conductor resistance

0.16 

/m

0.16 

/m

Ambient temperature (operation)

-20 °C ... 50 °C

-20 °C ... 50 °C

Conductor cross section

AWG 26 / 0.14 mm²

AWG 26 / 0.14 mm²

Conductor structure: stranded wires / material

7 / Cu tin-plated

7 / Cu tin-plated

Ordering data

Ordering data

Description

No. of

pos.

Cable length

Type

Order No.

Pcs./

Pkt.

Type

Order No.

Pcs./

Pkt.

Round cable

 in variable lengths for 

CJ1: OD231, OD261

CS1, C200H: OD218, OD219

CQM1: OD213

40

1 m

FLK 50/EZ-DR/FCN40/100/OMR-OUT

2304144

1

CABLE-FCN40/4X14/100/OMR-OUT

2304186

1

40

2 m

FLK 50/EZ-DR/FCN40/200/OMR-OUT

2304157

1

CABLE-FCN40/4X14/200/OMR-OUT

2304199

1

Round cable, 

as above, but in variable lengths

40

FLK 50-EZ-DR-FCN40-OMR-OUT/...

2302829

1

CABLE-FCN40-4X14-OMR-OUT/...

2302832

1

Round cable

 in variable lengths for 

CJ1: ID231, ID261

CS1 and C200H: ID111, ID216, ID217, 

CQM1: ID213; ID214;ID112

40

1 m

FLK 50/EZ-DR/FCN40/100/OMR-IN

2304160

1

CABLE-FCN40/4X14/100/OMR-IN

2304209

1

40

2 m

FLK 50/EZ-DR/FCN40/200/OMR-IN

2304173

1

CABLE-FCN40/4X14/200/OMR-IN

2304212

1

Round cable, 

as above, but in variable lengths

40

FLK 50-EZ-DR-FCN40-OMR-IN/...

2302803

1

CABLE-FCN40-4X14-OMR-IN/...

2302816

1

Round cable

 in variable lengths for

CS1, C200H: OD215, MD115 (only output),

MD215 (only output)

24

1 m

CABLE-FCN24/2X14/100/OMR-OUT

2304225

1

24

2 m

CABLE-FCN24/2X14/200/OMR-OUT

2304238

1

Round cable, 

as above, but in variable lengths

24

CABLE-FCN24-2X14-OMR-OUT/...

2302858

1

Round cable

 in variable lengths for

CS1, C200H: ID215, MD115 (only input),

MD215 (only input)

24

1 m

CABLE-FCN24/2X14/100/OMR-IN

2304241

1

24

2 m

CABLE-FCN24/2X14/200/OMR-IN

2304254

1

Round cable, 

as above, but in variable lengths

24

CABLE-FCN24-2X14-OMR-IN/...

2302845

1

490

PHOENIX CONTACT

Ordering example 

for system cable

– Cable for OMRON CJ1, ID231, 12.75 m long

Quantity

Order No. 

Length [m]

1

)

1

2302803

/

12.75

1

) min. 0.20 m

System cabling for controllers

Controller-specific system cabling

Fujitsu FCN connector to

IDC/FLK socket strip,

number of positions: 40 to 50

Fujitsu FCN connector to

IDC/FLK socket strip,

number of positions: 40 to 4 x 14 or 24 to 2 x 14

These system cables are plugged onto the 

I/O cards that are connected using Fujitsu 
connectors.

FLK 50/EZ-DR/...

– Signal transmission of 32 channels

CABLE-FCN40...

– Splitting up 32 channels into 

4 x 8 channels

CABLE-FCN24...

– Splitting up 16 channels into 

2 x 8 channels

OMRON CJ1, CS1, CQM1 and C200H
System cables

phoenixcontact-interface-technology-and-switching-devices-html.html
background image

For further information and full technical data, visit phoenixcontact.net/products

 

491

PHOENIX CONTACT

Technical data

Maximum permissible operating voltage

< 50 V AC / 60 V DC

Maximum permissible operating voltage UL / CSA

125 V / -

Maximum permissible current carrying capacity per path

1 A

Maximum conductor resistance

0.16 

/m

Ambient temperature (operation)

-20 °C ... 50 °C

Assembly

Insulation displacement, IEC 60352-4/DIN EN 60352-4

Conductor cross section

AWG 26 / 0.14 mm²

Conductor structure: stranded wires / material

7 / Cu tin-plated

Outside diameter

8-pos.

6.4 mm

Ordering data

Description

No. of

pos.

Cable length

Type

Order No.

Pcs./

Pkt.

Round cable

 with an open end (8 individual wires)

8

0.5  m

VIP-CAB-FLK14/AXIO/0,14/0,5M

2901604

1

8

1  m

VIP-CAB-FLK14/AXIO/0,14/1,0M

2901605

1

8

1.5  m

VIP-CAB-FLK14/AXIO/0,14/1,5M

2901606

1

8

2  m

VIP-CAB-FLK14/AXIO/0,14/2,0M

2901607

1

8

2.5  m

VIP-CAB-FLK14/AXIO/0,14/2,5M

2901608

1

8

3  m

VIP-CAB-FLK14/AXIO/0,14/3,0M

2901609

1

8

4  m

VIP-CAB-FLK14/AXIO/0,14/4,0M

2901610

1

8

6  m

VIP-CAB-FLK14/AXIO/0,14/6,0M

2901611

1

These cables have been specifically 

developed for connecting VARIOFACE 
termination boards to the Axioline 
real-time I/O system. The Push-in 
technology on the I/O system ensures rapid 
connection.

The cables have the following features:

– 1:1 connection
– 14-pos. connector, encapsulated
– 8 pre-assembled open ends, for 

connection to the Axioline real-time 
I/O system

– Transmission of groups of 8 channels

Tailor-made VARIOFACE termination 

boards round off this system concept.

Phoenix Contact Axioline real-time I/O
System cables

System cabling for controllers

Controller-specific system cabling

System cable for 8 channels

Notes:

The following modules cannot be coupled due to the larger outer 

contour of the encapsulated connectors:

UM 45-FLK14/ 8IM/ZFKDS/PLC, 

2965211

UM 45- 8RM/MR-G24/1/PLC

2962900

phoenixcontact-interface-technology-and-switching-devices-html.html
background image

1

.

1

2

.

1

1

.

2

2

.

2

1

.

3

2

.

3

1

.

4

2

.

4

1

2

3

4

5

6

7

8

9

1

0

11 12 13 14

NC

X

1

B

y

te

0

1.1

2.1

1.4

2.4

2.4

1.1

2.1

1.4

2.2

3 3 3 3 4 4 4 4 4

B

y

te

1

1.1

2.1

1.4

2.4

2.4

1.1

2.1

1.4

2.2

1 1 1 1 2 2 2 2 1

1 2 3 4 5 6 7

8 9

1

0

11121314

1 2 3 4 5 6 7

8 9

1

0

11121314

X1

7.1

B

y

te

0

B

y

te

2

B

y

te

1

B

y

te

3

8

.1

7.2

8

.2

7.3

8

.3

7.4

8

.4

5.1

6.1

5.2

6.2

5.3

6.3

5.4

6.4

7.1

8

.1

7.2

8

.2

7.3

8

.3

7.4

8

.4

5.1

6.1

5.2

6.2

5.3

6.3

5.4

6.4

X3

X2

X4

9

1113 1 2 3 4 5 6 7

8

1

0

1214

9

1113 1 2 3 4 5 6 7

8

1

0

1214

9

1113 1 2 3 4 5 6 7

8

1

0

1214

9

1113 1 2 3 4 5 6 7

8

1

0

1214

B

y

te

0

1.1

2.1

1.4

2.4

1.1

2.1

1.4

2.4

2.3

2.2

3 3 3 3

B

y

te

1

4 4 4 4 4 4

1.1

2.1

1.4

2.4

1.1

2.1

1.4

2.4

2.3

2.2

1 1 1 1 2 2 2 2 1 1

1 2 3 4 5 6 7

8 9

1

0

11121314

1 2 3 4 5 6 7

8 9

1

0

11121314

492

PHOENIX CONTACT

Technical data

Maximum permissible operating voltage

60 V DC

Maximum permissible current

1 A (per path)

Ambient temperature (operation)

-20 °C ... 50 °C

Ambient temperature (storage/transport)

-20 °C ... 70 °C

Mounting position

any

Standards/regulations

IEC

 

60664 / DIN EN 50178

Ordering data

Description

No. of pos.

Type

Order No.

Pcs./

Pkt.

VARIOFACE front adapter,

 for 8-channel Inline modules

Input: IB IL 24 D I8/HD-PAC

Output: IB IL 24 DO 8/HD-PAC

14

FLKM 14-PA-INLINE/DIO8

2900889

1

VARIOFACE front adapter

, for 16-channel Inline modules

Input: IB IL 24 DI 16-PAC

14

FLKM 14-PA-INLINE/IN16

2302751

1

Output: IB IL 24 DO 16-PAC

14

FLKM 14-PA-INLINE/OUT16

2302764

1

VARIOFACE front adapter

, for 32-channel Inline modules

Input: IB IL 24 DI 32/HD-PAC and 

IB IL 24 DI 32/HD-NPN-PAC

Output: IB IL 24 DO 32/HD-PAC

14

FLKM 14-PA-INLINE/32

2302777

1

Connection scheme for FLKM 14-PA-INLINE/DIO8

Connection scheme: FLKM 14-PA-INLINE/OUT16

Connection scheme: FLKM 14-PA-INLINE/32

Connection scheme: FLKM 14-PA-INLINE/IN16

IDC/FLK strip

Connection to I/O card

Screw terminal blocks for separate supply

Explanation:

The front adapters are used to connect 

pre-assembled system cables directly to 
Inline. Front adapters are simply plugged 
into the relevant Inline modules. Three 
connection options are available:
– Transfer of 8 channels via a 14-pos. 

system cable

– Transmission of 2 x 8 channels over two 

14-position system cables

– Transmission of 4 x 8 channels over four 

14-position system cables
Tailor-made VARIOFACE termination 

boards round off this system concept.

Web code for the online configurator

Your web code: 

#0007

Phoenix Contact Inline
Front adapters

System cabling for controllers

Controller-specific system cabling

Front adapters for Inline

Notes:

Standard modules from page 526

For system cables, see page 550

phoenixcontact-interface-technology-and-switching-devices-html.html
background image

X1

9

X2

11131 2 3 4 5 6 7

8

1

0

1214

9

11131 2 3 4 5 6 7

8

1

0

1214

1

+

-

2 3 4 5 6 7

8 9

1

0

+

-

111213141516171

8

1

9

2

0

X3

9

11131 2 3 4 5 6 7

8

1

0

1214

X4

9

11131 2 3 4 5 6 7

8

1

0

1214

21

+

-

2223242526272

8

2

9

3

0

31

+

-

3233343536373

8

3

9

4

0

0

+

1+

2+

3+

1 2 3 4 5 6 7

8 9

1

0

111213141516171

8

1

9

2

0

21222324

1 2 3 4 5 6 7

8 9

1

0

+

-

+

-

111213141516171

8

1

9

2

0

2526272

8

2

9

3

0

313233343536373

8

3

9

4

0

414243444546474

8

4

9

5

0

21

- +

- +

2223242526272

8

2

9

3

0

313233343536373

8

3

9

4

0

0

+

1+

2+

3+

For further information and full technical data, visit phoenixcontact.net/products

 

493

PHOENIX CONTACT

Technical data

Maximum permissible operating voltage

< 50 V AC / 60 V DC

Maximum permissible operating voltage UL / CSA

125 V / -

Maximum permissible current

1 A (per path)

4 A (per connection, supply via separate power supply)

Ambient temperature (operation)

-20 °C ... 50 °C

Ambient temperature (storage/transport)

-20 °C ... 70 °C

Mounting position

any

Standards/regulations

IEC

 

60664 / DIN EN 50178

Ordering data

Description

No. of pos.

Type

Order No.

Pcs./

Pkt.

VARIOFACE front adapter

, for Modicon

®

 TSX Quantum™, 

1 x 32 channels can be connected

50

FLKM 50-PA-MODI-TSX/Q

2294306

1

VARIOFACE front adapter

, for Modicon

®

 TSX Quantum™, 

4 x 8 channels can be connected

14

FLKM 50/ 4-FLK14/PA-MODI-TSX/Q

2294416

1

Connection scheme FLKM 50/ 4-FLK14/PA-MODI-TSX/Q

Connection scheme FLKM 50-PA-MODI-TSX/Q

Front adapters for 

I/O modules of the Modicon TSX Quantum™ automation 

devices

Card type

FLKM 50-PA-MODI-TSX/Q

Digital input

DDI 353

DDI 841*

DDI 853

DAI 340*

DAI 353**

DAI 440*

DAI 453**

Digital output

DDO 353

Digital input/output 

DDM 390*

Analog input 

ACI 030*

ACI 040*

ATI 030*

ARI 030*

AVI 030*

Analog output 

ACO 020*

ACO 130*

AVO 020*

Analog input/output 

AMM 090*

Counter

ECH 105*

EHC 202*

* Only in conjunction with 

VIP-2/SC/FLK50/MODI-TSX/Q, Order No. 

2322304

.

** Only in conjunction with passive termination boards 

without LED.

Card type

FLKM 50/4-FLK14/PA-MODI-TSX/Q

Digital input

DDI 353

DDI 853

DAI 353**

DAI 453**

Digital output

DDO 353

** Only in conjunction with passive termination boards 

without LED.

IDC/FLK strip

Connection to I/O card

Screw terminal blocks for separate supply

Explanation:

The front adapters mean that 

pre-assembled system cables can be directly 
connected to I/O modules. Two connection 
options are available:
– Transfer of max. 32 channels over one 

50-position system cable

– Transmission of 4 x 8 channels over four 

14-position system cables
Tailor-made VARIOFACE termination 

boards with a variety of functions and 
connection options round off this system 
concept.

Web code for the online configurator

Your web code: 

#0007

Schneider Electric
Modicon TSX Quantum™
Front adapters

System cabling for controllers

Controller-specific system cabling

Front adapter for

Modicon

®

 TSX Quantum™

Notes:

Controller-specific modules from page 474

Standard modules from page 526

For system cables, see page 550

phoenixcontact-interface-technology-and-switching-devices-html.html
background image

1

2

3

4

5

6

7

8

1 2 3 4 5 6 7

8 9

1

0

11 12 13 14

B

y

te

 

0

+

+

-

-

1 2 3 4 5 6 7

8 9

1

0

11 12 13 14

9

1

0

11

12

13

14

15

16

17

1

8

1

9

2

0

SP

B

y

te

 1

 

494

PHOENIX CONTACT

Technical data

Maximum permissible operating voltage

< 50 V AC / 60 V DC

Maximum permissible operating voltage UL / CSA

50 V / 50 V

Maximum permissible current

1 A (per path)

Maximum permissible total current

3 A (per system cable when supplying from the module side)

10 A (When supplying via the front adapter)

Ambient temperature (operation)

-20 °C ... 60 °C

Ambient temperature (storage/transport)

-20 °C ... 60 °C

Mounting position

any

Standards/regulations

IEC

 

60664 / DIN EN 50178

Ordering data

Description

No. of pos.

Type

Order No.

Pcs./

Pkt.

VARIOFACE front adapter

, for Modicon

®

 M340 with 

two FLK pin strips

14

FLKM 14-PA-MODI/M340

2903208

1

Connection scheme FLKM 14-PA-MODI/M340

Front adapters for I/O modules of the Modicon C340 series

Card type

FLKM 14-PA-MODI/M340

Digital input

BMX DDI1602

BMX DDI1603

BMX DAI1602

BMX DAI1603

Digital output

BMX DDO1602 

BMX DDO1612

Assignment table

Contacts, 

front adapter/

controller

Connector

(Byte 0)

Connector

(Byte 1)

1

1

2

2

3

3

4

4

5

5

6

6

7

7

8

8

9

1

10

2

11

3

12

4

13

5

14

6

15

7

16

8

17

10, 12, 14 (-)

10, 12, 14 (-)

18

9, 11, 13 (+)

9, 11, 13 (+)

19

10, 12, 14 (-)

10, 12, 14 (-)

20

9, 11, 13 (+)

9, 11, 13 (+)

Pre-assembled system cables are 

connected directly to the 16-channel 
I/O modules using the front adapter. The 
adapters connect 2 x 8 channels of the 
controller via two 14-pos. system cables. 
Tailor-made VARIOFACE termination 
boards with a variety of functions and 
connection options are available for 
connection to field level. They round off this 
system concept.

Web code for the online configurator

Your web code: 

#0007

Schneider Electric Modicon M340
Front adapter

System cabling for controllers

Controller-specific system cabling

Schneider Electric Modicon 

M340 front adapter

Notes:

Standard modules from page 526

For system cables, see page 550

phoenixcontact-interface-technology-and-switching-devices-html.html
background image

For further information and full technical data, visit phoenixcontact.net/products

 

 

Technical data

Technical data

Maximum permissible operating voltage

< 50 V AC / 60 V DC

< 50 V AC / 60 V DC

Maximum permissible operating voltage UL / CSA

125 V / -

125 V / -

Maximum permissible current carrying capacity per path

1 A

1 A

Maximum conductor resistance

0.16 

/m

0.16 

/m

Ambient temperature (operation)

-20 °C ... 50 °C

-20 °C ... 50 °C

Conductor cross section

AWG 26 / 0.14 mm²

AWG 26 / 0.14 mm²

Conductor structure: stranded wires / material

7 / Cu tin-plated

7 / Cu tin-plated

Ordering data

Ordering data

Description

No. of

pos.

Cable length

Type

Order No.

Pcs./

Pkt.

Type

Order No.

Pcs./

Pkt.

Round cable

 in variable lengths for

BMX DDI 3202K, BMX DDI 6402K,

BMX DD0 3202K, BMX DD0 6402K,

BMX DDM 3202K

40

0.5 m

CABLE-FCN40/1X50/ 0,5M/M340

2321635

1

CABLE-FCN40/4X14/ 0,5M/M340

2321716

1

40

1 m

CABLE-FCN40/1X50/ 1,0M/M340

2321648

1

CABLE-FCN40/4X14/ 1,0M/M340

2321729

1

40

2 m

CABLE-FCN40/1X50/ 2,0M/M340

2321651

1

CABLE-FCN40/4X14/ 2,0M/M340

2321732

1

40

3 m

CABLE-FCN40/1X50/ 3,0M/M340

2321664

1

CABLE-FCN40/4X14/ 3,0M/M340

2321745

1

40

4 m

CABLE-FCN40/1X50/ 4,0M/M340

2321677

1

CABLE-FCN40/4X14/ 4,0M/M340

2321758

1

40

6 m

CABLE-FCN40/1X50/ 6,0M/M340

2321680

1

CABLE-FCN40/4X14/ 6,0M/M340

2321761

1

40

8 m

CABLE-FCN40/1X50/ 8,0M/M340

2321693

1

CABLE-FCN40/4X14/ 8,0M/M340

2321774

1

40

10 m

CABLE-FCN40/1X50/10,0M/M340

2321703

1

CABLE-FCN40/4X14/10,0M/M340

2321787

1

40

15 m

CABLE-FCN40/1X50/15,0M/M340

2903748

1

CABLE-FCN40/4X14/15,0M/M340

2903749

1

495

PHOENIX CONTACT

System cabling for controllers

Controller-specific system cabling

Fujitsu FCN connector to

IDC/FLK socket strip,

number of positions: 40 to 50

Fujitsu FCN connector to

IDC/FLK socket strip,

number of positions: 40 to 4 x 14

These system cables are plugged onto the 

I/O cards that are connected using Fujitsu 
connectors.

CABLE-FCN40/1X50/...

– Signal transmission of 32 channels

CABLE-FCN40/4X14/...

– Splitting up 32 channels into 

4 x 8 channels

Web code for the online configurator

Your web code: 

#0007

Schneider Electric Modicon M340
System cable

phoenixcontact-interface-technology-and-switching-devices-html.html
background image

1 2 3 4 5 6 7

8 9

1

0

11 12 13 14 15 16 17 1

8

1

9

2

0

1 2 3 4 5 6 7

8 9

1

0

11 12 13 14 15 16 17 1

8

1

9

2

0

S

7 - 3

00

CO

M

B

I

21 22 23 24 25 26 27 2

8

2

9

3

0

31 32 33 34 35 36 37 3

8

3

9

4

0

21 22 23 24 25 26 27 2

8

2

9

3

0

31 32 33 34 35 36 37 3

8

3

9

4

0

S

7 - 3

00

CO

M

B

I

...4X1

0

CO

M

B

I...

...2X1

0

CO

M

B

I...

52

A

35

7

0

B

62

...4X1

0

 

PT

...

...2X1

0

 

PT

...

1

1

0

2

3

4

5

6

7

8

9

B

A

 

 

Technical data

Maximum permissible operating voltage

 250 V AC/DC

Maximum permissible operating voltage UL / CSA

250 V / 250 V

Maximum permissible current

6 A (per single wire at 40°C)

4 A (per single wire at 60°C)

Maximum permissible total current

20 A (per cable at 40 °C)

16 A (per cable at 60°C)

Maximum conductor resistance

39 

/km

Conductor cross section

AWG 21 / 0.5 mm²

Conductor structure: stranded wires / material

16 / Cu uninsulated

Outside diameter

9 mm

Ambient temperature range

-20 °C ... 60 °C

Standards/regulations

DIN EN 50178 , IEC

 

60664

DIN EN 50178 , IEC

Connection method

Controller level

Plug connection

 

Field level

COMBICON connectors

COMBICON connectors

Ordering data

Description

Cable length

Type

Order No.

Pcs./

Pkt.

VIP - power cabling front adapter,

 for universal connection of the 

SIMATIC

®

 S7-300, with an overall width of 52 mm per connector

0.5 m

VIP-PA-PWR/4X10COMBI/ 0,5M/S7

2904702

1

1 m

VIP-PA-PWR/4X10COMBI/ 1,0M/S7

2904703

1

1.5 m

VIP-PA-PWR/4X10COMBI/ 1,5M/S7

2904704

1

2 m

VIP-PA-PWR/4X10COMBI/ 2,0M/S7

2904705

1

2.5 m

VIP-PA-PWR/4X10COMBI/ 2,5M/S7

2904706

1

3 m

VIP-PA-PWR/4X10COMBI/ 3,0M/S7

2904707

1

4 m

VIP-PA-PWR/4X10COMBI/ 4,0M/S7

2904708

1

5 m

VIP-PA-PWR/4X10COMBI/ 5,0M/S7

2904709

1

6 m

VIP-PA-PWR/4X10COMBI/ 6,0M/S7

2904710

1

8 m

VIP-PA-PWR/4X10COMBI/ 8,0M/S7

2904711

1

10 m

VIP-PA-PWR/4X10COMBI/10,0M/S7

2904712

1

VIP - power cabling front adapter,

 for universal connection of the 

SIMATIC

®

 S7-300, with reduced overall width of 35 mm per 

connector

0.5 m

VIP-PA-PWR/4X10 PT/ 0,5M/S7

2905516

1

1 m

VIP-PA-PWR/4X10 PT/ 1,0M/S7

2905517

1

1.5 m

VIP-PA-PWR/4X10 PT/ 1,5M/S7

2905518

1

2 m

VIP-PA-PWR/4X10 PT/ 2,0M/S7

2905519

1

2.5 m

VIP-PA-PWR/4X10 PT/ 2,5M/S7

2905520

1

3 m

VIP-PA-PWR/4X10 PT/ 3,0M/S7

2905521

1

4 m

VIP-PA-PWR/4X10 PT/ 4,0M/S7

2905522

1

5 m

VIP-PA-PWR/4X10 PT/ 5,0M/S7

2905523

1

6 m

VIP-PA-PWR/4X10 PT/ 6,0M/S7

2905524

1

8 m

VIP-PA-PWR/4X10 PT/ 8,0M/S7

2905525

1

10 m

VIP-PA-PWR/4X10 PT/10,0M/S7

2905526

1

496

PHOENIX CONTACT

VIP – power cabling
Universal front adapters for
Siemens SIMATIC

®

 S7-300

Two versions are available:

– Connection of 40-pos. modules via four 

cables, each with a 10-pos. COMBI 
connector

– Connection of 20-pos. modules via two 

cables, each with a 10-pos. COMBI 
connector

The front adapters have the following 
features:

– Can be screwed on/snapped in with the 

I/O module

– Suitable for all common S7-300 modules, 

up to max. 250 V AC/DC, 6 A

– Universal 1:1 connection
– Numerically marked connectors

Combination example:

A front adapter with attached 10-pos. 

COMBI connectors is combined with the 
following terminal blocks for field 
connection:

Overall width of 52 mm per connector:

3045017

 UT 2,5/1P

3210033

 PT 2,5/1P

3040012

 ST 2,5/1P

3040766

 ST 2,5-TWIN-MT/1P

Reduced overall width of 35 mm per 

connector:

3208582

 PT 1,5/S/1P

3212439

 PTTB 1,5/S/2P

You can find further versions, accessories, 

and combination options in Catalog 1 
“Terminal blocks” in the “Plug-in COMBI 
connection solutions” section or online at 
phoenixcontact.net/products.

System cabling for controllers

Controller-specific system cabling

Front adapter with punched-on connectors for 

40 plug-in terminal blocks

phoenixcontact-interface-technology-and-switching-devices-html.html
background image

1 2 3 4 5 6 7

8 9

1

0

11 12 13 14 15 16 17 1

8

1

9

2

0

1 2 3 4 5 6 7

8 9

1

0

11 12 13 14 15 16 17 1

8

1

9

2

0

S

7 - 3

00

CO

M

B

I

For further information and full technical data, visit phoenixcontact.net/products

 

 

Technical data

 250 V AC/DC

250 V /  250 V

6 A (per single wire at 40°C)

4 A (per single wire at 60°C)

20 A (per cable at 40 °C)

16 A (per cable at 60°C)

39 

/km

AWG 21 / 0.5 mm²

16 / Cu uninsulated

9 mm

-20 °C ... 60 °C

60664

DIN EN 50178 , IEC

 

60664

Plug connection

Field level

COMBICON connectors

COMBICON connectors

Ordering data

Type

Order No.

Pcs./

Pkt.

VIP-PA-PWR/2X10COMBI/ 0,5M/S7

2904713

1

VIP-PA-PWR/2X10COMBI/ 1,0M/S7

2904714

1

VIP-PA-PWR/2X10COMBI/ 1,5M/S7

2904715

1

VIP-PA-PWR/2X10COMBI/ 2,0M/S7

2904716

1

VIP-PA-PWR/2X10COMBI/ 2,5M/S7

2904717

1

VIP-PA-PWR/2X10COMBI/ 3,0M/S7

2904718

1

VIP-PA-PWR/2X10COMBI/ 4,0M/S7

2904719

1

VIP-PA-PWR/2X10COMBI/ 5,0M/S7

2904720

1

VIP-PA-PWR/2X10COMBI/ 6,0M/S7

2904721

1

VIP-PA-PWR/2X10COMBI/ 8,0M/S7

2904722

1

VIP-PA-PWR/2X10COMBI/10,0M/S7

2904723

1

VIP-PA-PWR/2X10 PT/ 0,5M/S7

2905528

1

VIP-PA-PWR/2X10 PT/ 1,0M/S7

2905529

1

VIP-PA-PWR/2X10 PT/ 1,5M/S7

2905531

1

VIP-PA-PWR/2X10 PT/ 2,0M/S7

2905532

1

VIP-PA-PWR/2X10 PT/ 2,5M/S7

2905533

1

VIP-PA-PWR/2X10 PT/ 3,0M/S7

2905534

1

VIP-PA-PWR/2X10 PT/ 4,0M/S7

2905535

1

VIP-PA-PWR/2X10 PT/ 5,0M/S7

2905536

1

VIP-PA-PWR/2X10 PT/ 6,0M/S7

2905537

1

VIP-PA-PWR/2X10 PT/ 8,0M/S7

2905538

1

VIP-PA-PWR/2X10 PT/10,0M/S7

2905539

1

497

PHOENIX CONTACT

System cabling for controllers

Controller-specific system cabling

Front adapter with punched-on connectors for 

20 plug-in terminal blocks

phoenixcontact-interface-technology-and-switching-devices-html.html
background image

1

3

8

22

2

3

9

23

3

4

0

24

25

1

22

1

22

3

8

3

8

2

23

2

23

3

9

3

9

3

24 25

3

24 25

4

0

4

0

S

7-3

00

Technical data

Maximum permissible operating voltage

 250 V AC/DC

Maximum permissible current

6 A (per single wire at 40°C)

4 A (per single wire at 60°C)

750 mA (per single wire at 75 °C)

Maximum permissible total current

20 A (per cable at 40 °C)

16 A (per cable at 60°C)

Maximum conductor resistance

39 

/km

Conductor cross section

AWG 21 / 0.5 mm²

Conductor structure: stranded wires / material

16 / Cu uninsulated

Outside diameter

13 mm

Ambient temperature range

-20 °C ... 60 °C

Standards/regulations

DIN EN 50178 , IEC

 

60664

DIN EN 50178 , IEC

Connection method

Controller level

Plug connection

 

Field level

open cable end

Ordering data

Description

Cable length

Type

Order No.

Pcs./

Pkt.

Front adapter

 with 40 open cable ends for 

connecting 40-pos. modules

1 m

VIP-PA-PWR/40XOE/ 1,0M/S7

2904731

1

2 m

VIP-PA-PWR/40XOE/ 2,0M/S7

2904732

1

3 m

VIP-PA-PWR/40XOE/ 3,0M/S7

2904733

1

4 m

VIP-PA-PWR/40XOE/ 4,0M/S7

2904734

1

6 m

VIP-PA-PWR/40XOE/ 6,0M/S7

2904735

1

8 m

VIP-PA-PWR/40XOE/ 8,0M/S7

2904736

1

10 m

VIP-PA-PWR/40XOE/10,0M/S7

2904737

1

Front adapter

 with 20 open cable ends for 

connecting 20-pos. modules

1 m

2 m

3 m

4 m

6 m

8 m

10 m

498

PHOENIX CONTACT

VIP – power cabling
Universal front adapters for
Siemens SIMATIC

®

 S7-300

Four versions are available:

– Connection of 40-pos. modules via 

40 individual wires in rope structure 
(not assembled), PVC insulation

– Connection of 20-pos. modules via 

20 individual wires in rope structure 
(not assembled), PVC insulation

– Connection of 40-pos. modules via 

40 individual wires in rope structure 
(not assembled), insulation made from 
halogen-free material

– Connection of 20-pos. modules via 

20 individual wires in rope structure 
(not assembled), insulation made from 
halogen-free material
The front adapters have the following 

features:
– Can be screwed on/snapped in with the 

I/O module

– Suitable for all common S7-300 modules, 

up to max. 250 V AC/DC, 6 A

– Universal 1:1 connection
– Numerically marked wires

Additional accessories, such as 

connection terminal blocks, can be found in 
Catalog 1 “Terminal blocks” or at 
phoenixcontact.net/products.

System cabling for controllers

Controller-specific system cabling

Front adapter with 40 open cable ends, 

PVC insulation

phoenixcontact-interface-technology-and-switching-devices-html.html
background image

1

1

8

8

2

1

9

9

3

2

0

1

0

11

1

8

1

8

1

8

1

8

2

9

2

9

1

9

1

9

3

1

0

11

3

1

0

11

2

0

2

0

S

7-3

00

1

3

8

22

2

3

9

23

3

4

0

24

25

1

22

1

22

3

8

3

8

2

23

2

23

3

9

3

9

3

24 25

3

24 25

4

0

4

0

S

7-3

00

1

1

8

8

2

1

9

9

3

2

0

1

0

11

1

8

1

8

1

8

1

8

2

9

2

9

1

9

1

9

3

1

0

11

3

1

0

11

2

0

2

0

S

7-3

00

For further information and full technical data, visit phoenixcontact.net/products

Technical data

Technical data

Technical data

 250 V AC/DC

 250 V AC/DC

 250 V AC/DC

6 A (per single wire at 40°C)

4 A (per single wire at 60°C)

750 mA (per single wire at 75 °C)

6 A (per single wire at 40°C)

4 A (per single wire at 60°C)

750 mA (per single wire at 75 °C)

6 A (per single wire at 40°C)

4 A (per single wire at 60°C)

750 mA (per single wire at 75 °C)

20 A (per cable at 40 °C)

16 A (per cable at 60°C)

20 A (per cable at 40 °C)

16 A (per cable at 60°C)

20 A (per cable at 40 °C)

16 A (per cable at 60°C)

39 

/km

39 

/km

39 

/km

AWG 21 / 0.5 mm²

AWG 21 / 0.5 mm²

AWG 21 / 0.5 mm²

16 / Cu uninsulated

16 / Cu uninsulated

16 / Cu uninsulated

9 mm

13 mm

9 mm

-20 °C ... 60 °C

-20 °C ... 60 °C

-20 °C ... 60 °C

60664

DIN EN 50178 , IEC

 

60664

DIN EN 50178 , IEC

 

60664

DIN EN 50178 , IEC

 

60664

Plug connection

Plug connection

Plug connection

open cable end

open cable end

open cable end

Ordering data

Ordering data

Ordering data

Type

Order No.

Pcs./

Pkt.

Type

Order No.

Pcs./

Pkt.

Type

Order No.

Pcs./

Pkt.

VIP-PA-PWR/40XOE/HF/ 1,0M/S7

2908909

1

VIP-PA-PWR/40XOE/HF/ 2,0M/S7

2908908

1

VIP-PA-PWR/40XOE/HF/ 3,0M/S7

2908907

1

VIP-PA-PWR/40XOE/HF/ 4,0M/S7

2908905

1

VIP-PA-PWR/40XOE/HF/ 6,0M/S7

2908904

1

VIP-PA-PWR/40XOE/HF/ 8,0M/S7

2908903

1

VIP-PA-PWR/40XOE/HF/10,0M/S7

2908902

1

VIP-PA-PWR/20XOE/ 1,0M/S7

2904724

1

VIP-PA-PWR/20XOE/HF/ 1,0M/S7

2908916

1

VIP-PA-PWR/20XOE/ 2,0M/S7

2904725

1

VIP-PA-PWR/20XOE/HF/ 2,0M/S7

2908915

1

VIP-PA-PWR/20XOE/ 3,0M/S7

2904726

1

VIP-PA-PWR/20XOE/HF/ 3,0M/S7

2908914

1

VIP-PA-PWR/20XOE/ 4,0M/S7

2904727

1

VIP-PA-PWR/20XOE/HF/ 4,0M/S7

2908913

1

VIP-PA-PWR/20XOE/ 6,0M/S7

2904728

1

VIP-PA-PWR/20XOE/HF/ 6,0M/S7

2908912

1

VIP-PA-PWR/20XOE/ 8,0M/S7

2904729

1

VIP-PA-PWR/20XOE/HF/ 8,0M/S7

2908911

1

VIP-PA-PWR/20XOE/10,0M/S7

2904730

1

VIP-PA-PWR/20XOE/HF/10,0M/S7

2908910

1

499

PHOENIX CONTACT

System cabling for controllers

Controller-specific system cabling

new

new

Front adapter with 20 open cable ends, 

PVC insulation

Front adapter with 40 open cable ends, 

halogen-free

Front adapter with 20 open cable ends, 

halogen-free

phoenixcontact-interface-technology-and-switching-devices-html.html
background image

A

26,5

5

...FLK14...

...FLK5

0

...

37

42

A

B

R

b

l

SP

SP

B

R

r

d

1

2

3

4

5

6

7

8

9

1

0

11

12

13

14

15

16

17

1

8

1

9

2

0

1

2

3

4

5

6

7

8

9

1

0

11

12

13

14

15

16

17

1

8

1

9

2

0

21

22

23

24

21

22

23

24

25

26

27

2

8

2

9

3

0

31

32

33

34

35

36

37

3

8

3

9

4

0

25

26

27

2

8

2

9

3

0

31

32

33

34

35

36

37

3

8

3

9

4

0

41

42

43

44

45

46

47

4

8

-

+

-

+

 

500

PHOENIX CONTACT

Three connection options are 
available:

– Transfer of max. 32 channels via two 

50-pos. system cables (32-channel cards 
or this design)

– Transfer of 4 x 8 channels via two 14-pos. 

system cables (32-channel cards or this 
design)

– Transfer of 2 x 8 channels via two 14-pos. 

system cables (16-channel cards or this 
design)

The front adapters have the following 
features:

– Can  be  screwed  with  I/O  module
– Voltage supply via terminal blocks with 

spring-cage double connection

– Encapsulated IDC/FLK socket strips for 

module side
Special lengths are configured using 

separate order numbers.

Ordering example:

A front adapter with a connected 50-pos. 

system cable (32-channel cards), 12.75 m in 
length:

1 pcs.   

2900885

/12,75

Web code for the online configurator

Your web code: 

#0007

Notes:

The following modules cannot be coupled due to the larger outer 

contour of the molded connectors:

UM 45-FLK14/ 8IM/ZFKDS/PLC, 

2965211

UM 45-FLK50/32IM/ZFKDS/PLC, 

2965224

UM 45- 8RM/MR-G24/1/PLC, 

2962900

UM 45-16RM/MR-G24/1/PLC, 

2962913

Controller-specific modules from page 508

Standard modules from page 526

VIP – VARIOFACE Professional
Front adapter for Siemens SIMATIC

®

 

S7-300

Technical data

Maximum permissible operating voltage

< 50 V AC / 60 V DC

Maximum permissible operating voltage UL / CSA

50 V / -

Maximum permissible current

1 A (per path)

8 A (Separate power supply)

Maximum conductor resistance

0.16 

/m

Conductor cross section

AWG 26 / 0.14 mm²

Conductor structure: stranded wires / material

7 / Cu tin-plated

Outside diameter

10.3 mm

Ambient temperature range

-20 °C ... 50 °C

Standards/regulations

IEC

 

60664 , DIN EN 50178

IEC

Connection method

Control side

Plug connection

 

Field level

IDC/FLK socket strip

Connection data solid/stranded/AWG

0.2 ... 2.5 mm² / 0.2 ... 2.5 mm² / 24 - 14

0.2 ... 2.5 mm² / 0.2 ... 2.5 mm² / 24 - 14

0.2 ...

Ordering data

Description

Cable length

Type

Order No.

Pcs./

Pkt.

VIP VARIOFACE front adapter,

 with connected system cables for 

SIMATIC

®

 S7-300

0.5 m

VIP-PA-FLK50/ 0,5M/S7

2322443

1

1 m

VIP-PA-FLK50/ 1,0M/S7

2322456

1

1.5 m

VIP-PA-FLK50/ 1,5M/S7

2322469

1

2 m

VIP-PA-FLK50/ 2,0M/S7

2321800

1

2.5 m

VIP-PA-FLK50/ 2,5M/S7

2322472

1

3 m

VIP-PA-FLK50/ 3,0M/S7

2322485

1

4 m

VIP-PA-FLK50/ 4,0M/S7

2322498

1

5 m

VIP-PA-FLK50/ 5,0M/S7

2322508

1

6 m

VIP-PA-FLK50/ 6,0M/S7

2322511

1

7 m

VIP-PA-FLK50/ 7,0M/S7

2322524

1

8 m

VIP-PA-FLK50/ 8,0M/S7

2322537

1

10 m

VIP-PA-FLK50/10,0M/S7

2322540

1

VIP VARIOFACE front adapter,

 as above, in variable lengths

VIP-PA-FLK50-S7/...

2900885

1

System cabling for controllers

Controller-specific system cabling

Front adapter with system cable

1 x 32 channels can be connected

phoenixcontact-interface-technology-and-switching-devices-html.html
background image

B

R

b

l

SP

SP

B

R

r

d

-

+

-

+

1

2

3

4

5

6

7

8

9

1

0

11

12 13

14

15

16

17

1

8

1

9

2

0

9

11

13 1 2

3

4

5

6

7

8

1

0

12

14

9

11 13

1 2 3 4 5 6 7

8

1

0

12 14

21

22 23

24

25

26 27 2

8

2

9

3

0

31

32

33 34

35 36

37 3

8

3

9

4

0

9

11 13 1 2 3 4 5 6 7

8

1

0

12

14

9

11

13

1 2 3 4 5 6 7

8

1

0

12

14

1

11

2

12

3

13

4

14

5

15

6

16

7

17

8

1

8

9

1

9

1

0

2

0

B

y

te

0

B

y

te

1

9

11

13

1

2

3

4

5

6

7

8

1

0

12

14

9

11

13

1

2

3

4

5

6

7

8

1

0

12

14

SP

SP

B

R

r

d

B

R

b

l

+

-

+

-

For further information and full technical data, visit phoenixcontact.net/products

 

 

501

PHOENIX CONTACT

Technical data

Technical data

< 50 V AC / 60 V DC

< 50 V AC / 60 V DC

50 V / -

50 V / -

1 A (per path)

8 A (Separate power supply)

1 A (per path)

8 A (Separate power supply)

0.16 

/m

0.16 

/m

AWG 26 / 0.14 mm²

AWG 26 / 0.14 mm²

7 / Cu tin-plated

7 / Cu tin-plated

6.4 mm

6.4 mm

-20 °C ... 50 °C

-20 °C ... 50 °C

60664 , DIN EN 50178

IEC

 

60664 , DIN EN 50178

IEC

 

60664 , DIN EN 50178

Plug connection

Plug connection

IDC/FLK socket strip

IDC/FLK socket strip

Connection data solid/stranded/AWG

0.2 ... 2.5 mm² / 0.2 ... 2.5 mm² / 24 - 14

0.2 ... 2.5 mm² / 0.2 ... 2.5 mm² / 24 - 14

0.2 ... 2.5 mm² / 0.2 ... 2.5 mm² / 24 - 14

Ordering data

Ordering data

Type

Order No.

Pcs./

Pkt.

Type

Order No.

Pcs./

Pkt.

VIP-PA-FLK50/4X14/ 0,5M/S7

2322553

1

VIP-PA-FLK14/ 0,5M/S7

2322663

1

VIP-PA-FLK50/4X14/ 1,0M/S7

2322566

1

VIP-PA-FLK14/ 1,0M/S7

2322676

1

VIP-PA-FLK50/4X14/ 1,5M/S7

2322579

1

VIP-PA-FLK14/ 1,5M/S7

2322689

1

VIP-PA-FLK50/4X14/ 2,0M/S7

2321910

1

VIP-PA-FLK14/ 2,0M/S7

2321790

1

VIP-PA-FLK50/4X14/ 2,5M/S7

2322582

1

VIP-PA-FLK14/ 2,5M/S7

2322692

1

VIP-PA-FLK50/4X14/ 3,0M/S7

2322595

1

VIP-PA-FLK14/ 3,0M/S7

2322702

1

VIP-PA-FLK50/4X14/ 4,0M/S7

2322605

1

VIP-PA-FLK14/ 4,0M/S7

2322715

1

VIP-PA-FLK50/4X14/ 5,0M/S7

2322618

1

VIP-PA-FLK14/ 5,0M/S7

2322728

1

VIP-PA-FLK50/4X14/ 6,0M/S7

2322621

1

VIP-PA-FLK14/ 6,0M/S7

2322731

1

VIP-PA-FLK50/4X14/ 7,0M/S7

2322634

1

VIP-PA-FLK14/ 7,0M/S7

2322744

1

VIP-PA-FLK50/4X14/ 8,0M/S7

2322647

1

VIP-PA-FLK14/ 8,0M/S7

2322757

1

VIP-PA-FLK50/4X14/10,0M/S7

2322650

1

VIP-PA-FLK14/10,0M/S7

2322760

1

VIP-PA-FLK50-4X14-S7/...

2900886

1

VIP-PA-FLK14-S7/...

2900887

1

Front adapters for 32-channel cards of the 

SIMATIC

®

 S7-300 

Card type

VIP-PA-FLK50/...M/S7

Digital input

6ES7 321-1BL00-0AA0

Digital output

6ES7 322-1BL00-0AA0

Digital input/output

6ES7 323-1BL00-0AA0

Analog input

6ES7 331-7PF01-0AB0*

6ES7 331-7PF11-0AB0*

6ES7 331-7NF00-0AB0*

6ES7 331-7NF10-0AB0*

6ES7 331-1KF01-0AB0*

Analog output

6ES7 332-5HF00-0AB0*

CPU

312C, 313C, 314C, 313C-2PtP

313C-2DP, 314C-2DP

Other modules

6ES7 350-2AH01-0AE0*

6ES7 357-4AH01-0AE0*

Card type

VIP-PA-FLK50/4X14/...M/S7

Digital input

6ES7 321-1BL00-0AA0

Digital output

6ES7 322-1BL00-0AA0

Digital input/output

6ES7 323-1BL00-0AA0

CPU

313C, 314C, 313C-2PtP

313C-2DP, 314C-2DP

Front adapters for 16-channel cards of the 

SIMATIC

®

 S7-300 

Card type

VIP-PA-FLK14/...M/S7

Digital input

6ES7 321-1BH02-0AA0

6ES7 321-1BH10-0AA0

6ES7 321-1BH50-0AA0*

6ES7 321-7BH01-0AB0*

Digital output

6ES7 322-1BH01-0AA0

6ES7 322-1BH10-0AA0

6ES7 322-8BF00-0AB0*

Digital input/output

6ES7 323-1BH01-0AA0

Analog input

6ES7 331-7KF02-0AB0*

6ES7 331-7HF01-0AB0*

6ES7 331-7KB02-0AB0*

6ES7 331-7TF01-0AB0*

Analog output

6ES7 332-5HD01-0AB0*

6ES7 332-5HB01-0AB0*

6ES7 332-7ND02-0AB0*

Analog input/output

6ES7 334-0CE01-0AA0*

6ES7 334-0KE00-0AB0*

6ES7 335-7HG01-0AB0*

Other modules

6ES7 338-4BC01-0AB0*

6ES7 350-1AH03-0AE0*

6ES7 351-1AH01-0AE0*

6ES7 352-1AH02-0AE0*

6ES7 353-1AH01-0AE0*

6ES7 354-1AH01-0AE0*

6ES7 355-0VH10-0AE0*

6ES7 355-1VH10-0AE0*

* Only in conjunction with 

VIP-2/SC/FLK50 (1-40)/S7, Order No.: 

2315243

,

VIP-2/PT/FLK50 (1-40)/S7, Order No.: 

2903804

,

FLKM 50/KDS3-MT/PPA/S7-300, Order No.: 

2304490

.

All bridges (BR) on the adapter must be removed. 

* Only in conjunction with  

VIP-2/SC/2FLK14 (1-20)/S7, Order No.: 

2315230

VIP-2/PT/2FLK14 (1-20)/S7, Order No.: 

2903802

FLKM-2FLK14/KDS 3-MT/PPA/S7, Order No.: 

2295062

All bridges (BR) on the adapter must be disconnected.

Note: 

The front adapters are non-isolated on delivery. 

Electrical isolation can be achieved by removing the bridges 

(in groups of 8). 

IDC/FLK strip

Connection to I/O card

Explanation:

SP: Separate power terminals

BR

bl

: Blue plug-in bridge

BR

rd

: Red plug-in bridge

System cabling for controllers

Controller-specific system cabling

Front adapter with system cable

4 x 8 channels can be connected

Front adapter with system cable

2 x 8 channels can be connected

phoenixcontact-interface-technology-and-switching-devices-html.html
background image

B

y

te

0

B

y

te

2

B

y

te

3

B

y

te

1

1 2 3 4 5 6 7

8 9

1

0

111213141516171

8

1

9

2

0

9

1113 1 2 3 4 5 6 7

8

1

0

1214

9

1113 1 2 3 4 5 6 7

8

1

0

1214

0

1

2

3

F

S

DR

DR

DR

212223242526272

8

2

9

3

0

313233343536373

8

3

9

4

0

9

11131 2 3 4 5 6 7

8

1

0

1214

9

11131 2 3 4 5 6 7

8

1

0

1214

B

y

te

0

B

y

te

1

B

y

te

2

B

y

te

3

1 2 3 4 5 6 7

8 9

1

0

111213141516171

8

1

9

2

0

1 2 3 4 5 6 7

8 9

1

0

11121314 1516171

8

1

9

2

0

21222324

0

1
2
3

F

S

DR
DR
DR

21 2223242526272

8

2

9

3

0

31 3233343536373

8

3

9

4

0

2526272

8

2

9

3

0

313233343536 373

8

3

9

4

0

414243444546474

8

 

502

PHOENIX CONTACT

Technical data

Maximum permissible operating voltage

< 50 V AC / 60 V DC

Maximum permissible operating voltage UL / CSA

125 V / -

Maximum permissible current

1 A (per path)

8 A (per connection, supply via separate power supply (2.8 x 0.8 mm))

Maximum permissible total current

2 A (per Byte, for supply via connector)

8 A (during supply via a separate bridged power supply)

Ambient temperature (operation)

-20 °C ... 50 °C

Ambient temperature (storage/transport)

-20 °C ... 70 °C

Standards/regulations

IEC

 

60664 / DIN EN 50178

Connection method

IDC/FLK pin strip

Ordering data

Description

No. of pos.

Type

Order No.

Pcs./

Pkt.

VARIOFACE front adapters

, for SIMATIC

®

 S7-300

- 1 x 32 channels can be connected

50

FLKM 50-PA-S300

2294445

1

- 4 x 8 channels can be connected

14

FLKM 50/4-FLK14/PA-S300

2296281

1

Connection scheme FLKM 50/4-FLK14/PA-S300

Connection scheme FLKM 50-PA-S300

Front adapters for 32-channel cards of the 

SIMATIC

®

 S7-300 

Card type

FLKM 50-PA-S300

Digital input

6ES7 321-1BL00-0AA0

Digital output

6ES7 322-1BL00-0AA0

Digital input/output

6ES7 323-1BL00-0AA0

Analog input

6ES7 331-7PF01-0AB0*

6ES7 331-7PF11-0AB0*

6ES7 331-7NF00-0AB0*

6ES7 331-7NF10-0AB0*

6ES7 331-1KF01-0AB0*

Analog output

6ES7 332-5HF00-0AB0*

CPU

312C, 313C, 314C, 313C-2PtP

313C-2DP, 314C-2DP

Other modules

6ES7 350-2AH01-0AE0*

6ES7 357-4AH01-0AE0*

Card type

FLKM 50/4-FLK14/PA-S300

Digital input

6ES7 321-1BL00-0AA0

Digital output

6ES7 322-1BL00-0AA0

Digital input/output

6ES7 323-1BL00-0AA0

CPU

313C, 314C, 313C-2PtP

313C-2DP, 314C-2DP

* Only in conjunction with 

VIP-2/SC/FLK50(1-40)/S7, Order No.: 

2315243

,

VIP-2/PT/FLK50(1-40)/S7, Order No.: 

2903804

,

FLKM 50/KDS3-MT/PPA/S7-300, Order No.: 

2304490

.

All wire bridges (DR) on the adapter must be disconnected. 

There must be no voltage supply at the front adapter (flowing via 

the slip-on connections).

Note: 

The front adapters are non-isolated on delivery. 

Electrical isolation is achieved by removing the wire bridges 

(in groups of 8). 

IDC/FLK strip

Connection to I/O card

Screw terminal blocks for separate supply

Explanation:

I/O modules with 32 channels or with 
this design

Two connection options are available:

– Transfer of max. 32 channels over one 

50-position system cable

– Transmission of 4 x 8 channels over four 

14-position system cables
Tailor-made VARIOFACE termination 

boards with a variety of functions and 
connection options round off this system 
concept.

Web code for the online configurator

Your web code: 

#0007

Siemens SIMATIC

®

 S7-300

Front adapter

System cabling for controllers

Controller-specific system cabling

Front adapter for SIMATIC

®

 S7-300, 

I/O cards with max. 32 channels

Notes:

Controller-specific modules from page 508

Standard modules from page 526

For system cables, see page 550

phoenixcontact-interface-technology-and-switching-devices-html.html
background image

1

11

2

12

3

13

4

14

5

15

6

16

7

17

8

1

8

9

1

9

1

0

2

0

0

+

1

+

0
1

-

B

y

te

0

B

y

te

1

DR F

S

9

1113 1 2 3 4 5 6 7

8

1

0

1214

9

1113 1 2 3 4 5 6 7

8

1

0

1214

For further information and full technical data, visit phoenixcontact.net/products

 

503

PHOENIX CONTACT

Technical data

Maximum permissible operating voltage

< 50 V AC / 60 V DC

Maximum permissible operating voltage UL / CSA

125 V / -

Maximum permissible current

1 A (per path)

8 A (per connection, supply via separate power supply (2.8 x 0.8 mm))

Maximum permissible total current

2 A (per Byte, for supply via connector)

8 A (during supply via a separate bridged power supply)

Ambient temperature (operation)

-20 °C ... 50 °C

Ambient temperature (storage/transport)

-20 °C ... 70 °C

Standards/regulations

IEC

 

60664 / DIN EN 50178

Connection method

IDC/FLK pin strip

Ordering data

Description

No. of pos.

Type

Order No.

Pcs./

Pkt.

VARIOFACE front adapter

, for SIMATIC

®

 S7-300

- 2 x 8 channels can be connected

14

FLKM 14-PA-S300

2299770

1

Connection scheme FLKM 14-PA-S300

Front adapters for 16-channel cards of the 

SIMATIC

®

 S7-300 

Card type

FLKM 14-PA-S300

Digital input

6ES7 321-1BH02-0AA0

6ES7 321-1BH10-0AA0

6ES7 321-1BH50-0AA0*

6ES7 321-7BH01-0AB0*

Digital output

6ES7 322-1BH01-0AA0

6ES7 322-1BH10-0AA0

6ES7 322-8BF00-0AB0*

Digital input/output

6ES7 323-1BH01-0AA0

Analog input

6ES7 331-7KF02-0AB0*

6ES7 331-7HF01-0AB0*

6ES7 331-7KB02-0AB0*

6ES7 331-7TF01-0AB0*

Analog output

6ES7 332-5HD01-0AB0*

6ES7 332-5HB01-0AB0*

6ES7 332-7ND02-0AB0*

Analog input/output

6ES7 334-0CE01-0AA0*

6ES7 334-0KE00-0AB0*

6ES7 335-7HG01-0AB0*

Other modules

6ES7 338-4BC01-0AB0*

6ES7 350-1AH03-0AE0*

6ES7 351-1AH01-0AE0*

6ES7 352-1AH02-0AE0*

6ES7 353-1AH01-0AE0*

6ES7 354-1AH01-0AE0*

6ES7 355-0VH10-0AE0*

6ES7 355-1VH10-0AE0*

* Only in conjunction with 

VIP-2/SC/2FLK14 (1-20)/S7, Order No.: 

2315230

VIP-2/PT/2FLK14 (1-20)/S7, Order No.: 

2903802

FLKM-2FLK14/KDS 3-MT/PPA/S7, Order No.: 

2295062

All wire bridges (DR) on the adapter must be disconnected.

There must be no voltage supply at the front adapter (flowing via 

the slip-on connections).

Note: 

The front adapters are non-isolated on delivery. 

Electrical isolation is achieved by removing the wire bridges 

(in groups of 8). 

IDC/FLK strip

Connection to I/O card

Screw terminal blocks for separate supply

Explanation:

I/O modules with 16 channels or with 
this design

– Up to 2 x 8 channels are connected via 

two 14-position system cables.
Tailor-made VARIOFACE termination 

boards with a variety of functions and 
connection options round off this system 
concept.

Web code for the online configurator

Your web code: 

#0007

Siemens SIMATIC

®

 S7-300

Front adapter

System cabling for controllers

Controller-specific system cabling

Front adapter for SIMATIC

®

 S7-300, 

I/O cards with max. 16 channels

phoenixcontact-interface-technology-and-switching-devices-html.html
background image

3

4

6

8

11

14

1

8

2

0

2

5

7

9

1

0

12

13

15

16

17

1

9

1

2 3 4

6 7

8 9

1

0

11 12 13 14 15 16 17 1

8

1

9

2

0

1

5

2+

2

M

3+

3

M

1+

1

M

22 23 24

26 27 2

8

2

9

3

0

31 32 33 34 35 36 37 3

8

3

9

4

0

21

25

23

24

26

27

3

0

33

37

3

9

22

25

2

8

2

9

31

32

34

35

36

3

8

21

4

0

1

2

3

4

5

6

7

8

9

1

0

11 12 13 14 15 16 17 1

8

1

9

2

0

1

2

3

4

5

6

7

8

9

1

0

11 12 13 14 15 16 17 1

8

1

9

2

0

21 22 23 24

21 22 23 24 25 26 27 2

8

2

9

3

0

31 32 33 34 35 36 37 3

8

3

9

4

0

25 26 27 2

8

2

9

3

0

31 32 33 34 35 36 37 3

8

3

9

4

0

41 42 43 44 45 46 47 4

8

504

PHOENIX CONTACT

Technical data

Maximum permissible operating voltage

< 50 V AC / 60 V DC

Maximum permissible current

1 A (per path)

Maximum permissible total current

2 A

Ambient temperature (operation)

-20 °C ... 50 °C

Ambient temperature (storage/transport)

-20 °C ... 70 °C

Standards/regulations

IEC

 

60664 / DIN EN 50178

Connection method

IDC/FLK pin strip

Ordering data

Description

No. of pos.

Type

Order No.

Pcs./

Pkt.

VARIOFACE front adapter

 for failsafe I/O cards

6ES7 326-1BK02-0AB0

6ES7 326-1RF00-0AB0

6ES7 336-1HE00-0AB0

50

FLKM 50-PA-S300/SO167

2307662

1

VARIOFACE front adapter

 for failsafe I/O cards

6ES7 326-2BF01-0AB0

50

FLKM 50-PA/DO326/S7-300

2321952

1

Connection scheme FLKM 50-PA/DO326/S7-300

Connection scheme FLKM 50-PA-S300/SO167

Front adapters for I/O modules of the 

SIMATIC

®

 S7-300 

Card type

FLKM 50-PA-S300/SO167

Digital input

6ES7 326-1BK02-0AB0*

6ES7 326-1RF00-0AB0*

1

)

Analog input

6ES7 336-1HE00-0AB0*

Card type

FLKM 50-PA/DO326/S7-S300

Digital output

6ES7 326-2BF01-0AB0**

6ES7 326-2BF10-0AB0**

* Only in conjunction with 

VIP-2/SC/FLK50 (1-40)/S7, Order No.: 

2315243

,

VIP-2/PT/FLK50 (1-40)/S7, Order No.: 

2903804

,

FLKM 50/KDS3-MT/PPA/S7-300, Order No.: 

2304490

.

** Only in conjunction with 

FLKM 50/DO326/S7-300, Order No.: 

2321965

.

1

) Not suitable for signals from the Ex area.

IDC/FLK strip

Connection to I/O card

Screw terminal blocks for separate supply

Explanation:

The front adapters are coupled using 

50-pos. system cables. They convert the 
signals for passive modules.

Siemens SIMATIC

®

 S7-300

Front adapter for failsafe
modules

System cabling for controllers

Controller-specific system cabling

Front adapter for SIMATIC

®

 S7-300

for failsafe I/O cards

Notes:

Controller-specific modules from page 508

For system cables, see page 550

phoenixcontact-interface-technology-and-switching-devices-html.html
background image

For further information and full technical data, visit phoenixcontact.net/products

 

 

Technical data

Technical data

Maximum permissible operating voltage

< 50 V AC / 60 V DC

< 50 V AC / 60 V DC

Maximum permissible operating voltage UL / CSA

125 V / -

125 V / -

Maximum permissible current carrying capacity per path

1 A

1 A

Maximum conductor resistance

0.16 

/m

0.16 

/m

Ambient temperature (operation)

-20 °C ... 50 °C

-20 °C ... 50 °C

Conductor cross section

AWG 26 / 0.14 mm²

AWG 26 / 0.14 mm²

Conductor structure: stranded wires / material

7 / Cu tin-plated

7 / Cu tin-plated

Ordering data

Ordering data

Description

No. of

pos.

Cable length

Type

Order No.

Pcs./

Pkt.

Type

Order No.

Pcs./

Pkt.

Round cable

, for output module 6ES7 322-1BP00-0AA0 and 

6ES7 322-1BP50-0AA0 (two cables per module)

40

0.5 m

CABLE-FCN40/1X50/ 0,5M/S7-OUT

2321017

1

CABLE-FCN40/4X14/ 0,5M/S7-OUT

2321172

1

40

1 m

CABLE-FCN40/1X50/ 1,0M/S7-OUT

2321020

1

CABLE-FCN40/4X14/ 1,0M/S7-OUT

2321185

1

40

2 m

CABLE-FCN40/1X50/ 2,0M/S7-OUT

2321033

1

CABLE-FCN40/4X14/ 2,0M/S7-OUT

2321198

1

40

3 m

CABLE-FCN40/1X50/ 3,0M/S7-OUT

2321046

1

CABLE-FCN40/4X14/ 3,0M/S7-OUT

2321208

1

40

4 m

CABLE-FCN40/1X50/ 4,0M/S7-OUT

2321059

1

CABLE-FCN40/4X14/ 4,0M/S7-OUT

2321211

1

40

6 m

CABLE-FCN40/1X50/ 6,0M/S7-OUT

2321062

1

CABLE-FCN40/4X14/ 6,0M/S7-OUT

2321224

1

40

8 m

CABLE-FCN40/1X50/ 8,0M/S7-OUT

2321075

1

CABLE-FCN40/4X14/ 8,0M/S7-OUT

2321237

1

40

10 m

CABLE-FCN40/1X50/10,0M/S7-OUT

2321088

1

CABLE-FCN40/4X14/10,0M/S7-OUT

2321240

1

Round cable

, for input module 6ES7 321-1BP00-0AA0 

(two cables per module). Plus-reading operation (sinking mode) of 

the module

40

0.5 m

CABLE-FCN40/1X50/ 0,5M/S7-IN

2321091

1

CABLE-FCN40/4X14/ 0,5M/S7-IN

2321253

1

40

1 m

CABLE-FCN40/1X50/ 1,0M/S7-IN

2321101

1

CABLE-FCN40/4X14/ 1,0M/S7-IN

2321266

1

40

2 m

CABLE-FCN40/1X50/ 2,0M/S7-IN

2321114

1

CABLE-FCN40/4X14/ 2,0M/S7-IN

2321279

1

40

3 m

CABLE-FCN40/1X50/ 3,0M/S7-IN

2321127

1

CABLE-FCN40/4X14/ 3,0M/S7-IN

2321282

1

40

4 m

CABLE-FCN40/1X50/ 4,0M/S7-IN

2321130

1

CABLE-FCN40/4X14/ 4,0M/S7-IN

2321295

1

40

6 m

CABLE-FCN40/1X50/ 6,0M/S7-IN

2321143

1

CABLE-FCN40/4X14/ 6,0M/S7-IN

2321305

1

40

8 m

CABLE-FCN40/1X50/ 8,0M/S7-IN

2321156

1

CABLE-FCN40/4X14/ 8,0M/S7-IN

2321318

1

40

10 m

CABLE-FCN40/1X50/10,0M/S7-IN

2321169

1

CABLE-FCN40/4X14/10,0M/S7-IN

2321321

1

505

PHOENIX CONTACT

System cabling for controllers

Controller-specific system cabling

System cable

Splitting cable

These system cables are plugged onto the 

64-channel (2x32) I/O cards that are 
directly connected using connectors.

CABLE-FCN40/1X50/...

– Signal transmission of 1x32 channels
– System cable: 40-pos. connector to 

50-pos. IDC/FLK socket strip

CABLE-FCN40/4X14/...

– Signal transmission of 4x8 channels
– Splitting cable: 40-pos. connector to four 

14-pos. IDC/FLK socket strips

Siemens SIMATIC

®

 S7-300

System cables for 64-channel I/O cards

phoenixcontact-interface-technology-and-switching-devices-html.html
background image

2

0

1

9

1

8

17 16 15 14 13 12 11

L+

M

1

0

9 8

7 6 5 4 3 2 1

14

15

16

13 12 11 1

0

9

8

7 6 5 4 3 2 1

C

o

m

p

.-

C

o

m

p

.+

 

506

PHOENIX CONTACT

Technical data

FLKM 16-PA-S300/MINI-MCR

Maximum permissible operating voltage

< 50 V AC / 60 V DC

Maximum permissible operating voltage UL / CSA

30 V / -

Maximum permissible current

50 mA (per path)

500 mA (per connection, supply via separate power supply)

Ambient temperature (operation)

-20 °C ... 60 °C

Ambient temperature (storage/transport)

-20 °C ... 70 °C

Standards/regulations

IEC

 

60664 / DIN EN 50178

Ordering data

Description

No. of pos.

Type

Order No.

Pcs./

Pkt.

VARIOFACE front adapter

, for SIMATIC

®

 S7-300, only in 

connection with MCR-2-V8-FLK16

16

FLKM 16-PA-S300/MINI-MCR

2314749

1

Accessories

Assembled round cable

, with two 16-pos. IDC/FLK socket strips

FLK 16/EZ-DR/ 300/KONFEK

2299330

1

System cabling adapter 

for MINI Analog Pro modules

MINI MCR-2-V8-FLK 16

2901993

1

FLKM 16-PA-S300/MINI-MCR connection scheme

Front adapters for analog cards of the 

SIMATIC

®

 S7-300 

Card type

FLKM 16-PA-S300/MINI-MCR

Analog input

6ES7 331-7KF02-0AB0

6ES7 331-7KB02-0AB0

6ES7 331-7KB81-0AB0

6ES7 331-7TF00-0AB0

Analog output

6ES7 332-8TF01-0AB0

IDC/FLK strip

Connection to I/O card

Screw terminal blocks for separate supply

Explanation:

This front adapter is only for connecting 

the MINI MCR-2-V8-FLK16 adapter and 
corresponding MINI Analog Pro isolators. 
With the aid of these components, 
converted standard analog signals are 
transmitted.

Siemens SIMATIC

®

 S7-300

Front adapter for MINI Analog Pro

System cabling for controllers

Controller-specific system cabling

Front adapter for SIMATIC

®

 S7-300,

20-pos. analog I/O cards

Notes:

For corresponding isolators, see from page 68

For system cables (FLK16/EZ-DR/...), see page 588

phoenixcontact-interface-technology-and-switching-devices-html.html
background image

M

M

21

1

22

2

23

3

24

4

25

5

26

6

27

7

2

8

8

2

9

9

3

0

1

0

31

11

32

12

33

13

34

14

35

15

36

16

37

17

3

8

1

8

3

9

1

9

4

0

2

0

9

1

1

0

2

11

3

12

4

13

5

14

6

15

7

16

8

0

1

2

3

4

5

6

7

M

ANA

M

M

L+

21

1

22

2

23

3

24

4

25

5

26

6

27

7

2

8

8

2

9

9

3

0

1

0

31

11

32

12

33

13

34

14

35

15

36

16

37

17

3

8

1

8

3

9

1

9

4

0

2

0

9

1

1

0

2

11

3

12

4

13

5

14

6

15

7

16

8

For further information and full technical data, visit phoenixcontact.net/products

Technical data

Maximum permissible operating voltage

< 50 V AC / 60 V DC

Maximum permissible operating voltage UL / CSA

30 V / -

Maximum permissible current

50 mA (per path)

Ambient temperature (operation)

-20 °C ... 60 °C

Ambient temperature (storage/transport)

-20 °C ... 70 °C

Standards/regulations

IEC

 

60664 / DIN EN 50178

Ordering data

Description

No. of pos.

Type

Order No.

Pcs./

Pkt.

VARIOFACE front adapter

, for SIMATIC

®

 S7-300, only in 

connection with MCR-2-V8-FLK16

16

FLKM 16-PA- 331-1KF/I/MINI-MCR

2318237

1

Connection scheme FLKM 16-PA-331-1KF/I/MINI-MCR

The 

FLKM 16-PA-331-1KF/I/MINI-MCR

 

front adapter is used to implement system 
cabling in conjunction with the MINI Analog 
system adapter and a 16-pos. system cable.

Instead of the conventional front 

connector, screw terminal blocks are used 
to snap this component on to the analog 
module.

The DIP switches can be used to connect 

“M-” connections to each other and to the 
central ground of the system.

The front adapter supports 

only current 

signals

.

The front adapter is suitable for the 

following analog input card:
– 6ES7 331-1KF02-0AB0

Notes:

For corresponding isolators, see from page 68

For system cables (FLK16/EZ-DR/...), see page 588

Siemens SIMATIC

®

 S7-300

Front adapter for
MINI Analog Pro system cabling

System cabling for controllers

Controller-specific system cabling

Front adapter for SIMATIC

®

 S7-300,

6ES7 331-1KF02-0AB0 analog I/O card

Technical data

Maximum permissible operating voltage

< 50 V AC / 60 V DC

Maximum permissible operating voltage UL / CSA

30 V / -

Maximum permissible current

50 mA (per path)

500 mA (per connection, supply via separate power supply)

Ambient temperature (operation)

-20 °C ... 60 °C

Ambient temperature (storage/transport)

-20 °C ... 70 °C

Standards/regulations

IEC

 

60664 / DIN EN 50178

Ordering data

Description

No. of pos.

Type

Order No.

Pcs./

Pkt.

VARIOFACE front adapter

, for SIMATIC

®

 S7-300, only in 

connection with MCR-2-V8-FLK16

16

FLKM 16-PA- 332-5HF/I/MINI-MCR

2318240

1

507

PHOENIX CONTACT

Connection scheme FLKM 16-PA-332-5HF/I/MINI-MCR

The 

FLKM 16-PA-332-5HF/I/MINI-MCR

 

front adapter is used to implement system 
cabling in conjunction with the MINI Analog 
system adapter and a 16-pos. system cable.

Instead of the conventional front 

connector, screw terminal blocks are used 
to snap this component on to the analog 
module.

The front adapter supports 

only current 

signals

.

The front adapter is suitable for the 

following analog output cards:
– 6ES7 332-5HF00-0AB0

Notes:

For corresponding isolators, see from page 68

For system cables (FLK16/EZ-DR/...), see page 588

Siemens SIMATIC

®

 S7-300

Front adapter for
MINI Analog Pro system cabling

Front adapter for SIMATIC

®

 S7-300,

6ES7 332-5HF00-0AB0 analog I/O card

phoenixcontact-interface-technology-and-switching-devices-html.html
background image

1 2 3

1

0

1112131415

22 2324252627

34 3536373

8

3

9

46474

8

4

9

5

0

1

2

9

1

0

11

12 1

9

2

0

21

22 2

9

3

0

31

32 3

9

4

0

1 2 3

1

0

1112131415

22 2324252627

343536373

8

3

9

46474

8

4

9

5

0

3

4

11

1213

15

22

23 26

27

34

353

8

3

9

46

4

8

 

 

 

 

Technical data

Technical data

Maximum permissible operating voltage

60 V AC/DC

60 V AC/DC

Maximum permissible operating voltage UL / CSA

125 V / 125 V

125 V / 125 V

Maximum permissible current (per branch)

1 A

1 A

Ambient temperature (operation)

-20 °C ... 50 °C

-20 °C ... 50 °C

Mounting position

any

any

Standards/regulations

IEC

 

60664 , DIN EN 50178

IEC

 

60664 , DIN EN 50178

Connection method

Field level

Screw connection

Push-in connection

Controller level

IDC/FLK pin strip

IDC/FLK pin strip

Connection data solid/stranded/AWG

0.2 ... 4 mm² / 0.2 ... 2.5 mm² / 24 - 12

0.14 ... 2.5 mm² / 0.14 ... 2.5 mm² / 26 - 14

Dimensions

H / D

65.5 mm / 56 mm

72.1 mm / 56 mm

Ordering data

Ordering data

Description

No. of

pos.

Module width

W

Type

Order No.

Pcs./

Pkt.

Type

Order No.

Pcs./

Pkt.

VARIOFACE termination board

, with 

SIMATIC

®

 S7-300-specific marking from 1 to 40

- with screw connection

50

106.1 mm

VIP-2/SC/FLK50 (1-40) /S7

2315243

1

- with Push-in connection

50

107.9 mm

VIP-2/PT/FLK50 (1-40) /S7

2903804

1

VARIOFACE termination board

, with 

SIMATIC

®

 S7-400-specific marking from 3 to 48

- with screw connection

50

106.1 mm

VIP-2/SC/FLK50/S7/A-S400

1

)

2322359

1

- with Push-in connection

50

107.9 mm

VIP-2/PT/FLK50/S7/A-S400

2904289

1

Connection scheme VIP-2/.../FLK50 (1-40) /S7

Connection scheme VIP-2/.../FLK50/S7/A-S400

508

PHOENIX CONTACT

System cabling for controllers

Controller-specific system cabling

Passive termination boards for input/output, 

with SIMATIC

®

-specific marking 

and screw connection

Passive termination boards for input/output, 

with SIMATIC

®

-specific marking 

and Push-in connection

These VIP - VARIOFACE Professional 

modules are used in combination with 
50-pos. system cables and the relevant 
front adapters for S7.

Features:

– Numerical marking
– Specifically for S7-300 or S7-400

Notes:

For marking systems (e.g., “ZB 22:UNBEDRUCKT”; 

Order No. 

0811862

) and mounting material, see Catalog 3.

1

) No CSA approval

D W

H

D W

H

VIP termination boards for
Siemens SIMATIC

®

 S7

phoenixcontact-interface-technology-and-switching-devices-html.html
background image

X1

X2

1 2 3 4 5 6 7

8 9

1

0

11121314 1 2 3 4 5 6 7

8 9

1

0

11121314

1 2 3 4 5 6 7

8 9

1

0

111213141516171

8

1

9

2

0

For further information and full technical data, visit phoenixcontact.net/products

 

 

 

 

Technical data

Technical data

Maximum permissible operating voltage

60 V AC/DC

60 V AC/DC

Maximum permissible operating voltage UL / CSA

125 V / 125 V

125 V / 125 V

Maximum permissible current (per branch)

1 A

1 A

Ambient temperature (operation)

-20 °C ... 50 °C

-20 °C ... 50 °C

Mounting position

any

any

Standards/regulations

IEC

 

60664 , DIN EN 50178

IEC

 

60664 , DIN EN 50178

Connection method

Field level

Screw connection

Push-in connection

Controller level

IDC/FLK pin strip

IDC/FLK pin strip

Connection data solid/stranded/AWG

0.2 ... 4 mm² / 0.2 ... 2.5 mm² / 24 - 12

0.14 ... 2.5 mm² / 0.14 ... 2.5 mm² / 26 - 14

Dimensions

H / D

65.5 mm / 56 mm

72.1 mm / 56 mm

Ordering data

Ordering data

Description

No. of

pos.

Module width

W

Type

Order No.

Pcs./

Pkt.

Type

Order No.

Pcs./

Pkt.

VARIOFACE termination board

, with 

SIMATIC

®

 S7-300-specific marking from 1 to 20

- with screw connection

14

80.6 mm

VIP-2/SC/2FLK14 (1-20) /S7

2315230

1

- with Push-in connection

14

82.5 mm

VIP-2/PT/2FLK14 (1-20) /S7

2903802

1

Connection diagram: VIP-2/.../2FLK14 (1-20) /S7

509

PHOENIX CONTACT

System cabling for controllers

Controller-specific system cabling

Passive termination boards 

for SIMATIC

®

 S7-300 

with screw connection

Passive termination boards 

for SIMATIC

®

 S7-300 

with Push-in connection

These VIP - VARIOFACE Professional 

modules are used in combination with two 
14-pos. system cables and the relevant front 
adapters for S7-300.

Features:

– Numerical marking (1-20)
– Specifically for S7-300

Notes:

For marking systems (e.g., “ZB 22:UNBEDRUCKT”; 

Order No. 

0811862

) and mounting material, see Catalog 3.

D W

H

D W

H

VIP termination boards for
Siemens SIMATIC

®

 S7-300

phoenixcontact-interface-technology-and-switching-devices-html.html
background image

BR

BR

SP

+

-

BR

BR

SP

+

-

1

11

2

1

2

3

1

3

4

14

5

1

5

6

1

6

7

1

7

8

1

8

9

1

9

1

0

20

1

1

1

1

2

2

2

2

3

3

3

3

4

4

4

4

5

5

5

5

6

6

6

6

7

7

7

7

8

8

8

8

9

9

9

9

11

11

1

3

1

3

11

11

1

3

1

3

1

0

1

0

1

0

1

0

1

2

1

2

14

14

1

2

1

2

14

14

2

1

3

1

22

32

23

33

2

4

3

4

25

35

26

36

27

37

2

8

3

8

2

9

3

9

30

4

0

a

(

b

y

te

 

0)

b

(

b

y

te

 1

)

c

(

b

y

te

 

2)

d

(

b

y

te

 

3)

1

2 3

3

1

11

4

32

1

2

5

33

1

3

6

3

4

14

7

35

1

5

8

36

1

6

1

7

1

8

1

9

9

37 3

8

3

9

1

0

20

4

0

3

9

1

5

4

0

1

6

3

41

1

7

4

4

2

1

8

5

4

3

1

9

6

44

20

7

4

5

2

1

8

4

6

22

9

37

1

3

1

0

3

8

14

1

2

4

7

23

1

2

11

4

8

2

4

2

1

22 23 2

4

25 26 27 2

8

2

9

30

27 2

8

2

9

30 3

1

32 33 3

4

25 26

35 36

BR

BR

SP

+

3

+1

+

2

+

0

a

(

b

y

te

 

0)

b

(

b

y

te

 1

)

c

(

b

y

te

 

2)

d

(

b

y

te

 

3)

510

PHOENIX CONTACT

Technical data

Maximum permissible operating voltage

< 50 V DC

Maximum permissible current

1 A (per path)

Maximum permissible total current

2 A (per byte when supplying from the module side)

12 A (When supplying via the front adapter)

Ambient temperature (operation)

-25 °C ... 60 °C

Ambient temperature (storage/transport)

-40 °C ... 70 °C

Standards/regulations

IEC 61131-2

Connection method

IDC/FLK pin strip

Ordering data

Description

No. of pos.

Type

Order No.

Pcs./

Pkt.

VARIOFACE front adapter, 

 for 

SIMATIC

®

 S7-1500 digital 35 mm modules, 

1 x 32 channels can be connected

- with screw connection

50

FLKM 50-PA/SC/DIO/S7-1500

2907383

1

- with Push-in connection

50

FLKM 50-PA/PT/DIO/S7-1500

2907384

1

VARIOFACE front adapter,

 for 

SIMATIC

®

 S7-1500 digital 35 mm modules, 

4 x 8 or 2 x 8 channels can be connected

- with screw connection

14

FLKM 4X14-PA/SC/DIO/S7-1500

2907381

1

- with Push-in connection

14

FLKM 4X14-PA/PT/DIO/S7-1500

2907382

1

Connection scheme for FLKM 4X14-PA/.../DIO/S7-1500

Connection scheme for FLKM 50-PA/.../DIO/S7-1500

Front adapters for 32-channel digital cards of the 

SIMATIC

®

S7-1500 

Card type

FLKM 50-PA/.../DIO/S7-1500

FLKM 4X14-PA/.../DIO/S7-1500

Digital input

6ES7 521-1BL00-0AB0

Digital output

6ES7 522-1BL00-0AB0

6ES7 522-1BL01-0AB0

Front adapters for 16-channel digital cards of the 

SIMATIC

®

S7-1500 

Card type

FLKM 4X14-PA/.../DIO/S7-1500

Digital input

6ES7 521-1BH00-0AB0

6ES7 521-1BH50-0AA0

Digital output

6ES7 522-1BH00-0AB0

6ES7 522-1BH01-0AB0

Note: 

The front adapters are non-isolated on delivery. 

Electrical isolation is achieved by removing the wire bridges 

(in groups of 8). 

IDC/FLK strip

Connection to I/O card

Screw terminal blocks for separate supply

Explanation:

Digital I/O modules with 32 channels

Two connection options are available:

– Transfer of max. 32 channels over one 

50-position system cable

– Transmission of 4 x 8 channels via a 

14-position system cable

Digital I/O modules with 16 channels

– Transmission of 2 x 8 channels over two 

14-position system cables
Tailor-made VARIOFACE termination 

boards with a variety of functions and 
connection options round off this system 
concept.

Web code for the online configurator

Your web code: 

#0007

Siemens SIMATIC

®

 S7-1500

Front adapter

System cabling for controllers

Controller-specific system cabling

new

Front adapter for SIMATIC

®

 S7-1500

digital I/O cards

Notes:

Standard modules from page 526

For system cables, see page 550

phoenixcontact-interface-technology-and-switching-devices-html.html
background image

FL

K

14

_

1

FL

K

14

_3

FL

K

14

_2

FL

K

14

_

4

1

2

9

9

2

30

1

0

3

3

1

11

4

32

1

2

5

33

1

3

6

3

4

14

7

35

1

5

8

36

1

6

1

7

37

1

8

3

8

1

9

3

9

20

4

0

1

1

1

2

2

2

3

3

3

4

4

4

5

5

5

6

6

6

7

7

7

8

8

8

9

9

9

1

0

1

0

1

0

11

11

11

1

2

1

2

1

2

1

3

1

3

1

3

14

14

14

NC

NC

NC

2

1

22 23 2

4

25 26 27 2

8

1

2 3

4

5 6 7

8 9

1

0

11 1

2

1

3

14

NC

1

2 3

3

1

11

4

32

1

2

5

33

1

3

6

3

4

14

7

35

1

5

8

36

1

6

1

7

1

8

1

9

9

37 3

8

3

9

1

0

20

4

0

3

9

1

5

4

0

1

6

3

41

1

7

4

4

2

1

8

5

4

3

1

9

6

44

20

7

4

5

2

1

8

4

6

22

9

37

1

3

1

0

3

8

14

1

2

4

7

23

1

2

11

4

8

2

4

2

1

22 23 2

4

25 26 27 2

8

2

9

30

27 2

8

2

9

30 3

1

32 33 3

4

25 26

35 36

For further information and full technical data, visit phoenixcontact.net/products

511

PHOENIX CONTACT

Technical data

Maximum permissible operating voltage

< 50 V DC

Maximum permissible current

1 A (per path)

Ambient temperature (operation)

-25 °C ... 60 °C

Ambient temperature (storage/transport)

-40 °C ... 70 °C

Standards/regulations

IEC 61131-2

Connection method

IDC/FLK pin strip

Ordering data

Description

No. of pos.

Type

Order No.

Pcs./

Pkt.

VARIOFACE front adapter

, for 

SIMATIC

®

 S7-1500 analog 35 mm modules

- 8 channels can be connected

50

FLKM 50-PA/AN/S7-1500

2907386

1

- 4 x 2 or 2 x 2 channels can be connected

14

FLKM 4X14-PA/AN/S7-1500

2907385

1

Connection diagram FLKM 4X14-PA/AN/S7-1500

Connection diagram FLKM 50-PA/AN/S7-1500

Front adapters for 8-channel analog cards of the 

SIMATIC

®

S7-1500

(only one 50-pos. cable is connected)

Card type

FLKM 50-PA/AN/S7-1500

Analog input

6ES7 531-7KF00-0AB0*

6ES7 531-7NF00-0AB0*

6ES7 531-7NF10-0AB0*

6ES7 531-7PF00-0AB0*

Analog output

6ES7 532-5HF00-0AB0*

Front adapters for 8-channel analog cards of the 

SIMATIC® S7-1500

(four 14-pos. cables are connected)

Card type

FLKM 4X14-PA/AN/S7-1500

Analog input

6ES7 531-7KF00-0AB0**

6ES7 531-7NF00-0AB0**

6ES7 531-7NF10-0AB0**

6ES7 531-7PF00-0AB0**

Analog output

6ES7 532-5HF00-0AB0**

Front adapters for 4-channel analog cards of the 

SIMATIC® S7-1500

(only two 14-pos. cables are connected)

Card type

FLKM 4X14-PA/AN/S7-1500

Analog output

6ES7 532-5HD00-0AB0***

6ES7 532-5ND00-0AB0***

* Only in conjunction with

VIP-3/PT/FLK50/AN/S7-1500, Order No.: 

2908496

VIP-3/SC/FLK50/AN/S7-1500, Order No.: 

2908495

VIP-3/PT/FLK50/AN/2P/S7-1500, Order No.: 

2908499

VIP-3/SC/FLK50/AN/2P/S7-1500, Order No.: 

2908497

FLKM 50/KDS3-MT/PPA/S7-1500, Order No.: 

2909893

** Only in conjunction with

VIP-3/PT/2FLK14/AN/2P/S7-1500A, Order No.: 

2908465

VIP-3/SC/2FLK14/AN/2P/S7-1500A, Order No.: 

2908464

VIP-3/PT/2FLK14/AN/2P/S7-1500B, Order No.: 

2908846

VIP-3/SC/2FLK14/AN/2P/S7-1500B, Order No.: 

2908845

FLKM-2FLK14/KDS3-MT/AN/S7-1500, Order No.: 

2909894

***Only in conjunction with

VIP-3/PT/2FLK14/AN/2P/S7-1500A, Order No.: 

2908465

VIP-3/SC/2FLK14/AN/2P/S7-1500A, Order No.: 

2908464

FLKM-2FLK14/KDS3-MT/AN/S7-1500, Order No.: 

2909894

Analog I/O modules with 8 channels

Two connection options are available:

– Transmission of a maximum of 8 channels 

via a 50-pos. system cable

– Transmission of 4 x 2 channels via a 

14-pos. system cable

Analog I/O modules with 4 channels

– Transmission of 2 x 2 channels via two 

14-pos. system cables

Web code for the online configurator

Your web code: 

#0007

Siemens SIMATIC

®

 S7-1500

Front adapter

System cabling for controllers

Controller-specific system cabling

new

Front adapter for SIMATIC

®

 S7-1500

analog I/O cards

Notes:

Controller-specific modules from page 512

For system cables, see page 550

phoenixcontact-interface-technology-and-switching-devices-html.html
background image

 

 

 

 

Technical data

Technical data

VIP-3/PT/FLK50/AN/S7-1500

VIP-3/SC/FLK50/AN/S7-1500

VIP-3/PT/FLK50/AN/2P/S7-1500

VIP-3/SC/FLK50/AN/2P/S7-1500

Maximum permissible operating voltage

60 V AC/DC

60 V AC/DC

60 V AC/DC

60 V AC/DC

Maximum permissible operating voltage UL / CSA

60 V / 60 V

60 V / 60 V

60 V / 60 V

60 V / 60 V

Maximum permissible current (per branch)

1 A

1 A

1 A

1 A

Maximum total current (voltage supply)

7 A

7 A

7 A

7 A

Ambient temperature (operation)

-20 °C ... 60 °C

-20 °C ... 60 °C

-20 °C ... 60 °C

-20 °C ... 60 °C

Mounting position

any

any

any

any

Standards/regulations

IEC

 

60664 , DIN EN 50178

IEC

 

60664 , DIN EN 50178

Connection method

Field level

Push-in connection

Screw connection

Push-in connection

Screw connection

Controller level

IDC/FLK pin strip

IDC/FLK pin strip

IDC/FLK pin strip

IDC/FLK pin strip

Screw connection solid/stranded/AWG

0.2 ... 4 mm² / 0.2 ... 2.5 mm² / 24 - 12

0.2 ... 4 mm² / 0.2 ... 2.5 mm² / 24 - 12

Push-in connection solid/stranded/AWG

0.14 ... 2.5 mm² / 0.14 ... 2.5 mm² / 26 - 14

0.14 ... 2.5 mm² / 0.14 ... 2.5 mm² / 26 - 14

Dimensions

H / D

75.8 mm / 63 mm

68.8 mm / 60.7 mm

75.8 mm / 63 mm

68.8 mm / 60.7 mm

Ordering data

Ordering data

Description

No. of

pos.

Module width

W

Type

Order No.

Pcs./

Pkt.

Type

Order No.

Pcs./

Pkt.

VARIOFACE termination board

 for 

Siemens S7-1500

- with Push-in connection

50

97.7 mm

VIP-3/PT/FLK50/AN/S7-1500

2908496

1

- with screw connection

50

97.7 mm

VIP-3/SC/FLK50/AN/S7-1500

2908495

1

VARIOFACE termination board

 for 

Siemens S7-1500 marked 1 to 40, 

with potentials P1 and P2

- with Push-in connection

50

128.2 mm

VIP-3/PT/FLK50/AN/2P/S7-1500

2908499

1

- with screw connection

50

128.2 mm

VIP-3/SC/FLK50/AN/2P/S7-1500

2908497

1

512

PHOENIX CONTACT

System cabling for controllers

Controller-specific system cabling

50-position IDC/FLK pin strip

50-position IDC/FLK pin strip

with potentials P1 and P2

VARIOFACE termination board for 

Siemens S7-1500 systems with 
S7-1500-specific marking.
– One 50-pos. IDC/FLK pin strip
– Separate potentials L+ and M
– Printed channel marking

D W

H

new

D W

H

new

VIP termination boards for 
analog I/O cards of 
Siemens SIMATIC

 S7-1500

phoenixcontact-interface-technology-and-switching-devices-html.html
background image

For further information and full technical data, visit phoenixcontact.net/products

 

 

 

 

Technical data

Technical data

VIP-3/PT/2FLK14/AN/2P/S7-1500A

VIP-3/SC/2FLK14/AN/2P/S7-1500A

VIP-3/PT/2FLK14/AN/2P/S7-1500A

VIP-3/SC/2FLK14/AN/2P/S7-1500A

Maximum permissible operating voltage

60 V AC/DC

60 V AC/DC

60 V AC/DC

60 V AC/DC

Maximum permissible operating voltage UL / CSA

60 V / 60 V

60 V / 60 V

60 V / 60 V

60 V / 60 V

Maximum permissible current (per branch)

1 A

1 A

1 A

1 A

Maximum total current (voltage supply)

7 A

7 A

7 A

7 A

Ambient temperature (operation)

-20 °C ... 60 °C

-20 °C ... 60 °C

-20 °C ... 60 °C

-20 °C ... 60 °C

Mounting position

any

any

any

any

Standards/regulations

IEC

 

60664 , DIN EN 50178

IEC

 

60664 , DIN EN 50178

Connection method

Field level

Push-in connection

Screw connection

Push-in connection

Screw connection

Controller level

IDC/FLK pin strip

IDC/FLK pin strip

IDC/FLK pin strip

IDC/FLK pin strip

Screw connection solid/stranded/AWG

0.2 ... 4 mm² / 0.2 ... 2.5 mm² / 24 - 12

0.2 ... 4 mm² / 0.2 ... 2.5 mm² / 24 - 12

Push-in connection solid/stranded/AWG

0.14 ... 2.5 mm² / 0.14 ... 2.5 mm² / 26 - 14

0.14 ... 2.5 mm² / 0.14 ... 2.5 mm² / 26 - 14

Dimensions

H / D

75.8 mm / 63 mm

68.8 mm / 60.7 mm

75.8 mm / 63 mm

68.8 mm / 60.7 mm

Ordering data

Ordering data

Description

No. of

pos.

Module width

W

Type

Order No.

Pcs./

Pkt.

Type

Order No.

Pcs./

Pkt.

VARIOFACE termination board

 for 

Siemens S7-1500 marked 1 to 20

- with Push-in connection

14

82.5 mm

VIP-3/PT/2FLK14/AN/2P/S7-1500A

2908465

1

- with screw connection

14

82.5 mm

VIP-3/SC/2FLK14/AN/2P/S7-1500A

2908464

1

VARIOFACE termination board

 for 

Siemens S7-1500 marked 21 to 40

- with Push-in connection

14

82.5 mm

VIP-3/PT/2FLK14/AN/2P/S7-1500B

2908846

1

- with screw connection

14

82.5 mm

VIP-3/SC/2FLK14/AN/2P/S7-1500B

2908845

1

513

PHOENIX CONTACT

System cabling for controllers

Controller-specific system cabling

Two 14-position IDC/FLK pin strip

marked 1 to 20

Two 14-position IDC/FLK pin strip

marked 21 to 40

VARIOFACE termination board for 

Siemens S7-1500 systems with 
S7-1500-specific marking.
– Two 14-pos. IDC/FLK pin strips
– Separate potentials L+, M, P1, and P2
– Printed channel marking

D W

H

new

D W

H

new

VIP termination boards for 
analog I/O cards of 
Siemens SIMATIC

 S7-1500

phoenixcontact-interface-technology-and-switching-devices-html.html
background image

1 2

3 4 5 6 7

8 9

1

0

111213141516171

8

1

9

2

0

21222324

1 2 3 4 5 6 7

9

1

0

1112 13141516171

8

1

9

2

0

21222324

2526272

8

2

9

3

0

313233343536373

8

3

9

4

0

414243444546474

8

4

9

5

0

2526272

8

2

9

3

0

313233343536373

8

3

9

4

0

414243444546474

8

DR1

DR2

DR3

0

+

1+

2+

3+

 

514

PHOENIX CONTACT

Technical data

Maximum permissible operating voltage

< 50 V AC / 60 V DC

Maximum permissible operating voltage UL / CSA

125 V / -

Maximum permissible current

1 A (per path)

8 A (per connection, supply via separate power supply)

Maximum permissible total current

2 A (per Byte, for supply via connector)

8 A (during supply via a separate bridged power supply)

Ambient temperature (operation)

-20 °C ... 50 °C

Ambient temperature (storage/transport)

-20 °C ... 70 °C

Mounting position

any

Standards/regulations

IEC

 

60664 / DIN EN 50178

Ordering data

Description

No. of pos.

Type

Order No.

Pcs./

Pkt.

VARIOFACE front adapter

, for

- SIMATIC

®

 S7-400, 1 x 32 channels can be 

connected

50

FLKM 50-PA-S400

2294500

2

Connection scheme FLKM 50-PA-S400

Front adapters for I/O modules of the 

SIMATIC

®

 S7-400 

Siemens automation devices

Card type

FLKM 50-PA-S400

Digital input

6ES7 421-1BL01-0AA0

6ES7 421-7BH01-0AB0*

6ES7 421-7DH00-0AB0*

Digital output

6ES7 422-1BL00-0AA0

6ES7 422-7BL00-0AB0

* Only in conjunction with

VIP-2/SC/FLK50/S7/A-S400, Order No.: 

2322359

VIP-2/PT/FLK50/S7/A-S400, Order No.: 

2904289

All DR wire bridges on the adapter must be disconnected. 

IDC/FLK strip

Connection to I/O card

Screw terminal blocks for separate supply

Explanation:

The front adapters mean that 

pre-assembled system cables can be directly 
connected to I/O modules.

FLKM 50-PA-S400

– Transmission of max. 32 digital channels 

over one 50-position system cable.

Web code for the online configurator

Your web code: 

#0007

Siemens SIMATIC

®

 S7-400

Front adapter

System cabling for controllers

Controller-specific system cabling

Front adapter for 

SIMATIC

®

 S7-400

Notes:

Controller-specific modules page 508

Standard modules from page 526

For system cables, see page 550

phoenixcontact-interface-technology-and-switching-devices-html.html
background image

1 2 3 4 5 6 7

8 9

1

0

11121314 15 16171

8

1

9

2

0

2122232425

1 2 3 4 5 6 7

8 9

1

0

1112131415 16171

8

1

9

2

0

2122232425

26272

8

2

9

3

0

3132333435 36373

8

3

9

4

0

41424344 4546 474

8

4

9

5

0

26272

8

2

9

3

0

3132333435 36373

8

3

9

4

0

41424344 4546 474

8

8

7

5

4

6

9

11

15 16 17 1

8

1

9

2

0

21 22 23

14

3

2

1

1

0

12 13

24

5

4

2

1

13

11

9

3

14

12

1

0

6 7

8

5

4

2

1

13

11

9

3

14

12

1

0

6 7

8

5

4

2

1

13

11

9

3

14

12

1

0

6 7

8

5

4

2

1

13

11

9

3

14

12

1

0

6 7

8

3

0

2

9

2

8

27

26

25

31 32 33 34 35 36 37 3

8

4

0

3

9

41 42 43 44 45 46 47 4

8

DR1

DR4

DR2

DR5

L

M

DR3

DR6

For further information and full technical data, visit phoenixcontact.net/products

515

PHOENIX CONTACT

Technical data

FLKM 50/ 4-FLK14/PA-S400

FLKM 50-PA-S400(3-48)

Maximum permissible operating voltage

< 50 V AC / 60 V DC

< 50 V AC / 60 V DC

Maximum permissible current

1 A (per path)

8 A (per connection, supply via 

separate power supply)

1 A (per path)

Maximum permissible total current

2 A (per Byte, for supply via 

connector)

-

Ambient temperature (operation)

-20 °C ... 50 °C

-20 °C ... 50 °C

Ambient temperature (storage/transport)

-20 °C ... 70 °C

-20 °C ... 70 °C

Mounting position

any

any

Standards/regulations

IEC

 

60664 / DIN EN 50178

IEC

 

60664 / DIN EN 50178

Ordering data

Description

No. of pos.

Type

Order No.

Pcs./

Pkt.

VARIOFACE front adapter

, for

- SIMATIC

®

 S7-400, 4 x 8 channels can be 

connected

14

FLKM 50/ 4-FLK14/PA-S400

2294429

2

- SIMATIC

®

 S7-400, only analog

50

FLKM 50-PA-S400(3-48)

2294908

2

Connection scheme FLKM 50-PA-S400 (3-48)

Connection scheme: FLKM 50/4-FLK14/PA-S400

Front adapters for I/O modules of the 

SIMATIC

®

 S7-400 

Siemens automation devices

Card type

FLKM 50/4-FLK14/PA-S400

Digital input

6ES7 421-1BL01-0AA0

Digital output

6ES7 422-1BL00-0AA0

6ES7 422-7BL00-0AB0

Card type

FLKM 50-PA-S400 (3-48)

Analog input

6ES7 431-0HH00-0AB0**

6ES7 431-1KF00-0AB0**

6ES7 431-1KF10-0AB0**

6ES7 431-1KF20-0AB0**

6ES7 431-7KF00-0AB0**

6ES7 431-7KF10-0AB0**

6ES7 431-7QH00-0AB0**

Analog output

6ES7 432-1HF00-0AB0**

** Only in conjunction with 

VIP-3/SC/FLK50, Order No.: 

2315081

VIP-3/PT/FLK50, Order No.: 

2903794

FLKM 50/KDS 3-MT/PPA/AN/PLC, Order No.: 

2291587

IDC/FLK strip

Connection to I/O card

Screw terminal blocks for separate supply

Explanation:

The front adapters mean that 

pre-assembled system cables can be directly 
connected to I/O modules.

FLKM 50/4-FLK14/PA-S400

– Transmission of max. 32 digital channels 

via one 14-position system cable.
Tailor-made VARIOFACE termination 

boards with a variety of functions and 
connection options round off this system 
concept.

FLKM 50-PA-S400 (3-48)

– Analog channels are connected via a 

50-position system cable.
The 1:1 connection of the adapter means 

that corresponding 1:1 termination boards 
are connected here.

Web code for the online configurator

Your web code: 

#0007

Siemens SIMATIC

®

 S7-400

Front adapter

System cabling for controllers

Controller-specific system cabling

Front adapter for 

SIMATIC

®

 S7-400

Notes:

Controller-specific modules from page 567

Standard modules from page 526

For system cables, see page 550

phoenixcontact-interface-technology-and-switching-devices-html.html
background image

 

 

Technical data

Technical data

Maximum permissible operating voltage

30 V DC

30 V DC

Maximum permissible operating voltage UL / CSA

125 V / -

125 V / -

Maximum permissible current carrying capacity per path

500 mA (per path at

 

70°C)

500 mA (per path at

 

70°C)

Maximum conductor resistance

0.16 

/m

0.16 

/m

Ambient temperature (operation)

-20 °C ... 70 °C

-20 °C ... 70 °C

Conductor cross section

AWG 26 / 0.14 mm²

AWG 26 / 0.14 mm²

Conductor structure: stranded wires / material

7 / Cu tin-plated

7 / Cu tin-plated

Outside diameter

50-pos.

11 mm

11 mm

40-pos.

9.8 mm

9.8 mm

Ordering data

Ordering data

Description

No. of

pos.

Cable length

Type

Order No.

Pcs./

Pkt.

Type

Order No.

Pcs./

Pkt.

Front adapter

, for digital I/O modules

50

1 m

FLK 50-PA/EZ-DR/KS/ 100/YUC

2900991

1

FLK 50-PA/EZ-DR/HF/KS/ 100/YUC

2904739

1

50

2 m

FLK 50-PA/EZ-DR/KS/ 200/YUC

2314299

1

FLK 50-PA/EZ-DR/HF/KS/ 200/YUC

2904740

1

50

3 m

FLK 50-PA/EZ-DR/KS/ 300/YUC

2314309

1

FLK 50-PA/EZ-DR/HF/KS/ 300/YUC

2904741

1

50

4 m

FLK 50-PA/EZ-DR/KS/ 400/YUC

2314312

1

FLK 50-PA/EZ-DR/HF/KS/ 400/YUC

2904742

1

50

5 m

FLK 50-PA/EZ-DR/KS/ 500/YUC

2321499

1

FLK 50-PA/EZ-DR/HF/KS/ 500/YUC

2904636

1

50

6 m

FLK 50-PA/EZ-DR/KS/ 600/YUC

2314927

1

FLK 50-PA/EZ-DR/HF/KS/ 600/YUC

2904743

1

50

7 m

FLK 50-PA/EZ-DR/KS/ 700/YUC

2321509

1

FLK 50-PA/EZ-DR/HF/KS/ 700/YUC

2904744

1

50

8 m

FLK 50-PA/EZ-DR/KS/ 800/YUC

2314930

1

FLK 50-PA/EZ-DR/HF/KS/ 800/YUC

2904745

1

50

9 m

FLK 50-PA/EZ-DR/KS/ 900/YUC

2321512

1

FLK 50-PA/EZ-DR/HF/KS/ 900/YUC

2904746

1

50

10 m

FLK 50-PA/EZ-DR/KS/1000/YUC

2314325

1

FLK 50-PA/EZ-DR/HF/KS/1000/YUC

2904637

1

50

15 m

FLK 50-PA/EZ-DR/KS/1500/YUC

2314338

1

FLK 50-PA/EZ-DR/HF/KS/1500/YUC

2904638

1

50

20 m

FLK 50-PA/EZ-DR/KS/2000/YUC

2314503

1

FLK 50-PA/EZ-DR/HF/KS/2000/YUC

2904487

1

50

25 m

FLK 50-PA/EZ-DR/KS/2500/YUC

2314516

1

FLK 50-PA/EZ-DR/HF/KS/2500/YUC

2904639

1

50

30 m

FLK 50-PA/EZ-DR/KS/3000/YUC

2314529

1

FLK 50-PA/EZ-DR/HF/KS/3000/YUC

2904640

1

Front adapter

, for analog I/O modules

40

1 m

FLK 40-PA/EZ-DR/KS/ 100/YUC

2322786

1

FLK 40-PA/EZ-DR/HF/KS/ 100/YUC

2904747

1

40

2 m

FLK 40-PA/EZ-DR/KS/ 200/YUC

2314341

1

FLK 40-PA/EZ-DR/HF/KS/ 200/YUC

2904748

1

40

3 m

FLK 40-PA/EZ-DR/KS/ 300/YUC

2314354

1

FLK 40-PA/EZ-DR/HF/KS/ 300/YUC

2904749

1

40

4 m

FLK 40-PA/EZ-DR/KS/ 400/YUC

2314367

1

FLK 40-PA/EZ-DR/HF/KS/ 400/YUC

2904750

1

40

5 m

FLK 40-PA/EZ-DR/KS/ 500/YUC

2321570

1

FLK 40-PA/EZ-DR/HF/KS/ 500/YUC

2904645

1

40

6 m

FLK 40-PA/EZ-DR/KS/ 600/YUC

2314943

1

FLK 40-PA/EZ-DR/HF/KS/ 600/YUC

2904751

1

40

7 m

FLK 40-PA/EZ-DR/KS/ 700/YUC

2321583

1

FLK 40-PA/EZ-DR/HF/KS/ 700/YUC

2904752

1

40

8 m

FLK 40-PA/EZ-DR/KS/ 800/YUC

2314956

1

FLK 40-PA/EZ-DR/HF/KS/ 800/YUC

2904753

1

40

9 m

FLK 40-PA/EZ-DR/KS/ 900/YUC

2321415

1

FLK 40-PA/EZ-DR/HF/KS/ 900/YUC

2904754

1

40

10 m

FLK 40-PA/EZ-DR/KS/1000/YUC

2314370

1

FLK 40-PA/EZ-DR/HF/KS/1000/YUC

2904646

1

40

15 m

FLK 40-PA/EZ-DR/KS/1500/YUC

2314383

1

FLK 40-PA/EZ-DR/HF/KS/1500/YUC

2904647

1

40

20 m

FLK 40-PA/EZ-DR/KS/2000/YUC

2314532

1

FLK 40-PA/EZ-DR/HF/KS/2000/YUC

2904488

1

40

25 m

FLK 40-PA/EZ-DR/KS/2500/YUC

2314545

1

FLK 40-PA/EZ-DR/HF/KS/2500/YUC

2904648

1

40

30 m

FLK 40-PA/EZ-DR/KS/3000/YUC

2314558

1

FLK 40-PA/EZ-DR/HF/KS/3000/YUC

2904649

1

516

PHOENIX CONTACT

System cabling for controllers

Controller-specific system cabling

Shielded

Shielded and halogen-free

These front adapters for digital (50-pos.) 

and analog (40-pos.) I/O modules are 
connected directly to the modules. 
Features:
– Molded connector
– Can  be  screwed  on
– Lateral cable outlet of the I/O module
– KS or AKB-compatible connectors on the 

module side

Yokogawa CENTUM VP and ProSafe-RS
Front adapter

phoenixcontact-interface-technology-and-switching-devices-html.html
background image

For further information and full technical data, visit phoenixcontact.net/products

Technical data

Maximum permissible operating voltage

30 V DC

Maximum permissible current carrying capacity per path

500 mA (per path at

 

70°C)

Maximum conductor resistance

0.16 

/m

Ambient temperature (operation)

-20 °C ... 50 °C

Conductor cross section

AWG 26 / 0.14 mm²

Outside diameter

50-pos.

11 mm

Ordering data

Description

No. of

pos.

Cable length

Type

Order No.

Pcs./

Pkt.

Front adapter

 for digital I/O modules for coupling four 8-channel 

VARIOFACE modules

50

2 m

CABLE-50/4FLK14/ 2,0M/YUC

2314655

1

50

4 m

CABLE-50/4FLK14/ 4,0M/YUC

2314671

1

50

6 m

CABLE-50/4FLK14/ 6,0M/YUC

2318978

1

50

10 m

CABLE-50/4FLK14/10,0M/YUC

2314684

1

50

15 m

CABLE-50/4FLK14/15,0M/YUC

2322773

1

50

20 m

CABLE-50/4FLK14/20,0M/YUC

2314778

1

These front adapters for digital I/O 

modules are connected directly to the 
modules. Features:
– Lateral cable outlet of the I/O module
– Four 14-pos. connectors on the module 

side for connection of four 8-channel 
VARIOFACE modules of the system 
cabling

Yokogawa CENTUM VP
Front adapter

System cabling for controllers

Controller-specific system cabling

Shielded

Technical data

Maximum permissible operating voltage

30 V DC

Maximum permissible current carrying capacity per path

500 mA (per path at

 

70°C)

Maximum conductor resistance

0.16 

/m

Ambient temperature (operation)

-20 °C ... 50 °C

Conductor cross section

AWG 26 / 0.14 mm²

Conductor structure: stranded wires / material

7 / Cu tin-plated

Outside diameter

40-pos.

11 mm

Ordering data

Description

No. of

pos.

Cable length

Type

Order No.

Pcs./

Pkt.

Front adapter,

 for analog I/O modules for coupling two 8-channel 

MINI analog system adapters

40

2 m

CABLE-40/2FLK16/ 2,0M/YUC

2321334

1

40

4 m

CABLE-40/2FLK16/ 4,0M/YUC

2321347

1

40

10 m

CABLE-40/2FLK16/10,0M/YUC

2321350

1

40

15 m

CABLE-40/2FLK16/15,0M/YUC

2321376

1

40

20 m

CABLE-40/2FLK16/20,0M/YUC

2321363

1

517

PHOENIX CONTACT

This front adapter enables 16 MINI 

Analog modules to be connected to a 
Yokogawa controller. Together with two 
MINI MCR-2-V8-FLK 16 MINI Analog 
system adapters, the Yokogawa system 
cable is a simple, cost-effective “Plug and 
Play” solution.

The front adapter is connected directly to 

the Yokogawa module. Two 16-pos. 
IDC/FLK socket strips are attached for 
connecting the module to the MINI Analog 
system adapters.

Together with 

4-conductor measuring 

transducers

, the front adapter is suitable 

for the following analog cards:
– AAI 141
– AAI 143

Yokogawa CENTUM VP
Front adapter for
MINI Analog system cabling

Shielded

phoenixcontact-interface-technology-and-switching-devices-html.html
background image

Technical data

Technical data

Coil side

Operating voltage U

N

24 V DC

24 V DC

Typical input current at U

N

7 mA

7 mA

Typical response time at U

N

5 ms

5 ms

Typical release time at U

N

6 ms

6 ms

Input circuit

Freewheeling diode

Freewheeling diode

Status indicator per channel

green LED

green LED

Connection method

Screw connection

Screw connection

Connection data solid/stranded/AWG

0.2 ... 4 mm² / 0.2 ... 2.5 mm² / 24 - 12

0.2 ... 4 mm² / 0.2 ... 2.5 mm² / 24 - 12

Contact side

Contact type

1 N/O contact

1 N/O contact

Contact material

AgSnO

AgSnO

Limiting continuous current

2 A (protected by fuse (2 AT))

2 A (protected by fuse (2 AT))

Connection method

Yokogawa KS-compatible

Yokogawa KS-compatible

No. of pos.

50

50

General data

Ambient temperature (operation)

-20 °C ... 50 °C

-20 °C ... 50 °C

Nominal operating mode

100% operating factor

100% operating factor

Mechanical service life

2 x 10

7

 cycles

2 x 10

7

 cycles

Standards/regulations

DIN EN 50178 , IEC

 

60664-1

DIN EN 50178 , IEC

 

60664-1

Mounting position

any

any

Mounting

In rows with zero spacing

In rows with zero spacing

Dimensions

H / D

128 mm / 55 mm

128 mm / 55 mm

EMC note

Class A product, see page 605

Class A product, see page 605

Ordering data

Ordering data

Description

Module width

W

Type

Order No.

Pcs./

Pkt.

Type

Order No.

Pcs./

Pkt.

24 V DC relay module,

 for digital output modules ADV551, 

ADV561

218

UM-2KS50/32R/SI/J/DO24V/YCS

2908399

1

230 V AC relay module, 

for digital output modules ADV551, 

ADV561

272

UM-2KS50/32R/SI/J/ADV551/YCS

2908400

1

518

PHOENIX CONTACT

System cabling for controllers

Controller-specific system cabling

24

 

V

 

DC relay output module

230

 

V

 

AC relay output module

These modules are connected to the I/O 

module via the 50-pos. YUC system cable 
(on page 516).

The advantages:

– For digital modules
– Relay with integrated LED display per 

channel

– Flat-type plug-in fuse per channel
– Jumper option for field-side or module-

side voltage supply

– Power supply via fuses with failure 

indicator

D W

H

new

D W

H

new

Yokogawa CENTUM VP
Termination boards

phoenixcontact-interface-technology-and-switching-devices-html.html
background image

For further information and full technical data, visit phoenixcontact.net/products

Technical data

Maximum permissible operating voltage

24 V DC

Maximum permissible current (per branch)

250 mA (protected by fuse (F 250mA))

Ambient temperature (operation)

-20 °C ... 50 °C

Mounting position

any

Standards/regulations

DIN EN 50178

Connection method

Field level

Screw connection

Controller level

Yokogawa KS-compatible

Connection data solid/stranded/AWG

0.2 ... 1.5 mm² / 0.2 ... 1 mm² / 26 - 16

Dimensions

H / D

128 mm / 61 mm

Ordering data

Description

No. of

pos.

Module width

W

Type

Order No.

Pcs./

Pkt.

24

 

V

 

DC input module,

 for digital input modules ADV151, 

ADV161

135 mm

UM-2KS50/32IM/SI/BFI/YCS

2908402

1

519

PHOENIX CONTACT

This module is connected to the I/O 

module via the 50-pos. YUC system cable 
(on page 516).

The advantages:

– Potential supply terminal blocks per 

channel

– Reduced overall width, thanks to 

miniature terminal blocks

– Flat-type plug-in fuse with failure 

indicator per channel

– Redundant voltage supply with integrated 

voltage monitoring and signal contact

– Status indicator for the redundant voltage 

supply

Yokogawa CENTUM VP
Termination boards

System cabling for controllers

Controller-specific system cabling

D W

H

new

24

 

V

 

DC input module

phoenixcontact-interface-technology-and-switching-devices-html.html
background image

Technical data

Maximum permissible operating voltage

< 25 V AC / 30 V DC

Maximum permissible current (per branch)

1 A

Ambient temperature (operation)

-20 °C ... 50 °C

Mounting position

any

Standards/regulations

DIN EN 50178 , IEC

 

60664

Connection method

Field level

Screw connection

Controller level

Yokogawa KS-compatible

Connection data solid/stranded/AWG

0.2 ... 4 mm² / 0.2 ... 2.5 mm² / 24 - 12

Dimensions

H / D

90 mm / 68 mm

Ordering data

Description

No. of

pos.

Module width

W

Type

Order No.

Pcs./

Pkt.

Termination board,

 for analog I/O modules

40

112 mm

FLKM-KS40/YCS

2314642

1

D W

H

These modules are connected to the 

I/O module via the YUC system cable 
(on page 516).

FLKM-KS40/YCS:

– For analog modules
– Universal termination board with 

40 connecting terminal blocks
Further system cabling solutions for 

Yokogawa at: phoenixcontact.com

Yokogawa CENTUM VP
Termination boards

System cabling for controllers

Controller-specific system cabling

Passive termination boards

Technical data

Maximum permissible operating voltage

30 V DC

Maximum permissible current (per branch)

1 A

Ambient temperature (operation)

-20 °C ... 50 °C

Mounting position

any

Standards/regulations

DIN EN 50178 , IEC

 

60664

Connection method

Field level

Screw connection

Controller level

Yokogawa KS-compatible

Connection data solid/stranded/AWG

0.2 ... 4 mm² / 0.2 ... 2.5 mm² / 24 - 12

Dimensions

H / D

90 mm / 81 mm

Ordering data

Description

No. of

pos.

Module width

W

Type

Order No.

Pcs./

Pkt.

Termination board,

 for ADV151 and ADV551 digital I/O modules

50

174 mm

FLKMS-KS50/32IM/YCS

2314451

1

520

PHOENIX CONTACT

D W

H

These modules are connected to the 

I/O module via the YUC system cable 
(on page 516).

FLKMS-KS50/32IM/YCS:

– For ADV151 and ADV551 digital modules
– Three-conductor connection (signal, plus, 

minus)

– Redundant voltage supply 

(fuse IEC 127-2, 5 x 20, 2 A)
Further system cabling solutions for 

Yokogawa at: phoenixcontact.com

Yokogawa CENTUM VP
Termination boards

Passive termination boards

phoenixcontact-interface-technology-and-switching-devices-html.html
background image

For further information and full technical data, visit phoenixcontact.net/products

Technical data

Maximum permissible operating voltage

30 V DC

Maximum permissible current (per branch)

100 mA

Ambient temperature (operation)

-20 °C ... 50 °C

Mounting position

any

Standards/regulations

DIN EN 50178 , IEC

 

60664

Connection method

Field level

Screw connection

Controller level

Yokogawa KS-compatible

Connection data solid/stranded/AWG

0.2 ... 4 mm² / 0.2 ... 2.5 mm² / 24 - 12

Dimensions

H / D

126 mm / 68 mm

Ordering data

Description

No. of

pos.

Module width

W

Type

Order No.

Pcs./

Pkt.

Termination board,

 for AAI543 analog output modules 

40

108 mm

FLKM-KS40/AO16/YCS

2314260

1

Termination board,

 with fuses and LED, for AAI141 and AAI143 

analog input modules

40

214 mm

FLKMS-KS40/SI/AI16/YCS

2314273

1

Termination board,

 for AAI141 and AAI143 analog input modules, 

without fuses and LED

40

214 mm

FLKMS-KS40/AI/YCS

2314286

1

521

PHOENIX CONTACT

These modules are connected to the 

analog I/O module via the 40-pos. YUC 
system cable (on page 516).

The modules are designed for redundant 

signal transmission (two connectors 
parallel). A separate connection to the 
HART multiplexer is possible.

FLKM-KS40/AO16/YCS

– For AAI543 analog module

FLKMS-KS40/SI/AI16/YCS

– For AAI141 and AAI143 analog modules 

(module operation in 4-conductor mode)

– Transfer of 16 channels with separate 

positive and negative connections

– 16 pluggable fuses (IEC 127-2, 5 x 20, 

0.1 A) per positive supply and LED status 
indicator

– Redundant voltage supply 

(fuse IEC 127-2, 5 x 20, 2 A)

FLKMS-KS40/AI/YCS

– For AAI141 and AAI143 analog modules 

(module operation in 4-conductor mode)

– Transfer of 16 channels with separate 

positive and negative connections

– Redundant voltage supply 

(fuse IEC 127-2, 5 x 20, 2 A)
Further system cabling solutions for 

Yokogawa at: phoenixcontact.com

Yokogawa CENTUM VP
Termination boards

System cabling for controllers

Controller-specific system cabling

D W

H

Termination boards for analog I/O modules

phoenixcontact-interface-technology-and-switching-devices-html.html
background image

Technical data

Maximum permissible operating voltage

24 V DC ±5 %

Maximum permissible current (per branch)

100 mA

Ambient temperature (operation)

-20 °C ... 70 °C

Mounting position

any

Standards/regulations

DIN EN 50178

Connection method

Field level

Screw connection

Controller level

Yokogawa KS-compatible

Connection data solid/stranded/AWG

0.2 ... 2.5 mm² / 0.2 ... 1.5 mm² / 24 - 14

Dimensions

H / D

112 mm / 80 mm

Ordering data

Description

No. of

pos.

Module width

W

Type

Order No.

Pcs./

Pkt.

Termination board, 

for I/O card: SDV144

- with LED status indicator

50

162 mm

UM-2KS50/16DI/RS/MKDS

2900173

1

- with fuse and LED status indicator

50

181 mm

UM-2KS50/DI16/RS/K-MT/SO241

2319618

1

D W

H

These modules are connected to the 

I/O module via the 50-pos. YUC system 
cable (on page 516).
– For SDV144 digital module
– Redundant signal transmission 

(two parallel connectors)

– 16 channels

UM-2KS50/16DI/RS/MKDS

– Screw  connection
– Redundant voltage supply with signaling 

relay and fuse (IEC 127-2, 5 x 20, 3,15 AT)

– LED status display per channel

UM-2KS50/DI16/RS/K-MT/SO241

– Screw connection with knife 

disconnection

– Redundant voltage supply with signaling 

relay and fuse (TR5, 2 AT)

– Plug-in fuses (TR5, 0,1 AT) and 

LED status indicator per channel

Yokogawa ProSafe-RS
Termination boards

System cabling for controllers

Controller-specific system cabling

Passive termination boards

Technical data

Maximum permissible operating voltage

30 V DC

Maximum permissible current (per branch)

1 A

Ambient temperature (operation)

-20 °C ... 55 °C

Mounting position

any

Standards/regulations

DIN EN 50178

Connection method

Field level

Screw connection

Controller level

Yokogawa KS-compatible

Connection data solid/stranded/AWG

0.2 ... 4 mm² / 0.2 ... 2.5 mm² / 24 - 12

Dimensions

H / D

126 mm / 96 mm

Ordering data

Description

No. of

pos.

Module width

W

Type

Order No.

Pcs./

Pkt.

Termination board

, for I/O card: SAI143

50

250 mm

UM-2KS40/16AI/SI/RS/SO225

2319841

1

Termination board,

 for I/O card: SAI143, SAV144, and SAI533

50

168 mm

UM-2KS40/16AIO/RS/SO225

2319838

1

522

PHOENIX CONTACT

D W

H

These modules are connected to the 

I/O module via the 40-pos. YUC system 
cable (on page 516).
– Redundant signal transmission 

(two parallel connectors)

UM-2KS40/16AI/SI/RS/SO225

– For SAI143 analog module
– Screw  connection
– Redundant voltage supply with signaling 

relay and fuse (IEC 127-2, 5 x 20, 10 AT)

– Plug-in fuses (IEC 127-2, 5 x 20, 1 AT) 

and LED status indicator per channel

UM-2KS40/16AIO/RS/SO225

– For SAI143, SAV144, SAI533 analog 

modules

– Screw  connection
– 16 analog inputs or 8 analog outputs

Yokogawa ProSafe-RS
Termination boards

Passive termination boards

phoenixcontact-interface-technology-and-switching-devices-html.html
background image

For further information and full technical data, visit phoenixcontact.net/products

Technical data

Maximum permissible operating voltage

24 V DC ±5 %

Maximum permissible current (per branch)

100 mA

Ambient temperature (operation)

-20 °C ... 70 °C

Mounting position

any

Standards/regulations

DIN EN 50178

Connection method

Field level

Screw connection

Controller level

Yokogawa KS-compatible

Connection data solid/stranded/AWG

0.2 ... 2.5 mm² / 0.2 ... 1.5 mm² / 24 - 14

Dimensions

H / D

112 mm / 80 mm

Ordering data

Description

No. of

pos.

Module width

W

Type

Order No.

Pcs./

Pkt.

Termination board

, for I/O card: SDV531 and SDV531L

50

162 mm

UM-2KS50/ 8DO/RS/MKDS

2900174

1

D W

H

These modules are connected to the 

I/O module via the 50-pos. YUC system 
cable (on page 516).

UM-2KS50/8DO/RS/MKDS

– For SDV531 and SDV531L digital modules
– Redundant signal transmission 

(two parallel connectors)

– Screw  terminal  blocks
– Redundant voltage supply with signaling 

relay and fuse (IEC 127-2, 5 x 20, 3,15 AT)

– LED status display per channel

Yokogawa ProSafe-RS
Termination boards

System cabling for controllers

Controller-specific system cabling

Passive termination boards

Technical data

Maximum permissible operating voltage

24 V DC ±5 %

Maximum permissible current (per branch)

100 mA

Ambient temperature (operation)

-20 °C ... 70 °C

Mounting position

any

Standards/regulations

DIN EN 50178

Connection method

Field level

Screw connection

Controller level

Yokogawa KS-compatible

Connection data solid/stranded/AWG

0.2 ... 2.5 mm² / 0.2 ... 1.5 mm² / 24 - 14

Dimensions

H / D

112 mm / 80 mm

Ordering data

Description

No. of

pos.

Module width

W

Type

Order No.

Pcs./

Pkt.

Termination board

, for I/O card: SDV541

- with LED status indicator

50

162 mm

UM-2KS50/16DO/RS/MKDS

2900175

1

- with fuse and LED status indicator

50

215 mm

UM-2KS50/DO16/RS/K-MT/SO241

2319595

1

523

PHOENIX CONTACT

D W

H

These modules are connected to the 

I/O module via the 50-pos. YUC system 
cable (on page 516).
– Redundant signal transmission 

(two parallel connectors)

– Redundant voltage supply with signaling 

relay and fuse (IEC 127-2, 5 x 20, 6,3 AT)

– For SDV541 digital modules

UM-2KS50/DO16/RS/K-MT/SO241

– Screw connection with knife 

disconnection

– Plug-in fuses (TR5, 0,2 AT) and 

LED status indicator per channel

UM-2KS50/16DO/RS/MKDS

– Screw  connection
– LED status display per channel

Yokogawa ProSafe-RS
Termination boards

Passive termination boards

phoenixcontact-interface-technology-and-switching-devices-html.html
background image

Ex: 

524

PHOENIX CONTACT

Termination Carriers for Yokogawa 
CENTUM VP and ProSafe-RS

The Termination Carriers are a compact 

solution for connecting signal conditioners 
and coupling relays to the Yokogawa 
CENTUM VP and ProSafe-RS systems.
– Mechanically decoupled PCB
– Redundant system connection
– Simple or redundant supply (diode 

decoupling, polarity reversal protection) 
and monitoring function. Implementation 
via separate DIN rail module or 
integrated switching on the PCB

Termination Carriers for 
MINI Analog signal conditioners

TC-2KS40-AI16-M-PRH-CS

– For AAI141/AAI143 analog I/O modules

TC-2KS40-AO16-M-PRH-CS

– For AAI543 analog I/O module

Termination Carriers for 
Ex i signal conditioners of the 
MACX Analog Ex series

TC-2KS50-DI32-2EX-PR-CS

– For ADV151/ADV161 digital I/O modules

TC-2KS50-DO32-EX-PR-CS

– For  ADV551/ADV  digital  I/O  modules

TC-2KS40-AO16-EX-PR-CS

– For AAI543 analog I/O module

TC-2KS40-AI16-EX-PR-CS

– For AAI141/AAI143 analog I/O modules

TC-2KS50-DO16-EX-PR-RS

– For SDV541 digital I/O module

TC-2KS50-DI16-EX-PR-RS

– For SDV144 digital I/O modules

TC-2KS40-AI16-EX-PR-RS

– For SAI143 analog I/O module

TC-2KS40-AO8-EX-PR-RS

– For SAI533 analog I/O module

Termination Carriers for 
coupling relays from the 
PSR-ETP or PSR-FSP series

TC-2KS50-DO16-F&G-AR-RS

– For SDV541 digital I/O modules

TC-2KS50-DO16-ESD-AR-RS

– For SDV541 digital I/O modules

Technical data

General data

Connection to the control system level

Yokogawa KS-compatible

Yokogawa KS-compatible

Yokogawa KS-compatible

Yokogawa KS-compatible

Maximum operating voltage

< 30 V DC (Per signal/channel)

< 30 V DC

Maximum permissible current

23 mA (Signal/channel)

1 A (Signal/channel)

1 A (Signal/channel)

1 A (Per signal/channel)

Degree of pollution/surge voltage category

2 / II

Air clearances and creepage distances

DIN EN 50178 ( Basic insulation )

DIN EN 50178 ( Basic insulation )

DIN EN 50178 ( Basic ins

Ambient temperature range

-20 °C ... 60 °C (Please observe module specifications)

-20 °C ... 60 °C (Please observe module specifi

Shock

15g, according to IEC 60068-2-27

15g, according to IEC 60068-

Vibration (operation)

2g, according to IEC 60068-2-6

2g, accordin

Dimensions H / D

170 / 160 mm

EMC note

 

Power supply via power module

Input voltage range

19.2 V DC ... 30 V DC

Redundant supply

yes, decoupled from diodes

yes, decoupled from diodes

yes, decoupled from diodes

yes, decoupled from diodes

Polarization and surge protection

Yes

Fuse

2x 2.5 A on PCB, slow-blow (replaceable)

2x 2.5 A on PCB, slow-blow (replaceable)

2x 2.5 A on PCB, slow-blow (replaceable)

2.5

Status indication

2 x red LED (error)

2x green LEDs (PWR1 and PWR2)

Switching output

1 N/C contact (alarm = open)

1 N/C contact (alarm = open)

1 N/C contact (alarm = open)

1 N/C contact (alarm = open

Ordering data

Description

Module width

W

Type

Order No.

Pcs./

Pkt.

Termination Carrier

 for 16 highly compact signal conditioners

- For AAI141 and AAI143 analog I/O modules

148 mm

TC-2KS40-AI16-M-PRH-CS

2905257

1

- For AAI543 analog I/O modules

148 mm

TC-2KS40-AO16-M-PRH-CS

2905905

1

Termination Carrier

 for 16/32 Ex i signal conditioners (SIL 2)

- For ADV151 and ADV161 digital I/O modules

242 mm

- For ADV551 and ADV561 digital I/O modules

448 mm

- For AAI543 analog I/O module

242 mm

- For AAI141 and AAI143 analog I/O modules

242 mm

Termination Carrier 

for 8/16 Ex i signal conditioners (SIL 2)

- For SDV144 digital I/O modules

242 mm

- For SDV541 digital I/O modules

242 mm

- For SAI143 analog I/O module

242 mm

- For SAI533 analog I/O module

148 mm

Termination Carrier 

for 16 PSR-FSP/PSR-ETP relays

- For SDV541 digital I/O modules 

(low-demand application)

304 mm

- For SDV541 digital I/O module 

(high-demand application)

304 mm

Accessories

MINI Analog power terminal

MINI MCR-SL-PTB-FM

2902958

1

MINI Analog fault signaling module

MINI MCR-SL-FM-RC-NC

2902961

1

Power and fault signaling module

Cable set

 with 24 V module supply, suitable for 

PSR-ETP/Order No.: 

2986711

Cable set

 without use of confirmation contact, suitable for 

PSR-FSP/Order No.: 

2981978

Cable set

 with use of confirmation contact, suitable for 

PSR-FSP/Order No.: 

2986960

 and 

2986575

Jumper plug

 for occupying unused module slots, suitable for 

PSR-FSP/Order No.: 

2986960

 and 

2986575

System cabling for controllers

Controller-specific system cabling

Termination Carrier for Centum VP system, 

can be used with signal conditioners of the 

MINI Analog series

phoenixcontact-interface-technology-and-switching-devices-html.html
background image

For further information and full technical data, visit phoenixcontact.net/products

525

PHOENIX CONTACT

Technical data

Technical data

Technical data

Connection to the control system level

Yokogawa KS-compatible

Yokogawa KS-compatible

Yokogawa KS-compatible

Yokogawa KS-compatible

Maximum operating voltage

< 30 V DC (Per signal/channel)

< 30 V DC (Per signal/channel)

< 30 V DC (Per signal/channel)

24 V DC (21.1 V ... 26.4 V)

Maximum permissible current

23 mA (Signal/channel)

1 A (Signal/channel)

1 A (Signal/channel)

1 A (Per signal/channel)

2 / II

2 / II

2 / II

on )

DIN EN 50178 ( Basic insulation )

DIN EN 50178 ( Basic insulation )

DIN EN 50178 ( Basic insulation )

 specifications)

-20 °C ... 60 °C (Please observe module specifications)

-20 °C ... 60 °C (Please observe module specifications)

-20 °C ... 60 °C

Shock

15g, according to IEC 60068-2-27

15g, according to IEC 60068-2-27

15g, according to IEC 60068-2-27

15g, according to IEC 60068-2-27

Vibration (operation)

2g, according to IEC 60068-2-6

2g, according to IEC 60068-2-6

2g, according to IEC 60068-2-6

2g, according to IEC 60068-2-6

170 / 160 mm

170 / 160 mm

170 / 160 mm

 

 

Class A product, see page 605

19.2 V DC ... 30 V DC

19.2 V DC ... 30 V DC

21.1 V DC ... 26.4 V DC

Redundant supply

yes, decoupled from diodes

yes, decoupled from diodes

yes, decoupled from diodes

yes, decoupled from diodes

Yes

Yes

Yes

Fuse

2x 2.5 A on PCB, slow-blow (replaceable)

2x 2.5 A on PCB, slow-blow (replaceable)

2x 2.5 A on PCB, slow-blow (replaceable)

2.5 A on PCB, slow-blow (replaceable)

1 x red LED (error)

2x green LEDs (PWR1 and PWR2)

1 x red LED (error)

2x green LEDs (PWR1 and PWR2)

2 x red LED (error)

2x green LEDs (PWR1 and PWR2)

Switching output

1 N/C contact (alarm = open)

1 N/C contact (alarm = open)

1 N/C contact (alarm = open)

1 N/C contact (alarm = open)

Ordering data

Ordering data

Ordering data

Type

Order No.

Pcs./

Pkt.

Type

Order No.

Pcs./

Pkt.

Type

Order No.

Pcs./

Pkt.

TC-2KS50-DI32-2EX-PR-CS

2904676

1

TC-2KS50-DO32-EX-PR-CS

2905199

1

TC-2KS40-AO16-EX-PR-CS

2905201

1

TC-2KS40-AI16-EX-PR-CS

2905677

1

TC-2KS50-DI16-EX-PR-RS

2905202

1

TC-2KS50-DO16-EX-PR-RS

2905678

1

TC-2KS40-AI16-EX-PR-RS

2905203

1

TC-2KS40-AO8-EX-PR-RS

2905204

1

TC-2KS50-DO16-F&G-AR-RS

2904112

1

TC-2KS50-DO16-ESD-AR-RS

2904113

1

Accessories

Accessories

Accessories

TC-MACX-MCR-PTB

2904673

1

TC-MACX-MCR-PTB

2904673

1

TC-C-PSR3-SC-A100V+A20000

2903391

16

TC-C-PSR3-SC-A10000A20000

2903389

16

TC-C-PSR3-SC-A10000A23132

2903390

16

TC-C-PTSM-50-00000000J1J1

2903388

8

System cabling for controllers

Controller-specific system cabling

Termination Carrier for Centum VP System, 

can be used with Ex i signal conditioners of the 

MACX Analog Ex series

Termination Carrier for ProSafe-RS system, 

can be used with Ex i signal conditioners of the 

MACX Analog Ex series

Termination Carrier for ProSafe-RS system, 

can be used with coupling relays from the 

PSR-ETP or PSR-FSP series

phoenixcontact-interface-technology-and-switching-devices-html.html
background image

1

2

3

4

5

6

7

8

9

11 13 1

0

12 14

1

2

3

4

5

6

7

0

+

+

-

-

1

2

3

4

5

6

7

8

9

11 13 1

0

12 14

0

1

2

3

4

5

6

7

+

+

-

-

 

 

 

 

Technical data

Technical data

VIP-2/.../FLK14/PLC

VIP-2/.../FLK14/LED/PLC

VIP-2/.../FLK14/PLC

VIP-2/.../FLK14/LED/PLC

Maximum permissible operating voltage

60 V AC/DC

24 V DC

60 V AC/DC

24 V DC

Maximum permissible operating voltage UL / CSA

125 V / 125 V

24 V / 24 V

125 V / 125 V

24 V / 24 V

Maximum permissible current (per branch)

1 A

1 A

1 A

1 A

Maximum total current (voltage supply)

3 A

3 A

3 A

3 A

Ambient temperature (operation)

-20 °C ... 50 °C

-20 °C ... 50 °C

-20 °C ... 50 °C

-20 °C ... 50 °C

Mounting position

any

any

any

any

Standards/regulations

IEC

 

60664 , DIN EN 50178

IEC

 

60664 , DIN EN 50178

Connection method

Field level

Screw connection

Screw connection

Push-in connection

Push-in connection

Controller level

IDC/FLK pin strip

IDC/FLK pin strip

IDC/FLK pin strip

IDC/FLK pin strip

Connection data solid/stranded/AWG

0.2 ... 4 mm² / 0.2 ... 2.5 mm² / 24 - 12

0.14 ... 2.5 mm² / 0.14 ... 2.5 mm² / 26 - 14

Dimensions

H / D

65.5 mm / 56 mm

72.1 mm / 56 mm

Ordering data

Ordering data

Description

No. of

pos.

Module width

W

Type

Order No.

Pcs./

Pkt.

Type

Order No.

Pcs./

Pkt.

VARIOFACE termination board,

 for eight channels,

- with screw connection

14

39.8 mm

VIP-2/SC/FLK14/PLC

2315214

1

- with Push-in connection

14

41.9 mm

VIP-2/PT/FLK14/PLC

2903801

1

VARIOFACE termination board

, for eight channels with 

light indicator,

- with screw connection

14

39.8 mm

VIP-2/SC/FLK14/LED/PLC

2322249

1

- with Push-in connection

14

41.9 mm

VIP-2/PT/FLK14/LED/PLC

2904279

1

Connection scheme VIP-2/SC/FLK14/PLC

Connection scheme VIP-2/SC/FLK14/LED/PLC

526

PHOENIX CONTACT

System cabling for controllers

Controller-specific system cabling

Passive termination boards for input/output 

with screw connection

Passive termination boards for input/output 

with Push-in connection

These VIP - VARIOFACE Professional 

modules are used in combination with 
14-pos. system cables and the relevant 
front adapters.

Features:

– Byte-wise  marking
– For digital I/O modules
– With LED as an option

Notes:

For marking systems (e.g., “ZB 22:UNBEDRUCKT”; 

Order No. 

0811862

) and mounting material, see Catalog 3.

D W

H

D W

H

VIP termination boards for 8 channels

phoenixcontact-interface-technology-and-switching-devices-html.html
background image

1 2 3

1

0

11121314 15

222324252627

343536 373

8

3

9

46474

8

4

9

5

0

+

B

0

.

0

B

0

.7

+

-

B

1.

0

B

1.7

+

-

B

2.

0

B

2.7

+

-

B

3.

0

B

3.7

-

1 2 3

1

0

11121314 15

2223 24252627

343536373

8

3

9

46474

8

4

9

5

0

B

0

.

0

+

B

0

.7

+

-

B

1.

0

B

1.7

+

-

B

2.

0

B

2.7

+

-

B

3.

0

B

3.7

-

For further information and full technical data, visit phoenixcontact.net/products

 

 

 

 

Technical data

Technical data

VIP-2/.../FLK50/PLC

VIP-2/.../FLK50/LED/PLC

VIP-2/.../FLK50/PLC

VIP-2/.../FLK50/LED/PLC

Maximum permissible operating voltage

60 V AC/DC

24 V DC

60 V AC/DC

24 V DC

Maximum permissible operating voltage UL / CSA

125 V / 125 V

24 V / 24 V

125 V / 125 V

24 V / 24 V

Maximum permissible current (per branch)

1 A

1 A

1 A

1 A

Maximum total current (voltage supply)

2 A (per byte)

2 A (per byte)

2 A (per byte)

2 A (per byte)

Ambient temperature (operation)

-20 °C ... 50 °C

-20 °C ... 50 °C

-20 °C ... 50 °C

-20 °C ... 50 °C

Mounting position

any

any

any

any

Standards/regulations

IEC

 

60664 , DIN EN 50178

IEC

 

60664 , DIN EN 50178

Connection method

Field level

Screw connection

Screw connection

Push-in connection

Push-in connection

Controller level

IDC/FLK pin strip

IDC/FLK pin strip

IDC/FLK pin strip

IDC/FLK pin strip

Connection data solid/stranded/AWG

0.2 ... 4 mm² / 0.2 ... 2.5 mm² / 24 - 12

0.14 ... 2.5 mm² / 0.14 ... 2.5 mm² / 26 - 14

Dimensions

H / D

65.5 mm / 56 mm

72.1 mm / 56 mm

Ordering data

Ordering data

Description

No. of

pos.

Module width

W

Type

Order No.

Pcs./

Pkt.

Type

Order No.

Pcs./

Pkt.

VARIOFACE termination board,

 for 32 channels,

- with screw connection

50

106.1 mm

VIP-2/SC/FLK50/PLC

2315227

1

- with Push-in connection

50

107.9 mm

VIP-2/PT/FLK50/PLC

2903803

1

VARIOFACE termination board,

 for 32 channels with 

light indicator,

- with screw connection

50

106.1 mm

VIP-2/SC/FLK50/LED/PLC

2322252

1

- with Push-in connection

50

107.9 mm

VIP-2/PT/FLK50/LED/PLC

2904280

1

Connection scheme VIP-2/SC/FLK50/PLC

Connection scheme VIP-2/SC/FLK50/LED/PLC

527

PHOENIX CONTACT

System cabling for controllers

Controller-specific system cabling

Passive termination boards for input/output 

with screw connection

Passive termination boards for input/output 

with Push-in connection

These VIP - VARIOFACE Professional 

modules are used in combination with 
50-pos. system cables and the relevant 
front adapters.

Features:

– Byte-wise  marking
– For digital I/O modules
– With LED as an option

Notes:

For marking systems (e.g., “ZB 22:UNBEDRUCKT”; 

Order No. 

0811862

) and mounting material, see Catalog 3.

D W

H

D W

H

VIP termination boards for 32 channels

phoenixcontact-interface-technology-and-switching-devices-html.html
background image

1

2

3

4

5

6

7

8

9

11

13

1

0

12

14

1

2

3

4

5

6

7

0

+

-

-

-

-

-

-

-

-

-

1

2

3

4

5

6

7

8

9

11

13

1

0

12

14

1

2

3

4

5

6

7

0

+

+

+

+

+

+

+

+

+

-

 

 

 

Technical data

Technical data

Maximum permissible operating voltage

60 V DC

60 V AC/DC

Maximum permissible operating voltage UL / CSA

125 V / -

125 V / 125 V

Maximum permissible current (per branch)

1 A

1 A

Maximum total current (voltage supply)

3 A (per byte)

3 A (per byte)

Ambient temperature (operation)

-20 °C ... 50 °C

-20 °C ... 50 °C

Mounting position

any

any

Standards/regulations

IEC

 

60664 , DIN EN 50178

IEC

 

60664 , DIN EN 50178

Connection method

Field level

Screw connection

Push-in connection

Controller level

IDC/FLK pin strip

IDC/FLK pin strip

Connection data solid/stranded/AWG

0.2 ... 4 mm² / 0.2 ... 2.5 mm² / 24 - 12

0.14 ... 2.5 mm² / 0.14 ... 2.5 mm² / 26 - 14

Dimensions

H / D

65.5 mm / 56 mm

72.1 mm / 56 mm

Ordering data

Ordering data

Description

No. of

pos.

Module width

W

Type

Order No.

Pcs./

Pkt.

Type

Order No.

Pcs./

Pkt.

VARIOFACE termination board

, for eight channels, each with an 

additional terminal block per signal for a common minus potential

- with screw connection

14

50 mm

VIP-2/SC/FLK14/8M/PLC

2322281

1

- with Push-in connection

14

52 mm

VIP-2/PT/FLK14/8M/PLC

2904283

1

VARIOFACE termination board

, for eight channels, each with an 

additional terminal block per signal for a common plus potential

- with screw connection

14

50 mm

VIP-2/SC/FLK14/8P/PLC

2322294

1

- with Push-in connection

14

52 mm

VIP-2/PT/FLK14/8P/PLC

2904284

1

Connection scheme VIP-2/.../FLK14/8M/PLC

Connection scheme VIP-2/.../FLK14/8P/PLC

528

PHOENIX CONTACT

System cabling for controllers

Controller-specific system cabling

Passive termination boards 

with screw connection

Passive termination boards 

with Push-in connection

These VIP - VARIOFACE Professional 

modules are used in combination with 
14-pos. system cables and the relevant 
front adapters.

Features:

– Byte-wise  marking
– For digital I/O modules
– Negative or positive connection per 

signal.

Notes:

For marking systems (e.g., “ZB 22:UNBEDRUCKT”; 

Order No. 

0811862

) and mounting material, see Catalog 3.

D W

H

D W

H

VIP termination boards in 
2-conductor connection technology for 
8 channels

phoenixcontact-interface-technology-and-switching-devices-html.html
background image

1 2 3 4

1

0

11

12

13

14

15

16

22

23

24

25

26

27

2

8

34

35

36

37

3

8

3

9

4

0

46

47

4

8

B

3.

0

B

3.1

B

3.7

-

-

B

2.

0

B

2.1

B

2.7

-

B

1.

0

B

1.1

B

1.7

-

B

0

.

0

B

0

.1

B

0

.7

+

+ +

+

+ + +

+

+ + +

+

+ + +

+

DR3

DR2

DR1

1 2 3 4

1

0

11

12

13

14

15

16

22

23

24

25

26

27

2

8

34

35

36

37

3

8

3

9

4

0

46

47

4

8

B

3.

0

B

3.1

B

3.7

+

B

2.

0

B

2.1

B

2.7

+

B

1.

0

B

1.1

B

1.7

+

B

0

.

0

B

0

.1

B

0

.7

+

-

- -

-

- - -

-

- - -

-

- - -

-

DR3

DR2

DR1

For further information and full technical data, visit phoenixcontact.net/products

 

Technical data

Maximum permissible operating voltage

60 V DC

Maximum permissible operating voltage UL / CSA

125 V / -

Maximum permissible current (per branch)

1 A

Maximum total current (voltage supply)

8 A (per byte)

Ambient temperature (operation)

-20 °C ... 50 °C

Mounting position

any

Standards/regulations

DIN EN 50178 , IEC

 

60664

Connection method

Field level

Screw connection

Controller level

IDC/FLK pin strip

Connection data solid/stranded/AWG

0.2 ... 4 mm² / 0.2 ... 2.5 mm² / 24 - 12

Dimensions

H / D

90 mm / 68 mm

Ordering data

Description

No. of

pos.

Module width

W

Type

Order No.

Pcs./

Pkt.

VARIOFACE termination board

, for 32 channels, each with an 

additional terminal block per signal for a common minus potential

50

192 mm

FLKM 50/32M/PLC

2289719

1

VARIOFACE termination board

, for 32 channels, each with an 

additional terminal block per signal for a common plus potential

50

192 mm

FLKM 50/32P/PLC

2291121

1

529

PHOENIX CONTACT

Connection scheme: FLKM 50/32P/PLC

Connection scheme: FLKM 50/32M/PLC

These VARIOFACE modules are used in 

combination with 50-pos. system cables and 
the relevant front adapters.

The following module types with 

2-conductor connection technology are 
available:

FLKM 50/32M/PLC

– Byte-wise  marking
– For digital I/O modules
– Negative connection per signal.

FLKM 50/32P/PLC

– Byte-wise  marking
– For digital I/O modules
– Positive connection per signal.

Termination boards in 
2-conductor connection technology for 
32 channels

System cabling for controllers

Controller-specific system cabling

D W

H

Passive termination boards 

with screw connection

phoenixcontact-interface-technology-and-switching-devices-html.html
background image

1 2 3 4

1

0

11

12

13

14

15

16

22

23

24

25

26

27

2

8

34

35

36

37

3

8

3

9

4

0

46

47

4

8

F1F1

F1

F2

F1F1

F1

F2

F1F1

F1

F2

F1F1

F1

F2

B

3.

0

B

3.1

B

3.7

+

B

2.

0

B

2.1

B

2.7

+

B

1.

0

B

1.1

B

1.7

+

B

0

.

0

B

0

.1

B

0

.7

+

-

- -

-

- - -

-

- - -

-

- - -

-

DR3

DR2

DR1

1

2

3

4

5

6

7

8

9

11

13

1

0

12

14

F2

F1

F1

F1

F1

F1

F1

F1

F1

1

2

3

4

5

6

7

0

+

-

-

-

-

-

-

-

-

-

 

530

PHOENIX CONTACT

Technical data

FLKM 14/8M/SI/PLC

FLKM 50/32M/SI/PLC

Maximum permissible operating voltage

60 V DC

60 V DC

Maximum permissible operating voltage UL / CSA

125 V / -

125 V / -

Maximum permissible current (per branch)

1 A

1 A

Maximum total current (voltage supply)

2 A

2 A (per byte)

Ambient temperature (operation)

-20 °C ... 50 °C

-20 °C ... 50 °C

Mounting position

any

any

Standards/regulations

DIN EN 50178 , IEC

 

60664

Connection method

Field level

Screw connection

Screw connection

Controller level

IDC/FLK pin strip

IDC/FLK pin strip

Connection data solid/stranded/AWG

0.2 ... 4 mm² / 0.2 ... 2.5 mm² / 24 - 12

Dimensions

H / D

90 mm / 68 mm

Ordering data

Description

No. of

pos.

Module width

W

Type

Order No.

Pcs./

Pkt.

VARIOFACE module

, for eight channels, each with an additional 

terminal block and fuse per signal, (common minus potential)

14

57 mm

FLKM 14/8M/SI/PLC

2294487

1

VARIOFACE module

, for 32 channels, each with an additional 

terminal block and fuse per signal, (common minus potential)

50

192 mm

FLKM 50/32M/SI/PLC

2294490

1

Connection scheme: FLKM 50/32M/SI/PLC

Connection scheme: FLKM 14/8M/SI/PLC

These VARIOFACE modules are used in 

combination with 14 or 50-pos. system 
cables and the relevant front adapters.

The following module types with fuses 

and 2-conductor connection technology are 
available:

FLKM 14/8M/SI/PLC (for 8 channels)
FLKM 50/32M/SI/PLC (for 32 
channels)

– Byte-wise  marking
– Can be used for digital I/O modules
– Pluggable fuse (IEC 127-3, 1AF) per 

signal path (F1)

– Pluggable fuse (IEC 127-3, 2AF) per 

voltage supply (F2)

– Negative connection per signal.

Termination boards with fuses in 
2-conductor connection technology

System cabling for controllers

Controller-specific system cabling

D W

H

Passive fuse modules 

for 8 or 32 channels

phoenixcontact-interface-technology-and-switching-devices-html.html
background image

1

2

3

4

8

9

11

13

1

0

12

14

1

2

3

0

7

+

+

+

+

+

+

+

-

-

-

-

-

-

-

1

2

3

4

8

9

11

13

1

0

12

14

1

2

3

0

7

+

+

+

+

+

+

+

-

-

-

-

-

-

-

For further information and full technical data, visit phoenixcontact.net/products

 

 

 

Technical data

Technical data

VIP-3/SC/FLK14/8IM/PLC

VIP-3/SC/FLK14/8IM/LED/PLC

VIP-3/PT/FLK14/8IM/PLC

VIP-3/PT/FLK14/8IM/LED/PLC

Maximum permissible operating voltage

60 V DC

24 V DC

60 V AC/DC

24 V DC

Maximum permissible operating voltage UL / CSA

125 V / -

24 V / 24 V

125 V / 125 V

24 V / 24 V

Maximum permissible current (per branch)

1 A

1 A

1 A

1 A

Maximum total current (voltage supply)

3 A

3 A

3 A

3 A

Ambient temperature (operation)

-20 °C ... 50 °C

-20 °C ... 50 °C

-20 °C ... 50 °C

-20 °C ... 50 °C

Mounting position

any

any

any

any

Standards/regulations

IEC

 

60664 , DIN EN 50178

IEC

 

60664 , DIN EN 50178

Connection method

Field level

Screw connection

Screw connection

Push-in connection

Push-in connection

Controller level

IDC/FLK pin strip

IDC/FLK pin strip

IDC/FLK pin strip

IDC/FLK pin strip

Connection data solid/stranded/AWG

0.2 ... 4 mm² / 0.2 ... 2.5 mm² / 24 - 12

0.14 ... 2.5 mm² / 0.14 ... 2.5 mm² / 26 - 14

Dimensions

H / D

69 mm / 62 mm

75.8 mm / 63 mm

Ordering data

Ordering data

Description

No. of

pos.

Module width

W

Type

Order No.

Pcs./

Pkt.

Type

Order No.

Pcs./

Pkt.

VARIOFACE initiator module

, for connecting 8 PNP initiators, 

with an additional positive and negative terminal block each 

per signal

- with screw connection

14

52.3 mm

VIP-3/SC/FLK14/8IM/PLC

2322278

1

- with Push-in connection

14

52 mm

VIP-3/PT/FLK14/8IM/PLC

2904282

1

VARIOFACE initiator module with LED

, for connecting 8 PNP 

initiators, with an additional positive and negative terminal block 

each per signal

- with screw connection

14

52.3 mm

VIP-3/SC/FLK14/8IM/LED/PLC

2322265

1

- with Push-in connection

14

52 mm

VIP-3/PT/FLK14/8IM/LED/PLC

2904281

1

Connection scheme VIP-3/.../FLK14/8IM/PLC

Connection scheme VIP-3/.../FLK14/8IM/LED/PLC

531

PHOENIX CONTACT

System cabling for controllers

Controller-specific system cabling

Initiator modules 

with screw connection

Initiator modules 

with Push-in connection

These VIP - VARIOFACE Professional 

modules are used in combination with 
14-pos. system cables and the relevant 
front adapters.

Features:

– Byte-wise  marking
– For digital I/O modules
– Positive and negative connection per signal
– With LED as an option

Notes:

For marking systems (e.g., “ZB 22:UNBEDRUCKT”; 

Order No. 

0811862

) and mounting material, see Catalog 3.

D W

H

D W

H

VIP initiator modules for 8 channels

phoenixcontact-interface-technology-and-switching-devices-html.html
background image

3 4

1

0

15 16

22 27 2

8

34 3

9

4

0

46 1 2

13

14

25

26

37

3

8

11

12

23

24

35

36

47

4

8

B

0

.

0

B

0

.1

B

0

.7

B

1.

0

B

1.1

B

1.7

B

2.

0

B

2.1

B

2.7

B

3.

0

B

3.1

B

3.7

+ + +

+ + +

+ +

+

+ + +

+ +

-

-

-

-

-

-

-

-

-

-

-

-

-

-

-

-

-

-

-

-

-

-

-

-

-

-

-

-

4

8

47

36

35

23

24

11

12

37

3

8

25

26

13

14

1

2

46

4

0

3

9

34

2

8

27

22

16

15

3

4

1

0

B

2.7

B

3.

0

B

3.1

B

3.7

B

2.1

B

2.

0

B

1.7

B

1.1

B

1.

0

B

0

.7

B

0

.1

B

0

.

0

+

-

+

-

+

-

+

-

+

-

+

-

+

-

+

-

+

-

+

-

+

-

+

-

+

-

+

-

 

Technical data

Technical data

... 50/32 IM

... 50/32 IM/LA

Maximum permissible operating voltage

60 V DC

30 V DC

60 V DC

Maximum permissible operating voltage UL / CSA

125 V / -

24 V / -

- / -

Maximum permissible current (per branch)

1 A

1 A

1 A

Maximum total current (voltage supply)

2 A (per byte)

2 A (per byte)

2 A (per byte)

Status indication

-

LED

-

Ambient temperature (operation)

-20 °C ... 50 °C

-20 °C ... 50 °C

-20 °C ... 50 °C

Mounting position

any

any

any

Standards/regulations

DIN EN 50178 , IEC

 

60664

DIN EN 50178 , IEC

 

60664

Connection method

Field level

Screw connection

Screw connection

Spring-cage connection

Controller level

IDC/FLK pin strip

IDC/FLK pin strip

IDC/FLK pin strip

Connection data solid/stranded/AWG

0.2 ... 4 mm² / 0.2 ... 2.5 mm² / 24 - 12

0.2 ... 2.5 mm² / 0.2 ... 1.5 mm² / 24 - 12

Dimensions

H / D

90 mm / 81 mm

90 mm / 73.5 mm

Ordering data

Ordering data

Description

No. of

pos.

Module width

W

Type

Order No.

Pcs./

Pkt.

Type

Order No.

Pcs./

Pkt.

VARIOFACE initiator module

, for connection of 32 PNP initiators

50

180 mm

FLKMS 50/32IM/PLC

2284523

1

VARIOFACE initiator module

, as above, but with light indicator

50

180 mm

FLKMS 50/32IM/LA/PLC

2284510

1

VARIOFACE initiator module

, for connection of 32 PNP initiators

50

180 mm

FLKMS 50/32IM/ZFKDS/PLC

2901389

1

Connection scheme: FLKMS 50/32IM/PLC, 

...50/32IM/ZFKDS/PLC

FLKMS 50/32IM/LA/PLC connection scheme

532

PHOENIX CONTACT

System cabling for controllers

Controller-specific system cabling

Initiator modules for 32 channels,

with screw connection

Initiator modules for 32 channels,

with spring-cage connection

These VARIOFACE modules are used in 

combination with 50-pos. system cables and 
the relevant front adapters for digital 
I/O modules.

Features:

– Byte-wise  marking
– Positive and negative connection per 

signal

– With LED as an option

D W

H

D W

H

Initiator modules for 32 channels

phoenixcontact-interface-technology-and-switching-devices-html.html
background image

For further information and full technical data, visit phoenixcontact.net/products

533

PHOENIX CONTACT

System cabling for controllers

Controller-specific system cabling

phoenixcontact-interface-technology-and-switching-devices-html.html
background image

1

2 3

1

0

111

2

1

3

141

5 22 232

4

252627

3

4

3536 373

8

3

9

4

6

4

7

4

8

4

9

50

+

B0

.

0 B0

.

7

-

+

B

1.

0 B

1.

7

- +

B2

.

0 B2

.

7

- +

B3

.

0 B3

.

7

-

1

2

3

4

5

6

7

8

9

11

13

1

0

12

14

1

2

3

4

5

6

7

0

+

+

-

-

1 2 3 4 5 6 7

8 9

1

0

11121314

1 2 3 4 5 6 7

8 9

1

0

11121314

1 2 3 4 5 6 7

8 9

1

0

111213141516171

8

1

9

2

0

1 2 3 1

0

1112 131415

222324 25 2627

3435 36373

8

3

9

46474

8

4

9

5

0

1

2

9

1

0

11

12 1

9

2

0

21

22 2

9

3

0

31

32

3

9

4

0

1

2

3

4

5

6

7

46

47

4

8

4

9

5

0

1

2

3

4

5

6

7

46

47

4

8

4

9

5

0

 

Technical data

FLKM...14/KDS 3-MT...

FLKM 50/KDS 3-MT...

Maximum permissible operating voltage

60 V DC

60 V DC

Maximum permissible operating voltage UL / CSA

24 V / -

24 V / -

Maximum permissible current (per branch)

1 A

1 A

Maximum total current (voltage supply)

3 A

2 A (per byte)

Ambient temperature (operation)

-20 °C ... 50 °C

-20 °C ... 50 °C

Mounting position

any

any

Standards/regulations

DIN EN 50178 , IEC

 

60664

Connection method

Field level

Screw connection with 

disconnect knife

Screw connection with 

disconnect knife

Controller level

IDC/FLK pin strip

IDC/FLK pin strip

Connection data solid/stranded/AWG

0.2 ... 4 mm² / 0.2 ... 2.5 mm² / 24 - 12

Dimensions

H / D

77 mm / 61 mm

Ordering data

Description

No. of

pos.

Module width

W

Type

Order No.

Pcs./

Pkt.

VARIOFACE termination board

, for eight channels, with knife 

disconnect terminal blocks and test sockets to the field and the 

system

14

67 mm

FLKM 14/KDS3-MT/PPA/PLC

2290423

1

VARIOFACE termination board

, for 32 channels, with knife 

disconnect terminal blocks and test sockets to the field and the 

system

50

214 mm

FLKM 50/KDS3-MT/PPA/PLC

2290614

1

VARIOFACE termination board

, for SIMATIC S7-300 with 

SIMATIC-specific marking (1-20), knife disconnect terminal blocks, 

and test sockets to the field and the system

14

113 mm

FLKM-2FLK14/KDS3-MT/PPA/S7

2295062

1

VARIOFACE termination board

, as above, but with 

SIMATIC-specific marking (1-40)

50

214 mm

FLKM 50/KDS3-MT/PPA/S7-300

2304490

1

VARIOFACE termination board

, as above, but for SIMATIC 

S7-400 with SIMATIC-specific marking (3-48)

50

259 mm

FLKM 50/KDS3-MT/PPA/AN/PLC

2291587

1

534

PHOENIX CONTACT

FLKM 50/KDS3-MT/PPA/PLC connection scheme

FLKM 14/KDS3-MT/PPA/PLC connection scheme

FLKM-2FLK14/KDS3-MT/PPA/S7 connection scheme

FLKM 50/KDS3-MT/PPA/S7-300 connection scheme

FLKM 50/KDS3-MT/PPA/AN/PLC connection scheme

These VARIOFACE modules with knife 

disconnection and test connection for each 
signal (2 or 2.3 mm Ø test plug) are used in 
combination with the respective front 
adapters.

FLKM14/KDS3-MT/PPA/PLC 
(for 8 channels)
FLKM 50/KDS3-MT/PPA/PLC 
(for 32 channels)

– Byte-wise  marking
– Can be used for digital I/O modules

FLKM-2FLK14/KDS3-MT/PPA/S7

– Numerical marking (1-20)
– Specifically for S7-300 (in conjunction 

with the front adapter FLKM 14-PA-S300, 
Order No. 

2299770

)

FLKM 50/KDS3-MT/PPA/7-300

– Numerical marking (1-40)
– Specifically for S7-300 (in conjunction 

with the front adapter FLKM 50-PA-S300, 
Order No. 

2294445

)

FLKM 50/KDS3-MT/PPA/AN/PLC

– Numerical marking (1-50)
– Specifically for S7-400 (in conjunction with 

the front adapter FLKM 50-PA-S400 (3-48) 
Order No

2294908

)

Termination boards with knife 
disconnect terminal blocks

System cabling for controllers

Controller-specific system cabling

D W

H

Passive termination boards 

for 8 or 32 channels 

with knife disconnect terminal blocks 

phoenixcontact-interface-technology-and-switching-devices-html.html
background image

0

1 2 3 4 5 6 7

-

+

-

+

S

M

C 1,5

FLK 14

1

2

3

4

6

8

1

0

12 14

5

7

9

11 13

SC

M 1,

5

+ -

0

1

2 3

4

5 6 7

+ -

FL

K

 14

1

2

4

6

8

1

0

1

2

14

3

5

7

9

11 1

3

For further information and full technical data, visit phoenixcontact.net/products

Technical data

Maximum permissible operating voltage

30 V DC

Maximum permissible current (per branch)

1 A

Maximum total current (voltage supply)

8 A (+, - terminal block)

Ambient temperature (operation)

-20 °C ... 50 °C

Mounting position

any

Standards/regulations

DIN EN 50178 , IEC

 

60664

Connection data solid/stranded/AWG

0.14 ... 1.5 mm² / 0.14 ... 1.5 mm² / 28 - 16

Dimensions

H / D

45 mm / 51 mm

Ordering data

Description

No. of

pos.

Module width

W

Type

Order No.

Pcs./

Pkt.

VARIOFACE switch module

, for simulation

75 mm

UM 45-DI/DO/S/LA/SIM8

2968205

1

D W

H

These VARIOFACE modules enable 

simple simulation of the control and 
peripheral hardware for 8 signals.

The UM 45-DI/DO/S/LA/SIM8 switch 

module is equipped with a COMBICON 
screw connector for single-conductor 
wiring for signal transmission. Alternatively, 
connection to the PLC system cabling is 
possible via a 14-pos. IDC/FLK pin strip. 
Connection to the front adapters of the 
PLC system cabling is possible via 14-pos. 
system cables with IDC/FLK socket strip.

Each signal path is allocated an LED which 

signals the “high active” signal state. The 
supply voltage to the modules is signaled via 
a green LED.

Notes:

Type of housing:

Terminal blocks: polyamide PA, non-reinforced, color: green.

Housing: PVC

Marking systems and mounting material

See Catalog 3

Simulation module with switches

System cabling for controllers

Controller-specific system cabling

Switch module

Technical data

Maximum permissible operating voltage

30 V DC

Maximum permissible current (per branch)

1 A

Maximum total current (voltage supply)

8 A (+, - terminal block)

Ambient temperature (operation)

-20 °C ... 50 °C

Mounting position

any

Standards/regulations

DIN EN 50178 , IEC

 

60664

Connection data solid/stranded/AWG

0.14 ... 1.5 mm² / 0.14 ... 1.5 mm² / 28 - 16

Dimensions

H / D

45 mm / 51 mm

Ordering data

Description

No. of

pos.

Module width

W

Type

Order No.

Pcs./

Pkt.

VARIOFACE indicator module

, for simulation

75 mm

UM 45-DO/LA/SIM8

2968195

1

535

PHOENIX CONTACT

D W

H

These VARIOFACE modules enable 

simple simulation of the control and 
peripheral hardware for 8 signals.

The UM 45-DO/LA/SIM8 indicator 

module is equipped with a COMBICON 
screw connector for single-conductor 
wiring for signal transmission. Alternatively, 
connection to the PLC system cabling is 
possible via a 14-pos. IDC/FLK pin strip. 
Connection to the front adapters of the 
PLC system cabling is possible via 14-pos. 
system cables with IDC/FLK socket strip.

Each signal path is allocated an LED which 

signals the “high active” signal state. The 
supply voltage to the modules is signaled via 
a green LED.

Notes:

Type of housing:

Terminal blocks: polyamide PA, non-reinforced, color: green.

Housing: PVC

Marking systems and mounting material

See Catalog 3

Simulation module for indication

Indicator module

phoenixcontact-interface-technology-and-switching-devices-html.html
background image

1

2

3

8

91113101214

1

2

3

8

14

13

24

23

34 33

84

83

+ -

1

,

2 11

,

12

3

10

13

,

14

23

,

24

1

5

4

6

32

9

8

1

B

0

+ -

B

0 14

13

84

83

+ -

B

1

B

1 94

93

324 323

 

 

Technical data

Technical data

Coil side

Operating voltage U

N

24 V DC

24 V DC

Typical input current at U

N

6.5 mA

6.5 mA

Typical response time at U

N

5 ms

5 ms

Typical release time at U

N

15 ms

15 ms

Input circuit

Freewheeling diode, reverse polarity protection

Freewheeling diode, reverse polarity protection

Status indicator per channel

Yellow LED

Yellow LED

Connection method

IDC/FLK pin strip

IDC/FLK pin strip

No. of pos.

14

50

Contact side

Contact type

1 N/O contact (double contact)

1 N/O contact (double contact)

Contact material

AgNi, 5 µm hard gold-plated

AgNi, 5 µm hard gold-plated

Max. switching voltage

250 V AC / 125 V DC

250 V AC / 125 V DC

Minimum switching voltage

5 V

5 V

Maximum switch-on current

5 A

5 A

Limiting continuous current

3 A

3 A

Minimum switching current

1 mA

1 mA

Maximum interrupting rating:

24 V DC

72 W

72 W

48 V DC

60 W

60 W

60 V DC

50 W

50 W

110 V DC

50 W

50 W

250 V AC

750 VA

750 VA

Connection method

Screw connection

Screw connection

Connection data solid/stranded/AWG

0.14 ... 1.5 mm² / 0.14 ... 1.5 mm² / 26 - 14

0.14 ... 1.5 mm² / 0.14 ... 1.5 mm² / 26 - 16

General data

Rated insulation voltage

260 V AC

260 V AC

Rated surge voltage

4 kV (basic insulation)

4 kV (basic insulation)

Degree of pollution / Overvoltage category

2 / III

2 / III

Ambient temperature (operation)

-20 °C ... 50 °C

-20 °C ... 50 °C

Nominal operating mode

100% operating factor

100% operating factor

Mechanical service life

2 x 10

7

 cycles

2 x 10

7

 cycles

Standards/regulations

DIN EN 50178 , IEC

 

60664

DIN EN 50178 , IEC

 

60664

Mounting position

any

any

Mounting

In rows with zero spacing

In rows with zero spacing

Dimensions

H / D

90 mm / 58 mm

90 mm / 58 mm

EMC note

Class A product, see page 605

Class A product, see page 605

Ordering data

Ordering data

Description

Module width

W

Type

Order No.

Pcs./

Pkt.

Type

Order No.

Pcs./

Pkt.

VARIOFACE output module,

 with 8 miniature relays, plugged in, 

for 24 V DC (including relays)

56

UMK- 8 RM/MR-G24/ 1/PLC

2979469

1

VARIOFACE output module,

 with 32 miniature relays, plugged in, 

for 24 V DC (including relays)

202

UMK-32 RM/MR-G24/1/PLC

2979472

1

Accessories

Accessories

Plug-in miniature relays

REL-MR-G 24/1

2961037

8

REL-MR-G 24/1

2961037

8

536

PHOENIX CONTACT

These VARIOFACE output modules are 

used in combination with the respective 
front adapters.
– Plug-in miniature relays, each with an 

N/O contact

– Universal applications from 1 mA to 

3 A continuous current through 2-layer 
double contact with hard gold plating

– Overall width of just 55 mm (8 channels) 

or 202 mm (32 channels)

– LED status display for each signal path and 

supply voltage

– Freewheeling and reverse polarity 

protection diode for each signal path

D W

H

D W

H

Output modules with relays, 
one N/O contact

System cabling for controllers

Controller-specific system cabling

Output module 

with eight miniature relays,

1 N/O contact

Output module 

with 32 miniature relays,

1 N/O contact

phoenixcontact-interface-technology-and-switching-devices-html.html
background image

1 2

3 4

5 6

7 8

9

11 13 1

0

12 14

2

4

6

8

7

5

3

1

22 21 24

12 11 14

32 31 34

42 41 44

52 51 54

62 61 64

7

2

7

1

7

4

8

2

8

1

8

4

+

-

1

,

2

,

13

,

14

,

25

,

26

,

3

7,

3

8

11

,

12

,

23

,

24

,

35

,

36

,

4

7,

4

8

3 4

9

1

0

15 16

45 46

1

7

2

8

9

1

0

31

32

22 21 24

12 11 14

+

+

-

-

8

2

8

1

8

4

7

2

7

1

7

4

1

0

2

1

0

1

1

0

4

9

2

9

1

9

4

312

311

314

322

321

324

For further information and full technical data, visit phoenixcontact.net/products

Technical data

Technical data

Coil side

Operating voltage U

N

24 V DC

24 V DC

Typical input current at U

N

18 mA

18 mA

Typical response time at U

N

8 ms

8 ms

Typical release time at U

N

10 ms

10 ms

Input circuit

Freewheeling diode

Freewheeling diode

Status indicator per channel

Yellow LED

Yellow LED

Connection method

IDC/FLK pin strip

IDC/FLK pin strip

No. of pos.

14

50

Contact side

Contact type

Single contact, 1-PDT

Single contact, 1-PDT

Contact material

AgNi

AgNi

Max. switching voltage

250 V AC/DC

250 V AC/DC

Minimum switching voltage

12 V AC/DC

12 V AC/DC

Limiting continuous current

5 A

5 A

Minimum switching current

10 mA

10 mA

Maximum interrupting rating:

24 V DC

120 W

120 W

48 V DC

58 W

58 W

60 V DC

48 W

48 W

110 V DC

50 W

50 W

220 V DC

80 W

80 W

250 V AC

1250 VA

1250 VA

Connection method

Screw connection

Screw connection

Connection data solid/stranded/AWG

0.2 ... 4 mm² / 0.2 ... 2.5 mm² / 24 - 12

0.2 ... 4 mm² / 0.2 ... 2.5 mm² / 24 - 12

General data

Rated insulation voltage

260 V AC

260 V AC

Rated surge voltage

4 kV (Basic insulation between output contact current paths)

6 kV (Safe isolation and reinforced insulation between input circuit 

and output contact paths)

4 kV (Basic insulation between output contact current paths)

6 kV (Safe isolation and reinforced insulation between input circuit 

and output contact paths)

Degree of pollution / Overvoltage category

2 / III

2 / III

Ambient temperature (operation)

-20 °C ... 50 °C

-20 °C ... 50 °C

Nominal operating mode

100% operating factor

100% operating factor

Mechanical service life

3 x 10

7

 cycles

3 x 10

7

 cycles

Standards/regulations

DIN EN 50178 , IEC

 

60664

DIN EN 50178 , IEC

 

60664

Mounting position

any

any

Mounting

In rows with zero spacing

In rows with zero spacing

Dimensions

H / D

123 mm / 68 mm

123 mm / 68 mm

EMC note

Class A product, see page 605

Class A product, see page 605

Ordering data

Ordering data

Description

Module width

W

Type

Order No.

Pcs./

Pkt.

Type

Order No.

Pcs./

Pkt.

VARIOFACE output module,

 for 24 V DC (incl. relay)

- with 8 miniature relays

80

UM- 8 RM/RT-G24/21/PLC

2968386

1

- with 32 miniature relays

271

UM-32 RM/RT-G24/21/PLC

2968373

1

Accessories

Accessories

Plug-in miniature power relays, with power contacts

REL-MR- 24DC/21HC

2961312

10

REL-MR- 24DC/21HC

2961312

10

537

PHOENIX CONTACT

These VARIOFACE output modules are 

used in combination with the respective 
front adapters.

Like the front adapters, the modules are 

connected via 14-pos. or 50-pos. system 
cables. The following features characterize 
these relay modules:
– Plug-in miniature relays, each with a 

PDT contact

– Overall width of just 80 mm (8 channels) 

or 271 mm (32 channels)

– LED status display for each signal path and 

supply voltage

– Freewheeling diode for each signal path

D W

H

D W

H

Output modules with relay, 
1 PDT

System cabling for controllers

Controller-specific system cabling

Output module 

with eight miniature relays,

1 PDT

Output module 

with 32 miniature relays,

1 PDT

phoenixcontact-interface-technology-and-switching-devices-html.html
background image

1

2

3

8

9

11 131

0

1214

8

3

2

1

12 11 14

22 21 24

32 31 34

8

2

8

1

8

4

+ -

 

Technical data

Coil side

Operating voltage U

N

24 V DC

Input circuit

Freewheeling diode, reverse polarity protection

Free

Operating voltage display

Green LED

Status indicator per channel

Yellow LED

Connection method

IDC/FLK pin strip

No. of pos.

14

Contact side

Contact type

1 PDT

Max. switching voltage

250 V AC/DC

Limiting continuous current

5 A

Connection method

Screw connection

Connection data solid/stranded/AWG

0.2 ... 4 mm² / 0.2 ... 2.5 mm² / 24 - 12

0.2 ... 4 mm² / 0.2 ... 2.5 mm² / 24 - 12

0.2 ... 4 m

General data

Rated insulation voltage

260 V AC

Rated surge voltage

4 kV (Basic insulation between output contact current paths)

6 kV (Safe isolation and reinforced insulation between input circuit 

and output contact paths)

Degree of pollution / Overvoltage category

2 / III

Ambient temperature (operation)

-20 °C ... 50 °C

Standards/regulations

DIN EN 50178 , IEC

 

60664

DIN EN 50178 , IEC

Mounting position

any

Mounting

In rows with zero spacing

In rows wi

Dimensions

H / D

77 mm / 59 mm

EMC note

Class A product, see page 605

Class A product, see page 605

Class A product, see page 605

Ordering data

Description

Module width

W

Type

Order No.

Pcs./

Pkt.

VARIOFACE output module,

 for 24 V DC

- with 8 plug-in bases including relay

135

UMK- 8 RM/KSR-G 24/21/PLC

2979485

1

- with 8 plug-in bases without relay

135

UMK- 8 RELS/KSR-G24/21/PLC

2974914

1

VARIOFACE output basic module,

 for 24 V DC

- with 16 plug-in bases including relay

259

- with 16 plug-in bases without relay

259

VARIOFACE output extension module,

 for 24 V DC

- with 16 plug-in bases including relay

259

- with 16 plug-in bases without relay

259

Accessories

Plug-in miniature power relays, with power contacts

REL-MR- 24DC/21HC

2961312

10

538

PHOENIX CONTACT

Output modules with relay, 
1 PDT

These VARIOFACE output modules are 

used in combination with the respective 
front adapters.

Like the front adapters, the modules are 

connected via 14-pos. or 50-pos. system 
cables. The following features characterize 
these relay modules:
– Plug-in miniature relays, each with a 

PDT contact

– LED status display for each signal path and 

supply voltage

– Freewheeling and reverse polarity 

protection diode for each signal path
With the 32-channel version, the system 

cable is connected to the 16-channel 
UMK-16R.../KSR-G24/21/PLC base 
modules. The UMK-16R.../ 
KSR-G24/21/E/PLC output extension 
modules with a further 16 channels are 
coupled to the base modules via a 
20-position flat-ribbon cable 
(length: 10 cm). 

System cabling for controllers

Controller-specific system cabling

D W

H

Notes:

The connection cable between the base and the extension 

modules is delivered with the extension unit.

Output module 

with eight miniature relays,

1 PDT

phoenixcontact-interface-technology-and-switching-devices-html.html
background image

1,2 11,12

3

1

0

13,14 23,24

15

22

16

9

8

1

B

0

B

0

+ -

11 14 12

8

1

8

4

8

2

B

1

B

1

+ -

9

1

9

4

9

2

161164162

2

2

0

17

12

1

1

9

9

4

32

25

24

17

B

2

B

2

+ -

+ -

171 174 172

241244 242

B

3

B

3 251254 252

321 324 322

For further information and full technical data, visit phoenixcontact.net/products

 

 

Technical data

Technical data

24 V DC

24 V DC

Input circuit

Freewheeling diode, reverse polarity protection

Freewheeling diode, reverse polarity protection

Freewheeling diode, reverse polarity protection

Green LED

Green LED

Yellow LED

Yellow LED

IDC/FLK pin strip

IDC/FLK pin strip

50

20

1 PDT

1 PDT

250 V AC/DC

250 V  AC/DC

5 A

5 A

Screw connection

Screw connection

Connection data solid/stranded/AWG

0.2 ... 4 mm² / 0.2 ... 2.5 mm² / 24 - 12

0.2 ... 4 mm² / 0.2 ... 2.5 mm² / 24 - 12

0.2 ... 4 mm² / 0.2 ... 2.5 mm² / 24 - 12

260 V AC

260 V  AC

4 kV (Basic insulation between output contact current paths)

6 kV (Safe isolation and reinforced insulation between input circuit 

and output contact paths)

4 kV (Basic insulation between output contact current paths)

6 kV (Safe isolation and reinforced insulation between input circuit 

and output contact paths)

2 / III

2 / III

-20 °C ... 50 °C

-20 °C ... 50 °C

60664

DIN EN 50178 , IEC

 

60664

DIN EN 50178 , IEC

 

60664

any

any

Mounting

In rows with zero spacing

In rows with zero spacing

In rows with zero spacing

77 mm / 59 mm

77 mm / 59 mm

EMC note

Class A product, see page 605

Class A product, see page 605

Class A product, see page 605

Ordering data

Ordering data

Type

Order No.

Pcs./

Pkt.

Type

Order No.

Pcs./

Pkt.

UMK-16 RM/KSR-G 24/21/PLC

2979498

1

UMK-16 RELS/KSR-G24/21/PLC

2974901

1

UMK-16 RM/KSR-G 24/21/E/PLC

2979508

1

UMK-16 RELS/KSR-G24/21/E/PLC

2974891

1

Accessories

Accessories

REL-MR- 24DC/21HC

2961312

10

REL-MR- 24DC/21HC

2961312

10

539

PHOENIX CONTACT

System cabling for controllers

Controller-specific system cabling

D W

H

D W

H

Output base module 

with 16 miniature relays,

1 PDT

Output extension module 

with 16 miniature relays,

1 PDT

phoenixcontact-interface-technology-and-switching-devices-html.html
background image

+ -

1

2

8

9

11131

0

1214

8

2

1

12 11 14

22 21 24

8

2

8

1

8

4

112 111 114

122 121 124

1

8

2 1

8

1 1

8

4

Technical data

Coil side

Operating voltage U

N

24 V DC

Input circuit

Freewheeling diode

Operating voltage display

Green LED

Status indicator per channel

Yellow LED

Connection method

IDC/FLK pin strip

No. of pos.

14

Contact side

Contact type

2 PDT

Max. switching voltage

250 V AC/DC

Limiting continuous current

3 A

Connection method

Screw connection

Connection data solid/stranded/AWG

0.14 ... 1.5 mm² / 0.14 ... 1.5 mm² / 26 - 14

0.2 ... 4 mm² / 0.2 ... 2.5 mm² / 24 - 12

0.2 ...

General data

Rated insulation voltage

260 V AC

Rated surge voltage

4 kV (Basic insulation between output contact current paths)

6 kV (Safe isolation and reinforced insulation between input circuit 

and output contact paths)

Degree of pollution / Overvoltage category

2 / III

Ambient temperature (operation)

-20 °C ... 50 °C

Standards/regulations

DIN EN 50178 , IEC

 

60664

DIN EN 50178 , IEC

Mounting position

any

Mounting

In rows with zero spacing

In rows wi

Dimensions

H / D

77 mm / 59 mm

EMC note

Class A product, see page 605

Class A product, see page 605

Class A product, see page 605

Ordering data

Description

Module width

W

Type

Order No.

Pcs./

Pkt.

VARIOFACE output module

, for 24 V DC (2 PDTs)

- with 8 plug-in bases without relay

135

UMK- 8 RELS/KSR-G24/21-21/PLC

2976187

1

VARIOFACE output module with knife disconnect terminal 

blocks

, for 24 V DC (1 PDT)

- with 8 plug-in bases without relay

145

VARIOFACE output module with knife disconnect terminal 

blocks

, for 24 V DC (1 PDT)

- basic module with 16 plug-in bases without relay

285

- extension module with 16 plug-in bases without relay

285

Accessories

Plug-in miniature power relays, with power contacts

REL-MR- 24DC/21-21

2961192

10

540

PHOENIX CONTACT

Output module for relays
- 2 PDTs
- 1 PDT with disconnect terminal blocks

These VARIOFACE output modules are 

used in combination with the respective 
front adapters.

8 channels are controlled via 14-pos. 

cables. All modules feature the following:
– Plug-in miniature relays
– LED status indicator and freewheeling 

diode per signal path

– Supply voltage indicator (LED)
– Polarity protection diode

With the 32-channel version (1 PDT 

with knife disconnect terminal blocks), the 
50-pos. system cable is connected to the 
base module with 16 channels.

The output extension module with a 

further 16 channels is coupled to the base 
module via a 20-pos. flat-ribbon cable 
(length: 10 cm).

System cabling for controllers

Controller-specific system cabling

D W

H

Notes:

The connection cable between the base and the extension 

modules is delivered with the extension unit.

Output module for 8 miniature relays,

2 PDTs

phoenixcontact-interface-technology-and-switching-devices-html.html
background image

1

2

3

8

9

11131

0

1214

8

3

2

1

12 11 14

22 21 24

32 31 34

8

2

8

1

8

4

+ -

B

1

B

1

8

4

8

2

8

1

9

4

9

2

9

1

164 162

161

+ -

14 12

11

B

0

B

0

+ -

1,2

3

11,12

22

1

0

1

8

13,14

15

23,24

9

16

For further information and full technical data, visit phoenixcontact.net/products

Technical data

Technical data

24 V DC

24 V DC

Freewheeling diode , Reverse polarity protection

Freewheeling diode

Green LED

Green LED

Yellow LED

Yellow LED

IDC/FLK pin strip

IDC/FLK pin strip

14

50

1 PDT

1 PDT

250 V AC/DC

250 V  AC/DC

5 A

5 A

Screw connection with disconnect knife

Screw connection with disconnect knife

Connection data solid/stranded/AWG

0.14 ... 1.5 mm² / 0.14 ... 1.5 mm² / 26 - 14

0.2 ... 4 mm² / 0.2 ... 2.5 mm² / 24 - 12

0.2 ... 4 mm² / 0.2 ... 2.5 mm² / 24 - 12

260 V AC

260 V  AC

4 kV (Basic insulation between output contact current paths)

6 kV (Safe isolation and reinforced insulation between input circuit 

and output contact paths)

4 kV (Basic insulation between output contact current paths)

6 kV (Safe isolation and reinforced insulation between input circuit 

and output contact paths)

2 / III

2 / III

-20 °C ... 50 °C

-20 °C ... 50 °C

60664

DIN EN 50178 , IEC

 

60664

DIN EN 50178 , IEC

 

60664

any

any

Mounting

In rows with zero spacing

In rows with zero spacing

In rows with zero spacing

111.5 mm / 59 mm

111.5 mm / 59 mm

EMC note

Class A product, see page 605

Class A product, see page 605

Class A product, see page 605

Ordering data

Ordering data

Type

Order No.

Pcs./

Pkt.

Type

Order No.

Pcs./

Pkt.

UM- 8 RELS/KSR-G24/21/MT/PLC

2962463

1

UM-16 RELS/KSR-G24/21/MT/PLC

2962382

1

UM-16 RELS/KSR-G24/21/E/MT/PLC

2962379

1

Accessories

Accessories

REL-MR- 24DC/21HC

2961312

10

REL-MR- 24DC/21HC

2961312

10

541

PHOENIX CONTACT

System cabling for controllers

Controller-specific system cabling

D W

H

D W

H

Output module for 8 miniature relays with

knife disconnect terminal blocks,

1 PDT

Output module for 16 miniature relays with

knife disconnect terminal blocks,

1 PDT

phoenixcontact-interface-technology-and-switching-devices-html.html
background image

1

0

0

NC

0

NO

0

C

F

0

9

11

13

14

1

0

12

+

+

-

-

2

1

1NC

1NO

1C

F1

8

7

7NC

7NO

7C

F7

 

 

Technical data

Coil side

Operating voltage U

N

24 V DC

Typical input current at U

N

9 mA

Typical response time at U

N

5 ms

Typical release time at U

N

8 ms

Input circuit

Freewheeling diode

Status indicator per channel

Yellow LED

Connection method

IDC/FLK pin strip

No. of pos.

14

Contact side

Contact type

Single contact, 1-PDT

Contact material

AgSnO

Max. switching voltage

250 V AC/DC

Minimum switching voltage

12 V AC/DC

Limiting continuous current

5 A (observe derating)

Minimum switching current

10 mA

Maximum interrupting rating:

24 V DC

120 W

48 V DC

20 W

60 V DC

18 W

110 V DC

23 W

220 V DC

40 W

250 V AC

1250 VA

Connection method

Push-in connection

Connection data solid/stranded/AWG

0.14 ... 2.5 mm² / 0.14 ... 2.5 mm² / 26 - 14

General data

Ambient temperature (operation)

-20 °C ... 60 °C

Nominal operating mode

100% operating factor

Mechanical service life

2 x 10

7

 cycles

Standards/regulations

DIN EN 50178

Mounting position

any

Mounting

In rows with zero spacing

Dimensions

H / D

109.8 mm / 63 mm

EMC note

Class A product, see page 605

Ordering data

Description

Module width

W

Type

Order No.

Pcs./

Pkt.

VARIOFACE output module,

 with eight miniature relays, plugged 

in, for 24 V DC (incl. relays)

87.6

VIP-8RPT-24DC/21/DO/FU/PLC

2903601

1

542

PHOENIX CONTACT

D W

H

These VIP – VARIOFACE Professional 

output modules are used in combination 
with the respective front adapters. Like the 
front adapters, the modules are connected 
via 14-pos. system cables.

Features:

– Plug-in miniature relays, each with a 

PDT contact

– LED status display for each signal path and 

supply voltage

– Freewheeling diode for each signal path
– Push-in connection

VIP output module

System cabling for controllers

Controller-specific system cabling

Output module with 8 miniature relays,

1 PDT and fuse per output circuit

phoenixcontact-interface-technology-and-switching-devices-html.html
background image

1

0

0

.

0

-

+

2

1

0

.1

-

+

8

7

0

.7

-

+

+

9

11 13 + +

14

12

1

0

- -

9

11 13 + +

14

12

1

0

- -

-

+

1

0

0

.

0

-

+

2

1

0

.1

-

+

8

7

0

.7

-

+

For further information and full technical data, visit phoenixcontact.net/products

 

 

 

 

Technical data

Technical data

Coil side

Operating voltage U

N

24 V DC ±10 % (Supply, 2 A )

120 V AC ±10 % (Supply, 2 A )

Typical input current at U

N

9 mA (per channel)

3.5 mA (per channel)

Typical response time at U

N

5 ms

6 ms

Typical release time at U

N

8 ms

15 ms

Input circuit

Freewheeling diode

Freewheeling diode

Status indicator per channel

Yellow LED

Yellow LED

Connection method

Push-in connection

Push-in connection

Connection data solid/stranded/AWG

0.14 ... 2.5 mm² / 0.14 ... 2.5 mm² / 26 - 14

0.14 ... 2.5 mm² / 0.14 ... 2.5 mm² / 26 - 14

Contact side

Contact type

1 N/O contact

1 N/O contact

Contact material

AgSnO, hard gold-plated

AgSnO, hard gold-plated

Limiting continuous current

50 mA

50 mA

Connection method

IDC/FLK pin strip

IDC/FLK pin strip

No. of pos.

14

14

General data

Ambient temperature (operation)

-20 °C ... 60 °C

-20 °C ... 60 °C

Nominal operating mode

100% operating factor

100% operating factor

Mechanical service life

2 x 10

7

 cycles

2 x 10

7

 cycles

Standards/regulations

DIN EN 50178

DIN EN 50178

Mounting position

any

any

Mounting

In rows with zero spacing

In rows with zero spacing

Dimensions

H / D

109.8 mm / 63 mm

109.8 mm / 63 mm

EMC note

Class A product, see page 605

Class A product, see page 605

Ordering data

Ordering data

Description

Module width

W

Type

Order No.

Pcs./

Pkt.

Type

Order No.

Pcs./

Pkt.

VARIOFACE termination board,

 for eight channels,

24 V DC (incl. relays)

92.7

VIP-8RPT-24DC/1AU/DI/PLC

2903600

1

120 V AC (incl. relays)

92.7

VIP-8RPT-120AC/1AU/DI/PLC

2904576

1

543

PHOENIX CONTACT

These VIP – VARIOFACE Professional 

input modules are used in combination with 
the respective front adapters. Like the front 
adapters, the modules are connected via 
14-pos. system cables.

Features:

– Plug-in miniature relays, each with an 

N/O contact

– LED status display for each signal path and 

supply voltage

– Freewheeling diode for each signal path
– Push-in connection

D W

H

D W

H

VIP input module

System cabling for controllers

Controller-specific system cabling

Digital input module with 8 channels for 

24

 

V

 

DC

Digital input module with 8 channels for 

120

 

V

 

AC

phoenixcontact-interface-technology-and-switching-devices-html.html
background image

1/1

1

3

5

7

9

11 13

2

4

6

8

1

0

12 14

+

-

2/1

1/2

2/2

1/3

2/3

1/4

2/4

1/5

2/5

1/6

2/6

1/7

2/7

1/

8

2/

8

1/1

1

3

5

7

9

11 13

2

4

6

8

1

0

12 14

+

-

2/1

1/2

2/2

1/3

2/3

1/4

2/4

1/5

2/5

1/6

2/6

1/7

2/7

1/

8

2/

8

1/1

1

3

5

7

9

11 13

2

4

6

8

1

0

12 14

+

-

2/1

1/2

2/2

1/3

2/3

1/4

2/4

1/5

2/5

1/6

2/6

1/7

2/7

1/

8

2/

8

1/1

1

3

5

7

9

11 13

2

4

6

8

1

0

12 14

+

-

2/1

1/2

2/2

1/3

2/3

1/4

2/4

1/5

2/5

1/6

2/6

1/7

2/7

1/

8

2/

8

 

 

 

 

544

PHOENIX CONTACT

Technical data

Maximum permissible operating voltage

30 V DC

Maximum permissible operating voltage UL / CSA

24 V / -

Maximum permissible current (per branch)

1 A (per signal path)

Maximum total current (voltage supply)

3 A

Ambient temperature (operation)

-40 °C ... 70 °C

Standards/regulations

IEC

 

60664 , DIN EN 50178

Connection method

Controller level

IDC/FLK pin strip

Supply

Screw connection

Connection data solid/stranded/AWG

0.2 ... 4 mm² / 0.2 ... 2.5 mm² / 24 - 12

Dimensions

H / D

100 mm / 94 mm

Ordering data

Description

No. of

pos.

Module width

W

Type

Order No.

Pcs./

Pkt.

V8 adapter

, for 8 PLC-INTERFACE devices (6.2 mm), with 

IDC/FLK pin strip, for PLC system cabling, 

positive switching

Output

14

49.6 mm

PLC-V8/FLK14/OUT

2295554

1

Input

14

49.6 mm

PLC-V8/FLK14/IN

2296553

1

V8 adapter

, for 8 PLC-INTERFACE devices (6.2 mm), with 

IDC/FLK pin strip, for PLC system cabling, 

negative switching

Output

14

49.6 mm

PLC-V8/FLK14/OUT/M

2304102

1

Input

14

49.6 mm

PLC-V8/FLK14/IN/M

2304115

1

V8 output adapter

, for 8 PLC-INTERFACE devices (6.2 mm), with 

D-SUB connection

Pin strip

15

49.6 mm

PLC-V8/D15S/OUT

2296058

1

Socket strip

15

49.6 mm

PLC-V8/D15B/OUT

2296061

1

V8 input adapter

, for 8 PLC-INTERFACE devices (6.2 mm), with 

D-SUB connection

Pin strip

15

49.6 mm

PLC-V8/D15S/IN

2296074

1

Socket strip

15

49.6 mm

PLC-V8/D15B/IN

2296087

1

Contacting

P

L

C terminal blocks

Power

terminals

FL

K14

Connection scheme: PLC-V8/FLK14/IN

Contacting

P

L

C terminal blocks

Power

terminals

FL

K14

Connection scheme: PLC-V8/FLK14/IN/M

Contacting

P

L

C terminal blocks

Power

terminals

FL

K14

PLC-V8/FLK14/OUT connection scheme

Contacting

P

L

C terminal blocks

Power

terminals

FL

K14

PLC-V8/FLK14/OUT/M connection scheme

PLC-V8/...

 are the VARIOFACE adapters 

connecting the eight slim 6.2 mm 
PLC-INTERFACE modules to the 
VARIOFACE system cabling:
– Can be plugged into the bridge shafts of 

eight aligned PLC-INTERFACE modules

– Freely definable configuration with relays, 

optocouplers, and passive feed-through 
terminal blocks

– With D-SUB connection as an option for 

universal connections

Adapter for PLC-INTERFACE 
(6.2 mm)

System cabling for controllers

Controller-specific system cabling

VARIOFACE adapter 

for 6.2 mm PLC-INTERFACE

Notes:

Cross-ref. list for matching PLC-INTERFACE modules: page 548

phoenixcontact-interface-technology-and-switching-devices-html.html
background image

1/1

1

3

5

7

9

11 13

2

4

6

8

1

0

12 14

+

-

2/1

1/2

2/2

1/3

2/3

1/4

2/4

1/5

2/5

1/6

2/6

1/7

2/7

1/

8

2/

8

1/1

1

3

5

7

9

11 13

2

4

6

8

1

0

12 14

+

-

2/1

1/2

2/2

1/3

2/3

1/4

2/4

1/5

2/5

1/6

2/6

1/7

2/7

1/

8

2/

8

For further information and full technical data, visit phoenixcontact.net/products

 

 

 

 

545

PHOENIX CONTACT

Technical data

Maximum permissible operating voltage

30 V DC

Maximum permissible operating voltage UL / CSA

24 V / -

Maximum permissible current (per branch)

1 A (per signal path)

Maximum total current (voltage supply)

3 A

Ambient temperature (operation)

-40 °C ... 70 °C

Mounting position

any

Standards/regulations

IEC

 

60664 , DIN EN 50178

Connection method

Controller level

IDC/FLK pin strip

Supply

Screw connection

Connection data solid/stranded/AWG

0.2 ... 4 mm² / 0.2 ... 2.5 mm² / 24 - 12

Dimensions

H / D

100 mm / 94 mm

Ordering data

Description

No. of

pos.

Module width

W

Type

Order No.

Pcs./

Pkt.

V8 adapter

, for 8 PLC-INTERFACE devices (14 mm), with 

IDC/FLK pin strip, for PLC system cabling, 

positive switching

14

112.3 mm

PLC-V8L/FLK14/OUT

2299660

1

V8 adapter

, for 8 PLC-INTERFACE devices (14 mm), with 

IDC/FLK pin strip, for PLC system cabling, 

negative switching

14

112.3 mm

PLC-V8L/FLK14/OUT/M

2304306

1

Contacting

P

L

C terminal blocks

Power

terminals

FL

K14

PLC-V8L/FLK14/OUT/M connection scheme

Contacting

P

L

C terminal blocks

Power

terminals

FL

K14

PLC-V8L/FLK14/OUT connection scheme

PLC-V8L/...

 are the VARIOFACE adapters 

connecting the eight 14 mm PLC-INTERFACE 
modules (2 PDT, HC, and IC types) to the 
system cabling:
– Can be plugged into the bridge shafts of 

eight aligned PLC-INTERFACE modules

– Freely definable configuration with relays 

or optocouplers

Adapter for PLC-INTERFACE 
(14 mm)

System cabling for controllers

Controller-specific system cabling

VARIOFACE adapter 

for 14 mm PLC-INTERFACE

Notes:

Cross-ref. list for matching PLC-INTERFACE modules: page 548

phoenixcontact-interface-technology-and-switching-devices-html.html
background image

2

1

3

4

5

NC

2

1

3

4

5

2

1

3

4

5

NC

2

1

3

4

5

 

 

 

546

PHOENIX CONTACT

Technical data

PLC-VT, PLC-VT/ACT

PLC-VT/LA, PLC-VT/ACT/LA

Maximum permissible operating voltage

250 V AC/DC

30 V DC

Maximum permissible operating voltage UL / CSA

220 V / -

20 V / -

Maximum permissible current (per branch)

6 A (per signal conductor)

6 A (per signal conductor)

Ambient temperature (operation)

-40 °C ... 70 °C

-40 °C ... 70 °C

Mounting position

any

any

Standards/regulations

DIN EN 50178 , IEC

 

60664

Connection data solid/stranded/AWG

0.2 ... 4 mm² / 0.2 ... 2.5 mm² / 24 - 12

Dimensions

H / D

80 mm / 94 mm

Ordering data

Description

No. of

pos.

Module width

W

Type

Order No.

Pcs./

Pkt.

VARIOFACE feed-through terminal block 

(two-conductor 

connection), for PLC-INTERFACE universal series

6.2 mm

PLC-VT

2296870

10

VARIOFACE feed-through terminal block

, as above, but with 

24 V DC light indicator

6.2 mm

PLC-VT/LA

2296854

10

VARIOFACE feed-through terminal block

 (three-conductor 

connection), for PLC-INTERFACE actuator series

6.2 mm

PLC-VT/ACT

2295567

10

VARIOFACE feed-through terminal block

, as above, but with 

24 V DC light indicator

6.2 mm

PLC-VT/ACT/LA

2296867

10

PLC-VT/LA connection scheme

PLC-VT/ACT/LA connection scheme

PLC-VT connection scheme

PLC-VT/ACT connection scheme

The VARIOFACE PLC-VT terminals are 

passive feed-through terminal blocks, with 
the same shape as the 6.2 mm slim relay and 
optocoupler interfaces of PLC-INTERFACE. 
It is thus possible to implement 8-channel 
interface modules for the system cabling, 
which can be adapted to a bit for the 
particular application. For individual 
requirements, the relay, optocoupler or the 
PLC-VT terminal blocks for passive signal 
transmission can be combined as needed.

PLC-VT
PLC-VT/LA

– Can be combined with PLC-INTERFACE 

universal series

– Signal path with additional potential level 

for free assignment (two-conductor 
connection)

– With LED as an option

Feed-through terminal blocks for 
PLC-INTERFACE

System cabling for controllers

Controller-specific system cabling

D W

H

VARIOFACE feed-through terminal blocks for

PLC-INTERFACE universal series

PLC-VT/ACT
PLC-VT/ACT/LA

– Can be combined with PLC-INTERFACE 

actuator series

– Signal path with two additional potential 

levels for free assignment 
(three-conductor connection)

– With LED as an option

The system connection is made via the 

PLC-V8 adapter.

phoenixcontact-interface-technology-and-switching-devices-html.html
background image

.

0

.1

.

2

.

3

.4

.

5

.

6

.

7

A

2

A1A

2

A1A

2

A1A

2

A1A

2

A1A

2

A1A

2

A1A

2

A1

1

2 3

4

5 6 7

8 9

1

0

111

2

1

3

14

F

L

K

 

1

4

+ +

-

-

.

0

.1

.

2

.

3

.4

.

5

.

6

.

7

A

2

A1A

2

A1A

2

A1A

2

A1A

2

A1A

2

A1A

2

A1A

2

A1

1

2 3

4

5 6 7

8 9

1

0

111

2

1

3

14

F

L

K

 

1

4

+ +

-

-

For further information and full technical data, visit phoenixcontact.net/products

547

PHOENIX CONTACT

Connection scheme for RIF-1-V8/PT/FLK14/OUT

Connection scheme for RIF-1-V8/PT/FLK14/OUT/M

Technical data

Maximum permissible operating voltage

30 V DC

Maximum permissible operating voltage UL / CSA

24 V / -

Maximum permissible current (per branch)

1 A (per signal path)

Maximum total current (voltage supply)

3 A

Ambient temperature (operation)

-40 °C ... 60 °C

Mounting position

any

Standards/regulations

IEC

 

60664 , DIN EN 50178

Connection method

Controller level

IDC/FLK pin strip

Supply

Push-in connection

Connection data solid/stranded/AWG

0.2 ... 1.5 mm² / 0.2 ... 1.5 mm² / 24 - 16

Dimensions

H / D

101 mm / 75 mm

Ordering data

Description

No. of

pos.

Module width

W

Type

Order No.

Pcs./

Pkt.

V8 adapter,

 for eight RIF-1 relay modules, with IDC/FLK pin strip 

for PLC system cabling, 

positive switching

14

128 mm

RIF-1-V8/PT/FLK14/OUT

2905195

1

V8 adapter,

 for eight RIF-1 relay modules, with IDC/FLK pin strip 

for PLC system cabling, 

negative switching

14

128 mm

RIF-1-V8/PT/FLK14/OUT/M

2906992

1

RIF-1-V8/... VARIOFACE adapters 

connect the eight RIF-1 relay modules with 
the system cabling:
– Can be plugged into eight RIF-1 relay 

modules in series

– The adapter has one LED indicator and 

one freewheeling diode per relay

The following RIF-1 relay modules can be 

connected with the adapters:

With Push-in connection:

– RIF-1-RPT-LDP-24DC/1IC,

Order No. 

2909884

*

– RIF-1-BPT/2X21,

Order No. 

2900931

– RIF-1-RPT-LDP-24DC/1X21,

Order No. 

2903342

*

– RIF-1-RPT-LDP-24DC/1X21 AU,

Order No. 

2903338

*

– RIF-1-RPT-LDP-24DC/2X21,

Order No. 

2903334

*

– RIF-1-RPT-LDP-24DC/2X21 AU,

Order No. 

2903330

*

– RIF-1-RPT-LDP-24DC/1X21MS,

Order No. 

2905289

– RIF-1-RPT-LDP-24DC/2X21MS,

Order No. 

2905291

With screw connection:

– RIF-1-RSC-LDP-24DC/1IC,

Order No. 

2909885

*

– RIF-1-BSC/2X21,

Order No. 

2900930

– RIF-1-RSC-LDP-24DC/1X21,

Order No. 

2903358

*

– RIF-1-RSC-LDP-24DC/1X21 AU,

Order No. AU 

2903354

*

– RIF-1-RSC-LDP-24DC/2X21,

Order No. 

2903350

*

– RIF-1-RSC-LDP-24DC/2X21 AU,

Order No. 

2903346

*

– RIF-1-RSC-LDP-24DC/2X21 AU,

Order No. 

2903345

*

– RIF-1-RSC-LDP-24DC/2X21MS,

Order No. 

2905550

* If completely assembled RIF-1 relay 

modules are used, the indicator/ 
interference suppression modules must be 
removed before installation.

Adapter for RIFLINE complete RF-1

System cabling for controllers

Controller-specific system cabling

VARIOFACE adapter for

RIFLINE complete RIF-1

phoenixcontact-interface-technology-and-switching-devices-html.html
background image

Cross-reference list for PLC-V8 adapters with matching PLC-INTERFACE modules

Se

rie

s

Function

Contact

Input

Output 

Page

Un

iv

e

r

s

a

l

Relay

1 changeover contact

24 V DC

250 V AC/DC / 6 A

 372

24 V DC

250 V AC/DC / 10 A

 387

12 V DC

30 V AC/36 V DC / 50 mA

 373

24 V DC

30 V AC/36 V DC / 50 mA

 373

24 V AC/DC

30 V AC/36 V DC / 50 mA

 373

48 V DC

30 V AC/36 V DC / 50 mA

 373

60 V DC

30 V AC/36 V DC / 50 mA

 373

120 V AC/DC

30 V AC/36 V DC / 50 mA

 373

230 V AC/DC

30 V AC/36 V DC / 50 mA

 373

120 V AC

30 V AC/36 V DC / 50 mA

1

)

 388

230 V AC

30 V AC/36 V DC / 50 mA

1

)

 388

1 changeover contact 
with manual operation

24 V DC

250 V  AC/DC  /  6 A

 373

12 V DC

30 V AC/36 V DC / 50 mA

 373

24 V DC

30 V AC/36 V DC / 50 mA

 373

24 V AC/DC

30 V AC/36 V DC / 50 mA

 373

120 V AC/DC

30 V AC/36 V DC / 50 mA

 373

230 V AC/DC

30 V AC/36 V DC / 50 mA

 373

2 changeover contacts

24 V DC

250 V AC/DC / 6 A

 374

24 V DC

30 V AC/DC / 50 mA

 375

Relay switch

1 N/O contact

24 V AC/DC

250 V AC/DC / 6 A

 404

24 V AC/DC

250 V AC/DC / 6 A

 404

Optocoupler

1 N/O contact, electronic 

24 V DC

24 V DC /  3 A

 377

24 V DC

24 V DC / 10 A

 407

24 V DC

250 V AC / 0.75 A

 377

24 V DC

300 V  DC  /  1 A

 406

24 V DC

48 V DC / 100 mA

 376

48 V DC

48 V DC / 100 mA

 376

60 V DC

48 V DC / 100 mA

 376

120 V AC/DC

48 V DC / 100 mA

 376

230 V AC/DC

48 V DC / 100 mA

 376

NAMUR

24 V DC / 50 mA

 420

120 V AC

48 V DC / 100 mA

2

)

 388

230 V AC

48 V DC / 100 mA

2

)

 388

1 changeover contact, electronic 

24 V DC

48 V DC / 0.5 A

 407

Feed-through

250 V AC/DC

250 V AC/DC

 546

24 V DC

24 V DC

 546

Ac

t

u

a

t

o

r

 

Relay

1 N/O contact

24 V DC

250 V  AC/DC  /  6 A

 378

24 V DC

250 V AC/DC / 10 A
(80 A, 20 ms)

 386

1 N/O contact with manual operation

24 V DC

250 V  AC/DC  /  6 A

 379

2 N/O contacts 

24 V DC

250 V  AC/DC  /  6 A

 379

Optocoupler 

1 N/O contact, electronic

24 V DC

24 V DC / 3 A

 380

24 V DC

24 V DC / 5 A

 382

24 V DC

250 V AC / 0.75 A

 381

24 V DC

250 V  AC  /  2 A

 382

Feed-through

250 V AC/DC

250 V AC/DC

 546

24 V DC

24 V DC

 546

Se

n

s

o

r

4

)

Relay

1 N/O contact

24 V DC

30 V AC/36 V DC / 50 mA

 384

120 V AC/DC

30 V AC/36 V DC / 50 mA

 384

230 V AC/DC

30 V AC/36 V DC / 50 mA

 384

120 V AC

30 V AC/36 V DC / 50 mA

1

)

 389

230 V AC

30 V AC/36 V DC / 50 mA

1

)

 389

1 N/O contact with manual operation

24 V DC

30 V AC/36 V DC / 50 mA

 385

120 V AC/DC

30 V AC/36 V DC / 50 mA

 385

230 V AC/DC

30 V AC/36 V DC / 50 mA

 385

Optocoupler

1 N/O contact, electronic

24 V DC

48 V DC / 100 mA

 385

120 V AC/DC

48 V DC / 100 mA

 385

230 V AC/DC

48 V DC / 100 mA

 385

120 V AC

48 V DC / 100 mA

2

)

 389

230 V AC

48 V DC / 100 mA

2

)

 389

1

) Plug-in miniature relay insert: REL-MR-60DC/21AU, 

2961134

2

) Plug-in solid-state relay insert: OPT-60DC/48DC/100, 

2966621

3

) PLC-...SO46 is supplied as a basic terminal block with filter, but without relay or solid-state relay.

4

) Cannot be mixed with the universal series (within a byte)

548

PHOENIX CONTACT

System cabling for controllers

Controller-specific system cabling

phoenixcontact-interface-technology-and-switching-devices-html.html
background image

For further information and full technical data, visit phoenixcontact.net/products

P

L

C-

V8

...OU

T

(/

M)

P

L

C-

V8

...IN

(

/M

)

PL

C

-V

8

L

...

O

U

T

Push-in connection

Order No.

Screw connection

Order No.

PLC-RPT-24DC/21

2900299

PLC-RSC-24DC/21

2966171

X

PLC-RPT-24DC/21HC

2900291

PLC-RSC-24DC/21HC

2967620

X

PLC-RPT-12DC/21AU

2900317

PLC-RSC-12DC/21AU

2966919

X

PLC-RPT-24DC/21AU

2900306

PLC-RSC-24DC/21AU

2966265

X

X

PLC-RPT-24UC/21AU

2900307

PLC-RSC-24UC/21AU

2966278

X

X

PLC-RPT-48DC/21AU

2900308

PLC-RSC-48DC/21AU

2966126

X

PLC-RPT-60DC/21AU

2900309

PLC-RSC-60DC/21AU

2966142

X

PLC-RPT-120UC/21AU

2900310

PLC-RSC-120UC/21AU

2966281

X

PLC-RPT-230UC/21AU

2900311

PLC-RSC-230UC/21AU

2966294

X

PLC-RPT-120UC/21/SO46

2900453

3

)

PLC-BSC-120UC/21/SO46

2980319

3

)

X

PLC-RPT-230UC/21/SO46

2900455

3

)

PLC-BSC-230UC/21/SO46

2980335

3

)

X

PLC-RPT- 24DC/21/MS

2909667

PLC-RSC- 24DC/21/MS

2909649

X

PLC-RPT- 12DC/21AU/MS

2909671

PLC-RSC- 12DC/21AU/MS

2909654

X

PLC-RPT- 24DC/21AU/MS

2909672

PLC-RSC- 24DC/21AU/MS

2909655

X

X

PLC-RPT- 24UC/21AU/MS

2909673

PLC-RSC- 24UC/21AU/MS

2909656

X

X

PLC-RPT-120UC/21AU/MS

2909674

PLC-RSC-120UC/21AU/MS

2909657

X

PLC-RPT-230UC/21AU/MS

2909676

PLC-RSC-230UC/21AU/MS

2909660

X

PLC-RPT-24DC/21-21

2900330

PLC-RSC-24DC/21-21

2967060

X

PLC-RPT-24DC/21-21AU

2900338

PLC-RSC-24DC/21-21AU

2967125

X

PLC-RPT-24UC/1/S/H

2900328

PLC-RSC-24UC/1/S/H

2982236

X

PLC-RPT-24UC/1/S/L

2900327

PLC-RSC-24UC/1/S/L

2834876

X

PLC-OPT-24DC/24DC/2

2900364

PLC-OSC-24DC/24DC/2

2966634

X

PLC-OPT-24DC/24DC/10/R

2900398

PLC-OSC-24DC/24DC/10/R

2982702

X

PLC-OPT-24DC/230AC/1

2900369

PLC-OSC-24DC/230AC/1

2967840

X

PLC-OPT-24DC/300DC/1

2900383

PLC-OSC-24DC/300DC/1

2980678

X

PLC-OPT-24DC/48DC/100

2900352

PLC-OSC-24DC/48DC/100

2966728

X

X

PLC-OPT-48DC/48DC/100

2900353

PLC-OSC-48DC/48DC/100

2966993

X

PLC-OPT-60DC/48DC/100

2900354

PLC-OSC-60DC/48DC/100

2967455

X

PLC-OPT-120UC/48DC/100

2900355

PLC-OSC-120UC/48DC/100

2966744

X

PLC-OPT-230UC/48DC/100

2900356

PLC-OSC-230UC/48DC/100

2966757

X

PLC-PT-EIK 1-SVN 24P/P

2900397

PLC-SC-EIK 1-SVN 24P/P

2982663

X

PLC-BPT-120UC/21/SO46

2900453

3

)

PLC-BSC-120UC/21/SO46

2980319

3

)

X

PLC-BPT-230UC/21/SO46

2900455

3

)

PLC-BSC-230UC/21/SO46

2980335

3

)

X

PLC-OPT-24DC/48DC/500/W

2900378

PLC-OSC-24DC/48DC/500/W

2980636

X

PLC-VT

2296870

X

X

PLC-VT/LA

2296854

X

X

PLC-RPT-24DC/1/ACT

2900312

PLC-RSC-24DC/1/ACT

2966210

X

PLC-RPT-24DC/1IC/ACT

2900298

PLC-RSC-24DC/1IC/ACT

2967604

X

PLC-RPT- 24DC/ 1/MS/ACT

2909677

PLC-RSC- 24DC/ 1/MS/ACT

2909661

X

PLC-RSC-24DC/1-1/ACT

2967109

X

PLC-OPT-24DC/24DC/2/ACT

2900376

PLC-OSC-24DC/24DC/2/ACT

2966676

X

PLC-OSC-24DC/24DC/5/ACT

2982786

X

PLC-OSC-24DC/230AC/1/ACT

2967947

X

PLC-OSC-24DC/230AC/2/ACT

2982760

X

PLC-VT/AKT

2295567

X

PLC-VT/AKT/LA

2296867

X

PLC-RPT-24DC/1AU/SEN

2900313

PLC-RSC-24DC/1AU/SEN

2966317

X

PLC-RPT-120UC/1AU/SEN

2900314

PLC-RSC-120UC/1AU/SEN

2966320

X

PLC-RPT-230UC/1AU/SEN

2900315

PLC-RSC-230UC/1AU/SEN

2966333

X

PLC-BPT-120UC/1/SEN/SO46

2900456

3

)

PLC-BSC-120UC/1/SEN/SO46

2980322

3

)

X

PLC-BPT-230UC/1/SEN/SO46

2900457

3

)

PLC-BSC-230UC/1/SEN/SO46

2980348

3

)

X

PLC-RPT- 24DC/ 1AU/MS/SEN

2909678

PLC-RSC- 24DC/ 1AU/MS/SEN 

2909663

  

X

PLC-RPT-120UC/ 1AU/MS/SEN

2909679

PLC-RSC-120UC/ 1AU/MS/SEN

2909664

  

X

PLC-RPT-230UC/ 1AU/MS/SEN

2909680

PLC-RSC-230UC/ 1AU/MS/SEN

2909665

 

X

PLC-OPT-24DC/48DC/100/SEN

2900358

PLC-OSC-24DC/48DC/100/SEN

2966773

X

PLC-OPT-120UC/48DC/100/SEN

2900359

PLC-OSC-120UC/48DC/100/SEN

2966799

X

PLC-OPT-230UC/48DC/100/SEN

2900361

PLC-OSC-230UC/48DC/100/SEN

2966809

X

PLC-BPT-120UC/1/SEN/SO46

2900456

3

)

PLC-BSC-120UC/1/SEN/SO46

2980322

3

)

X

PLC-BPT-230UC/1/SEN/SO46

2900457

3

)

PLC-BSC-230UC/1/SEN/SO46

2980348

3

)

X

PLC universal series

The universal series can be used as an 

input or output interface. Each product 
consists of a basic terminal block with a 
plug-in miniature relay (changeover contact) 
or a plug-in solid-state relay.

PLC actuator series

When used as an interface between the 

PLC and actuators, such as motors, 
contactors or solenoid valves, only one 
N/O contact function is normally required. 
The PLC...ACT output interface is used 
here. All actuator connections, including the 
load return line, are connected directly. This 
eliminates the need for additional output 
terminal blocks.

PLC sensor series

When used as an interface between the 

PLC and sensors, such as proximity 
switches, limit switches or auxiliary 
contacts, often only one N/O contact 
function is required. The PLC...SEN input 
interface is used here. All sensor 
connections, including the supply voltage 
for the sensors and switches, are connected 
directly. This eliminates the need for 
additional terminal blocks.

549

PHOENIX CONTACT

System cabling for controllers

Controller-specific system cabling

phoenixcontact-interface-technology-and-switching-devices-html.html
background image

 

 

Applied for: cUL / UL

Technical data

Technical data

Maximum permissible operating voltage

< 50 V AC / 60 V DC

< 50 V AC / 60 V DC

Maximum permissible operating voltage UL / CSA

125 V / -

125 V / -

Maximum permissible current carrying capacity per path

1 A

1 A

Maximum conductor resistance

0.16 

/m

0.16 

/m

Ambient temperature (operation)

-20 °C ... 50 °C

-20 °C ... 50 °C

Shield

-

Tinned copper-braided shield, approx. 85% covering

Assembly

Insulation displacement, IEC 60352-4/DIN EN 60352-4

Insulation displacement, IEC 60352-4/DIN EN 60352-4

Conductor cross section

AWG 26 / 0.14 mm²

AWG 26 / 0.14 mm²

Conductor structure: stranded wires / material

7 / Cu tin-plated

7 / Cu tin-plated

Outside diameter

14-pos.

6.4 mm

6.7 mm

50-pos.

10.3 mm

11 mm

Ordering data

Ordering data

Description

No. of

pos.

Cable length

Type

Order No.

Pcs./

Pkt.

Type

Order No.

Pcs./

Pkt.

Assembled round cable

, with two 14-pos. IDC/FLK socket strips 

in fixed lengths for transfer of 8 channels

14

0.3 m

FLK 14/EZ-DR/  30/KONFEK

2295729

5

14

0.5 m

FLK 14/EZ-DR/  50/KONFEK

2288901

5

FLK 14/EZ-DR/  50/KONFEK/S

2296977

1

14

1 m

FLK 14/EZ-DR/ 100/KONFEK

2288914

1

FLK 14/EZ-DR/ 100/KONFEK/S

2296980

1

14

1.5 m

FLK 14/EZ-DR/ 150/KONFEK

2288927

1

FLK 14/EZ-DR/ 150/KONFEK/S

2296993

1

14

2 m

FLK 14/EZ-DR/ 200/KONFEK

2288930

1

FLK 14/EZ-DR/ 200/KONFEK/S

2297002

1

14

2.5 m

FLK 14/EZ-DR/ 250/KONFEK

2288943

1

14

3 m

FLK 14/EZ-DR/ 300/KONFEK

2288956

1

FLK 14/EZ-DR/ 300/KONFEK/S

2299013

1

14

3.5 m

FLK 14/EZ-DR/ 350/KONFEK

2288969

1

14

4 m

FLK 14/EZ-DR/ 400/KONFEK

2288972

1

FLK 14/EZ-DR/ 400/KONFEK/S

2299026

1

14

4.5 m

FLK 14/EZ-DR/ 450/KONFEK

2290847

1

14

5 m

FLK 14/EZ-DR/ 500/KONFEK

2290834

1

14

5.5 m

FLK 14/EZ-DR/ 550/KONFEK

2290850

1

14

6 m

FLK 14/EZ-DR/ 600/KONFEK

2290863

1

FLK 14/EZ-DR/ 600/KONFEK/S

2299039

1

14

8 m

FLK 14/EZ-DR/ 800/KONFEK

2299563

1

FLK 14/EZ-DR/ 800/KONFEK/S

2299042

1

14

10 m

FLK 14/EZ-DR/1000/KONFEK

2299576

1

FLK 14/EZ-DR/1000/KONFEK/S

2299055

1

Assembled round cable

, with two 50-pos. IDC/FLK socket strips 

in fixed lengths for transfer of 32 channels

50

0.5 m

FLK 50/EZ-DR/  50/KONFEK

2289065

5

FLK 50/EZ-DR/  50/KONFEK/S

2299097

1

50

1 m

FLK 50/EZ-DR/ 100/KONFEK

2289078

1

FLK 50/EZ-DR/ 100/KONFEK/S

2299107

1

50

1.5 m

FLK 50/EZ-DR/ 150/KONFEK

2289081

1

FLK 50/EZ-DR/ 150/KONFEK/S

2299110

1

50

2 m

FLK 50/EZ-DR/ 200/KONFEK

2289094

1

FLK 50/EZ-DR/ 200/KONFEK/S

2299123

1

50

2.5 m

FLK 50/EZ-DR/ 250/KONFEK

2289104

1

50

3 m

FLK 50/EZ-DR/ 300/KONFEK

2289117

1

FLK 50/EZ-DR/ 300/KONFEK/S

2299136

1

50

3.5 m

FLK 50/EZ-DR/ 350/KONFEK

2289120

1

50

4 m

FLK 50/EZ-DR/ 400/KONFEK

2289133

1

FLK 50/EZ-DR/ 400/KONFEK/S

2299149

1

50

4.5 m

FLK 50/EZ-DR/ 450/KONFEK

2289573

1

50

5 m

FLK 50/EZ-DR/ 500/KONFEK

2289586

1

50

5.5 m

FLK 50/EZ-DR/ 550/KONFEK

2289599

1

50

6 m

FLK 50/EZ-DR/ 600/KONFEK

2289609

1

FLK 50/EZ-DR/ 600/KONFEK/S

2299152

1

50

6.5 m

FLK 50/EZ-DR/ 650/KONFEK

2289612

1

50

7 m

FLK 50/EZ-DR/ 700/KONFEK

2289625

1

50

7.5 m

FLK 50/EZ-DR/ 750/KONFEK

2289638

1

50

8 m

FLK 50/EZ-DR/ 800/KONFEK

2289641

1

FLK 50/EZ-DR/ 800/KONFEK/S

2299165

1

50

8.5 m

FLK 50/EZ-DR/ 850/KONFEK

2289654

1

50

9 m

FLK 50/EZ-DR/ 900/KONFEK

2289667

1

50

9.5 m

FLK 50/EZ-DR/ 950/KONFEK

2289670

1

50

10 m

FLK 50/EZ-DR/1000/KONFEK

2289683

1

FLK 50/EZ-DR/1000/KONFEK/S

2299178

1

550

PHOENIX CONTACT

System cabling for controllers

Controller-specific system cabling

Unshielded

Shield connection at one end

– 1:1 connection
– 14 and 50-pos.
– Connectors as per IEC 60603-13
– Unshielded
– Shielded
– Halogen-free, see page 587
– Special lengths, see page 591

System cable with
IDC/FLK socket strips

phoenixcontact-interface-technology-and-switching-devices-html.html
background image

For further information and full technical data, visit phoenixcontact.net/products

 

 

Technical data

Technical data

Maximum permissible operating voltage

< 50 V AC / 60 V DC

< 50 V AC / 60 V DC

Maximum permissible operating voltage UL / CSA

125 V / -

125 V / -

Maximum permissible current carrying capacity per path

1 A

1 A

Maximum conductor resistance

0.16 

/m

0.16 

/m

Ambient temperature (operation)

-20 °C ... 50 °C

-20 °C ... 50 °C

Shield

-

Tinned copper-braided shield, approx. 85% covering

Assembly

Insulation displacement, IEC 60352-4/DIN EN 60352-4

Insulation displacement, IEC 60352-4/DIN EN 60352-4

Conductor cross section

AWG 26 / 0.14 mm²

AWG 26 / 0.14 mm²

Conductor structure: stranded wires / material

7 / Cu tin-plated

7 / Cu tin-plated

Number of plugs on the module side

4

4

Outside diameter

50-pos.

6.3 mm

6.3 mm

Ordering data

Ordering data

Description

No. of

pos.

Cable length

Type

Order No.

Pcs./

Pkt.

Type

Order No.

Pcs./

Pkt.

Assembled round cable,

 with a 50-pos. IDC/FLK socket strip 

and four 14-pos. IDC/FLK socket strips, for splitting 32 channels 

into 4 x 8 channels.

50

0.5 m

FLK 50/4X14/EZ-DR/  50/KONFEK

2296689

1

50

1 m

FLK 50/4X14/EZ-DR/ 100/KONFEK

2296692

1

50

1.5 m

FLK 50/4X14/EZ-DR/ 150/KONFEK

2296702

1

50

2 m

FLK 50/4X14/EZ-DR/ 200/KONFEK

2296715

1

50

2.5 m

FLK 50/4X14/EZ-DR/ 250/KONFEK

2305402

1

50

3 m

FLK 50/4X14/EZ-DR/ 300/KONFEK

2296728

1

50

4 m

FLK 50/4X14/EZ-DR/ 400/KONFEK

2296731

1

50

6 m

FLK 50/4X14/EZ-DR/ 600/KONFEK

2296744

1

50

8 m

FLK 50/4X14/EZ-DR/ 800/KONFEK

2296757

1

50

10 m

FLK 50/4X14/EZ-DR/1000/KONFEK

2296773

1

Assembled round cable

, as above, but in variable lengths

50

FLK 50-4X14-EZ-DR ...

2302405

1

Assembled round cable

, as above, but shielded and in variable 

lengths

50

FLK 50-4X14-EZ-DR-S ...

2302447

1

Ordering example 

for system cable

– Unshielded splitting cable 12.75 m long

Quantity

Order No. 

Length [m]

1

)

1

2302405

/

12.75

1

) min. 0.30 m

– Shielded splitting cable 11.00 m long

Quantity

Order No. 

Length [m]

1

)

1

2302447

/

11.00

1

) min. 0.30 m

551

PHOENIX CONTACT

System cabling for controllers

Controller-specific system cabling

Splitting cable unshielded

50 positions to 4 x 14

Splitting cable shielded

50 positions to 4 x 14

– Splitting 32 channels into 4 x 8 channels
– 50-pos. connector at one end
– 4 x 14-pos. connector at one end
– Connectors as per IEC 60603-13
– Unshielded
– Shielded
– Special  lengths

Splitting cable with
IDC/FLK socket strips

phoenixcontact-interface-technology-and-switching-devices-html.html
background image

Technical data

Maximum permissible operating voltage

125 V

Maximum permissible current (per branch)

3 A (field signal)

Maximum total current (voltage supply)

15 A (per module)

Ambient temperature (operation)

-40 °C ... 70 °C

Mounting position

As desired on 35 mm DIN rail in acc. with EN 60715

Standards/regulations

IEC

 

60664 , DIN EN 50178

Connection method

Field level

Screw connection

Controller level

D-SUB pin strip

Connection data solid/stranded/AWG

0.2 ... 4 mm² / 0.2 ... 2.5 mm² / 24 - 12

Dimensions

H / D

102.7 mm / 72.2 mm

Ordering data

Description

No. of

pos.

Module width

W

Type

Order No.

Pcs./

Pkt.

Base element with D-SUB

 

25

- Marked 1 to 8

8

118.1 mm

VIP/S/D25M/BASE 1-8/L/C/EX

2906595

1

552

PHOENIX CONTACT

VIP base element for use with IOA... plugs.

– Up to 8 channels per base
– D-SUB 25 connection to controller
– 4 connections per channel
– Multiple shield options

VIP I/O-Marshalling base, D-SUB

System cabling for controllers

VIP I/O-Marshalling universal platform

D W

H

new

8-channel base with screw connection

phoenixcontact-interface-technology-and-switching-devices-html.html
background image

For further information and full technical data, visit phoenixcontact.net/products

Ex: 

 

 

Technical data

Technical data

Maximum permissible operating voltage

125 V

125 V

Maximum permissible current (per branch)

3 A (field signal)

3 A (field signal)

Maximum total current (voltage supply)

15 A (per module)

15 A (per module)

Ambient temperature (operation)

-40 °C ... 75 °C

-40 °C ... 75 °C

Mounting position

As desired on 35 mm DIN rail in acc. with EN 60715

As desired on 35 mm DIN rail in acc. with EN 60715

Standards/regulations

IEC

 

60664 , DIN EN 50178

IEC

 

60664 , DIN EN 50178

Connection method

Field level

Screw connection

Screw connection

Controller level

Plug-in screw connection

Plug-in screw connection

Connection data solid/stranded/AWG

0.2 ... 4 mm² / 0.2 ... 2.5 mm² / 24 - 12

0.2 ... 4 mm² / 0.2 ... 2.5 mm² / 24 - 12

Dimensions

H / D

102.7 mm / 72.2 mm

102.7 mm / 72.2 mm

Ordering data

Ordering data

Description

No. of

pos.

Module width

W

Type

Order No.

Pcs./

Pkt.

Type

Order No.

Pcs./

Pkt.

Base element with MCC

- Marked 1 to 8

8

118.1 mm

VIP/S/MC/BASE 1-8/L/EX

2906596

1

- Marked 9 to 16

8

118.1 mm

VIP/S/MC/BASE 9-16/L/EX

2906630

1

- Marked 17 to 24

8

118.1 mm

VIP/S/MC/BASE 17-24/L/EX

2907024

1

- Marked 25 to 32

8

118.1 mm

VIP/S/MC/BASE 25-32/L/EX

2907025

1

Base element with MCC, conformally coated

- Marked 1 to 8

8

118.1 mm

VIP/S/MC/BASE 1-8/L/C/EX

2907186

1

- Marked 9 to 16

8

118.1 mm

VIP/S/MC/BASE 9-16/L/C/EX

2907187

1

- Marked 17 to 24

8

118.1 mm

VIP/S/MC/BASE 17-24/L/C/EX

2907209

1

- Marked 25 to 32

8

118.1 mm

VIP/S/MC/BASE 25-32/L/C/EX

2907210

1

Accessories

Accessories

Partition plate

- Base mount

VIP/S/BASE 3L DIVIDER

2907715

1

VIP/S/BASE 3L DIVIDER

2907715

1

- Rail mount

VIP/U/RAIL 3L DIVIDER

2908555

1

VIP/U/RAIL 3L DIVIDER

2908555

1

553

PHOENIX CONTACT

System cabling for controllers

VIP I/O-Marshalling universal platform

8-channel base with screw connection

8-channel base with screw connection

VIP base element for use with IOA... plugs.

– Up to 8 channels per base
– Base elements already marked for 

channels 1 to 32

– 4 connections per channel
– Multiple shield options
– Color-coded COMBICON connection to 

controller

D W

H

new

D W

H

new

VIP I/O-Marshalling base, 
removable plugs

phoenixcontact-interface-technology-and-switching-devices-html.html
background image

C

H

n

-

C

H

n

+

n

A

nB

Technical data

Maximum permissible operating voltage

24 V DC

Maximum permissible current (per branch)

1 A

Ambient temperature (operation)

-40 °C ... 75 °C

Mounting position

any

Standards/regulations

IEC

 

60664 , DIN EN 50178

Dimensions

H / D

64.2 mm / 72.9 mm

Ordering data

Description

No. of

pos.

Module width

W

Type

Order No.

Pcs./

Pkt.

Feed-through plug

1

10.3 mm

IOA FEED-THRU/EX

2906598

1

554

PHOENIX CONTACT

IOA plug for VIP base element

– Feed-through plug for single channel
– Two-stage plug release

Input/output accessory, 
feed-through

System cabling for controllers

VIP I/O-Marshalling universal platform

new

Feed-through plug

phoenixcontact-interface-technology-and-switching-devices-html.html
background image

P

1+

C

H

n

+

C

H

n

-

n

A

nB

nC

nD

F1

P

1-

F

2

P

1+

C

H

n

+

C

H

n

-

n

A

nB

nC

nD

F1

P

1-

F

2

For further information and full technical data, visit phoenixcontact.net/products

Technical data

Technical data

Maximum permissible operating voltage

24 V DC

24 V DC

Maximum permissible current (per branch)

500 mA (fuse limited)

1 A (fuse limited)

Ambient temperature (operation)

-40 °C ... 75 °C

-40 °C ... 75 °C

Mounting position

any

any

Standards/regulations

IEC

 

60664 , DIN EN 50178

IEC

 

60664 , DIN EN 50178

Dimensions

H / D

64.2 mm / 72.9 mm

64.2 mm / 72.9 mm

Ordering data

Ordering data

Description

No. of

pos.

Module width

W

Type

Order No.

Pcs./

Pkt.

Type

Order No.

Pcs./

Pkt.

Analog protection plug

- 500

 

mA fuse

1

10.3 mm

IOA AI/AO/BFI/DS/0.5A/EX

2906599

1

Digital protection plug

- 1

 

A fuse

1

10.3 mm

IOA DI/DO/BFI/DS/1.0A/EX

2906600

1

555

PHOENIX CONTACT

System cabling for controllers

VIP I/O-Marshalling universal platform

Analog protection plug with fuse

Digital protection plug with fuse

IOA plug for VIP base element

– Analog and digital input/output plugs for 

single channel

– 500 mA fuse with blown fuse indication
– Disconnect with test points
– Two-stage plug release

new

new

Input/output accessory, 
analog and digital

phoenixcontact-interface-technology-and-switching-devices-html.html
background image

Technical data

Technical data

Input data

 

 

 

 

 

 

 

 

 

 

 

 

 

 

 

 

 

 

 

 

Permissible range (with reference to U

N

)

0.9  - 

1.1

0.9 - 

1.1

0.9 - 

1.1

0.9 - 

1.1

Typical input current at U

N

[mA]

7

3

13.5

13.5

Typical response time at U

N

[ms]

5

3

5

5

Typical release time at U

N

[ms]

8

4

8

8

Input protection:

Yellow LED, polarity protection diode, damping diode

Yellow LED, polarity protection diode, damping diode

Output data

Contact type

1 N/O contact

1 N/O contact

1 PDT

1 PDT

Contact material

AgSnO, hard gold-plated

AgSnO, hard gold-plated

AgSnO

AgSnO

Max. switching voltage

24 V DC

36 V DC

36 V DC

120 V AC / 125 V DC

Minimum switching voltage

100 mV (at 10 mA)

-

5 V (at 100 mA)

-

Limiting continuous current

50 mA

50 mA

3 A (fuse limited)

3 A (fuse limited)

Minimum switching current

1 mA (at 24 V)

1 mA (at 24 V)

10 mA (at 12 V)

10 mA (at 12 V)

General data

Ambient temperature (operation)

-40 °C ... 70 °C

-40 °C ... 70 °C

Nominal operating mode

100% operating factor

100% operating factor

Mechanical service life

2 x 10

7

 cycles

2 x 10

7

 cycles

Standards/regulations

IEC

 

60664 , DIN EN 50178

IEC

 

60664 , DIN EN 50178

Dimensions

W / H / D

10.3 mm / 64.2 mm / 72.9 mm

10.3 mm / 64.2 mm / 72.9 mm

Ordering data

Ordering data

Description

Input voltage

U

N

Type

Order No.

Pcs./

Pkt.

Type

Order No.

Pcs./

Pkt.

Digital relay input plug

24 V DC

IOA REL 24V DI/BFI/1.0A/EX

2910155

10

120 V AC/DC

IOA REL 120V DI/1.0A/EX

2910157

10

Digital relay output plug

24 V DC

IOA REL 24V DO/BFI/3.0A/EX

2910153

10

24 V DC

IOA REL 120V DO/BFI/3.0A/EX

2910154

10

556

PHOENIX CONTACT

System cabling for controllers

VIP I/O-Marshalling universal platform

Relay input plug

Relay output plug

IOA plug for VIP base element

– Relay input and output plugs for single 

channel

– Fused with blown fuse indication
– Selectable N/O and N/C output contacts
– Two-stage plug release

new

new

Input/output accessory, 
relay

phoenixcontact-interface-technology-and-switching-devices-html.html
background image

C

H

n

+

C

H

n

-

n

A

nB

nC

nD

P

1+

F1

P

1-

C

H

n

+

C

H

n

-

n

A

nB

nC

nD

P2

+

F1

P2

-

C

H

n

+

C

H

n

-

P

1+

P

1-

n

A

nB

nC

nD

NO

 

NC

F1

C

H

n

+

C

H

n

-

P2

+

P2

-

n

A

nB

nC

nD

NO

 

NC

F1

For further information and full technical data, visit phoenixcontact.net/products

557

PHOENIX CONTACT

IOA REL 24V DI/BFI/1.0A/EX connection scheme

IOA REL 120V DI/1.0A/EX connection scheme

IOA REL 24V DO/BFI/3.0A/EX connection scheme

IOA REL 120V DO/BFI/3.0A/EX connection scheme

System cabling for controllers

VIP I/O-Marshalling universal platform

phoenixcontact-interface-technology-and-switching-devices-html.html
background image

558

PHOENIX CONTACT

System cabling for controllers

Retrofit and modernization components

Intermediate adapter for 
SIMATIC

®

 S5 to SIMATIC

®

 S7-400

The S5 connector is plugged directly into 

the I/O card using the intermediate adapter. 
A new S7-400 is installed in place of the S5. 
The existing field wiring is retained.

Conversion adapter from 
SIMATIC

®

 S5 to SIMATIC

®

 S7-300

Using the adapters, the signals of the 

S5 front adapter are converted to a 50-pos. 
strip. The signals are routed to the S7-300 
I/O module via a system cable and front 
adapter.

Startup adapter for test purposes

The universal startup adapters extend all 

signals of the existing S5 wiring. The open 
cable end can be connected to different 
controllers such as S7-400 or S7-300.

Simply enter “

#0007

” into the search 

field on our website.

Your web code: 

#0007

phoenixcontact-interface-technology-and-switching-devices-html.html
background image

23

22

34

33

32

31

3

0

2

9

4

0

42

3

9

41

3

8

37

2425 26272

8

3536

2

8

27

26

25

41

4

0

3

9

3

8

37

36

35

34

4

9

4

8

47

46

45

44

5

0

2

9

3

0

313233

4243

3

2

1

14

13

12

11

1

0

9

2

0

21

1

9

1

8

17

4 5 6 7

8

1516

L+

L-

L2+

DR1

DR3

DR4

DR2

4

3

2

1

17

16

15

14

13

12

11

1

0

24

23

22

21

2

0

5 6 7

8 9

1

8

1

9

FLK5

0

S

5-135

FLK5

0

S

5-135

1

4

0

2

41

3

42

1

1

4

0

4

0

2

2

41

41

3

3

42

42

S

5-135

For further information and full technical data, visit phoenixcontact.net/products

Technical data

Maximum permissible operating voltage

60 V DC

Maximum permissible current

1 A (per path)

Ambient temperature (operation)

-20 °C ... 50 °C

Ambient temperature (storage/transport)

-20 °C ... 70 °C

Mounting position

any

Standards/regulations

IEC

 

60664 / DIN EN 50178

Ordering data

Description

Type

Order No.

Pcs./

Pkt.

Digital IN or OUT 24 V DC from S5-135 to S7-300

IN

6ES5 420-4UA14 to 6ES7 321-1BL00-0AA0

6ES5 430-4UA14 to 6ES7 321-1BL00-0AA0

OUT

6ES5 441-4UA14 to 6ES7 322-1BL00-0AA0

6ES5 451-4UA14 to 6ES7 322-1BL00-0AA0

FLKM S135/S7/FLK50/PLC

2314736

1

FLKM S135/S7/FLK50/PLC connection scheme

S5-S7 adapters connect the S5-135 front 

adapters wired with individual wires to the 
I/O modules of the S7.

With the aid of the FLKM S135/S7/FLK50 

converter module, the signals of the S5-135 
front adapter can be converted to a 50-pos. 
strip. A FLK 50/EZ-DR/.../KONFEK 50-pos. 
system cable and a front adapter for S7-300 
(FLKM 50-PA-S300) connect the signals to 
the I/O module.

Notes:

Due to the geometry, it is not possible to couple any molded 

FLK connectors (e.g., VIP-PA...S7).

Siemens SIMATIC

®

 S7-300

adapter for conversion from 
S5-135/155 to S7-300

System cabling for controllers

Retrofit and modernization components

Converter for SIMATIC

®

 S5-135

to 50-pos. FLK strip

Technical data

Maximum permissible operating voltage

250 V AC/DC

Maximum permissible current

6 A (per path)

Ambient temperature (operation)

-20 °C ... 50 °C

Ambient temperature (storage/transport)

-20 °C ... 80 °C

Mounting position

any

Standards/regulations

IEC

 

60664 / DIN EN 50178

Ordering data

Description

Type

Order No.

Pcs./

Pkt.

Connection of all S5-135 connections

 (1 to 42) at the open 

cable end

FLKM S135/42X0,75/3,0M/OE

2315007

1

FLKM S135/42X0,75/5,0M/OE

2318017

1

Connection of all S5-135 connections

 (1 to 42) without cable

FLKM S135/42XMKDSN

2901603

1

559

PHOENIX CONTACT

All signals of the existing S5-135 wiring 

3 or 5 are extended with the help of the 
universal startup adapters. The open cable 
end can be connected to various controllers 
such as S7-400 or S7-300. Thus, the existing 
field wiring of S5-135 can communicate with 
the new controller for test purposes. Since 
the new control unit is temporarily 
arranged before the control cabinet, the 
original status of the system can be restored 
if required.

The S5-135 is replaced once the system 

operates without errors with the new 
controller.

Startup adapter for extending the 
existing S5-135/155 field wiring

Startup adapter for

S5-135/155 field wiring

phoenixcontact-interface-technology-and-switching-devices-html.html
background image

560

PHOENIX CONTACT

Siemens SIMATIC

®

 S7-400

adapter for conversion from 
S5-135/155 to S7-400

The FLKM S135/... adapters directly 

connect an S5 connector wired with single 
wires to the S7-400 basic card.

The S5 connector is plugged directly 

into an S7-400 I/O card with the aid of 
the FLKM S135/... intermediate adapter.

A new S7-400 is installed in place of 

the S5. The existing field wiring is retained.

Note:

The LEDs of the S7-400 module are 

hidden.

Technical data

...SO120, ...S400, ...SO122

...SO121

Maximum permissible operating voltage

60 V DC

60 V DC

60 V DC

60 V DC

60 V DC

60 V DC

Maximum permissible current

4 A (per path)

4 A (per connection, supply via 

separate power supply)

2 A (per path)

2 A (during supply via separate 

power supply)

Ambient temperature (operation)

-20 °C ... 50 °C

-20 °C ... 50 °C

-20 °C ... 50 °C

-20 °C ... 50 °C

-20 °C ... 50 °C

-20 °C ... 50 °C

Connection method

Field level

SIEMENS S5-135 U pin strip

SIEMENS S5-135 U pin strip

SIEMENS S5-135 U pin strip

SIEMENS S5-135 U pin 

Standards/regulations

IEC

 

60664 / DIN EN 50178

IEC

 

60664 / DIN EN 50178

IEC

Ordering data

Description

Module width

W

Type

Order No.

Pcs./

Pkt.

Digital IN 24 V DC

6ES5 420-4UA14 on 6ES7 421-1BL01-0AA0

FLKM S135/S400/SO120

2301723

1

6ES5 430-4UA14 on 6ES7 421-1BL01-0AA0

FLKM S135/S400/SO121

2301736

1

6ES5 431-4UA12 to 6ES7 421-7DH00-0AB0

FLKM S135-431-4UA/S400

2314846

1

6ES5 432-4UA12 on 6ES7 421-1BL01-0AA0

FLKM S135/S400/SO122

2301749

1

Digital OUT 24 V DC

6ES5 441-4UA12 to 6ES7 422-1BL00-0AA0

6ES5 451-4UA14 to 6ES7 422-1BL00-0AA0

Digital OUT 24 V DC / 2 A

6ES5 453-4UA12 to 6ES7 422-1HH00-0AA0

6ES5 454-4UA14 to 6ES7 422-1BH11-0AA0

Analog IN 

Pt 100

6ES5 465-4UA13 to 6ES7 431-7KF10-0AB0

Current and voltage measurement

6ES5 465-4UA13 to 6ES7 431-0HH00-0AB0

6ES5 465-4UA13 to 6ES7 431-7QH00-0AB0

Current measurement

6ES5 460-4UA13 to 6ES7 431-1KF00-0AB0

Voltage measurement

6ES5 460-4UA13 to 6ES7 431-1KF00-0AB0

Analog OUT

Current output

6ES5 470-4UA13 to 6ES7 432-1HF00-0AB0

6ES5 470-4UC13 to 6ES7 432-1HF00-0AB0

Voltage output

6ES5 470-4UA13 to 6ES7 432-1HF00-0AB0

6ES5 470-4UB13 to 6ES7 432-1HF00-0AB0

6ES5 470-4UC13 to 6ES7 432-1HF00-0AB0

System cabling for controllers

Retrofit and modernization components

Adapter for digital input modules

Adapter for digital output modules

Adapter for analog input modules

Adapter for analog output mo

phoenixcontact-interface-technology-and-switching-devices-html.html
background image

For further information and full technical data, visit phoenixcontact.net/products

561

PHOENIX CONTACT

Technical data

Technical data

Technical data

...T/S400

...UI/S400, ...I/S400, ...U/S400

Maximum permissible operating voltage

60 V DC

60 V DC

60 V DC

60 V DC

60 V DC

60 V DC

4 A (per path)

4 A (per connection, supply via separate power supply)

2 A (per path)

2 A (per connection, supply via 

separate power supply)

4 A (per path)

4 A (per connection, supply via 

separate power supply)

4 A (per path)

4 A (per connection, supply via separate power supply)

Ambient temperature (operation)

-20 °C ... 50 °C

-20 °C ... 50 °C

-20 °C ... 50 °C

-20 °C ... 50 °C

-20 °C ... 50 °C

-20 °C ... 50 °C

Connection method

Field level

SIEMENS S5-135 U pin strip

SIEMENS S5-135 U pin strip

SIEMENS S5-135 U pin strip

SIEMENS S5-135 U pin strip

SIEMENS S5-135 U pin strip

SIEMENS S5-135 U pin strip

60664 / DIN EN 50178

IEC

 

60664 / DIN EN 50178

IEC

 

60664 / DIN EN 50178

IEC

 

60664 / DIN EN 50178

IEC

 

60664 / DIN EN 50178

Ordering data

Ordering data

Ordering data

Type

Order No.

Pcs./

Pkt.

Type

Order No.

Pcs./

Pkt.

Type

Order No.

Pcs./

Pkt.

FLKM S135/S400/SO125

2301778

1

FLKM S135/S400/SO126

2301781

1

FLKM S135/S400/SO127

2301794

1

FLKM S135-454-4UA/S400

2314859

1

FLKM S135-465-4UA/T/S400

2314875

1

FLKM S135-465-4UA/UI/S400

2314888

1

FLKM S135-460-4UA/I/S400

2314613

1

FLKM S135-460-4UA/U/S400

2314862

1

FLKM S135-470-4UC/I/S400

2314626

1

FLKM S135-470-4UC/U/S400

2314891

1

System cabling for controllers

Retrofit and modernization components

Adapter for digital input modules

Adapter for digital output modules

Adapter for analog input modules

Adapter for analog output modules

phoenixcontact-interface-technology-and-switching-devices-html.html
background image

S

7

-

400

S

7

-

400

S

5

-

115

S

5

-

115

1

13

23

1

23

2

2

14

12

24

3

5

5

6

6

7

7

8

8

9

9

10

21

31

31

41

41

10

1

9

11

22

32

32

42

42

33

33

43

43

45

45

34

34

35

35

36

36

44

44

46

46

4

7

4

7

48

11

202122

4

15

15

13

16

16

14

12

1

7

2

7

2

7

26

26

25

25

1

7

18

28

28

18

1

9

2

9

2

9

3

9

3

9

38

38

3

7

3

7

20

30

30

40

40

4

3 4

S

7

-

400

S

7

-

400

S

5

-

115

S

5

-

115

1 2 3

5

5

6

6

7

7

8

8

9

9

10

21

31

31

31

31

41

41

10

21

11 12

22 23

32

32

32

32

42

42

33

33

33

33

43

43

45

45

34 35

34 35

34

34

44

44

46

46

48

4

7

11

22 23

4

15

13

1

7

15

13

16

18

16

1

7

2

7

2

7

2

7

2

7

25

25

25

25

1

9

3

7

18

28

28

28

28

20

1

9

2

9

2

9

2

9

2

9

3

9

3

9

3

7

20

30

30

30

30

40

40

4

3

1

4

562

PHOENIX CONTACT

Technical data

Maximum permissible operating voltage

60 V DC

Maximum permissible current

4 A (per path)

4 A (per connection, supply via separate power supply)

Ambient temperature (operation)

-20 °C ... 50 °C

Ambient temperature (storage/transport)

-20 °C ... 70 °C

Mounting position

any

Standards/regulations

IEC

 

60664 / DIN EN 50178

Ordering data

Description

Type

Order No.

Pcs./

Pkt.

Digital IN or OUT 24 V DC from S5-115 to S7-400

IN

6ES5 420-7LA11 to 6ES7 421-1BL01-0AA0

6ES5 430-7LA11 to 6ES7 421-1BL01-0AA0

OUT

6ES5 441-7LA11 to 6ES7 422-1BL00-0AA0

6ES5 451-7LA11 to 6ES7 422-1BL00-0AA0

FLKM S115/S400/SO155

2307248

1

Digital OUT 24 V DC from S5-115 to S7-400

6ES5 454-7LA12 to 6ES7 422-1BH11-0AA0

FLKM S115-454-7LA/S400

2314901

1

FLKM S115-454-7LA/S400 connection scheme

Connection scheme: FLKM S115/S400/SO155

The FLKM S115/... adapters directly 

connect an S5 connector wired with single 
wires to the S7-400 basic card.

The S5 connector is plugged directly 

into an S7-400 I/O card with the aid of the 
FLKM S115/... intermediate adapter.

A new S7-400 is installed in place of the 

S5. The existing field wiring is retained.

Note:

Due to the geometry, it is only possible 

to use every other slot. The LEDs of the 
S7-400 module are hidden by the S5-115 
adapter.

Siemens SIMATIC

®

 S7-400

adapter for conversion from 
S5-115 to S7-400

System cabling for controllers

Retrofit and modernization components

Adapter for

SIMATIC

®

 S5-115/S7-400

phoenixcontact-interface-technology-and-switching-devices-html.html
background image

FLK5

0

FLK5

0

S

5-115

S

5-115

1

13

23

1

23

2

2

14

12

24

3

5

5

6

6

7

7

8

8

9

9

1

0

21

31

31

41

41

1

0

1

9

11

22

32

32

42

42

33

33

43

43

45

45

34

34

35

35

36

36

44

44

46

46

47

47

4

8

11

2

0

2122

4

15

15

13

16

16

14

12

17

27

27

26

26

25

25

17

1

8

2

8

2

8

1

8

1

9

2

9

2

9

3

9

3

9

3

8

3

8

37

37

2

0

3

0

3

0

4

0

4

0

4

3 4

1

45

22

2

46

23

3

47

25

26

1

22

1

22

45

45

2

23

2

23

46

46

3

25 26

3

25 26

47

47

S

5-115

For further information and full technical data, visit phoenixcontact.net/products

Technical data

Maximum permissible operating voltage

60 V DC

Maximum permissible current

1 A (per path)

Maximum permissible total current

2 A (per byte)

Ambient temperature (operation)

-20 °C ... 50 °C

Ambient temperature (storage/transport)

-20 °C ... 70 °C

Standards/regulations

IEC

 

60664 / DIN EN 50178

Ordering data

Description

Type

Order No.

Pcs./

Pkt.

Digital IN or OUT 24 V DC from S5-115 through converters, 

system cables and front adapters to S7-300

IN

6ES5 420-7LA11 on 6ES7 321-1BL00-0AA0

6ES5 430-7LA11 on 6ES7 321-1BL00-0AA0

OUT

6ES5 441-7LA11 on 6ES7 322-1BL00-0AA0

6ES5 451-7LA11 on 6ES7 322-1BL00-0AA0

FLKM S115/S7/FLK50/PLC/SO137

2306294

1

Connection scheme: FLKM S115/S7/FLK50/PLC/SO137

S5-S7 adapters connect the S5-115 front 

adapters wired with individual wires to the 
I/O modules of S7-300.

With the aid of the 

FLKM S115/S7/FLK50/SO137 converter 
module, the signals of the S5-115 front 
adapter can be converted to a 50-pos. strip. 
A FLK 50/EZ-DR/.../KONFEK 50-pos. 
system cable and a front adapter for S7-300 
(FLKM 50-PA-S300) connect the signals to 
the I/O module.

Notes:

Due to the geometry, it is not possible to couple any molded 

FLK connectors (e.g., VIP-PA...S7).

Siemens SIMATIC

®

 S7-300

adapter for conversion from 
S5-115 to S7-300

System cabling for controllers

Retrofit and modernization components

Converter for SIMATIC

®

 S5-115

to 50-pos. FLK strip

Technical data

Maximum permissible operating voltage

250 V AC/DC

Maximum permissible current

6 A (per path)

Ambient temperature (operation)

-20 °C ... 50 °C

Ambient temperature (storage/transport)

-20 °C ... 80 °C

Mounting position

any

Standards/regulations

DIN EN 50178 / IEC

 

60664

Ordering data

Description

Type

Order No.

Pcs./

Pkt.

Connection of all S5-115 connections

 (1 to 23, 25 to 47) at the 

open cable end

FLKM S115/47X0,75/3,0M/OE

2314985

1

FLKM S115/47X0,75/5,0M/OE

2314998

1

563

PHOENIX CONTACT

All signals of the existing S5-115 wiring 

3 or 5 are extended with the help of the 
universal startup adapters. The open cable 
end can be connected to various controllers 
such as S7-400 or S7-300. Thus, the existing 
field wiring of S5-115 can communicate with 
the new controller for test purposes. Since 
the new control unit is temporarily 
arranged before the control cabinet, the 
original status of the system can be restored 
if required.

The S5-115 is replaced once the system 

operates without errors with the new 
controller.

Startup adapters for 
extending the existing 
S5-115 field wiring

Startup adapter for

S5-115 field wiring

phoenixcontact-interface-technology-and-switching-devices-html.html
background image

564

PHOENIX CONTACT

Technical data

Maximum permissible operating voltage

30 V DC

Maximum permissible current (per branch)

1 A

Ambient temperature (operation)

-20 °C ... 50 °C

Mounting position

any

Standards/regulations

DIN EN 50178

Connection method

Field level

Slip-on connection

Controller level

IDC/FLK pin strip

Dimensions

H / D

77 mm / 49 mm

Ordering data

Description

No. of

pos.

Module width

W

Type

Order No.

Pcs./

Pkt.

Digital 16 IN/16 OUT, 24 V DC from S5-95U/100U to S7-300 

S5-100U: 6ES5 482-8MA13 to 6ES7 323-1BL00-AA0

S5-95U: 6ES5 095-8MA03 to 6ES7 323-1BL00-AA0

135 mm

UM-S95U/S7/FLK50/PLC

2907030

1

S5-S7 adapters connect the S5-95U front 

adapters wired with individual wires to the 
I/O modules of the S7-300.

With the aid of the 

UM-S95U/S/FLK50/PLC converter module, 
the signals can be converted to a 50-pos. 
strip. A FLK 50/EZ-DR/.../KONFEK 
50-pos. cable and the front adapter for 
SIMATIC

 S7-300 (FLKM 50-PA-S300) 

establish a connection to the I/O module.

Siemens SIMATIC

®

 S7-300

adapter for conversion from 
S5-95U to S7-300

System cabling for controllers

Retrofit and modernization components

D W

H

new

Converter for SIMATIC

 S5-95U to 

50-pos. IDC/FLK pin strip

Notes:

Due to the geometry, it is not possible to couple any molded 

FLK connectors (e.g., VIP-PA...S7).

phoenixcontact-interface-technology-and-switching-devices-html.html
background image

For further information and full technical data, visit phoenixcontact.net/products

565

PHOENIX CONTACT

System cabling for controllers

Retrofit and modernization components

phoenixcontact-interface-technology-and-switching-devices-html.html
background image

1

1

2

2

3

3

n

n

-

 

 

Technical data

Maximum permissible operating voltage

60 V AC/DC

Maximum permissible operating voltage UL / CSA

125 V / 125 V

Maximum permissible current (per branch)

1 A

Ambient temperature (operation)

-20 °C ... 50 °C

Mounting position

any

Standards/regulations

IEC

 

60664 , DIN EN 50178

IEC

Connection data solid/stranded/AWG

0.2 - 4 mm² / 0.2 - 2.5 mm² / 24 - 12

0.2 - 4 mm² / 0.2 - 2.5 mm² / 24 - 12

0.2 - 4 mm² / 0.2 -

Dimensions

H / D

65.5 mm / 56 mm

Ordering data

Description

No. of

pos.

Module width

W

Type

Order No.

Pcs./

Pkt.

VARIOFACE module

, with pin strip

10

34.70

VIP-2/SC/FLK10

2315010

1

14

39.80

VIP-2/SC/FLK14

2315023

1

16

45.00

VIP-2/SC/FLK16

2315036

1

20

55.10

VIP-2/SC/FLK20

2315049

1

VARIOFACE module

, with pin strip and light indicator

10

34.70

14

44.90

16

50.00

20

60.20

VARIOFACE module

, with pin strip

26

57.10

34

67.30

40

77.40

50

92.70

60

108.00

64

118.00

VARIOFACE module

, with pin strip and light indicator

26

57.40

34

67.60

40

77.80

50

93.10

60

113.50

64

118.60

566

PHOENIX CONTACT

D W

H

VIP – VARIOFACE Professional
modules with IDC/FLK pin strip

Notes:

For marking systems (e.g., “ZB 22:UNBEDRUCKT”; 

Order No. 

0811862

) and mounting material, see Catalog 3.

– 1:1 connection
– 10 to 64-pos.
– Screw  connection
– Metal foot
– As per IEC 60603-13
– With status indicator as an option

Low and high engagement latches are 

supplied with all modules.

System cabling for controllers

Universal modules

10 to 20 positions

with screw connection

phoenixcontact-interface-technology-and-switching-devices-html.html
background image

For further information and full technical data, visit phoenixcontact.net/products

 

 

 

 

 

 

Technical data

Technical data

Technical data

24 V DC

60 V AC/DC

24 V DC

24 V / 24 V

125 V / 125 V

24 V / 24 V

1  A

1  A

1  A

-20 °C ... 50 °C

-20 °C ... 50 °C

-20 °C ... 50 °C

any

any

any

60664 , DIN EN 50178

IEC

 

60664 , DIN EN 50178

IEC

 

60664 , DIN EN 50178

IEC

 

60664 , DIN EN 50178

Connection data solid/stranded/AWG

0.2 - 4 mm² / 0.2 - 2.5 mm² / 24 - 12

0.2 - 4 mm² / 0.2 - 2.5 mm² / 24 - 12

0.2 - 4 mm² / 0.2 - 2.5 mm² / 24 - 12

0.2 - 4 mm² / 0.2 - 2.5 mm² / 24 - 12

65.5 mm / 56 mm

69 mm / 62 mm

69 mm / 62 mm

Ordering data

Ordering data

Ordering data

Type

Order No.

Pcs./

Pkt.

Type

Order No.

Pcs./

Pkt.

Type

Order No.

Pcs./

Pkt.

VIP-2/SC/FLK10/LED

2322045

1

VIP-2/SC/FLK14/LED

2322058

1

VIP-2/SC/FLK16/LED

2322061

1

VIP-2/SC/FLK20/LED

2322074

1

VIP-3/SC/FLK26

2315052

1

VIP-3/SC/FLK34

2315065

1

VIP-3/SC/FLK40

2315078

1

VIP-3/SC/FLK50

2315081

1

VIP-3/SC/FLK60

2315094

1

VIP-3/SC/FLK64

2315104

1

VIP-3/SC/FLK26/LED

2322087

1

VIP-3/SC/FLK34/LED

2322090

1

VIP-3/SC/FLK40/LED

2322100

1

VIP-3/SC/FLK50/LED

2322113

1

VIP-3/SC/FLK60/LED

2322126

1

VIP-3/SC/FLK64/LED

2322139

1

567

PHOENIX CONTACT

D W

H

D W

H

D W

H

System cabling for controllers

Universal modules

10 to 20 positions

with screw connection and light indicator

26 to 64 positions

with screw connection

26 to 64 positions

with screw connection and light indicator

phoenixcontact-interface-technology-and-switching-devices-html.html
background image

1

1

2

2

3

3

n

n

-

 

 

Technical data

Maximum permissible operating voltage

60 V AC/DC

Maximum permissible operating voltage UL / CSA

125 V / 125 V

Maximum permissible current (per branch)

1 A

Ambient temperature (operation)

-20 °C ... 50 °C

Mounting position

any

Standards/regulations

IEC

 

60664 , DIN EN 50178

IEC

Connection data solid/stranded/AWG

0.14 - 2.5 mm² / 0.14 - 2.5 mm² / 26 - 14

0.14 - 2.5 mm² / 0.14 - 2.5 mm² / 26 - 14

0.14 - 2.5 

Dimensions

H / D

72.1 mm / 56 mm

Ordering data

Description

No. of

pos.

Module width

W

Type

Order No.

Pcs./

Pkt.

VARIOFACE module

, with pin strip

10

36.80

VIP-2/PT/FLK10

2903787

1

14

41.90

VIP-2/PT/FLK14

2903788

1

16

46.90

VIP-2/PT/FLK16

2903789

1

20

57.10

VIP-2/PT/FLK20

2903790

1

VARIOFACE module

, with pin strip and light indicator

10

36.80

14

41.90

16

46.90

20

57.10

VARIOFACE module

, with pin strip

26

57.10

34

67.30

40

77.40

50

92.70

60

107.90

64

118.10

VARIOFACE module

, with pin strip and light indicator

26

57.10

34

67.30

40

77.40

50

92.70

60

107.90

64

118.10

568

PHOENIX CONTACT

D W

H

VIP – VARIOFACE Professional
modules with IDC/FLK pin strip

Notes:

For marking systems (e.g., “ZB 22:UNBEDRUCKT”; 

Order No. 

0811862

) and mounting material, see Catalog 3.

– 1:1 connection
– 10 to 64-pos.
– Push-in connection
– Metal foot
– As per IEC 60603-13
– With status indicator as an option

Low and high engagement latches are 

supplied with all modules.

System cabling for controllers

Universal modules

10 to 20 positions

with Push-in connection

phoenixcontact-interface-technology-and-switching-devices-html.html
background image

For further information and full technical data, visit phoenixcontact.net/products

 

 

 

 

 

 

Technical data

Technical data

Technical data

24 V DC

60 V AC/DC

24 V DC

24 V / 24 V

125 V / 125 V

24 V / 24 V

1  A

1  A

1  A

-20 °C ... 50 °C

-20 °C ... 50 °C

-20 °C ... 50 °C

any

any

any

60664 , DIN EN 50178

IEC

 

60664 , DIN EN 50178

IEC

 

60664 , DIN EN 50178

IEC

 

60664 , DIN EN 50178

Connection data solid/stranded/AWG

0.14 - 2.5 mm² / 0.14 - 2.5 mm² / 26 - 14

0.14 - 2.5 mm² / 0.14 - 2.5 mm² / 26 - 14

0.14 - 2.5 mm² / 0.14 - 2.5 mm² / 26 - 14

0.14 - 2.5 mm² / 0.14 - 2.5 mm² / 26 - 14

72.1 mm / 56 mm

75.8 mm / 63 mm

75.8 mm / 63 mm

Ordering data

Ordering data

Ordering data

Type

Order No.

Pcs./

Pkt.

Type

Order No.

Pcs./

Pkt.

Type

Order No.

Pcs./

Pkt.

VIP-2/PT/FLK10/LED

2904248

1

VIP-2/PT/FLK14/LED

2904249

1

VIP-2/PT/FLK16/LED

2904250

1

VIP-2/PT/FLK20/LED

2904251

1

VIP-3/PT/FLK26

2903791

1

VIP-3/PT/FLK34

2903792

1

VIP-3/PT/FLK40

2903793

1

VIP-3/PT/FLK50

2903794

1

VIP-3/PT/FLK60

2903795

1

VIP-3/PT/FLK64

2903796

1

VIP-3/PT/FLK26/LED

2904252

1

VIP-3/PT/FLK34/LED

2904253

1

VIP-3/PT/FLK40/LED

2904254

1

VIP-3/PT/FLK50/LED

2904255

1

VIP-3/PT/FLK60/LED

2904256

1

VIP-3/PT/FLK64/LED

2904257

1

569

PHOENIX CONTACT

D W

H

D W

H

D W

H

System cabling for controllers

Universal modules

10 to 20 positions

with Push-in connection and light indicator

26 to 64 positions

with Push-in connection

26 to 64 positions

with Push-in connection and light indicator

phoenixcontact-interface-technology-and-switching-devices-html.html
background image

1

1

2

2

3

3

n

n

-

 

 

Technical data

Maximum permissible operating voltage

25 V AC / 60 V DC

Maximum permissible operating voltage UL / CSA

125 V / 105 V

Maximum permissible current (per branch)

2 A

Ambient temperature (operation)

-20 °C ... 50 °C

Mounting position

any

Standards/regulations

IEC

 

60664 , DIN EN 50178

IEC

Connection data solid/stranded/AWG

0.2 - 4 mm² / 0.2 - 2.5 mm² / 24 - 12

0.2 - 4 mm² / 0.2 - 2.5 mm² / 24 - 12

0.2 - 4 mm² / 0.2 -

Dimensions

H / D

65.5 mm / 45.1 mm

Ordering data

Description

No. of

pos.

Module width

W

Type

Order No.

Pcs./

Pkt.

VARIOFACE module

, with D-Subminiature pin strip

9

34.70

VIP-2/SC/D 9SUB/M

2315117

1

15

45.00

VIP-2/SC/D15SUB/M

2315120

1

VARIOFACE module

, with D-Subminiature pin strip and light indicator

9

34.70

15

50.00

VARIOFACE module

, with D-Subminiature socket strip

9

34.70

VIP-2/SC/D 9SUB/F

2315162

1

15

45.00

VIP-2/SC/D15SUB/F

2315175

1

VARIOFACE module

, with D-Subminiature socket strip and light 

indicator

9

34.70

15

50.00

VARIOFACE module

, with D-Subminiature pin strip

25

57.40

37

72.70

50

98.20

VARIOFACE module

, with D-Subminiature pin strip and light indicator

25

57.40

37

72.70

50

98.20

VARIOFACE module

, with D-Subminiature socket strip

25

57.40

37

72.70

50

98.20

VARIOFACE module

, with D-Subminiature socket strip and light 

indicator

25

57.40

37

72.70

50

98.20

570

PHOENIX CONTACT

D W

H

VIP – VARIOFACE Professional 
Modules with D-SUB connectors

Notes:

For marking systems (e.g., “ZB 22:UNBEDRUCKT”; 

Order No. 

0811862

) and mounting material, see Catalog 3.

– 1:1 connection
– 9 to 50-pos.
– Screw  connection
– Metal foot
– As per IEC 60807-2
– With status indicator as an option

The D-SUB-4-40 UNC threads are led on 

to a connecting terminal block directly.

System cabling for controllers

Universal modules

9 to 15 positions

with screw connection

phoenixcontact-interface-technology-and-switching-devices-html.html
background image

For further information and full technical data, visit phoenixcontact.net/products

 

 

 

 

 

 

Technical data

Technical data

Technical data

24 V DC

25 V AC / 60 V DC

24 V DC

24 V / 24 V

125 V / 105 V

24 V / 24 V

2.5 A

2 A

2.5 A

-20 °C ... 50 °C

-20 °C ... 50 °C

-20 °C ... 50 °C

any

any

any

60664 , DIN EN 50178

IEC

 

60664 , DIN EN 50178

IEC

 

60664 , DIN EN 50178

IEC

 

60664 , DIN EN 50178

Connection data solid/stranded/AWG

0.2 - 4 mm² / 0.2 - 2.5 mm² / 24 - 12

0.2 - 4 mm² / 0.2 - 2.5 mm² / 24 - 12

0.2 - 4 mm² / 0.2 - 2.5 mm² / 24 - 12

0.2 - 4 mm² / 0.2 - 2.5 mm² / 24 - 12

65.5 mm / 45.1 mm

69 mm / 62 mm

69 mm / 62 mm

Ordering data

Ordering data

Ordering data

Type

Order No.

Pcs./

Pkt.

Type

Order No.

Pcs./

Pkt.

Type

Order No.

Pcs./

Pkt.

VIP-2/SC/D 9SUB/M/LED

2322142

1

VIP-2/SC/D15SUB/M/LED

2322155

1

VIP-2/SC/D 9SUB/F/LED

2322197

1

VIP-2/SC/D15SUB/F/LED

2322207

1

VIP-3/SC/D25SUB/M

2315133

1

VIP-3/SC/D37SUB/M

2315146

1

VIP-3/SC/D50SUB/M

2315159

1

VIP-3/SC/D25SUB/M/LED

2322168

1

VIP-3/SC/D37SUB/M/LED

2322171

1

VIP-3/SC/D50SUB/M/LED

2322184

1

VIP-3/SC/D25SUB/F

2315188

1

VIP-3/SC/D37SUB/F

2315191

1

VIP-3/SC/D50SUB/F

2315201

1

VIP-3/SC/D25SUB/F/LED

2322210

1

VIP-3/SC/D37SUB/F/LED

2322223

1

VIP-3/SC/D50SUB/F/LED

2322236

1

571

PHOENIX CONTACT

D W

H

D W

H

D W

H

System cabling for controllers

Universal modules

9 to 15 positions

with screw connection and light indicator

25 to 50 positions

with screw connection

25 to 50 positions

with screw connection and light indicator

phoenixcontact-interface-technology-and-switching-devices-html.html
background image

1

1

2

2

3

3

n

n

-

 

 

Technical data

Maximum permissible operating voltage

25 V AC / 60 V DC

Maximum permissible operating voltage UL / CSA

125 V / 105 V

Maximum permissible current (per branch)

2 A

Ambient temperature (operation)

-20 °C ... 50 °C

Mounting position

any

Standards/regulations

IEC

 

60664 , DIN EN 50178

IEC

Connection data solid/stranded/AWG

0.14 - 2.5 mm² / 0.14 - 2.5 mm² / 26 - 14

0.14 - 2.5 mm² / 0.14 - 2.5 mm² / 26 - 14

0.14 - 2.5 

Dimensions

H / D

72.1 mm / 46.6 mm

Ordering data

Description

No. of

pos.

Module width

W

Type

Order No.

Pcs./

Pkt.

VARIOFACE module

, with D-Subminiature pin strip

9

36.80

VIP-2/PT/D 9SUB/M

2903777

1

15

46.90

VIP-2/PT/D15SUB/M

2903779

1

VARIOFACE module

, with D-Subminiature pin strip and light indicator

9

36.80

15

52.00

VARIOFACE module

, with D-Subminiature socket strip

9

36.80

VIP-2/PT/D 9SUB/F

2903778

1

15

46.90

VIP-2/PT/D15SUB/F

2903780

1

VARIOFACE module

, with D-Subminiature socket strip and light 

indicator

9

36.80

15

52.00

VARIOFACE module

, with D-Subminiature pin strip

25

57.10

37

72.30

50

97.70

VARIOFACE module

, with D-Subminiature pin strip and light indicator

25

57.10

37

72.30

50

97.70

VARIOFACE module

, with D-Subminiature socket strip

25

57.10

37

72.30

50

97.70

VARIOFACE module

, with D-Subminiature socket strip and light 

indicator

25

57.10

37

72.30

50

97.70

572

PHOENIX CONTACT

D W

H

VIP – VARIOFACE Professional 
Modules with D-SUB connectors

Notes:

For marking systems (e.g., “ZB 22:UNBEDRUCKT”; 

Order No. 

0811862

) and mounting material, see Catalog 3.

– 1:1 connection
– 9 to 50-pos.
– Push-in connection
– Metal foot
– As per IEC 60807-2
– With status indicator as an option

The D-SUB-4-40 UNC threads are led on 

to a connecting terminal block directly.

System cabling for controllers

Universal modules

9 to 15 positions

with Push-in connection

phoenixcontact-interface-technology-and-switching-devices-html.html
background image

For further information and full technical data, visit phoenixcontact.net/products

 

 

 

 

 

 

Technical data

Technical data

Technical data

24 V DC

25 V AC / 60 V DC

24 V DC

24 V / 24 V

125 V / 105 V

24 V / 24 V

2  A

2  A

2  A

-20 °C ... 50 °C

-20 °C ... 50 °C

-20 °C ... 50 °C

any

any

any

60664 , DIN EN 50178

IEC

 

60664 , DIN EN 50178

IEC

 

60664 , DIN EN 50178

IEC

 

60664 , DIN EN 50178

Connection data solid/stranded/AWG

0.14 - 2.5 mm² / 0.14 - 2.5 mm² / 26 - 14

0.14 - 2.5 mm² / 0.14 - 2.5 mm² / 26 - 14

0.14 - 2.5 mm² / 0.14 - 2.5 mm² / 26 - 14

0.14 - 2.5 mm² / 0.14 - 2.5 mm² / 26 - 14

72.1 mm / 46.6 mm

75.8 mm / 63 mm

75.8 mm / 63 mm

Ordering data

Ordering data

Ordering data

Type

Order No.

Pcs./

Pkt.

Type

Order No.

Pcs./

Pkt.

Type

Order No.

Pcs./

Pkt.

VIP-2/PT/D 9SUB/M/LED

2904258

1

VIP-2/PT/D15SUB/M/LED

2904259

1

VIP-2/PT/D 9SUB/F/LED

2904263

1

VIP-2/PT/D15SUB/F/LED

2904264

1

VIP-3/PT/D25SUB/M

2903781

1

VIP-3/PT/D37SUB/M

2903783

1

VIP-3/PT/D50SUB/M

2903785

1

VIP-3/PT/D25SUB/M/LED

2904260

1

VIP-3/PT/D37SUB/M/LED

2904261

1

VIP-3/PT/D50SUB/M/LED

2904262

1

VIP-3/PT/D25SUB/F

2903782

1

VIP-3/PT/D37SUB/F

2903784

1

VIP-3/PT/D50SUB/F

2903786

1

VIP-3/PT/D25SUB/F/LED

2904265

1

VIP-3/PT/D37SUB/F/LED

2904266

1

VIP-3/PT/D50SUB/F/LED

2904267

1

573

PHOENIX CONTACT

D W

H

D W

H

D W

H

System cabling for controllers

Universal modules

9 to 15 positions

with Push-in connection and light indicator

25 to 50 positions

with Push-in connection

25 to 50 positions

with Push-in connection and light indicator

phoenixcontact-interface-technology-and-switching-devices-html.html
background image

Technical data

Technical data

Maximum permissible operating voltage

25 V AC / 60 V DC

25 V AC / 60 V DC

Maximum permissible current (per branch)

2.5 A

2.5 A

Ambient temperature (operation)

-10 °C ... 50 °C

-10 °C ... 50 °C

Mounting position

any

any

Standards/regulations

DIN EN 50178 , IEC

 

60664

DIN EN 50178 , IEC

 

60664

Screw connection solid/stranded/AWG

0.2 ... 4 mm² / 0.2 ... 2.5 mm² / 24 - 12

0.2 ... 4 mm² / 0.2 ... 2.5 mm² / 24 - 12

Dimensions

D / W

45 mm / 25 mm

45 mm / 45 mm

Ordering data

Ordering data

Description

No. of

pos.

Module height

H

Type

Order No.

Pcs./

Pkt.

Type

Order No.

Pcs./

Pkt.

VARIOFACE-SLIM-LINE module

, with D-Subminiature pin strip

9

117.00

UM 25-D 9SUB/S/FRONT/Q

2959573

1

15

147.00

UM 25-D15SUB/S/FRONT/Q

2959599

1

25

217.00

UM 25-D25SUB/S/FRONT/Q

2959612

1

VARIOFACE-SLIM-LINE module

, with D-Subminiature socket strip

9

117.00

UM 25-D 9SUB/B/FRONT/Q

2959560

1

15

147.00

UM 25-D15SUB/B/FRONT/Q

2959586

1

25

217.00

UM 25-D25SUB/B/FRONT/Q

2959609

1

VARIOFACE-SLIM-LINE module

, with D-Subminiature pin strip

37

157.00

UM 45-D37SUB/S/FRONT/Q

2959638

1

50

187.00

UM 45-D50SUB/S/FRONT/Q

2959654

1

VARIOFACE-SLIM-LINE module

, with D-Subminiature socket strip

37

157.00

UM 45-D37SUB/B/FRONT/Q

2959625

1

50

187.00

UM 45-D50SUB/B/FRONT/Q

2959641

1

574

PHOENIX CONTACT

System cabling for controllers

Universal modules

9 to 25 positions

with screw connection

37 to 50 positions

with screw connection

These VARIOFACE modules connect 

D-SUB strips with front connection 
terminal blocks in accordance with 
IEC 60807-2/DIN 41652.

To make the ground connection, the 

metallic plug shell (4-40 UNC thread) 
makes contact with a connecting terminal 
block.

D W

H

D W

H

SLIM-LINE modules for
D-SUB connectors

phoenixcontact-interface-technology-and-switching-devices-html.html
background image

b

c

+

0

,2

d

+

0

,2

4

3

9

3

8

33

24,3

a

b

3,2

For further information and full technical data, visit phoenixcontact.net/products

Technical data

Technical data

Maximum permissible operating voltage

25 V AC / 60 V DC

25 V AC / 60 V DC

Maximum permissible operating voltage UL / CSA

125 V / -

125 V / -

Maximum permissible current (per branch)

2.5 A

2.5 A

Ambient temperature (operation)

-20 °C ... 50 °C

-20 °C ... 50 °C

Mounting position

any

any

Standards/regulations

IEC

 

60664 , DIN EN 50178

IEC

 

60664 , DIN EN 50178

Connection data solid/stranded/AWG

0.2 - 4 mm² / 0.2 - 2.5 mm² / 24 - 12

0.2 - 4 mm² / 0.2 - 2.5 mm² / 24 - 12

Ordering data

Ordering data

Description

No. of

pos.

Module width

W

Type

Order No.

Pcs./

Pkt.

Type

Order No.

Pcs./

Pkt.

VARIOFACE feed-through module

, with 

D-subminiature connector

9

39.00

DFLK-D 9 SUB/S

2283870

5

DFLK-D 9 SUB/B

2287135

5

15

39.00

DFLK-D15 SUB/S

2280297

5

DFLK-D15 SUB/B

2280307

5

25

39.00

DFLK-D25 SUB/S

2280310

5

DFLK-D25 SUB/B

2280323

5

37

39.00

DFLK-D37 SUB/S

2280336

5

DFLK-D37 SUB/B

2280349

5

50

39.00

DFLK-D50 SUB/S

2291286

5

DFLK-D50 SUB/B

2287669

5

– 1:1 connection
– 9 to 50-pos.
– Screw  connection
– As per IEC 60807-2
– D-SUB 4-40 UNC thread
– 9 to 37-pos.: separate ground tap
– 50-pos.: no ground tap

Feed-through modules for
D-SUB connectors with
screw connection

System cabling for controllers

Universal modules

With D-SUB pin strip

With D-SUB socket strip

Dimensioning of the housing cutout

Dimensional drawing DFLK-D...SUB

Type

a

b

c

d

DFLK-D   9 SUB/S

58.4

52.5

40.2 + 0.2

13 + 0.2

DFLK-D 15 SUB/S

58.4

52.5

40.2 + 0.2

13 + 0.2

DFLK-D 25 SUB/S

83.4

77.5

54.2 + 0.2

13 + 0.2

DFLK-D 37 SUB/S

128.4

122.5

70.6 + 0.2

13 + 0.2

DFLK-D 50 SUB/S

143.4

137.5

67.8 + 0.2

15.8 + 0.2

DFLK-D   9 SUB/B

58.4

52.5

40.2 + 0.2

13 + 0.2

DFLK-D 15 SUB/B

58.4

52.5

40.2 + 0.2

13 + 0.2

DFLK-D 25 SUB/B

83.4

77.5

54.2 + 0.2

13 + 0.2

DFLK-D 37 SUB/B

128.4

122.5

70.6 + 0.2

13 + 0.2

DFLK-D 50 SUB/B

143.4

137.5

67.8 + 0.2

15.8 + 0.2

575

PHOENIX CONTACT

phoenixcontact-interface-technology-and-switching-devices-html.html
background image

 

 

 

Technical data

Technical data

Maximum permissible operating voltage

25 V AC / 60 V DC

25 V AC / 60 V DC

Maximum permissible operating voltage UL / CSA

125 V / -

125 V / 105 V

Maximum permissible current (per branch)

1 A

1 A

Ambient temperature (operation)

-20 °C ... 50 °C

-20 °C ... 50 °C

Mounting position

any

any

Standards/regulations

EN 50178

EN 50178

Connection data solid/stranded/AWG

0.2 - 4 mm² / 0.2 - 2.5 mm² / 24 - 12

0.14 - 2.5 mm² / 0.14 - 2.5 mm² / 26 - 14

Dimensions

H / D

69 mm / 62 mm

75.8 mm / 63 mm

Ordering data

Ordering data

Description

No. of

pos.

Module width

W

Type

Order No.

Pcs./

Pkt.

Type

Order No.

Pcs./

Pkt.

VARIOFACE module

, with D-Subminiature pin strip

with screw connection

26

52.30

VIP-3/SC/HD26SUB/M

2322375

1

with screw connection

44

82.90

VIP-3/SC/HD44SUB/M

2322388

1

with screw connection

62

113.50

VIP-3/SC/HD62SUB/M

2322391

1

with Push-in connection

26

52.00

VIP-3/PT/HD26SUB/M

2904269

1

with Push-in connection

44

82.50

VIP-3/PT/HD44SUB/M

2904270

1

with Push-in connection

62

113.00

VIP-3/PT/HD62SUB/M

2904271

1

VARIOFACE module

, with D-Subminiature socket strip

with screw connection 

1

)

15

44.90

VIP-2/SC/HD15SUB/F

2322401

1

with screw connection

26

52.30

VIP-3/SC/HD26SUB/F

2322414

1

with screw connection

44

82.90

VIP-3/SC/HD44SUB/F

2322427

1

with screw connection

62

113.50

VIP-3/SC/HD62SUB/F

2322430

1

with Push-in connection 

1

)

15

46.90

VIP-2/PT/HD15SUB/F

2904272

1

with Push-in connection

26

52.00

VIP-3/PT/HD26SUB/F

2904273

1

with Push-in connection

44

82.50

VIP-3/PT/HD44SUB/F

2904274

1

with Push-in connection

62

113.00

VIP-3/PT/HD62SUB/F

2904275

1

576

PHOENIX CONTACT

System cabling for controllers

Universal modules

15 to 62-pos.

with screw connection

15 to 62-pos.

with Push-in connection

– 1:1 connection
– 15 to 62-pos.
– Screw and Push-in connection
– Metal foot

The D-SUB-4-40 UNC threads are led 

directly to a connection terminal block.

Notes:

For marking systems (e.g., “ZB 22:UNBEDRUCKT”; 

Order No. 

0811862

) and mounting material, see Catalog 3.

1

) Module with double-level terminal blocks

D W

H

D W

H

VIP – VARIOFACE Professional
Modules for high-density
D-SUB connectors

phoenixcontact-interface-technology-and-switching-devices-html.html
background image

1

1

2

2

3

3

8

8

1

1

2

2

3

3

8

8

For further information and full technical data, visit phoenixcontact.net/products

 

 

 

 

Technical data

Technical data

Maximum permissible operating voltage

48 V AC/DC

48 V AC/DC

Maximum permissible current (per branch)

1 A

1 A

Ambient temperature (operation)

-20 °C ... 50 °C

-20 °C ... 50 °C

Mounting position

any

any

Standards/regulations

DIN EN 50178

EN 50178

Connection data solid/stranded/AWG

0.2 - 4 mm² / 0.2 - 2.5 mm² / 24 - 12

0.14 - 2.5 mm² / 0.14 - 2.5 mm² / 26 - 14

Dimensions

H / D

69 mm / 62 mm

75.8 mm / 63 mm

Ordering data

Ordering data

Description

No. of

pos.

Module width

W

Type

Order No.

Pcs./

Pkt.

Type

Order No.

Pcs./

Pkt.

VARIOFACE module

, with RJ45 connector

with screw connection

8

26.90

VIP-3/SC/RJ45

2900701

1

with Push-in connection

8

26.60

VIP-3/PT/RJ45

2904290

1

577

PHOENIX CONTACT

– 1:1 connection
– RJ45 connector, 8-pos.
– Screw or Push-in connection 

(direct plug-in technology)

– Connector housing led to separate 

connection terminal blocks

Notes:

For marking systems (e.g., “ZB 22:UNBEDRUCKT”; 

Order No. 

0811862

) and mounting material, see Catalog 3.

D W

H

D W

H

Modules with RJ45 connector

System cabling for controllers

Universal modules

8-pos.

with srew connection

8-pos.

with Push-in connection

phoenixcontact-interface-technology-and-switching-devices-html.html
background image

Technical data

Maximum permissible operating voltage

25 V AC / 60 V DC

Maximum permissible current (per branch)

2 A

Total current

76 A

Ambient temperature (operation)

-20 °C ... 40 °C

Mounting position

any

Standards/regulations

IEC

 

60664 , DIN EN 50178

IEC

Connection data solid/stranded/AWG

0.2 - 4 mm² / 0.2 - 2.5 mm² / 24 - 12

0.2 - 4 mm² / 0.2 - 2.5 mm² / 24 - 12

0.2 - 2.5 mm² / 0.2

Dimensions

H / D

77 mm / 58.5 mm

Ordering data

Description

No. of

pos.

Module width

W

Type

Order No.

Pcs./

Pkt.

VARIOFACE module

, with:

- Pin strip 8016 right

38

101.50

UMK- EC38/38-XOR

2976297

1

- Pin strip 8016 left

38

101.50

UMK- EC38/38-XOL

2976284

1

VARIOFACE module

, with:

- Pin strip 8016 right

56

157.50

- Pin strip 8016 left

56

157.50

VARIOFACE module

, with:

- Pin strip 8016 right

56

77.00

- Pin strip 8016 left

56

77.00

VARIOFACE module

, with:

- Pin strip 8016 right above

32

101.30

- Pin strip 8016 right below

32

101.30

- Pin strip 8016 left above

32

101.30

- Pin strip 8016 left below

32

101.30

578

PHOENIX CONTACT

D W

H

Modules for ELCO connectors

Notes:

Dimensional drawings and pin assignments, see page 600

These modules can be used to connect 

ELCO connectors of the 8016 series to 
screw connection terminal blocks.

Thanks to the slanted placement of the 

ELCO connector, the cables which are fed 
out of the side of the cable housing are led 
away without affecting the neighboring 
modules.

System cabling for controllers

Universal modules

38-pos.

56-pos.

56-pos.,

phoenixcontact-interface-technology-and-switching-devices-html.html
background image

For further information and full technical data, visit phoenixcontact.net/products

Technical data

Technical data

Technical data

125 V AC/DC

25 V AC / 60 V DC

25 V AC / 60 V DC

1.5 A

1.5 A

2 A

28 A (56 branches with 0.5 A each)

28 A (56 branches with 0.5 A each)

32 A (32 branches with 1 A each)

-20 °C ... 50 °C

-20 °C ... 50 °C

-20 °C ... 40 °C

any

any

any

60664 , DIN EN 50178

IEC

 

60664 , DIN EN 50178

IEC

 

60664 , DIN EN 50178

IEC

 

60664 , DIN EN 50178

Connection data solid/stranded/AWG

0.2 - 4 mm² / 0.2 - 2.5 mm² / 24 - 12

0.2 - 4 mm² / 0.2 - 2.5 mm² / 24 - 12

0.2 - 2.5 mm² / 0.2 - 1.5 mm² / 26 - 16

0.2 - 4 mm² / 0.2 - 2.5 mm² / 24 - 12

77 mm / 58.5 mm

146.3 mm / 47.5 mm

77 mm / 58.5 mm

Ordering data

Ordering data

Ordering data

Type

Order No.

Pcs./

Pkt.

Type

Order No.

Pcs./

Pkt.

Type

Order No.

Pcs./

Pkt.

UMK- EC56/56-XOR

2975900

1

UMK- EC56/56-XOL

2975890

1

UMK- EC56/FRONT 2,5V/R

2976161

1

UMK- EC56/FRONT 2,5V/L

2976158

1

UMK- EC56/32-XOR

2975858

1

UMK- EC56/32-XUR

2975777

1

UMK- EC56/32-XOL

2975764

1

UMK- EC56/32-XUL

2975780

1

579

PHOENIX CONTACT

D W

H

D W

H

D W

H

System cabling for controllers

Universal modules

38-pos.

56-pos.

56-pos.,

with front connection terminal blocks

32-pos.

phoenixcontact-interface-technology-and-switching-devices-html.html
background image

Technical data

Maximum permissible operating voltage

max. 30 V DC 

(Max. voltage between two intrinsically safe circuits: 60 V DC)

Maximum permissible current (per branch)

500 mA

Ambient temperature (operation)

-20 °C ... 50 °C

Mounting position

any

Standards/regulations

DIN EN 60079-11

Connection data solid/stranded/AWG

0.2 - 4 mm² / 0.2 - 2.5 mm² / 24 - 12

0.2 - 4 mm² / 0.2 - 2.5 mm² / 24 - 12

0.2 - 2.5 mm² / 0.2

Dimensions

H / D

77 mm / 58.5 mm

Ordering data

Description

No. of

pos.

Module width

W

Type

Order No.

Pcs./

Pkt.

VARIOFACE module

, with:

- Pin strip 8016 right above

32

101.30

UMK- EC90/32/EX-XOR

2900109

1

- Pin strip 8016 right below

32

101.30

UMK- EC90/32/EX-XUR

2969068

1

- Pin strip 8016 left above

32

101.30

UMK- EC90/32/EX-XOL

2900110

1

- Pin strip 8016 left above

32

101.30

UMK- EC90/32/EX-XUL

2969071

1

VARIOFACE module

, with:

- Pin strip 8016 right

25

78.80

- Pin strip 8016 left

25

78.80

VARIOFACE module

, with:

- Pin strip 8016 right

25

77.00

- Pin strip 8016 left

25

77.00

580

PHOENIX CONTACT

D W

H

Modules for ELCO connectors for use 
in Ex i circuits

Notes:

Dimensional drawings and pin assignments, see page 601

Facts about explosion protection, see page 108

The VARIOFACE modules connect ELCO 

connectors from the 8016 series to screw 
connection terminal blocks. The modules 
for ELCO connectors are regarded as 
simple electrical equipment according to 
EN 60079-14 for use in intrinsically safe 
circuits. They meet the requirements of 
intrinsic safety protection according to 
EN 60079-11 (EN 50020) and are also used 
for various intrinsically safe circuits, taking 
the pin assignment into account.

The voltage of an intrinsically safe circuit 

may not exceed 30 V. The voltage difference 
between two intrinsically safe circuits can 
be up to 60 V.

For clear identification of intrinsically safe 

circuits, the modules are assembled with 
blue screw connection terminal blocks.

Thanks to the slanted placement of the 

ELCO connector, the cables which are fed 
out of the side of the cable housing are led 
away without affecting the neighboring 
modules.

For the separation of intrinsically safe and 

non-intrinsically safe circuits, a distance of 
at least 50 mm should be maintained 
between the connection points using 
partition plates or spaces.

System cabling for controllers

Universal modules

32-pos.

25-pos.

25-pos.,

phoenixcontact-interface-technology-and-switching-devices-html.html
background image

For further information and full technical data, visit phoenixcontact.net/products

Technical data

Technical data

max. 30 V DC 

(Max. voltage between two intrinsically safe circuits: 60 V DC)

max. 30 V DC 

(Max. voltage between two intrinsically safe circuits: 60 V DC)

500 mA

500 mA

-20 °C ... 50 °C

-20 °C ... 50 °C

any

any

DIN EN 60079-11

DIN EN 60079-11

Connection data solid/stranded/AWG

0.2 - 4 mm² / 0.2 - 2.5 mm² / 24 - 12

0.2 - 4 mm² / 0.2 - 2.5 mm² / 24 - 12

0.2 - 2.5 mm² / 0.2 - 2.5 mm² / 24 - 14

77 mm / 58.5 mm

112.5 mm / 52.5 mm

Ordering data

Ordering data

Type

Order No.

Pcs./

Pkt.

Type

Order No.

Pcs./

Pkt.

UMK- EC56/25/EX -R

2900112

1

UMK- EC56/25/EX -L

2900113

1

UMK- EC56/25/EX -FRONT 2,5V/R

2900114

1

UMK- EC56/25/EX -FRONT 2,5V/L

2900115

1

581

PHOENIX CONTACT

D W

H

D W

H

System cabling for controllers

Universal modules

32-pos.

25-pos.

25-pos.,

with front connection terminal blocks

phoenixcontact-interface-technology-and-switching-devices-html.html
background image

 

Technical data

Maximum permissible operating voltage

< 50 V AC / 60 V DC

Maximum permissible operating voltage UL / CSA

125 V / -

Maximum permissible current carrying capacity per path

1 A

Maximum conductor resistance

0.16 

/m

Ambient temperature (operation)

-20 °C ... 50 °C

Assembly

Insulation displacement, IEC 60352-4/DIN EN 60352-4

Conductor cross section

AWG 26 / 0.14 mm²

Outside diameter

10-pos.

6.1 mm

14-pos.

6.4 mm

40-pos.

9.9 mm

Ordering data

Description

No. of

pos.

Cable length

Type

Order No.

Pcs./

Pkt.

Round cable, 

with 2 molded IDC/FLK socket strips

10

1 m

VIP-CAB-FLK10/0,14/1,0M

2318318

1

10

2 m

VIP-CAB-FLK10/0,14/2,0M

2318334

1

10

3 m

VIP-CAB-FLK10/0,14/3,0M

2318347

1

Round cable

, as above, in variable lengths 

(minimum ordering quantity five pieces)

10

VIP-CAB-FLK10-0,14/...

2318376

1

Round cable, 

with 2 molded IDC/FLK socket strips

14

1 m

VIP-CAB-FLK14/0,14/1,0M

2318392

1

14

2 m

VIP-CAB-FLK14/0,14/2,0M

2318415

1

14

3 m

VIP-CAB-FLK14/0,14/3,0M

2318428

1

Round cable

, as above, in variable lengths 

(minimum ordering quantity five pieces)

14

VIP-CAB-FLK14-0,14/...

2318457

1

Round cable, 

with 2 molded IDC/FLK socket strips

40

1 m

VIP-CAB-FLK40/0,14/1,0M

2318790

1

40

2 m

VIP-CAB-FLK40/0,14/2,0M

2318813

1

40

3 m

VIP-CAB-FLK40/0,14/3,0M

2318826

1

Round cable

, as above, in variable lengths 

(minimum ordering quantity five pieces)

40

VIP-CAB-FLK40-0,14/...

2318855

1

582

PHOENIX CONTACT

– 1:1 connection
– IDC/FLK connector according to 

IEC 60603-13

– In the desired lengths
– Individual serial number

Note:

Module designs with UM 45 profile and 

three-level terminal blocks cannot be 
connected to the VIP-CAB-FLK... system 
cable due to the larger outer contour of the 
connectors.

The VIP-CAB-FLK... system cables are 

not suitable for front adapters.

VIP – VARIOFACE Professional
System cable with
IDC/FLK socket strip

Ordering example 

for system cable

– 10-pos. cable, 7.6 m long

Quantity

Order No. 

Length [m]

1

2318376

/

7.6

min. 

max.

Increment

0.5 m

100.0 m

0.1 m

System cabling for controllers

Universal cables

Unshielded

phoenixcontact-interface-technology-and-switching-devices-html.html
background image

For further information and full technical data, visit phoenixcontact.net/products

583

PHOENIX CONTACT

System cabling for controllers

Universal cables

phoenixcontact-interface-technology-and-switching-devices-html.html
background image

 

 

Technical data

Technical data

Maximum permissible operating voltage

< 50 V AC / 60 V DC

< 50 V AC / 60 V DC

Maximum permissible operating voltage UL / CSA

125 V / 125 V

125 V / 125 V

Maximum permissible current carrying capacity per path

1 A

1 A

Maximum conductor resistance

0.16 

/m

0.16 

/m

Ambient temperature (operation)

-20 °C ... 50 °C

-20 °C ... 50 °C

Assembly

Insulation displacement, IEC 60352-4/DIN EN 60352-4

Insulation displacement, IEC 60352-4/DIN EN 60352-4

Conductor cross section

AWG 26 / 0.14 mm²

AWG 26 / 0.14 mm²

Conductor structure: stranded wires / material

7 / Cu tin-plated

7 / Cu tin-plated

Outside diameter

10-pos.

6.1 mm

6.1 mm

14-pos.

6.4 mm

6.4 mm

16-pos.

6.5 mm

6.5 mm

Ordering data

Ordering data

Description

No. of

pos.

Cable length

Type

Order No.

Pcs./

Pkt.

Type

Order No.

Pcs./

Pkt.

Round cable

 with an open end

10

0.5 m

CABLE-FLK10/OE/0,14/ 0,5M

2904073

1

10

1 m

CABLE-FLK10/OE/0,14/ 1,0M

2904074

1

10

1.5 m

CABLE-FLK10/OE/0,14/ 1,5M

2904075

1

10

2 m

CABLE-FLK10/OE/0,14/ 2,0M

2904076

1

10

2.5 m

CABLE-FLK10/OE/0,14/ 2,5M

2904077

1

10

3 m

CABLE-FLK10/OE/0,14/ 3,0M

2904078

1

10

4 m

CABLE-FLK10/OE/0,14/ 4,0M

2904079

1

10

6 m

CABLE-FLK10/OE/0,14/ 6,0M

2904080

1

10

8 m

CABLE-FLK10/OE/0,14/ 8,0M

2904081

1

10

10 m

CABLE-FLK10/OE/0,14/10,0M

2904082

1

Round cable, 

as above, but in variable lengths

10

CABLE-FLK10-OE-0,14/...

2904331

1

Round cable

 with an open end

14

0.5 m

VIP-CAB-FLK14/FR/OE/0,14/0,5M

2900122

1

CABLE-FLK14/OE/0,14/  50

2305761

1

14

1 m

VIP-CAB-FLK14/FR/OE/0,14/1,0M

2900123

1

CABLE-FLK14/OE/0,14/ 100

2305253

1

14

1.5 m

VIP-CAB-FLK14/FR/OE/0,14/1,5M

2900125

1

CABLE-FLK14/OE/0,14/ 150

2305266

1

14

2 m

VIP-CAB-FLK14/FR/OE/0,14/2,0M

2900126

1

CABLE-FLK14/OE/0,14/ 200

2305279

1

14

2.5 m

CABLE-FLK14/OE/0,14/ 250

2305282

1

14

3 m

VIP-CAB-FLK14/FR/OE/0,14/3,0M

2900127

1

CABLE-FLK14/OE/0,14/ 300

2305295

1

14

4 m

CABLE-FLK14/OE/0,14/ 400

2305774

1

14

6 m

CABLE-FLK14/OE/0,14/ 600

2305787

1

14

8 m

CABLE-FLK14/OE/0,14/ 800

2305790

1

14

10 m

CABLE-FLK14/OE/0,14/1000

2305800

1

Round cable, 

as above, but in variable lengths

14

CABLE-FLK14/OE/0,14/...

2305732

1

Round cable

 with an open end

16

0.5 m

VIP-CAB-FLK16/FR/OE/0,14/0,5M

2900130

1

CABLE-FLK16/OE/0,14/ 0,5M

2318127

1

16

1 m

VIP-CAB-FLK16/FR/OE/0,14/1,0M

2900131

1

CABLE-FLK16/OE/0,14/ 1,0M

2318130

1

16

1.5 m

VIP-CAB-FLK16/FR/OE/0,14/1,5M

2900132

1

CABLE-FLK16/OE/0,14/ 1,5M

2318143

1

16

2 m

VIP-CAB-FLK16/FR/OE/0,14/2,0M

2900133

1

CABLE-FLK16/OE/0,14/ 2,0M

2318156

1

16

2.5 m

CABLE-FLK16/OE/0,14/ 2,5M

2318169

1

16

3 m

VIP-CAB-FLK16/FR/OE/0,14/3,0M

2900134

1

CABLE-FLK16/OE/0,14/ 3,0M

2318172

1

16

4 m

CABLE-FLK16/OE/0,14/ 4,0M

2318185

1

16

6 m

CABLE-FLK16/OE/0,14/ 6,0M

2318198

1

16

8 m

CABLE-FLK16/OE/0,14/ 8,0M

2318208

1

16

10 m

CABLE-FLK16/OE/0,14/10,0M

2318211

1

Round cable, 

as above, but in variable lengths

16

CABLE-FLK16/OE/0,14/...

2318224

1

584

PHOENIX CONTACT

System cabling for controllers

Universal cables

Encapsulated connectors, unshielded

Unshielded

– 1:1 connection
– 10, 14, and 16-pos.
– IDC/FLK connector according to 

IEC 60603-13

– Open end at the other end

The individual wires at the open end are 

marked (1, 2, 3, 4, ...) and fitted with a 
ferrule.

System cable with
IDC/FLK socket strip and
an open end

phoenixcontact-interface-technology-and-switching-devices-html.html
background image

For further information and full technical data, visit phoenixcontact.net/products

 

 

Technical data

Technical data

Maximum permissible operating voltage

< 50 V AC / 60 V DC

< 50 V AC / 60 V DC

Maximum permissible operating voltage UL / CSA

125 V / 125 V

125 V / 125 V

Maximum permissible current carrying capacity per path

1 A

1 A

Maximum conductor resistance

0.16 

/m

0.16 

/m

Ambient temperature (operation)

-20 °C ... 50 °C

-20 °C ... 50 °C

Assembly

Insulation displacement, IEC 60352-4/DIN EN 60352-4

Insulation displacement, IEC 60352-4/DIN EN 60352-4

Conductor cross section

AWG 26 / 0.14 mm²

AWG 26 / 0.14 mm²

Conductor structure: stranded wires / material

7 / Cu tin-plated

7 / Cu tin-plated

Outside diameter

20-pos.

7.6 mm

7.6 mm

50-pos.

10.3 mm

10.3 mm

Ordering data

Ordering data

Description

No. of

pos.

Cable length

Type

Order No.

Pcs./

Pkt.

Type

Order No.

Pcs./

Pkt.

Round cable

 with an open end

20

0.5 m

CABLE-FLK20/OE/0,14/  50

2305826

1

20

1 m

VIP-CAB-FLK20/FR/OE/0,14/1,0M

2900139

1

CABLE-FLK20/OE/0,14/ 100

2305305

1

20

1.5 m

CABLE-FLK20/OE/0,14/ 150

2305318

1

20

2 m

VIP-CAB-FLK20/FR/OE/0,14/2,0M

2900142

1

CABLE-FLK20/OE/0,14/ 200

2305321

1

20

2.5 m

CABLE-FLK20/OE/0,14/ 250

2305334

1

20

3 m

VIP-CAB-FLK20/FR/OE/0,14/3,0M

2900143

1

CABLE-FLK20/OE/0,14/ 300

2305347

1

20

4 m

CABLE-FLK20/OE/0,14/ 400

2305839

1

20

6 m

CABLE-FLK20/OE/0,14/ 600

2305842

1

20

8 m

CABLE-FLK20/OE/0,14/ 800

2305855

1

20

10 m

CABLE-FLK20/OE/0,14/1000

2305868

1

Round cable, 

as above, but in variable lengths

20

CABLE-FLK20/OE/0,14/...

2305745

1

Round cable

 with an open end

50

0.5 m

CABLE-FLK50/OE/0,14/  50

2305871

1

50

1 m

CABLE-FLK50/OE/0,14/ 100

2305350

1

50

1.5 m

CABLE-FLK50/OE/0,14/ 150

2305363

1

50

2 m

CABLE-FLK50/OE/0,14/ 200

2305376

1

50

2.5 m

CABLE-FLK50/OE/0,14/ 250

2305389

1

50

3 m

CABLE-FLK50/OE/0,14/ 300

2305392

1

50

4 m

CABLE-FLK50/OE/0,14/ 400

2305884

1

50

6 m

CABLE-FLK50/OE/0,14/ 600

2305897

1

50

8 m

CABLE-FLK50/OE/0,14/ 800

2305907

1

50

10 m

CABLE-FLK50/OE/0,14/1000

2305910

1

Round cable, 

as above, but in variable lengths

50

CABLE-FLK50/OE/0,14/...

2305758

1

585

PHOENIX CONTACT

System cabling for controllers

Universal cables

Encapsulated connectors, unshielded

Unshielded

– 1:1 connection
– 20- and 50-pos.
– IDC/FLK  connector  according  to 

IEC 60603-13

– Open end at the other end

The individual wires at the open end are 

marked (1, 2, 3, 4, ...) and fitted with a 
ferrule.

System cable with
IDC/FLK socket strip and
an open end

phoenixcontact-interface-technology-and-switching-devices-html.html
background image

 

586

PHOENIX CONTACT

Standard lengths

Round cable sets are used to connect the 

PLC front adapters to the corresponding 
VARIOFACE termination boards.

The following versions are available with 

14 and 50 positions:
– Unshielded
– Shielded
– Halogen-free

The cables are assembled at both ends 

with IDC/FLK socket strips according to 
IEC 60603-13/DIN 41651 (1:1 connection).

In the case of shielded cables, a cable end 

with a ferrule is additionally provided as a 
shield connection (length: approx. 0.5 m; 
cable H05V-K 1 mm2, black).

Special lengths are defined using an order 

key, refer to page 590.

System cable with
IDC/FLK socket strips

Technical data

Maximum permissible operating voltage

< 50 V AC / 60 V DC

Maximum permissible operating voltage UL / CSA

125 V / 125 V

Maximum permissible current carrying capacity per path

1 A

Maximum conductor resistance

0.16 

/m

Ambient temperature (operation)

-20 °C ... 50 °C

Shield

-

Assembly

Insulation displacement, IEC 60352-4/DIN EN 60352-4

Insulation displacement, IEC 60352-4/DIN EN 60352-4

Insulation displa

Conductor cross section

AWG 26 / 0.14 mm²

Conductor structure: stranded wires / material

7 / Cu tin-plated

Outside diameter

14-pos.

6.4 mm

50-pos.

10.3 mm

Ordering data

Description

No. of

pos.

Cable length

Type

Order No.

Pcs./

Pkt.

Assembled round cable

1

)

, with two 14-pos. IDC/FLK socket 

strips in fixed lengths, for transfer of 8 channels, for example

14

0.3 m

FLK 14/EZ-DR/  30/KONFEK

2295729

5

14

0.5 m

FLK 14/EZ-DR/  50/KONFEK

2288901

5

14

1 m

FLK 14/EZ-DR/ 100/KONFEK

2288914

1

14

1.5 m

FLK 14/EZ-DR/ 150/KONFEK

2288927

1

14

2 m

FLK 14/EZ-DR/ 200/KONFEK

2288930

1

14

2.5 m

FLK 14/EZ-DR/ 250/KONFEK

2288943

1

14

3 m

FLK 14/EZ-DR/ 300/KONFEK

2288956

1

14

3.5 m

FLK 14/EZ-DR/ 350/KONFEK

2288969

1

14

4 m

FLK 14/EZ-DR/ 400/KONFEK

2288972

1

14

4.5 m

FLK 14/EZ-DR/ 450/KONFEK

2290847

1

14

5 m

FLK 14/EZ-DR/ 500/KONFEK

2290834

1

14

5.5 m

FLK 14/EZ-DR/ 550/KONFEK

2290850

1

14

6 m

FLK 14/EZ-DR/ 600/KONFEK

2290863

1

14

7 m

14

8 m

FLK 14/EZ-DR/ 800/KONFEK

2299563

1

14

10 m

FLK 14/EZ-DR/1000/KONFEK

2299576

1

Assembled round cable

2

)

, with two 50-pos. IDC/FLK socket 

strips in fixed lengths, for transfer of 32 channels, for example

50

0.5 m

FLK 50/EZ-DR/  50/KONFEK

2289065

5

50

1 m

FLK 50/EZ-DR/ 100/KONFEK

2289078

1

50

1.5 m

FLK 50/EZ-DR/ 150/KONFEK

2289081

1

50

2 m

FLK 50/EZ-DR/ 200/KONFEK

2289094

1

50

2.5 m

FLK 50/EZ-DR/ 250/KONFEK

2289104

1

50

3 m

FLK 50/EZ-DR/ 300/KONFEK

2289117

1

50

3.5 m

FLK 50/EZ-DR/ 350/KONFEK

2289120

1

50

4 m

FLK 50/EZ-DR/ 400/KONFEK

2289133

1

50

4.5 m

FLK 50/EZ-DR/ 450/KONFEK

2289573

1

50

5 m

FLK 50/EZ-DR/ 500/KONFEK

2289586

1

50

5.5 m

FLK 50/EZ-DR/ 550/KONFEK

2289599

1

50

6 m

FLK 50/EZ-DR/ 600/KONFEK

2289609

1

50

6.5 m

FLK 50/EZ-DR/ 650/KONFEK

2289612

1

50

7 m

FLK 50/EZ-DR/ 700/KONFEK

2289625

1

50

7.5 m

FLK 50/EZ-DR/ 750/KONFEK

2289638

1

50

8 m

FLK 50/EZ-DR/ 800/KONFEK

2289641

1

50

8.5 m

FLK 50/EZ-DR/ 850/KONFEK

2289654

1

50

9 m

FLK 50/EZ-DR/ 900/KONFEK

2289667

1

50

9.5 m

FLK 50/EZ-DR/ 950/KONFEK

2289670

1

50

10 m

FLK 50/EZ-DR/1000/KONFEK

2289683

1

System cabling for controllers

Universal cables

Unshielded

Shield connection at one end

Halogen-free

phoenixcontact-interface-technology-and-switching-devices-html.html
background image

For further information and full technical data, visit phoenixcontact.net/products

1

) IDC/FLK socket strip assembled straight at both ends.

Polarization lug

Overall shielding 

braid (on shielded 

cables)

Polarization lug

2

) IDC/FLK socket strip assembled straight at one end 

and angled at the other.

Polarization lug

Polarization lug

Overall shielding 

braid (on shielded 

cables)

Wire No.

Pin

Wire color

1

Black

2

Brown

3

Red

4

Orange

5

Yellow

6

Green

7

Blue

8

Violet

9

Gray

10-pos.

10

White

11

White-black

12

White-brown

13

White-red

14-pos.

14

White-orange

15

White-yellow

16-pos.

16

White-green

17

White-blue

18

White-violet

19

White-gray

20-pos.

20

Brown-black

21

Brown-red

22

Brown-orange

23

Brown-yellow

24

Brown-green

25

Brown-blue

26-pos.

26

Brown-violet

27

Brown-gray

28

Brown-white

29

Green-black

30

Green-brown

31

Green-red

32

Green-orange

33

Green-blue

34-pos.

34

Green-violet

35

Green-gray

36

Green-white

37

Yellow-black

38

Yellow-brown

39

Yellow-red

40-pos.

40

Yellow-orange

41

Yellow-blue 

42

Yellow-violet

43

Yellow-gray

44

Yellow-white

45

Gray-black

46

Gray-brown

47

Gray-red

48

Gray-orange

49

Gray-yellow

50-pos.

50

Gray-green

Color code of system cables 

 

Applied for: cUL / UL

 

587

PHOENIX CONTACT

Technical data

Technical data

< 50 V AC / 60 V DC

< 50 V AC / 60 V DC

125 V / -

125 V / 125 V

1 A

1 A

0.16 

/m

0.16 

/m

-20 °C ... 50 °C

-20 °C ... 50 °C

Tinned copper-braided shield, approx. 85% covering

-

Assembly

Insulation displacement, IEC 60352-4/DIN EN 60352-4

Insulation displacement, IEC 60352-4/DIN EN 60352-4

Insulation displacement, IEC 60352-4/DIN EN 60352-4

AWG 26 / 0.14 mm²

AWG 26 / 0.14 mm²

7 / Cu tin-plated

7 / Cu tin-plated

6.7 mm

6.4 mm

11 mm

10.3 mm

Ordering data

Ordering data

Type

Order No.

Pcs./

Pkt.

Type

Order No.

Pcs./

Pkt.

FLK 14/EZ-DR/  50/KONFEK/S

2296977

1

FLK 14/EZ-DR/HF/  50/KONFEK

2305952

1

FLK 14/EZ-DR/ 100/KONFEK/S

2296980

1

FLK 14/EZ-DR/HF/ 100/KONFEK

2305965

1

FLK 14/EZ-DR/ 150/KONFEK/S

2296993

1

FLK 14/EZ-DR/HF/ 150/KONFEK

2305978

1

FLK 14/EZ-DR/ 200/KONFEK/S

2297002

1

FLK 14/EZ-DR/HF/ 200/KONFEK

2305981

1

FLK 14/EZ-DR/HF/ 250/KONFEK

2305994

1

FLK 14/EZ-DR/ 300/KONFEK/S

2299013

1

FLK 14/EZ-DR/HF/ 300/KONFEK

2304759

1

FLK 14/EZ-DR/ 400/KONFEK/S

2299026

1

FLK 14/EZ-DR/HF/ 400/KONFEK

2304762

1

FLK 14/EZ-DR/HF/ 500/KONFEK

2304717

1

FLK 14/EZ-DR/ 600/KONFEK/S

2299039

1

FLK 14/EZ-DR/HF/ 600/KONFEK

2306003

1

FLK 14/EZ-DR/HF/ 700/KONFEK

2314011

1

FLK 14/EZ-DR/ 800/KONFEK/S

2299042

1

FLK 14/EZ-DR/HF/ 800/KONFEK

2314024

1

FLK 14/EZ-DR/1000/KONFEK/S

2299055

1

FLK 14/EZ-DR/HF/1000/KONFEK

2314037

1

FLK 50/EZ-DR/  50/KONFEK/S

2299097

1

CABLE-FLK50/0,14/HF/ 0,5M

2314134

1

FLK 50/EZ-DR/ 100/KONFEK/S

2299107

1

CABLE-FLK50/0,14/HF/ 1,0M

2314147

1

FLK 50/EZ-DR/ 150/KONFEK/S

2299110

1

CABLE-FLK50/0,14/HF/ 1,5M

2314150

1

FLK 50/EZ-DR/ 200/KONFEK/S

2299123

1

CABLE-FLK50/0,14/HF/ 2,0M

2314163

1

CABLE-FLK50/0,14/HF/ 2,5M

2314176

1

FLK 50/EZ-DR/ 300/KONFEK/S

2299136

1

CABLE-FLK50/0,14/HF/ 3,0M

2314189

1

FLK 50/EZ-DR/ 400/KONFEK/S

2299149

1

CABLE-FLK50/0,14/HF/ 4,0M

2314192

1

CABLE-FLK50/0,14/HF/ 5,0M

2314202

1

FLK 50/EZ-DR/ 600/KONFEK/S

2299152

1

CABLE-FLK50/0,14/HF/ 6,0M

2314215

1

CABLE-FLK50/0,14/HF/ 7,0M

2314228

1

FLK 50/EZ-DR/ 800/KONFEK/S

2299165

1

CABLE-FLK50/0,14/HF/ 8,0M

2314231

1

FLK 50/EZ-DR/1000/KONFEK/S

2299178

1

CABLE-FLK50/0,14/HF/10,0M

2314244

1

System cabling for controllers

Universal cables

Unshielded

Shield connection at one end

Halogen-free

(only the cable)

phoenixcontact-interface-technology-and-switching-devices-html.html
background image

 

Applied for: cUL / UL

Technical data

Maximum permissible operating voltage

< 50 V AC / 60 V DC

Maximum permissible operating voltage UL / CSA

125 V / 125 V

Maximum permissible current carrying capacity per path

1 A

Maximum conductor resistance

0.16 

/m

Ambient temperature (operation)

-20 °C ... 50 °C

Assembly

Insulation displacement, IEC 60352-4/DIN EN 60352-4

Conductor cross section

AWG 26 / 0.14 mm²

Conductor structure: stranded wires / material

7 / Cu tin-plated

Outside diameter

10-pos.

6 mm

16-pos.

6.5 mm

20-pos.

7.6 mm

Ordering data

Description

No. of

pos.

Cable length

Type

Order No.

Pcs./

Pkt.

Round cable

1

), with two IDC/FLK socket strips

10

0.5 m

FLK 10/EZ-DR/  50/KONFEK

2299204

1

10

1 m

FLK 10/EZ-DR/ 100/KONFEK

2299217

1

10

1.5 m

FLK 10/EZ-DR/ 150/KONFEK

2299220

1

10

2 m

FLK 10/EZ-DR/ 200/KONFEK

2299233

1

10

3 m

FLK 10/EZ-DR/ 300/KONFEK

2299246

1

10

4 m

FLK 10/EZ-DR/ 400/KONFEK

2299259

1

10

6 m

FLK 10/EZ-DR/ 600/KONFEK

2299262

1

10

8 m

FLK 10/EZ-DR/ 800/KONFEK

2299275

1

10

10 m

FLK 10/EZ-DR/1000/KONFEK

2299288

1

Round cable

1

), with two IDC/FLK socket strips

16

0.5 m

FLK 16/EZ-DR/  50/KONFEK

2299291

1

16

1 m

FLK 16/EZ-DR/ 100/KONFEK

2299301

1

16

1.5 m

FLK 16/EZ-DR/ 150/KONFEK

2299314

1

16

2 m

FLK 16/EZ-DR/ 200/KONFEK

2299327

1

16

3 m

FLK 16/EZ-DR/ 300/KONFEK

2299330

1

16

4 m

FLK 16/EZ-DR/ 400/KONFEK

2299343

1

16

6 m

FLK 16/EZ-DR/ 600/KONFEK

2299356

1

16

8 m

FLK 16/EZ-DR/ 800/KONFEK

2299369

1

16

10 m

FLK 16/EZ-DR/1000/KONFEK

2299372

1

Round cable

1

), with two IDC/FLK socket strips

20

0.5 m

FLK 20/EZ-DR/  50KONFEK

2296391

1

20

1 m

FLK 20/EZ-DR/ 100KONFEK

2296401

1

20

1.5 m

FLK 20/EZ-DR/ 150KONFEK

2296472

1

20

2 m

FLK 20/EZ-DR/ 200KONFEK

2296485

1

20

3 m

FLK 20/EZ-DR/ 300KONFEK

2296498

1

20

4 m

FLK 20/EZ-DR/ 400KONFEK

2296508

1

20

6 m

FLK 20/EZ-DR/ 600KONFEK

2296511

1

20

8 m

FLK 20/EZ-DR/ 800KONFEK

2296524

1

20

10 m

FLK 20/EZ-DR/1000KONFEK

2296537

1

588

PHOENIX CONTACT

Standard lengths

Pre-assembled round cables to couple the 

VARIOFACE termination boards.

The cables are assembled at both ends 

with IDC/FLK socket strips according to 
IEC 60603-13/DIN 41651 (1:1 connection).

Special lengths are defined using an order 

key, refer to page 590.

System cable with
IDC/FLK socket strips

1

) IDC/FLK socket strip assembled straight at both ends.

Polarization lug

Overall shielding 

braid (on shielded 

cables)

Polarization lug

System cabling for controllers

Universal cables

Unshielded

phoenixcontact-interface-technology-and-switching-devices-html.html
background image

For further information and full technical data, visit phoenixcontact.net/products

 

Technical data

Maximum permissible operating voltage

< 50 V AC / 60 V DC

Maximum permissible operating voltage UL / CSA

125 V / 125 V

Maximum permissible current carrying capacity per path

1 A

Maximum conductor resistance

0.16 

/m

Ambient temperature (operation)

-20 °C ... 50 °C

Assembly

Insulation displacement, IEC 60352-4/DIN EN 60352-4

Conductor cross section

AWG 26 / 0.14 mm²

Conductor structure: stranded wires / material

7 / Cu tin-plated

Outside diameter

26-pos.

7.8 mm

34-pos.

8.7 mm

40-pos.

9.9 mm

Ordering data

Description

No. of

pos.

Cable length

Type

Order No.

Pcs./

Pkt.

Round cable

1

), with two IDC/FLK socket strips

26

0.5 m

FLK 26/EZ-DR/  50/KONFEK

2299385

1

26

1 m

FLK 26/EZ-DR/ 100/KONFEK

2299398

1

26

1.5 m

FLK 26/EZ-DR/ 150/KONFEK

2299408

1

26

2 m

FLK 26/EZ-DR/ 200/KONFEK

2299411

1

26

3 m

FLK 26/EZ-DR/ 300/KONFEK

2299424

1

26

4 m

FLK 26/EZ-DR/ 400/KONFEK

2299437

1

26

6 m

FLK 26/EZ-DR/ 600/KONFEK

2299440

1

26

8 m

FLK 26/EZ-DR/ 800/KONFEK

2299453

1

26

10 m

FLK 26/EZ-DR/1000/KONFEK

2299466

1

Round cable

1

), with two IDC/FLK socket strips

34

0.5 m

FLK 34/EZ-DR/  50/KONFEK

2299479

1

34

1 m

FLK 34/EZ-DR/ 100/KONFEK

2299482

1

34

1.5 m

FLK 34/EZ-DR/ 150/KONFEK

2299495

1

34

2 m

FLK 34/EZ-DR/ 200/KONFEK

2299505

1

34

3 m

FLK 34/EZ-DR/ 300/KONFEK

2299518

1

34

4 m

FLK 34/EZ-DR/ 400/KONFEK

2299521

1

34

6 m

FLK 34/EZ-DR/ 600/KONFEK

2299534

1

34

8 m

FLK 34/EZ-DR/ 800/KONFEK

2299547

1

34

10 m

FLK 34/EZ-DR/1000/KONFEK

2299550

1

Round cable

2

), with two IDC/FLK socket strips

40

0.5 m

FLK 40/EZ-DR/  50/KONFEK

2288985

5

40

1 m

FLK 40/EZ-DR/ 100/KONFEK

2288998

1

40

1.5 m

FLK 40/EZ-DR/ 150/KONFEK

2289007

1

40

2 m

FLK 40/EZ-DR/ 200/KONFEK

2289010

1

40

2.5 m

FLK 40/EZ-DR/ 250/KONFEK

2289023

1

40

3 m

FLK 40/EZ-DR/ 300/KONFEK

2289036

1

40

3.5 m

FLK 40/EZ-DR/ 350/KONFEK

2289049

1

40

4 m

FLK 40/EZ-DR/ 400/KONFEK

2289052

1

40

6 m

FLK 40/EZ-DR/ 600/KONFEK

2299589

1

40

8 m

FLK 40/EZ-DR/ 800/KONFEK

2299592

1

40

10 m

FLK 40/EZ-DR/1000/KONFEK

2299602

1

589

PHOENIX CONTACT

Standard lengths

Pre-assembled round cables to couple the 

VARIOFACE termination boards.

The cables are assembled at both ends 

with IDC/FLK socket strips according to 
IEC 60603-13/DIN 41651 (1:1 connection).

Special lengths are defined using an order 

key, refer to page 590.

System cable with
IDC/FLK socket strips

2

) IDC/FLK socket strip assembled straight at one end and angled at 

the other.

Polarization lug

Polarization lug

Overall shielding 

braid (on shielded 

cables)

System cabling for controllers

Universal cables

Unshielded

phoenixcontact-interface-technology-and-switching-devices-html.html
background image

590

PHOENIX CONTACT

System cables with IDC/FLK socket 
strip

Cable type

Unshielded round cables

FLK EZ-DR.../.../...

Shielded round cables

FLK EZ-DR-S.../.../...

Assembly

10-pos.

14-pos.

16-pos.

20-pos.

26-pos.

34-pos.

40-pos.

50-pos.

14-pos.

16-pos.

40-pos.

50-pos.

No assembly

10U/C00/...

14U/C00/...

16U/C00/...

20U/C00/...

26U/C00/...

34U/C00/...

40U/C00/...

50U/C00/...

14S/C00/...

16S/C00/....

40S/C00/...

50S/C00/...

10-pos. IDC/FLK at both ends

10U/C55/...

1

)

14-pos. IDC/FLK at both ends

14U/C23/...

1

)

14S/C23/...

1

)

16-pos. IDC/FLK at both ends

16U/C58/...

1

)

16S/C58/...

1

)

20-pos. IDC/FLK at both ends

20U/C61/...

1

)

26-pos. IDC/FLK at both ends

26U/C63/...

1

)

34-pos. IDC/FLK at both ends

34U/C65/...

1

)

40-pos. IDC/FLK at both ends

40U/C30/...

3

)

40S/C30/...

3

)

50-pos. IDC/FLK at both ends

50U/C38/...

2

)

50S/C38/...

2

)

14-pos. IDC/FLK at one end,

16-pos. IDC/FLK at the other end

14U/C52/...

1

)

14S/C52/...

1

)

Features of permissible configurations:

1) IDC/FLK socket strip assembled straight at both ends.

Polarization lug

2

) IDC/FLK socket strip assembled straight at one end and angled at 

the other. 

Polarization lug

Polarization lug

Overall shielding 

braid (on shielded 

cables)

Overall shielding 

braid (on shielded 

cables)

Polarization lug

Ordering example for unshielded 

round cable

:

– unshielded 50-pos. round cable, assembled with two 50-pos. IDC/FLK socket strips, 11.5 m long

Quantity

Order No.

Cable type

Assembly

Length [m]

4

)

1

2295059

/

50U

/

C38

/

11.50

10U

10-pos. unshielded

14U

14-pos. unshielded

16U

16-pos. unshielded

20U

20-pos. unshielded

26U

26-pos. unshielded

34U

34-pos. unshielded

40U

40-pos. unshielded

50U

50-pos. unshielded

C00 

 

 No assembly

C55

10-pos. IDC/FLK socket strip at both ends

C23

14-pos. IDC/FLK socket strip at both ends

C52

14-pos. IDC/FLK socket strip at one end, 

16-pos. IDC/FLK socket strip at the other end (for S7)

C58

16-pos. IDC/FLK socket strip at both ends

C61

20-pos. IDC/FLK socket strip at both ends

C63

26-pos. IDC/FLK socket strip at both ends

C65

34-pos. IDC/FLK socket strip at both ends

C30

40-pos. IDC/FLK socket strip at both ends

C38

50-pos. IDC/FLK socket strip at both ends

4

) min. 0.20 m

Ordering example for shielded 

round cable

– shielded 14-pos. round cable, assembled with two 14-pos. IDC/FLK socket strips, 12.75 m long

Quantity

Order No.

Cable type

Assembly

Length [m]

4

)

1

2295046

/

14S

/

C23

/

12.75

14S

14-pos. shielded

16S

16-pos. shielded

40S

40-pos. shielded

50S

50-pos. shielded

C00 

 

 No assembly

C23

14-pos. IDC/FLK socket strip at both ends

C52

14-pos. IDC/FLK socket strip at one end, 

16-pos. IDC/FLK socket strip at the other end (for S7)

C58

16-pos. IDC/FLK socket strip at both ends

C30

40-pos. IDC/FLK socket strip at both ends

C38

50-pos. IDC/FLK socket strip at both ends

4

) min. 0.20 m

Special lengths

Pre-assembled round cables for 

connecting, e.g., PLC front adapters to the 
corresponding VARIOFACE termination 
boards. The cables are assembled with 
IDC/FLK socket strips on both ends 
according to IEC 60603-13/DIN 41651. For 
shielded cables, a cable end with ferrule is 
also available as an overall shielding braid 
(length: approx. 0.5 m; cable: H05V-K 1 mm2, 
black).

The order key for special lengths is 

described using three features.

The order of the features is as follows:

– Cable  type
– Assembly
– Length  in  meters 

There are two order keys, one for unshielded 

round cables, FLK EZ-DR/.../.../..., and one for 
shielded round cables, FLK EZ-DR-S/.../.../.... 
To ensure clear specification when ordering, 
the features are described in detail below:

Cable type

– This specifies the number of individual 

cables of the specific cable.

Assembly

– None, 

the cable is not assembled at either end,

– 10-pos. IDC/FLK socket strip at both 

ends, the cable is assembled at both ends 
with 10-pos. IDC/FLK socket strips 
(1:1 connection), 

– 14-pos. IDC/FLK socket strip at both 

ends, the cable is assembled at both ends 
with 14-pos. IDC/FLK socket strips 

(1:1 connection), etc. to

– 50-pos. IDC/FLK socket strip at both 

ends, the cable is assembled at both ends 
with 50-pos. IDC/FLK socket strips 
(1:1 connection),

– 14-pos. IDC/FLK socket strip at one end, 

16-pos. IDC/FLK socket strip at the other 
end, the cable is assembled with a 14-pos. 
IDC/FLK socket strip at one end and a 16-
pos. IDC/FLK socket strip at the other end 
(for SIMATIC

S7, no 1:1 connection). 

3

) IDC/FLK socket strip assembled straight at one end and angled at 

the other. 

Polarization lug

Polarization lug

Overall shielding 

braid (on shielded 

cables)

System cabling for controllers

Universal cables

phoenixcontact-interface-technology-and-switching-devices-html.html
background image

For further information and full technical data, visit phoenixcontact.net/products

 

 

Technical data

Technical data

Maximum permissible operating voltage

< 50 V AC / 60 V DC

< 50 V AC / 60 V DC

Maximum permissible operating voltage UL / CSA

125 V / 125 V

125 V / 125 V

Maximum permissible current carrying capacity per path

1 A

1 A

Maximum conductor resistance

0.16 

/m

0.16 

/m

Ambient temperature (operation)

-20 °C ... 50 °C

-20 °C ... 50 °C

Shield

-

Tinned copper-braided shield, approx. 85% covering

Conductor cross section

AWG 26 / 0.14 mm²

AWG 26 / 0.14 mm²

Conductor structure: stranded wires / material

7 / Cu tin-plated

7 / Cu tin-plated

Ordering data

Ordering data

Description

No. of

pos.

Cable length

Type

Order No.

Pcs./

Pkt.

Type

Order No.

Pcs./

Pkt.

Unshielded round cable

, as above, but in variable lengths of type 

“FLK EZ-DR/14U/C52/...”

10

FLK EZ-DR.../.../...

2295059

1

FLK EZ-DR-S.../.../...

2295046

1

591

PHOENIX CONTACT

System cabling for controllers

Universal cables

Unshielded

Shielded

phoenixcontact-interface-technology-and-switching-devices-html.html
background image

 

 

592

PHOENIX CONTACT

System cable with 
D-SUB socket and pin strips

Standard lengths

Shielded round cable sets to connect the 

control level with the corresponding 
VARIOFACE termination boards.

Assembly with D-SUB strips as per 

IEC 60807-2/DIN 41652, (1:1 connection).
– D-SUB socket strip at one end and 

D-SUB pin strip at the other

– D-SUB socket strips at both ends
– DSUB pin strips at both ends
– Cable exit: straight
– Screw connection: 2 UNC 4-40 screws

Special lengths and assembly versions are 

defined using an order key, refer to 
page 594.

Technical data

Maximum permissible operating voltage

25 V AC / 60 V DC

Maximum permissible operating voltage UL / CSA

125 V / 125 V

Maximum permissible current carrying capacity per path

2 A

Maximum conductor resistance

0.09 

/m

Ambient temperature (operation)

-20 °C ... 50 °C

Shield

Tinned copper-braided shield, approx. 85% covering

Tinned 

Insertion/withdrawal cycles

> 200

Conductor cross section

AWG 24 / 0.25 mm²

Outside diameter

9-pos.

7.5 mm

15-pos.

9 mm

25-pos.

10.5 mm

37-pos.

12.5 mm

50-pos.

13.5 mm

Ordering data

Description

No. of

pos.

Cable length

Type

Order No.

Pcs./

Pkt.

Shielded round cable,

 assembled with two D-SUB strips, various 

numbers of positions and lengths

9

0.5  m

CABLE-D 9SUB/B/S/ 50/KONFEK/S

2299987

1

9

1  m

CABLE-D 9SUB/B/S/100/KONFEK/S

2299990

1

9

1.5  m

CABLE-D 9SUB/B/S/150/KONFEK/S

2300009

1

9

2  m

CABLE-D 9SUB/B/S/200/KONFEK/S

2302010

1

9

3  m

CABLE-D 9SUB/B/S/300/KONFEK/S

2302023

1

9

4  m

CABLE-D 9SUB/B/S/400/KONFEK/S

2302036

1

9

6  m

CABLE-D 9SUB/B/S/600/KONFEK/S

2302049

1

15

0.5 m

CABLE-D15SUB/B/S/ 50/KONFEK/S

2302052

1

15

1 m

CABLE-D15SUB/B/S/100/KONFEK/S

2302065

1

15

1.5 m

CABLE-D15SUB/B/S/150/KONFEK/S

2302078

1

15

2 m

CABLE-D15SUB/B/S/200/KONFEK/S

2302081

1

15

3 m

CABLE-D15SUB/B/S/300/KONFEK/S

2302094

1

15

4 m

CABLE-D15SUB/B/S/400/KONFEK/S

2302104

1

15

6 m

CABLE-D15SUB/B/S/600/KONFEK/S

2302117

1

25

0.5 m

CABLE-D25SUB/B/S/ 50/KONFEK/S

2302120

1

25

1 m

CABLE-D25SUB/B/S/100/KONFEK/S

2302133

1

25

1.5 m

CABLE-D25SUB/B/S/150/KONFEK/S

2302146

1

25

2 m

CABLE-D25SUB/B/S/200/KONFEK/S

2302159

1

25

3 m

CABLE-D25SUB/B/S/300/KONFEK/S

2302162

1

25

4 m

CABLE-D25SUB/B/S/400/KONFEK/S

2302175

1

25

6 m

CABLE-D25SUB/B/S/600/KONFEK/S

2302188

1

37

0.5 m

CABLE-D37SUB/B/S/ 50/KONFEK/S

2302191

1

37

1 m

CABLE-D37SUB/B/S/100/KONFEK/S

2302201

1

37

2 m

CABLE-D37SUB/B/S/200/KONFEK/S

2302227

1

37

3 m

CABLE-D37SUB/B/S/300/KONFEK/S

2302230

1

37

4 m

CABLE-D37SUB/B/S/400/KONFEK/S

2302243

1

37

6 m

CABLE-D37SUB/B/S/600/KONFEK/S

2302256

1

37

8 m

37

10 m

37

15 m

37

20 m

50

0.5 m

CABLE-D50SUB/B/S/ 50/KONFEK/S

2302269

1

50

1 m

CABLE-D50SUB/B/S/100/KONFEK/S

2302272

1

50

1.5 m

CABLE-D50SUB/B/S/150/KONFEK/S

2302285

1

50

2 m

CABLE-D50SUB/B/S/200/KONFEK/S

2302298

1

50

3 m

CABLE-D50SUB/B/S/300/KONFEK/S

2302308

1

50

4 m

CABLE-D50SUB/B/S/400/KONFEK/S

2302311

1

50

6 m

CABLE-D50SUB/B/S/600/KONFEK/S

2302324

1

System cabling for controllers

Universal cables

Socket strip at one end and pin strip at the other

phoenixcontact-interface-technology-and-switching-devices-html.html
background image

For further information and full technical data, visit phoenixcontact.net/products

 

 

 

 

593

PHOENIX CONTACT

Technical data

Technical data

Technical data

25 V AC / 60 V DC

25 V AC / 60 V DC

25 V AC / 60 V DC

125 V / 125 V

125 V / 125 V

- / -

2 A

2 A

2 A (50 °C) , 1 A (70°C)

0.09 

/m

0.09 

/m

0.09 

/m

-20 °C ... 50 °C

-20 °C ... 50 °C

-20 °C ... 70 °C

Shield

Tinned copper-braided shield, approx. 85% covering

Tinned copper-braided shield, approx. 85% covering

Tinned copper-braided shield, approx. 85% covering

Tinned copper braided shield

>  200

>  200

-

AWG 24 / 0.25 mm²

AWG 24 / 0.25 mm²

AWG 24 / 0.25 mm²

7.5 mm

7.5 mm

-

9 mm

9 mm

-

10.5 mm

10.5 mm

-

12 mm

12 mm

12.5 mm

13.5 mm

13.5 mm

-

Ordering data

Ordering data

Ordering data

Type

Order No.

Pcs./

Pkt.

Type

Order No.

Pcs./

Pkt.

Type

Order No.

Pcs./

Pkt.

CABLE-D 9SUB/B/B/100/KONFEK/S

2305415

1

CABLE-D 9SUB/S/S/100/KONFEK/S

2305570

1

CABLE-D 9SUB/B/B/200/KONFEK/S

2305428

1

CABLE-D 9SUB/S/S/200/KONFEK/S

2305583

1

CABLE-D 9SUB/B/B/300/KONFEK/S

2305431

1

CABLE-D 9SUB/S/S/300/KONFEK/S

2305596

1

CABLE-D15SUB/B/B/100/KONFEK/S

2305444

1

CABLE-D15SUB/S/S/100/KONFEK/S

2305606

1

CABLE-D15SUB/B/B/200/KONFEK/S

2305457

1

CABLE-D15SUB/S/S/200/KONFEK/S

2305619

1

CABLE-D15SUB/B/B/300/KONFEK/S

2305460

1

CABLE-D15SUB/S/S/300/KONFEK/S

2305622

1

CABLE-D25SUB/B/B/100/KONFEK/S

2305473

1

CABLE-D25SUB/S/S/100/KONFEK/S

2305635

1

CABLE-D25SUB/B/B/200/KONFEK/S

2305486

1

CABLE-D25SUB/S/S/200/KONFEK/S

2305648

1

CABLE-D25SUB/B/B/300/KONFEK/S

2305499

1

CABLE-D25SUB/S/S/300/KONFEK/S

2305651

1

CABLE-D37SUB/B/B/ 100/KONFEK/S

2305509

1

CABLE-D37SUB/S/S/100/KONFEK/S

2305664

1

CABLE-D37SUB/B/B/HF/S/ 1,0M

2908516

1

CABLE-D37SUB/B/B/ 200/KONFEK/S

2305512

1

CABLE-D37SUB/S/S/200/KONFEK/S

2305677

1

CABLE-D37SUB/B/B/HF/S/ 2,0M

2908517

1

CABLE-D37SUB/B/B/ 300/KONFEK/S

2305525

1

CABLE-D37SUB/S/S/300/KONFEK/S

2305680

1

CABLE-D37SUB/B/B/HF/S/ 3,0M

2908518

1

CABLE-D37SUB/B/B/ 400/KONFEK/S

2900759

1

CABLE-D37SUB/B/B/HF/S/ 4,0M

2908519

1

CABLE-D37SUB/B/B/ 600/KONFEK/S

2900760

1

CABLE-D37SUB/B/B/HF/S/ 6,0M

2908520

1

CABLE-D37SUB/B/B/ 800/KONFEK/S

2900761

1

CABLE-D37SUB/B/B/HF/S/ 8,0M

2908521

1

CABLE-D37SUB/B/B/1000/KONFEK/S

2900762

1

CABLE-D37SUB/B/B/HF/S/10,0M

2908522

1

CABLE-D37SUB/B/B/1500/KONFEK/S

2900763

1

CABLE-D37SUB/B/B/HF/S/15,0M

2908523

1

CABLE-D37SUB/B/B/2000/KONFEK/S

2900764

1

CABLE-D37SUB/B/B/HF/S/20,0M

2908525

1

CABLE-D50SUB/B/B/100/KONFEK/S

2305541

1

CABLE-D50SUB/S/S/100/KONFEK/S

2305693

1

CABLE-D50SUB/B/B/200/KONFEK/S

2305554

1

CABLE-D50SUB/S/S/200/KONFEK/S

2305703

1

CABLE-D50SUB/B/B/300/KONFEK/S

2305567

1

CABLE-D50SUB/S/S/300/KONFEK/S

2305716

1

System cabling for controllers

Universal cables

Socket strip at both ends

Pin strip at both ends

Socket strip at both ends

Halogen-free

phoenixcontact-interface-technology-and-switching-devices-html.html
background image

594

PHOENIX CONTACT

System cables with D-SUB socket and 
pin strips

Special lengths

Pre-assembled, shielded 

round cables

 

for connecting VARIOFACE termination 
boards. The cables are assembled with 
D-SUB strips according to 
IEC 60807-2/DIN 41652.

The order key is described using three 

features.

The order of the features is as follows:

– Cable  type
– Assembly
– Length  in  meters 

There are three assembly versions for the 

shielded round cable:
– CABLE D-SUB-S/.../.../... 

D-SUB socket strip at one end and 
D-SUB pin strip at the other end,

– CABLE D-SUB-B-B-S/.../.../... 

D-SUB socket strips at both ends,

– CABLE D-SUB-S-S-S/.../.../... 

D-SUB pin strips at both ends
To ensure clear specification when 

ordering, the features are described in detail 
below:

Cable type

– This specifies the number of individual 

cables of the specific cable.

Assembly

– (Example for CABLE D-SUB-S/.../.../...)
– None, 

the cable is not assembled at either end,

– 9-pos. D-SUB socket strip at one end, 

9-pos. D-SUB pin strip at the other end, 
the cable connects (1:1) a 9-pos. D-SUB 
socket and pin strip,

– 15-pos. D-SUB socket strip at one end, 

15-pos. D-SUB pin strip at the other end, 
the cable connects (1:1) a 15-pos. D-SUB 
socket and pin strip, etc. to

– 50-pos. D-SUB socket strip at one end, 

50-pos. D-SUB pin strip at the other end, 
the cable connects (1:1) a 50-pos. D-SUB 
socket and pin strip.

Ordering example 

for round cable assembled with pin strip at one end and socket strip at the other end

– shielded 25-pos. round cable, assembled with a 25-pos. D-SUB socket strip and a 25-pos. D-SUB pin strip, 11.5 mm long

Quantity

Order No.

Cable type

Assembly

Length [m]

1

)

1

2302340

/

25S

/

C36

/

11.50

09S

9-pos. shielded

15S

15-pos. shielded

25S

25-pos. shielded

37S

37-pos. shielded

50S

50-pos. shielded

C00

No assembly

C01

9-pos. D-SUB socket strip at one end

9-pos. D-SUB pin strip at the other end

C28

15-pos. D-SUB socket strip at one end

15-pos. D-SUB pin strip at the other end

C36

25-pos. D-SUB socket strip at one end

25-pos. D-SUB pin strip at the other end

C43

37-pos. D-SUB socket strip at one end

37-pos. D-SUB pin strip at the other end

C49

50-pos. D-SUB socket strip at one end

50-pos. D-SUB pin strip at the other end

1

) min. 0.20 m

Ordering example 

for round cable assembled with socket strip at both ends

– shielded 37-pos. round cable, assembled with two D-SUB 37 socket strips, 12.75 m long

Quantity

Order No.

Cable type

Assembly

Length [m]

1

)

1

2302421

/

37S

/

C44

/

12.75

09S

9-pos. shielded

15S

15-pos. shielded

25S

25-pos. shielded

37S

37-pos. shielded

50S

50-pos. shielded

C00

No assembly

C22

9-pos. D-SUB socket strip at both ends

C29

15-pos. D-SUB socket strip at both ends

C37

25-pos. D-SUB socket strip at both ends

C44

37-pos. D-SUB socket strip at both ends

C50

50-pos. D-SUB socket strip at both ends

1

) min. 0.20 m

Ordering example 

for round cable assembled with pin strip at both ends

– shielded 15-pos. round cable, assembled with two D-SUB 15 pin strips, 8.5 m long

Quantity

Order No.

Cable type

Assembly

Length [m]

1

)

1

2302434

/

15S

/

C71

/

8.50

09S

9-pos. shielded

15S

15-pos. shielded

25S

25-pos. shielded

37S

37-pos. shielded

50S

50-pos. shielded

C00

No assembly

C70

9-pos. D-SUB pin strip at both ends

C71

15-pos. D-SUB pin strip at both ends

C72

25-pos. D-SUB pin strip at both ends

C73

37-pos. D-SUB pin strip at both ends

C74

50-pos. D-SUB pin strip at both ends

1

) min. 0.20 m

System cabling for controllers

Universal cables

phoenixcontact-interface-technology-and-switching-devices-html.html
background image

For further information and full technical data, visit phoenixcontact.net/products

 

 

Technical data

Maximum permissible operating voltage

25 V AC / 60 V DC

Maximum permissible operating voltage UL / CSA

125 V / 125 V

Maximum permissible current carrying capacity per path

2 A

Maximum conductor resistance

0.09 

/m

Ambient temperature (operation)

-20 °C ... 50 °C

Shield

Tinned copper-braided shield, approx. 85% covering

Insertion/withdrawal cycles

> 200

Conductor cross section

AWG 24 / 0.25 mm²

Ordering data

Description

No. of

pos.

Cable length

Type

Order No.

Pcs./

Pkt.

Assembled round cable,

 in variable lengths,

 

pin strip at one end

 and 

socket strip at the other end

9

CABLE D-SUB-S/.../.../...

2302340

1

Assembled round cable,

 in variable lengths, 

socket strip at both ends

9

CABLE D-SUB-B-B-S/.../.../...

2302421

1

Assembled round cable,

 in variable lengths, 

pin strip at both ends

9

CABLE D-SUB-S-S-S/.../.../...

2302434

1

595

PHOENIX CONTACT

System cabling for controllers

Universal cables

Shielded

phoenixcontact-interface-technology-and-switching-devices-html.html
background image

 

 

 

 

Technical data

Technical data

Maximum permissible operating voltage

25 V AC / 60 V DC

25 V AC / 60 V DC

Maximum permissible operating voltage UL / CSA

125 V / 125 V

125 V / 125 V

Maximum permissible current carrying capacity per path

2 A

2 A

Maximum conductor resistance

0.09 

/m

0.09 

/m

Ambient temperature (operation)

-20 °C ... 50 °C

-20 °C ... 50 °C

Shield

Tinned copper-braided shield, approx. 85% covering

Tinned copper-braided shield, approx. 85% covering

Insertion/withdrawal cycles

> 200

> 200

Conductor cross section

AWG 24 / 0.25 mm²

AWG 24 / 0.25 mm²

Outside diameter

9-pos.

7.5 mm

7.5 mm

15-pos.

9 mm

9 mm

25-pos.

10.5 mm

10.5 mm

Ordering data

Ordering data

Description

No. of

pos.

Cable length

Type

Order No.

Pcs./

Pkt.

Type

Order No.

Pcs./

Pkt.

Round cable

 with an open end

9

0.5  m

CABLE-D- 9SUB/F/OE/0,25/S/0,5M

2926014

1

CABLE-D- 9SUB/M/OE/0,25/S/0,5M

2926360

1

9

1  m

CABLE-D- 9SUB/F/OE/0,25/S/1,0M

2926027

1

CABLE-D- 9SUB/M/OE/0,25/S/1,0M

2926373

1

9

1.5  m

CABLE-D- 9SUB/F/OE/0,25/S/1,5M

2926030

1

CABLE-D- 9SUB/M/OE/0,25/S/1,5M

2926386

1

9

2  m

CABLE-D- 9SUB/F/OE/0,25/S/2,0M

2926043

1

CABLE-D- 9SUB/M/OE/0,25/S/2,0M

2926399

1

9

3  m

CABLE-D- 9SUB/F/OE/0,25/S/3,0M

2926056

1

CABLE-D- 9SUB/M/OE/0,25/S/3,0M

2926409

1

9

4  m

CABLE-D- 9SUB/F/OE/0,25/S/4,0M

2926069

1

CABLE-D- 9SUB/M/OE/0,25/S/4,0M

2926412

1

9

6  m

CABLE-D- 9SUB/F/OE/0,25/S/6,0M

2926072

1

CABLE-D- 9SUB/M/OE/0,25/S/6,0M

2926425

1

Round cable, 

as above, but in variable lengths

9

CABLE-D- 9SUB-F-OE-0,25-S/...

2900903

1

CABLE-D- 9SUB-M-OE-0,25-S/...

2900909

1

Round cable

 with an open end

15

0.5 m

CABLE-D-15SUB/F/OE/0,25/S/0,5M

2926085

1

CABLE-D-15SUB/M/OE/0,25/S/0,5M

2926438

1

15

1 m

CABLE-D-15SUB/F/OE/0,25/S/1,0M

2926098

1

CABLE-D-15SUB/M/OE/0,25/S/1,0M

2926441

1

15

1.5 m

CABLE-D-15SUB/F/OE/0,25/S/1,5M

2926108

1

CABLE-D-15SUB/M/OE/0,25/S/1,5M

2926454

1

15

2 m

CABLE-D-15SUB/F/OE/0,25/S/2,0M

2926111

1

CABLE-D-15SUB/M/OE/0,25/S/2,0M

2926467

1

15

3 m

CABLE-D-15SUB/F/OE/0,25/S/3,0M

2926124

1

CABLE-D-15SUB/M/OE/0,25/S/3,0M

2926470

1

15

4 m

CABLE-D-15SUB/F/OE/0,25/S/4,0M

2926137

1

CABLE-D-15SUB/M/OE/0,25/S/4,0M

2926483

1

15

6 m

CABLE-D-15SUB/F/OE/0,25/S/6,0M

2926140

1

CABLE-D-15SUB/M/OE/0,25/S/6,0M

2926496

1

Round cable, 

as above, but in variable lengths

15

CABLE-D-15SUB-F-OE-0,25-S/...

2900905

1

CABLE-D-15SUB-M-OE-0,25-S/...

2900910

1

Round cable

 with an open end

25

0.5 m

CABLE-D-25SUB/F/OE/0,25/S/0,5M

2926153

1

CABLE-D-25SUB/M/OE/0,25/S/0,5M

2926506

1

25

1 m

CABLE-D-25SUB/F/OE/0,25/S/1,0M

2926166

1

CABLE-D-25SUB/M/OE/0,25/S/1,0M

2926519

1

25

1.5 m

CABLE-D-25SUB/F/OE/0,25/S/1,5M

2926179

1

CABLE-D-25SUB/M/OE/0,25/S/1,5M

2926522

1

25

2 m

CABLE-D-25SUB/F/OE/0,25/S/2,0M

2926182

1

CABLE-D-25SUB/M/OE/0,25/S/2,0M

2926535

1

25

3 m

CABLE-D-25SUB/F/OE/0,25/S/3,0M

2926195

1

CABLE-D-25SUB/M/OE/0,25/S/3,0M

2926548

1

25

4 m

CABLE-D-25SUB/F/OE/0,25/S/4,0M

2926205

1

CABLE-D-25SUB/M/OE/0,25/S/4,0M

2926551

1

25

6 m

CABLE-D-25SUB/F/OE/0,25/S/6,0M

2926218

1

CABLE-D-25SUB/M/OE/0,25/S/6,0M

2926564

1

Round cable, 

as above, but in variable lengths

25

CABLE-D-25SUB-F-OE-0,25-S/...

2900906

1

CABLE-D-25SUB-M-OE-0,25-S/...

2900911

1

596

PHOENIX CONTACT

System cabling for controllers

Universal cables

Socket strip at one end and

open end at the other end

Pin strip at one end and

open end at the other end

– 1:1 connection
– D-SUB socket strip or pin strip at 

one end

– Connector according to 

IEC 60807-2/DIN 41652

– Gland: 2 UNC 4-40 screws
– Open end at the other end
– Individual wire marking: 1, 2, 3, 4, etc.
– Individual wires fitted with ferrules
– Shield connection: H05V-K 1 mm2 cable, 

black, 0.5 m in length

System cable with 
D-SUB socket strip or pin strip 
and an open end

phoenixcontact-interface-technology-and-switching-devices-html.html
background image

For further information and full technical data, visit phoenixcontact.net/products

 

 

 

 

Technical data

Technical data

Maximum permissible operating voltage

25 V AC / 60 V DC

25 V AC / 60 V DC

Maximum permissible operating voltage UL / CSA

125 V / 125 V

125 V / 125 V

Maximum permissible current carrying capacity per path

2 A

2 A

Maximum conductor resistance

0.09 

/m

0.09 

/m

Ambient temperature (operation)

-20 °C ... 50 °C

-20 °C ... 50 °C

Shield

Tinned copper-braided shield, approx. 85% covering

Tinned copper-braided shield, approx. 85% covering

Insertion/withdrawal cycles

> 200

> 200

Conductor cross section

AWG 24 / 0.25 mm²

AWG 24 / 0.25 mm²

Outside diameter

37-pos.

12 mm

12 mm

50-pos.

13.5 mm

13.5 mm

Ordering data

Ordering data

Description

No. of

pos.

Cable length

Type

Order No.

Pcs./

Pkt.

Type

Order No.

Pcs./

Pkt.

Round cable

 with an open end

37

0.5 m

CABLE-D-37SUB/F/OE/0,25/S/0,5M

2926221

1

CABLE-D-37SUB/M/OE/0,25/S/0,5M

2926577

1

37

1 m

CABLE-D-37SUB/F/OE/0,25/S/1,0M

2926234

1

CABLE-D-37SUB/M/OE/0,25/S/1,0M

2926580

1

37

1.5 m

CABLE-D-37SUB/F/OE/0,25/S/1,5M

2926247

1

CABLE-D-37SUB/M/OE/0,25/S/1,5M

2926593

1

37

2 m

CABLE-D-37SUB/F/OE/0,25/S/2,0M

2926250

1

CABLE-D-37SUB/M/OE/0,25/S/2,0M

2926603

1

37

3 m

CABLE-D-37SUB/F/OE/0,25/S/3,0M

2926263

1

CABLE-D-37SUB/M/OE/0,25/S/3,0M

2926616

1

37

4 m

CABLE-D-37SUB/F/OE/0,25/S/4,0M

2926276

1

CABLE-D-37SUB/M/OE/0,25/S/4,0M

2926629

1

37

6 m

CABLE-D-37SUB/F/OE/0,25/S/6,0M

2926289

1

CABLE-D-37SUB/M/OE/0,25/S/6,0M

2926632

1

Round cable, 

as above, but in variable lengths

37

CABLE-D-37SUB-F-OE-0,25-S/...

2900907

1

CABLE-D-37SUB-M-OE-0,25-S/...

2900912

1

Round cable

 with an open end

50

0.5 m

CABLE-D-50SUB/F/OE/0,25/S/0,5M

2926292

1

CABLE-D-50SUB/M/OE/0,25/S/0,5M

2926645

1

50

1 m

CABLE-D-50SUB/F/OE/0,25/S/1,0M

2926302

1

CABLE-D-50SUB/M/OE/0,25/S/1,0M

2926658

1

50

1.5 m

CABLE-D-50SUB/F/OE/0,25/S/1,5M

2926315

1

CABLE-D-50SUB/M/OE/0,25/S/1,5M

2926661

1

50

2 m

CABLE-D-50SUB/F/OE/0,25/S/2,0M

2926328

1

CABLE-D-50SUB/M/OE/0,25/S/2,0M

2926674

1

50

3 m

CABLE-D-50SUB/F/OE/0,25/S/3,0M

2926331

1

CABLE-D-50SUB/M/OE/0,25/S/3,0M

2926687

1

50

4 m

CABLE-D-50SUB/F/OE/0,25/S/4,0M

2926344

1

CABLE-D-50SUB/M/OE/0,25/S/4,0M

2926690

1

50

6 m

CABLE-D-50SUB/F/OE/0,25/S/6,0M

2926357

1

CABLE-D-50SUB/M/OE/0,25/S/6,0M

2926700

1

Round cable, 

as above, but in variable lengths

50

CABLE-D-50SUB-F-OE-0,25-S/...

2900908

1

CABLE-D-50SUB-M-OE-0,25-S/...

2900913

1

597

PHOENIX CONTACT

System cabling for controllers

Universal cables

Socket strip at one end and

open end at the other end

Pin strip at one end and

open end at the other end

Special lengths of D-SUB cable with open 

ends are configured using separate order 
numbers.

Ordering example:

One system cable assembled with a 

37-pos. D-SUB socket strip and an 
open end, 12.75 m in length:

1 pcs.   

2900907

/12,75

phoenixcontact-interface-technology-and-switching-devices-html.html
background image

.

01

.

02

.

03

.

0

4

.

05

.

06

.

0

7

P1 P1

.

nn

.

01

.

02

.

03

.

0

4

.

05

.

06

.

0

7

P2 P2

.

nn

.

01

.

02

.

03

.

0

4

.

05

.

06

.

0

7

P1 P1

.

nn

.

01

.

02

.

03

.

0

4

.

05

.

06

.

0

7

P2 P2

.

nn

 

 

 

 

Technical data

Technical data

Maximum permissible operating voltage

250 V AC/DC

250 V AC/DC

Maximum permissible operating voltage UL / CSA

250 V / 250 V

250 V / 250 V

Maximum permissible current (per branch)

15 A

15 A

Total current

30 A (per potential)

30 A (per potential)

Ambient temperature (operation)

-20 °C ... 50 °C

-20 °C ... 50 °C

Mounting position

any

any

Standards/regulations

IEC

 

60664 , DIN EN 50178

IEC

 

60664 , DIN EN 50178

IEC

Supply connection data solid/stranded/AWG

0.2 - 6 mm² / 0.2 - 4 mm² / 24 - 10

0.25 - 6 mm² / 0.25 - 4 mm² / 24 - 10

0.2 - 10 mm² /

Distribution connection data solid/stranded/AWG

0.2 - 4 mm² / 0.2 - 2.5 mm² / 24 - 12

0.14 - 2.5 mm² / 0.14 - 2.5 mm² / 26 - 14

0.

Dimensions

H / D

65.5 mm / 50 mm

75.8 mm / 63 mm

Ordering data

Ordering data

Description

No. of

pos.

Module width

W

Type

Order No.

Pcs./

Pkt.

Type

Order No.

Pcs./

Pkt.

VARIOFACE module

, with two busbars (P1, P2) for potential 

distribution, per potential:

2 power terminals/8 distributor terminal blocks

50.00

VIP-2/SC/PDM-2/16

2315256

1

2 power terminals/12 distributor terminal blocks

70.40

VIP-2/SC/PDM-2/24

2315269

1

2 power terminals/16 distributor terminal blocks

90.80

VIP-2/SC/PDM-2/32

2315272

1

2 power terminals/24 distributor terminal blocks

131.50

VIP-2/SC/PDM-2/48

1

)

2903717

1

VARIOFACE module

, with two busbars (P1, P2) for potential 

distribution, per potential:

2 power terminals/8 distributor terminal blocks

41.90

VIP-3/PT/PDM-2/16

2903797

1

2 power terminals/12 distributor terminal blocks

57.10

VIP-3/PT/PDM-2/24

2903798

1

2 power terminals/16 distributor terminal blocks

67.30

VIP-3/PT/PDM-2/32

2903799

1

2 power terminals/24 distributor terminal blocks

97.70

VIP-3/PT/PDM-2/48

2903800

1

VARIOFACE module

 with 2 busbars for potential distribution

- 2 power terminals/8 distributor blocks

97.70

VARIOFACE module

, with three busbars (+, -, PE) for potential 

distribution, per potential:

(+) 2 power terminals/48 distributor terminal blocks

(-) 2 power terminals/24 distributor terminal blocks

(PE) 2 power terminals/72 distributor terminal blocks

168.80

VARIOFACE module

, with six busbars (P1 to P6) for potential 

distribution, per potential:

2 power terminals/12 distributor terminal blocks

123.80

598

PHOENIX CONTACT

The VIP-2/.../PDM... modules offer the 

following features:
– Two potential levels
– Separate supply
– Screw or Push-in connection
– Consecutive  marking
– With fuse as an option

The UMK-PVB and UMK-PVB 6 modules 

have three or six potential levels.

Notes:

Marking systems and mounting material

See Catalog 3

1

) No UL approval

Modules as compact potential 
distributors

System cabling for controllers

Potential distributors

With screw connection and 

2 potential levels

With Push-in connection and 

2 potential levels

D W

H

D W

H

phoenixcontact-interface-technology-and-switching-devices-html.html
background image

.

0

8

.

0

8

P

1

P

1

P

2

P

2

.

0

7

.

0

7

P

1

P

2

.

0

1

.

0

2

.

0

3

.

0

1

.

0

2

.

0

3

+

+

+

+

+

+

+

+

+

+

+

-

-

-

-

-

-

-

-

-

-

-

P

E

P

E

P

E

P

E

P

E

P

E

P

E

P

E

P

E

P

E

P

E

P

1

P

1

P

1

P

1

P

1

P

1

P

1

P

1

P

1

P

1

P

1

P

1

P

1

P

1

P

2

P

2

P

2

P

2

P

2

P

2

P

2

P

2

P

2

P

2

P

2

P

2

P

2

P

2

P

6

P

6

P

6

P

6

P

6

P

6

P

6

P

6

P

6

P

6

P

6

P

6

P

6

P

6

For further information and full technical data, visit phoenixcontact.net/products

 

Technical data

Technical data

Technical data

250 V AC/DC

250 V AC/DC

250 V AC/DC

250 V / 250 V

- / -

- / -

6.3 A (fuse limited)

16 A

16 A

30 A (per potential)

16 A (per potential)

16 A (per potential)

-20 °C ... 60 °C

-20 °C ... 50 °C

-20 °C ... 50 °C

any

any

any

60664 , DIN EN 50178

IEC

 

60664 , DIN EN 50178

IEC

 

60664 , DIN EN 50178

IEC

 

60664 , DIN EN 50178

Supply connection data solid/stranded/AWG

0.2 - 6 mm² / 0.2 - 4 mm² / 24 - 10

0.25 - 6 mm² / 0.25 - 4 mm² / 24 - 10

0.2 - 10 mm² / 0.2 - 6 mm² / 24 - 8

0.5 - 6 mm² / 0.5 - 4 mm² / 20 - 10

0.2 - 6 mm² / 0.2 - 4 mm² / 24 - 10

- 2.5 mm² / 24 - 12

0.14 - 2.5 mm² / 0.14 - 2.5 mm² / 26 - 14

0.14 - 2.5 mm² / 0.14 - 2.5 mm² / 26 - 14

0.2 - 4 mm² / 0.2 - 2.5 mm² / 24 - 12

0.2 - 4 mm² / 0.2 - 2.5 mm² / 24 - 12

109.8 mm / 51 mm

77 mm / 72 mm

77 mm / 72 mm

Ordering data

Ordering data

Ordering data

Type

Order No.

Pcs./

Pkt.

Type

Order No.

Pcs./

Pkt.

Type

Order No.

Pcs./

Pkt.

VIP-2/PT/PDM-2/16/FU 6.3A

2903603

1

UMK- PVB

2971302

1

UMK- PVB 6

2972136

1

599

PHOENIX CONTACT

System cabling for controllers

Potential distributors

D W

H

With Push-in connection and 

2 potential levels and eight 6.3 A fuses

With screw connection and 

3 potential levels

With screw connection and 

6 potential levels

D W

H

D W

H

phoenixcontact-interface-technology-and-switching-devices-html.html
background image

77

1

0

1,3

77

1

0

1,3

77

157,5

A

NN

1

3

5

7

9

11

13

15

17

1

9

21

23

25

27

2

9

31

33

35

37

3

9

41

43

45

47

4

9

51

53

Y

Z

2

4

6

8

1

0

12

14

16

1

8

2

0

22

24

26

2

8

3

0

32

34

36

3

8

4

0

42

44

46

4

8

5

0

52

54

X11

X1

0

X5

X

9

X7

X3

X6

X

8

X4

X2

77

157,5

A

N

N

1

3

5

7

9

11

13

15

17

1

9

21

23

25

27

2

9

31

33

35

37

3

9

41

43

45

47

4

9

51

53

Y

Z

2

4

6

8

1

0

12

14

16

1

8

2

0

22

24

26

2

8

3

0

32

34

36

3

8

4

0

42

44

46

4

8

5

0

52

54

X11

X1

0

X5

X

9

X7

X3

X6

X

8

X4

X2

146,3

77

146,3

77

77

1

0

1,3

77

1

0

1,3

A

N

N

77

1

0

1,3

77

1

0

1,3

Modules for ELCO connectors

Dimensional drawing for

UMK-EC38/38-XOL

Dimensional drawing for

UMK-EC38/38-XOR

Dimensional drawing for

UMK-EC56/32-XOL

Dimensional drawing for

UMK-EC56/32-XOR

Dimensional drawing for UMK-EC56/FRONT 2,5V/R

Dimensional drawing for UMK-EC56/FRONT 2,5V/L

Dimensional drawing for

UMK-EC56/32-XUL

Dimensional drawing for

UMK-EC56/32-XUR

Dimensional drawing for

UMK-EC56/56-XOL

Dimensional drawing for

UMK-EC56/56-XOR

Pin assignment 

UMK-EC38/38...

Terminal 

block

Pin strip

1

2

3

4

5

6

7

8

9

10

11

12

13

14

15

16

17

18

19

20

21

22

23

24

25

26

27

28

29

30

31

32

33

34

35

36

37

CC

A

B

C

D

E

F

H

J

K

L

M

N

P

R

S

T

U

V

W

X

Y

Z

AA

BB

DD

EE

FF

HH

JJ

KK

LL

MM

NN

PP

RR

SS

TT

CC

Pin assignment 

UMK-EC56/56...

Terminal 

block

Pin strip

Z

1

2

3

4

5

6

7

8

9

10

11

12

13

14

15

16

17

18

19

20

21

22

23

24

25

26

27

28

29

30

31

32

33

34

35

36

37

38

39

40

41

42

43

44

45

46

47

48

49

50

51

52

53

54

Y

Z

A

B

C

D

E

F

H

J

K

L

M

N

P

R

S

T

U

V

W

X

a

b

c

d

e

f

h

j

k

l

m

n

p

r

s

t

u

v

w

x

y

z

AA

BB

CC

DD

EE

FF

HH

JJ

KK

LL

MM

NN

Y (shield)

Pin assignment 

UMK-EC56/FRONT 2,5V/...

Terminal 

block

ELCO 

connector

X

1

2

3

4

5

6

7

8

9

10

11

12

13

14

15

16

17

18

19

20

21

22

23

24

25

26

27

28

29

30

31

32

33

34

35

36

37

38

39

40

41

42

43

44

45

46

47

48

49

50

51

52

53

54

Y

N.C.

A

B

C

D

E

F

H

J

K

L

M

N

P

R

S

T

U

V

W

X

a

b

c

d

e

f

h

j

k

l

m

n

p

r

s

t

u

v

w

x

y

z

AA

BB

CC

DD

EE

FF

HH

JJ

KK

LL

MM

NN

Y (shield)

Pin assignment 

UMK-EC56/32-...

Terminal 

block

ELCO 

connector

1

2

3

4

5

6

7

8

9

10

11

12

13

14

15

16

17

18

19

20

21

22

23

24

25

26

27

28

29

30

31

32

Y

A

B

C

D

E

F

H

J

K

L

M

N

P

R

S

T

U

V

W

X

Z

a

b

c

d

e

f

h

j

k

l

m

NN + Y

600

PHOENIX CONTACT

System cabling for controllers

Tables, dimensional drawings

phoenixcontact-interface-technology-and-switching-devices-html.html
background image

77

1

0

1,3

A

D

B

Y

Y

32

3

0

2

8

26

24

22

2

0

1

8

16

14

12

1

0

8

6

4

2

Y

Y

31

2

9

27

25

23

21

1

9

17

15

13

11

9

7

5

3

1

77

1

0

1,3

2

4

6

8

1

0

12

14

16

1

8

2

0

22

24

26

2

8

3

0

32

Y

Y

1

3

5

7

9

11

13

15

17

1

9

21

23

25

27

2

9

31

Y

Y

A

D

B

77

7

8

,

8

2

4

6

8

1

0

12

14

16

1

8

2

0

22

24

Y

Y

1

3

5

7

9

11

13

15

17

1

9

21

23

Y

Y

A

NN

77

7

8

,

8

2

4

6

8

1

0

12

14

16

1

8

2

0

22

24

Y

Y

1

3

5

7

9

11

13

15

17

1

9

21

23

Y

Y

A

NN

77

1

0

1,3

Y

Y

32

3

0

2

8

26

24

22

2

0

1

8

16

14

12

1

0

8

6

4

2

Y

Y

31

2

9

27

25

23

21

1

9

17

15

13

11

9

7

5

3

1

A

D

B

77

1

0

1,3

2

4

6

8

1

0

12

14

16

1

8

2

0

22

24

26

2

8

3

0

32

Y

Y

1

3

5

7

9

11

13

15

17

1

9

21

23

25

27

2

9

31

Y

Y

A

D

B

112,5

77

112,5

77

For further information and full technical data, visit phoenixcontact.net/products

Modules for ELCO connectors with 
Ex i protection

Dimensional drawing for UMK-EC 56/25/EX/FRONT 2,5 V/L

Dimensional drawing for UMK-EC 56/25/EX/FRONT 2,5 V/R

Dimensional drawing for 

UMK-EC90/32/EX-XUL

Dimensional drawing for 

UMK-EC90/32/EX-XUR

Dimensional drawing for 

UMK-EC90/32/EX-XOL

Dimensional drawing for 

UMK-EC90/32/EX-XOR

Dimensional drawing for 

UMK-EC56/25/EX-L

Dimensional drawing for 

UMK-EC56/25/EX-R

Pin assignment 

UMK-EC90/32/EX...

Terminal 

block

Pin strip

Channel

1

2

H

J

1

3

4

L

M

2

5

6

P

X

3

7

8

Z

AA

4

9

10

AC

AD

5

11

12

AM

AN

6

13

14

AR

AS

7

15

16

AU

BC

8

17

18

AZ

BA

9

19

20

BJ

BK

10

21

22

BM

BN

11

23

24

BR

BY

12

25

26

CA

CB

13

27

28

CD

CE

14

29

30

CN

CP

15

31

32

CS

CT

16

Y

DB

Pin assignment 

UMK-EC 56/25/EX/...

Terminal 

block

Pin strip

Channel

1

2

C

D

1

3

4

E

F

2

5

6

N

P

3

7

8

R

S

4

9

10

a

b

5

11

12

d

j

6

13

14

k

l

7

15

16

s

t

8

17

18

u

v

9

19

20

BB

CC

10

21

22

DD

EE

11

23

24

MM

NN

12

Y

Y

601

PHOENIX CONTACT

System cabling for controllers

Tables, dimensional drawings

phoenixcontact-interface-technology-and-switching-devices-html.html
background image

602

PHOENIX CONTACT

communication technology have resulted in 
an extremely high standard of quality for our 
products when it comes to electromagnetic 
compatibility. Our sister company, Phoenix 
Testlab, was founded in order to share this 
expertise with other companies. Phoenix 
Testlab GmbH is an independent, accredited 
service company, which carries out EMC 
testing in compliance with the European 
standards. At Phoenix Testlab, devices are 
also tested with regard to their electrical 
safety, mechanical influences, and their 
behavior in relation to environmental 
influences. Phoenix Testlab is also a notified 
body according to EMC Directive 
2014/30/EU, R&TTE Directive 1999/5/EC 
for radio equipment and 
telecommunications terminal equipment, 
and Radio Equipment Directive (RED) 
2014/53/EU. As a certification body 
(TCB, FCB, and RCB), Phoenix Testlab is 
also able to approve these products for the 
markets in the USA, Canada, and Japan.

Standards and regulations

All relevant standards and regulations are 

used as the basis for the development and 
maintenance of our products. 

International standards are subject to 

continuous changes as a result of 
harmonization and new developments. In 
line with this process, the current version of 
all standards that are relevant to our 
products is documented in the product area 
on our website at

 

phoenixcontact.net/products

.

Online product information service on 
the world wide web

Phoenix Contact is continuously 

extending its product range.

Within the scope of our product 

monitoring obligation, all products are 
subject to an improvement process.

The Internet is an ideal platform to quickly 

communicate new product developments 
and improvements to the market.

You can quickly access the relevant 

Phoenix Contact website for your region via 
phoenixcontact.com. There you will always 
find an up-to-date overview of products, 
solutions, and services from Phoenix 
Contact. This includes technical documents 
such as data sheets and user manuals, 
current driver and demo software, and a 
direct link to the relevant contact person.

the product characteristics with regard to 
device safety and the avoidance of risks. 
These are legally binding regulations of the 
European Union (EU), which means that the 
fulfillment of these requirements is a 

legal 

prerequisite for the marketing of 
these products within the EU

Where applicable, our products currently 

fall within the scope of the following 
directives: 
– 2014/35/EU 

Electrical equipment designed for use 
within certain voltage limits (Low Voltage 
Directive) 

– 2014/30/EU 

Electromagnetic compatibility 
(EMC Directive) 

– 2014/32/EU 

Measuring instruments 

– 2006/42/EC 

Safety of machinery 
(Machinery Directive) 

– 2014/34/EU 

Equipment and protective systems 
intended for use in potentially explosive 
atmospheres (ATEX Directive) 

– 1999/5/EC 

Radio Equipment and Telecommunications 
Terminal Equipment Directive (R&TTE)

– 2014/53/EU 

Radio equipment (RED) 

– 2011/65/EU 

RoHS Directive
The standards used as the basis for the 

aforementioned directives have been at the 
heart of our development standard for some 
time as a way of ensuring compliance with 
European directives. The numbers of the 
directives indicate their version at the time 
of publication. In the event of changes to 
directives and/or standards, our products 
will undergo conformity assessment again in 
good time and a new declaration of 
conformity will be issued promptly. The 
current declarations for each product can 
also be found in our download area.

Among the aforementioned European 

directives, the EMC Directive plays a 
particularly important role. It uses a legally 
binding directive as the basis for defining 
electromagnetic compatibility as a 
fundamental device property. European 
legislation therefore places great emphasis 
on the electromagnetic compatibility of 
devices and systems as a basic prerequisite 
for the error-free operation of machines and 
systems. As an international leader in the 
field of surge protection, Phoenix Contact 
has extensive expertise in EMC. This 
expertise and the experience gained over 
many years in the development and 
application of industrial interface and 

Integrated management system

The objective of the Phoenix Contact 

integrated management system is to 
integrate all requirements pertaining to 
products, processes, and the organization.

Statutory and regulatory requirements, as 

well as those of international standards and 
our customers, are met and, in some cases, 
even exceeded in all phases of the product 
lifecycle.

The Phoenix Contact management 

system is monitored by internationally 
recognized independent bodies each year to 
ensure that quality, environmental 
protection, energy efficiency, and 
occupational safety have been integrated in 
conformance with the relevant 
requirements. Certification in accordance 
with international standards ISO 9001, 
ISO 14001, ISO 50001, and 
BS OHSAS 18001 is the result of our 
corporate philosophy of meeting the needs 
of our customers, staff, and environment as 
best as possible. They serve as the basis for 
innovative products with the familiar high 
Phoenix quality standard, actively practiced 
environmental protection through efficient 
production and products that conserve 
resources, and responsibility in the field of 
occupational health and safety. It goes 
without saying that we integrate all further 
requirements of standards, international 
approvals or special customer requirements 
into our company processes. 

The result of this system is a building block 

for the success of the Phoenix Contact 
Group as well as its products and services.

CE marking

CE marking was introduced as an 

important instrument for the free 
movement of goods within the European 
single market. By applying the mark to a 
product, the manufacturer confirms its 
compliance with all EU directives applicable 
to this product. The EU directives describe 

Quality in quantity

Technical information

 

phoenixcontact-interface-technology-and-switching-devices-html.html
background image

60

200

For further information and full technical data, visit phoenixcontact.net/products

603

PHOENIX CONTACT

Touch-proof

Back of hand safety

Example: pressure actuation

Touch proofness

Finger safety

Back of hand safety

The most important thing is that an area 

formed by an even envelope curve 30 mm in 
radius must surround the live parts. This 
area must be 

touch-proof

, i.e., the live 

parts of the electrical device must not be 
within reach of the VDE test finger 
according to IEC 60529/DIN VDE 0470-1 
(test finger).

Back of hand safety is specified for the 

“rest of the area” up to 100 mm around the 
operating element. 

Back of hand safety

 

means that when a force of 50 N is applied 
to a ball with a diameter of 50 mm, this does 
not come into contact with the live parts of 
the equipment. No special measures for 
ensuring contact safety are stipulated 
outside this area.

Note: Systems and equipment that are 

operated with SELV up to 25 V ~ or 60 V – 
are considered to be protected against 
“direct contact”.

According to § 5, Subsection 4 of the 

BGV A 2 regulations, there is no need to 
test the condition of the system prior to 
initial startup if the company has 
confirmation from the manufacturer or 
installer that the electrical systems and 
equipment conform to BGV A 2. The 
confirmation required relates to systems 
and equipment that have been installed and 
are ready for operation and can only be 
issued by the installer or installation 
company. The manufacturer of the electrical 
equipment can only issue a confirmation 
that products have been produced in 
accordance with the relevant 
electrotechnical DIN VDE regulations 
stipulated in BGV A 2. The installer must 
bear this in mind when selecting the 
equipment to be used.

In the field of connection technology, 

Phoenix Contact offers a wide range of 
products which are touch-proof or can be 
protected against contact by means of 

The accident prevention regulations 

BGV A 2 issued by the German employer's 
liability insurance association for precision 
mechanics and electrical engineering apply 
to the operators of electrical systems and 
are aimed at the prevention of electrical 
accidents by means of special safety 
requirements.

These regulations contain specifications 

regarding the safety distances for work, 
operation, and occasional handling in the 
proximity of “live parts” in low-voltage 
systems up to 1000 V ~ or 1500 V –.
– Work with live parts is only permitted 

once they have been de-energized. 
Operational activities are only permitted 
in the vicinity of live parts if these parts 
are de-energized or are protected against 
direct contact (§ 6). The following safety 
measures apply when working in the 
vicinity of live parts:

– Provision of the de-energized state for 

the duration of the work

– Ensure shock protection is in place in the 

form of covers or barriers during the 
work

– Assurance that proximity limits will not 

be violated (§ 7)
The term “occasional handling” has been 

introduced for the operation of elements 
such as pushbuttons, rocker arms or rotary 
buttons in the proximity of live parts.

In VDE 0105-1, this is covered by 

“operation with partial protection against 
direct contact”.

Detailed specifications for “occasional 

handling” can be found in DIN VDE 0106-
100. This specifies to what degree live parts 
in the proximity of operating elements are 
to be protected against contact. The basis 
for this is the definition of a “protection area 
for occasional handling”; this is the area into 
which the user must reach in order to 
handle the machine.

covers. Depending on the conditions, all of 
this must be taken into account when 
selecting the individual types of terminal 
blocks and accessories.

Technical information

 

phoenixcontact-interface-technology-and-switching-devices-html.html
background image

Quality features of insulating housings

Thermoplastics

The majority of our insulating housing is 

made from thermoplastic materials. Roughly 
speaking, these can be divided into 
amorphous and semi-crystalline substances. 
Thermoplastics are processed using the 
efficient and environmentally-friendly 
injection molding process. They have good 
recycling properties and can be re-used. We 
use many materials that are modified in 
different ways to meet the demanding 
requirements that electrical and electronic 
modules, devices, and systems have to meet 
with regard to their mechanical, thermal, 
and electrical properties.

Behavior of plastics under the 
influence of temperature (operating 
temperatures, mechanical influences)

All plastics undergo a process referred to 

as thermal aging when they are subjected to 
heat over long periods. This process causes 
changes in the mechanical and electrical 
properties of the material. External 
influences, e.g., radiation, additional 
mechanical, chemical or electrical stresses, 
amplify this effect. Special tests on samples 
can yield characteristic data which provides 
a good means of drawing comparisons 
between different plastics. However, 
applying these characteristics to an 
evaluation of molded plastic parts is only 
possible to a limited extent, and can only 
give the designer a rough guide when it 
comes to selecting a plastic material. This 
catalog uses the following assessment 
criteria: the 

RTI value

 according to 

UL746B/ANSI 746 B (elec. based on electric 
strength) and the 

Ti value

 according to 

IEC 60216-1 (based on a 50% reduction in 
tensile strength after 20,000 hours).

IEC 60947-7-1/EN 60947-7-1 specifies a 

permissible temperature increase of 45 K 
for terminal blocks under nominal load. 
Phoenix Contact terminal blocks fulfill this 
requirement. 

The properties of plastics are not only 

affected by the influence of heat as 
described above; they also undergo changes 
as a result of cold influences. When 
subjected to cold as well as low levels of 
humidity, plastics become increasingly brittle 
with the result that they are no longer 
capable of withstanding the same mechanical 
loads. As the table on the right shows, the 
plastics concerned can be used down to a 
temperature of -40°C, but only without a 
mechanical load. As far as the products 
presented in the catalog are concerned, it is 
the ambient temperature specified in each 
case that is to be regarded as definitive for 
operation. Regardless of the plastics used, 

this may be subject to further restrictions 
(e.g., limited to -20°C) as a result of the 
components used or other restrictive 
parameters.

At very low temperatures, this means that 

any form of mechanical load on the plastic 
components must be avoided (e.g., 
mounting of products on/removal of 
products from the DIN rail, actuation of 
terminal points, locking/ejection of relays 
from bases, prizing out of jumpers, bending 
of cables and lines, etc.), as there is always an 
associated risk of damage. Unless otherwise 
indicated, it is recommended that you carry 
out the specified mounting/operational 
tasks in a temperature range from 
-10°C to +40°C.

Inflammability characteristics of 
plastics (UL 94)

The inflammability tests for plastics have 

been defined by the Underwriters 
Laboratory (USA) in regulation UL 94. This 
applies to all areas of application, particularly 
in electrical engineering. A horizontal or 
vertical test is carried out at the test 
laboratory to determine the inflammability 
of the plastic material with a naked flame. In 
order of increasing flame-retardant behavior, 
the evaluation classes are HB, V2, V1, V0, 
and 5V. Test results are recorded on “yellow 
cards” and are published annually in the 

Recognized Component Directory. 

Thermoplastics: 
non-reinforced polyamide, PA 

We use the modern, semi-crystalline 

polyamide insulation material, which has 
now become an essential component in 
electrical engineering and electronics. It has 
long occupied a leading position and is 
authorized for use by the relevant approval 
authorities such as the CSA, NEMKO, 
KEMA, PTB, SEV, UL, VDE, etc.

Polyamide has excellent electrical, 

mechanical, chemical, and other properties 
even at high operating temperatures. Brief 
peak temperatures of up to approximately 
200°C are permitted as a result of heat aging 
stabilization. Depending on the type 
(PA 4.6, 6.6, 6.10, etc.), its melting point is in 
the region of 215°C to 295°C.

Polyamide absorbs moisture from its 

surroundings, on average 2.8%. This is not 
the embedded water of crystallization, 
however, but rather chemically bound H

2

groups in the molecular structure. This 
makes the plastic flexible and resistant to 
breakage, even at temperatures as low as -
40°C. PA belongs to flammability rating V2 
to V0 according to UL 94.

Thermoplastics: polyester, PBT

We use the semi-crystalline thermoplastic 

polyester in non-reinforced and fiberglass-
reinforced variants for special applications 
which require increased dimensional and 
form stability. 

Apart from the high operating 

temperature, the material is characterized 
by excellent mechanical strength and 
hardness. Polyester does not absorb 
moisture from its surroundings. Therefore, 
PBT is particularly suitable for strips, for 
example, that are soldered onto PCBs and 
are subsequently required to pass a burn-in 
test where they are subjected to the 
influence of heat. PBT belongs to 
flammability rating V2 to V0 according to 
UL 94.

Thermoplastics: polycarbonate, PC

Polycarbonate combines many advantages 

such as rigidity, impact strength, 
transparency, dimensional stability, good 
insulation properties, and resistance to heat.

The amorphous material only absorbs 

moisture to a very limited degree, and is 
used for items such as large, rigid electronic 
component housings.

In its transparent form, polycarbonate is 

particularly suitable for use as a material for 
cover profiles or marking materials.

PC has good resistance properties against 

mineral acids, saturated aliphatic 
hydrocarbons, gasoline, greases, and oils.

This material is not very resistant to 

solvents, benzene, alkalis, acetone, and 
ammonia. Strain cracks may result from 
contact with certain chemicals.

PC belongs to flammability rating V2 to V0 

according to UL 94.

Thermoplastics: 
polycarbonate fiber-reinforced, PC-F 

Compared to non-reinforced materials, 

fiber-reinforced polycarbonates feature 
greater rigidity, impact strength, and 
operating temperature. In other respects, 
their properties are largely identical to those 
of non-reinforced polycarbonate.

604

PHOENIX CONTACT

Technical information

 

phoenixcontact-interface-technology-and-switching-devices-html.html
background image

For further information and full technical data, visit phoenixcontact.net/products

Properties

Unit/level

Polyamide

PA

Polyester

PBT

Polycarbonate 

PC

Polycarbonate 

PC-F

ABS

Operating temperature

RTI */**

°C

 105

 105

 125

 120

 80

Minimum temperature (without mechanical load)

°C

-40

-40

-40

-40

-40

Electric strength IEC 60243-1/DIN VDE 0303-21

kV/cm

600

400

> 300

850

Resistance to creepage IEC 60112/DIN VDE 0303-1

CTI...M

550

225

175

200

CTI...

600

225

175

175

600

Tropical and termite resistance

Good

Good

Good

Specific contact resistance

IEC 60093/VDE 0303 Part 30; IEC 60167/VDE 0303 Part 31

 cm

10

12

10

16

> 10

16

> 10

14

10

14

Surface resistance

IEC 60093/VDE 0303 Part 30; IEC 60167/VDE 0303 Part 31

 

10

10

10

13

> 10

14

10

13

Flammability rating according to UL 94

V2-V0

V0

V2-V0

V0

HB-V0

* According to UL 746 B/ANSI 746 B (elec.)

** Minimum value

Thermoplastics: ABS

We use the thermoplastic molding 

compound ABS for products which must 
have good impact and notched impact 
properties in addition to high mechanical 
stability and rigidity. The products are 
resistant to chemicals and stress cracking 
due to their special surface quality and 
hardness.

The characteristic thermal properties 

provide good dimensional stability at both 
low and high temperatures. Products made 
from ABS can be coated with metallic 

surfaces, e.g., nickel.

The flammability rating of the molding 

compound used is HB to V0 according to 
UL 94.

Dimensions: W

idth

/H

eight/

D

epth

W

H

D

W

D

H

Dimensions

Subject to changes that serve the purpose 

of technical progress.

In accordance with statutory regulations, 

our products are indicated with this 
footnote if they are intended for use in 
industrial environments. This means that 
the permitted limit values for residential 
applications may be exceeded in the event 
of conducted and emitted disturbance 
variables. In such cases, the operator may 
have to take additional safety measures in 
order to ensure electromagnetic 
compatibility in residential applications.

EMC: Class A product:

Note:

The dimensions “

W

idth/

H

eight/

D

epth” 

are defined as follows for all 
DIN-rail-mountable products:

W

idth: measurement taken along the DIN rail

H

eight: measurement taken across the DIN rail

D

epth: measurement taken starting from the 

mounting plate and including the DIN rail 
NS 35/7.5 (EN 60715)
The width, height, and depth never 

change, even if the products shown in this 
catalog happen to be photographed from 
two different perspectives (horizontal or 
vertical).

To make things easier for you, one of the 

two symbols shown above has been included 
next to each product photo:

605

PHOENIX CONTACT

Technical information

 

phoenixcontact-interface-technology-and-switching-devices-html.html
background image

606

PHOENIX CONTACT

Connection cross section

strand)

 or flexible 

(fine-strand)

.

These values can be found in the product-

specific technical data.

The rated connection capacity of Phoenix 

Contact terminal blocks usually exceeds 
standard requirements, which specify that it 
must only be possible to connect one 
conductor with one of the two next 
smallest cross sections, excluding the rated 
cross section (standardized for the cross 
section range from 0.2 to 35 mm

2

).

In addition, conductors with a rated cross 

section can usually be wired with ferrules 
with plastic sleeve.

Phoenix Contact terminal blocks are 

The rated cross section of terminal blocks 

must be specified by the manufacturer 
according to IEC 60947-7-1. The rated cross 
section is the maximum conductor cross 
section that can be connected in single, 
multi or fine-strand versions subject to 
specific thermal, mechanical, and electrical 
requirements.

The manufacturer must also specify the 

rated connection capacity

, i.e., the area 

of connectable conductors as well as the 
number of conductors which can be 
connected simultaneously and the necessary 
preparation of the conductor ends. The 
conductors can be 

solid (single or multi-

designed to allow copper conductors to be 
connected to them untreated. “Special 
treatment” or the use of ferrules – both 
permitted according to IEC 60947-7-1 – are 
not required. If ferrules are nevertheless 
used to protect stranded conductors against 
splicing, the connection capacity of the 
stranded conductor is generally reduced by 
one level.

Structure and dimensions of connecting cables

Cross 

section

Single-stranded

Multi-stranded

Fine-stranded

American Wire Gauge [AWG]

Diameter 

max. 

dimension

Number of 

wires

Diameter 

max. 

dimension

Number of 

wires 

(minimum 

number)

Diameter 

max. 

dimension

Number of 

wires 

(guide 

value)

Gauge no.

Solid wires 

Stranded wires

[mm

2

]

AWG

[

 mm]

[circ. mils]

[mm

2

]

[

 mm]

[circ. mils]

[mm

2

]

0.2

0.5

1

24

0.51

404

0.21

0.5

0.9

1

1.1

7

1.1

16

20

0.81

1022

0.52

0.97

1111

0.56

0.75

1.0

1

1.2

7

1.3

24

18

1.02

1620

0.82

1.16

1600

0.82

1

1.2

1

1.4

7

1.5

32

(17)

1.15

2050

1.04

16

1.29

2580

1.31

1.50

2580

1.32

1.5

1.5

1

1.7

7

1.8

30

(15)

1.45

3260

1.65

14

1.63

4110

2.08

1.85

4100

2.09

2.5

1.9

1

2.2

7

2.3

50

(13)

1.83

5180

2.63

12

2.05

6530

3.31

2.41

6500

3.32

4

2.4

1

2.7

7

2.9

56

(11)

2.30

8230

4.17

10

2.59

10380

5.26

2.95

10530

5.37

6

2.9

1

3.3

7

3.9

84

(9)

2.91

13100

6.63

8

3.26

16510

8.37

3.73

16625

8.48

Extract from IEC 60947-1/EN 60947-1, Table 4 

The torque according to IEC and the recommended torque for Phoenix Contact terminal blocks are specified

Thread

Head screw with slot

Torque

Recommended 

tightening torque

[Nm]

[Nm]

M2.5 (M2.6)

0.4

0.4 - 0.5

M3

0.5

0.5 - 0.6

M3.5

0.8

0.8 - 1.0

M4

1.2

1.2 - 1.5

Standard IEC 60947-7-1/EN 60947-7-1/ 

DIN VDE 0611-1 specifies the test currents 
for the individual conductor cross sections 
listed in the adjacent table. The 
corresponding currents are listed with the 
connection data for the individual terminal 
blocks. The type tests of terminal blocks are 
based on this data.

Test currents according to IEC 60947-7-1/EN 60947-7-1, Table 5

Rated cross section

[mm

2

]

0.2

0.5

0.75

1.0

1.5

2.5

4

6

10

16

Test current

[A]

4

6

9

13.5

17.5

24

32

41

57

76

Tightening torque of terminal block screws

Current carrying capacity

IEC 60947-1/EN 60947-1, modified, Table 4 

specifies tightening torques for screw 
connections based on the screw size for 
electrical and mechanical type tests. 

Technical information

 

phoenixcontact-interface-technology-and-switching-devices-html.html
background image

j

DE

CCA

X

FR

C

+

CA

NL

F

DE

US

p

DE

x

GB

,

*

CA

US

NL

m

JP

A

US

!

FI

o

NO

a

CA

DE

z

PL

u

US

CA

w

BR

y

RU

g

IT

$

DE

d

KR

BY

KZ

RU

DE

l

US

NL

C

CA

K

AT

&

US

s

CH

,

CA

US

J

V

DE

A

US

DE

a

CA

US

u

US

CA

CA

f

US

US

CA

BY

KZ

RU

T

DE

CN

KR

For further information and full technical data, visit phoenixcontact.net/products

607

PHOENIX CONTACT

Certification bodies and approvals

Country 

code

Explosion protection

Country 

code

Marine classification societies

Country 

code

IECEE CB Scheme

(in combination with certifying body)

Interna-

tional

International 

Electrotechnical Commission

Interna-

tional

DNV GL - MARITIME 

CENELEC Certification Agreement 

(CCA inspection report)

(in combination with certifying body)

EU

ATEX Directive

EU

Bureau Veritas 

Canadian Standards Association (CSA)

DEKRA Certification B.V.

Germanischer Lloyd AG 

Canadian Standards Association (CSA)

- CSA approval for the USA - 

Physikalisch-Technische Bundesanstalt 

Lloyd's Register of Shipping

Canadian Standards Association

(CSA) Combined logo

- CSA approval for Canada and the USA -

KIWA Nederland B.V.

Nippon Kaiji Kyokai 

Underwriters Laboratories Inc. (UL) 

VTT Expert Services Oy 

Det Norske Veritas 

Underwriters Laboratories Inc. (UL) 

- UL approval for Canada -

IBExU Institut für Sicherheitstechnik 

GmbH

Polski Rejestr Statków 

Underwriters Laboratories Inc. 

(UL) Combined logo 

- UL approval for the USA and Canada -

TÜV Rheinland do Brasil

Russian Maritime Register of Shipping 

INSIEME PER LA QUALITA'E LA 

SICUREZZA

Technischer Überwachungsverein Nord

Korean Register of Shipping

Eurasian Conformity

DEKRA EXAM GmbH

American Bureau of Shipping

DEKRA Certification B.V.

Canadian Standards Association (CSA)

Österreichischer Verband für 

Elektrotechnik

Canadian Standards Association (CSA)

- CSA approval for the USA - 

electrosuisse SEV 

Verband für Elektro-, 

Energie- und Informationstechnik

Canadian Standards Association

(CSA) Combined logo

- CSA approval for Canada and the USA -

Verband Deutscher Elektrotechniker e.V. 

(VDE) 

– Approval of drawings 

– Reports with production monitoring

Underwriters Laboratories Inc. (UL) 

Berufsgenossenschaft (BG)

GS Tested safety

Underwriters Laboratories Inc. (UL) 

- UL approval for Canada -

Intertek ETL Listed

- Approval for the USA -

Underwriters Laboratories Inc. 

(UL) Combined logo 

- UL approval for the USA and Canada -

Intertek ETL Listed

- Approval for Canada -

FM Approvals

Intertek ETL Listed

- Approval for the USA and Canada -

Eurasian Conformity for Ex-products

TÜV Rheinland Industrie Service GmbH

China Compulsory Certification

Korea Communications Commission

Certification bodies and safety marks

Technical information

 

phoenixcontact-interface-technology-and-switching-devices-html.html
background image

Type

Order No. Page

Type

Order No. Page

Type

Order No. Page

Type

Order No. Page

B

BRIDGE COVER

2906240

34

BRIDGE- 2

2900746

34

BRIDGE- 2-3M

2901543

35

BRIDGE- 3

2900747

34

BRIDGE- 3-3M

2901656

35

BRIDGE- 4

2900748

34

BRIDGE- 4-3M

2901659

35

BRIDGE- 5

2900749

34

BRIDGE- 5-3M

2901545

35

BRIDGE- 6

2900750

34

BRIDGE- 6-3M

2901697

35

BRIDGE- 7

2900751

34

BRIDGE- 7-3M

2901698

35

BRIDGE- 8

2900752

34

BRIDGE- 8-3M

2901700

35

BRIDGE- 9

2900753

34

BRIDGE- 9-3M

2901701

35

BRIDGE-10

2900754

34

BRIDGE-10-3M

2901702

35

BRIDGE-PT  2

2904490

35

BRIDGE-PT  3

2904491

35

BRIDGE-PT  4

2904492

35

BRIDGE-PT  5

2904493

35

BRIDGE-PT  6

2904494

35

BRIDGE-PT  7

2904495

35

BRIDGE-PT  8

2904496

35

BRIDGE-PT  9

2904497

35

BRIDGE-PT 10

2904498

35

C

CAB-USB A/MICRO USB B/2,0M

2701626

432

CABLE D-SUB-B-B-S/.../.../...

2302421

595

CABLE D-SUB-S-S-S/.../.../...

2302434

595

CABLE D-SUB-S/.../.../...

2302340

595

CABLE-40/2FLK16/ 2,0M/YUC

2321334

517

CABLE-40/2FLK16/ 4,0M/YUC

2321347

517

CABLE-40/2FLK16/10,0M/YUC

2321350

517

CABLE-40/2FLK16/15,0M/YUC

2321376

517

CABLE-40/2FLK16/20,0M/YUC

2321363

517

CABLE-50/4FLK14/ 2,0M/YUC

2314655

517

CABLE-50/4FLK14/ 4,0M/YUC

2314671

517

CABLE-50/4FLK14/ 6,0M/YUC

2318978

517

CABLE-50/4FLK14/10,0M/YUC

2314684

517

CABLE-50/4FLK14/15,0M/YUC

2322773

517

CABLE-50/4FLK14/20,0M/YUC

2314778

517

CABLE-D 9SUB/B/B/100/KONFEK/S

2305415

593

CABLE-D 9SUB/B/B/200/KONFEK/S

2305428

593

CABLE-D 9SUB/B/B/300/KONFEK/S

2305431

593

CABLE-D 9SUB/B/S/ 50/KONFEK/S

2299987

592

CABLE-D 9SUB/B/S/100/KONFEK/S

2299990

592

CABLE-D 9SUB/B/S/150/KONFEK/S

2300009

592

CABLE-D 9SUB/B/S/200/KONFEK/S

2302010

592

CABLE-D 9SUB/B/S/300/KONFEK/S

2302023

592

CABLE-D 9SUB/B/S/400/KONFEK/S

2302036

592

CABLE-D 9SUB/B/S/600/KONFEK/S

2302049

592

CABLE-D 9SUB/S/S/100/KONFEK/S

2305570

593

CABLE-D 9SUB/S/S/200/KONFEK/S

2305583

593

CABLE-D 9SUB/S/S/300/KONFEK/S

2305596

593

CABLE-D- 9SUB-F-OE-0,25-S/...

2900903

596

CABLE-D- 9SUB-M-OE-0,25-S/...

2900909

596

CABLE-D- 9SUB/F/OE/0,25/S/0,5M

2926014

596

CABLE-D- 9SUB/F/OE/0,25/S/1,0M

2926027

596

CABLE-D- 9SUB/F/OE/0,25/S/1,5M

2926030

596

CABLE-D- 9SUB/F/OE/0,25/S/2,0M

2926043

596

CABLE-D- 9SUB/F/OE/0,25/S/3,0M

2926056

596

CABLE-D- 9SUB/F/OE/0,25/S/4,0M

2926069

596

CABLE-D- 9SUB/F/OE/0,25/S/6,0M

2926072

596

CABLE-D- 9SUB/M/OE/0,25/S/0,5M

2926360

596

CABLE-D- 9SUB/M/OE/0,25/S/1,0M

2926373

596

CABLE-D- 9SUB/M/OE/0,25/S/1,5M

2926386

596

CABLE-D- 9SUB/M/OE/0,25/S/2,0M

2926399

596

CABLE-D- 9SUB/M/OE/0,25/S/3,0M

2926409

596

CABLE-D- 9SUB/M/OE/0,25/S/4,0M

2926412

596

CABLE-D- 9SUB/M/OE/0,25/S/6,0M

2926425

596

CABLE-D-15SUB-F-OE-0,25-S/...

2900905

596

CABLE-D-15SUB-M-OE-0,25-S/...

2900910

596

CABLE-D-15SUB/F/OE/0,25/S/0,5M

2926085

596

CABLE-D-15SUB/F/OE/0,25/S/1,0M

2926098

596

CABLE-D-15SUB/F/OE/0,25/S/1,5M

2926108

596

CABLE-D-15SUB/F/OE/0,25/S/2,0M

2926111

596

CABLE-D-15SUB/F/OE/0,25/S/3,0M

2926124

596

CABLE-D-15SUB/F/OE/0,25/S/4,0M

2926137

596

CABLE-D-15SUB/F/OE/0,25/S/6,0M

2926140

596

CABLE-D-15SUB/M/OE/0,25/S/0,5M

2926438

596

CABLE-D-15SUB/M/OE/0,25/S/1,0M

2926441

596

CABLE-D-15SUB/M/OE/0,25/S/1,5M

2926454

596

CABLE-D-15SUB/M/OE/0,25/S/2,0M

2926467

596

CABLE-D-15SUB/M/OE/0,25/S/3,0M

2926470

596

CABLE-D-15SUB/M/OE/0,25/S/4,0M

2926483

596

CABLE-D-15SUB/M/OE/0,25/S/6,0M

2926496

596

CABLE-D-25SUB-F-OE-0,25-S/...

2900906

596

CABLE-D-25SUB-M-OE-0,25-S/...

2900911

596

CABLE-D-25SUB/F/OE/0,25/S/0,5M

2926153

596

CABLE-D-25SUB/F/OE/0,25/S/1,0M

2926166

596

CABLE-D-25SUB/F/OE/0,25/S/1,5M

2926179

596

CABLE-D-25SUB/F/OE/0,25/S/2,0M

2926182

596

CABLE-D-25SUB/F/OE/0,25/S/3,0M

2926195

596

CABLE-D-25SUB/F/OE/0,25/S/4,0M

2926205

596

CABLE-D-25SUB/F/OE/0,25/S/6,0M

2926218

596

CABLE-D-25SUB/M/OE/0,25/S/0,5M

2926506

596

CABLE-D-25SUB/M/OE/0,25/S/1,0M

2926519

596

CABLE-D-25SUB/M/OE/0,25/S/1,5M

2926522

596

CABLE-D-25SUB/M/OE/0,25/S/2,0M

2926535

596

CABLE-D-25SUB/M/OE/0,25/S/3,0M

2926548

596

CABLE-D-25SUB/M/OE/0,25/S/4,0M

2926551

596

CABLE-D-25SUB/M/OE/0,25/S/6,0M

2926564

596

CABLE-D-37SUB-F-OE-0,25-S/...

2900907

597

CABLE-D-37SUB-M-OE-0,25-S/...

2900912

597

CABLE-D-37SUB/F/OE/0,25/S/0,5M

2926221

597

CABLE-D-37SUB/F/OE/0,25/S/1,0M

2926234

597

CABLE-D-37SUB/F/OE/0,25/S/1,5M

2926247

597

CABLE-D-37SUB/F/OE/0,25/S/2,0M

2926250

597

CABLE-D-37SUB/F/OE/0,25/S/3,0M

2926263

597

CABLE-D-37SUB/F/OE/0,25/S/4,0M

2926276

597

CABLE-D-37SUB/F/OE/0,25/S/6,0M

2926289

597

CABLE-D-37SUB/M/OE/0,25/S/0,5M

2926577

597

CABLE-D-37SUB/M/OE/0,25/S/1,0M

2926580

597

CABLE-D-37SUB/M/OE/0,25/S/1,5M

2926593

597

CABLE-D-37SUB/M/OE/0,25/S/2,0M

2926603

597

CABLE-D-37SUB/M/OE/0,25/S/3,0M

2926616

597

CABLE-D-37SUB/M/OE/0,25/S/4,0M

2926629

597

CABLE-D-37SUB/M/OE/0,25/S/6,0M

2926632

597

CABLE-D-50SUB-F-OE-0,25-S/...

2900908

597

CABLE-D-50SUB-M-OE-0,25-S/...

2900913

597

CABLE-D-50SUB/F/OE/0,25/S/0,5M

2926292

597

CABLE-D-50SUB/F/OE/0,25/S/1,0M

2926302

597

CABLE-D-50SUB/F/OE/0,25/S/1,5M

2926315

597

CABLE-D-50SUB/F/OE/0,25/S/2,0M

2926328

597

CABLE-D-50SUB/F/OE/0,25/S/3,0M

2926331

597

CABLE-D-50SUB/F/OE/0,25/S/4,0M

2926344

597

CABLE-D-50SUB/F/OE/0,25/S/6,0M

2926357

597

CABLE-D-50SUB/M/OE/0,25/S/0,5M

2926645

597

CABLE-D-50SUB/M/OE/0,25/S/1,0M

2926658

597

CABLE-D-50SUB/M/OE/0,25/S/1,5M

2926661

597

CABLE-D-50SUB/M/OE/0,25/S/2,0M

2926674

597

CABLE-D-50SUB/M/OE/0,25/S/3,0M

2926687

597

CABLE-D-50SUB/M/OE/0,25/S/4,0M

2926690

597

CABLE-D-50SUB/M/OE/0,25/S/6,0M

2926700

597

CABLE-D15SUB/B/B/100/KONFEK/S

2305444

593

CABLE-D15SUB/B/B/200/KONFEK/S

2305457

593

CABLE-D15SUB/B/B/300/KONFEK/S

2305460

593

CABLE-D15SUB/B/S/ 50/KONFEK/S

2302052

592

CABLE-D15SUB/B/S/100/KONFEK/S

2302065

592

CABLE-D15SUB/B/S/150/KONFEK/S

2302078

592

CABLE-D15SUB/B/S/200/KONFEK/S

2302081

592

CABLE-D15SUB/B/S/300/KONFEK/S

2302094

592

CABLE-D15SUB/B/S/400/KONFEK/S

2302104

592

CABLE-D15SUB/B/S/600/KONFEK/S

2302117

592

CABLE-D15SUB/S/S/100/KONFEK/S

2305606

593

CABLE-D15SUB/S/S/200/KONFEK/S

2305619

593

CABLE-D15SUB/S/S/300/KONFEK/S

2305622

593

CABLE-D25SUB/B/2X14/100/TU812

2304649

471

CABLE-D25SUB/B/2X14/200/TU812

2304652

471

CABLE-D25SUB/B/2X14/300/TU812

2304665

471

CABLE-D25SUB/B/2X14/500/TU812

2304678

471

CABLE-D25SUB/B/2X14/TU812/...

2304681

471

CABLE-D25SUB/B/B/100/KONFEK/S

2305473

593

CABLE-D25SUB/B/B/200/KONFEK/S

2305486

593

CABLE-D25SUB/B/B/300/KONFEK/S

2305499

593

CABLE-D25SUB/B/S/ 50/KONFEK/S

2302120

592

CABLE-D25SUB/B/S/100/KONFEK/S

2302133

592

CABLE-D25SUB/B/S/150/KONFEK/S

2302146

592

CABLE-D25SUB/B/S/200/KONFEK/S

2302159

592

CABLE-D25SUB/B/S/300/KONFEK/S

2302162

592

CABLE-D25SUB/B/S/400/KONFEK/S

2302175

592

CABLE-D25SUB/B/S/600/KONFEK/S

2302188

592

CABLE-D25SUB/S/S/100/KONFEK/S

2305635

593

CABLE-D25SUB/S/S/200/KONFEK/S

2305648

593

CABLE-D25SUB/S/S/300/KONFEK/S

2305651

593

CABLE-D37-M2,5-4X14-X81-I/...

2302706

488

CABLE-D37-M2,5-4X14-Y81P-O/...

2302696

488

CABLE-D37-M2,5/4X14/ 50/X81-I

2302515

488

CABLE-D37-M2,5/4X14/ 50/Y81P-O

2302476

488

CABLE-D37-M2,5/4X14/100/X81-I

2302528

488

CABLE-D37-M2,5/4X14/100/Y81P-O

2302489

488

CABLE-D37-M2,5/4X14/200/X81-I

2302531

488

CABLE-D37-M2,5/4X14/200/Y81P-O

2302492

488

CABLE-D37-M2,5/4X14/300/X81-I

2302544

488

CABLE-D37-M2,5/4X14/300/Y81P-O

2302502

488

CABLE-D37SUB/B/B/ 100/KONFEK/S

2305509

593

CABLE-D37SUB/B/B/ 200/KONFEK/S

2305512

593

CABLE-D37SUB/B/B/ 300/KONFEK/S

2305525

593

CABLE-D37SUB/B/B/ 400/KONFEK/S

2900759

593

CABLE-D37SUB/B/B/ 600/KONFEK/S

2900760

593

CABLE-D37SUB/B/B/ 800/KONFEK/S

2900761

593

CABLE-D37SUB/B/B/1000/KONFEK/S

2900762

593

CABLE-D37SUB/B/B/1500/KONFEK/S

2900763

593

CABLE-D37SUB/B/B/2000/KONFEK/S

2900764

593

CABLE-D37SUB/B/B/HF/S/ 1,0M

2908516

593

CABLE-D37SUB/B/B/HF/S/ 2,0M

2908517

593

CABLE-D37SUB/B/B/HF/S/ 3,0M

2908518

593

CABLE-D37SUB/B/B/HF/S/ 4,0M

2908519

593

CABLE-D37SUB/B/B/HF/S/ 6,0M

2908520

593

CABLE-D37SUB/B/B/HF/S/ 8,0M

2908521

593

CABLE-D37SUB/B/B/HF/S/10,0M

2908522

593

CABLE-D37SUB/B/B/HF/S/15,0M

2908523

593

CABLE-D37SUB/B/B/HF/S/20,0M

2908525

593

CABLE-D37SUB/B/S/ 50/KONFEK/S

2302191

592

CABLE-D37SUB/B/S/100/KONFEK/S

2302201

592

CABLE-D37SUB/B/S/200/KONFEK/S

2302227

592

CABLE-D37SUB/B/S/300/KONFEK/S

2302230

592

CABLE-D37SUB/B/S/400/KONFEK/S

2302243

592

CABLE-D37SUB/B/S/600/KONFEK/S

2302256

592

CABLE-D37SUB/S/S/100/KONFEK/S

2305664

593

CABLE-D37SUB/S/S/200/KONFEK/S

2305677

593

CABLE-D37SUB/S/S/300/KONFEK/S

2305680

593

CABLE-D50SUB/B/B/100/KONFEK/S

2305541

593

CABLE-D50SUB/B/B/200/KONFEK/S

2305554

593

CABLE-D50SUB/B/B/300/KONFEK/S

2305567

593

CABLE-D50SUB/B/S/ 50/KONFEK/S

2302269

592

CABLE-D50SUB/B/S/100/KONFEK/S

2302272

592

CABLE-D50SUB/B/S/150/KONFEK/S

2302285

592

CABLE-D50SUB/B/S/200/KONFEK/S

2302298

592

CABLE-D50SUB/B/S/300/KONFEK/S

2302308

592

CABLE-D50SUB/B/S/400/KONFEK/S

2302311

592

CABLE-D50SUB/B/S/600/KONFEK/S

2302324

592

CABLE-D50SUB/S/S/100/KONFEK/S

2305693

593

CABLE-D50SUB/S/S/200/KONFEK/S

2305703

593

CABLE-D50SUB/S/S/300/KONFEK/S

2305716

593

CABLE-FCN24-2X14-OMR-IN/...

2302845

490

CABLE-FCN24-2X14-OMR-OUT/...

2302858

490

CABLE-FCN24/2X14/100/OMR-IN

2304241

490

CABLE-FCN24/2X14/100/OMR-OUT

2304225

490

CABLE-FCN24/2X14/200/OMR-IN

2304254

490

CABLE-FCN24/2X14/200/OMR-OUT

2304238

490

CABLE-FCN40-4X14-OMR-IN/...

2302816

490

CABLE-FCN40-4X14-OMR-OUT/...

2302832

490

CABLE-FCN40/1X50/ 0,5M/IM/MEL

2903468

489

CABLE-FCN40/1X50/ 0,5M/IP/MEL

2903476

489

CABLE-FCN40/1X50/ 0,5M/M340

2321635

495

CABLE-FCN40/1X50/ 0,5M/S7-IN

2321091

505

CABLE-FCN40/1X50/ 0,5M/S7-OUT

2321017

505

CABLE-FCN40/1X50/ 1,0M/IM/MEL

2903469

489

CABLE-FCN40/1X50/ 1,0M/IP/MEL

2903477

489

CABLE-FCN40/1X50/ 1,0M/M340

2321648

495

CABLE-FCN40/1X50/ 1,0M/S7-IN

2321101

505

CABLE-FCN40/1X50/ 1,0M/S7-OUT

2321020

505

CABLE-FCN40/1X50/ 2,0M/IM/MEL

2903470

489

CABLE-FCN40/1X50/ 2,0M/IP/MEL

2903478

489

CABLE-FCN40/1X50/ 2,0M/M340

2321651

495

CABLE-FCN40/1X50/ 2,0M/S7-IN

2321114

505

CABLE-FCN40/1X50/ 2,0M/S7-OUT

2321033

505

CABLE-FCN40/1X50/ 3,0M/IM/MEL

2903471

489

CABLE-FCN40/1X50/ 3,0M/IP/MEL

2903479

489

CABLE-FCN40/1X50/ 3,0M/M340

2321664

495

CABLE-FCN40/1X50/ 3,0M/S7-IN

2321127

505

CABLE-FCN40/1X50/ 3,0M/S7-OUT

2321046

505

CABLE-FCN40/1X50/ 4,0M/IM/MEL

2903472

489

CABLE-FCN40/1X50/ 4,0M/IP/MEL

2903480

489

CABLE-FCN40/1X50/ 4,0M/M340

2321677

495

CABLE-FCN40/1X50/ 4,0M/S7-IN

2321130

505

CABLE-FCN40/1X50/ 4,0M/S7-OUT

2321059

505

CABLE-FCN40/1X50/ 6,0M/IM/MEL

2903473

489

CABLE-FCN40/1X50/ 6,0M/IP/MEL

2903481

489

CABLE-FCN40/1X50/ 6,0M/M340

2321680

495

CABLE-FCN40/1X50/ 6,0M/S7-IN

2321143

505

CABLE-FCN40/1X50/ 6,0M/S7-OUT

2321062

505

CABLE-FCN40/1X50/ 8,0M/IM/MEL

2903474

489

CABLE-FCN40/1X50/ 8,0M/IP/MEL

2903482

489

CABLE-FCN40/1X50/ 8,0M/M340

2321693

495

CABLE-FCN40/1X50/ 8,0M/S7-IN

2321156

505

CABLE-FCN40/1X50/ 8,0M/S7-OUT

2321075

505

CABLE-FCN40/1X50/10,0M/IM/MEL

2903475

489

CABLE-FCN40/1X50/10,0M/IP/MEL

2903483

489

CABLE-FCN40/1X50/10,0M/M340

2321703

495

CABLE-FCN40/1X50/10,0M/S7-IN

2321169

505

CABLE-FCN40/1X50/10,0M/S7-OUT

2321088

505

CABLE-FCN40/1X50/15,0M/M340

2903748

495

CABLE-FCN40/4X14/ 0,5M/IM/MEL

2903502

489

CABLE-FCN40/4X14/ 0,5M/M340

2321716

495

CABLE-FCN40/4X14/ 0,5M/S7-IN

2321253

505

CABLE-FCN40/4X14/ 0,5M/S7-OUT

2321172

505

CABLE-FCN40/4X14/ 1,0M/IM/MEL

2903503

489

CABLE-FCN40/4X14/ 1,0M/M340

2321729

495

CABLE-FCN40/4X14/ 1,0M/S7-IN

2321266

505

CABLE-FCN40/4X14/ 1,0M/S7-OUT

2321185

505

CABLE-FCN40/4X14/ 2,0M/IM/MEL

2903504

489

CABLE-FCN40/4X14/ 2,0M/M340

2321732

495

CABLE-FCN40/4X14/ 2,0M/S7-IN

2321279

505

CABLE-FCN40/4X14/ 2,0M/S7-OUT

2321198

505

CABLE-FCN40/4X14/ 3,0M/IM/MEL

2903505

489

CABLE-FCN40/4X14/ 3,0M/M340

2321745

495

CABLE-FCN40/4X14/ 3,0M/S7-IN

2321282

505

CABLE-FCN40/4X14/ 3,0M/S7-OUT

2321208

505

CABLE-FCN40/4X14/ 4,0M/IM/MEL

2903506

489

CABLE-FCN40/4X14/ 4,0M/M340

2321758

495

CABLE-FCN40/4X14/ 4,0M/S7-IN

2321295

505

CABLE-FCN40/4X14/ 4,0M/S7-OUT

2321211

505

CABLE-FCN40/4X14/ 6,0M/IM/MEL

2903507

489

CABLE-FCN40/4X14/ 6,0M/M340

2321761

495

CABLE-FCN40/4X14/ 6,0M/S7-IN

2321305

505

CABLE-FCN40/4X14/ 6,0M/S7-OUT

2321224

505

CABLE-FCN40/4X14/ 8,0M/IM/MEL

2903508

489

CABLE-FCN40/4X14/ 8,0M/M340

2321774

495

CABLE-FCN40/4X14/ 8,0M/S7-IN

2321318

505

CABLE-FCN40/4X14/ 8,0M/S7-OUT

2321237

505

CABLE-FCN40/4X14/10,0M/IM/MEL

2903509

489

CABLE-FCN40/4X14/10,0M/M340

2321787

495

CABLE-FCN40/4X14/10,0M/S7-IN

2321321

505

CABLE-FCN40/4X14/10,0M/S7-OUT

2321240

505

CABLE-FCN40/4X14/100/OMR-IN

2304209

490

CABLE-FCN40/4X14/100/OMR-OUT

2304186

490

CABLE-FCN40/4X14/15,0M/M340

2903749

495

CABLE-FCN40/4X14/200/OMR-IN

2304212

490

CABLE-FCN40/4X14/200/OMR-OUT

2304199

490

CABLE-FLK10-OE-0,14/...

2904331

584

CABLE-FLK10/OE/0,14/ 0,5M

2904073

584

CABLE-FLK10/OE/0,14/ 1,0M

2904074

584

CABLE-FLK10/OE/0,14/ 1,5M

2904075

584

CABLE-FLK10/OE/0,14/ 2,0M

2904076

584

CABLE-FLK10/OE/0,14/ 2,5M

2904077

584

CABLE-FLK10/OE/0,14/ 3,0M

2904078

584

CABLE-FLK10/OE/0,14/ 4,0M

2904079

584

CABLE-FLK10/OE/0,14/ 6,0M

2904080

584

608

PHOENIX CONTACT

Index

Alphabetical

phoenixcontact-interface-technology-and-switching-devices-html.html
background image

Type

Order No. Page

Type

Order No. Page

Type

Order No. Page

Type

Order No. Page

CABLE-FLK10/OE/0,14/ 8,0M

2904081

584

CABLE-FLK10/OE/0,14/10,0M

2904082

584

CABLE-FLK14/OE/0,14/  50

2305761

584

CABLE-FLK14/OE/0,14/ 100

2305253

584

CABLE-FLK14/OE/0,14/ 150

2305266

584

CABLE-FLK14/OE/0,14/ 200

2305279

584

CABLE-FLK14/OE/0,14/ 250

2305282

584

CABLE-FLK14/OE/0,14/ 300

2305295

584

CABLE-FLK14/OE/0,14/ 400

2305774

584

CABLE-FLK14/OE/0,14/ 600

2305787

584

CABLE-FLK14/OE/0,14/ 800

2305790

584

CABLE-FLK14/OE/0,14/...

2305732

584

CABLE-FLK14/OE/0,14/1000

2305800

584

CABLE-FLK16/OE/0,14/ 0,5M

2318127

584

CABLE-FLK16/OE/0,14/ 1,0M

2318130

584

CABLE-FLK16/OE/0,14/ 1,5M

2318143

584

CABLE-FLK16/OE/0,14/ 2,0M

2318156

584

CABLE-FLK16/OE/0,14/ 2,5M

2318169

584

CABLE-FLK16/OE/0,14/ 3,0M

2318172

584

CABLE-FLK16/OE/0,14/ 4,0M

2318185

584

CABLE-FLK16/OE/0,14/ 6,0M

2318198

584

CABLE-FLK16/OE/0,14/ 8,0M

2318208

584

CABLE-FLK16/OE/0,14/...

2318224

584

CABLE-FLK16/OE/0,14/10,0M

2318211

584

CABLE-FLK20/OE/0,14/  50

2305826

585

CABLE-FLK20/OE/0,14/ 100

2305305

585

CABLE-FLK20/OE/0,14/ 150

2305318

585

CABLE-FLK20/OE/0,14/ 200

2305321

585

CABLE-FLK20/OE/0,14/ 250

2305334

585

CABLE-FLK20/OE/0,14/ 300

2305347

585

CABLE-FLK20/OE/0,14/ 400

2305839

585

CABLE-FLK20/OE/0,14/ 600

2305842

585

CABLE-FLK20/OE/0,14/ 800

2305855

585

CABLE-FLK20/OE/0,14/...

2305745

585

CABLE-FLK20/OE/0,14/1000

2305868

585

CABLE-FLK50/0,14/HF/ 0,5M

2314134

587

CABLE-FLK50/0,14/HF/ 1,0M

2314147

587

CABLE-FLK50/0,14/HF/ 1,5M

2314150

587

CABLE-FLK50/0,14/HF/ 2,0M

2314163

587

CABLE-FLK50/0,14/HF/ 2,5M

2314176

587

CABLE-FLK50/0,14/HF/ 3,0M

2314189

587

CABLE-FLK50/0,14/HF/ 4,0M

2314192

587

CABLE-FLK50/0,14/HF/ 5,0M

2314202

587

CABLE-FLK50/0,14/HF/ 6,0M

2314215

587

CABLE-FLK50/0,14/HF/ 7,0M

2314228

587

CABLE-FLK50/0,14/HF/ 8,0M

2314231

587

CABLE-FLK50/0,14/HF/10,0M

2314244

587

CABLE-FLK50/OE/0,14/  50

2305871

585

CABLE-FLK50/OE/0,14/ 100

2305350

585

CABLE-FLK50/OE/0,14/ 150

2305363

585

CABLE-FLK50/OE/0,14/ 200

2305376

585

CABLE-FLK50/OE/0,14/ 250

2305389

585

CABLE-FLK50/OE/0,14/ 300

2305392

585

CABLE-FLK50/OE/0,14/ 400

2305884

585

CABLE-FLK50/OE/0,14/ 600

2305897

585

CABLE-FLK50/OE/0,14/ 800

2305907

585

CABLE-FLK50/OE/0,14/...

2305758

585

CABLE-FLK50/OE/0,14/1000

2305910

585

CLIPFIX 35

3022218

366

CM-KBL-RS232/USB

2881078

251

COM CAB MINI DIN

2400127

214

D

D-DEK 1,5 GN

2716949

437

D-UKK 3/5

2770024

176

D-UKK 3/5 BU

2770105

176

DEK-OE-  5DC/  5DC/100KHZ-G

2964542

451

DEK-OE-  5DC/ 24DC/100KHZ

2964270

450

DEK-OE-  5DC/ 24DC/100KHZ-G

2964555

451

DEK-OE-  5DC/ 48DC/100

2940223

440

DEK-OE- 12DC/ 48DC/100

2964487

440

DEK-OE- 24DC/  5DC/100KHZ-G

2964364

451

DEK-OE- 24DC/ 24DC/100KHZ

2964283

450

DEK-OE- 24DC/ 24DC/100KHZ-G

2964348

451

DEK-OE- 24DC/ 48DC/100

2940207

440

DEK-OE- 60DC/ 48DC/100

2941536

440

DEK-OE-120AC/ 48DC/100

2941659

440

DEK-OE-230AC/ 48DC/100

2940210

440

DEK-OE-230AC/ 48DC/100/SO 46

2964678

445

DEK-OV-  5DC/ 24DC/  3

2941361

441

DEK-OV-  5DC/ 24DC/ 10

2961752

441

DEK-OV-  5DC/240AC/800

2964623

441

DEK-OV- 12DC/ 24DC/  3

2941387

441

DEK-OV- 12DC/ 24DC/ 10

2961749

441

DEK-OV- 12DC/240AC/800

2964636

441

DEK-OV- 24DC/ 24DC/  3

2941374

441

DEK-OV- 24DC/ 24DC/  3/AKT

2964296

441

DEK-OV- 24DC/ 24DC/ 10

2964322

441

DEK-OV- 24DC/240AC/800

2964649

441

DEK-REL-  5/I/1

2941183

438

DEK-REL-  5/O/1

2941170

439

DEK-REL- 24/1/AKT

2964063

439

DEK-REL- 24/1/S

2964131

443

DEK-REL- 24/1/SEN

2964050

439

DEK-REL- 24/I/1

2940171

438

DEK-REL- 24/O/1

2941154

439

DEK-REL-G24/21

2964500

437

DEK-TR/INV

2964319

453

DFLK-D 9 SUB/B

2287135

575

DFLK-D 9 SUB/S

2283870

575

DFLK-D15 SUB/B

2280307

575

DFLK-D15 SUB/S

2280297

575

DFLK-D25 SUB/B

2280323

575

DFLK-D25 SUB/S

2280310

575

DFLK-D37 SUB/B

2280349

575

DFLK-D37 SUB/S

2280336

575

DFLK-D50 SUB/B

2287669

575

DFLK-D50 SUB/S

2291286

575

DIKD 1,5

2715979

439

E

EB  2- DIK BU

2716648

443

EB  2- DIK RD

2716693

443

EB  3- DIK BU

2716651

443

EB  3- DIK RD

2716745

443

EB  4- DIK BU

2716664

443

EB  4- DIK RD

2716758

443

EB  5- DIK BU

2716677

443

EB  5- DIK RD

2716761

443

EB 10- DIK BU

2716680

443

EB 10- DIK RD

2716774

443

EB 80- DIK BU

2715940

437

EB 80- DIK RD

2715953

437

EB 80- DIK WH

2715788

437

EEM-2AO-MA600

2901475

210

EEM-2DIO-MA600

2901371

210

EEM-ETH-MA600

2901373

211

EEM-ETH-RS485-MA600

2901374

211

EEM-IMP-MA400

2904314

212

EEM-IMP-MA600

2904313

212

EEM-MA200

2901362

209

EEM-MA250

2901363

209

EEM-MA400

2901364

209

EEM-MA600

2901366

208

EEM-MA600-24DC

2902352

208

EEM-MEMO-MA600

2901370

210

EEM-MKT-DRA

2902078

213

EEM-PB 12-MA600

2901418

211

EEM-RS485-MA400

2901365

211

EEM-RS485-MA600

2901367

211

EIK1-SVN-24P

2940799

452

EL3-M52

2833628

319

ELR 1- 24DC/600AC-20

2297138

48

ELR 1- 24DC/600AC-30

2297154

49

ELR 1- 24DC/600AC-50

2297170

49

ELR 1-230AC/600AC-20

2297141

48

ELR 1-230AC/600AC-30

2297167

49

ELR 1-230AC/600AC-50

2297183

49

ELR 2+1- 24DC/500AC-37

2297277

43

ELR 2+1-230AC/500AC-37

2297280

43

ELR 3- 24DC/500AC- 2

2297196

42

ELR 3- 24DC/500AC- 9

2297219

43

ELR 3- 24DC/500AC-16

2297235

43

ELR 3-230AC/500AC- 2

2297206

42

ELR 3-230AC/500AC- 9

2297222

43

ELR 3-230AC/500AC-16

2297248

43

ELR 5011 IP PN

2700745

50

ELR 5011-2 IP PN

2701007

50

ELR 5030 IP PN

2701006

51

ELR 5030-2 IP PN

2701008

51

ELR H3-I-PT- 24DC/500AC-0,6

2903920

31

ELR H3-I-PT- 24DC/500AC-2

2903922

31

ELR H3-I-PT- 24DC/500AC-9

2903924

31

ELR H3-I-PT-SWD/500AC-06

2905076

29

ELR H3-I-PT-SWD/500AC-3

2905078

29

ELR H3-I-PT-SWD/500AC-9

2905079

29

ELR H3-I-PT/500AC-06-IFS

2905148

27

ELR H3-I-PT/500AC-3-IFS

2905149

27

ELR H3-I-PT/500AC-9-IFS

2905150

27

ELR H3-I-SC- 24DC/500AC-0,6

2900542

31

ELR H3-I-SC- 24DC/500AC-2

2900543

31

ELR H3-I-SC- 24DC/500AC-9

2900545

31

ELR H3-I-SC-230AC/500AC-2

2900544

31

ELR H3-I-SC-230AC/500AC-9

2900546

31

ELR H3-I-SC/500AC-06-IFS

2905162

27

ELR H3-I-SC/500AC-3-IFS

2905163

27

ELR H3-I-SC/500AC-9-IFS

2905164

27

ELR H3-IES-PT- 24DC/500AC-0,6

2903914

30

ELR H3-IES-PT- 24DC/500AC-2

2903916

30

ELR H3-IES-PT- 24DC/500AC-9

2903918

30

ELR H3-IES-PT-SWD/500AC-06

2903936

28

ELR H3-IES-PT-SWD/500AC-3

2903937

28

ELR H3-IES-PT-SWD/500AC-9

2903938

28

ELR H3-IES-PT/500AC-06-IFS

2905141

26

ELR H3-IES-PT/500AC-3-IFS

2905142

26

ELR H3-IES-PT/500AC-3-IOL

2908671

27

ELR H3-IES-PT/500AC-9-IFS

2905143

26

ELR H3-IES-PT/500AC-9-IOL

2908672

27

ELR H3-IES-SC- 24DC/500AC-0,6

2900566

30

ELR H3-IES-SC- 24DC/500AC-2

2900567

30

ELR H3-IES-SC- 24DC/500AC-9

2900569

30

ELR H3-IES-SC-230AC/500AC-2

2900568

30

ELR H3-IES-SC-230AC/500AC-9

2900570

30

ELR H3-IES-SC/500AC-06-IFS

2905154

26

ELR H3-IES-SC/500AC-3-IFS

2905155

26

ELR H3-IES-SC/500AC-9-IFS

2905156

26

ELR H3-SC- 24DC/500AC-9

2900530

31

ELR H3-SC-230AC/500AC-9

2900531

31

ELR H5-I-PT- 24DC/500AC-0,6

2903908

25

ELR H5-I-PT- 24DC/500AC-2

2903910

25

ELR H5-I-PT- 24DC/500AC-9

2903912

25

ELR H5-I-PT-SWD/500AC-06

2905073

23

ELR H5-I-PT-SWD/500AC-3

2905074

23

ELR H5-I-PT-SWD/500AC-9

2905075

23

ELR H5-I-PT/500AC-06-IFS

2905144

21

ELR H5-I-PT/500AC-3-IFS

2905146

21

ELR H5-I-PT/500AC-9-IFS

2905147

21

ELR H5-I-SC- 24DC/500AC-0,6

2900573

25

ELR H5-I-SC- 24DC/500AC-2

2900574

25

ELR H5-I-SC- 24DC/500AC-9

2900576

25

ELR H5-I-SC-230AC/500AC-2

2900575

25

ELR H5-I-SC-230AC/500AC-9

2900578

25

ELR H5-I-SC/500AC-06-IFS

2905157

21

ELR H5-I-SC/500AC-3-IFS

2905159

21

ELR H5-I-SC/500AC-9-IFS

2905160

21

ELR H5-IES-PT- 24DC/500AC-0,6

2903902

24

ELR H5-IES-PT- 24DC/500AC-2

2903904

24

ELR H5-IES-PT- 24DC/500AC-9

2903906

24

ELR H5-IES-PT-SWD/500AC-06

2903933

22

ELR H5-IES-PT-SWD/500AC-3

2903934

22

ELR H5-IES-PT-SWD/500AC-9

2903935

22

ELR H5-IES-PT/500AC-06-IFS

2905138

20

ELR H5-IES-PT/500AC-3-IFS

2905139

20

ELR H5-IES-PT/500AC-3-IOL

2908669

21

ELR H5-IES-PT/500AC-9-IFS

2905140

20

ELR H5-IES-PT/500AC-9-IOL

2908670

21

ELR H5-IES-SC- 24DC/500AC-0,6

2900582

24

ELR H5-IES-SC- 24DC/500AC-2

2900414

24

ELR H5-IES-SC- 24DC/500AC-9

2900421

24

ELR H5-IES-SC-230AC/500AC-2

2900420

24

ELR H5-IES-SC-230AC/500AC-9

2900422

24

ELR H5-IES-SC/500AC-06-IFS

2905151

20

ELR H5-IES-SC/500AC-3-IFS

2905152

20

ELR H5-IES-SC/500AC-9-IFS

2905153

20

ELR H5-SC- 24DC/500AC-9

2900538

25

ELR H5-SC-230AC/500AC-9

2900539

25

ELR H51-0.6-DIN-RAIL-SET

2902952

33

ELR H51-2.4-DIN-RAIL-SET

2902953

33

ELR H51-9-DIN-RAIL-SET

2902954

33

ELR H51-IESSC-24DC500AC-06

2902746

33

ELR H51-IESSC-24DC500AC-2

2902744

33

ELR H51-IESSC-24DC500AC-9

2902745

33

ELR W1/ 2-24DC

2963598

46

ELR W1/ 6-24DC

2982090

46

ELR W2+1- 24DC/500AC-37

2297374

41

ELR W2+1-230AC/500AC-37

2297387

41

ELR W3- 24DC/500AC- 2

2297293

40

ELR W3- 24DC/500AC- 9

2297316

41

ELR W3- 24DC/500AC-16

2297332

41

ELR W3-230AC/500AC- 2

2297303

40

ELR W3-230AC/500AC- 9

2297329

41

ELR W3-230AC/500AC-16

2297345

41

ELR W3/ 9-400 S

2963569

44

ELR-H51-0,6-BUSBAR-CLASSIC-SET

2904334

33

ELR-H51-0,6-BUSBAR-COMPACT-SET2904333

33

ELR-H51-2,4-BUSBAR-CLASSIC-SET

2904336

33

ELR-H51-2,4-BUSBAR-COMPACT-SET2904335

33

ELR-H51-9-BUSBAR-CLASSIC-SET

2904338

33

ELR-H51-9-BUSBAR-COMPACT-SET

2904337

33

EM RD-ADAPTER

2902747

33

EM RI-ADAPTER CLASSIC

2902831

33

EM RI-ADAPTER COMPACT

2902748

33

EM SWD-ADAPTER

2902776

36

EM-CAN-GATEWAY-IFS

2901504

16

EM-D-8/4-24DC-IFS

2904473

17

EM-DNET-GATEWAY-IFS

2901529

16

EM-ETH-GATEWAY-IFS

2901988

16

EM-MODBUS-GATEWAY-IFS

2901528

16

EM-PB-GATEWAY-IFS

2297620

16

EM-PNET-GATEWAY-IFS

2904472

16

EM-RS232-GATEWAY-IFS

2901526

16

EM-RS485-GATEWAY-IFS

2901527

16

EMD-BL-3V-400

2903525

263

EMD-BL-3V-400-PT

2903526

263

EMD-BL-C-10

2903521

262

EMD-BL-C-10-PT

2903522

262

EMD-BL-PH-480

2903527

263

EMD-BL-PH-480-PT

2903528

263

EMD-BL-PTC

2906252

264

EMD-BL-PTC-PT

2906253

264

EMD-BL-V-230

2903523

262

EMD-BL-V-230-PT

2903524

262

EMD-FL-3V-230

2885773

268

EMD-FL-3V-400

2866064

268

EMD-FL-3V-500

2867979

268

EMD-FL-3V-690

2885249

268

EMD-FL-C-10

2866022

266

EMD-FL-PF-400

2885809

270

EMD-FL-RP-480

2900177

270

EMD-FL-V-300

2866048

267

EMD-SL-3V-400

2866051

269

EMD-SL-3V-400-N

2885278

269

EMD-SL-C-OC-10

2866019

266

EMD-SL-C-UC-10

2867937

266

EMD-SL-LL-110

2901137

271

EMD-SL-LL-230

2885906

271

EMD-SL-PH-400

2866077

269

EMD-SL-PH-690

2905597

269

EMD-SL-PS- 24AC

2866103

266

EMD-SL-PS- 24DC

2885359

266

EMD-SL-PS-110AC

2866116

266

EMD-SL-PS-120AC

2885731

266

EMD-SL-PS-230AC

2866129

266

EMD-SL-PS45-110AC

2885281

268

EMD-SL-PS45-120AC

2885744

268

EMD-SL-PS45-230AC

2885294

268

EMD-SL-PS45-400AC

2885304

268

EMD-SL-PS45-500AC

2885317

270

EMD-SL-PTC

2866093

271

EMD-SL-V-UV-300

2866035

267

EMG 17-OV- 24DC/ 48DC/2

2942810

445

609

PHOENIX CONTACT

Index

Alphabetical

phoenixcontact-interface-technology-and-switching-devices-html.html
background image

Type

Order No. Page

Type

Order No. Page

Type

Order No. Page

Type

Order No. Page

EMG 17-REL/KSR-G 24/2E/SO38

2941646

447

EMG 17-REL/KSR-G 24/SO38  BK

2949994

447

EMG 22-DIO 4E

2950048

280

EMG 22-DIO 4E-1N5408

2952790

280

EMG 22-DIO 4M-1N5408

2952211

280

EMG 22-DIO 4P-1N5408

2952198

280

EMG 22-DIO 7M

2950077

280

EMG 22-DIO 7P

2950064

280

EMG 22-LA  7S/230

2949677

281

EMG 22-LED  7S/24

2952305

281

EMG 22-REL/KSR-230/21/ SO46

2940760

444

EMG 22-REL/KSR-230/21/AU/SO46

2940061

444

EMG 22-REL/KSR-G 24/TRN 5

2949787

454

EMG 22-REL/KSR-G 24/TRN12

2952363

454

EMG 22-REL/KSR-G 24/TRN35

2952350

454

EMG 22-REL/KSR-G 24/TRP 5

2949790

455

EMG 22-REL/KSR-G 24/TRP12

2952156

455

EMG 22-REL/KSR-G 24/TRP35

2952169

455

EMG 30-SP- 4K7LIN

2940252

101

EMG 30-SP-10K LIN

2942124

101

EMG 45-DIO 8E

2950103

280

EMG 45-DIO 8E-1N5408

2949389

280

EMG 45-DIO 8E/LP

2954798

281

EMG 45-DIO 8M-1N5408

2954882

280

EMG 45-DIO 8P-1N5408

2954879

280

EMG 45-DIO14M

2950129

280

EMG 45-DIO14M/LP

2950132

281

EMG 45-DIO14P

2950116

280

EMG 45-LED 14S/24

2952334

281

EMG 90-DIO 16E/LP

2954808

281

EMG 90-DIO 17E

2954895

280

EMG 90-DIO 32M

2954934

280

EMG 90-DIO 32M/LP

2954785

281

EMG 90-DIO 32P

2954918

280

EMG-GKS 12

2947035

280

EMM 3- 24DC/500AC-16-IFS

2297523

14

EMM 3- 24DC/500AC-IFS

2297497

14

EMM 3-230AC/500AC-16-IFS

2297536

14

EMM 3-230AC/500AC-IFS

2297507

14

ETD-BL-1T-230

2905813

272

ETD-BL-1T-230-PT

2905814

272

ETD-BL-1T-F- 10S

2917492

277

ETD-BL-1T-F- 10S-PT

2901489

277

ETD-BL-1T-F- 30MIN

2917515

277

ETD-BL-1T-F- 30MIN-PT

2901491

277

ETD-BL-1T-F-300MIN

2917528

277

ETD-BL-1T-F-300MIN-PT

2901492

277

ETD-BL-1T-F-300S

2917502

277

ETD-BL-1T-F-300S-PT

2901490

277

ETD-BL-1T-OFF-CC- 10S

2917450

277

ETD-BL-1T-OFF-CC- 10S-PT

2901485

277

ETD-BL-1T-OFF-CC- 30MIN

2917467

277

ETD-BL-1T-OFF-CC- 30MIN-PT

2901487

277

ETD-BL-1T-OFF-CC-300MIN

2917489

277

ETD-BL-1T-OFF-CC-300MIN-PT

2901488

277

ETD-BL-1T-OFF-CC-300S

2917463

277

ETD-BL-1T-OFF-CC-300S-PT

2901486

277

ETD-BL-1T-ON- 10S

2917379

276

ETD-BL-1T-ON- 10S-PT

2901476

276

ETD-BL-1T-ON- 30MIN

2917395

276

ETD-BL-1T-ON- 30MIN-PT

2901478

276

ETD-BL-1T-ON-300MIN

2917405

276

ETD-BL-1T-ON-300MIN-PT

2901479

276

ETD-BL-1T-ON-300S

2917382

276

ETD-BL-1T-ON-300S-PT

2901477

276

ETD-BL-1T-ON-CC- 10S

2917418

277

ETD-BL-1T-ON-CC- 10S-PT

2901480

277

ETD-BL-1T-ON-CC- 30MIN

2917434

277

ETD-BL-1T-ON-CC- 30MIN-PT

2901483

277

ETD-BL-1T-ON-CC-300MIN

2917447

277

ETD-BL-1T-ON-CC-300MIN-PT

2901484

277

ETD-BL-1T-ON-CC-300S

2917421

277

ETD-BL-1T-ON-CC-300S-PT

2901481

277

ETD-BL-2T-I-230

2907713

273

ETD-BL-2T-I-230-PT

2907714

273

ETD-FL-2T-DTI

2866187

278

ETD-SL-1T-DTF

2866161

279

ETD-SL-2T-I

2866174

279

EU4A-RJ45-USB-CAB1 PXC

2903465

38

EU5C-SWD-CAN PXC

2903098

37

EU5C-SWD-DP PXC

2903100

37

EU5C-SWD-EIP-MODTCP PXC

2903244

37

EU5C-SWD-PF2-1 PXC

2903113

37

EU5E-SWD-2A2A PXC

2903104

37

EU5E-SWD-4D4D PXC

2903101

37

EU5E-SWD-4DX PXC

2903102

37

EU5E-SWD-X8D PXC

2903103

37

F

FA MCR-D-TUI-UI-2REL-UP

2907064

180

FA MCR-DS-I-I-OLP

2908781

182

FA MCR-EX-D-TUI-UI-2REL-UP

2907216

180

FA MCR-EX-FD-TUI-UI-2REL-UP

2907781

181

FA MCR-FD-PM

2908739

181

FA MCR-FD-TUI-UI-2REL-UP

2907780

181

FA MCR-FDS-I-I-OLP

2908782

183

FA MCR-FDS-PM

2908783

183

FA MCR-HT-D

2908735

187

FA MCR-HT-FH

2908736

192

FA MCR-HT-FH-PM

2908738

192

FA MCR-HT-FH-WM

2908737

192

FA MCR-HT-TS-I-OLP-PT

2908742

187

FASTCON PRO-SET

2906227

101

FASTCON PRO-SET-PT

2906228

101

FBS  2-6

3030336

366

FBS  2-6 BU

3036932

366

FBS  2-6 GY

3032237

366

FBS  2-8

3030284

366

FBS  2-8 BU

3032567

366

FBS  2-8 GY                7042

3032541

366

FBS  5-6

3030349

366

FBS 10-6

3030271

366

FBS 20-6

3030365

366

FBS 50-6

3032224

366

FBSR  2-6

3033715

296

FBSR  2-8

3033808

302

FBSR 3-6

3001594

296

FBSR 4-6

3001595

296

FBSR 5-6

3001596

296

FBST   6-PLC BU

2966812

424

FBST   6-PLC GY

2966825

424

FBST   6-PLC RD

2966236

424

FBST   8-PLC GY

2967688

424

FBST  14-PLC BK

2967691

424

FBST 500-PLC BU

2966692

424

FBST 500-PLC GY

2966838

424

FBST 500-PLC RD

2966786

424

FL CRIMPTOOL

2744869

50

FL PLUG RJ45 GN/2

2744571

50

FL PLUG RJ45 GR/2

2744856

50

FLK 10/EZ-DR/  50/KONFEK

2299204

588

FLK 10/EZ-DR/ 100/KONFEK

2299217

588

FLK 10/EZ-DR/ 150/KONFEK

2299220

588

FLK 10/EZ-DR/ 200/KONFEK

2299233

588

FLK 10/EZ-DR/ 300/KONFEK

2299246

588

FLK 10/EZ-DR/ 400/KONFEK

2299259

588

FLK 10/EZ-DR/ 600/KONFEK

2299262

588

FLK 10/EZ-DR/ 800/KONFEK

2299275

588

FLK 10/EZ-DR/1000/KONFEK

2299288

588

FLK 14/EZ-DR/  30/KONFEK

2295729

550

FLK 14/EZ-DR/  50/KONFEK

2288901

550

FLK 14/EZ-DR/  50/KONFEK/S

2296977

550

FLK 14/EZ-DR/ 100/KONFEK

2288914

550

FLK 14/EZ-DR/ 100/KONFEK/S

2296980

550

FLK 14/EZ-DR/ 150/KONFEK

2288927

550

FLK 14/EZ-DR/ 150/KONFEK/S

2296993

550

FLK 14/EZ-DR/ 200/KONFEK

2288930

550

FLK 14/EZ-DR/ 200/KONFEK/S

2297002

550

FLK 14/EZ-DR/ 250/KONFEK

2288943

550

FLK 14/EZ-DR/ 300/KONFEK

2288956

550

FLK 14/EZ-DR/ 300/KONFEK/S

2299013

550

FLK 14/EZ-DR/ 350/KONFEK

2288969

550

FLK 14/EZ-DR/ 400/KONFEK

2288972

550

FLK 14/EZ-DR/ 400/KONFEK/S

2299026

550

FLK 14/EZ-DR/ 450/KONFEK

2290847

550

FLK 14/EZ-DR/ 500/KONFEK

2290834

550

FLK 14/EZ-DR/ 550/KONFEK

2290850

550

FLK 14/EZ-DR/ 600/KONFEK

2290863

550

FLK 14/EZ-DR/ 600/KONFEK/S

2299039

550

FLK 14/EZ-DR/ 800/KONFEK

2299563

550

FLK 14/EZ-DR/ 800/KONFEK/S

2299042

550

FLK 14/EZ-DR/1000/KONFEK

2299576

550

FLK 14/EZ-DR/1000/KONFEK/S

2299055

550

FLK 14/EZ-DR/HF/  50/KONFEK

2305952

587

FLK 14/EZ-DR/HF/ 100/KONFEK

2305965

587

FLK 14/EZ-DR/HF/ 150/KONFEK

2305978

587

FLK 14/EZ-DR/HF/ 200/KONFEK

2305981

587

FLK 14/EZ-DR/HF/ 250/KONFEK

2305994

587

FLK 14/EZ-DR/HF/ 300/KONFEK

2304759

587

FLK 14/EZ-DR/HF/ 400/KONFEK

2304762

587

FLK 14/EZ-DR/HF/ 500/KONFEK

2304717

587

FLK 14/EZ-DR/HF/ 600/KONFEK

2306003

587

FLK 14/EZ-DR/HF/ 700/KONFEK

2314011

587

FLK 14/EZ-DR/HF/ 800/KONFEK

2314024

587

FLK 14/EZ-DR/HF/1000/KONFEK

2314037

587

FLK 16-14-DV-IN/...

2304416

480

FLK 16-14-DV-OUT/...

2304377

480

FLK 16-24-DV-AI-EZ-DR/...

2304335

480

FLK 16/14/DV-IN/ 50

2304393

480

FLK 16/14/DV-IN/100

2300559

480

FLK 16/14/DV-IN/200

2300562

480

FLK 16/14/DV-IN/300

2304403

480

FLK 16/14/DV-IN/400

2305185

480

FLK 16/14/DV-OUT/ 30

2304348

480

FLK 16/14/DV-OUT/ 50

2304351

480

FLK 16/14/DV-OUT/100

2300575

480

FLK 16/14/DV-OUT/200

2300588

480

FLK 16/14/DV-OUT/300

2304364

480

FLK 16/24/DV-AI/EZ-DR/ 30

2304319

480

FLK 16/24/DV-AI/EZ-DR/ 50

2304296

480

FLK 16/24/DV-AI/EZ-DR/100

2301134

480

FLK 16/24/DV-AI/EZ-DR/200

2301545

480

FLK 16/24/DV-AI/EZ-DR/300

2304322

480

FLK 16/EZ-DR/  50/KONFEK

2299291

588

FLK 16/EZ-DR/ 100/KONFEK

2299301

588

FLK 16/EZ-DR/ 150/KONFEK

2299314

588

FLK 16/EZ-DR/ 200/KONFEK

2299327

588

FLK 16/EZ-DR/ 300/KONFEK

2299330

588

FLK 16/EZ-DR/ 400/KONFEK

2299343

588

FLK 16/EZ-DR/ 600/KONFEK

2299356

588

FLK 16/EZ-DR/ 800/KONFEK

2299369

588

FLK 16/EZ-DR/1000/KONFEK

2299372

588

FLK 20/2FLK14/EZ-DR/...

2304487

480

FLK 20/2FLK14/EZ-DR/100/KONFEK

2298470

480

FLK 20/2FLK14/EZ-DR/200/KONFEK

2298438

480

FLK 20/2FLK14/EZ-DR/300/KONFEK

2300818

480

FLK 20/EZ-DR/  50KONFEK

2296391

588

FLK 20/EZ-DR/ 100KONFEK

2296401

588

FLK 20/EZ-DR/ 150KONFEK

2296472

588

FLK 20/EZ-DR/ 200KONFEK

2296485

588

FLK 20/EZ-DR/ 300KONFEK

2296498

588

FLK 20/EZ-DR/ 400KONFEK

2296508

588

FLK 20/EZ-DR/ 600KONFEK

2296511

588

FLK 20/EZ-DR/ 800KONFEK

2296524

588

FLK 20/EZ-DR/1000KONFEK

2296537

588

FLK 26/EZ-DR/  50/KONFEK

2299385

589

FLK 26/EZ-DR/ 100/KONFEK

2299398

589

FLK 26/EZ-DR/ 150/KONFEK

2299408

589

FLK 26/EZ-DR/ 200/KONFEK

2299411

589

FLK 26/EZ-DR/ 300/KONFEK

2299424

589

FLK 26/EZ-DR/ 400/KONFEK

2299437

589

FLK 26/EZ-DR/ 600/KONFEK

2299440

589

FLK 26/EZ-DR/ 800/KONFEK

2299453

589

FLK 26/EZ-DR/1000/KONFEK

2299466

589

FLK 34/EZ-DR/  50/KONFEK

2299479

589

FLK 34/EZ-DR/ 100/KONFEK

2299482

589

FLK 34/EZ-DR/ 150/KONFEK

2299495

589

FLK 34/EZ-DR/ 200/KONFEK

2299505

589

FLK 34/EZ-DR/ 300/KONFEK

2299518

589

FLK 34/EZ-DR/ 400/KONFEK

2299521

589

FLK 34/EZ-DR/ 600/KONFEK

2299534

589

FLK 34/EZ-DR/ 800/KONFEK

2299547

589

FLK 34/EZ-DR/1000/KONFEK

2299550

589

FLK 40-PA/EZ-DR/HF/KS/ 100/YUC

2904747

516

FLK 40-PA/EZ-DR/HF/KS/ 200/YUC

2904748

516

FLK 40-PA/EZ-DR/HF/KS/ 300/YUC

2904749

516

FLK 40-PA/EZ-DR/HF/KS/ 400/YUC

2904750

516

FLK 40-PA/EZ-DR/HF/KS/ 500/YUC

2904645

516

FLK 40-PA/EZ-DR/HF/KS/ 600/YUC

2904751

516

FLK 40-PA/EZ-DR/HF/KS/ 700/YUC

2904752

516

FLK 40-PA/EZ-DR/HF/KS/ 800/YUC

2904753

516

FLK 40-PA/EZ-DR/HF/KS/ 900/YUC

2904754

516

FLK 40-PA/EZ-DR/HF/KS/1000/YUC

2904646

516

FLK 40-PA/EZ-DR/HF/KS/1500/YUC

2904647

516

FLK 40-PA/EZ-DR/HF/KS/2000/YUC

2904488

516

FLK 40-PA/EZ-DR/HF/KS/2500/YUC

2904648

516

FLK 40-PA/EZ-DR/HF/KS/3000/YUC

2904649

516

FLK 40-PA/EZ-DR/KS/ 100/YUC

2322786

516

FLK 40-PA/EZ-DR/KS/ 200/YUC

2314341

516

FLK 40-PA/EZ-DR/KS/ 300/YUC

2314354

516

FLK 40-PA/EZ-DR/KS/ 400/YUC

2314367

516

FLK 40-PA/EZ-DR/KS/ 500/YUC

2321570

516

FLK 40-PA/EZ-DR/KS/ 600/YUC

2314943

516

FLK 40-PA/EZ-DR/KS/ 700/YUC

2321583

516

FLK 40-PA/EZ-DR/KS/ 800/YUC

2314956

516

FLK 40-PA/EZ-DR/KS/ 900/YUC

2321415

516

FLK 40-PA/EZ-DR/KS/1000/YUC

2314370

516

FLK 40-PA/EZ-DR/KS/1500/YUC

2314383

516

FLK 40-PA/EZ-DR/KS/2000/YUC

2314532

516

FLK 40-PA/EZ-DR/KS/2500/YUC

2314545

516

FLK 40-PA/EZ-DR/KS/3000/YUC

2314558

516

FLK 40/4X14/EZ-DR/  50/IB32

2296812

479

FLK 40/4X14/EZ-DR/  50/OB32

2296786

479

FLK 40/4X14/EZ-DR/ 100/IB32

2296825

479

FLK 40/4X14/EZ-DR/ 100/OB32

2298483

479

FLK 40/4X14/EZ-DR/ 200/IB32

2296838

479

FLK 40/4X14/EZ-DR/ 200/OB32

2298522

479

FLK 40/4X14/EZ-DR/ 300/IB32

2296841

479

FLK 40/4X14/EZ-DR/ 300/OB32

2298535

479

FLK 40/EZ-DR/  50/KONFEK

2288985

589

FLK 40/EZ-DR/  50/SLC

2294610

478

FLK 40/EZ-DR/ 100/KONFEK

2288998

589

FLK 40/EZ-DR/ 100/SLC

2294623

478

FLK 40/EZ-DR/ 150/KONFEK

2289007

589

FLK 40/EZ-DR/ 150/SLC

2294636

478

FLK 40/EZ-DR/ 200/KONFEK

2289010

589

FLK 40/EZ-DR/ 200/SLC

2294649

478

FLK 40/EZ-DR/ 250/KONFEK

2289023

589

FLK 40/EZ-DR/ 300/KONFEK

2289036

589

FLK 40/EZ-DR/ 300/SLC

2294652

478

FLK 40/EZ-DR/ 350/KONFEK

2289049

589

FLK 40/EZ-DR/ 400/KONFEK

2289052

589

FLK 40/EZ-DR/ 600/KONFEK

2299589

589

FLK 40/EZ-DR/ 800/KONFEK

2299592

589

FLK 40/EZ-DR/1000/KONFEK

2299602

589

FLK 50-2FLK20-EZ-DR-DV/...

2304966

480

FLK 50-4X14-EZ-DR ...

2302405

551

FLK 50-4X14-EZ-DR-S ...

2302447

551

FLK 50-EZ-DR-D37SUB-X81-I/...

2302683

488

FLK 50-EZ-DR-D37SUB-Y81P-O/...

2302625

488

FLK 50-EZ-DR-FCN40-OMR-IN/...

2302803

490

FLK 50-EZ-DR-FCN40-OMR-OUT/...

2302829

490

FLK 50-PA/EZ-DR/HF/KS/ 100/YUC

2904739

516

FLK 50-PA/EZ-DR/HF/KS/ 200/YUC

2904740

516

FLK 50-PA/EZ-DR/HF/KS/ 300/YUC

2904741

516

FLK 50-PA/EZ-DR/HF/KS/ 400/YUC

2904742

516

FLK 50-PA/EZ-DR/HF/KS/ 500/YUC

2904636

516

FLK 50-PA/EZ-DR/HF/KS/ 600/YUC

2904743

516

FLK 50-PA/EZ-DR/HF/KS/ 700/YUC

2904744

516

FLK 50-PA/EZ-DR/HF/KS/ 800/YUC

2904745

516

FLK 50-PA/EZ-DR/HF/KS/ 900/YUC

2904746

516

FLK 50-PA/EZ-DR/HF/KS/1000/YUC

2904637

516

FLK 50-PA/EZ-DR/HF/KS/1500/YUC

2904638

516

FLK 50-PA/EZ-DR/HF/KS/2000/YUC

2904487

516

FLK 50-PA/EZ-DR/HF/KS/2500/YUC

2904639

516

FLK 50-PA/EZ-DR/HF/KS/3000/YUC

2904640

516

FLK 50-PA/EZ-DR/KS/ 100/YUC

2900991

516

FLK 50-PA/EZ-DR/KS/ 200/YUC

2314299

516

FLK 50-PA/EZ-DR/KS/ 300/YUC

2314309

516

FLK 50-PA/EZ-DR/KS/ 400/YUC

2314312

516

FLK 50-PA/EZ-DR/KS/ 500/YUC

2321499

516

FLK 50-PA/EZ-DR/KS/ 600/YUC

2314927

516

FLK 50-PA/EZ-DR/KS/ 700/YUC

2321509

516

FLK 50-PA/EZ-DR/KS/ 800/YUC

2314930

516

FLK 50-PA/EZ-DR/KS/ 900/YUC

2321512

516

FLK 50-PA/EZ-DR/KS/1000/YUC

2314325

516

FLK 50-PA/EZ-DR/KS/1500/YUC

2314338

516

610

PHOENIX CONTACT

Index

Alphabetical

phoenixcontact-interface-technology-and-switching-devices-html.html
background image

Type

Order No. Page

Type

Order No. Page

Type

Order No. Page

Type

Order No. Page

FLK 50-PA/EZ-DR/KS/2000/YUC

2314503

516

FLK 50-PA/EZ-DR/KS/2500/YUC

2314516

516

FLK 50-PA/EZ-DR/KS/3000/YUC

2314529

516

FLK 50/2FLK20/EZ-DR/  50/DV

2304872

480

FLK 50/2FLK20/EZ-DR/ 100/DV

2304898

480

FLK 50/2FLK20/EZ-DR/ 200/DV

2304908

480

FLK 50/2FLK20/EZ-DR/ 300/DV

2304911

480

FLK 50/2FLK20/EZ-DR/ 600/DV

2304937

480

FLK 50/2FLK20/EZ-DR/ 800/DV

2304940

480

FLK 50/2FLK20/EZ-DR/1000/DV

2304953

480

FLK 50/4X14/EZ-DR/  50/KONFEK

2296689

551

FLK 50/4X14/EZ-DR/ 100/KONFEK

2296692

551

FLK 50/4X14/EZ-DR/ 150/KONFEK

2296702

551

FLK 50/4X14/EZ-DR/ 200/KONFEK

2296715

551

FLK 50/4X14/EZ-DR/ 250/KONFEK

2305402

551

FLK 50/4X14/EZ-DR/ 300/KONFEK

2296728

551

FLK 50/4X14/EZ-DR/ 400/KONFEK

2296731

551

FLK 50/4X14/EZ-DR/ 600/KONFEK

2296744

551

FLK 50/4X14/EZ-DR/ 800/KONFEK

2296757

551

FLK 50/4X14/EZ-DR/1000/KONFEK

2296773

551

FLK 50/EZ-DR/  50/KONFEK

2289065

550

FLK 50/EZ-DR/  50/KONFEK/S

2299097

550

FLK 50/EZ-DR/ 100/KONFEK

2289078

550

FLK 50/EZ-DR/ 100/KONFEK/S

2299107

550

FLK 50/EZ-DR/ 150/KONFEK

2289081

550

FLK 50/EZ-DR/ 150/KONFEK/S

2299110

550

FLK 50/EZ-DR/ 200/KONFEK

2289094

550

FLK 50/EZ-DR/ 200/KONFEK/S

2299123

550

FLK 50/EZ-DR/ 250/KONFEK

2289104

550

FLK 50/EZ-DR/ 300/KONFEK

2289117

550

FLK 50/EZ-DR/ 300/KONFEK/S

2299136

550

FLK 50/EZ-DR/ 350/KONFEK

2289120

550

FLK 50/EZ-DR/ 400/KONFEK

2289133

550

FLK 50/EZ-DR/ 400/KONFEK/S

2299149

550

FLK 50/EZ-DR/ 450/KONFEK

2289573

550

FLK 50/EZ-DR/ 500/KONFEK

2289586

550

FLK 50/EZ-DR/ 550/KONFEK

2289599

550

FLK 50/EZ-DR/ 600/KONFEK

2289609

550

FLK 50/EZ-DR/ 600/KONFEK/S

2299152

550

FLK 50/EZ-DR/ 650/KONFEK

2289612

550

FLK 50/EZ-DR/ 700/KONFEK

2289625

550

FLK 50/EZ-DR/ 750/KONFEK

2289638

550

FLK 50/EZ-DR/ 800/KONFEK

2289641

550

FLK 50/EZ-DR/ 800/KONFEK/S

2299165

550

FLK 50/EZ-DR/ 850/KONFEK

2289654

550

FLK 50/EZ-DR/ 900/KONFEK

2289667

550

FLK 50/EZ-DR/ 950/KONFEK

2289670

550

FLK 50/EZ-DR/1000/KONFEK

2289683

550

FLK 50/EZ-DR/1000/KONFEK/S

2299178

550

FLK 50/EZ-DR/D37SUB/ 50/X81-I

2302641

488

FLK 50/EZ-DR/D37SUB/ 50/Y81P-O

2302599

488

FLK 50/EZ-DR/D37SUB/100/X81-I

2302654

488

FLK 50/EZ-DR/D37SUB/100/Y81P-O

2302609

488

FLK 50/EZ-DR/D37SUB/200/X81-I

2302667

488

FLK 50/EZ-DR/D37SUB/200/Y81P-O

2302612

488

FLK 50/EZ-DR/D37SUB/300/X81-I

2302670

488

FLK 50/EZ-DR/D37SUB/300/Y81P-O

2302638

488

FLK 50/EZ-DR/FCN40/100/OMR-IN

2304160

490

FLK 50/EZ-DR/FCN40/100/OMR-OUT

2304144

490

FLK 50/EZ-DR/FCN40/200/OMR-IN

2304173

490

FLK 50/EZ-DR/FCN40/200/OMR-OUT

2304157

490

FLK EZ-DR-S.../.../...

2295046

591

FLK EZ-DR.../.../...

2295059

591

FLKM 14-PA-AB/1756/EXTC

2302861

473

FLKM 14-PA-AB/1756/IF6I/EXTC

2901037

473

FLKM 14-PA-AB/1756/IN/EXTC

2302874

473

FLKM 14-PA-INLINE/32

2302777

492

FLKM 14-PA-INLINE/DIO8

2900889

492

FLKM 14-PA-INLINE/IN16

2302751

492

FLKM 14-PA-INLINE/OUT16

2302764

492

FLKM 14-PA-MODI/M340

2903208

494

FLKM 14-PA-S300

2299770

503

FLKM 14-PA-SLC500/IN

2293462

476

FLKM 14-PA-SLC500/IN/M

2293475

476

FLKM 14-PA-SLC500/OUT

2293459

476

FLKM 14-PA/GE/DI

2290038

485

FLKM 14-PA/GE/DO

2290009

485

FLKM 14/8M/SI/PLC

2294487

530

FLKM 14/KDS3-MT/PPA/PLC

2290423

534

FLKM 16-PA- 331-1KF/I/MINI-MCR

2318237

507

FLKM 16-PA- 332-5HF/I/MINI-MCR

2318240

507

FLKM 16-PA-S300/MINI-MCR

2314749

506

FLKM 16/AI/DV

2304429

481

FLKM 16/AO/SI/DV

2304445

481

FLKM 16/DV

2304432

481

FLKM 4X14-PA/AN/S7-1500

2907385

511

FLKM 4X14-PA/PT/DIO/S7-1500

2907382

510

FLKM 4X14-PA/SC/DIO/S7-1500

2907381

510

FLKM 50-PA-AB/1756/EXTC

2302735

472

FLKM 50-PA-AB/1756/IN/EXTC

2302748

472

FLKM 50-PA-GE/TKFC/RXI

2321473

484

FLKM 50-PA-GE/TKFC/RXI/IN

2321486

484

FLKM 50-PA-MODI-TSX/Q

2294306

493

FLKM 50-PA-S300

2294445

502

FLKM 50-PA-S300/SO167

2307662

504

FLKM 50-PA-S400

2294500

514

FLKM 50-PA-S400(3-48)

2294908

515

FLKM 50-PA-SLC500/OUT/2A

2293446

476

FLKM 50-PA/AN/S7-1500

2907386

511

FLKM 50-PA/DO326/S7-300

2321952

504

FLKM 50-PA/PT/DIO/S7-1500

2907384

510

FLKM 50-PA/SC/DIO/S7-1500

2907383

510

FLKM 50/ 4-FLK14/PA-MODI-TSX/Q

2294416

493

FLKM 50/ 4-FLK14/PA-S400

2294429

515

FLKM 50/32M/DV

2304869

482

FLKM 50/32M/IN/LA/DV

2304856

482

FLKM 50/32M/PLC

2289719

529

FLKM 50/32M/SI/PLC

2294490

530

FLKM 50/32P/PLC

2291121

529

FLKM 50/4-FLK14/PA-S300

2296281

502

FLKM 50/KDS3-MT/PPA/AN/PLC

2291587

534

FLKM 50/KDS3-MT/PPA/PLC

2290614

534

FLKM 50/KDS3-MT/PPA/S7-300

2304490

534

FLKM S115-454-7LA/S400

2314901

562

FLKM S115/47X0,75/3,0M/OE

2314985

563

FLKM S115/47X0,75/5,0M/OE

2314998

563

FLKM S115/S400/SO155

2307248

562

FLKM S115/S7/FLK50/PLC/SO137

2306294

563

FLKM S135-431-4UA/S400

2314846

560

FLKM S135-454-4UA/S400

2314859

561

FLKM S135-460-4UA/I/S400

2314613

561

FLKM S135-460-4UA/U/S400

2314862

561

FLKM S135-465-4UA/T/S400

2314875

561

FLKM S135-465-4UA/UI/S400

2314888

561

FLKM S135-470-4UC/I/S400

2314626

561

FLKM S135-470-4UC/U/S400

2314891

561

FLKM S135/42X0,75/3,0M/OE

2315007

559

FLKM S135/42X0,75/5,0M/OE

2318017

559

FLKM S135/42XMKDSN

2901603

559

FLKM S135/S400/SO120

2301723

560

FLKM S135/S400/SO121

2301736

560

FLKM S135/S400/SO122

2301749

560

FLKM S135/S400/SO125

2301778

561

FLKM S135/S400/SO126

2301781

561

FLKM S135/S400/SO127

2301794

561

FLKM S135/S7/FLK50/PLC

2314736

559

FLKM-2FLK14/KDS3-MT/PPA/S7

2295062

534

FLKM-D25 SUB/B/KDS3-MT/TU810

2304513

470

FLKM-D25 SUB/B/KDS3-MT/TU810/P

2304539

470

FLKM-D25 SUB/B/KDS3-MT/TU830

2304526

470

FLKM-KS40/AO16/YCS

2314260

521

FLKM-KS40/YCS

2314642

520

FLKM-PA-2D15/HW/DI/C300

2901879

486

FLKM-PA-2D15/HW/DO/C300

2900924

486

FLKM-PA-D37/HW/AN/C300

2900622

486

FLKM-PA-D37/HW/DIO/C300

2901423

486

FLKMS 50/32IM/LA/PLC

2284510

532

FLKMS 50/32IM/PLC

2284523

532

FLKMS 50/32IM/ZFKDS/PLC

2901389

532

FLKMS-KS40/AI/YCS

2314286

521

FLKMS-KS40/SI/AI16/YCS

2314273

521

FLKMS-KS50/32IM/YCS

2314451

520

FUSE-10X38-16A-GR

2903126

33

FUSE-10X38-20A-GR

2903384

33

FUSE-10X38-30A-MR

2903119

33

I

IB IL 24 FLM-PAC

2736903

52

IBS IP 400 MBH -F

2732868

50

IBS PG SET

2836599

50

IBS RBC/F-T/

2740151

52

IFS-BT-PROG-ADAPTER

2905872

105

IFS-CONFSTICK

2986122

432

IFS-CONFSTICK-L

2901103

14

IFS-OP-CRADLE

2811886

171

IFS-OP-UNIT

2811899

171

IFS-USB-DATACABLE

2320500

433

IFS-USB-PROG-ADAPTER

2811271

105

ILC 191 ME/AN

2700074

214

IMC 1,5/ 5-ST-3,81

1857919

14

IOA AI/AO/BFI/DS/0.5A/EX

2906599

555

IOA DI/DO/BFI/DS/1.0A/EX

2906600

555

IOA FEED-THRU/EX

2906598

554

IOA REL 120V DI/1.0A/EX

2910157

556

IOA REL 120V DO/BFI/3.0A/EX

2910154

556

IOA REL 24V DI/BFI/1.0A/EX

2910155

556

IOA REL 24V DO/BFI/3.0A/EX

2910153

556

M

MACX MCR-CJC

2924993

127

MACX MCR-EX-DUMMY-ISOLATOR

2904970

173

MACX MCR-EX-DUMMY-ISOLATOR-SP2905846 173

MACX MCR-EX-SL-2NAM-R-UP

2865984

154

MACX MCR-EX-SL-2NAM-R-UP-SP

2924249

154

MACX MCR-EX-SL-2NAM-RO

2865476

153

MACX MCR-EX-SL-2NAM-RO-SP

2924087

153

MACX MCR-EX-SL-2NAM-T

2865489

156

MACX MCR-EX-SL-2NAM-T-SP

2924090

156

MACX MCR-EX-SL-IDSI-I

2865405

144

MACX MCR-EX-SL-IDSI-I-SP

2924032

144

MACX MCR-EX-SL-NAM-2RO

2865450

152

MACX MCR-EX-SL-NAM-2RO-SP

2924061

152

MACX MCR-EX-SL-NAM-2T

2865463

155

MACX MCR-EX-SL-NAM-2T-SP

2924074

155

MACX MCR-EX-SL-NAM-HO

2907404

157

MACX MCR-EX-SL-NAM-HO-SP

2907405

157

MACX MCR-EX-SL-NAM-NAM

2866006

157

MACX MCR-EX-SL-NAM-NAM-SP

2924883

157

MACX MCR-EX-SL-NAM-R

2865434

151

MACX MCR-EX-SL-NAM-R-SP

2924045

151

MACX MCR-EX-SL-NAM-YO

2905723

157

MACX MCR-EX-SL-NAM-YO-SP

2905724

157

MACX MCR-EX-SL-RPSS-2I-2I

2865382

142

MACX MCR-EX-SL-RPSS-2I-2I-SP

2924676

142

MACX MCR-EX-SL-RPSSI-2I

2865366

141

MACX MCR-EX-SL-RPSSI-2I-1S

2908855

141

MACX MCR-EX-SL-RPSSI-2I-1S-SP

2908856

141

MACX MCR-EX-SL-RPSSI-2I-SP

2924236

141

MACX MCR-EX-SL-RPSSI-I

2865340

140

MACX MCR-EX-SL-RPSSI-I-SP

2924016

140

MACX MCR-EX-SL-RPSSI-I-UP

2865793

143

MACX MCR-EX-SL-RPSSI-I-UP-SP

2924029

143

MACX MCR-EX-SL-RTD-I

2865939

145

MACX MCR-EX-SL-RTD-I-NC

2865573

145

MACX MCR-EX-SL-RTD-I-SP

2924142

145

MACX MCR-EX-SL-RTD-I-SP-NC

2924168

145

MACX MCR-EX-SL-SD-21-25-LFD

2905669

160

MACX MCR-EX-SL-SD-21-25-LFD-SP

2905674

160

MACX MCR-EX-SL-SD-21-25-LP

2865492

162

MACX MCR-EX-SL-SD-21-25-LP-SP

2924113

162

MACX MCR-EX-SL-SD-21-40-LP

2865764

163

MACX MCR-EX-SL-SD-21-40-LP-SP

2924139

163

MACX MCR-EX-SL-SD-21-60-LP

2865515

163

MACX MCR-EX-SL-SD-21-60-LP-SP

2924100

163

MACX MCR-EX-SL-SD-23-48-LFD

2924867

159

MACX MCR-EX-SL-SD-23-48-LFD-SP

2924870

159

MACX MCR-EX-SL-SD-24-48-LFD

2906155

161

MACX MCR-EX-SL-SD-24-48-LFD-SP

2906156

161

MACX MCR-EX-SL-SD-24-48-LP

2865609

163

MACX MCR-EX-SL-SD-24-48-LP-SP

2924126

163

MACX MCR-EX-SL-TC-I

2865942

146

MACX MCR-EX-SL-TC-I-NC

2865586

146

MACX MCR-EX-T-UI-UP

2865654

148

MACX MCR-EX-T-UI-UP-C

2811763

148

MACX MCR-EX-T-UI-UP-SP

2924689

148

MACX MCR-EX-T-UI-UP-SP-C

2924692

148

MACX MCR-EX-T-UIREL-UP

2865751

150

MACX MCR-EX-T-UIREL-UP-SP

2924799

150

MACX MCR-I20

2905680

139

MACX MCR-PTB

2865625

174

MACX MCR-PTB-SP

2924184

174

MACX MCR-S-MUX

2865599

166

MACX MCR-S-MUX-TB

2308124

166

MACX MCR-SL-2I-2I-HV-ILP

2907706

125

MACX MCR-SL-2I-2I-HV-ILP-SP

2907707

125

MACX MCR-SL-2I-2I-ILP

2905280

124

MACX MCR-SL-2I-2I-ILP-SP

2905281

124

MACX MCR-SL-2NAM-R-UP

2865052

135

MACX MCR-SL-2NAM-R-UP-SP

2924304

135

MACX MCR-SL-2NAM-RO

2865049

134

MACX MCR-SL-2NAM-RO-SP

2924294

134

MACX MCR-SL-2NAM-T

2865036

137

MACX MCR-SL-2NAM-T-SP

2924281

137

MACX MCR-SL-CAC- 5-I

2810612

246

MACX MCR-SL-CAC- 5-I-UP

2810625

246

MACX MCR-SL-CAC-12-I-UP

2810638

246

MACX MCR-SL-I-I-HV-ILP

2907704

125

MACX MCR-SL-I-I-HV-ILP-SP

2907705

125

MACX MCR-SL-I-I-ILP

2905278

124

MACX MCR-SL-I-I-ILP-SP

2905279

124

MACX MCR-SL-IDSI-I

2865971

126

MACX MCR-SL-IDSI-I-SP

2924223

126

MACX MCR-SL-NAM-2RO

2865010

133

MACX MCR-SL-NAM-2RO-SP

2924265

133

MACX MCR-SL-NAM-2T

2865023

136

MACX MCR-SL-NAM-2T-SP

2924278

136

MACX MCR-SL-NAM-R

2865997

132

MACX MCR-SL-NAM-R-SP

2924252

132

MACX MCR-SL-RPSS-2I-2I

2904089

123

MACX MCR-SL-RPSS-2I-2I-SP

2904090

123

MACX MCR-SL-RPSSI-2I

2924825

121

MACX MCR-SL-RPSSI-2I-SP

2924838

121

MACX MCR-SL-RPSSI-I

2865955

120

MACX MCR-SL-RPSSI-I-SP

2924207

120

MACX MCR-SL-RPSSI-I-UP

2865968

122

MACX MCR-SL-RPSSI-I-UP-SP

2924210

122

MACX MCR-SL-RTD-I

2865065

130

MACX MCR-SL-RTD-I-NC

2865078

130

MACX MCR-SL-RTD-I-SP

2924317

130

MACX MCR-SL-RTD-I-SP-NC

2924320

130

MACX MCR-SL-TC-I

2924333

131

MACX MCR-SL-TC-I-NC

2924346

131

MACX MCR-T-UI-UP

2811394

128

MACX MCR-T-UI-UP-C

2811873

128

MACX MCR-T-UI-UP-SP

2811860

128

MACX MCR-T-UI-UP-SP-C

2811970

128

MACX MCR-T-UIREL-UP

2811378

127

MACX MCR-T-UIREL-UP-SP

2811828

127

MACX MCR-TS-I-OLP

2908662

194

MACX MCR-TS-I-OLP-SP

2908664

194

MACX MCR-UI-UI

2811284

116

MACX MCR-UI-UI-NC

2811446

116

MACX MCR-UI-UI-SP

2811572

116

MACX MCR-UI-UI-SP-NC

2811556

116

MACX MCR-UI-UI-UP

2811459

118

MACX MCR-UI-UI-UP-NC

2811297

118

MACX MCR-UI-UI-UP-SP

2811585

118

MACX MCR-UI-UI-UP-SP-NC

2811569

118

MACX MCR-VAC

2906239

250

MACX MCR-VAC-PT

2906244

250

MACX MCR-VDC

2906242

250

MACX MCR-VDC-PT

2906243

250

MACX PL-EX-RPSS-2I-2I

2904963

169

MACX PL-EX-RPSS-2I-2I-SP

2904964

169

MACX PL-EX-RPSSI-2I

2904959

168

MACX PL-EX-RPSSI-2I-SP

2904960

168

MACX PL-EX-T-UIREL-UP

2904910

170

MACX PL-EX-T-UIREL-UP-SP

2904912

170

MACX PL-RPSSI-2I

2904961

138

MACX PL-RPSSI-2I-SP

2904962

138

MACX PL-T-UIREL-UP

2904901

139

611

PHOENIX CONTACT

Index

Alphabetical

phoenixcontact-interface-technology-and-switching-devices-html.html
background image

Type

Order No. Page

Type

Order No. Page

Type

Order No. Page

Type

Order No. Page

MACX PL-T-UIREL-UP-SP

2904903

139

MC 1,5/ 5-ST-3,81

1803604

14

MCR-DIN-RAIL-ADAPTER HT

2864671

193

MCR-ET 38X35 WH

2814317

251

MCR-FL-HT-T-I

2864529

189

MCR-FL-HT-T-I-EX

2864532

190

MCR-FL-HT-TS-I-EX

2864545

188

MCR-FL-T-LP-I

2864561

196

MCR-FL-T-LP-I-EX

2864574

195

MCR-FL-TS-LP-I-EX

2864587

195

MCR-PAC-T-USB

2309000

180

MCR-S-1-5-UI-DCI

2814634

242

MCR-S-1-5-UI-DCI-NC

2814715

242

MCR-S-1-5-UI-SW-DCI

2814650

242

MCR-S-1-5-UI-SW-DCI-NC

2814731

242

MCR-S-10-50-UI-DCI

2814647

243

MCR-S-10-50-UI-SW-DCI

2814663

243

MCR-S-20-100-UI-DCI

2908798

243

MCR-S10-50-UI-DCI-NC

2814728

243

MCR-S10-50-UI-SW-DCI-NC

2814744

243

MCR-SL-CUC-100-I

2308027

241

MCR-SL-CUC-100-U

2308108

240

MCR-SL-CUC-200-I

2308030

241

MCR-SL-CUC-200-U

2308205

240

MCR-SL-CUC-300-I

2308043

241

MCR-SL-CUC-300-U

2308302

240

MCR-SL-CUC-400-I

2308072

241

MCR-SL-CUC-500-I

2308085

241

MCR-SL-CUC-600-I

2308098

241

MCR-SL-D-FIT

2864024

185

MCR-SL-D-RA

2810081

184

MCR-SL-D-SPA-UI

2710314

186

MCR-SL-D-U-I

2864011

184

MCR-SL-HT-PT 100-I

2864516

191

MCR-SL-PT100-LP-I

2864558

197

MCR-SL-S- 16-SP- 24

2864464

249

MCR-SL-S-100-I-LP

2813486

247

MCR-SL-S-100-U

2813457

247

MCR-SL-S-200-I-LP

2813499

247

MCR-SL-S-200-U

2813460

247

MCR-SLP-1-5-UI-0

2814359

248

MCR-TTL-RS232-E

2814388

251

MCR/PI-CONF-WIN

2814799

251

ME 17,5 TBUS 1,5/ 5-ST-3,81 GN

2709561

103

ME 22,5 TBUS 1,5/ 5-ST-3,81  GN

2707437

433

ME 6,2 TBUS-2 1,5/5-ST-3,81 GN

2869728

102

ME 6,2 TBUS-2 1,5/5-ST-3,81 GY

2695439

102

MINI MCR-2-2I-2I-ILP

2901996

78

MINI MCR-2-2I-2I-ILP-PT

2901997

78

MINI MCR-2-CVCS

2902064

100

MINI MCR-2-CVCS-PT

2902065

100

MINI MCR-2-F-UI

2902056

84

MINI MCR-2-F-UI-PT

2902058

84

MINI MCR-2-FM-RC

2904504

104

MINI MCR-2-FM-RC-PT

2904508

104

MINI MCR-2-I-I

2901998

74

MINI MCR-2-I-I-ILP

2901994

78

MINI MCR-2-I-I-ILP-PT

2901995

78

MINI MCR-2-I-I-PT

2901999

74

MINI MCR-2-I0-U

2902000

74

MINI MCR-2-I0-U-PT

2902001

74

MINI MCR-2-I4-U

2902002

74

MINI MCR-2-I4-U-PT

2902003

74

MINI MCR-2-NAM-2RO

2902004

90

MINI MCR-2-NAM-2RO-PT

2902005

90

MINI MCR-2-POT-UI

2902016

88

MINI MCR-2-POT-UI-C

2905005

88

MINI MCR-2-POT-UI-PT

2902017

88

MINI MCR-2-POT-UI-PT-C

2905006

88

MINI MCR-2-PTB

2902066

102

MINI MCR-2-PTB-PT

2902067

102

MINI MCR-2-RPSS-I-I

2902014

75

MINI MCR-2-RPSS-I-I-PT

2902015

75

MINI MCR-2-RTD-UI

2902049

80

MINI MCR-2-RTD-UI-C

2902048

80

MINI MCR-2-RTD-UI-PT

2902052

80

MINI MCR-2-RTD-UI-PT-C

2902051

80

MINI MCR-2-T-2RO

2906876

93

MINI MCR-2-T-2RO-PT

2906877

93

MINI MCR-2-T-REL

2905632

92

MINI MCR-2-T-REL-PT

2905633

92

MINI MCR-2-TB

2902068

104

MINI MCR-2-TC-UI

2902055

82

MINI MCR-2-TC-UI-C

2902053

82

MINI MCR-2-TC-UI-PT

2905249

82

MINI MCR-2-TC-UI-PT-C

2905248

82

MINI MCR-2-U-I0

2902022

74

MINI MCR-2-U-I0-PT

2902023

74

MINI MCR-2-U-I4

2902029

74

MINI MCR-2-U-I4-PT

2902030

74

MINI MCR-2-U-U

2902042

74

MINI MCR-2-U-U-PT

2902043

74

MINI MCR-2-UI-FRO

2902031

86

MINI MCR-2-UI-FRO-C

2906201

86

MINI MCR-2-UI-FRO-PT

2902032

86

MINI MCR-2-UI-FRO-PT-C

2906202

86

MINI MCR-2-UI-I-OLP

2902061

79

MINI MCR-2-UI-I-OLP-C

2902060

79

MINI MCR-2-UI-I-OLP-PT

2902063

79

MINI MCR-2-UI-I-OLP-PT-C

2902062

79

MINI MCR-2-UI-REL

2902033

91

MINI MCR-2-UI-REL-PT

2902035

91

MINI MCR-2-UI-UI

2902037

72

MINI MCR-2-UI-UI-C

2902036

72

MINI MCR-2-UI-UI-PT

2902040

72

MINI MCR-2-UI-UI-PT-C

2902039

72

MINI MCR-2-UNI-UI-2UI

2905026

76

MINI MCR-2-UNI-UI-2UI-C

2905025

76

MINI MCR-2-UNI-UI-2UI-PT

2905028

76

MINI MCR-2-UNI-UI-2UI-PT-C

2905027

76

MINI MCR-2-UNI-UI-UIRO

2902026

70

MINI MCR-2-UNI-UI-UIRO-C

2902024

70

MINI MCR-2-UNI-UI-UIRO-PT

2902028

70

MINI MCR-2-UNI-UI-UIRO-PT-C

2902027

70

MINI MCR-2-V8-FLK 16

2901993

97

MINI MCR-2-V8-MOD-RTU

2905634

96

MINI MCR-2-V8-MOD-TCP

2905635

96

MINI MCR-2-V8-PB-DP

2905636

96

MINI MCR-SL-FM-RC-NC

2902961

524

MINI MCR-SL-PTB-FM

2902958

524

MINI-PS-100-240AC/24DC/1.5/EX

2866653

103

MINI-SYS-PS-100-240AC/24DC/1.5

2866983

103

MM-CONF-SET

2297992

14

MPS-IH BK

0201731

176

MPS-IH BU

0201689

176

MPS-IH GN

0201702

176

MPS-IH GY

0201728

176

MPS-IH RD

0201676

176

MPS-IH WH

0201663

176

MPS-IH YE

0201692

176

MPS-MT

0201744

176

N

NFC-USB-PROG-ADAPTER

2900013

105

O

OPT- 5DC/ 24DC/  2

2967989

394

OPT- 5DC/ 24DC/  5

2982113

310

OPT- 5DC/ 48DC/100

2967992

394

OPT- 5DC/230AC/  2

2982168

311

OPT-24DC/ 24DC/  2

2966595

300

OPT-24DC/ 24DC/  5

2982100

310

OPT-24DC/ 48DC/100

2966618

301

OPT-24DC/230AC/  1

2967950

301

OPT-24DC/230AC/  2

2982171

311

OPT-60DC/ 24DC/  2

2966605

394

OPT-60DC/ 24DC/  5

2982126

310

OPT-60DC/ 48DC/100

2966621

394

OPT-60DC/230AC/  1

2967963

395

OPT-60DC/230AC/  2

2982184

395

P

PACT MCR-CB-21- 8

2277569

233

PACT MCR-CB-21-12

2277556

233

PACT MCR-CB-28-12

2277543

233

PACT MCR-CB-42-12

2277530

233

PACT MCR-ETC-60

2277572

233

PACT MCR-ETC-75

2277585

233

PACT MCR-ICAP

2277608

233

PACT MCR-RA

2277598

233

PACT MCR-V1-21-44

2277268

223

PACT MCR-V1-21-44- 50-5A-1

2277019

223

PACT MCR-V1-21-44- 75-5A-1

2277611

223

PACT MCR-V1-21-44-100-5A-1

2277022

223

PACT MCR-V1-21-44-125-5A-1

2277763

223

PACT MCR-V1-21-44-150-5A-1

2277035

223

PACT MCR-V1-21-44-200-5A-1

2277776

223

PACT MCR-V1-21-44-250-5A-1

2277048

223

PACT MCR-V1-21-44-300-5A-1

2277789

223

PACT MCR-V1-21-44-400-5A-1

2277051

223

PACT MCR-V1-21-44-500-5A-1

2277792

223

PACT MCR-V1C-21-44

2277420

223

PACT MCR-V2- 3015- 60

2277271

224

PACT MCR-V2- 3015- 60- 75-5A-1

2276502

224

PACT MCR-V2- 3015- 60-150-5A-1

2277077

224

PACT MCR-V2- 3015- 60-250-5A-1

2276544

224

PACT MCR-V2- 3015- 60-250-5A-1

2277080

224

PACT MCR-V2- 3015- 60-400-5A-1

2277093

224

PACT MCR-V2- 4012- 70

2277284

225

PACT MCR-V2- 5012- 85

2277297

226

PACT MCR-V2- 6015- 85

2277336

227

PACT MCR-V2- 6040- 96

2277349

228

PACT MCR-V2- 6315- 95

2277307

228

PACT MCR-V2- 8015-105

2277352

229

PACT MCR-V2- 8020-105

2277365

229

PACT MCR-V2-10020-129

2277378

230

PACT MCR-V2-10020-129-2500-5A

2276395

230

PACT MCR-V2-10036-129

2277381

230

PACT MCR-V2-10036-129-3000-5A

2276405

230

PACT MCR-V2-12020-159

2277394

231

PACT MCR-V2-12040-159

2277404

231

PACT MCR-V2-12040-159-4000-5A

2276418

231

PACT MCR-V2-3015- 60-  60-5A-1

2277815

224

PACT MCR-V2-3015- 60-  75-5A-1

2277828

224

PACT MCR-V2-3015- 60-  80-5A-1

2277831

224

PACT MCR-V2-3015- 60- 100-5A-1

2277064

224

PACT MCR-V2-3015- 60- 125-5A-1

2277624

224

PACT MCR-V2-3015- 60- 150-5A-1

2277844

224

PACT MCR-V2-3015- 60- 200-5A-1

2277637

224

PACT MCR-V2-3015- 60- 200-5A-1

2277857

224

PACT MCR-V2-3015- 60- 250-5A-1

2277860

224

PACT MCR-V2-3015- 60- 300-5A-1

2277640

224

PACT MCR-V2-3015- 60- 500-5A-1

2277653

224

PACT MCR-V2-3015- 60- 600-5A-1

2277103

224

PACT MCR-V2-3015- 60- 750-5A-1

2277666

224

PACT MCR-V2-4012- 70- 250-5A-1

2277116

225

PACT MCR-V2-4012- 70- 300-5A-1

2277679

225

PACT MCR-V2-4012- 70- 400-5A-1

2277129

225

PACT MCR-V2-4012- 70- 500-5A-1

2277682

225

PACT MCR-V2-4012- 70- 600-5A-1

2277132

225

PACT MCR-V2-4012- 70- 750-5A-1

2277695

225

PACT MCR-V2-4012- 70- 800-5A-1

2277145

225

PACT MCR-V2-4012- 70-1000-5A-1

2277158

225

PACT MCR-V2-5012- 85- 150-5A-1

2276117

226

PACT MCR-V2-5012- 85- 200-5A-1

2276120

226

PACT MCR-V2-5012- 85- 250-5A-1

2276133

226

PACT MCR-V2-5012- 85- 300-5A-1

2276146

226

PACT MCR-V2-5012- 85- 400-5A-1

2277161

226

PACT MCR-V2-5012- 85- 500-5A-1

2276159

226

PACT MCR-V2-5012- 85- 600-5A-1

2277174

226

PACT MCR-V2-5012- 85- 600-5A-1

2276162

226

PACT MCR-V2-5012- 85- 750-5A-1

2276175

226

PACT MCR-V2-5012- 85- 800-5A-1

2277187

226

PACT MCR-V2-5012- 85-1000-5A-1

2276463

226

PACT MCR-V2-5012- 85-1000-5A-1

2277190

226

PACT MCR-V2-5012- 85-1250-5A-1

2277200

226

PACT MCR-V2-5012- 85-1500-5A-1

2276188

226

PACT MCR-V2-6015- 85- 200-5A-1

2277873

227

PACT MCR-V2-6015- 85- 250-5A-1

2277886

227

PACT MCR-V2-6015- 85- 300-5A-1

2277899

227

PACT MCR-V2-6015- 85- 400-5A-1

2277909

227

PACT MCR-V2-6015- 85- 500-5A-1

2277912

227

PACT MCR-V2-6015- 85- 600-5A-1

2277925

227

PACT MCR-V2-6015- 85- 750-5A-1

2277938

227

PACT MCR-V2-6015- 85- 800-5A-1

2277941

227

PACT MCR-V2-6015- 85-1000-5A-1

2277954

227

PACT MCR-V2-6015- 85-1250-5A-1

2277967

227

PACT MCR-V2-6015- 85-1600-5A-1

2277983

227

PACT MCR-V2-6040- 96- 600-5A-1

2276191

228

PACT MCR-V2-6040- 96- 750-5A-1

2276201

228

PACT MCR-V2-6040- 96- 800-5A-1

2276214

228

PACT MCR-V2-6040- 96-1000-5A-1

2277705

228

PACT MCR-V2-6040- 96-1250-5A-1

2276227

228

PACT MCR-V2-6040- 96-1500-5A-1

2277718

228

PACT MCR-V2-6040- 96-1600-5A-1

2276230

228

PACT MCR-V2-6040- 96-2000-5A-1

2276243

228

PACT MCR-V2-6315- 95- 800-5A-1

2277213

228

PACT MCR-V2-6315- 95-1000-5A-1

2277226

228

PACT MCR-V2-6315- 95-1250-5A-1

2277239

228

PACT MCR-V2-6315- 95-1500-5A-1

2277242

228

PACT MCR-V2-6315- 95-1600-5A-1

2277255

228

PACT MCR-V2-8015-105- 400-5A-1

2276256

229

PACT MCR-V2-8015-105- 500-5A-1

2276269

229

PACT MCR-V2-8015-105- 600-5A-1

2276272

229

PACT MCR-V2-8015-105- 750-5A-1

2276285

229

PACT MCR-V2-8015-105- 800-5A-1

2276298

229

PACT MCR-V2-8015-105-1000-5A-1

2277721

229

PACT MCR-V2-8015-105-1000-5A-1

2276308

229

PACT MCR-V2-8015-105-1250-5A-1

2276311

229

PACT MCR-V2-8015-105-1500-5A-1

2277734

229

PACT MCR-V2-8015-105-1600-5A-1

2276324

229

PACT MCR-V2-8015-105-2000-5A-1

2276337

229

PACT MCR-V2-8015-105-2500-5A-1

2276340

229

PACT MCR-V2-8020-105-1000-5A-1

2277747

229

PACT MCR-V2-8020-105-1500-5A-1

2277750

229

PACT MCR-V2-8020-105-2000-5A-1

2276382

229

PACT MCR-V2C- 3015- 60

2277433

224

PACT MCR-V2C- 4012- 70

2277446

225

PACT MCR-V2C- 5012- 85

2277459

226

PACT MCR-V2C- 6015- 85

2277462

227

PACT MCR-V2C- 6040- 96

2277488

228

PACT MCR-V2C- 6315- 95

2277475

228

PACT MCR-V2C- 8015-105

2277491

229

PACT MCR-V2C- 8020-105

2277501

229

PACT MCR-V2C-10020-129

2277514

230

PACT MCR-V2C-10036-129

2277527

230

PACT MCR-V3-60

2277417

232

PACT RCP-4000A-1A-D140

2904922

236

PACT RCP-4000A-1A-D190

2904923

236

PACT RCP-4000A-1A-D95

2904921

236

PACT RCP-4000A-UIRO-D140

2906232

237

PACT RCP-4000A-UIRO-D190

2906233

237

PACT RCP-4000A-UIRO-D95

2906231

237

PACT RCP-4000A-UIRO-PT-D140

2906235

237

PACT RCP-4000A-UIRO-PT-D190

2906236

237

PACT RCP-4000A-UIRO-PT-D95

2906234

237

PACT RCP-CLAMP

2904895

236

PACT RCP-CLAMP-5-10

2907888

236

PACT-FAST-MNT-W13-L40

2276612

233

PACT-FAST-MNT-W13-L65

2276625

233

PACT-FAST-MNT-W16-L40

2276638

233

PACT-FAST-MNT-W16-L65

2276641

233

PLC-2RPT-24DC/1

2901639

402

PLC-2RSC-24DC/ 1

2987309

402

PLC-APT-PT100-IN

2906919

431

PLC-APT-UI-IN

2906917

430

PLC-APT-UI-OUT

2906921

431

PLC-ASC-PT100-IN

2906918

431

PLC-ASC-UI-IN

2906916

430

PLC-ASC-UI-OUT

2906920

431

PLC-ATP BK

2966841

424

PLC-BP A1-14

2980283

424

PLC-BPT- 24DC/21RW

2900261

416

PLC-BPT- 24UC/ 1/ACT

2900450

383

PLC-BPT-120UC/ 1/SEN/SO46

2900456

389

PLC-BPT-120UC/21/SO46

2900453

388

PLC-BPT-230UC/ 1/SEN/SO46

2900457

389

PLC-BPT-230UC/21/SO46

2900455

388

612

PHOENIX CONTACT

Index

Alphabetical

phoenixcontact-interface-technology-and-switching-devices-html.html
background image

Type

Order No. Page

Type

Order No. Page

Type

Order No. Page

Type

Order No. Page

PLC-BPT-TTL/1

2900458

412

PLC-BSC- 24UC/ 1/ACT

2982799

383

PLC-BSC-120UC/ 1/SEN/SO46

2980322

389

PLC-BSC-120UC/21-21/SO46

2980416

389

PLC-BSC-120UC/21/SO46

2980319

388

PLC-BSC-120UC/21HC/SO46

2980432

389

PLC-BSC-230UC/ 1/SEN/SO46

2980348

389

PLC-BSC-230UC/21-21/SO46

2980429

389

PLC-BSC-230UC/21/SO46

2980335

388

PLC-BSC-230UC/21HC/SO46

2980445

389

PLC-BSC-TTL/1

2982689

412

PLC-ESK GY

2966508

424

PLC-HPT-24DC/230AC/10

2905215

409

PLC-HSC-24DC/230AC/10

2905214

409

PLC-LOGIC-STARTERKIT3

2909916

432

PLC-OPT-  5DC/ 24DC/100KHZ

2902969

410

PLC-OPT-  5DC/ 24DC/2/ACT

2900375

380

PLC-OPT-  5DC/ 5DC/100KHZ-G

2902971

411

PLC-OPT-  5DC/24DC/100KHZ-G

2902973

411

PLC-OPT-  5DC/300DC/1

2900381

406

PLC-OPT- 12DC/300DC/1

2900382

406

PLC-OPT- 24DC/ 24DC/10/R

2900398

407

PLC-OPT- 24DC/ 24DC/2

2900364

377

PLC-OPT- 24DC/ 24DC/2/ACT

2900376

380

PLC-OPT- 24DC/ 24DC/3RW

2900379

415

PLC-OPT- 24DC/ 48DC/100

2900352

376

PLC-OPT- 24DC/ 48DC/100/SEN

2900358

385

PLC-OPT- 24DC/ 48DC/500/W

2900378

407

PLC-OPT- 24DC/ 5DC/100KHZ-G

2902972

411

PLC-OPT- 24DC/110DC/3RW

2900391

415

PLC-OPT- 24DC/230AC/1

2900369

377

PLC-OPT- 24DC/230AC/2.4/ACT

2904632

408

PLC-OPT- 24DC/24DC/100KHZ

2902970

410

PLC-OPT- 24DC/24DC/100KHZ-G

2902974

411

PLC-OPT- 24DC/300DC/1

2900383

406

PLC-OPT- 24DC/TTL

2900363

414

PLC-OPT- 36DC/110DC/3RW

2900392

415

PLC-OPT- 48DC/ 24DC/2

2900365

377

PLC-OPT- 48DC/ 48DC/100

2900353

376

PLC-OPT- 48DC/110DC/3RW

2900393

415

PLC-OPT- 48DC/230AC/1

2900370

377

PLC-OPT- 60DC/ 24DC/2

2900366

377

PLC-OPT- 60DC/ 48DC/100

2900354

376

PLC-OPT- 60DC/230AC/1

2900371

377

PLC-OPT- 60DC/300DC/1

2900384

406

PLC-OPT- 72DC/110DC/3RW

2900394

415

PLC-OPT- 96DC/110DC/3RW

2900395

415

PLC-OPT-110DC/ 24DC/3RW

2900380

415

PLC-OPT-110DC/110DC/3RW

2900396

415

PLC-OPT-110DC/300DC/1

2900385

406

PLC-OPT-120AC/300DC/1

2900388

406

PLC-OPT-120UC/ 24DC/2

2900367

377

PLC-OPT-120UC/ 48DC/100

2900355

376

PLC-OPT-120UC/ 48DC/100/SEN

2900359

385

PLC-OPT-120UC/230AC/1

2900372

377

PLC-OPT-220DC/300DC/1

2900387

406

PLC-OPT-230AC/300DC/1

2900389

406

PLC-OPT-230UC/ 24DC/2

2900368

377

PLC-OPT-230UC/ 48DC/100

2900356

376

PLC-OPT-230UC/ 48DC/100/SEN

2900361

385

PLC-OPT-230UC/230AC/1

2900374

377

PLC-OPT-LPE-24DC/48DC/100

2903173

422

PLC-OSC-  5DC/  5DC/100KHZ-G

2902965

411

PLC-OSC-  5DC/ 24DC/  2/ACT

2980144

380

PLC-OSC-  5DC/ 24DC/100KHZ

2902963

410

PLC-OSC-  5DC/ 24DC/100KHZ-G

2902967

411

PLC-OSC-  5DC/300DC/  1

2980652

406

PLC-OSC- 12DC/300DC/  1

2980665

406

PLC-OSC- 24DC/  5DC/100KHZ-G

2902966

411

PLC-OSC- 24DC/ 24DC/  2

2966634

377

PLC-OSC- 24DC/ 24DC/  2/ACT

2966676

380

PLC-OSC- 24DC/ 24DC/  5/ACT

2982786

382

PLC-OSC- 24DC/ 24DC/ 10/R

2982702

407

PLC-OSC- 24DC/ 24DC/ 2/C1D2

5603260

459

PLC-OSC- 24DC/ 24DC/100KHZ

2902964

410

PLC-OSC- 24DC/ 24DC/100KHZ-G

2902968

411

PLC-OSC- 24DC/ 48DC/100

2966728

376

PLC-OSC- 24DC/ 48DC/100/C1D2

5603261

459

PLC-OSC- 24DC/ 48DC/100/SEN

2966773

385

PLC-OSC- 24DC/ 48DC/500/W

2980636

407

PLC-OSC- 24DC/230AC/  1

2967840

377

PLC-OSC- 24DC/230AC/  1/ACT

2967947

381

PLC-OSC- 24DC/230AC/  2/ACT

2982760

382

PLC-OSC- 24DC/230AC/2.4/ACT

2904631

408

PLC-OSC- 24DC/300DC/  1

2980678

406

PLC-OSC- 24DC/TTL

2982728

414

PLC-OSC- 48DC/ 24DC/  2

2967002

377

PLC-OSC- 48DC/ 48DC/100

2966993

376

PLC-OSC- 48DC/230AC/  1

2967853

377

PLC-OSC- 60DC/ 24DC/  2

2967468

377

PLC-OSC- 60DC/ 48DC/100

2967455

376

PLC-OSC- 60DC/230AC/  1

2967866

377

PLC-OSC- 60DC/300DC/  1

2980681

406

PLC-OSC-110DC/300DC/  1

2980694

406

PLC-OSC-120AC/300DC/  1

2980717

406

PLC-OSC-120UC/ 24DC/  2

2966650

377

PLC-OSC-120UC/ 24DC/ 2/C1D2

5603262

459

PLC-OSC-120UC/ 48DC/100

2966744

376

PLC-OSC-120UC/ 48DC/100/C1D2

5603263

459

PLC-OSC-120UC/ 48DC/100/SEN

2966799

385

PLC-OSC-120UC/230AC/  1

2967879

377

PLC-OSC-125DC/ 24DC/  2

2980050

377

PLC-OSC-125DC/ 48DC/100

2980047

376

PLC-OSC-125DC/230AC/  1

2980063

377

PLC-OSC-220DC/300DC/  1

2980704

406

PLC-OSC-230AC/300DC/  1

2980720

406

PLC-OSC-230UC/ 24DC/  2

2966663

377

PLC-OSC-230UC/ 48DC/100

2966757

376

PLC-OSC-230UC/ 48DC/100/SEN

2966809

385

PLC-OSC-230UC/230AC/  1

2967882

377

PLC-OSC-LPE-24DC/48DC/100

2903171

422

PLC-OSP- 24DC/ 24DC/  3RW

2980513

415

PLC-OSP- 24DC/110DC/  3RW

2982511

415

PLC-OSP- 36DC/110DC/  3RW

2982524

415

PLC-OSP- 48DC/110DC/  3RW

2982537

415

PLC-OSP- 72DC/110DC/  3RW

2982540

415

PLC-OSP- 96DC/110DC/  3RW

2982553

415

PLC-OSP-110DC/ 24DC/  3RW

2980526

415

PLC-OSP-110DC/110DC/  3RW

2982566

415

PLC-PT-EIK 1-SVN 24P/P

2900397

420

PLC-RPT- 12DC/21

2900316

372

PLC-RPT- 12DC/21-21

2900329

374

PLC-RPT- 12DC/21-21AU

2900337

375

PLC-RPT- 12DC/21/MS

2909666

373

PLC-RPT- 12DC/21AU

2900317

373

PLC-RPT- 12DC/21AU/MS

2909671

373

PLC-RPT- 12DC/21HC

2900290

387

PLC-RPT- 24DC/ 1/ACT

2900312

378

PLC-RPT- 24DC/ 1/MS/ACT

2909677

379

PLC-RPT- 24DC/ 1AU/MS/SEN

2909678

385

PLC-RPT- 24DC/ 1AU/SEN

2900313

384

PLC-RPT- 24DC/ 1IC/ACT

2900298

386

PLC-RPT- 24DC/21

2900299

372

PLC-RPT- 24DC/21-21

2900330

374

PLC-RPT- 24DC/21-21/EX

2909514

458

PLC-RPT- 24DC/21-21AU

2900338

375

PLC-RPT- 24DC/21/MS

2909667

373

PLC-RPT- 24DC/21AU

2900306

373

PLC-RPT- 24DC/21AU/MS

2909672

373

PLC-RPT- 24DC/21HC

2900291

387

PLC-RPT- 24UC/ 1/S/H

2900328

404

PLC-RPT- 24UC/ 1/S/L

2900327

404

PLC-RPT- 24UC/21

2900300

372

PLC-RPT- 24UC/21-21

2900332

374

PLC-RPT- 24UC/21-21/RW

2900346

419

PLC-RPT- 24UC/21-21AU

2900339

375

PLC-RPT- 24UC/21-21AU/RW

2900349

419

PLC-RPT- 24UC/21/MS

2909668

373

PLC-RPT- 24UC/21/RW

2900318

418

PLC-RPT- 24UC/21AU

2900307

373

PLC-RPT- 24UC/21AU/MS

2909673

373

PLC-RPT- 24UC/21AU/RW

2900321

418

PLC-RPT- 24UC/21HC

2900293

387

PLC-RPT- 24UC/21HC/RW

2900324

419

PLC-RPT- 48DC/21

2900301

372

PLC-RPT- 48DC/21-21

2900333

374

PLC-RPT- 48DC/21-21AU

2900340

375

PLC-RPT- 48DC/21AU

2900308

373

PLC-RPT- 48DC/21HC

2900294

387

PLC-RPT- 60DC/21

2900303

372

PLC-RPT- 60DC/21-21

2900334

374

PLC-RPT- 60DC/21-21AU

2900341

375

PLC-RPT- 60DC/21AU

2900309

373

PLC-RPT- 60DC/21HC

2900295

387

PLC-RPT- 72UC/21-21/RW

2900347

419

PLC-RPT- 72UC/21-21AU/RW

2900350

419

PLC-RPT- 72UC/21/RW

2900319

418

PLC-RPT- 72UC/21AU/RW

2900322

418

PLC-RPT- 72UC/21HC/RW

2900325

419

PLC-RPT-110UC/21-21/RW

2900348

419

PLC-RPT-110UC/21-21AU/RW

2900351

419

PLC-RPT-110UC/21/RW

2900320

418

PLC-RPT-110UC/21AU/RW

2900323

418

PLC-RPT-110UC/21HC/RW

2900326

419

PLC-RPT-120UC/ 1AU/MS/SEN

2909679

385

PLC-RPT-120UC/ 1AU/SEN

2900314

384

PLC-RPT-120UC/21

2900304

372

PLC-RPT-120UC/21-21

2900335

374

PLC-RPT-120UC/21-21/EX

2909515

458

PLC-RPT-120UC/21-21AU

2900342

375

PLC-RPT-120UC/21/EX

2909529

458

PLC-RPT-120UC/21/MS

2909669

373

PLC-RPT-120UC/21AU

2900310

373

PLC-RPT-120UC/21AU/MS

2909674

373

PLC-RPT-120UC/21HC

2900296

387

PLC-RPT-120UC/21HC/EX

2909533

459

PLC-RPT-12DC/21-21/EX

2909513

458

PLC-RPT-12DC/21/EX

2909527

458

PLC-RPT-12DC/21HC/EX

2909531

459

PLC-RPT-230UC/ 1AU/MS/SEN

2909680

385

PLC-RPT-230UC/ 1AU/SEN

2900315

384

PLC-RPT-230UC/21

2900305

372

PLC-RPT-230UC/21-21

2900336

374

PLC-RPT-230UC/21-21/EX

2909516

458

PLC-RPT-230UC/21-21AU

2900343

375

PLC-RPT-230UC/21-21AU/RWF

2900345

417

PLC-RPT-230UC/21/EX

2909530

458

PLC-RPT-230UC/21/MS

2909670

373

PLC-RPT-230UC/21AU

2900311

373

PLC-RPT-230UC/21AU/MS

2909676

373

PLC-RPT-230UC/21HC

2900297

387

PLC-RPT-230UC/21HC/EX

2909534

459

PLC-RPT-24DC/21/EX

2909528

458

PLC-RPT-24DC/21HC/EX

2909532

459

PLC-RSC- 12DC/21

2966906

372

PLC-RSC- 12DC/21-21

2967235

374

PLC-RSC- 12DC/21-21AU

2967277

375

PLC-RSC- 12DC/21/MS

2909648

373

PLC-RSC- 12DC/21AU

2966919

373

PLC-RSC- 12DC/21AU/MS

2909654

373

PLC-RSC- 12DC/21HC

2967617

387

PLC-RSC- 24DC/ 1- 1/ACT

2967109

379

PLC-RSC- 24DC/ 1/ACT

2966210

378

PLC-RSC- 24DC/ 1/MS/ACT

2909661

379

PLC-RSC- 24DC/ 1AU/MS/SEN

2909663

385

PLC-RSC- 24DC/ 1AU/SEN

2966317

384

PLC-RSC- 24DC/ 1IC/ACT

2967604

386

PLC-RSC- 24DC/21

2966171

372

PLC-RSC- 24DC/21-21

2967060

374

PLC-RSC- 24DC/21-21/EX

2909509

458

PLC-RSC- 24DC/21-21AU

2967125

375

PLC-RSC- 24DC/21/MS

2909649

373

PLC-RSC- 24DC/21AU

2966265

373

PLC-RSC- 24DC/21AU/MS

2909655

373

PLC-RSC- 24DC/21HC

2967620

387

PLC-RSC- 24UC/ 1/S/H

2982236

404

PLC-RSC- 24UC/ 1/S/L

2834876

404

PLC-RSC- 24UC/21

2966184

372

PLC-RSC- 24UC/21-21

2967073

374

PLC-RSC- 24UC/21-21AU

2967112

375

PLC-RSC- 24UC/21/MS

2909650

373

PLC-RSC- 24UC/21AU

2966278

373

PLC-RSC- 24UC/21AU/MS

2909656

373

PLC-RSC- 24UC/21HC

2967633

387

PLC-RSC- 48DC/21

2966113

372

PLC-RSC- 48DC/21-21

2967248

374

PLC-RSC- 48DC/21-21AU

2967280

375

PLC-RSC- 48DC/21AU

2966126

373

PLC-RSC- 48DC/21HC

2967646

387

PLC-RSC- 60DC/21

2966139

372

PLC-RSC- 60DC/21-21

2967293

374

PLC-RSC- 60DC/21-21AU

2967303

375

PLC-RSC- 60DC/21AU

2966142

373

PLC-RSC- 60DC/21HC

2967659

387

PLC-RSC-120UC/ 1AU/MS/SEN

2909664

385

PLC-RSC-120UC/ 1AU/SEN

2966320

384

PLC-RSC-120UC/21

2966197

372

PLC-RSC-120UC/21-21

2967086

374

PLC-RSC-120UC/21-21/EX

2909511

458

PLC-RSC-120UC/21-21AU

2967138

375

PLC-RSC-120UC/21/EX

2909525

458

PLC-RSC-120UC/21/MS

2909651

373

PLC-RSC-120UC/21AU

2966281

373

PLC-RSC-120UC/21AU/MS

2909657

373

PLC-RSC-120UC/21HC

2967662

387

PLC-RSC-120UC/21HC/EX

2909520

459

PLC-RSC-12DC/21-21/EX

2909517

458

PLC-RSC-12DC/21/EX

2909522

458

PLC-RSC-12DC/21HC/EX

2909518

459

PLC-RSC-230UC/ 1AU/MS/SEN

2909665

385

PLC-RSC-230UC/ 1AU/SEN

2966333

384

PLC-RSC-230UC/21

2966207

372

PLC-RSC-230UC/21-21

2967099

374

PLC-RSC-230UC/21-21/EX

2909512

458

PLC-RSC-230UC/21-21AU

2967141

375

PLC-RSC-230UC/21/EX

2909526

458

PLC-RSC-230UC/21/MS

2909653

373

PLC-RSC-230UC/21AU

2966294

373

PLC-RSC-230UC/21AU/MS

2909660

373

PLC-RSC-230UC/21HC

2967675

387

PLC-RSC-230UC/21HC/EX

2909521

459

PLC-RSC-24DC/21/EX

2909524

458

PLC-RSC-24DC/21HC/EX

2909519

459

PLC-SC-EIK 1-SVN 24P/P

2982663

420

PLC-SC-ELR W1/ 2-24DC

2980539

421

PLC-SC-S/H

2980733

405

PLC-SC-S/L

2980775

405

PLC-SP-ELR W1/ 2-24DC

2980555

421

PLC-V8/D15B/IN

2296087

425

PLC-V8/D15B/OUT

2296061

425

PLC-V8/D15S/IN

2296074

425

PLC-V8/D15S/OUT

2296058

425

PLC-V8/FLK14/IN

2296553

425

PLC-V8/FLK14/IN/M

2304115

425

PLC-V8/FLK14/OUT

2295554

425

PLC-V8/FLK14/OUT/M

2304102

425

PLC-V8C/CAB/TBUS/0,3M

2905263

433

PLC-V8C/PT-24DC/BM2

2907446

429

PLC-V8C/PT-24DC/EM

2905137

429

PLC-V8C/PT-24DC/SAM2

2907443

428

PLC-V8C/SC-24DC/BM2

2907447

429

PLC-V8C/SC-24DC/EM

2903095

429

PLC-V8C/SC-24DC/SAM2

2907445

428

PLC-V8L/FLK14/OUT

2299660

425

PLC-V8L/FLK14/OUT/M

2304306

425

PLC-VT

2296870

546

PLC-VT/ACT

2295567

546

PLC-VT/ACT/LA

2296867

546

PLC-VT/LA

2296854

546

PSK AFS2000IOL

2700709

217

PSK AFS5000IOL

2700705

217

PSK AFS6000IOL

2700707

216

PSK AFS6050IOL

2700704

216

PSK AFS8000IOL

2700708

217

PSK APS7004IOL

2700710

218

PSK RTU 50

2400018

215

PSM-KAD 9 SUB 25/BS

2761295

251

PSM-ME-RS232/RS485-P

2744416

166

PSM-ME-RS485/RS485-P

2744429

166

R

REL-IR2/100AC/2X21

2907052

316

REL-IR2/200AC/2X21

2907053

316

REL-IR2/24DC/2X21

2907051

316

REL-IR2/L- 24AC/2X21

2903666

314

613

PHOENIX CONTACT

Index

Alphabetical

phoenixcontact-interface-technology-and-switching-devices-html.html
background image

Type

Order No. Page

Type

Order No. Page

Type

Order No. Page

Type

Order No. Page

REL-IR2/L-120AC/2X21

2903667

314

REL-IR2/L-230AC/2X21

2903668

314

REL-IR2/LDP- 12DC/2X21

2903659

314

REL-IR2/LDP- 24DC/2X21

2903660

314

REL-IR2/LDP-110DC/2X21

2903663

314

REL-IR2/LDP-125DC/2X21

2903664

314

REL-IR2/LDP-220DC/2X21

2903665

314

REL-IR4/100AC/4X21

2907055

316

REL-IR4/200AC/4X21

2907056

316

REL-IR4/24DC/4X21

2907054

316

REL-IR4/L- 24AC/4X21

2903686

314

REL-IR4/L- 24AC/4X21AU

2903683

314

REL-IR4/L-120AC/4X21

2903687

314

REL-IR4/L-120AC/4X21AU

2903684

314

REL-IR4/L-230AC/4X21

2903688

314

REL-IR4/L-230AC/4X21AU

2903685

314

REL-IR4/LDP- 12DC/4X21

2903676

314

REL-IR4/LDP- 12DC/4X21AU

2903669

314

REL-IR4/LDP- 24DC/4X21

2903677

314

REL-IR4/LDP- 24DC/4X21AU

2903670

314

REL-IR4/LDP-110DC/4X21

2903680

314

REL-IR4/LDP-110DC/4X21AU

2903673

314

REL-IR4/LDP-125DC/4X21

2903681

314

REL-IR4/LDP-125DC/4X21AU

2903674

314

REL-IR4/LDP-220DC/4X21

2903682

314

REL-IR4/LDP-220DC/4X21AU

2903675

314

REL-MR   4,5DC/21AU

2961370

392

REL-MR-  4,5DC/21

2961367

392

REL-MR- 12DC/21

2961150

298

REL-MR- 12DC/21-21

2961257

304

REL-MR- 12DC/21-21AU

2961299

304

REL-MR- 12DC/21/MS

2909641

298

REL-MR- 12DC/21AU

2961163

298

REL-MR- 12DC/21AU/MS

2909644

298

REL-MR- 12DC/21HC

2961309

304

REL-MR- 12DC/21HC AU

2961532

304

REL-MR- 18DC/21

2961383

392

REL-MR- 18DC/21AU

2961493

392

REL-MR- 24AC/21-21

2961435

304

REL-MR- 24AC/21-21/MS

2987956

306

REL-MR- 24AC/21-21AU

2961464

304

REL-MR- 24AC/21HC

2961406

304

REL-MR- 24AC/21HC AU

2961503

304

REL-MR- 24AC/21HC/MS

2987891

306

REL-MR- 24DC/1IC

2961341

393

REL-MR- 24DC/21

2961105

298

REL-MR- 24DC/21-21

2961192

304

REL-MR- 24DC/21-21/MS

2987943

306

REL-MR- 24DC/21-21AU

2961215

304

REL-MR- 24DC/21-21AU/MS

2987985

306

REL-MR- 24DC/21/MS

2909642

298

REL-MR- 24DC/21AU

2961121

298

REL-MR- 24DC/21AU/MS

2909645

298

REL-MR- 24DC/21HC

2961312

304

REL-MR- 24DC/21HC AU

2961545

304

REL-MR- 24DC/21HC AU/MS

2987927

306

REL-MR- 24DC/21HC/MS

2987888

306

REL-MR- 48DC/21-21

2834834

304

REL-MR- 48DC/21-21AU

2834847

304

REL-MR- 48DC/21HC

2834821

304

REL-MR- 60DC/21

2961118

392

REL-MR- 60DC/21-21

2961273

304

REL-MR- 60DC/21-21AU

2961286

304

REL-MR- 60DC/21/MS

2909643

392

REL-MR- 60DC/21AU

2961134

392

REL-MR- 60DC/21AU/MS

2909647

392

REL-MR- 60DC/21HC

2961325

304

REL-MR-110DC/21-21

2961202

304

REL-MR-110DC/21-21AU

2961228

304

REL-MR-110DC/21HC

2961338

304

REL-MR-110DC/21HC AU

2961561

304

REL-MR-120AC/21-21

2961448

304

REL-MR-120AC/21-21/MS

2987969

306

REL-MR-120AC/21-21AU

2961477

304

REL-MR-120AC/21HC

2961419

304

REL-MR-120AC/21HC AU

2961516

304

REL-MR-120AC/21HC/MS

2987901

306

REL-MR-230AC/21-21

2961451

304

REL-MR-230AC/21-21/MS

2987972

306

REL-MR-230AC/21-21AU

2961480

304

REL-MR-230AC/21-21AU/MS

2987998

306

REL-MR-230AC/21HC

2961422

304

REL-MR-230AC/21HC AU

2961529

304

REL-MR-230AC/21HC AU/MS

2987930

306

REL-MR-230AC/21HC/MS

2987914

306

REL-MR-BL-100AC/21-21/MS

2908183

308

REL-MR-BL-100AC/21HC/MS

2908179

308

REL-MR-BL-200AC/21-21/MS

2908182

308

REL-MR-BL-200AC/21HC/MS

2908178

308

REL-MR-BL-24DC/21-21/MS

2908181

308

REL-MR-BL-24DC/21HC/MS

2908180

308

REL-MR-G 24/1

2961037

536

REL-OR2/L- 24AC/2X21

2903690

322

REL-OR2/L-120AC/2X21

2903691

322

REL-OR2/L-230AC/2X21

2903692

322

REL-OR2/LDP- 24DC/2X21

2903689

322

REL-OR2/LDP-220DC/2X21

2907026

322

REL-OR3/L- 24AC/3X21

2903694

322

REL-OR3/L-120AC/3X21

2903695

322

REL-OR3/L-230AC/3X21

2903696

322

REL-OR3/LDP-110DC/3X21

2908898

322

REL-OR3/LDP-220DC/3X21

2907027

322

REL-OR3/LDP-24DC/3X21

2903693

322

REL-OR3/LDP-48DC/3X21

2908897

322

REL-PR1-110DC/1/MB

2908044

328

REL-PR1-220DC/1/MB

2908046

328

REL-PR1-230AC/1/MB

2908047

328

REL-PR1-24DC/1/MB

2908040

328

REL-PR2- 24AC/2X21

2903699

326

REL-PR2- 24DC/2X21

2903698

326

REL-PR2-120AC/2X21

2903700

326

REL-PR2-230AC/2X21

2903701

326

REL-PR3- 24AC/3X1

2903707

328

REL-PR3- 24AC/3X21

2903703

326

REL-PR3- 24DC/3X1

2903706

328

REL-PR3- 24DC/3X21

2903702

326

REL-PR3-110DC/3X21

2908893

326

REL-PR3-120AC/3X1

2903708

328

REL-PR3-120AC/3X21

2903704

326

REL-PR3-230AC/3X1

2903709

328

REL-PR3-230AC/3X21

2903705

326

REL-SR- 24DC/2X21/FG

2908777

457

RIF-0-BPT-M/ 21

2907468

296

RIF-0-BPT/1

2901873

297

RIF-0-BPT/21

2900958

296

RIF-0-BSC/ 1

2901872

297

RIF-0-BSC/21

2900957

297

RIF-0-OPT-24DC/230AC/1

2905295

337

RIF-0-OPT-24DC/24DC/2

2905293

336

RIF-0-OPT-24DC/48DC/100

2905294

337

RIF-0-OSC-24DC/230AC/1

2905656

339

RIF-0-OSC-24DC/24DC/2

2905657

338

RIF-0-OSC-24DC/48DC/100

2905658

339

RIF-0-RPT-12DC/ 1

2903362

333

RIF-0-RPT-12DC/ 1AU

2903360

333

RIF-0-RPT-12DC/21

2903371

332

RIF-0-RPT-12DC/21AU

2903369

332

RIF-0-RPT-24DC/ 1

2903361

333

RIF-0-RPT-24DC/ 1AU

2903359

333

RIF-0-RPT-24DC/21

2903370

332

RIF-0-RPT-24DC/21AU

2903368

332

RIF-0-RPT-M-24DC/21

2908327

332

RIF-0-RSC-12DC/ 1

2903367

335

RIF-0-RSC-12DC/ 1AU

2903365

335

RIF-0-RSC-12DC/21

2903375

334

RIF-0-RSC-12DC/21AU

2903373

334

RIF-0-RSC-24DC/ 1

2903366

335

RIF-0-RSC-24DC/ 1AU

2903364

335

RIF-0-RSC-24DC/21

2903374

334

RIF-0-RSC-24DC/21AU

2903372

334

RIF-1-BPT/2X21

2900931

302

RIF-1-BSC/2X21

2900930

303

RIF-1-RPT-LDP-12DC/1X21

2906224

340

RIF-1-RPT-LDP-12DC/2X21

2906223

341

RIF-1-RPT-LDP-24DC/1IC

2909884

348

RIF-1-RPT-LDP-24DC/1X21

2903342

340

RIF-1-RPT-LDP-24DC/1X21AU

2903338

340

RIF-1-RPT-LDP-24DC/1X21MS

2905289

344

RIF-1-RPT-LDP-24DC/2X21

2903334

341

RIF-1-RPT-LDP-24DC/2X21/FG

2908215

456

RIF-1-RPT-LDP-24DC/2X21AU

2903330

341

RIF-1-RPT-LDP-24DC/2X21MS

2905291

345

RIF-1-RPT-LV-120AC/1X21

2903340

340

RIF-1-RPT-LV-120AC/1X21AU

2903336

340

RIF-1-RPT-LV-120AC/1X21MS

2909776

344

RIF-1-RPT-LV-120AC/2X21

2903332

341

RIF-1-RPT-LV-120AC/2X21AU

2903328

341

RIF-1-RPT-LV-120AC/2X21MS

2909775

345

RIF-1-RPT-LV-230AC/1X21

2903339

340

RIF-1-RPT-LV-230AC/1X21AU

2903335

340

RIF-1-RPT-LV-230AC/1X21MS

2905290

344

RIF-1-RPT-LV-230AC/2X21

2903331

341

RIF-1-RPT-LV-230AC/2X21AU

2903327

341

RIF-1-RPT-LV-230AC/2X21MS

2905292

345

RIF-1-RPT-LV-24AC/1X21

2903341

340

RIF-1-RPT-LV-24AC/1X21AU

2903337

340

RIF-1-RPT-LV-24AC/2X21

2903333

341

RIF-1-RPT-LV-24AC/2X21AU

2903329

341

RIF-1-RSC-LDP-12DC/1X21

2908500

342

RIF-1-RSC-LDP-12DC/2X21

2908501

343

RIF-1-RSC-LDP-24DC/1IC

2909885

348

RIF-1-RSC-LDP-24DC/1X21

2903358

342

RIF-1-RSC-LDP-24DC/1X21AU

2903354

342

RIF-1-RSC-LDP-24DC/1X21MS

2905659

346

RIF-1-RSC-LDP-24DC/2X21

2903350

343

RIF-1-RSC-LDP-24DC/2X21AU

2903346

343

RIF-1-RSC-LDP-24DC/2X21MS

2905660

347

RIF-1-RSC-LV-120AC/1X21

2903356

342

RIF-1-RSC-LV-120AC/1X21AU

2903352

342

RIF-1-RSC-LV-120AC/1X21MS

2909774

346

RIF-1-RSC-LV-120AC/2X21

2903348

343

RIF-1-RSC-LV-120AC/2X21AU

2903344

343

RIF-1-RSC-LV-120AC/2X21MS

2909773

347

RIF-1-RSC-LV-230AC/1X21

2903355

342

RIF-1-RSC-LV-230AC/1X21AU

2903351

342

RIF-1-RSC-LV-230AC/1X21MS

2905661

346

RIF-1-RSC-LV-230AC/2X21

2903347

343

RIF-1-RSC-LV-230AC/2X21AU

2903343

343

RIF-1-RSC-LV-230AC/2X21MS

2905662

347

RIF-1-RSC-LV-24AC/1X21

2903357

342

RIF-1-RSC-LV-24AC/1X21AU

2903353

342

RIF-1-RSC-LV-24AC/2X21

2903349

343

RIF-1-RSC-LV-24AC/2X21AU

2903345

343

RIF-1-V8/PT/FLK14/OUT

2905195

367

RIF-1-V8/PT/FLK14/OUT/M

2906992

547

RIF-2-BPT/4X21

2900934

312

RIF-2-BSC/4X21

2900932

313

RIF-2-RPT-LDP-24DC/2X21

2903315

350

RIF-2-RPT-LDP-24DC/4X21

2903308

351

RIF-2-RPT-LV-120AC/2X21

2903311

350

RIF-2-RPT-LV-120AC/4X21

2903305

351

RIF-2-RPT-LV-230AC/2X21

2903310

350

RIF-2-RPT-LV-230AC/4X21

2903304

351

RIF-2-RPT-LV-24AC/2X21

2903313

350

RIF-2-RPT-LV-24AC/4X21

2903306

351

RIF-2-RSC-LDP-125DC/2X21

2903324

352

RIF-2-RSC-LDP-125DC/4X21

2903319

353

RIF-2-RSC-LDP-24DC/2X21

2903326

352

RIF-2-RSC-LDP-24DC/4X21

2903320

353

RIF-2-RSC-LV-120AC/2X21

2903322

352

RIF-2-RSC-LV-120AC/4X21

2903317

353

RIF-2-RSC-LV-230AC/2X21

2903321

352

RIF-2-RSC-LV-230AC/4X21

2903316

353

RIF-2-RSC-LV-24AC/2X21

2903323

352

RIF-2-RSC-LV-24AC/4X21

2903318

353

RIF-3-BPT/2X21

2900937

318

RIF-3-BPT/3X21

2900938

319

RIF-3-BSC/2X21

2900935

320

RIF-3-BSC/3X21

2900936

321

RIF-3-RPT-LDP-24DC/2X21

2903297

354

RIF-3-RPT-LDP-24DC/3X21

2903294

355

RIF-3-RPT-LV-120AC/2X21

2903296

354

RIF-3-RPT-LV-120AC/3X21

2903293

355

RIF-3-RPT-LV-230AC/2X21

2903295

354

RIF-3-RPT-LV-230AC/3X21

2903292

355

RIF-3-RSC-LDP-24DC/2X21

2903303

356

RIF-3-RSC-LDP-24DC/3X21

2903300

357

RIF-3-RSC-LV-120AC/2X21

2903302

356

RIF-3-RSC-LV-120AC/3X21

2903299

357

RIF-3-RSC-LV-230AC/2X21

2903301

356

RIF-3-RSC-LV-230AC/3X21

2903298

357

RIF-4-BPT/3X21

2900961

324

RIF-4-BSC/3X21

2900960

325

RIF-4-RPT-LDP-24DC/2X21

2903281

358

RIF-4-RPT-LDP-24DC/3X1

2903275

360

RIF-4-RPT-LDP-24DC/3X21

2903278

359

RIF-4-RPT-LV-120AC/2X21

2903280

358

RIF-4-RPT-LV-120AC/3X1

2903274

360

RIF-4-RPT-LV-120AC/3X21

2903277

359

RIF-4-RPT-LV-230AC/2X21

2903279

358

RIF-4-RPT-LV-230AC/3X1

2903273

360

RIF-4-RPT-LV-230AC/3X21

2903276

359

RIF-4-RSC-LDP-24DC/2X21

2903291

362

RIF-4-RSC-LDP-24DC/3X1

2903284

364

RIF-4-RSC-LDP-24DC/3X21

2903288

363

RIF-4-RSC-LV-120AC/2X21

2903290

362

RIF-4-RSC-LV-120AC/3X1

2903283

364

RIF-4-RSC-LV-120AC/3X21

2903287

363

RIF-4-RSC-LV-230AC/2X21

2903289

362

RIF-4-RSC-LV-230AC/3X1

2903282

364

RIF-4-RSC-LV-230AC/3X21

2903285

363

RIF-BR-12-230 AC

2907060

330

RIF-LDM-12-24 DC

2907057

330

RIF-LDP-110 DC

2900941

330

RIF-LDP-12-24 DC

2900939

330

RIF-LDP-48-60 DC

2900940

330

RIF-LV-12-24 UC

2900942

330

RIF-LV-120-230 AC/110 DC

2900944

330

RIF-LV-48-60 UC

2900943

330

RIF-LVM-100-200 AC/110 DC

2907058

330

RIF-RC-12-24 UC

2900949

330

RIF-RC-120-230 UC

2900951

330

RIF-RC-48-60 UC

2900950

330

RIF-RH-1

2900953

303

RIF-RH-1-H

2904468

303

RIF-RH-2

2900954

313

RIF-RH-3

2900955

319

RIF-RH-4

2900956

325

RIF-RHM-1

2905986

303

RIF-RHM-1-H

2905985

303

RIF-RHM-2

2905984

313

RIF-RHM-4

2905983

325

RIF-RHS-2

2908043

313

RIF-T3-24UC

2902647

274

RIF-V-12-24 UC

2900945

330

RIF-V-120-230 UC

2900948

330

RIF-V-48-60 UC

2900947

330

S

SCK-C-MODBUS

2901674

258

SCK-M-I-4S-20A

2903242

259

SCK-M-I-8S-20A

2903241

259

SCK-M-U-1500V

2903591

259

SCK-RSD-100

2905029

254

SCK-RSD-400

2905030

255

SCK-RSD-600

2906273

255

SD FLASH 2GB EMLOG

2403484

214

SK  5,0 WH:REEL

0805221

105

SSA 3-6

2839295

172

SSA 5-10

2839512

172

ST-OV3- 24DC/400AC/3

2905417

448

ST-OV4- 24DC/ 24DC/1-PRO

2905572

449

ST-OV4- 24DC/ 24DC/4-PRO

2905585

449

ST-REL3-KG 24/ 1/SO38

2829564

446

ST-REL3-KG 24/21/AU/SO46

2826981

444

ST-REL3-KG 24/21/SO46

2826091

444

ST-REL3-KG120/21/AU/SO46

2829797

444

ST-REL3-KG120/21/SO46

2833026

444

ST-REL3-KG230/21/AU/SO46

2826266

444

ST-REL3-KG230/21/SO46

2832027

444

STP 5-2

0800967

366

SWD4-100LF-8-24 PXC

2903111

38

SWD4-3LF8-24-2S PXC

2903112

38

SWD4-8MF2 PXC

2903108

38

SWD4-8SF2-5 PXC

2903107

38

SWD4-8SFF2-5 PXC

2903109

38

SWD4-CRP-1 PXC

2903110

38

614

PHOENIX CONTACT

Index

Alphabetical

phoenixcontact-interface-technology-and-switching-devices-html.html
background image

Type

Order No. Page

Type

Order No. Page

Type

Order No. Page

Type

Order No. Page

SWD4-CRP-2 PXC

2903114

38

SWD4-RC8-10 PXC

2903106

38

SZF 1-0,6X3,5

1204517

424

T

TC-2D37SUB-ADIO32-2EX-P-UNI

2904684

165

TC-2KS40-AI16-EX-PR-CS

2905677

525

TC-2KS40-AI16-EX-PR-RS

2905203

525

TC-2KS40-AI16-M-PRH-CS

2905257

524

TC-2KS40-AO16-EX-PR-CS

2905201

525

TC-2KS40-AO16-M-PRH-CS

2905905

524

TC-2KS40-AO8-EX-PR-RS

2905204

525

TC-2KS50-DI16-EX-PR-RS

2905202

525

TC-2KS50-DI32-2EX-PR-CS

2904676

525

TC-2KS50-DO16-ESD-AR-RS

2904113

525

TC-2KS50-DO16-EX-PR-RS

2905678

525

TC-2KS50-DO16-F&G-AR-RS

2904112

525

TC-2KS50-DO32-EX-PR-CS

2905199

525

TC-C-PSR3-SC-A10000A20000

2903389

525

TC-C-PSR3-SC-A10000A23132

2903390

525

TC-C-PSR3-SC-A100V+A20000

2903391

525

TC-C-PTSM-50-00000000J1J1

2903388

525

TC-D37SUB-ADIO16-EX-P-UNI

2924854

165

TC-D37SUB-ADIO16-MP-P-UNI

2906639

99

TC-D37SUB-AIO16-EX-PS-UNI

2902932

165

TC-D37SUB-AIO16-M-PS-UNI

2902934

166

TC-D37SUB-AIO16-MP-PS-UNI

2906640

99

TC-MACX-MCR-PTB

2904673

175

THERMAL FUSE TF104

2900796

40

U

UC-EMLP (11X9)

0819291

177

UC-EMLP (11X9) CUS

0824547

177

UC-EMLP (15X5)

0819301

105

UC-EMLP (15X5) CUS

0824550

105

UCT-EM (30X5)

0801505

105

UCT-EM (30X5) CUS

0801589

105

UDK-RELG 4

2777056

449

UKK 5-2R/NAMUR

2941662

176

UM 25-D 9SUB/B/FRONT/Q

2959560

574

UM 25-D 9SUB/S/FRONT/Q

2959573

574

UM 25-D15SUB/B/FRONT/Q

2959586

574

UM 25-D15SUB/S/FRONT/Q

2959599

574

UM 25-D25SUB/B/FRONT/Q

2959609

574

UM 25-D25SUB/S/FRONT/Q

2959612

574

UM 45-D37SUB/B/FRONT/Q

2959625

574

UM 45-D37SUB/S/FRONT/Q

2959638

574

UM 45-D50SUB/B/FRONT/Q

2959641

574

UM 45-D50SUB/S/FRONT/Q

2959654

574

UM 45-DI/DO/S/LA/SIM8

2968205

535

UM 45-DO/LA/SIM8

2968195

535

UM- 8 RELS/KSR-G24/21/MT/PLC

2962463

541

UM- 8 RM/RT-G24/21/PLC

2968386

537

UM-16 RELS/KSR-G24/21/E/MT/PLC

2962379

541

UM-16 RELS/KSR-G24/21/MT/PLC

2962382

541

UM-2KS40/16AI/SI/RS/SO225

2319841

522

UM-2KS40/16AIO/RS/SO225

2319838

522

UM-2KS50/ 8DO/RS/MKDS

2900174

523

UM-2KS50/16DI/RS/MKDS

2900173

522

UM-2KS50/16DO/RS/MKDS

2900175

523

UM-2KS50/32IM/SI/BFI/YCS

2908402

519

UM-2KS50/32R/SI/J/ADV551/YCS

2908400

518

UM-2KS50/32R/SI/J/DO24V/YCS

2908399

518

UM-2KS50/DI16/RS/K-MT/SO241

2319618

522

UM-2KS50/DO16/RS/K-MT/SO241

2319595

523

UM-32 RM/RT-G24/21/PLC

2968373

537

UM-DELTA V/D/SI

5603255

483

UM-DELTAV/A/SI

5603256

483

UM-DELTAV/A/SI/BFI/TP

5603258

483

UM-DELTAV/D/SI/BFI/TP

5603257

483

UM-S95U/S7/FLK50/PLC

2907030

564

UMK- 8 RELS/KSR-G24/21-21/PLC

2976187

540

UMK- 8 RELS/KSR-G24/21/PLC

2974914

538

UMK- 8 RM/KSR-G 24/21/PLC

2979485

538

UMK- 8 RM/MR-G24/ 1/PLC

2979469

536

UMK- EC38/38-XOL

2976284

578

UMK- EC38/38-XOR

2976297

578

UMK- EC56/25/EX -FRONT 2,5V/L

2900115

581

UMK- EC56/25/EX -FRONT 2,5V/R

2900114

581

UMK- EC56/25/EX -L

2900113

581

UMK- EC56/25/EX -R

2900112

581

UMK- EC56/32-XOL

2975764

579

UMK- EC56/32-XOR

2975858

579

UMK- EC56/32-XUL

2975780

579

UMK- EC56/32-XUR

2975777

579

UMK- EC56/56-XOL

2975890

579

UMK- EC56/56-XOR

2975900

579

UMK- EC56/FRONT 2,5V/L

2976158

579

UMK- EC56/FRONT 2,5V/R

2976161

579

UMK- EC90/32/EX-XOL

2900110

580

UMK- EC90/32/EX-XOR

2900109

580

UMK- EC90/32/EX-XUL

2969071

580

UMK- EC90/32/EX-XUR

2969068

580

UMK- PVB

2971302

599

UMK- PVB 6

2972136

599

UMK-16 RELS/KSR-G24/21/E/PLC

2974891

539

UMK-16 RELS/KSR-G24/21/PLC

2974901

539

UMK-16 RM/KSR-G 24/21/E/PLC

2979508

539

UMK-16 RM/KSR-G 24/21/PLC

2979498

539

UMK-32 RM/MR-G24/1/PLC

2979472

536

URELG 3

2820136

444

UT 4-MTD-R/CVC 690/SET

2901667

14

V

VFD 5007 IL IB

2701054

52

VFD 5015 IL IB

2701055

53

VFD 5022 IL IB

2701057

53

VFD 5040 IL IB

2701058

53

VIP-2/PT/2FLK14 (1-20) /S7

2903802

509

VIP-2/PT/2FLK14/AB-1756

2904288

475

VIP-2/PT/D 9SUB/F

2903778

572

VIP-2/PT/D 9SUB/F/LED

2904263

573

VIP-2/PT/D 9SUB/M

2903777

572

VIP-2/PT/D 9SUB/M/LED

2904258

573

VIP-2/PT/D15SUB/F

2903780

572

VIP-2/PT/D15SUB/F/LED

2904264

573

VIP-2/PT/D15SUB/M

2903779

572

VIP-2/PT/D15SUB/M/LED

2904259

573

VIP-2/PT/D37SUB/M

2904277

487

VIP-2/PT/D37SUB/M/SO

2904278

487

VIP-2/PT/FLK10

2903787

568

VIP-2/PT/FLK10/LED

2904248

569

VIP-2/PT/FLK14

2903788

568

VIP-2/PT/FLK14/8M/PLC

2904283

528

VIP-2/PT/FLK14/8P/PLC

2904284

528

VIP-2/PT/FLK14/LED

2904249

569

VIP-2/PT/FLK14/LED/PLC

2904279

526

VIP-2/PT/FLK14/PLC

2903801

526

VIP-2/PT/FLK16

2903789

568

VIP-2/PT/FLK16/LED

2904250

569

VIP-2/PT/FLK20

2903790

568

VIP-2/PT/FLK20/LED

2904251

569

VIP-2/PT/FLK50 (1-40) /S7

2903804

508

VIP-2/PT/FLK50/16/SLC500

2904287

477

VIP-2/PT/FLK50/AB-1756

2904286

474

VIP-2/PT/FLK50/LED/PLC

2904280

527

VIP-2/PT/FLK50/MODI-TSX/Q

2904285

474

VIP-2/PT/FLK50/PLC

2903803

527

VIP-2/PT/FLK50/S7/A-S400

2904289

508

VIP-2/PT/HD15SUB/F

2904272

576

VIP-2/PT/PDM-2/16/FU 6.3A

2903603

599

VIP-2/SC/2FLK14 (1-20) /S7

2315230

509

VIP-2/SC/2FLK14/AB-1756

2322333

475

VIP-2/SC/D 9SUB/F

2315162

570

VIP-2/SC/D 9SUB/F/LED

2322197

571

VIP-2/SC/D 9SUB/M

2315117

570

VIP-2/SC/D 9SUB/M/LED

2322142

571

VIP-2/SC/D15SUB/F

2315175

570

VIP-2/SC/D15SUB/F/LED

2322207

571

VIP-2/SC/D15SUB/M

2315120

570

VIP-2/SC/D15SUB/M/LED

2322155

571

VIP-2/SC/D37SUB/M

2900676

487

VIP-2/SC/D37SUB/M/SO

2900786

487

VIP-2/SC/FLK10

2315010

566

VIP-2/SC/FLK10/LED

2322045

567

VIP-2/SC/FLK14

2315023

566

VIP-2/SC/FLK14/8M/PLC

2322281

528

VIP-2/SC/FLK14/8P/PLC

2322294

528

VIP-2/SC/FLK14/LED

2322058

567

VIP-2/SC/FLK14/LED/PLC

2322249

526

VIP-2/SC/FLK14/PLC

2315214

526

VIP-2/SC/FLK16

2315036

566

VIP-2/SC/FLK16/LED

2322061

567

VIP-2/SC/FLK20

2315049

566

VIP-2/SC/FLK20/LED

2322074

567

VIP-2/SC/FLK50 (1-40) /S7

2315243

508

VIP-2/SC/FLK50/16/SLC500

2322320

477

VIP-2/SC/FLK50/AB-1756

2322317

474

VIP-2/SC/FLK50/LED/PLC

2322252

527

VIP-2/SC/FLK50/MODI-TSX/Q

2322304

474

VIP-2/SC/FLK50/PLC

2315227

527

VIP-2/SC/FLK50/S7/A-S400

2322359

508

VIP-2/SC/HD15SUB/F

2322401

576

VIP-2/SC/PDM-2/16

2315256

598

VIP-2/SC/PDM-2/24

2315269

598

VIP-2/SC/PDM-2/32

2315272

598

VIP-2/SC/PDM-2/48

2903717

598

VIP-3/PT/2FLK14/AN/2P/S7-1500A

2908465

513

VIP-3/PT/2FLK14/AN/2P/S7-1500B

2908846

513

VIP-3/PT/D25SUB/F

2903782

573

VIP-3/PT/D25SUB/F/LED

2904265

573

VIP-3/PT/D25SUB/M

2903781

573

VIP-3/PT/D25SUB/M/LED

2904260

573

VIP-3/PT/D37SUB/F

2903784

573

VIP-3/PT/D37SUB/F/LED

2904266

573

VIP-3/PT/D37SUB/M

2903783

573

VIP-3/PT/D37SUB/M/HW/C300

2904276

487

VIP-3/PT/D37SUB/M/LED

2904261

573

VIP-3/PT/D50SUB/F

2903786

573

VIP-3/PT/D50SUB/F/LED

2904267

573

VIP-3/PT/D50SUB/M

2903785

573

VIP-3/PT/D50SUB/M/LED

2904262

573

VIP-3/PT/FLK14/8IM/LED/PLC

2904281

531

VIP-3/PT/FLK14/8IM/PLC

2904282

531

VIP-3/PT/FLK26

2903791

569

VIP-3/PT/FLK26/LED

2904252

569

VIP-3/PT/FLK34

2903792

569

VIP-3/PT/FLK34/LED

2904253

569

VIP-3/PT/FLK40

2903793

569

VIP-3/PT/FLK40/LED

2904254

569

VIP-3/PT/FLK50

2903794

569

VIP-3/PT/FLK50/AN/2P/S7-1500

2908499

512

VIP-3/PT/FLK50/AN/S7-1500

2908496

512

VIP-3/PT/FLK50/LED

2904255

569

VIP-3/PT/FLK60

2903795

569

VIP-3/PT/FLK60/LED

2904256

569

VIP-3/PT/FLK64

2903796

569

VIP-3/PT/FLK64/LED

2904257

569

VIP-3/PT/HD26SUB/F

2904273

576

VIP-3/PT/HD26SUB/M

2904269

576

VIP-3/PT/HD44SUB/F

2904274

576

VIP-3/PT/HD44SUB/M

2904270

576

VIP-3/PT/HD62SUB/F

2904275

576

VIP-3/PT/HD62SUB/M

2904271

576

VIP-3/PT/PDM-2/16

2903797

598

VIP-3/PT/PDM-2/24

2903798

598

VIP-3/PT/PDM-2/32

2903799

598

VIP-3/PT/PDM-2/48

2903800

598

VIP-3/PT/RJ45

2904290

577

VIP-3/SC/2FLK14/AN/2P/S7-1500A

2908464

513

VIP-3/SC/2FLK14/AN/2P/S7-1500B

2908845

513

VIP-3/SC/D25SUB/F

2315188

571

VIP-3/SC/D25SUB/F/LED

2322210

571

VIP-3/SC/D25SUB/M

2315133

571

VIP-3/SC/D25SUB/M/LED

2322168

571

VIP-3/SC/D37SUB/F

2315191

571

VIP-3/SC/D37SUB/F/LED

2322223

571

VIP-3/SC/D37SUB/M

2315146

571

VIP-3/SC/D37SUB/M/HW/C300

2900675

487

VIP-3/SC/D37SUB/M/LED

2322171

571

VIP-3/SC/D50SUB/F

2315201

571

VIP-3/SC/D50SUB/F/LED

2322236

571

VIP-3/SC/D50SUB/M

2315159

571

VIP-3/SC/D50SUB/M/LED

2322184

571

VIP-3/SC/FLK14/8IM/LED/PLC

2322265

531

VIP-3/SC/FLK14/8IM/PLC

2322278

531

VIP-3/SC/FLK26

2315052

567

VIP-3/SC/FLK26/LED

2322087

567

VIP-3/SC/FLK34

2315065

567

VIP-3/SC/FLK34/LED

2322090

567

VIP-3/SC/FLK40

2315078

567

VIP-3/SC/FLK40/LED

2322100

567

VIP-3/SC/FLK50

2315081

567

VIP-3/SC/FLK50/AN/2P/S7-1500

2908497

512

VIP-3/SC/FLK50/AN/S7-1500

2908495

512

VIP-3/SC/FLK50/LED

2322113

567

VIP-3/SC/FLK60

2315094

567

VIP-3/SC/FLK60/LED

2322126

567

VIP-3/SC/FLK64

2315104

567

VIP-3/SC/FLK64/LED

2322139

567

VIP-3/SC/HD26SUB/F

2322414

576

VIP-3/SC/HD26SUB/M

2322375

576

VIP-3/SC/HD44SUB/F

2322427

576

VIP-3/SC/HD44SUB/M

2322388

576

VIP-3/SC/HD62SUB/F

2322430

576

VIP-3/SC/HD62SUB/M

2322391

576

VIP-3/SC/RJ45

2900701

577

VIP-8RPT-120AC/1AU/DI/PLC

2904576

543

VIP-8RPT-24DC/1AU/DI/PLC

2903600

543

VIP-8RPT-24DC/21/DO/FU/PLC

2903601

542

VIP-CAB-FLK10-0,14/...

2318376

582

VIP-CAB-FLK10/0,14/1,0M

2318318

582

VIP-CAB-FLK10/0,14/2,0M

2318334

582

VIP-CAB-FLK10/0,14/3,0M

2318347

582

VIP-CAB-FLK14-0,14/...

2318457

582

VIP-CAB-FLK14/0,14/1,0M

2318392

582

VIP-CAB-FLK14/0,14/2,0M

2318415

582

VIP-CAB-FLK14/0,14/3,0M

2318428

582

VIP-CAB-FLK14/AXIO/0,14/0,5M

2901604

491

VIP-CAB-FLK14/AXIO/0,14/1,0M

2901605

491

VIP-CAB-FLK14/AXIO/0,14/1,5M

2901606

491

VIP-CAB-FLK14/AXIO/0,14/2,0M

2901607

491

VIP-CAB-FLK14/AXIO/0,14/2,5M

2901608

491

VIP-CAB-FLK14/AXIO/0,14/3,0M

2901609

491

VIP-CAB-FLK14/AXIO/0,14/4,0M

2901610

491

VIP-CAB-FLK14/AXIO/0,14/6,0M

2901611

491

VIP-CAB-FLK14/FR/OE/0,14/0,5M

2900122

584

VIP-CAB-FLK14/FR/OE/0,14/1,0M

2900123

584

VIP-CAB-FLK14/FR/OE/0,14/1,5M

2900125

584

VIP-CAB-FLK14/FR/OE/0,14/2,0M

2900126

584

VIP-CAB-FLK14/FR/OE/0,14/3,0M

2900127

584

VIP-CAB-FLK16/FR/OE/0,14/0,5M

2900130

584

VIP-CAB-FLK16/FR/OE/0,14/1,0M

2900131

584

VIP-CAB-FLK16/FR/OE/0,14/1,5M

2900132

584

VIP-CAB-FLK16/FR/OE/0,14/2,0M

2900133

584

VIP-CAB-FLK16/FR/OE/0,14/3,0M

2900134

584

VIP-CAB-FLK20/FR/OE/0,14/1,0M

2900139

585

VIP-CAB-FLK20/FR/OE/0,14/2,0M

2900142

585

VIP-CAB-FLK20/FR/OE/0,14/3,0M

2900143

585

VIP-CAB-FLK40-0,14/...

2318855

582

VIP-CAB-FLK40/0,14/1,0M

2318790

582

VIP-CAB-FLK40/0,14/2,0M

2318813

582

VIP-CAB-FLK40/0,14/3,0M

2318826

582

VIP-PA-FLK14-S7/...

2900887

501

VIP-PA-FLK14/ 0,5M/S7

2322663

501

VIP-PA-FLK14/ 1,0M/S7

2322676

501

VIP-PA-FLK14/ 1,5M/S7

2322689

501

VIP-PA-FLK14/ 2,0M/S7

2321790

501

VIP-PA-FLK14/ 2,5M/S7

2322692

501

VIP-PA-FLK14/ 3,0M/S7

2322702

501

VIP-PA-FLK14/ 4,0M/S7

2322715

501

VIP-PA-FLK14/ 5,0M/S7

2322728

501

VIP-PA-FLK14/ 6,0M/S7

2322731

501

VIP-PA-FLK14/ 7,0M/S7

2322744

501

VIP-PA-FLK14/ 8,0M/S7

2322757

501

VIP-PA-FLK14/10,0M/S7

2322760

501

VIP-PA-FLK50-4X14-S7/...

2900886

501

VIP-PA-FLK50-S7/...

2900885

500

VIP-PA-FLK50/ 0,5M/S7

2322443

500

VIP-PA-FLK50/ 1,0M/S7

2322456

500

VIP-PA-FLK50/ 1,5M/S7

2322469

500

VIP-PA-FLK50/ 2,0M/S7

2321800

500

615

PHOENIX CONTACT

Index

Alphabetical

phoenixcontact-interface-technology-and-switching-devices-html.html
background image

Type

Order No. Page

Type

Order No. Page

Type

Order No. Page

Type

Order No. Page

VIP-PA-FLK50/ 2,5M/S7

2322472

500

VIP-PA-FLK50/ 3,0M/S7

2322485

500

VIP-PA-FLK50/ 4,0M/S7

2322498

500

VIP-PA-FLK50/ 5,0M/S7

2322508

500

VIP-PA-FLK50/ 6,0M/S7

2322511

500

VIP-PA-FLK50/ 7,0M/S7

2322524

500

VIP-PA-FLK50/ 8,0M/S7

2322537

500

VIP-PA-FLK50/10,0M/S7

2322540

500

VIP-PA-FLK50/4X14/ 0,5M/S7

2322553

501

VIP-PA-FLK50/4X14/ 1,0M/S7

2322566

501

VIP-PA-FLK50/4X14/ 1,5M/S7

2322579

501

VIP-PA-FLK50/4X14/ 2,0M/S7

2321910

501

VIP-PA-FLK50/4X14/ 2,5M/S7

2322582

501

VIP-PA-FLK50/4X14/ 3,0M/S7

2322595

501

VIP-PA-FLK50/4X14/ 4,0M/S7

2322605

501

VIP-PA-FLK50/4X14/ 5,0M/S7

2322618

501

VIP-PA-FLK50/4X14/ 6,0M/S7

2322621

501

VIP-PA-FLK50/4X14/ 7,0M/S7

2322634

501

VIP-PA-FLK50/4X14/ 8,0M/S7

2322647

501

VIP-PA-FLK50/4X14/10,0M/S7

2322650

501

VIP-PA-PWR/20XOE/ 1,0M/S7

2904724

499

VIP-PA-PWR/20XOE/ 2,0M/S7

2904725

499

VIP-PA-PWR/20XOE/ 3,0M/S7

2904726

499

VIP-PA-PWR/20XOE/ 4,0M/S7

2904727

499

VIP-PA-PWR/20XOE/ 6,0M/S7

2904728

499

VIP-PA-PWR/20XOE/ 8,0M/S7

2904729

499

VIP-PA-PWR/20XOE/10,0M/S7

2904730

499

VIP-PA-PWR/20XOE/HF/ 1,0M/S7

2908916

499

VIP-PA-PWR/20XOE/HF/ 2,0M/S7

2908915

499

VIP-PA-PWR/20XOE/HF/ 3,0M/S7

2908914

499

VIP-PA-PWR/20XOE/HF/ 4,0M/S7

2908913

499

VIP-PA-PWR/20XOE/HF/ 6,0M/S7

2908912

499

VIP-PA-PWR/20XOE/HF/ 8,0M/S7

2908911

499

VIP-PA-PWR/20XOE/HF/10,0M/S7

2908910

499

VIP-PA-PWR/2X10 PT/ 0,5M/S7

2905528

497

VIP-PA-PWR/2X10 PT/ 1,0M/S7

2905529

497

VIP-PA-PWR/2X10 PT/ 1,5M/S7

2905531

497

VIP-PA-PWR/2X10 PT/ 2,0M/S7

2905532

497

VIP-PA-PWR/2X10 PT/ 2,5M/S7

2905533

497

VIP-PA-PWR/2X10 PT/ 3,0M/S7

2905534

497

VIP-PA-PWR/2X10 PT/ 4,0M/S7

2905535

497

VIP-PA-PWR/2X10 PT/ 5,0M/S7

2905536

497

VIP-PA-PWR/2X10 PT/ 6,0M/S7

2905537

497

VIP-PA-PWR/2X10 PT/ 8,0M/S7

2905538

497

VIP-PA-PWR/2X10 PT/10,0M/S7

2905539

497

VIP-PA-PWR/2X10COMBI/ 0,5M/S7

2904713

497

VIP-PA-PWR/2X10COMBI/ 1,0M/S7

2904714

497

VIP-PA-PWR/2X10COMBI/ 1,5M/S7

2904715

497

VIP-PA-PWR/2X10COMBI/ 2,0M/S7

2904716

497

VIP-PA-PWR/2X10COMBI/ 2,5M/S7

2904717

497

VIP-PA-PWR/2X10COMBI/ 3,0M/S7

2904718

497

VIP-PA-PWR/2X10COMBI/ 4,0M/S7

2904719

497

VIP-PA-PWR/2X10COMBI/ 5,0M/S7

2904720

497

VIP-PA-PWR/2X10COMBI/ 6,0M/S7

2904721

497

VIP-PA-PWR/2X10COMBI/ 8,0M/S7

2904722

497

VIP-PA-PWR/2X10COMBI/10,0M/S7

2904723

497

VIP-PA-PWR/40XOE/ 1,0M/S7

2904731

498

VIP-PA-PWR/40XOE/ 2,0M/S7

2904732

498

VIP-PA-PWR/40XOE/ 3,0M/S7

2904733

498

VIP-PA-PWR/40XOE/ 4,0M/S7

2904734

498

VIP-PA-PWR/40XOE/ 6,0M/S7

2904735

498

VIP-PA-PWR/40XOE/ 8,0M/S7

2904736

498

VIP-PA-PWR/40XOE/10,0M/S7

2904737

498

VIP-PA-PWR/40XOE/HF/ 1,0M/S7

2908909

499

VIP-PA-PWR/40XOE/HF/ 2,0M/S7

2908908

499

VIP-PA-PWR/40XOE/HF/ 3,0M/S7

2908907

499

VIP-PA-PWR/40XOE/HF/ 4,0M/S7

2908905

499

VIP-PA-PWR/40XOE/HF/ 6,0M/S7

2908904

499

VIP-PA-PWR/40XOE/HF/ 8,0M/S7

2908903

499

VIP-PA-PWR/40XOE/HF/10,0M/S7

2908902

499

VIP-PA-PWR/4X10 PT/ 0,5M/S7

2905516

496

VIP-PA-PWR/4X10 PT/ 1,0M/S7

2905517

496

VIP-PA-PWR/4X10 PT/ 1,5M/S7

2905518

496

VIP-PA-PWR/4X10 PT/ 2,0M/S7

2905519

496

VIP-PA-PWR/4X10 PT/ 2,5M/S7

2905520

496

VIP-PA-PWR/4X10 PT/ 3,0M/S7

2905521

496

VIP-PA-PWR/4X10 PT/ 4,0M/S7

2905522

496

VIP-PA-PWR/4X10 PT/ 5,0M/S7

2905523

496

VIP-PA-PWR/4X10 PT/ 6,0M/S7

2905524

496

VIP-PA-PWR/4X10 PT/ 8,0M/S7

2905525

496

VIP-PA-PWR/4X10 PT/10,0M/S7

2905526

496

VIP-PA-PWR/4X10COMBI/ 0,5M/S7

2904702

496

VIP-PA-PWR/4X10COMBI/ 1,0M/S7

2904703

496

VIP-PA-PWR/4X10COMBI/ 1,5M/S7

2904704

496

VIP-PA-PWR/4X10COMBI/ 2,0M/S7

2904705

496

VIP-PA-PWR/4X10COMBI/ 2,5M/S7

2904706

496

VIP-PA-PWR/4X10COMBI/ 3,0M/S7

2904707

496

VIP-PA-PWR/4X10COMBI/ 4,0M/S7

2904708

496

VIP-PA-PWR/4X10COMBI/ 5,0M/S7

2904709

496

VIP-PA-PWR/4X10COMBI/ 6,0M/S7

2904710

496

VIP-PA-PWR/4X10COMBI/ 8,0M/S7

2904711

496

VIP-PA-PWR/4X10COMBI/10,0M/S7

2904712

496

VIP-PT/FLK16/DS/FU/LED/AN/DV

2903599

482

VIP/S/BASE 3L DIVIDER

2907715

553

VIP/S/D25M/BASE 1-8/L/EX

2906595

552

VIP/S/MC/BASE 1-8/L/C/EX

2907186

553

VIP/S/MC/BASE 1-8/L/EX

2906596

553

VIP/S/MC/BASE 17-24/L/C/EX

2907209

553

VIP/S/MC/BASE 17-24/L/EX

2907024

553

VIP/S/MC/BASE 25-32/L/C/EX

2907210

553

VIP/S/MC/BASE 25-32/L/EX

2907025

553

VIP/S/MC/BASE 9-16/L/C/EX

2907187

553

VIP/S/MC/BASE 9-16/L/EX

2906630

553

VIP/U/RAIL 3L DIVIDER

2908555

553

VS-937/...

1402611

50

Z

ZB 15:UNBEDRUCKT

0811972

366

ZB 5 :UNBEDRUCKT

1050004

366

ZB 6,LGS:FORTL.ZAHLEN

1051016

424

ZB 6:UNBEDRUCKT

1051003

366

616

PHOENIX CONTACT

Index

Alphabetical

phoenixcontact-interface-technology-and-switching-devices-html.html
background image

For up-to-date modifications or supplements
to the catalog contents, please visit:

phoenixcontact.net/webcode/

#0132

 

BuchHK5.book  Seite 1  Donnerstag, 2. März 2017  8:38 08

Textfarbe Schmuck 45,0° 120,0 LPI 

phoenixcontact-interface-technology-and-switching-devices-html.html
background image

Cyprus

Uruguay

Slovenia

Greece

Macedonia

Montenegro

Kosovo

Bosnia and

Herzegovina Serbia

Bulgaria

Georgia

Azerbaijan

Lebanon

Saudi Arabia

Oman

Bahrain

Qatar

Bangladesh

Honduras

Ecuador

Venezuela

Peru

Bolivia

Paraguay

Nicaragua

Costa Rica

Panama

Guatemala

Iceland

Sri Lanka

Pakistan

Kuwait

Iran

Iraq

Jordan

Egypt

Tunisia

Morocco

Algeria

Kenya

Uganda

Tanzania

Namibia

Botswana

Zimbabwe

Mozambique

Zambia

Nigeria

Ghana

Armenia

Portugal

Spain

France

Switzerland

Austria

Italy

Netherlands

Belgium

Luxembourg

Poland

Czech Republic

Slovakia
Hungary

Croatia

Romania

United Kingdom

Ireland

Turkey

Israel

UAE

Vietnam

Philippines

Taiwan

Thailand

Singapore

New Zealand

Chile

Argentina

Colombia

Canada

Russia

Finland

Estonia

Latvia

Lithuania

Belarus

Ukraine

Sweden

Norway

Denmark

Kazakhstan

South Korea

Japan

Mexico

Brazil

Australia

Indonesia

Malaysia

India

South Africa

Myanmar

USA

China

Blomberg, Germany