Z217 5432 MINOR RUBBER GROMMET, .250,.156IDx.094 BLACK

Please call 800-717-6475 to check current stock and pricing.

Z-217 54320 MINOR RUBBER GROMMETS .250,.156IDx.094 5LT. BLK NEO

SKU: 54320 Category: Tags: , ,

Description

Z-217 54320 MINOR RUBBER GROMMETS .250,.156IDx.094 5LT. BLACK NEO

Insulation Grommets

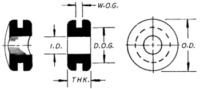
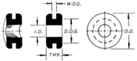
Specifications
Style Number Z-217
Inner Diameter 5/32 in
Groove Width 3/32 in
Groove Diameter 1/4 in
Outside Diameter 7/16 in
0.4375
Thickness 3/8 in
Material NEOPRENE
Durometer 40
Color black
Black
larger image

Product Group Rubber Grommets

Typical applications include the protection of a wire, tube, or various other objects from abrasion when they are passed through metal, plastic, or any material that could damage the outside surface of the item while being installed, or when in use. Additional applications include Electrical Insulation, Sealing, Noise Control, and Vibration Isolation.

Item # 54320, Insulation Grommets
Manufacturer Part Number: 54320
Electronic Components